|
|
|
РЕКОМЕНДАЦИИ АВОК Р НП "АВОК" 3.2.1-2008 КВАРТИРНЫЕ ТЕПЛОВЫЕ ПУНКТЫ В МНОГОКВАРТИРНЫХ ЖИЛЫХ ДОМАХ APARTMENT HEATING UNITS IN MULTICOMPARTMENT BUILDINGS Дата введения - 2008-09-09 Содержание ПредисловиеСведения о рекомендациях 1 РАЗРАБОТАНЫ творческим коллективом специалистов некоммерческого партнерства «Инженеры по отоплению, вентиляции, кондиционированию воздуха, теплоснабжению и строительной теплофизике» (НП «АВОК»): В.И. Ливчак, канд. техн. наук (Мосгосэкспертиза) - руководитель; М.Г. Тарабанов, канд. техн. наук (НИЦ «Инвент»); А.А. Халепа (ООО «Майбес РУС»); Н.В. Шилкин, канд. техн. наук (МАрхИ); А.Н. Галуша (НП «АВОК»). 2 УТВЕРЖДЕНЫ И ВВЕДЕНЫ В ДЕЙСТВИЕ приказом Президента НП «АВОК» от 9 сентября 2008 г. 3 ВВОДЯТСЯ ВПЕРВЫЕ. ВведениеВ настоящее время основным направлением теплоснабжения жилых зданий принята децентрализация подготовки горячей воды на бытовые нужды. Принято решение об отказе от центральных тепловых пунктов (ЦТП), в которых устанавливались водонагреватели горячего водоснабжения на группу зданий, снабжающихся теплоносителем по 4-трубной, а при двухзонной системе водоснабжения - и по 6-трубной схеме. Дальнейшая децентрализация горячего водоснабжения заключается в устройстве квартирных тепловых пунктов (КТП) с водонагревателями горячего водоснабжения (ГВС) в каждой квартире многоэтажного жилого дома, которые подключаются к вертикальным стоякам системы внутреннего теплоснабжения дома. Преимущества данного решения: сокращение трубной разводки - в квартиру теплоноситель поступает только по двум трубопроводам; малые габариты КТП; предоставление возможности собственнику квартиры выбирать тот режим теплоснабжения, который отвечает его индивидуальным потребностям; снижение энергопотребления квартиры и здания в целом; оплата энергоресурсов по факту их потребления; повышение комфорта проживания за счет установки в КТП дополнительных узлов блочной готовности. В Рекомендациях рассматриваются квартирные тепловые пункты настенного монтажа полной заводской готовности. КТП можно размещать в нишах, шахтах стояков как внутри, так и вне жилых помещений, непосредственно на стене санузла с применением декоративного накладного кожуха. При принятии проектного решения о месте размещения КТП его комплектация может расширяться по отношению к базовой. Квартирные тепловые пункты могут подключаться как к сетям централизованного теплоснабжения с установкой промежуточного домового теплового пункта (упрощенной компоновки), так и непосредственно к локальным сетям теплоснабжения - групповой или домовой котельной, с рабочими параметрами, не превышающими максимально допустимые для КТП (выбор источника теплоснабжения также влияет на комплектацию КТП дополнительными блочными элементами по сравнению с его базовой комплектацией). Схематично КТП включают проточный водонагреватель для системы горячего водоснабжения квартиры и узел подключения системы отопления по зависимой схеме без изменения параметров теплоносителя, с возможностью термостатического регулирования отопительной нагрузки. В КТП предусматривается гидравлическая связь, автоматически отключающая подачу теплоносителя в систему отопления квартиры при возникновении потребности в горячей воде. Также существует схема КТП, позволяющая осуществлять отопление и ГВС квартиры в параллельном режиме. В обоих случаях подача теплоносителя в контур ГВС прекращается по завершении потребления горячей воды. В Рекомендациях рассматриваются КТП заводской готовности в базовых исполнениях с тепловой мощностью на отопление до 15 или до 25 кВт и горячего водоснабжения от 35 до 55 кВт (приготовление до 17 л/мин. горячей воды с температурой 50 °С). 1 Область примененияНастоящие рекомендации распространяются на проектирование индивидуальных систем теплоснабжения и горячего водоснабжения для вновь строящихся многоквартирных, в том числе блокированных жилых, общественных зданий, проектов поселков стачечной застройкой. При применении квартирных тепловых пунктов заводской готовности в базовых исполнениях с тепловой мощностью на отопление до 15 или 25 кВт и горячего водоснабжения от 35 до 55 кВт (приготовление от 12 до 17 л/мин горячей воды с температурой 50° С. Требований настоящих, рекомендаций могут быть применены при реконструкции существующих систем теплоснабжения от центральных тепловых пунктов и устройства индивидуальных поквартирных тепловых пунктов, подключаемых к сетям централизованного теплоснабжения с установкой промежуточного домового теплового пункта, а также непосредственно к локальным сетям теплоснабжения от групповой или домовой котельной, с рабочими параметрами, не превышающими максимально допустимых для квартирных тепловых пунктов. Требования настоящих рекомендаций при соответствующем технико-экономическом и гигиеническом обосновании могут быть применены для устройства квартирных тепловых пунктов с емкостными водонагревателями горячей воды, с проточными водонагревателями и баками - аккумуляторами горячей воды, с водонагревателями системы отопления. 2 Нормативные ссылкиВ настоящих рекомендациях использованы ссылки на следующие нормативные документы: СНиП 41-02-2003 Тепловые сети; СП 41-101-95 Проектирование тепловых пунктов; СНиП 41-01-2003 Отопление, вентиляция и кондиционирование; СНиП 2.04.01-85* Внутренний водопровод и канализация зданий; СНиП 31-01-2003 Здания жилые многоквартирные. 3 Термины и определенияВ настоящих рекомендациях применены термины с соответствующими определениями, приведенными в приложении А. 4 Общие технические особенности и преимущества квартирных тепловых пунктов4.1 Квартирный тепловой пункт (далее - КТП) представляет собой модульное устройство заводской готовности с размерами, не превышающими для базового блока по высоте, ширине и глубине: 800´600´200 мм, рассчитанное для настенного или встроенного монтажа (в том числе непосредственно на теплоснабжающем стояке), преобразующее параметры теплоносителя и перераспределяющее (в зависимости от принятой схемы КТП) потоки теплоносителя в контур отопления или/и горячего водоснабжения квартиры и управляющее тепловыми нагрузками этих контуров. 4.2 КТП состоит из проточного водонагревателя системы горячего водоснабжения квартиры и узла подключения системы отопления по зависимой схеме без изменения параметров теплоносителя с возможностью термостатического управления нагрузкой отопления. В устройстве КТП предусмотрена гидравлическая связь, обеспечивающая: - приоритетный режим работы контура горячего водоснабжения с автоматическим отключением гидравлическим приводом подачи теплоносителя в систему отопления в случае возникновения в квартире потребности в горячей воде и соответствующим включением подачи теплоносителя в контур водонагревателя; - параллельное снабжение теплоносителем водонагревателя горячего водоснабжения и системы отопления с условно приоритетным режимом работы контура горячего водоснабжения КТП. Подача теплоносителя в контур водонагревателя производится при срабатывании гидравлического привода при начале водозабора. 4.3 Квартирные тепловые пункты настенного монтажа, полной заводской готовности следует размещать в нишах, шахтах стояков как внутри, так и вне жилых помещений, непосредственно на стене санузла с применением декоративного накладного кожуха. В зависимости от выбора места размещения КТП, его комплектация может расширяться по отношению к базовой. 4.4 КТП функционирует за счет собственного давления воды (перепада давлений в сети теплоснабжения и напора в системе холодного водоснабжения) систем тепло- и водоснабжения здания, подвод электроэнергии необходим только в случае применения функционально расширенных схем КТП и не влияет на его работоспособность в случае отключения электроэнергии. 4.5 Квартирные тепловые пункты могут подключаться как к сетям централизованного теплоснабжения с установкой промежуточного домового теплового пункта (упрощенной компоновки), так и непосредственно к локальным сетям теплоснабжения от групповой или домовой котельной (упрощенной компоновки), с рабочими параметрами, не превышающими максимально допустимых для КТП. А также источники нетрадиционной энергетики с низкотемпературным теплоносителем. 4.6 Теплоноситель по домовой двухтрубной системе теплоснабжения подается в квартиру. В схеме теплоснабжения с КТП производство горячей воды осуществляется локально в квартире потребителя, что обеспечивает отсутствие централизованной системы горячего водоснабжения и линии циркуляции горячей воды по зданию. 4.7 Управление температурным режимом в квартире осуществляется посредством радиаторных термостатов или центральным термостатом квартиры (термостатами зон), подающим сигнал на центральный клапан (клапаны зоны), расположенный в КТП и включающий/отключающий подачу теплоносителя в контур отопления, что позволяет осуществлять управление местными пропусками и обеспечивать потребителю комфортные условия. 4.8 КТП обеспечивает в помещениях в течение отопительного периода температуры воздуха в пределах оптимальных параметров, установленных ГОСТ 30494 при расчетных параметрах наружного воздуха для соответствующих районов строительства и приготовление требуемого объема горячей воды заданной температуры, согласно СНиП 2.04.01-85* находящихся в пределах до 25 кВт отопительной нагрузки и до 55 кВт нагрузки горячего водоснабжения из расчета получения 17 л/воды в мин. с температурой на выходе 50° С. 4.9 Потребитель получает возможность отопления своей квартиры в период межсезонных колебаний климатических показателей наружного воздуха, производить полный учет фактически затраченных энергоресурсов на тепло и водоснабжение. 4.10 Применение схемы теплоснабжения здания с использованием КТП позволяет: - ускорить стадию монтажа и наладки объекта капитального строительства;. - упростить схему разводящих внутридомовых сетей теплоснабжения; - упростить компоновку оборудования ИТП; - обеспечить полный локальный учет потребляемых энергоресурсов и ввести систему диспетчеризации; - за счет отсутствия централизованной системы горячего водоснабжениям и введения локального учета энергоресурсов снизить затраты на эксплуатацию объекта капитального строительства; - повысить уровень комфорта теплоснабжения потребителя за счет местного управления нагрузками; - обеспечить гидравлическую устойчивость системы теплоснабжения при изменении гидравлических характеристик контуров отопления отдельных квартир. 5 Схемные решения КТП с приоритетным режимом ГВС5.1 Базовая комплектация* квартирных тепловых пунктов с гидравлической связью режима работы водонагревателя горячего водоснабжения и системы отопления (рисунок 1) * Базовая комплектация может различаться в зависимости от компании - производителя КТП.
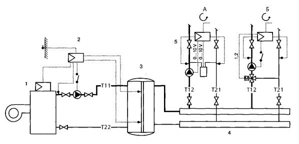
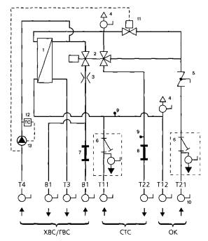
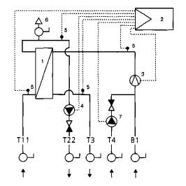
Рисунок 1 - Гидравлическая схема квартирного теплового пункта базовой комплектации: 1 - пластинчатый теплообменник ГВС; 2 - трехходовой гидравлический регулятор-распределитель расхода пропорционального действия с функцией приоритета ГВС (РМ-регулятор); 3 - дроссельная шайба горячего водоснабжения 12,15,17 л/мин; 4 - воздухоотводчик (кран Маевского); 5 - зональный вентиль; 6 - грязеуловитель с шаровым краном для промывки, наполнения и слива (опция); 7 - разъем для счетчика холодной воды, 110 мм; 8 - разъем для счетчика тепла, 110 мм; 9 - муфта для погружной гильзы теплосчетчика; 10 - запорный шаровой кран; СТС - система теплоснабжения; ОК - отопительный контур; ХВС/ГВС - системы холодного и горячего водоснабжения 5.2 Описание функционирования КТП с приоритетным режимом ГВС Технические характеристики приведены в приложении Б. 5.2.1 КТП в режиме отопления. Управление отопительным контуром квартиры Греющий теплоноситель Т11 от домового теплового пункта поступает в КТП, проходит через грязеуловитель б и перераспределяется в зависимости от режима (отопление или приготовление горячей воды) в систему отопления Т12 (по зависимой схеме) или водонагреватель горячего водоснабжения. В режиме отопления, пройдя отопительный контур (ОК) квартиры теплоноситель Т21 также проходит грязеуловитель и через зональный клапан 5, регулирующий подачу теплоносителя на отопление, поступает в третий ход пропорционального регулятора-распределителя расхода 2, после которого проходит прибор учета тепловой энергии (если установлен) 8 и возвращается в обратный трубопровод Т22 системы теплоснабжения здания. В отопительный контур квартиры подается расход теплоносителя для покрытия тепловых потерь, не более требуемого по расчету. Для ограничения расхода теплоносителя, поступающего в контур отопления, на стадии наладки устанавливается преднастройка на зональном клапане (рисунок 1, позиция 5). Настройка определяется расчетным путем и учитывает дополнительное сопротивление отопительного контура по отношению к контуру ГВС рассматриваемой квартиры для их гидравлического согласования и исключения возникновения шумов в системе отопления. Регулирование температуры в комнатах может осуществляться термостатическими регуляторами, установленными на радиаторах отопления или посредством центрального электронного термостата, установленного в контрольном помещении. Во втором случае сигнал от центрального термостата подается на исполнительный двухпозиционный термоэлектрический привод, устанавливаемый на зональном клапане 5 КТП. При этом осуществляется отопление методом местных пропусков. Применение центрального термостата позволяет вводить индивидуальную программу отопления. Также систему отопления квартиры возможно разделить на контуры с установкой термостатов в каждом помещении квартиры (лучевая разводка СО). От термостата подается сигнал на клапан своей зоны (КТП комплектуется распределителем). Для организации системы отопления квартиры применимы как кольцевая, так и лучевая схемы разводки. 5.2.1.2 Отопление помещений системой «теплый пол» Возможно осуществление отопления квартиры системой теплых полов (пониженный температурный график). Для этого в КТП модульно устанавливается смесительный узел с насосом (рисунок 2). Возможны различные варианты управления трехходовым смесителем: термостатическое, электронное трехпозиционное по температуре в помещении или погодозависимое. Подключение контура теплых полов к системе осуществляется по зависимой схеме через встроенную в узел перепускную линию 11.
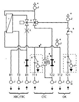
Рисунок 2 - Схема КТП со смесительным узлом для отопления системой теплых полов: 1 - пластинчатый теплообменник ГВС; 2 - трехходовой РМ-регулятор; 3 - дроссельная шайба горячего водоснабжения 12,15,17 л/мин; 4 - воздухоотводчик (кран Маевского); 5 - зональный вентиль; 6 - грязеуловитель с шаровым краном для промывки, наполнения и слива (опция); 7 - разъем для счетчика холодной воды, 110 мм; 8 - разъем для счетчика тепла, 110 мм; 9 - муфта для погружной гильзы теплосчетчика; 10 - запорный шаровой кран; 11 - перепускная линия (первичный байпас); 12 - трехходовой смеситель; 13 - термостатический привод смесителя; 14 - электрический привод смесителя, 220 В; 15 - циркуляционный насос; 16 - регулируемый байпас; 17 - контроллер; СТС - система теплоснабжения; ОК - отопительный контур; ХВС/ГВС - системы холодного и горячего водоснабжения 5.2.1.3 Комбинированное отопление Возможна схема КТП, обеспечивающая сочетание радиаторного отопления и отопления системой «теплый пол» (рисунок 3). Принцип работы описан в 5.2.1.1 и 5.2.1.2.
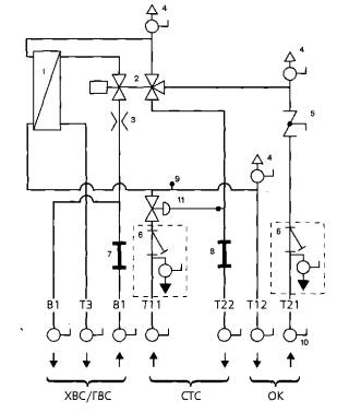
Рисунок 3 - Схема КТП со смесительным узлом для сочетания радиаторного отопления и системы теплых полов: 1 - пластинчатый теплообменник ГВС; 2 - трехходовой РМ-регулятор; 3 - дроссельная шайба горячего водоснабжения 12,15,17 л/мин; 4 - воздухоотводчик (кран Маевского); 5 - зональный вентиль; 6 - грязеуловитель с шаровым краном для промывки, наполнения и слива (опция); 7 - разъем для счетчика холодной воды, 110 мм; 8 - разъем для счетчика тепла, 110 мм; 9 - муфта для погружной гильзы теплосчетчика; 10 - запорный шаровой кран; СТС - система теплоснабжения; ОК - отопительный контур; ХВС/ГВС - системы холодного и горячего водоснабжения 5.2.2 КТП в режиме горячего водоснабжения Включением/отключением режима ГВС в КТП управляет гидравлический регулятор-распределитель расхода пропорционального действия (РМ-регулятор, от нем. Proportional Mengen - «пропорционально расходу»). РМ-регулятор выпускается в двух вариантах исполнения - двухходовой или трехходовой с функцией приоритета ГВС. В зависимости от типоразмера водонагревателя, установленного в КТП, применяются соответствующие диаграммы для определения параметров теплоносителя для обеспечения нагрева питьевой воды (см. приложение Б). В любом случае в режиме ГВС после водонагревателя КТП обеспечивается низкая температура обратной магистрали Т21 в силу проточного (противоточная схема движения теплоносителя) режима нагрева питьевой воды. 5.2.2.1 Режим горячего водоснабжения (только для КТП с функцией приоритета ГВС). Отопительный период В режиме отопления теплоноситель Т21 циркулирует через третий ход 4 РМ-регулятора (рисунок 4а).
Рисунок 4 - Схема работы трехходового гидравлического регулятора-распределителя расхода пропорционального действия с функцией приоритета ГВС: 1 - возвратная пружина штока; 2 – импульсная линия давления; 3 - дроссель контура отопления (3-ий ход); 4 - третий ход РМ-регулятора; 5 - шток; 6 - мембрана При открытии крана прибора разбора горячей воды возникает перепад давлений на мембране 6 РМ-регулятора, перемещающий ее и жестко скрепленный с ней шток 5 из начального положения «контур отопления открыт - контур ГВС закрыт» в положение «контур отопления закрыт - контур ГВС открыт» и производит регулирование подачи теплоносителя в проточный водонагреватель пропорционально расходу поступающей в противоточном режиме питьевой воды В1. При этом весь теплоноситель Т11, поступающий в КТП, направляется в контур ГВС, после которого проходит прибор учета тепла и поступает в обратный трубопровод системы теплоснабжения Т22. С закрытием крана прибора разбора горячей воды через выполненную в корпусе РМ-регулятора импульсную линию 2 перепад давлений на мембране 6 исчезает и возвратная пружина 1 переводит шток в исходное положение - отопление продолжается, контур ГВС перекрыт. 5.2.2.2 Режим горячего водоснабжения. Летний период эксплуатации. Термический мост циркуляции В схеме теплоснабжения с КТП необходимо обеспечить циркуляцию греющего теплоносителя Т11 в летний период эксплуатации (отсутствие отопительной нагрузки) для обеспечения нагрева горячей воды Т3 в водонагревателе КТП. Для этого в зависимости от принятой схемы разводящих сетей здания (см. пункт 10) требуется сделать следующее. При схеме 1 пункта 10: в каждом, удаленном более чем на 3 м от распределительной магистрали теплоносителя, КТП устанавливается термический мост циркуляции (регулятор температуры «после себя»), который имеет настроечную шкалу 45-65 °С. (рисунок 5, позиция 11). При схеме 2 пункта 10: термический мост циркуляции устанавливается в крайних по ходу движения теплоносителя КТП, подключенных к рассматриваемому стояку или устанавливается выносной термический мост циркуляции в крайней по ходу движения теплоносителя точке стояка (например, на техническом этаже) (рисунок 6).
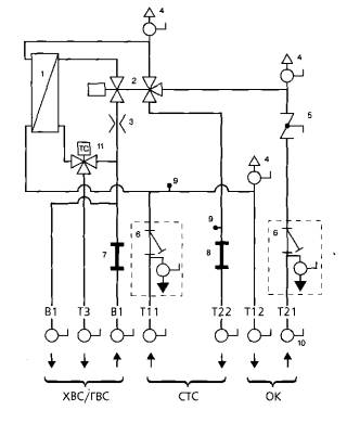
Рисунок 5 - Схема КТП, укомплектованного термическим мостом циркуляции: 1 - пластинчатый теплообменник ГВС; 2 - трехходовой РМ-регулятор; 3 - дроссельная шайба горячего водоснабжения 12,15,17 л/мин; 4 - воздухоотводчик (кран Маевского); 5 - зональный вентиль; 6 - грязеуловитель с шаровым краном для промывки, наполнения и слива (опция); 7 - разъем для счетчика холодной воды, 110 мм; 8 - разъем для счетчика тепла, 110 мм; 9 - муфта для погружной гильзы теплосчетчика; 10 - запорный шаровой кран; 11 - термический мост циркуляции; СТС – система теплоснабжения; ОК - отопительный контур; ХВС/ГВС - системы холодного и горячего водоснабжения
Рисунок 6 - Термический мост циркуляции, устанавливаемый на теплоснабжающем стояке: а - верхний мост циркуляции; б - нижний мост циркуляции; 1 - автоматический воздухоотводчик; 2 - термический мост циркуляции; 3 - сливной кран При таком решении обеспечивается стабильная температура греющего теплоносителя Т11 перед водонагревателем, достаточная для нагрева расчетного количества питьевой воды до нормативного уровня при отсутствии отопительной нагрузки. Роль термического моста циркуляции может выполнять RTL-вентиль (return temperature limiter) установленный на радиаторе ванной комнаты (полотенцесушителе) (см. 5.2.5.1). Режим работы моста циркуляции представлен на рисунке 7. Применение в системе теплоснабжения термического моста циркуляции позволяет снизить потери тепловой энергии за счет отсутствия централизованной системы ГВС и периодической циркуляции теплоносителя Т11 для нагрева питьевой воды в летний период.
Рисунок 7 - Режим работы термического моста циркуляции 5.2.3 Организация контура ГВС при значительной удаленности приборов разбора горячей воды от места установки КТП Основным критерием для определения максимальной удаленности прибора разбора горячей воды от КТП является внутренний объем соединяющего их трубопровода, который не должен превышать 30 дм3 (3 л). В противном случае время ожидания схода остывшей воды с участка трубопровода оказывается за рамками комфортных для потребителя условий. Для обеспечения комфортного горячего водоснабжения в квартирах с удаленными точками разбора горячей воды в КТП возможно модульно установить узел циркуляции горячей воды с таймером (рисунок 8) или термостатическим реле (рисунок 9).
Рисунок 8 - Схема КТП с контуром циркуляции ГВС. Регулирование посредством реле времени и термического моста циркуляции контура ГВС: 1 - пластинчатый теплообменник ГВС; 2 - трехходовой РМ-регулятор; 3 - дроссельная шайба горячего водоснабжения 12,15,17 л/мин; 4 - воздухоотводчик (кран Маевского); 5 - зональный вентиль; 6 - грязеуловитель с шаровым краном для промывки, наполнения и слива (опция); 7 - разъем для счетчика холодной воды, 110 мм; 8 - разъем для счетчика тепла, 110 мм; 9 - муфта для погружной гильзы теплосчетчика; 10 - запорный шаровой кран; 11 - термический мост циркуляции первичного контураводонагревателя ГВС; 11' - линия циркуляции горячей воды с насосом, ~220 В; 12 - реле времени, ~220 В; СТС - система теплоснабжения; ОК - отопительный контур; ХВС/ГВС - системы холодного и горячего водоснабжения
Рисунок 9 - Схема КТП с контуром циркуляции ГВС. Регулирование посредством термического реле и соленоидного клапана: 1 - пластинчатый теплообменник ГВС; 2 - трехходовой РМ-регулятор; 3 - дроссельная шайба горячего водоснабжения 12,15,17 л/мин; 4 - воздухоотводчик (кран Маевского); 5 - зональный вентиль; 6 - грязеуловитель с шаровым краном для промывки, наполнения и слива (опция); 7 - разъем для счетчика холодной воды, 110 мм; 8 - разъем для счетчика тепла, 110 мм; 9 - муфта для погружной гильзы теплосчетчика; 10 - запорный шаровой кран; 11 - соленоидный клапан, ~220 В; 12 - термостатическое реле; 13 - циркуляционный насос ГВС, ~220 В; СТС - система теплоснабжения; ОК - отопительный контур; ХВС/ГВС - системы холодного и горячего водоснабжения Также для обеспечения комфортных условий по приготовлению горячей воды в летний период эксплуатации системы необходимо учитывать удаленность расположения КТП от распределительной сети здания и при необходимости комплектовать КТП термическим мостом циркуляции (см. 5.2.2.2). 5.2.4 Обеспечение нормативной температуры горячей воды Диапазон допустимых температур в системе ГВС регламентируется СНиП 2.04.01-85* «Внутренний водопровод и канализация зданий». Нижний предел температуры горячей воды (50 °С) обеспечивается КТП при соответствии параметров системы теплоснабжения полученным расчетным путем и РМ-регулятором пропорционального действия (см. 5.2.2), а также: - в случае источника теплоснабжения индивидуальная групповая котельная обеспечивается методом качественно-количественного регулирования тепловой нагрузки. «Срезка» отопительной кривой на уровне 70 °С; - в случае источника теплоснабжения тепловая сеть обеспечивается методом качественного регулирования тепловой нагрузки. «Срезка» отопительной кривой на уровне 70 °С. При соотношении гидравлических сопротивлений контуров отопления и ГВС КТП (определяются при выполнении гидравлического расчета, см. приложение Г) DРотопление/DРГВС > 1 в контур ГВС подается расход теплоносителя, превышающий требуемый. В этом случае горячая вода будет перегреваться и поэтому требуется комплектовать КТП термостатическим смесителем ГВС (рисунок 10), обеспечивающим защиту от получения ожога.
Рисунок 10 - Схема КТП с термостатическим смесителем ГВС (защита от возможного ожога): 1 - пластинчатый теплообменник ГВС; 2 - трехходовой РМ-регулятор; 3 - дроссельная шайба горячего водоснабжения 12,15,17 л/мин; 4 - воздухоотводчик (кран Маевского); 5 - зональный вентиль; 6 - грязеуловитель с шаровым краном для промывки, наполнения и слива (опция); 7 - разъем для счетчика холодной воды, 110 мм; 8 - разъем для счетчика тепла, 110 мм; 9 - муфта для погружной гильзы теплосчетчика; 10 - запорный шаровой кран; 11 - термостатический смесительный вентиль для горячей воды - защита от ожога; СТС - система теплоснабжения; ОК - отопительный контур; ХВС/ГВС - системы холодного и горячего водоснабжения Также термостатический смеситель ГВС можно устанавливать для обеспечения безопасности потребителя в случае возникновения нерасчетных параметров в системе теплоснабжения (на усмотрение проектировщика) или комплектоваться на стадии эксплуатации при необходимости. 5.2.5 Организация контура радиатора (полотенцесушителя) и контура теплого пола в ванной комнате. Роль термического моста циркуляции 5.2.5.1 При стандартной схеме теплоснабжения в контуре полотенцесушителя циркулирует вода из системы ГВС. В случае применения схемы с КТП в контуре полотенцесушителя циркулирует теплоноситель. При этом контур полотенцесушителя выполняется в виде ответвления от основного контура отопления квартиры. Это организуется в самом модуле КТП (в виде опции, рисунок 11) или путем местной установки RTL-вентиля на обратной линии контура полотенцесушителя при условии отсутствия центрального регулирования зонального клапана или комплектации КТП распределителем с установкой зонального клапана на каждом ответвлении (рисунок 12, позиция 5).
Рисунок 11 - Организация контура полотенцесушителя с установкой RTL-вентиля в модуле КТП: 1 - пластинчатый теплообменник ГВС; 2 - трехходовой РМ-регулятор; 3 - дроссельная шайба горячего водоснабжения 12,15,17 л/мин; 4 - воздухоотводчик (кран Маевского); 5 - зональный вентиль; 6 - грязеуловитель с шаровым краном для промывки, наполнения и слива (опция); 7 - разъем для счетчика холодной воды, 110 мм; 8 - разъем для счетчика тепла, 110 мм; 9 - муфта для погружной гильзы теплосчетчика; 10 - запорный шаровой кран; 11 - RTL-вентиль (контур полотенцесушителя); СТС - система теплоснабжения; ОК - отопительный контур; ХВС/ГВС - системы холодного и горячего водоснабжения
Рисунок 12 - Организация контура полотенцесушителя с установкой RTL-вентиля непосредственно на полотенцесушителе: 1 - пластинчатый теплообменник ГВС; 2 - трехходовой РМ-регулятор; 3 - дроссельная шайба горячего водоснабжения 12,15,17 л/мин; 4 - воздухоотводчик (кран Маевского); 5 - зональный вентиль; 6 - грязеуловитель с шаровым краном для промывки, наполнения и слива (опция); 7 - разъем для счетчика холодной воды, 110 мм; 8 - разъем для счетчика тепла, 110 мм; 9 - муфта для погружной гильзы теплосчетчика; 10 - запорный шаровой кран; 11 - RTL-вентиль; СТС – система теплоснабжения; ОК - отопительный контур; ХВС/ГВС - системы холодного и горячего водоснабжения При применении регулятора температуры «после себя» он также выполняет роль термического моста циркуляции (см. 5.2.2.2). При необходимости установки в КТП контура циркуляции ГВС (см. 5.2.3) возможно подключать контур полотенцесушителя на линию циркуляции. 5.2.6 Схема КТП с ограничителем температуры обратной магистрали контура отопления Температура обратной магистрали в режиме ГВС описана в 5.2.2 и диаграммах приложения Б. В режиме отопления расчетная температура обратной магистрали Т22 обеспечивается при соблюдении проектных требований, а также в ИТП с помощью контроллера управления. Помимо этого, при необходимости в КТП модульно возможно установить ограничитель температуры обратной магистрали, который функционирует аналогично термическому мосту циркуляции (см. 5.2.2.2), обеспечивая регулирование «местными пропусками» при превышении температуры обратного потока, заданного на самом элементе.
Рисунок 13 - Схема КТП с ограничителем температуры обратной магистрали контура отопления: 1 - пластинчатый теплообменник ГВС; 2 - трехходовой РМ-регулятор; 3 - дроссельная шайба горячего водоснабжения 12,15,17 л/мин; 4 - воздухоотводчик (кран Маевского); 5 - зональный вентиль; 6 - грязеуловитель с шаровым краном для промывки, наполнения и слива (опция); 7 - разъем для счетчика холодной воды, 110 мм; 8 - разъем для счетчика тепла, 110 мм; 9 - муфта для погружной гильзы теплосчетчика; 10 - запорный шаровой кран; 11 - RTL-вентиль; СТС – система теплоснабжения; ОК - отопительный контур; ХВС/ГВС - системы холодного и горячего водоснабжения 5.2.7 Гидравлическая балансировка КТП в системе Для гидравлической увязки КТП в системе требуется установка балансировочной арматуры. В зависимости от принимаемой схемы и проектного решения балансировочные клапаны (статические и/или автоматические) устанавливаются на стояках, этажных ответвлениях или/и ответвлениях к КТП (см. также пункт 10). При этом функция клапана заключается в поддержании расчетного перепада давления (автоматический клапан) при изменении расхода теплоносителя по причине включения/отключения нагрузки ГВС в рассматриваемом ответвлении (стояке) или поддержании заданного напора (статический клапан) для рассматриваемого ответвления (стояка), что требуется для ограничения расхода и напора теплоносителя в расчетном режиме. Следует выбирать клапан с диапазоном регулирования, обеспечивающим требуемый перепад давления в расчетном режиме совокупной нагрузки отопления и ГВС всех подключенных к ответвлению (стояку) потребителей. Также возможно укомплектовать КТП балансировочной арматурой модульно (рисунок 14). В основном это применяется при удалении КТП от других потребителей или проектах отдельно стоящих индивидуальных домов.
Рисунок 14 - Схема КТП с автоматическим балансировочным клапаном: 1 - пластинчатый теплообменник ГВС; 2 - трехходовой РМ-регулятор; 3 - дроссельная шайба горячего водоснабжения 12,15,17 л/мин; 4 - воздухоотводчик (кран Маевского); 5 - зональный вентиль; 6 - грязеуловитель с шаровым краном для промывки, наполнения и слива (опция); 7 - разъем для счетчика холодной воды, 110 мм; 8 - разъем для счетчика тепла, 110 мм; 9 - муфта для погружной гильзы теплосчетчика; 10 - запорный шаровой кран; 11 - автоматический балансировочный клапан; СТС - система теплоснабжения; ОК - отопительный контур; ХВС/ГВС - системы холодного и горячего водоснабжения 5.3 КТП с параллельным режимом работы контуров отопления и ГВС (увеличенной отопительной мощности). Условный приоритет контура ГВС 5.3.1 Базовая комплектация квартирных тепловых пунктов с условной гидравлической связью режима работы водонагревателя горячего водоснабжения и системы отопления 5.3.2 Особенности функционирования КТП с условной гидравлической связью режима работы водонагревателя горячего водоснабжения и системы отопления Технические характеристики приведены в приложении Б. Данная схема КТП характеризуется большей суммарной тепловой мощностью подключения, т.к. не обеспечивается 100 %-е отключение контура отопления рассматриваемой квартиры в момент потребления горячей воды (в отличие от схем, рассмотренных в 5.2). Расход теплоносителя в контур отопления может ограничиваться только соотношением сопротивлений по отношению к контуру ГВС. КТП с условной гидравлической связью режима работы водонагревателя горячего водоснабжения и системы отопления позволяет обеспечить большую по сравнению с КТП со схемой приоритетного ГВС отопительную нагрузку. В основном это достигается за счет увеличения проходного сечения трубопроводов подключения КТП к системе теплоснабжения и отопительного контура квартиры Т11, Т12, Т21 и Т22, а также за счет изменения схемы движения теплоносителя, что по сравнению со схемой, рассмотренной в 5.1 позволяет обеспечить более низкие параметры гидравлического сопротивления отопительного контура (при больших расходах теплоносителя) и тем самым увеличить пропускную отопительную способность КТП. 5.3.3 Применение КТП с условной гидравлической связью режима работы водонагревателя горячего водоснабжения и системы отопления Квартирные тепловые пункты увеличенной отопительной мощности (рисунок 15) применяются, если среднесуточное соотношение нагрузок горячего водоснабжения и отопления за отопительный период превышает 50 % при расчетной температуре наружного воздуха для проектирования отопления выше -30 °С и при любом соотношении нагрузок для районов с более низкой расчетной температурой наружного воздуха. При озвученных условиях также возможно применение КТП с приоритетным режимом ГВС (см. 5.1) при условии выполнения проверки способности ограждающих конструкций здания обеспечивать требуемые параметры температуры в помещении при работе КТП в режиме приоритета ГВС в период пикового разбора горячей воды.
Рисунок 15 - Гидравлическая схема квартирного теплового пункта с условной гидравлической связью режима работы водонагревателя горячего водоснабжения и системы отопления: 1 - пластинчатый теплообменник ГВС; 2 - двухходовой РМ-регулятор; 3 - дроссельная шайба горячего водоснабжения 12,15,17 л/мин; 4 - воздухоотводчик (кран Маевского); 5 - зональный вентиль; 6 - грязеуловитель с шаровым краном для промывки, наполнения и слива (опция); 7 - разъем для счетчика холодной воды, 110 мм; 8 - разъем для счетчика тепла, 110 мм; 9 - муфта для погружной гильзы теплосчетчика; 10 - запорный шаровой кран; СТС - система теплоснабжения; ОК - отопительный контур; ХВС/ГВС - системы холодного и горячего водоснабжения Применение КТП с гидравлической связью режима работы водонагревателя горячего водоснабжения и системы отопления актуально при использовании схемы с КТП для теплоснабжения помещений больших площадей или отдельных помещений административно-бытовых зданий, мест общего пользования с организацией полного учета энергоресурсов, коттеджей, подключенных к центральной котельной. 5.3.4 Двухходовой РМ-регулятор В КТП с условной гидравлической связью режима работы водонагревателя горячего водоснабжения и системы отопления применяется двухходовой РМ-регулятор, функцией которого является включение/отключение контура ГВС и пропорциональное регулирование его работы. Принцип действия аналогичен описанному в 5.2.2.1 (исключая приоритет). Все пункты раздела 5.2 применимы и для схемы КТП с условной гидравлической связью. Двухходовой РМ-регулятор имеет дроссель первичного контура для возможности регулирования расхода теплоносителя при изменении температурного графика СТС. 5.4 КТП обеспечения локального ГВС Гидравлическая схема квартирного теплового пункта для обеспечения локального ГВС приведена на рисунке 16.
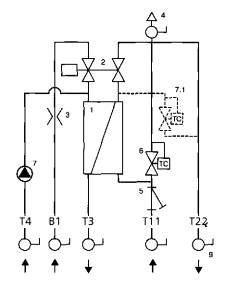
Рисунок 16 - Гидравлическая схема квартирного теплового пункта для обеспечения локального ГВС: 1 - пластинчатый теплообменник ГВС; 2 - двухходовой гидравлический
регулятор-распределитель расхода пропорционального действия; 3 - дроссельная
шайба горячего водоснабжения; 4 - ручной воздухоотводчик; 5 - грязеуловитель; 6
- термический мост циркуляции (опция); 7 - контур циркуляции ГВС (опция); 7.1 -
термический мост циркуляции контура первичного контура ГВС (опция). При
установке элементов 7-7.1 позиция 6 не устанавливается; 9 - запорный шаровой
кран 5.4.1 Функционирование КТП обеспечения локального ГВС Технические характеристики приведены в приложении Б. Данная схема КТП выполняет только функцию обеспечения ГВС. КТП комплектуется двухходовым РМ-регулятором. Принцип действия аналогичен функционированию контура ГВС, уже рассмотренному в 5.2.2 в совокупности с 5.3.4. 5.4.2 Дополнительная комплектация КТП для обеспечения локального ГВС Рассматриваемый КТП может быть дополнительно оборудован всеми узлами в блочном исполнении, приведенными в экспликации к рисунку 16. Описание функционирования см. в 5.2.2.2, 5.2.3, 5.2.4. 5.4.3 Применение КТП для обеспечения локального ГВС КТП с функцией для локального ГВС могут применяться для обеспечения горячей водой удаленных или отдельно стоящих потребителей в пределах квартиры, коттеджа, административно-бытового здания. Технические характеристики приведены в приложении Б. Гидравлическая схема станции обеспечения ГВС приведена на рисунке 17.
Рисунок 17 - Гидравлическая схема станции обеспечения ГВС: 1 - пластинчатый теплообменник ГВС; 2 - контроллер управления; 3 - датчик протока; 4 - циркуляционный насос подачи теплоносителя; 5 - датчики температуры; 6 - ручной воздухоотводчик; 7 - насос циркуляции ГВС (опция) 5.5.1 Функционирование станции обеспечения ГВС В момент начала разбора горячей воды, датчик протока фиксирует появление расхода и подает сигнал на контроллер 2, который в свою очередь включает циркуляционный насос 4 - станция включается в работу. Питьевая вода нагревается в проточном режиме. По окончании разбора горячей воды станция отключается. Станция также обеспечивает настраиваемый контроллером режим циркуляции горячей воды. Режим нагрева воды устанавливается на стадии наладки. 5.5.2 Особенности применения Станция имеет высокую мощность по приготовлению горячей воды, которая зависит от производительности циркуляционного насоса (приложение Б). Также для проточного режима нагрева воды характерен низкий уровень температуры обратной линии, как в случае применения КТП (см. 5.2.2). Выбор режима работы описан в приложении Б. Для обеспечения отключения теплообменника ГВС на период отсутствия водоразбора станцию необходимо подключать к системе теплоснабжения через гидравлический разделитель или буферную емкость теплоносителя для создания зоны нулевого динамического давления на вводе станции. Возможна последовательная каскадная схема подключения станций ГВС. Подключение осуществляется по линии ввода холодной воды через перепускной клапан (рисунок 18).
Рисунок 18 - Каскадное подключение станций ГВС 1 - станция ГВС без контура циркуляции, 2 - станция ГВС с контуром циркуляции, 3 - перепускной клапан 5.5.3 Применение станции для обеспечения ГВС Станции ГВС актуальны для децентрализованного обеспечения высоких параметров водоразбора в системах теплоснабжения административно-бытовых зданий, индивидуальных домов при мощности котельной, позволяющей покрыть потребность станции в тепловой мощности в пиковом режиме ГВС, во всех системах с применением буферной емкости теплоносителя или подключенных к локальным тепловым сетям. 5.6 Комплектация КТП приборами учета энергоресурсов 5.6.1 КТП, рассмотренные в 5.1-5.3, в базовом исполнении укомплектованы разъемами для установки приборов учета тепловой энергии и разъемом для установки прибора учета холодной воды с ответвлением на контуры ХВС и ГВС квартиры. Схема движения теплоносителя в КТП позволяет производить полный учет энергоресурсов: суммарный расход холодной воды, в том числе поступающей на нагрев, суммарный расход тепловой энергии, потребляемой на отопление и приготовление горячей воды. Особенность учета тепловой энергии заключается в резко переменном режиме работы КТП. Прибор учета тепловой энергии должен быстро реагировать на изменения расхода и температуры теплоносителя для обеспечения точности показаний. Соответственно, рекомендуется применять приборы учета с высокой частотой обновления импульсов (до одного импульса в минуту) и малоинерционные датчики температуры. 5.6.2 Помимо установки приборов учета в КТП, также необходимо выполнять централизованный учет в ИТП. На основании показаний приборов учета, установленных в КТП, МОП, на вводе в здание, производится расчет тарифов для оплаты потребленных ресурсов. 6 Схемные решения домового ИТП/котельной и компоновка оборудования. Особенности управления (АСУ)Схемные решения домового ИТП в зависимости от применяемого источника теплоснабжения приведены на рисунках 19.1, 19.2.
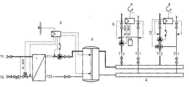
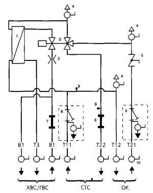
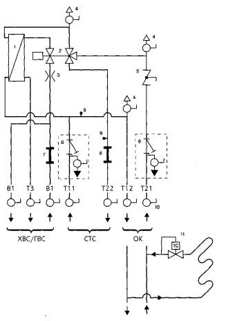
Рисунок 19.1 - Компоновка теплового пункта при применении схемы теплоснабжения с КТП. Источник теплоснабжения - индивидуальная котельная: 1 - котельная установка; 2 - контроллер управления источника 1; 3 - буферная емкость теплоносителя (обоснование применения в приложении Д); 4 - распределительный коллектор; 5 - А - контур теплоснабжения жилых помещений, Б - контур теплоснабжения мест общего пользования
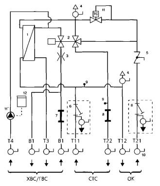
Рисунок 19.2 - Компоновка теплового пункта при применении схемы теплоснабжения с КТП. Источник теплоснабжения - тепловая сеть: 1 - сетевой теплообменник; 2 - контроллер управления источника 1; 3 - буферная емкость теплоносителя (обоснование применения в приложении Д); 4 - распределительный коллектор; 5 - А - контур теплоснабжения жилых помещений, Б - контур теплоснабжения мест общего пользования Систему внутреннего теплоснабжения многоквартирного жилого дома с применением схемы с КТП следует присоединять к системе городского централизованного теплоснабжения через теплообменники, устанавливаемые в домовом тепловом пункте (рисунок 19.2). При этом циркуляция теплоносителя в разводящих по дому трубопроводах осуществляется сетевым насосом, а регулирование температуры теплоносителя в зависимости от температуры наружного воздуха по графику с изломом при температуре 70 °С - регулирующим клапаном. На вводе в тепловой пункт размещается домовой теплосчетчик вне зависимости от установки теплосчетчика в КТП. 7 Требования по выполнению подключений КТП к системе ХВСНоминальная ступень давления по подключению КТП к системе ХВС PN10. В ИТП (котельной) централизованно должно быть обеспечено автоматическое поддержание давления в системе ХВС в заданных пределах. В зависимости от применяемого материала трубопроводов рекомендуется доукомплектовывать КТП фильтрами грубой очистки в линии подключения ХВС. Для регулирования статического напора в системе ХВС требуется установка регуляторов давлений. В схеме КТП на вводе линии ХВС в водонагреватель ГВС устанавливается дроссельная шайба для обеспечения заданного проектом расхода горячей воды. Статический напор в системе ХВС у потребителя рассчитывается согласно СНиП 2.04.01-85* «Внутренний водопровод и канализация зданий». При этом требуется учитывать сопротивление узлов КТП в режиме ГВС и ХВС (см. приложение Б). Стояк ХВС рассчитывается на суммарный расход воды для обеспечения холодного водоснабжения потребителей и воды, поступающей на нагрев в КТП с учетом одновременности потребления. При схеме с КТП обеспечивается постоянство напора в линиях холодной и горячей воды у потребителя. 8 Требования по выполнению подключений КТП к СТСРабочие параметры СТС при применении схемы теплоснабжения с КТП, рассматриваемыми в данных рекомендациях, составляют Tmax = 110 °С, PN 10. 9 Требования к качеству санитарно-технической воды и теплоносителяВода для хозяйственно-бытовых нужд и теплоноситель должны удовлетворять нормам проектирования систем тепло- и водоснабжения (приложение В, таблицы В.1, В.2, В.3). Для КТП характерен режим ГВС со сниженной интенсивностью образования отложений в силу переменного режима работы самого водонагревателя. Ввиду применения меднопаяных пластинчатых водонагревателей для исключения коррозии в местах соединения пластин требуется обеспечить меры по ограничению содержания железа в теплоносителе и питьевой воде в пределах нормативного уровня. 10 Применяемые схемы распределения теплоносителя в здании. Варианты построения схем теплоснабжения зданий с КТП и место их установки
Рисунок 20 - Общая схема теплоснабжения здания с применением КТП Распределение теплоносителя по зданию осуществляется по двухтрубной схеме (двухпроводные распределительные стояки). Места прокладывания стояков, а соответственно и реализуемая схема распределения теплоносителя, определяются проектом. Ниже приводятся наиболее распространенные и отработанные варианты реализации схем теплоснабжения с КТП, применяемые в европейских странах. В зависимости от конфигурации здания и принятого проектного решения КТП могут располагаться в сантехнических зонах, в лестнично-лифтовом холле. Для обеспечения постоянной готовности каждого КТП к нагреву горячей воды (в летнем режиме эксплуатации) в последних по подключению к стояку КТП необходимо организовать циркуляцию теплоносителя, применяя КТП, укомплектованный термическим мостом циркуляции (см. 5.2.2.2). Или устанавливать выносной термический мост циркуляции в крайней точке стояка. Также требуется устанавливать термический мост циркуляции при удалении КТП от магистрального трубопровода более 3 м. Количество и место установки балансировочной арматуры определяются проектом. Наиболее предпочтительно устанавливать КТП в основной сантехнической зоне (основные потребители горячей воды) квартиры или в непосредственной близости от нее (также см. 5.2.3). Схема 1. Распределительный вертикальный стояк на группу однотипных квартир. КТП в квартире или в лестнично-лифтовом холле. В этом случае распределительные стояки объединяются в техническом подполье разводящими магистралями. В основании каждого стояка устанавливается балансировочная арматура (статические и/или автоматические клапаны). Требуется обращать внимание на диапазон регулирования балансировочной арматуры при выборе производителя. Распределительные стояки обычно прокладываются в сантехнической зоне. КТП монтируются непосредственно на стояке или вблизи его, с размещением в квартире или лестнично-лифтовом холле в зависимости от принятого архитектурно-планировочного решения. Обязательно обратить внимание на 5.2.2.2 и 5.2.3. Схема 2. Центральный распределительный стояк на группу квартир этажа. Этажный распределитель. КТП в квартире или лестнично-лифтовом холле. На каждом этаже организуется распределительная гребенка с установкой на ней балансировочной арматуры (статические и/или автоматические клапаны). Требуется обращать внимание на диапазон регулирования при выборе производителя балансировочной арматуры. Теплоноситель распределяется по этажу посредством трубопроводов, соединяющих распределительную гребенку и КТП, который размещается в квартире или в лестнично-лифтовом холле. Обязательно требуется комплектовать КТП термическим мостом циркуляции (см. 5.2.2.2). Места и количество статической балансировочной арматуры определяются проектом. Статическая балансировка на каждом ответвлении к КТП требуется при большой протяженности стояка с подключением большого количества КТП для компенсации напора у потребителей, находящихся в лучших гидравлических условиях и, соответственно, обеспечения одинаковых параметров расчетного напора на вводе каждого потребителя. Применение балансировочной арматуры на каждом ответвлении от магистрали к КТП также актуально для проектов коттеджных поселков при значительной удаленности потребителей друг от друга. 11 Размещение КТП в квартиреМесто установки КТП должно выбираться с учетом многих критериев и не все из них можно обеспечить одновременно. Например, место разбора горячей воды может располагаться достаточно далеко от места установки КТП. При емкости линии квартирной системы горячего водоснабжения, соединяющей основного потребителя горячей воды и КТП более 3 л (17 м трубы с условным проходом Ду 15 мм) в КТП рекомендуется устанавливать линию циркуляции ГВС с насосом (см. 5.2.3) для обеспечения комфортных параметров потребления горячей воды. Также следует обращать внимание на удаленность расположения самих КТП от теплоснабжающего стояка, что особенно актуально для летнего периода эксплуатации системы при отсутствии отопительной нагрузки. Удаленность КТП более 3 м от теплоснабжающего стояка также приводит к остыванию теплоносителя и повышению времени готовности КТП к обеспечению потребителя горячей водой. В таких КТП требуется установка термического моста циркуляции (см. 5.2.2.2). При одновременной удаленности КТП от теплоснабжающего стояка и удаленности приборов разбора горячей воды от места расположения КТП следует применять совокупность мер по обеспечению требуемого уровня комфорта. При выборе места установки КТП следует учитывать следующее: - удаленность расположения КТП от теплоснабжающего стояка и до основного потребителя горячей воды; - доступность для монтажа, ухода, устранения отказов и визуального считывания показаний (возможно размещение на лестничной клетке, диспетчеризация); - исключение загрязнения (при размещении в ванной комнате или в непосредственной близости от места приготовления пищи); - простота монтажа: монтаж в шахте, использование имеющегося дымохода (реконструкция), монтаж в старый распределительный канал (реконструкция) и пр. 12 Теплоизоляция трубопроводов КТП12.1 В зависимости от производителя соединительные трубопроводы КТП могут быть теплоизолированы. 12.2 Толщина теплоизоляционного слоя зависит от диаметра трубопровода. Если рассматривать КТП как центральное распределительное устройство квартиры с соответственно конструктивно обусловленными пересечениями магистралей в пределах КТП, то согласно строке 5 таблицы 1 требования к теплоизоляции будут снижены. В этом случае толщину теплоизоляции можно уменьшить вдвое. Таблица 1 - Теплоизоляция трубопроводов и арматуры
С учетом места установки КТП нужно проверить возможность отказа от теплоизоляции, чтобы дополнительно выделяющее тепло можно было полезно использовать, например, для обогрева ванной комнаты. 13 Ввод в эксплуатацию, приемка и сервисное обслуживание КТП13.1 Монтаж, выполнение подключений, введение в эксплуатацию и сервисное обслуживание КТП и станций ГВС должно осуществляться только профессиональным аккредитованным персоналом. Все работы с КТП должны производиться строго по инструкции и рекомендациям производителя. 13.2 Ввод в эксплуатацию осуществляется (с выполнением настроек, полученных в ходе выполнения гидравлического расчета (приложение Г) и согласно инструкции производителя. 13.3 Приемка оборудования потребителем (эксплуатирующей организацией) осуществляется путем подписания пусконаладочного листа, который должен быть правильно заполнен и подписан представителем организации, ответственным за наладку системы. В листе указываются настроечные параметры данного КТП, согласно проектным расчетным данным. 13.4 Сервисное обслуживание КТП заключается в ежегодном осмотре узлов КТП на предмет герметичности, очистке фильтров-грязевиков, проверке производительности КТП по горячей воде (расчетные температура и расход), проведение иных мероприятий в зависимости от функциональной оснащенности КТП. 13.5 Служба эксплуатации также должна иметь листе настроечными параметрами балансировочной арматуры, установленной в системе. Приложение А
|
|||||||||||||||||||||||||||||||||||||||||||||||||||||||||||||||||||||||||||||||||||||||||||||||||||||||||||||||||||||||||||||||||||||||||||||||||||||||||||||||||||||||||||||||||||||||||||||||||||||||||||||||||||||||||||||||||||||||||||||||||||||||||||||||||||||||||||||||||||||||||||||||||||||||||||||||||||||||||||||||||||||||||||||||||||||||||||||||||||||||||||||||||||||||||||||||||||||||||||||||||||||||||||||||||||||||||||||||||||||||||||||||||||||||||||||||||||||||||||||||||||||||||||||||||||||||||||||||||||||||
|
Максимальная нагрузка отопления, кВт, DТ = 25К |
Расход теплоносителя (режим отопления) |
Потери напора, теплоноситель (режим отопления), бар |
Условный проход Ду, мм/скорость теплоносителя, м/с |
|
15 |
500* (согласно уравнению теплового баланса) |
0,25 (согласно диаграмме рисунка Б.4) |
12/1,3 |
|
* Расчетный расход теплоносителя на отопление помещений также определяется допустимым уровнем скорости теплоносителя в КТП и контуре отопления квартиры, а также оптимальным уровнем потерь напора в КТП в режиме отопления. Расход теплоносителя через водонагреватель КТП не должен превышать 1000 л/ч во избежание больших потерь напора и возникновения шума. |
|||
Для определения параметров КТП с условным приоритетом контура приготовления горячей воды в режимах ГВС и ХВС используются диаграммы рисунков Б.1-Б.6.

Рисунок Б.1 - Диаграмма «Расход теплоносителя Т11 - расход питьевой воды Т3 - мощность ГВС» в режиме ГВС КТП при различном уровне температуры подающей линии СТС. Нагрев питьевой воды на 45 °С (от 10 до 55 °С)

Рисунок Б.2 - Диаграмма «Температура обратной линии Т22 - расход питьевой воды Т3» в режиме ГВС КТП. Нагрев питьевой воды на 45 °С (от 10 до 55 °С)

Рисунок Б.3 - Диаграмма «Потери напора - расход теплоносителя Т11» КТП в режиме ГВС. РМ-регулятор полностью открыт (максимальный расчетный водоразбор)

Рисунок Б.4 - Диаграмма «Потери напора - расход теплоносителя Т11» КТП в режиме отопления. Зональный вентиль полностью открыт

Рисунок Б.5 - Диаграмма «Потери напора - расход горячей питьевой воды Т3» КТП в режиме ГВС. РМ-регулятор полностью открыт (вторичный контур)

Рисунок Б.6 - Диаграмма «Потери напора - расход питьевой холодной воды В1 в КТП»
Б.2 КТП с условной гидравлической связью режима работы водонагревателя горячего водоснабжения и системы отопления (см. 5.3)
Расчетный расход теплоносителя в режиме отопления определяется из уравнения теплового баланса по заданным тепловым потерям помещений.
Подключения ХВС/ГВС: Ду 12 (арматура 3/4" BP). Подключения СТС: Ду 20 (арматура 1" BP).
Для КТП с условным приоритетом контура ГВС максимальная отопительная нагрузка и соответствующие ей гидравлические характеристики приведены в таблице Б.2.
Таблица Б.2 - Максимальные расчетные параметры КТП с условной гидравлической связью режима работы водонагревателя горячего водоснабжения и системы отопления
|
Максимальная нагрузка отопления, кВт, DТ = 25К |
Расход теплоносителя (режим отопления) |
Потери напора, теплоноситель (режим отопления), бар |
Условный проход Ду, мм/скорость теплоносителя, м/с |
|
25 |
860* (согласно уравнению теплового баланса) |
0,11 (согласно диаграмме рисунка Б.8) |
20/0,8 |
|
*Расчетный расход теплоносителя на отопление помещений определяется допустимым уровнем скорости теплоносителя в КТП и контуре отопления квартиры, а также оптимальным уровнем потерь напора в КТП в режиме отопления. Примечание - Расход теплоносителя через водонагреватель КТП не должен превышать 1000 л/ч во избежание больших потерь напора и возникновения шума. |
|||
Для определения параметров КТП с условным приоритетом контура приготовления горячей воды в режимах ГВС и ХВС используются диаграммы рисунков Б.1, Б.2, Б.5-Б.8.
Б.3 КТП обеспечения локального ГВС (см. 5.4)
Для определения рабочих параметров см. диаграммы на рисунках Б.1, Б.2, Б.9, Б.10.
Расход теплоносителя через водонагреватель КТП не должен превышать 1000 л/ч во избежание больших потерь напора и возникновения шума.
Подключения Ду 12 (арматура 3/4" BP).
Б.4 Станция приготовления горячей воды (см. 5.5)
Для определения рабочих параметров см. диаграммы на рисунках Б.11 -Б.15.
Подключения Ду 20 (арматура 1" BP).

Рисунок Б.7 - Диаграмма «Потери напора - расход теплоносителя» КТП с условной гидравлической связью режима работы водонагревателя горячего водоснабжения и системы отопления в режиме ГВС. РМ-регулятор полностью открыт (максимальный расчетный водоразбор)

Рисунок Б.8 - Диаграмма КТП с условной гидравлической связью режима работы водонагревателя горячего водоснабжения и системы отопления «Потери напора - расход теплоносителя Т11» в режиме отопления. Зональный вентиль полностью открыт

Рисунок Б.9 - Диаграмма КТП обеспечения локального ГВС «Потери напора - расход теплоносителя». РМ-регулятор полностью открыт (максимальный водоразбор)

Рисунок Б.10 - Диаграмма КТП обеспечения локального ГВС «Потери напора - расход горячей питьевой воды Т3». РМ-регулятор полностью открыт (вторичный контур)

Рисунок Б.11 - Диаграмма «Станция ГВС. Расход теплоносителя Т11 - расход горячей воды Т3 - мощность ГВС» при различном уровне температуры подающей линии СТС. Нагрев питьевой воды на 45 °С (от 10 до 55 °С)

Рисунок Б.12 - Диаграмма «Станция ГВС. Температура обратной линии Т22 - расход питьевой воды Т3». Нагрев питьевой воды на 45 °С (от 10 до 55 °С)

Рисунок Б.13 - Диаграмма «Станция ГВС. Потери напора - расход теплоносителя Т11»

Рисунок Б.14 - Диаграмма «Станция ГВС. Потери напора - расход нагреваемой воды Т3»

Рисунок Б.15 - Диаграмма «Насос первичного контура станции ГВС»
Таблица В.1 - Параметры хозяйственно-питьевой воды, нормируемые в России и за рубежом
|
Показатель |
Единицы измерения |
СанПиН 2.1.4.1074-01 «Питьевая вода» |
Руководство ВОЗ |
Директива ЕС 98/83/ЕС |
|
Органолептические показатели |
||||
|
Запах |
баллы |
2 |
Отс. |
Приемлем. |
|
Привкус |
баллы |
2 |
Отс. |
Приемлем. |
|
Цветность |
градусы |
20 |
15 |
Приемлем. |
|
Мутность |
ЕМФ |
2.6 |
- |
Приемлем. |
|
Обобщенные показатели |
||||
|
Водородный показатель |
единицы рН |
6,0-9,0 |
6,5-8,5 |
6,5-9,5 |
|
Общая минерализация |
мг/л |
1000 |
- |
- |
|
Жесткость общая |
мг×экв/л |
7.0 |
10 |
- |
|
Окисляемость перманганатная |
мгО2/л |
5,0 |
- |
5,0 |
|
Сероводород |
мг/л |
0,003 |
- |
- |
|
Нефтепродукты |
мг/л |
0,1 |
- |
- |
|
Неорганические вещества |
||||
|
Аммоний по азоту |
мг/л |
2,0 |
- |
0,2 |
|
Алюминий |
мг/л |
0,5 |
0,2 |
0,5 |
|
Железо |
мг/л |
0,3 |
- |
0,2 |
|
Магний |
мг/л |
20-85 |
- |
- |
|
Кальций |
мг/л |
30-140 |
- |
50 |
|
Марганец |
мг/л |
0,1 |
0,1 |
0,05 |
|
Медь |
мг/л |
1,0 |
- |
2,0 |
|
Нитраты |
мг/л |
45 |
45 |
50 |
|
Нитриты |
мг/л |
3,0 |
3,0 |
0,5 |
|
Свинец |
мг/л |
0,03 |
0,05 |
0,01 |
|
Сульфаты |
мг/л |
500 |
400 |
250 |
|
Фториды |
мг/л |
1,5 |
1,5 |
1,5 |
|
Хлориды |
мг/л |
350 |
250 |
250 |
|
Хлор |
мг/л |
В пределах 0,3-0,5 |
0,2-0,5 |
- |
|
Микробиологические показатели |
||||
|
Общие колиформные бактерии |
Число бактерий в 100 мл |
Отс. |
- |
0 |
|
Общее микробное число |
Число образующих колонии бактерий в 1 мл |
50 |
- |
- |
Таблица В.2 - Показатели качества технической воды для систем теплоснабжения
|
Показатель |
Открытая система теплоснабжения |
Закрытая система теплоснабжения |
||||
|
t = 115 °С |
t = 150 °С |
t = 200 °С |
t = 115 °С |
t = 150 °С |
t =200 °С |
|
|
рН |
7.0-8.5 |
7.0-11.0 |
||||
|
Железо общее, мг/л |
0,3 |
0,3 (0,25) |
0,25 (0,2) |
0,6 (0,5) |
0,5 (0,4) |
0,375 (0,3) |
|
Жесткость карбонатная, мг×экв/л, рН<8,5 |
0,8 (0,7) |
0,75 (0,6) |
0,375 (0,3) |
0,8 (0,7) |
0,75 (0,6) |
0,375 (0,3) |
|
Жесткость карбонатная, мг×экв/л, рН>8,5 |
Не допускается |
По расчету ОСТ 108.030.47-81 |
||||
|
Нефтепродукты, мг/л |
1 |
1 |
||||
|
Растворенный кислород, мкг/кг |
50 |
30 |
20 |
50 |
30 |
20 |
|
Примечание - Данные приведены согласно РД 24.031.120-91 «Правила устройства и безопасной эксплуатации паровых и водогрейных котлов». |
||||||
Таблица В.3 - Показатели качества воды источников водоснабжения
|
Показатель |
Показатели качества воды источника по классам |
||
|
1 |
2 |
3 |
|
|
Подземные источники |
|||
|
Мутность, мг/л, не более |
1,5 |
1,5 |
10,0 |
|
Цветность, град., не более |
20 |
20 |
50 |
|
Водородный показатель (рН) |
6-9 |
6-9 |
6-9 |
|
Железо (Fe), мг/л, не более |
0,3 |
10 |
20 |
|
Марганец (Мn), мг/л, не более |
0,1 |
1 |
2 |
|
Сероводород (H2S), мг/л, не более |
Отс. |
3 |
10 |
|
Фтор (F) мг/л, не более |
1,5-0,7* |
1,5-0,7* |
5 |
|
Окисляемость перманганатная, мгО/л, не более |
2 |
5 |
15 |
|
Число бактерий группы кишечных палочек (БГКП) в 1 л, не более |
3 |
100 |
100 |
|
Поверхностные источники |
|||
|
Мутность, мг/л, не более |
20 |
1500 |
10000 |
|
Цветность, град., не более |
35 |
120 |
200 |
|
Запах при 20 и 60 °С, баллы, не более |
2 |
3 |
4 |
|
Водородный показатель (рН) |
6,5-8,5 |
6,5-8,5 |
6,5-8,5 |
|
Железо (Fe), мг/л, не более |
1 |
3 |
5 |
|
Марганец (Мn), мг/л, не более |
0,1 |
1,0 |
2,0 |
|
Фитопланктон, мг/л, не более |
1 |
5 |
50 |
|
Фитопланктон, кл/см3, не более |
1000 |
100000 |
100000 |
|
Окисляемость перманганатная, мгО/л, не более |
7 |
15 |
20 |
|
БПК полное, мгО2/л, не более |
3 |
5 |
7 |
|
Число лактозоположительных кишечных палочек в 1 л воды (ЛКП), не более |
1000 |
10000 |
50000 |
|
* В зависимости от климатического района. |
|||
Примечание - Количество одноклеточных организмов оценивается в кл/см3, пленчатых и нитчатых - в мг/л.
Приведен расчет применения схемы КТП с приоритетным режимом ГВС.
Целью расчета является определение расчетных напора и расхода сетевого насоса, а также диаметров участков разводящих сетей и настроек балансировочной арматуры ответвлений и КТП.
Г.1 Исходные данные для проведения расчета
Исходными данными являются:
- расчетная отопительная нагрузка отдельно взятой квартиры;
- гидравлическое сопротивление контура отопления отдельно взятой квартиры;
- расчетный температурный график СТС;
- материал трубопроводов и длины отдельных участков системы теплоснабжения;
- места установки КТП в системе;
- марка и модель запорной и балансировочной арматуры;
- марка и модель приборов учета тепловой энергии;
- расчетная температура холодной питьевой воды;
- расчетный секундный (минутный) расход горячей воды для каждой отдельно взятой квартиры.
В приложении рассматривается симметричная схема построения СТС дома.
Г.2 Выбор требуемой комплектации КТП
В зависимости от требований проекта схема КТП может включать различные дополнительные элементы. Комплектация КТП может влиять на его гидравлическое сопротивление. Возможные схемы КТП приведены в пункте 5.
Например, для теплоснабжения квартир принимаем КТП с т/о 35 кВт, который обеспечивает приготовление 12 л/мин. (0,2 л/с) питьевой воды при ее нагреве на 40 °С (также возможны другие режимы). Для ограничения расхода нагреваемой воды в КТП устанавливается дроссельная шайба на 12 л/мин.
При выборе температурного графика СТС следует руководствоваться тем, что температура теплоносителя Т11 для зимнего и летнего отопительных графиков отличается, но в то же время отличается температура холодной воды.

Рисунок Г. 1 - Расчетная схема СТС дома
Таблица Г.1 - Сравнение параметров КТП в режиме ГВС при температурных графиках СТС, применяемых в России
|
Наименование параметра |
Зимний график |
Летний график |
|
Т11 |
90 |
65 |
|
Т22 |
15 |
15 |
|
В1 |
5 |
15 |
|
Т3 |
50 |
50 |
|
DТГВС |
45 |
35 |
|
Расход Т11, л/ч |
450 |
450 |
|
Расход В1, л/мин. (л/с) |
12 (0,2) |
10 (0,17) (коэффициент понижения потребления горячей воды в теплое время года 0,85) |

Рисунок Г.2 - Диаграммы работы контура ГВС КТП для двух режимов нагрева питьевой воды
Г.3 Первая стадия расчета. Определение параметров КТП
Г.3.1 Расчет начинается с определения параметров для режима ГВС КТП, для которого характерен максимальный расчетный расход теплоносителя.
По диаграмме на рисунке Г.3. определяем соответствующий расход* теплоносителя Т11.
* Расчетный расход теплоносителя Т11 в режиме ГВС не должен превышать 1000 л/ч, т.к. это ведет к увеличению сопротивления контура и возможности возникновения шума в узлах КТП.
Например, производство 12 л/мин. горячей воды при нагреве исходной воды на 40 °С соответствует расходу теплоносителя 735 л/ч при расчетной температуре подающей линии 65 °С, согласно диаграмме на рисунке Г.3.
Г.3.2. По диаграмме на рисунке Г.4 определяем сопротивление КТП согласно определенному по диаграмме на рисунке Г.3 расходу теплоносителя Т11.
Примечание - При установке прибора учета тепловой энергии обязательно учитывается его гидравлическое сопротивление.
Согласно диаграмме «Потери напора - расход теплоносителя Т11 КТП в режиме ГВС» (рисунок Г.4), сопротивление контура ГВС КТП при расходе 735 л/ч составляет 0,29 бар (с ультразвуковым прибором учета тепловой энергии).

Рисунок Г.3 - Диаграмма «Расход теплоносителя Т11 - расход питьевой воды Т3 - мощность ГВС» в режиме ГВС КТП при различном уровне температуры подающей линии СТС. Нагрев питьевой воды на 40 °С (от 10 °С до 50 °С)

Рисунок Г.4 - Диаграмма «Потери напора - расход теплоносителя Т11 КТП в режиме ГВС»
Г.4 Выделение сегмента схемы теплоснабжения. Расчет ответвлений и теплоснабжающего стояка
При симметричной схеме СТС гидравлический расчет схемы выполняется последовательно, начиная с самого удаленного относительно источника теплоснабжения КТП (находящегося в наихудших гидравлических условиях). Если схема СТС несимметричная (что характерно для подавляющего большинства объектов), то отдельно выполняется расчет каждого стояка. Если установлены КТП различной мощности, то отдельно рассчитывается каждое ответвление к КТП. Расчет ответвления выполняется на режим приготовления горячей воды, расчет стояка с учетом нагрузки отопления, а также нагрузки ГВС с учетом одновременности и приоритета по отношению к отопительной.
Для определения расчетных параметров теплоснабжающего стояка - диаметра и гидравлического сопротивления - требуется определить расчетный расход теплоносителя на данном участке.
Выбирается сегмент, представляющий собой тупиковый участок стояка, к которому подключены КТП (рисунок Г.5).

Рисунок Г.5 - Выделение сегмента СТС
Г.4.1 Предварительно производится расчет подводящих трубопроводов, соединяющих стояк (этажную распределительную гребенку при применении схемы 2 из пункта 10) с КТП (рисунок Г.6).

Рисунок Г.6 - Определение параметров подводящих участков
Для выполнения гидравлического расчета пользуются общеизвестными зависимостями:
DP = l(l/d)rw2/2; (1)
G = rwS; (2)
Q = GCpDT, (3)
где l - коэффициент трения по длине;
l - длина рассматриваемого участка, м;
d - диаметр, м;
r - плотность теплоносителя, кг/м3;
w - скорость движения теплоносителя, м/с;
G - расчетный расход теплоносителя, кг/с;
S - площадь поперечного сечения трубопровода, м2;
Cp - теплоемкость воды, 4,2 кДж/(кг×°С);
DT - расчетная разность температур;
Q - тепловая мощность, кВт.
Например, для участка медной трубы длиной 1 м при уже определенном расчетном расходе теплоносителя Т11 (735 л/ч) (см. 3.1) для обеспечения режима ГВС диаметр трубопровода составляет Ду 25 при расчетной скорости течения 0,8 м/с. Суммарные потери напора (подающий + обратный трубопроводы) при этом составляют 0,0017 бар.
Г.4.2 Следующим шагом суммируются потери напора в КТП и подводящих к нему трубопроводах:
0,0017 + 0,29 = 0,2917 бар.
Полученные параметры являются расчетными в точке подключения КТП к распределительному стояку.
Г.4.3 Далее для выделенного сегмента схемы определяются расчетные расход теплоносителя и потери напора в точке подключения рассматриваемого стояка к распределительной магистрали (рисунок Г.7).

Рисунок Г.7 - Определение параметров стояка
Г.4.4 Для определения расчетного расхода теплоносителя на участке стояка пользуются диаграммой, одновременности потребления горячей воды в зависимости от количества подключенных к рассматриваемому участку квартир (рисунок Г.8).

Рисунок Г.8 - Диаграмма «Коэффициент одновременности потребления горячей воды в зависимости от количества квартир рассматриваемого участка»
Например, для выделенного стояка с подключением трех квартир коэффициент составляет 2 единицы*. Это означает, что две из трех квартир рассматриваемого участка могут потреблять по 12 л/мин горячей воды с температурой 50 °С (в реальных условиях эксплуатации эта цифра гораздо меньше).
* Коэффициент всегда округляется в большую сторону относительно полученного значения.
График выполнен на основании данных DIN 4708 и исследований института теплоэнергетики г. Дрезден.
Таблица Г.2 - Эквивалентное число квартир, потребляющих горячую воду, в зависимости от общего числа квартир, по данным DIN 4708
|
Количество квартир |
Коэффициент согласно DIN |
Количество квартир |
Коэффициент согласно DIN |
Количество квартир |
Коэффициент согласно DIN |
|
1 |
1 |
21 |
5 |
41 |
7 |
|
2 |
2 |
22 |
5 |
42 |
7 |
|
3 |
2 |
23 |
6 |
43 |
7 |
|
4 |
3 |
24 |
6 |
44 |
7 |
|
5 |
3 |
25 |
6 |
45 |
7 |
|
6 |
3 |
26 |
6 |
46 |
7 |
|
7 |
3 |
27 |
6 |
47 |
7 |
|
8 |
4 |
27 |
6 |
48 |
7 |
|
9 |
4 |
29 |
6 |
49 |
7 |
|
10 |
4 |
30 |
6 |
50 |
7 |
|
11 |
4 |
31 |
6 |
51 |
7 |
|
12 |
4 |
32 |
6 |
52 |
7 |
|
13 |
4 |
33 |
6 |
53 |
7 |
|
14 |
5 |
34 |
6 |
54 |
8 |
|
15 |
5 |
35 |
6 |
55 |
8 |
|
16 |
5 |
36 |
7 |
56 |
8 |
|
17 |
5 |
37 |
7 |
57 |
8 |
|
18 |
5 |
38 |
7 |
58 |
8 |
|
19 |
5 |
39 |
7 |
59 |
8 |
|
20 |
5 |
40 |
7 |
60 |
8 |
Г.4.5 Производится суммирование расхода теплоносителя Т11 на приготовление горячей воды с учетом одновременности и расхода теплоносителя Т11 для осуществления отопления остальных квартир рассматриваемого участка. Расход теплоносителя Т11 на отопление квартир, потребляющих горячую воду, в расчете не учитывается ввиду применения схемы КТП с приоритетом ГВС.
Для обеспечения требуемого температурного режима квартиры в контур отопления необходимо подавать расход теплоносителя, соответствующий покрытию тепловых потерь помещений, который определяется из уравнения теплового баланса Q = GCpDT, (3) (см. Г.4.1).
Для рассматриваемого примера примем расчетную отопительную нагрузку квартиры 3 кВт. При расчетной разности температур в контуре 20 °С расход составит 131,54 л/ч.
Для рассматриваемого стояка получаем:
Расчетный расход Т11 = 735×2 + 131,54 = 1601,54 л/ч (два КТП в режиме ГВС, один КТП в режиме отопления).
По описанной в п. Г.4.1 методике для каждого участка стояка определяются диаметр и суммарные потери напора (подающая и обратная магистрали) в зависимости от расчетного расхода теплоносителя на участке и его протяженности.
В результате получаем расчетные потери напора в точке подключения стояка к распределительной магистрали.
Для рассматриваемого примера (медная труба, длины участков приведены на схеме, расчетная скорость на участке не выше 0,8 м/с) получаем DР = 0,3095 бар при условном проходе в точке подключения стояка к распределительной магистрали Ду 32 мм (рисунок Г.9).

Рисунок Г.9 - Определение расчетных параметров стояка
Г.4.6 Для гидравлической балансировки стояков в системе (этажных распределительных гребенок при применении схемы 2 из пункта 10) в его основании необходима установка регулировочной арматуры.
Для рассматриваемого примера в расчетном режиме клапан должен обеспечить поддержание:
- расчетного расхода 1601,54 л/ч;
- расчетного перепада давления 0,3095 бар (рисунок Г.10).
- по диаграмме на рисунке Г.11 определяется точка пересечения расчетного расхода теплоносителя и требуемой разности перепада давления. Выбирается ближайшая большая настройка.

Рисунок Г.10 - Определение параметров балансировочной арматуры

Рисунок Г.11 - Диаграмма «Определение настроек балансировочной арматуры»
При выборе балансировочной арматуры необходимо учитывать регулирующий диапазон клапана. Возможно применение в системе статических клапанов или сочетание статической и автоматической арматуры гидравлической балансировки. Места установки и количество арматуры определяются проектным решением.
Роль регулирующей арматуры заключается в поддержании расчетных параметров в данном стояке/ответвлении.
Нагрузки отопления и ГВС при расчете схемы с КТП являются резкопеременными для СТС. Балансировочная арматура должна обеспечивать регулировку стояков (этажей при поэтажной разводке магистралей) между собой при переменных режимах работы СТС.
Согласно диаграмме на рисунке Г.12 определяется гидравлическое сопротивление балансировочного клапана для рассматриваемого расчетного режима 0,048 бар.

Рисунок Г.12 - Диаграмма «Сопротивление балансировочного клапана в зависимости от расхода теплоносителя»
Для рассматриваемого примера получаем итоговую цифру требуемого перепада давления в стояке:
0,048 + 0,3095 = 0,3575 бар.
Г.5 КТП в режиме отопления
Основное отличие режимов отопления и ГВС для КТП заключается в существенной разнице расхода теплоносителя, перепадов температур для каждого режима и разности сопротивлений контуров.
Например, перепад температур для расчетного режима ГВС определяется по диаграмме на рисунке Б.2. Перепад температур для контура отопления задается изначально (в рассматриваемом примере 20 °С).
Ввиду гораздо большего расхода теплоносителя в контуре ГВС КТП по отношению к контуру отопления требуется определить необходимость гидравлического уравновешивания этих контуров в КТП.
В том числе для решения этой задачи на обратной линии отопительного контура установлен зональный клапан (рисунок Г.13) с возможностью выполнения преднастройки. Этот же клапан является регулятором отопительного контура при дооснащении его термоэлектроприводом с управлением от комнатного термостата.

Рисунок Г.13
Г.5.1 По диаграмме на рисунке Г.14 определяется гидравлическое сопротивление КТП в режиме отопления с учетом сопротивления прибора учета тепловой энергии.

Рисунок Г.14 - Диаграмма «Потери напора - расход теплоносителя Т11» КТП в режиме отопления. Зональный вентиль полностью открыт
Для расчетного расхода теплоносителя на отопление 131,54 л/ч сопротивление КТП составляет 0,025 бар.
Г.5.2 Полученная цифра суммируется с сопротивлением контура отопления рассматриваемой квартиры (в примере принимаем 0,1 бар).
Итоговая цифра составляет 0,125 бар.
Г.5.3 Определяется разность перепадов давлений в контурах отопления и ГВС КТП в расчетных режимах (рисунок Г.15).
Примечание - Расчетный перепад давления для режима ГВС КТП был определен в Г.3.2 и составляет 0,29 бар.

Рисунок Г.15 - Определение разности сопротивлений контуров КТП
Разность перепадов давлений контуров КТП составляет:
DР = 0,29 - 0,025 - 0,1 = 0,165 бар.
Определение требуемой настройки зонального клапана осуществляется по его диаграмме.
Определяется точка пересечения расчетного расхода теплоносителя на отопление и требуемой разности перепада давлений контуров КТП. Выбирается ближайшая большая настройка (рисунок Г.16).

Рисунок Г.16 - Диаграмма «Выполнение настройки зонального клапана»

Рисунок Г.17 - Выполнение настройки зонального клапана. От полностью закрытого состояния вентиля выполняется его откручивание до полученного настроечного значения (положение 2/72°)
Г.6 Расширение сегмента расчета
Г.6.1 После получения расчетных параметров подключения первого сегмента (стояка, этажа) к нему добавляется участок, содержащий группу КТП следующего стояка/этажа (до места слияния с последующим участком). Далее расширенный сегмент рассматривается в совокупности (рисунок Г.18).

Рисунок Г.18 - Расширение рассматриваемого сегмента
Г.6.2 Определяется коэффициент одновременности потребления горячей воды для расширенного сегмента. Для рассматриваемого примера коэффициент одновременности составляет 3 (согласно диаграмме на рисунке Г.8).
Г.6.3 Согласно изложенной в Г.4.1 методике определяются расчетные диаметр магистрали, расход теплоносителя и требуемый перепад давления в точке подключения рассматриваемого сегмента.
С учетом коэффициента одновременности ГВС (рисунок Г.19) расчетный расход теплоносителя в точке подключения расширенного сегмента составляет:
Gceгм = 3×735 + 3×131,54 = 2599,62 л/ч.

Рисунок Г.19 - Определение коэффициента одновременности ГВС и расчетных расходов теплоносителя для расширенного сегмента
Так как в рассматриваемом примере стояки абсолютно симметричны, то также одинаковы параметры в точках их подключения к распределительной магистрали. При несимметричной схеме требуется отдельно производить расчет для каждого стояка (ответвления).
Примечание - Рекомендуется принимать запас по гидравлическому сопротивлению на случай несоответствия монтажной схемы проектной. Принимается на усмотрение проектировщика.

Рисунок Г.20 - Определение расчетных параметров участков системы для расширенного сегмента

Рисунок Г.22 - Диаграммы «Коэффициент одновременности потребления
горячей воды в зависимости от количества квартир рассматриваемого участка»:
а - количество квартир 15-45; б - количество квартир 45-100; в - количество
квартир 100-200
В случае применения диаграммы одновременности Г.8 расчетный расход для всего здания составляет 3 кв × 12 л/мин. = 36 л/мин. Вывод: данные применяемой диаграммы совпадают с российскими нормами.
Г.6.5.2 Расчет системы ХВС производится согласно СНиП 2.04.01-85* «Внутренний водопровод и канализация зданий». При этом стояк ХВС проектируется с учетом расчетной пропускной способности по холодной воде и воде для дальнейшего нагрева.
Суммарный расчетный расход теплоносителя с учетом одновременности ГВС для всего здания составляет:
Gcyм = 3×735 + 9×131,54 = 3388,86 л/ч.
Согласно Г.4.1 выполняется полный расчет финального участка сети теплоснабжения.
Г.6.6 Для выполнения расчета принималось:
- материал трубопроводов внутридомовой сети теплоснабжения - медь;
- расчетная скорость на участках не выше 0,8 м/с;
- запас на погрешность расчетов и возможное несоответствие монтажной и проектной схем 30 %.
Г.6.7 Результаты расчета
Расчетный перепад давления в системе: 0,3802 бар.
Расчетный расход теплоносителя в системе: 3388,86 л/ч.
По полученным параметрам производится подбор сетевого насоса системы 4 рисунка Г.23.
Рисунок Г.23 - Завершенный расчет схемы СТС с КТП
Характерной особенностью применения схемы с КТП является резкопеременный режим работы системы при возникновении пиковой нагрузки ГВС, которая характеризуется высокими параметрами потребляемой тепловой мощности при проточном нагреве воды для хозяйственно-бытовых нужд.
Для систем теплоснабжения высокой теплоаккумулирующей способности этот фактор не принимается во внимание, т.к. сама система выполняет роль аккумулятора тепловой энергии и позволяет избежать «провалов» тепловой мощности в системе при возникновении пикового режима ГВС. Однако для систем с малой суммарной расчетной тепловой нагрузкой (ориентировочно до 500 кВт) пиковый режим ГВС ведет к снижению температуры обратной линии, что при малой емкости системы и мощности источника ведет к снижению температуры подающей линии и, соответственно, снижает комфорт ГВС. Поэтому для систем малой тепловой емкости, например при применении КТП в проектах таун-хаусов с пристроенной котельной или для обеспечения функции ГВС или станций ГВС в частных домах с собственной котельной, необходимо применять буферную емкость теплоносителя (при малой емкости самой системы).
Рассмотрим пример расчета необходимой емкости бака-аккумулятора тепловой энергии для схемы объекта, рассмотренного в приложении Г.
Д.1 Исходные данные
Количество потребителей (квартир): 12 кв.
Коэффициент одновременности ГВС: 3 кв.
Расчетная отопительная нагрузка для 12 квартир, расчетным теплопотреблением на отопление помещений 3 кВт каждая: 12×3 = 36 кВт.
Расчетная тепловая мощность для обеспечения режима ГВС одной квартиры: 38 кВт, что соответствует потреблению 12 л/мин. горячей воды температурой 50 °С (рисунок Б.1). При этом средняя тепловая мощность для ГВС составляет 15 кВт (5 л/мин) (рисунок Д.1).
Средняя продолжительность одного критического разбора горячей воды составляет (европейские опытные данные): 5 мин. (при длительности максимального водоразбора 3 мин. (рисунок Д.2)).
Время реакции источника теплоснабжения при возникновении пикового режима ГВС в системе (включение на полную мощность): 3 мин.
Максимально допустимое понижение температуры подающей линии при возникновении пикового режима ГВС в системе: 10 °С (температура подающей линии для летнего температурного графика не ниже 55 °С).
Д.2 Расчет требуемой тепловой энергии для обеспечения пикового режима ГВС
Из исходных данных получаем количество требуемой тепловой энергии для обеспечения пикового режима ГВС:
3 кв. × 38 кВт/кв. × 5 мин. = 570 кВт×мин.
Д.3 Расчет объема теплоносителя для покрытия потерь энергии системы при пиковом режиме ГВС
V = A/(CprDT),
где V - объем теплоносителя, л;
А - тепловая энергия, кВт×мин;
Cp - теплоемкость воды, кВт×ч/(кг×К);
r - плотность воды, кг/л;
DT - допустимое понижение температуры, °С.
V = 570 кВт×мин / (1,163 × 10-3 кВт×ч/(кг×К) × 0,9805 кг/л × 10К × 60 мин) = 833 л.
Примечание - На усмотрение проектировщика в расчетах можно также учитывать емкость источника теплоснабжения и магистральных трубопроводов.
Д.4 Расчет дополнительной мощности источника для покрытия пикового режима ГВС в системе с КТП
Согласно европейским нормам, восстановление тепловой энергии системы не должно превышать 10 мин. для покрытия возникновения следующего пикового режима ГВС.
N = А / (нормативное время загрузки) = 570 кВт×мин / 10 мин. = 57 кВт.
Д.5 Определение потерь тепловой энергии системы при пиковом режиме ГВС с учетом времени реакции источника и его включении на полную мощность (5 - 3 = 2 мин.): 570 - 57×2 = 456 кВт×мин.
Д.6 Выполняется уточнение объема буферной емкости:
V = 456 кВт×мин / (1,163 × 10-3 кВт×ч/(кг×К) × 0,9805 кг/л × 10 К × 60 мин) = 666,5 л.
Д.7 Для рассмотренной схемы примера получаем:
- расчетная мощность источника теплоснабжения должна составлять: 9×3 + 57 = 84 кВт;
- расчетная емкость буферного накопителя теплоносителя - 666,5 л (750) л.

Рисунок Д.1 - Диаграмма потребления горячей воды одним потребителем при пиковом режиме ГВС (согласно исследованиям института теплоэнергетики г. Дрезден для 32-квартирного дома с применением схемы с КТП)

Рисунок Д.2 - Диаграмма «Частота длительности одного разбора горячей воды» (согласно исследованиям института теплоэнергетики г. Дрезден для 32-квартирного дома с применением схемы с КТП)
Ключевые слова: квартирные тепловые пункты, КТП, приборы отопительные, система отопления, система децентрализованного ГВС, станции ГВС, многоквартирный жилой дом
|
ГОСТЫ, СТРОИТЕЛЬНЫЕ и ТЕХНИЧЕСКИЕ НОРМАТИВЫ. Некоммерческая онлайн система, содержащая все Российские Госты, национальные Стандарты и нормативы. В Системе содержится более 150000 файлов нормативно-технической документации, действующей на территории РФ. Система предназначена для широкого круга инженерно-технических специалистов. Copyright © www.gostrf.com, 2008 - 2026 |