Крупнейшая бесплатная информационно-справочная система онлайн доступа к полному собранию технических нормативно-правовых актов РФ. Огромная база технических нормативов (более 150 тысяч документов) и полное собрание национальных стандартов, аутентичное официальной базе Госстандарта. GOSTRF.com - это более 1 Терабайта бесплатной технической информации для всех пользователей интернета. Все электронные копии представленных здесь документов могут распространяться без каких-либо ограничений. Поощряется распространение информации с этого сайта на любых других ресурсах. Каждый человек имеет право на неограниченный доступ к этим документам! Каждый человек имеет право на знание требований, изложенных в данных нормативно-правовых актах!

  


 

ФЕДЕРАЛЬНОЕ АГЕНТСТВО
ПО ТЕХНИЧЕСКОМУ РЕГУЛИРОВАНИЮ И МЕТРОЛОГИИ

НАЦИОНАЛЬНЫЙ
СТАНДАРТ
РОССИЙСКОЙ
ФЕДЕРАЦИИ

ГОСТ Р ЕН ИСО
7536-
2007

Бензины

ОПРЕДЕЛЕНИЕ ОКИСЛИТЕЛЬНОЙ СТАБИЛЬНОСТИ

МЕТОД ИНДУКЦИОННОГО ПЕРИОДА

EN ISO 7536:1996 Petroleum products - Determination of oxidation stability of gasoline -
Induction period method
(IDT)

Москва
Стандартинформ
2008

Предисловие

Цели и принципы стандартизации в Российской Федерации установлены Федеральным законом от 27 декабря 2002 г. 184-ФЗ «О техническом регулировании», а правила применения национальных стандартов Российской Федерации - ГОСТ Р 1.0-2004 «Стандартизация в Российской Федерации. Основные положения»

Сведения о стандарте

1 ПОДГОТОВЛЕН Техническим комитетом по стандартизации ТК 31 «Нефтяные топлива и смазочные материалы», Открытым акционерным обществом «Всероссийский научно-исследовательский институт по переработке нефти» (ОАО «ВНИИ НП») на основе аутентичного перевода стандарта, указанного в пункте 4, выполненного ФГУП «Стандартинформ»

2 ВНЕСЕН Управлением технического регулирования и стандартизации Федерального агентства по техническому регулированию и метрологии

3 УТВЕРЖДЕН И ВВЕДЕН В ДЕЙСТВИЕ Приказом Федерального агентства по техническому регулированию и метрологии от 27 декабря 2007 г. 595-ст

4 Настоящий стандарт идентичен региональному стандарту ЕН ИСО 7536:1996 «Нефтепродукты. Определение стойкости бензина к окислению. Метод индукционного периода» (EN ISO 7536:1996 «Petroleum products - Determination of oxidation stability- Induction period method»).

Наименование настоящего стандарта изменено относительно наименования указанного стандарта для приведения в соответствие с ГОСТ Р 1.5-2004 (подраздел 3.5)

5 ВВЕДЕН ВПЕРВЫЕ

Информация об изменениях к настоящему стандарту публикуется в ежегодно издаваемом информационном указателе «Национальные стандарты», а текст изменений и поправок- в ежемесячно издаваемых информационных указателях «Национальные стандарты». В случае пересмотра (замены) или отмены настоящего стандарта соответствующее уведомление будет опубликовано в ежемесячно издаваемом информационном указателе «Национальные стандарты». Соответствующая информация, уведомление и тексты размещаются также в информационной системе общего пользования - на официальном сайте Федерального агентства по техническому регулированию и метрологии в сети Интернет

Содержание

 

НАЦИОНАЛЬНЫЙ СТАНДАРТ РОССИЙСКОЙ ФЕДЕРАЦИИ

Бензины

ОПРЕДЕЛЕНИЕ ОКИСЛИТЕЛЬНОЙ СТАБИЛЬНОСТИ

МЕТОД ИНДУКЦИОННОГО ПЕРИОДА

Gasolines. Determination of oxidation stability. Induction period method

Дата введения - 2009-01-01

1 Область применения

1.1 Настоящий стандарт устанавливает метод определения стабильности товарных авиационного и автомобильного бензинов в условиях ускоренного окисления измерением индукционного периода по точке перепада давления в бомбе испытательного аппарата.

1.2 Этот метод не предназначен для определения стабильности индивидуальных компонентов бензина, в частности, компонентов с высоким процентным содержанием низкокипящих ненасыщенных соединений, так как они могут создавать взрывоопасные условия в аппаратуре. Однако из-за неизвестной природы некоторых образцов и для безопасности оператора комплект аппаратуры с бомбой включает в себя взрывозащитный диск.

1.3 Индукционный период используют как показатель склонности бензина к образованию смол при хранении. Следует признать, что склонность бензина к образованию смол при хранении изменяется в разных условиях хранения для разных марок бензина.

Предупреждение - Применение настоящего стандарта связано с использованием в процессе испытания опасных материалов, операций и оборудования. В настоящем стандарте не предусмотрено рассмотрение всех вопросов обеспечения безопасности. Пользователь несет ответственность за установление соответствующих правил техники безопасности и охраны труда, а также определение пригодности нормированных ограничений до применения настоящего стандарта.

2 Термины и определения

В настоящем стандарте применены следующие термины с соответствующими определениями:

2.1 точка перегиба: Точка на кривой давление-время, которой предшествует падение давления точно на 14 кПа в течение 15 мин и за которой следует падение давления не менее чем на 14 кПа за 15 мин.

2.2 индукционный период: Время пребывания бомбы с бензином в бане при температуре 100 °С до момента перегиба кривой давления.

3 Сущность метода

3.1 Образец окисляют в бомбе, предварительно заполненной кислородом при температуре от 15 °С до 25 °С и давлении 690 кПа и нагретой до температуры от 98 °С до 102 °С. Давление записывают через установленные интервалы или постоянно регистрируют до тех пор, пока не будет достигнута точка перегиба. Время, необходимое для достижения образцом этой точки, является наблюдаемым индукционным периодом при температуре проведения испытания, по которому может быть вычислен индукционный период при температуре 100 °С.

Предупреждение - Чтобы обеспечить защиту от возможного разрыва бомбы, все работы с бомбой следует проводить за соответствующим защитным экраном.

4 Реактивы и материалы

4.1 Толуол С6Н5СН3 чистотой не менее 99 %.

4.2 Ацетон СН3СОСН3 чистотой не менее 99 %.

4.3 Растворитель смол: смесь равных объемов толуола (4.1) и ацетона (4.2).

4.4 Кислород сухой чистотой не менее 99 %.

4.5 Раствор моющего средства, способный очищать использованные крышки и контейнеры для образцов. Такая очистка визуально или по потере массы при нагревании в условиях проведения испытания должна соответствовать очистке, которая достигается при погружении на 6 ч аналогично использованных контейнеров и крышек в свежеприготовленный раствор хромовой кислоты с последующей промывкой водой, как указано в 6.1.

Примечания

1 Тип моющего средства и его применение устанавливают в каждой лаборатории из опыта очистки использованных контейнеров для образцов и крышек.

2 Предупреждение - Хромовая кислота является потенциально опасной при контакте с органическими материалами, а также ядовитой и вызывающей сильную коррозию. При работе с кислотой пользуются маской закрывающей все лицо, длинной защитной одеждой и перчатками.

5 Аппаратура

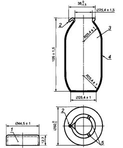
5.1 Бомба опрессованная из нержавеющей стали, размеры ее внутренней части, контактирующей с реагирующей смесью бензина и кислорода, показаны на рисунке 1.

1 - бомба; 2 - крышка бомбы; 3 - ствол бомбы; 4 - соединительная муфта; 5 - взрывозащитный диск; 6 - наливной стержень

Рисунок 1 - Бомба для окисления и взрывозащитный диск в сборе

Примечание - Допуск на все размеры - ± 0,25 мм, если не задано иное.

Рисунок 1, лист 2

Внутренние поверхности бомбы и крышки должны быть гладко отполированы для облегчения очистки и предотвращения коррозии.

Другие особенности конструкции, например тип крышки (многоугольный или с накатанной резьбой), материал прокладки и наружные размеры, являются произвольными при условии соблюдения ограничений, указанных в 5.1.1 и 5.1.2.

Для подтверждения пригодности бомбы к эксплуатации проводят предварительное испытание и периодический ее осмотр.

5.1.1 Конструкция бомбы должна выдерживать рабочее давление 1240 кПа при температуре 100 °С. Ее предел прочности должен быть не менее предела прочности бомбы, изготовленной из стали, содержащей 18 % (по массе) хрома и 8 % (по массе) никеля. Подходящим материалом является легированная сталь, соответствующая техническим условиям, изложенным в приложении А.

5.1.2 Крышка должна быть герметичной и предотвращать утечку образца, когда бомба заполнена кислородом под давлением 690 кПа при температуре от 15 °С до 25 °С и погружена в баню, нагретую до 100 °С. Предпочтительно, чтобы запирающее кольцо крышки бомбы, для получения нужного уплотнения при навинчивании крышки на корпус бомбы, было изготовлено из сплава, отличающегося от материала корпуса бомбы.

5.2 Прокладка из любого подходящего материала, который успешно выдерживает следующее испытание.

Помещают испытуемую прокладку в бомбу, не содержащую бензин; аналогичную прокладку используют для герметизации крышки. Заполняют бомбу кислородом под давлением 690 кПа и погружают в баню, нагретую до 100 °С. Если давление снизится не более чем на 14 кПа от максимального значения в течение 24 ч при постоянной температуре бани (100 ± 1,0) °С, прокладка считается пригодной к применению.

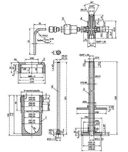
5.3 Стеклянный контейнер для образца и крышка приведены на рисунке 2.

Примечание - Крышка предназначена для предотвращения попадания в образец вещества, стекающего обратно по стволу бомбы, но она не должна препятствовать свободному доступу кислорода в образец.

1 - крышка (фарфор или стекло); 2 - слив; 3 - контейнер для пробы (стеклянный); 4 - стенка толщиной (2,0 ± 0,5) мм; 5 - две прорези для снижения давления

Рисунок 2 - Стеклянный контейнер для пробы и стеклянная или фарфоровая крышка

5.4 Ствол бомбы с наливным стержнем внутри изготовлены из такого же материала, как и крышка бомбы. Размеры приведены на рисунке 1.

Наливной стержень и внутренние поверхности ствола бомбы должны иметь зеркальную полировку, чтобы облегчить чистку и предотвратить коррозию. Стержень устанавливают в положение, показанное на рисунке 1, с круглой металлической пластиной диаметром 89 мм, которая служит крышкой для бани, когда бомба установлена в ней для испытания.

5.5 Комплект взрывозащитного диска изготовлен из нержавеющей стали, прикреплен к стволу бомбы и разрушается в случае воздействия давления более (1530 ±10 %) кПа. При этом выброс газа должен быть направлен в сторону от оператора.

5.6 Манометр и закрываемый игольчатый клапан присоединяют к стволу бомбы, как показано на рисунке 1. Для обеспечения быстрого сброса воздуха и впуска кислорода в бомбу применяют быстроразъемную пневмомуфту, установленную на игольчатом клапане.

5.7 Игольчатый клапан, снабженный заостренной иглой и отверстием и служащий для полного отключения потока газа.

Примечание - Игольчатый клапан применяют при продувке, при повышении и понижении давления кислорода в бомбе.

5.8 Манометр индикаторного или записывающего типа, обеспечивающий снятие показаний давления не менее 1380 кПа.

Каждая половина интервала шкалы между 690 и 1380 кПа (т.е. 345 кПа) должна быть длиной не менее 25 мм, измеренной по дуге шкалы. Цена деления должна быть 35 кПа или менее. Точность должна составлять 1 % или менее от всего интервала шкалы.

Чтобы обеспечивать необходимые измерения, манометр должен быть присоединен к бомбе непосредственно или с помощью гибкого металлического или полимерного, стойкого к газам шланга в металлической оболочке. Общий объем гибкого шланга, соединений и ствола бомбы с наливным стержнем в сборе не должен превышать 30 мл.

При заказе оборудования для этого испытания следует запросить гарантию производителя, что манометр и игольчатый клапан пригодны для использования с кислородом.

5.9 Баня водяная для окисления, имеющая вместимость не менее 18 л для одной бомбы и дополнительные 8 л для каждой дополнительной бомбы при использовании нескольких бомб одновременно. Размер бани должен обеспечивать глубину жидкости в бане не менее 290 мм.

Верхняя часть бани должна иметь отверстия соответствующего диаметра для размещения бомбы и взрывозащитного диска, прикрепленного к стволу бомбы. Баня должна быть оснащена термометром, закрепленным в таком положении, чтобы отметка 97 °С на термометре находилась выше крышки бани.

При погружении в баню верх крышки бомбы должен находиться под водой на глубине не менее 50 мм от поверхности воды.

Требуются дополнительные крышки, чтобы закрывать отверстия, когда бомба находится вне бани. Баня должна быть снабжена холодильником и источником нагрева для поддержания интенсивного кипения воды.

5.10 Термометр диапазоном измерения от 95 °С до 105 °С, удовлетворяющий требованиям приложения В.

5.11 Пинцеты стальные, стойкие к коррозии, с плоскими кончиками.

6 Подготовка аппаратуры

6.1 Стеклянный контейнер для образца промывают растворителем до полной очистки от смол. Контейнер для образца и крышку тщательно ополаскивают водой и погружают в горячий раствор моющего средства (4.5). Извлекают контейнер и крышку из моющего раствора пинцетом и далее пользуются только пинцетом. Тщательно промывают контейнер и крышку сначала водопроводной, а затем дистиллированной водой и высушивают в термостате при температуре от 100 °С до 150 °С в течение не менее 1 ч.

6.2 Сливают остатки бензина из бомбы и протирают поверхность внутри бомбы и крышку сначала чистой тканью, смоченной растворителем (4.3), а затем чистой сухой тканью. Извлекают наливной стержень из ствола бомбы и, используя растворитель, осторожно удаляют смолы или остатки образца с поверхности стержня, ствола и игольчатого клапана (4.3). Очищают быстроразъемную пневмомуфту и все каналы, ведущие к бомбе.

Предупреждение - Убеждаются, что все компоненты оборудования тщательно очищены перед хранением и повторным использованием, чтобы не допускать возможного образования летучих перекисей во время испытания. Любые очищающие растворы должны быть устранены в соответствии с процедурами, установленными для вредных веществ.

Бомба и все соединительные линии должны быть тщательно высушены перед началом каждого испытания.

7 Проведение испытания

7.1 Доводят бомбу (5.1) и испытуемый образец бензина до температуры от 15 °С до 25 °С. Устанавливают стеклянный контейнер для образца (5.3) в бомбу и наливают (50 ± 1) см3 испытуемого образца.

Закрывают контейнер для образца крышкой, закрывают бомбу и подают в нее кислород до тех пор, пока давление в бомбе не достигнет от 690 до 705 кПа. Обеспечивают медленный выход газа из бомбы, снижая давление со скоростью не более 350 кПа в 1 мин, чтобы вытеснить первоначально присутствующий в бомбе воздух.

Снова включают подачу кислорода для создания давления от 690 до 705 кПа и наблюдают, нет ли утечки, не обращая внимания на быстрое падение давления (обычно не более 40 кПа), происходящее при растворении кислорода в испытуемом образце бензина.

Если скорость падения давления не более 7 кПа за 10 мин, считают, что утечка отсутствует, и продолжают испытание без повторного увеличения давления.

7.2 Помещают, избегая взбалтывания, бомбу с образцом в интенсивно кипящую водяную баню и записывают время погружения как начальное время испытания. Поддерживают температуру воды в бане в диапазоне от 98 °С до 102 °С. Время от времени в ходе испытания снимают показания термометра с точностью до 0,1 °С, вычисляют среднее значение температуры с точностью до 0,1 °С и записывают это значение как температуру испытания.

Продолжают непрерывно регистрировать значения давления в бомбе или, при использовании манометра, снимают показания давления через каждые 15 мин или чаще.

Если в течение первых 30 мин испытания произойдет утечка (что видно по равномерному падению давления со скоростью, значительно превышающей 14 кПа за 15 мин), то испытание прекращают.

Продолжают испытание, пока не будет достигнута точка перегиба. Эта точка предшествует падению давления точно на 14 кПа в пределах 15 мин и за ней следует падение давления не менее чем на 14 кПа за 15 мин.

Записывают время в минутах с момента помещения бомбы в баню до точки перегиба как наблюдаемый индукционный период при температуре проведения испытания.

Примечание - Если испытание проводят в окружающей среде, где атмосферное давление устойчиво ниже нормального (101,3 кПа), то разрешается в воду добавить жидкость с более высокой температурой кипения, например этиленгликоль, для того, чтобы поддерживать рабочую температуру бани как можно ближе к 100 °С.

7.3 Охлаждают бомбу, погружая в холодную водопроводную воду. Извлекают охлажденную бомбу из воды и медленно сбрасывают давление через игольчатый клапан со скоростью не более 350 кПа/мин. Очищают бомбу и контейнер для образца для проведения следующего испытания.

8 Обработка результатов

8.1 Вычисляют индукционный период при температуре 100 °С IР100, мин, по одной из следующих формул:

a) температура испытания выше 100 °С

IP100 = (IPt) [1 +0,101 (Tа - 100)]

(1)

b) температура испытания ниже 100 °С

IP100 = (IPt) / [1 +0,101 (100 – Tb)]

(2)

где IPt - наблюдаемый индукционный период при температуре проведения испытания, мин;

Tа - температура испытания, если она выше 100 °С;

Тb - температура испытания, если она ниже 100 °С.

9 Запись результатов

9.1 Включают в протокол испытания индукционный период при 100 °С IР100, вычисленный согласно разделу 8 с точностью до 1 мин.

10 Точность метода

Точность метода получена путем статистического исследования результатов межлабораторных испытаний и приведена в 10.1 и 10.2.

Примечание - Установленная точность получена при использовании оборудования без разрывного диска. Однако конструкция аппаратуры и некоторое число испытаний указывает на вероятность минимального влияния такого диска.

10.1 Повторяемость

Расхождение между последовательными результатами испытания, полученное одним оператором на одной и той же аппаратуре при постоянных условиях на идентичном материале для исследования при нормальном и правильном выполнении метода испытания в течение длительного времени, может превышать 5 % среднего значения только в одном случае из двадцати.

10.2 Воспроизводимость

Расхождение между двумя независимыми результатами, полученными различными лаборантами, работающими в различных лабораториях, на идентичном материале для исследования при нормальном и правильном выполнении метода испытания в течение длительного времени, может превышать 10 % среднего значения только в одном случае из двадцати.

11 Протокол испытания

Протокол испытания должен содержать следующую информацию:

a) подробности для полной идентификации продукта, проходящего испытание;

b) ссылку на настоящий стандарт;

c) результат испытания;

d) любое отклонение от описанной методики;

e) дату проведения испытания.

Приложение А
(обязательное)
Хромоникелевая легированная сталь. Технические условия

А.1 Стойкая к коррозии сталь, используемая в конструкции бомбы для испытаний на стабильность бензина к окислению (5.1), должна удовлетворять требованиям по пределу прочности аналогичной бомбы, изготовленной из стали, спецификация которой дана в таблице А.1.

Таблица А.1 - Технические условия стали, стойкой к коррозии

Компонент стали

Массовая доля, %

Углерод

0,08 макс.

Марганец

2,00 макс.

Фосфор

0,045 макс.

Сера

0,030 макс.

Кремний

1,00 макс.

Хром

От 18,00 до 20,00

Никель

От 8,00 до 10,50

Азот

0,10 макс.

Приложение В
(обязательное)
Технические требования к термометру

В.1 Термометр (5.10) должен удовлетворять техническим требованиям, указанным в таблице В.1. Примечание - Термометр ASTM 22C/IP 24С соответствует этим требованиям.

Таблица В.1 - Технические требования к термометру для испытаний с целью определения стойкости бензина к окислению

Показатель

Значение

Диапазон,°С

От 95 до 103

Для испытания при температуре, °С

100

Погружение

Полное

Общая длина, мм

От 270 до 280

Внешний диаметр основной части, мм

От 6 до 8

Длина шарика, мм

От 25 до 35

Внешний диаметр шарика, мм

Более 5,0 и менее диаметра основной части

Расположение шкалы, мм:

 

длина от дна шарика до линии отметки 95 °С

От 135 до 150

длина градуированной части

От 70 до 100

Градуировки, °С:

 

промежуточные деления

0,1

длинная линия для каждого деления

0,5

номер на каждом делении

1

Погрешность шкалы макс.

0,1

Камера расширения объема при нагревании до, °С

155

Камера сжатия:

 

расстояние до верха макс, мм

60

Удлинение основной части, мм:

 

внешний диаметр

От 8 до 10

длина

От 4 до 7

расстояние до нижнего конца

От 112 до 116

Ключевые слова: бензины, окислительная стабильность, метод индукционного периода, точка перегиба

 

 




ГОСТЫ, СТРОИТЕЛЬНЫЕ и ТЕХНИЧЕСКИЕ НОРМАТИВЫ.
Некоммерческая онлайн система, содержащая все Российские Госты, национальные Стандарты и нормативы.
В Системе содержится более 150000 файлов нормативно-технической документации, действующей на территории РФ.
Система предназначена для широкого круга инженерно-технических специалистов.

Рейтинг@Mail.ru Яндекс цитирования

Copyright © www.gostrf.com, 2008 - 2026