Крупнейшая бесплатная информационно-справочная система онлайн доступа к полному собранию технических нормативно-правовых актов РФ. Огромная база технических нормативов (более 150 тысяч документов) и полное собрание национальных стандартов, аутентичное официальной базе Госстандарта. GOSTRF.com - это более 1 Терабайта бесплатной технической информации для всех пользователей интернета. Все электронные копии представленных здесь документов могут распространяться без каких-либо ограничений. Поощряется распространение информации с этого сайта на любых других ресурсах. Каждый человек имеет право на неограниченный доступ к этим документам! Каждый человек имеет право на знание требований, изложенных в данных нормативно-правовых актах!

  


 

ФЕДЕРАЛЬНОЕ АГЕНТСТВО
ПО
ТЕХНИЧЕСКОМУ РЕГУЛИРОВАНИЮ И МЕТРОЛОГИИ

НАЦИОНАЛЬНЫЙ

СТАНДАРТ

российской

ФЕДЕРАЦИИ

ГОСТ Р

52949-

2008

ФИТИНГИ-ПЕРЕХОДНИКИ ИЗ МЕДИ
И
МЕДНЫХ СПЛАВОВ ДЛЯ СОЕДИНЕНИЯ ТРУБОПРОВОДОВ

Технические условия

Москва

Стандартинформ

2008

Предисловие

Цели и принципы стандартизации в Российской Федерации установлены Федеральным законом от 27 декабря 2002 г. 184-ФЗ «О техническом регулировании», а правила применения национальных стандартов Российской Федерации - ГОСТ Р 1.0-2004 «Стандартизация в Российской Федерации. Основные положения»

Сведения о стандарте

1 РАЗРАБОТАН Техническим комитетом по стандартизации ТК 106 «Цветметпрокат», Научно-исследовательским, проектным и конструкторским институтом сплавов и обработки цветных металлов «Открытое акционерное общество «Институт Цветметобработка»

2 ВНЕСЕН Техническим комитетом по стандартизации ТК 106 «Цветметпрокат»

3 УТВЕРЖДЕН И ВВЕДЕН В ДЕЙСТВИЕ Приказом Федерального агентства по техническому регулированию и метрологии от 14 августа 2008 г. 172-ст

4 Настоящий стандарт разработан с учетом основных нормативных положений регионального стандарта ЕН 1254-4:1998 «Медь и медные сплавы. Фитинги. Часть 4. Фитинги, присоединяемые комбинацией капиллярной пайки твердым или мягким припоем или обжатия с другими типами соединений (EN 1254-4:1998 «Copper and copper alloys - Plumbing fittings - Part 4: Fittings combining other end connections with capillary or compression ends», NEQ)

5 ВВЕДЕН ВПЕРВЫЕ

Информация об изменениях к настоящему стандарту публикуется в ежегодно издаваемом информационном указателе «Национальные стандарты», а текст изменений и поправок - в ежемесячно издаваемых информационных указателях «Национальные стандарты». В случае пересмотра (замены) или отмены настоящего стандарта соответствующее уведомление будет опубликовано в ежемесячно издаваемом информационном указателе «Национальные стандарты». Соответствующая информация, уведомление и тексты размещаются также в информационной системе общего пользования - на официальном сайте Федерального агентства по техническому регулированию и метрологии в сети Интернет

Содержание

НАЦИОНАЛЬНЫЙ СТАНДАРТ РОССИЙСКОЙ ФЕДЕРАЦИИ

ФИТИНГИ-ПЕРЕХОДНИКИ ИЗ МЕДИ И МЕДНЫХ СПЛАВОВ
ДЛЯ
СОЕДИНЕНИЯ ТРУБОПРОВОДОВ

Технические условия

Fittings-adapters from copper and copper alloys for connecting the pipelines.
Specifications

Дата введения - 2009-07-01

1 Область применения

Настоящий стандарт распространяется на фитинги-переходники из меди и медных сплавов с разными концами: для пайки или прессования с одной стороны и резьбовыми - с другой, предназначенные для соединения медных труб, изготовленных по ГОСТ Р 52318, и устанавливает требования к фитингам-переходникам, используемым в системах: питьевого водоснабжения, холодного и горячего водоснабжения, водяного (парового) отопления, нагревательных и охлаждающих, канализации, водоочистных сооружений и газоснабжения.

Стандарт устанавливает резьбовые соединения концов фитингов, типы и размеры резьбы.

2 Нормативные ссылки

В настоящем стандарте использованы нормативные ссылки на следующие стандарты:

ГОСТ Р 52318-2005 Трубы медные круглого сечения для воды и газа. Технические условия

ГОСТ Р 52922-2008 Фитинги из меди и медных сплавов для соединения медных труб способом капиллярной пайки. Технические условия

ГОСТ Р 52948-2008 Фитинги из меди и медных сплавов для соединения медных труб способом прессования. Технические условия

ГОСТ 2533-88 Калибры для трубной цилиндрической резьбы. Допуски

ГОСТ 6211-81 Основные нормы взаимозаменяемости. Резьба трубная коническая

ГОСТ 6357-81 Основные нормы взаимозаменяемости. Резьба трубная цилиндрическая

ГОСТ 7157-79 Калибры для трубной конической резьбы. Типы. Основные размеры и допуски

ГОСТ 24939-81 Калибры для цилиндрических резьб. Виды

Примечание - При пользовании настоящим стандартом целесообразно проверить действие ссылочных стандартов в информационной системе общего пользования - на официальном сайте Федерального агентства по техническому регулированию и метрологии в сети Интернет или по ежегодно издаваемому информационному указателю «Национальные стандарты», который опубликован по состоянию на 1 января текущего года, и по соответствующим ежемесячно издаваемым информационным указателям, опубликованным в текущем году. Если ссылочный стандарт заменен (изменен), то при пользовании настоящим стандартом следует руководствоваться заменяющим (измененным) стандартом. Если ссылочный стандарт отменен без замены, то положение, в котором дана ссылка на него, применяется в части, не затрагивающей эту ссылку.

3 Термины и определения

В настоящем стандарте применены следующие термины с соответствующими определениями:

3.1 фитинг: Устройство в трубопроводной системе, предназначенное для соединения труб между собой или с другими компонентами этой системы.

3.2 резьбовое соединение: Соединение, которое обеспечивает разъединение системы без нарушения других секций трубы.

Резьбовое соединение может быть: сфера в конус, конус в конус или конус в радиус или в плоскую поверхность с уплотнителем.

Составные части резьбового соединения должны быть только от одного конкретного производителя.

4 Технические требования

4.1 Материалы, технические требования, методы контроля и испытаний, правила приемки, маркировка, упаковка, транспортирование и хранение должны соответствовать требованиям для фитингов-переходников:

- с концом для капиллярной пайки по ГОСТ Р 52922;

- с концом для прессования по ГОСТ Р 52948.

4.2 Резьбовое соединение при сборке должно выдерживать максимальное эксплуатационное давление для соответствующего конца трубы. При разъединении и повторном присоединении резьбовое соединение должно выдерживать максимальное эксплуатационное давление.

5.3 При монтаже трубопровода должны быть применены внутреннее и наружное цилиндрические и наружное коническое резьбовые соединения.

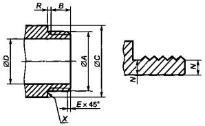
4.4 Внутреннее цилиндрическое резьбовое соединение приведено на рисунках 1 и 2.

Рисунок 1 - Внутреннее цилиндрическое резьбовое соединение с резьбой по ГОСТ 6357

Размеры внутренней цилиндрической резьбы должны соответствовать указанным в таблицах 1 и 2.

Таблица 1 - Размеры внутренней цилиндрической резьбы по ГОСТ 6357

В миллиметрах

Обозначение резьбы А

Длина внутреннего участка фитинга под резьбу В, не менее

Диаметр прессованного фитинга или прутка из латуни D, не менее

Диаметр литого фитинга из латуни D, не менее

Фаска Е1), не более

Диаметр торца фитинга F, не менее

Длина резьбы G, не менее

Rp1/8

7,4

11,6

11,8

0,9

14,3

4,5

Rp1/4

11,0

15,2

15,4

1,3

18,2

7,0

Rp3/8

11,4

19,1

19,1

1,3

22,0

7,0

Rp1/2

15,0

23,8

23,8

1,8

26,7

9,0

Rp3/4

16,3

29,3

29,7

1,8

33,5

10,0

Rp1

19,1

36,3

36,9

2,3

40,9

11,5

Rp11/4

21,4

45,6

46,2

2,3

49,0

13,5

Rp11/2

21,4

51,4

52,0

2,3

56,6

13,5

Rp2

25,7

63,7

64,3

2,3

69,4

17,0

Rp21/2

30,2

80,4

80,8

2,3

86,2

18,5

Rp3

33,3

93,5

94,0

2,3

98,0

21,0

Rp4

39,3

120,0

121,0

2,3

120,0

26,0

1) По согласованию изготовителя с потребителем допускается взамен фаски Е снятие первого витка резьбы.

Рисунок 2 - Внутреннее цилиндрическое резьбовое соединение с резьбой по ГОСТ 6357

Таблица 2 - Размеры внутренней цилиндрической резьбы по ГОСТ 6357

В миллиметрах

Обозначение резьбы А

Длина внутреннего участка фитинга под резьбу В, не менее

Диаметр деформируемого фитинга из меди и медных сплавов
D

Диаметр литого фитинга из меди и медных сплавов D

Фаска Е1), не более

Диаметр торца фитинга F2),
не менее

Длина резьбы G, не менее

G1/8

5,6

11,6

11,8

0,9

14,3

4,5

G1/4

8,0

15,2

15,4

1,3

18,2

7,0

G3/8

8,5

19,1

19,1

1,3

22,0

7,0

G1/2

10,5

23,8

23,8

1,8

26,7

9,0

G3/4

12,0

29,3

29,7

1,8

33,5

10,0

G1

13,5

36,3

36,9

2,3

40,9

11,5

G11/4

15,5

45,6

46,2

2,3

49,0

13,5

G11/2

15,5

51,4

52,0

2,3

56,6

13,5

G2

19,0

63,7

64,3

2,3

69,4

17,0

G21/2

20,0

80,4

80,8

2,3

86,2

18,5

G3

21,0

93,5

94,0

2,3

98,0

20,0

G4

23,0

120,0

121,0

2,3

120,0

22,0

1) По согласованию изготовителя с потребителем допускается взамен фаски Е снятие первого витка резьбы

2) При уплотнении торец X должен быть обработан резанием.

Примечания

1 На фитинги без подрезки по согласованию изготовителя с потребителем наносят обозначение и маркировку:

- для класса 1 - размер В (рисунок 2б);

- для класса 2 - размер G (рисунок 2а).

2 Не допускается использовать внутреннюю цилиндрическую резьбу в сочетании с наружной конической резьбой.

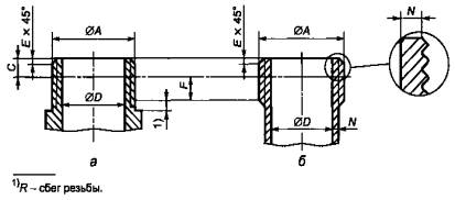
4.5 Наружное коническое резьбовое соединение приведено на рисунках 3 и 4.

Рисунок 3 - Наружное коническое резьбовое соединение с резьбой по ГОСТ 6211

Размеры наружной конической резьбы должны соответствовать указанным в таблицах 3 и 4.

Таблица 3 - Размеры наружной конической резьбы по ГОСТ 6211

В миллиметрах

Обозначение резьбы А

Длина резьбы от основной плоскости до сбега резьбы F,
не менее

Длина резьбы от торца до основной плоскости С

Диаметр фитинга D, не менее

Фаска Е, не более

не более

не менее

R1/8

2,5

4,9

3,1

4

0,9

R1/4

3,7

7,3

4,7

6

1,3

R3/8

3,7

7,7

5,1

9

1,3

R1/2

5,0

10,0

6,4

10

1,8

R3/4

5,0

11,3

7,7

18

1,8

R1

6,4

12,7

8,1

23

2,3

R11/4

6,4

15,0

10,4

29

2,3

R11/2

6,4

15,0

10,4

36

2,3

R2

7,5

18,2

13,6

47

2,3

R21/2

9,2

21,0

14,0

55

2,3

R3

9,2

24,1

17,1

59

2,3

R4

10,4

28,9

21,9

75

2,3

Рисунок 4 - Наружное модифицированное коническое резьбовое соединение Rk по ГОСТ 6211

Таблица 4 - Размеры наружной модифицированной конической резьбы Rk по ГОСТ 6211

В миллиметрах

Обозначение
резьбы А

Длина резьбы от
основной плоскости
до сбега резьбы
F,
не менее

Длина резьбы от торца до
основной плоскости С

Диаметр фитинга
D, не менее

Фаска Е, не более

не более

не менее

Rk1/8

1,5

4,5

2,6

4

0,6

Rk1/4

2,3

6,6

4,0

6

0,9

Rk3/8

2,3

6,6

4,0

9

0,9

Rk1/2

3,2

8,5

4,0

10

1,2

Rk3/4

3,2

9,5

5,3

18

1,2

Rk1

4,0

10,5

5,4

23

1,5

Rk11/4

4,0

12,0

6,9

29

1,5

Rk11/2

4,0

12,6

8,0

36

1,5

Rk2

5,2

13,6

9,0

47

1,5

Rk21/2

5,8

16,3

9,3

55

1,5

Rk3

5,8

17,0

11,0

59

1,5

Rk4

6,9

21,0

14,7

76

1,5

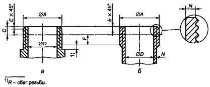
4.6 Наружное цилиндрическое резьбовое соединение приведено на рисунке 5.

Рисунок 5 - Наружное цилиндрическое резьбовое соединение по ГОСТ 6357

Размеры наружной цилиндрической резьбы должны соответствовать указанным в таблице 5.

Таблица 5 - Размеры наружной цилиндрической резьбы по ГОСТ 6357

В миллиметрах

Обозначение резьбы А

Длина резьбы В1)

Диаметр торца фитинга
С2)

не менее

Диаметр фитинга D

Фаска Е,
не более

Сбег резьбы R

не более

не менее

не более

не менее

G1/8B

6,5

4,5

11,6

4

0,9

0,9

1,8

G1/4B

7,5

6,0

15,2

6

1,3

1,3

2,6

G3/8B

9,0

7,0

19,1

9

1,3

1,3

2,6

G1/2B

8,5

7,0

23,8

10

1,8

1,8

3,6

G3/4B

10,0

8,5

29,3

18

1,8

1,8

3,6

G

11,0

9,5

36,3

23

2,3

2,3

4,6

G11/4B

12,5

11,0

45,6

29

2,3

2,3

4,6

G11/2B

14,0

12,5

51,4

36

2,3

2,3

4,6

G2B

15,5

14,0

63,7

47

2,3

2,3

4,6

G21/2В

17,5

15,5

80,4

55

2,3

2,3

4,6

G3B

19,5

17,5

93,7

60

2,3

2,3

4,6

G4B

21,5

19,5

119,6

75

2,3

2,3

4,6

1) Допускается для специальных целей увеличение максимальной длины В.

2) При уплотнении торец X должен быть обработан резанием с минимальным размером С поперек торца.

4.7 Предельное отклонение по диаметру фитингов с резьбовыми концами проверяют при помощи калибров по ГОСТ 2533, ГОСТ 7157 и ГОСТ 24939.

4.8 Момент вращения при уплотнении требуется прикладывать к гайке и на прямой участок трубы.

4.9 Минимальная толщина стенки у резьбовой части фитинга должна соответствовать указанной в таблице 6.

Таблица 6 - Минимальная толщина стенки фитинга

В миллиметрах

Обозначение резьбы

Минимальная толщина стенки фитинга N из меди и медных сплавов

деформируемых

литых

1/8

1,0

1,0

1/4

1,0

1,0

3/8

1,1

1,1

1/2

1,2

1,2

3/4

1,4

1,5

1

1,5

1,8

11/4

1,6

1,8

11/2

1,8

2,0

2

1,9

2,3

21/2

2,0

2,4

3

2,3

2,6

4

2,8

2,9

4.10 Минимальное поперечное сечение для фитингов с разными концами не распространяется на другие выходные отверстия.

4.11 Минимальный наружный диаметр торца на фитингах, имеющих уплотняющую фаску, должен соответствовать размеру С, указанному в таблице 5.

4.12 Свободные фланцы и крепеж на фитингах фланцевого типа может быть из черного металла, если другой не указан.

Примечание - Требования к защите от коррозии фланцев и крепежа из черных металлов указывает потребитель.

Ключевые слова: фитинги-переходники, медь, медные сплавы, резьбовое соединение, диаметр

 

 




ГОСТЫ, СТРОИТЕЛЬНЫЕ и ТЕХНИЧЕСКИЕ НОРМАТИВЫ.
Некоммерческая онлайн система, содержащая все Российские Госты, национальные Стандарты и нормативы.
В Системе содержится более 150000 файлов нормативно-технической документации, действующей на территории РФ.
Система предназначена для широкого круга инженерно-технических специалистов.

Рейтинг@Mail.ru Яндекс цитирования

Copyright © www.gostrf.com, 2008 - 2026