Крупнейшая бесплатная информационно-справочная система онлайн доступа к полному собранию технических нормативно-правовых актов РФ. Огромная база технических нормативов (более 150 тысяч документов) и полное собрание национальных стандартов, аутентичное официальной базе Госстандарта. GOSTRF.com - это более 1 Терабайта бесплатной технической информации для всех пользователей интернета. Все электронные копии представленных здесь документов могут распространяться без каких-либо ограничений. Поощряется распространение информации с этого сайта на любых других ресурсах. Каждый человек имеет право на неограниченный доступ к этим документам! Каждый человек имеет право на знание требований, изложенных в данных нормативно-правовых актах!

  


 

ГИДРОИЗОЛЯЦИЯ ЖЕЛЕЗОБЕТОННЫХ КОНСТРУКЦИЙ

ТЕХНОЛОГИЧЕСКИЙ РЕГЛАМЕНТ

на установку гидроизоляционных шпонок АКВАСТОП при устройстве и восстановлении гидроизоляции деформационных и технологических швов бетонирования в железобетонных конструкциях подземных и заглубленных сооружений

ТР 186-07

Москва - 2008

Издание второе, дополненное.

РАЗРАБОТАН лабораторией подземных сооружений ГУП «НИИМосстрой» (кандидаты техн. наук Б.В. Ляпидевский, А.Ф. Ландер) с участием ООО «Аква-барьер» (канд. техн. наук A.M. Левицкий, ИМ. Пронин, С.Ф. Щербаков).

При разработке технологического регламента использованы результаты научных исследований, отечественный и зарубежный опыт применения гидроизоляционных шпонок.

Технологический регламент содержит сведения об организации и технологии производства работ, контроле качества и технике безопасности.

Регламент предназначен для строительных организаций, выполняющих бетонные работы при строительстве подземных и заглубленных сооружений

Регламент согласован с организациями:

- ГУП «Гормост»;

- ГУП «Мосинжпроект»;

- ГУП «Мосводоканалниипроект»;

- ОАО «Метрогипротранс»;

- ОАО «Росжелдорпроект» филиал «Мосжелдорпроект»;

- ОАО «Гипротрансмост»;

- ОАО «Союздорпроект».

Правительство Москвы Департамент градостроительной политики, развития и реконструкции города Москвы

Технологический регламент на установку гидроизоляционных шпонок АКВАСТОП при устройстве и восстановлении гидроизоляции деформационных и технологических швов бетонирования в железобетонных конструкциях подземных и заглубленных сооружений

ТР 186-07

вводится впервые

1 ОБЩИЕ ПОЛОЖЕНИЯ

Настоящий технологический регламент определяет общий порядок и условия выполнения работ по установке и эксплуатации гидроизоляционных шпонок АКВАСТОП различных видов и разработан в соответствии с требованиями ТУ 5775-002-46603100-03 с изм. 1, 2.

Установку шпонок необходимо производить в соответствии с проектно-конструкторской документацией. Шпонки должен устанавливать персонал, имеющий соответствующую квалификацию. Приведенные в регламенте рисунки схематичны и могут отличаться от реальной ситуации.

Потребитель несет ответственность за соответствие выбранного им типа шпонки назначению и условиям ее эксплуатации.

РАЗРАБОТАН:

ГУП «НИИМосстрой»,

ООО «Аквабарьер»

УТВЕРЖДЕН:

Начальник Управления научно-технической политики в строительной отрасли

« 21» августа 2007 г.

А.Н. Дмитриев

Дата введения в действие

«03» сентября 2007 г

2 ГИДРОИЗОЛЯЦИОННЫЕ ШПОНКИ АКВАСТОП

2.1 Используемые термины

В регламенте используются следующие термины:

Деформационный шов - температурный, осадочный, антисейсмический и другие швы, а также их сочетания.

Технологический шов бетонирования - шов в месте контакта бетона разного возраста, обусловленный технологией производства бетонных работ.

Перемещения - допустимые перемещения сопрягаемых элементов конструкции. Виды перемещений приведены в таблице 2.1.

Таблица 2.1

СЖАТИЕ

РАСТЯЖЕНИЕ

СДВИГ ПОПЕРЕЧНЫЙ

СДВИГ ПРОДОЛЬНЫЙ

2.2 Область применения

Шпонки АКВАСТОП предназначены для устройства и восстановления гидроизоляции деформационных и технологических швов бетонирования в железобетонных конструкциях подземных и заглубленных сооружений.

Область применения для каждого типа шпонок приведена в таблице 2.2.

Таблица 2.2

ВИД ШВА

ТИП ГИДРОИЗОЛЯЦИОННОЙ ШПОНКИ

ДЕФОРМАЦИОННЫЙ

Внутренняя (ДВ, ДВС)

Опалубочная (ДО, ДОС, ДОМ)

Защитная (ДЗ)

Внутренняя (ТАРАКАН)

3ащитная специальная (ДЗС)

Ремонтная (ДР)

ТЕХНОЛОГИЧЕСКИЙ ШОВ БЕТОНИРОВАНИЯ

Внутренняя (ХВ)

Внутренняя (ХВС)

Опалубочная (ХО, ХОМ)

2.3 Материал изделий

Гидроизоляционные шпонки АКВАСТОП изготавливают методом экструзии в соответствии с ТУ 5775-002-46603100-03 с изм. 1, 2 из следующих материалов:

- резиновые смеси на основе этиленпропиленового каучука (EPDM);

- пластифицированные композиции на основе поливинилхлорида (ПВХ-П). Физико-механические показатели материалов приведены в Приложении 17.

2.4 Технические характеристики

Функциональные зоны шпонок приведены в Приложении 18.

Технические и эксплуатационные характеристики шпонок приведены в Приложениях 20 - 32.

Техническое описание системы АКВАСТОП ИНЖЕКТО, используемой совместно со шпонками типов ДВС и ДОС, приведено в Приложении 33.

Техническое описание профиля набухающего резинового АКВАСТОП тип ПНР приведено в Приложении 34.

2.5 Обозначение гидроизоляционных шпонок

2.6 Номенклатура гидроизоляционных шпонок

Номенклатура гидроизоляционных шпонок приведена в таблице 2.3.

Таблица 2.3

ТИП ШПОНКИ

МАТЕРИАЛ ИЗДЕЛИЯ

РЕЗИНА

ПВХ-П

ДВ

ДО

ДЗ

ХВ

ХО

ДВС

-

ДОС

-

ДЗС

-

ХВС

-

ДОМ

-

ХОМ

-

ТАРАКАН

-

3 РЕКОМЕНДАЦИИ ПО УСТАНОВКЕ ГИДРОИЗОЛЯЦИОННЫХ ШПОНОК

Установку шпонок необходимо производить в соответствии с проектно-конструкторской документацией. Работы по установке шпонок должны выполнять квалифицированные специалисты, имеющие соответствующие навыки и опыт.

3.1 Транспортирование и хранение

Шпонки перевозят транспортом всех видов в соответствии с правилами перевозки в условиях, исключающих их механические повреждения и загрязнения.

Шпонки следует хранить в заводской упаковке, не подвергать деформирующим нагрузкам, защищать от воздействия нефтепродуктов, органических растворителей и прямых солнечных лучей.

Условия при воздействии климатических факторов должны соответствовать:

- при транспортировании - группе условий 8 по ГОСТ 15150;

- при хранении - группе условий 3 по ГОСТ 15150.

Если шпонки были деформированы при транспортировке или хранении, необходимо разложить их на ровной поверхности для снятия деформаций.

При отрицательной температуре рекомендуется выдержать шпонки в теплом помещении при температуре не ниже + 5 °С не менее 12 ч до начала выполнения работ по их установке.

3.2 Установка

Шпонки устанавливают и закрепляют в проектное положение, симметрично относительно осей шва.

Зазор между шпонкой любого типа и ближайшим арматурным стержнем должен быть не менее 20 мм

В горизонтальных конструкциях для получения плотного контакта бетона с телом шпонок при бетонировании внутренние шпонки типа ДВ, ДВС и ХВ следует устанавливать с прогибом под углом около 10°.

При установке шпонок необходимо обеспечить герметичность в местах примыкания их к опалубке для исключения протекания цементного раствора при проведении бетонных работ.

Не рекомендуется установка опалубочных шпонок типов ДО, ДОС и ХО в верхнюю часть горизонтальных конструкций.

 

В строительной конструкции шпонки должны образовывать замкнутое пространство по всему периметру возможного водопроявления (см. таблицу 3.1).

Таблица 3.1

Протяженные подземные сооружения (тоннели)

Подземные сооружения

Заглубленные Сооружения

 

Допускается установка шпонок в швы с размером зазора меньше, чем размер деформационного узла шпонки.

3.3 Крепление

Внутренние шпонки (тип ДВ, ДВС, ХВ) крепят вязальной проволокой к арматурным стержням с шагом около 250 мм (рисунок 3.1, узел 1).

Опалубочные шпонки (тип ДО, ХО) крепят к деревянной опалубке гвоздями 70-90 мм (максимальная глубина забивки 1/3 длины гвоздя) с шагом около 250 мм (рисунок 3.1, узел 2). После забивки гвозди следует отогнуть на угол 40-50° от вертикального положения. В других случаях (например, установка опалубочных шпонок на бетонную подготовку) для крепления следует использовать клеевые составы (рисунок 3.1, узел 3).

Рисунок 3.1

Защитные шпонки (тип ДЗ) на I этапе бетонирования крепят к деревянной опалубке гвоздями 70-90 мм (максимальная глубина забивки 25 мм) с шагом около 250 мм (рисунок 3.1, узел 2). После забивки гвозди следует отогнуть на гол 40-50° от вертикального положения.

Для предотвращения смещения заполнителя полости шва от проектного положения, его необходимо вклеить (рисунок 3.1, узел 4).

Способ крепления должен исключать возможность смещения шпонок от проектного положения при ведении бетонных работ.

3.4 Заполнитель полости деформационного шва

В качестве заполнителя полости шва следует использовать пенополистирол, пенопласт или аналогичные материалы. Применяемый материал должен обеспечить проектный размер зазора деформационного шва при ведении бетонных работ и свободное сжатие/раскрытие шва, без возникновения напряжений в сопрягаемых элементах конструкции, при эксплуатации сооружения.

Заполнитель полости шва следует крепить клеевым составом.

Способ крепления должен исключать возможность смещения заполнителя полости шва от проектного положения при ведении бетонных работ.

3.5 Клеевые составы

Применяемый клеевой состав должен иметь хорошую адгезию к склеиваемым материалам и не вызывать их разрушения.

В качестве клеевого состава рекомендуется использовать герметики, мастики или клеи холодного применения на полиуретановой, полисульфидной (тиоколовой), бутилкаучуковой, эпоксидной или другой основе.

3.6 Особенности ведения опалубочных и бетонных работ

1 Конструкция опалубки должна обеспечивать установку шпонки в проектное положение в зазор между опалубочными щитами по всей длине бетонируемого участка. Конструкция стыкового участка смежных опалубочных щитов и шпонки должна гарантировать их геометрическую неизменяемость при укладке бетона в опалубку.

2 Условия хранения, транспортировки и установки шпонки в опалубку должны обеспечить чистоту её поверхности. После установки шпонки в опалубку должно быть проведено освидетельствование поверхности шпонки и её проектного положения. При обнаружении загрязнения шпонки или отклонений от проекта необходимо устранить отмеченные недостатки. По результатам освидетельствования составляется соответствующий акт либо делается запись в журнале ведения опалубочных и бетонных работ.

3 Формообразующие поверхности опалубочных щитов, сопрягаемые со шпонкой, перед их монтажом должны быть смазаны. Смазку можно производить протиркой мешковиной, пропитанной солидолом или другой аналогичной консистентной смазкой. Перед установкой щитов следует удалить все потёки смазки и предотвратить попадание её на поверхность шпонки.

4 После монтажа опалубочных щитов и шпонки с помощью ламп переносок проверяют на просвет герметичность стыков сопряжения по всей длине. При обнаружении неплотностей, которые могут привести к вытеканию цементного раствора при бетонировании, все обнаруженные места надёжно герметизируют с помощью клейкой ленты, которая удаляется перед снятием опалубки.

5 При подаче бетонной смеси в опалубку следует предотвращать возможность динамического воздействия и прямого попадания бетонной смеси непосредственно на поверхность шпонки, для чего рекомендуется предусмотреть защитные козырьки.

6 Укладку бетонной смеси в опалубку следует производить горизонтальными слоями, толщиной, установленной в технологическом регламенте на бетонирование конструкции, при этом не допускается превышение толщины слоя бетонной смеси над горизонтально расположенной шпонкой более толщины, установленной в упомянутом регламенте.

7 Вибрирование бетонной смеси в слое и на каждой позиции следует производить путём перестановки наконечника вибратора и медленным его извлечением из бетонной смеси до прекращения оседания, а в бетоне не должно оставаться углублений от наконечника вибратора, при этом не допускается касания вибронаконечником шпонок и элементов их крепления. Целесообразно в зоне размещения шпонок через 20-30 мин производить повторную вибрацию бетонной смеси тем же вибрационным инструментом.

8 Уход за бетоном, режимы выдерживания в опалубке и момент снятия опалубки следует назначать в соответствии с требованиями, установленными в технологических регламентах на бетонирование.

9 При снятии опалубочных щитов следует избегать механических повреждений шпонок монтажным инструментом. После снятия опалубки следует провести повторное освидетельствование состояния заделки шпонки в тело бетона, а также состояние открытой части шпонки. При загрязнении открытой части произвести её очистку.

10 При бетонировании части конструкции со второй половиной шпонки следует руководствоваться положениями п.п. 5-8 настоящего раздела, а при устройстве деформационного шва - положениями регламента на установку заполнителя шва.

11 При ведении работ необетонированные части гидроизоляционных шпонок следует защищать от загрязнения и повреждений. Полости деформационных узлов на торцах шпонок следует защищать от попадания в них посторонних предметов посредством их временной герметизации.

3.7 Особенности восстановления гидроизоляции деформационных швов

Шпонки типа ДЗ и Таракан.

Возможность установки шпонок определяет конструкция деформационного шва.

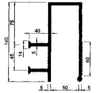
Для установки шпонки необходимо подготовить штрабу (рисунок 3.2)

Минимальный установочный размер по ширине А (рисунок 3.2) - расстояние в свету между арматурой в торцах сопрягаемых элементов конструкции, должен быть равен габаритному размеру шпонки плюс 40 мм.

Рисунок 3.2

Минимальный установочный размер по глубине Б должен быть не менее габаритного размера шпонки (для шпонок типа ТАРАКАН - габаритный размер плюс 30 мм).

В штрабе для установки шпонки арматура конструкции должна быть обнажена примерно на 50 мм (размер В).

Полость деформационного шва должна быть очищена на глубину не менее 50 мм от дна штрабы (размер Г).

Для заполнения полости штрабы после установки шпонки следует использовать быстротвердеющий безусадочный ремонтный состав с высокой текучестью. Состав укладывают попеременно по обе стороны от шпонки на высоту (глубину) не более 300 мм.

Опалубка шва наращивается по длине шва по мере заполнения вскрытой полости штрабы.

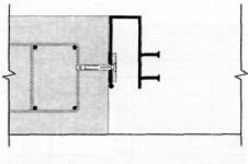
Рисунок 3.3

На рисунке 3.3 приведены схемы расположения шпонок типов ДЗ и ТАРАКАН в деформационном шве с восстановленной гидроизоляцией.

3.8 Особенности применения шпонок типов ДЗС и ДР

Категория бетонной поверхности в месте контакта с герметизирующей зоной шпонок типов ДР и ДЗС (Приложение 18) должна быть не ниже А4 по ГОСТ 13015.

Для крепления шпонок следует использовать металлические пластины из коррозионностойкой стали толщиной не менее 5 мм. Шаг установки анкеров - 200 ÷ 300 мм.

3.9 Повышение надежности герметизации швов

Для повышения надежности герметизации швов следует использовать гидрофильные материалы.

При использовании шпонок типа ДЗС и ДР рекомендуется использовать набухающие герметики, как показано на рисунке 3.4.

Рисунок 3.4

Для остальных типов шпонок рекомендуется использовать профиль набухающий резиновый АКВАСТОП тип ПНР (Приложение 34). Варианты применения показаны на рисунке 3.5.

Рисунок 3.5

Гарантированную работоспособность гидроизоляционных шпонок обеспечивает тщательный контроль соблюдения положений рабочего проекта и данного технологического регламента на всех этапах производства работ.

4 ТЕХНОЛОГИЧЕСКИЕ СХЕМЫ УСТАНОВКИ ШПОНОК

Установку шпонок выполняет обученный персонал, имеющий соответствующие навыки и опыт.

Приведенные технологические схемы отражают общий порядок производства работ. Состав работ для конкретных условий устанавливают в рабочем проекте.

4.1 Новое строительство

Порядок производства работ для шпонок типа ДВ, ДВС, ДО, ДОС, ДЗ, ХВ, ХВС, ХО и ТАРАКАН (курсивом выделены работы, выполняемые только для типов ДВС, ДОС или ХВС):

- подготовить устанавливаемый отрезок шпонки;

- очистить его от загрязнений;

- установить инъекционный шланг АКВАСТОП ИНЖЕКТО в каналы шпонок типов ДВС и ДОС;

- установить и раскрепить шпонку в арматурном каркасе и элементах опалубки в соответствии с проектным положением (для шпонок типа ХВС следует использовать крепления из комплекта поставки);

- установить  и закрепить  отводы из ПВХ трубок на инъекционный шланг и вывести их за опалубку на длину 100-150 мм;

- для шпонок типа ХВС проверить и при необходимости восстановить проектное положение шпонки;

- забетонировать участок конструкции;

- снять опалубку;

- провести визуальный контроль качества установки шпонки;

- очистить открытую часть шпонки перед бетонированием смежного участка конструкции;

- установить и закрепить заполнитель полости шва (при обустройстве деформационных швов);

- установить опалубку на смежном участке конструкции;

- забетонировать смежный участок конструкции;

- разобрать опалубку;

- провести визуальный контроль качества выполненных работ.

Для шпонок типа ДВС и ДОС работы по инъектированию проводят в соответствии с требованиями и положениями, установленными в технологическом регламенте на инъектирование.

Рекомендуемый порядок производства работ по установке шпонок изложен в Приложениях 1 - 5 и 7 - 10.

4.2 Новое строительство (сопряжение с существующими конструкциями)

Порядок производства работ для шпонок типа ДЗС:

- подготовить поверхность для установки шпонки на существующей конструкции;

- подготовить устанавливаемый отрезок шпонки;

- очистить его от загрязнений;

- расположить шпонку в соответствии с проектным положением;

- закрепить шпонку анкерами;

- провести визуальный контроль качества установки шпонки;

- очистить открытую часть шпонки перед бетонированием сопрягаемого участка конструкции;

- установить и закрепить заполнитель полости шва;

- установить опалубку на смежном участке конструкции;

- забетонировать сопрягаемый участок конструкции;

- разобрать опалубку;

- провести визуальный контроль качества выполненных работ.

Рекомендуемый порядок производства работ по установке шпонок изложен в Приложении 6.

4.3 Новое строительство (гидроизоляция ПВХ-П мембраной)

Порядок производства работ для шпонок типа ДОМ и ХОМ:

- подготовить устанавливаемый отрезок шпонки;

- очистить его от загрязнений;

- установить и раскрепить шпонку в арматурном каркасе и элементах опалубки в соответствии с проектным положением;

- сварить устанавливаемый отрезок шпонки с ПВХ-П мембраной;

- забетонировать участок конструкции;

- снять опалубку;

- провести визуальный контроль качества установки шпонки;

- очистить открытую часть шпонки перед бетонированием смежного участка конструкции;

- установить и закрепить заполнитель полости шва (при обустройстве деформационных швов);

- установить опалубку на смежном участке конструкции;

- забетонировать смежный участок конструкции;

- разобрать опалубку;

- провести визуальный контроль качества выполненных работ.

Работы по установке ПВХ-П мембраны проводят в соответствии с требованиями и положениями, установленными в технологическом регламенте на установку ПВХ-П мембраны.

Рекомендуемый порядок производства работ по установке шпонок изложен в Приложениях 11-12.

4.4 Восстановление гидроизоляции деформационных швов

Шпонки типа ДЗ и Таракан.

Порядок производства работ (курсивом выделены работы, выполняемые только для шпонок типа ТАРАКАН):

- вырубить штрабу для установки шпонки с оголением арматуры;

- очистить полость деформационного шва на глубину не менее 50 мм от дна штрабы;

- при необходимости очистить арматуру от ржавчины и загрязнений, обработать защитным составом;

- подготовить устанавливаемый отрезок шпонки;

- очистить его от загрязнений;

- установить внутренний закладной элемент из пенополистирола;

- установить шпонку на внутреннем закладном элементе (для типа ДЗ закрепить с помощью клеевого состава);

- установить наружный закладной элемент;

- установить опалубку;

- заполнить полость штрабы быстротвердеющим ремонтным составом с высокой текучестью;

- снять опалубку;

- удалить выступающие части наружного закладного элемента;

- провести визуальный контроль качества выполненных работ.

Рекомендуемый порядок производства работ по установке шпонок изложен в Приложениях 13-14.

Шпонки типа ДР

Порядок производства работ:

- подготовить поверхности для установки шпонки;

- подготовить устанавливаемый отрезок шпонки;

- очистить его от загрязнений;

- установить шпонку в проектное положение;

- закрепить шпонку анкерами;

- провести визуальный контроль качества установки шпонки.

Рекомендуемый порядок производства работ по установке шпонок изложен в Приложении 15.

5 ВЫПОЛНЕНИЕ СТЫКОВЫХ СОЕДИНЕНИЙ

При выполнении работ температура воздуха должна быть не ниже +5 °С. В холодную погоду следует подогревать зону проведения работ. При дожде или снеге работы по выполнению стыковых соединений можно проводить только под защитой тента.

5.1 Шпонки из резины

Для выполнения стыковых соединений резиновых шпонок рекомендуется использовать следующие клеи:

- цианакрилатные клеи, усиленные каучуками RiteLok RT 3500 W или RiteLok RT 3500 В;

- цианакрилатный клей Космопласт 500 Л.

Технические характеристики рекомендуемых цианакрилатных клеев приведены в Приложении 16.

Универсальность и простота работы с цианакрилатными клеями позволяет непосредственно на месте производства бетонных работ быстро и качественно выполнить стыковку шпонок и изготовить фасонные элементы.

Для обеспечения стабильности свойств клея его необходимо хранить в темном, прохладном месте, защищенном от воздействия солнечного света, при температуре не выше + 5 °С.

Последовательность технологических операций при выполнении стыковых соединений для резиновых шпонок:

- ровно обрезать стыкуемые концы шпонок алмазным диском или ножом;

- проверить полноту примыкания стыкуемых поверхностей друг к другу, при необходимости выровнять;

- протереть стыкуемые поверхности шпонок очищающим составом (см. раздел 7) и дать высохнуть (поверхности должны быть свободными от масляных загрязнений, чистыми и сухими);

- нанести тонкий слой клея на одну из стыкуемых поверхностей и плотно сжать их до момента схватывания (20-60 с). Общим правилом является нанесение как можно меньшего количества клея. Чрезмерное количество клея приведет к замедлению отверждения и снизит прочность соединения. Время полного отверждения клея 24 ч;

- протереть внешнюю поверхность стыка шва очищающим составом и дать ей высохнуть;

- для защиты шва стыкового соединения нанести на его поверхность резинобитумную мастику слоем шириной около 20 мм и толщиной 2 мм (см. раздел 7).

Качество выполнения стыковых соединений проверяют визуально и механическим способом. Проверку повторяют перед бетонированием после установки шпонки.

5.2 Шпонки из ПВХ-П

Для выполнения стыковых соединений ПВХ-П шпонок используют метод сварки.

Последовательность технологических операций при выполнении стыковых соединений для ПВХ-П шпонок:

- подготовить термонож, установить температуру 185-195 °С;

- ровно обрезать стыкуемые концы шпонок алмазным диском или ножом;

- проверить полноту примыкания стыкуемых поверхностей друг к другу, при необходимости выровнять;

- проверить температуру разогрева термоножа на отдельном куске шпонки, материал должен быстро плавиться, но не гореть;

- поместить разогретый термонож между стыкуемыми поверхностями и прижать их к термоножу;

- удерживать шпонки в сдвинутом положении до полного и равномерного оплавления стыкуемых поверхностей;

- слегка ослабить прижим и быстро убрать термонож;

- плотно сжать стыкуемые поверхности, корректируя, при необходимости, их положение относительно друг друга;

- дать остыть сварному шву не менее 5 мин;

- очистить термонож от остатков расплавленного материала.

Качество выполнения стыковых соединений проверяют визуально и механическим способом. Проверку повторяют перед бетонированием после установки шпонки.

6 ИЗГОТОВЛЕНИЕ ФАСОННЫХ ЭЛЕМЕНТОВ

При изготовлении фасонных элементов стыкуемые концы шпонок обрезают под требуемым углом, проверяют полноту прилегания стыкуемых поверхностей и склеивают/сваривают по изложенной в разделе 5 последовательности.

Качество изготовления фасонных элементов проверяют визуально и механическим способом. Проверку повторяют перед бетонированием после установки шпонки.

Основные виды фасонных элементов приведены в Приложении 19.

7 ПРИМЕНЯЕМЫЕ МАТЕРИАЛЫ, ОБОРУДОВАНИЕ И ОСНАСТКА

При производстве работ по установке гидроизоляционных шпонок специализированного инструмента не требуется.

Для выполнения стыковых соединений шпонок и изготовления фасонных элементов необходимы следующие материалы и оборудование:

Расходные материалы (шпонки из резины):

- Цианакрилатные клеи, усиленные каучуками, RiteLok RT 3500W, RiteLok RT 3500В или Космопласт 500Л;

- очищающий состав (50 % этилацетата, 50 % бензина «калоша») или аналогичный промышленного изготовления;

- резинобитумная мастика (40 % сырая резина, 30 % битум, 30 % этилацетат) или аналогичная промышленного изготовления.

Расходные материалы (шпонки из ПВХ-П):

- не требуются.

Оборудование:

- машина отрезная / шлифовальная угловая и / или нож;

- алмазный круг (сплошной);

- термонож с регулятором температуры (для шпонок из ПВХ-П).

Вспомогательные материалы:

- хлопчатобумажная ткань, протирочная ветошь;

- резиновые перчатки;

- защитная одежда;

- защитные очки;

- мешки для мусора.

8 ТРЕБОВАНИЯ БЕЗОПАСНОСТИ

Расходные материалы (раздел 7) изготовлены на органической и полимерной основе и могут вызвать раздражение кожи, глаз и дыхательных путей. Работы обязательно проводить в перчатках, защитных очках и респираторе.

Персонал, допущенный к выполнению работ по установке, должен быть обеспечен комплектом защитной одежды.

При производстве работ необходимо выполнять требования по технике безопасности согласно:

- ГОСТ 12.3.002-75* ССБТ «Процессы производственные. Общие требования безопасности»;

- СНиП 12-03-2001 «Безопасность труда в строительстве. Часть 1. Общие требования»;

- СНиП 12-04-2002 «Безопасность труда в строительстве. Часть 2. Строительное производство»;

- ПБ 03-428-02 «Правила безопасности при строительстве подземных сооружений».

При работе на высоте более 2 м следует использовать строительные леса или передвижные подмости, отвечающие установленным требованиям.

9 КОНТРОЛЬ КАЧЕСТВА

9.1 Входной контроль

Геометрические размеры, материал и объем поставки шпонок проверяют на соответствие требованиям нормативно-технической и договорной документации.

9.2 Контроль качества

При производстве строительно-монтажных работ пооперационный контроль технологических операций по установке шпонок выполняют инженерно-технический персонал строительной организации, представители проектной организации и заказчика.

Местоположение шпонок в швах проверяют измерительным методом на соответствие требованиям проектно-конструкторской документации.

Целостность деформационного узла шпонок типа ДВ, ДВС, ДО, ДОС, ДОМ и ТАРАКАН после их установки можно проверить по степени снижения давления воздуха, поданного в его внутреннюю полость. После проведения этой операции все используемые отверстия должны быть тщательно загерметизированы.

По результатам контроля установки шпонок составляется акт приемки скрытых работ.

10 УКАЗАНИЯ ПО ЭКСПЛУАТАЦИИ

Гидроизоляционные шпонки, установленные в соответствии с требованиями настоящего регламента не требуют обслуживания при эксплуатации.

При производстве любых последующих работ следует предусматривать меры по сохранению целостности конструкции швов.

11 ТРАНСПОРТИРОВАНИЕ И ХРАНЕНИЕ

Гидроизоляционные шпонки перевозят транспортом всех видов в соответствии с правилами перевозки в условиях, исключающих их механические повреждения и загрязнения.

Шпонки следует хранить в заводской упаковке, не подвергать деформирующим нагрузкам, защищать от воздействия нефтепродуктов, органических растворителей и прямых солнечных лучей.

Условия при воздействии климатических факторов должны соответствовать:

- при транспортировании - группе условий 8 по ГОСТ 15150;

- при хранении - группе условий 3 по ГОСТ 15150.

12 ГАРАНТИИ ИЗГОТОВИТЕЛЯ

Предприятие-изготовитель гарантирует соответствие гидроизоляционных шпонок требованиям ТУ 5775-002-46603100-03 с изм. 1, 2 при соблюдении потребителем условий применения, правил транспортирования и хранения, указаний по эксплуатации.

Гарантийный срок эксплуатации - 5 лет.

Гарантийный срок хранения изделий - 2 года со дня изготовления.

Гарантия предприятия-изготовителя распространяется только на материалы гидроизоляционных шпонок и их эксплуатационные характеристики при условии, что все работы по установке выполнены в соответствии с рабочим проектом и данным регламентом.

Потребитель несет ответственность за соответствие выбранного им типа шпонки назначению и условиям ее эксплуатации.

Приложение 1

Рекомендуемый порядок производства работ по установке шпонок типа ДВ

- подготовить устанавливаемый отрезок шпонки;

- очистить его от загрязнений;

- установить и раскрепить шпонку в арматурном каркасе и элементах опалубки в соответствии с проектным положением;

- забетонировать участок конструкции.

- снять опалубку;

- провести визуальный контроль качества установки шпонки;

- очистить открытую часть шпонки перед бетонированием смежного участка конструкции;

- установить и закрепить заполнитель полости шва;

- установить опалубку на смежном участке конструкции;

- забетонировать смежный участок конструкции;

- разобрать опалубку

- провести визуальный контроль качества выполненных работ.

Приложение 2

Рекомендуемый порядок производства работ по установке шпонок типа ДВС

- подготовить устанавливаемый отрезок шпонки, очистить его от загрязнений;

- установить инъекционный шланг АКВАСТОП ИНЖЕКТО в каналы шпонки;

- установить и раскрепить шпонку в арматурном каркасе и элементах опалубки в соответствии с проектным положением;

- установить и закрепить отводы из ПВХ трубок на инъекционный шланг и вывести их за опалубку на длину 100-150 мм;

- забетонировать участок конструкции.

- снять опалубку;

- провести визуальный контроль качества установки шпонки;

- очистить открытую часть шпонки перед бетонированием смежного участка конструкции;

- установить и закрепить заполнитель полости шва;

- установить опалубку на смежном участке конструкции;

- забетонировать смежный участок конструкции;

- разобрать опалубку;

- провести визуальный контроль качества выполненных работ.

Приложение 3

Рекомендуемый порядок производства работ по установке шпонок типа ДО

- подготовить устанавливаемый отрезок шпонки;

- очистить его от загрязнений;

- установить и раскрепить шпонку в арматурном каркасе и элементах опалубки в соответствии с проектным положением;

- забетонировать участок конструкции.

- снять опалубку;

- провести визуальный контроль качества установки шпонки;

- очистить открытую часть шпонки перед бетонированием смежного участка конструкции;

- установить и закрепить заполнитель полости шва;

- установить опалубку на смежном участке конструкции;

- забетонировать смежный участок конструкции;

- разобрать опалубку;

- провести визуальный контроль качества выполненных работ.

Приложение 4

Рекомендуемый порядок производства работ по установке шпонок типа ДОС

- подготовить устанавливаемый отрезок шпонки, очистить его от загрязнений;

- установить инъекционный шланг АКВАСТОП ИНЖЕКТО в каналы шпонки;

- установить и раскрепить шпонку в арматурном каркасе и элементах опалубки в соответствии с проектным положением;

- установить и закрепить отводы из ПВХ трубок на инъекционный шланг и вывести их за опалубку на длину 100-150 мм;

- забетонировать участок конструкции.

- снять опалубку;

- провести визуальный контроль качества установки шпонки;

- очистить открытую часть шпонки перед бетонированием смежного участка конструкции;

- установить и закрепить заполнитель полости шва;

- установить опалубку на смежном участке конструкции;

- забетонировать смежный участок конструкции;

- разобрать опалубку;

- провести визуальный контроль качества выполненных работ.

Приложение 5

Рекомендуемый порядок производства работ по установке шпонок типа ДЗ

- подготовить устанавливаемый отрезок шпонки;

- очистить его от загрязнений;

- установить и раскрепить шпонку в арматурном каркасе и элементах опалубки в соответствии с проектным положением;

- забетонировать участок конструкции.

- снять опалубку;

- провести визуальный контроль качества установки шпонки;

- очистить открытую часть шпонки перед бетонированием смежного участка конструкции;

- установить и закрепить заполнитель полости шва;

- установить опалубку на смежном участке конструкции;

- забетонировать смежный участок конструкции;

- разобрать опалубку;

- провести визуальный контроль качества выполненных работ.

Приложение 6

Рекомендуемый порядок производства работ по установке шпонок типа ДЗС

- подготовить поверхность для установки шпонки на существующей конструкции;

- подготовить устанавливаемый отрезок шпонки:

- очистить его от загрязнений;

- расположить шпонку в соответствии с проектным положением;

- закрепить шпонку анкерами;

- провести визуальный контроль качества установки шпонки;

- очистить открытую часть шпонки перед бетонированием смежного участка конструкции;

- установить и закрепить заполнитель полости шва;

- установить опалубку на смежном участке конструкции;

- забетонировать участок конструкции.

- снять опалубку;

- провести визуальный контроль качества установки шпонки;

Приложение 7

Рекомендуемый порядок производства работ по установке шпонок типа ХВ

- подготовить устанавливаемый отрезок шпонки;

- очистить его от загрязнений;

- установить и раскрепить шпонку в арматурном каркасе и элементах опалубки в соответствии с проектным положением;

- забетонировать участок конструкции

- снять опалубку;

- провести визуальный контроль качества установки шпонки;

 

- очистить открытую часть шпонки перед бетонированием смежного участка конструкции;

- установить опалубку на смежном участке конструкции;

- забетонировать смежный участок конструкции;

- разобрать опалубку;

- провести визуальный контроль качества выполненных работ.

Приложение 8

Рекомендуемый порядок производства работ по установке шпонок типа ХВС

- подготовить устанавливаемый отрезок шпонки;

- очистить его от загрязнений;

- установить и раскрепить шпонку в арматурном каркасе в соответствии с проектным положением, используя крепления из комплекта поставки;

- забетонировать участок конструкции;

- проверить и при необходимости восстановить проектное положение шпонки;

- снять опалубку;

- провести визуальный контроль качества установки шпонки;

- очистить открытую часть шпонки перед бетонированием смежного

- участка конструкции; установить опалубку на смежном участке конструкции;

- забетонировать смежный участок конструкции;

- разобрать опалубку;

- провести визуальный контроль качества выполненных работ.

Приложение 9

Рекомендуемый порядок производства работ по установке шпонок типа ХО

- подготовить устанавливаемый отрезок шпонки;

- очистить ого от загрязнений;

- установить и раскрепить шпонку в арматурном каркасе и элементах опалубки в соответствии с проектным положением;

- забетонировать участок конструкции;

- снять опалубку;

- провести визуальный контроль качества установки шпонки;

- очистить открытую часть шпонки перед бетонированием смежного участка конструкции;

- установить опалубку на смежном участке конструкции;

- забетонировать смежный участок конструкции;

- разобрать опалубку;

- провести визуальный контроль качества выполненных работ.

Приложение 10

Рекомендуемый порядок производства работ по установке шпонок типа ТАРАКАН

- подготовить устанавливаемый отрезок шпонки, очистить его от загрязнений;

- установить и раскрепить шпонку в арматурном каркасе и элементах опалубки в соответствии с проектным положением;

- забетонировать участок конструкции;

- снять опалубку;

- провести визуальный контроль качества установки шпонки;

- очистить открытую часть шпонки перед бетонированием смежного участка конструкции,

- установить и закрепить заполнитель полости шва;

- установить опалубку на смежном участке конструкции;

- забетонировать смежный участок конструкции;

- разобрать опалубку

- провести визуальный контроль качества выполненных работ.

Приложение 11

Рекомендуемый порядок производства работ по установке шпонок типа ДОМ

- подготовить устанавливаемый отрезок шпонки;

- очистить его от загрязнений;

- установить и раскрепить шпонку в арматурном каркасе и элементах опалубки в соответствии с проектным положением;

- сварить устанавливаемый отрезок шпонки с ПВХ-П мембраной

- забетонировать участок конструкции;

- снять опалубку;

- провести визуальный контроль качества установки шпонки;

- очистить открытую часть шпонки перед бетонированием смежного участка конструкции;

- установить и закрепить заполнитель полости шва;

- установить опалубку на смежном участке конструкции;

- забетонировать смежный участок конструкции;

- разобрать опалубку;

- провести визуальный контроль качества выполненных работ.

Приложение 12

Рекомендуемый порядок производства работ по установке шпонок типа ХОМ

- подготовить устанавливаемый отрезок шпонки;

- очистить его от загрязнений;

- установить и раскрепить шпонку в арматурном каркасе и элементах опалубки в соответствии с проектным положением;

- сварить устанавливаемый отрезок шпонки с ПВХ-П мембраной;

- забетонировать участок конструкции.

- снять опалубку;

- провести визуальный контроль качества установки шпонки;

- очистить открытую часть шпонки перед бетонированием смежного участка конструкции;

- установить опалубку на смежном участке конструкций;

- забетонировать смежный участок конструкции;

- разобрать опалубку;

- провести визуальный контроль качества выполненных работ

Приложение 13

Рекомендуемый порядок производства работ по установке шпонок типа ДЗ (ремонт)

- вырубить штрабу для установки шпонки с оголением арматуры;

- очистить полость деформационного шва на глубину не менее 50 мм от дна штрабы;

- при необходимости очистить арматуру от ржавчины и загрязнений, обработать защитным составом;

- подготовить устанавливаемый отрезок шпонки, очистить его от загрязнений;

- установить внутренний закладной элемент из пенополистирола;

- установить и закрепить шпонку на внутреннем закладном элементе;

- установить опалубку;

- заполнить полость штрабы быстротвердеющим составом с высокой текучестью;

- снять опалубку;

- провести визуальный контроль качества выполненных работ.

Приложение 14

Рекомендуемый порядок производства работ по установке шпонок типа ТАРАКАН (ремонт)

- вырубить штрабу для установки шпонки с оголением арматуры;

- очистить полость деформационного шва на глубину не менее 50 мм от дна штрабы;

- при необходимости очистить арматуру от ржавчины и загрязнений, обработать защитным составом;

- подготовить устанавливаемый отрезок шпонки, очистить его от загрязнений;

- установить внутренний закладной элемент из пенополистирола;

- установить шпонку на внутреннем закладном элементе;

- установить наружный закладной элемент;

- установить опалубку;

- заполнить полость штрабы быстротвердеющим составом с высокой текучестью;

- снять опалубку;

- удалить выступающие части наружного закладного элемента;

- провести визуальный контроль качества выполненных работ.

Приложение 15

Рекомендуемый порядок производства работ по установке шпонок типа ДР (ремонт)

- подготовить поверхности для установки шпонки;

- подготовить устанавливаемый отрезок шпонки;

- очистить его от загрязнений;

- расположить шпонку в соответствии с проектным положением;

- закрепить шпонку;

- провести визуальный контроль качества установки шпонки.

Приложение 16

Технические характеристики цианакрилатных клеев.

1 Цианакрилатные клеи, усиленные каучуками, RiteLok RT 3500W, 3500 В.

Наименование показателя

RT 3500В

RT 3500W

Цвет

Черный

Белый

Химическая основа

Модифицированный этилцианакрилат

Плотность, г/см3

1,1

1,08

Вязкость, сПз

3500

3500

Температура при применении, °С

от +5° до +30°

от +5° до +30°

Время схватывания, с

30-60

30-60

Время полного отверждения, ч

24

24

Прочность на растяжение, кг/см2

120

120

Диапазон рабочих температур, °С

от -50° до +110°

от -50° до +110°

Срок хранения при + 5 °С, мес.

6

6

2 Цианакрилатный клей Космопласт 500Л.

Наименование показателя

Значение

Цвет

Бесцветный, прозрачный

Химическая основа

Этилцианакрилат

Консистенция

Жидкотекучий

Плотность, г/см3

1,05

Вязкость, МПа с

120

Температура при применении, °С

от +5° до +30°

Время схватывания, с

5-10

Время полного отверждения, ч

16

Прочность на растяжение, кг/см2

230

Диапазон рабочих температур, °С

от -50° до +80°

Срок хранения при + 5 °С, мес.

6

Приложение 17

Физико-механические показатели материалов гидроизоляционных шпонок АКВАСТОП

РЕЗИНЫ НА ОСНОВЕ ЭТИЛЕНПРОПИЛЕНОВОГО КАУЧУКА (EPDM)

Наименование показателя

Метод

Значение

1

Твердость по Шор А, единицы Шор А

ГОСТ 263

70 ± 5

2

Условная прочность при растяжении, МПа (кг/см2), не менее

ГОСТ 270

на образцах тип 1 толщ. 2,0 мм

7,5 (75)

3

Относительное удлинение при разрыве, %, не менее

ГОСТ 270

на образцах тип 1 толщ. 2,0 мм

20

4

Относительная остаточная деформация при статической деформации сжатия 20 % в течение 24 ч при температуре 100 °С, %, не более

ГОСТ 9.029 метод Б

50

5

Изменение показателей после старения в воздухе в течение 24 ч при температуре 125 °С

ГОСТ 9.024

 

 

- твердость, единицы Шор А, в пределах

 

±15

 

- условная прочность при растяжении, %, не менее

 

-25

 

- относительное удлинение при разрыве, %, не менее

 

-60

6

Температурный предел хрупкости, °С, не выше

ГОСТ 7912

-50

7

Коэффициент морозостойкости по эластическому восстановлению после сжатия при температуре - 50 °С, не менее

ГОСТ 13808

0,2

8

Стойкость к термосветоозонному старению при температуре 40 °С в течение 96 ч с объемной долей озона (5±0,5)×10-5 % при статической деформации растяжения 20 %

ГОСТ 9.026

Не допускаются трещины, видимые невооруженным глазом

9

Сопротивление раздиру, кгс/см, не менее

ГОСТ 262

20

10

Изменение твердости после воздействия водного; раствора хлористого натрия по ГОСТ 4233 с массовой долей 10 % в течение 14 сут при температуре +70 °С, не более

ГОСТ 9.030 метод В

3

11

Диапазон рабочих температур, °С

 

от - 50 до + 80

Не допускается прямое воздействие открытого огня.

Физико-механические показатели материалов гидроизоляционных шпонок АКВАСТОП

ПЛАСТИФИЦИРОВАННЫЕ КОМПОЗИЦИИ НА ОСНОВЕ ПОЛИВИНИЛХЛОРИДА (ПВХ-П)

Наименование показателя

Метод

Значение

1

Твердость по Шор А, единицы Шор А, в пределах

ГОСТ 24621

70±54

2

Прочность при разрыве, МПа (кг/см2), не менее

ГОСТ 11262

на образцах  тип 1

11,7(117)

3

Относительное удлинение при разрыве, %, не менее

ГОСТ 11262

на образцах  тип 1

300

4

Сопротивление раздиру, Н/мм (кг/см2), не менее

 

39,2 (4,0)

5

Максимальное изменение показателей после старения в воздухе в течение 70 ч при температуре (70±2) °С

ГОСТ 11645

 

- твердость, единицы Шор А, в пределах

±4

- прочность при разрыве, %, не менее

±30

- относительное удлинение при разрыве, %, не менее

±30

6

Температура хрупкости, °С, не выше

ГОСТ 5960

-40

7

Суммарный показатель токсичности, %, не более

ГОСТ 26150

1

8

Диапазон рабочих температур, °С

 

от - 40 до + 70

Не допускается прямое воздействие открытого огня.

Приложение 18

Функциональные зоны гидроизоляционных шпонок АКВАСТОП

ТИП

ФУНКЦИОНАЛЬНЫЕ ЗОНЫ

ДВ

ДВС

ДО

ДОС

ДОМ

ДЗ

ДЗС

ДР

ТАРАКАН

ХВ

ХО

ХВС

Приложение 19

Возможные виды фасонных элементов

ПОВОРОТ ГОРИЗОНТАЛЬНЫЙ

 

 

Т-СОЕДИНЕНИЕ ГОРИЗОНТАЛЬНОЕ

 

I

 

X-СОЕДИНЕНИЕ ГОРИЗОНТАЛЬНОЕ

 

 

ПОВОРОТ ВЕРТИКАЛЬНЫЙ

 

Т-СОЕДИНЕНИЕ ВЕРТИКАЛЬНОЕ

Х-СОЕДИНЕНИЕ ВЕРТИКАЛЬНОЕ

 

Вертикальные Т и X соединения возможны для шпонок симметричных по поперечному сечению относительно обеих осей.

Приложение 20

Технические и эксплуатационные характеристики шпонок типа ДВ.

МАТЕРИАЛ: РЕЗИНА

ДВ-170/12

ДВ-220/25

 

ДВ-270/25

 

МАТЕРИАЛ: ПВХ-П

ДВ-240/20

ДВ-320/20

ДВ-320/40

ТЕХНИЧЕСКИЕ ХАРАКТЕРИСТИКИ

ТИП

Перемещение, мм

Давление воды, МПа

Сжатие

Растяжение

Сдвиг поперечный

Сдвиг продольный

ДВ-170/12

7

12

7

3

0,47

ДВ-220/25

15

25

15

10

0,58

ДВ-270/25

15

25

15

10

0,75

ДВ-240/20

14

35

30

15

0,60

ДВ-320/20

12

35

30

15

0,80

ДВ-320/40

28

130

110

75

0,80

 

упаковка

Резиновые шпонки - бухты по 30 м.

ПВХ-П шпонки - бухты по 10 м.

По согласованию возможна поставка бухт необходимой потребителю длины.

Приложение 21

Технические и эксплуатационные характеристики шпонок типа ДО

МАТЕРИАЛ: РЕЗИНА

ДО-220/25-4/25

ДО-270/25-6/25

МАТЕРИАЛ: ПВХ-П

ДО-240/20-4/25

ДО-320/20-6/25

ДО-320/40-6/30

ТЕХНИЧЕСКИЕ ХАРАКТЕРИСТИКИ

ТИП

Перемещение, мм

Давление воды, МПа

Сжатие

Растяжение

Сдвиг поперечный

Сдвиг продольный

ДО-220/25-4/25

10

50

80

65

0,28

ДО-270/25-6/25

10

50

75

60

0,43

ДО-240/20-4/25

8

50

75

55

0,28

ДО-320/20-6/25

8

50

80

60

0,42

ДО-320/40-6/30

20

130

110

75

0,42

 

упаковка

Резиновые шпонки - бухты по 30 м.

ПВХ-П шпонки - бухты по 10 м.

По согласованию возможна поставка бухт необходимой потребителю длины.

Приложение 22

Технические и эксплуатационные характеристики шпонок типа ДЗ

МАТЕРИАЛ: РЕЗИНА

ДЗ-100/25-4/25

ДЗ-130/25-6/25

МАТЕРИАЛ: ПВХ-П

ДЗ-140/20-4/35

ДЗ-140/30-4/35

ДЗ-140/40-4/35

ДЗ-140/50-4/35

ДЗ-140/50-4/40

 

 

ТЕХНИЧЕСКИЕ ХАРАКТЕРИСТИКИ

ТИП

Перемещение, мм

Давление воды, МПа

Сжатие

Растяжение

Сдвиг поперечный

Сдвиг продольный

ДЗ-100/25-4/25

15

80

55

40

0,28

ДЗ-130/25-6/25

15

80

55

40

0,43

ДЗ-140/20-4/35

10

120

100

75

0,38

ДЗ-140/30-4/35

20

130

110

80

0,38

ДЗ-140/40-4/35

30

140

120

85

0,38

ДЗ-140/50-4/35

40

150

130

95

0,38

ДЗ-140/50-4/40

40

150

130

95

0,43

 

упаковка

Резиновые шпонки - бухты по 30м.

ПВХ-П шпонки - бухты по 10 м.

По согласованию возможна поставка бухт необходимой потребителю длины.

Приложение 23

Технические и эксплуатационные характеристики шпонок типа ХВ

МАТЕРИАЛ: РЕЗИНА

ХВ-220

ХВ-270

МАТЕРИАЛ: ПВХ-П

ХВ-240

XB-320

ТЕХНИЧЕСКИЕ ХАРАКТЕРИСТИКИ

ТИП

Перемещение, мм

Давление воды, МПа

Сжатие

Растяжение

Сдвиг поперечный

Сдвиг продольный

ХВ-220

5

5

10

10

0,66

ХВ-270

5

5

10

10

0,79

ХВ-240

5

5

10

10

0,67

ХВ-320

5

5

10

10

0,88

 

упаковка

Резиновые шпонки - бухты по 30 м

ПВХ-П шпонки - бухты по 30 м.

По согласованию возможна поставка бухт необходимой потребителю длины.

Приложение 24

Технические и эксплуатационные характеристики шпонок типа ХО

МАТЕРИАЛ: РЕЗИНА

ХО-220-4/25

ХО-270-6/25

МАТЕРИАЛ: ПВХ-П

ХО-200-4/20

ХО-240-4/25

ХО-320-6/25

ТЕХНИЧЕСКИЕ ХАРАКТЕРИСТИКИ

ТИП

Перемещение, мм

Давление воды, МПа

Сжатие

Растяжение

Сдвиг поперечный

Сдвиг продольный

ХО-220-4/25

5

15

25

20

0,28

ХО-270-6/25

5

15

25

20

0,43

ХО-200-4/20

5

15

20

15

0,21

ХО-240-4/25

5

15

25

20

0,28

ХО-320-6/25

5

15

25

20

0,42

 

упаковка

Резиновые шпонки - бухты по 30 м.

ПВХ-П шпонки - бухты по 10 м.

По согласованию возможна поставка бухт необходимой потребителю длины.

Приложение 25

Технические и эксплуатационные характеристики шпонок типа ДВС

МАТЕРИАЛ: РЕЗИНА

ДВС-270/25

ТЕХНИЧЕСКИЕ ХАРАКТЕРИСТИКИ

ТИП

Перемещение, мм

Давление воды, МПа

Сжатие

Растяжение

Сдвиг поперечный

Сдвиг продольный

ДВС-270/25

15

25

15

10

1,30

 

УПАКОВКА

Бухты по 30 м.

По согласованию возможна поставка бухт необходимой потребителю длины.

Приложение 26

Технические и эксплуатационные характеристики шпонок типа ДОС

МАТЕРИАЛ: РЕЗИНА

ДОС-270/25-4/25

ТЕХНИЧЕСКИЕ ХАРАКТЕРИСТИКИ

ТИП

Перемещение, мм

Давление воды, МПа

Сжатие

Растяжение

Сдвиг поперечный

Сдвиг продольный

ДОС-270/25-6/25

10

50

75

60

0,85

 

упаковка

Бухты по 30 м.

По согласованию возможна поставка бухт необходимой потребителю длины.

Приложение 27

Технические и эксплуатационные характеристики шпонок типа ДЗС

МАТЕРИАЛ: ПВХ-П

ДЗС 140/50-2/40

ТЕХНИЧЕСКИЕ ХАРАКТЕРИСТИКИ

ТИП

Перемещение, мм

Давление воды, МПа

Сжатие

Растяжение

Сдвиг поперечный

Сдвиг продольный

ДЗС 140/50-2/40

25

150

130

95

0,43

 

УПАКОВКА

Бухты по 10 м.

По согласованию возможна поставка бухт необходимой потребителю длины.

Приложение 28

Технические и эксплуатационные характеристики шпонок типа ХВС

МАТЕРИАЛ: ПВХ-П

ХВС-120

ТЕХНИЧЕСКИЕ ХАРАКТЕРИСТИКИ

ТИП

Перемещение, мм

Давление воды, МПа

Сжатие

Растяжение

Сдвиг поперечный

Сдвиг продольный

ХВС-120

5

5

10

10

0,75

 

упаковка

Бухты по 30 м и 60 крепежных элементов.

По согласованию возможна поставка бухт необходимой потребителю длины.

Приложение 29

Технические и эксплуатационные характеристики шпонок типа ДОМ

МАТЕРИАЛ: ПВХ-П

ДОМ-320/30-4/30

 

ДОМ-320/50-4/35

ТЕХНИЧЕСКИЕ ХАРАКТЕРИСТИКИ

ТИП

Перемещение, мм

Давление воды, МПа

Сжатие

Растяжение

Сдвиг поперечный

Сдвиг продольный

ДОМ-320/30-4/30

20

60

90

60

0,33

ДОМ-320/50-4/35

28

190

210

140

0,40

 

УПАКОВКА

Бухты по 10м.

По согласованию возможна поставка бухт необходимой потребителю длины.

Приложение 30

Технические и эксплуатационные характеристики шпонок типа ХОМ

МАТЕРИАЛ; ПВХ-П

ХОМ-320-4/20

ТЕХНИЧЕСКИЕ ХАРАКТЕРИСТИКИ

ТИП

Перемещение, мм

Давление, МПа

Сжатие

Растяжение

Сдвиг поперечный

Сдвиг продольный

ХОМ-320-4/20

5

5

5

10

0,19

 

упаковка

Бухты по 30 м.

По согласованию возможна поставка бухт необходимой потребителю длины.

Приложение 31

Технические и эксплуатационные характеристики шпонок типа ДР

МАТЕРИАЛ: РЕЗИНА

ДР-250/50

ТЕХНИЧЕСКИЕ ХАРАКТЕРИСТИКИ

ТИП

Перемещение, мм

Давление воды, МПа

Сжатие

Растяжение

Сдвиг поперечный

Сдвиг продольный

ДР-250/50

35

60

70

55

0,29

 

УПАКОВКА

Бухты по 50 м.

По согласованию возможна поставка бухт необходимой потребителю длины.

Приложение 32

Технические и эксплуатационные характеристики шпонок типа ТАРАКАН

МАТЕРИАЛ: ПВХ-П

ТАРАКАН-120

ТЕХНИЧЕСКИЕ ХАРАКТЕРИСТИКИ

ТИП

Перемещение, мм

Давление воды, МПа

Сжатие

Растяжение

Сдвиг поперечный

Сдвиг продольный

ТАРАКАН-120

15

40

40

40

0,41

 

УПАКОВКА

Бухты по 10 м.

По согласованию возможна поставка бухт необходимой потребителю длины.

Приложение 33

Система АКВАСТОП ИНЖЕКТО

система гидроизоляции деформационных, технологических швов бетонирования, стыков и трещин строительных конструкций

ОПИСАНИЕ

Система АКВАСТОП  ИНЖЕКТО состоит из инъекционного шланга и вспомогательных материалов для крепления и подачи инъектируемого состава. Инъекционный шланг представляет собой стальную спираль (для предотвращения деформирования инъекционного шланга во время бетонирования) со специальными оболочками:

• первичная - обеспечивает беспрепятственный выход инъекционного состава и предотвращает попадание частиц цемента внутрь шланга;

• вторичная - предохраняет первичную оболочку от повреждений.

ОБЛАСТЬ ПРИМЕНЕНИЯ

 

Систему АКВАСТОП ИНЖЕКТО применяют в следующих случаях:

При новом строительстве

• Герметизация технологических шеов бетонирования, примыканий типа «пол-стена», «стена-стена», «стена-покрытие» при ведении бетонных работ;

• При совместном использовании с гидроизоляционными шпонками для повышения надежности герметизации деформационных и технологических швов бетонирования;

 

При проведении ремонтных работ

• Герметизация  стыков строительных конструкций, мест сопряжений «труба-стена» и т.д.

• Герметизация трещин в строительных конструкциях

 

УПАКОВКА

Система АКВАСТОП ИНЖЕКТО поставляется комплектами в составе;

- инъекционный шланг - 30 м;

- трубка ПВХ - 2,5 м;

- Т-образный тройник - 10 шт;

- концевой колпачок для заглушки тройников - 10 шт;

- крепежные пластиковые анкерные серьги - 100 шт.

По согласованию с потребителем состав комплекта может быть изменен.

Приложение 34

Профиль набухающий резиновый АКВАСТОП тип ПНР

ОПИСАНИЕ

Профиль набухающий резиновый АКВАСТОП тип ПНР изготавливают прямоугольного сечения из гидрофильной резины.

 

ОБЛАСТЬ ПРИМЕНЕНИЯ

 

 

Профиль АКВАСТОП тип ПНР применяют в следующих случаях:

• Герметизация технологических швов бетонирования, примыканий типа «пол-стена», «стена-стена», «стена-покрытие» при ведении бетонных работ;

 

 

• При совместном использовании с гидроизоляционными шпонками для повышения надежности герметизации деформационных и технологических швов бетонирования

 

• Герметизация стыков  сборных железобетонных конструкций;

• Герметизация  коммуникационных вводов сооружений;

• Герметизация трещин в строительных конструкциях.

 

 

ТЕХНИЧЕСКИЕ ХАРАКТЕРИСТИКИ МАТЕРИАЛА

Материал

Гидрофильная резина

Цвет

Синий

Твердость по Шор А, единицы Шор А

55

Условная прочность при растяжении, МПа (кг/см2), не менее

6,0

Относительное удлинение при разрыве, %, не менее

300

Объемное набухание в свободном состоянии, %, не менее

600

Плотность, г/см3

1,2

Приложение 35

Перечень нормативных документов, использованных при разработке ТР 186-07

ТУ 5775-002-46603100-03 с изм. 1, 2. «Изделия из эластомерных материалов для герметизации швов различного назначения в заглубленных и подземных сооружениях».

ГОСТ 262-93 Резина. Определение сопротивления раздиру.

ГОСТ 263-75 Резина. Метод определения твердости по Шору А.

ГОСТ 270-75 Резина. Метод определения упругопрочностных свойств при растяжении.

ГОСТ 5960-72 Пластикат поливинилхлоридный для изоляции и защитных оболочек проводов и кабелей. Технические условия.

ГОСТ 7912-74 Резина. Метод определения температурного предела хрупкости.

ГОСТ 11262-80 Пластмассы. Метод испытания на растяжение.

ГОСТ 11645-73 Пластмассы. Метод определения показателя текучести расплава термопластов.

ГОСТ 13015-2003 Изделия железобетонные и бетонные для строительства. Общие технические требования. Правила приемки, маркировки, транспортирования и хранения.

ГОСТ 15150-69 Машины, приборы и другие технические изделия. Исполнения для различных климатических районов. Категории, условия эксплуатации, хранения и транспортирования в части воздействия климатических факторов внешней среды.

ГОСТ 24621-91 Пластмассы и эбонит. Определение твердости при вдавливании с помощью дюрометра (твердость по Шору).

ГОСТ 26150-84 Материалы и изделия строительные полимерные отделочные на основе поливинилхлорида. Метод санитарно-химической оценки.

ГОСТ 9.024-74 Резины. Методы испытаний на стойкость к термическому старению.

ГОСТ 9.026-74 Резины. Метод ускоренного испытания на стойкость к озонному старению.

ГОСТ 9.029-74 Резины. Методы испытаний на стойкость к старению под действием статической деформации сжатия.

ГОСТ 9.030-74 Резины. Методы испытаний на стойкость в ненапряженном состоянии к воздействию жидких агрессивных сред.

ГОСТ 12.3.002-75* ССБТ «Процессы производственные. Общие требования безопасности».

СНиП 3.01.01-85* «Организация строительного производства».

СНиП 3.03.01-87 «Несущие и ограждающие конструкции».

СНиП 12-03-2001 «Безопасность труда в строительстве. Часть 1. Общие требования».

СНиП 12-04-2002 «Безопасность труда в строительстве. Часть 2. Строительное производство».

ПБ 03-428-02 «Правила безопасности при строительстве подземных сооружений».

СОДЕРЖАНИЕ

1 ОБЩИЕ ПОЛОЖЕНИЯ

2 ГИДРОИЗОЛЯЦИОННЫЕ ШПОНКИ АКВАСТОП

2.1 Используемые термины

2.2 Область применения

2.3 Материал изделий

2.4 Технические характеристики

2.5 Обозначение гидроизоляционных шпонок

2.6 Номенклатура гидроизоляционных шпонок

3 РЕКОМЕНДАЦИИ ПО УСТАНОВКЕ ГИДРОИЗОЛЯЦИОННЫХ ШПОНОК

3.1 Транспортирование и хранение

3.2 Установка

3.3 Крепление

3.4 Заполнитель полости деформационного шва

3.5 Клеевые составы

3.6 Особенности ведения опалубочных и бетонных работ

3.7 Особенности восстановления гидроизоляции деформационных швов

3.8 Особенности применения шпонок типов ДЗС и ДР

3.9 Повышение надежности герметизации швов

4 ТЕХНОЛОГИЧЕСКИЕ СХЕМЫ УСТАНОВКИ ШПОНОК

4.1 Новое строительство

4.2 Новое строительство (сопряжение с существующими конструкциями)

4.3 Новое строительство (гидроизоляция ПВХ-П мембраной)

4.4 Восстановление гидроизоляции деформационных швов

5 ВЫПОЛНЕНИЕ СТЫКОВЫХ СОЕДИНЕНИЙ

5.1 Шпонки из резины

5.2 Шпонки из ПВХ-П

6 ИЗГОТОВЛЕНИЕ ФАСОННЫХ ЭЛЕМЕНТОВ

7 ПРИМЕНЯЕМЫЕ МАТЕРИАЛЫ, ОБОРУДОВАНИЕ И ОСНАСТКА

8 ТРЕБОВАНИЯ БЕЗОПАСНОСТИ

9 КОНТРОЛЬ КАЧЕСТВА

9.1 Входной контроль

9.2 Контроль качества

10 УКАЗАНИЯ ПО ЭКСПЛУАТАЦИИ

11 ТРАНСПОРТИРОВАНИЕ И ХРАНЕНИЕ

12 ГАРАНТИИ ИЗГОТОВИТЕЛЯ

Приложение 1 Рекомендуемый порядок производства работ по установке шпонок типа ДВ

Приложение 2 Рекомендуемый порядок производства работ по установке шпонок типа ДВС

Приложение 3 Рекомендуемый порядок производства работ по установке шпонок типа ДО

Приложение 4 Рекомендуемый порядок производства работ по установке шпонок типа ДОС

Приложение 5 Рекомендуемый порядок производства работ по установке шпонок типа ДЗ

Приложение 6 Рекомендуемый порядок производства работ по установке шпонок типа ДЗС

Приложение 7 Рекомендуемый порядок производства работ по установке шпонок типа ХВ

Приложение 8 Рекомендуемый порядок производства работ по установке шпонок типа ХВС

Приложение 9 Рекомендуемый порядок производства работ по установке шпонок типа ХО

Приложение 10 Рекомендуемый порядок производства работ по установке шпонок типа ТАРАКАН

Приложение 11 Рекомендуемый порядок производства работ по установке шпонок типа ДОМ

Приложение 12 Рекомендуемый порядок производства работ по установке шпонок типа ХОМ

Приложение 13 Рекомендуемый порядок производства работ по установке шпонок типа ДЗ (ремонт)

Приложение 14 Рекомендуемый порядок производства работ по установке шпонок типа ТАРАКАН (ремонт)

Приложение 15 Рекомендуемый порядок производства работ по установке шпонок типа ДР (ремонт)

Приложение 16 Технические характеристики цианакрилатных клеев.

Приложение 17 Физико-механические показатели материалов гидроизоляционных шпонок АКВАСТОП

Приложение 18 Функциональные зоны гидроизоляционных шпонок АКВАСТОП

Приложение 19 Возможные виды фасонных элементов

Приложение 20 Технические и эксплуатационные характеристики шпонок типа ДВ.

Приложение 21 Технические и эксплуатационные характеристики шпонок типа ДО

Приложение 22 Технические и эксплуатационные характеристики шпонок типа ДЗ

Приложение 23 Технические и эксплуатационные характеристики шпонок типа ХВ

Приложение 24 Технические и эксплуатационные характеристики шпонок типа ХО

Приложение 25 Технические и эксплуатационные характеристики шпонок типа ДВС

Приложение 26 Технические и эксплуатационные характеристики шпонок типа ДОС

Приложение 27 Технические и эксплуатационные характеристики шпонок типа ДЗС

Приложение 28 Технические и эксплуатационные характеристики шпонок типа ХВС

Приложение 29 Технические и эксплуатационные характеристики шпонок типа ДОМ

Приложение 30 Технические и эксплуатационные характеристики шпонок типа ХОМ

Приложение 31 Технические и эксплуатационные характеристики шпонок типа ДР

Приложение 32 Технические и эксплуатационные характеристики шпонок типа ТАРАКАН

Приложение 33 Система АКВАСТОП ИНЖЕКТО

Приложение 34 Профиль набухающий резиновый АКВАСТОП тип ПНР

Приложение 35 Перечень нормативных документов, использованных при разработке ТР 186-07

 

 




ГОСТЫ, СТРОИТЕЛЬНЫЕ и ТЕХНИЧЕСКИЕ НОРМАТИВЫ.
Некоммерческая онлайн система, содержащая все Российские Госты, национальные Стандарты и нормативы.
В Системе содержится более 150000 файлов нормативно-технической документации, действующей на территории РФ.
Система предназначена для широкого круга инженерно-технических специалистов.

Рейтинг@Mail.ru Яндекс цитирования

Copyright © www.gostrf.com, 2008 - 2026