|
|
|
ФЕДЕРАЛЬНОЕ ГОСУДАРСТВЕННОЕ
УНИТАРНОЕ ПРЕДПРИЯТИЙ
РЕКОМЕНДАЦИЯ Государственная система обеспечения единства измерений ПРЕОБРАЗОВАТЕЛИ ПЛОТНОСТИ И ВЯЗКОСТИ ЖИДКОСТИ МИ 3121-2008 Казань Содержание ПРЕДИСЛОВИЕ
1 Область примененияНастоящая рекомендация распространяется на преобразователи плотности и вязкости жидкости измерительные модели 7827 в комплекте со вторичными преобразователями сигналов (контроллерами) типов 7945V, 7946V, 7951, 7955, либо со вторичными преобразователями сигналов других типов, внесенными в Государственный реестр СИ в установленном порядке и имеющими аналогичные характеристики, а также на преобразователи плотности и вязкости жидкости измерительные модели 7829 (далее -преобразователи вязкости), и устанавливает методику первичной и периодической поверок их канала измерения динамической вязкости и температуры в условиях лаборатории. Поверку вискозиметра проводят в динамическом режиме. Межповерочный интервал - 1 год. 2 Нормативные ссылкиВ настоящей рекомендации использованы ссылки на следующие нормативные документы: ГОСТ 982-80 Масла трансформаторные. Технические условия ГОСТ 5789-78 Реактивы. Толуол. Технические условия ГОСТ 14710-78 Толуол нефтяной. Технические условия ГОСТ 20799-88 Масла индустриальные. Технические условия ПР 50.2.006-94 Государственная система обеспечения единства измерений. Порядок проведения поверки средств измерений МИ 3002-2006 Государственная система обеспечения единства измерений. Правила пломбирования и клеймения средств измерений и оборудования, применяемых в составе систем измерений количества и показателей качества нефти и поверочных установок 3 Операции поверкиПри проведении поверки выполняют следующие операции: - внешний осмотр (8.1); - опробование (8.2); - определение погрешности измерений вязкости (8.3). 4 Средства измерений, вспомогательные устройства и материалы4.1 При проведении поверки (калибровки) применяют поверочную установку УППВ составе: 4.1.1 Вискозиметр Штабингера SVM3000 с относительной погрешностью измерения динамической вязкости не более 0,35 %. 4.1.2 Преобразователь плотности и вязкости жидкости измерительный модели 7829М эталонный (далее - эталонный преобразователь вязкости) с пределами допускаемой приведенной погрешности измерения вязкости ± 0,5 %, с пределами допускаемой погрешности измерения температуры ± 0,05 °С в диапазоне измерения температур от 0 до 50 °С. 4.1.3 Компьютер (ноутбук) с лицензионным программным обеспечением ADView фирмы «Solartron Mobrey Limited», аттестованным в установленном порядке. 4.1.4 Термометр цифровой малогабаритный ТЦМ 9410 с абсолютной погрешностью не более ± 0,03 °С в диапазоне измерения температур от 0 до 50 °С. 4.1.5 Насос для перекачивания поверочной (градуировочной) жидкости с возможностью регулирования расхода в диапазоне от 1 до 2 м3/час. 4.1.6 Термостат с абсолютной погрешностью поддержания температуры не более 0,05 °С. 4.1.7 Набор термометров с абсолютной погрешностью не более ± 0,03 °С в диапазоне измерения температур от 0 до 50 °С 4.1.8 Расходомер CRA с MRT 97 с относительной погрешностью не более 5 %. 4.1.9 Преобразователь сигналов (конвертер) RS485/RS232 ADAM 4520, ADAM 4561. 4.1.10 Компьютерный кабель-переходник RS232/USB или RS232/ RS232. 4.1.11 Кабель из двух пар экранированных проводов для подключения питания эталонного преобразователя вязкости и преобразователя (конвертера) RS485/RS232. 4.1.12 Блок питания постоянного тока ± 24 В для эталонного преобразователя вязкости, в соответствии с руководством по эксплуатации преобразователя вязкости. 4.1.13 Измерительная камера для эталонного преобразователя вязкости, изготовленная в соответствие с требованиями фирмы-изготовителя, изготовленная по чертежу Приложения Г. 4.2 Поверочные жидкости для каждого поверяемого поддиапазона измерения вязкости поверяемого преобразователя вязкости, подготовленные в соответствии с Приложением А и имеющие значения вязкости приближенно равные начальной, средней и верхней точке поверяемого диапазона измерения вязкости. 4.3 Толуол по ГОСТ 5789 или ГОСТ 14710. 4.4 Ветошь. Применяемые средства измерений должны быть поверены, иметь действующие свидетельства о поверке или оттиски поверительных клейм. 5 Требования безопасностиПри проведении поверки выполняют следующие требования: - поверку проводят в помещениях, оборудованных средствами пожаротушения и оснащенных приточно-вытяжной вентиляцией и вытяжными шкафами; - легковоспламеняющиеся жидкости хранят в стеклянных бутылях с притертыми пробками или в металлических канистрах в специально предназначенных для этого металлических шкафах или помещениях; - соблюдают правила безопасности, изложенные в эксплутационной документации на УППВ и поверяемый вискозиметр. 6 Условия поверкиПри проведении поверки должны соблюдаться следующие условия: - температура окружающего воздуха в помещении лаборатории, °С …………. 20±5; - атмосферное давление, кПа …………. 101,3±4; - относительная влажность окружающего воздуха в помещении лаборатории не более, % …………. 80; - температура поверочной жидкости в момент снятия показаний при поверке по каналу измерения вязкости, °С …………. 20±0,1; - изменение температуры поверочной жидкости за время одного измерения (5 минут) не более чем …………. 0,05 °С; - изменение вязкости поверочной жидкости за время одного измерения (5 минут) не более чем 0,1 сПз (0,1 мПа×с) при значениях вязкости до 10 сПз (10 мПа×с) включительно, и не более чем 0,2 сПз (0,2 мПа×с) при значениях вязкости от 10 сПз (10 мПа×с) до 100 сПз (100 мПа×с). - поверку по каналу измерения температуры проводят на поверочной жидкости средней вязкости при трех значениях температуры, °С: 5±2; 20±2 и 50±2 - монтаж поверяемого и эталонного преобразователей вязкости проведен в соответствии с требованиями технической документации. 7 Подготовка к поверкеПеред проведением поверки выполняют следующие работы: 7.1 Подготавливают средства поверки и поверяемый преобразователь вязкости к работе в соответствии с требованиями технической документации и со схемой, приведенной в приложении Б. 7.2 Устанавливают температуру поверочной жидкости согласно разделу 6. 8 Проведение поверки8.1.1 Проверяют соответствие комплектности, типа, маркировки и заводского номера поверяемого преобразователя вязкости технической документации фирмы-изготовителя. Проверяют отсутствие загрязнений, механических повреждений и дефектов покрытия виброэлемента (типа камертонной вилки) поверяемого преобразователя вязкости. 8.1.2 Проверяют (при необходимости вводят) значения градуировочных коэффициентов, а так же значение коэффициента масштабирования динамической вязкости (значение коэффициента масштабирования для сПз должно быть установлено равным единице), введенных в контроллер (или в электронный блок) поверяемого преобразователя вязкости. Примечание - Значения градуировочных коэффициентов, хранящихся в памяти встроенного электронного блока, преобразователей вязкости типа 7829 проверяют через интерфейсную программу ADView фирмы «Solartron Mobrey Limited». Проверяют исправность электрической схемы и работу преобразователя вязкости согласно инструкции по эксплуатации. 8.3 Определение метрологических характеристик при поверке по каналу измерения вязкости производят на трех поверочных жидкостях (30 %, 60 %, 90 % от калиброванного диапазона). 8.3.1 Заполняют установку поверочной жидкостью с наименьшей вязкостью (30 % от калиброванного диапазона). Включают циркуляционный насос. 8.3.2 Термостатируют поверочную жидкость не менее 30 минут. Поверочную жидкость считают термостатированной тогда, когда изменение температуры за 5 минут не превышает 0,03 °С. 8.3.3 Фиксируют не менее 15-ти значений наблюдений каждой поверочной жидкости. - динамической вязкости по поверяемому преобразователю вязкости, сПз (мПа×с); - динамической вязкости по эталонному преобразователю вязкости, сПз (мПа×с). - температуры по поверяемому преобразователю вязкости, С. - температуры по эталонному преобразователю вязкости, °С. 8.3.4 За результаты измерения вязкости и температуры поверочной жидкости поверяемым и эталонным преобразователями вязкости принимают соответствующие средние арифметические значения наблюдений. 8.3.5 Операции по п.п. 8.3.1-8.3.4 повторяют при среднем (60 %) и наибольшем (90 %) значениях вязкости для каждого поверяемого поддиапазона по каналу измерения вязкости. 8.4 Определение метрологических характеристик при поверке по каналу измерения температуры 8.4.1 Заполняют установку поверочной жидкостью средней вязкости. Включают циркуляционный насос. 8.4.2 Термостатируют поверочную жидкость не менее 30 мин. 8.4.3 Фиксируют не менее 15-ти значений наблюдений на каждой поверочной жидкости: - температуры по эталонному преобразователю вязкости, °С. - температуры по поверяемому преобразователю вязкости, °С. 8.4.4 За результаты измерения температуры поверочной жидкости поверяемым и эталонным преобразователями вязкости принимают соответствующие средние арифметические значения наблюдений. 9 Обработка результатов измерений9.1 Абсолютную погрешность поверяемого преобразователя вязкости на каждой j-той поверочной жидкости (Dj, сПз (мПа×с)) вычисляют по формуле Dj = hповj - hоj, (1), где j - номер поверочной жидкости; hповj - результат измерения вязкости поверяемым преобразователем вязкости j-той поверочной жидкости; hоj - результат измерения вязкости эталонным преобразователем вязкости j-той поверочной жидкости. 9.2 Приведенную погрешность поверяемого преобразователя вязкости на каждой j-той поверочной жидкости (gj, %) вычисляют по формуле
где hmax - верхний предел измерений вязкости калиброванного диапазона поверяемого преобразователя вязкости, сПз (мПа×с). 9.3 Погрешность поверяемого преобразователя вязкости на каждой j-той поверочной жидкости не должна превышать 0,2 сПз (0,2 мПа×с) при значениях вязкости до 10 сПз (10 мПа×с) включительно, и не более чем 1 % при значениях вязкости свыше 10 сПз (10 мПа×с). 9.4 Абсолютную погрешность поверяемого преобразователя вязкости по каналу измерения температуры в каждой j-той точке (Dtj, °С) вычисляют по формуле Dtj = tповj - tj (3) где tповj - результат измерения температуры поверяемым преобразователем вязкости в j-той точке; tj - результат измерения температуры эталонным преобразователем вязкости в j-той точке. 9.5 Абсолютная погрешность поверяемого преобразователя вязкости в каждой j-той точке не должна превышать ± 0,1 °С. 10 Оформление результатов поверки10.1 Результаты поверки оформляют в виде протокола по форме, приведенной в Приложении В. 10.2 При положительных результатах поверки преобразователь вязкости признают годным к применению, на него выдается свидетельство о поверке установленной формы по ПР 50.2.006 и наносят оттиск поверительного клейма в соответствии с МИ 3002. 10.3 При отрицательных результатах поверки преобразователь вязкости к применению не допускают и выдают извещение о непригодности с указанием причин по ПР 50.2.006. Приложение А
|
|||||||||||||||||||||||||||||||||||||||||||||||||||||||||||||||||||||||||||||||||||||||||||||||||||||||||||||||||
|
Состав поверочной жидкости |
Номинальное значение динамической вязкости при 20 °С, мПа×с (сПз) |
|
Осветительный керосин [1] - 100 % |
1,6 |
|
Осветительный керосин [1] - 65 % трансформаторное масло по ГОСТ 982-80 - 35 % |
4 |
|
Осветительный керосин [1] - 38 % трансформаторное масло по ГОСТ 982-80 - 62 % |
9 |
|
Осветительный керосин [1] - 24 % трансформаторное масло по ГОСТ 982-80 - 76 % |
12 |
|
Осветительный керосин [1] - 13 % трансформаторное масло по ГОСТ 982-80 - 87 % |
17 |
|
Индустриальное масло И-20А по ГОСТ 20799-88 - 100 % |
59 |
|
Трансформаторное масло по ГОСТ 982-80 - 38 % индустриальное масло И-50А по ГОСТ 20799-88 - 62 % |
90 |
|
Трансформаторное масло по ГОСТ 982-80 - 12 % индустриальное масло И-50А по ГОСТ 20799-88 - 88 % |
180 |

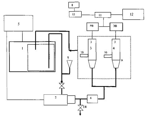
1. Термостат с рабочей жидкостью
2. Насос
3. Измерительная камера рабочего вискозиметра
4. Измерительная камера эталонного вискозиметра
5. Блок контроля и управления насоса и термостата
6. Расходомер
7. Узел заливочный
8. Блок питания вискозиметров
9. Технологическая сборка вискозиметров в термоизоляции
10. Термокарманы
11. Преобразователи интерфейса RS 232/RS 485 (2 шт.)
12. Компьютер (ноутбук)
13. Блок искробезопасных барьеров
14. Дренажный кран
ПРОТОКОЛ №__________
поверки преобразователя вязкости
Тип поверяемого преобразователя вязкости __Тип эталонного преобразователя вязкости__
Заводской номер________________________ Заводской номер_______________________
Тип контроллера________________________
Заводской номер________________________
Год выпуска____________________________
Владелец_________________________________________________________
Место проведения поверки___________________________________________
Диапазон изменения вязкости нефти в межповерочный интервал: от ___ до___сПз (мПа×с).
Верхний предел измерений вязкости
калиброванного диапазона поверяемого преобразователя вязкости: hmах =____сПз (мПа×с).
Условия проведения поверки: температура___ °С; влажность____ %, давление____ кПа.
Исходные данные
|
Поддиапазон измерения динамической вязкости преобразователя вязкости, сПз (мПа×с) |
Градуировочные коэффициенты поверяемого преобразователя вязкости |
||
|
V0 |
V1 |
V2 |
|
|
от ______до______ |
|
|
|
Результаты измерений и поверки по каналу измерения вязкости
|
Номер поверочной жидкости, j |
Результат измерения температуры, °С |
Результат измерения динамической вязкости поверяемым преобразователем вязкости hповj, сПз (мПа×с) |
Результат измерения динамической вязкости эталонным преобразователем вязкости hоj, сПз (мПа×с) |
Абсолютная погрешность Dj, сПз (мПа×с) |
Приведенная погрешность gj, % |
|
1 |
|
|
|
|
|
|
2 |
|
|
|
|
|
|
3 |
|
|
|
|
|
Исходные данные
|
Поддиапазон измерения динамической вязкости преобразователя вязкости, сПз (мПа×с) |
Градуировочные коэффициенты поверяемого преобразователя вязкости |
||
|
V0 |
V1 |
V2 |
|
|
от ______до______ |
|
|
|
Результаты измерений и поверки по каналу измерения вязкости
|
Номер поверочной жидкости, j |
Результат измерения температуры, °С |
Результат измерения динамической вязкости поверяемым преобразователем вязкости hповj, сПз (мПа×с) |
Результат измерения динамической вязкости эталонным преобразователем вязкости hоj, сПз (мПа×с) |
Абсолютная погрешность Dj, сПз (мПа×с) |
Приведенная погрешность gj, % |
|
1 |
|
|
|
|
|
|
2 |
|
|
|
|
|
|
3 |
|
|
|
|
|
Результаты измерений и поверки по каналу измерения температуры
|
Результат измерения температуры поверяемым преобразователем вязкости tповj, °С |
Результат, измерения температуры эталонным преобразователем вязкости tj, °С |
Абсолютная погрешность Dtj,°С |
|
|
|
|
Заключение_____________________
Подпись лица, проводившего поверку Дата поверки
____________________/и.о., фамилия/ «___» _____________200__г
Библиография
[1] ТУ 38401-58-10-90 Керосин осветительный. Технические условия
|
ГОСТЫ, СТРОИТЕЛЬНЫЕ и ТЕХНИЧЕСКИЕ НОРМАТИВЫ. Некоммерческая онлайн система, содержащая все Российские Госты, национальные Стандарты и нормативы. В Системе содержится более 150000 файлов нормативно-технической документации, действующей на территории РФ. Система предназначена для широкого круга инженерно-технических специалистов. Copyright © www.gostrf.com, 2008 - 2026 |