Крупнейшая бесплатная информационно-справочная система онлайн доступа к полному собранию технических нормативно-правовых актов РФ. Огромная база технических нормативов (более 150 тысяч документов) и полное собрание национальных стандартов, аутентичное официальной базе Госстандарта. GOSTRF.com - это более 1 Терабайта бесплатной технической информации для всех пользователей интернета. Все электронные копии представленных здесь документов могут распространяться без каких-либо ограничений. Поощряется распространение информации с этого сайта на любых других ресурсах. Каждый человек имеет право на неограниченный доступ к этим документам! Каждый человек имеет право на знание требований, изложенных в данных нормативно-правовых актах!

  


 

ФЕДЕРАЛЬНОЕ ГОСУДАРСТВЕННОЕ УНИТАРНОЕ ПРЕДПРИЯТИЙ
Всероссийский научно-исследовательский институт расходометрии
(ФГУП ВНИИР)
ФЕДЕРАЛЬНОГО АГЕНТСТВА ПО ТЕХНИЧЕСКОМУ РЕГУЛИРОВАНИЮ И МЕТРОЛОГИИ

УТВЕРЖДАЮ

Зам. директора ФГУП ВНИИР

по научной работе

М.С. Немиров

21.12.2007 г.

РЕКОМЕНДАЦИЯ

Государственная система обеспечения единства измерении

ПРЕОБРАЗОВАТЕЛИ ПЛОТНОСТИ И ВЯЗКОСТИ ЖИДКОСТИ
ИЗМЕРИТЕЛЬНЫЕ МОДЕЛИ 7827 И 7829
МЕТОДИКА КОНТРОЛЯ МЕТРОЛОГИЧЕСКИХ ХАРАКТЕРИСТИК В ПРОЦЕССЕ ЭКСПЛУАТАЦИИ

МИ 3118-2008

Казань
2007

Содержание

ПРЕДИСЛОВИЕ

1 РАЗРАБОТАНА

Всероссийский научно-исследовательский институт расходометрии (ФГУП ВНИИР)

ИСПОЛНИТЕЛИ

Фишман И.И., Ибрагимов Т.Ф., Мубаракшин MP.

РАЗРАБОТАНА

ООО "ИМС Индастриз"

ИСПОЛНИТЕЛИ

Аблина Л.В., Быкадоров С.В., Приймак Е.Н., Сафонов А.В.

2 УТВЕРЖДЕНА

ФГУП ВНИИР 21 декабря 2007 г.

3 ЗАРЕГИСТРИРОВАНА

ФГУП «ВНИИМС» 04 июня 2008 г.

4 ВВЕДЕНА ВПЕРВЫЕ

 

 

ГОСУДАРСТВЕННАЯ СИСТЕМА ОБЕСПЕЧЕНИЯ ЕДИНСТВА ИЗМЕРЕНИЙ

Преобразователи плотности и вязкости жидкости измерительные модели 7827 и 7829.
Методика контроля метрологических характеристик в процессе эксплуатации

МИ 3118-2008

1 Область применения

Настоящая рекомендация распространяется на преобразователи плотности и вязкости жидкости измерительные модели 7827 и 7829 в комплекте со вторичными преобразователями сигналов (контроллерами) типов 7945V, 7946V, 7951, 7955, либо со вторичными преобразователями сигналов других типов, внесенными в Государственный реестр СИ в установленном порядке и имеющими аналогичные характеристики, а также на преобразователи плотности и вязкости измерительные модели 7829 (далее - преобразователи вязкости), и устанавливает методику контроля их метрологических характеристик (далее - КМХ) в межповерочном интервале в процессе эксплуатации по каналу вязкости.

2 Нормативные ссылки

В настоящей рекомендации использованы ссыпки на следующие нормативные документы:

ГОСТ 12.3.032-84 ССБТ. Работы электромонтажные. Общие требования безопасности

3 Операции контроля

При проведении КМХ выполняют следующие операции:

3.1 Внешний осмотр (п. 8.1).

3.2 Контроль показаний (п. 8.2).

4 Средства контроля, вспомогательные устройства и материалы

При проведении КМХ применяют:

4.1 Преобразователь плотности и вязкости жидкости измерительный модели 7829М эталонный (далее - эталонный преобразователь вязкости) с пределами допускаемой приведенной погрешности измерений вязкости ± 0,5 %, с пределами допускаемой погрешности измерений температуры ± 0,05 °С в диапазоне измерений температур от 0 до 50 °С.

4.2 Компьютер (ноутбук) с лицензионным программным обеспечением ADView фирмы «Solartron Mobrey Limited», аттестованным в установленном порядке.

4.3 Преобразователь сигналов (конвертер) RS485/RS232.

4.4 Компьютерный кабель-переходник RS232/USB или RS232/ RS232.

4.5 Кабель из двух пар экранированных проводов для подключения питания эталонного преобразователя вязкости и преобразователя (конвертера) RS485/RS232.

4.6 Блок питания постоянного тока ± 24 В для эталонного преобразователя вязкости, в соответствии с руководством по эксплуатации преобразователя вязкости.

4.7 Термометр цифровой малогабаритный ТЦМ 9410 с абсолютной погрешностью не более ± 0,03 °С в диапазоне измерения температур от 0 до 50 °С.

4.8 Стандартная (Г-образная) измерительная камера для эталонного преобразователя вязкости, изготовленная в соответствие с требованиями фирмы-изготовителя.

5 Требования безопасности

5.1 При проведении КМХ соблюдают:

- Правила безопасности при эксплуатации СИ, используемых при КМХ;

- Правила безопасности труда, действующие на объекте, где проводят КМХ;

- Межотраслевые правила по охране труда при эксплуатации электроустановок (с изменениями 2003 г.) [1];

- Правила безопасности в нефтяной и газовой промышленности [2].

5.2 Монтаж электрических соединений проводят в соответствии с ГОСТ 12.3.032 и Правилами устройства электроустановок (раздел VII).

5.3 К проведению КМХ допускают лиц, изучивших руководства по эксплуатации преобразователя вязкости и настоящую рекомендацию, имеющих квалификационную группу по технике безопасности (ТБ) не ниже II в соответствии с Межотраслевыми правилами по охране труда при эксплуатации электроустановок, прошедших инструктаж по ТБ.

6 Условия проведения контроля

6.1 КМХ преобразователей вязкости проводят в условиях эксплуатации, которые изложены в инструкции по эксплуатации на СИКН.

6.2 Расход нефти через преобразователи вязкости должен соответствовать требованиям технической документации на преобразователи вязкости.

6.3 Время между началом пуска потока нефти через контролируемый и эталонный преобразователи вязкости и проведением КМХ не менее 30 мин.

6.4 Разность температур нефти по показаниям контролируемого и эталонного преобразователей вязкости, не более суммарного значения погрешности поверяемого и эталонного термометра.

7 Подготовка к контролю

Перед проведением КМХ выполняют следующие работы:

- монтаж эталонного преобразователя вязкости в стандартную измерительную камеру БИК;

- установку поверки вискозиметров готовят к работе в соответствии с требованиями технической документации и со схемой, приведенной в приложении А;

- устанавливают расход нефти в БИК в средней точке рабочего диапазона расхода.

- проверяют отсутствие протечек в местах соединений технологических трубопроводов БИК;

- подключают поточный эталонный преобразователь вязкости к компьютеру и питанию в соответствии с требованиями технической документации.

- в операторной запускают на компьютере программу ADView, проверяют правильность подключения и выставленных коэффициентов.

8 Проведение контроля

8.1 Внешний осмотр

8.1.1 Проверяют соответствие комплектности, типа, маркировки и заводского номера контролируемого преобразователя вязкости сертификату градуировки (свидетельству о поверке).

8.1.2 Проверяют значения градуировочных коэффициентов, а так же значение коэффициента масштабирования динамической вязкости (значение коэффициента масштабирования для сПз должно быть установлено равным единице), введенных в контроллер (или в электронный блок) контролируемого преобразователя вязкости.

8.2 Выполнение измерений

8.2.1 Выполняют одно измерение, при этом фиксируют не менее 20 значений наблюдений в течении 5 минут:

- динамической вязкости по контролируемому преобразователю вязкости, сПз (мПа×с);

- динамической вязкости по эталонному преобразователю вязкости, сПз (мПа×с);

8.2.2 За результат измерения динамической вязкости контролируемым и эталонным преобразователями вязкости принимают соответствующие средние арифметические значения серии наблюдений. Среднее арифметическое значение динамической вязкости h, сПз (мПа×с), вычисляют по формуле

                                                                                                                          (1)

где hi - значение динамической вязкости, за i-e наблюдение ;

n - количество наблюдений за измерение.

8.2.3 Проверяют выполнение условия

|hкон - hэ| £ Dкон + Dэ,                                                                                                           (2)

где hкон - результат измерения динамической вязкости контролируемым преобразователем вязкости, сПз (мПа×с);

hэ - результат измерения динамической вязкости эталонным преобразователем вязкости, сПз (мПа×с);

Dкон - предел допустимой абсолютной погрешности контролируемого преобразователя вязкости, сПз (мПа×с);

Dэ - предел допустимой абсолютной погрешности эталонного преобразователя вязкости, сПз (мПа×с).

Предел допускаемой абсолютной погрешности преобразователей вязкости Dкон(э), сПз (мПа×с), вычисляют по формуле

                                                                                                    (3)

где gкон(э) - предел допускаемой приведенной погрешности преобразователя вязкости, %;

hтах.кон(э) - верхний предел измерений вязкости калиброванного диапазона преобразователя вязкости, сПз (мПа×с).

8.2.4 При несоблюдении условия (2) выясняют и устраняют причины и проводят дополнительное измерение.

8.2.5 Если причины, влияющие на результаты КМХ, не установлены, контролируемый преобразователь вязкости демонтируют с рабочего места, очищают его виброэлемент от отложений, затем возвращают преобразователь вязкости на рабочее место. После чего проводят повторный КМХ по п.8.2.1-8.2.4, соблюдая условия раздела 6.

8.2.6 При повторном несоблюдении условия (2), проводят градуировку и внеочередную поверку преобразователя вязкости.

9 Оформление результатов контроля

9.1 Результаты КМХ оформляют в виде протокола по форме, приведенной в приложении Б.

9.2 При положительных результатах КМХ преобразователь вязкости признают годным к дальнейшей эксплуатации.

9.3 При отрицательных результатах КМХ, преобразователь вязкости запрещают эксплуатировать. Преобразователь вязкости направляется на градуировку и внеочередную поверку.

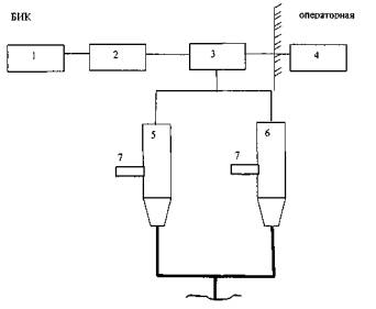
Приложение А
(рекомендуемое)

Схема проведения КМХ преобразователя вязкости в БИК

1. Блок питания вискозиметров

2. Блок искробезопасных барьеров

3. Преобразователи интерфейса RS 232/RS 485 (2 шт.)

4. Компьютер (ноутбук)

5. Измерительная камера контролируемого вискозиметра

6. Измерительная камера эталонного вискозиметра

7. Термокарманы

Приложение Б
(рекомендуемое)

Форма протокола КМХ преобразователя вязкости

ПРОТОКОЛ №_________
контроля метрологических характеристик преобразователя вязкости

Место проведения контроля: СИКН №________ ПСП (НСП)_________________________

Данные

Контролируемый преобразователь вязкости

Эталонный преобразователь вязкости

Тип преобразователя вязкости

 

 

Заводской номер

 

 

Дата последней поверки

 

 

Предел допускаемой абсолютной погрешности, сПз (мПа×с)

 

 

Условие контроля: |hкон - hэ| £ Dкон + Dэ, =_______ сПз (мПа×с)

Результаты КМХ

Результат измерения динамической вязкости контролируемым преобразователем вязкости, hкон, сПз (мПа×с)

Результат измерения динамической вязкости эталонным преобразователем вязкости, hэ, сПз (мПа×с)

|hкон - hэ|, сПз (мПа×с)

 

 

 

Заключение:

Подпись лиц, проводивших КМХ                        Дата проведения КМХ

__________________/и.о., фамилия/                    «___» ___________200__г

Библиография

[1] ПОТ Р М-016-2001 (РД 153-34.0-03.150-2000) Межотраслевые правила по охране труда (правила безопасности) при эксплуатации электроустановок.

[2] ПБ 08-624-03 Правила безопасности в нефтяной и газовой промышленности.

 




ГОСТЫ, СТРОИТЕЛЬНЫЕ и ТЕХНИЧЕСКИЕ НОРМАТИВЫ.
Некоммерческая онлайн система, содержащая все Российские Госты, национальные Стандарты и нормативы.
В Системе содержится более 150000 файлов нормативно-технической документации, действующей на территории РФ.
Система предназначена для широкого круга инженерно-технических специалистов.

Рейтинг@Mail.ru Яндекс цитирования

Copyright © www.gostrf.com, 2008 - 2026