Крупнейшая бесплатная информационно-справочная система онлайн доступа к полному собранию технических нормативно-правовых актов РФ. Огромная база технических нормативов (более 150 тысяч документов) и полное собрание национальных стандартов, аутентичное официальной базе Госстандарта. GOSTRF.com - это более 1 Терабайта бесплатной технической информации для всех пользователей интернета. Все электронные копии представленных здесь документов могут распространяться без каких-либо ограничений. Поощряется распространение информации с этого сайта на любых других ресурсах. Каждый человек имеет право на неограниченный доступ к этим документам! Каждый человек имеет право на знание требований, изложенных в данных нормативно-правовых актах!

  


 

ФЕДЕРАЛЬНОЕ АГЕНТСТВО
ПО
ТЕХНИЧЕСКОМУ РЕГУЛИРОВАНИЮ И МЕТРОЛОГИИ

НАЦИОНАЛЬНЫЙ
СТАНДАРТ
российской
ФЕДЕРАЦИИ

ГОСТ Р
53271-
2009

Техника пожарная

РУКАВА СПАСАТЕЛЬНЫЕ ПОЖАРНЫЕ

Общие технические требования.

Методы испытаний

Москва

Стандартинформ

2009

Предисловие

Цели и принципы стандартизации в Российской Федерации установлены Федеральным законом от 27 декабря 2002 г. 184-ФЗ «О техническом регулировании», а правила применения национальных стандартов Российской Федерации - ГОСТ Р 1.0-2004 «Стандартизация в Российской Федерации. Основные положения»

Сведения о стандарте

1 РАЗРАБОТАН ФГУ ВНИИПО МЧС России

2 ВНЕСЕН Техническим комитетом по стандартизации ТК 274 «Пожарная безопасность»

3 УТВЕРЖДЕН И ВВЕДЕН В ДЕЙСТВИЕ Приказом Федерального агентства по техническому регулированию и метрологии от 18 февраля 2009 г. 42-ст

4 ВВЕДЕН ВПЕРВЫЕ

Информация об изменениях к настоящему стандарту публикуется в ежегодно издаваемом информационном указателе «Национальные стандарты», а текст изменений и поправок - в ежемесячно издаваемых информационных указателях «Национальные стандарты». В случае пересмотра (замены) или отмены настоящего стандарта соответствующее уведомление будет опубликовано в ежемесячно издаваемом информационном указателе «Национальные стандарты». Соответствующая информация, уведомление и тексты размещаются также в информационной системе общего пользования - на официальном сайте Федерального агентства по техническому регулированию и метрологии в сети Интернет

Содержание

НАЦИОНАЛЬНЫЙ СТАНДАРТ РОССИЙСКОЙ ФЕДЕРАЦИИ

Техника пожарная

РУКАВА СПАСАТЕЛЬНЫЕ ПОЖАРНЫЕ

Общие технические требования. Методы испытаний

Fire equipment. Fire escape chute. General technical requirements. Test methods

Дата введения - 2010-01-01
с правом досрочного применения

1 Область применения

1.1 Настоящий стандарт распространяется на рукава спасательные пожарные (далее - спасательные рукава) всех типов и устанавливает классификацию, общие технические требования и методы испытаний.

1.2 Настоящий стандарт может применяться на стадиях разработки, изготовления и других видах испытаний спасательных рукавов, а также при их сертификации.

2 Нормативные ссылки

В настоящем стандарте использованы нормативные ссылки на следующие стандарты:

ГОСТ Р 1.0-2004 Стандартизация в Российской Федерации. Основные положения

ГОСТ Р 15.201-2000 Система разработки и постановки продукции на производство. Продукция производственно-технического назначения. Порядок разработки и постановки продукции на производство

ГОСТ Р 15.309-98 Система разработки и постановки продукции на производство. Испытания и приемка выпускаемой продукции. Основные положения

ГОСТ Р 50810-95 Пожарная безопасность текстильных материалов. Ткани декоративные. Метод испытания на воспламеняемость и классификация

ГОСТ 2.103-68 Единая система конструкторской документации. Стадии разработки

ГОСТ 2.601-2006 Единая система конструкторской документации. Эксплуатационные документы

ГОСТ 12.2.047-86 Система стандартов безопасности труда. Пожарная техника. Термины и определения

ГОСТ 12.2.049-80 Система стандартов безопасности труда. Оборудование производственное. Общие эргономические требования

ГОСТ 27.002-89 Надежность в технике. Основные понятия. Термины и определения

ГОСТ 8844-75 Полотна трикотажные. Правила приемки и метод отбора проб

ГОСТ 8847-85 Полотна трикотажные. Методы определения разрывных характеристик и растяжимости при нагрузках меньше разрывных

ГОСТ 14192-96 (СТ СЭВ 257-80, СТ СЭВ 258-81) Маркировка грузов

ГОСТ 15150-69* Машины, приборы и другие технические изделия. Исполнения для различных климатических районов. Категории, условия эксплуатации, хранения и транспортирования в части воздействия климатических факторов внешней среды

ГОСТ 16504-81 Система государственных испытаний продукции. Испытания и контроль качества продукции. Основные термины и определения

ГОСТ 18321-73* Качество продукции. Статистические методы управления. Правила отбора единиц продукции в выборку

ГОСТ 29104.1-91 Ткани технические. Методы определения линейных размеров, линейной и поверхностной плотностей

ГОСТ 29104.4-91 Ткани технические. Методы определения разрывной нагрузки и удлинения при разрыве

ГОСТ 30157.0-95 Полотна текстильные. Методы определения изменения размеров после мокрых обработок или химической чистки. Общие положения

ГОСТ 30157.1-95 Полотна текстильные. Методы определения изменения размеров после мокрых обработок или химической чистки. Режимы обработок

ИСО 6942-81 Одежда для защиты от воздействия тепла и пламени. Методика оценки поведения материалов и выполненных на их основе композиций под воздействием теплового излучения

Примечание - При пользовании настоящим стандартом целесообразно проверить действие ссылочных стандартов в информационной системе общего пользования - на официальном сайте Федерального агентства по техническому регулированию и метрологии в сети Интернет или по ежегодно издаваемому информационному указателю «Национальные стандарты», который опубликован по состоянию на 1 января текущего года, и по соответствующим ежемесячно издаваемым информационным указателям, опубликованным в текущем году. Если ссылочный стандарт заменен (изменен), то при пользовании настоящим стандартом следует руководствоваться заменяющим (измененным) стандартом. Если ссылочный стандарт отменен без замены, то положение, в котором дана ссылка на него, применяется в части, не затрагивающей эту ссылку.

3 Термины и определения

В настоящем стандарте использованы следующие термины с соответствующими определениями:

3.1 спасательный рукав: Пожарное спасательное устройство из ткани для скользящего спуска спасаемых, предназначенное для спасания людей с высотных уровней при пожарах или в других чрезвычайных ситуациях в зданиях, сооружениях и на других объектах.

3.2 секционный спасательный рукав: Рукав, состоящий из секций спасательного рукава установленной длины, соединенных между собой разъемными элементами крепления (карабинами, пряжками и т.п.).

3.3 спиральный рукав: Пожарное спасательное устройство для скользящего спуска спасаемых по наклонной (винтовой) поверхности, заключенной внутри замкнутой оболочки.

3.4 эластичный рукав: Оболочка спасательного рукава, обладающая эластичными свойствами в поперечном направлении и предназначенная для создания силы сопротивления при спуске людей в спасательном рукаве.

3.5 теплоотражательный рукав: Наружная оболочка спасательного рукава, предназначенная для его защиты от внешнего воздействия открытого пламени и теплового излучения.

3.6 силовой каркас (рукав): Элементы спасательного рукава, которые воспринимают осевую нагрузку, возникающую при спуске людей, и предназначены для обеспечения прочностных свойств спасательного рукава.

3.7 работоспособность (работоспособное состояние): Состояние рукава, при котором значения всех параметров, характеризующих способность выполнять заданные функции, соответствует требованиям нормативно-технической и конструкторской документации.

3.8 предельно допустимая нагрузка: Максимальная эксплуатационная нагрузка на рукав, допустимая конструкторской документацией.

3.9 рабочий цикл: Периодически повторяющаяся в процессе эксплуатации определенная последовательность действий, необходимая для спуска одного человека.

3.10 назначенный ресурс: Суммарная наработка, при достижении которой эксплуатация рукава должна быть прекращена независимо от его технического состояния.

4 Конструкция и классификация рукавов

4.1 Конструкция рукава должна обеспечивать беспрепятственный и безопасный спуск с высоты людей различного телосложения, антропометрические характеристики которых соответствуют группе Б по ГОСТ 12.2.049.

4.2 Конструкция рукава должна обеспечивать групповое спасение с производительностью не менее 5 чел/мин.

4.3 Назначенный ресурс рукава не должен составлять менее 100 рабочих циклов со спуском одного человека.

4.4 Относительное разрывное удлинение материала силового каркаса (рукава) не должно превышать 30 %.

4.5 По конструктивному исполнению рукава классифицируют на:

- спиральные;

- эластичные.

5 Общие технические требования

5.1 Процесс использования (приведения) спасательного рукава в рабочее состояние должен быть прост (интуитивен) и не должен требовать дополнительного обучения, кроме ознакомления с руководством по эксплуатации.

5.2 Усадка материалов, применяемых для изготовления рукава, и люминесцентных материалов (при наличии таковых) после намокания и высушивания должна составлять не более 5 %.

5.3 Материалы, применяемые для изготовления верхнего слоя рукава, должны быть яркого цвета.

5.4 Периметр входного отверстия в рукав должен быть не менее 1600 мм при отношении длины к ширине отверстия не более 1,55.

5.5 Масса переносного рукава не должна превышать 25 кг в расчете на одного человека.

5.6 Остаточная деформация эластичного рукава в поперечном направлении не должна превышать 15 %.

5.7 Материал теплоотражательного рукава должен быть устойчив к воздействию открытого пламени в течение не менее 15 с.

5.8 Коэффициент ослабления инфракрасного излучения материала теплоотражательного рукава не должен составлять менее 70 % при плотности падающего теплового потока 14 кВт/м2.

5.9 Ширина (полупериметр) силового каркаса (рукава) не должна быть менее 800 мм.

5.10 Ширина (полупериметр) огнезащитного рукава не должна превышать ширину силового каркаса (рукава) менее чем на 30 мм.

5.11 Комплектность

В комплект поставки должны входить:

- рукав (комплект секций секционного спасательного рукава с разъемными элементами крепления);

- укладочная сумка или контейнер для рукава (для мобильных и переносных спасательных рукавов);

- паспорт и руководство по эксплуатации в соответствии с ГОСТ 2.601.

5.12 Маркировка

5.12.1 Каждый рукав должен иметь маркировку, содержащую следующие данные:

- товарный знак или наименование предприятия-изготовителя;

- условное обозначение устройства;

- порядковый номер по системе нумерации предприятия-изготовителя;

- длину рукава (каждой секции), м;

- дату изготовления (месяц, год).

5.12.2 Маркировка должна быть выполнена способом, обеспечивающим четкость и сохранность надписей в течение всего срока эксплуатации рукава.

5.12.3 Транспортная маркировка должна соответствовать ГОСТ 14192.

5.12.4 На укладочной сумке или контейнере для спасательного рукава могут быть нанесены рисунки (пиктограммы), поясняющие порядок работы с рукавом.

5.13 Упаковка

Рукав следует хранить в специальной упаковке (контейнере), обеспечивающей его сохранность в течение гарантийного срока.

Транспортная упаковка должна обеспечивать сохранность рукава при перевозках и складировании.

5.14 Транспортирование и хранение

Для транспортирования и хранения рукава следует использовать укладочную сумку с ремнями для переноски.

Транспортирование рукавов следует производить в укладочной сумке в кабине или отсеке пожарного автомобиля.

Хранение рукавов должно осуществляться в соответствии с группой условий хранения 2 по ГОСТ 15150.

6 Правила приемки

6.1 Для контроля качества рукавов в процессе разработки и производства проводят следующие испытания:

- приемочные;

- квалификационные;

- приемо-сдаточные;

- периодические;

- типовые;

- сертификационные.

Приемочные и квалификационные испытания проводят в соответствии с ГОСТ Р 15.201.

Приемо-сдаточные и периодические испытания проводят в соответствии с ГОСТ Р 15.309.

Типовые испытания проводят при изменении конструкции рукава, материала, технологии изготовления или замене сырья и покупных полуфабрикатов, изделий. Типовые испытания проводят по специально разработанной программе.

Технические показатели и номера пунктов (подпунктов), в которых изложены технические требования и методы испытаний рукавов, приведены в таблице 1.

Таблица 1

Вид проверки технического показателя

Пункты (подпункты) настоящего стандарта

технические требования

методы испытаний

Проверка работоспособности рукава

4.1, 5.1

7.2

Проверка производительности

4.2

7.3

Проверка линейных размеров рукава

5.4, 5.9, 5.10

7.4

Проверка массы рукава

5.5

7.5

Проверка назначенного ресурса рукава

4.3

7.6

Проверка относительного разрывного удлинения материала силового каркаса (рукава)

4.4

7.7

Проверка коэффициента ослабления инфракрасного излучения

5.8

7.8

Проверка устойчивости материала огнезащитной оболочки к воздействию открытого пламени

5.7

7.9

Проверка остаточной деформации эластичного рукава

5.6

7.10

Проверка усадки материалов рукава после намокания и высушивания

5.2

7.11

Проверка цвета материалов верхнего слоя, комплектности и маркировки рукава

5.3, 5.11 и 5.12

7.12

6.2 Срок гарантии с начала эксплуатации спасательного рукава должен быть не менее 12 месяцев.

7. Методы испытаний

7.1 Общие требования к проведению испытаний

7.1.1 Спасательные рукава испытывают в состоянии, в котором они предлагаются потребителю.

7.1.2 Все испытания должны проводиться в нормальных климатических условиях в соответствии ГОСТ 15150.

7.1.3 Отбор образцов для испытаний проводится в соответствии с ГОСТ 18321. Число образцов - в соответствии с объемом испытаний, при условии обеспечения достоверности полученных результатов.

7.1.4 Перед испытаниями образцы выдерживают в нормальных климатических условиях в течение 24 ч, если не оговорено другое требование.

7.1.5 Приборы и устройства, применяемые при испытаниях, должны быть поверены и иметь технические паспорта. Допускается использование других приборов и устройств, обеспечивающих заданную точность измерений.

7.2 Проверка работоспособности рукава

Рукав устанавливают на объекте или испытательном стенде и приводят в рабочее положение.

Производят поочередные одиночные спуски (в соответствии с требованиями руководства по эксплуатации) испытателей, имеющих различную массу и телосложение, близких к антропометрическим значениям людей группы Б по ГОСТ 12.2.049. Число спусков должно быть не менее 15.

Результат испытаний считают положительным, если:

а) не произошел ни один неконтролируемый спуск испытателей;

б) не произошла ни одна вынужденная (не предусмотренная штатным режимом спуска) остановка испытателей;

в) не произошел ни один случай зацепления испытателей в узлах стыковки секций секционного спасательного рукава;

г) процесс спуска не вызвал у испытателей никаких затруднений (необходимости применения специальных навыков).

7.3 Проверка производительности рукава

Рукав устанавливают на объекте или испытательном стенде в соответствии с руководством по эксплуатации.

Производят спуски испытателей в среднем темпе в течение 1 мин (в соответствии с требованиями руководства по эксплуатации). Время измеряют секундомером с точностью ± 1 с.

Результат испытаний считают положительным, если при групповом спуске испытателей были выполнены требования, указанные в 5.1, и производительность соответствует значению, приведенному в 4.2.

7.4 Проверка линейных размеров рукава

Периметр входного отверстия в рукав измеряют с погрешностью не более ± 2 мм по внутренней границе входного отверстия. Результат испытаний считают положительным, если величина периметра входного отверстия составит не менее 1600 мм при отношении его длины к ширине, равном не более 1,55.

Ширину (полупериметр) силового каркаса и теплоотражательного рукава измеряют в соответствии с ГОСТ 29104.1.

Результат испытаний считают положительным, если:

- ширина (полупериметр) силового каркаса (рукава) составляет не менее 800 мм;

- ширина (полупериметр) теплоотражательного рукава не менее чем на 30 мм больше ширины силового каркаса (рукава).

7.5 Проверка массы рукава

Массу переносного спасательного рукава, находящегося в укладочной сумке или контейнере для транспортирования, проверяют путем взвешивания; погрешность измерения не должна быть более ±0,1 кг. Результат испытаний считают положительным, если масса рукава составит не более 25 кг в расчете на одного человека.

7.6 Проверка назначенного ресурса рукава

7.6.1 Испытаниям подвергают один образец рукава.

7.6.2 Испытания проводят по методу, изложенному в 7.3, в объеме не менее 100 рабочих циклов путем спусков испытателей с применением всех тактических приемов спасения людей в соответствии с требованиями руководства по эксплуатации.

7.7 Проверка относительного разрывного удлинения материала силового каркаса (рукава)

Подготовку и испытания образцов, материала силового каркаса (рукава), а также оценку изделия проводят в соответствии с ГОСТ 29104.4.

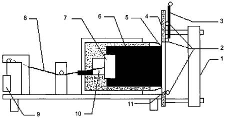
7.8 Проверка коэффициента ослабления инфракрасного излучения

Проверке подвергают не менее трех образцов, взятых от теплоотражательного рукава, в соответствии с ГОСТ 8844. В качестве образца используют отрезок рукава размерами (230 ± 5) мм´(70 ± 5) мм.

Испытания проводят в помещении без циркуляции воздуха на установке (см. рисунок 1) в соответствии с ИСО 6942.

Закрепляют испытываемый образец 6 на рабочей поверхности датчика теплового потока 5; поднимают заслонку 3 и выдерживают образец в течение 300 с под воздействием падающего теплового потока, плотность которого должна соответствовать значению, приведенному в 5.8. В течение указанного времени проводят измерение плотности теплового потока за образцом. Погрешность измерения времени не должна быть более ± 1 с.

При определении падающего на испытываемый образец теплового потока и его значении за образцом погрешность измерения должна составлять не более ±1,5 кВт/м2.

1 - радиационная панель; 2 - система охлаждения; 3 - заслонка; 4 - экран; 5 - рабочая поверхность датчика теплового потока; 6 - образец; 7 - зажим; 8 - нить; 9 - груз; 10 - датчик теплового потока; 11 - окно экрана

Рисунок 1 - Схема установки для определения коэффициента теплопередачи текстильных материалов

Коэффициент ослабления инфракрасного излучения определяют по формуле

(1)

где Косл - коэффициент ослабления инфракрасного излучения испытываемого образца, %;

Qо - плотность теплового потока, падающего на образец, кВт/м2;

Qп - плотность теплового потока за образцом, кВт/м2.

Результат испытаний считают положительным, если коэффициент ослабления инфракрасного излучения каждого образца соответствует значению, приведенному в 5.8.

7.9 Проверка материала огнезащитной оболочки на устойчивость к воздействию открытого пламени

7.9.1 Проверке подвергают не менее трех образцов, взятых от теплоотражательного рукава, в соответствии с ГОСТ 8844. В качестве образца используют отрезок рукава размерами (60 + 5) мм´(140+ 5) мм.

7.9.2 Испытания проводят на установке (см. рисунок 2) в соответствии с ГОСТ Р 50810.

1 - газовый баллон; 2 - горелка; 3 - основание; 4 - образец; 5 - установочные шпильки; 6 - рамка; 7 - штатив

Рисунок 2 - Схема установки для испытания текстильных материалов на устойчивость к воздействию открытого пламени

7.9.3 Испытания проводят в следующем порядке:

а) закрепляют испытываемый образец 4 на установочных шпильках 5 рамки 6 и помещают его нижний край в желтый конус пламени горелки 2; высота желтого конуса пламени должна быть (40 ± 2) мм;

б) образец убирают из пламени через 15 с и измеряют время остаточного горения и тления.

7.9.4 Погрешность измерения линейных размеров при подготовке образцов и регулировке пламени горелки должна быть не более ± 1 мм. Погрешность измерения времени при проведении испытаний не должна быть более ± 0,2 с. Результат испытаний считают положительным, если время остаточного горения и тления не превысит 3 с.

7.10 Проверка остаточной деформации эластичного рукава

7.10.1 Проверке подвергают не менее трех образцов, взятых в соответствии с ГОСТ 8844. В качестве образца используют кольцевой отрезок эластичного рукава шириной (200 ± 5) мм.

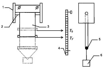
7.10.2 Испытания проводят в соответствии с ГОСТ 8847 на установке (см. рисунок 3).

1 - кронштейн; 2 - неподвижный стержень; 3 - образец рукава; 4 - линейка; 5 - подвижный стержень; 6 - груз

Рисунок 3 - Установка для определения растяжения образца эластичного рукава

7.10.3 В образец 3 вставляют неподвижный стержень 2 диаметром (20,0 ± 0,5) мм и закрепляют его в кронштейне 1; затем вставляют в образец подвижный стержень 5 того же диаметра массой (0,10 ± 0,01) кг и проводят предварительное растяжение образца грузом 6 массой (1,00 ± 0,05) кг в течение 60 с. Через (60 ± 5) с после снятия предварительной нагрузки отмечают на линейке 4 положение нижнего стержня у0.

7.10.4 Проводят нагружение образца контрольным грузом массой (10,0 ± 0,1) кг и выдерживают образец под нагрузкой в течение 60 с. Через (60 ± 5) с после снятия контрольного груза отмечают на линейке 4 положение нижнего стержня уF.

7.10.5 Погрешность измерения линейных размеров не должна быть более ± 1 мм. Погрешность измерения времени при испытаниях не должна быть более ± 1 с.

7.10.6 Остаточную деформацию эластичного рукава определяют по формуле

(2)

где - остаточная деформация испытываемого образца, %;

у0 - координата положения нижнего края испытываемого образца после снятия предварительной нагрузки, мм;

уF - координата положения нижнего края испытываемого образца после снятия контрольного груза, мм.

Результат испытаний считают положительным, если остаточная деформация каждого из образцов рукава не превышает 15 %.

7.11 Проверка усадки материалов рукава после намокания и высушивания

Усадку материалов рукава после намокания и высушивания проверяют в соответствии с ГОСТ 30157.0 и ГОСТ 30157.1. Результат испытаний считают положительным, если усадка материалов рукава после намокания и высушивания составила не более 5 %.

7.12 Проверка цвета материалов верхнего слоя, комплектности и маркировки рукава

Проверку цвета материалов верхнего слоя, комплектности и маркировки рукава проводят визуально. Рукав считают выдержавшим проверку, если внешний вид, маркировка и комплектность образца соответствуют требованиям 5.3, 5.11 и 5.12 настоящего стандарта.

Ключевые слова: пожарная техника, спасательный рукав, эластичный рукав, конструкция и классификация рукавов, общие технические требования, методы испытаний

 

 




ГОСТЫ, СТРОИТЕЛЬНЫЕ и ТЕХНИЧЕСКИЕ НОРМАТИВЫ.
Некоммерческая онлайн система, содержащая все Российские Госты, национальные Стандарты и нормативы.
В Системе содержится более 150000 файлов нормативно-технической документации, действующей на территории РФ.
Система предназначена для широкого круга инженерно-технических специалистов.

Рейтинг@Mail.ru Яндекс цитирования

Copyright © www.gostrf.com, 2008 - 2026