Крупнейшая бесплатная информационно-справочная система онлайн доступа к полному собранию технических нормативно-правовых актов РФ. Огромная база технических нормативов (более 150 тысяч документов) и полное собрание национальных стандартов, аутентичное официальной базе Госстандарта. GOSTRF.com - это более 1 Терабайта бесплатной технической информации для всех пользователей интернета. Все электронные копии представленных здесь документов могут распространяться без каких-либо ограничений. Поощряется распространение информации с этого сайта на любых других ресурсах. Каждый человек имеет право на неограниченный доступ к этим документам! Каждый человек имеет право на знание требований, изложенных в данных нормативно-правовых актах!

  


 

Министерство строительства СССР

Главивановострой

Трест Оргтехстрой

ТИПОВАЯ ТЕХНОЛОГИЧЕСКАЯ КАРТА
УСТРОЙСТВО КАНАЛИЗАЦИОННОГО
ДВУХЪЯРУСНОГО ОТСТОЙНИКА
ИЗ МОНОЛИТНОГО ЖЕЛЕЗОБЕТОНА
ДИАМЕТРОМ 9 м

Ярославль 1982

Содержание

 

Типовая технологическая карта

Двухъярусный канализационный отстойник
из монолитного железобетона диаметром 9 м

1. Область применения

1.1. Технологическая карта разработана на устройство железобетонного монолитного отстойника диаметром 9 м по типовому проекту 902-2-72, разработанному Государственным проектным институтом Союзводоканалпроект.

1.2. В состав работ, рассматриваемых в карте, входят:

устройство бетонной подготовки;

устройство днища;

устройство стен;

устройство желобов, распределительного и сборного лотков;

окраска горячей битумной мастикой за 2 раза;

устройство прижимной кирпичной стенки.

1.3. Работы по возведению отстойника предусмотрено вести:

бетонирование стен и балок - в 2 смени, остальные работы - в 1 смену.

1.4. При привязке технологической карты к конкретным объекту и условиям строительства уточняют объемы работ, калькуляцию трудовых затрат, средства механизации с учетом максимального использования наличного парка механизмов.

Разработана
проектно-технологическим трестом Оргтехстрой Главивановостроя Минстроя СССР

25 июня 1981 г.

Утверждена
Главным техническим управлением Минстроя СССР

20 ноября 1981 г.

Срок введения

1 июля 1982 г.

2. Организация и технология строительного процесса

2.1. До начала устройства отстойника должны быть выполнены:

земляные работы;

основание под днище отстойника (ручная подчистка непосредственно перед устройством бетонной подготовки);

временные автодороги;

временное электроснабжение;

доставлены на объект монтажный кран, строительные машины, сварочные трансформаторы, инвентарь, инструмент и приспособления;

доставлены и уложены на площадках складирования щиты опалубки, арматурные сетки и каркасы.

2.2. Доставленные на площадку щиты опалубки, арматуру и другие материалы раскладывают в зоне действия монтажного крана (рис. 1, 2, 4, 6, 7, 9) с созданием постоянного запаса, обеспечивающего бесперебойную работу звеньев по возведению отстойников в течение не менее трех смен.

Рис. 1. Ситуационный план:

1, 2, 3, 4 - очередность выполнения отстойников

Рис. 2. Схема устройства бетонной подготовки:

1 - автомобильный кран КC-3562A; 2 - опасная зона хвостовой части крана; 3 - площадка для приема бетона со стоянки 1; 4 - площадка для приема бетона со стоянки 2; 5 - площадка для приема бетона со стоянки 3; 6 - смонтированные отстойники; I-II-III - очередность заполнения полос

Рис. 3. Схема устройства бетонной подготовки (разрез I-I):

1 - автомобильный кран KС-3562A; 2 - ось движения крана; 3 - опасная зона хвостовой части крана; 4 - двухветвевой строп; 5 - бадья для подъема бетона; 6 - маячные рейки; I, II, III - очередность заполнения полос

Рис 4. Схема производства работ по установке арматуры днища и опорного кольца отстойника:

1 - автомобильный кран КС-3562А; 2 - опасная зона хвостовой части крана; 3 - площадка складирования арматуры для стоянки 1; 4 - площадка складирования арматуры для стоянки 2; 5 - площадка складирования арматуры для стоянки 3; 6 - площадка складирования арматуры для стоянок 1 и 3; 7 - смонтированные отстойники

Рис. 5. Схема производства работ по установке арматуры днища и опорного кольца отстойника (разрез I-I):

1 - автомобильный края КC-3562А; 2 - ось движения крана; 3 - опасная зона хвостовой части крана; 4 - строп четырехветвевой; 5 - монтируемый арматурный каркас; 6 - установленная арматура; 7 - бетонная подготовка

Рис. 6. Схема бетонирования днища:

1 - автомобильный кран КС-3562А; 2 - опасная зона хвостовой части крана; 3 - площадка для приема бетона со стоянки 1; 4 - площадка для приема бетона со стоянки 2; 5 - площадка для приема бетона со стоянки 3; 6 - смонтированные отстойники; I, II, III - очередность заполнения полос

Рис. 7. Схема бетонирования днища (разрез I-I):

1 - автомобильный кран КС-3562А; 2 - опасная зона хвостовой части крана; 3 - ось движения крана; 4 - бадья для подачи бетона; 5 - строп двухветвевой; 6 - уложенная арматура днища; 7 - бетонная подготовка; I, II, III - очередность заполнения полос

Рис. 8. Устройство опалубки стен и балок

Рис. 9. Схема бетонирования стен:

1 - автомобильный кран КС-3562А; 2 - опасная зона хвостовой части крана; 3 - площадка для приема раствора со стоянки 1; 4 - площадка для приема раствора со стоянки 2; 5 - площадка для приема раствора со стоянки 3; 6 - площадка для приема раствора со стоянки 4; 7 - площадка для складирования арматуры со стоянки 1; 8 - площадка для складирования арматуры со стоянки 2; 9 - площадка для складирования арматуры со стоянок 3 и 4; 10 - трубчатые безболтовые леса; 11 - смонтированные отстойники

Бетон на строительную площадку доставляют централизованно автобетоновозами или автосамосвалами, приспособленными для перевозки бетона. К месту укладки бетонную смесь подают в поворотных бадьях вместимостью 1 м3 автомобильным кран КС-3562А со стрелой длиной 14 м. Уплотняют ее виброрейкой СО-132 длиной 3 м.

2.3. При возведении отстойника применяется автомобильный кран КС-3562А.

Бетонную подготовку выполняют полосами шириной 2,8 м по длине окружности. ширину полосы ограничивают маячными рейками, которые определяют проектную толщину и уклон подготовки. Для этого маячные рейки, выполняют в виде кружала. Полосы заполняются бетонной смесью через одну. Очередность заполнения полос и схема организации работ при бетонировании подготовки даны на рис. 2, 3.

Работы по устройству бетонной подготовки выполняются в следующей последовательности:

установка маячных реек;

укладка бетонной смеси с разравниванием;

уплотнение и выравнивание бетонной смеси виброрейкой;

снятие маячных реек.

Бетон, уложенный в жаркую солнечную погоду, следует немедленно накрыть, а во время дождя защитить от попадания воды. Случайно размытый слой бетона следует удалить.

Устройство бетонной подготовки должно сопровождаться соответствующими записями в журнале бетонных работ.

Устройство цементной стяжки выполняется полосами шириной 2,8 м по длине окружности. Ширину полосы ограничивают маячными рейками, которые определяют проектную толщину и уклон стяжки. Полосы заполняют цементным раствором состава 1:2 через одну (см. рис. 2, 3). Разравнивают цементный раствор деревянным правилом длиной 2,5 м.

Работа по устройству цементной стяжки выполняются в следующей последовательности:

установка маячных реек;

укладка раствора с разравниванием;

снятие маячных реек.

Раствор, уложенный в стяжку в жаркую солнечную погоду, следует немедленно накрыть, а во время дождя защитить от попадания воды. Случайно размытый слой раствора следует удалить.

По окончании устройства цементной стяжки составляется акт на скрытые работы.

Устройство днища отстойника начинать с вязки нижних сеток и каркасов и укладки их на бетонных подкладках, обеспечивающих проектную толщину защитного слоя бетона. Верхние сетки фиксируют на каркасах-подставках.

Организация работ при укладке арматуры приводится на рис. 4, 5.

Установленную арматуру необходимо закрепить и предохранить от смещений и повреждений, которые могут произойти в процессе бетонирования.

Принимать смонтированную арматуру и сварные стыковые соединения следует до укладки бетонной смеси и оформлять актом освидетельствования скрытых работ.

К установке опалубки днища приступают после инструментальной проверки соответствия геометрических размеров щитов опалубки проектным.

Устанавливают опалубку вручную, начиная с маячных щитов, которые ставят на расстоянии 3-4 м друг от друга. Шаг маячных щитов должен быть кратным их длине. Щиты опалубки закрепляют в строго вертикальном положении подкосами и временными распорками.

Перед укладкой бетонной смеси должны быть проверены и приняты:

все конструкции и их элементы, закрываемые в процессе последующих работ;

правильность установки и закрепления опалубки и поддерживающих ее конструкций и маячных реек.

Опалубка должна быть очищена от мусора и грязи, а арматура - от ржавчины.

Работы по бетонированию днища отстойника ведутся в два этапа:

1-й этап - бетонирование днища;

2-й этап - бетонирование опорного кольца.

Днище бетонируется (рис. 6, 7) полосами шириной 2,8 м по длине окружности. Ширину полосы ограничивают маячными рейками, которые определяют проектные толщину и уклон днища отстойника. Для этого маячные рейки выполняют в виде кружала. Полосы заполняются через одну. Промежуточная полоса должна бетонироваться после затвердения бетона в смежных полосах и снятия маячных реек.

При бетонировании промежуточной полосы днища отстойника поверхность ранее уложенного бетона (рабочий шов первой и второй полос) очищают металлической щеткой или пневмоскребком от грязи и пленки цементного молока так, чтобы обнажить крупный заполнитель, обдувают сжатым воздухом и смачивают водой. На подготовленную поверхность рабочего шва наносят слой цементного раствора состава 1:3 толщиной 1-2 см, прочностью не ниже прочности бетона отстойника.

По достижении бетоном, уложенным в днище, достаточной прочности (не менее 15 кг/см2) приступают к укладке бетона в опалубку.

Бетонная смесь укладывается слоями одинаковой толщины в одном направлении.

Бетонирование должно сопровождаться соответствующими, записями в журнале бетонных работ.

Бетонная смесь, уложенная в днище отстойника, уплотняется виброрейкой CО-132 длиной 3 м, а в опорном кольце - глубинным вибратором ИВ-47 с рабочей частью длиной 440 мм. Шаг перестановки вибратора не должен превышать 1,5 радиуса его действия.

Для передвижения рабочих, занятых установкой маячных реек и бетонированием днища, прокладывают ходовые деревянные трапы шириной 0,6 м.

Опалубку разбирают в следующем порядке:

удаляют наружные крепления - подкосы и распорки;

обрезают проволочные скрутки;

отрывают щиты от бетона ломиками или коленчатыми рычагами.

Рабочую поверхность опалубки после снятия очищают от налипшего бетона и цементного молока и .смазывают антиадгезионной смазкой.

Опалубку стен отстойника устанавливают в определенной последовательности: сначала внутреннюю опалубку (стойки, щиты, связи), а затем наружную отдельными ярусами по мере бетонирования (высота яруса 1 м). Последовательность установки опалубки представлена на рис. 8.

Внутренние щиты опалубки крепят через бруски к стойкам внутренних лесов, Наружные щиты болтами крепят к внутренним щитам. Через 2 ч после бетонирования стен болты проворачивают для ликвидации их сцепления с бетоном. После снятия опалубки отверстия, оставшиеся от болтов, инъецируют расширяющимся бетоном.

К арматурным работам приступают после установки внутренних щитов опалубки стен. Стены, балки, приемный и отводящий лотки армируются сетками и каркасами, соединенными электродуговой сваркой.

Арматуру стен устанавливают в три яруса по мере бетонирования стен (рис. 9, 10).

Рис. 10. Схема бетонирования стен (разрез I-I):

1 - автонобильный кран КС-3562А; 2 - опасная зона хвостовой части крана; 3 - ось движения крана; 4 - бадья для подачи бетона; ,5 - строп двухветвевой; 6 - трубчатые безболтовые леса; 7 - опалубка стен; 8 - опалубка балок

Арматуру балок, подводящего и отводящего лотков устанавливают полностью на весь объем бетонных работ после проверки и приемки опалубки.

Стены отстойника бетонируют с инвентарных трубчатых безболтовых лесов, установленных с наружной стороны отстойника (см. рис. 9) Бетон укладывают слоями толщиной 20-25 см в одном направлении по всему периметру стен с тем, чтобы до укладки последующего слоя прошло не более 2 ч.

Балки приемного и отводящего лотков должны бетонироваться непрерывно. При перерывах в бетонировании более двух часов работы возобновляют лишь после достижения ранее уложенным бетоном прочности 15 кг/см2.

Поверхность рабочего шва очищают от цементной пленки и смачивают водой. Оставшуюся на поверхности воду удаляют.

Бетонную смесь уплотняют глубинным вибратором. Оптимальная продолжительность вибрирования на одном месте должна быть 20-30 с. Во время уплотнения бетонной смеси глубинным вибратором опирание его на арматуру и закладные части не допускается.

Бетонирование должно сопровождаться соответствующими записями в журнале бетонных работ.

При уходе за бетоном необходимо:

обеспечивать благоприятные температурно-влажностные условия для твердения бетона, предохранять его от вредного воздействия ветра, прямых солнечных лучей, систематически поливая водой влагоемкие покрытия (мешковину, слой песка, опилок) открытых поверхностей бетона;

в сухую погоду открытые поверхности бетона поддерживать во влажном состоянии до достижения бетоном 70% проектной прочности.

При выполнении торкретных работ используют установленные внутри отстойника для поддержки опалубки стен и балки леса, на прогоны которых укладывают настил, и столики-козелки для малярных и штукатурных работ.

Торкретирование поверхностей отстойника производят ярусами (рис. 11).

Рис. 11. Схема установки для производства торкрет-штукатурки:

1 - компрессор; 2 - шланги для подачи воздуха; 3 - цемент-пушка; 4 - шланг для подачи сухой смеси; 5 - растворомешалка; 6 - ящик для песка; 7 - емкость для цемента; 8 - бак для воды; 9 - шланг для воды

С поверхности, подлежащей торкретированию, удаляют неровности, обрабатывают пескоструйным способом и промывают струей воды при помощи установки СБ-13,

Пескоструйную обработку производят песчано-воздушной струей, используя просушенный чистый песок крупностью до 8 мм, который завозят на площадку централизованно автосамосвалами и загружают в цемент-пушку скиповым загрузочным ковшом растворосмесителя.

Смесь для торкретирования приготовляют на сульфатостойком портландцементе марки 400 (ГОСТ 10173-76) в растворосмесителе СБ-97 (СБ-30). Заполнитель - среднезернистый песок с крупностью частиц не более 5 мм (ГОСТ 8736-77).

С целью повышения водонепроницаемости наносимого торкретного слоя рекомендуются следующие составы сухой смеси для:

днища отстойника - 1:1,375;

стен, балок, лотков - 1:4,5

Цемент и песок дозируют только по массе с учетом влажности песка (4-5%).

Торкрет-штукатурку наносят при помощи установки (рис. 11), состоящей из цемент-пушки СБ-13, компрессора ДК-9, бака для воды, воздухоочистителя и сопла с насадками и шлангов, в соответствии со СНиП III-15-76 "Правила производства и приемки работ. Бетонные и железобетонные конструкции монолитные".

Торкрет-штукатурку на внутренние поверхности отстойника наносят в три слоя: два толщиной 10 мм с последующей затиркой, третий толщиной 5 мм с затиркой и железнением. Каждый последующий слой наносят после схватывания раствора предыдущего слоя.

Перерывы свыше 10 мин во время торкретирования отдельных ярусов не допускаются.

Торкрет-штукатурку на портландцементе увлажняют через 12-16 ч. В дальнейшем обработанную поверхность увлажняют через каждые 3 ч распыленной струей воды.

При торкретировании сопло должно находиться на расстоянии 80-100 см от покрываемой поверхности. Его ствол перемещают по спирали и держат строго перпендикулярно торкретируемой поверхности.

После нанесения последнего слоя торкрет-штукатурки и его затирки спустя 1-2 ч поверхность железнят при помощи гладилки.

До начала испытания отстойника должны быть выполнены следующие работы:

закончены все строительно-монтажные работы по сооружению отстойника;

визуально осмотрены все конструкции снаружи и внутри резервуара, а также технологические трубопроводы и составлен акт о готовности резервуара к испытанию, который подписывается представителями заказчика и строительной организации;

проложена сеть временного водопровода, из которого будет заполняться резервуар;

подготовлены и установлены в зоне работы бригады механизмы, инвентарь, приспособления и средства для безопасного производства работ;

составлен график круглосуточного дежурства инженерно-технического персонала;

плотно закрыты все технологические задвижки и проверено отсутствие просачивания через них воды.

Вода в резервуар заливается в два этапа:

на высоту 1 м с выдерживанием в течение суток для проверки герметичности днища;

до проектной отметки.

Испытание железобетонных емкостных сооружений на водонепроницаемость разрешается начинать не ранее чем через 5 суток после их наполнения водой. Для этого рядом с сооружением устанавливают стеклянный контрольный сосуд с ценой деления 1 мм, затем резиновой трубкой сифонным способом заполняют его водой, создав сообщающиеся сосуды, и фиксируют время заполнения.

Разность уровней за сутки умножают на площадь зеркала вода в сооружении и получают количество воды, вытекающей за сутки.

При испытании на плотность убыль воды на испарение с открытой водной поверхности должна учитываться дополнительно. Отстойник признается выдержавшим испытания, если убыль воды в нем за сутки не превышает 3 л на 1 м2 смоченной поверхности стен и днища, через стенка не просачиваются струйки вода и не увлажняется грунт в основании.

При невыполнении хотя бы одного из указанных требований резервуар считать не выдергавшим испытания. Если резервуар не выдержал испытания и подлежит ремонту, то после окончания ремонта повторяют гидравлическое испытание.

Окрасочная гидроизоляция наружной поверхности стен горячей битумной мастикой должна наноситься равномерно по всей изолируемой поверхности в два слоя толщиной около 2 мм каждый. Второй слой можно наносить только после отвердения и просушки первого. Поверхность каждого нанесенного слоя гидроизоляции и изолируемая поверхность должны предохраняться от загрязнения.

Битум разогревается, подается и наносится на изолируемую поверхность при выполнении гидроизоляции с помощью установки УРБМ-2А.

Шланги и трубы для механизированной подачи горячей битумной мастики, нагретой в соответствии с требованиями СНиП III-20-74 "Правила производства и приемки работ. Кровли, гидроизоляция, пароизоляция и теплоизоляция", защищают от охлаждения. Шланги для подачи разжиженных составов должны быть бензостойкими.

До начала изоляционных работ основание гидроизоляции выравнивается и очищается от строительного мусора.

Оклеечная гидроизоляция состоит из трех слоев изола или гидроизола, наклеиваемых, по периметру опорного кольца на изолируемую поверхность горячими битумными мастиками, которые наносят слоем толщиной 1-2 мм. Последнее полотнище оклеечной рулонной гидроизоляции покрывается сплошным слоем горячей битумной мастики толщиной 2 мм. 'Для предохранения оклеечной гидроизоляции от оползания по периметру опорного кольца устраивается прижимная кирпичная стенка в 1/2 кирпича поточным методом, то есть с разбивкой стенки на захватки длиной 3 м (рис. 12).

Рис. 12. Схема разбивки на захватки и организация рабочего места на захватке при кладке прижимной стенки:

1 - пакет красного кирпича; 2 - ящик с раствором; 3 - каменщики

Запас кирпича принимают из расчета двухчасовой потребности, растворные ящики заполняют раствором за 10-15 мин до начала кладки. В процессе работы запас материалов пополняют.

Кирпичную кладку ведут операционно-расчлененным методом, при котором каждый рабочий ежедневно выполняет одни и те же операции.

2.4. При производстве бетонных работ в зимнее время должны выдерживаться требования СНиП III-15-76 "Правила производства и приемки работ. Бетонные и железобетонные конструкции монолитные". Руководства по производству бетонных работ и других инструктивных документов по зимнему бетонированию.

Опалубку и арматуру перед бетонированием очистить от наледи и снега.

Для антиадгезионного покрытия рабочей поверхности опалубки применяют гидрофобизирующие смазки на основе продуктов нефтехимии, не загустевающие на морозе, - солидольную или петролатумно-керосиновую.

Особенностью производства бетонных работ при отрицательных температурах воздуха является необходимость выполнения мероприятий, обеспечивающих минимальные потери тепла бетонной смесью от момента ее приготовления до укладки в опалубку конструкции.

Торкретирование поверхности отстойника выполняют при температуре воздуха не ниже + 5°С. Если температура ниже этого предела, работы прекращают и срочно принимают меры к предохранению торкрет-штукатурки от замораживания: утепляют нанесенные слои и устраивают тепляки около оборудования.

При отрицательной температуре испытывать и заполнять отстойник нельзя.

Кирпичную прижимную стенку в зимних условиях выполняют способом замораживания или применяя обычные растворы с химическими противоморозными добавками.

При отрицательной температуре наружного воздуха для выполнения обмазочной и оклеечной гидроизоляции используются только холодные мастики.

2.5. Устройством днища, стен и покрытия занимается бригада из десяти человек:

плотники-бетонщики 4-го разряда - 3;

плотники-бетонщики 2-го разряда - 4;

арматурщик-сварщик 6-го разряда - 1;

арматурщики-сварщики 3-го разряда - 2;

нанесением торкрет-штукатурки бригада из шести человек:

штукатуры 4-го разряда - 2;

штукатуры 3-го разряда - 3;

машинист цемент-пушки 2-го разряда - 1;

машинист компрессора 3-го разряда - 1;

испытанием резервуара - звено:

слесари-сантехники 5-го разряда - 3;

рабочие 2-го разряда - 3;

компрессорщик 3-го разряда - 1;

устройством и разборкой лесов - звено монтажников:

монтажник 4-го разряда - 1;

монтажника 3-го разряда - 2;

монтаиник 2-го разряда - 1;

устройством гидроизоляпии - звено гидроизолировщиков:

изолировщик 4-го разряда - 1;

изолировщик 3-го разряда - 1;

изолировщики 2-го разряда - 2;

машинист 3-го разряда - 1;

На подаче материалов работают машинист 5-го разряда и такелажник 2-го разряда.

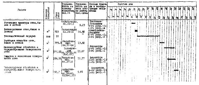
2.6. График, выполнения работ приведен в таблице 1.

2.7. Калькуляция трудовых затрат приведена в таблице 2.

2.8. Рациональная организация, методы и приемы труда при выполнении рабочих процессов и операций приняты в соответствии с типовыми картами трудовых процессов КТ-4.1-33.20-76, КТ-4.1-37.31-76, КТ-4.1-27.26-76, разработанными конструкторско-технологическим институтом Минпромотроя СССР; KT-3.1-1.8-76, KT-1.0-6.1-76, разработанными трестом Мособлоргтехстрой и ЦНИБ Главмособлстроя при Мособлисполкоме.

2.9. Операционный контроль качества работ по возведению отстойника необходимо выполнять в соответствии о требованиями СНиП III-15-76 "Правила производства и приемки работ. Бетонные и железобетонные конструкции монолитные", СНиП III-20-74 "Правила производства и приемки работ. Кровли, гидроизоляция, пароизоляция и теплоизоляция", СНиП III-17-78 "Правила производства и приемки работ. Каменные конструкции", инструкции СН 47-74.

Отклонения геометрических размеров, допустимые при бетонировании днища и стен, устройстве кирпичной прижимной стенки, приведены на рис. 13, 14, 15, 16, 17.

Рис. 13. Допустимые отклонения геометрических размеров при установке арматуры днища отстойника:

1 - в расстояниях между связями арматурных каркасов ± 10 мм; 2 - в положении стержней в торцах сварных каркасов ± 5 мм; 3 - в отдельных местах в толщине защитного слоя ± 10 мм; 4 - в расстояниях между отдельно установленными рабочими стержнями ± 10 т

Рис. 14, допустимые отклонения геометрических размеров при бетонировании днища отстойника:

1 - поверхность рабочих швов должна быть перпендикулярна поверхности элементов; 2 - отклонение толщины от проектной допускается только в отдельных местах - не более 10% заданной толщины; 3 - допустимые отклонения поверхности бетона от плоскости ± 4 мм

Рис. 15. Допустимые отклонения геометрических размеров, при установке опалубки стен отстойника:

1 - во внутренних размерах поперечных коробов опалубки и в расстояниях между внутренними поверхностями опалубки стен от проектных размеров 15 мм; 2 - от проектных размеров но длине и ширине щитов +5 мм; 3 - от вертикали или от проектного наклона плоскостей опалубки и линии их пересечения на 1 м высоты 5 мм; на всю конструкцию стен при высоте более 5 м - 15 мм; разница в толщине сменных досок щитов нестроганой опалубки ± 2 мм, строганой ± 0,5 мм

Рис. 16. Допустимые отклонения геометрических размеров при бетонировании стен:

1 - высота свободного сбрасывания бетонной смеси не более 1 м; 2 - плоскостей от вертикали или от проектного наклона 10 мм; 3 - в отметках поверхностей ± 5 мм; 4 - в размерах поперечного сечения элементов ± 8 мм; 5 - в длине элементов ± 20 мм

Рис. 17. Отклонения геометрических размеров кирпичной кладки:

1 - поверхностей кладки от вертикали на все сооружение, 30 мм; 2 - неровности на вертикальной поверхности, обнаруживаемые при накладывании двухметровой рейки 5 мм; 3 - отдельных рядов кладки от горизонтали на 10 м длины 15 мм; 4 - отметок обрезов 15 мм; 5 - толщина горизонтальных швов 8-15 мм; 6 - по толщине кладки 10 мм

Схема операционного контроля качества работ приведена в таблице 3.

2.10. При производстве работ необходимо соблюдать правила по технике безопасности, приведенные в СНиП III-4-80 "Правила производства и приемки работ. Техника безопасности в строительстве".

Таблица 1

График выполнения работ

Продолжение табл. 1

Окончание табл. 1

Таблица 2

Калькуляция затрат труда

№ п/п

Обоснование ЕНиР

Работы

Единица измерения

Объем работ

Норма времени на единицу измерения, чел.-ч

Затраты труда на общий объем работ, чел.-ч

Расценка на единицу измерения, руб.-коп.

Стоимость затрат на общий объем работ, руб.-коп.

1

§ 4-1-42, п. 17

Прием бетонной смеси из кузова самосвала с очистков кузова

100 м3

0,14

8,5

1,19

4-19

0-59

2

§ 1-5, п. 4б

Подача бетона в бадьях вместимостью 1 м3 на рабочее место

100 т

0,35

8

2,8

3-94

1-38

3

§ 4-1-42, п. 19

Перекидка бетонной смеси на расстояние до 2 м

1 м3

14

0,75

10,5

0-37

5-18

4

§ 19-30, п. 1а

Устройство бетонной подготовки толщиной 100 мм

100 м2

0,93

7,5

6,98

3-93

3-65

5

§ I-II, прим. 4

Очистить кузов автосамосвала от раствора

1 т

14

0,048

0,67

0-02,1

0-29

6

§ 1-5, п. 3б

Подача раствора в бадьях вместимостью 1 м3 на рабочее место

100 т

0,14

10

1,4

4-93

0-69

7

§ 19-27

Устройство цементной стяжки

100 м2

0,93

23

21,39

12-29

11-43

8

§ 4-1-34 к=1,2

Установка и вязка арматуры отдельными стержнями в виде каркаса

 

 

 

 

 

 

 

п. 2б

Ø 8 мм

1 т

0,487

31,2

15,19

17-44

8-49

 

п. 2в

Ø до 12 мм

1 т

0,219

21,6

4,73

12-07

2-64

 

п. 2г

Ø до 18 мм

1 т

0,175

15

2,63

8-39

1-47

 

п. 2д

Ø до 26 мм

1 т

1,183

10,44

12,35

5-83

6-90

9

§ 4-1-27, т. 2, п. 1a к=1,15

Установка прямоугольных щитов опалубки опорного кольца днища площадью до 1 м2

1 м2

18,2

0,75

13,65

0-42

7-64

10

§ 4-1-27, т. 2, п. 1a к=1,15 и к=1,25

Установка щитов трапецеидальной формы опорного кольца днища площадью до 1 м2

1 м2

18,87

0,81

15,28

0-45

8-49

11

§ 4-1-42, п. 17

Прием бетонной смеси из кузова автосамосвала с очисткой кузова

100 м3

0,25

8,5

2,13

4-19

1-05

12

§ 1-5, п. 4б

Подача бетона в бадьях вместимостью 1 м3 на рабочее место

100 т

0,62

8

4,96

3-94

2-44

13

§ 4-1-37, т. 3. п. 15, прим. 4

Укладка бетонной смеси в днище поворотными бадьями с частичной перекидкой, разравниванием и уплотнением вибраторами

1 м3

24,69

0,61

15,06

0-34,1

8-42

14

§ 4-1-42, п. 7

Уход за бетоном, уложенным в конструкцию (поливка водой за 1 раз из брандспойта)

100 м2

0,93

0,15

0,14

0-07,4

0-07

15

§ 4-1-42, п. 8

Покрытие бетонной поверхности рогожей

100 м2

0,93

0,2

0,19

0-09,9

0-09

16

§ 4-1-42

Снятие с бетонной поверхности рогожи или матов

100 м2

0,93

0,23

0,21

0-11,3

0-11

17

§ 4-1-28, п. 3а, прим. 1

Устройство опалубки стен

1 м2

186,52

1,36

253,67

0-35,5

159-4,7

18

§ 4-1-27, п. 2ж, прим. 1 к=1,15

Устройство опалубки балок

м2

165,88

0,37

61,38

0-19,6

32-51

19,

§ 4-1-28, п. 5а

Устройство опалубки лотков

1 м2

22,9

2,5

57,25

1-57

35-95

20,

§ 4-1-33, п. 2б

Установка вертикальных арматурных сеток стен массой до 0,6 т

1 сетка

18

1,5

27

0-78

14-20

21

§ 4-1-33, п. 2б

Установка арматурных каркасов балок массой до 0,6 т в вертикальное положение

1 каркас

8

1,5

12

0-78,5

6-28

22

§ 4-1-31 п. 3б

Установка арматурных сеток массой до 0,6 т в наклонное положение

1 сетка

6

2,4

14,4

1-26

7-56

23

§ 4-1-34

Установка и вязка арматуры отдельными стержнями в виде каркаса

 

 

 

 

 

 

 

п. 13а, прим. к=1,2

Ø 6 мм

1 т

0,298

68,4

20,38

40-87

12-18

 

п. 13в, прим. к=1,2

Ø до 12 мм

1 т

0,001

60

0,06

35-86

0-04

24

§ 4-1-42, п. 17

Прием бетонной смеси из кузова самосвала с очисткой кузова

100 м3

0,723

8,5

6,15

4-19

3-03

25

§ 1-5, п. 4б

Подача бетона в бадьях вместимостью 1 м3 на рабочее место

100 м3

0,723

8

5,78

3-94

2-85

26

§ 4-1-37, п. 4б

Бетонирование стен толщиной до 150 мм с одинарной арматурой резервуара диаметром до 10 м

м3

7,55

3

22,65

1-68

12-68

27

§ 4-1-3 7, т. 4, п. 4б к=1,25 прим.

Бетонирование стенок толщиной до 150 мм с двойной арматурой резервуара диаметром до 10 м

1 м3

9,46

3,75

35,48

2-10

19-87

28

§ 4-1-37, т. 4, п. 4в к=1,25 прим.

Бетонирование стен толщиной до 200 мм с двойной арматурой резервуара диаметром до 10 м

1 м3

11,4

2,5

28,5

1-40

15-96

29

§ 4-1-37, т. 3, п. 7

Бетонирование балок при ширине до 150 мм

1 м3

9,6

1,5

14,4

0-83,9

8-05

30

§ 4-1-37, т. 3, п. 7

Бетонирование балок при ширине до 250 мм

1 м3

7,2

1,15

8,28

0-64,3

4-63

31

§ 4-1-37, т.5, п. 3

Бетонирование лотков

1 м3

2,4

5,6

13,44

3-13

7-51

32

§ 4-1-28, п. 3б

разборка щитовой опалубки стен резервуара диаметром до 10 м

1 м2

186,52

0,38

70,88

0-21,2

39-54

33

§ 4-1-27, т. 4, п. 2в

Разборка щитовой опалубки балок

1 м2

165,8

0,14

23,22

0-07,3

12-11

34

§ 4-1-28, т. 2, п. 5б

Разборка щитовой опалубки лотков

1 м2

22,9

0,72

16.49

0-40,2

9-21

35

§ 5-2-18, п. 6 к=1,17 к расц.

Пескоструйная обработка поверхности стен

10 м2

18,65

3,2

59,68

2-35

43-83

36

§ 8-17, п. 1 к=1,17 к расц.

Торкретирование поверхности стен

100 м2

1,87

20,1

37,59

14-15

26-46

37

§ 8-6, п. 2 к=0,55; 1,08

Разравнивание слоев и затирка вручную

1 м2

186,52

0,236

44,02

0-14,5

27-05

38

§ 4-1-40, п.3

Железнение поверхности стен

1 м2

186,52

0,16

29,84

0-10

18-65

39

§ 5-2-18, п. 6 к=1,17 к расц.

Пескоструйная обработка поверхности днища

10 м2

9,22

3,2

29,5

2-35

21-57

40

§ 8-17.п. 3 к=1,17 к pасц.

Торкретирование поверхности днища

100 м2

0,92

13,5

12,42

9-50

8-74

41

§ 8-6, п. 2 к=0,55; 1,08

разравнивание слоев и затирка вручную

1 м2

92,23

0,23

21,21

0-14,5

13-37

42

§ 4-1-40, п. 1

Железнение поверхности днища

1 м2

92,23

0,13

11,99

0-08,1

7-47

43

§ 4-1-42, п. 7

Уход за торкрет-штукатуркой (полив водой из брандспойта за 1 раз)

100 м2

2,79

0,15

0,42

0-07,4

0-21

44

§ 3-18, п. 1, 2, 3

Приготовление раствора для торкретирования

м3

10,91

1,66

18,11

0-85

9-27

45

§ 3-3, т. 4

Кирпичная кладка прижимной стенки толщиной в 1/2 кирпича

м3

2,4

2,31

5,54

1-28,7

3-09

46

§ I-II прим.

Очистка кузова автосамосвала от раствора

т

0,7

0,048

0,03

0-02,1

0-01

47

§ I-II, п. 3б

Погрузить раствор в ящики для подъема

т

0,7

0,41

0,29

0-18

0-13

48

§ 1-5, п. 1б

Подача раствора в ящиках на рабочее место

100 т

0,007

29,2

0,2

14-40

0-10

49

§ 1-5, п.3б

Разгрузить поддоны с красным кирпичом

100 т

0,035

10

0,35

4-93

0-17

50

§ 1-5, п. 3б

Подать красный кирпич на рабочее место

100 т

5,035

10

0,35

4-93

0-17

51

Примени­тельно § 7-16, п. 2

Огрунтовка основания битумной мастикой

100 м2

2,15

4,2

9,03

2-07

4-45

52

§ 11-29, п. 2в

Окрасочная гидроизоляция горячей битумной мастикой

100 м2

2,15

10,5

22,58

5-87

12-62

53

§ 11-32, п. 3а

Оклеечная гидроизоляция на битумной мастике

1 м2

18,2

0,195

3,55

0-10,9

1-98

54

§ 11-6

Подача мастики битумным насосом

1 м3

1,2

0.7

0,84

0-73,4

0-86

55

§ 11-46

Приготовление битумной мастики в котле вместимостью 1,5 т

1 т

1,2

10,5

12,6

5-94

7-13

56

Общая часть

Обслуживание монтажного крана КС-3562А, машинист 5-го разр.-1

чел-дни

16

 

 

5-62

89-92

57

Общая часть

Обслуживание цемент-пушки, машинист 4-го разр.-1

чел-дни

6

 

 

5-00

30-00

58

Общая часть

Обслуживание компрессора, машинист 3-го разр.-1

чел-дни

5

 

 

4-42

22-10

 

 

ИТОГО

 

 

 

1143

 

824-12

Таблица 3

Схема операционного контроля качества работ

Операции, подлежащие контролю

Контроль качества выполнения операций

производителем работ

мастером

Контролируемые параметры

Способы

Время

Привлекаемые службы

Подготови­тельные работы

-

Достаточность размеров котлована, правильность его расположения (привязка к разбивочным осям), надежность крепления, отметки дна котлована, отметка верха подушки

Стальной рулеткой, отвесом, нивелиром визуально

До установки опалубки

Геодезическая

 

Устройство бетонной подготовки

Неровность поверхности

Нивелир, двухметровая рейка

-

Геодезическая

Подготови­тельные

 

Качество выполнения опалубки

Визуально

До бетони­рования

 

 

 

Соответствие проекту отметки основания

Нивелир

До бетони­рования

 

 

 

Состояние арматуры и закладных частей (ржавчина, масло). Акт приемки арматуры

Визуально

До бетони­рования

 

Распалубли­вание

-

Отметки уступов и верха, отметка дна прочность бетона

Нивелир неразрушаю­щими методами

После распалубли­вания

Геодезиче­ская, строительная лаборатория

Распапубли­вание

-

Качество поверхности, наличие и соответствие проекту отверстий, проемов и каналов, соответствие геометрических размеров и внешних очертаний проекту

 

 

 

 

 

Прочность бетона, его однородность, наличие пор и трещин

Прибор УКБ, визуально

До бетони­рования

Лаборатория

 

Подготови­тельные работы

Толщина подготовки и ее качество

Стальным метром, визуально

До установки опалубки

Технадзор

 

 

Качество основания (очистка от грязи, наледи, снега и т.п.), снятие верхнего слоя на рабочих швах (насечка, промывка)

Визуально

До бетони­рования

 

-

Устройство опалубки

Правильность привязки к осям, геометрические размеры, вертикальность и горизонтальность элементов опалубки, плотность прилегания, подвижность крепления опалубки и ее жесткость

Метром, уровнем, отвесом, визуально

До начала бетониро­вания

 

Приемка арматуры

-

Соответствие арматурных каркасов и сеток проекту по паспорту

Визуально

До монтажа арматуры

 

Монтаж арматуры

 

Правильность установки сеток, каркасов

Отвес, стальной метр

В процессе монтажа до сварки

 

 

 

Обеспечение защитного слоя

Стальной метр

При установке опалубки

 

 

 

Закрепление стыков каркасов, стоек (сварка, вязка)

Визуально

После закрепления

 

-

Приемка арматуры

Диаметры и расстояния между рабочими стержнями и хомутами в сетках и каркасах (выборочно)

Штангенцир­куль, стальной метр

До установки арматуры

 

 

 

Положение закладных частей в каркасах

Стальной метр

До установки арматуры

 

 

 

Качество выполнения мест скрепления арматуры в каркасе и сетке

Визуально

До установки арматуры

 

-

Складирование арматуры

Правильность складирования и хранения

Визуально

До установки арматуры

 

-

Монтаж арматуры

Правильность строповки

Стальной метр, визуально

Во время монтажа арматуры

 

 

Монтаж арматуры

Соответствие технологии, принятой в технологической карте ППР

Визуально

Во время Монтажа арматуры

 

 

 

Правильность установки ходовых досок по плите

Визуально

Во время монтажа арматуры

 

 

Укладка бетонной смеси

Качество бетонной смеси (подвижность, кубиковая прочность)

Конус Строй-ЦНИЛ пресс ПСУ-500

В процессе укладки

Лаборатория

 

 

Правильность технологии укладки бетонной смеси

 

 

 

 

 

Правильность выполнения рабочих швов

Визуально

В процессе укладки

 

 

 

Температура наружного воздуха и бетонной смеси (зимой)

Термометр

В процессе укладки

 

-

Уплотнение

Шаг перестановки и глубина погружения вибраторов. Правильность их установки

Визуально

В процессе уплотнения

 

 

 

Достаточность вибрации и толщина бетонного слоя при уплотнении

Визуально

В процессе уплотнения

 

 

Обработка поверхности днища

Наличие поверхностных дефектов, ровность поверхности, горизонтальность, уклон

Двухметровой рейкой, уровнем

После окончания бетонирования

 

Обработка поверхности днища

-

Общий вид днища, соответствие отметок проектным

Визуально, швеллером

После окончания бетонирования

 

 

Уход за бетоном при твердении

Соблюдение влажностного и температурного режимов

Термометр

В процессе твердения

 

Торкретиро­вание

-

Контроль физико-механических свойств торкрета

Исследование

В процессе торкретиро­вания

Лаборатория

 

Подготовка к торкретиро­ванию

Подготовка поверхности

Визуально, рулетка

До торкретиро­вания

Геодезическая

 

Торкретиро­вание поверхности

Соблюдение состава торкрет-штукатурки

Исследование

До торкрети­рования

Лаборатория

 

 

Контроль толщины наносимых слоев

Визуально, рейка, стальная рулетка

После нанесения слоя

Геодезическая

 

 

Соблюдение сроков и режима ухода за поверхностью

Визуально, рейка, стальная рулетка

После нанесения слоя

Лаборатория

Кирпичная кладка прижимной стенки

-

Качество кирпича, раствора

Внешний осмотр, обмер, проверка паспорта

До начала кладки

Лаборатория

-

Кирпичная кладка прижимной стенки

Геометрические размеры кладки

Стальная рулетка, метр

После выполнения каждых 10 м3 кладки

 

 

 

Вертикальность, горизонтальность и поверхность кладки

Уровень, рейка, отвес

В процессе кладки и после окончания

 

 

 

Качество швов кладки (размеры и заполнения)

Стальной метр, двухметровая рейка

После выполнения каждых 10 м3 кладки

 

-

Окрасочная гидроизоляция

Качество основания (очистка от грязи, наледи, снега и т.п.)

Визуально

До устройства гидроизо­ляции

 

 

 

Контроль толщины наносимых слоев

Визуально

В процессе устройства гидроизо­ляции

 

Проектной разработки вопросов, связанных с обеспечением безопасности бетонных, изоляционных работ и работ по устройству кирпичной прижимной стенки, не требуется.

При торкретировании поверхности необходимо:

перед началом каждой смены проверять исправность торкрет-машины, шлангов, дозаторов и другого оборудования (предохранительные клапаны и манометры должны быть опломбированы);

запрещать работу на цемент-пушке под давлением, превышающим указанное в технических паспортах;

разборку, ремонт и очистку торкрет-машины выполнять после снятия давления и отключения машины от электросети;

рабочие места сопловщиков связать сигнализацией (звуковой, световой) с рабочим местом моториста торкрет-машины;

при работе на открытом воздухе сопловщику обязательно надевать очки. В закрытых помещениях очки и респираторы надевать всем членам бригады;

после окончания работы цемент-пушку очистить от невыработанных материалов, все шланги продуть сжатым воздухом и скрутить в бухты.

3. Технико-экономические показатели

Затраты труда на весь объем работ, чел.-день . . . . . . . . . . . . . . 142,86

Затраты труда на 1 м3 объема отстойника, чел.-день . . . . . . . . . 0,26

Выработка на одного рабочего в смену, м3 объема отстойника 3,83

Стоимость затрат труда, руб.-коп . . . . . . . . . . . . . . . . . . . . . . . . . 824-12

Средняя заработная плата на 1 чел.-день, руб.-коп . . . . . . . . . . 5-77

Затраты машино-смен на весь объем работ . . . . . . . . . . . . . . . . . 22

В том числе:

Для установки "Пневмобетон" . . . . . . . . . . . . . . . . . . . . . . . . . . . 6

для автомобильного крана КС-3562А . . . . . . . . . . . . . . . . . . . . . 16

4. Материально-технические ресурсы

4.1. Потребность в основных материалах и полуфабрикатах

Таблица 4

Наименование

Марка

Ед. изм.

Количество

Бетон

М 200

м3

63,9

Бетон

М 50

м3

14

Раствор состава 1:2

 

м3

2,8

Раствор

М 50

м3

0,45

Арматура

 

 

 

Ø 6 мм A-I

 

кг

155

Ø 8 мм A-I

 

кг

1473

Ø 10 мм A-I

 

кг

138

Ø 10 мм А-II

 

кг

 

Ø 14 мм А-II

 

кг

890

Ø 20 мм А-II

 

кг

89,0

Ø 22 мм А-II

 

кг

1050,0

Ø 25 мм А-II

 

кг

276

Кирпич

М 75

шт

1008

Мастика битумная

 

м3

1,2

Раствор для торкретирования

М 150

м3

10,9

4.2. Машины, оборудование, инструменты, инвентарь и приспособления

Таблица 5

Наименование

Марка, ГОСТ, № чертежа

Количество, шт.

Техническая характеристика

Автомобильный кран

КС-3562А

1

Стрела 14 м

Сварочный трансформатор

ТД-500

3

Мощность 25,6 кВт

Инструмент электросварщика

 

3 комплекта

 

Понижающий трансформатор

ИВ-4

3

Мощность 1,2 кВт

Глубинный вибратор

ИВ-47

3

Мощность 1,2 кВт

Виброрейка

C0-I32

1

Длина 3 м

Битумоварочный котел

ИОМТПС* раб. черт 301.00.00.00

1

Вместимость 3,4 м3

Центробежный насос

НШ-150

1

Производительность 150 м3

Компрессор

ДК-9М

1

Производительность 9 м3/мин

Цемент-пушка

СБ-13

1

Производительность 1,5 м3

Растворосмеситель

СБ-97(СБ-30)

1

Объем готового зачеса 250 л

Пневматический передвижной бак для воды

ППП-1000

1

Вместимость 1000 л

Строп четырехветвевой

4CK-8.0 (PтI-8.0) (K1-3,2) 4000 ОСТ 24.090.48-79

1

 

Бадья поворотная

ЦНИИОМТП, раб. черт. 2233-4.00.000

3

Вместимость 1 м3

Ящик для раствора

ЦНИИОМТП, раб. черт. 3.241.42.000

4

Вместимость 550 кг

Подхват-футляр

ЦНИИОМТП, раб. черт. 3.241.42.000

 

Грузоподъемность 1,5 т

Металлические безболтовые трубчатые леса

Конструкции Промстройпроект

352 м2

Допустимая нагрузка 250 кг/м2

Столик универсальный

ЦНИИОМТП, раб. черт. 3.241.42.000

2

 

Противопожарный инвентарь

 

1 компл

 

Пояс предохранительный

ГОСТ 5718-67

12

 

Каска винипластовая

ГОСТ 920-61

12

 

Очки защитные типа З.И.

ГОСТ 12.4.003-74

6

 

Респиратор РУ-60М

ГОСТ 17269-71

6

 

Перчатки резиновые

ГОСТ 20010-74

6

 

Лом стальной

ЛМ-4 ГОСТ 1405-72

3

 

Кувалда

ГОСТ 11401-75

2

Масса 5 кг

Молоток стальной

ГОСТ 2310-70

3

 

Лопата строительная

ГОСТ 3620-63

6

 

Пила-ножовка поперечная

ТУ 25-06-642-70

2

 

Ключ разводной

ГОСТ 7275-75

4

 

Скребок

ЦНИИОМТП, раб. черт. 3.293.00.200

4

 

Щетка стальная

ТУ 494-01-104-76

4

 

Кельма

ГОСТ 9533-71

4

 

Кисть маховая

ГОСТ 10597-70

4

 

Гребок кровельный

ИОМТПС, раб. черт. 333-00-00-00

4

 

Щетка кровельная

Раб. черт. 334-00-00-00-00

4

 

Скребок кровельный

Раб. черт. 335-00-00-00

2

 

Ведро оцинкованное

МРТУ Минторга СССР

2

Вместимость 10 л

Рейка-порядовка

ИОМТПС, раб. черт. 286.00.00.00.

3

 

Кельма для рубки кирпича

ЦНИИОМТП, раб. черт. 3.293.04.000

2

 

Швабровка

ЦНИИОМТП, раб. черт. 369.00.00.000

2

 

Расшивка выпуклая

ГОСТ 12808-67

2

 

Правило

 

2

2000×50×30

Терка деревянная

ИОМТПС, раб. черт. 32.00.00.000

6

 

Гладилка ленточная

ГОСТ 10403-74

3

 

Кельма типа КБ

ГОСТ 9533-71

3

 

Шланг резиновый

ГОСТ 18698-73

40 м

 

Рейка с уровнем

ЦНИИОМТП, раб. черт. 3.295.10.00

1

 

Рулетка металлическая

ГОСТ 7502-69

4

 

Отвес строительный

ГОСТ 7948-71

4

 

Метр складной металлический

ГОСТ 7253-54

4

 

Уровень строительный

ГОСТ 9416-76

2

 

Рейка деревянная

 

1

Длина 2000

___________

*Ныне ПТиОМЭС.

4.3. Потребность в эксплуатационных материалах

Таблица 6

Наименование

Единица измерения

Норма на 1 ч работы машины

Количество на принятый объем работы

Электроэнергия

кВт.ч

 

486,4

Дизельное топливо

кг

 

556,8

Бензин

кг

 

845,9

 

 




ГОСТЫ, СТРОИТЕЛЬНЫЕ и ТЕХНИЧЕСКИЕ НОРМАТИВЫ.
Некоммерческая онлайн система, содержащая все Российские Госты, национальные Стандарты и нормативы.
В Системе содержится более 150000 файлов нормативно-технической документации, действующей на территории РФ.
Система предназначена для широкого круга инженерно-технических специалистов.

Рейтинг@Mail.ru Яндекс цитирования

Copyright © www.gostrf.com, 2008 - 2026