|
|
|
ФЕДЕРАЛЬНОЕ АГЕНТСТВО
ЛАМПЫ МЕТАЛЛОГАЛОГЕННЫЕ Эксплуатационные требования IEC 61167:1992
Предисловие Цели и принципы стандартизации в Российской Федерации установлены Федеральным законом от 27 декабря 2002 г. № 184-ФЗ «О техническом регулировании», а правила применения национальных стандартов Российской Федерации - ГОСТ Р 1.0-2004 «Стандартизация в Российской Федерации. Основные положения» Сведения о стандарте 1 ПОДГОТОВЛЕН Открытым акционерным обществом «Всероссийский научно-исследовательский институт источников света имени А.Н. Лодыгина» (ОАО «Лисма-ВНИИИС») на основе собственного аутентичного перевода стандарта, указанного в пункте 4 2 ВНЕСЕН Техническим комитетом по стандартизации ТК 332 «Светотехнические изделия» 3 УТВЕРЖДЕН И ВВЕДЕН В ДЕЙСТВИЕ Приказом Федерального агентства по техническому регулированию и метрологии от 18 декабря 2008 г. № 456-ст 4 Настоящий стандарт является модифицированным по отношению к международному стандарту МЭК 61167:1992 «Лампы металлогалогенные. Требования к рабочим характеристикам» с изменением № 3:1998 (IEC 61167:1992 «Metal halide lamps - Performance specifications») путем внесения изменений, объяснение которых изложено во введении к настоящему стандарту 5 ВВЕДЕН ВПЕРВЫЕ Информация об изменениях к настоящему стандарту публикуется в ежегодно издаваемом информационном указателе «Национальные стандарты», а текст изменений и поправок- в ежемесячно издаваемых информационных указателях «Национальные стандарты». В случае пересмотра (замены) или отмены настоящего стандарта соответствующее уведомление будет опубликовано в ежемесячно издаваемом информационном указателе «Национальные стандарты». Соответствующая информация, уведомление и тексты размещаются также в информационной системе общего пользования - на официальном сайте Федерального агентства по техническому регулированию и метрологии в сети Интернет СодержаниеВведение В настоящий стандарт включены дополнительные по отношению к международному стандарту МЭК 61167:1992 требования, отражающие потребности национальной экономики Российской Федерации, выделенные в тексте стандарта курсивом. Наименование настоящего стандарта изменено относительно наименования указанного международного стандарта для приведения в соответствие с ГОСТ Р 1.5-2004 (пункт 3.5). В стандарте учтены и выделены вертикальной сплошной линией, расположенной слева от текста, требования, предусмотренные проектом изменения к международному стандарту МЭК 61167:1992 - документ 34A/1280/CD:2008. Параметры ламп из раздела 2 МЭК 61167:1992 «Листы с параметрами» сведены в таблицы 1, 2 и 3, информация для расчета светильника, зажигающего устройства и пускорегулирующего аппарата - в таблицу 4, характеристики дросселя образцового измерительного - в таблицу А.1 в соответствии с требованиями раздела 4 ГОСТ Р 1.5-2004 и для удобства пользования стандартом. В связи с изложенным исключен раздел 2 МЭК 61167:1992. Методы измерения световых и электрических параметров дополнены ссылкой на ГОСТ 17616-82 «Лампы электрические. Методы измерения электрических и световых параметров», методы измерения спектральных и цветовых характеристик дополнены ссылкой на ГОСТ 23198-94 «Лампы электрические. Методы измерения спектральных и цветовых характеристик». Дополнительно включены приложение Е «Сведения о соответствии ссылочных международных стандартов национальным стандартам Российской Федерации, использованным в настоящем стандарте в качестве нормативных ссылок» и приложение F «Сопоставление структуры настоящего стандарта со структурой примененного в нем международного стандарта». НАЦИОНАЛЬНЫЙ СТАНДАРТ РОССИЙСКОЙ ФЕДЕРАЦИИ ЛАМПЫ МЕТАЛЛОГАЛОГЕННЫЕ Эксплуатационные требования Metal halide lamps. Performance requirements Дата введения - 2009-07-01 1 Общие положения1.1 Область примененияНастоящий стандарт устанавливает эксплуатационные требования к металлогалогенным лампам для общего освещения (далее - лампы). Стандарт устанавливает размеры, цветовые и световые характеристики, электрические параметры для зажигания и работы ламп, а также содержит информацию по расчету пускорегулирующего аппарата (ПРА), зажигающего устройства (ЗУ) и светильника. Требования безопасности ламп - по ГОСТ Р 52713. 1.2 Нормативные ссылкиВ настоящем стандарте использованы нормативные ссылки на следующие стандарты: ГОСТ Р МЭК 923-98 Устройства для ламп. Аппараты пускорегулирующие для разрядных ламп (кроме трубчатых люминесцентных ламп). Требования к рабочим характеристикам ГОСТ Р 52713-2007 (МЭК 62035:1999) Лампы разрядные (кроме люминесцентных ламп). Требования безопасности ГОСТ Р МЭК 60598-1-2003 Светильники. Часть 1. Общие требования и методы испытаний ГОСТ 17616-82 Лампы электрические. Методы измерения электрических и световых параметров ГОСТ 23198-94 Лампы электрические. Методы измерения спектральных и цветовых характеристик ГОСТ 28108-89 Цоколи для источников света. Типы, основные и присоединительные размеры, калибры Примечание - При пользовании настоящим стандартом целесообразно проверить действие ссылочных стандартов в информационной системе общего пользования - на официальном сайте Федерального агентства по техническому регулированию и метрологии в сети Интернет или по ежегодно издаваемому информационному указателю «Национальные стандарты», который опубликован по состоянию на 1 января текущего года, и по соответствующим ежемесячно издаваемым информационным указателям, опубликованным в текущем году. Если ссылочный стандарт заменен (изменен), то при пользовании настоящим стандартом следует руководствоваться заменяющим (измененным) стандартом. Если ссылочный стандарт отменен без замены, то положение, в котором дана ссылка на него, применяется в части, не затрагивающей эту ссылку. 1.3 Термины и определенияВ настоящем стандарте применены следующие термины с соответствующими определениями: 1.3.1 металлогалогенная лампа (metal halide lamp): Высокоинтенсивная разрядная лампа, в которой основная часть света создается излучением смеси паров металлов, галоидных соединений металлов и продуктов разложения галоидных соединений. Примечание - Колба может быть прозрачной или с покрытием. 1.3.2 номинальное значение (nominal value): Значение характеристики, используемое для обозначения или идентификации лампы. 1.3.3 расчетное значение (rated value): Значение характеристики лампы при заданных рабочих условиях. Примечание - Значение характеристики лампы и рабочие условия установлены в настоящем стандарте или объявляются изготовителем или основным поставщиком. 1.3.4 стабильность светового потока (lumen maintenance): Отношение светового потока лампы в заданное время к его начальному значению, выраженное в процентах. 1.3.5 начальные значения (initial readings): Значения характеристик зажигания лампы, полученные в результате измерений до отжига, и значения электрических и световых параметров, полученные в результате измерений после 100 ч отжига. 1.3.6 дроссель образцовый измерительный; ДОИ (reference ballast): Специальный пускорегулирующий аппарат индуктивного типа, удовлетворяющий требованиям ГОСТ Р МЭК 923, являющийся элементом сравнения при испытании пускорегулирующего аппарата, а также предназначенный для испытаний ламп при стандартных условиях, главная особенность которого состоит в том, что при расчетной частоте он имеет стабильное отношение напряжения к току, мало зависящее от колебаний тока, температуры и от внешних магнитных полей. 1.3.7 ток калибровки дросселя образцового измерительного (calibration current of a reference ballast): Значение тока, при котором проводят калибровку и проверку дросселя образцового измерительного. 1.3.8 удельная эффективная мощность ультрафиолетового излучения (specific effective radiant UV power): Отношение эффективной мощности ультрафиолетового излучения лампы к световому потоку, выражаемое в милливаттах на килолюмен (мВт/клм). Примечание - Эффективную мощность УФ-излучения определяют путем оценки спектрального распределения мощности лампы с функцией УФ-опасности SUN(λ). Информация о соответствующей функции УФ-опасности приведена в [1]. Она относится только к возможности опасности УФ-облучения людей и не касается возможного влияния на оптическое излучение материалов, такого как механическое повреждение или обесцвечивание. 1.3.9 пусковой ток (inrush current): Кратковременный высокий ток лампы, полностью или частично выпрямленный, при асимметричном нагреве электродов в течение нескольких секунд при зажигании лампы. 1.3.10 ток разгорания (warm-up current): Увеличенный ток лампы после фазы пуска, обусловленный низким начальным напряжением на лампе и снижаемый от двойного значения расчетного тока лампы до значения, соответствующего наибольшему напряжению на лампе. 1.3.11 время разгорания (run-uptime): Значение наибольшего времени, допускаемого для достижения 90 % значения расчетного светового потока после 100 ч отжига при расчетном напряжении. 1.4 Требования к лампам1.4.1 Общие положения Лампы должны быть сконструированы таким образом, чтобы их характеристики были надежны при правильной эксплуатации. 1.4.2 Маркировка Маркировка должна соответствовать ГОСТ Р 52713 со следующим дополнением: - информацию об индексе цветопередачи или коррелированной цветовой температуре маркируют на лампе или индивидуальной упаковке. 1.4.3 Размеры Основные размеры ламп с цоколями G12, G8,5 должны соответствовать значениям, указанным в таблице 1. Таблица 1
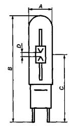
1.4.3.1 Обозначения размеров для ламп с цоколем G12 приведены на рисунке 1, с цоколем G8,5 - на рисунке 2.
А - диаметр колбы; В - расстояние от базовой плоскости до купола колбы; С - высота светового центра; D - длина дуги Рисунок 1 - Лампа с цоколем G12 Базовой плоскостью является нижняя часть кромки цоколя. Дуга расположена перпендикулярно к оси лампы.
А - диаметр колбы; В - расстояние от базовой плоскости до купола колбы; С - высота светового центра; D - длина дуги Рисунок 2 - Лампа с цоколем G8.5 Базовая плоскость определяется концами штырьков. Дуга расположена по оси лампы. 1.4.3.2 Основные размеры ламп с цоколями RX7s, RX7s-24 и Fc2 должны соответствовать значениям, указанным в таблице 2. Таблица 2
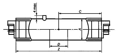
1.4.3.3 Обозначения размеров двухцокольных ламп с цоколями RX7s и RX7s-24 приведены на рисунке 3, с цоколем Fc2 - на рисунке 4.
А - диаметр колбы; В - установочная длина; С - высота светового центра; D - длина дуги; Z - расстояние между контактами Примечание - Расположение откачного носика см. В.2 (приложение В). Рисунок 3 - Лампа с цоколями RX7s и RX7s-24
А - диаметр колбы; С - высота светового центра; D - длина дуги; Z - расстояние между базовыми плоскостями цоколей Примечание - Расположение откачного носика см. В.2 (приложение В). Рисунок 4 - Лампа с цоколями Fc2 1.4.4 Цоколи Цоколь на готовой лампе должен соответствовать ГОСТ 28108 и [2]. 1.4.5 Характеристики зажигания и разгорания Лампа должна зажигаться полностью в течение 10 с и оставаться горящей. Условия и методы испытания приведены в приложении А. При зажигании значение наибольшего пускового тока не должно превышать значений, указанных в 1.5. Метод измерения приведен в ГОСТ Р МЭК 923. Значение тока разгорания лампы должно быть в диапазоне между наименьшими и наибольшими значениями, указанными в 1.5. Условия и методы испытания приведены в приложении А. Время разгорания должно быть не более 3 мин для одноцокольных ламп, 4 мин в имитаторе светильника для двухцокольных ламп и 6 мин в имитаторе светильника для ламп с цоколем Fc2. Примечание - Наибольший пусковой ток (пиковый) ограничивает значение тока в течение выпрямления в фазе зажигания для предотвращения повреждения ПРА и лампы (перегрев и расплавление электродов). Наименьший ток разгорания требуется для безопасного перехода тлеющей фазы в дуговую. 1.4.6 Электрические параметры Значения электрических параметров лампы должны соответствовать значениям, приведенным в таблице 3. Методы измерения - по приложениям А и В. 1.4.7 Световые параметры Начальное значение светового потока лампы должно быть не менее 90 % расчетного значения, указанного в технических условиях на лампы конкретных типов. Методы измерения - по приложению В или ГОСТ 17616. 1.4.8 Цветовые характеристики 1.4.8.1 Лампы с нестандартизованными координатами цветности Расчетные значения и зоны допусков должны быть установлены в технических условиях на лампы конкретного типа. 1.4.8.2 Лампы со стандартизованными координатами цветности Коррелированная цветовая температура и координаты цветности, применимые к конкретной лампе, приведены в таблице 3. Методы измерения спектральных и цветовых характеристик - по ГОСТ 23198. 1.4.9 Стабильность светового потока и продолжительность горения Стабильность светового потока и продолжительность горения устанавливают в технических условиях на лампы конкретного типа. Методы испытаний на стабильность светового потока и продолжительность горения приведены в приложении С. 1.5 Информация для расчета пускорегулирующего аппарата, зажигающего устройства и светильникаДля обеспечения надежного зажигания ПРА, ЗУ и светильники должны удовлетворять требованиям, указанным в таблице 4. Дополнительная информация по расчету светильника приведена в приложении D. Методы измерения температуры на лопатке приведены в [3]. Методы измерения температуры на колбе приведены в [4]. Результаты этих измерений учитывают при оценке ламп без экранирования излучения. Информация для расчета ЗУ - в стадии рассмотрения.
Приложение А
|
|||||||||||||||||||||||||||||||||||||||||||||||||||||||||||||||||||||||||||||||||||||||||||||||||||||||||||||||||||||||||||||||||||||||||||||||||||||||||||||||||||||||||||||||||||||||||||||||||||||||||||||||||||||||||||||||||||||||||||||||||||||||||||||||||||||||||||||||||||||||||||||||||||||||||||||||||||||||||||||||||||||||||||||||||||||||||||||||||||||||||||||||||||||||||||||||||||||||||||||||||||||||||||||||||||||||||||||||||||||||||||||||||||||||||||||||||||||||||||||||||||||||||||||||||||
|
Параметры лампы |
Характеристики ДОИ |
Номер листа МЭК 61167 |
||||||
|
Мощность, Вт |
Номинальная коррелированная цветовая температура, К |
Тип цоколя |
Расчетная частота, Гц |
Расчетное напряжение, В |
Ток калибровки, А |
Отношение напряжения к току, Ом |
Коэффициент мощности |
|
|
35 |
3000 |
G12 |
50 |
220 |
0,53 |
350 |
0,075±0,005 |
61167-МЭК-1000 |
|
70 |
0,98 |
188 |
61167-МЭК-1050 |
|||||
|
4000 1) |
61167-МЭК-1055 |
|||||||
|
150 |
3000 |
1,8 |
97 |
0,060±0,005 |
61167-МЭК-1100 |
|||
|
99 |
0,075±0,005 |
|||||||
|
4000 1) |
97 |
0,060±0,005 |
61167-МЭК-1105 |
|||||
|
99 |
0,075±0,005 |
|||||||
|
39 |
3000 |
G8.5 |
50 |
220 |
0,53 |
350 |
0,075±0,005 |
61167-МЭК-1200 |
|
70 |
RX7s |
0,98 |
188 |
61167-МЭК-2050 |
||||
|
4200 |
61167-МЭК-2055 |
|||||||
|
150 |
3000 |
RX7s-24 |
1,8 |
97 |
0,060±0,005 |
61167-МЭК-2100 |
||
|
99 |
0,075±0,005 |
|||||||
|
4200 1) |
97 |
0,060±0,005 |
61167-МЭК-2105 |
|||||
|
99 |
0,075±0,005 |
|||||||
|
250 |
Fc2 |
3,0 |
59 |
0,060±0,005 |
61167-МЭК-2205 |
|||
|
60 |
0,075±0,005 |
|||||||
|
1) В стадии рассмотрения. Примечание - Номера листов из примененного стандарта МЭК 61167, содержащих требования к ДОИ, приведены для информации пользователя. |
||||||||
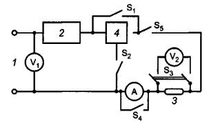
А.2 Проведение измерения
Амперметр должен быть коротко замкнут выключателем S4, а вольтметр V2 отключается выключателем S3. Выключатель S1 должен быть замкнут, а выключатель S5 - разомкнут. Напряжение, измеренное вольтметром V1, устанавливают равным напряжению холостого хода, приведенному в таблице 4.
Сразу после зажигания выключатель S4 размыкают, а выключатель S3 замыкают.
Для оценки ПРА измеряют ток разгорания и ток пуска.
Лампы испытывают при температуре окружающей среды от 20 °С до 30 °С от источника питания частотой 50 или 60 Гц по ГОСТ 17616 или в соответствии с настоящим приложением.
Для измерений используют ДОИ индуктивного типа, соответствующий требованиям ГОСТ Р МЭК 923 и таблице А.1 (приложение А).

1 - источник питания; 2 - ДОИ; 3 – лампа
Рисунок В.1 - Схема измерения параметров лампы
Одноцокольные лампы должны работать на открытом воздухе.
До измерения начальных характеристик лампы отжигают 100 ч с ПРА, удовлетворяющим требованиям ГОСТ Р МЭК 923 при расчетных значениях напряжения и частоты ПРА. Напряжение источника питания не должно отклоняться более чем на ± 3 %, а частота более чем на ± 1 Гц.
Примечание - Допуски указаны для возможности использования общей питающей сети.
Рабочее положение - в соответствии с А.1 (приложение А).
УФ-спектр для оценки актиничной УФ-опасности определяют в соответствии с [1] в диапазоне от 200 до 400 нм включительно.
Примечание - Необходимо обеспечивать защиту персонала от УФ-излучения при проведении измерений.
В.2 Частные требования для двухцокольных ламп
С учетом того, что двухцокольные лампы используют только в светильниках, измерения электрических, световых и цветовых параметров ламп осуществляют в имитаторах светильников.
При оценке результатов измерений учитывают поправки на изменения световых параметров и, если приемлемо, на изменения УФ-характеристик и координат цветности, обусловленные влиянием имитатора светильника.
Имитатор светильника для УФ-измерений приведен на рисунке В.2 и состоит из кварцевой трубки, закрытой с обоих концов алюминиевым диском с матовыми поверхностями. Для других световых измерений трубка имитатора светильника состоит из кварцевого или тугоплавкого стекла.
Положение лампы при измерении должно быть горизонтальным. У ламп с откачным носиком необходимо обеспечить, чтобы откачной носик разрядной трубки был направлен вверх.

Т - трубка из кварца или тугоплавкого стекла (для УФ-измерений только из кварца); D - внутренний диаметр трубки (50 - 51,5 мм); L - длина трубки (100 мм для ламп мощностью 70 Вт; 120 мм для ламп мощностью 150 Вт и (140 ± 1) мм для ламп мощностью 250 Вт); А - толщина стенки трубки (от 2,5 до 3,5 мм); AL - алюминиевый диск; В - толщина алюминиевого диска - 2 мм; ОР - полость для лопатки лампы; S - подвеска лампы на пружине или кронштейн, удерживающий лопатку
Примечание - Допускается расширение диаметра алюминиевого диска, крепящегося внутри имитатора.
Рисунок В.2 - Имитатор светильника для двухцокольных ламп
С.1 Общие положения
Световой поток в заданное время продолжительности горения измеряют в соответствии с приложением В или ГОСТ 17616.
При испытании на продолжительность горения лампы должны работать на открытом воздухе и в светильнике таким образом, чтобы не были превышены пределы температур на лопатке и колбе, приведенные в таблице 4. Лампы не должны подвергаться чрезмерным вибрациям и ударам.
Лампы должны работать в испытательном положении, как указано в таблице 3.
Соединения контактов ламп с контактными зажимами ПРА не должны изменяться в течение испытаний.
Лампы выключают на 1 ч после каждых 11ч работы.
С.2 Лампы для работы от источников питания частотой 50 Гц
Используемые ПРА или ДОИ должны удовлетворять требованиям ГОСТ Р МЭК 923.
Примечание - Выбор типа ПРА для испытаний остается открытым. Рекомендуется использовать ПРА индуктивного типа, поскольку ПРА этого типа имеет наименьшее число параметров, способных повлиять на результаты измерений.
Тип используемого ЗУ должен удовлетворять требованиям [5].
Примечание - Выбор типа и марки ЗУ для испытаний остается открытым, поскольку его параметры могут повлиять на результаты измерений. Рекомендуется объявлять тип и марку используемого ЗУ.
При испытании напряжение и частота источника питания не должны отличаться более чем на 3 % от расчетного напряжения используемого ПРА.
D.1 Наибольшие контуры ламп
Наибольшие контуры ламп устанавливают в технических условиях на лампы конкретных типов для руководства разработчикам светильников при конструировании светильников. Наибольшие контуры ламп основаны на наибольших размерах ламп с учетом несоосности колбы с цоколем.
Для механической установки ламп, соответствующих настоящему стандарту, необходимо предусмотреть в светильнике свободное пространство, основанное на наибольших контурах ламп.
При расчете светильника должно быть предусмотрено свободное пространство для ламп с учетом того, что наибольшие контуры ламп с кварцевыми горелками и ламп с керамическими горелками различны.
D.2 Замена ламп
Конструкция светильника должна обеспечивать правильную замену ламп, а также учитывать УФ-излучение.
Таблица Е.1
|
Обозначение ссылочного национального стандарта Российской Федерации |
Обозначение и наименование ссылочного международного стандарта и условное обозначение степени его соответствия ссылочному национальному стандарту |
|
МЭК 60923:1995 «Устройства для ламп. Аппараты пускорегулирующие для разрядных ламп (кроме трубчатых люминесцентных ламп). Требования к рабочим характеристикам» (IDТ) |
|
|
(МЭК 62035:1999) |
МЭК 62035:1999 «Лампы разрядные (кроме люминесцентных ламп). Требования безопасности» (MOD) |
|
МЭК 60598-1:1999 «Светильники. Часть 1. Общие требования и методы испытаний» (IDТ) |
|
|
ГОСТ 17616-82 |
- |
|
ГОСТ 23198-94 |
- |
|
ГОСТ 28108-89 |
МЭК 60061-1:1969 «Цоколи и патроны ламп, а также калибры для проверки их взаимозаменяемости и безопасности. Часть 1. Цоколи» (NEQ) МЭК 60061-3:1969 «Цоколи и патроны ламп, а также калибры для проверки их взаимозаменяемости и безопасности. Часть 3. Калибры» (NEQ) |
|
Примечание - В настоящей таблице использованы следующие условные обозначения степени соответствия стандартов: - IDТ - идентичные стандарты; - MOD - модифицированные стандарты; - NEQ - неэквивалентные стандарты. |
|
Таблица F.1
|
Структура международного стандарта МЭК 61167:1992 |
Структура настоящего стандарта |
||
|
1 Общие положения |
1 Общие положения |
||
|
Приложения |
А |
Приложения |
А |
|
В |
В |
||
|
С |
С |
||
|
D |
D |
||
|
- |
Е |
||
|
- |
F |
||
|
Библиография |
- |
||
|
2 Листы с параметрами |
Таблицы 1, 2, 3,4 |
||
|
- |
Библиография |
||
|
Светобиологическая безопасность ламп и ламповых систем |
|
|
(IЕС 62471:2006) |
(Photobiological safety of lamps and lamp systems) |
|
Цоколи и патроны ламп, а также калибры для проверки их взаимозаменяемости и безопасности. Часть 1. Цоколи |
|
|
(IEC 60061-1:1969) |
(Lamp caps and holders together with gauges for the control of interchangeability and safety - Part 1: Lamp caps) |
|
Метод измерения температуры на лопатке кварцевых ламп |
|
|
(IЕС 60682:1980) |
(Method of measuring the pinch temperature of quartz glass lamps) |
|
Лампы вольфрамовые галогенные (не для транспортных средств) |
|
|
(IEC 60357:1982) |
(Tungsten halogen lamps (non vehicle)) |
|
Устройства управления лампами. Часть 2-1. Частные требования к зажигающим устройствам (кроме стартеров тлеющего разряда) |
|
|
(IEC 61347-2-1:2003) |
(Lamp control gear- Part 2-1: Particular requirements for starting devices (other than glow starters) |
Ключевые слова: лампы металлогалогенные, эксплуатационные требования
|
ГОСТЫ, СТРОИТЕЛЬНЫЕ и ТЕХНИЧЕСКИЕ НОРМАТИВЫ. Некоммерческая онлайн система, содержащая все Российские Госты, национальные Стандарты и нормативы. В Системе содержится более 150000 файлов нормативно-технической документации, действующей на территории РФ. Система предназначена для широкого круга инженерно-технических специалистов. Copyright © www.gostrf.com, 2008 - 2026 |