Крупнейшая бесплатная информационно-справочная система онлайн доступа к полному собранию технических нормативно-правовых актов РФ. Огромная база технических нормативов (более 150 тысяч документов) и полное собрание национальных стандартов, аутентичное официальной базе Госстандарта. GOSTRF.com - это более 1 Терабайта бесплатной технической информации для всех пользователей интернета. Все электронные копии представленных здесь документов могут распространяться без каких-либо ограничений. Поощряется распространение информации с этого сайта на любых других ресурсах. Каждый человек имеет право на неограниченный доступ к этим документам! Каждый человек имеет право на знание требований, изложенных в данных нормативно-правовых актах!

  


 

ГОССТРОЙ СССР

ЦНИИОМТП

МИНТРАНССТРОЙ

ВПТИТРАНССТРОЙ

Согласовано:

Зам. директора ЦНИИОМТП

__________________ В.Д. Топчий

Зав. отделом бетонных и
железобетонных работ

__________________ Б.В. Жадановский

Главный инженер ВПТИтрансстроя

___________________ В.И. Штейн

Зав. отделом проектирования и внедрения
технологии строительства инженерных
сооружений

___________________ Е.М. Гребенцов

 

ТЕХНОЛОГИЧЕСКАЯ КАРТА
УСТРОЙСТВО БУРОНАБИВНЫХ СВАЙ С УШИРЕННЫМ
ОСНОВАНИЕМ ПРИ СООРУЖЕНИИ ФУНДАМЕНТОВ ОПОР МОСТОВ
С ПРИМЕНЕНИЕМ БУРОВОЙ УСТАНОВКИ "КАТО" И АГРЕГАТА СИСТЕМЫ ЦНИИСА

Содержание

Общая часть

В последние годы в отечественном мостостроении широкое применение получили эффективные конструкции фундаментов на буронабивных сваях-столбах диаметром до 1,7 м, сооружаемых с применением высокопроизводительного бурового оборудования.

Технологическая карта "Устройство буронабивных свай с уширенным основанием с применением буровой установки "Като" и агрегата ЦНИИСа" разработана на основе методов научной организации труда и предназначена для использования при разработке проектов производства работ и организации труда на объектах мостостроения. Карта разработана с учетом передового опыта работы Мостоотряда-4 Мостотреста при строительстве транспортной эстакады в г. Москве.

Технологическая карта предусматривает применение ряда прогрессивных конструктивно-технологических решений и передовых методов организации производства, в том числе:

- устройство уширения буронабивной сваи с целью повышения ее несущей способности, что обеспечивает значительное снижение себестоимости, трудоемкости и материалоемкости сооружения фундаментов;

- совместное использование в одном технологическом процессе при устройстве скважины буронабивной сваи, буровой установки "Като" и агрегата уширения ЦНИИСа, что является принципиально новым прогрессивным направлением в области сооружения буронабивных свай Фундаментов спор искусственных сооружений;

- применение бригадного подряда при производстве работ по устройству буронабивных свай.

Материальные и трудовые ресурсы в карте приведены из расчета их потребности для сооружения одной буронабивной сваи глубиной 13м с уширением.

В карту не включены подготовительные работы по устройству рабочей площадки, разбивке осей опоры и свай, а также работы, связанные с доставкой и складированием необходимого оборудования.

Привязка технологической карты к местным условиям строительства заключается в уточнении объемов работ в зависимости от геологического строения грунтов и соответственно глубины (длины) сваи с корректировкой затрат труда и материально-технических ресурсов.

При сооружении буронабивных свай с уширением необходимо руководствоваться следующими нормативными документами:

СНиП III-43-75 "Мосты и трубы. Правила производства, и приемки работ";

СНиП III-9-74 "Основания и фундаменты. Правила производства и приемки работ";

СНиП III-15-76 "Бетонные и железобетонные конструкции монолитные. Правила производства и приемки работ"

СНиП III-4-80 "Техника безопасности в строительстве";

ВСН 165-70 "Технические указания по строительству фундаментов мостов на буронабивных и буровых, столбов". М., "Транспорт", 1970.

"Руководство по устройству буронабивных свай большого диаметра". М., НИИОСП им. Герсеванова, Госстрой СССР, 1977.

"Правила техники безопасности и производственной санитарии при сооружении мостов и труб". М., Оргтрансстрой 1977.

"Типовая инструкция по охране труда для бетонщиков". М., Оргтрансстрой, 1979.

"Типовая инструкция по охране труда для рабочих, занятых опусканием оболочек и заполнением их бетоном при строительстве мостов". М., Оргтрансстрой, 1978.

"Инструкция по безопасному ведению работ для стропальщиков, обслуживающих грузоподъемные краны". М., "Транспорт", 1975.

1. Область применения

1.1. Технологическая карта разработана на устройство буронабивной сваи диаметром 1,5/1,3 м с уширением до 3,5 м по проекту института "Мосинжпроект".

Конструкция буронабивной сваи представляет собой железобетонный столб длиной 11 м, сооружаемый в буровой скважине глубиной 13 м (рис. 1).

Материал буронабивной сваи - гидротехнический бетон М 300, армированный арматурной сталью класса A-I и A-III.

1.2. R комплекс работ, рассматриваемых технологической картой, входят:

- бурение скважины диаметром 1,5 м на глубину до 10 м под защитой обсадных труб буровой установкой "Като" 30 THC-VS;

- устройство уширения основания скважины до 3,5 м модернизированным буровым агрегатом системы ЦНИИСа;

- армирование и заполнение полости скважины бетоном.

Рис. 1 Схема буронабивных свай фундамента опоры моста:

1 - ростверк опоры; 2 - буронабивные сваи диаметром 1,5/1,3 м с уширением; 3 - арматурный каркас; 4 - кольца жесткости арматурного каркаса; 5 - ось опоры; б - грунт; 7 - мелкозернистый песок средней плотности; 8 - тугопластичный суглинок с прослойками песка и щебня; 9 - пылеватый плотный песок

2. Технология и организация строительного процесса

2.1. До начала работ по устройству буронабивной сваи фундамента опоры должны быть выполнены следующие работы: планировка рабочей площадки; разбивка и закрепление осей опоры и каждой сваи; перебазировка кранового, бурового и бетонолитного оборудования к месту устройства сваи; устройство электроосвещения для осмотра скважины и возможности работы в две-три смены.

Рекомендуемая схема организации строительной площадки показана на рис. 2.

2.2. Весь комплекс работ по сооружению буронабивных свай с уширением выполняют с применением буровой установки "Като" 30 ТНС-VS» бурового агрегата ЦНИИСа с гидравлическим уширителем и стрелового крана Э-2508 на гусеничном ходу грузоподъемностью 60 т со стрелой длиной 25 м. Длину стрелы и грузовую характеристику крана выбирают с учетом условий установки в скважину (для устройства ее уширения) агрегата ЦНИИСа. В данном случае длина агрегата в собранном виде составляет 16 м.

2.3. На первом этапе производства работ по устройству буронабивной сваи производят бурение скважины диаметром 1,5 м на глубину до 10 м буровой установкой "Като" с одновременным погружением обсадной трубы (рис. 3а).

2.3.1. Процесс бурения скважины начинают с подготовки площадки и укладки по осям скважины инвентарной опорной плиты буровой установки "Като". Затем буровую установку перемещают, наводят по осям скважины и устанавливают в горизонтальное положение гидравлическим приводом выносных опор.

2.3.2. По окончании выверки положения буровой установки по осям буронабивной сваи устанавливают ножевую секцию обсадной трубы длиной 6 м и погружают ее вертикальными челночными движениями стяжного хомута буровой установки.

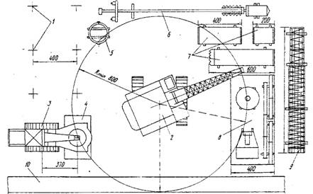
Рис. 2 Схема организации строительной площадки:

1- оси буронабивных свай: 2 - гусеничный кран Э-2508 г/п грузоподъемностью 60 т со стрелой длиной 25 мм; 3 - буровая установка "Като"; 4 - опорная железобетонная плита буровой установки; 5 - опорный стяжной хомут; 6 - буровой агрегат системы ЦНИИСа; 7 - комплект обсадных труб; 8 - площадка складирования бетонолитного оборудования; 9 - арматурный каркас сваи; 10 - дорога для автотранспорта

2.3.3. Бурение скважины веду путем извлечения грунта из обсадной трубы грейфером буровой установки. Скважину (при бурении на всю глубину) ограждают инвентарной обсадной трубой, погружаемой в процессе извлечения грунта с опережением забоя на глубину не менее 1,5 м. Общую длину обсадной трубы назначают из расчета возвышения ее верха на 1,5 м над поверхностью рабочей площадки для свободного размещения и работы стяжного хомута буровой установки.

В настоящей карте обсадная труба принята длиной 12 м (при глубине скважины 10,5 м) и состоит из трех секций длиной 6, 4, 2 м.

Бурение производят на глубину до отметки - 10 м с лидерным погружением обсадной трубы до отметки - 10,5 м. В процессе работы производят наращивание обсадной трубы отдельными секциями при помощи стрелового крана Э-2508. Извлекаемый грунт высыпают на специально огражденную площадку, с которой его периодически перемещают бульдозером в отвал.

2.3.4. По окончании бурения скважины (для устройства ее уширения в основании) обсадную трубу при помощи гидропривода буровой установки извлекают на высоту 2 м и краном снимают одну секцию трубы длиной 2 м. Таким образом создается возможность для устройства уширения скважины.

2.4. Второй этап работ предусматривает устройство уширения основания скважины до 3,5 м буровым агрегатом ЦНИИСа.

2.4.1. Разработку уширения скважины начинают со сборки и установки инвентарного стяжного хомута для анкеровки верха обсадной трубы, которая возвышается над поверхностью рабочей площадки на 1,5 м. Обсадную трубу стропят кольцевыми стропами крана, натягивают их, а затем размыкают стяжной хомут буровой установки, давая тем самым возможность буровой установке "Като" освободить обсадную трубу и отъехать от скважины. В результате обсадная труба удерживается на период анкеровки ее верха от возможного сползания вниз не только силой трения о грунт, но и краном.

Вокруг верха обсадное трубы выкладывают шпальные клетки и на них собирают инвентарный стяжной хомут, состоящий из двух полуколец швеллерного сечения. После окончания затяжки болтов, соединяющих два полукольца стяжного хомута, расстроповывают обсадную трубу, тем самым осуществляя анкеровку трубы и обеспечивая распределение массы бурового агрегата ЦНИИСа, который опирается во время устройства уширения скважины на верх обсадной трубы, через стяжной хомут на поверхность грунта.

2.4.2. После анкеровки обсадной трубы стропят в собранном виде буровой агрегат ЦНИИСа, поднимают его в вертикальное положение, опирая на грунт ковшовый бур агрегата, подают краном к скважине, заводят в полость обсадной трубы и опускают в скважину в два этапа. Сначала устанавливают на верх обсадной трубы стол ротора агрегата с двумя электродвигателями и закрепляют его к верху трубы двумя пальцами. Затем буровую штангу, проходящую сквозь стол ротора, опускают до момента установки ковшового бура на забой скважины.

На весь период устройства уширения буровой скважины буровой агрегат подвешивают к стреловому крану при помощи специальной траверсы, которой поддерживают на весу вращающуюся буровую штангу агрегата без закручивания грузовых тросов крана.

2.4.3. Устройство уширения основания скважины следует разделить на два основных процесса: разработка скважины диаметром 1,3 м ковшовым буром на глубину от 10 до 13 м (рис. 3б); устройство уширения скважины диаметром 3,5 м гидравлическим уширителем агрегата (рис. 3в).

2.4.3.1. Разработку скважины диаметром 1,3 м ковшовым буром производят повторяющимися циклами в следующей технологической последовательности производственных операций: подача и опускание агрегата в скважину; разработка грунта в скважине ковшовым буром; подъем и подача агрегата к отвалу; выгрузка грунта из ковшового бура с его очисткой.

Подвешенный к крюку крана буровой агрегат опускают на забой скважины, включают ротор и ослабляют грузовой трос крана. Под действием собственного веса буровой агрегат врезается в забой, крутящий момент от ротора черва два редуктора передается буровой штанге, которая вместе с ковшовым буром (по мере заглубления) опускается вниз через отверстие в столе ротора. Прекращение опускания штанги свидетельствует о том, что резание и набор грунта в ковшовый бур закончились и что ковшовый бур следует извлекать.

Затем ротор выключают и буровой агрегат извлекают краном из скважины. При этом сначала поднимают буровую штангу с ковшовым буром до упора стопорных уголков штанги в стол ротора, вынимают пальцы крепления стола к верху обсадной трубы, а затем поднимают весь агрегат в сборе до положения, когда низ ковшового бура будет находиться на 0,5 м выше верха обсадной трубы. Далее буровой агрегат при помощи крана подают к отвалу, находящемуся в зоне действия крана.

При выгрузке грунта из ковшового бура буровой агрегат краном опускают до его опирания ковшом на грунт, открывают замок, удерживающий днище ковшового бура, и приподнимают агрегат. Днище ковшового бура открывается под действием массы набранного грунта и грунт выгружается из бура. Налипший на бур грунт очищают при помощи лопаты. По окончании выгрузки грунта агрегат опускают, опирая днище ковшового бура на грунт до полного его закрытия, отводят замок в исходное положение, а затем вновь подают буровой агрегат к скважине.

Скважину диаметром 1,3 м и глубиной 3 м (ниже основания скважины диаметром 1,5 м, разработанной буровой установкой "Като") разрабатывают буровым агрегатом ЦНИИСа за пять-шесть циклов бурения.

По окончании бурения скважины ковшовым буром при помощи электролампы, опускаемой в полость скважины на электрокабеле, проверяют ее фактические размеры, отметку забоя, расположение скважины в плане, а также соответствие грунта основания скважины проектным данным.

2.4.3.2. Устройство уширения скважины диаметром 3,5 м гидравлическим уширителем бурового агрегата ЦНИИСа в основании пробуренной до проектной отметки скважины выполняют также повторяющимися циклами, каждый из которых состоит из следующих операций: подача и опускание агрегата в скважину; уширение скважины с набором грунта в ковшовый бур; подъем и подача агрегата к отвалу; выгрузка грунта из ковшового бура.

Буровой агрегат с уширителем подают краном к скважине и опускают в ее полость до забоя, оставляя агрегат на весу. Затем включают ротор и одновременно при помощи гидравлической системы открывают ножи уширителя. Силу давления ножей на грунт определяют по показаниям манометра, включенного в гидравлическую систему, а степень раскрытия ножей - по уровню масла в специально протарированном мерном баке на пульте управления. Срезаемый ножами грунт осыпается в ковшовый бур. После набора грунта в бур вращение агрегата прекращают, ножи закрывают, агрегат с уширителем извлекают из скважины и освобождают от грунта. В каждом последующем цикле устройства уширения уширитель опускают на прежний уровень работ (по отметке на буровой штанге), открывают режущие ножи до прежнего диаметра и только после этого включают ротор для дальнейшего разбуривания полости уширения. Уширение разбуривают до 3,5 м за восемь производственных циклов, постоянно увеличивая в каждом последующем цикле степень раскрытия ножей. Последний цикл осуществляют ножами уширителя, раскрытыми на полный диаметр для контрольной зачистки его полости.

По окончании разбуривания уширения, вновь ковшовым буром за один заход, производят окончательную зачистку забоя и удаление грунта, попавшего в основание скважины при ее ударении.

Подачу агрегата к отвалу и выгрузку грунта из ковшового бура выполняют по описанной в разделе 2.4.3.1 технологии.

2.4.4. На заключительном этапе производства работ по устройству уширения основания скважины буровой агрегат системы ЦНИИСа укладывают в горизонтальное положение на шпальные подкладки и производят демонтаж стяжного хомута анкеровки верха обсадной трубы. Во время разборки стяжного хомута верх обсадной трубы удерживают при помощи крана. После разборки стяжного хомута буровая установка "Като" снова наезжает на ось скважины и зажимает своим хомутом верх обсадной трубы, возвышающейся над поверхностью рабочей площадки, давая тем самым возможность расстропить трубу и освободить кран.

2.5. На третьем этапе производства работ по сооружению буронабивной сваи с уширением производят бетонирование полости скважины методом ВПТ с извлечением секций обсадной трубы.

2.5.1. Заполнение полости скважины начинают с установки в нее стреловым краном Э-2508 арматурного каркаса длиной 11,5 м, изготовленного на полную длину столба (рис. 3г). Арматурный каркас стропят кольцевым стропом, поднимают краном в вертикальное положение, подают к скважине и опускают в ее полость до опирания нижнего кольца жесткости каркаса на основание скважины.

Для обеспечения защитного слоя бетона буронабивной сваи к рабочим стержням каркаса в местах их перехвата кольцами жесткости с внешней стороны приваривают ограничители в виде скоб, располагают в плоскости стержней. Арматурный каркас перед опусканием в скважину должен быть тщательно очищен от ржавчины и грязи.

2.5.2. По окончании установки в скважину арматурного каркаса производят сборку бетонолитного оборудования в вертикальном положении из укрупненных звеньев с опусканием его в скважину. Бетонолитную трубу диаметром 300 мм собирают на всю глубину скважины, стыкуя три звена длиной 7 ,4 ,4м при помощи быстроразъемных хомутов. Верхним звеном бетонолитной трубы является приемный бункер с наружными огражденными площадками и лестницей. Бетонолитное оборудование должно быть установлено строго по оси скважины таким образом, чтобы низ бетонолитной трубы находился на 200 - 250 мм выше забоя скважины. Работы по сборке и установке бетонолитного оборудования ведут при помощи стрелового крана Э-2508.

2.5.3. Бетонную смесь на объект строительства доставляют автобетоновозами, выгружают в бадью и подают при помощи стрелового крана в приемный бункер бетонолитного оборудования (рис. 3д).

В процессе бетонирования скважины низ бетонолитной трубы должен быть постоянно заглублен в укладываемую бетонную смесь не менее, чем на 1 м. По мере бетонирования и подъема бетонолитной трубы ее укорачивают путем удаления (снятия) очередного звена с предварительным снятием и последующим присоединением приемного бункера после удаления каждого звена.

Параллельно с укладкой в скважину бетонной смеси с целью уплотнения бетона колонна обсадной трубы при помощи гидравлического привода буровой установки "Като" совершает вращательно-поступательное движение с последовательным ее подъемом на 20 - 30 см и опусканием на 10 - 15 см. Это обеспечивает одновременно с бетонированием постепенное извлечение обсадной трубы буровой установкой и демонтаж ее отдельными секциями.

Перерывы в бетонировании скважины, связанные со снятием секций обсадной и бетонолитной труб, должны быть меньше сроков начала схватывания (бетонной смеси.

Бетонирование буронабивной сваи ведут до отметки, превышающей на 0,5 м проектную отметку верха столба, из расчета всплывания слоя шламовидного бетона. При устройстве ростверка шлам срубают.

2.5.4. После бетонирования скважины буронабивной сваи производят тщательную очистку и промывку отдельных элементов бетонолитного оборудования и обсадной трубы.

2.6. Все работы, связанные с устройством буронабивной сваи с уширением, выполняет комплексное звено в составе:

Монтажники конструкций:

5 разр. - 1;

4 разр - 1

Машинист крана Э-2508

6 разр. - 1

Машинист буровой установки "Като"

6 разр. - 1

Монтажники конструкций обучены смежным профессиям бурильщиков и бетонщиков.

Кроме рабочих комплексного звена при производстве работ в каждую смену привлекают дежурного слесаря 6 разр. для обслуживания механизмов, оборудования и дежурного электромонтера 5 разр. для обслуживания электрооборудования и электрохозяйства на объекте строительства.

2.6.1. Работы по бурению скважины диаметром 1,5 м с погружением обсадной трубы выполняет комплексное звено в полном составе.

В начале производства работ монтажники конструкций 4 и 5 разр. устраивают рабочую площадку, укладывают по осям буронабивной сваи железобетонную опорную плиту буровой установки и наводят буровую установку на ось скважины. Затем при помощи крана монтажники устанавливают ножевую секцию обсадной трубы длиной 6 м в проектное положение, осуществляют все производственные операции по использованию оснастки буровой установки для погружения обсадной трубы и извлечения грунта из скважины в процессе ее разработки, устанавливают и наращивают секции обсадной трубы.

Контроль за вертикальным положением обсадной трубы в процессе ее наращивания и погружения, а также замеры и осмотр разработанной скважины проводит монтажник 5 разр.

Машинист крана 6 разр. в процессе бурения скважины управляет краном Э-2508, занятым на всех производственных: операциях, связанных с проходкой скважины.

Машинист буровой установки 6 разр. управляет ее работой на всех этапах бурения скважин.

2.6.2. Уширение основания скважины диаметром 3,5 м буровым агрегатом ЦНИИСа комплексное звено в полном составе начинает с устройства (при помощи крана) временного стяжного хомута для анкеровки верха обсадной трубы на время устройства уширения.

Бурение скважины ковшовым буром агрегата ЦНИИСа до отметки - 13 м и устройство уширения выполняют монтажники 4 и 5 разр. и машинист крана 6 разр., а машинист буровой установки "Като" в это время производит укрупнительную сборку звеньев бетонолитной трубы и профилактические работы на установке "Като".

В процессе подачи и опускания бурового агрегата ЦНИИСа, в скважину, а также подъема и подачи его к отвалу монтажники 5 разр. подает команды машинисту крана и удерживает агрегат расчалкой от вращения. Монтажник 4 разр. в это время удерживает шланги подачи масла в гидропривод агрегата от закручивания.

В процессе разработки грунта в скважине ковшовым буром и резания грунта уширителем монтажник 5 разр. находится у пульта управления, а монтажник 4 разр, удерживает агрегат расчалкой от вращения.

Машинист крана Э-2508, к крюку которого подвешен буровой агрегат, управляет краном при работе агрегата, начиная с подъема его в вертикальное положение и кончая складированием.

2.6.3. При заполнении полости скважины буронабивной сваи занят весь состав комплексного звена.

Монтажники конструкций 4 и 5 разр. и два машиниста 6 разр. участвуют во всех производственных: операциях, связанных с установкой в скважину армокаркаса, сборкой и установкой в скважину бетонолитного оборудования, укладкой методом ВПТ в скважину бетонной смеси с подъемом и демонтажем бетонолитной трубы, а также с извлечением и снятием секций обсадной трубы.

После бетонирования скважины комплексное звено в полном составе производит очистку и промывку водой элементов бетонолитного оборудования и обсадной трубы.

2.6.4. Использование смежных профессий способствует стабильной и производительной работе комплексного звена в течение всего периода сооружения буронабивных свай.

Устройство буронабивной сваи диаметром 1,6/1,3 м глубиной 13 м уширением в основании до 3,5 м комплексное звено выполняет за четыре рабочих смены.

2.7. График выполнения производственного процесса приведен в табл. 1.

2.8. Калькуляция затрат труда на устройство буронабивной сваи уширением приведена в табл. 2.

2.9. Операционный контроль качества работ по устройству буронабивных свай с уширением выполняется в соответствии с требованиями СНиП III-43-75, СНиП III-9-74, ВСН 165-70, а также в соответствии с требованиями карты операционного контроля качества работ, приведенной в разделе 5.

2.10. При производстве работ необходимо строго соблюдать правила техники безопасности в соответствии со СНиП III-4-80, а также выполнять следующие "основные требования.

2.10.1. К работе по устройству буронабивных свай допускаются лица не моложе 18 лет, прошедшие медицинское освидетельствование, вводный инструктаж и инструктаж на рабочем месте.

Машинист буровой установки "Като" и рабочий, занятый управлением бурового агрегата ЦНИИСа, должны быть ознакомлены со специальной инструкцией по их эксплуатации и до начала работ должны сдать экзамены по управлению буровыми станками и технологии работ при устройстве буронабивных свай.

2.10.2. Площадка, на которой выполняют работы по устройству буронабивных свай с уширением, должна быть ограждена, освещена и

оборудована предупредительными сигналами и надписями.

2.10.3. Вое ответственные производственные операции при устройстве буронабивных свай - погружение и наращивание обсадных труб, бурение скважины и устройство ее уширения, сборка бетонолитного оборудования, заполнение скважины бетонной смесью, извлечение и монтаж бетонолитиой трубы, извлечение и снятие секций обсадной трубы - должны выполняться под руководством сменного мастера или производителя работ.

2.10.4. При пуске в ход буровой установки "Като" и агрегата ЦНИИСа машинист обязан подавать сигнал предупреждения.

2.10.5. При подъеме секций обсадных труб необходимо удерживать их от раскачивания и вращения, при помощи расчалок.

2.10.6. В процессе бурения скважины буровой установкой "Като" запрещается производить какие-либо работы по устранению ее неисправностей при поднятом грейфера. Неисправности установки допускается устранять, если грейфер закреплен в нижней части стрелы буровой установки или опущен на площадку.

2.10.7. Во время подъема и опускания рабочих органов буровых станков (грейфера, ковшового бура с уширителем) или перемещения их в сторону для разгрузки грунта, замены или ремонта, запрещается нахождение рабочих в радиусе 3 м от перемещаемого оборудования,

2.10.8. При вынужденном прекращении работы по бурению скважины буровыми станками пробуренные скважины должны быть надежно закрыты щитами или ограждены. На щитах и ограждениях должны быть установлены предупредительные знаки и сигнальное освещение.

2.10.9. При опускании в скважину арматурного каркаса необходимо следить за тем, чтобы он не зацепился за обсадную трубу.

2.10.10. При бетонировании скважины методом ВПТ приемный бункер •должен быть оборудован рабочими площадками с лестницей и ограждением.

2.10.11. Выгрузка бетонной смеси из бадьи в приемный бункер допускается с высоты не более 1 м.


2.11 График выполнения производственного процесса

Итого:

Чел-ч/чел-дн - 128/16; 64/8; 64/8

Затраты времени работы механизмов

1. Кран на гусеничном ходу Э-2508 маш-смен - 4,0

2. Буровая установка "Като" маш-смен - 3,0

3. Буровой агрегат ЦНИИСа маш-смен - 1,0

Примечание. Цифры над линиями графика указывают число рабочих, в скобках - машинистов, а под линиями - продолжительность работы в часах.

Таблица 2

2.12. Калькуляция затрат труда на устройство буронабивной сваи с уширением

Шифр и числовые значения поправочных коэффициентов

Содержание работ

Состав звена

Единица измерения

Объем работ

На единицу измерения

На полный объем работ

норма времени, чел-ч строительных рабочих/машинистов

(расценка, коп.

нормативное время, чел-ч строительных рабочих/машинистов

стоимость затрат коп.

1

2

3

4

5

6

7

8

9

Повременно

Подготовка площадки под буровую установку "Като", перемещение бурового агрегата и установка его по осям скважины

Монтажники:

4 разр.-1

5 " -1

Машинист установки

6 разр.-1

Машинист крана

6 разр.-1

чел-ч

4,0

1,0

1,0

0-66,3

0-79

4,0

4,0

2-65,2

3-16

ТНиР. § Т-67-6, табл. 1, 1

Установка в проектное положение опорной плиты буровой установки

Копровщик

5 разр.-1

Монтажник

4 разр.-1

Машинист буровой установки

6 разр.-1

Машинист крана

6 разр.-1

1 плита

1

0,48

0,48

0-31,9

0-37,9

0,48

0,48

0-31,9

0-37,9

ТНиР, § T67-6, табл. 2, 1

Установка при помощи крана ножевой секции обсадной трубы

Копровщик 5 разр.-1

Монтажник 4 paзp.-1

Машинист буровой установки 6 разр.-1

Машинист крана 6 разр.-1

1 секция

1

2,1

2,1

1-39

1-66

2,1

2,1

1-39

1-66

ТНиР, § Т67-6, табл. 2, $ 2

Наращивание при помощи крана обсадной трубы отдельными секциями

То же

То же

 

2,4

2,4

1-59

1-90

4,6

4,8

3-18

3-80

ТНиР, § Т67-6, табл. 5, 1а

Погружение буровой установкой обсадной трубы в грунтах первой группы

То же

1 м погружения

6,0

0,22

0,22

0-14,6

0-17,4

1,32

1,32

0-87,6

1-04,4

ТНиР, § Т67-5, табл. 5, № 16

Погружение обсадной трубы в грунтах второй группы (суглинок)

То же

То же

4,5

0,44

0,44

0-28,9

0-35

1,98

1,98

1-30

1-57,5

ТНиР, § Т67-6, табл. 3, 3 1а

Бурение скважины диаметром 1,5 м буровой уста­новкой "Като под защитой обсадной трубы с извлечением грунта грейфером. Грунт первой группы при глубине скважины до 5 м

То же

То же

5,0

0,64

0,64

0-42

0-51

3,2

3 2

2-10

2-55

ТНиР. § Т67-6, табл. о, 26

Бурение скважины диаметром 1,5 м буровой установкой "Като" под защитой обсадной трубы с извлечением грунта грейфером. Грунт второй группы при глубине скважины от 5 до 10 м

Копровщик 5 разр,-1

Монтажник 4 разр.-1Машинист буровой установки 6 разр.-1

Машинист крана б разр.-1

1 м скважины

5,0

1,44

0-94

1-15

7,2

7,2

4-70

5-75

Норма Мостоотряда № 4

Установка и сборка временного стяжного хомута, анкеровка верха обсадной трубы, отъезд буровой установки от скважины

То же

1 хомут

1

2,22

2,22

1-47

1-75

2,22

2,22

1-47

1-75

То же

Подъем и установка бурового агрегата системы ЦНИИСа в рабочее положение; снятие и складирование агрегата по окончании бурения скважины

Копровщик 5 разр.-1 Монтажник 5 разр.-1

Машинист крана. 6разр.-1

1 агрегат

1

0,6

0-79

0-47

1,2

0,6

0-79

0-47

То же

Бурение скважины диаметром 1,3 м в грунтах первой группы ковшовым буром бурового агрегата при глубине скважины от 10 до 13 м

То же

1 м скважины

3

1,82

0,91

1-21

0-72

5,46

2,73

3-63

2-16

То же

Устройство уширения в основа­нии скважины диаметром 3,5 м гидравлическим уширителем бурового агрегата системы ЦНИИСа

То же

1 уширение

1

9,98

4,99

6-62

3-94

9,98

4,99

6-62

3-94

Норма Мостоотряда № 4

Разборка и снятие стяжного хомута анкеровки верха обсадной трубы по окончании бурения скважины буровым агрегатом ЦНИИСа наезд буровой установки Като на скважину.

Копровщик 5 разр.-1

Монтажник 4 разр.-1

Машинист буровой установки 6 разр.-1

Машинист крана б разр.-1

1 хомут

1

0,68

0,68

0-45

0-54

0,68

0,68

0-45

0-54

ТНиР, § Т67-6, табл. 6, 1

Установка при помощи крана в пробуренную скважину арматурного каркаса с закреплением

То же

секция (каркас)

1

1,02

1,02

0-68

0-81

1,02

1,02

0-68

0-81

Корма . Мостоотряда № 2

Укрупнительная сборка -звеньев бетонолитной трубы перед бетонированием скважины (сваи)

Слесари строительные 4 разр.-2

1 стык

4

2,3

 -

1-44

 

9,2

 

5-76

 

ТНиР, 5 Т67-6, табл. 7,

Сборка бетонолитной трубы при помощи крана в вертикальном положении из укрупненных звеньев:

Копровщик 5 разр.-1

Монтажник 4 разр.-1

 

 

 

 

 

 

№ 1

установка нижнего звена

Машинист буровой установки 6 разр-1

1 звено

1

0,42

0,42

0-27,6

0-33,5

0,42

0,42

0-27,6

0-33,5

2

наращивание бетонолитной трубы

Машинист крана 6 разр.-1

То же

2

0,48

0,48

0-31,5

0-38,3

0,96

0,96

0-63

0-76,6

3

установка приемного бункера

 

1 установка

1

0,48

0,48

0-31,5

0-38,3

0,48

0,48

0-31,5

0-38,3

ТНиР, § T67-6, табл. 7, 4

Укладка бетонной смеси методом ВПГ в скважину буронабивной сваи

Копровщик 5 разро-1

Монтажник 4 разр.-1

Машинист буровой установки 6 разр.-1

Машинист крана 6 разр.-1

1 м3

24

0,42

0,42

0-28,1

0-33

10,1

10,1

6-74,4

7-92

ТНиР, § Т67-6, табл. 7, 5

Разборка бетонолитной трубы в процессе бетонирования: снятие звеньев трубы кроме нижнего; снятие нижнего звена

То же

1 звено

2

1,14

1,14

0-75

0-91

2,28

2,28

1-50

1-82

 

 

То же

То же

1

0,58

0,58

0-37,8

0-46,5

0,58

0,58

0-37,8

0-46,5

ТНиР. § Т67-6, табл. 8

Извлечение секций обсадной трубы буровой установки "Като" в процессе бетонирования скважины

То же

1 м извлечения

10,5

0,22

0,22

0-14,6

0-17,4

2,31

2,31

1-53,3

1-82,7

ТНиР, § Т67-6, табл. 9, 1

Снятие при помощи крана секций обсадной трубы

То же

1 секция

2

1.24

1,24

0-82

0-98

2,48

2,48

1-64

1-96

ТНиР, § Т67-6, табл. 9, 2

Снятие ножевой секции обсадной трубы по окончании ее извлечения

То же

То же

1

0,56

0,56

0-37,2

.0-44,2

0,56

0,56

0-37,2

0-44,2

ТНиР, § T67-6, табл. 1, 2

Снятие при помощи крана опорной плиты буровой установки "Като с отъездом установки от скважины

Копровщик 5 разр.-1

Монтажник 4 разр.-1

Машинист буровой установки 6 разр.-1

Машинист крана 6 разр.-1

1 плита

1

0,26

0,26

0-17,1

0-20,7

0,26

0,26

0-17,1

0-20,7

Норма Мостоотряда 2

К=0,5

Очистка и промывка звень­ев обсадной и бетонолитной трубы с поддержкой их краном

Слесарь строительный 4 разр.-1

Машинист крана б разр.-1

1 свая

1

11,0

11,0

6-87

8-69

11,0

11,0

6-87

8-69

Итого:

 

 

 

 

86,3

68,8

56-35

54-40

Итого: чел-дн

 

 

 

 

10,8

8,6

 

Всего:, чел-дн

 

 

 

 

19,4

110-75

Затраты времени на работу основных механизмов:

1 Кран на гусеничном ходу Э-2508 маш-смен - 5,5

2 Буровая установка "Като" маш-смен - 3,1

3 Буровой агрегат системы ЦНИИСа маш-смен - 1,1


3. Технико-экономические показатели

Объем железобетона буронабивной сваи глубиной 13 м, диаметром Т,5/1,3 м с уширением, м3 - 24,0

Затраты труда на устройство буронабивной сваи, чед-дн - 16,0

на 1 м3 железобетона сваи, чел-дн - 0,67

Выработка на одного рабочего в смену, м3 железобетона сваи - 1,6

Производительность работ, м3 железобетона сваи в смену - 6,0

Затраты времени работы основных механизмов:

кран на гусеничном ходу 3-2508, маш-смен - 4,0

буровая установка "Като" 30 THC-VS , маш-смен - 3,0

буровой агрегат системы ЦНИИСа с гидравлическим уширителем, маш-смен - 1,0

От внедрения технологической карты на устройство буронабивной сваи с уширением в сравнении с нормами:

экономический эффект, руб. - 288 (24000)

снижение трудоемкости работ, чел-дн - 3,4 (280)

рост производительности труда, - 2.1

экономия лесоматериалов, м3 - 0,12 (10)

электроэнергии, кВт-ч - 18 (1500)

условного топлива, т - 0,7 (60)

Примечания.

1 Технико-экономические показатели приведены из технологической карты и расчета экономической эффективности, подготовленного отделом инженерных сооружений института "ВПТИтрансстрой".

2 В скобках представлены показатели эффективности в перерасчете на годовой объем внедрения, принятый равным 2000 м железобетона буронабивных свай в год.

4. Материально-технические ресурсы (на буровую сваю)

Таблица 3

4.1. Потребность в основных конструкциях и полуфабрикатах

Наименование

Марка, ГОСТ, проект

Количество

Бетон гидротехнический, м3

М300, ГОСТ 4795-68*

24

Арматурный каркас:

 

 

сталь арматурная класса А-I, т

ГОСТ 5781-75

0,28

сталь арматурная класса А-III, т

ГОСТ 5781-75

0,866

Таблица 4

4.2. Потребность в машинах, оборудовании, инструменте, инвентаре, приспособлениях

Наименование

Марка, ГОСТ, проект

Техническая характеристика

Количество шт.

1

2

3

4

Кран на гусеничном ходу

Э-2508

Грузоподъемность 60 т, длина стрелы 25 м

1

Буровая установка с комплектом инвентарных обсадных труб

"Като", модель 30 THC-VS

Диаметр бурения 1200, 1500, 1700 мм; глубина бурения 24, 30, 40 м

1

Модернизированный буровой агрегат с ковшовым буром и гидравлическим уширителем

Система ЦНИИСа

Диаметр бурения 1300 мм: максимальный диаметр уширения 3500 мм

1

Пульт управления буровым агрегатом

Система ЦНИИСа

-

1

Автобетоновоз

СБ-113М

Объем перевозимой смеси 3 м

2

Стяжной хомут для временной анкеровки верха обсадной трубы, комплект

Чертежи СКБ Главмостостроя

-

1

комплект бетонолитного оборудования с трубами и приемном бункером

То же

Диаметр бетонолитннх труб 300 мм

1

Бадья для подачи бетонной смеси

Чертежи Мостоотряда № 4

Вместимость: 3 м5

1

Железобетонная инвентарная опорная плита буровой установки "Като"

То же

-

1

Шпалы непропитанные типа 1A

ГОСТ 78-65*

-

16

Строп кольцевой

ГОСТ 14110-80

-

2

Строп двухветвевой

ГОСТ 14110-80

-

2

Оттяжки веревочные

ГОСТ 483-75*

-

2

Ключи гаечные

ГОСТ 2839-80Е

-

4

Молотки стальные строительные

ГОСТ 11042-72*

-

2

Лопаты стальные совковые

ГОСТ 3620-76

-

4

Пила поперечная

ГОСТ 979-70

-

1

Топор плотничный

ГОСТ 1399-79

-

1

Теодолит

ГОСТ 10529-79

-

1

Нивелир

ГОСТ 10528-76*

-

1

Рулетка измерительная стальная

ГОСТ 7502-80

Длина 20 м

1

Метр стальной складной

ГОСТ 427-75

-

1

Отвес

ГОСТ 7948-80

Масса 400 г

1

Мерный трос с грузом

Чертежи ПКБ Люберецкого завода Главмостостроя

Масса груза 5 кг

1

5. Карта операционного контроля качества устройства буронабивных свай с уширенным основанием

Контролируемые параметры

Предельные отклонения, мм

Размеры скважины:

 

Диаметр

Δ1 = ±50

глубина

Δ2 = ±100

Положение оси вертикальной скважины

 

В плане поперек ряда

Δ3 = 100

Вдоль ряда

Δ3 = 100

Относительно вертикали (в градусах)

Δ4 = 2

Диаметр уширения скважины

Δ5 = ±100

Величина защитного слоя бетона сваи

Δ6 = +15; -5

Схема буронабивной сваи с указанием предельных отклонений:

1 - арматурный каркас; 2 - буронабивная свая; 3 - уширение основания сваи.

Примечание:

1 В процессе бурения скважины необходимо проверять соответствие фактического напластования извлекаемых грунтов и их характеристик материалам инженерно- геологических изысканий.

2 Пробуренная до проектной отметки скважина с уширением должна быть очищена от шума и грунта.

3 Армирование буронабивных свай следует производить согласно проекту заранее изготовленными каркасами.

4 До установки каждого каркаса в скважину необходимо: очистить от ржавчины, масла, грунта; проверить наличие фиксаторов защитного слоя.

5 С целью предотвращения подъема арматурного каркаса в процессе бетонирования свай методом ВПТ его необходимо заанкеровать.

6 Бетонирование свай должно производиться не позднее, чем 16 ч после окончания бурения.

7 Укладываемая в сваю бетонная смесь должна иметь осадку конуса 18-20 см.

8 Температура укладываемой в зимнее время бетонной смеси должна быть не ниже +5 ºС.

9 Бетонную смесь следует укладывать в скважину через бетонолитную трубу диаметром не менее 250 мм, имеющую приемный бункер.

10 В процессе бетонирования нижний конец бетонолитной трубы должен быть всегда заглублен в бетонную смесь не менее, чем на 1 м.

11 Укладка бетонной смеси в скважину должна производиться без перерывов, превышающих период начала схватывания смеси.

12 Отклонение объема бетонной смеси от фактического объема скважины должно быть в пределах от +15 до -10%.

СНиП III-9-74; СНиП III-43-75; ВСН 165-70

1 Основные операции подлежащие контролю

Бурение скважины

Устройство уширения основания скважины

Установка в скважину арматурного каркаса

Укладка бетонной смеси методом ВПТ

2 Состав контроля (что проверяется)

Характеристики извлекаемых, грунтов на уровне забоя, размеры скважины, положение ее осей в плане и по вертикали

Характеристики грунтов на уровне уширения, форма и размеры уширения

Чистота каркаса, положение каркаса в плане и по глубине скважины, величина защитного слоя

Подвижность бетонной смеси, величина заглубления бетонолитной трубы в укладки, соответствие объема бетонной смеси объему скважин, прочность бетона

3 Методы и средства контроля (как и чем проверяется)

Измерительный, визуальный. Отбор контрольных образцов, стальная рулетка, мерный трос, отвес, электролампа

Измерительный, визуальный. Отбор контрольных образцов, показания приборов на пульте управлении

Визуальный, измерительный. Стальной метр, мерный стальной прут

Измерительный. Стандартный конус, стальной метр, лот, отбор контрольных образцов бетона

4 Сроки и режим контроля

Периодически, перед каждым погружением обсадной трубы и на уровне основания скважины

Постоянно, при окончании разбуривания уширения

Постоянно, каждый каркас

Постоянно, в процессе бетонирования, каждые 25 м3 бетонной смеси

5 Должностное лицо, контролирующее операцию

Мастер, лаборант, геодезист

Мастер, лаборант

Мастер

Мастер, лаборант

6 Наименование привлекаемой для контроля службы

Лаборатория, геодезическая служба

Лаборатория

-

Лаборатория

7 Должность лица, ответственного за организацию и проведение контроля

Производитель работ начальник технического отдела строительной организации

8 Документ, в котором регистрируются результаты контроля

Общий журнал работ. Журнал бурения скважин. Сводная ведомость пробуренных скважин

Общий журнал работ. Журнал разбуривания уширений в основании скважин. Сводная ведомость разбуренных уширений.

Общий журнал работ. Журнал арматурных работ

Общий журнал работ. Журнал бетонных работ. Журнал заполнения бетоном скважин, уширений способом ВПТ. Сводная ведомость заполнения бетоном скважин и уширений

Схема технологической последовательности устройства буроналивной сваи

а) б)

в) г)

д)

Рис. 3 Схема технологической последовательности устройства буроналивной сваи:

а - разработка скважины диаметром 1,5 м на глубину 10 м буровой установкой «Като»; б - бурение скважины диаметром 1,3 м на глубину 13 м ковшовым буром бурового агрегата ЦНИИСа; в - устройство уширения скважины диаметром 3,5  м гидравлическим уширителем агрегата ЦНИИСа; г - установка в скважину арматурного каркаса; д - бетонирование буронабивной сваи методом ВПТ с извлечением секций обсадной трубы (арматурный каркас условно показан): 1 - буровая установка «Като»; 2 - обсадная труба; 3 - грейер буровой установки; 4 - отвал грунта; 5 - буровой агрегат ЦНИИСа; 6 - опорный стяжной хомут на шпальном основании; 7 - буровая штанга; 8 - гидравлический уширитель; 9 - ковшовый бур; 10 - кран Э-2508; 11 - арматурный каркас сваи; 12 - автобетоновоз; 13 - бадья емкостью 3 м3; 14 - приемный бункер с ограждением; 15 - бетонолитная труба; 16 - укладываемый бетон сваи.

Технологическая карта разработана отделом проектирования и внедрения технологии строительства инженерных сооружений Всесоюзного проектно-технологического института транспортного строительства (ВПТИтрансстрой) Министерства транспортного строительства при методическом участии отдела бетонных и железобетонных работ ЦНИИОМТП Госстроя СССР (исполнитель В.Е. Суздальцев).

 

 




ГОСТЫ, СТРОИТЕЛЬНЫЕ и ТЕХНИЧЕСКИЕ НОРМАТИВЫ.
Некоммерческая онлайн система, содержащая все Российские Госты, национальные Стандарты и нормативы.
В Системе содержится более 150000 файлов нормативно-технической документации, действующей на территории РФ.
Система предназначена для широкого круга инженерно-технических специалистов.

Рейтинг@Mail.ru Яндекс цитирования

Copyright © www.gostrf.com, 2008 - 2026