|
|
|
МИНИСТЕРСТВО ЭНЕРГЕТИКИ И ЭЛЕКТРИФИКАЦИИ СССР Главное производственно-техническое управление по строительству Всесоюзный
институт по проектированию организации энергетического строительства ТИПОВЫЕ ТЕХНОЛОГИЧЕСКИЕ КАРТЫ УСТАНОВКА ПРОМЕЖУТОЧНЫХ СВОБОДНОСТОЯЩИХ ОПОР ТИПА ПС 750 (НОРМАЛЬНЫХ И ПОВЫШЕННЫХ) Типовые технологические карты (сборник) К-3-36 разработаны отделом организации и механизации строительства линий электропередачи института "Оргэнергострой" (отдел ЭМ-20). Карты выполнены согласно
"Руководству по разработке типовых технологических карт в строительстве
(ЦНИИОМТП Госстроя СССР Сборник состоит из трех технологических карт на установку промежуточных свободностоящих опор типа ПС 750 (нормальных и повышенных). В работе принимали участие: Старший инженер В.А. Титова Старший техник В.А. Никитин Содержание ОБЩАЯ ЧАСТЬ1. Сборник К-3-36 состоит из трех технологических карт на установку промежуточных свободностоящих опор типа ПС 750 (нормальных и повышенных). Конструкции опор принимаются по типовому проекту института "Энергосетьпроект". Общие виды опор приведены на рис. 1-1; 2-1; 3-1. 2. Технологические карты служат руководством при сооружении линий электропередачи, а также пособием при проектировании производства работ. 3. Технологические карты предусматривают установку промежуточных (нормальных и повышенных) опор методом поворота с помощью падающей стрелы. 4.1. Закончена сборка опоры согласно типовым технологическим картам сборника K-2-31. 4.2. Намечены маршруты перемещения тягового и тормозного механизмов с планировкой грунта в необходимых случаях. 4.3. С площадки, необходимой для производства работ, должны быть удалены крупные камни, пни и другие предметы, которые могут затруднять процесс установки. 5. Перед началом подъема опоры, необходимо железобетонные подножники раскрепить от сдвига согласно рис. 0-1. 6. Картами предусмотрен монтаж опор при поточном строительстве ВЛ специализированными звеньями комплексной бригады. Количество звеньев определяется в зависимости от трудоемкости сооружения ВЛ и сроков строительства. 7. Технологические карты составлены исходя из односменной работы (продолжительность смены - 8,2 часа), на равнинной местности, в летний период, трактора стоят на твердом сухом грунте. При привязке карт к конкретному объекту необходимо в зависимости от условий строительства ВЛ уточнить отдельные технологические операции, объем работ, трудозатраты и расход эксплуатационных материалов. 8. При монтаже опор должны строго соблюдаться правила техники безопасности, приведенные в следующих нормативных материалах: СНиП III-4-80 Правила производства и приемки работ. Техника безопасности в строительстве. ССБТ Государственные стандарты. Система стандартов безопасности труда. Правила техники
безопасности при строительстве воздушных линий электропередачи. Минэнерго СССР Правила
устройства и безопасной эксплуатации грузоподъемных кранов. Госгортехнадзор СССР
9. При производстве работ следует выполнять требования по технике безопасности, изложенные в настоящих технологических картах. Особое внимание следует обратить на следующее: 9.1. Запрещается подъем опоры на фундамент, не засыпанный полностью грунтом и нераскрепленный от сдвига. 9.2.
Опорные части монтажной А-образной стрелы должны быть установлены в приямки
глубиной 9.3.
В начале установки опоры проверить правильность крепления такелажа, приподнять
опору на 9.4. Влезать на опору для снятия такелажа до полного ее закрепления запрещается. 10. Специальные требования техники безопасности, связанные с особыми условиями производства работ (работа в зоне влияния действующих ВЛ, сложный рельеф местности, стесненные условия, прохождение ВЛ в районе подземных коммуникаций и т.п.) должны быть оговорены в ППР при привязке технологических карт к конкретному объекту. 11. Выверка установленных опор производится по допускам, приведенным на рис. 0-2. Сводная ведомость трудозатрат на установку опор ВЛ 750 кВ
Рис. 0-1 Узел раскрепления фундамента от сдвига при установке опор типа ПС 750 1 - Монтажный шарнир; 2 - Башмак опоры; 3 - подножник; 4 - Распорка монтажная на подставках Н1 и Н2. Рис. 0-2 Допускаемые при установке опор типа ПС 750 А - отклонение опоры от вертикальной оси вдоль и поперек оси ВЛ не более
1:200 высоты опоры. Б - смещение конца
траверсы от линии перпендикулярной к оси ВЛ не более Типовая технологическая карта ВЛ 750 кВ
|
||||||||||||||||||||||||||||||||||||||||||||||||||||||||||||||||||||||||||||||||||||||||||||||||||||||||||||||||||||||||||||||||||||||||||||||||||||||||||||||||||||||||||||||||||||||||||||||||||||||||||||||||||||||||||||||||||||||||||||||||||||||||||||||||||||||||||||||||||||||||||||||||||||||||||||||||||||||||||||||||||||||||||||||||||||||||||||||||||||||||||||||||||||||||||||||||||||||||||||||||||||||||||||||||||||||||||||||||||||||||||||||||||||||||||||||||||||||||||||||||||||||||||||||||||||||||||||||||||||||||||||||||||||||||||||||||||||||||||||||||||||||||||||||||||||||||||||||||||||||||||||||||||||||||||||||||||||||||||||||||||||||||||||||||||||||||||||||||||||||||||||||||||||||||||||||||||||||||||||||||||||||||||||||||||||||||||||||||||||||||||||||||||||||||||||||||||||||||||||||||||||||||||||||||||||||||||||||||||||||||||||||||||||||||||||||||||||||||||||||||||||||||||||||||||||||||||||||||||||||||||||||||||||||||||||||||||||||||||||||||||||||||||||||||
|
Профессия |
Разряд |
Кол-во человек |
|
Электролинейщик |
6 |
1 |
|
То же |
5 |
1 |
|
То же |
4 |
1 |
|
То же |
3 |
2 |
|
То же |
2 |
2 |
|
Машинист крана |
6 |
1 |
|
Машинист трактора |
5 |
2 |
|
ВСЕГО: |
10 |
|
2.6. Калькуляция трудовых затрат
|
Обоснование |
Наименование работ |
Един, измер. |
Объем работ |
Норма времени на единицу измерения, чел.-ч |
Затраты труда на весь объем, чел.-ч |
|
Сборник Т-32 § 20 Таблица пункт "б К-1,1 на утяжеление опоры |
Установка опоры ПС 750-3 с помощью монтажной стрелы |
опора |
1 |
212,3 |
212,3 |
|
ВСЕГО: в том числе машинисты |
|
|
|
212,3 63,8 |
|
Наименование |
Единица измерения |
Количество |
|
Трудоемкость |
чел.-дн. |
25,9 |
|
Работа механизмов |
маш. см. |
7,77 |
|
Численность звена |
чел. |
10 |
|
Продолжительность установки опоры |
смен |
2,59 |
|
Производительность звена за смену |
опор |
0,39 |
4.1. Потребность в основных механизмах, оборудовании инструменте и приспособлениях.
|
п/п |
Наименование |
Тип |
Марка, ГОСТ |
Кол-во |
Техническая характеристика |
|
1 |
2 |
3 |
4 |
5 |
6 |
|
1. |
Трактор |
Гусеничный |
T-130 |
2 |
С лебедкой Л-8 |
|
2. |
Кран тракторный |
Гусеничный |
ТК-53 |
1 |
lстр = 11,5 |
|
3. |
Стрела монтажная |
А-образ. |
чертеж № 564.00.00.000 |
1 |
Н
= |
|
4. |
Блок монтажный |
3-х ролик. |
МН 2781-61 |
2 |
Q = 20 т.е. |
|
5. |
Блок монтажный |
Однорол. |
МН 2779-61 |
1 |
Q = 5 т.е. |
|
6. |
Блок такелажный |
Однорол. |
M1P-8 |
1 |
МОСКТБ ВПО СЭСИ |
|
7. |
Узел типа КГ (входит в комплект опоры) |
|
КГ-16 |
1 |
То же |
|
8. |
Трос из каната
Ø |
|
21,5-Г-1-Н-160 |
2 |
См. таблицу тросов и стропов рис. 1-8 |
|
9. |
Строп
универсальный из каната Ø |
|
То же |
1 |
То же |
|
10. |
Канат для
тягового полиспаста Ø |
|
19,5-Г-1-Н-160 |
|
То же |
|
11. |
Трос из каната
Ø |
|
То же |
1 |
То же |
|
12. |
Трос из каната
Ø |
|
21,5-Г-1-Н-160 |
1 |
См. таблицу тросов и стропов рис. 1-8 |
|
13. |
Трос из
каната Ø |
|
19,5-Г-1-Н-160 |
1 |
То же |
|
14. |
Трос из
каната Ø |
|
То же |
4 |
То же |
|
15. |
Скоба |
СК-25 |
ГОСТ 2724-78 |
12 |
МО СКТБ ВПО СЭСИ |
|
16. |
Скоба |
CK-21 |
То же |
1 |
То же |
|
17. |
Скоба |
C-1 |
То же |
4 |
Рис. 1-6 |
|
18. |
Коуш |
63 |
12 |
|
|
|
19. |
Зажим |
22 |
ОСТ 24.090.51-79 |
28 |
|
|
20. |
Подкладка инвентарная под строп |
|
|
10 |
|
|
21. |
Брус 250×250 |
|
|
Пиломатериал хвойных пород |
|
|
22. |
Лес круглый Ø 150 |
|
ГОСТ 9463-72 |
|
Лесоматериал хвойных пород |
|
23. |
Якорь |
|
Чертеж ОЭС № ОМ-141896 |
I |
Q = 20 т.е. |
В перечень не включен бригадный инвентарь, предусмотренный табелем средств малой механизации.
4.2. Потребность в эксплуатационных материалах
|
Наименование |
Ед. изм. |
Норма на один час работы |
Количество на одну опору |
|
Дизельное топливо |
кг |
|
|
|
Трактор T-130 |
|
8 |
340 |
|
Кран тракторный ТК-53 |
|
6,2 |
133 |
|
ВСЕГО: |
|
|
473 |
|
Дизельная смазка |
кг |
|
|
|
Трактор T-130 |
|
0,4 |
17 |
|
Кран тракторный ТК-53 |
|
0,25 |
5,3 |
|
ВСЕГО: |
|
|
22,3 |
|
Характеристика |
Тип опоры |
|
|
ПС 750-1 |
ПС 750-3 |
|
|
Общая масса опоры, кг |
20673 |
21055 |
|
В том числе |
|
|
|
метизы |
857 |
864 |
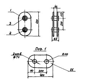
Рис. 1-1 Промежуточная свободностоящая опора типа ПС 750-1 ПС 750-3 (проект ОДП №10244 ТМ-Т6-1)
Рис. 1-2 Схема подъема падающей стрелы Н =
1 - трактор Т-130 с лебедкой; 2 - кран ТК-33; 3 - стрела
А-образная Н =
Рис. 1-3 Узел крепления тросов к стреле
1 - трос от опоры к стреле; 2 - строп универсальный от стрелы к тяговому полиспасту; 3 - трос для подъема и опускания стрелы; 4 - скоба СК-25; 5 - скоба СК-21
Узел соединения тормозного троса

1 - Трос тормозной; 2 - Трос от опоры к тормозному тросу; 3 - скоба типа СК; 4 - Коуш
Узел подвески троса для подъема и опускания стрелы на опоре
|
Марка |
№ поз. |
Профиль |
Длина мм |
Кол, шт. |
Масса кг |
примечание |
|||
|
т |
н |
Поз. |
всех |
марки |
|||||
|
C-1 |
1 |
-6×220 |
420 |
2 |
- |
3,5 |
7,0 |
8,5 |
|
|
2 |
-6×60 |
60 |
2 |
- |
0,1 |
0,2 |
|||
|
3 |
Труба 73×6 |
65 |
2 |
- |
0,6 |
1,2 |
|||
|
|
Наплавленный метал |
0,1 |
|||||||
1. Сварка производится по ГОСТ
5264-69, электродами Э-42 по ГОСТ
9467-75. Высота сварного шва h =
2. Материал - сталь листовая В Ст3 по ГОСТ 14637-79, труба 10 ГОСТ 8731-74
Рис. 1-6 скоба С-1
|
№ поз. |
Схема троса или стропа |
Диаметр каната и длина заготовки |
назначение |
|
8 |
|
Ø
|
Трос от стрелы к опоре (вожжи) |
|
9 |
|
Ø
|
Строп универсальный от стрелы к тяговому полиспасту |
|
10 |
|
Ø
|
Канат для полиспаста |
|
11 |
|
Ø
|
Трос для подъема и опускания стрелы |
|
12 |
Ø
|
Тормозной трос |
|
|
13 |
|
Ø
|
Трос от опоры к тормозному тросу |
|
14 |
Ø
|
Трос от опоры к вожжам |
1.1. Технологическая карта разработана на установку промежуточной свободностоящей опоры ПС 750-3+5 и может быть распространена на установку опоры ПС 750-1+5.
1.2. В состав работ рассматриваемых картой входят:
1.2.1. Установка монтажной стрелы и сборка такелажной схемы.
1.2.2. Подъем опоры в проектное положение.
1.2.3. Опускание стрелы и снятие шарниров.
1.2.4. Выверка установленной опоры.
1.2.5. Закрепление опоры.
1.2.6. Демонтаж такелажа.
2.1. До установки опоры должны быть закончены работы, перечисленные в пунктах 4 и 5 "Общей части".
2.2. Работы по установке опоры
производятся двумя тракторами T-130 с
лебедками и тракторным краном ТК-53 при помощи А-образной стрелы высотой
2.3. Технологическая последовательность производства работ:
2.3.1. Осуществить подъем опоры аналогично подъему опоры ПС 750-3 - смотри технологическую карту K-3-36-1 пункты 2.3.1 - 2.3.9. (кроме рисунков).
2.4. Закрепление канатов на опоре показано на рис. 1-4; 1-5; установка стрелы рис. 1-2; 1-3; схема подъема опоры рис. 2-2; допуски на выверку установленной опоры принимать по рис. 0-2.
2.5. Механизмы, приспособления и материалы для установки опоры приведены в п. 4 и на рис. 2-3.
2.6. Работа по установке опор выполняется звеном рабочих в составе:
|
Профессия |
Разряд |
Кол-во человек |
|
Электролинейщик |
6 |
1 |
|
То же |
5 |
1 |
|
То же |
4 |
1 |
|
То же |
3 |
2 |
|
То же |
2 |
2 |
|
Машинист крана |
6 |
1 |
|
Машинист трактора |
5 |
2 |
|
ВСЕГО: |
10 |
|
2.7. Калькуляция трудовых затрат
|
Обоснование |
Наименование работ |
Един, измер. |
Объем работ |
Норма времени на единицу измерения, чел.-ч |
Затраты труда на весь объем, чел.-ч |
|
Сборник Т-32 § 20 Таблица пункт б К-1,2 на утяжеление опоры |
Установка опоры ПС 750-3+5 с помощью монтажной стрелы |
опора |
1 |
231,6 |
231,6 |
|
ВСЕГО: в том числе машинисты |
|
|
|
231,6 69,6 |
|
Наименование |
Единица измерения |
Количество |
|
Трудоемкость |
чел.-дн. |
28,24 |
|
Работа механизмов |
маш. см. |
8,46 |
|
Численность звена |
чел. |
10 |
|
Продолжительность установки опоры |
смен |
2,82 |
|
Производительность звена за смену |
опор |
0,36 |
4.1. Потребность в основных механизмах, оборудовании, инструменте, приспособлениях
|
п/п |
Наименование |
Тип |
Марка, ГОСТ |
Кол-во |
Техническая характеристика |
|
1 |
2 |
3 |
4 |
5 |
6 |
|
1. |
Трактор |
Гусеничный |
T-130 |
2 |
С лебедкой Л-8 |
|
2. |
Кран тракторный |
Гусеничный |
ТК-53 |
1 |
lстр = 11,5 |
|
3. |
Стрела монтажная |
А-образ. |
чертеж № 564.00.00.000 |
1 |
Н
= |
|
4. |
Блок монтажный |
4-х ролик. |
МН 2781-61 |
2 |
Q = 32 т.е. |
|
5. |
Блок монтажный |
Однорол. |
МН 2779-61 |
1 |
Q = 5 т.е. |
|
6. |
Блок такелажный |
Однорол. |
M1P-8 |
1 |
МОСКТБ ВПО СЭСИ |
|
7. |
Узел типа КГ (входит в комплект опоры) |
|
КГ-16 |
1 |
То же |
|
8. |
Трос из каната
Ø |
|
25-Г-1-Н-160 |
2 |
См. таблицу тросов и стропов рис. 2-3 |
|
9. |
Строп
универсальный из каната Ø |
|
То же |
1 |
То же |
|
10. |
Канат для
тягового полиспаста Ø |
|
21,5-Г-1-Н-160 |
|
То же |
|
11. |
Трос из каната
Ø |
|
19,5-Г-1-Н-160 |
1 |
То же |
|
12. |
Трос из
каната Ø |
|
23-Г-1-Н-160 |
1 |
См. таблицу тросов и стропов рис. 2-3 |
|
13. |
Трос из
каната Ø |
|
19,5-Г-1-Н-160 |
1 |
То же |
|
14. |
Трос из
каната Ø |
|
То же |
4 |
То же |
|
15. |
Скоба |
СК-35 |
ГОСТ 2724-78 |
1 |
МО СКТБ ВПО СЭСИ |
|
16. |
Скоба |
CK-25 |
То же |
11 |
То же |
|
17. |
Скоба |
C-21 |
То же |
4 |
|
|
18. |
Скоба |
C-1 |
То же |
4 |
|
|
19. |
Коуш |
75 |
1 |
|
|
|
20. |
Коуш |
63 |
11 |
|
|
|
21. |
Зажим |
25 |
ОСТ 24.090.51-79 |
24 |
|
|
22. |
Зажим |
22 |
|
4 |
|
|
23. |
Подкладка инвентарная под строп |
|
|
10 |
|
|
24. |
Брус 250×250 |
|
|
Пиломатериал хвойных пород |
|
|
25. |
Лес круглый Ø 150 |
|
ГОСТ 9463-72 |
|
Лесоматериал хвойных пород |
|
26. |
Якорь |
|
Чертеж ОЭС № ОМ-141896 |
I |
Q = 20 т.е. |
В перечень не включен бригадный инвентарь, предусмотренный табелем средств малой механизации.
4.2. Потребность в эксплуатационных материалах
|
Наименование |
Ед. изм. |
Норма на один час работы |
Количество на одну опору |
|
Дизельное топливо |
кг |
|
|
|
Трактор T-130 |
|
8 |
371,2 |
|
Кран тракторный ТК-53 |
|
6,2 |
143,8 |
|
ВСЕГО: |
|
|
515 |
|
Дизельная смазка |
кг |
|
|
|
Трактор T-130 |
|
0,4 |
18,6 |
|
Кран тракторный ТК-53 |
|
0,25 |
9,3 |
|
ВСЕГО: |
|
|
27,9 |
|
Характеристика |
Тип опоры |
|
|
ПС 750-1+5 |
ПС 750-3+5 |
|
|
Общая масса опоры, кг |
24720 |
25103 |
|
В том числе |
|
|
|
метизы |
993 |
999 |
Рис. 2-1 Промежуточная свободностоящая опора типа ПС 750-1+5 ПС 750-3+5 (проект ОДП №10244 ТМ-Т6-1)
|
№ поз. |
Схема троса или стропа |
Диаметр каната и длина заготовки |
назначение |
|
8 |
|
Ø
|
Трос от стрелы к опоре (вожжи) |
|
9 |
|
Ø
|
Строп универсальный от стрелы к тяговому полиспасту |
|
10 |
|
Ø
|
Канат для полиспаста |
|
11 |
|
Ø
|
Трос для подъема и опускания стрелы |
|
12 |
Ø
|
Тормозной трос |
|
|
13 |
|
Ø
|
Трос от опоры к тормозному тросу |
|
14 |
Ø
|
Трос от опоры к вожжам |
1.1. Технологическая карта разработана на установку промежуточной свободностоящей опоры ПС 750-3+10 и может быть распространена на установку опоры ПС 750-1+10.
1.2. В состав работ рассматриваемых картой входят:
1.2.1. Установка монтажной стрелы и сборка такелажной схемы.
1.2.2. Подъем опоры в проектное положение.
1.2.3. Опускание стрелы и снятие шарниров.
1.2.4. Выверка установленной опоры.
1.2.5. Закрепление опоры.
1.2.6. Демонтаж такелажа.
2.1. До установки опоры должны быть закончены работы, перечисленные в пунктах 4 и 5 "Общей части".
2.2. Работы по установке опоры
производятся двумя тракторами T-130 с
лебедками и тракторным краном ТК-53 при помощи А-образной стрелы высотой
2.3. Технологическая последовательность производства работ.
2.3.1. Осуществить подъем опоры аналогично подъему опоры ПС 750-3 - смотри технологическую карту К-3-36-1 пункты 2.3.1 - 2.3.9 (кроме рисунков).
2.4. Закрепление канатов на опоре показано на рис. 1-4; 1-5; установка стрелы рис. 1-2; 1-3; схема подъема опоры рис. 3-2; допуски на выверку установленной опоры принимать по рис. 0-2.
2.5. Механизмы, приспособления и материалы для установки опоры приведены в п. 4 и на рис. 3-3.
2.6. Работы по установке опор выполняются звеном рабочих в составе:
|
Профессия |
Разряд |
Кол-во человек |
|
Электролинейщик |
6 |
1 |
|
То же |
5 |
1 |
|
То же |
4 |
1 |
|
То же |
3 |
2 |
|
То же |
2 |
2 |
|
Машинист крана |
6 |
1 |
|
Машинист трактора |
5 |
2 |
|
ВСЕГО: |
10 |
|
2.7. Калькуляция трудовых затрат
|
Обоснование |
Наименование работ |
Един, измер. |
Объем работ |
Норма времени на единицу измерения, чел.-ч |
Затраты труда на весь объем, чел.-ч |
|
Сборник Т-32 § 20 Таблица пункт б К-1,25 на утяжеление опоры |
Установка опоры ПС 750-3+5 с помощью монтажной стрелы |
опора |
1 |
241,3 |
241,3 |
|
ВСЕГО: в том числе машинисты |
|
|
|
241,3 72,5 |
|
Наименование |
Единица измерения |
Количество |
|
Трудоемкость |
чел.-дн. |
29,45 |
|
Работа механизмов |
маш.см. |
8,85 |
|
Численность звена |
чел. |
10 |
|
Продолжительность установки опоры |
смен |
2,95 |
|
Производительность звена за смену |
опор |
0,34 |
4.1. Потребность в основных механизмах, оборудовании, инструменте, приспособлениях
|
п/п |
Наименование |
Тип |
Марка, ГОСТ |
Кол-во |
Техническая характеристика |
|
1 |
2 |
3 |
4 |
5 |
6 |
|
1. |
Трактор |
Гусеничный |
T-130 |
2 |
С лебедкой Л-8 |
|
2. |
Кран тракторный |
Гусеничный |
ТК-53 |
1 |
lстр = 11,5 |
|
3. |
Стрела монтажная |
А-образ. |
чертеж № 564.00.00.000 |
1 |
Н
= |
|
4. |
Блок монтажный |
4-х ролик. |
МН 2781-61 |
2 |
Q = 32 т.е. |
|
5. |
Блок монтажный |
Однорол. |
МН 2779-61 |
1 |
Q = 5 т.е. |
|
6. |
Блок такелажный |
Однорол. |
M1P-8 |
1 |
МОСКТБ ВПО СЭСИ |
|
7. |
Узел типа КГ (входит в комплект опоры) |
|
КГ-16 |
1 |
То же |
|
8. |
Трос из каната
Ø |
|
27-Г-1-Н-160 |
2 |
См. таблицу тросов и стропов рис. 3-3 |
|
9. |
Строп
универсальный из каната Ø |
|
То же |
1 |
То же |
|
10. |
Канат для
тягового полиспаста Ø |
|
23-Г-1-Н-160 |
1 |
То же |
|
11. |
Трос из каната
Ø |
|
19,5-Г-1-Н-160 |
1 |
То же |
|
12. |
Трос из
каната Ø |
|
25-Г-1-Н-160 |
1 |
См. таблицу тросов и стропов рис. 3-3 |
|
13. |
Трос из
каната Ø |
|
19,5-Г-1-Н-160 |
1 |
То же |
|
14. |
Трос из
каната Ø |
|
То же |
4 |
То же |
|
15. |
Скоба |
СК-35 |
ГОСТ 2724-78 |
4 |
МО СКТБ ВПО СЭСИ |
|
16. |
Скоба |
CK-25 |
То же |
11 |
То же |
|
17. |
Скоба |
C-21 |
То же |
1 |
|
|
18. |
Скоба |
C-1 |
То же |
4 |
|
|
19. |
Коуш |
75 |
1 |
|
|
|
20. |
Коуш |
63 |
11 |
|
|
|
21. |
Зажим |
25 |
ОСТ 24.090.51-79 |
28 |
|
|
22. |
Зажим |
22 |
|
4 |
|
|
23. |
Подкладка инвентарная под строп |
|
|
10 |
|
|
24. |
Брус 250×250 |
|
|
Пиломатериал хвойных пород |
|
|
25. |
Лес круглый Ø 150 |
|
ГОСТ 9463-72 |
|
Лесоматериал хвойных пород |
|
26. |
Якорь |
|
Чертеж ОЭС № ОМ-228 ВЛ-ППр13 |
1 |
Q = 30 т.е. |
В перечень не включен бригадный инвентарь, предусмотренный табелем средств малой механизации.
4.2. Потребность в эксплуатационных материалах
|
Наименование |
Ед. изм. |
Норма на один час работы |
Количество на одну опору |
|
Дизельное топливо |
кг |
|
|
|
Трактор T-130 |
|
8 |
387,2 |
|
Кран тракторный ТК-53 |
|
6,2 |
149,4 |
|
ВСЕГО: |
|
|
536,6 |
|
Дизельная смазка |
кг |
|
|
|
Трактор T-130 |
|
0,4 |
19,4 |
|
Кран тракторный ТК-53 |
|
0,25 |
6 |
|
ВСЕГО: |
|
|
25,4 |
|
Характеристика |
Тип опоры |
|
|
ПС 750-1+10 |
ПС 750-3+10 |
|
|
Общая масса опоры, кг |
28298 |
28682 |
|
В том числе |
|
|
|
метизы |
1036 |
1043 |
Рис. 3-1 Промежуточная свободностоящая опора типа ПС 750-1+10 ПС 750-3+10 (проект ОДП №10244 ТМ-Т6-1)
|
№ поз. |
Схема троса или стропа |
Диаметр каната и длина заготовки |
назначение |
|
8 |
|
Ø
|
Трос от стрелы к опоре (вожжи) |
|
9 |
|
Ø
|
Строп универсальный от стрелы к тяговому полиспасту |
|
10 |
|
Ø
|
Канат для полиспаста |
|
11 |
|
Ø
|
Трос для подъема и опускания стрелы |
|
12 |
Ø
|
Тормозной трос |
|
|
13 |
|
Ø
|
Трос от опоры к тормозному тросу |
|
14 |
Ø
|
Трос от опоры к вожжам |
|
ГОСТЫ, СТРОИТЕЛЬНЫЕ и ТЕХНИЧЕСКИЕ НОРМАТИВЫ. Некоммерческая онлайн система, содержащая все Российские Госты, национальные Стандарты и нормативы. В Системе содержится более 150000 файлов нормативно-технической документации, действующей на территории РФ. Система предназначена для широкого круга инженерно-технических специалистов. Copyright © www.gostrf.com, 2008 - 2026 |