|
|
|
МИНИСТЕРСТВО ТРАНСПОРТНОГО СТРОИТЕЛЬСТВА ТЕХНОЛОГИЧЕСКИЕ КАРТЫ УСТРОЙСТВО ПРИМЫКАНИЙ МОСКВА 1981 Содержание ВВЕДЕНИЕТехнологические карты на устройство примыканий автомобильных дорог (съездов, въездов) разработаны на основе методов научной организации труда и предназначены для использования при разработке проектов производства работ и организации труда на строительных объектах. Вследствие того, что примыкания автомобильных дорог состоят из многих конструктивных элементов, для сооружения которых применяют различные технологии, приемы труда, машины и материалы, технологические карты разработаны как на полный комплекс работ по устройству примыкания, так и на устройство каждого элемента в отдельности и объединены в сборник, состоящий из следующих технологических карт: Карта № 1. Устройство примыканий автомобильных дорог (полный комплекс работ). Карта № 2. Устройство железобетонной водопропускной трубы диаметром 0,7 длиной 12,5 м на примыканиях. Карта № 3. Устройство земляного полотна примыкания. Карта № 4. Устройство гравийно-шлакового основания. Карта № 5. Устройство покрытия из черного холодного щебня. Во всех случаях применения технологических карт необходима привязка их к местным условиям производства работ. ТЕХНОЛОГИЧЕСКАЯ КАРТА №
1
|
|||||||||||||||||||||||||||||||||||||||||||||||||||||||||||||||||||||||||||||||||||||||||||||||||||||||||||||||||||||||||||||||||||||||||||||||||||||||||||||||||||||||||||||||||||||||||||||||||||||||||||||||||||||||||||||||||||||||||||||||||||||||||||||||||||||||||||||||||||||||||||||||||||||||||||||||||||||||||||||||||||||||||||||||||||||||||||||||||||||||||||||||||||||||||||||||||||||||||||||||||||||||||||||||||||||||||||||||||||||||||||||||||||||||||||||||||||||||||||||||||||||||||||||||||||||||||||||||||||||||||||||||||||||||||||||||||||||||||||||||||||||||||||||||||||||||||||||||||||||||||||||||||||||||||||||||||||||||||||||||||||||||||||||||||||||||||||||||||||||||||||||||||||||||||||||||||||||||||||||||||||||||||||||||||||||||||||||||||||||||||||||||||||||||||||||||||||||||||||||||||||||||||||||||||||||||||||||||||||||||||||||||||||||||||||||||||||||||||||||||||||||||||||||||||||||||||||||||||||||||||||||||||||||||||||||||||||||||||||||||||||||||||||||||||||||||||||||||||||||||
|
№
техно- |
Описание работ |
Еди- |
Объем |
Норма- |
Стоимость затрат труда на полный объем работ, руб.-коп. |
|
2 |
Устройство водопропускной трубы диаметром 0,75 м |
шт. |
1 |
105,2 |
59-80 |
|
3 |
Устройство земляного полотна примыкания |
м |
100 |
39,3 |
31-12 |
|
4 |
Устройство гравийно-шлакового основания толщиной 16 см на песчаном слое толщиной 20 см |
м |
100 |
27,8 |
17-10 |
|
5 |
Устройство покрытия из холодного черного щебня толщиной 6 см с одиночной поверхностной обработкой и с укреплением обочин и установкой сигнальных столбиков |
м |
100 |
58,0 |
35-88 |
|
|
Итого на примыкание |
|
|
230,3 |
143-90 |
Примечание. В калькуляцию не включена стоимость затрат труда на доставку материалов к месту работ. Стоимость затрат труда на эти работы определяют дополнительно в зависимости от дальности возки, вида транспортных средств и других условий подвоза материалов.
VI. ОСНОВНЫЕ ТЕХНИКО-ЭКОНОМИЧЕСКИЕ ПОКАЗАТЕЛИ
|
Наименование показателей |
По
калькуляции |
По
графику |
На
сколько процентов показатель по графику больше (+) или меньше (-), чем по
калькуляции |
|
Трудоемкость работ при устройстве примыкания, чел-ч |
230,3 |
189,4 |
-17,8 |
|
Средний разряд рабочих |
4 |
4 |
- |
|
Среднедневная заработная плата на одного рабочего, руб.-коп. |
4-99 |
6-08 |
+21,8 |
VII. МАТЕРИАЛЬНО-ТЕХНИЧЕСКИЕ РЕСУРСЫ
А. Основные материалы
|
№ |
Наименование материалов |
Марка, ГОСТ |
Количество на примыкание |
|
2 |
Блоки оголовков, шт. |
Типовой
проект |
2 |
|
|
Звенья трубы диаметром 0,75 м, шт. |
То же, №11 |
12 |
|
|
Битумоасбестовая мастика, кг |
- |
260 |
|
|
Битумный лак, л |
БТ-577, |
44 |
|
|
Битум, кг |
ГОСТ
22245-76 |
26 |
|
4 |
Гравийно-шлаковая смесь, м3 |
ГОСТ 3344-73 |
190 |
|
|
Песок для дополнительного слоя основания, м3 |
ГОСТ 8736-77 |
352 |
|
5 |
Черный холодный щебень фракции 20(25)-40 мм, м3 |
ГОСТ 8267-75 |
69 |
|
|
Черный холодный щебень фракции 10(15)-20(25) мм, м3 |
ГОСТ 8267-75 |
9 |
|
|
Щебень, необработанный битумом, фракции 5-10, 5-15 мм, м3 |
ГОСТ 8267-75 |
9 |
|
|
Битум БНД-130/200 или БНД-200/300, т |
ГОСТ 22245-76 |
1,2 |
|
|
Щебень (гравий) для укрепления обочин, м3 |
ГОСТ 8267-75 |
62 |
|
|
Столбики направляющие сигнальные, шт |
НС* |
19 |
* Типовые проектные решения 503-0-17 «Элементы ограждений автомобильных дорог». ГПИ «Союздорпроект», 1978.
Б. Машины
|
Наименование |
Марка |
Количество |
|
Автогрейдер, оборудованный системой «Профиль-1» |
ДЗ-31-1 (Д-557-1) |
1 |
|
Автогудронатор |
ДС-40 (Д-641) |
1 |
|
Автокран |
КС-2561Е |
1 |
|
Автомобили-самосвалы |
КрАЗ-256Б |
по |
|
Бульдозеры |
ДЗ-18 (Д-493А) |
2 |
|
Бульдозер |
ДЗ-42 (Д-606) |
1 |
|
Бурильная машина |
БМ-202 |
1 |
|
Каток на пневматических шинах |
ДУ-31А (Д-627А) |
1 |
|
Катки вальцовые |
ДУ-49А |
2 |
|
Распределитель щебня |
(Д-724) |
1 |
|
Распределитель мелкого щебня навесной |
ДС-7 (Д-336) |
1 |
|
Экскаватор |
ЭО-3311Г |
1 |
Примечание. Оборудование, инструмент, инвентарь см. в разделах VIIБ в картах № 2, 3, 4, 5.
I. ОБЛАСТЬ ПРИМЕНЕНИЯ
Технологическая карта предусматривает устройство круглой железобетонной трубы диаметром 0,75 м на примыканиях автомобильных дорог согласно Типовому проекту 3.501-59. «Сборник водопропускных труб для автомобильных дорог. Круглые трубы. Часть I. Конструкция труб». (Минтрансстрой, Главтранспроект, Ленгипротрансмост, 1970).
Принята следующая конструкция трубы (рис. 2): бесфундаментная на гравийно-песчаной подушке длиной 12,5 м; .оголовки портальные, бетонные; гидроизоляция - обмазочная, а на стыках звеньев - оклеечная.
Строительство трубы ведется с опережением отсыпки насыпи примыкания.
Рис. 2. Схема трубы (гидроизоляция не показана, размеры даны в см):
1 - оголовок, 2 - звено трубы, 3 - гравийно-песчаная подушка, 4 - засыпка грунтом
II. УКАЗАНИЯ ПО ТЕХНОЛОГИИ ПРОИЗВОДСТВЕННОГО ПРОЦЕССА
При устройстве трубы выполняют следующие работы:
- разработку котлована;
- устройство гравийно-песчаной подушки;
- монтаж звеньев и оголовков трубы;
- изоляционные работы;
- засыпку трубы грунтом.
Рытье котлована
Трубу, как правило, устраивают на прямом участке примыкания за пределами коробовых кривых.
Перед разработкой котлована делают разбивку оси трубы, разбивку котлована и устраивают обноску.
На продольной оси примыкания забивают колышек и от него в обе стороны восстанавливают перпендикуляры, которые будут осью трубы.
На каждом конце перпендикуляра забивают по два кола - первый на расстоянии 15-20 м от оси примыкания, второй на расстоянии 10-15 м от первого.
Все забитые колья должны быть расположены на одной прямой (в створе).
После этого делают разбивку котлована под звенья и оголовки трубы.
По периметру котлована, в местах установки оголовков, устраивают обноску из досок, втопленных в землю для предохранения от повреждения машинами. На обноске намечают положение оси трубы и местоположение оголовков.
Котлован под звенья и оголовки трубы разрабатывают экскаватором ЭО-3311Б (Э-302Б), оборудованным ковшом - обратная лопата.
Окончательно дорабатывают и зачищают дно котлована под рейку до проектных отметок (с учетом строительного подъема трубы) вручную.
После окончательной зачистки дно котлована уплотняют мототрамбовкой.
Устройство гравийно-песчаной подушки
Гравийно-песчаную подушку под трубу рекомендуется делать после установки блоков оголовков и засыпки котлована у оголовков грунтом.
Гравийно-песчаную смесь доставляют автомобилем-самосвалом и выгружают непосредственно у котлована в двух-трех местах для сокращения ручной перекидки.
Подушку устраивают вручную в два слоя. Первый слой гравийно-песчаной смеси толщиной 15-20 см распределяют, разравнивают и уплотняют мототрамбовкой.
Затем распределяют второй слой до проектной толщины, планируют под рейку и утрамбовывают мототрамбовкой, имеющей приставное лекальное днище. После этого посередине подушки должен быть образован лоток по очертанию внешней поверхности звена трубы и глубиной порядка 19 см.
Лотку придают проектный продольный уклон трубы с учетом проектного строительного подъема.
Монтаж звеньев и оголовков трубы
В котловане под оголовки устраивают гравийно-песчаную подушку толщиной 10 см и уплотняют ее мототрамбовкой.
Пользуясь рисками на обноске, у оголовков намечают проектное положение блоков оголовков.
Сначала автокраном устанавливают блок выходного оголовка, при этом с помощью гибких оттяжек удерживают блок от раскачивания.
После установки блока в проектное положение, удерживая его на стропах, надежно закрепляют его инвентарными распорками и оттяжками, после чего стропы снимают.
В таком же порядке устанавливают и закрепляют блок входного оголовка.
Звенья трубы монтируют автокраном с использованием монтажной скобы (рис. 3). Окончательную установку в проектное положение осуществляют при помощи оттяжек.
Зазоры между звеньями, равные 10 мм, обеспечиваются при помощи фиксатора (шаблона) и лома.
Последние два звена у входного оголовка устанавливают в таком порядке.
Сначала звено, примыкающее к оголовку, вставляют в гнездо оголовка, затем предпоследнее звено устанавливают в образовавшийся промежуток, используя при этом траверсу (см. рис. 3).
После установки всех звеньев и оголовков окончательно выравнивают линию звеньев относительно продольной оси, обеспечивая величину проектного зазора между звеньями.
Изоляционные работы
Изоляционные работы выполняют при температуре воздуха не ниже +5°С. При дожде или при температуре воздуха выше 25°С над трубой навешивают тент.
Изоляционные работы состоят из следующих операций:
- конопатки швов паклей, пропитанной битумом;
- оклеечной изоляции на швах;
- обмазочной изоляции звеньев трубы и поверхностей оголовков, соприкасающихся с грунтом.
Швы на стыках звеньев и на примыканиях звеньев к оголовкам заделывают жгутами из пакли, пропитанной битумом в два слоя (рис. 4). Сначала с помощью металлической конопатки (см. рис. 3) запрессовывают первый слой так, чтобы жгуты не доходили до внутренней поверхности звеньев трубы примерно на 3 см, а затем запрессовывают второй слой, который не должен доходить до внешней поверхности на 0,5-1 см.
После этого углубление в шве заполняют битумоасбестовой мастикой.

Рис. 3. Инструменты и приспособления для строительства трубы:
а - монтажная скоба; б - хомут-траверса; в - резиновый валик; г - металлическая конопатка

Рис. 4. Схема гидроизоляции трубы:
а - оклеечная гидроизоляция на стыках звеньев; б - обмазочная гидроизоляция; 1 - звено трубы; 2 - битумный лак; 3 - два слоя битумоасбестовой мастики (толщина каждого слоя 1-3 мм); 4 - стеклоткань; 5 - отделочный слой битумоасбестовой мастики; 6 - слой мастики, перекрывающий запрессованную паклю; 7 - пакля, пропитанная битумом, 5 - цементный раствор
Оклеечную изоляцию на швах (на стыках звеньев) выполняют в сухую погоду в такой последовательности:
- грунтуют место стыка битумным лаком с помощью распылителя;
- наносят горячую битумоасбестовую мастику и разглаживают ее резиновым валиком тонким равномерным слоем толщиной 1,5-3 мм. При этом распылитель заменяют распределительным соплом;
- на горячую битумную мастику настилают полоску ткани из стекловолокна шириной 25 см и прикатывают валиком;
- сверх ткани наносят слой горячей битумоасбестовой мастики;
- настилают второй слой ткани из стекловолокна и прикатывают валиком;
- наносят отделочный слой из горячей битумоасбестовой мастики.
Для удобства конопатки швов и устройства оклеечной изоляции в нижней части звеньев в гравийно-песчаной подушке роют воронки шириной поверху 30 см, а после выполнения работ заделывают их с тщательной подштопкой и трамбованием.
Обмазочную изоляцию в два слоя наносят на внешнюю поверхность звеньев трубы и на поверхности оголовков, засыпаемые грунтом.
При нанесении первого слоя изоляции вначале на бетонную поверхность наносят битумный лак при помощи передвижного распределителя, на шасси которого смонтирован компрессор, рабочий бачок, распределительная система. Затем бак агрегата заполняют горячей битумной мастикой, распылитель заменяют распределительным соплом и наносят битумоасбестовую мастику, которую размазывают кистями или распределяют валиком тонким слоем (1,5-3 мм).
Когда остынет первый слой, наносят второй слой мастики без подгрунтовки битумным лаком.
Обмазочную гидроизоляцию применяют только в тех случаях, когда на звенья трубы заводского изготовления имеется технический паспорт с указанием водонепроницаемости бетона, которая должна быть не ниже В-2 по ГОСТ 4795-68.
При отсутствии технического паспорта или данных испытаний на водонепроницаемость вместо обмазочной делают оклеечную гидроизоляцию.
Оклеечную изоляцию звеньев трубы выполняют аналогично оклеечной изоляции швов - звено трубы грунтуют битумным лаком, наносят слой мастики, наклеивают ткань из стекловолокна, наносят слой мастики, наклеивают ткань из стекловолокна, наносят отделочный слой мастики. По верху отделочного слоя накладывают слой обмазки (стяжки) из цементного раствора.
Битумный лак приготавливают, как правило, на централизованных базах и доставляют к месту работ в готовом виде.
В исключительных случаях и при соблюдении противопожарных мер битумный лак готовят на месте работ следующим способом.
В специальном котле разогревают битум до температуры 100°С. Гасят огонь в топке. Разогретый битум смешивают с небольшими порциями растворителя (лигроин, керосин, сольвент-нафт) в соотношениях по весу, %:
|
I. Битум БНД 60/90 Растворитель |
- 25-35 - 75-65 |
|
II. Битум БНД 40/60 |
- 32-40 |
|
Стеариновый пек |
- 8-10 |
|
Растворитель |
- 60-50 |
В исключительных случаях в качестве грунтовки вместо битумного лака разрешается использовать разжиженный битум.
Битумную мастику для обмазочной изоляции приготовляют в битумоварочном котле. Битум марок БНД 60/90 (60 %) и БНД 40/60 (23 %) загружают в котел на 1/3 объема и разогревают при постоянном перемешивании. После того, как выпарится влага (прекратится пенообразование и поверхность битума станет зеркальной), в котел добавляют разогретое машинное масло (2 %) при интенсивном перемешивании, а затем подогретый асбест 6-7 сорта - 15 % (состав мастики приведен для условий средней полосы Европейской части СССР).
Всю смесь перемешивают до однородного состояния и нагревают до температуры 175-180°. При такой температуре выдерживают мастику примерно 1,5 ч, после чего огонь в топке уменьшают и поддерживают температуру мастики не выше 175°.
Засыпка трубы грунтом
Котлован засыпают грунтом сразу же после установки оголовков. Засыпку ведут слоями толщиной 15 см и трамбуют мототрамбовкой, а в недоступных местах - ручной трамбовкой.
К засыпке трубы грунтом приступают после приемки представителем технической инспекции работ по монтажу и изоляции звеньев и оголовков трубы (акт на скрытые работы).
Трубу засыпают грунтом таким образом, чтобы над ней была образована призма шириной понизу не менее 8,4 м (диаметр трубы плюс не менее 3 м в каждую сторону от трубы), высотой до проектной отметки насыпи и с откосами не круче 1:1 (см. рис. 2).
Отсыпку грунта ведут слоями толщиной не более 15-20 см. При этом слой грунта отсыпают равномерно с обеих сторон трубы.
Каждый слой грунта уплотняют одновременно с обеих сторон мототрамбовками, а в недоступных местах - ручными трамбовками.
Особенно тщательно уплотняют грунт в нижних четвертях звеньев трубы, не допуская переуплотнения грунта над трубой, особенно в средней ее части во избежание перегрузок.
После того, как высота призмы грунта над трубой достигнет минимальной 0,5 м, разрешается продольные проходы машин по насыпи примыкания с переездом через трубу. В этом случае не допускается проезд машин по одной колее.
Дальнейшую отсыпку насыпи на примыканиях к трубе производят в обычном порядке с соблюдением требований ВСН 97-63.
Требования по качеству работ
В процессе строительства трубы качество работ проверяют в соответствии с картой операционного контроля качества работ (раздел VIII).
При строительстве трубы необходимо руководствоваться следующей технической литературой:
СНиП III-43-75 «Правила производства и приемки работ. Мосты и трубы. М., Стройиздат, 1976.
«Технические указания по
изготовлению и постройке сборных железобетонных водопропускных труб»,
М., Оргтрансстрой,
1963.
Типовой проект 3.501-59. «Сборник водопропускных труб для автомобильных дорог. Круглые трубы. Часть 1. Конструкция труб». Минтрансстрой, Главтранспроект-Ленгипротрансмост, 1970.
Указания по технике безопасности
Монтажные, а также погрузочно-разгрузочные работы при строительстве трубы разрешается выполнять под руководством мастера или прораба.
Запрещается краном поднимать сборные элементы, засыпанные землей, а также примерзшие к земле. В этих случаях необходимо очистить элемент и обеспечить свободный подъем его краном.
Во всех случаях при подъеме грузов полиспаст автокрана должен занимать вертикальное положение. Подтягивание элементов крюком крана запрещается.
Перед установкой на место к звеньям и оголовкам трубы привязывают оттяжки из пенькового каната диаметром не менее 12 мм и длиной 6-10 м. При опускании элемента запрещается направлять и поворачивать его непосредственно руками. Поворачивать поднятый элемент разрешается только с помощью оттяжек. Запрещается горизонтальное перемещение поднятого элемента оттяжками.
Во время подъема элементов трубы рабочим запрещается находиться под стрелой автокрана и не ближе 5 м от радиуса действия стрелы.
Подходить к элементу разрешается только в том случае, когда он находится на высоте 5-10 см от места установки. Точную центровку элемента разрешается производить с помощью лома, свободный конец которого не должен находиться против рабочего.
Запрещается установленные блоки оголовков оставлять не закрепленными оттяжками или инвентарными подкосами.
Запрещается под установленными блоками оголовков делать подкоп для углубления и уширения котлована. При необходимости углубить, уширить котлован или поправить гравийно-песчаную подготовку установленный блок следует поднять, отвести в сторону и положить на грунт.
Поднятые автокраном звенья трубы следует удерживать от раскачивания и подводить к месту установки плавно, не касаясь оголовка или смежного звена.
При разработке котлована экскаватором необходимо соблюдать следующие основные правила:
- при работе экскаватора запрещается находиться под ковшом и стрелой, производить какие-либо работы со стороны забоя, находиться посторонним лицам на расстоянии ближе чем 5 м от радиуса действия экскаватора;
- во время перерыва в работе стрелу следует отвести от забоя, а ковш опустить на землю. Очищать ковш можно только, опустив его на грунт;
- передвижение экскаватора с нагруженным ковшом запрещается. При передвижении экскаватора стрелу его следует устанавливать по направлению хода, а ковш приподнимать на 0,5-0,7 м от земли;
- во время работы запрещается при заполненном ковше менять вылет стрелы, подтягивать при помощи стрелы груз, регулировать тормоза при поднятом ковше.
При приготовлении битумной мастики заполнение котла допускается не более чем на 3/4 его вместимости. Запрещается загружать в котел влажные материалы.
При возгорании битума в котле следует плотно закрыть горловину крышкой и заглушить топку. Запрещается заливать горящий битум водой, его следует тушить только сухим песком.
При ожогах битумом нужно смыть его с кожи соляровым маслом, а затем сделать примочку 96-процентным этиловым спиртом.
Чистку битумных котлов можно начинать только после их полного остывания при обязательном использовании предохранительных очков и брезентовых костюмов.
III. УКАЗАНИЯ ПО ОРГАНИЗАЦИИ ТРУДА
Работы по строительству трубы выполняют поточным методом, как правило, в две смены.
Для выполнения работ организуют три звена рабочих в следующем составе
|
Звено землекопов: |
Звено монтажников конструкций: |
|
3 разр.-1 |
4 разр.-1 |
|
2 разр.-1 |
3 разр.-2 |
|
1 разр.-1 |
|
Звено заключительного цикла:
|
Монтажники конструкций (изолировщики): |
|
4 разр.-1 |
|
3 разр.-1 |
|
Землекоп |
|
3 разр.-1 |
Звено землекопов в начале смены делает разбивку котлована и сразу же после разработки экскаватором приступает к доработке и зачистке его. После этого звено устраивает гравийно-песчаную подушку под звенья трубы. При этом землекопы 1 и 2 разр. лопатами подают и разравнивают гравийно-песчаную смесь, а землекоп 3 разр. уплотняет послойно смесь мототрамбовкой с образованием лотка под звенья трубы.
В зоне оголовков устройство гравийно-песчаной подушки временно прекращают и начинают засыпку котлованов оголовков.
Поданный бульдозером грунт землекопы 1 и 2 разр. подают в котлован и послойно разравнивают его, а землекоп 3 разр. уплотняет грунт мототрамбовкой.
Засыпав котлован оголовков, землекопы заканчивают устройство гравийно-песчаной подушки в местах прилегания ее к оголовкам.
IV. ГРАФИК ВЫПОЛНЕНИЯ ПРОИЗВОДСТВЕННОГО ПРОЦЕССА ПО УСТРОЙСТВУ ВОДОПРОПУСКНОЙ ТРУБЫ НА ПРИМЫКАНИЯХ АВТОМОБИЛЬНЫХ ДОРОГ

Примечания:
1. Цифры над чертой - количество рабочих, занятых в операции, цифры под чертой - продолжительность операции в часах.
2. В трудоемкость работ включено время на отдых рабочих в течение смены.
3. Если проектом предусматривается укрепление русла у оголовков, то затраты труда на эти работы включаются в график дополнительно.
Монтажники конструкций 4 разр.-1 и 3 разр.-1 в начале смены выгружают и сортируют элементы трубы и сразу же монтажник конструкций 3 разр.-1 наносит обмазочную гидроизоляцию на них.
После выгрузки элементов все звено продолжает выполнение обмазочной изоляции, а затем поочередно устанавливает оголовки и звенья трубы.
Для кратковременной работы звену землекопов придают бульдозер и экскаватор для разработки котлована, а звену монтажников конструкций - автокран.
Звено заключительного цикла выполняет работы во вторую смену.
Монтажники конструкций (изолировщики) 4 разр.-1 и 3 разр.-1 конопатят швы, устраивают на них обмазочную и оклеечную изоляцию.
Землекоп 3 разр.-1 засыпает грунтом, доставленным автомобилями-самосвалами, пазухи и нижние четверти трубы с уплотнением грунта мототрамбовкой.
В конце смены монтажники конструкций помогают землекопу закончить засыпку трубы. Для отсыпки грунта по обе стороны трубы и на верхней части земляной призмы звену придается экскаватор.
Для обеспечения бесперебойной работы на строительную площадку своевременно доставляют бетонные элементы трубы, изоляционные материалы, грунт для засыпки трубы, а также машины, оборудование, инвентарь, инструмент (раздел VII).
V. КАЛЬКУЛЯЦИЯ ЗАТРАТ ТРУДА НА УСТРОЙСТВО ВОДОПРОПУСКНОЙ ТРУБЫ НА ПРИМЫКАНИЯХ
|
Шифр норм |
Наименование работ |
Состав звена |
Единица измерения |
Объем работ |
Норма времени, чел-ч |
Расценка, руб.-коп. |
Норма- |
Стоимость затрат труда на полный объем
работ, |
|
ЕНиР, |
Планировка строительной площадки бульдозером за 3 прохода по одному следу |
Машинист бульдозера 5 разр.-1 |
1000 м2 |
1 |
1,05 |
0-73,8 |
1,05 |
0-74 |
|
ЕНиР, |
Разгрузка и сортировка блоков оголовков на строительной площадке |
Машинист автокрана 6 разр.-1 Монтажники конструкций: 4 разр.-1 3 разр.-1 |
1 блок |
2 |
0,66 |
0-43,4 |
1,32 |
0-87 |
|
ЕНиР, |
Разгрузка и сортировка звеньев трубы |
То же |
1 звено |
12 |
0,38 |
0-24,7 |
4,56 |
2-96 |
|
ЕНиР, |
Разработка котлована в грунте II группы под звенья трубы и оголовки экскаватором ЭО-3311Б навымет |
Машинист экскаватора 4 разр.-1 |
100 м3 |
0,22 |
4,5 |
3-16 |
0,99 |
0-70 |
|
ЕНиР, |
Доработка котлована вручную после разработки грунта экскаватором |
Землекоп 2 разр.-1 |
1 м3 |
3,6 |
1,5 |
0-73,9 |
5,4 |
2-66 |
|
ЕНиР, |
Зачистка котлована вручную под рейку |
То же |
100 м2 |
0,44 |
15 |
7-39 |
6,6 |
3-25 |
|
ЕНиР, |
Перемещение грунта бульдозером за пределы строительной площадки на расстояние 80 м |
Машинист бульдозера 4 разр.-1 |
100 м3 |
0,256 |
3,02 |
1-89 |
0,77 |
0-48 |
|
ЕНиР, |
Устройство гравийно-песчаной подготовки под блоки оголовков |
Дорожные рабочие: 4 разр.-1 3 разр.-1 2 разр.-1 |
100 м2 |
0,02 |
18 |
10-04 |
0,36 |
0-20 |
|
ЕНиР, |
Установка блоков портальных оголовков автокраном при весе оголовка до 3 т |
Машинист автокрана 6 разр.-1 Монтажники конструкций: 4 разр.-2 3 разр.-2 |
1 блок |
2 |
2,5 |
1-57,5 |
5 |
3-15 |
|
ЕНиР, |
Устройство обмазочной гидроизоляции поверхностей блоков, соприкасающихся с землей |
Гидро- 2 разр.-2 |
м2 |
18 |
0,26 |
0-14,4 |
4,68 |
2-59 |
|
ЕНиР, |
Перемещение грунта бульдозером на расстояние 20 м для засыпки пазух котлована и трубы |
Машинист бульдозера 4 разр.-1 |
100 м3 |
0,256 |
3,02 |
1-89 |
0,77 |
0-48 |
|
ЕНиР, |
Послойная засыпка грунтом II группы пазух котлована и трубы вручную |
Землекопы: 2 разр.-1 1 разр.-1 |
1 м3 |
20 |
0,58 |
0-27 |
11,6 |
5-40 |
|
ЕНиР, |
Послойное трамбование грунта мототрамбовками |
Землекоп 3 разр.-1 |
100 м2 |
1,52 |
2,34 |
1-30 |
3,56 |
1-98 |
|
ЕНиР, |
Устройство гравийно-песчаной подушки под звенья трубы в два слоя толщиной по 15 см |
Дорожные рабочие: 4 разр.-1 3 разр.-1 2 разр.-1 |
100 м2 |
0,34 |
18 |
10-04 |
6,12 |
3-41 |
|
ЕНиР, |
Установка звеньев трубы диаметром 0,75 м автокраном |
Машинист автокрана 6 разр.-1 Монтажники конструкций: 4 разр.-2 3 разр.-2 |
1 звено |
12 |
1,6 |
1-00,8 |
19,2 |
12-10 |
|
ЕНиР, |
Конопатка швов между звеньями трубы паклей, пропитанной битумом |
Монтажники конструкций 4 разр.-1 3 разр.-1 |
1 м шва |
35,5 |
0,155 |
0-09,1 |
5,5 |
3-23 |
|
ЕНиР, |
Заделка швов цементным раствором |
Монтажник конструкций 4 разр.-1 |
1 м шва |
35,5 |
0,084 |
0-05,3 |
2,98 |
1-88 |
|
ЕНиР, |
Устройство оклеечной гидроизоляции швов на стыках звеньев |
Гидро- 4 разр.-1 3 разр.-1 |
1 м шва |
37,2 |
0,15 |
0-08,9 |
5,58 |
3-31 |
|
ЕНиР, |
Устройство обмазочной изоляции звеньев трубы |
Гидро- 3 разр.-2 |
1 м2 |
25,7 |
0,26 |
0-14,4 |
6,68 |
3-70 |
|
ЕНиР, |
Засыпка грунтом звеньев трубы слоями 15-20 см экскаватором ЭО-3311Б, оборудованным грейферным ковшом |
Машинист Экскаватора 5 разр.-1 |
100 м3 |
0,67 |
3,3 |
2-32 |
2,21 |
1-55 |
|
ЕНиР, |
Послойное разравнивание грунта вручную после отсыпки его экскаватором |
Землекоп 1 разр.-1 |
1 м3 |
67 |
0,07 |
0-03,1 |
4,69 |
2-08 |
|
ЕНиР, |
Трамбование грунта мототрамбовками отсыпанного слоя толщиной 20 см |
Землекоп 3 разр.-1 |
100 м2 |
2,85 |
1,95 |
1-08 |
5,56 |
3-08 |
|
|
Всего на трубу |
|
|
|
|
|
105,2 |
59-80 |
VI. ОСНОВНЫЕ ТЕХНИКО-ЭКОНОМИЧЕСКИЕ ПОКАЗАТЕЛИ
|
Наименование показателей |
По |
По |
На сколько процентов показатель по графику больше (+) или меньше (-), чем по калькуляции
|
|
Трудоемкость работ на трубу, чел-ч |
105,2 |
82,2 |
-21,9 |
|
Средний разряд рабочих |
3,2 |
3,2 |
- |
|
Среднедневная заработная плата на одного рабочего, руб.-коп. |
4-55 |
5-82 |
+27,9 |
VII. МАТЕРИАЛЬНО-ТЕХНИЧЕСКИЕ РЕСУРСЫ
А. Основные материалы
|
Наименование материалов |
Марка, ГОСТ |
Количество на трубу |
|
Блоки оголовков, шт. |
Типовой
проект |
2 |
|
Звенья трубы диаметром 0,75 м длиной 1 м, шт. |
То
же |
12 |
|
Битумоасбестовая мастика, кг |
- |
260 |
|
Битумный лак, л |
БТ-577, |
43,7 |
|
Битум, кг |
ГОСТ 22245-76 |
26 |
|
Стеклоткань или мешковина, м2 |
ГОСТ 10156-78 |
18,8 |
|
Пакля, кг |
ГОСТ 10379-76 |
3 |
|
Гравийно-песчаная смесь, м3 |
ГОСТ 7394-77 |
6 |
|
Песчаный грунт для засыпки трубы, м3 |
- |
67 |
Б. Машины, оборудование, инструменты, инвентарь
|
Наименование |
Марка, ГОСТ |
Количе- |
|
Кран автомобильный |
КС-2561Е |
1* |
|
Бульдозер |
ДЗ-42 |
1* |
|
Экскаватор с обратной лопатой и грейфером |
ЭО-3311Б |
1* |
|
Автомобили-самосвалы для доставки грунта |
КрАЗ-256Б |
По |
|
Мототрамбовки |
С-537 |
2 |
|
Агрегат распылительный передвижной |
Изготовляется в мастерских |
1 |
|
Котел битумный для разогрева мастики |
Д-124 |
1 |
|
Трамбовки ручные прямоугольные |
ГОСТ 11777-74 |
2 |
|
Лопаты стальные строительные |
ГОСТ 3620-76 |
9 |
|
Топор плотничный |
ГОСТ 1399-73 |
1 |
|
Рулетка измерительная металлическая 20 м |
ГОСТ 7502-69 |
1 |
|
Скоба монтажная |
Изготовляется в мастерских |
1 |
|
Хомут-траверса |
То же |
1 |
|
Валик резиновый |
То же |
1 |
|
Конопатки стальные |
То же |
2 |
|
Ведра |
- |
2 |
|
Нивелир |
ГОСТ 10528-76 |
1 |
|
Рейки нивелирные |
ГОСТ 11158-76 |
2 |
* Привлекаются для кратковременной работы.
VIII. КАРТА ОПЕРАЦИОННОГО КОНТРОЛЯ КАЧЕСТВА РАБОТ ПРИ УСТРОЙСТВЕ ВОДОПРОПУСКНОЙ ТРУБЫ НА ПРИМЫКАНИЯХ
|
Контролируемые параметры |
Предельные |
Схема продольного разреза трубы с указанием предельных отклонений: 1 - котлован; 2 - оголовок; 3 - звено трубы, 4 - гравийно-песчаная подушка; 5 - проектное положение оси трубы |
|
Геометрические размеры котлована |
∆1 = +50 |
|
|
Отметки дна котлована |
∆2 = ±20 |
|
|
Отметка лотка гравийно-песчаной подушки |
∆3 = ±10 |
|
|
Положение продольной оси трубы |
∆4 = ±30 |
|
|
Соосность звеньев трубы |
∆5 = ±10 |
|
|
Зазор между звеньями на стыках |
∆б = ±5 |
|
|
Продольный уклон трубы |
∆7 = ±0,005 |
Примечания.
1. Предельные отклонения по продольному уклону трубы и в соосности отдельных звеньев допустимы при отсутствии участков застоя воды.
2. Швы между звеньями должны быть плотно законопачены паклей, пропитанной битумом.
3. Оклеечная изоляция на стыках звеньев должна плотно прилегать к поверхности звеньев труб без отслоений, вздутий и пузырей.
4. Обмазочная изоляция на оголовках и звеньях трубы должна покрывать поверхность равномерным слоем без пропусков. Общая толщина двух слоев битумоасбестовой мастики (сверх битумного лака) должна быть в пределах 3-6 мм.
5. Засыпку трубы грунтом ведут слоями толщиной не более 20 см с послойным трамбованием. Коэффициент уплотнения грунта должен быть не менее 0,95.
6. Высота засыпки над трубой должна быть не менее 0,5 м. Ширина засыпки - не менее 3,8 м в каждую сторону от боковой поверхности звеньев трубы.
СНиП III-43-75; ВСН 81-62
|
I |
Основные операции, подлежащие контролю |
Разработка котлована |
Устройство гравийно-песчаной подушки |
Монтаж блоков оголовков и звеньев трубы |
Гидроизоля- |
Засыпка трубы грунтом |
|
II |
Состав контроля |
1. Ширина. |
1. Отметки лотка. |
1. Положение продольной оси трубы. 2. Соосность звеньев. 3. Зазор между звеньями 4. Продольный уклон трубы |
1. Плотность конопатки швов. 2. Оклеечная изоляция на стыках звеньев. |
1. Высота насыпи. 2. Ширина понизу. 3. Плотность |
|
III |
Метод и средства контроля |
Измерительный. 1, 2. Рулетка. |
Измерительный. 1. Нивелир. 2. Плотномер- |
Измерительный. 1, 2. Теодолит, линейка. 3. Линейка. 4. Нивелир, рулетка |
Визуальный |
Измерительный. 1, 2. Рулетка. 3. Плотномер- |
|
IV |
Режим и объем контроля |
1, 2. По одному разу на котлован оголовков и в трех поперечниках котлована под звенья трубы. 3. В точках эпюры строительного подъема |
1. На каждом оголовке и в точках опоры строительного подъема. 2. Одна проверка на подушку |
1, 4. В трех точках - у оголовков и в середине. 2, 3. На каждом стыке звеньев |
1, 2. На каждом шве. 3. На каждом оголовке и звене трубы |
1, 2. В трех поперечниках - по концам трубы и посередине. 3. Одна проба на каждые 1,5 м высоты насыпи |
|
V |
Лицо, контроли- |
Мастер |
Мастер, лаборант |
Мастер, геодезист |
Мастер |
Мастер, лаборант |
|
VI |
Лицо, ответственное за организацию и осуществление контроля |
Прораб |
||||
|
VII |
Привлекаемые для контроля подразделения |
- |
Лаборатория |
Геодезическая служба |
- |
Лаборатория |
|
VIII |
Где регистрируются результаты контроля |
Общий журнал работ, акт на освидетельство- |
Общий журнал работ, акт на скрытые работы |
Общий журнал работ, акт приемки гидроизоляции |
Общий журнал работ, журнал лабораторных работ |
|
I. ОБЛАСТЬ ПРИМЕНЕНИЯ
В технологической карте принято устройство насыпи примыкания по способу доставки грунта автомобилями-самосвалами.
Геометрические размеры земляного полотна соответствуют примыканию типа III-4-C, имеющему следующие параметры:
|
Длина примыкания, м |
100 |
|
Угол пересечения с основной дорогой, град |
90 |
|
Элементы коробовых кривых: |
|
|
радиус входной кривой, м |
R1 = 40 |
|
центральный угол, град |
a1 = 15 |
|
тангенс, м |
Т1 = 26,69 |
|
радиус выходной кривой, м |
R3 = 45 |
|
центральный угол, град |
a3 = 20 |
|
тангенс, м |
Т3 = 29,23 |
|
радиус средней кривой, м |
R2 = 20 |
|
Ширина земляного полотна примыкающей дороги, м |
10 |
|
Высота насыпи, м |
1,35 |
До начала работ по отсыпке земляного полотна делают геодезическую разбивку примыкания согласно проекту.
II. УКАЗАНИЯ ПО ТЕХНОЛОГИИ ПРОИЗВОДСТВЕННОГО ПРОЦЕССА
При отсыпке земляного полотна выполняют следующие работы:
- срезки растительного слоя грунта бульдозером;
- уплотнение грунтового основания под насыпь катком;
- послойное разравнивание грунта, доставленного автомобилями-самосвалами, бульдозером с планировкой поверхности слоя;
- планировку верха земляного полотна автогрейдером;
- досыпку откосов растительным грунтом.
Растительный слой с подошвы насыпи срезают бульдозером и перемещают его в отвалы, расположенные по обе стороны примыкания.
Подошву насыпи уплотняют катком на пневматических шинах за четыре прохода по одному следу.
Отсыпку насыпи ведут послойно. Количество грунта, доставляемое автомобилями-самосвалами, предусмотрено по расчету. Выгруженный грунт разравнивают слоем не более 40-45 см в рыхлом состоянии, а затем планируют бульдозером за один проход по одному следу. Поверхности придают уклон к бровкам, равный 20-40 ‰. При этом не допускают образования замкнутых впадин.
После отсыпки второго слоя грунта на откосе насыпи основной дороги отвалом бульдозера нарезают продольный уступ шириной 1 м для лучшего сопряжения насыпи примыкания с земляным полотном основной дороги.
При отсыпке насыпи откосы не досыпают по толщине на 20-30 см с учетом того, что они будут дополнены растительным грунтом.
Уплотнение грунта ведут послойно круговыми проходами катка на пневматических шинах типа ДУ-16В (Д-551В) за 7-8 проходов по одному следу.
Первый слой грунта уплотняют, начиная от краев, с постепенным смещением проходов к оси земляного полотна и перекрытием следов на 1/3 ширины катка. Второй и последующие слои уплотняют по такой схеме: первый проход делают на расстоянии 2-2,5 м от края отсыпанного слоя, второй и третий - при смещении проходов к краю с перекрытием следа на 1/3 ширины катка.
После этого продолжают укатку от первого следа с постепенным смещением к середине отсыпанного слоя и перекрытием следов на 1/3 ширины катка.
Последующие проходы катка по одному следу разрешается делать после того, как вся площадь слоя будет полностью уплотнена предыдущими проходами катка.
Для предупреждения сползания катка с насыпи он не должен приближаться к краю ближе чем на 30 см. Особенно тщательно уплотняют грунт в местах сопряжения насыпи с трубой и с земляным полотном основной дороги. На сопряжении насыпи с трубой уплотнение каждого слоя ведут проходами катка поперек отсыпаемой насыпи - вдоль трубы без переезда катка через трубу. После того, как высота насыпи сравняется с высотой засыпки над трубой, т. е. высота насыпи над трубой будет не менее 0,5 м, разрешается переезд катка через трубу.
На сопряжении с земляным полотном основной дороги нижние слои отсыпаемой насыпи также следует уплотнять поперечными проходами катка, параллельными земляному полотну основной дороги. При этом число проходов катка по одному следу следует увеличить до 10.
После того, как высота насыпи примыкания достигнет высоты земляного полотна основной дороги, укатку можно проводить продольными проходами катка.
При уплотнении грунта на сопряжении насыпи примыкания с земляным полотном основной дороги следят за тем, чтобы вся площадь расширенной части сопряжения была равномерно уплотнена проходами катка. Для этого следует назначать и дополнительные короткие проходы катка.
После уплотнения насыпи поверхность ее планируют за три прохода по одному следу автогрейдером, оборудованным системой «Профиль-1». Для этого автогрейдер устанавливают на обочине в 0,8 м от бровки. Отвал выдвигают до линии бровки. При первых круговых проходах автогрейдера делают грубую планировку с перемещением излишка срезанного грунта к оси земляного полотна без включения системы «Профиль-1» при следующем положении отвала: угол захвата - 45-50°, угол резания - 41°, угол наклона соответствует проектному уклону земляного полотна.
Последующие два прохода по одному следу делают с выключенной системой «Профиль-1» в автоматическом режиме управления отвалом. При этом грунт перемещают от оси земляного полотна к бровкам.
Угол захвата в этом случае увеличивают до 50-55°.
Лишний грунт сбрасывают на откосы. Перекрытие следов делают на 0,8-0,6 м. Завершают работы по отсыпке насыпи примыкания досыпкой откосов растительным грунтом.
Ранее срезанный и складированный растительный грунт бульдозером надвигают на откосы земляного полотна и разравнивают равномерным слоем. При этом грунт подают отвалом к бровке с распределением его по откосу, а при движении бульдозера назад планируют грунт опущенным отвалом.
При отсыпке земляного полотна примыкания необходимо руководствоваться следующей технической литературой:
СНиП III-8-76. «Правила производства и приемки работ. Земляные сооружения». М., Стройиздат, 1977;
«Инструкция по сооружению земляного полотна автомобильных дорог», ВСН 97-63. М., «Транспорт», 1964.
Требования по качеству работ
Отсыпанное земляное полотно примыкания автомобильной дороги должно иметь проектные геометрические размеры и проектные поперечные уклоны. Поверхность земляного полотна должна быть ровная, без замкнутых впадин. Коэффициент уплотнения грунта - не ниже 0,95.
При устройстве земляного полотна примыкания качество работ контролируют в соответствии с картой операционного контроля качества (раздел VIII).
Указания по технике безопасности
При работе бульдозера необходимо соблюдать следующие правила:
- при сбрасывании грунта под откос не выдвигать отвал за бровку насыпи;
- не поворачивать бульдозер с заглубленным или с загруженным отвалом;
- во время остановок бульдозера отвал его необходимо опускать на грунт.
Одноосный каток на пневматических шинах с балластным кузовом разрешается прицеплять к тягачу только при загруженном балластном кузове. Поднимать переднюю часть катка необходимо только при помощи подъемного устройства, например, домкрата. Задний домкрат катка должен быть установлен так, чтобы дышло катка поднялось до уровня прицепного устройства тягача. При прицепке катка рабочим запрещается находиться сзади кузова и в кузове.
При укатке прицепными катками любого типа запрещается движение тягача задним ходом.
Запрещается отцепка загруженного одноосного катка на пневматических шинах. Для этого он должен быть предварительно разгружен.
Транспортировать прицепные катки на пневматических шинах необходимо на прицепе без балласта.
Отсыпку земляного полотна следует выполнять в соответствии с «Типовой инструкцией по охране труда для машиниста бульдозера». М., Оргтрансстрой, 1978, «Типовой инструкцией по охране труда для машинистов грунтоуплотняющих машин». М., Оргтрансстрой, 1977.
III. УКАЗАНИЯ ПО ОРГАНИЗАЦИИ ТРУДА
Насыпь земляного полотна отсыпают, как правило, в две смены. Для выполнения работ в каждую смену организуют звено рабочих в составе:
Машинисты бульдозера - 6 разр.-2
Машинист полуприцепного катка на пневматических шинах - 6 разр.-1
Для выполнения кратковременной работы звену придают автогрейдер (машинист автогрейдера 6 разр.-1).
Звено организует работу в такой последовательности. Участок работ делят на две захватки, границей между которыми является построенная труба.
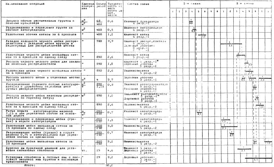
IV. ГРАФИК ВЫПОЛНЕНИЯ ПРОИЗВОДСТВЕННОГО ПРОЦЕССА ПО УСТРОЙСТВУ ЗЕМЛЯНОГО ПОЛОТНА ПРИМЫКАНИЯ АВТОМОБИЛЬНОЙ ДОРОГИ (длина примыкания - 100 м, объем земляных работ - 2100 м3)

Примечания:
1. Цифры над линией - количество рабочих, занятых в операции, под линией - продолжительность операции в часах.
2. В трудоемкость работ включено время для отдыха рабочих в течение работы.
В начале смены машинисты бульдозеров срезают растительный слой на первой захватке и передают ее для работы катка, а сами продолжают срезку растительного слоя грунта на второй захватке.
По окончании срезки грунта на второй захватке на нее перемещается каток, а машинисты бульдозеров разравнивают и планируют грунт на первой захватке. После этого машинисты бульдозеров выполняют эту же работу на второй захватке, а машинист катка перемещает каток для уплотнения грунта на первой захватке и т.д.
Для полной загрузки бульдозеров необходимо каждый час доставлять окало 300 м3 грунта.
Участок работ обеспечивают исправными машинами, оборудованием, инвентарем (раздел VII).
V. КАЛЬКУЛЯЦИЯ ЗАТРАТ ТРУДА НА УСТРОЙСТВО ЗЕМЛЯНОГО ПОЛОТНА ПРИМЫКАНИЯ (длина примыкания- 100 м, объем земляных работ - 2100 м3)
|
Шифр
норм |
Описание работ |
Состав звена |
Единица измерения |
Объем работ |
Норма
времени, |
Расценка, |
Норма- |
Стоимость
затрат труда на полный объем работ, |
|
|
ЕНиР, |
Срезка растительного грунта бульдозером и перемещение его в отвалы |
Машинист бульдозера 6 разр.-1 |
1000 м2 |
2,0 |
1,85 |
1-46 |
3,70 |
2,92 |
|
|
ДиЗ,
вып. 5, |
Уплотнение основания насыпи катком на пневматических шинах за четыре прохода по одному следу |
Машинист катка 6 разр.-1 |
1000 м2 |
2,0 |
0,95 |
0-75,1 |
1,90 |
1-50 |
|
|
ЕНиР, |
Разравнивание грунта II группы бульдозером слоем 30 см в плотном состоянии |
Машинист бульдозера 6 разр.-1 |
100 м3 |
21 |
0,81 |
0-64 |
17,01 |
13-44 |
|
|
ЕНиР, |
Планировка поверхности каждого слоя грунта бульдозером за один проход по одному следу |
То же |
1000 м2 |
7 |
0,31 |
0-24,5 |
2,17 |
1-72 |
|
|
ДиЗ,
вып. 5, |
Уплотнение каждого слоя грунта катком на пневматических шинах массой 25 т за 8 проходов по одному следу |
Машинист катка 6 разр.-1 |
100 м3 |
21 |
0,53 |
0-42,1 |
11,13 |
8-84 |
|
|
ТНиР, |
Планировка поверхности насыпи автогрейдером за четыре прохода по одному следу |
Машинист автогрейдера 6 разр.-1 |
1000 м2 |
1,6 |
0,68 |
0-53,6 |
1,09 |
0-86 |
|
|
ЕНиР, |
Досыпка растительным грунтом откосов насыпи бульдозером с перемещением грунта из отвалов на расстояние до 10 м |
Машинист бульдозера 6 разр.-1 |
100 м3 |
2,4 |
0,97 |
0-76,6 |
2,33 |
1-84 |
|
|
|
Итого: |
на 2100 м3 грунта |
|
|
|
|
|
39,33 |
31-12 |
|
|
на 1000 м3 грунта |
|
|
|
|
|
18,7 |
14-82 |
|
VI. ОСНОВНЫЕ ТЕХНИКО-ЭКОНОМИЧЕСКИЕ ПОКАЗАТЕЛИ
|
Наименование показателей |
По |
По |
На сколько процентов показатель по графику больше (+) или меньше (-), чем по калькуляции
|
|
Трудоемкость работ на 1000 м3 грунта, чел-ч |
18,7 |
15,95 |
-14,7 |
|
Средний разряд рабочих |
6 |
6 |
- |
|
Среднедневная заработная плата на одного рабочего, руб.-коп. |
6-33 |
7-43 |
+17,4 |
VII. МАТЕРИАЛЬНО-ТЕХНИЧЕСКИЕ РЕСУРСЫ
Машины, оборудование, инвентарь
|
Наименование |
Марка, ГОСТ |
Количество |
|
Автогрейдер, оборудованный системой «Профиль-1» |
ДЗ-31-1 |
1* |
|
Бульдозеры |
ДЗ-18 (Д-493А) |
2 |
|
Каток на пневматических шинах |
ДУ-16В (Д-551В) |
1 |
|
Автомобили-самосвалы для доставки грунта |
КрАЗ-256Б |
По |
|
Нивелир с треногой |
ГОСТ 10528-76 |
1 |
|
Рейки нивелирные |
ГОСТ 11158-76 |
2 |
|
Рулетка измерительная металлическая 20 м |
ГОСТ 7502-69 |
1 |
|
Линейка измерительная металлическая |
1 |
|
|
Плотномер-влагомер Ковалева |
- |
1 |
|
Знаки дорожные для ограждения участка работ, компл |
1 |
* Привлекается для кратковременной работы.
VIII. КАРТА ОПЕРАЦИОННОГО КОНТРОЛЯ КАЧЕСТВА РАБОТ ПО УСТРОЙСТВУ ЗЕМЛЯНОГО ПОЛОТНА ПРИМЫКАНИЯ АВТОМОБИЛЬНОЙ ДОРОГИ
|
Контролируемые параметры |
Предельные отклонения |
Схема поперечного разреза земляного полотна с указанием предельных отклонений |
|
Отметки продольного профиля, см |
∆1 = ±5 |
|
|
Ширина земляного полотна между осью и бровкой, см |
∆2 = -10 |
|
|
Крутизна откосов, % |
∆3 = +10 |
|
|
Коэффициент уплотнения грунта |
∆4 = -0,04 |
|
|
Поперечный уклон |
∆5 = ±0,005 |
Примечания.
1. Пробу для определения влажности берут из слоя грунта подготовленного для уплотнения.
2. Предельные отклонения по коэффициенту уплотнения грунта допускаются в отдельных случаях и не более 10 % общего числа проверок.
3. Послойное разравнивание грунта должно производиться на всю ширину земляного полотна. После разравнивания поверхность слоя должна быть спланирована.
4. Очередной слой грунта должен распределяться по уплотненному нижележащему слою.
СНиП III-40-78; СНиП III-8-76; ВСН 97-63
|
I |
Основные операции, подлежащие контролю |
Послойное разравнивание и планировка грунта |
Послойное уплотнение грунта |
Планировка верха земляного полотна |
|
II |
Состав контроля |
1. Толщина слоя грунта. |
Коэффициент уплотнения |
1. Отметки продольного профиля. 2. Ширина земляного полотна между осью и бровкой. 3. Поперечный уклон и крутизна откосов |
|
III |
Метод и средства контроля |
Измерительный. 1. Мерник толщины слоя (складной метр). |
Измерительный Плотномер-влагомер Ковалева |
Измерительный 1-3. Нивелир, рулетка |
|
IV |
Режим и объем контроля |
Для каждого отсыпанного слоя на поперечниках через 50 м. На каждом поперечнике три пробы: посередине и в 1 м от каждого края. 2. Не менее двух раз в смену. 3. На каждом слое |
Для каждого слоя на поперечниках через 50 м. На каждом поперечнике три пробы: посередине и на расстояния 1 м от края |
Промеры не реже чем через 50 м |
|
V |
Лицо, контролирующее операцию |
Мастер, лаборант |
Мастер, геодезист |
|
|
VI |
Лицо, ответственное за организацию и осуществление контроля |
Прораб |
||
|
VII |
Привлекаемые для контроля подразделения |
Лаборатория |
Геодезическая служба |
|
|
VIII |
Где регистрируются результаты контроля |
Журнал отсыпки и уплотнения земляного полотна |
Общий журнал работ |
|
I. ОБЛАСТЬ ПРИМЕНЕНИЯ
Гравийно-шлаковое основание под облегченное дорожное покрытие принято по Типовым проектным решениям серии 503.0-11 «Дорожные одежды автомобильных дорог общей сети Союза ССР» (разработаны ГПИ «Союздорпроект» Минтрансстроя, 1976).
Толщина основания - 16 см на песчаном слое толщиной 20 см.
Материал основания - подобранная по составу гравийная смесь с добавкой 20 % гранулированного шлака.
Гравийно-шлаковую смесь готовят в смесительных установках типа СБ-37 (С-780), СБ-78 и доставляют на участок работ автомобилями-самосвалами.
Способ укладки смеси - механизированный с применением распределителя ДС-8 (Д-337А) или ДС-54 (Д-724).
II. УКАЗАНИЯ ПО ТЕХНОЛОГИИ ПРОИЗВОДСТВЕННОГО ПРОЦЕССА
При устройстве основания выполняют следующие работы (рис. 5):
- распределение песка подстилающего слоя автогрейдером;
- уплотнение песчаного слоя катком;
- укладку гравийно-шлаковой смеси распределителем;
- уплотнение смеси катком.
Распределение песка подстилающего слоя автогрейдером
Песок доставляют автомобилями-самосвалами по расчету и выгружают по обе стороны оси земляного полотна в шахматном порядке. При этом по середине земляного полотна оставляют проезд.
Автогрейдером, оборудованным системой автоматического регулирования (САР) «Профиль-1», распределяют песок по всей ширине основания без применения системы «Профиль-1», а затем планируют за два прохода автогрейдера по одному следу на автоматическом режиме управления отвалом с включением САР в установленной последовательности.

Рис. 5. Технологическая схема устройства гравийно-шлакового основания на песчаном подстилающем слое:
1 - автогрейдер; 2 - каток на пневмошинах самоходный; 3 - автомобиль-самосвал; 4 - распределитель; 5 - песчаный слой; 6 - готовое гравийно-шлаковое основание
Автогрейдер устанавливают на обочине у бровки. Отвал выносят до линии бровки и придают ему следующее положение: угол наклона устанавливается по проектному уклону, угол захвата принимают равным 50-55° с таким расчетом, чтобы грунт перемещался к середине земляного полотна. Режущую кромку ножа устанавливают на проектную отметку песчаного слоя с учетом 2-3 см на уплотнение.
Первый проход автогрейдера делают на второй рабочей скорости. В конце участка автогрейдер поворачивает и делает проход в таком же режиме по второму краю земляного полотна. Последующие проходы выполняют с перемещением автогрейдера к середине земляного полотна и перекрытием следа на 60-80 см. По оси земляного полотна делают завершающий проход, при этом угол захвата увеличивают до 90°, а угол наклона уменьшают до «0», т. е. отвал устанавливают горизонтально.
Повторные проходы по одному следу начинают от середины земляного полотна. Автогрейдер устанавливают так, чтобы отвал мог перемещать грунт от середины земляного полотна к бровке. Отвал устанавливают в такое положение, чтобы угол захвата составлял 60-65°, угол наклона - соответствовал проектному уклону песчаного слоя, режущую кромку ножа устанавливают, как и при первых проходах, на отметку песчаного слоя с учетом 2-3 см на уплотнение песка при укатке.
Круговые проходы по участку делают с перекрытием следа на 60-80 см. Лишний песок сдвигают к бровке.
Уплотнение песчаного слоя катком
Уплотнение песчаного слоя начинают сразу же после окончания планировки. Самоходный каток на пневматических шинах типа ДУ-31А (Д-627А) должен быть загружен балластом. Проходы катка начинают от краев песчаного слоя с постепенным смещением проходов к середине и перекрытием следов на 1/3 ширины катка.
Ориентировочно число проходов по одному следу назначают в пределах 8-10. Окончательное необходимое число проходов катка по одному следу уточняют пробной укаткой.
Первые проходы катка по одному следу выполняются на минимальной скорости, при последующих проходах скорость увеличивают до предельно возможной, при которой не наблюдается перегрузки мотора.
Давление в шинах должно быть не более 2 кг/см2.
Уплотняют песчаный слой только при оптимальной влажности песка, которая ориентировочно должна составлять 7-9 %. Данные об оптимальной влажности дает лаборатория.
Если песок имеет недостаточную влажность, то его поливают водой из поливомоечной машины. Норму распределения воды дает лаборатория.
При влажности песка больше оптимальной песок просушивают при перемешивании его автогрейдером.
Уплотнение песчаного слоя заканчивают после выполнения установленного числа проходов катка по одному следу и после проверки плотности представителем лаборатории.
Укладка гравийно-шлаковой смеси распределителем
Устраивают гравийно-шлаковое основание при температуре воздуха не ниже +5°С.
Перед укладкой гравийно-шлаковой смеси делают точную геодезическую разбивку кромок основания, представляющих собой на большом своем протяжении кривые с разными радиусами закругления. При разбивке следует учитывать, что основание должно быть шире покрытия на 30 см в каждую сторону.
Укладку смеси производят распределителем материалов типа ДС-8 (Д-337А) в такой последовательности.
Распределитель устанавливает в начале участка у кромки основания так, чтобы заслонки бункера находились над начальной границей. Разравнивающий брус распределителя устанавливают с учетом толщины укладываемого слоя плюс 25-30 % этой толщины на уплотнение. При толщине основания 16 см и запасе на уплотнение 25 % брус поднимают над песчаным слоем на 20 см.
Подъем разравнивающего бруса вместе с его рамой осуществляют при помощи тросовой подвески и червячных редукторов.
Для обеспечения поперечного уклона наклон основания бруса регулируют вручную винтами, соединяющими раму разравнивающего бруса с балками гусениц. Ширину полосы распределения смеси регулируют боковыми ограничителями.
Укладку смеси ведут полосами шириной 3-3,6 м. Так как общая ширина покрытия на примыкании все время меняется, то главное внимание обращают на соблюдение линии кромки и ширины укладываемой полосы для данного поперечного сечения основания.
Смесь в бункер распределителя загружают либо спереди (с песчаного слоя), либо сзади укладчика (с уложенного слоя). Во втором случае для прохода автомобилей-самосвалов к распределителю устанавливают передвижные подмости.
После выгрузки смеси в бункер включают рабочую скорость распределителя (103, 172, 480, 785 м/ч). Как только трамбующие плиты распределителя достигнут уровня уложенного слоя, их опускают на поверхность основания и пускают в работу.
Ровная поверхность основания и равномерность толщины слоя достигаются постоянной ритмичной работой распределителя.
При перерывах в работе из-за несвоевременного подвоза смеси машинист не укладывает весь объем смеси, а часть ее оставляет в бункере до подхода очередного автомобиля-самосвала для поддержания постоянной толщины слоя. Трамбующие плиты в это время выключают и поднимают.
После того как будет уложена первая полоса на протяжении 50 м, распределитель на транспортной скорости (2,2 км/ч) перемещают к началу участка для укладки смежной полосы.
В случае образования между полосами промежутков, их заполняют смесью вручную.
Закончив укладку смеси на первом участке, его отдают под укатку, а на втором участке продолжают укладку смеси распределителем.
В зоне коробовых кривых на сопряжении с проезжей частью основной дороги (на уширенной части основания) назначают дополнительные короткие проходы распределителя, а образовавшиеся промежутки заполняют смесью вручную.
В процессе работы и особенно в начале ее контролируют толщину уложенного слоя, ровность поверхности и поперечный уклон. При необходимости регулируют разравнивающий брус.
В конце работы распределитель очищают и моют.
Уплотнение смеси катком
Когда длина участка достигнет 40-50 м, гравийно-шлаковую смесь уплотняют самоходным катком на плоских пневматических шинах ДУ-31А (Д-627А) сразу же после ее укладки.
Число проходов катка по одному следу с учетом предварительного уплотнения смеси трамбующими плитами распределителя ориентировочно назначают в пределах 10-12. Окончательное число проходов уточняют пробной укаткой.
Уплотнение смеси начинают с краев основания двумя-тремя проходами катка по одному следу для закрепления краев. Последующие проходы смещают к середине с перекрытием следов на 25-40 см.
Учитывая предварительное уплотнение смеси, скорость движения катка при первых проходах назначают 6-8 км/ч, а затем повышают до 15 км/ч. Указателем правильно установленной рабочей скорости является работа двигателя без рывков и перегрузок.
Давление в шинах при первых проходах должно быть 3-4 кг/см2, при последних - до 6 кг/см2.
Движение катка должно быть равномерным без остановок, резких поворотов и рывков при перемене направления движения.
Не разрешается останавливать каток на основании в процессе укатки.
Признаком достаточного уплотнения является отсутствие заметного следа от прохода катка.
Окончательное заключение о достаточной плотности укатанного слоя дает представитель лаборатории.
Вследствие того, что гравийно-шлаковая смесь подбирается по составу зерен, обеспечивающему оптимальную плотность, смесь эта до начала схватывания является водосвязным материалом. Поэтому движение транспортных средств и строительных машин по основанию можно открывать немедленно. Это дает возможность сразу же устраивать на нем дорожное покрытие.
При устройстве оснований из
гравийно-шлаковой смеси следует руководствоваться «Техническими указаниями по
устройству оснований дорожных одежд из каменных материалов, не укрепленных и
укрепленных неорганическими вяжущими»,
. М., Транспорт, 1976.
Требования по качеству работ
Основание из гравийно-шлаковой смеси должно иметь проектные геометрические размеры и поперечный уклон, ровную поверхность без замкнутых впадин. Плотность основания после укатки должна быть не ниже 0,98.
При устройстве основания качество работ проверяют в соответствии с картой операционного контроля качества (раздел VIII).
Указания по технике безопасности
При выгрузке гравийно-шлаковой смеси в бункер распределителя рабочему запрещается находиться между распределителем и автомобилем-самосвалом.
Запрещается стоять в кузове автомобиля-самосвала при очистке его от остатков смеси. Очистку кузова необходимо производить с земли лопатами с удлиненными ручками.
Каток, применяемый для уплотнения смеси, должен иметь исправный звуковой сигнал. При перемене движения катка машинист обязан давать сигнал.
Запрещается при уплотнении смеси приближаться катку к укладчику ближе чем на 10 м.
III. УКАЗАНИЯ ПО ОРГАНИЗАЦИИ ТРУДА
При устройстве песчаного подстилающего слоя и гравийно-шлакового основания весь участок примыкания делят на две захватки и работы на них ведут поочередно. Закончив разравнивание и планировку песка на первой захватке, машинист автогрейдера переходит на вторую, а на первой захватке в это время катком уплотняют уложенный слой. В такой же последовательности укладывают и уплотняют гравийно-шлаковую смесь.
Для устройства гравийно-шлакового основания на песчаном подстилающем слое организуют звено рабочих в составе:
Машинист автогрейдера 6 разр.-1
Машинист катка 6 разр.-1
Машинист распределителя 5 разр.-1
Дорожные рабочие 2 разр.-2
Машинист автогрейдера выполняет работы по разравниванию песка и планировке песчаного подстилающего слоя.
Машинист катка уплотняет песчаный слой, а затем гравийно-шлаковую смесь после укладки ее распределителем.
Гравийно-шлаковую смесь укладывают машинист распределителя 5 разр. и два дорожных рабочих 2 разр., один из которых находится у бункера распределителя, принимает смесь и очищает кузов автомобиля-самосвала от остатков смеси, а другой - вручную заполняет смесью пустоты на сопряжении полос основания с основной дорогой в недоступных для распределителя местах. Оба рабочих под руководством мастера делают разбивку линий кромок основания, устанавливают и снимают знаки ограждения участка работ, а в конце работы помогают машинисту в очистке распределителя.
Участок работ обеспечивают исправными машинами, оборудованием, инвентарем, инструментами, а также материалами (раздел VII).
Для бесперебойной работы распределителя на участок работ доставляют не менее 50 м3 гравийно-шлаковой смеси в час.
IV. ГРАФИК ВЫПОЛНЕНИЯ ПРОИЗВОДСТВЕННОГО ПРОЦЕССА НА УСТРОЙСТВО ОСНОВАНИЯ ИЗ ГРАВИЙНО-ШЛАКОВОЙ СМЕСИ ТОЛЩИНОЙ СЛОЯ 16 см НА ПЕСЧАНОМ ПОДСТИЛАЮЩЕМ СЛОЕ ТОЛЩИНОЙ 20 см

Примечания.
1. Цифры над линией - количество рабочих, занятых в операции, под линией - продолжительность операции в часах.
2. В трудоемкость работ включено время на подготовку машин к работе и время для отдыха рабочих в течение работы.
3. В график не включена трудоемкость работ по вывозке песка и гравийно-шлаковой смеси автомобилями-самосвалами. Затраты труда на эти работы необходимо включить дополнительно в зависимости от дальности возки, грузоподъемности автомобилей-самосвалов и состояния путей подвоза.
V. КАЛЬКУЛЯЦИЯ ЗАТРАТ ТРУДА НА УСТРОЙСТВО ОСНОВАНИЯ ПЛОЩАДЬЮ 950 м2 ИЗ ГРАВИЙНО-ШЛАКОВОЙ СМЕСИ ТОЛЩИНОЙ СЛОЯ 16 см НА ПЕСЧАНОМ ПОДСТИЛАЮЩЕМ СЛОЕ
|
Шифр
норм |
Описание работ |
Состав звена |
Единица измерения |
Объем работ |
Норма
времени, |
Расценка, руб.-коп. |
Норма- |
Сумма |
|
ТНиР, |
Разравнивание и планировка песка автогрейдером Д-557-1 при устройстве песчаного подстилающего слоя |
Машинист |
100 м2 |
16 |
0,26 |
0-20,5 |
4,16 |
3-28 |
|
ТНиР, |
Уплотнение песчаного слоя катком на пневматических шинах Д-627А за 10 проходов по одному следу |
То же |
100 м2 |
16 |
0,19 |
0-15 |
3,04 |
2-40 |
|
ЕНиР, |
Укладка гравийно-шлаковой смеси распределителем Д-337А с приемкой смеси в бункер распределителя и предварительным уплотнением |
Машинист |
100 м2 |
9,5 |
1 |
0-59,8 |
9,5 |
5-68 |
|
ЕНиР, |
Разравнивание гравийно-шлаковой смеси вручную между полосами |
Дорожные рабочие 2 разр.-2 |
100 м2 |
0,6 |
15,5 |
7-22 |
9,3 |
4-33 |
|
ТНиР, |
Уплотнение гравийно-шлаковой смеси Катком на пневматических шинах Д-627А за 12 проходов по одному следу |
Машинист |
1000 м2 |
0,95 |
1,88 |
1-48,8 |
1,79 |
1-41 |
|
|
Итого на 950 м2 основания |
|
|
|
|
|
27,79 |
17-10 |
Примечание. В калькуляцию не включены работы по вывозке песка и гравийно-шлаковой смеси. Затраты и стоимость труда на эти работы следует включать дополнительно в зависимости от дальности возки, грузоподъемности автомобилей-самосвалов и состояния путей подвоза.
VI. ОСНОВНЫЕ ТЕХНИКО-ЭКОНОМИЧЕСКИЕ ПОКАЗАТЕЛИ
|
Наименование показателей |
По |
По |
На сколько
процентов показатель по графику больше (+) или меньше |
|
Трудоемкость работ на устройство 950 м2 основания, чел-ч |
27,79 |
23,5 |
-15,4 |
|
Средний разряд рабочих |
3,9 |
3,9 |
- |
|
Среднедневная заработная плата на одного рабочего, руб.-коп. |
4-92 |
5-82 |
+18,2 |
VII. МАТЕРИАЛЬНО-ТЕХНИЧЕСКИЕ РЕСУРСЫ
А. Основные материалы
|
Наименование |
ГОСТ |
Количество на 1000 м2 |
|
Гравийно-шлаковая смесь, м3 |
8268-74 |
190 |
|
Песок для подстилающего слоя, м3 |
8736-77 |
352 |
Примечания.
1. Потребность в гравийно-шлаковой смеси подсчитана с учетом увеличения ширины основания от кромок покрытия на 30 см с каждой стороны и при коэффициенте уплотнения смеси К = 1,25.
2. Потребность в песке определена с учетом устройства песчаного основания на всю ширину земляного полотна (1600 м2).
Б. Машины, оборудование, инструмент, инвентарь
|
Наименование |
Марка, ГОСТ |
Количество |
|
Автогрейдер, оборудованный системой «Профиль-1» |
ДЗ-31-1 |
1 |
|
Распределитель щебня |
ДС-8 |
1 |
|
Каток самоходный на пневматических шинах |
ДУ-31А |
1 |
|
Нивелир с треногой |
ГОСТ 10528-76 |
1 |
|
Рейки нивелирные |
ГОСТ 11158-76 |
2 |
|
Мерник толщины слоя |
Изготовляется в мастерских |
1 |
|
Шаблон для контроля поперечного уклона |
ГОСТ 416-76 |
1 |
|
Рулетка измерительная металлическая |
ГОСТ 7502-69 |
1 |
|
Знаки дорожные для ограждения участка работ, компл. |
1 |
|
|
Лопаты стальные строительные |
ГОСТ 3620-76 |
2 |
|
Грабли металлические |
ГОСТ 19597-74 |
1 |
|
Рейка трехметровая для контроля ровности |
Изготовляется в мастерских |
1 |
|
Прибор плотномер-влагомер конструкции инж. Ковалева |
- |
1 |
VIII. КАРТА ОПЕРАЦИОННОГО КОНТРОЛЯ КАЧЕСТВА РАБОТ ПО УСТРОЙСТВУ ГРАВИЙНО-ШЛАКОВОГО ОСНОВАНИЯ НА ПЕСЧАНОМ ПОДСТИЛАЮЩЕМ СЛОЕ
|
Контролируемые параметры |
Предельные |
Схема поперечного разреза гравийно-шлакового основания с указанием предельных отклонений: 1 - земляное полотно; 2 - песчаный слой; 3 - гравийно-шлаковое основание |
|
Отметки продольного профиля, см |
∆1 = ±5 |
|
|
Ширина слоя, см |
∆2 = ±10 |
|
|
Толщина слоя, % |
∆3 = ±10 |
|
|
Поперечный уклон |
∆4 = ±0,010 |
|
|
Ровность поверхности при измерении трехметровой рейкой, мм |
∆5 = 15 |
Примечания.
1. Коэффициент уплотнения песчаного слоя и гравийно-шлакового слоя должен быть не менее 0,98.
2. Толщину слоя, ровность поверхности и плотность контролируют в следующем порядке: на каждом поперечнике замеры делают в трех точках - по оси основания и в точках на расстоянии 1 м от кромки. Ровность поверхности основания контролируют и в других местах по усмотрению мастера.
3. Плотность гравийно-шлакового слоя после укатки контролируют способом отбора проб - «лунки» и испытания в лаборатории. Текущий контроль на участке работ делают пробным проходом катка. После прохода катка на поверхности основания не должно оставаться заметного следа (просадки).
4. Влажность песка перед уплотнением должна составлять 7-9 %.
СНиП III-40-78; ВСН 184-75
|
I |
Основные операции, подлежащие контролю |
Разравнивание
и планировка |
Уплотнение песчаного слоя катком |
Укладка гравийно-шлаковой смеси распределителем |
Уплотнение смеси катком |
|
II |
Состав контроля |
1. Ширина слоя. 2. Толщина слоя. 3. Влажность песка |
1. Толщина слоя. 3. Поперечный 4. Ровность поверхности. 5. Отметки продольного профиля |
1. Ширина 2. Толщина |
1. Отметки продольного профиля. 2. Толщина слоя. 3. Плотность. 4. Поперечный уклон. 5. Ровность поверхности |
|
III |
Метод и средства контроля |
Измерительный. 1. Рулетка. 2. Мерник толщины слоя. 3. Плотномер- |
Измерительный. 1. Мерник толщины слоя. 2. Плотномер- 3. Шаблон или нивелир и рулетка. 4. Рейка трехметровая. 5. Нивелир |
Измерительный. 1. Рулетка. 2. Мерник толщины слоя |
Измерительный. 1. Нивелир. 2. Мерник толщины слоя. 3. Метод «лунки». 4. Шаблон или нивелир и рулетка. 5. Рейка трехметровая |
|
IV |
Режим и объем контроля |
На двух поперечниках |
На двух поперечниках |
На двух поперечниках |
На двух поперечниках на участке |
|
V |
Лицо, контролирующее операцию |
Мастер, лаборант |
Мастер |
Мастер, лаборант |
|
|
VI |
Лицо, ответственное за организацию и осуществление контроля |
Прораб |
|||
|
VII |
Привлекаемые для контроля подразделения |
Лаборатория |
- |
Лаборатория |
|
|
VIII |
Где регистрируются результаты контроля |
Общий журнал работ |
|||
I. ОБЛАСТЬ ПРИМЕНЕНИЯ
В технологической карте предусмотрено устройство покрытия толщиной 6 см из черного холодного щебня по методу заклинки общей площадью 890 м2, а также выполнение других сопутствующих работ: досыпка, планировка, уплотнение обочин, укрепление обочин щебеночными (гравийными) материалами на примыкании и на основной дороге, установка сигнальных столбиков.
Работы по разметке дороги, а также по разметке каплевидного и треугольного направляющих островков в технологическую карту не включены. Эти работы выполняют в том случае, если они предусмотрены проектом.
II. УКАЗАНИЯ ПО ТЕХНОЛОГИИ ПРОИЗВОДСТВЕННОГО ПРОЦЕССА
Покрытия из холодного черного щебня устраивают при температуре воздуха не ниже +5°С весной и не ниже +10°С в осеннее время за 3-4 недели до начала осенних дождей.
При устройстве покрытия из холодного черного щебня выполняют следующие работы (рис. 6):
- досыпку, планировку и уплотнение обочин;
- укладку холодного черного щебня распределителем;
- уплотнение щебня катком;
- распределение мелкого заклинивающего щебня;
- уплотнение заклинивающего щебня катком;
- устройство защитного слоя.
Кроме этого выполняют работы по укреплению обочин и установке сигнальных столбиков.
Досыпка, планировка и уплотнение обочин
Обочины примыкания досыпают до проектных отметок (с запасом на уплотнение) растительным грунтом. Грунт подают из временных отвалов бульдозером и по откосу земляного полотна надвигают его на обочину непрерывным валиком.

Рис. 6. Технологическая схема устройства покрытия из холодного черного щебня:
1 - бульдозер ДЗ-18; 2 - автогрейдер ДЗ-31-1 (Д-557-1); 3 - каток на пневмошинах ДУ-31А (Д-627А); 4 - автомобиль-самосвал; 5 - распределитель щебня ДС-8 (Д-337А); 6 - вальцовые катки ДУ-49А; 7 - автомобиль-самосвал с навесным распределителем щебня; 8 - автогудронатор; 9 - бурильная машина
За два прохода по одному следу грунт разравнивают автогрейдером с приданием обочине поперечного уклона, а затем за один проход окончательно планируют с включением системы «Профиль-1».
При планировке обочин у кромки покрытия образуют корыто шириной 0,75 м и глубиной 12 см (считая от поверхности покрытия) для отсыпки в него щебеночного (гравийного) материала.
Обочины уплотняют катком на пневматических шинах за 6 проходов по одному следу.
Укладка холодного черного щебня распределителем
Для устройства покрытия применяют холодный черный щебень фракции 20-40 мм.
Перед укладкой щебня делают точную геодезическую разбивку линий кромок покрытия, представляющих собой почти на всем протяжении кривые разных радиусов.
Для укладки щебня распределитель устанавливают в начале участка у линии кромки покрытия. Разравнивающий брус располагают с учетом поперечного уклона и выше основания на проектную толщину покрытия плюс 25-30 % на уплотнение щебня катком. При толщине щебеночного слоя 6 см просвет между основанием и разравнивающим брусом должен составлять 6 см +1,5-2 см.
Загрузив бункер щебнем фракции 20 (25)-40 мм, распределитель пускают в ход на 3-4 рабочей скорости. Как только трамбующие плиты (виброуплотняющий орган) достигнут уровня слоя щебня, их опускают и включают в работу.
После укладки полосы длиною примерно 10 м замеряют толщину слоя и поперечного уклона и при необходимости регулируют разравнивающий брус.
Укладку щебня ведут полосами шириной 3-3,6 м, при этом точно выдерживают линию кромки. После укладки первой полосы длиной 40-50 м распределитель возвращают на транспортной скорости к началу участка и укладывают смежную полосу.
На уширенной части покрытия (на сопряжении с основной дорогой) в недоступных для распределителя местах щебень укладывают вручную.
Щебень доставляют автомобилями-самосвалами непрерывно, чтобы поддерживать непрерывную работу распределителя. При кратковременной остановке из-за несвоевременной доставки щебня машинист не укладывает весь щебень, а оставляет часть его до подхода очередного автомобиля-самосвала со щебнем.
После укладки второй полосы также протяженностью 40-50 м уложенный слой щебня оставляют для уплотнения.
Уплотнение щебня катком
С учетом предварительного уплотнения щебня виброплитами распределителя щебень уплотняют тяжелым вальцевым катком за 4-6 проходов по одному следу.
Проходы катка начинают от краев с постепенным перемещением к середине и перекрытием следов на 1/3 вальца катка. Первые два прохода по одному следу делают на рабочей скорости 1,5-2 км/ч. При последующих проходах скорость движения катка увеличивают до максимальной паспортной.
В процессе укатки соблюдают равномерное движение катка без рывков и резкого изменения направления.
При вынужденной остановке каток перемещают на обочину. При возобновлении работы вальцы катка очищают.
Распределение мелкого заклинивающего щебня
Для заклинивания применяют черный щебень мелких фракций 10(15)-20(25) мм, который распределяют по поверхности укатанного черного щебня навесными распределителями типа ДС-7 (Д-336) при норме расхода 1-1,1 м3/100 м2.
Перед распределением щебня под наблюдением мастера устанавливают ширину рабочей щели распределителя для обеспечения заданной нормы россыпи щебня. Настройку распределителя производят при пробном распределении щебня посредством регулирования величины щели и подбора скорости движения автомобиля-самосвала.
Щебень распределяют в такой последовательности.
Груженый щебнем автомобиль-самосвал устанавливают в начале участка у кромки покрытия. На задний борт автомобиля-самосвала навешивают распределитель. Кузов поднимают так, чтобы бункер распределителя заполнился щебнем. Приводной ролик распределителя прижимают к колесу автомобиля-самосвала. Открывают рабочую щель и пускают в ход автомобиль-самосвал на установленной скорости.
В процессе распределения щебня следят за тем, чтобы приводной ролик распределителя был плотно прижат к колесу автомобиля и чтобы щебень равномерно высыпался по всей длине щели.
Щебень распределяют последовательно на трех смежных полосах шириной 2-2,1 м каждая.
На уширенной части покрытия у сопряжения с основной дорогой делают дополнительные полосы таким образом, чтобы вся площадь была покрыта щебнем для заклинивания.
Расход щебня контролируют сопоставлением фактического расхода с заданной нормой. Если фактический расход щебня больше заданного, рабочую щель распределителя уменьшают.
Распределенный щебень для заклинки не должен образовывать отдельного слоя, а должен только заполнять пустоты в первом слое черного щебня. Для этого щебень наметают в отдельных местах вручную метлами.
Уплотнение заклинивающего щебня катком
Распределенный щебень уплотняют тяжелым вальцовым катком за 3-6 проходов по одному следу. Укатку начинают от краев с приближением последующих проходов к середине и перекрытием следа на 1/3 вальца катка.
Скорость движения катка назначают: при первых проходах по одному следу - 1,5-2 км/ч, при последующих - возможно большую.
Если предусмотрено проектом, то делают вторую россыпь мелкого щебня фракции размером зерен 3(5)-10(15) мм по норме 0,7-1 м3/100 м2 и укатывают катком за 6-8 проходом катка по одному следу.
Устройство защитного слоя
На щебеночном покрытии из черного щебня устраивают защитный слой толщиной 10 мм способом одиночной поверхностной обработки.
Работы выполняют в сухое теплое время при температуре воздуха не ниже +15°С.
При устройстве защитного слоя способом поверхностной обработки выполняют следующие работы:
- розлив горячего битума;
- распределение мелкого щебня;
- уплотнение щебня катком.
Битум марок БНД-130/200 или БН-200/300, нагретый до температуры соответственно 130-150°С и 100-200°С, разливают с помощью автогудронатора при норме расхода: 0,7-1,3 л/м2 для применения при последующей россыпи необработанного мелкого щебня; 0,5-0,7 л/м2 - при применении мелкого щебня, обработанного битумом.
Перед розливом битума подготавливают участок работ и автогудронатор.
На участке розлива намечают ось движения автогудронатора, отстоящую от продольной оси покрытия слева на 0,7-0,8 м.
При подготовке автогудронатора устанавливают норму розлива битума и в зависимости от нее выбирают номер сопел, передачу коробки отбора мощности, передачу движения автогудронатора, номера звездочек дозирующего битумного насоса. К распределительной системе монтируют симметрично распределительные трубы, общая длина которых соответствует ширине покрытия. На трубу в гнезда вставляют сопла так, чтобы прорези сопел были наклонены к оси трубы на 20-25°.
Автогудронатор, заправленный горячим битумом, устанавливают по оси покрытия на расстоянии 10-15 м от начала участка розлива.
Оператор на распределительном устройстве прогревает систему, пропуская по ней горячий битум, опускает распределительную трубу так, чтобы расстояние сопел от поверхности покрытия составляло 20-25 см и дает сигнал машинисту (водителю) о начале движения автогудронатора. Машинист дает такой разгон автогудронатору, чтобы к началу участка розлива набрать заданную скорость. Оператор на распределительном агрегате за 2-3 м до начала участка открывает краны с таким расчетом, чтобы в начале розлива битум полным напором поступал в распределительную трубу.
В процессе розлива машинист ведет машину по намеченной оси на установленной скорости, а оператор следит за тем, чтобы битум из всех сопел вытекал равномерно и вся поверхность полосы розлива покрывалась битумом без пропусков. В конце участка розлива машинист останавливает автогудронатор, а оператор прекращает подачу битума, ставит систему на отсос и поднимает распределительные трубы соплами вверх.
В недоступных местах для автогудронатора битум разливают ручным распределителем автогудронатора.
В конце работы распределительные трубы снимают, трубы и сопла моют в керосине.
По горячему битуму сразу же распределяют щебень фракций 0-5, 0-10, 0-15 мм.
Щебень можно применять из местных каменных материалов. Мелкий щебень распределяют при помощи навесного распределителя при норме расхода 0,7-1 м3/100 м2.
Заданную норму распределения щебня обеспечивают регулированием величины щели распределителя при заданной скорости движения автомобиля-самосвала.
Щебень распределяют полосами, при этом автомобиль-самосвал должен перемещаться задним ходом так, чтобы колеса его проходили по рассыпанному щебню.
Работу выполняют в быстром темпе так, чтобы битум не успел остыть. В отдельных местах рабочие разметают щебень метлами.
Вслед за распределением щебень укатывают за 3-6 проходов по одному следу. При этом каток может двигаться сразу же за распределителем, выдерживая дистанцию не менее 10 м. Скорость движения катка - наибольшая паспортная. В процессе укатки следы должны перекрываться на 1/3 вальца катка.
При использовании слабых пород для уплотнения щебня применяют катки среднего или легкого веса.
После уплотнения мелкого щебня движение автотранспорта по покрытию разрешается не ранее чем через 6-12 ч.
Укрепление обочин
Обочины укрепляют щебнем, гравием или шлаком, толщина слоя должна составлять 10-15 см.
На примыкании обочины укрепляют на ширину 0,5-0,75 м на всем протяжении. На основной дороге III категории обочины укрепляют на ширину 1,25 м и на протяжении 100 м в каждую сторону от примыкания.
Автогрейдером роют корыто глубиной 10-15 см. Дну корыта придают поперечный уклон 40-60 ‰. Грунт из корыта сбрасывают на откосы.
В корыто укладывают щебень (гравий, шлак), разравнивают автогрейдером и планируют так, чтобы толщина слоя была на 3-4 см больше проектной толщины (припуск на уплотнение), а поперечный уклон был равен 40-60 ‰.
Щебень укатывают катком за 10-15 проходов.
Установка сигнальных столбиков
Сигнальные столбики устанавливают с обеих сторон в пределах коробовых кривых. Расстояние между столбиками - 5 м. Удаление их от бровки земляного полотна - 0,75 м.
Сначала делают разбивку оси столбиков и отмечают их колышками. Затем бурильной машиной бурят ямы глубиной 1 м с перебором примерно 5 см. Обратной засыпкой грунта и трамбованием дно ямы выравнивают.
С помощью ломов надвигают столбик основанием к яме и, поднимая вершину, опускают столбик в нее. С помощью рычагов устанавливают столбик по центру.
Засыпают яму грунтом послойно с тщательным трамбованием.
При укреплении обочин щебнем или гравием
следует руководствоваться «Техническими указаниями по устройству оснований
дорожных одежд из каменных материалов, не укрепленных и укрепленных
неорганическими вяжущими»,
М., «Транспорт», 1978.
Требования по качеству работ
Размеры готового покрытия из черного щебня, толщина слоя, величины поперечных уклонов, плотность должны соответствовать проектным.
Поверхность покрытия должна быть ровной, без замкнутых впадин.
При устройстве покрытия из черного щебня качество работ проверяют в соответствии с картой операционного контроля качества (раздел VIII).
Указания по технике безопасности
Рабочему, обслуживающему бункер распределителя щебня, запрещается находиться между распределителем и кузовом автомобиля-самосвала. При очистке кузова от остатков щебня запрещается взбираться на кузов автомобиля-самосвала. Очистку кузова следует производить с земли лопатой с удлиненной ручкой.
Каток должен иметь исправный сигнал. При перемене движения катка на обратное машинист обязан давать звуковой сигнал. При укатке каток не должен приближаться к распределителю щебня ближе чем на 10 м.
Оператор на распределительном агрегате автогудронатора обязан работать в защитных очках и в рукавицах.
При ожогах кожи рук горячим битумом необходимо смыть битум соляровым маслом, а затем сделать примочку 96-процентным этиловым спиртом.
При устройстве покрытия из черного щебня
следует руководствоваться «Инструкцией по устройству покрытий и оснований из
щебеночных, гравийных и песчаных материалов, обработанных органическими
вяжущими»,
М.,
«Транспорт», 1978.
III. УКАЗАНИЯ ПО ОРГАНИЗАЦИИ ТРУДА
Для выполнения работ по устройству покрытия из холодного черного щебня организуют бригаду рабочих в составе:
Машинист распределителя щебня 5 разр.-1
Машинисты вальцевых катков 5 разр.-2
Дорожные рабочие: 3 разр.-1
2 разр.-1
Для выполнения кратковременных работ в помощь бригаде придаются: автогрейдер (машинист 6 разр.-1), бульдозер (машинист 6 разр.-1), автогудронатор (машинист 5 разр.-1, помощник машиниста 4 разр.-1), каток на пневматических шинах (машинист 6 разр.-1).
Работы по досыпке обочин растительным грунтом, планировке их и уплотнению должны быть выполнены до устройства покрытия. Заранее также роют автогрейдером корыто для укрепления обочин на основной дороге с тем, чтобы предоставить фронт работ для вывозки в корыто щебня (гравия).
Укладку холодного черного щебня распределителем выполняют машинист распределителя 5 разр.-1, дорожные рабочие 3 разр.-1 и 2 разр.-1, уплотнение - машинисты катков 5 разр.-2.
Дорожный рабочий 3 разр. укладывает и планирует щебень в недоступных для укладчика местах, заделывает щебнем пустоты на сопряжении полос. Дорожный рабочий 2 разр. работает у бункера распределителя - дает сигнал на подход автомобилей-самосвалов со щебнем, принимает щебень в бункер, очищает кузова автомобилей-самосвалов от остатков щебня.
После укладки щебня машинист распределителя и дорожный рабочий 2 разр. переходят на другой участок работ, а дорожный рабочий 3 разр. вместе с водителем, навешивает на автомобиль-самосвал распределитель щебня, регулирует величину щели, обслуживает распределитель при россыпи щебня, рассыпает мелкий щебень в отдельных местах, недоступных для машины, наметаем щебень на пропущенные места.
Машинисты вальцовых катков 5 разр.-2 в начале смены укатывают щебень на обочинах основной дороги, а затем - черный щебень после укладки его распределителем, заклинивающий мелкий щебень, рассыпанный по горячему битуму, и щебень на обочинах примыкания.
Установку сигнальных столбиков выполняют два звена рабочих:
Звено по бурению ям
Машинист бурильной машины 5 разр.-1
Дорожный рабочий 2 разр.-1
Звено по установке столбиков
Дорожные рабочие: 3 разр.-1
2 разр.-1
По окончании работ звенья переходят на следующие участки.
Работы по устройству покрытия должны быть обеспечены исправными машинами, оборудованием, инвентарем, инструментами, а также материалами (раздел VII).
Особенно четко должна быть организована доставка мелкого щебня для россыпи его по горячему битуму при устройстве защитного слоя.
Рекомендуется сначала сосредоточить на участке полный объем щебня для россыпи и после этого распределять битум, чтобы сразу же засыпать его щебнем.
IV. ГРАФИК ВЫПОЛНЕНИЯ ПРОИЗВОДСТВЕННОГО ПРОЦЕССА ПО УСТРОЙСТВУ 890 м2 ПОКРЫТИЯ ИЗ ХОЛОДНОГО ЧЕРНОГО ЩЕБНЯ С ПОВЕРХНОСТНОЙ ОБРАБОТКОЙ

Примечания.
1. Цифры над линией - количество рабочих, занятых в операции, цифры под линией - продолжительность операции в часах.
2. В трудоемкость работ включено время на подготовительно-заключительные работы и время на отдых рабочих.
3. В график не включены затраты труда на доставку материалов. Трудоемкость этих работ определяют в зависимости от дальности возки, вида транспортных средств и в зависимости от других условий доставки материалов.
* При россыпи мелкого щебня навесным распределителей обязанности машиниста выполняет водитель автомобиля-самосвала.
V. КАЛЬКУЛЯЦИЯ ЗАТРАТ ТРУДА НА УСТРОЙСТВО 890 м2 ПОКРЫТИЯ ИЗ ЧЕРНОГО ЩЕБНЯ ТОЛЩИНОЙ СЛОЯ 6 см С ПОВЕРХНОСТНОЙ ОБРАБОТКОЙ
|
Шифр норм и расценок |
Описание работ |
Состав звена |
Единица измерения |
Объем работ |
Норма времени, чел-ч |
Расценка, руб.-коп. |
Норма- |
Стоимость |
|
ЕНиР, |
Досыпка обочин растительным грунтом с перемещением грунта бульдозером на расстояние 10 м |
Машинист бульдозера 6 разр.-1 |
100 м3 |
0,68 |
0,97 |
0-76,6 |
0,66 |
0-52 |
|
ТНиР, |
Разравнивание и планировка грунта на обочине автогрейдером за три прохода по одному следу и при рабочем ходе в одном направлении |
Машинист автогрейдера 6 разр.-1 |
1 км |
0,6 |
0,62 |
0-49 |
0,37 |
0-29 |
|
ТНиР, |
Уплотнение обочин катком на пневматических шинах за 6 проходов катка по одному следу |
Машинист катка 6 разр.-1 |
1000 м2 |
0,4 |
1,4 |
1-11 |
0,56 |
0-44 |
|
ЕНиР, |
Укладка холодного черного щебня распределителем ДС-8 (Д-337А) |
Машинист распределителя щебня 5 разр.-1 Дорожный рабочий 2 разр.-1 |
100 м2 |
8,1 |
1 |
0-59,8 |
8,1 |
4-84 |
|
ЕНиР, |
Укладка холодного черного щебня вручную в недоступных для распределителя местах |
Асфальтобетон- 5 разр.-1 4 разр.-1 3 разр.-1 2 разр.-2 1 разр.-1 |
100 м2 |
0,8 |
5,1 |
2-81 |
4,08 |
2-25 |
|
ЕНиР, |
Уплотнение холодного черного щебня вальцевым катком за 6 проходов и заклинивающего щебня за 6 проходов по одному следу |
Машинист катка 5 разр.-1 |
100 м2 |
8,9 |
0,68 |
0-47,7 |
6,05 |
4-25 |
|
ТНиР, |
Россыпь холодного черного щебня для заклинивания навесным распределителем ДС-7 (Д-336) с распределением щебня вручную |
Машинист (водитель автомобиля- 5 разр.-1 Дорожные рабочие: 3 разр.-1 2 разр.-1 |
100 м2 |
8,9 |
0,159 |
0-09,3 |
1,42 |
0-83 |
|
ЕНиР, |
Россыпь щебня вручную в отдельных местах |
Дорожные рабочие: 2 разр.-1 1 разр.-1 |
м3 |
2 |
1,05 |
0-48,9 |
2,1 |
0-98 |
|
ЕНиР, |
Распределение горячего битума автогудронатором по норме 1,3 л/м2 при устройстве защитного слоя на черном щебеночном покрытии |
Машинист автогудронатора 5 разр-1 Помощник машиниста 4 разр.-1 |
м2 |
810 |
0,76 |
0-50,4 |
0,8 |
0-53 |
|
ЕНиР, |
Распределение битума передвижными ручными распределителями в недоступных для автогудронатора местах |
Асфальто- 3 разр.-1 2 разр.-1 |
То же |
80 |
8,6 |
4-51 |
0,86 |
0-45 |
|
ТНиР, |
Россыпь мелкого щебня навесным распределителем ДС-7 (Д-336) с распределением вручную |
Машинист (водитель автомобиля- Дорожные рабочие: 3 разр.-1 2 разр.-1 |
100 м2 |
8,9 |
0,159 |
0-09,3 |
1,42 |
0-83 |
|
ЕНиР, |
Россыпь мелкого щебня вручную в отдельных местах |
Дорожные рабочие: 2 разр.-1 1 разр.-1 |
м3 |
2 |
1,05 |
0-48,9 |
2,1 |
0-98 |
|
ЕНиР, |
Уплотнение мелкого щебня вальцовым катком за 6 проходов катка по одному следу |
Машинист катка 5 разр.-1 |
100 м2 |
8,9 |
0,28 |
0-19,7 |
2,49 |
1-75 |
|
ЕНиР, |
Рытье корыта шириной 1,25 м и глубиной 12 см автогрейдером для укрепления обочин на основной дороге |
Машинист автогрейдера 6 разр.-1 |
100 м3 |
0,3 |
2,85 |
2-25 |
0,86 |
0-68 |
|
ЕНиР, |
Разравнивание щебеночного (гравийного) материала в корыте автогрейдером |
То же |
100 м2 |
2,5 |
0,54 |
0-42,7 |
1,35 |
1-07 |
|
ЕНиР, |
Уплотнение щебня катком за 15 проходов |
Машинист катка 5 разр.-1 |
100 м2 |
2,5 |
2,25 |
1-58 |
5,63 |
3-95 |
|
ЕНиР, |
Разравнивание щебеночного (гравийного) материала в корыте автогрейдером при укреплении обочин примыкания автомобильной дороги |
Машинист автогрейдера 6 разр.-1 |
100 м2 |
1,5 |
0,54 |
0-42,7 |
0,81 |
0-64 |
|
ЕНиР, |
Уплотнение щебня (гравия) катком за 15 проходов |
Машинист катка 5 разр.-1 |
100 м2 |
1,5 |
2,25 |
1-58 |
3,38 |
2-37 |
|
ТНиР, |
Бурение ям для установки сигнальных столбиков на примыкании автомобильной дороги при глубине ям 1 м |
Машинист бурильной машины 5 разр.-1 Дорожный рабочий 2 разр.-1 |
1 яма |
19 |
0,26 |
0-15,5 |
4,94 |
2-95 |
|
ТНиР, |
Установка сигнальных столбиков в готовые ямы с подчисткой дна ямы, установкой столбиков вручную, послойной засыпкой и трамбованием |
Дорожные рабочие: 3 разр.-1 2 разр.-1 |
1 тумба |
19 |
0,53 |
0-27,8 |
10,07 |
5-28 |
|
|
Итого |
|
|
|
|
|
58,05 |
35-88 |
VI. ОСНОВНЫЕ ТЕХНИКО-ЭКОНОМИЧЕСКИЕ ПОКАЗАТЕЛИ
|
Наименование показателей |
По |
По |
На сколько процентов показатель по графику больше (+) или меньше (-), чем по калькуляции |
|
Трудоемкость работ на 890 м2 примыкания, чел-ч |
58,1 |
50,2 |
-13,6 |
|
Средний разряд рабочих |
3,9 |
4 |
+5,1 |
|
Среднедневная заработная плата на одного рабочего, руб.-коп. |
4-94 |
5-71 |
+15,6 |
VII. МАТЕРИАЛЬНО-ТЕХНИЧЕСКИЕ РЕСУРСЫ
А. Основные материалы
|
Наименование материалов |
Марка, ГОСТ |
Количе- |
|
Черный щебень фракции 20(25)-40 мм, м3 |
ГОСТ 8267-75 |
69,4 |
|
Черный щебень фракции 10(15)-20(25) мм, м3 |
ГОСТ 8267-75 |
8,9 |
|
Щебень фракций 5-10, 5-15 мм, м3 |
ГОСТ 8267-75 |
8,9 |
|
Битум БНД-130/200 или БНД-200/300, л |
ГОСТ 22245-76 |
1157 |
|
Щебень (гравий) для укрепления обочин, м3 |
ГОСТ 8267-75 |
62 |
|
Столбики направляющие сигнальные, шт. |
НС* |
19 |
Примечание. Потребность в битуме определена из расчета нормы распределения необработанного мелкого щебня - 1,3 л/м2. При использовании для поверхностной обработки черного щебня потребность битума следует пересчитать на норму расхода 0,7-1 л/м2.
* Типовые проектные решения 503-0-17 «Элементы ограждений автомобильных дорог». ГПИ «Союздорпроект», 1978.
Б. Машины, оборудование, инструмент, инвентарь
|
Наименование |
Марка, ГОСТ |
Количество, шт. |
|
Автогудронатор |
ДС-40 (Д-641) |
1 |
|
Автогрейдер, оборудованный системой «Профиль-1» |
ДЗ-31-1 (Д-557-1) |
1 |
|
Бульдозер |
ДЗ-18 (Д-493А) |
1 |
|
Каток на пневматических шинах |
ДУ-31А (Д-627А) |
1 |
|
Катки вальцовые |
ДУ-49А |
2 |
|
Распределитель щебня |
ДС-8 или ДС-54 |
1 |
|
Распределители щебня навесные |
ДС-7 (Д-336) |
2 |
|
Бурильная машина |
БМ-202 |
1 |
|
Автомобили-самосвалы |
КрАЗ-256Б |
По |
|
Нивелир с треногой |
ГОСТ 10528-76 |
1 |
|
Рейки нивелирные |
ГОСТ 11158-76 |
2 |
|
Мерник толщины слоя |
Изготовляется в мастерских строительных организаций |
1 |
|
Шаблон для контроля поперечного уклона |
То же |
1 |
|
Рейка трехметровая для контроля ровности |
То же |
1 |
|
Рулетка измерительная металлическая |
ГОСТ 7502-69 |
1 |
|
Знаки дорожные для ограждения участка работ, компл |
1 |
|
|
Лопаты стальные строительные |
ГОСТ 3620-76 |
2 |
|
Грабли металлические |
ГОСТ 119597-74 |
1 |
VIII. КАРТА ОПЕРАЦИОННОГО КОНТРОЛЯ КАЧЕСТВА ПОКРЫТИЯ ИЗ ХОЛОДНОГО ЧЕРНОГО ЩЕБНЯ
|
Контролируемые параметры |
Предельные отклонения |
Схема поперечного разреза покрытия с указанием предельных отклонений: 1 - покрытие из черного щебня; 2 - рейка трехметровая; 3 - корыто; 4 - земляное полотно |
|
Ширина покрытия и укрепленной части обочин, см |
∆1 = ±10 |
|
|
Толщина слоя, % |
∆2 = ±10 |
|
|
Поперечный уклон |
∆3 = ±0,01 |
|
|
Ровность поверхности при измерении трехметровой рейкой, мм |
∆4 = не более 7 |
|
|
Глубина ям для установки сигнальных тумб, см |
∆ = ±5 |
|
|
Расстояние между центрами тумб, см |
∆ = ±5 |
|
|
Ширина корыта для укрепления обочин, см |
∆5 = ±5 |
|
|
Глубина корыта, см |
∆6 = ±2 |
|
|
Поперечный уклон |
∆7 = ±0,01 |
Примечания.
1. Плотность покрытия из черного щебня и укрепленной части обочин контролируют проходом тяжелого вальцового катка. После прохода катка не должно быть следа (осадки и шевеления щебня).
2. Битум должен покрывать поверхность покрытия ровным слоем без пропусков и не должен скапливаться в пониженных местах.
3. Мелкий щебень должен равномерно покрывать поверхность покрытия.
СНиП III-40-78; ВСН 184-75; ВСН 123-77
|
I |
Основные операции, подлежащие контролю |
Укладка черного щебня распределителем и уплотнение его катками |
Устройство защитного слоя |
Рытье корыта для укрепления обочин |
Разравнивание и планировка щебня. Уплотнение его катками |
Рытье ям для установки тумб. Установка тумб |
|
II |
Состав контроля |
1. Ширина. 2. Толщина слоя. 3. Поперечный уклон 4. Ровность поверхности. 5. Плотность |
1. Равномерность распределения битума. 2. Равномерность распределения щебня |
1. Ширина. 2. Глубина. 3. Поперечный уклон |
1. Ширина. 2. Толщина слоя. 3. Плотность |
1. Глубина ям. |
|
III |
Метод и средства контроля |
Измерительный. 1. Рулетка. 2. Мерник толщины слоя. 3. Шаблон. 4. Рейка трехметровая. 5. Проход катка |
1. 2. Визуальный |
Измерительный. 1. Рулетка. 2. Линейка. 3. Шаблон |
Измерительный. 1. Рулетка. 2. Мерник толщины слоя. 3. Проход катка |
Измерительный. 1. Шаблон. 2. Рулетка |
|
IV |
Режим и объем контроля |
Через 50 м |
Весь участок после каждого распределения |
Каждые 100 м |
Каждый сигнальный столбик |
|
|
V |
Лицо, контролирующее операцию |
Мастер |
||||
|
VI |
Лицо, ответственное за организацию и осуществление контроля |
Прораб |
||||
|
VII |
Привлекаемые для контроля подразделения |
- |
||||
|
VIII |
Где регистрируются результаты контроля |
Общий журнал работ |
||||
|
ГОСТЫ, СТРОИТЕЛЬНЫЕ и ТЕХНИЧЕСКИЕ НОРМАТИВЫ. Некоммерческая онлайн система, содержащая все Российские Госты, национальные Стандарты и нормативы. В Системе содержится более 150000 файлов нормативно-технической документации, действующей на территории РФ. Система предназначена для широкого круга инженерно-технических специалистов. Copyright © www.gostrf.com, 2008 - 2026 |