Крупнейшая бесплатная информационно-справочная система онлайн доступа к полному собранию технических нормативно-правовых актов РФ. Огромная база технических нормативов (более 150 тысяч документов) и полное собрание национальных стандартов, аутентичное официальной базе Госстандарта. GOSTRF.com - это более 1 Терабайта бесплатной технической информации для всех пользователей интернета. Все электронные копии представленных здесь документов могут распространяться без каких-либо ограничений. Поощряется распространение информации с этого сайта на любых других ресурсах. Каждый человек имеет право на неограниченный доступ к этим документам! Каждый человек имеет право на знание требований, изложенных в данных нормативно-правовых актах!

  


 

ТЕХНОЛОГИЧЕСКАЯ КАРТА

УСТРОЙСТВО ФУНДАМЕНТА ПОД 16-КВАРТИРНЫЙ ДОМ
ИЗ КОРОТКИХ ВИБРОПОГРУЖАЕМЫХ СВАЙ

1. ОБЛАСТЬ ПРИМЕНЕНИЯ

Технологическая карта разработана на основе применения методов научной организации труда и предназначена для использования при разработке проекта производства работ и организации работ и труда на объекте.

Технологическая карта составлена на устройство фундаментов под 16-квартирный жилой дом серии 1-215 А-1 из висячих вибропогружаемых полых свай и сборного ростверка из железобетонных балок. Карта может быть использована при устройстве свайных фундаментов аналогичных зданий.

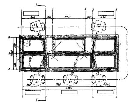
Технический проект па свайные фундаменты разработан трестом «Югозаптрансстрой» Министерства транспортного строительства., В проекте фундаменты решены в виде однорядной системы висячих свай, расположенных по поперечным осям 1 - 6, продольным осям А и В с шагом 1,8 - 2 м и по оси Б - с шагом 1 - 1,25 м (рис. 1).

Железобетонные сваи СПЧ-300 полые, длиной 4 м, сечением 30×30 см. Железобетонные фундаментные балки В-1, Б-2, Б-3 сечением 30×40 см.

В технологическую карту включены работы по планировке строительной площадки со срезкой грунта до отметки низа ростверка, устройство лидирующих скважин, вибропогружение свай, заполнение полостей свай песком и бетоном, устройство шлаковой подготовки и монтаж сборного ростверка.

Привязка технологической карты к местным условиям состоит в уточнении объемов работ, затрат труда и материально-технических ресурсов.

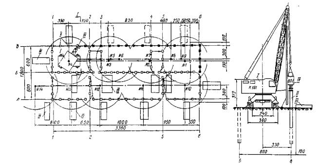
Рис. 1. Схема организации работ по монтажу сборного ростверка:

I - кран К-161; II - сваи; III - места складирования свай; IV-вибропогружатель ВП-1

2. УКАЗАНИЯ ПО ТЕХНОЛОГИИ ПРОИЗВОДСТВА РАБОТ

Перед началом работ по устройству свайного фундамента: должны быть перенесены подземные и надземные коммуникации, при необходимости спланирована строительная площадка, отведены поверхностные и грунтовые воды, проложены постоянные и временные дороги, сделана геодезическая разбивка осей здания и свайных рядов, завезены конструкции, механизмы, инвентарь и приспособления.

Рабочие должны быть ознакомлены с проектом производства работ и правилами техники безопасности.

Механизмы, инвентарь и приспособления должны быть проверены, металлические части механизмов с электроприводом заземлены. При выполнении работ в темное время суток рабочее место и подъездные пути должны быть освещены в соответствии с нормами искусственного освещения.

Работы по устройству свайных фундаментов выполняют в такой технологической последовательности: проверяют разбивку осей свайных рядов и закрепляют места их погружения металлическими шпильками; раскладывают сваи на строительной площадке в местах, указанных в проекте производства работ; устанавливают вибропогружатель на трубу-лидер, выверяют и закрепляют его; устраивают лидирующую скважину с последующим извлечением трубы-лидера и очисткой ее от грунта; отсоединяют трубу-лидер от вибропогружателя и снимают ее; устанавливают наголовник «а сваю, закрепляют анкерными болтами и соединяют наголовник с вибропогружателем; поднимают сваю в вертикальное положение, устанавливают в лидирующую скважину и погружают ее до проектной отметки; отсоединяют вибропогружатель от наголовника и снимают наголовник; заполняют полость сваи песком с послойным уплотнением до отметки промерзания грунта; заполняют полость сваи бетоном от отметки глубины промерзания грунта до поверхности с послойным уплотнением; расстилают шлак под ростверк и подготавливают головы свай для сопряжения с ростверком (электроприварка планок и скоб к анкерам свай); устанавливают сборную опалубку и бетонируют оголовники свай; раскладывают фундаментные балки на стройплощадке в местах, предусмотренных проектом производства работ (рис. 2); устанавливают фундаментные, балки и соединяют их между собой и со сваями электросваркой; устанавливают сборную опалубку и омоноличивают стыки балок; проверяют отметки ростверка нивелиром и выравнивают поверхность цементным раствором.

Участок планирует бульдозер Д-271.

Сваи (с предварительным лидированием скважин) погружают вибропогружателем ВП-1 на базе автокрана К-161, установленным па аутригеры. Этот кран используется на монтаже сборного ростверка, на разгрузке материалов и конструкций, на раскладке конструкций на стройплощадке.

Электроэнергией механизмы обеспечиваются от постоянной электросети или от передвижной электростанции ПЭС-100.

Сваи и фундаментные балки завозят и раскладывают на стройплощадке в зоне действия стрелы крапа (см. рис. 2).

На место укладки бетон и песок подают краном в бункерах емкостью 0,5 м3.

Рис. 2. Схема организации работ по погружению свай:

I - кран К-161; II - блоки марки В-1: III - блоки марки Б-2; IV - блоки марки Б-3; V - места складирования блоков марок Б-1, Б-2 и Б-3; VI - места складирования блоков марок Б-1 и Б-3; VII - железобетонные сваи СIIЧ-300

Послойное уплотнение бетона и песка в полостях свай выполняется глубинными электровибраторами И-116 или И-21. Шлаковую подготовку уплотняют площадочной электротрамбовкой П-132.

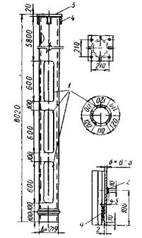
Рис. 3. Труба-лидер:

1 - прорези для удаления грунта, 2 - буртик, наплавленный электросваркой; 4 - внутренний буртик для снятия керна с внутренней поверхности трубы-лидера

Для электросварочных работ применяют электроды Э-42 (ГОСТ 9467-60) и электросварочный аппарат АСБ-300.

Лидирование скважин делается трубой-лидером конструкции треста «Югозаптрансстрой» (рис. 3).

Лидирующие скважины устраивают па глубину погружения сваи. На трубе-лидере отмечается глубина погружения сваи и до этой отметки она опускается. Площадь сечения скважины должна быть на 30 - 40% меньше площади сечения сваи.

Лидирующие скважины и погруженные сваи должны быть строго вертикальны. Вертикальность трубы-лидера и сваи проверяется по отвесу.

Оси вибропогружателя и сваи должны быть совмещены, болты крепко затянуты. В процессе погружения ослабшие гайки подтягивают.

Отклонение свай от проектного положения в плане допускается ±5 см; количество рядом стоящих свай с максимальным отклонением в одну сторону не должно превышать 4. Общее количество свай с максимальным отклонением допускается не более 10%.

Автокран К-161 движется внутри контура здания и с каждой стоянки делает 6 - 10 лидирующих скважин и погружает такое же количество свай.

В процессе устройства фундаментов производится приемка погруженных свай (свайное поле) и готового свайного ростверка.

При приемке свайного поля представляются исполнительный лист с указанием отклонения свай в плане, сводная ведомость погруженных свай, акт геодезической разбивки места положения свай, результаты динамических и статических испытаний свай.

При приемке сборного ростверка представляют акт приемки стыков и сопряжений, паспорт па железобетонные изделия.

Все работы по устройству свайных фундаментов должны выполняться в полном соответствии с проектом, с соблюдением требований «Временных указаний по проектированию и устройству свайных фундаментов на коротких сваях» (СН 216-62), «Строительных норм и правил», часть I, раздел Б, глава 3 «Фундаменты и опоры из свай и цилиндрических оболочек, сборные конструкции» (СНиП 1-Б.3-62). «Строительных норм и правил», часть III, раздел Б, глава 6 «Фундаменты и опоры из свай и оболочек, шпунтовые ограждения, правила производства и приемки работ» (СНиП III-Б.6-62), «Строительных норм и правил», часть III, раздел А, глава II «Техника безопасности в строительстве», часть III, раздел А (СНиП III-A.11-62).

3. УКАЗАНИЯ ПО ОРГАНИЗАЦИИ ТРУДА

Устройство свайных фундаментов выполняет в течение 9,5 дня при работе в две смены комплексная бригада, состоящая из 4 чел.: 6 разр.- 1, 4 разр.-1, 3 разр.- 1, 2 разр.- 1, и отдельное звено, состоящее из 2 чел.: электросварщика 5 разр. и бетонщика 3 разр.

Технологической картой предусмотрено совмещение производственных процессов: лидирование скважин и погружение свай-с подготовкой свай к погружению; устройство шлаковой подготовки-с заполнением полости свай бетоном и песком.

Машинист 6 разр. обслуживает автокран К-161.

Копровщики 4 и 3 разр. выгружают и раскладывают сваи и фундаментные балки на строительной площадке, устанавливают вибропогружатель на трубу-лидер с выверкой и закреплением; наблюдают за погружением трубы-лидера и сваи и проверяют по отвесу их вертикальность, очищают от грунта извлеченную трубу-лидер, отсоединяют трубу-лидер от вибропогружателя, соединяют вибропогружатель с наголовником для погружения сваи, отсоединяют вибропогружатель от наголовника на свае и снимают наголовник после погружения, устанавливают фундаментные балки.

Бетонщик 2 разр. устанавливает наголовники на сваи и закрепляет их анкерными болтами, заполняет полости погруженных свай песком и бетоном, послойно уплотняет песок и бетон вибратором, устраивает подстилающий слой из шлака с разгрузкой его из бункера, разравнивает и уплотняет шлак вибратором.

Звено, состоящее из 2 чел., работает самостоятельно и приступает к работе на 6-й день, а заканчивает ее на 2,5 дня позже.


4. ГРАФИК ВЫПОЛНЕНИЯ РАБОТ

Примечания. 1. Графиком предусмотрено повышение производительности труда на 11,3%.

2. В графике указано 0,6 продолжительность работ в сменах/1 количество рабочих.

Электросварщик 5 разр. выполняет электросварку стыков, планок и скоб фундаментных балок с анкерами свай.

Бетонщик 3 разр. устанавливает и разбирает опалубку из готовых щитов, омоноличивает головы свай и стыки фундаментных балок.

Планировку участка со срезкой растительного слои выполняет бульдозер Д-271, который обслуживает машинист 5 разр. Эти работы производятся в течение 5 ч.

5. КАЛЬКУЛЯЦИЯ ЗАТРАТ ТРУДА

Шифр норм и расценок

Состав звена

Описание работы

Единица измерения

Объем

Норма времени

Расцепка

Нормативное время на полный объем работ, чел-ч

Стоимость труда на полный объем работ, руб.-коп.

§ 2-1 - 15, табл. 2, п. 56, д

Машинист 5 разр.- 1

Разработка грунта II гр. бульдозером Д-271 на тракторе С-80 с перемещением до 20 м

100 м3

2,9

1,52

1-067

4,7

3-09

§ 2-1-25, п. 6а

То же

Планировка поверхности по заданным отметкам со срезкой бугров и засыпкой впадин бульдозером Д-271 на тракторе

1000 м2

1,2

0,42

0-29,5

0,5

0-35

§ 12-52, п. 4

Машинист крана 6 разр.-1

Выгрузка свай из автомобиля и складирование их при помощи автокрана К-161

100 свай

0,94

7,1

5-61

6,7

5-27

Такелажники 3 разр.-2

 

То же

0,94

14,2

7-88

13,3

7-41

Т-3Р-1д

Машинист крана 6 разр.-1

Устройство лидирующих скважин трубой-лидером d=219 мм сваебойным оборудованием на базе автокрана К-161

1 скважина

94

0,38

0-30

35,7

28-20

Копровщики:

5 разр.-1

3 » - 1

То же

94

0,76

0-478

71,4

44-93

Т-9-3а

Машинист крана 6 разр.-1

Погружение полых железобетонных одиночных свай прямоугольного сечения вибропогружателем ВП-1, установленным на базе автокрана К-161

1 свая

94

0,9

0-71,1

84,6

66-83

Копровщики:

3 разр.- 1

3 » -2

То же

94

2,7

1-63,1

253,8

153-31

 

§ 2-1-44, табл. 1, п. 16

Землекопы:

2 разр.- 1

1 » -1

Засыпка полостей голов свай песком с послойным трамбованием (через 10 см) электротрамбовками

м3

5,5

0,99

0-46,1

5,4

2-54

§ 4-1-37, табл. 3, п. 3

Примеч. 1, К=1,25 применит.

Бетонщики:

4 разр.- 1

Подача бетонной смеси в бункера при помощи автокрана К-161 и укладка ее в полость сваи с уплотнением электровибратором

м3

3,65

2,75

1-53,7

10,0

5-61

2 » -1

Машинист

6 разр.-1

м3

3,65

1,37

1-08

5,0

3-94

§ 19-26б применит.

Бетонщики:

3 разр.-1

2 » -1

Шлаковая подготовка под ростверк с трамбованием

м3

77,3

0,25

0-13,1

19,3

10-13

§ 4-1 - 17, п. 1б

Электросварщик

5 разр.-1

Подготовка голов свай для сопряжения с ростверком: электросварка планок и скоб с анкерами свай

м

76,8

0,56

0-39,3

43,0

30-18

§ 4-1-27, табл., 8а, б

Плотники:

4 разр.-1

2 » - 1

Устройство и разборка опалубки для омоноличивания голов свай из готовых элементов

м2 поверхности опалубки

32,6

2,95

1-60,7

96,2

52-39

§ 4-1-37, табл. 3,

примечание, К=1,25

Бетонщики:

4 разр.-1

2 » -1

Укладка бетонной смеси в оголовки свай

м3

2,6

2,75

1-53,7

7,2

4-00

§ 1-5, п. 4а применительно

Машинист крана 6 разр.- 1

Выгрузка из автомобиля и складирование фундаментных балок весом до 2 т

100 подъемов

0,28

7

5-53

2,0

1-55

То же

Такелажники 2 разр.-2

 

То же

0,28

14

6-90

3,9

1-93

 

Шифр норм и расценок

Состав звена

Описание работы

Единица измерения

Объем

Норма времени

Расценка

Нормативное время на полный объем работ, чел-ч

Стоимость труда на полный объем

работ, руб.-коп.

§ 4-1-6, табл. 3, 1а

Машинист 6 разр.-1

 

1 элемент

23

0,44

0-34,8

12,3

9-74

Техническая часть, п. 1, К=1,1

Монтажники конструкций:

5 разр.-1

4 » -1

3 » -2

2 » -1

Монтаж ростверка из фундаментных балок автокраном К-161 с окончательной выверкой

То же

28

2,2

1-28,7

61,6

36-04

§ 4-1 - 17, п. 1б

Электросварщик 5 разр.-1

Электросварка монтажных стыков фундаментных балок с зачисткой мест сварки и поверхности шва

м шва

185,2

0,56

0-39,3

103,7

72-78

§ 4-1 - 18, табл. 2, пп. 1, 3, 5

Плотники:

4 разр.-1

3 » -1

Бетонщики:

4 разр.-1

3 » - 1

Заделка монтажных стыков между фундаментными балками из двух элементов с установкой и разборкой опалубки, укладкой и уплотнением бетонной смеси:

 

 

 

 

 

 

а) установка и разборка опалубки

1 узел

19

1,04

0-61,4

19,8

11-07

б) бетонирование стыков

То же

19

1,05

0-62

19,9

11-78

 

§ 4-1 -18, табл. 2, пп. 2, 4, 6

Плотники:

4 разр.-1

3 » -1

Бетонщики:

4 разр.- 1

3 » - 1

Заделка монтажных стыков между фундаментными балками и сваями из трех элементов:

а) установка и разборка опалубки

1 узел

8

1,5

0-88,6

12,0

7-09

б) бетонирование стыков

То же

8

1,3

0-76,7

10,4

6-14

Итого

чел-ч

чел-дн

 

 

902,4

110

 

576-8


6. ОСНОВНЫЕ ТЕХНИКО-ЭКОНОМИЧЕСКИЕ ПОКАЗАТЕЛИ

Наименование показателей

Единица измерения

По калькуляции А

По графику Б

На сколько %% показатель по графику больше ( + ) или меньше (-), чем по калькуляции

Трудоемкость - всего

чел-дн

110

97,6

-11,3

Средний тарифный разряд

 

4,02

3,90

-3

Среднедневная заработная плата па 1 рабочего

руб.-коп.

5,24

5,09

-3

Время использования основных механизмов

маш-см

37,6

37,6

0

в том числе:

 

 

 

 

Бульдозер Д-271

 

0,6

0,6

0

автокран К-161

 

17,0

17,0

0

7. МАТЕРИАЛЬНО-ТЕХНИЧЕСКИЕ РЕСУРСЫ

а) Конструкции, изделия, полуфабрикаты и основные материалы

Наименование

Марка, ГОСТ

Единица измерения

Количество на свайные фундамент

Железобетонные сваи

СПЧ-300

шт.

94

Фундаментные балки

Б-1

шт

12

Фундаментные балки

Б-2

шт

б

Фундаментные балки

Б-3

шт

10

Товарный бетон

-

м3

30,2

Песок

-

м3

6

Деревянные планки и коротыши

 

м3

0,5

Электроды

Э-42 ГОСТ 9467-60

кг

58,2

Шлак котельный

-

м3

80

Автомобильный бензин

А-72, ГОСТ 2084-56

кг

621

Дизельное топливо

ДЛ 4749-49 ВТУ 586-56

кг

1568

б) Машины, оборудование, инструменты и приспособления

Наименование

Марка

Количество

Примечание

Бульдозер

Д-271

1

Чертеж, см. рис. 3

Кран

К-161

1

Вибропогружатель

ВП-1

1

Приспособления навесного оборудования (направляющая распорка) (комплект)

 

1

Труба-лидер

 

1

Автомобиль-самосвал

ЗИЛ-585

1

Автомобиль с при
цепом

ЗИЛ-150

1

Электросварочный

ЛСБ-300 (САК)

1

Электротрамбовка

П-132

1

Электровибратор глубинный

И-116

или 11-21

1

Ломы-лапы

-

2

Плотничные молотки

-

2

Пилы-ножовки

-

2

Лопаты совковые

-

3

Лопаты штыковые

-

3

Металлические бункера для бетона емкостью 0,5 м3

-

4

Стропы двухветвевые

-

2

Тросы d=15 мм

 

12

Проволока мягкая стальная d=1 мм

-.

200 м

Нивелир

-

1

Рейка нивелирная

-

1

Уровень

-

1

Отвесы

-

2

Рулетка металлическая l=50 м

-

1

Метры металлические

-

2

Ключи гаечные

-

2

Инвентарная обноска (компл.)

-

1

Инвентарная опалубка (дощатые щиты из досок δ= 40 мм размером 0,6×0,7 м)

-

10

Металлические шпильки

-

50

Кувалда

-

1

 

 

 

Содержание

 

 




ГОСТЫ, СТРОИТЕЛЬНЫЕ и ТЕХНИЧЕСКИЕ НОРМАТИВЫ.
Некоммерческая онлайн система, содержащая все Российские Госты, национальные Стандарты и нормативы.
В Системе содержится более 150000 файлов нормативно-технической документации, действующей на территории РФ.
Система предназначена для широкого круга инженерно-технических специалистов.

Рейтинг@Mail.ru Яндекс цитирования

Copyright © www.gostrf.com, 2008 - 2026