Крупнейшая бесплатная информационно-справочная система онлайн доступа к полному собранию технических нормативно-правовых актов РФ. Огромная база технических нормативов (более 150 тысяч документов) и полное собрание национальных стандартов, аутентичное официальной базе Госстандарта. GOSTRF.com - это более 1 Терабайта бесплатной технической информации для всех пользователей интернета. Все электронные копии представленных здесь документов могут распространяться без каких-либо ограничений. Поощряется распространение информации с этого сайта на любых других ресурсах. Каждый человек имеет право на неограниченный доступ к этим документам! Каждый человек имеет право на знание требований, изложенных в данных нормативно-правовых актах!

  


 

МИНИСТЕРСТВО ТРАНСПОРТНОГО СТРОИТЕЛЬСТВА

ЦЕНТРАЛЬНЫЙ ИНСТИТУТ СОВЕРШЕНСТВОВАНИЯ ТЕХНОЛОГИИ
СТРОИТЕЛЬСТВА, НОРМАТИВНЫХ ИССЛЕДОВАНИЙ
И НАУЧНО-ТЕХНИЧЕСКОЙ ИНФОРМАЦИИ
В ТРАНСПОРТНОМ СТРОИТЕЛЬСТВЕ «ОРГТРАНССТРОЙ»

ТЕХНОЛОГИЧЕСКИЕ КАРТЫ

СООРУЖЕНИЕ
СТОЛБЧАТЫХ ОПОР МОСТОВ
С ПРИМЕНЕНИЕМ
ТУРБОБУРА Т12МЗБ-240

МОСКВА 1978

Сборник технологических карт разработан Улан-Удэнской НИС (исполнитель В.В. Коротков) и отделом внедрения передовой технологии и организации строительства инженерных сооружений (исполнитель В.Е. Суздальцев) института «Оргтрансстрой».

общая часть

Сборник технологических карт «Сооружение столбчатых опор мостов с применением турбобура» разработан с учетом опыта работы Мостоотряда № 35 и Мостопоезда № 468 треста «Мостострой-8».

Сборник содержит четыре технологические карты.

Карта № 1. Комплекс работ по сооружению столбчатой промежуточной опоры моста.

Карта № 2. Бурение скважин в сложных грунтовых условиях турбобуром Т12МЗБ-240, смонтированным на базе копра СП-49.

Карта № 3. Установка железобетонных столбов в скважины.

Карта № 4. Устройство насадки столбчатой промежуточной опоры моста.

Технологические карты № 2, 3 и 4 составлены на отдельные виды работ по сооружению столбчатой промежуточной опоры моста, каждую из которых можно применять самостоятельно. Работы производятся в теплое время года.

В сборник технологических карт не включены следующие работы:

подготовка строительной площадки и площадки для складирования;

устройство временных сооружений и дорог;

размещение оборудования;

подводка линий электроснабжения и устройство освещения;

транспортировка материалов и конструкций;

монтаж и демонтаж бурового агрегата.

Привязка карт к местным условиям строительства заключается в уточнении объемов работ с соответствующей корректировкой затрат труда, материально-технических ресурсов и графиков производства работ.

ТЕХНОЛОГИЧЕСКАЯ КАРТА № 1

СООРУЖЕНИЕ СТОЛБЧАТОЙ ПРОМЕЖУТОЧНОЙ ОПОРЫ МОСТА

I. ОБЛАСТЬ ПРИМЕНЕНИЯ

Технологическая карта разработана на основе методов научной организации труда и предназначена для использования при разработке проектов производства работ и организации труда при сооружении столбчатых промежуточных опор моста.

Проект малых и средних мостов со столбчатыми опорами, разработанный институтом Мосгипротранс, предусматривает сооружение промежуточных опор мостов на цилиндрических железобетонных столбах сплошного сечения диаметром 80 см и длиной 10,5 м, устанавливаемых в заранее пробуренные скважины диаметром 100 см (рис. 1).

Рис. 1. Конструкция столбчатой промежуточной опоры моста:

1 - цилиндрические железобетонные: столбы сплошного сечения диаметром 80 см и длиной 10,5 м; 2 - гравийно-галечниковый грунт; 3 - местный грунт с уплотнением; 4 - цементно-песчаный раствор; 5 - скальный грунт; 6 - насадка

Проходка скважины осуществляется турбобуром Т12МЗБ-240, смонтированным нf базе копра СП-49. Одновременно с бурением скважины производится погружение обсадной трубы диаметром 1020 мм до скального грунта. Дальнейший процесс бурения производится без погружения обсадной трубы.

Инъецирование цементно-песчаного раствора в зазор между стенками столба и скважины производится до уровня, расположенного на 50-80 см выше отметки залегания скального грунта. Заделанные в скважины два железобетонных столба объединяются монолитной железобетонной насадкой. Опалубка насадки устраивается из инвентарных деревянных щитов. Арматурный каркас собирается из отдельных сеток, которые соединяются между собой проволокой.

Бетонная смесь к месту укладки транспортируется автосамосвалами. В опалубку бетон подается в бадье с помощью крана и укладывается с последующим уплотнением его глубинными вибраторами ИВ-66.

Для выполнения монтажных и погрузочно-разгрузочных работ на строительстве промежуточной опоры используется кран МКП-25.

Устройство столбчатой промежуточной опоры моста предусматривается на суходоле, а также на отсыпаемых островках при глубине воды до 1 м.

II. УКАЗАНИЯ ПО ТЕХНОЛОГИИ ПРОИЗВОДСТВЕННОГО ПРОЦЕССА

До начала сооружения опора необходимо выполнить следующие подготовительные работы:

- спланировать (отсыпать) строительную площадку (допускается уклон не более 5°) на месте возведения опор моста, достаточную по размерам для свободного маневрирования применяемых машин и механизмов и размещения конструкций и материалов (рис. 2).

- разбить и закрепить на местности положение осей скважин путем забивки металлических штырей;

- устроить подъездные и внутрипостроечные дороги;

- доставить и разместить на строительной площадке необходимые машины и механизмы, конструкции и материалы, инструмент, инвентарь и приспособления, обеспечивающие непрерывность технологического процесса;

- обеспечить строительство источником электрической энергии;

- подготовить водозабор с объемом воды, обеспечивающим бесперебойную работу насосной установки, турбобура и эрлифта в процессе бурения.

Сооружение столбчатой промежуточной опоры моста начинается с укладки на заранее подготовленную площадку направляющей плиты, устанавливаемой краном МКП-25 по оси скважины. Затем в патрубок направляющей плиты устанавливается обсадная труба, а на верхний конец обсадной трубы - вибропогружатель, прикрепляемый к трубе при помощи электросварки или болтов на фланцах.

Рис. 2. Схема организации работ по сооружению столбчатой опоры моста;

1 - копровая установка СП-49; 2 - кран МКП-25; 3 - насосная установка; 4 - емкость для воды; 5 - водоем; 6 - растворный узел; 7 - секций обсадных труб; 8 - компрессор; 9 - путь движения СП-49; 10 - железобетонные столбы; 11 - направляющая плита; 12 - места установки столбов; 13 - береговые опоры

По оси скважины в полость обсадной трубы, опускается турбобур, смонтированный на базе копра, СП-49. На ребра центратора турбобура устанавливаются специальные упоры, для того чтобы при бурении турбобур опережал опускание низа обсадной трубы на 40-80 см. Проверяется соответствие положения обсадной трубы и турбобура, проектному в плане и по вертикали.

После запуска и опробования турбобура начинается проходка скважины с одновременным, погружением обсадной трубы до отметки залегания скального грунта. Дальнейший процесс бурения скальных пород производится без погружения обсадной трубы, до отметки на 50-60 см выше проектной. Затем производится замена шарошечного долота диаметром 850 мм (с лидерным долотом диаметром 490 мм) плоским шарошечным долотом такого же диаметра для образования ровной поверхности дна скважины. Бурение продолжается до проектной отметки.

В процессе бурения скважина очищается эрлифтом, подвешенным к крюку крана МКП-25.

B очищенную скважину устанавливают столб и инъецируют цементно-песчаный раствор в зазор между стенками столба и скважины.

До начала схватывания цементно-песчаного раствора производится извлечение обсадной трубы из скважины краном грузоподъемностью не менее 25 т. Первоначальный отрыв трубы производится вибропогружателем.

Опалубка насадки устраивается из инвентарных деревянных щитов. В опалубку насадки устанавливаются арматурные сетки и связываются между собой.

Бетонная смесь подается при помощи крана в бадьях» уплотняется глубинными вибраторами ИВ-66.

При сооружении столбчатых опор мостов следует пользоваться следующей технической литературой и документацией:

СНиП III-43-75. Правила производства и приемки работ. Мосты и трубы.

Свайные фундаменты. М., Транспорт, 1975.

Рекомендации по устройству столбчатых фундаментов и опор мостов. Мостострой-8, 1975.

Наставление по производству мостостроительных работ. Оргтрансстрой, 1969.

Руководство по производству бетонных работ. М., Стройиздат, 1975.

Рекомендации по строительству столбчатых фундаментов и опор мостов, ЦНИИС, 1976.

Основные положения техники безопасности

Монтаж и демонтаж копрового оборудования, перевод копра из рабочего положения в транспортное и из транспортного в рабочее следует вести строго в соответствии с инструкциями и схемами.

При подъеме копра, собранного в горизонтальном положении, должны быть прекращены все работы в радиусе, равном длине поднимаемой конструкции копра с временными обустройствами плюс 5 м.

Передвижение копра с подвешенными на мачте элементами запрещается.

Запрещается выполнять работы неисправным оборудованием.

Первые подъемы груза следует производить осторожно. При появлении; неисправности немедленно опустить груз.

Запрещается производить ремонт и смазку оборудования во время работы копра.

При работе в ночное время копровое оборудование и строительная площадка должны быть освещены.

При заправке топливного бака горючим запрещается курить или иметь вблизи открытые источники тепла.

Машинисту копровой установки запрещается оставлять без надзора работающую машину. При уходе машиниста необходимо остановить двигатель.

Запрещается работать при давлении в гидросистеме свыше 100 кгс/см2.

Окончив работу, машинист должен запереть кабину, где находятся все пусковые устройства, для исключения возможности пуска в ход копровой установки в нерабочее время.

Запуск турбобура допускается после тщательного осмотра грунторазрабатывающего органа.

Извлечение турбобура из скважины разрешается только после полной его остановки и прекращения подачи воды.

При подъеме и перемещении груза, масса которого близка к предельно допустимой, предварительно производится подъем на высоту 20-30 см и проверка правильности строповки, устойчивости крана, действия тормозов. Во время перемещения груза рабочие, сопровождающие груз за оттяжки, не должны находиться в опасной зоне.

Если столб устанавливается в скважину не сразу после окончания бурения и очистки скважины, то скважину необходимо закрыть инвентарным щитом.

При выполнении работы по инъецированию раствора в скважины контроль за соблюдением рабочими правил техники безопасности возлагается на руководителя работ и сменных мастеров.

Выгружать бетонную смесь из кубла в опалубку разрешается с высоты не более 1 м.

У опалубки насадки необходимо устраивать площадку с перилами для размещения рабочих, принимающих бетонную смесь.

Перед укладкой бетонной смеси в конструкцию необходимо проверить надежность крепления и ограждения опалубки. При подъеме бетонной смеси краном в бадье состояние ее следует проверить до начала работ. Тара для бетонной смеси должна быть оснащена специальными приспособлениями (замками), не допускающими случайной выгрузки бетонной смеси.

При работе с вибраторами бетонщики должны быть в резиновых сапогах и перчатках; во избежание обрыва провода и поражения бетонщиков электрическим током нельзя перетаскивать вибратор за шланговый провод и кабель; при появлении каких-либо неисправностей в вибраторе работа должна быть прекращена; во избежание возможного падения наружного вибратора при ослаблении тисков, наружные электрические и пневматические вибраторы следует подвешивать на тросе или веревке.

Все рабочие бригады до начала работ должны пройти инструктаж и обучение по всем видам работ, выполняемых бригадой.

Кроме этого, при бурении скважин для установки в них железобетонных столбов следует руководствоваться инструкциями и правилами техники безопасности, изложенными в следующих документах:

СНиП III-A.11-70. Техника безопасности в строительстве.

ВСН 165-70. Технические указания по строительству фундаментов мостов из буровых и бурообсадных столбов.

Правила техники безопасности и производственной санитарии при сооружении мостов и труб. Оргтрансстрой, 1969.

Типовая инструкция по технике безопасности для машинистов буровых машин. Оргтрансстрой, 1970.

Типовая инструкция по охране труда для стропальщиков. Оргтрансстрой, 1975.

Типовая инструкция по охране труда для рабочих, занятых на свайных работах при строительстве мостов. Оргтрансстрой, 1978.

Типовая инструкция по технике безопасности копровой команде. Оргтрансстрой, 1967.

III. УКАЗАНИЯ ПО ОРГАНИЗАЦИИ ТРУДА

В карте предусмотрено сооружение одной столбчатой промежуточной опоры моста. Сооружение столбчатой промежуточной опоры моста выполняется в три этапа:

бурение скважин в сложных грунтовых условиях турбобуром Т12МЗБ-240, смонтированным на базе копра СП-49;

установка железобетонного столба в скважину, инъецирование цементно-песчаного раствора в зазор между стенками столба и скважины, извлечение обсадной трубы из скважины; устройство насадки.

Сооружение опор выполняет комплексная бригада, состоящая из звена в составе двух копровщиков (4 и 3 разр.) и звена в составе трех монтажников конструкций (4 разр.-2 и 3 разр.-1).

Кроме копровщиков и монтажников конструкций при сооружении опоры заняты следующие машинисты:

крана МКП-25

6 разр.

копра СП-49

5    »

насосной установки

5    »

компрессора

4    »

Машинист насосной установки обеспечивает непрерывность подачи воды в турбобур под необходимым давлением в процессе бурения.

Машинист компрессора обеспечивает непрерывную подачу воздуха для работы эрлифта совместно с турбобуром и отдельно во время окончательной очистки скважины.

Машинист крана МКП-25 выполняет монтажные и погрузочно-разгрузочные работы.

IV. ГРАФИК НА КОМПЛЕКС РАБОТ ПО СООРУЖЕНИЮ СТОЛБЧАТОЙ ПРОМЕЖУТОЧНОЙ ОПОРЫ МОСТА

Условные обозначения:

 - работа звена;

 - работа машиниста крана;

 - работа машиниста копровой установки;

 - работа машиниста насосной установки;

 - работа машиниста компрессора

Примечание. Цифрами над линиями графика указано число рабочих, под линиями - продолжительность операции в часах.

V. КАЛЬКУЛЯЦИЯ ЗАТРАТ ТРУДА НА КОМПЛЕКС РАБОТ ПО СООРУЖЕНИЮ СТОЛБЧАТОЙ ОПОРЫ

№ техно­логиче­ской карты

Наименование работ

Единица измерения

Объем работ

Норма времени на полный объем работ, чел-ч (маш-ч)

Стоимость затрат труда на весь объем работ, руб.-коп.

2

Бурение скважин в сложных грунтовых условиях турбобуром Т12МЗБ-240, смонтированным на базе копра СП-49

1 скважина

2

138,29 (182,84)

214-10

3

Установка железобетонных столбов в скважины, инъецирование цементно-песчаного раствора в зазор между стенками столба и скважины, извлечение обсадной трубы из скважины

1 столб

2

28,66 (8,67)

23-52

4

Устройство насадки столбчатой промежуточной опоры моста

1 насадка

1

53,48 (6,90)

35-41

 

Итого

 

 

218,43 (198,41)

273-03

 

Всего

 

 

416,84

 

 

Всего, чел.-дн.

 

 

52,10

 

VI. ОСНОВНЫЕ ТЕХНИКО-ЭКОНОМИЧЕСКИЕ ПОКАЗАТЕЛИ

Глубина бурения в гравийно-галечниковых грунтах, м   9,8

Глубина бурения в скальных грунтах, м                            8,6

Объем цементно-песчаного раствора, м3                           2,8

Объем бетона насадки, м3                                                    7,4

Число столбов, шт.                                                                2

Наименование показателей

Единица измерения

По калькуляции

По графику

На сколько процентов показатель по графику больше (+) или меньше (-), чем по калькуляции

Затраты труда на устройство одной опоры.

чел.-дн.

52,1

47,75

-8,3

В том числе затраты труда:

 

 

 

 

на устройство двух скважин

»

40,14

36,90

-8,1

на установку и заделку двух столбов

»

4,66

4

-14,3

на возведение насадки

»

7,3

6,85

-6,1

VII. МАТЕРИАЛЬНО-ТЕХНИЧЕСКИЕ РЕСУРСЫ

А. Основные материалы, полуфабрикаты, детали и конструкции

Наименование

гост

Единица измерения

Количество

Железобетонная направляющая плита с металлическим патрубком диаметром 1120 мм

-

плита

2

Металлическая обсадная труба диаметром 1020 мм, длиной 2-4 м

-

труба

4

Цилиндрические железобетонные столбы сплошного сечения диаметром 80 см и длиной 10,5 м

-

столб

2

Цементно-песчаный раствор

-

м3

2,8

Брус сечением 150×150-200×200 мм

8486-66

»

1

Лес круглый диаметром 15-20 см

-

»

1

Деревянные щиты опалубки

-

м2

20

Арматура периодического профиля из стали Ст. 5 класса А-II

5781-75

т

0,609

Арматура гладкая из горячекатаной стали Ст. 3 класса A-I

5781-75

»

0,276

Бетонная смесь

4795-68

м3

7,4

Электроды Э-42А

9467-75

кг

18

Доски толщиной 25-50 мм

8486-66

м3

2

Гвозди

4028-63

кг

20

Б. Машины, оборудование, инструмент и инвентарь

Наименование

гост

Количество

Турбобур Т12МЗБ-240 в сборе с эрлифтом

 

1

Копровая установка СП-49

-

1

Насосная установка ЦНС-180/425

-

1

Кран МКП-25

-

1

Компрессор ПВ-10

-

1

Автосамосвал ЗИЛ-130

-

2

Автомобиль грузовой «Магирус»

-

1

Вибропогружатель ИВ-66

-

1

Растворонасос С-856

-

1

Насос С-569

-

1

Вибратор глубинный с гибким валом ИВ-66

-

2

Сварочный трансформатор ТС-500

-

1

Бадья вместимостью 1,5-2 м3

-

1

Рукав резиновый для подачи воздуха,

5398-76

1

Рукав резиновый для подачи воды, длиной 50 м

5398-76

1

Рукав резиновый высокого давления для подачи воды, длиной 50 м

6286-73

1

Стропы инвентарные

19146-73

3

Шарошечное долото диаметром 490 мм

20692-75

3

Шарошечное долото диаметром 850 мм

20692-75

3

Растворопровод длиной до 30 м

-

1

Набор инструментов для плотников

18578-73

2

Ключи гаечные разные

16983-71

6 (комп.)

Кувалды

11042-72

3

Топоры

1399-73

3

Ломы

1405-72

3

Лопаты

3620-76

6

Линейка измерительная металлическая длиной 1 м

427-75

2

Рулетка измерительная металлическая

7502-69

2

Уровень строительный

9416-76

2

Нивелир

10528-76

1

Теодолит

10529-70

1

Отвес

7948-71

1

ТЕХНОЛОГИЧЕСКАЯ КАРТА № 2

БУРЕНИЕ СКВАЖИН В СЛОЖНЫХ ГРУНТОВЫХ УСЛОВИЯХ ТУРБОБУРОМ Т12МЗБ-240, СМОНТИРОВАННЫМ НА БАЗЕ КОПРА СП-49

I. ОБЛАСТЬ ПРИМЕНЕНИЯ

Технологическая карта разработана на основе методов научной организации труда и предназначена для использования при составлении проектов производства работ и организации труда при бурении скважин турбобуром Т12МЗБ-240, смонтированным на базе копра СП-49, с одновременным погружением обсадных труб.

Технология проходки скважин турбобуром с одновременным погружением обсадных труб разработана Хабаровской группой СКБ треста «Мостострой № 8».

Бурение скважин производится в гравийно-галечниковых грунтах с редким содержанием валунов диаметром до 500 мм, очень влажных начиная с глубины 1,1 м. Мощность слоя - 4,9 м. Подстилающим слоем являются скальные породы.

II. УКАЗАНИЯ ПО ТЕХНОЛОГИИ ПРОИЗВОДСТВЕННОГО ПРОЦЕССА

До начала буровых работ на заранее спланированной площадке по оси скважины устанавливается направляющая плита (рис. 3). Масса плиты-2 т. Прилегание плиты к грунту должно быть плотным по всей ее поверхности.

Рис. 3. Направляющая плита:

1 - железобетонная плита; 2 - металлический трубок; 3 - зуб; 4 - строповочные петли

Для предотвращения обрушения грунта и поступления воды в скважину при бурении применяются инвентарные обсадные трубы. Длина обсадной трубы назначается такой, чтобы ее нижний конец соприкасался с верхней границей залегания скальных пород, а верхний был на 0,5 м выше поверхности грунта. Внутренний диаметр трубы должен превышать на 10-20 см габаритный размер грунторазрабатывающего органа. Инвентарные секций обсадных труб стыкуются между собой при помощи электросварки.

Для опережения погружение обсадной трубы бурением на ребрах центратора турбобура (направляющих) устанавливаются (привариваются или прикрепляются на болтах) упоры на 40-80 см выше площадки вибратора.

Предварительное погружение обсадной трубы без бурения производится вибропогружателем до отказа (отказом считается погружение за 1 мин на 2 см).

На верхний конец обсадной трубы устанавливается вибропогружатель с центральным отверстием, позволяющим удалять грунт из скважины без снятия его с трубы, что обеспечивает опускание трубы с одновременным бурением скважины.

Вибропогружатель прикрепляется с помощью фланцевого соединения на болтах к инвентарной секции обсадной трубы. Обсадная труба зажимается в подвижном направляющем хомуте, перемещающемся по стреле копровой установки.

Смонтированный совместно с эрлифтом турбобур (рис. 4) опускается в полость обсадной трубы, после чего производится проверка правильности положения обсадной трубы и турбобура.

Рис. 4. Турбобур Т12МЗБ-240 на базе копра СП-49:

1 - копер СП-49; 2 - турбобур Т12МЗБ-240; 3 - эрлифт; 4 - вибропогружатель ИВ-65; 5 - обсадная труба; 6 - направляющая плита; 7 - шарошечное долото; 8 - обжимной направляющий подвижной хомут; 9 - ребра центратора турбобура; 10 - опорная рама; 11 - подвижной скользун; 12 - выброс шлама; 13 - подача воды от нагнетающего насоса; 14 - шланг высокого давления; 15 - стрела копра СП-49

Первый этап бурения в гравийно-галечниковых грунтах производится с одновременным погружением обсадной трубы шарошечным долотом диаметром 850 мм (с лидерным шарошечным долотом диаметром 490 мм). Бурение скважины производится с опережением низа обсадной трубы на 40-80 см с целью снятия лобового сопротивления грунта.

На втором этапе бурение продолжается в! скальном грунте до отметки выше проектной на 50-60 см без погружения обсадной трубы. Упоры снимаются. Турбобур из скважины извлекается. Производится замена шарошечного долота плоским шарошечным долотом диаметром 850 мм, чтобы обеспечить наиболее ровную поверхность дна забоя. Далее бурение продолжается до проектной отметки.

Перед опусканием железобетонного столба в скважину производится ее очистка от бурового шлама эрлифтом. При необходимости вода в скважину подается насосом производительностью 200-250 м3/час.

III. УКАЗАНИЯ ПО ОРГАНИЗАЦИИ ТРУДА

Бурение скважин турбобуром Т12МЗБ-240, смонтированным на базе копра СП-49, выполняет звено в составе двух копровщиков 4 и 3 разр.

Копровщики владеют профессиями монтажника, такелажника, электросварщика, бетонщика и газорезчика.

Кроме копровщиков при бурений заняты:

Машинист копра СП-49 и турбобура

5 разр.

Машинист крана МКГ-25

6   »

Машинист насосной установки

5   »

Машинист компрессора

4   »

В обязанности машиниста копра СП-49 входит осмотр, уход и управление копровой установкой, наблюдение за правильным положением турбобура в процессе бурения.

Машинист крана МКП-25 выполняет монтажные и погрузо-разгрузочные работы.

Машинист насосной установки ЦНС-180/426 обеспечивает непрерывность подачи воды в турбобур под необходимым давлением в процессе бурения, следит за техническим состоянием насосной установки и шлангов высокого давления.

Машинист компрессора обеспечивает непрерывную подачу воздуха для работы эрлифта при совместной работе с турбобуром и отдельно во время окончательной очистки скважины, следит за техническим состоянием компрессора и воздушных шлангов.

До начале проходки скважин звено копровщиков укладывает направляющую плиту по оси скважины, устанавливает обсадную трубу в патрубок направляющей плиты, монтирует вибропогружатель на верхнем конце с обсадной трубы. В это время машинисты производят технический осмотр и экипировку механизмов.

Машинист копра по команде копровщика 4 разр. подводит установку к направляющей плите, а копровщики зажимают обсадную трубу в подвижном направляющем хомуте стрелы копра. Турбобур подвешиваемся на крюке стрелы копровой установки. Смонтированный турбобур совместно с эрлифтом опускается в полость обсадной трубы. Оба копровщика устанавливают упоры на ребра центратора (направляющие) турбобура, а мастер с геодезистов проверяют положение трубы и турбобура.

Затем производится опробование работы турбобура вхолостую, выполняемое после окончания погружения обсадной трубы вибропогружателем. Затем процесс бурения идет при одновременном погружении обсадной трубы. Копровщики следят за положением турбобура и обсадной трубы, подтаскивают шланги и выполняют другие работы, обеспечивающие непрерывный процесс бурения.

После прохождения гравийно-галечникового грунта с одновременным погружением обсадной трубы турбобур из скважины извлекается.

Копер с турбобуром смещается на 2-3 м в сторону. Копровщики при помощи крана снимают вибропогружатель и упоры. При необходимости также меняется износившееся шарошечное долото.

Копер СП-49 устанавливается на место. Турбобур опускается в скважину, производится выверка его положения и опробование, после чего начинается бурение скального грунта.

По окончании бурения копровщики извлекают турбобур из скважины и подводят копер к месту бурения очередной скважины.

Затем копровщики подвешивают эрлифт на крюк крана и опускают его в скважину. Следят за выбросом шлама из скважины и совместно с мастером проверяют ее глубину. После очистки скважины копровщики извлекают и демонтируют эрлифт.


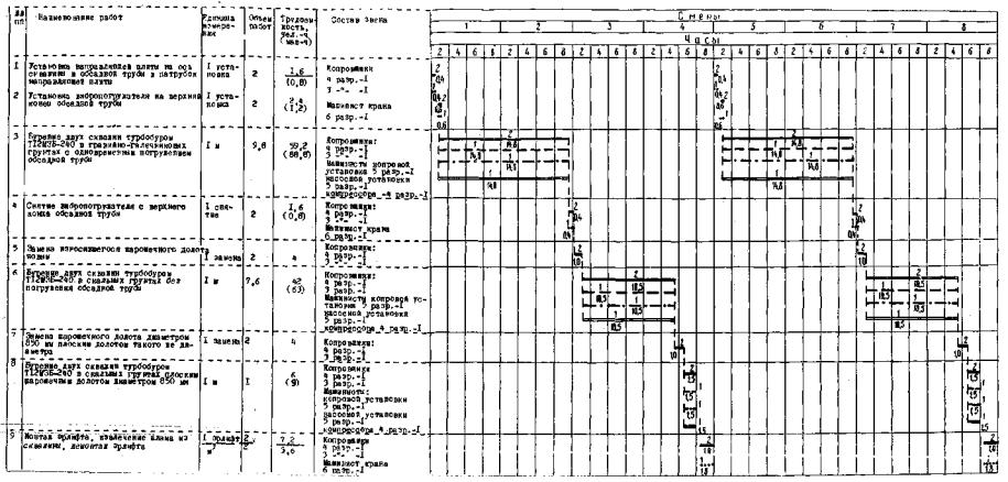
IV. ГРАФИК ПРОИЗВОДСТВА РАБОТ ПО БУРЕНИЮ СКВАЖИН ТУРБОБУРОМ Т12МЗБ-240

Итого:

128

(167,2)

ВСЕГО:

295,2

Итого: (чел-дн)

36,9

Условные обозначения:

 - работа копровщиков;

 - работа машиниста крана;

 - работа машиниста копровой установки;

 - работа машиниста насосной установки;

 - работа машиниста компрессора


V. КАЛЬКУЛЯЦИЯ ЗАТРАТ ТРУДА НА БУРЕНИЕ ДВУХ СКВАЖИН

пп

Шифр норм

Наименование работ

Состав звена

Единица измерения

Объем работ

На единицу измерения

На полный объем работ

норма времени, чел.-ч (маш.-ч)

расценка, руб.-коп

Норматив­ное время чел-ч (маш.-ч)

стоимость затрат труда, руб.-коп.

1

Местная норма Мосто­поезда № 468

Установка направляющей плиты на ось скважины

Копровщики:

4 разр.-1

3   »    -1

Машинист крана

6 разр.-1

1 уста­новка

2

0,42

(0,21)

0-25

(0-17)

0,84

(0,42)

0-50

0-34)

2

То же

Установка обсадной трубы в патрубок направляющей плиты

То же

То же

2

0,40

(0,20)

0-23

(0-16)

0,80

(0,40)

0-46

(0-32)

3

»

Установка вибропогружателя на верхний конец обсадной трубы

»

»

2

1,20

(0,60)

0-71

(0-47)

2,40

(1,20)

1-42

(0-94)

4

»

Бурение скважины турбобуром Т12МЗБ-240 в гравийно-галечниковых грунтах с одновременным погружением обсадной трубы (шарошечное долото диаметром 850 мм с лидерным долотом диаметром 490 мм)

Копровщики:

4 разр.-1

3   »    -1

Машинисты:

копровой установки

5 разр.-1;

насосной установки

5 разр.-1;

компрессора

4 разр.-1

1 м

9,8

7,10

(10,65)

4-45

(7-45,5)

69,58

(104,37)

43-61

(73-06)

5

»

Снятие вибропогружателя с верхнего конца обсадной трубы

Копровщик

4 разр.-1

Машинист крана

6 разр.-1

1 снятие

2

0,70

(0,35)

0-42

(0-28)

1,40

(0,70)

0-84

(0-56)

6

Местная норма Мосто­поезда № 468

Замена износившегося шарошечного долота новым шарошечным долотом

Копровщики:

4 разр.-1

3   »    -1

1 замена

2

2,13

1-33

4,20

2-66

7

То же

Бурение скважины турбобуром Т12МЗБ-240 в скальных грунтах без погружения обсадной трубы

Машинисты:

копровой установки

5 разр.-1;

насосной установки

5 разр.-1;

компрессора

4 разр.-1

1 м

7,6

5,87

(8,82)

3-69

(6-17,4)

44,61

(67,03)

28-04

(46-92)

8

»

Замена шарошечного долота диаметром 850 мм (с лидерным шарошечным долотом диаметром 490 мм) плоским шарошечным долотом такого же диаметра

Копровщики:

4 разр.-1

3   »    -1

1 замена

2

2,13

1-33

4,26

2-66

9

»

Бурение скважины турбобуром Т12МЗБ-240 в скальных грунтах без погружения обсадной трубы плоским шарошечным долотом диаметром 850 мм

Копровщики:

4 разр.-1

3   »    -1

Машинисты:

копровой установки

5 разр.-1; насосной

установки

5 разр.-1;

компрессора

4 разр.-1

1 м

1

3,40

(5,10)

2-13

(3-57)

3,40

(5,10)

2-13

(3-57)

10

§ 12-12, п. 1a

Монтаж эрлифта

Монтажники конструкций:

4 разр.-1

3   »    -1

1 эрлифт

2

2,00

(1,00)

1-18

(0-79)

4,00

(2,00)

2-36

(0-79)

11

§ 12-13, п. 1б

Извлечение шлама из скважины эрлифтом

Монтажник конструкций

4 разр.-1

1 м3

2

0,25

(0,25)

0-16

(0-20)

0,50

(0,50)

0-32

(0-40)

12

§ 12-12, п. 1б

Демонтаж эрлифта

Монтажники конструкций:

4 разр.-1

3   »    -1

1 эрлифт

2

1,12

(0,56)

0-66

(0-44)

0,24

(1,12)

1-32

(0-88)

 

 

Итого

 

 

 

 

 

138,29

(182,84)

86-32

(127-78)

 

 

Всего (рабочих и машинистов)

 

 

 

 

 

321,13

214-10

 

 

Итого (чел.-дн.)

 

 

 

 

 

40,14

 

VI. ОСНОВНЫЕ ТЕХНИКО-ЭКОНОМИЧЕСКИЕ ПОКАЗАТЕЛИ

Наименование показателей

Единица измерения

По калькуляции

По графику

На сколько процентов показатель по графику больше (+) или меньше (-), чем по калькуляции

Затраты труда на бурение:

 

 

 

 

двух скважин глубиной по 9,2 м каждая

чел.-дн.

40,14

36,90

-8,1

1 м скважины в гравийно-галечниковом грунте

»

2,22

1,89

-14,8

1 м скважины в скальном грунте

»

1,84

1,73

-6,0

VII. МАТЕРИАЛЬНО-ТЕХНИЧЕСКИЕ РЕСУРСЫ

А. Основные материалы, полуфабрикаты, детали и конструкции

Наименование

ГОСТ

Единица измерения

Количество

Железобетонная направляющая плита с металлическим патрубком диаметром 1120 мм

 

шт.

2

Металлическая обсадная труба диаметром 1020 мм

 

»

4

Электроды Э-42А

9467-75

кг

10

Б. Машины, оборудование, инструмент и инвентарь

Наименование

ГОСТ

Количество

Турбобур в сборе с эрлифтом Т12МЗБ-240

-

1

Копровая установка

-

1

Насосная установка ЦНС-18/425

-

1

Кран МКП-25

-

1

Компрессор ПВ-10

-

1

Вибропогружатель ИВ-65

-

1

Насос С-569

-

1

Сварочный трансформатор ТС-500

-

1

Рукав резиновый для подачи воздуха, длиной 50 м

5398-76

1

Рукав резиновый для подачи воды, длиной 50 м

5398-76

1

Рукав резиновый высокого давления для подачи воды, длиной 50 м

6286-73

1

Стропы инвентарные

19146-73

2

Шарошечные долота диаметром 490 мм

20692-75

3

Шарошечные долота диаметром 850 мм

20692-75

3

Ключи гаечные разные

16983-71

2 (компл.)

Кувалды

11042-72

3

Лопаты

3620-76

2

Ломы

1405-72

3

Метр стальной

7253-54

2

Рулетка измерительная металлическая длиной 10 или 20 м

7502-69

1

Уровень

9416-76

1

Нивелир

10528-76

1

Теодолит

10529-70

1

Отвес

7948-71

1

ТЕХНОЛОГИЧЕСКАЯ КАРТА № 3

УСТАНОВКА ЖЕЛЕЗОБЕТОННЫХ СТОЛБОВ В СКВАЖИНЫ

I. ОБЛАСТЬ ПРИМЕНЕНИЯ

Технологическая карта разработана на основе методов научной организации труда и предназначена для использования при составлении проектов производства работ и организации труда при установке железобетонных столбов диаметром 80 см, длиной 10,5 м в скважины с последующим заполнением пространства между стенками столбов и скважин цементно-песчаным раствором.

Конструкция железобетонных столбов разработана институтом «Мосгипротранс».

II. УКАЗАНИЯ ПО ТЕХНОЛОГИИ ПРОИЗВОДСТВЕННОГО ПРОЦЕССА

Перед установкой железобетонного столба проверяют глубину скважины и дно забоя по всей его поверхности. Для обеспечения ровной поверхности на дно скважины подсыпают чистый щебень толщиной 5-7 см.

Установка железобетонного столба производится в следующем порядке:

- железобетонный столб стропят, переводят из горизонтального положения в вертикальное и поднимают;

- опускают столб в скважину с фиксацией столба в верхней части обсадной трубы;

- проверяют положение столба в плане и по высоте и закрепляют его окончательно в проектном положении клиньями в обсадной трубе.

Подъем и перевод столба из горизонтального положения в вертикальное, установка столба в скважину производятся под непосредственным руководством производителя работ.

Цементно-песчаный раствор на объект доставляется автотранспортом, выгружается в бункер с вращающимся шнеком, где происходит непрерывное его перемешивание. Состав цементно-песчаного раствора - 1:3:0,7 (цемент, песок, вода).

Инъецирование цементно-песчаного раствора в зазор между стенками столба и скважины производится растворонасосом С-856. Конец металлического растворопровода диаметром 70 мм опускают на дно скважины и по мере заполнения скважины раствором поднимают его при помощи крана с учетом заглубления конца растворопровода в раствор не менее чем на 80 см. Пространство между стенками скважины и столба заполняют раствором на 50-80 см выше отметки залегания скальных пород.

Проверяют уровень цементно-песчаного раствора и соответствие его проектному; при недостаточной заделке укладывают дополнительный объем раствора до уровня низа деятельного слоя грунта в соответствии с требованиями проекта.

Заделка столба может осуществляться и по другой технологии: в скважину, нижняя часть которой расположена в скальной породе, подается цементно-песчаный раствор, а затем столб устанавливается в скважину, раствор выдавливается вверх и заполняет пространство между стенками скважины и столбом.

До начала схватывания раствора извлекается обсадная труба из скважины при помощи крана грузоподъемностью не менее 25 т. Первоначальный отрыв трубы производится при помощи вибратора, применяемого при ее Погружении.

Незаинъецированную часть скважины заполняют местным грунтом с уплотнением его металлическими штыковками.

III. УКАЗАНИЯ ПО ОРГАНИЗАЦИИ ТРУДА

Установку и заделку железобетонных столбов в скважинах выполняет звено в составе монтажников конструкции 4 разр. - 2 и 3 разр. - 1.

Члены звена владеют смежными профессиями бетонщика, такелажника и электросварщика»

Кроме монтажников конструкций на установке столбов занят машинист крана 6 разр.

До начала работ один монтажник конструкций 4 разр. вместе с мастером осматривает скважину» проверяет ее глубину. Затем подсыпает щебень на дно забоя.

Двое других монтажников конструкций (4 и 3 разр.) готовят деревянные клинья для расклинки столба у верхнего конца обсадной трубы, подготовляют строповочные приспособления и производят строповку столба.

Монтажник конструкций 4 разр. подает команды машинисту крана и следит за опусканием столба в скважину. Двое других монтажников конструкций помогают ему подводить столб к скважине при помощи оттяжек.

После установки столба в скважину монтажники конструкций фиксируют его положение в скважине в соответствии с проектом.

Затем монтажник конструкций 4 разр. занимается приемкой из автотранспорта цементно-песчаного раствора в бункер с вращающимся шнеком. Двое других монтажников конструкции подготовляют к работе растворонасос и растворопровод. Опробывают это оборудование и опускают металлическую часть растворопровода при помощи крана в зазор между стенками скважины и столба. Затем один монтажник конструкций 4 разр. выпускает готовый цементно-песчаный раствор из бункера в приемный бак. Монтажник конструкций 3 разр. включает растворонасос и следит за его работой. Другой монтажник конструкций 4 разр. следит за заполнением зазора в скважине раствором и положением конца растворопровода в растворе, периодически его поднимает и замеряет (вместе с мастером) уровень раствора в скважине.

После окончания инъецирования монтажник конструкций 3 разр. промывает растворонасос, растворопровод и шнековый смеситель с приемным баком для готового раствора. Монтажники конструкций 4 разр. при помощи крана устанавливают вибропогружатель на верхний конец обсадной трубы, стропят обсадную трубу, включают вибропогружатель, подают команды машинисту крана. После извлечения обсадной трубы из скважины снимают вибропогружатель.

За одну смену звено монтажников конструкций устанавливает в скважины два железобетонных столба.

IV. ГРАФИК ПРОИЗВОДСТВА РАБОТ ПО УСТАНОВКЕ ЖЕЛЕЗОБЕТОННЫХ СТОЛБОВ В СКВАЖИНЫ

Итого:

24

(8)

ВСЕГО:

32

Итого: (чел.-дн.)

4

Примечание. Цифрами над линиями указано число рабочих, под линиями - продолжительность операция в часах.

Условные обозначения:

 - работа монтажников конструкций;

 - работа машиниста крана;

V. КАЛЬКУЛЯЦИЯ ЗАТРАТ ТРУДА НА УСТАНОВКУ ДВУХ ЖЕЛЕЗОБЕТОННЫХ СТОЛБОВ В СКВАЖИНЫ

пп

Шифр норм

Наименование работ

Состав звена

Единица измерения

Объем работ

На единицу измерения

На полный объем работ

норма времени, чел.-ч (маш.-ч)

расценка, руб.-коп

Норматив­ное время чел-ч (маш.-ч)

стоимость затрат труда, руб.-коп.

1

Местная норма Мосто­поезда № 468

Установка железобетонного столба в скважину

Бетонщики:

4 разр.-2

3   »    -1

Машинист крана

6 разр.-1

1 столб

2

1,42

(0,71)

0-88,6

(0-56)

2,84

(1.42)

1-77

(1-12)

2

То же

Инъецирование цементно-песчаного раствора в зазор между стенками столба и скважины

То же

1 м3

2,8

8,08

(2,02)

4-64

(1-60)

22,62

(5,65)

12-99

(4-48)

3

»

Установка вибропогружателя на верхний конец обсадной трубы

»

1 устан­овка

2

1,20

(0,60)

0-71

(0-47)

2,40

(1-20)

1-42

(0-94)

4

»

Извлечение обсадной трубы из скважины

Бетонщики:

4 разр.-2

Машинист крана

6 разр.-1

1 труба

2

0,40

(0,20)

0-24

(0-16)

0,80

(0,40)

0-48

(0-32)

 

 

Итого

 

 

 

 

 

28,66

(8,67)

16-66

(6-86)

 

 

Всего (рабочих и машинистов)

 

 

 

 

 

37,33

23-62

 

 

Итого чед.-дн.

 

 

 

 

 

4,66

 

VI. ОСНОВНЫЕ ТЕХНИКО-ЭКОНОМИЧЕСКИЕ ПОКАЗАТЕЛИ

Наименование показателей

Единица измерения

По калькуляции

По графику

На сколько процентов показатель по графику больше (+) или меньше (-), чем по калькуляции

Затраты труда на установку двух столбов

чел.-дн.

4,66

4

-14,3

VII. МАТЕРИАЛЬНО-ТЕХНИЧЕСКИЕ РЕСУРСЫ

А. Основные материалы, полуфабрикаты, детали и конструкции

Наименование

ГОСТ

Единица измерения

Количество

Цилиндрические железобетонные столбы сплошного сечения диаметром 80 см, длиной 10,5 м

-

1 столб

2

Цементно-песчаный раствор

-

м3

2,8

Электроды Э-42А

9467-75

кг

1

Доски толщиной 25-50 мм

8486-66

м3

0,3

Б. Машины, оборудование, инструмент и инвентарь

Наименование

ГОСТ

Количество

Кран МКП-25

-

1

Автосамосвал ЗИЛ-130

-

2

Вибропогружатель ИВ-65

-

1

Растворонасос С-856

-

1

Насос С-569

-

1

Сварочный трансформатор ТС-500

-

1

Растворосмеситель с приемным баком для готового раствора

-

1

Растворопровод длиной до 30 м

-

1

Стропы инвентарные

19146-73

2

Ключи гаечные разные

16983-71

2 (компл.)

Кувалды

11042-72

2

Топоры

1399-73

2

Ломы

1405-72

1

Лопаты

3620-70

2

Метр стальной

7253-54

1

Рулетка измерительная металлическая

7502-69

1

Уровень

9416-76

1

Нивелир

10528-76

1

Теодолит

10529-70

1

Отвес

7948-71

1

ТЕХНОЛОГИЧЕСКАЯ КАРТА № 4

УСТРОЙСТВО НАСАДКИ СТОЛБЧАТОЙ ПРОМЕЖУТОЧНОЙ ОПОРЫ МОСТА

I. ОБЛАСТЬ ПРИМЕНЕНИЯ

Технологическая карта разработана на основе методов научной организации труда и предназначена для использования при составлении проектов производства работ и организации труда при сооружении насадок столбчатых опор мостов.

Конструкция насадки, объединяющей два железобетонных столба, принята применительно к типовому проекту, разработанному институтом «Мосгипротранс» (инв. номер 708/1).

II. УКАЗАНИЯ ПО ТЕХНОЛОГИИ ПРОИЗВОДСТВЕННОГО ПРОЦЕССА

Для поддерживания несущих элементов опалубки, расположенной от поверхности грунта на высоте 2-4 м, устраиваются подмости стоечного типа из круглого леса или брусьев. При этом стойки опираются на лежни и закрепляются горизонтальными и диагональными связями. На насадках стоек укладываются продольные прогоны, поддерживающие опалубку, а между насадками и прогонами устанавливаются клинья. Установка подмостей производится на хорошо спланированном основании. Планировка производится путем срезки лишнего грунта (подсыпка грунта не допускается).

Элементы опалубки изготовляются заранее. Инвентарные щиты для монтажа подаются краном. Перед установкой опалубки выверяется разбивка осей.

Армирование насадки производится вручную из заранее сваренных или связанных проволокой сеток.

Для изготовления сеток применяется арматура периодического профиля из стали марки Ст.5 класса А-II диаметром 22, 16 и 12 мм, и гладкая из стали марки Ст.3 класса A-I диаметром 8 и 10 мм.

После подачи арматурных сеток в опалубку производится их установка в проектное положение и соединение проволокой в единый каркас.

Бетонная смесь доставляется на объект автосамосвалами и подается в опалубку в бадьях при помощи крана. Применяемый бетон для заполнения опалубки насадки имеет марку по прочности 300, Мрз 200.

Перед бетонированием опалубка очищается от грязи и мусора и промывается водой.

Уплотнение бетонной смеси осуществляется вибраторами.

Снятие несущей опалубки допускается после достижения бетоном прочности 50% проектной, что при температуре +15°С составляет 5 дней. Удаление стоек, поддерживающих опалубку, производится лишь после снятия боковой опалубки и осмотра распалубленной поверхности конструкций.

III. УКАЗАНИЯ ПО ОРГАНИЗАЦИИ ТРУДА

Работы по возведению насадки столбчатой промежуточной опоры моста выполняет звено в составе трех монтажников конструкций: 4 разр. - 2 и 3 разр. - 1.

Члены звена владеют смежными профессиями бетонщика, арматурщика, плотника и электросварщика.

Кроме монтажников конструкций в каждую смену работает машинист крана МКП-25-6 разр.

Устройство подмостей стоечного типа из круглого леса или из брусьев выполняет звено в полном составе.

После устройства подмостей звено приступает к установке инвентарных щитов опалубки и армированию насадки.

Привезенная бетонная смесь выгружается из автосамосвала монтажником конструкций 3 разр. в бадью. Монтажники конструкций 4 разр. из бадьи выкладывают бетонную смесь в опалубку насадки, а рабочий 3 разр. уплотняет бетонную смесь глубинным вибратором.

После достижения бетоном прочности 50% проектной звено монтажников конструкций снимает несущую опалубку.

Возведение одной насадки промежуточной опоры моста выполняется звеном за две смены.

IV ГРАФИК ПРОИЗВОДСТВА РАБОТ ПО УСТРОЙСТВУ НАСАДКИ СТОЛБЧАТОЙ ПРОМЕЖУТОЧНОЙ ОПОРЫ МОСТА

Примечание. Цифрами над линиями указано число рабочих, под линиями - продолжительность операция в часах.

Условные обозначения:

 - работа монтажников конструкций;

 - работа машиниста крана;

V. КАЛЬКУЛЯЦИЯ ЗАТРАТ ТРУДА НА УСТРОЙСТВО НАСАДКИ СТОЛБЧАТОЙ ПРОМЕЖУТОЧНОЙ ОПОРЫ МОСТА

пп

Шифр норм

Наименование работ

Состав звена

Единица измерения

Объем работ

На единицу измерения

На полный объем работ

норма времени, чел.-ч (маш.-ч)

расценка, руб.-коп

Норматив­ное время чел-ч (маш.-ч)

стоимость затрат труда, руб.-коп.

1

§ 4-1-26, № 4

Устройство лесов, поддерживающих опалубку

Плотники:

4 разр.-1

3   »    -2

100 м стоек

0,25

16,5

9-54

4,13

2-39

2

§ 4-4-3, № 2

Устройство опалубки из щитов для сооружения насадки

Те же и машинист крана

5 разр.-1

м2

20

0,435

(0,145)

0-25,2

(0-10,2)

8,70

(2,90)

5-04

(2-04)

3

§ 4-4-3, № 1

Устройство опалубки из отдельных досок

Плотники:

4 разр.-1

3   »    -2

»

4

0,54

0-31,2

2,16

1-25

4

 

Установка и вязка арматуры насадки из отдельных стержней:

Арматурщики:

5 разр.-1

3   »    -1

 

 

 

 

 

 

 

§ 4-4-5, № 9

из стержней диаметром 22 мм

5 разр.-1 3 » -1

1 т

0,305

13,5

8-48

4,12

2-59

 

То же № 6

из стержней диаметром 16 мм

То же

»

0,165

19,5

12-26

3,22

2-02

 

То же № 4

из стержней диаметром 12 мм

»

»

0,139

28,0

17-60

3,89

2-45

 

То же № 3

из стержней диаметром 10 мм

»

»

0,132

34,0

21-37

4,49

2-82

 

То же № 2

из стержней диаметром 8 мм

»

»

0,144

49,0

30-80

7,06

4-44

5

§ 4-4-6, № 1

Укладка бетонной смеси в опалубку насадки при подаче бадьями

Бетонщики:

4 разр.-2

3   »    -2

Машинист крана

5 разр.-1

м3

7,4

0,92

(0,23)

0-54,3

(0-16,1)

6,81

(1-70)

4-02

(1-19)

6

§ 4-4-3, № 4

Разборка опалубки из щитов

Плотники:

3 разр.-1

2   »    -2

Машинист крана

5 разр.-1

м2

20

0,345

(0,115)

0-17,7

(0-08,1)

6,90

(2,30)

3-54

(1-62)

 

 

Итого

 

 

 

 

 

51,48

(6,90)

30-56

(4-85)

 

 

Всего (рабочих и машинистов)

 

 

 

 

 

58,38

35-41

 

 

Итого, чел.-дн.

 

 

 

 

 

7,30

 

VI. ОСНОВНЫЕ ТЕХНИКО-ЭКОНОМИЧЕСКИЕ ПОКАЗАТЕЛИ

Количество уложенной бетонной смеси в опалубку одной насадки, м3             7,4

Наименование показателей

Единица измерения

По калькуляции

По графику

На сколько процентов показатель по графику больше (+) или меньше (-), чем по калькуляции

Затраты труда на устройство одной насадки

чел.-дн.

7,3

6,85

-6,2

VII. МАТЕРИАЛЬНО-ТЕХНИЧЕСКИЕ РЕСУРСЫ

А. Основные материалы, полуфабрикаты, детали и конструкции

Наименование

ГОСТ

Единица измерения

Количество

Бетонная смесь

4795-68

м3

7,4

Арматура периодического профиля из стали Ст.5 класса А-II

5781-75

т

0,609

Арматура гладкая из горячекатаной стали Ст.3 класса АI

5781-75

»

0,276

Брус сечением 150×150-200×200 мм

8486-66

м3

1

Лес круглый диаметром 15-20 см

-

»

1

Деревянные щиты опалубки насадки

-

м2

20

Электроды Э-42А

9467-75

кг

7

Доски толщиной 25-50 мм

8486-66

м3

1,7

Гвозди

4028-63

кг

20

Б. Машины, оборудование, инструмент и инвентарь

Наименование

ГОСТ

Количество

Кран МКП-25

-

1

Автосамосвал ЗИЛ-130

-

2

Насос С-569

-

1

Вибратор глубинный ИВ-66

-

2

Сварочный трансформатор ТС-500

-

1

Бадья вместимостью 1,65-2 м3

-

1

Стропы инвентарные

19146-73

1

Набор инструментов для плотников

18578-73

2 (компл.)

Кувалды

11042-72

2

Топоры

1399-73

2

Ломы

1405-72

2

Лопаты

3620-76

2

Линейка измерительная металлическая длиной 1 м

427-75

1

Рулетка измерительная металлическая

7502-69

1

Уровень

9416-76

1

Нивелир

10528-76

1

Теодолит

10529-70

1

Отвес

7948-71

1

КАРТА ОПЕРАЦИОННОГО КОНТРОЛЯ КАЧЕСТВА

«Бурение скважин турбобуром, установка железобетонных столбов в скважины, инъецирование цементно-песчаного раствора в зазор между стенками столба и скважины»

OK-IV-060

№ пп

Контролируемые параметры

Предельные отклонения, мм

Схема установки столба в скважину с указанием предельных отклонений

1

Глубина скважин, мм

Δ1 = +50

2

Положение оси скважины в плане на уровне поверхности грунта относительно проектного

Δ2 = ±50

3

Наклон оси скважины (h-глубина скважины)

Δ3 = 0,01h

4

Диаметр скважины

Δ4 = +20; -10

5

Длина столба

Д5 = ±50

6

Диаметр столба

Δ6 = +20; -10

7

Отметка верха столба на уровне соединения с насадкой при монолитном соединении 

Δ7 = ±100

8

Наклон столбов (l - длина столбов)

Δ8 = 0,01l

ВСН 187-76 ВСН 83-73 СНиП III-43-75

I

Основные операции, подлежащие контролю

Бурение скважин

Установка столбов

Инъецирование цементно-песчаного раствора

II

Состав контроля

Размеры и положение скважин

Размеры столбов, соответствие установки их проекту

Заполнение скважин раствором

III

Метод и средства контроля

Теодолит, стальная рулетка

Стальная рулетка

Визуальный, стальной стержень

IV

Режим и объем контроля

Каждая скважина

Каждый столб

Постоянный

V

Лицо, контролирующее операцию

Мастер, геодезист

Мастер

VI

Лицо, ответственное за организацию и осуществление контроля

Прораб

VII

Привлекаемые для контроля службы

Геодезическая служба

VIII

Где регистрируются результаты контроля

Акт освидетельствования скважины, форма 4.14

Акт освидетельствования и приемки фундамента, форма 4.17

Журнал работ, форма 1.1

Содержание

общая часть

ТЕХНОЛОГИЧЕСКАЯ КАРТА № 1 СООРУЖЕНИЕ СТОЛБЧАТОЙ ПРОМЕЖУТОЧНОЙ ОПОРЫ МОСТА

I. ОБЛАСТЬ ПРИМЕНЕНИЯ

II. УКАЗАНИЯ ПО ТЕХНОЛОГИИ ПРОИЗВОДСТВЕННОГО ПРОЦЕССА

III. УКАЗАНИЯ ПО ОРГАНИЗАЦИИ ТРУДА

IV. ГРАФИК НА КОМПЛЕКС РАБОТ ПО СООРУЖЕНИЮ СТОЛБЧАТОЙ ПРОМЕЖУТОЧНОЙ ОПОРЫ МОСТА

V. КАЛЬКУЛЯЦИЯ ЗАТРАТ ТРУДА НА КОМПЛЕКС РАБОТ ПО СООРУЖЕНИЮ СТОЛБЧАТОЙ ОПОРЫ

VI. ОСНОВНЫЕ ТЕХНИКО-ЭКОНОМИЧЕСКИЕ ПОКАЗАТЕЛИ

VII. МАТЕРИАЛЬНО-ТЕХНИЧЕСКИЕ РЕСУРСЫ

ТЕХНОЛОГИЧЕСКАЯ КАРТА № 2 БУРЕНИЕ СКВАЖИН В СЛОЖНЫХ ГРУНТОВЫХ УСЛОВИЯХ ТУРБОБУРОМ Т12МЗБ-240, СМОНТИРОВАННЫМ НА БАЗЕ КОПРА СП-49

I. ОБЛАСТЬ ПРИМЕНЕНИЯ

II. УКАЗАНИЯ ПО ТЕХНОЛОГИИ ПРОИЗВОДСТВЕННОГО ПРОЦЕССА

III. УКАЗАНИЯ ПО ОРГАНИЗАЦИИ ТРУДА

IV. ГРАФИК ПРОИЗВОДСТВА РАБОТ ПО БУРЕНИЮ СКВАЖИН ТУРБОБУРОМ Т12МЗБ-240

V. КАЛЬКУЛЯЦИЯ ЗАТРАТ ТРУДА НА БУРЕНИЕ ДВУХ СКВАЖИН

VI. ОСНОВНЫЕ ТЕХНИКО-ЭКОНОМИЧЕСКИЕ ПОКАЗАТЕЛИ

VII. МАТЕРИАЛЬНО-ТЕХНИЧЕСКИЕ РЕСУРСЫ

ТЕХНОЛОГИЧЕСКАЯ КАРТА № 3 УСТАНОВКА ЖЕЛЕЗОБЕТОННЫХ СТОЛБОВ В СКВАЖИНЫ

I. ОБЛАСТЬ ПРИМЕНЕНИЯ

II. УКАЗАНИЯ ПО ТЕХНОЛОГИИ ПРОИЗВОДСТВЕННОГО ПРОЦЕССА

III. УКАЗАНИЯ ПО ОРГАНИЗАЦИИ ТРУДА

IV. ГРАФИК ПРОИЗВОДСТВА РАБОТ ПО УСТАНОВКЕ ЖЕЛЕЗОБЕТОННЫХ СТОЛБОВ В СКВАЖИНЫ

V. КАЛЬКУЛЯЦИЯ ЗАТРАТ ТРУДА НА УСТАНОВКУ ДВУХ ЖЕЛЕЗОБЕТОННЫХ СТОЛБОВ В СКВАЖИНЫ

VI. ОСНОВНЫЕ ТЕХНИКО-ЭКОНОМИЧЕСКИЕ ПОКАЗАТЕЛИ

VII. МАТЕРИАЛЬНО-ТЕХНИЧЕСКИЕ РЕСУРСЫ

ТЕХНОЛОГИЧЕСКАЯ КАРТА № 4 УСТРОЙСТВО НАСАДКИ СТОЛБЧАТОЙ ПРОМЕЖУТОЧНОЙ ОПОРЫ МОСТА

I. ОБЛАСТЬ ПРИМЕНЕНИЯ

II. УКАЗАНИЯ ПО ТЕХНОЛОГИИ ПРОИЗВОДСТВЕННОГО ПРОЦЕССА

IV ГРАФИК ПРОИЗВОДСТВА РАБОТ ПО УСТРОЙСТВУ НАСАДКИ СТОЛБЧАТОЙ ПРОМЕЖУТОЧНОЙ ОПОРЫ МОСТА

V. КАЛЬКУЛЯЦИЯ ЗАТРАТ ТРУДА НА УСТРОЙСТВО НАСАДКИ СТОЛБЧАТОЙ ПРОМЕЖУТОЧНОЙ ОПОРЫ МОСТА

VI. ОСНОВНЫЕ ТЕХНИКО-ЭКОНОМИЧЕСКИЕ ПОКАЗАТЕЛИ

VII. МАТЕРИАЛЬНО-ТЕХНИЧЕСКИЕ РЕСУРСЫ

КАРТА ОПЕРАЦИОННОГО КОНТРОЛЯ КАЧЕСТВА

 

 




ГОСТЫ, СТРОИТЕЛЬНЫЕ и ТЕХНИЧЕСКИЕ НОРМАТИВЫ.
Некоммерческая онлайн система, содержащая все Российские Госты, национальные Стандарты и нормативы.
В Системе содержится более 150000 файлов нормативно-технической документации, действующей на территории РФ.
Система предназначена для широкого круга инженерно-технических специалистов.

Рейтинг@Mail.ru Яндекс цитирования

Copyright © www.gostrf.com, 2008 - 2026