Крупнейшая бесплатная информационно-справочная система онлайн доступа к полному собранию технических нормативно-правовых актов РФ. Огромная база технических нормативов (более 150 тысяч документов) и полное собрание национальных стандартов, аутентичное официальной базе Госстандарта. GOSTRF.com - это более 1 Терабайта бесплатной технической информации для всех пользователей интернета. Все электронные копии представленных здесь документов могут распространяться без каких-либо ограничений. Поощряется распространение информации с этого сайта на любых других ресурсах. Каждый человек имеет право на неограниченный доступ к этим документам! Каждый человек имеет право на знание требований, изложенных в данных нормативно-правовых актах!

  


 

Система нормативных документов в строительстве

СВОД ПРАВИЛ ПО ПРОЕКТИРОВАНИЮ И СТРОИТЕЛЬСТВУ

БЕТОННЫЕ И ЖЕЛЕЗОБЕТОННЫЕ КОНСТРУКЦИИ, ПОДВЕРГАЮЩИЕСЯ
ТЕХНОЛОГИЧЕСКИМ ПОВЫШЕННЫМ И ВЫСОКИМ ТЕМПЕРАТУРАМ

СП 52-110-2009

Москва 2009

Содержание

ПРЕДИСЛОВИЕ

ВВЕДЕНИЕ

1 ОБЛАСТЬ ПРИМЕНЕНИЯ

2 НОРМАТИВНЫЕ ССЫЛКИ

3 ТЕРМИНЫ И ОПРЕДЕЛЕНИЯ

4 ОБЩИЕ УКАЗАНИЯ

5 МАТЕРИАЛЫ ДЛЯ БЕТОННЫХ И ЖЕЛЕЗОБЕТОННЫХ КОНСТРУКЦИЙ

БЕТОН

АРМАТУРА

6 РАСЧЕТ ЭЛЕМЕНТОВ БЕТОННЫХ И ЖЕЛЕЗОБЕТОННЫХ КОНСТРУКЦИЙ НА ВОЗДЕЙСТВИЕ ТЕМПЕРАТУРЫ

РАСЧЕТ ТЕМПЕРАТУРЫ В БЕТОНЕ ЖЕЛЕЗОБЕТОННЫХ КОНСТРУКЦИЙ

РАСЧЕТ ДЕФОРМАЦИЙ ОТ ВОЗДЕЙСТВИЯ ТЕМПЕРАТУРЫ

РАСЧЕТ УСИЛИЙ ОТ ВОЗДЕЙСТВИЯ ТЕМПЕРАТУРЫ

7 РАСЧЕТ ЭЛЕМЕНТОВ БЕТОННЫХ И ЖЕЛЕЗОБЕТОННЫХ КОНСТРУКЦИЙ ПО ПРЕДЕЛЬНЫМ СОСТОЯНИЯМ ПЕРВОЙ ГРУППЫ

РАСЧЕТ БЕТОННЫХ ЭЛЕМЕНТОВ ПО ПРОЧНОСТИ

РАСЧЕТ ЖЕЛЕЗОБЕТОННЫХ ЭЛЕМЕНТОВ ПО ПРОЧНОСТИ

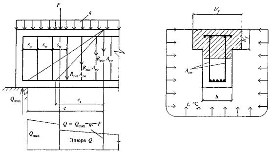
РАСЧЕТ ПО ПРОЧНОСТИ ЖЕЛЕЗОБЕТОННЫХ ЭЛЕМЕНТОВ НА ДЕЙСТВИЕ ПОПЕРЕЧНЫХ СИЛ

РАСЧЕТ ЖЕЛЕЗОБЕТОННЫХ ЭЛЕМЕНТОВ НА МЕСТНОЕ СЖАТИЕ

РАСЧЕТ ЖЕЛЕЗОБЕТОННЫХ ЭЛЕМЕНТОВ НА ПРОДАВЛИВАНИЕ

РАСЧЕТ ЭЛЕМЕНТОВ С ПОПЕРЕЧНОЙ АРМАТУРОЙ НА ПРОДАВЛИВАНИЕ ПРИ ДЕЙСТВИИ СОСРЕДОТОЧЕННОЙ СИЛЫ

8 РАСЧЕТ ЭЛЕМЕНТОВ ЖЕЛЕЗОБЕТОННЫХ КОНСТРУКЦИЙ ПО ПРЕДЕЛЬНЫМ СОСТОЯНИЯМ ВТОРОЙ ГРУППЫ

РАСЧЕТ ЖЕЛЕЗОБЕТОННЫХ ЭЛЕМЕНТОВ ПО РАСКРЫТИЮ ТРЕЩИН

РАСЧЕТ ЭЛЕМЕНТОВ ЖЕЛЕЗОБЕТОННЫХ КОНСТРУКЦИЙ ПО ДЕФОРМАЦИЯМ

9 КОНСТРУКТИВНЫЕ ТРЕБОВАНИЯ

АРМИРОВАНИЕ

СТЫКИ ЭЛЕМЕНТОВ СБОРНЫХ КОНСТРУКЦИЙ

10 РАСЧЕТ И КОНСТРУИРОВАНИЕ НЕКОТОРЫХ ЭЛЕМЕНТОВ КОНСТРУКЦИЙ ТЕПЛОВЫХ АГРЕГАТОВ

ФУНДАМЕНТЫ

СТЕНЫ

ПОКРЫТИЯ

ПЕРЕКРЫТИЯ

БОРОВА

ПРИЛОЖЕНИЕ А ПРИМЕРЫ ПРИМЕНЕНИЯ ЖАРОСТОЙКОГО БЕТОНА В ЭЛЕМЕНТАХ КОНСТРУКЦИЙ ТЕПЛОВЫХ АГРЕГАТОВ

ПРИЛОЖЕНИЕ Б ОСНОВНЫЕ БУКВЕННЫЕ ОБОЗНАЧЕНИЯ

ПРЕДИСЛОВИЕ

1 РАЗРАБОТАН Научно-исследовательским, проектно-конструкторским и технологическим институтом бетона и железобетона им. А.А. Гвоздева (НИИЖБ) - филиалом ФГУП «НИЦ Строительство».

2 РЕКОМЕНДОВАН к утверждению и применению конструкторской секцией НТС НИИЖБ им. А.А. Гвоздева 19 марта 2009 г.

3 УТВЕРЖДЕН И ВВЕДЕН В ДЕЙСТВИЕ приказом и. о. генерального директора ФГУП «НИЦ «Строительство» от 29 мая 2009 г. № 113.

4 ВВЕДЕН ВПЕРВЫЕ.

ВВЕДЕНИЕ

Настоящий Свод правил содержит рекомендации по расчету и проектированию бетонных и железобетонных конструкций промышленных сооружений из тяжелого и легкого конструкционного бетона, работающих в условиях воздействия технологических повышенных температур (от 50 до 200 °С), влажности среды и тепловых агрегатов из жаростойкого бетона, армированных обычной и жаростойкой арматурой, которые эксплуатируются в условиях производственных высоких температур (свыше 200 до 1200-1400 °С). Свод правил обеспечивает выполнение обязательных требований СНиП 52-01-2003 «Бетонные и железобетонные конструкции. Основные положения».

В Своде правил также использованы основные положения СНиП 2.03.04-84 и пособия к нему «Бетонные и железобетонные конструкции, предназначенные для работы в условиях воздействия повышенных и высоких температур».

Приведенные в Своде правил единицы физических величин выражены: силы - в ньютонах (Н) или в килоньютонах (кН); линейные размеры - в мм или см (для сечений) или в метрах (м) (для элементов или их участков); напряжения, сопротивления, модули упругости - в мегапаскалях (МПа), распределенные нагрузки и усилия - в кН/м или Н/мм; температура - в °С, плотность - в кг/м3.

Свод правил разработал д-р техн. наук, проф. А.Ф. Милованов, главный научный сотрудник лаборатории температуростойкости и диагностики бетона и железобетонных конструкций НИИЖБ им. А.А. Гвоздева, филиала ФГУП «НИЦ «Строительство». При разработке СП были использованы работы докторов техн. наук, проф. А.П. Кричевского и С.А. Фомина, кандидатов техн. наук В.Н. Горячева, В.М. Милонова, В.Н. Сомойленко, В.Г. Петрова-Денисова, И.Н. Заславского; инженеров Т.Н. Малкиной, Е.Н. Больных, В.А. Тарасовой.

Компьютерная верстка инженера О.П. Барановой и ведущего инженера Е.Н. Суриковой.

Автор выражает большую благодарность Л.Ф. Калининой за помощь, оказанную при подготовке рукописи к изданию.

СВОД ПРАВИЛ ПО ПРОЕКТИРОВАНИЮ И СТРОИТЕЛЬСТВУ

БЕТОННЫЕ И ЖЕЛЕЗОБЕТОННЫЕ КОНСТРУКЦИИ, ПОДВЕРГАЮЩИЕСЯ ТЕХНОЛОГИЧЕСКИМ ПОВЫШЕННЫМ И ВЫСОКИМ ТЕМПЕРАТУРАМ

CONCRETE AND REINFORCED CONCRETE STRUCTURES SUBJECTED TO TECHNOLOGICAL TEMPERATURE ACTIONS

Дата введения 2009-07-01

1 ОБЛАСТЬ ПРИМЕНЕНИЯ

Настоящий Свод правил распространяется на проектирование бетонных и железобетонных конструкций, систематически подвергающихся воздействиям повышенных (от 50 до 200 °С включительно) и высоких (свыше 200 °С) технологических температур (далее - воздействия температур) и увлажнению техническим паром. Настоящий Свод правил устанавливает требования по проектированию указанных конструкций, изготовляемых из тяжелого бетона средней плотности от 2200 до 2500 кг/м3 включительно (далее - обычный бетон) и из жаростойкого бетона плотной структуры средней плотности 900 кг/м3 и более.

Требования настоящего Свода правил не распространяются на конструкции из жаростойкого бетона ячеистой структуры.

Проектировать дымовые железобетонные трубы и фундаменты доменных печей, работающие при воздействии температуры свыше 50 °С, следует с учетом дополнительных требований, предъявляемых к этим сооружениям соответствующими нормативными документами.

2 НОРМАТИВНЫЕ ССЫЛКИ

В настоящем Своде правил использованы ссылки на следующие нормативные документы:

СНиП 2.01.07-85* «Нагрузки и воздействия»

СНиП 2.03.11-85 Защита строительных конструкций от коррозии

СНиП 3.03.01-87 Несущие и ограждающие конструкции

СНиП 23-01-99* Строительная климатология

СНиП 52-01-2003 Бетонные и железобетонные конструкции. Основные положения

СНиП II-23-81* Стальные конструкции

СП 52-101-2003 Бетонные и железобетонные конструкции без предварительного напряжения арматуры

СП 52-102-2004 Предварительно напряженные железобетонные конструкции

СП 52-103-2007 Железобетонные монолитные конструкции зданий

ГОСТ 4543-71* Прокат из легированной конструкционной стали. Технические условия

ГОСТ 5781-82 Сталь горячекатаная для армирования железобетонных конструкций. Технические условия

ГОСТ 5949-75* Сталь сортовая и калиброванная коррозионно-стойкая, жаростойкая и жаропрочная. Технические требования

ГОСТ 6727-80 Проволока из низкоуглеродистой стали холоднотянутая для армирования железобетонных конструкций. Технические условия

ГОСТ 10180-90 Бетоны. Методы определения прочности по контрольным образцам

ГОСТ 10884-94 Сталь арматурная термомеханически упрочненная для железобетонных конструкций. Технические условия

ГОСТ 13015-2003 Изделия железобетонные и бетонные для строительства. Общие технические требования. Правила приемки, маркировки, транспортирования и хранения

ГОСТ 14098-91 Соединения сварные арматуры и закладных изделий железобетонных конструкций. Типы конструкции и размеры

ГОСТ 20910-90 «Бетоны жаростойкие. Технические условия

ГОСТ 24452-80 Бетоны. Методы определения призменной прочности, модуля упругости и коэффициента Пуассона

ГОСТ 24544-81 Бетоны. Методы определения деформаций усадки и ползучести

ГОСТ 24545-81 Бетоны. Методы испытания на выносливость

ГОСТ 25192-82 Бетоны. Классификация и общие технические требования

Руководство по возведению тепловых агрегатов из жаростойкого бетона 1983 г.

Пособие по проектированию бетонных и железобетонных конструкций из тяжелого бетона без предварительного напряжения арматуры (к СНиП 52-01-2003).

3 ТЕРМИНЫ И ОПРЕДЕЛЕНИЯ

В настоящем Своде правил использованы термины по СП 52-01 и другим нормативным документам, на которые имеются ссылки в тексте.

4 ОБЩИЕ УКАЗАНИЯ

ОСНОВНЫЕ ПОЛОЖЕНИЯ

4.1 Бетонные и железобетонные конструкции должны быть обеспечены требуемой надежностью от возникновения всех видов предельных состояний: расчетом, выбором показателей качества материалов, назначением размеров и конструированием согласно указаниям настоящего Свода правил. При этом должны быть выполнены технологические требования при изготовлении конструкций и соблюдены требования по эксплуатации сооружений и тепловых агрегатов, а также требования по экологии, устанавливаемые соответствующими нормативными документами.

4.2 Бетонные и железобетонные конструкции, предназначенные для работы в условиях воздействия повышенных температур до 200 °С, следует предусматривать, как правило, из обычного бетона.

Фундаменты, которые при эксплуатации постоянно подвергаются воздействию температуры до 250 °С включительно, допускается принимать из обычного бетона.

Бетонные и железобетонные конструкции, предназначенные для работы в условиях воздействия высоких температур, свыше 200 °С, следует предусматривать из жаростойкого бетона.

Несущие элементы конструкций тепловых агрегатов, выполняемые из жаростойкого бетона, сечение которых может нагреваться до температуры выше 1000 °С, допускается принимать только после их опытной проверки.

4.3 Циклический нагрев - длительный температурный режим, при котором в процессе эксплуатации конструкция периодически подвергается повторяющемуся нагреву с колебаниями температуры более 30 % расчетного значения при длительности циклов от 3 ч до 30 дн.

Постоянный нагрев - длительный температурный режим, при котором в процессе эксплуатации конструкция подвергается нагреву с колебаниями температуры до 30 % расчетного значения.

4.4 Для конструкций, работающих под воздействием температуры выше 50 °С в условиях периодического увлажнения паром, технической водой и конденсатом, расчет допускается производить только на воздействие температуры и нагрузки без учета периодического увлажнения. При этом в расчете сечения не должны учитываться крайние слои бетона толщиной 20 мм с каждой стороны, подвергающиеся замачиванию в течение 7 ч, и толщиной 50 мм при длительности замачивания бетона более 7 ч или должна предусматриваться защита поверхности бетона от периодического замачивания.

Окрашенная поверхность бетона или гидроизоляционные покрытия этих конструкций должны быть светлых тонов.

4.5 Конструкции рассматриваются как бетонные, если их прочность обеспечена одним бетоном. Бетонные элементы применяют преимущественно на сжатие при расположении продольной сжимающей силы в пределах поперечного сечения элемента при постоянном нагреве. А также бетонные элементы из жаростойкого бетона применяют в конструкциях, которые не являются несущими (футеровка).

4.6 Жаростойкие бетоны в элементах конструкций тепловых агрегатов следует применять в соответствии с приложением А.

Классы жаростойкого бетона по предельно допустимой температуре применения в соответствии с ГОСТ 20910 в зависимости от вида вяжущего, заполнителей, тонкомолотых добавок и отвердителя приведены в табл. 5.1.

ОСНОВНЫЕ РАСЧЕТНЫЕ ТРЕБОВАНИЯ

4.7 Бетонные и железобетонные конструкции, работающие в условиях воздействия повышенных и высоких температур, следует рассчитывать на основе положений СНиП 52-01 и СП 52-101 с учетом дополнительных требований, изложенных в настоящем Своде правил.

Расчеты бетонных и железобетонных конструкций следует производить по предельным состояниям, включающим:

- предельные состояния первой группы (по полной непригодности к эксплуатации вследствие потери несущей способности);

- предельные состояния второй группы (по непригодности к нормальной эксплуатации вследствие образования или чрезмерного раскрытия трещин, появления недопустимых деформаций).

4.8 При проектировании бетонных и железобетонных конструкций надежность конструкции устанавливают расчетом путем использования расчетных значений нагрузок и температур, расчетных значений характеристик материалов, определяемых с помощью соответствующих частных коэффициентов надежности по нормативным значениям этих характеристик с учетом степени ответственности сооружения или теплового агрегата.

Нормативные значения нагрузок и воздействий, коэффициентов сочетания, коэффициентов надежности по нагрузке, коэффициентов надежности по назначению конструкций, а также подразделение нагрузок на постоянные и временные (длительные и кратковременные) принимаем согласно СНиП 2.01.07.

Расчетная технологическая температура принимается равной температуре среды цеха или рабочего пространства теплового агрегата, указанной в задании на проектирование.

Расчетные усилия и деформации от кратковременного и длительно нагревов определяют с учетом коэффициента надежности по температуре gt. Коэффициент надежности по температуре gt, принимают при расчете по предельным состояниям: первой группы - 1,1; второй группы - 1,0.

При расчете по прочности в необходимых случаях учитывают особые нагрузки с коэффициентами надежности по нагрузке gf принимаемыми по соответствующим нормативным документам. При этом усилия, вызванные действием температуры, не учитываются.

4.9 При расчете бетонных и железобетонных конструкций необходимо учитывать изменения механических и упругопластических свойств бетона и арматуры в зависимости от температуры воздействия. При этом усилия, деформации, образование и раскрытие трещин определяют от воздействия нагрузки (включая собственный вес) и температуры.

Расчетные схемы и основные предпосылки для расчета бетонных и железобетонных конструкций должны устанавливаться в соответствии с условиями их действительной работы в предельном состоянии с учетом в необходимых случаях пластических свойств бетона и арматуры, наличия трещин в растянутом бетоне, а также влияния усадки и ползучести бетона как при нормальной температуре, так и при воздействии повышенных и высоких температур.

4.10 Расчет конструкций, работающих в условиях воздействия повышенных и высоких температур, должен производиться на все возможные неблагоприятные сочетания нагрузок от собственного веса, внешней нагрузки и температуры с учетом длительности их действия и в случае необходимости - остывания.

Расчет конструкции с учетом воздействия повышенных и высоких температур необходимо производить для следующих основных расчетных стадий работы:

кратковременный нагрев - первый разогрев конструкции до расчетной температуры;

длительный нагрев - воздействие расчетной температуры в период эксплуатации.

Расчет статически определимых конструкций по предельным состояниям первой и второй групп (за исключением расчета по образованию трещин) следует вести только для стадии длительного нагрева. Расчет по образованию трещин необходимо производить для стадий кратковременного и длительного нагрева с учетом усилий, возникающих от распределения температуры бетона по высоте сечения элемента.

Расчет статически неопределимых конструкций и их элементов по предельным состояниям первой и второй групп должен производиться:

а) на кратковременный нагрев конструкции по режиму согласно СНиП 3.03.01, когда возникают наибольшие усилия от воздействия температуры. При этом жесткость элементов конструкции определяется от кратковременного действия всех нагрузок и нагрева;

б) на длительный нагрев - воздействие на конструкцию расчетной температуры в период эксплуатации, когда происходит снижение прочности и жесткости элементов в результате воздействия длительного нагрева и нагрузки.

При этом жесткость элементов определяется от длительного воздействия всех нагрузок и нагрева.

4.11 Определение усилий в статически неопределимых конструкциях от внешней нагрузки, собственного веса и воздействия повышенных и высоких температур производят по правилам строительной механики методом последовательных приближений. При этом жесткость элементов определяют с учетом неупругих деформаций и наличия трещин в бетоне от одновременного действия внешней нагрузки, собственного веса и температуры.

4.12 При кратковременном нагреве усилия от воздействия температуры в элементах статически неопределимых конструкций должны определяться в зависимости от состава бетона (табл. 5.1) и температуры нагрева, вызывающей наибольшие усилия:

а) при нагреве бетона № 1 свыше 50 до 250 °С - по расчетной температуре;

б) при нагреве бетонов № 2 - 11, 23 и 24 свыше 200 до 500 °С - по расчетной температуре; при нагреве свыше 500 °С - при 500 °С;

в) при нагреве бетонов № 12-21, 29 и 30 свыше 200 до 400 °С - по расчетной температуре, при нагреве свыше 400 °С - при 400 °С.

4.13 Температура бетона в сечениях конструкций от нагрева при эксплуатации должна определяться теплотехническим расчетом установившегося теплового потока при заданной по проекту расчетной температуре рабочего пространства или воздуха производственного помещения.

Для конструкций, находящихся на наружном воздухе, наибольшие температуры нагрева бетона и арматуры определяют по расчетной летней температуре наружного воздуха, принимаемой по средней максимальной температуре наружного воздуха наиболее жаркого месяца в районе строительства по СНиП 23-01. Вычисленные температуры не должны превышать предельно допустимые температуры применения бетона по ГОСТ 20910 и арматуры - по табл. 5.9.

4.14 При расчете статически неопределимых конструкций, работающих в условиях воздействия температур, теплотехнический расчет должен производиться на расчетную температуру рабочего пространства и на температуру, вызывающую наибольшие усилия, определяемые по п. 4.12.

При расчете наибольших усилий от воздействия температуры в конструкциях, находящихся на наружном воздухе, температуру бетона и арматуры вычисляют по расчетной зимней температуре наружного воздуха, принимаемой по температуре наружного воздуха наиболее холодной пятидневки с обеспеченностью 0,92 по СНиП 23-01.

4.15 При расчете элементов сборных конструкций на воздействие усилий при их подъеме, транспортировании и монтаже, нагрузку от веса элементов следует принимать с коэффициентом динамичности, равным: 1,6 - при транспортировании; 1,4 - при подъеме и монтаже. Допускается принимать более низкие, обоснованные в установленном порядке значения коэффициентов динамики, но не ниже 1,25.

4.16. При расчете прочности железобетонных элементов на действие сжимающей продольной силы следует учитывать случайный эксцентриситет еа, принимаемый не менее: 1/600 длины элемента или расстояния между сечениями, закрепленными от смещения; 1/10 высоты сечения - 10 мм.

Для элементов статически неопределимых конструкций значения эксцентриситета продольной силы относительно центра тяжести приведенного сечения е0 принимают равным значению эксцентриситета, полученного из статического расчета, но не менее еа.

Для элементов статически определимых конструкций эксцентриситет е0 принимают равным сумме эксцентриситетов из статического расчета конструкции, случайного и температурного от неравномерного нагрева по высоте сечения элемента.

ДОПОЛНИТЕЛЬНЫЕ УКАЗАНИЯ ПО РАСЧЕТУ ПРЕДВАРИТЕЛЬНО НАПРЯЖЕННЫХ КОНСТРУКЦИЙ

4.17 Расчет предварительно напряженных конструкций, работающих в условиях воздействия повышенных и высоких температур, должен производиться в соответствии с СП 52-102 и с учетом дополнительных указаний пп. 4.18-4.23.

4.18 Температура нагрева предварительно напряженной арматуры не должна превышать предельно допустимой температуры ее применения, указанной в табл. 5.10.

4.19 Сжимающие напряжения в бетоне sbp в стадии предварительного обжатия в долях от передаточной прочности бетона Rbp не должны превышать при температуре нагрева (°С) предварительно напряженной арматуры

50..........................0,70 Rbp

100........................0,60 Rbp

150....................... 0,50 Rbp

В случае необходимости сжимающие напряжения в бетоне могут быть повышены при обеспечении надежной работы конструкции от воздействия предварительного напряжения, нагрузки и температурных усилий.

4.20 Полные потери предварительного напряжения арматуры, учитываемые при расчете конструкций, работающих в условиях воздействия температуры выше 50 °С, определяются как сумма потерь:

основных - при нормальной температуре;

дополнительных - от воздействия температуры выше 50 °С.

Основные потери предварительного напряжения арматуры для конструкций из обычного бетона состава № 1 и жаростойкого бетона составов № 2, 3, 6, 7, 10 и 11 по табл. 5.1 определяют как для тяжелого бетона по СП 52-102. Потери от усадки жаростойкого бетона следует принимать на 10 МПа больше указанных в СП 52-102.

Время в сутках следует принимать: при определении потерь от ползучести - со дня обжатия бетона и от усадки - со дня окончания бетонирования до нагрева конструкции.

Дополнительные потери предварительного напряжения арматуры принимают по табл. 4.1.

Таблица 4.1

Фактор, вызывающий дополнительные потери предварительного напряжения в арматуре при ее нагреве

Дополнительные потери предварительного напряжения, МПа

Кратковременном

40

Длительном постоянном

80

Длительном циклическом

60

Ползучесть бетона обычного состава № 1 и жаростойкого составов № 2, 3, 6, 7, 10 и 11 по табл. 5.1

 

Естественной влажности при нагреве:

 

кратковременном

10sbp

длительном постоянном

15sbp

длительном циклическом

18sbp

Сухого при нагреве:

 

кратковременном

4sbp

длительном постоянном

6sbp

длительном циклическом

8sbp

Релаксация напряжений арматуры:

 

проволочной классов Вр1200 - Вр1500, К1400, К1500

0,0012Dtssbp

стержневой классов А600, А800, А1000

0,001Dtssbp

Разность деформаций бетона и арматуры от воздействия температуры

(ast - abt)DtsEsbs

Обозначения, принятые в табл. 4.1:

Dts - разность между температурой арматуры при эксплуатации, определяемой теплотехническим расчетом и температурой арматуры при натяжении, которую допускается принимать равной 20 °С;

abt - коэффициент, принимаемый по табл. 5.7 в зависимости от температуры бетона на уровне напрягаемой арматуры и длительности нагрева;

Es - модуль упругости арматуры, принимаемый по табл. 5.14;

ast и bs - коэффициенты, принимаемые по табл. 5.13 в зависимости от температуры арматуры.

Примечания.

1 Потери предварительного напряжения от релаксации напряжений арматуры принимают для кратковременного и длительного нагрева одинаковыми и учитываются при температуре арматуры выше 40 °С.

2 Потери предварительного напряжения арматуры от разности деформаций бетона и арматуры учитывают в элементах, выполненных из обычного бетона при нагреве арматуры выше 100 °С и в элементах их жаростойкого бетона при нагреве арматуры выше 70 °С.

3 Если от усилий, вызванных совместным действием нагрузки, температуры и предварительного обжатия, в бетоне на уровне арматуры в стадии эксплуатации возникают растягивающие напряжения, то дополнительные потери от ползучести бетона не учитывают.

4 Потери от ползучести бетона при натяжении в двухосном направлении следует уменьшить на 15 %.

4.21. Установившиеся напряжения в бетоне sbp на уровне центра тяжести напрягаемой арматуры наиболее обжимаемой зоны после проявления всех основных потерь определяют по формуле

                                                                                                      (4.1)

где М - момент от собственного веса элемента;

Р(1) - усилие предварительного обжатия с учетом потерь;

еop - эксцентриситет усилия Р(1) относительно центра тяжести приведенного сечения;

у - расстояние от центра тяжести приведенного сечения до рассматриваемого волокна.

Геометрические характеристики приведенного сечения предварительно напряженного железобетонного элемента (Аred, Sred, Ired) определяют по пп. 6.16-6.21 с учетом продольной предварительно напряженной арматуры S и S' и влияния температуры на снижение модулей упругости арматуры и бетона.

4.22 Усилия от воздействия температуры в статически неопределимых предварительно напряженных конструкциях находят по пп. 6.28 и 6.37.

При определении усилий от воздействия температуры жесткость элемента вычисляют по п. 8.28.

4.23 При определении общего прогиба предварительно напряженного железобетонного элемента необходимо учитывать прогиб, вызванный неравномерным нагревом бетона по высоте сечения элемента, по п. 8.24.

4.24 В элементах из бетона класса В30 и выше, имеющих преднапряжение ssp = 0,4-0,6Rs, при нагреве арматуры остаток предварительного напряжения в арматуре определяют;

для стержневой класса А600:

ssp = 84-0,4ts                                                                                                                          (4.2)

класса А800:

ssp = 87-0,39ts                                                                                                                        (4.3)

класса А1000:

ssp = 92-0,26ts                                                                                                                        (4.4)

проволочной класса Вp1200-Вp1500; К1400; К1500

ssp = 89-0,27ts                                                                                                                       (4.5)

где ssp > 0 - остаток предварительного напряжения в арматуре в % от исходного значения при изготовлении;

ts > 20 - температура арматуры при нагреве, °С.

Из формул (4.2-4.5) следует, что во время нагрева происходит полная потеря предварительного напряжения в стержневой арматуре класса А 600 при ее нагреве свыше 210 °С, класса А 800 - свыше 220 °С, класса А 1000 - свыше 350 °С и в проволочной класса Вр1200, Вр1500, К1400, К1500 - свыше 330 °С.

Потери предварительного напряжения в арматуре после нагревания не восстанавливаются.

5 МАТЕРИАЛЫ ДЛЯ БЕТОННЫХ И ЖЕЛЕЗОБЕТОННЫХ КОНСТРУКЦИЙ

БЕТОН

Показатели качества бетона и их применение при проектировании

5.1 Для бетонных и железобетонных конструкций, предназначенных для работы в условиях воздействия повышенных и высоких температур, следует предусматривать:

обычный бетон - конструкционный тяжелый бетон средней плотности 2200 до 2500 кг/м3 включительно по ГОСТ 25192;

жаростойкий бетон конструкционный и теплоизоляционный плотной структуры средней плотности 900 кг/м3 и более по ГОСТ 20910, составы которых приведены в табл. 5.1.

Жаростойкий бетон средней плотности до 1100 кг/м3 включительно следует предусматривать преимущественно для ненесущих ограждающих конструкций и в качестве теплоизоляционных материалов.

Жаростойкий бетон средней плотности более 1100 кг/м3 надлежит предусматривать для несущих конструкций.

5.2 При проектировании бетонных и железобетонных конструкций, работающих в условиях воздействия повышенных и высоких температур, в зависимости от их назначения и условий работы должны устанавливаться показатели качества бетона, основными из которых являются:

а) класс бетона по прочности на сжатие В;

б) класс обычного бетона по прочности на осевое растяжение Вt (назначается в случаях, когда эта характеристика имеет главенствующее значение и контролируется на производстве);

в) класс жаростойкого бетона по предельно допустимой температуре применения согласно ГОСТ 20910 (должен указываться в проекте во всех случаях);

г) марка жаростойкого бетона по термической стойкости в водных Т1 и в воздушных Т2 теплосменах (назначается для конструкций, к которым предъявляются требования по термической стойкости);

д) марка по водонепроницаемости W (назначается для конструкций, к которым предъявляются требования по ограничению водонепроницаемости);

е) марка по морозостойкости F (назначается для конструкций, которые в период строительства или при остановке теплового агрегата могут подвергаться эпизодическому воздействию температуры ниже 0 °С);

ж) марка по средней плотности D (назначается для конструкций, к которым кроме конструктивных предъявляются требования теплоизоляции, и контролируется при их изготовлении).

5.3 Для бетонных и железобетонных конструкций, предназначенных для работы в условиях систематического воздействия повышенных и высоких температур, предусматривают бетоны:

а) классов по прочности на сжатие: обычный бетон состава № 1 по табл. 5.1 - от В20 до В60 включительно;

жаростойкий бетон составов по табл. 5.1:

№ 2, 3, 6, 7 - от В15 до В50 включительно;

№ 10, 11, 21 - от В15 до В40 включительно;

№ 19, 20 - от В15 до В35 включительно;

№ 12, 13, 14, 15 - от В12,5 до В25 включительно;

№ 4, 5, 8, 9, 16, 17, 18, 23, 29 - от В12,5 до В20 включительно;

б) обычный бетон классов по прочности на осевое растяжение: состава № 1 по табл. 5.1 от Вt0,8 до Вt3,2 включительно.

в) жаростойкий бетон марок по термической стойкости в водных теплосменах составов № 2-21, 23, и 29 по табл. 5.1 - Т15, Т110, Т115, Т125;

в воздушных теплосменах составов № 22, 24, 27, 30, 32, 35-37 по табл. 5.1 - Т210, Т215, Т220, Т225.

Для бетона других составов марка по термической стойкости в водных и воздушных теплосменах не нормируется;

г) марок по водонепроницаемости:

обычный бетон состава № 1 и жаростойкий

бетон составов № 2 - 21, 23, 29 по табл. 5.1 - W2, W4, W6, W8.

Для бетона других составов марка по водонепроницаемости не нормируется;

д) марок по морозостойкости: обычный бетон состава № 1, жаростойкий

бетон составов № 2 - 21, 23, и 29 по табл. 5.1 - F25, F35, F50, F75.

Для бетона других составов марка по морозостойкости не нормируется.

Таблица 5.1

Номер состава

Класс бетона по предельно допустимой температуре применения

Исходные материалы

Наибольший класс бетона по прочности на сжатие

Средняя плотность бетона естественной влажности, кг/м3

вяжущее

отвердитель

тонкомолотая добавка

заполнители

Обычный бетон

1

-

Портландцемент, быстротвердеющий портландцемент, шлакопортландцемент

Не применяется

Не применяется

Гранитовые, доломитовые, плотные известняковые, сиенитовые, плотные пески

В60

2200-2500

Жаростойкий бетон

2

3

Портландцемент, быстротвердеющий портландцемент, шлакопортландцемент

Не применяется

Не применяется

Андезитовые, базальтовые, диабазовые, диоритовые

В50

2400

3

3

То же

То же

То же

Из доменных отвальных шлаков

В50

2400

4

9

»

»

Из золы уноса

Аглопоритовые.

Из боя глиняного кирпича

В20

В20

1800

1900

5

8

»

»

Из литого шлака, золы уноса, боя глиняного кирпича

Из шлаков металлургических пористых (шлаковая пемза)

В20

2000

6

7

»

»

Шамотная, из золы уноса, боя глиняного кирпича, из отвального и гранулированного доменного шлака

Андезитовые, базальтовые, диабазовые, диоритовые

В50

2400

7

7

»

»

То же

Из доменных отвальных шлаков

В50

2400

8

8

»

»

Из отвального и гранулированного доменного шлака, боя глиняного кирпича, золы уноса

Из шлаков топливных, туфовые

В15

1800

9

9

»

»

Из боя глиняного кирпича

Из боя глиняного кирпича

В20

1900

10

11

»

»

То же, и золы уноса

Шамотные кусковые и из боя изделий

В40

2000

11

12

Портландцемент, быстротвердеющий портландцемент, шлакопортландцемент

Не применяется

Шамотная

Шамотные кусковые и из боя изделий

В40

2000

12

8

Жидкое стекло

Саморассыпающиеся шлаки

Из шлаков ферромарганца, силикомарганца

Из шлаков ферромарганца, силикомарганца

В25

2100

13

6

То же

Кремпефтористый натрий, нефелиновый шлам, саморассыпающиеся шлаки

Шамотная

Андезитовые, базальтовые, диабазовые

В25

2500

14

10

»

Кремпефтористый натрий

Шамотная, из катализатора ИМ 2201 отработанного

Шамотные кусковые и из боя изделий

В25

2100

15

11

»

Нефелиновый шлам, саморассыпающиеся шлаки

Шамотная, из катализатора ИМ 2201 отработанного

Из смеси шамотных кусковых или из боя изделий и карборунда

В25

2300

16

13

»

Кремпефтористый натрий

Магнезитовая

Шамотные кусковые и из боя изделий

В20

2100

17

12

»

Нефелиновый шлам, саморассыпающиеся шлаки

Шамотная, из катализатора ИМ 2201 отработанного

То же

В20

2100

18

13

»

То же

Магнезитовая

»

В20

2100

19

13

Глиноземистый цемент

Не применяется

Не применяется

»

В35

2100

20

12

То же

То же

То же

Из передельного феррохрома

В35

2800

21

14

»

»

»

Муллитокорундовые кусковые и из боя изделий

В40

2800

22

6

Портландцемент

»

Шамотная, из боя глиняного кирпича, золы уноса, из овального и гранулированного доменного шлака, катализатора ИМ 2201 отработанного

Вспученный перлит

В5

1100

23

11

Портландцемент

Не применяется

Шамотная, из катализатора ИМ 2201 отработанного

Керамзитовые с насыпной плотностью 550-650 кг/м3

В20

1500-1700

24

10

То же

То же

То же

Керамзитовые с насыпной плотностью 350-500 кг/м3

В5-В10

1100-1400

25

10

»

»

Шамотная, из боя глиняного кирпича, золы уноса, керамзитовая, аглопоритовая, из вулканического пепла

Из смеси керамзита и вспученного вермикулита

В3,5

1000

26

10

»

»

То же

Вспученный вермикулит

В2,5

1100

27

8

Жидкое стекло

Кремнефтористый натрий

Шамотная, из катализатора ИМ 2201 отработанного

Из смеси керамзита и вспученного вермикулита

В10

1000

28

8

То же

То же

То же

Вспученный вермикулит

В3,5

1100

29

8

»

»

»

Керамзитовые с насыпной плотностью 550-650 кг/м3

В20

1500-1700

30

8

»

»

»

Керамзитовые с насыпной плотностью 350-500 кг/м3

В5-В10

1100-1400

31

8

»

»

»

Из смеси зольного гравия и вспученного перлита

В3,5

900

32

8

»

»

»

Вспученный перлит

В3,5-В5

900-1100

33

11

Глиноземистый цемент

Не применяется

Не применяется

Вспученный вермикулит

В2,5

1100

34

11

То же

То же

То же

Из смеси керамзита и вспученного вермикулита

В3,5

1000

35

11

»

»

»

Керамзитовые

В5

1000

36

11

»

»

»

Из смеси зольного гравия и вспученного перлита

В5

1100

37

11

»

»

»

Вспученный перлит

В5

1000

Примечания.

1 Для бетонов с отвердителем из кремнефтористого натрия классов 8-14 по предельно допустимой температуре применения не допускается воздействия пара и воды без предварительного нагрева до 800 °С; класса 6 - по предельно допустимой температуре применения подвергать воздействию пара не следует.

2 Составы жаростойких бетонов и их номера приведены согласно указаниям «Технологии изготовления жаростойких бетонов». Справочное пособие к СНиП 1991 г.

е) жаростойкий бетон марок по средней плотности составов по табл. 5.1:

№ 4,8 - D1800;

№ 23,29 - D1700, D1600, D1500;

№ 24, 30 - D1400, D1300, D1200;

№ 22, 24, 26, 28, 30, 32, 33, 36 - D1100;

№ 25, 27, 32, 34, 35, 37 - D1000;

№ 31, 32 - D900.

Для бетона других составов марка по средней плотности не нормируется.

5.4 Возраст бетона, отвечающий его классу и марке, назначается при проектировании исходя из реальных сроков фактического загружения проектными нагрузками и нагрева конструкции, способов их возведения и условий твердения. При отсутствии этих данных класс бетона устанавливается в возрасте 28 суток.

Значение отпускной прочности бетона в элементах, выполненных из обычного тяжелого бетона, устанавливается по ГОСТ 13015 жаростойкого бетона - по ГОСТ 20910.

Для железобетонных конструкций из обычного тяжелого бетона, работающих в условиях воздействия повышенных температур, класс бетона по прочности на сжатие рекомендуется принимать:

для железобетонных элементов, рассчитываемых на воздействие многократно повторяющейся нагрузки, - не ниже В25;

для железобетонных сжатых стержневых элементов из тяжелого бетона - не ниже В20, то же для сильно нагруженных сжатых стержневых элементов (например, для колонн, воспринимающих значительные крановые нагрузки, и для колонн нижних этажей многоэтажных зданий) - не ниже В30.

5.5 Для железобетонных конструкций из жаростойкого бетона, работающих в условиях воздействия высоких температур, рекомендуется принимать класс бетона по прочности на сжатие не ниже В12,5.

Для предварительно напряженных железобетонных конструкций из обычного и жаростойкого бетонов, работающих в условиях воздействия повышенных и высоких температур, класс бетона по прочности на сжатие должен приниматься в зависимости от вида и класса напрягаемой арматуры, ее диаметра и наличия анкерных устройств но не менее В25.

Для бетонных и железобетонных конструкций, работающих в условиях воздействия высоких температур:

жаростойкие бетоны составов № 2-21, 23 и 29 по табл. 5.1. должны иметь марку по термической стойкости в водных теплосменах, не менее, при нагреве:

постоянном...................................Т15

циклическом.................................Т115

циклическом с резким охлаждением воздухом или водой ........Т125

жаростойкие бетоны составов № 22, 24, 27, 30, 32, 35-37 по табл. 5.1. должны иметь марку по термической стойкости в воздушных теплосменах, не менее, при нагреве:

постоянном...................................Т210

циклическом.................................Т220

Для железобетонных конструкций из обычного (состава № 1) и жаростойкого бетона (составов № 2-21, 23 и 29 по табл. 5.1.) марки по водонепроницаемости должны быть, не менее:

для фундаментов, боровов и других сооружений, находящихся под землей ниже уровня грунтовых вод..................................W6

для тепловых агрегатов и других сооружений, находящихся над землей и подвергающихся атмосферным осадкам .................W10

Для бетонных и железобетонных конструкций, работающих в условиях воздействия повышенных и высоких температур, которые в период строительства или при остановке теплового агрегата могут подвергаться эпизодическому воздействию температуры ниже 0 °С в условиях воздушно-влажностного состояния, обычный бетон (состава № 1) и жаростойкий бетон (составов № 2, 3, 6, 7, 13, 20 и 21 по табл. 5.1.) должны иметь марку по морозостойкости не ниже Р25.

Требования к конструкциям и изделиям из жаростойкого бетона, предназначенным для эксплуатации в условиях воздействия агрессивной среды и высокой температуры, должны устанавливаться в соответствии с требованиями СНиП 2.03.11 в зависимости от степени агрессивности среды и условий эксплуатации.

В конструкциях и изделиях, предназначенных для работы в условиях воздействия высокой температуры и агрессивной среды, должен применяться жаростойкий бетон, наиболее стойкий в агрессивной среде:

нейтральной и щелочной газовой - жаростойкий бетон на портландцементе и шлакопортландцементе;

кислой газовой и в расплавах щелочных металлов - жаростойкий бетон на жидком стекле;

углеродной и фосфорной газовой - жаростойкий бетон на высокоглиноземистом и глиноземистом цементах и фосфатных связках; на алюмосиликатных заполнителях с содержанием в них окиси железа Fе2O3 не более 1,5 %;

водородной газовой - жаростойкий бетон на высокоглиноземистом цементе с заполнителями, содержащими окись алюминия Аl2O3 не более 7 %.

Для конструкций, работающих в условиях воздействия повышенных температур и попеременного увлажнения, рекомендуется применять обычный бетон класса по прочности на сжатие не менее В25 и марки по водонепроницаемости не менее W6 при нагреве до 120 °С включительно и не менее W8 при нагреве свыше 120 °С.

5.6 При неравномерном нагреве бетона по высоте сечения элементов конструкций, в которых напряжения сжатия в бетоне от собственного веса и нагрузки составляют до 0,1 МПа включительно, а также элементов конструкций, в которых усилия возникают только от воздействия температуры, предельно допустимая температура применения бетона устанавливается по ГОСТ 20910.

При неравномерном и равномерном нагреве по высоте сечения элементов конструкций, в которых напряжения сжатия в жаростойком бетоне от собственного веса и нагрузки составляют более 0,1 МПа, предельно допустимая температура применения бетона устанавливается расчетом.

При воздействии температур, превышающих указанные в ГОСТ 20910, необходимо предусматривать устройство защитных слоев (футеровок).

5.7 Для замоноличивания стыков элементов сборных железобетонных конструкций проектную марку раствора следует устанавливать в зависимости от условий работы соединяемых элементов, но принимать не ниже М50.

5.8 Для замоноличивания стыков элементов сборных конструкций, которые в процессе эксплуатации или монтажа на наружном воздухе могут подвергаться воздействию отрицательных температур, следует применять растворы проектных марок по морозостойкости и водонепроницаемости не ниже принятых для стыкуемых элементов.

Нормативные и расчетные характеристики бетона

5.9 Основными прочностными характеристиками бетона являются нормативные сопротивления бетона осевому сжатию Rbп и нормативные сопротивления бетона осевому растяжению Rbtп (табл. 5.2).

Таблица 5.2

Вид сопротивления

Нормативные значения сопротивлений бетона Rbп и Rbtп и расчетные значения сопротивления бетона Rb и Rbt для предельного состояния первой группы и расчетные значения сопротивления бетона Rb,ser и Rbt,ser для предельных состояний второй группы (МПа, (Н/мм2) при классе бетона по прочности на сжатие

В12,5

В15

В20

В25

В30

В35

В40

В45

В50

В55

В60

Сжатие осевое

Rbп, Rb,ser

9,5

11,0

15,0

18,5

22,0

25,5

29,0

32,0

36,0

39,5

43,0

Rb

7,5

8,5

11,5

14,5

17,0

19,5

22,0

25,0

27,5

30,0

33,0

Растяжение осевое

Rbtп, Rbt,ser

1,0

1,15

1,35

1,55

1,75

1,95

2,1

2,25

2,45

2,6

2,75

Rbt

0,66

0,75

0,9

1,05

1,15

1,3

1,4

1,5

1,6

1,7

1,8

Нормативные значения сопротивления бетона осевому сжатию (призменная прочность) определяют по формуле

Rbп = RВ(0,77 - 0,001RВ),                                                                                                  (5.1)

но не менее 0,72RВ.

Нормативные значения сопротивления бетона осевому растяжению при назначении класса бетона по прочности на сжатие определяют по формуле

Rbtп = 0,18RВ2/3.                                                                                                                     (5.2)

В формулах (5.1, 5.2) RВ - сопротивление бетона, численно равное классу бетона по прочности на сжатие В.

5.10 Расчетные значения сопротивления бетона осевому сжатию Rb и осевому растяжению Rbt (табл. 5.2) определяют по формулам:

                                                                                                                             (5.3)

                                                                                                                            (5.4)

Значения коэффициентов надежности по бетону при сжатии gb = 1,3 - для предельных состояний по несущей способности (первая группа) и gb - 1,0 - для предельных состояний по эксплуатации пригодности (вторая группа).

Значения коэффициентов надежности по бетону при растяжении gbt =1,5 - для предельных состояний по несущей способности при назначении класса бетона по прочности на сжатие и gbt = 1,0 - для предельных состояний по эксплуатационной пригодности.

В некоторых случаях расчетные значения прочностных характеристик бетона умножают на следующие коэффициенты условия работы:

gb1 = 0,9 - при продолжительном действии нагрузки;

gb2 = 0,9 - для конструкций, бетонируемых в вертикальном положении.

5.11 Влияние температуры на изменение прочности бетона при сжатии учитывают умножением прочностных характеристик бетона на коэффициент условия работы бетона при сжатии gbt (табл. 5.3).

Таблица 5.3

Номера составов бетона по табл. 5.1

Коэффициент

Расчет на нагрев

Коэффициенты условий работы бетона при сжатии gbt и растяжении gtt коэффициент bb при температуре бетона, °С

50

70

100

200

300

500

700

900

1000

1, 2

gbt

Кратковременный

1,00

0,85

0,90

0,80

0.65

-

-

-

-

Длительный

1,00

0,85

0,90

0,80

0,50

-

-

-

-

Длительный с увлажнением

1,00

0,65

0,40

0,60

-

-

-

-

-

Кратковременный в воде

0,97

0,85

0,65

 

 

 

 

 

 

gtt

Кратковременный

1,00

0,70

0,70

0,60

0,40

-

-

-

-

Длительный

1,00

0,70

0,70

0,50

0,20

-

-

-

-

Длительный с увлажнением

1,00

0,50

0,30

0,40

 

 

 

 

 

Кратковременный в воде

0,95

0,75

0,60

 

 

 

 

 

 

bb

Кратковременный

1,00

0,90

0,80

0,60

0,40

-

-

-

-

Кратковременный в воде

0,95

0,75

0,70

 

 

 

 

 

 

3

gbt

Кратковременный

1,00

1,00

1,00

0,90

0,80

-

-

-

-

Длительный

1,00

1,00

1,00

0,90

0,65

-

-

-

-

gtt

Кратковременный

1,00

0,80

0,75

0,65

0,50

-

-

-

-

Длительный

1,00

0,80

0,75

0,60

0,35

-

-

-

-

bb

Кратковременный

1,00

1,00

0,90

0,80

0,60

-

-

-

-

Кратковременный с увлажнением

1,00

0,60

0,30

0,50

 

 

 

 

 

4-11, 23, 24

gbt

Кратковременный

1,00

1,00

1,00

1,10

1,00

0,90

0,60

0,30

0,20

Длительный

1,00

1,00

1,00

1,00

0,70

0,40

0,20

0,06

0,01

gtt

Кратковременный

1,00

0,85

0,80

0,65

0,60

0,50

0,40

0,20

-

Длительный

1,00

0,85

0,80

0,65

0,40

0,20

0,06

-

-

bb

Кратковременный

1,00

1,00

1,00

0,90

0,75

0,50

0,32

0,22

0,18

12-15, 17, 29, 30

gbt

Кратковременный

1,00

1,00

1,10

1,20

1,20

1,00

0,75

0,40

0,20

Длительный

1,00

0,80

0,80

0,55

0,35

0,15

0.05

0,01

-

gtt

Кратковременный

1,00

0,95

0,95

0,80

0,70

0,55

0,45

0,15

-

Длительный

1,00

0,70

0,70

0,45

0,25

0,06

-

-

-

bb

Кратковременный

1,00

1,10

1,10

1,10

1,00

0,70

0,30

0,10

0,05

16, 18

gbt

Кратковременный

1,00

1,00

1,00

1,00

1,00

0,95

0,85

0,65

0,50

Длительный

1,00

0.90

0,90

0,80

0,50

0,25

0,07

0,02

0,01

gtt

Кратковременный

1,00

0,95

0,95

0,80

0,70

0,55

0,45

0,35

-

Длительный

1,00

0,80

0,80

0,70

0,40

0,12

0,02

-

-

bb

Кратковременный

1,00

1,10

1,10

1,10

1,10

1,00

0,70

0,35

0,27

19, 20, 21

gbt

Кратковременный

1,00

0,90

0,80

0,70

0,55

0,45

0,35

0,30

0,25

Длительный

1,00

0,90

0,80

0,70

0,50

0,25

0,10

0,05

0,02

gtt

Кратковременный

1,00

0,65

0,55

0,50

0,45

0,35

0,25

0,10

-

Длительный

1,00

0,65

0,55

0,50

0,30

0,12

0,02

-

-

bb

Кратковременный

1,00

0,90

0,85

0,70

0,55

0,40

0,33

0,30

0,27

Примечания.

1 При расчете на длительный нагрев несущих конструкций, срок службы которых не превышает 5 лет, коэффициент gbt следует увеличить на 15 %, но он не должен превышать величины gbt при расчете на кратковременный нагрев.

2 Для конструкций, которые во время эксплуатации подвергаются циклическому нагреву, коэффициенты gbt и bb следует снизить на 15 % и коэффициент gtt - на 20 %.

Расчетные сопротивления сжатию:

для предельных состояний первой группы

Rb,tem = Rbgbt,                                                                                                                          (5.5)

для предельных состояний второй группы

Rb,ser,t = Rb,sergbt.                                                                                                                     (5.6)

Значения коэффициента условия работы бетона при сжатии gbt принимают по табл. 5.3 в зависимости от температуры в середине высоты: сжатой зоны бетона при расчете по формулам (7.1, 7.6, 7.7, 7.12, 7.13, 7.14, 7.23, 7.27, 7.28); полки и ребра сжатой зоны - (7.8, 7.9, 7.10); части сечения - (6.17); сечения - (7.29); центра тяжести приведенного сечения - (6.16).

5.12 Влияние температуры на изменение прочности бетона при растяжении учитывают умножением прочностных характеристик бетона на коэффициент условия работы бетона при растяжении gtt (табл. 5.3).

Расчетные сопротивления растяжению:

для предельных состояний первой группы

Rbtt = Rbtgtt,                                                                                                                            (5.7)

для предельных состояний второй группы

Rbt,ser,t = Rbt,sergtt.                                                                                                                    (5.8)

Значение коэффициента условия работы бетона при растяжении gtt принимают по табл. 5.3 в зависимости от температуры бетона: в центре тяжести сечения при расчете по формулам (7.3, 7.31, 7.35, 7.37, 7.39, 7.53, 7.59); на уровне растянутой арматуры - (8.3, 8.9, 8.15); в зоне анкеровки - (9.2); у нижней полки металлической балки - (10.49).

Деформационные характеристики бетона

5.13 Основными деформационными характеристиками бетона являются значения: предельных относительных деформаций бетона при осевом сжатии eb0 и растяжении eb0; начального модуля упругости бетона Еb; коэффициента ползучести jb,cr; коэффициента поперечной деформации (коэффициента Пуассона) vbp; коэффициента линейной температурной деформации abt; коэффициента температурной усадки бетона acs.

5.14 При кратковременном действии нагрузки и температуры в расчетах используют начальный модуль упругости бетона Еb (табл. 5.4).

При кратковременном нагреве значения начального модуля упругости бетона определяют по формуле

Еbt = Еbbb                                                                                                                              (5.9)

Значение коэффициента bb принимаем по табл. 5.3 в зависимости от температуры бетона в центре тяжести сечения при расчете по формулам (6.16, 6.17, 6.48, 7.19, 8.39); в середине высоты сечения - (10.9, 10.11, 10.12, 10.18, 10.29); на уровне растянутой арматуры - (8.6, 8.7); крайнего волокна бетона - (5.11, 8.47).

Таблица 5.4

Номера составов

и средняя плотность бетона,

кг/м3 (по табл. 5.1)

Начальные модули упругости бетона при сжатии и растяжении принимаются равными Еb×103 (МПа) при классе бетона по прочности на сжатие

В12,5

В15

В20

В25

В30

В35

В40

В45

В50

В55

В60

1-3, 6, 7, 13, 20, 21 естественного твердения 2200-2500

21,0

24,0

27,5

30,0

32,5

34,5

36,0

37,0

38,0

39,0

39,5

1-3, 6, 7, 20, 21 подвергнутого тепловой обработке при атмосферном давлении 2200- 2500

19,0

20,5

24,0

27,0

29,0

31,0

32,5

34,0

35,0

36,0

37,0

23, 29 1500-1700

13,2

14,0

14,8

-

-

-

-

-

-

 

 

4, 8, 9 1800-1900

14,7

15,5

16,3

-

-

-

-

-

-

 

 

5, 10-12, 14-19 2000-2300

17,0

18,0

19,5

21,0

22,0

23,0

24,0

25,0

-

 

 

5.15 При длительном действии нагрузки и температуры значения начального модуля деформаций бетона Еbt определяют по формуле

                                                                                                                   (5.10)

Коэффициент ползучести бетона jb,cr получен как отношение полных относительных деформаций сжатия бетона при длительном воздействии температуры к упругим деформациям бетона естественной влажности до воздействия температуры (табл. 5.5).

Значения коэффициента ползучести бетона jb,cr принимают: для длительного нагрева в зависимости от температуры бетона в центре тяжести приведенного сечения при расчете по формулам (5.10, 6.16, 6.17, 6.20, 6.21) в середине высоты сечения - (10.11, 10.12, 10.18, 10.29).

Таблица 5.5

Номера составов бетона по табл. 5.1

Коэффициент ползучести бетона jb,cr при длительном нагреве бетона, °С

50

70

100

200

300

500

700

900

1-3

3,35

8,0

8,0

10,0

12,0

 

 

 

4-11, 23, 24

3,57

4,17

4,17

5,1

6,3

28,5

62,5

227,0

12-18, 29, 30

4,17

3,70

4,37

5,7

7,94

8,3

150,0

333,0

19-21

2,86

4,35

4,55

4,55

16,6

57,0

 

 

5.16 При расчете прочности, образования и раскрытия трещин и деформаций железобетонных конструкций с учетом влияния температуры по деформационной модели для оценки напряженно-деформируемого состояния сжатого бетона, как наиболее простые, могут быть использованы трех- и двухлинейная диаграммы состояния бетона (рис. 5.1).

а - трехлинейная; б - двухлинейная; 1 - при 20 °С; 2 - при нагреве
Рисунок 5.1 - Диаграммы состояния сжатого бетона

При трехлинейной диаграмме (рис. 5.1, а) сжимающие напряжения бетона sb в зависимости от относительных деформаций укорочения бетона eb определяют по формулам:

при 0 £ eb £ eb1

sb = Еbteb                                                                                                                              (5.11)

при eb1 £ eb £ eb0

                                                                             (5.12)

при eb0 £ eb £ eb1

sb = Rb,tem.                                                                                                                             (5.13)

Значения напряжения sb1 принимают

sb1 = 0,6Rb,tem.                                                                                                                       (5.14)

Значения относительных деформаций eb1 принимают

                                                                                                                             (5.15)

при двухлинейной диаграмме (рис. 5.1, б) сжимающие напряжения бетона sb в зависимости от относительных деформаций eb определяют по формулам;

при 0 £ eb £ eb1,red

sb = Еb,red,teb                                                                                                                         (5.16)

при eb1,red £ eb £ eb2

sb = Rb,tem.                                                                                                                             (5.17)

Значение приведенного модуля упругости Еb,red,t определяют по формуле

                                                                                                                     (5.18)

Растягивающие напряжения бетона sbt в зависимости от относительных деформаций растяжения ebt определяют на диаграммах (рис. 5.1). При этом расчетные сопротивления бетона сжатию Rb заменяют на расчетные значения сопротивления растяжению Rbt.

5.17 Относительные деформации бетона при сжатии и растяжении в зависимости от температуры бетона при кратковременном и длительном воздействии температуры и нагрузки даны в табл. 5.6. Температуру бетона при определении напряженно-деформированного состояния сжатого бетона принимают по наименьшей температуре сжатого бетона и при определении напряженно-деформируемого состояния растянутого бетона - наибольшей температуре растянутого бетона.

Таблица 5.6

Номера состава бетона по табл. 5.1

Температура бетона, °С

Расчет на нагрев и нагружение

Относительные деформации бетона

при сжатии

при растяжении

eb0×103

eb2×103

eb1,red ×103

eb0×103

eb2×103

eb1,red ×103

1, 2, 3

20

Кратковременные

2,0

3,5

1,5

0,10

0,15

0,08

Длительные

3,4

4,8

2,8

0,24

0,31

0,22

100

Кратковременные

2,5

4,4

1,9

0,17

0,29

0,15

Длительные

4,3

6,0

3,5

0,3

0,39

0,27

200

Кратковременные

3,5

6,1

2,6

0,25

0,39

0,20

Длительные

6,0

8,4

4,9

0,42

0,54

0,38

4-11, 23, 24

20

Кратковременные

2,0

3,5

1,5

0,10

0,15

0,08

Длительные

3,4

4,8

2,8

0,24

0,31

0,22

200

Кратковременные

3,0

4,2

3,0

0,20

0,24

0,16

Длительные

4,5

6,3

3,8

0,30

0,36

0,20

400

Кратковременные

4,3

6,0

3,6

0,38

0,52

0,36

Длительные

6,4

9,0

5,4

0,57

0,78

0,54

600

Кратковременные

6,4

9,0

5,8

0,44

0,57

0,40

Длительные

9,6

13,5

8,2

0,67

0,87

0,63

12-18, 29, 30

20

Кратковременные

2,2

3,7

1,7

0,15

0,22

0,10

Длительные

3,6

5,0

3,0

0,25

0,32

0,23

200

Кратковременные

2,4

3,4

2,0

0,19

0,26

0,15

Длительные

3,6

5,1

3,0

0,25

0,33

0,23

400

Кратковременные

4,1

5,8

3,5

0,28

0,38

0,26

Длительные

6,2

8,7

5,2

0,43

0,56

0,40

600

Кратковременные

5,4

7,5

4,5

0,38

0,49

0,33

Длительные

8,1

11,4

6,8

0,57

0,74

0,53

19, 20, 21

20

Кратковременные

2,0

3,5

1,5

0,10

0,15

0,08

Длительные

3,4

4,8

2,8

0,24

0,31

0,22

200

Кратковременные

2,9

4,0

2,4

0,20

0,26

0,18

Длительные

4,0

5,6

3,4

0,28

0,36

0,26

400

Кратковременные

4,7

6,6

4,0

0,33

0,42

0,30

Длительные

6,6

9,2

5,5

0,46

0,59

0,42

600

Кратковременные

5,7

8,0

4,8

0,42

0,54

0,31

Длительные

8,0

11,2

6,7

0,59

0,72

0,52

800

Кратковременные

12,1

17,0

10,2

0,84

1,10

0,48

Длительные

19,3

27,0

16,2

1,35

1,74

1,25

5.18 При расчете железобетонных элементов по нелинейной деформационной модели двухлинейную диаграмму состояния бетона с деформационными характеристиками используют при кратковременном воздействии температуры и нагрузки, расчете прочности и раскрытия нормальных трещин для определения напряженно-деформируемого состояния сжатой зоны бетона, и при расчете образования трещин, для определения напряженно-деформируемого состояния растянутого бетона при упругой работе сжатого бетона;

кратковременному и длительному воздействию температуры и нагрузки при расчете деформации железобетонных элементов с трещинами в растянутой зоне для определения напряженного деформируемого состояния сжатого бетона.

Трехлинейную диаграмму состояния бетона с деформационными характеристиками используют при кратковременном нагреве и нагружении и расчете образования трещин в железобетонных конструкциях и при кратковременном и длительном нагреве и нагружении и расчете деформаций железобетонных элементов без трещин, для определения напряженно-деформированного состояния сжатого бетона.

5.19 Коэффициент линейной температурной деформации бетона abt в зависимости от температуры следует принимать по табл. 5.7. Коэффициент abt определен с учетом температурной усадки бетона при кратковременном и длительном нагреве. При необходимости определения температурного расширения бетона при повторном воздействии температуры после кратковременного или длительного нагрева к коэффициенту линейной температурной деформации abt следует прибавить абсолютное значение коэффициента температурной усадки бетона acs соответственно для кратковременного или длительного нагрева.

Таблица 5.7

Номера составов бетона по табл. 5.1

Расчет на нагрев

Коэффициент линейной температурной деформации бетона abt×10-6×град-1 при температуре бетона, °С

50

100

200

300

500

700

900

1100

1

Кратковременный

Длительный

10,0

4,0

10,0

4,5

9,5

7,2

9,0

7,5

-

-

-

-

2, 6

Кратковременный

Длительный

9,0

3,0

9,0

3,5

8,0

5,7

7,0

5,5

6,0

 

5,0

 

-

-

3, 7

Кратковременный

Длительный

8,5

2,5

8,5

3,0

7,5

5,2

7,0

5,5

5,5

 

4,5

 

4,0

 

3,0

 

8

Кратковременный

Длительный

9,0

2,0

9,0

3,0

8,0

5,4

7,0

5,3

6,0

5,0

6,0

5,0

-

-

4, 5, 9-11, 23, 24, 25

Кратковременный

Длительный

8,5

1,5

8,5

2,5

7,5

4,9

7,0

5,3

5,5

4,5

4,5

3,5

4,0

3,1

3,0

2,0

12-18, 27, 29, 30

Кратковременный

Длительный

5,0

-4,0

5,0

0

5,5

3,0

6,0

4,3

7,0

6,0

6,5

5,8

6,0

5,4

5,0

4,5

19-21

Кратковременный

Длительный

8,0

3,0

8,0

4,5

7,0

5,3

6,5

5,2

5,5

4,7

4,5

3,6

4,0

3,1

3,5

2,6

22

Кратковременный

Длительный

4,0

-3,0

4,0

0

3,5

1,5

3,0

1,5

2,0

1,0

1,0

0

-

-

26

Кратковременный

Длительный

4,3

-0,7

4,3

0,3

3,8

1,8

3,3

2,0

3,2

2,2

2,4

1,4

1,6

0,6

0,8

-0,7

28

Кратковременный

Длительный

5,0

-4,0

5,0

0

5,5

3,1

5,0

3,3

7,0

6,0

6,8

6,1

6,6

5,9

-

31, 32

Кратковременный

Длительный

1,2

-7,8

1,2

-3,8

1,3

-1,1

1,0

0,7

-1,2

-0,2

0,7

0

0,8

0,1

-

33

Кратковременный

Длительный

-3,0

-8,0

-3,0

-6,5

-3,5

-5,3

-4,5

-5,8

-3,0

-4,5

-2,8

-3,7

-3,5

-4,5

-4,7

-5,7

34, 35

Кратковременный Длительный

5,5

0,5

5,5

2,5

4,5

1,5

3,3

2,0

3,2

2,6

2,4

1,5

1,6

0,6

0,8

-0,2

36, 37

Кратковременный Длительный

2,0

-3,0

2,0

-1,5

1,5

-0,8

1,0

-0,7

0,6

-1,2

0,4

-0,5

-3,7

-4,6

-8,6

-9,5

Примечание - Для бетонов состава № 1 с карбонатным щебнем (доломит, известняк) коэффициент abt увеличивается на 1×10-6×град-1.

5.20 Коэффициент температурной усадки бетона acs принимают по табл. 5.8.

Коэффициент температурной усадки принят:

при кратковременном нагреве для подъема температуры на 10 °С/ч и более;

при длительном нагреве - в зависимости от воздействия температуры во время эксплуатации.

Таблица 5.8

Номера составов бетона по табл. 5.1

Расчет на нагрев

Коэффициент линейной температурной усадки бетона acs×10-6×град-1 при температуре бетона, °С

50

100

200

300

500

700

900

1100

1-4

Кратковременный

Длительный

0,0

6,0

0,0

5,5

0,7

3,0

1,0

2,5

-

-

-

-

5-11, 23, 24, 25

Кратковременный

Длительный

0,0

7,0

0,5

6,5

0,9

3,5

1,1

2,8

1,5

2,5

1,4

2,4

2,3

3,2

3,2

4,2

12-18, 27, 29, 30

Кратковременный

Длительный

2,0

11,0

3,0

8,0

2,5

5,0

2,0

3,7

1,3

2,3

1,0

1,7

0,8

1,4

0,7

1,2

19-21

Кратковременный

Длительный

0,5

5,5

2,0

5,5

1,5

3,2

1,3

2,6

1,4

2,2

1,6

2,5

2,1

3,0

2,3

3,2

22

Кратковременный

Длительный

4,0

11,0

5,0

9,0

4,7

6,7

4,2

5,7

3,7

4,7

3,6

4,6

-

-

26

Кратковременный

Длительный

6,6

11,6

7,6

11,6

7,1

9,1

7,1

8,4

5,5

6,5

4,3

5,3

5,0

6,0

6,0

7,0

28

Кратковременный

Длительный

4,0

13,0

5,0

10,0

4,6

7,0

4,1

5,8

1,3

2,3

1,2

1,9

1,0

1,7

-

31, 32

Кратковременный

Длительный

4,0

3,0

4,0

0

3,5

1,5

3,0

1,5

2,0

1,0

1,0

0

-

-

33

Кратковременный

Длительный

10,5

15,5

12,0

15,5

11,5

13,3

11,3

12,6

10,7

12,2

9,9

10,8

10,4

11,4

10,7

11,7

34, 35

Кратковременный

Длительный

6,3

11,3

7,8

10,8

7,3

10,3

7,1

8,4

5,5

6,1

4,3

5,2

5,0

6,0

5,2

6,2

36, 37

Кратковременный

Длительный

1,7

6,7

3,2

6,7

3,0

5,3

4,8

5,1

5,0

6,8

5,1

6,0

9,3

10,2

14,3

15,2

Примечание - Значение коэффициента acs принимают со знаком минус.

5.21 Марку по средней плотности бетона естественной влажности принимают по табл. 5.1. Среднюю плотность бетона в сухом состоянии при его нагреве выше 100 °С уменьшают на 150 кг/м3.

Среднюю плотность железобетона (при m £ 3 %) принимают на 100 кг/м3 больше средней плотности соответствующего состояния бетона.

5.22 Коэффициент теплопроводности l бетона в сухом состоянии принимают по табл. 5.9 в зависимости от средней температуры бетона в сечении элемента. Коэффициент теплопроводности l огнеупорных и теплоизоляционных материалов принимают по табл. 6.2.

Таблица 5.9

Номера составов бетона по табл. 5.1

Коэффициент теплопроводности l, Вт/(м×°С) обычного и жаростойкого бетонов в сухом состоянии при средней температуре бетона в сечении элемента, °С

50

100

300

500

700

900

1

1,51

1,37

1,09

-

-

-

20

2,68

2,43

1,94

1,39

1,22

1,19

21

1,49

1,35

1,37

1,47

1,57

1,63

2, 3, 6, 7, 13

1,51

1,37

1,39

1,51

1,62

-

10, 11

0,93

0,89

0,84

0,87

0,93

1,05

14, 15, 16, 17, 18

0,99

0,95

0,93

1,01

1,04

1,28

19

0,87

0,83

0,78

0,81

0,87

0,99

4, 5, 8, 9

0,81

0,75

0,63

0,67

0,70

-

12

0,93

0,88

0,81

0,90

-

-

23

0,37

0,43

0,39

0,45

0,46

0,52

0,52

0,58

0,58

0,64

-

29

0,44

0,50

0,46

0,52

0,52

0,58

0,58

0,64

0,64

0,70

0,70

0,76

24

0,27

0,38

0,29

0,41

0,34

0,45

0,40

0,50

0,45

0,55

0,51

0,59

30

0,31

0,44

0,34

0,46

0,37

0,51

0,43

0,56

0,49

0,60

-

26, 28

0,21

0,23

0,28

0,33

0,37

0,42

22, 25, 27, 31, 32, 36

0,29

0,31

0,36

0,42

0,48

0,53

33

0,21

0,22

0,25

0,29

0,33

0,37

34, 35, 37

0,24

0,27

0,31

0,37

0,43

0,49

Примечания.

1 Коэффициенты теплопроводности бетонов составов 23 и 29 приведены: над чертой для бетонов со средней плотностью 1350, под чертой 1550; для бетонов составов 24 и 30 соответственно 950 и 1250 кг/м3. Если средняя плотность бетона отличается от указанных величин, то в этом случае коэффициент теплопроводности принимают интерполяцией.

2 Коэффициент теплопроводности l обычного и жаростойкого бетонов с естественной влажностью после нормального твердения или тепловой обработки при атмосферном давлении при средней температуре бетона в сечении элемента до 100 °С следует принимать по данным таблицы, увеличенным на 30 %.

АРМАТУРА

Показатели качества арматуры

5.23 Для армирования температуростойких железобетонных конструкций применяют арматуру, отвечающую требованиям соответствующих государственных стандартов ГОСТ 5781, ГОСТ 10884, ГОСТ 6727, ГОСТ 4543, ГОСТ 5949 и технических условий СТС АСЧМ 7-93, следующих классов и марок:

Стержневая арматурная сталь:

горячекатаная гладкая класса А 240; периодического профиля с постоянной и переменной высотой выступов (соответственно кольцевой и сердцевидный профиль) классов: А 300, А 400, А 500, А 600, А 800, А 1000;

холоднодеформируемая периодического профиля класса В 500.

Проволочная арматурная сталь:

холоднотянутая высокопрочная гладкая и периодического профиля классов Вр1200 - Вр1500;

арматурные канаты спиральные семипроволочные классов: К-1400 (К-7), К-1500 (К-7) и девятнадцатипроволочные класса К-1500 (К-19). Для железобетонных конструкций из жаростойкого бетона при нагреве арматуры выше 400 °С предусматривают стержневую арматуру и прокат: из легированной стали марки 30ХМ; из коррозионно-стойких жаростойких и жаропрочных сталей марок 12X13, 20X13, 08X17Т, 12Х18Н9Т, 20Х23Н18, 45Х14Н14В2М.

5.24 Из-за развития пластических деформаций и изменения структуры стали температура нагрева арматуры ограничена (табл. 5.10). В предварительно напряженной арматуре с повышением температуры происходят дополнительные потери предварительного напряжения. Это еще более ограничивает допустимую температуру нагрева преднапряженной арматуры.

Таблица 5.10

Вид и класс арматуры, марка стали и проката

Предельно допустимая температура °С, применения арматуры и проката, установленных

по расчету

по конструктивным соображениям

Стержневая арматура классов:

 

 

А 240, А 300

400

450

А 400, А 500, А 600, А 800, А 1000

450

500

Напрягаемая

150

-

Проволочная арматура классов:

 

 

В 500, В 1200-В 1500, К1400, К1500

400

450

Напрягаемая

100

-

Прокат из стали марок: ВСт3кп2, ВСт3Гпс5, ВСт3сп5, ВСт3псб

400

450

Стержневая арматура и прокат из стали марок:

 

 

30ХМ, 12X13, 20X13

500

700

20Х23Н18

550

1000

12Х18Н9Т, 45Х14Н14, В2М, 08Х17Т

600

800

Нормативные и расчетные характеристики арматуры

5.25 Основной прочностной характеристикой арматуры является нормативное сопротивление напряжению Rsn, принимаемое равным гарантированному значению предела текучести с обеспеченностью не менее 0,95 (табл. 5.11). Нормативные значения сопротивления сжатию Rscn принимают равным нормативным значениям сопротивления растяжению, но не более значений, отвечающих предельным деформациям сжатого бетона, окружающего сжатую арматуру. Нормативные сопротивления проката из стали марок ВСт-3 принимают по СНиП II-23.

Таблица 5.11

Арматура класса и марки

Номинальный диаметр арматуры, мм

Нормативные значения сопротивления растяжению Rsn и расчетные значения сопротивления растяжению для предельных состояний второй группы Rs,ser, МПа (Н/мм2)

А 240

6-40

240

А 300

6-40

300

А 400

6-40

400

А 500

10-40

500

А 600

10-40

600

А 800

10-32

800

А 1000

10-32

1000

В 500

3-12

500

Вр1200

8

1200

Вр1300

7

1300

Вр1400

4, 5, 6

1400

Вр1500

3

1500

К1400(К-7)

15

1400

К1500(К-7)

6, 9, 12

1500

К1500(К-19)

14

1500

30ХМ

-

590

12X13

-

410

20X13

-

440

20Х23Н18, 12Х18Н9Т, 08Х17Т

-

195

45Х14Н14В2М

-

315

5.26 Расчетные значения сопротивления арматуры Rs определяют по формуле

                                                                                                                              (5.19)

Коэффициент надежности gs по арматуре принимают равным:

для предельных состояний первой группы:

1,1 - для арматуры классов А 240, А 300, А 400, А 500;

1,15 - для арматуры классов А 600, А 800;

1,2 - для арматуры классов А 1000, В 500, Вр1200-Вр1500, К1400, К1500;

1,3 - для арматуры марок 30ХМ, 12X13, 20X13, 12Х18Н9Т, 20Х23Н18, 45Х14Н14В2М, 08Х17Т.

Расчетные значения сопротивления продольной арматуры растяжению Rs и сжатию Rcs приведены (с округлением) для предельных состояний второй группы в табл. 5.11 и первой группы - в табл. 5.12.

Расчетные значения сопротивления поперечной арматуры (хомутов и отогнутых стержней) Rsw снижают по сравнению с Rs путем умножения на коэффициент условия работы gst = 0,8, но принимают не более 300 МПа.

Расчетные сопротивления проката из стали марок ВСт-3 принимают по СНиП II-23.

Таблица 5.12

Арматура классов и марок

Расчетные сопротивления арматуры для предельных состояний первой группы, МПа(Н/мм2)

Растяжению

Сжатию Rsc

Продольной, Rs

Поперечной (хомутов и отогнутых стержней), Rsw

А 240

215

170

215

А 300

270

215

270

А 400

355

285

355

А 500

435

300

(4-00)435

А 600

510

300

(360)450

А 800

680

300

(400)500

А 1000

815

300

(400)500

В 500

415

300

(360)400

Вр1200

1000

300

(400)500

Вр1300

1070

300

(400)500

Вр1400

1170

300

(400)500

Вр1500

1250

300

(400)500

К1400(К-7)

1170

-

(400)500

К1500(К-7)

1250

-

(400)500

К1500(К-19)

1250

-

(400)500

30ХМ

450

-

(400)500

12X13

325

260

325

30X13

345

275

345

20Х23Н18, 12Х18Н9Т, 08Х17Т

150

120

150

45Х14Н14В2М

245

195

245

Примечание - Значения Rsc в скобках используют только при расчете на кратковременное воздействие усилий.

5.27 Влияние температуры на изменение нормативных и расчетных сопротивлений арматуры учитывают умножением прочностных характеристик арматуры при растяжении и сжатии на коэффициент условия работы арматуры gst (табл. 5.13).

Расчетные сопротивления продольной арматуры

Rst = Rsgst;      Rsct = Rscgst.                                                                                                      (5.20)

Расчетные сопротивления поперечной арматуры

Rswt = Rswgst.                                                                                                                          (5.21)

Значения коэффициента условия работы арматуры gst принимают по табл. 5.13 в зависимости от температуры в центре тяжести растянутой арматуры при расчете по формулам (5.17, 7.5, 7.7, 7.8, 7.10, 7.11, 7.13, 7.14, 7.24, 7.26, 7.28, 7.43, 8.48); сжатой арматуры (5.17, 7.6, 7.7, 7.8, 7.9, 7.10, 7.12, 7.13, 7.14, 7.23, 7.25, 7.27, 7.28); максимальной ts поперечной - (7.33, 7.57); косвенной арматуры (7.50); в зоне анкеровки (9.1, 9.4).

Таблица 5.13

Вид и класс арматуры, марки жаростойкой арматуры и проката

Коэффициент

Расчет на нагрев

Коэффициенты условий работы арматуры gst, линейного температурного расширения арматуры ast и bs при температуре ее нагрева, °С

50-100

200

300

400

450

500

550

600

А 240, ВСт3кп2, ВСт3Гпс5, ВСт3сп5, ВСт3псб

gst

Кратковременный

Длительный

1,00

1,00

0,95

0,85

0,90

0,65

0,85

0,35

0,75 0,15

0,60

-

0,45

-

0,30

-

В 500

Кратковременный

Длительный

1,00

1,00

0,90

0,80

0,85

0,60

0,60

0,30

0,45

0,10

0,25

-

0,12

-

0,05

-

Вp1200-Вp1500, К1400, К1500

Кратковременный

Длительный

1,00

1,00

0,85

0,75

0,70

0,55

0,50

0,25

0,35

0,05

0,25

-

0,15

-

0,10

-

А500

gst

Кратковременный

Длительный

1,00

1,00

1,00

0,80

0,90

0,60

0,70

0,30

0,60

0,10

0,50

-

0,40

-

0,30

-

А 240, В 500, Вр1200-Вр1500, ВСт3сп2, ВСт3Гпс5, ВСт3пс5, ВСт3псб, К1400, К1500

ast

Кратковременный

Длительный

11,5

12,5

13,0

13,5

13,6

13,7

13,8

13,9

А 300, А 400, А 500

gst

Кратковременный

Длительный

1,00

1,00

1,00

0,90

0,95

0,75

0,85

0,40

0,75

0,20

0,60

-

0,40

-

0,30

-

А 600, А 800, А 1000

Кратковременный

Длительный

1,00

1,00

0,85

0,80

0,75

0,65

0,65

0,30

0,55

0,10

0,45

-

0,30

-

0,20

-

А 300, А 400, А 500, А 600, А 800, А 1000

ast

Кратковременный

Длительный

12,0

13,0

13,5

14,0

14,2

14,4

14,6

14,8

30ХМ

gst

Кратковременный

Длительный

1,00

1,00

0,90

0,85

0,85

0,80

0,78

0,25

0,76

0,15

0,74

0,08

0,72

-

0,70

-

ast

Кратковременный

Длительный

9,5

10,2

10,7

11,2

11,5

11,8

12,1

12,4

12X13, 20X13

gst

Кратковременный

Длительный

1,00

1,00

0,95

0,93

0,86

0,83

0,80

0,70

0,73

0,45

0,65

0,13

0,53

-

0,40

-

ast

Кратковременный

Длительный

12,0

12,6

13,3

14,0

14,3

14,7

15,0

15,3

20Х23Н18

gst

Кратковременный

Длительный

1,00

1,00

0,97

0,97

0,95

0,93

0,92

0,77

0,88

0,50

0,85

0,30

0,81

0,18

0,75

0,08

ast

Кратковременный

Длительный

10,3

11,3

12,4

13,6

14,1

14,7

15,2

15,7

12Х18Н9Т, 08Х17Т

gst

Кратковременный Длительный

1,00

1,00

0,72

0,72

0,65

0,65

0,62

0,62

0,58

0,58

0,60

0,55

0,57

0,50

0,56

0,40

ast

Кратковременный

Длительный

10,5

11,1

11,4

11,6

11,8

12,0

12,2

12,4

45Х14Н14В2М

gst

Кратковременный

Длительный

1,00

1,00

0,86

0,86

0,78

0,78

0,72

0,70

0,68

0,63

0,64

0,55

0,60

0,43

0,56

0,30

ast

Кратковременный

Длительный

10,5

11,1

11,4

11,6

11,8

12,0

12,2

12,4

А 240, А 300, А 400, А 500, В 500, А 600, А 800, А 1000, Вp1200-Вp1500, ВСт3кп2, ВСт3Гпс5, К1400, К1500, ВСт3сп5, ВСт3псб, 30ХМ, 12X13, 20X13, 08Х17Т, 20Х23Н18, 12Х18Н9Т, 45Х14Н14В2М

bs

Кратковременный

Длительный

1,00

0,90

0,88

0,83

0,80

0,78

0,75

0,73

Деформационные характеристики арматуры

5.28 При воздействии температуры основными деформационными характеристиками арматуры являются значения относительных деформаций удлинения арматуры es0 при достижении напряжениями расчетного сопротивления Rst и модуля упругости арматуры Еst и коэффициента линейного температурного расширения арматуры ast. Значения относительных деформаций арматуры es0 определяют как упругие при значении сопротивления арматуры Rst

                                                                                                                             (5.22)

Значения модуля упругости арматуры Еs принимают одинаковыми при растяжении и сжатии (табл. 5.14).

Таблица 5.14

Класс и марка арматуры

Модуль упругости арматуры, Еs×105 МПа (Н/мм2)

12X13, 20X13

2,2

А 240, А 300, 30ХМ

2,1

А 400, А 500, Вр1200-Вр1500, 20Х23Н18, 08Х17Т, 12Х18Н9Т, 45Х14Н14В2М

2,0

А 600, А 800, А 1000,

1,9

В 500, К1400, К1500

1,8

5.29 Влияние температуры на изменения модуля упругости арматуры учитывают умножением модуля упругости арматуры Еs на коэффициент βs

Еst = Еsβs,                                                                                                                              (5.23)

Значения коэффициента βs принимают по табл. 5.13 в зависимости от температуры в центре тяжести растянутой арматуры при расчете по формулам (5.23, 6.20, 7.5, 7.19, 8.10, 8.13, 8.15, 8.37, 8.47) и сжатой арматуры - (5.18, 6.21, 8.14, 8.38).

5.30 В качестве расчетной диаграммы состояния (деформирования) арматуры, устанавливающей связь между напряжениями σst и относительными деформациями εs арматуры, принимают двухлинейную диаграмму (рис. 5.2), которую используют при расчете железобетонных элементов по деформационной модели. Диаграммы состояния арматуры при растяжении и сжатии принимают одинаковыми.

Рисунок 5.2 - Двухлинейная диаграмма растянутой арматуры

Напряжения в арматуре σs определяют в зависимости от относительных деформаций εs согласно диаграмме состояния арматуры по формулам:

при 0 < es < es0

ss = esЕst                                                                                                                              (5.24)

при es0 £ es £ es2

ss = Rst.                                                                                                                                 (5.25)

Значение относительной деформации es2 = 0,025.

Значения Еst принимают по формуле (5.23) и Rst - по формуле (5.20).

5.31 С повышением температуры коэффициент температурного расширения арматуры αst увеличивается и значения его принимают по табл. 5.13 в зависимости от класса и марки арматуры и температуры ее нагрева.

6 РАСЧЕТ ЭЛЕМЕНТОВ БЕТОННЫХ И ЖЕЛЕЗОБЕТОННЫХ КОНСТРУКЦИЙ НА ВОЗДЕЙСТВИЕ ТЕМПЕРАТУРЫ

РАСЧЕТ ТЕМПЕРАТУРЫ В БЕТОНЕ ЖЕЛЕЗОБЕТОННЫХ КОНСТРУКЦИЙ

6.1 Расчет распределения температуры в железобетонных конструкциях производят для установившегося теплового потока методом расчета температуры ограждающих конструкций. Температуру арматуры в сечениях железобетонных конструкций принимают равной температуре бетона в месте ее расположения.

6.2 Для конструкций, находящихся на открытом воздухе, коэффициент теплоотдачи наружной поверхности αе, Вт/(м2×°С), в зависимости от преобладающей скорости ветра зимой и летом следует определять по формуле

                                                                                                                (6.1)

где υ - скорость ветра, м/с.

При определении наибольших усилий в конструкции от воздействия температуры, а также при определении максимальной температуры нагрева бетона и арматуры исходят из максимальных средних скоростей ветра (румбы) за июль или январь, повторяемость которых составляет 16 % и более, согласно СНиП 23-01, но не менее 1 м/с.

6.3 Температуру бетона в сечениях конструкций при его нагреве в процессе эксплуатации определяют теплотехническим расчетом установившегося потока тепла при заданной по проекту расчетной температуре рабочего пространства или воздуха производственного помещения. Для конструкций, находящихся на открытом воздухе, наименьшие и наибольшие температуры бетона и арматуры определяют соответственно при минимальной зимней и максимальной летней температуре наружного воздуха района строительства.

6.4 Теплотехнический расчет статически неопределимых конструкций, работающих в условиях воздействия температур, производят на расчетную температуру, вызывающую наибольшие усилия (п. 4.12). При расчете наибольших усилий от воздействия температур в конструкциях, находящихся на открытом воздухе, температуру бетона вычисляют соответственно по расчетной летней или зимней температуре наружного воздуха.

6.5 Коэффициент теплопроводности бетона λ, Вт/(м2×°С), в сухом состоянии принимают в зависимости от средней температуры бетона в сечении элемента (табл. 5.9).

Для конструкций, находящихся в помещении или на воздухе, но защищенных от воздействия ветра, коэффициент теплоотдачи наружной поверхности αе принимают в зависимости от температуры наружной поверхности и воздуха (табл. 6.1).

Таблица 6.1

Коэффициент

Значения коэффициентов теплоотдачи наружной αе и внутренней αi поверхностей конструкции, Вт/(м×°С), при температуре поверхности и воздуха, °С

-50

0

50

100

200

300

400

500

700

900

1100

1200

αе

6

8

10

12

17

22

-

-

-

-

-

-

αi

-

-

10

10

10

12

15

20

40

70

120

150

6.6 Коэффициент теплоотдачи внутренней поверхности конструкции αi находят методом расчета теплопередачи как для случая сложного теплообмена и при определении распределения температуры бетона по сечению элемента допускают его принимать в зависимости от температуры воздуха производственного помещения или рабочего пространства теплового агрегата как для αе.

6.7 Термическое сопротивление R0, (м2×°С/Вт) невентилируемой воздушной прослойки принимают независимо от ее толщины и направления равным 0,140 при 50 °С; 0,095 - при 100 °С; 0,035 - при 300 °С и 0,013 - при 500 °С.

6.8 При стационарном нагреве конструкции, состоящей из n слоев со стороны более нагретой поверхности температуру материала tп между слоями n-1 и n определяют по формуле

                                                                                                       (6.2)

температуру материала более нагретой поверхности tb - по формуле

                                                                                                                      (6.3)

а температуру материала менее нагретой поверхности tes - по формуле

                                                                                                      (6.4)

В трехслойной конструкции температуру материала между первым и вторым слоями, считая слои от более нагретой поверхности, вычисляют по формуле

                                                                                                           (6.5)

а между вторым и третьим слоями - по формуле

                                                                                                    (6.6)

Температура менее нагретой поверхности третьего слоя равна

                                                                                           (6.7)

Тепловой поток Q (Вт/м2) определяют из выражения

                                                                                                                     (6.8)

где ti - температура воздуха производственного помещения или рабочего пространства теплового агрегата;

tе - температура наружного воздуха.

Сопротивление теплопередаче R02×°С/Вт)  многослойной конструкции равно

                                                                                      (6.9)

где - термическое сопротивление материала в отдельных слоях конструкции, пронумерованных со стороны нагреваемой поверхности, м2×°С/Вт;

d1, d2, ..., dn-1, dn - толщина отдельных слоев, м;

λ1, λ2, ..., λn-1, λn - коэффициенты теплопроводности материалов в слоях конструкции, принимаемые в зависимости от средней температуры слоя, Вт/(м×°С).

6.9 При расчете распределения температуры по толщине конструкции необходимо учитывать различие площадей теплоотдающей внутренней и наружной поверхностей:

при круговом очертании, если толщина стенки более 0,1 наружного диаметра;

при квадратном или прямоугольном очертании, если толщина стенки более 0,1 длины большей стороны;

при произвольном очертании, если разница в площадях теплоотдающих внутренней и наружной поверхностей более 10 %.

Для трехслойной конструкции ограждения с учетом различия в площадях теплоотдающих внутренней Аis и наружной Аеs поверхностей:

температура материала более нагретой поверхности

                                                                                                                     (6.10)

температура материала между первым и вторым слоями

                                                                                               (6.11)

температура материала между вторым и третьим слоями

                                                                             (6.12)

температура менее нагретой поверхности третьего слоя

                                                              (6.13)

Сопротивление теплопередачи конструкции рассчитывают по формуле

                                                          (6.14)

где Аis и Аеs - расчетные площади теплоотдающих внутренней и наружной поверхностей;

А1 и А2 - расчетные площади конструкции на границе между первым и вторым и между вторым и третьим слоями.

6.10 Вычисленные температуры не должны превышать предельно допустимые температуры применения бетона по ГОСТ 20910 и арматуры по табл. 5.10.

6.11 В ребристых конструкциях, когда наружные поверхности бетонных ребер и тепловой изоляции совпадают, расчет температуры в бетоне производят по сечению ребра. Если бетонные ребра выступают за наружную поверхность тепловой изоляции, расчет температуры в бетоне ребра выполняют по методам расчета температурных полей или по соответствующим нормативным документам.

6.12 Расчет распределения температур в стенках боровов и каналов, расположенных под землей, допускается производить:

для кратковременного нагрева, принимая сечение по высоте стен неравномерно нагретым с прямолинейным распределением температур бетона и коэффициента теплоотдачи наружной поверхности стенки αе - по табл. 6.1.

Для длительного нагрева принимают сечение по высоте стен равномерно нагретым.

6.13. Коэффициент теплопроводности λ огнеупорных и теплоизоляционных материалов принимают по табл. 6.2.

Таблица 6.2

№ п.п.

Материалы

Средняя плотность в сухом состоянии, кг/м3

Предельно допустимая температура применения, °С

Коэффициент теплопроводности λ, Вт/(м×°С) огнеупорных и теплоизоляционных материалов в сухом состоянии при средней температуре материалов в сечении элемента, °С

50

100

300

500

700

900

1

Изделия огнеупорные шамотные

1900

-

0,73

0,77

0,88

1,01

1,14

1,27

2

Изделия шамотные легковесные

400

1150

0,13

0,14

0,17

0,20

0,23

0,27

3

То же

800

1270

0,23

0,24

0,29

0,34

0,38

0,43

4

»

1000

1300

0,34

0,35

0,42

0,49

0,56

0,63

5

»

1300

1400

0,49

0,56

0,58

0,65

0,73

0,81

6

Изделия огнеупорные динасовые

1900

-

1,60

1,62

1,70

1,78

1,85

1,93

7

Изделия динасовые лекговесные

1200-1400

1550

0,57

0,58

0,64

0,70

0,75

0,81

8

Изделия каолиновые

2000

-

1,79

1,80

1,86

1,90

1,95

2,01

9

Изделия высокоглиноземистые

2600

-

1,76

1,74

1,68

1,65

1,60

1,55

10

Изделия огнеупорные магнезитовые

2700

-

6,00

5,90

5,36

4,82

4,30

3,75

11

Изделия высокоогнеупорные периклазохромитовые

2800

-

4,02

3,94

3,60

3,28

2,94

2,60

12

Изделия высокоогнеупорные хромомагнезитовые

2950

-

2,74

2,71

2,54

2,36

2,18

2,01

13

Кирпич глиняный обыкновенный

1700

-

0,56

0,59

0,70

0,81

-

-

14

Изделия пенодиатомитовые теплоизоляционные

350

900

0,09

0,10

0,13

0,15

0,18

-

15

То же

400

900

0,10

0,11

0,14

0,16

0,19

-

16

Изделия диатомитовые теплоизоляционные

500

900

0,12

0,13

0,19

0,23

0,28

-

17

То же

600

900

0,14

0,15

0,21

0,25

0,30

-

18

Маты минераловатные прошивные на металлической сетке

75-100

600

0,05

0,06

0,11

0,15

-

-

19

Маты минераловатные прошивные

125

600

0,05

0,06

0,11

0,16

-

-

20

То же

150

600

0,05

0,06

0,11

0,16

-

-

21

Плиты и маты теплоизоляционные из минеральной ваты на синтетическом связующем

50-75

400

0,05

0,07

0,13

-

-

-

22

То же

125

400

0,05

0,07

0,11

-

-

-

23

»

175

400

0,05

0,07

0,11

-

-

-

24

Маты теплоизоляционные из ваты каолинового состава

150

1100

0,05

0,06

0,12

0,18

0,24

0,31

25

То же

300

1100

0,06

0,07

0,13

0,19

0,25

0,35

26

Изделия из стеклянного штапельного волокна

170

450

0,06

0,07

0,14

-

-

-

27

Перлитофосфогелевые изделия без гидроизоляционного упрочняющего покрытия

200

600

0,07

0,08

0,10

0,12

-

-

28

То же

250

600

0,08

0,09

0,11

0,14

-

-

29

»

300

600

0,08

0,09

0,14

0,16

-

-

30

Перлитоцементные изделия

250

600

0,07

0,09

0,13

0,16

-

-

31

То же

300

600

0,08

0,10

0,14

0,17

-

-

32

»

350

600

0,09

0,11

0,15

0,18

-

-

33

Перлитокерамические изделия

250

875

0,08

0,09

0,12

0,16

0,19

-

34

То же

300

875

0,09

0,10

0,13

0,17

0,20

-

35

»

350

875

0,10

0,11

0,14

0,18

0,21

-

36

»

400

875

0,11

0,12

0,15

0,19

0,22

-

37

Известково-кремнеземистые изделия

200

600

0,07

0,08

0,10

0,12

-

-

38

Изделия на основе кремнеземного волокна

120

1200

0,06

0,07

0,10

0,14

0,17

0,21

39

Савелитовые изделия

350

500

0,08

0,09

0,11

-

-

-

40

То же

400

500

0,09

0,10

0,12

-

-

-

41

Вулканитовые изделия

300

600

0,08

0,09

0,11

0,13

-

-

42

То же

350

600

0,08

0,09

0,11

0,14

-

-

43

»

400

600

0,09

0,10

0,12

0,14

-

-

44

Пеностекло

200

500

0,08

0,09

0,13

-

-

-

45

Асбестовермикулитовые плиты

250

600

0,09

0,11

0,16

0,21

-

-

46

То же

300

600

0,10

0,11

0,16

0,21

-

-

47

Асбестовермикулитовые плиты

350

600

0,10

0,12

0,17

0,22

-

-

48

Изделия муллитокремнеземистые огнеупорные волокнистые теплоизоляционные марки МКРВ-350

350

1150

0,11

0,12

0,15

0,19

0,22

0,29

49

Диатомитовая крошка обожженная

500

900

0,01

0,03

0,06

0,10

0,13

0,17

50

Вермикулит вспученный

100

1100

0,07

0,09

0,14

0,20

0,26

0,31

51

То же

150

1100

0,08

0,09

0,15

0,21

0,27

0,32

52

»

200

1100

0,08

0,10

0,15

0,21

0,27

0,33

53

Асбозурит

600

900

0,17

0,18

0,21

0,24

-

-

54

Картон асбестовый

1000-1300

600

0,16

0,18

0,20

0,22

-

-

Примечание - Коэффициент теплопроводности λ огнеупорных (поз. 1-13) и теплоизоляционных (поз. 14-54) материалов с естественной влажностью при средней температуре нагрева материала в сечении элемента до 100 °С следует принимать по табличным данным, с увеличением соответственно на 20 и 10 %.

РАСЧЕТ ДЕФОРМАЦИЙ ОТ ВОЗДЕЙСТВИЯ ТЕМПЕРАТУРЫ

6.14 Расчет деформаций, вызванных нагреванием и охлаждением бетонных и железобетонных элементов, должен производиться в зависимости от наличия трещин в растянутой зоне бетона и распределения температуры бетона по высоте сечения элемента.

6.15 При расчете элементов, подвергающихся нагреву, положение центра тяжести всего сечения бетона или его сжатой зоны, а также статический момент и момент инерции всего сечения следует определять, приводя все сечение к ненагретому, более прочному бетону.

6.16 Для элемента, выполненного из одного вида бетона, если температура бетона наиболее нагретой грани не превышает 400 °С, сечение не разбивают на части и момент инерции приведенного сечения принимается равным:

                                                                                                                       (6.15)

При кратковременном нагреве приведенная площадь бетона

                                                                                                                        (6.16)

где Еbt - модуль упругости нагретого бетона определяют по формуле (5.9).

6.17 Когда температура бетона наиболее нагретой грани сечения превышает 400 °С в прямоугольном сечении элемента, выполненном из одного вида бетона, тогда сечение по высоте разбивают на две части, линия раздела должна проходить по бетону, имеющему температуру, равную 400 °С. В двутавровых и тавровых сечениях элементов, выполненных из одного вида бетона, линия раздела должна проходить по границе между ребром и полкой. В элементе, сечение которого по высоте состоит из различных видов бетона, линия раздела должна проходить по границе бетонов.

При кратковременном нагреве приведенная площадь Ared,i i-той части сечения, на которое разбивают все сечение элемента, определяется по формуле

                                                                                                                     (6.17)

где Еbt,i - модуль упругости бетона i-той части сечения определяют по формуле (5.9), в которой коэффициент βbi принимают в зависимости от состава и температуры бетона в центре тяжести площади i-той части сечения. Коэффициент βbi допускается определять в зависимости от средней температуры бетона i-той части сечения.

6.18 Для элемента, сечение которого по высоте состоит из трех видов бетона или двутаврового сечения, выполненного из одного вида бетона, если температура бетона наиболее нагретой грани превышает 400 °С, сечение разбивают на три части (рис. 6.1).

а - на 2 части; б - на 3 части; в - на 4 части; Ц.Т. - центр тяжести приведенного сечения; tb1, tb2, ..., tbi – наибольшая температура бетона 1-, 2-,..., i-той частей сечения
Рисунок 6.1 - Схемы разбивки на части по высоте прямоугольного, таврового и двутаврового сечения элементов

6.19 Во всех случаях расчета арматуру рассматривают как самостоятельную часть сечения.

Площадь нагретой растянутой Аs и сжатой  арматуры приводят к ненагретому, более прочному бетону:

Аs,red = Аsα,                                                                                                                            (6.18)

                                                                                                                        (6.19)

где Аs,red,  - соответственная приведенная площадь растянутой и сжатой арматуры;

а - температуры бетона; б - деформации удлинения от нагрева; в - напряжения в бетоне от нагрева; гдеформации укорочения от остывания; д - напряжения в бетоне от остывания при нелинейном изменении температур по высоте бетонного сечения элементов. Ц.Т. - центр тяжести приведенного сечения
Рисунок 6.2 - Схемы распределения

Коэффициенты приведения арматуры к более прочному бетону растянутой арматуры:

                                                                                                                               (6.20)

сжатой арматуры:

                                                                                                                              (6.21)

где - модули упругости растянутой и сжатой арматуры, которые определяются по формуле (5.23).

6.20 Приведенный момент инерции i-той части сечения

                                                                                                                     (6.22)

Расстояние от центра тяжести i-той части сечения до наименее нагретой грани элемента, относительно которой определяют центр тяжести сечения

                                                                                                            (6.23)

Расстояние от центра тяжести i-той части сечения до центра тяжести всего приведенного сечения

ybi = yiyt.                                                                                                                           (6.24)

6.21 Температурное удлинение центра тяжести i-той части бетонного сечения (рис. 6.2) равно

                                                                                                           (6.25)

и его температурная кривизна

                                                                                                     (6.26)

С учетом каждой части сечения бетона и арматуры определяют площадь Аred, статический момент Sred и момент инерции Ired всего приведенного сечения относительно его центра тяжести.

                                                                                                (6.27)

                                                                                (6.28)

                                                                                    (6.29)

где

                                                                                                                (6.30)

                                                                                                         (6.31)

Расстояние от центра тяжести приведенного железобетонного сечения до наименее нагретого или наиболее растянутого волокна определяют по формуле

                                                                                                                             (6.32)

6.22 Для участков бетонного и железобетонного элемента, где в растянутой зоне не образуются трещины, нормальные к продольной оси элемента, деформации от нагрева рассчитывают следующим образом:

а) сечение элемента приводится к более прочному бетону, удлинение εt оси элемента и ее кривизну  определяют по формулам:

                                                                                 (6.33)

                                                                        (6.34)

где

В формулах 6.16-6.34: Аred, Аred,i, Аs,red, , ybi, ys, , Ired, Ired,i,  yi принимают по пп. 6.16-6.22;

αbti, αbti+1 - коэффициенты, принимаемые по табл. 5.7 в зависимости от температуры бетона более и менее нагретой грани i-той части сечения;

Удлинение εs и ε's соответственно арматуры S и S' находят из формул:

εs = αstts;                                                                                                                                (6.35)

ε's = αstt's,                                                                                                                               (6.36)

где αst - коэффициент, принимаемый по табл. 5.13 в зависимости от температуры арматуры S и S';

уt - коэффициент надежности по температуре, принимаемый при расчете по предельным состояниям: первой группы - 1,1; второй группы - 1.

При расчете бетонного сечения в формулах удлинение арматуры εs и ε's не учитывают;

б) при неравномерном нагреве бетона с прямолинейным распределением температуры по высоте сечения элемента (рис. 6.3, а) удлинение оси элемента εt и ее кривизну  допускается определять по формулам:

                                                                                               (6.37)

                                                                                                        (6.38)

где tb, tb1 - температура бетона менее и более нагретой грани сечения;

αbt и αbt1 - коэффициенты, принимаемые в зависимости от температуры бетона менее и более нагретой грани сечения по табл. 5.7.

в) при остывании неравномерно нагретого бетона с прямолинейным распределением температуры по высоте сечения элемента от усадки бетона укорочение εt оси элемента и ее кривизну  допускается определять по формулам:

                                                                                              (6.39)

                                                                                                      (6.40)

где αcs и αcs1 - коэффициенты, принимаемые по табл. 5.8 в зависимости от температуры бетона менее и более нагретой грани сечения.

а - бетонного и железобетонного без трещин; б - железобетонного с трещинами в растянутой зоне, расположенной у менее нагретой грани; в - то же, у более нагретой грани; г - железобетонного с трещинами по всей высоте сечения; Ц.Т. - центр тяжести приведенного сечения
Рисунок 6.3 - Схемы распределения температур (1), деформаций от неравномерного нагрева (2) и остывания (3) при прямолинейном изменении температур по высоте сечения элементов

6.23 Благодаря сцеплению бетона с арматурой на участках между трещинами деформации арматуры уменьшаются. Температурные деформации арматуры по длине между трещинами непостоянны. Среднее температурное удлинение арматуры в бетоне составит:

εsm = αstmts.                                                                                                                             (6.41)

Приняв изменения температурных деформаций арматуры в бетоне от нагрева по тому же закону, что и при растягивающем усилии, находим значение среднего коэффициента температурного расширения арматуры в бетоне для первого нагрева

αstm = αbt + (αst - αbt)ψs.                                                                                                          (6.42)

Коэффициент, учитывающий работу растянутого бетона между трещинами ψs для практических расчетов допускают принимать в зависимости от процента армирования продольной растянутой арматуры элемента или определять по формуле (8.22):

при μ = 0,3 % ψs = 0,7;

при μ = 0,5 %  ψs = 0,8;

при μ = 0,8 %  ψs = 0,9;

при μ = 1,0 %  ψs = 1,0.

6.24 Для участков железобетонного элемента, где в растянутой зоне образуются трещины, нормальные к продольной оси элемента, деформации от нагрева рассчитывают следующим образом:

а) для железобетонного элемента с трещинами в растянутой зоне, расположенной у менее нагретой грани сечения (рис. 6.3, б), удлинение εt оси элемента и ее кривизну  определяют по формулам:

                                                                                           (6.43)

                                                                                                        (6.44)

б) для участков железобетонного элемента с трещинами в растянутой зоне бетона, расположенной у более нагретой грани сечения (рис. 6.3, в), удлинение εt оси элемента определяют по формуле (6.43) и ее кривизну  определяют по формуле

                                                                                                        (6.45)

в) для участков железобетонного элемента с трещинами по всей высоте сечения (рис. 6.3, г) удлинение εt оси элемента и ее кривизну  определяют по формулам:

                                                                                                          (6.46)

                                                                                                        (6.47)

где ts, t's - температура арматуры S и S';

tb - температура бетона сжатой грани сечения;

  - коэффициент, определяемый по формуле (6.42) для арматуры S и S';

αbt - коэффициент, принимаемый по табл. 5.7 в зависимости от температуры бетона более или менее нагретой грани сечения;

γt - принимается по п. 6.22;

а' - толщина защитного слоя более нагретой грани,

г) при равномерном нагреве железобетонного элемента кривизну  оси элемента допускается принимать равной нулю. В железобетонных элементах из обычного бетона при температуре арматуры до 100 °С и из жаростойкого бетона при температуре арматуры до 70 °С для участков с трещинами в растянутой зоне бетона допускается определять удлинение оси элемента εt и ее кривизну  по формулам (6.37) и (6.38) как для бетонных элементов без трещин.

6.25 Для участков железобетонных элементов, где в растянутой зоне образуются трещины, нормальные к продольной оси элемента от усадки бетона, при остывании укорочение εcs оси элемента и ее кривизну  допускается определять по формулам (6.39) и (6.40).

6.26 Предельно допустимые деформации от воздействия температуры в элементах конструкций, в которых требуется их ограничение при нагревании и охлаждении, должны устанавливаться нормативными документами по проектированию соответствующих конструкций, а при их отсутствии должны указываться в задании на проектирование.

6.27 Расстояние между температурно-усадочными швами в бетонных и железобетонных конструкциях из обычного и жаростойкого бетонов должны устанавливаться расчетом. Расчет допускается не выполнять, если принятое расстояние между температурно-усадочными швами не превышает значений, указанных в табл. 6.3, в которой наибольшие расстояния между температурно-усадочными швами даны для бетонных и железобетонных конструкций с ненапрягаемой и с предварительно напряженной арматурой, при расчетной зимней температуре наружного воздуха минус 40 °С, относительной влажности воздуха 60 % и выше и высоте колонн 3 м.

Таблица 6.3

Конструкции

Наибольшие расстояния между температурно-усадочными швами, м, допускаемые без расчета для конструкций, находящихся

внутри отапливаемых зданий или в грунте

внутри неотапливаемых зданий

на наружном воздухе

1 Бетонные

 

 

 

а) сборные

40

35

30

б) монолитные при конструктивном армировании

30

25

20

в) монолитные без конструктивного армирования

20

15

10

2 Железобетонные:

 

 

 

а) сборные и сборно-каркасные одноэтажные

72

60

48

б) сборные и сборно-каркасные многоэтажные

60

50

40

в) сборно-блочные, сборно-панельные

55

45

35

г) сборно-монолитные и монолитные каркасные

50

40

30

д) сборно-монолитные и монолитные сплошные

40

30

25

Примечания.

1 Для железобетонных конструкций (поз. 2), расчетная температура внутри которых не превышает 50 °С, расстояния между температурно-усадочными швами при расчетной зимней температуре наружного воздуха минус 30, 20, 10 и 1 °С увеличивают соответственно на 10, 20, 40 и 60 % и при влажности наружного воздуха в наиболее жаркий месяц года ниже 40, 20 и 10 % - уменьшают соответственно на 20, 40 и 60 %.

2 Для железобетонных каркасных зданий (поз. 2 а, б, г) расстояния между температурно-усадочными швами увеличивают при высоте колонн 5 м - на 20 %, 7 м - на 60 % и 9 м - на 100 %. Высоту колонн определяют: для одноэтажных зданий - от верха фундамента до низа подкрановых балок, а при их отсутствии - до низа ферм или балок покрытия; для многоэтажных зданий - от верха фундамента до низа балок первого этажа.

3 Для железобетонных каркасных зданий (поз. 2 а, б, г) расстояния между температурно-усадочными швами определены при отсутствии связей либо при расположении связей в середине температурного блока.

4 Расстояния между температурно-усадочными швами в сооружениях и тепловых агрегатах с расчетной температурой внутри 70, 120, 300, 500 и 1000 °С уменьшают соответственно на 20, 40, 60, 70 и 90 %.

РАСЧЕТ УСИЛИЙ ОТ ВОЗДЕЙСТВИЯ ТЕМПЕРАТУРЫ

6.28 Расчет статически неопределимых железобетонных конструкций тепловых агрегатов на воздействие температуры производят одним из методов строительной механики, путем последовательных приближений с принятием действительной жесткости сечений. Если определение усилий в статически неопределимой системе производят методом сил, то в общем случае перемещения по направлению лишних неизвестных в системе канонических уравнений вычисляют по формуле

                                                       (6.48)

где Аred, Dх - приведенные площадь и жесткость элемента в сечениях, определяемые по формулам (6.18) и (8.33).

В выражении (6.48) для немассивных стержневых конструкций третьим интегралом, учитывающим деформации сдвига, можно пренебречь. При расчете железобетонных изгибаемых, сжатых или растянутых элементов, когда , с достаточной для расчета точностью можно не учитывать и второй интеграл, выражающий продольные деформации элементов.

6.29 Если исключить возможность хрупкого разрушения, то согласно теории прочности за предельное состояние конструкции принимают такое, когда при постоянном усилии значительно увеличиваются деформации. Такое состояние конструкции характеризуется образованием пластических шарниров с превращением статической системы в механизм. При воздействии только температурных усилий предельным состоянием конструкции является образование пластических шарниров с переходом системы в статически определимую. С образованием пластических шарниров снижаются температурные усилия, но разрушения конструкции не происходит.

6.30 Для конструкций, за предельное состояние которых принимают образование первого или такого количества пластических шарниров, когда система превращается в статически определимую конструкцию, расчет по несущей способности ведут на совместное действие усилий от температуры и нагрузки. Для конструкций, за предельное состояние которых принимают образование последнего пластического шарнира, когда система превращается в механизм, расчет по несущей способности ведут методом предельного равновесия на действие усилий от нагрузки без учета температурных усилий.

6.31 Для большей части железобетонных элементов при воздействии температуры можно допустить определение жесткости для наиболее напряженного сечения от совместного воздействия температуры и нагрузки и принимать ее постоянной по длине однозначной эпюры моментов. Для более точного определения усилий в предварительно напряженных элементах, а также в сжатых или изгибаемых слабо армированных элементах с ненапрягаемой арматурой, у которых участки без трещин занимают значительную длину пролета, жесткость определяют с учетом распределения трещин по длине совместного воздействия нагрузки и температуры.

6.32 Кривизну железобетонных элементов постоянного сечения с трещинами в растянутой зоне вычисляют для наиболее напряженного сечения, а для других сечений принимают пропорционально изменению изгибающего момента.

6.33 Значительная часть железобетонных элементов в условиях воздействия температуры работает с трещинами в растянутой зоне. При расчете их способом последовательных приближений вначале статически неопределимую конструкцию рассчитывают на действие нагрузки и температуры при минимальной жесткости элемента. Для предварительно напряженных элементов, работающих без трещин, целесообразно для первого приближения принимать жесткость элементов как для упругой стадии работы.

6.34 При кратковременном неравномерном нагреве по высоте сечения железобетонного элемента температурный момент с повышением температуры сжатой зоны нарастает и тем интенсивнее, чем больше процент армирования и выше прочность бетона. При кратковременном нагреве крайнего волокна сжатой зоны жаростойкого бетона до 500-600 °С наблюдаются наибольшие температурные моменты.

Момент от неравномерного нагрева бетона по высоте сечения при равномерном нагреве бетона по длине элемента, заделанного на опорах от поворота, а также в замкнутых рамах кольцевого, квадратного и прямоугольного очертания, имеющих одинаковые сечения, определяют по формуле

                                                                                                                   (6.49)

где  - кривизна оси элемента от изменения температуры, которую определяют по формулам (6.38, 6.40, 6.44, 6.45, 6.47);

D - жесткость сечения определяют по формуле (8.33).

6.35 Момент при остывании от усадки и ползучести бетона определяют по формуле (6.49), считая кривизну равной сумме кривизны оси элемента при остывании от усадки и от ползучести бетона. Кривизну оси элемента при остывании от ползучести бетона вычисляют по формуле

                                                                                                      (6.50)

где  - моменты, возникающие соответственно при кратковременном и длительном воздействии температуры.

Наибольшие температурные моменты возникают при первом кратковременном нагреве. При повторных кратковременных нагревах и длительном нагреве температурные моменты меньше, чем при первом нагреве.

6.36 Температурные моменты в сборных железобетонных элементах тепловых агрегатов зависят от вида стыка арматуры и прочности раствора в шве. Температурные моменты в элементах со стыковыми накладками из арматуры и в шве с жестким раствором прочностью равной прочности бетона, такие же, как в монолитном элементе; с раствором пластичной консистенции, прочность которого в 3 раза меньше прочности бетона, - меньше на 15 %; с теплоизоляционным раствором - на 30 %.

Температурные моменты в элементах со стыками арматуры из косынок и накладок из листовой стали и из уголков на 50 % меньше моментов в элементе без стыка.

6.37 При совместном воздействии усилий от температуры и нагрузки с увеличением нагрузки происходит снижение температурных усилий вследствие развития пластических деформаций бетона и арматуры. В элементе, заделанном на опорах, когда моменты от нагрузки и температуры суммируются в опорных сечениях температурные усилия влияют на образование первых пластических шарниров, но значение их снижается на 50 % из-за развития пластических деформаций сжатия бетона и арматуры, нагретых до высоких температур. Усилия при образовании первых пластических шарниров будут равны:

Мош = Мо + 0,5Мt,                                                                                                                (6.51)

где Мош, Мо и Мt - моменты при образовании первых пластических шарниров на опорах от нагрузки и температурного воздействия.

6.38 Расчет производственных зданий из монолитного железобетона, подвергаемых повышенным технологическим температурам, следует производить с использованием сертифицированных в России компьютерных программ, согласованных с НИИЖБ. Согласно СП 52-103 пространственная конструктивная система (КС) здания рассматривается как статически неопределимая система, состоящая из взаимосвязанных несущих конструктивных элементов, обеспечивающих его прочность и устойчивость при эксплуатации в условиях технологического нагрева.

7 РАСЧЕТ ЭЛЕМЕНТОВ БЕТОННЫХ И ЖЕЛЕЗОБЕТОННЫХ КОНСТРУКЦИЙ ПО ПРЕДЕЛЬНЫМ СОСТОЯНИЯМ ПЕРВОЙ ГРУППЫ

РАСЧЕТ БЕТОННЫХ ЭЛЕМЕНТОВ ПО ПРОЧНОСТИ

7.1 Бетонные элементы рассчитывают по прочности на действие продольных сжимающих сил и на местное сжатие при постоянном нагреве и температурах выше предельно допустимых для применения арматуры (табл. 5.10).

7.2 Расчет по прочности элементов бетонных конструкций, подвергающихся воздействию продольной сжимающей силы и высоких температур, должен производиться для сечений, нормальных к их продольной оси без учета сопротивления бетона растянутой зоны.

Без учета сопротивления бетона растянутой зоны производится расчет внецентренно сжатых элементов, принимая, что достижение предельного состояния характеризуется разрушением сжатого бетона. Сопротивление бетона сжатию условно представляется напряжениями, равными Rb,tem, равномерно распределенными по сжатой зоне сечения (рис. 7.1).

Рисунок 7.1 - Схема усилий и эпюра напряжений в сечении, нормальном к продольной оси внецентренно сжатого бетонного элемента, рассчитываемого без учета сопротивления бетона растянутой зоны

7.3 При расчете внецентренно сжатых бетонных элементов должен приниматься во внимание случайный эксцентриситет продольной силы еа, определяемый согласно п. 4.1.

Эксцентриситет продольной силы е0 относительно центра тяжести приведенного сечения определяют как сумму эксцентриситетов продольной силы: определяемого из статического расчета конструкции и случайного. Следует учитывать также деформации от неравномерного нагрева бетона по высоте сечения, определяемые согласно п. 7.15, суммируя их с эксцентриситетом продольной силы. Если деформации от нагрева уменьшают эксцентриситет продольной силы, то учет их не производится.

7.4 Для бетонных внецентренно сжатых элементов при гибкости l0/i > 14 для прямоугольных сечений при l0/h > 4 и расположении продольной сжимающей силы в пределах поперечного сечения необходимо учитывать влияние на их несущую способность прогибов путем умножения значения е0 на коэффициент η.

Расчет внецентренно сжатых бетонных элементов, подвергающихся равномерному и неравномерному нагреву по высоте сечения производится из условия

NRb,temAb                                                                                                                           (7.1)

где Rb,tem - определяют по формуле (5.5);

Ab - площадь сечения сжатой зоны бетона, определяемая из условия, что ее центр тяжести совпадает с точкой приложения равнодействующей внешних сил.

Для элементов прямоугольного сечения Ab определяется по формуле

                                                                                                               (7.2)

7.5 Внецентренно сжатые бетонные элементы, в которых образование трещин не допускают по условиям эксплуатации, независимо от расчета по условию (7.1) должны быть проверены с учетом сопротивления бетона растянутой зоны. Для прямоугольных сечений из условия:

                                                                                                                      (7.3)

где Rbtt - определяют по формуле (5.7);

η - коэффициент определяют по формуле (7.17), в которой значения Ncr и D вычисляют по формулам (7.18 и 7.19) без учета арматуры.

РАСЧЕТ ЖЕЛЕЗОБЕТОННЫХ ЭЛЕМЕНТОВ ПО ПРОЧНОСТИ

Основные положения

7.6 Расчет по прочности железобетонных элементов в условиях воздействия температуры на действие изгибающих моментов, продольных сил (внецентренное сжатие или растяжение) производят для сечений нормальных к их продольной оси на основе предельных усилий. Предельные усилия в сечении нормальном к продольной оси элемента определяют исходя из следующих предпосылок:

сопротивление бетона растяжению принимают равное нулю;

сопротивление бетона сжатию представляют напряжениями, равными Rb,tem и равномерно распределенными по сжатой зоне бетона;

деформации и напряжения в арматуре определяют в зависимости от высоты сжатой зоны бетона;

растягивающие напряжения в арматуре принимают не более расчетного сопротивления растяжению Rst;

сжимающие напряжения в арматуре принимают не более расчетного сопротивления сжатию Rsct.

7.7 Расчет по прочности нормальных сечений производят в зависимости от соотношения между значениями высоты сжатой зоны бетона , определяемыми из соответствующих условий равновесия и граничным значением относительной высоты сжатой зоны ξR, при котором предельное состояние элемента наступает одновременно с достижением в растянутой арматуре напряжения, равного расчетному сопротивлению Rst.

Значение ξR определяют по формуле

                                                                                                                (7.4)

Относительная деформация растянутой арматуры при напряжениях, равных Rst

                                                                                                                            (7.5)

Относительную деформацию сжатого бетона при кратковременном нагружении εb,ult и напряжениях, равных Rb,tem, принимают равной εb2 по табл. 5.6.

Значение ξR определяют в зависимости от класса арматуры по табл. 7.1.

Таблица 7.1

Класс арматуры

А 240

А 300

А 400

А 500

В 500

А 540

А 600

А 800

А 1000

Вр1200 Вр1300

Вр1400

Вр1500

К1400 К1500

Значения ξR

0,61

0,58

0,53

0,49

0,50

0,62

0,43

0,41

0,39

0,37

0,36

0,30

0,33

Прочность сечений изгибаемых элементов

7.8 Проверку прочности прямоугольного сечения изгибаемых элементов (рис. 7.2), при воздействии температуры производят из условия при

                                                                               (7.6)

Рисунок 7.2 - Схема усилий и эпюра напряжений в сечении, нормальном к продольной оси изгибаемого железобетонного элемента, при расчете его по прочности

Высоту сжатой зоны х, определяют по формуле

                                                                                                               (7.7)

где М - момент от внешней нагрузки и температурных усилий.

7.9 Для изгибаемых элементов, имеющих полку в сжатой зоне (тавровые и двутавровые сечения) при , проверку прочности сечения определяют в зависимости от положения границы сжатой зоны (рис. 7.3).

а - в полке; б - в ребре
Рисунок 7.3 - Положение границы сжатой зоны в сечении изгибаемого железобетонного элемента

Если граница проходит в полке, то соблюдается условие:

                                                                                                   (7.8)

Расчет производят по формуле (7.6), как для прямоугольного сечения шириною . Если граница сжатой зоны проходит в ребре, то условие (7.8) не соблюдается и расчет производят по формуле

                                  (7.9)

Высоту сжатой зоны бетона х, определяют по формуле

                                                                                    (7.10)

7.10 Значение  вводимое в расчет, принимают из условия, что ширина свеса полки в каждую сторону от ребра должна быть не более 1/6 пролета элемента при наличии поперечных ребер или при  расстояния в свету между продольными ребрами:

при отсутствии поперечных ребер или при расстояниях между ними больших, чем расстояния между продольными ребрами и ;

при консольных свесах полки: при ;

при ;

при  - свесы полки не учитывают.

7.11 При расчете по прочности изгибаемых элементов соблюдать условие x £ xRh0. В случае когда по конструктивным соображениям или по расчетам по предельным состояниям второй группы, площадь растянутой арматуры принята большей, чем это требуется для соблюдения условия x £ xRh0, допускается предельный изгибающий момент М определять по формулам (7.6 и 7.8), подставляя в них значения x £ xRh0.

Значение xR определяют по формуле (7.4) и по табл. 7.1.

7.12 При симметричном армировании изгибаемого элемента, когда , прочность сечения определяют по формуле

М < RstАs(h0 - а').                                                                                                                 (7.11)

Если вычисленная без учета сжатой арматуры () высота сжатой зоны х < 2а', то в формулу (7.11) подставляют вместо а' значение 0,5х.

Прочность внецентренно сжатых элементов

7.13 Проверку прочности прямоугольных сечений внецентренно сжатых элементах следует производить из условия:

                                                                             (7.12)

где N - продольная сила от внешней нагрузки и температурных усилий.

Высоту сжатой зоны (рис. 7.4) определяют:

при

                                                                                                        (7.13)

при

                                                                                             (7.14)

Рисунок 7.4 - Схема усилий и эпюра напряжений в сечении, нормальном к продольной оси внецентренно сжатого железобетонного элемента, при расчете его по прочности

Расстояние от точки приложения продольной силы N до центра тяжести сечения растянутой или менее сжатой арматуры равно:

                                                                                                            (7.15)

                                                                                                                                (7.16)

Значение коэффициента, учитывающего влияние продольного изгиба элемента на его несущую способность, определяют по формуле

                                                                                                                           (7.17)

Условную критическую силу определяют по формуле

                                                                                                                           (7.18)

7.14 Жесткость железобетонного элемента допускается определять по формуле

                                                                                                 (7.19)

где J, Js - моменты инерции, соответственно бетонного сечения и сечения всей продольной арматуры относительно центра тяжести поперечного сечения элемента;

Еbt, Еst - модули упругости бетона и арматуры определяют по формулам (5.9 и 5.23);

jl - коэффициент, учитывающий влияние длительного действия нагрузки на прогиб элемента в предельном состоянии.

                                                                                                                        (7.20)

М1, Мl1 - изгибающие моменты внешних сил относительно центра тяжести сечения растянутой (или менее сжатой) арматуры соответственно от действия полной нагрузки и от действия постоянных и длительных нагрузок.

Относительное значение эксцентриситета продольной силы

 но не менее 0,15.                                                                                                 (7.21)

7.15 Продольный изгиб (прогиб) элемента от неравномерного воздействия температуры по высоте сечения элемента определяют по формуле

                                                                                                                     (7.22)

где  - кривизна продольной оси элемента от температуры, определяют по формулам (6.34, 6.38, 6.44, 6.45, 6.47);

l0 - расчетная длина элемента (п. 7.17).

7.16 Проверку прочности прямоугольных сечений внецентренно сжатых элементов с арматурой, расположенной у противоположных в плоскости изгиба сторон сечения, при эксцентриситете продольной силы  и гибкости  производят по формуле

                                                                                            (7.23)

где Аred - приведенная площадь прямоугольного сечения, определяемая по формуле (6.16);

 - сумма произведений площадей продольной арматуры, устанавливаемой по каждой стороне сечения на расчетные сопротивления, определяемые в зависимости от температуры по формуле (5.20);

jt - коэффициент, учитывающий влияние нагрева на продольный изгиб. При температуре бетона в центре тяжести сечения 100 °С jt = 0,95; 200 °С jt = 0,90; 300 °С jt = 0,85; 500 °С jt = 0,75 и 700 °С jt = 0,65;

j - коэффициент продольного изгиба;

l0 - расчетная длина элемента, см. п. 7.17.

Таблица 7.2

l0/h

6-12

16

20

l0/d

5-10

14

17

j

0,90

0,80

0,70

7.17 Расчетную длину l0 внецентренно сжатого элемента определяют для конструкции с учетом ее деформированного состояния при наиболее невыгодном для данного элемента расположения нагрузки, принимая во внимание неупругие деформации материалов и наличие трещин.

Допускается расчетную длину l0 элемента постоянного поперечного сечения по длине l при действии продольной силы принять равной:

а) для элементов с шарнирным опиранием на двух концах - 1,0l;

б) для элементов с жесткой заделкой без поворота опорного сечения на одном конце и незакрепленным другим концом (консоль) - 2,0l;

в) для элементов с шарнирным опиранием, не смещаемым на одном конце: с жесткой без поворота заделкой - 0,7l; и податливой с ограниченным поворотом заделкой - 0,9l;

г) для элементов с податливым шарнирным опиранием, допускающим ограниченное смещение опоры на одном конце, а на другом конце с жесткой без поворота заделкой - 1,5l, и податливой с ограниченным поворотом заделкой - 2,0l;

д) для элементов с несмещаемыми заделками на двух концах: жесткими без поворота - 0,5l, и податливыми с ограниченным поворотом - 0,8l;

е) для элементов с ограниченно смещаемыми заделками на двух концах: жесткими без поворота - 0,8l и податливыми с ограниченным поворотом - 1,2l.

Прочность растянутых элементов

7.18 Проверку прочности железобетонных элементов прямоугольного сечения вычисляют по формулам:

при центральном растяжении

N < RstАs.tot,                                                                                                                           (7.24)

где Аs.tot - площадь всей продольной арматуры.

При внецентренном растяжении и продольной силе, приложенной между усилиями в арматуре S и S' (рис. 7.5)

                                                                                                              (7.25)

                                                                                                              (7.26)

а - продольная сила N приложена между равнодействующими усилий в арматуре S и S'; б - то же, за пределами расстояния между равнодействующими усилий в арматуре S и S'
Рисунок
7.5 - Схема усилий и эпюра напряжений в сечении, нормальном к продольной оси внецентренно растянутого железобетонного элемента, при расчете его по прочности

При продольной силе, приложенной за пределами расстояния между усилиями в арматуре S и S':

                                                                            (7.27)

Высоту сжатой зоны определяют по формуле:

                                                                                                        (7.28)

если х > xRh0, то в условие (7.27) подставляют х = xRh0.

Расстояние от растягивающей продольной силы до равнодействующей усилий в арматуре определяют по формуле (7.15) без коэффициента h, так как нет дополнительного продольного изгиба от растягивающей силы и без еt.

ПРОВЕРКА ПРОЧНОСТИ НОРМАЛЬНЫХ СЕЧЕНИЙ НА ОСНОВЕ ДЕФОРМАЦИОННОЙ МОДЕЛИ

7.19 При расчете прочности в условиях воздействия температуры усилия и деформации в сечении, нормальном к продольной оси элемента, определяют на основе деформационной модели, используя уравнения равновесия внешних сил и внутренних усилий в сечении элемента с учетом изменения свойств бетона и арматуры после воздействия температуры.

Общие положения расчета, расчетные зависимости между усилиями и деформациями, методика расчета по прочности нормальных сечений принимают по СП 52-101.

Бетон по высоте сечения разбивают на элементарные участки с одинаково деформируемыми стержнями арматуры. Диаграмму деформирования бетона на сжатие строят для средней температуры бетона сжатой зоны (рис. 5.1). Диаграмму деформирования арматуры строят для температуры ее нагрева (рис. 5.2). До момента разрушения соблюдается условие равновесия внешних сил и внутренних усилий с учетом плоского деформирования сечения. Моментную ось удобно выбирать на сжатой грани сечения.

Критерием исчерпания прочности нормального сечения является достижение краевой деформацией сжатого бетона ее предельного значения eb2. В сжатых колоннах от четырехстороннего воздействия температуры определяют распределение температур по сечению колонны. Сечение разбивают на полые прямоугольники с одинаковой температурой нагрева, для которых принимают равномерное распределение напряжений. Строят диаграммы деформирования бетона для температуры нагрева середины толщины каждого участка бетона и диаграммы деформирования арматуры для температуры ее нагрева.

За предельное значение деформаций укорочения с однозначной эпюрой напряжений и деформаций принимают предельную деформацию наименее нагретого бетона в сечении при однородном напряженном состоянии eb0 при нулевой кривизне в сечении.

По диаграмме деформирования для каждого участка определяют напряжения в бетоне и в арматуре, соответствующие предельной деформации бетона наименее нагретого участка. Прочность сечения проверяется из уравнения равновесия.

РАСЧЕТ ПО ПРОЧНОСТИ ЖЕЛЕЗОБЕТОННЫХ ЭЛЕМЕНТОВ НА ДЕЙСТВИЕ ПОПЕРЕЧНЫХ СИЛ

Общие положения

7.20 Расчет по прочности железобетонных элементов при действии поперечных сил производят на основе модели наклонных сечений. При расчете по модели наклонных сечений должны быть обеспечены прочность элемента по полосе между наклонными сечениями, и по наклонному сечению на действие поперечных сил, а также прочность по наклонному сечению на действие момента.

Прочность по наклонной полосе характеризуется максимальным значением поперечной силы, которое может быть воспринято наклонной полосой, находящейся под воздействием сжимающих усилий вдоль полосы и растягивающих усилий от поперечной арматуры, пересекающей наклонную полосу. При этом прочность бетона определяют по сопротивлению бетона осевому сжатию с учетом влияния сложного напряженного состояния в наклонной полосе и средней температуре нагрева бетона наклонной полосы.

7.21 Расчет по наклонному сечению на действие поперечных сил производят на основе уравнения равновесия внешних и внутренних поперечных сил, действующих в наклонном сечении с длинной проекции с на продольную ось элемента. Внутренние поперечные силы включают поперечную силу, воспринимаемую бетоном в наклонном сечении, и поперечную силу, воспринимаемую пересекающей наклонное сечение поперечной арматурой. При этом поперечные силы, воспринимаемые бетоном и поперечной арматурой определяют по сопротивлениям бетона и поперечной арматуры растяжению с учетом длинны проекции с наклонного сечения и максимальной температуры нагрева поперечной арматуры и бетона.

7.22 Расчет по наклонному сечению на действие момента производят на основе уравнения равновесия моментов от внешних и внутренних сил, действующих в наклонном сечении с длинной проекции с на продольную ось элемента. Моменты от внутренних сил включают момент, воспринимаемый пересекающей наклонное сечение продольной растянутой арматурой, и момент, воспринимаемый пересекающей наклонное сечение поперечной арматурой. При этом моменты, воспринимаемые продольной и поперечной арматурой, определяют по сопротивлениям продольной и поперечной арматуры растяжению с учетом длинны проекции с наклонного сечения и температуры нагрева продольной арматуры и максимальной температуры нагрева поперечной арматуры.

Расчет железобетонных элементов по полосе между наклонными сечениями

7.23 Расчет изгибаемых железобетонных элементов по бетонной полосе между наклонными сечениями производят из условия

Q £ jb1Rbtembh0                                                                                                                      (7.29)

Q - поперечная сила в нормальном сечении элемента. Коэффициент jb1 = 0,3.

Расчет железобетонных элементов по наклонным сечениям на действие поперечных сил

7.24 Расчет изгибаемых элементов по прочности в наклонном сечении (рис. 7.6) производят из условия

Q £  Qb + Qsw,                                                                                                                       (7.30)

где Q - поперечная сила в наклонном сечении с длинной проекции с на продольную ось элемента, расположенную по одну сторону от рассматриваемого наклонного сечения;

Qb - поперечная сила, воспринимаемая бетоном в наклонном сечении, определяемая по формуле

                                                                                                                  (7.31)

но принимают не более 2,5Rbttbh0 и не менее 0,5Rbttbh0, jb2 = 1,5.

Рисунок 7.6 - Схема усилий в наклонном сечении элемента с хомутами при расчете на действие поперечных сил

Расчетное сопротивление бетона растяжению Rbtt определяют по формуле (5.7), Qsw - поперечная сила, воспринимаемая поперечной арматурой в наклонном сечении, определяемая по формуле

Qsw =jswqswс,                                                                                                                        (7.32)

где jsw = 0,75 и усилие в поперечной арматуре на единицу длины элемента;

                                                                                                                       (7.33)

Расчет производят для ряда расположенных по длине элемента наклонных сечений при наиболее опасной длине проекции наклонного сечения с, которую принимают не менее h0 и не более 2h0.

7.25 Допускается производить расчет наклонных сечений, не рассматривая наклонные сечения при определении поперечной силы от внешней нагрузки, из условия:

Q1 £ Qb1 + Qsw1,                                                                                                                    (7.34)

где Q1 - поперечная сила в нормальном сечении, не рассматриваемая от внешней нагрузки.

Qb1 = 0,5Rbttbh0;                                                                                                                    (7.35)

Qsw1 = qswh0.                                                                                                                         (7.36)

При расположении нормального сечения, в котором учитывают поперечную силу Q1, вблизи опоры на расстоянии а менее 2,5h0 расчет из условия (7.34) производят умножая значения Qb1, определяемое по формуле (7.35), на коэффициент 2,5h0/а, но принимают значение Qb1 не более 2,5Rbttbh0. При расположении нормального сечения, в котором учитывают поперечную силу Q1, на расстоянии а менее h0, расчет из условия (7.34) производят умножая значения Qsw1, определяемое по формуле (7.36) на коэффициент равный а/h0. Поперечную арматуру учитывают в расчете, если соблюдается условие:

qsw ³ 0,25Rbttbh0.                                                                                                                   (7.37)

Можно учитывать поперечную арматуру и при невыполнении этого условия, если в условии (7.30) принимать

                                                                                                                 (7.38)

Шаг поперечной арматуры, учитываемый в расчете,  должен быть не больше значения

                                                                                                                   (7.39)

При отсутствии поперечной арматуры или нарушении указанных выше требований, расчет производят из условия (7.30) или (7.34) принимая усилия Qsw или Qsw1 равными нулю. Поперечная арматура должна отвечать конструктивным требованиям.

Расчет железобетонных элементов по наклонным сечениям на действие моментов

7.26 Расчет железобетонных элементов по наклонным сечениям на действие моментов (рис. 7.7) производят из условия

M £  Ms + Msw,                                                                                                                     (7.40)

где М - момент в наклонном сечении с длинной проекции с на продольную ось элемента, определяемый от всех внешних сил, расположенных по одну сторону от рассматриваемого наклонного сечения, относительно конца наклонного сечения (точка 0), противоположного концу, у которого располагается проверяемая продольная арматура, испытывающая растяжение от момента в наклонном сечении, при этом учитывают наиболее опасное загружение в пределах наклонного сечения;

Мs - момент, воспринимаемый продольной арматурой, пересекающей наклонное сечение, относительно противоположного конца наклонного сечения (точка 0).

Мs = Nszs.                                                                                                                              (7.41)

где zs - плечо внутренней пары сил, допускается принимать

zs = 0,9h0.                                                                                                                              (7.42)

Рисунок 7.7 - Схема усилий в наклонном сечении элемента с хомутами при расчете на действие момента

Усилие в продольной растянутой арматуре:

Ns = RstАs.                                                                                                                             (7.43)

В зоне анкеровки Ns определяют по формуле (9.4).

Момент для поперечной арматуры, нормальной к продольной оси элемента, определяют по формуле

Мs = 0,5Qswс.                                                                                                                        (7.44)

Усилие в поперечной арматуре равно:

Qsw = qswс,                                                                                                                             (7.45)

где qsw - определяют по формуле (7.37), а с принимают в пределах от h0 до 2h0. Допускается производить расчет наклонных сечений, принимая в условии (7.40) момент М в наклонном сечении при длине проекции с на продольную ось элемента, равной 2h0, а момент Мsw – равный

Расчет производится для наклонных сечений, расположенных по длине элемента на его концевых участках и в местах обрыва продольной арматуры, при наиболее опасной длине проекции наклонного сечения с, принимаемой в указанных выше пределах. При отсутствии поперечной арматуры расчет наклонных сечений производят из условия (7.40), принимая момент М в наклонном сечении при длине проекции с на продольную ось элемента равным 2h0, а момент Мsw равным нулю.

РАСЧЕТ ЖЕЛЕЗОБЕТОННЫХ ЭЛЕМЕНТОВ НА МЕСТНОЕ СЖАТИЕ

Общие положения

7.27 Расчет железобетонных элементов на местное сжатие (смятие) производят при действии сжимающей силы, приложенной на ограниченной площади нормально к поверхности железобетонного элемента. При этом учитывают повышенное сопротивление сжатию бетона в пределах грузовой площади (площади смятия) за счет объемного напряженного состояния бетона под грузовой площадью, зависящее от расположения грузовой площади на поверхности элемента.

При наличии косвенной арматуры в зоне местного сжатия учитывают дополнительное повышение сопротивления сжатию бетона под грузовой площадью за счет сопротивления косвенной арматуры.

Расчет элементов на местное сжатие при отсутствии косвенной арматуры

7.28 Расчет элементов на местное сжатие при отсутствии косвенной арматуры (рис. 7.8) производят из условия

N £ yRb,locАb,loc                                                                                                                     (7.46)

где N - местная сжимающая сила от внешней нагрузки;

Аb,loc - площадь приложения сжимающей силы (площадь смятия);

Rb,loc - расчетное сопротивление бетона сжатию при местном действии сжимающей силы;

y - коэффициент, принимаемый равным 1,0 при равномерном и 0,75 при неравномерном распределении местной нагрузки по площади смятия.

а - вдали от краев элемента; б - по всей ширине элемента; в - у края (торца) элемента по всей его ширине; г - на углу элемента; д - у одного края элемента; е - вблизи одного края элемента; 1 - элемент, на который действует местная нагрузка; 2 - площадь смятия Аb,loc; 3 - максимальная расчетная площадь Аb,max; 4 - центр тяжести площадей Аb,loc и Аb,max; 5 - минимальная зона армирования сетками, при которой косвенное армирование учитывается в расчете
Рисунок 7.8 - Схемы для расчета элементов на местное сжатие при расположении местной нагрузки

Значение Rb,loc определяют по формуле

Rb,loc = jbRb,tem                                                                                                                      (7.47)

где Rb,tem определяют по формуле (5.5) принимая коэффициент gbt по табл. 5.3 в зависимости от средней температуры бетона площади смятия при схеме приложения нагрузки по рис. 7.8, а, б, в, и в зависимости от температуры бетона наиболее нагретой грани площади смятия по схеме рис. 7.8, г, д и е;

jb - коэффициент, определяемый по формуле

                                                                                                                  (7.48)

но принимаемый не более 2,5 и не менее 1,0.

В формуле (7.48):

Аb,max - максимальная расчетная площадь, имеющая тот же центр тяжести, что и площадь Аb,loc; границы расчетной площади Аb,max отстоят от каждой стороны площади Аb,loc на расстоянии, равном соответствующему размеру этих сторон (рис. 7.8).

Расчет элементов на местное сжатие при наличии косвенной арматуры

7.29 Расчет элементов на местное сжатие при наличии косвенной арматуры в виде сварных сеток производят из условия

N £ yRbs,locАbs,loc,                                                                                                                  (7.49)

где Rbs,loc - приведенное с учетом косвенной арматуры в зоне местного сжатия расчетное сопротивление бетона сжатию, определяемое по формуле

Rbs,loc = Rb,loc + 2js,xyRst,xyms,xy,                                                                                                (7.50)

здесь js,xy - коэффициент, определяемый по формуле

                                                                                                                  (7.51)

Аb,loc,ef - площадь, заключенная внутри контура сеток косвенного армирования, считая по их крайним стержням;

Rst,xy - расчетное сопротивление растяжению косвенной арматуры; определяемое по формуле (5.20);

ms,ху - коэффициент косвенного армирования, определяемый по формуле

                                                                                                     (7.52)

где пх, Asx, lx - соответственно число стержней, площадь сечения и длина стержня сетки, считая в осях крайних стержней в направлении X;

пy, Asy, ly - то же в направлении Y;

s - шаг сеток косвенного армирования.

Значение местной сжимающей силы, воспринимаемое элементом с косвенным армированием (правая часть условия 7.49), принимают не более удвоенного значения местной сжимающей силы, воспринимаемого элементом без косвенного армирования (правая часть условия 7.46).

РАСЧЕТ ЖЕЛЕЗОБЕТОННЫХ ЭЛЕМЕНТОВ НА ПРОДАВЛИВАНИЕ

Общие положения

7.30 Расчет на продавливание производят для плоских железобетонных элементов (плит) при действии на них (нормально к плоскости элемента) местных, концентрированно приложенных усилий - сосредоточенных силы и изгибающего момента.

При расчете на продавливание рассматривают расчетное поперечное сечение, расположенное вокруг зоны передачи усилий на элемент на расстоянии 0,5h0 нормально к его продольной оси, по поверхности которого действуют касательные усилия от сосредоточенных силы и изгибающего момента.

Действующие касательные усилия по площади расчетного поперечного сечения должны быть восприняты бетоном с сопротивлением бетона осевому растяжению Rbtt и расположенной по обе стороны от расчетного поперечного сечения на расстоянии 0,5h0 поперечной арматурой с сопротивлением поперечной арматуры растяжению Rswt.

При действии сосредоточенной силы касательные усилия, воспринимаемые бетоном и арматурой, принимают равномерно распределенными по всей площади расчетного поперечного сечения. При действии изгибающего момента касательные усилия, воспринимаемые бетоном и поперечной арматурой, принимают линейно изменяющимися по длине расчетного поперечного сечения в направлении действия момента с максимальными касательными усилиями противоположного знака у краев расчетного поперечного сечения в этом направлении.

Расчетный контур поперечного сечения принимают: при расположении площадки передачи нагрузки внутри плоского элемента - замкнутым и расположенным вокруг площадки передачи нагрузки (рис. 7,9, а), при расположении площадки передачи нагрузки у края или угла плоского элемента - в виде двух вариантов, замкнутым и расположенным вокруг площадки передачи нагрузки, и незамкнутым, следующим от краев плоского элемента (рис. 7.9, б, в), в этом случае учитывают наименьшую несущую способность при двух вариантах расположения расчетного контура поперечного сечения.

При расположении поперечной арматуры не равномерно по контуру расчетного поперечного сечения, а сосредоточенно у осей площадки передачи нагрузки (крестообразное расположение поперечной арматуры) расчетный контур поперечного сечения бетона принимают расположенным по диагональным линиям, следующим от края расположения поперечной арматуры (рис 7.9, г).

а - площадка приложения нагрузки внутри плоского элемента; б, в - то же, у края плоского элемента; г - при крестообразном расположении поперечной арматуры; 1 - площадь приложения нагрузки; 2 - расчетный контур поперечного сечения; 2' - второй вариант расположения расчетного контура; 3 - центр тяжести расчетного контура (место пересечения осей Х1 и Y1; 4 - центр тяжести площадки приложения нагрузки (место пересечения осей X и Y); 5 - поперечная арматура; 6 - контур расчетного поперечного сечения без учета в расчете поперечной арматуры; 7 - граница (край) плоского элемента
Рисунок 7.9 - Схема расчетных контуров поперечного сечения при продавливании

При действии момента М в месте приложения сосредоточенной нагрузки половину этого момента учитывают при расчете на продавливание, а другую половину учитывают при расчете по нормальным сечениям по ширине сечения, включающем ширину площадки передачи нагрузки и высоту сечения плоского элемента по обе стороны от площадки передачи нагрузки.

При действии сосредоточенных моментов и силы в условиях прочности соотношение между действующими сосредоточенными моментами, учитываемыми при продавливании, и предельным моментом принимают не более соотношения между действующим сосредоточенным усилием и предельным.

Расчет элементов без поперечной арматуры на продавливание при действии сосредоточенной силы

7.31 Расчет элементов без поперечной арматуры на продавливание при действии сосредоточенной силы производят из условия, в котором сосредоточенная сила от внешней нагрузки должна быть меньше или равна предельному усилию, воспринимаемому бетоном.

Fb £ RbttAb,                                                                                                                            (7.53)

где Rbtt - прочность бетона на растяжение, определяемая по формуле (5.7) в зависимости от средней температуры площади контура расчетного поперечного сечения;

Аb - площадь расчетного поперечного сечения, расположенного на расстоянии 0,5h0 от границы площади приложения сосредоточенной силы F с рабочей высотой сечения h0 (рис. 7.10).

1 - расчетное поперечное сечение; 2 - контур расчетного поперечного сечения; 3 - контур площадки приложения нагрузки
Рисунок 7.10 - Схема для расчета железобетонной плиты на продавливание без поперечной арматуры при температурном воздействии снизу плиты

Площадь Аb определяют по формуле

Аb = иh0,                                                                                                                               (7.54)

где и - периметр контура расчетного поперечного сечения;

h0 - приведенная рабочая высота сечения h0 = 0,5(h0х + h0y), здесь h0х и h0y - рабочая высота сечения для продольной арматуры, расположенной в направлении осей X и Y.

РАСЧЕТ ЭЛЕМЕНТОВ С ПОПЕРЕЧНОЙ АРМАТУРОЙ НА ПРОДАВЛИВАНИЕ ПРИ ДЕЙСТВИИ СОСРЕДОТОЧЕННОЙ СИЛЫ

7.32 Расчет элементов с поперечной арматурой на продавливание при действии сосредоточенной силы (рис. 7.11) производят из условия

F £ Fb + Fsw,                                                                                                                         (7.55)

где Fsw - предельное усилие, воспринимаемое поперечной арматурой при продавливании;

Fb - предельное усилие, воспринимаемое бетоном, определяемое согласно (7.53).

1 - расчетное поперечное сечение; 2 - контур расчетного поперечного сечения; 3 - граница зоны, в пределах которой учитывается поперечная арматура; 4 - контур расчетного поперечного сечения без учета в расчете поперечной арматуры; 5 - контур площадки приложения нагрузки;
Рисунок 7.11 - Схема для расчета на продавливание железобетонной плиты с вертикальной равномерно распределенной поперечной арматурой при температурном воздействии снизу плиты

Усилие Fsw, воспринимаемое поперечной арматурой, нормальной к продольной оси элемента и расположенной равномерно вдоль контура расчетного поперечного сечения определяют по формуле

Fsw = 0,8qswи,                                                                                                                        (7.56)

где qsw - усилие в поперечной арматуре на единицу длины контура расчетного поперечного сечения, расположенного в пределах расстояния 0,5h0 по обе стороны от контура расчетного сечения

                                                                                                                      (7.57)

Rswt - определяют по формуле (5.15);

Asw - площадь сечения поперечной арматуры с шагом sw, расположенная в пределах расстояния 0,5h0 по обе стороны от контура расчетного поперечного сечения;

и - периметр контура расчетного поперечного сечения, определяемый согласно п. 7.31.

При расположении поперечной арматуры не равномерно по контуру расчетного поперечного сечения, а сосредоточенно у осей площади передачи нагрузки (крестообразное расположение поперечной арматуры) периметр контура «и» для поперечной арматуры принимают по фактическим длинам участков расположения поперечной арматуры: Lswх и Lswy по расчетному контуру продавливания (рис. 7.9, г).

Значение Fb + Fsw принимают не более 2Fb. Поперечную арматуру учитывают в расчете при Fsw, не менее 0,25Fb.

За границей расположения поперечной арматуры расчет на продавливание производят согласно п. 7.31, рассматривая контур расчетного поперечного сечения на расстоянии 0,5h0 от границы расположения поперечной арматуры (рис. 7.11).

При сосредоточенном расположении поперечной арматуры по осям площади передачи нагрузки, кроме этого, расчетный контур поперечного сечения бетона принимают по диагональным линиям, следующим от края расположения поперечной арматуры (рис. 7.9, г).

Поперечная арматура должна удовлетворять конструктивным требованиям.

Расчет элементов на продавливание при действии сосредоточенных силы и изгибающего момента

7.33 Расчет элементов без поперечной арматуры на продавливание при совместном действии сосредоточенных силы и изгибающего момента (рис. 7.10) производят из условия

                                                                                                                        (7.58)

где F и М - сосредоточенные сила и изгибающий момент от внешней нагрузки, учитываемые при расчете на продавливание (п. 7.30);

Fb и Мb - предельные сосредоточенные сила и изгибающий момент, которые могут быть восприняты бетоном в расчетном поперечном сечении при их раздельном действии.

В железобетонном каркасе зданий с плоскими перекрытиями сосредоточенный изгибающий момент равен суммарному изгибающему моменту в сечениях верхней и нижней колонн, примыкающих к перекрытию в рассматриваемом узле.

Предельную силу Fb определяют по формуле (7.53).

Предельный изгибающий момент Мb определяют по формуле

Мb = RbttWbh0                                                                                                                        (7.59)

где Wb - момент сопротивления расчетного поперечного сечения, определяемый согласно п. 7.35.

При действии изгибающих моментов в двух взаимно перпендикулярных плоскостях расчет производят из условия

                                                                                                           (7.60)

где F, Мх и Мy - сосредоточенные сила и изгибающие моменты в направлениях осей X и Y от внешней нагрузки, учитываемые при расчете на продавливание (п. 7.30);

Fb, Мbх и Мby - предельные сосредоточенные сила и изгибающие моменты в направлениях осей X и Y, которые могут быть восприняты бетоном в расчетном поперечном сечении при их раздельном действии.

Усилие Fb определяют согласно п. 7.31.

Усилия Мbх и Мby определяют согласно указаниям, приведенным выше, при действии момента соответственно в плоскости оси X и в плоскости оси Y.

При расположении сосредоточенной силы внецентренно относительно центра тяжести контура расчетного поперечного сечения значения изгибающих сосредоточенных моментов от внешней нагрузки определяют с учетом дополнительного момента от внецентренного приложения сосредоточенной силы относительно центра тяжести контура расчетного поперечного сечения.

7.34 Расчет прочности элементов с поперечной арматурой на продавливание при действии сосредоточенных силы и изгибающего момента (рис. 7.11) производят из условия

                                                                                                     (7.61)

где F и М - сосредоточенные сила и изгибающий момент от внешней нагрузки, учитываемые при расчете на продавливание (п. 7.30);

Fb и Мb - предельные сосредоточенные сила и изгибающий момент, которые могут быть восприняты беконом в расчетном поперечном сечении при их раздельном действии;

Fsw и Мsw - предельные сосредоточенные сила и изгибающий момент, которые могут быть восприняты поперечной арматурой при их раздельном действии.

Усилия Fb, Мb и Fsw определяют согласно пп. 7.32 и 7.33.

Усилие Мsw, воспринимаемое поперечной арматурой, нормальной к продольной оси элемента и расположенной равномерно вдоль контура расчетного сечения, определяют по формуле

Мsw = 0,8qswWsw,                                                                                                                  (7.62)

где qsw и Wsw - определяют согласно пп. 7.32 и 7.35.

При действии сосредоточенных изгибающих моментов в двух взаимно перпендикулярных плоскостях расчет производят из условия

                                                                         (7.63)

где F, Мх и Мy - сосредоточенные сила и изгибающие моменты в направлениях осей Х и Y от внешних нагрузок (п. 7.34);

Fb, Мbх и Мby - предельные сосредоточенные сила и изгибающие моменты в направлении осей X и Y, которые могут быть восприняты бетоном в расчетном поперечном сечении при их раздельном действии;

Fsw, Мsw и Мsw,y - предельные сосредоточенные сила и изгибающие моменты в направлениях осей X и Y, которые могут быть восприняты поперечной арматурой при их раздельном действии.

Усилия Fb, Мbх, Мby и Fsw определяют согласно указаниям пп. 7.32 и 7.33.

Усилие Мsw и Мsw,y определяют согласно указаниям, приведенным выше, при действии изгибающего момента, соответственно в плоскости оси X и в плоскости оси Y.

В условиях (7.61 и 7.63) принимают значения:

Fb + Fsw < 2Fb;                                                                                                                     (7.64)

Мb + Мsw < 2Мb;                                                                                                                   (7.65)

Мb + Мsw,x < 2Мb,x;                                                                                                              (7.66)

Мb,y + Мsw,y < 2Мb,y.                                                                                                              (7.67)

7.35 В общем случае значения момента сопротивления расчетного контура бетона при продавливании Wbx) в направлениях взаимно перпендикулярных осей X и Y определяют по формуле

                                                                                                                  (7.68)

где Ibx) - момент инерции расчетного контура относительно осей Х0 и Y0 проходящих через его центр тяжести (рис. 7.9);

у(х)mах - максимальное расстояние от расчетного контура до его центра тяжести.

Значение момента инерции Ibx) определяют как сумму моментов инерции Ibx)i  отдельных участков расчетного контура поперечного сечения относительно центральных осей, проходящих через центр тяжести расчетного контура.

Положение центра тяжести расчетного контура относительно выбранной оси определяют по формуле

                                                                                                          (7.69)

где Li - длина отдельного участка расчетного контура;

xi/(уi)0 - расстояние от центров тяжести отдельных участков расчетного контура до выбранных осей.

7.36 Для замкнутого прямоугольного контура (рис. 7.9, а, г) с длиной участков Lх и Ly в направлении осей X и Y центр тяжести расположен в месте пересечения осей симметрии контура.

Значение момента инерции расчетного контура определяют по формуле

Ibx) = Ibx)1 + Ibx)2,                                                                                                               (7.70)

где Ibx)1,2 - момент инерции участков контура длиной Lх и Ly относительно осей Х1 и Y1, совпадающие с осями X и Y.

Значения Ibx)1,2 определяют по формулам (7.71 и 7.72), принимая условно ширину каждого участка контура длиною Lх и Ly равной единице

                                                                                                                    (7.71)

                                                                                                           (7.72)

Значения Wbx) определяют по формуле

                                                                                                                  (7.73)

                                                                                            (7.74)

7.37 Для незамкнутого расчетного контура, состоящего из трех прямолинейных участков длиной Lх и Ly (рис. 7.9, в), например, при расположении площадки передачи нагрузки (колонны) у края, плоского элемента (плиты перекрытия), положение центра тяжести расчетного контура в направлении оси Х определяют по формуле

                                                                                                                    (7.75)

а в направлении оси Y - центр тяжести расположен по оси симметрии расчетного контура.

Значения момента инерции расчетного контура относительно центральных осей Х1 и Y1 определяют по формуле (7.70).

Значения Ibx)1 и Ibx)2 определяют по формулам:

                                                                                               (7.76)

                                                                                                               (7.77)

Значения Ibу1 и Ibу2 определяют по формулам:

                                                                                                                      (7.78)

                                                                                                                        (7.79)

Значения Wbx и Wbу определяют по формулам:

                                                                                                   (7.80)

                                                                                                                          (7.81)

При расчете принимают наименьшие значения моментов сопротивления Wbx.

7.38 Для незамкнутого расчетного контура, состоящего из двух прямолинейных участков длиной Lх и Ly (рис. 7.9, б), например, при расположении площадки передачи нагрузки (колонны) вблизи угла плоского элемента (плиты перекрытия), положение центра тяжести расчетного контура в направлении осей X и Y определяют по формуле

                                                                                              (7.82)

Значения момента инерции расчетного контура относительно центральных осей Х1 и Y1 определяют по формуле (7.70).

Значения Ibx)1 и Ibx)2 определяют по формулам:

                                                                                                  (7.83)

                                                                                                              (7.84)

                                                                                                               (7.85)

                                                                                                 (7.86)

Значения Wbx и Wbу определяют по формулам:

                                                                                                   (7.87)

                                                                                                  (7.88)

При расчете принимают наименьшие значения моментов сопротивления Wbx и Wbу.

7.39 Значения моментов сопротивления поперечной арматуры при продавливании Wsw,x(y) в том случае, когда поперечная арматура расположена равномерно вдоль расчетного контура продавливания (рис. 7.9) в пределах зоны, границы которой отстоят на расстоянии 0,5h0 в каждую сторону от контура продавливания бетона, принимают равными соответствующим значениям Wbx и Wbу.

При расположении поперечной арматуры в плоском элементе сосредоточено по осям грузовой площадки, например, по оси колонн (крестообразное расположение поперечной арматуры в перекрытии) моменты сопротивления поперечной арматуры определяют, принимая соответствующую фактическую длину ограниченного участка расположения поперечной арматуры по расчетному контуру продавливания Lswx и Lswy (рис. 7.9, г).

8 РАСЧЕТ ЭЛЕМЕНТОВ ЖЕЛЕЗОБЕТОННЫХ КОНСТРУКЦИЙ ПО ПРЕДЕЛЬНЫМ СОСТОЯНИЯМ ВТОРОЙ ГРУППЫ

ОБЩИЕ ПОЛОЖЕНИЯ

8.1 Расчеты по предельным состояниям второй группы включают:

расчет по раскрытию трещин;

расчет по деформациям.

8.2 Расчет по образованию трещин производят для проверки необходимости расчета по раскрытию трещин, а также для проверки необходимости учета трещин при расчете по деформациям.

При расчете по предельным состояниям второй группы нагрузки принимают с коэффициентом надежности по нагрузке gf = 1,0.

РАСЧЕТ ЖЕЛЕЗОБЕТОННЫХ ЭЛЕМЕНТОВ ПО РАСКРЫТИЮ ТРЕЩИН

8.3 Расчет железобетонных элементов по раскрытию трещин производят в тех случаях, когда изгибающий момент от внешней нагрузки и температуры М относительно оси нормальной к плоскости действия момента и проходящий через центр тяжести приведенного поперечного сечения элемента больше изгибающего момента Мсrc, воспринимаемый нормальным сечением элемента при образовании трещин, определяемый по формуле (8.3).

Для центрально-растянутых элементов ширину раскрытия трещин определяют когда продольное растягивающее усилие от внешней нагрузки и температуры больше продольного растягивающего усилия Nсrc, воспринимаемое элементом при образовании трещин, определяемые по формуле (8.9).

8.4 Расчет железобетонных элементов производят по непродолжительному и продолжительному раскрытию трещин. Непродолжительное раскрытие трещин определяют от совместного действия постоянных и временных (длительных и кратковременных) нагрузках при кратковременном нагреве, продолжительное только от постоянных и временных длительных нагрузках при длительном нагреве. Ширина раскрытия трещин асrс от действия внешней нагрузки и температуры, определяемая по формулам (8.3 и 8.9), не должна превышать предельно допустимую ширину раскрытия трещин, которую принимают равными:

а) из условия обеспечения сохранности арматуры:

0,3 мм - при продолжительном раскрытии трещин;

0,4 мм - при непродолжительном раскрытии трещин;

б) из условия ограничения проницаемости конструкций:

0,2 мм - при продолжительном раскрытии трещин;

0,3 мм - при непродолжительном раскрытии трещин.

8.5 Ширину раскрытия трещин асrс определяют исходя из взаимных смещений растянутой арматуры и бетона по обе стороны трещины на уровне оси арматуры и принимают:

при продолжительном раскрытии:

асrс = асrс1;                                                                                                                             (8.1)

при непродолжительном раскрытии:

асrс = асrс1 + асrс2 - асrс3,                                                                                                         (8.2)

где асrс1 - ширина раскрытия трещин от продолжительного действия постоянных и временных нагрузок при длительном нагреве;

асrс2 - ширина раскрытия трещин от непродолжительности действия постоянных и временных (длительных и кратковременных) нагрузок при кратковременном нагреве;

асrс3 - ширина раскрытия трещин от непродолжительного действия постоянных и временных длительных нагрузок при кратковременном нагреве.

ОПРЕДЕЛЕНИЕ МОМЕНТА ОБРАЗОВАНИЯ ТРЕЩИН, НОРМАЛЬНЫХ К ПРОДОЛЬНОЙ ОСИ ЭЛЕМЕНТА

8.6 Изгибающий момент Мсrc при образовании трещин определяют согласно п. 8.9.

Если усилия в железобетонном элементе вызваны только воздействием температуры, то расчет образования трещин следует производить: в элементах статически неопределимых конструкций, когда перепад температур по высоте сечения более 30 °С; в статически определимых конструкциях - более 50 °С; при этом температура растянутой арматуры в элементах из обычного тяжелого бетона выше 100 °С и из жаростойкого железобетона - выше 70 °С.

При совместном воздействии нагрузки, температуры трещина образуется от внешней нагрузки при более низких температурах.

Расчет по образованию трещин при температурах выше 200 °С, элементов с m ³ 0,4 % можно не производить, так как эти элементы работают с трещинами в растянутой зоне.

8.7 Определение момента образования трещин производят с учетом неупругих деформаций растянутого бетона согласно п. 8.8. Допускается момент образования трещин определять без учета неупругих деформаций растянутого бетона по п. 8.9. Если при этом условии п. 8.4 и п. 8.20 не удовлетворяется, то момент образования следует определять с учетом неупругих деформаций растянутого бетона.

8.8 Момент образования трещин с учетом неупругих деформаций растянутого бетона определяют с учетом следующих положений:

сечения после деформирования остаются плоскими;

эпюру напряжений в сжатой зоне бетона принимают треугольной формы;

эпюру напряжений в растянутой зоне принимают трапециевидной формы с напряжениями, не превышающими расчетных значений сопротивления бетона растяжению;

напряжения в арматуре принимают в зависимости от относительных деформаций как для упругого тела (рис. 8.1);

относительную деформацию крайнего растянутого волокна бетона принимают равной ее предельному значению ebt при кратковременном действии нагрузки и нагрева; при двухзначной эпюре деформаций в сечении элемента принимают равной ebt2.

1 - уровень центра тяжести приведенного поперечного сечения
Рисунок 8.1 - Схема напряженно-деформированного состояния сечения элемента при проверке образования трещин при действии изгибающего момента (а), изгибающего момента и продольной силы (б)

8.9 Момент образования трещин без учета неупругих деформаций растянутого бетона Мсrс определяют как для сплошного упругого тела по формуле

Мсrс = (Rbt,ser,t - sbt + scs)W ± Nex.                                                                                         (8.3)

В формуле (8.3) знак «плюс» принимают при сжимающей силе и знаки «минус» при растягивающей силе N.

Момент сопротивления приведенного сечения для крайнего растянутого волокна бетона W определяют по формуле

                                                                                                                             (8.4)

ех - расстояние от точки приложения продольной силы N, расположенной в центре тяжести приведенного сечения элемента, до ядровой точки, наиболее удаленной от растянутой зоны, трещинообразование которой проверяют

                                                                                                                             (8.5)

Момент инерции приведенного поперечного сечения Jred определяют по формуле (6.27). Расстояние от наиболее растянутого волокна бетона до центра тяжести приведенного поперечного сечения элемента уt определяют по формуле (6.32). Напряжения сжатия от расширения бетона на уровне растянутой арматуры при нагреве sbt допускается определять по формуле

sbt = abttbEbt.                                                                                                                        (8.6)

Напряжения растяжения от сокращения бетона на уровне растянутой арматуры при остывании scs допускается определять по формуле

scs = acstbEbt.                                                                                                                        (8.7)

В формулах (8.3, 8.6, 8.7) Rbt,ser,t определяют по формуле (5.8), Ebt - по формуле (5.9), abt - принимают по табл. 5.7 - acs - по табл. 5.8 в зависимости от температуры бетона на уровне растянутой.

8.10 Допускается момент сопротивления W определять без учета арматуры. В этом случае значения Is и I's в формуле (6.29) и Аs и А's в формуле (6.27) принимают равным нулю. Для изгибаемых элементов момент сопротивления W без учета арматуры определяют по формуле

                                                                                                                             (8.8)

8.11 Усилие Ncrc при образовании трещин в центрально-растянутых элементах определяют по формуле

Ncrc = Аred(Rbt,ser,t - sbt + scs).                                                                                               (8.9)

Значения Аred, Rbt,ser,t, sbt, scs принимают по п. 8.9.

8.12 Определение момента образования трещин на основе нелинейной деформационной модели производят исходя из общих положений, приведенных в п. 5.16, но с учетом работы бетона в растянутой зоне нормального сечения, определяемой трехлинейной диаграммой состояния. Расчетные характеристики материалов принимают для предельных состояний второй группы при максимальной температуре нагрева крайнего волокна бетона растянутой зоны. Значения Мсrс определяют из решения уравнений, представленных в СП 52-101.

РАСЧЕТ ШИРИНЫ РАСКРЫТИЯ ТРЕЩИН, НОРМАЛЬНЫХ К ПРОДОЛЬНОЙ ОСИ ЭЛЕМЕНТА

8.13 Ширину раскрытия нормальных трещин определяют по формуле

                                                                                         (8.10)

j1 - коэффициент, учитывающий продолжительность действия нагрузки и температуры:

1,0 - при кратковременном действии нагрузки и температуры;

1,4 - при длительном действии нагрузки и температуры.

j2 - коэффициент, учитывающий профиль продольной арматуры:

0,5 - для арматуры периодического профиля;

0,8 - для гладкой арматуры.

j3 - коэффициент, учитывающий характер нагружения:

1,0 - для изгибаемых и внецентренно сжатых элементов;

1,2 - для растянутых элементов.

Коэффициент, учитывающий неравномерное распределение относительных деформаций растянутой арматуры между трещинами ys, допускается принимать равным 1. Если при этом расчетное раскрытие трещин превышает предельное (п. 8.4), значение ys определяют по формуле (8.21).

8.14 Напряжение в продольной растянутой арматуре в нормальном сечении с трещиной соответствующей внешней нагрузки и температуры определяют по формуле

                                                                                                            (8.11)

где Jred - момент инерции приведенного поперечного сечения относительно его центра тяжести с учетом площади сечения бетона только сжатой зоны, площадей сечения сжатой арматуры с коэффициентом приведения сжатой арматуры к бетону  растянутой арматуры с коэффициентом приведения арматуры к бетону :

                                                                                                     (8.12)

1 - центр тяжести приведенного сечения
Рисунок 8.2 - Схема напряжений и деформаций в сечении с трещиной при действии изгибающего момента (а, б), изгибающего момента и продольной силы (в)

Значения Jb определяют по п. 8.30. Значения Js и J's определяют по формулам (8.35) и (8.36) и ус - по формуле (8.40). Для изгибаемых элементов ус = х (рис. 8.2), где х - высота сжатой зоны бетона, определяемая по п. 8.31 при as2 = as1.

Значения коэффициентов приведения арматуры к бетону определяют по формулам:

растянутой                                                                                                      (8.13)

и сжатой                                                                                                        (8.14)

Значения модуля упругости растянутой Еst и сжатой  арматуры определяют по формуле (5.23).

Приведенный модуль деформации бетона Еbt,red,t учитывающей неупругие деформации сжатого бетона определяют по формуле

                                                                                                                    (8.15)

Прочность бетона Rb,ser,t определяют по формуле (5.6) и относительную деформацию бетона eb1,red принимают по табл. 5.6 для кратковременного нагрева.

Допускается напряжения ss определять по формуле

                                                                                                                           (8.16)

где zs - расстояние от центра тяжести растянутой арматуры до точки приложения равнодействующей усилий в сжатой зоне элемента.

Для элементов прямоугольного поперечного сечения без учета сжатой арматуры значение zs определяют по формуле

zs = h0 - х/3.                                                                                                                           (8.17)

Для элементов прямоугольного, таврового с полкой в сжатой зоне и двутаврового поперечного сечения допускается значение zs принимать равным 0,8h0.

8.15 При действии изгибающего момента М и продольной силы N, напряжения ss в растянутой арматуре определяют по формуле

                                                                                              (8.18)

где Аred, Jred, yс - площадь, момент инерции приведенного поперечного сечения элемента и расстояние от наиболее сжатого волокна бетона до центра тяжести приведенного сечения определяют соответственно по формулам (6.27, 8.12 и 8.40), с учетом площади сечения только сжатой зоны бетона, площадей сечения растянутой и сжатой арматуры, принимая коэффициент приведения растянутой арматуры к бетону as1 и сжатой арматуры - .

Допускается напряжения ss определять по формуле

                                                                                                                  (8.19)

где еs - расстояние от центра тяжести растянутой арматуры до точки приложения продольной силы N с учетом эксцентриситета равного М/N.

Для элементов прямоугольного сечения без учета сжатой арматуры zs допускается определять по формуле (8.17), в которой х принимается равным высоте сжатой зоны бетона с учетом влияния продольной силы, определяемой по п. 8.31, принимая коэффициенты приведения арматуры и бетона as2, .

Для элементов прямоугольного, таврового с полкой в сжатой зоне, двутаврового поперечных сечений допускается значение zs принимать равным 0,7.

В формулах (8.18 и 8.19) знак «плюс» принимают при растягивающей, а знак «минус» при сжимающей продольной силе. Напряжения ss не должны превышать Rs,ser,t.

8.16 Значения базового расстояния между трещинами ls определяют по формуле

                                                                                                                        (8.20)

и принимают не менее 10ds и 10 см и не более 40ds и 40 см для элементов с рабочей высотой поперечного сечения не более 1 м.

Площадь сечения растянутого бетона Аbt определяют по высоте растянутой зоны хt, используя правила расчета момента образования трещин согласно пп. 8.6-8.12.

В любом случае значение Аbt принимают равным площади сечения при ее высоте в пределах не менее 2а и не более 0,5h.

8.17 Значение коэффициента ys определяют по формуле

                                                                                                                 (8.21)

где ss,crс - напряжение в продольной растянутой арматуре в сечении с трещиной сразу после образования нормальных трещин, определяемое по п. 8.14;

ss - то же, при действии рассматриваемой нагрузки и температуры.

Для изгибаемых элементов значение коэффициента ys допускается определять по формуле

                                                                                                                (8.22)

где Мcrc - по п. 8.9.

8.18 Для железобетонных элементов из обычного бетона при температуре арматуры более 100 °С и из жаростойкого бетона при температуре арматуры более 70 °С в формуле (8.10) учитывают температурные деформации et, вызванные разностью температурных деформаций арматуры и бетона при нагреве и деформации температурной усадки бетона ecs при остывании.

Температурные деформации расширения при нагреве

et = (astm - abt)tb                                                                                                                   (8.23)

и температурные деформации укорочения бетона при остывании после нагрева

ecs = acstb,                                                                                                                             (8.24)

где astm - определяют по формуле (6.42);

abt и acs - принимают по табл. 5.7 и табл. 5.8;

tb - температура бетона на уровне растянутой арматуры.

РАСЧЕТ ЭЛЕМЕНТОВ ЖЕЛЕЗОБЕТОННЫХ КОНСТРУКЦИЙ ПО ДЕФОРМАЦИЯМ

Общие положения

8.19 Расчет элементов железобетонных конструкций по деформациям производят с учетом эксплуатационных требований, предъявляемых к конструкциям.

Расчет по деформациям следует производить на действие:

постоянных, временных длительных и кратковременных нагрузок и кратковременного нагрева при ограничении деформаций технологическими или конструктивными требованиями;

постоянных и временных длительных нагрузок и длительного нагрева при ограничении деформаций эстетическими требованиями.

Значения предельно допустимых деформаций элементов принимают согласно СНиП 2.01.07 и нормативным документам на отдельные виды конструкций.

РАСЧЕТ ЖЕЛЕЗОБЕТОННЫХ ЭЛЕМЕНТОВ ПО ПРОГИБАМ

8.20 Расчет железобетонных элементов по прогибам производят из условия: прогиб железобетонного элемента от действия внешней нагрузки и температуры должен быть меньше значения предельно допустимого прогиба железобетонного элемента.

При действии постоянных, длительных и кратковременных нагрузок и кратковременного и длительного нагрева прогиб балок или плит во всех случаях не должен превышать 1/150 пролета и 1/75 вылета консоли.

8.21 Прогиб железобетонных элементов, обусловленный деформацией изгиба, определяют по формуле

                                                                                                                 (8.25)

где  - изгибающий момент в сечении х от действия единичной силы, приложенной по направлению искомого перемещения элемента в сечении х по длине пролета l, для которого определяют прогиб;

 - полная кривизна элемента в сечении х от внешней нагрузки при которой определяют прогиб.

В общем случае для железобетонных изгибаемых элементов вычисление прогиба производят путем разбиения элемента на ряд участков, определения кривизны на границах этих участков (с учетом отсутствия или наличия трещин и знака кривизны) и перемножения эпюр моментов  кривизны  по длине элемента при линейном распределение кривизны в пределах каждого участка. В этом случае прогиб в середине пролета элемента определяют по формуле

                                 (8.26)

где  - кривизна элемента, соответственно на левой и правой опорах;

 - кривизны элемента в сечении i слева и справа от оси симметрии (середины пролета);

 - кривизна элемента в середине пролета;

п - четное число равных участков, на которые разделяют пролет, принимаемое не менее 6;

l - пролет элемента.

В формулах (8.25) и (8.26) кривизны  определяют при действии нагрузки по указаниям п. 8.25-8.35 соответственно для участков без трещин и с трещинами. Знак  принимают в соответствии с эпюрой кривизн.

8.22 Для изгибаемых элементов постоянного по длине элемента сечения, не имеющих трещин, прогибы определяют по общим правилам строительной механики с использованием жесткости поперечных сечений, определяемой по формуле (8.33), принимая кривизну изменяющейся по длине элемента пропорционально значениям изгибающего момента.

Для свободно опертых или консольных элементов максимальный прогиб определяют по формуле

                                                                                                                     (8.27)

8.23 Коэффициент s зависит от вида нагрузки и расчетной схемы элемента. Для свободно опертых балок и равномерно распределенной нагрузки s = 0,1 при сосредоточенной силе в середине пролета s = 0,08, при двух сосредоточенных силах, приложенных на расстоянии а от каждой опоры s = а2/48е2. Для консольной балки при равномерно распределенной нагрузке s = 0,25, при сосредоточенной силе на консоли s = 0,33, при сосредоточенной силе на расстоянии а от опоры s = 0,17а/(3 - а/е);

 - полная кривизна в сечении с наибольшим изгибающим моментом от нагрузки и температуры, при которой определяют прогиб.

Для изгибаемых элементов для постоянного по длине элемента сечения, имеющих трещины, на каждом участке, в пределах которого изгибающий момент не меняет знак, кривизну допускается вычислять для наиболее напряженного сечения, принимая ее для остальных сечений такого участка изменяющейся пропорционально значениям изгибающего момента.

8.24 Прогибу, обусловленный деформациями от неравномерного нагрева бетона по высоте сечения элемента, определяется по формуле

                                                                                                                (8.28)

где  - кривизна элемента в сечении х от воздействия температуры с учетом наличия в данном сечении трещин, вызванных усилиями от действия нагрузки или температуры, определяется согласно пп. 6.25-6.28;

 - см. п. 8.21.

При расчете свободно опертой или консольной балки постоянной высоты с одинаковым распределением температуры бетона по высоте сечения на всей длине балки прогиб, вызванный воздействием температуры, определяют по формуле

                                                                                                                        (8.29)

где  - кривизна от воздействия температуры, определяется согласно пп. 6.26-6.38;

s - коэффициент, принимаемый равным для свободно опертых балок и для консольных по п. 8.23.

Прогибы сборных элементов конструкций из жаростойкого бетона, имеющих одностороннее армирование и сварные стыки арматуры в растянутой зоне сечения, определяются с учетом повышенной деформативности стыков. При этом кривизна элемента в пределах стыка, определенная как для целого элемента, увеличивается в 5 раз при заполнении шва раствором после сварки стыковых накладок.

8.25 Кривизну изгибаемых, внецентренно сжатых и внецентренно растянутых элементов для вычисления их прогибов определяют:

а) для элементов или участков элемента, где в растянутой зоне не образуются нормальные к продольной оси трещины;

б) для элементов или участка элемента, где в растянутой зоне имеются трещины.

Элементы или участки элементов рассматривают без трещин, если трещины не образуются при действии полной нагрузки, включающей постоянную, временную длительную и кратковременную нагрузки и усилия от температуры.

8.26 Полную кривизну изгибаемых, внецентренно сжатых и внецентренно растянутых элементов определяют по формулам:

для участков без трещин в растянутой зоне

                                                                                                                  (8.30)

для участков с трещинами в растянутой зоне

                                                                                                       (8.31)

В формуле (8.30)

 - кривизны соответственно от непродолжительного действия кратковременных нагрузок и от продолжительного действия постоянных и временных длительных нагрузок.

В формуле (8.31)

 - кривизна от непродолжительного действия всей нагрузки, на которую производят расчет по деформациям;

 - кривизна от непродолжительного действия постоянных и временных длительных нагрузок;

 - кривизна от продолжительного действия постоянных и временных длительных нагрузок.

Кривизны  и  определяют согласно п. 8.27.

8.27 Кривизну железобетонных элементов  от действия соответствующих нагрузок (п. 8.26) определяют по формуле

                                                                                                                                (8.32)

где М - изгибающий момент от внешней нагрузки (с учетом момента от продольной силы N) относительно оси, нормальной плоскости действия изгибающего момента и проходящей через центр тяжести приведенного поперечного сечения элемента;

D - изгибная жесткость приведенного поперечного сечения элемента, определяемая по формуле

D = Еb1Ired,                                                                                                                            (8.33)

где Еb1 - модуль деформации бетона, определяемый в зависимости от продолжительности действия нагрузки и температуры;

Ired - момент инерции приведенного поперечного сечения относительно его центра тяжести, определяемый с учетом наличия или отсутствия трещин.

Значения модуля деформации бетона Еb1 и момента инерции приведенного сечения Ired для элементов без трещин в растянутой зоне и с трещинами определяют соответственно по указаниям пп. 8.28, 8.29.

ЖЕСТКОСТЬ ЖЕЛЕЗОБЕТОННОГО ЭЛЕМЕНТА НА УЧАСТКЕ БЕЗ ТРЕЩИН В РАСТЯНУТОЙ ЗОНЕ

8.28 Жесткость железобетонного элемента D на участке без трещин определяют по формуле (8.33).

Момент инерции Ired приведенного сечения элемента относительно его центра тяжести определяют как для сплошного тела по общим правилам сопротивления упругих элементов с учетом всей площади сечения бетона и площадей растянутой арматуры с коэффициентом приведения арматуры к бетону a и сжатой арматуры с a'.

                                                                                                             (8.34)

где I - момент инерции бетонного сечения относительно центра тяжести приведенного поперечного сечения элемента, который при температурах нагрева до 400 °С определяют по формуле (6.15) и при более высокой температуре согласно п. 6.16, 6.20 и 6.21;

 - моменты инерции площадей сечения соответственно растянутой и сжатой арматуры относительно центра тяжести приведенного поперечного сечения элемента.

                                                                                                                 (8.35)

                                                                                                                 (8.36)

Коэффициент приведения растянутой арматуры к бетону

                                                                                                                              (8.37)

и сжатой арматуры к бетону

                                                                                                                              (8.38)

где Еst и  - модули упругости растянутой и сжатой арматуры определяют по формуле (5.18) в зависимости от температуры растянутой и сжатой арматуры.

Допускается определять момент инерции Ired без учета арматуры согласно пп. 6.16, 6.20 и 6.21. Значения модуля деформации бетона в формулах (8.33), (8.37) (8.38) принимают равными:

при кратковременном действии нагрузки и нагреве

Еb1 = jbЕb,                                                                                                                            (8.39)

где jb - коэффициент, учитывающий влияние кратковременной ползучести бетона и принимаемый для бетона составов (табл. 5.1):

№ 1-3, 6, 7, 10, 11, 19-21 ..…......0,85

№ 4, 5, 8, 9, 23, 24...............….....0,80

№ 12-18, 29, 30............................ 0,70

При продолжительном действии нагрузки и нагреве Еb1 = Еbt, который определяют по формуле (5.10) в зависимости от температуры бетона в центре тяжести приведенного сечения.

Расстояние от наиболее сжатого волокна бетона до центра тяжести приведенного поперечного сечения элемента, определяют по формуле

                                                                                                                           (8.40)

где Sc,red - статический момент приведенного сечения элемента относительно наиболее сжатого волокна бетона, равный

                                                                                                     (8.41)

Площадь приведенного поперечного сечения элемента Ared определяют по формуле (6.27) и ее статический момент относительно наиболее сжатого волокна бетона

Sc = Ared0,5h,                                                                                                                         (8.42)

где Аs, Ssc,  - площади поперечного сечения и их статические моменты относительно наиболее сжатого волокна бетона, соответственно растянутой и сжатой арматуры

Ssc = Аsh0;                                                                                                                             (8.43)

                                                                                                                            (8.44)

ЖЕСТКОСТЬ ЖЕЛЕЗОБЕТОННОГО ЭЛЕМЕНТА НА УЧАСТКЕ С ТРЕЩИНАМИ В РАСТЯНУТОЙ ЗОНЕ

8.29 Жесткость железобетонного элемента на участках с трещинами в растянутой зоне определяют с учетом следующих положений:

сечения после деформирования остаются плоскими;

напряжение в бетоне сжатой зоны определяют как для упругого тела;

работу растянутого бетона в сечении с нормальной трещиной не учитывают;

работу растянутого бетона на участке между смежными нормальными трещинами учитывают посредством коэффициента ys.

Жесткость железобетонного элемента D на участках с трещинами определяют по формуле (8.33) и принимают не более жесткости без трещин.

Момент инерции Ired приведенного поперечного сечения элемента относительно его центра тяжести определяют по общим правилам сопротивления упругих элементов с учетом площади сечения бетона только сжатой зоны, площадей сечения сжатой арматуры с коэффициентом привидения арматуры к бетону as1 и растянутой арматуры с коэффициентом приведения арматуры к бетону as2 по формуле

                                                                                                       (8.45)

где  - моменты инерции площадей сечения соответственно сжатой зоны бетона, растянутой и сжатой арматуры относительно центра тяжести, приведенного без учета бетона растянутой зоны поперечного сечения.

Значения Ib определяют согласно п. 8.30.

Значения Ib и   определяют по формулам (8.35) и (8.36), принимая вместо уcm, равное расстоянию от наиболее сжатого волокна бетона до центра тяжести приведенного без учета бетона растянутой зоны поперечного сечения (рис. 8.3), для изгибаемых элементов

уcm = хт,                                                                                                                                (8.46)

где хт - средняя высота сжатой зоны бетона, учитывающая влияние работы растянутого бетона между трещинами и определяемая согласно п. 8.31.

Значения коэффициента приведения сжатой арматуры к бетону  определяют по формуле (8.14) и коэффициент приведения растянутой арматуры к бетону as2 по формуле

                                                                                                                        (8.47)

Приведенный модуль деформации сжатого бетона определяют по формуле (8.15). Приведенный модуль деформации растянутой арматуры Еs,red,t определяют с учетом влияния растянутого бетона между трещинами по формуле

                                                                                                                        (8.48)

где Еst - определяют по формуле (5.18). Значение коэффициента ys определяют по формуле (8.21). Допускается принимать ys = 1 и следовательно as2 = as1. При этом, если условие п. 8.20 не удовлетворяется, расчет производят с учетом коэффициента ys по формуле (8.21).

8.30 Момент инерции площади сечения сжатой зоны бетона Ib определяют:

а) при действии только изгибающего момента М:

для элементов прямоугольного поперечного сечения по формуле

                                                                                                                               (8.49)

для элементов таврового (со сжатой полкой) и двутаврового поперечных сечений с нулевой линией, расположенной в ребре ниже сжатой полки , по формуле

                                                     (8.50)

б) при действии изгибающего момента М и продольной силы N (сжимающей или растягивающей):

для элементов прямоугольного поперечного сечения по формуле

                                                                                            (8.51)

для элементов таврового (со сжатой полкой) и двутаврового поперечного сечений с нулевой линией, расположенной в ребре ниже сжатой полки , по формуле

                                    (8.52)

В тех случаях, когда определяемая согласно п. 8.31, высота сжатой зоны , момент инерции Ib вычисляют как для элементов прямоугольного поперечного сечения по формулам (8.49) и (8.51), принимая .

1 - центр тяжести приведенного сечения
Рисунок 8.3 - Схема напряжений и деформаций в приведенном поперечном сечении элемента с трещинами, при расчете по деформациям, при действии изгибающего момента (а), изгибающего момента и продольной силы (б)

8.31 Для изгибаемых элементов положение нейтральной оси (средней высоты сжатой зоны бетона) определяют из уравнения

                                                                                                            (8.53)

где Sb0, Ss0 и  - статические моменты соответственно сжатой зоны бетона, растянутой и сжатой арматуры относительно нейтральной оси.

Для элементов прямоугольного поперечного сечения без сжатой арматуры высоту сжатой зоны хт определяют по формуле

                                                                                (8.54)

Для прямоугольных сечений с растянутой и сжатой арматурой высоту сжатой зоны определяют по формуле

                              (8.55)

Для тавровых с полкой в сжатой зоне и двутавровых сечений высоту сжатой зоны определяют по формуле

   (8.56)

                                                                                                                               (8.57)

                                                                                                                               (8.58)

                                                                                                                              (8.59)

Здесь  - площадь поперечного сечения свесов сжатых полок,

                                                                                                        (8.60)

Для внецентренно сжатых и внецентренно растянутых элементов положение нейтральной оси, высоты сжатой зоны определяют из уравнения

                                                                                                 (8.61)

где уN - расстояние от нейтральной оси до точки приложения продольной силы N, отстоящей от центра тяжести полного сечения, без учета трещин на расстоянии е0 = М/N;

Ib0, Sb0, Is0, SS0,  и  - моменты инерции и статические моменты соответственно сжатой зоны бетона, растянутой и сжатой арматуры относительно нейтральной оси.

Допускается значение высоты сжатой зоны сечения элементов прямоугольного сечения при действии изгибающего момента М и продольной силы N определять по формуле

                                                                                                               (8.62)

при этом принимают знак «плюс» при сжимающей силе, и знак «минус» при растягивающей продольной силе

где хт1 - вычисляют как для изгибаемых элементов согласно п. 8.31;

Jred, Аred - момент инерции приведенного поперечного сечения элемента относительно его центра тяжести и площадь приведенного поперечного сечения, определяемые для полного сечения элемента без учета трещин согласно пп. 6.16, 6.17, 6.18, 8.28.

8.32 Жесткость изгибаемых железобетонных элементов допускается определять по формуле

D = Eb,red,tAsz(h0 - xm),                                                                                                           (8.63)

где z - расстояние от центра тяжести растянутой арматуры до точки приложения равнодействующей усилий в сжатой зоне.

Для элементов прямоугольного сечения без учета сжатой арматуры значение z определяют по формуле

                                                                                                                        (8.64)

Для элементов прямоугольного, таврового с полной в сжатой зоне и двутаврового поперечных сечений значение г допускается принимать равным 0,8h0.

8.33 Прогибы железобетонных элементов можно определять по общим правилам строительной механики с использованием вместо кривизны непосредственно изгибных жесткостных характеристик D путем замены упругих изгибных характеристик ЕI в расчетных зависимостях на указанные характеристики D вычисленные по формулам (8.33) и (8.66).

При совместном действии кратковременных и длительных нагрузок и температур полный прогиб элементов без трещин и с трещинами в растянутой зоне определяют путем суммирования прогибов соответствующих нагрузок и длительности нагрева по аналогии с суммированием кривизны согласно п. 8.26, принимая жесткостные характеристики D в зависимости от указанной в этом пункте принятой продолжительности действия рассматриваемой нагрузки и нагрева. Допускается при определении жесткостных характеристик D элементов с трещинами в растянутой зоне принимать коэффициент ys = 1. В этом случае при совместном действии кратковременных и длительных нагрузок и температур полный прогиб элементов с трещинами в растянутой зоне определяют путем суммирования прогибов от кратковременного действия кратковременных нагрузок и температур и от длительного действия длительных нагрузок и температур с учетом соответствующих значений жесткостных характеристик D, как это принято для элементов без трещин.

8.34 Для изгибаемых элементов прямоугольного, таврового и двутаврового сечений кривизны на участках с трещинами в растянутой зоне допускается определять по формуле

                                                                                                         (8.65)

где коэффициенты j1, принимают по табл. 8.1;

коэффициент j2 см. табл. 8.2.

Таблица 8.1

mf

Коэффициенты j1 при значениях mas1, равных

£ 0,07

0,10

0,15

0,20

0,30

0,40

0,50

0,60

0,70

0,80

0,90

1,00

0,0

0,60

0,55

0,49

0,45

0,38

0,34

0,30

0,27

0,25

0,23

0,22

0,20

0,2

0,69

0,65

0,59

0,55

0,48

0,43

0,39

0,36

0,33

0,31

0,29

0,27

0,4

0,73

0,69

0,65

0,61

0,55

0,50

0,46

0,42

0,40

0,37

0,35

0,33

0,6

0,75

0,72

0,68

0,65

0,59

0,55

0,51

0,47

0,45

0,42

0,40

0,38

0,8

0,76

0,74

0,71

0,69

0,62

0,58

0,54

0,51

0,48

0,46

0,44

0,42

1,0

0,77

0,75

0,72

0,70

0,65

0,61

0,57

0,54

0,52

0,49

0,47

0,45

Таблица 8.2

Коэффициенты

Коэффициенты j2 при значениях mas1, равных

mf

£ 0,07

0,07-0,1

0,1-0,2

0,2-0,4

0,4-0,6

0,6-0,8

0,8-1,0

£ 0,07

0,07-0,1

0,1-0,2

0,2-0,4

0,4-0,6

0,6-0,8

0,8-1,0

Непродолжительное действие нагрузок и температур

Продолжительное действие нагрузок и температур

0,0

0,0

0,16

0,16

0,16

0,17

0,17

0,17

0,17

0,15

0,14

0,14

0,13

0,13

0,12

0,12

0,0

0,2

0,20

0,20

0,20

0,21

0,22

0,23

0,23

0,18

0,18

0,18

0,17

0,17

0,17

0,16

0,0

0,4

0,22

0,23

0,23

0,24

0,26

0,27

0,28

0,21

0,21

0,21

0,21

0,21

0,20

0,20

0,0

0,6

0,24

0,25

0,25

0,27

0,29

0,31

0,32

0,23

0,23

0,23

0,23

0,24

0,24

0,24

0,0

0,8

0,25

0,26

0,27

0,29

0,32

0,34

0,36

0,24

0,24

0,25

0,25

0,26

0,27

0,27

0,0

1,0

0,26

0,27

0,28

0,30

0,34

0,37

0,39

0,25

0,26

0,26

0,27

0,28

0,29

0,3

0,2

0,0

0,24

0,23

0,23

0,22

0,21

0,21

0,20

0,20

0,21

0,20

0,18

0,16

0,15

0,14

0,4

0,0

-

0,31

0,29

0,27

0,26

0,25

0,24

-

0,27

0,26

0,22

0,19

0,18

0,17

0,6

0,0

-

0,38

0,36

0,33

0,30

0,28

0,27

-

0,34

0,31

0,27

0,23

0,20

0,19

0,8

0,0

-

-

0,43

0,38

0,35

0,32

0,30

-

-

0,37

0,31

0,26

0,23

0,21

1,0

0,0

-

-

0,50

0,44

0,39

0,36

0,30

-

-

0,44

0,36

0,30

0,26

0,23

0,2

0,2

0,29

0,28

0,28

0,28

0,27

0,27

0,27

0,27

0,14

0,25

0,23

0,21

0,20

0,19

0,4

0,4

-

0,41

0,40

0,39

0,39

0,38

0,38

-

0,26

0,36

0,33

0,31

0,29

0,28

0,6

0,6

-

-

0,53

0,52

0,51

0,50

0,49

-

0,38

0,48

0,44

0,41

0,38

0,37

0,8

0,8

-

-

0,66

0,64

0,63

0,62

0,61

-

-

0,61

0,56

0,51

0,48

0,46

1,0

1,0

-

-

-

0,77

0,75

0,79

0,73

-

-

-

0,68

0,63

0,59

0,50

Жесткость изгибаемых элементов с трещинами в растянутой зоне допускается определять по формуле

                                                                                                          (8.66)

Кривизну внецентренно сжатых элементов, а также внецентренно растянутых элементов при приложении силы N вне расстояния между арматурами S и S' на участках с трещинами в растянутой зоне определяют по формуле

                                                                                                                  (8.67)

где Sred - определяют по формуле (8.41) и Еb,red,t - по формуле (8.15).

ОПРЕДЕЛЕНИЕ КРИВИЗНЫ ЖЕЛЕЗОБЕТОННЫХ ЭЛЕМЕНТОВ НА ОСНОВЕ ДЕФОРМАЦИОННОЙ МОДЕЛИ

8.35 Полную кривизну железобетонных элементов на участках без трещин в растянутой зоне сечения определяют по формуле (8.30), а на участках с трещинами в растянутой зоне сечения - по формуле (8.31).

Значения кривизн, входящих в формулы (8.30) и (8.31) определяют из решения системы уравнений согласно п. 7.3.16 СП 52-101. При этом при определении кривизн от непродолжительного действия нагрузки и кратковременного нагрева в расчете используют диаграммы кратковременного деформирования сжатого и растянутого бетона, а при определении кривизн от продолжительного действия нагрузки и температуры - диаграммы длительного деформирования бетона с расчетными характеристиками для предельных состояний второй группы.

9 КОНСТРУКТИВНЫЕ ТРЕБОВАНИЯ

Общие положения

9.1 Для обеспечения несущей способности, пригодности и нормальной эксплуатации и долговечности бетонных и железобетонных конструкций помимо требований, определяемых расчетом, следует выполнять конструктивные требования:

по геометрическим размерам элементов конструкций;

по армированию (содержанию и расположению арматуры, толщине защитного слоя бетона, анкеровки и соединениям арматуры);

по защите конструкций от неблагоприятного влияния воздействий среды.

ГЕОМЕТРИЧЕСКИЕ РАЗМЕРЫ КОНСТРУКЦИЙ

9.2 Минимальные геометрические размеры сечений конструкций следует назначать такими, чтобы обеспечивать:

возможность надлежащего размещения арматуры (расстояния между стержнями, защитный слой бетона и т.д.), ее анкеровки и совместной работы с бетоном;

достаточную жесткость конструкций;

необходимую огнестойкость, водонепроницаемость конструкций, тепло и звукоизоляцию, коррозионную стойкость, радиационную защиту и т.п.;

возможность качественного изготовления при бетонировании конструкций.

9.3 Минимальные размеры поперечного сечения монолитных конструкций (для обеспечения качественного изготовления) рекомендуется принимать не менее:

80 мм - для сводов, куполов;

40 мм - для плоскостных элементов.

Размеры сечений внецентренно сжатых элементов для обеспечения их жесткости рекомендуется принимать такими, чтобы их гибкость  в любом направлении не превышала: предельных значений, указанных в табл. 9.1.

Таблица 9.1

Элементы

Предельная гибкость - внецентренно

сжатых элементов при температуре бетона в центре тяжести сечения, °С

20

50-100

300

500

700

900

Бетонные

90

80

60

50

45

35

Железобетонные

200

145

90

55

-

-

Примечание - Для железобетонных элементов с односторонним армированием предельные гибкости принимаются как для бетонных элементов.

9.4 В конструкциях зданий и сооружений, испытывающих температурные и влажностные воздействия, следует предусматривать их разрезку температурно-усадочными швами, расстояния между которыми назначают в зависимости от температурных условий, конструктивных особенностей сооружения (п. 6.27).

При неравномерной осадке фундаментов следует предусматривать разделение конструкций осадочными швами.

АРМИРОВАНИЕ

Защитный слой бетона

9.5 Арматура, расположенная внутри сечения конструкции, должна иметь защитный слой бетона (расстояние от поверхности арматуры до соответствующей грани конструкций) чтобы обеспечивать:

совместную работу арматуры с бетоном;

защиту арматуры от внешних воздействий (технологических, температурных, влажностных и т.д.);

возможность анкеровки и стыкования арматуры.

9.6 Толщину защитного слоя бетона следует принимать в зависимости от назначения конструкции, характера работы арматуры в конструкции и температуры. Минимальные значения толщины защитного слоя бетона следует принимать не менее: 20 мм для рабочей арматуры в монолитных конструкциях; 15 мм для рабочей арматуры в сборных конструкциях; на 5 мм меньше для конструктивной арматуры по сравнению с требуемыми для рабочей арматуры; и во всех случаях не менее диаметра стержня арматуры.

Минимальная толщина защитного слоя бетона должна быть при температуре арматуры, °С:

Св. 50 до 100 включ........................1,5d

Св. 100 до 300 включ......................2,0d

Св. 300.....................................….....2,5d

Минимальные расстояния между стержнями арматуры

9.7 Минимальные расстояния в свету между стержнями арматуры следует принимать такими, чтобы обеспечить совместную работу арматуры с бетоном и качественное изготовление конструкций, связанное с укладкой и уплотнением бетонной смеси, но не менее наибольшего диаметра стержня, а также не менее:

25 мм - при горизонтальном или наклонном положении стержней нижней арматуры, расположенной в один или два ряда;

30 мм - то же, для верхней арматуры;

50 мм - то же, при расположении нижней арматуры более чем в два ряда (кроме стержней двух нижних рядов), а также при бетонировании стержней в вертикальном положении.

Продольное армирование

9.8 В железобетонных элементах площадь сечения продольной растянутой арматуры, а также сжатой, если она требуется по расчету, в процентах от площади сечения бетона, равной произведению ширины прямоугольного сечения либо ширины ребра таврового (двутаврового) сечения на рабочую высоту сечения, следует принимать не менее:

0,1 % - в изгибаемых, внецентренно растянутых элементах и внецентренно сжатых элементах при гибкости  (для прямоугольных сечений );

0,25 - во внецентренно сжатых элементах при гибкости  (для прямоугольных сечений );

для промежуточных значений гибкости элементов значение ms определяют по интерполяции.

В элементах с продольной арматурой, расположенной равномерно по контуру сечения, а также в центрально растянутых элементах минимальную площадь сечения всей продольной арматуры следует принимать вдвое большей указанных выше значений и относить их к полной площади сечения бетона.

9.9 В бетонных конструкциях, если позволяет температура, следует предусматривать конструктивное армирование:

в местах резкого изменения размеров сечения элементов;

в бетонных стенах под и над проемами;

во внецентренно сжатых элементах, рассчитываемых по прочности без работы растянутого бетона у граней, где возникают растягивающие напряжения; при этом коэффициент армирования ms принимают не менее 0,025 %.

9.10 В железобетонных линейных конструкциях и плитах наибольшие расстояния между осями стержней продольной арматуры, обеспечивающие эффективное вовлечение в работу бетона, равномерное распределение напряжений и деформаций, а также ограничение ширины раскрытия трещин между стержнями арматуры, должны быть не более:

200 мм - при высоте поперечного сечения h до 150 мм;

1,5h и 400 мм - при высоте поперечного сечения h свыше 150 мм.

В железобетонных колоннах: 400 мм - в направлении, перпендикулярном плоскости изгиба; 500 мм - в направлении плоскости изгиба.

В железобетонных стенах расстояния между стержнями вертикальной арматуры принимают не более 2t и 400 мм (t - толщина стены), а горизонтальной - не более 400 мм.

Наибольшие расстояния между стержнями распределительной арматуры плит рекомендуется принимать не более 2h и 600 мм.

9.11 В балках и ребрах шириной более 150 мм число продольных рабочих растянутых стержней в поперечном сечении должно быть не менее двух. При ширине элемента 150 мм и менее допускается устанавливать в поперечном сечении один продольный стержень.

9.12 В балках до опоры следует доводить стержни продольной рабочей арматуры не менее 1/2 площади сечения стержней в пролете и не менее двух стержней.

В плитах до опоры следует доводить стержни продольной рабочей арматуры на 1 м ширины плиты площадью сечения не менее 1/3 площади сечения стержней на 1 м ширины плиты в пролете.

Поперечное армирование

9.13 Поперечную арматуру следует устанавливать исходя из расчета на восприятие усилий, а также с целью ограничения развития трещин, удержания продольных стержней в проектном положении и предотвращения их бокового выпучивания в любом направлении.

Поперечную арматуру устанавливают у всех поверхностей железобетонных элементов, вблизи которых ставится продольная арматура. При этом поперечная арматура должна охватывать крайние продольные стержни.

9.14 Диаметр поперечной арматуры (хомутов) в вязаных каркасах внецентренно сжатых элементов принимают не менее 0,25 наибольшего диаметра продольной арматуры и не менее 6 мм.

Диаметр поперечной арматуры в вязаных каркасах изгибаемых элементов принимают не менее 6 мм.

В сварных каркасах диаметр поперечной арматуры принимают не менее диаметра, устанавливаемого из условия сварки с наибольшим диаметром продольной арматуры.

9.15 В железобетонных элементах, в которых поперечная сила по расчету не может быть воспринята только бетоном, следует предусматривать установку поперечной арматуры с шагом не более 0,5h0 не более 300 мм.

В сплошных плитах, а также в часторебристых плитах высотой не менее 300 мм и в балках (ребрах) высотой менее 150 мм на участке элемента, где поперечная сила по расчету воспринимается только бетоном, поперечную арматуру можно не устанавливать.

В балках и ребрах высотой 150 мм и более, а также в часторебристых плитах высотой 300 мм и более, на участках элемента, где поперечная сила по расчету воспринимается только бетоном, следует предусматривать установку поперечной арматуры с шагом не более 0,75h0 и не более 500 мм.

9.16 Во внецентренно сжатых линейных элементах, а также в изгибаемых элементах при наличии учитываемой в расчете сжатой продольной арматуры с целью предотвращения выпучивания продольной арматуры следует устанавливать поперечную арматуру с шагом не более 15d и не более 500 мм (d - диаметр сжатой продольной арматуры).

Если площадь сечения сжатой продольной арматуры, устанавливаемой у одной из граней элемента, более 1,5 %, поперечную арматуру следует устанавливать с шагом не более 10d и не более 300 мм.

9.17 Конструкция хомутов (поперечных стержней) во внецентренно сжатых линейных элементах должна быть такой, чтобы продольные стержни (по крайне мере через один) располагались в местах перегибов, а эти перегибы - на расстоянии не более 400 мм по ширине грани. При ширине грани не более 400 мм и числе продольных стержней у этой грани не более четырех допускается охват всех продольных стержней одним хомутом.

В элементах, на которые действуют крутящие моменты, поперечная арматура (хомуты) должна образовывать замкнутый контур.

9.18 Поперечную арматуру в плитах в зоне продавливания устанавливают с шагом не более 1/3h0  и не более 300 мм. Стержни, ближайшие к контуру грузовой площади, располагают не ближе h0/3 и не далее h0/2 от этого контура. При этом ширина зоны постановки поперечной арматуры (от контура грузовой площади) должна быть не менее 1,5h0. Расстояние между стержнями поперечной арматуры в направлениях, параллельных сторонам расчетного контура, принимают не более 1/4 длины стороны расчетного контура.

Расчетную поперечную арматуру в виде сеток косвенного армирования при местном сжатии (смятии) располагают в пределах расчетной площади Аb,mах. При расположении грузовой площади у края элемента, сетки косвенного армирования располагают по площади с размерами в каждом направлении не менее суммы двух взаимно перпендикулярных сторон грузовой площади от края элемента в рассматриваемом направлении (рис. 7.9 и 7.11).

По глубине сетки располагают:

при толщине элемента более удвоенного большего размера грузовой площади - в пределах удвоенного размера грузовой площади;

при толщине элемента менее удвоенного большего размера грузовой площади - в пределах толщины элемента.

9.19 Поперечная арматура, предусмотренная для восприятия поперечных сил и крутящих моментов, а также учитываемая при расчете на продавливание, должна иметь надежную анкеровку по концам путем приварки или охвата продольной арматуры, обеспечивающую равнопрочность соединений с поперечной арматурой.

Анкеровка арматуры

9.20 Анкеровку арматуры осуществляют одним из следующих способов или их сочетанием:

в виде прямого окончания стержня (прямая анкеровка);

с загибом на конце стержня в виде крюка, отгиба (лапки) или петли;

с приваркой или установкой поперечных стержней;

с применением специальных анкерных устройств на конце стержня.

9.21 Прямую анкеровку и анкеровку с лапками допускается применять только для арматуры периодического профиля. Для растянутых гладких стержней следует предусматривать крюки, петли, приваренные поперечные стержни или специальные анкерные устройства.

Лапки, крюки и петли не рекомендуется применять для анкеровки сжатой арматуры, за исключением гладкой арматуры, которая может подвергаться растяжению при некоторых возможных сочетаниях нагрузки.

9.22 При расчете длины анкеровки арматуры следует учитывать способ анкеровки, класс . арматуры и ее профиль, диаметр арматуры, прочность бетона и его напряженное состояние в зоне анкеровки, конструктивные решения элемента в зоне анкеровки (наличие поперечной арматуры, положение стержней в сечении элемента и др.).

9.23 Базовую (основную) длину анкеровки, необходимую для передачи усилия в арматуре с полным расчетным значением сопротивления Rst на бетон, определяют по формуле

                                                                                                                      (9.1)

где Аs и иs - соответственно площадь поперечного сечения анкеруемого стержня арматуры и периметр его сечения, определяемые по номинальному диаметру стержня;

Rst - расчетное сопротивление арматуры растяжению определяют по формуле (5.20), принимая gst по табл. 5.13 для температуры арматуры в зоне анкеровки;

Rbond - расчетное сопротивление сцепления арматуры с бетоном, принимаемое равномерно распределенным по длине анкеровки и определяемое по формуле

Rbond = h1h2Rbtt,                                                                                                                     (9.2)

здесь Rbtt - расчетное сопротивление бетона осевому растяжению; определяют по формуле (5.7), принимая gtt по табл. 5.3, для температуры бетона в зоне анкеровки;

h1 - коэффициент, учитывающий влияние вида поверхности арматуры, принимаемый равным: 1,5 - для гладкой арматуры; 2,5 - для арматуры периодического профиля;

h2 - коэффициент, учитывающий влияние размера диаметра арматуры, принимаемый равным: 1,0 - при диаметре арматуры ds £ 32 мм; 0,9 - при диаметре арматуры 36 и 40 мм.

9.24 Требуемую расчетную длину анкеровки арматуры с учетом конструктивного решения элемента в зоне анкеровки определяют по формуле

                                                                                                                 (9.3)

но принимают не менее 0,3l0,ап, а также не менее 15ds и 200 мм.

В формуле (9.3):

l0,ап - базовая длина анкеровки, определяемая по формуле (9.1);

Аs,саl, Аsf - площади поперечного сечения арматуры соответственно, требуемая по расчету и фактически установленная;

a - коэффициент, учитывающий влияние на длину зоны анкеровки напряженного состояния бетона и арматуры, а также конструктивного решения элемента в зоне анкеровки; a = 1,0 для растянутых стержней, a = 0,75 для сжатых стержней периодического профиля с прямыми концами или гладкой арматуры с крюками.

Допускается уменьшать длину анкеровки в зависимости от количества и диаметра поперечной арматуры, вида анкерующих устройств и величины поперечного обжатия бетона в зоне анкеровки, но не менее чем на 30 %. В любом случае фактическую длину анкеровки принимают не менее 0,3l0,ап, также не менее 15ds и 200 мм.

9.25 Усилие, воспринимаемое анкеруемым стержнем арматуры Ns определяют по формуле

                                                                                                           (9.4)

где lап - длина анкеровки, определяемая согласно п. 9.25, принимая отношение

ls - расстояние от конца анкеруемого стержня до рассматриваемого поперечного сечения элемента, принимаемое в качестве длины анкеровки, требуемой для передачи усилия в арматуре Ns на бетон;

Rst - расчетное сопротивление арматуры растяжению определяют по формуле (5.20), принимая gst по табл. 5.13 для температуры арматуры в зоне анкеровки;

Аs - площадь поперечного сечения анкеруемого стержня.

9.26 На крайних свободных опорах элементов длина запуска растянутых стержней за внутреннюю грань свободной опоры при выполнении условия Q £ Qb1 (см. пп. 7.22-7.26) должна составлять не менее 5ds. Если указанное условие не соблюдается, длину запуска арматуры за грань опоры определяют согласно п. 9.25.

9.27 При устройстве на концах стержней специальных анкеров в виде пластин, шайб, гаек, уголков, высаженных головок и т.п. площадь контакта анкера с бетоном должна удовлетворять условию прочности бетона на смятие. Кроме того, при проектировании анкерных деталей следует учитывать характеристики металла по свариваемости, а также способы и условия сварки.

Соединения арматуры

9.28 Для соединения арматуры принимают один из следующих типов стыков:

а) стыки внахлестку без сварки:

с прямыми концами стержней периодического профиля;

с прямыми концами стержней с приваркой или установкой на длине нахлестки поперечных стержней;

с загибами на концах (крюки, лапки, петли); при этом для гладких стержней применяют только крюки и петли.

б) сварные и механические стыковые соединения:

сваркой арматуры;

с применением специальных механических устройств (стыки, опресованные муфтами, соединение арматуры с винтовым периодическим профилем резьбовыми муфтами и др.).

9.29 Стыки арматуры внахлестку (без сварки) применяют при стыковании стержней с диаметром рабочей арматуры не более 40 мм.

На соединения арматуры внахлестку распространяется п. 9.22.

Стыки растянутой или сжатой арматуры должны иметь длину перепуска (нахлестки) не менее значения длины lе, определяемого по формуле

                                                                                                                    (95)

где l0,ап - базовая длина анкеровки, определяемая по формуле (9.1);

Аs,саl, Аsf - см. п. 9.24;

a - коэффициент, учитывающий влияние напряженного состояния арматуры, количество стыкуемой арматуры по отношению к общему количеству арматуры в этом сечении и расстояния между стыкуемыми стержнями. При соединении арматуры периодического профиля с прямыми концами, а также гладких стержней с каркасами или петлями без дополнительных анкерующих устройств, коэффициент a для растянутой арматуры принимают равным 1,2 и для сжатой арматуры - 0,9. При этом должны быть соблюдены следующие условия:

относительное количество стыкуемой в одном расчетном сечении элемента рабочей растянутой арматуры периодического профиля должно быть не более 50 %, гладкой арматуры с крюками или петлями - не более 25 %;

усилие, воспринимаемое всей поперечной арматурой, поставленной в пределах стыка, должно быть не менее половины усилия, воспринимаемого стыкуемой в одном расчетном сечении элемента растянутой рабочей арматурой.

Стыки рабочей растянутой арматуры внахлестку без сварки следует, как правило, располагать вразбежку. При этом считается, что стыки расположены в разных сечениях, если расстояния между ближними концами стержней нахлесток не менее 0,3ls.

Распределительную и сжатую арматуру допускается стыковать в одном сечении.

Расстояние между стыкуемыми рабочими стержнями арматуры не должно превышать 4ds.

Расстояние между соседними стыками внахлестку по ширине элемента должно быть не менее 2ds и 30 мм. В качестве одного расчетного сечения элемента, рассматриваемого для определения относительного количества стыкуемой арматуры в одном сечении принимают участок элемента вдоль стыкуемой арматуры длиной 1,3ls. Считается что стыки арматуры расположены в одном расчетном сечении, если центры этих стыков находятся в пределах длины этого участка. Допускается увеличивать относительное количество стыкуемой в одном расчетном сечении элемента рабочей арматуры до 100 %, принимая значение коэффициента a = 2. При относительном количестве стыкуемой в одном растянутом сечении арматуры периодического профиля более 50 % и гладкой арматуры более 25 % значение коэффициента а определяют по линейной интерполяции.

При наличии дополнительных анкерующих устройств на концах стыкуемых стержней (приварка поперечной арматуры, загиб концов стержней периодического профиля и др.) длина перепуска стыкуемых стержней может быть уменьшена не более чем на 30 %. В любом случае, фактическая длина перепуска должна быть не менее 0,4al0,ап, не менее 20ds и не менее 250 мм.

9.30 При соединении арматуры с использованием сварки выбор типов сварного соединения и способов сварки производят с учетом условий эксплуатации конструкции, свариваемости стали и требований по технологии изготовления в соответствии с действующими нормативными документами (ГОСТ 14098).

9.31 При использовании для стыков арматуры механических устройств в виде муфт (муфты на резьбе, спрессованные муфты и т.д.) несущая способность муфтового соединения должна быть такой же, что и стыкуемых стержней. Концы стыкуемых стержней следует заводить на требуемую длину в муфту, определяемую расчетом или опытным путем.

Гнутые стержни

9.32 При применении гнутой арматуры (отгибы, загибы концов стержней) минимальный диаметр загиба отдельного стержня должен быть таким, чтобы избежать разрушения или раскалывания бетона внутри загиба арматурного стержня и его разрушение в месте загиба.

Минимальный диаметр оправки dоп для арматуры принимают в зависимости от диаметра стержня ds не менее:

для гладких стержней

dоп = 2,5ds при ds < 20 мм;

dоп = 4ds при ds ³ 20 мм;

для стержней периодического профиля

dоп = 5ds при ds < 20 мм;

dоп = 8ds при ds ³ 20 мм.

СТЫКИ ЭЛЕМЕНТОВ СБОРНЫХ КОНСТРУКЦИЙ

9.33 Стыки между стеновыми панелями из жаростойкого бетона предусматривают на растворе с установкой бетонного бруса размером 5´5 см (рис. 9.1). В стыках панелей, перекрывающих рабочее пространство теплового агрегата, бетонный брус устанавливают на растворе с менее нагретой стороны ребер. Пространство между ребрами стыкуемых подвесных панелей с консольными выступами плиты заполняют теплоизоляционным материалом.

а - стык ребристых панелей в стенах; б - то же, в покрытиях; в - то же, с консольными выступами; г - стык двухслойных панелей; д - стык панелей с окаймляющим арматурным каркасом; е - стык панелей с окаймляющим каркасом из тяжелого жаростойкого бетона; ж - стык панелей из легкого жаростойкого бетона; 1 - тяжелый жаростойкий бетон; 2 - арматурный каркас; 3 - легкий жаростойкий бетон с D1100 и менее; 4 - брусок сечением 50´50 мм из тяжелого жаростойкого бетона; 5 - стержень диаметром 6 мм; 6 - жаростойкий раствор; 7 - уголок жесткости панели; 8 - жаростойкий легкий бетон с D1200 и более; 9 - анкер; 10 - теплоизоляционная прослойка толщиной 10-20 мм; 11 - металлический лист; 12 - стыковая накладка
Рисунок 9.1 - Стыки элементов сборных конструкций из жаростойкого бетона

Стыки между панелями из легкого жаростойкого бетона заполняют раствором прочностью на сжатие меньшей прочности бетона футеровки. Марку раствора принимают не ниже М15. Продольные торцевые поверхности панелей должны иметь пазы или скосы, удерживающие раствор от выпадания.

Толщину шва стыка между сборными элементами тепловых агрегатов принимают не менее 20 мм.

9.34 Соединение арматуры в сборных элементах из жаростойкого бетона допускается выполнять через окаймляющие уголки, стыковые накладки или путем стыкования арматуры внахлестку.

В стыках панелей, передающих усилия от арматуры через косынку на стыковую накладку с эксцентриситетом, предусматривают анкеры из арматуры периодического профиля. Длина анкерных стержней, приваренных к пластине втавр или внахлестку, должна быть не менее lап.

Если необходимую расчетную длину анкеров трудно выдержать из-за температуры, превышающей предельно допустимую температуру применения арматуры, устанавливаемой по расчету, то уменьшают длину анкеров с обязательной приваркой к его концу дополнительной пластины.

ОТДЕЛЬНЫЕ КОНСТРУКТИВНЫЕ ТРЕБОВАНИЯ

9.35 Ширину температурно-усадочного шва b в зависимости от расстояния между швами l определяют по формуле

b = єtl.                                                                                                                                   (9.6)

Относительное удлинение оси элемента єt вычисляют в зависимости от вида конструкции и характера нагрева по указаниям пп. 6.21-6.24.

Ширину температурно-усадочного шва, вычисленную по формуле (9.6), увеличивают на 30 %, если шов заполняется асбестовермикулитовым раствором, каолиновой ватой или шнуровым асбестом, смоченным в глиняном растворе (рис. 9.2).

а - шов, заполненный шнуровым асбестом; б - то же, с бетонным бруском; в - то же, с металлическим компенсатором; 1 - шнуровой асбест, смоченный в глиняном растворе; 2 - бетонный брусок; 3 - компенсатор; 4 - стальной стержень диаметром 6 мм
Рисунок 9.2 - Температурные швы в конструкциях из жаростойкого бетона

Температурно-усадочные швы в бетонных и железобетонных конструкциях принимают шириной не менее 20 мм.

Когда давление в рабочем пространстве теплового агрегата не равно атмосферному, температурно-усадочный шов должен иметь уширение для установки бетонного бруса. Брус устанавливают насухо без раствора. Между брусом и менее нагретой поверхностью шов заполняют легко деформируемым теплоизоляционным материалом.

В печах, где требуется герметичность рабочего пространства, с наружной поверхности в температурно-усадочном шве должен предусматриваться компенсатор.

9.36 Для организованного развития усадочных трещин в бетоне со стороны рабочего пространства теплового агрегата предусматривают усадочные швы. Швы шириной 2-3 мм и глубиной, равной 1/10 высоты сечения, но не менее 20 мм, следует располагать через 60 см в двух взаимно перпендикулярных направлениях (рис. 9.3).

а - компенсационные; б - усадочные; 1 - компенсационный шов шириной 2-5 мм; 2 - усадочный шов глубиной 0,1hf и шириной 2-3 мм
Рисунок 9.3 - Швы со стороны нагреваемой поверхности в конструкциях из жаростойкого бетона

9.37 Усилия от неравномерного нагрева бетона по высоте сечения элемента допускается уменьшать:

устройством компенсационных швов в более нагретой сжатой зоне бетона (рис. 9.3). Компенсационные швы шириной 2-5 мм следует располагать через 60 см на глубину не более 0,5 высоты сечения элемента в направлении, перпендикулярном к действию сжимающих усилий от воздействия температуры;

повышением температуры растянутой арматуры, расположенной у менее нагретой грани бетона, посредством увеличения толщины защитного слоя бетона или устройством наружной теплоизоляции.

9.38 В железобетонных конструкциях из жаростойкого бетона для восприятия растягивающих усилий устанавливают арматуру у менее нагретой грани сечения элемента.

Если в конструкциях от нагрузки растягивающие усилия возникают со стороны более нагретой грани сечения элемента, то арматура может воспринимать растягивающее усилия при температуре, не превышающей предельно допустимую температуру применения арматуры, устанавливаемой по расчету (табл. 5.10).

Для снижения температуры арматуры допускается увеличивать толщину защитного слоя бетона у более нагретой грани сечения элемента до шести диаметров продольной арматуры или предусматривать теплоизоляцию из легкого жаростойкого бетона (рис. 9.4).

1 - тяжелый жаростойкий бетон; 2 - теплоизоляционный слой из легкого жаростойкого бетона; 3 - сетка из жаростойкой стали диаметром 4 мм; 4 - продольная рабочая арматура
Рисунок 9.4 - Конструкция изгибаемого железобетонного элемента, нагреваемого до температуры более 400 °С со стороны растянутой зоны

На границе бетонов разных видов следует устанавливать конструктивную арматуру из жаростойкой стали диаметром не более 4 мм, которая должна быть приварена к хомутам.

Температура нагрева конструктивной арматуры не должна превышать предельно допустимую температуру применения конструктивной арматуры, указанную в табл. 5.10.

9.39 Несущие и ненесущие конструкции тепловых агрегатов выполняют из сборных однослойных или многослойных элементов. Сборные ограждающие конструкции предусматривают из блоков, плит и панелей.

В двухслойных панелях, проектируемых из разных видов жаростойкого бетона, теплоизоляционный легкий жаростойкий бетон может предусматриваться как со стороны рабочего пространства, так и с наружной стороны теплового агрегата.

Для улучшения совместной работы отдельных слоев бетона допускается предусматривать установку конструктивной арматуры или анкеров. Арматура заходит в каждый слой бетона на глубину не менее 50 мм. Если в зоне сопряжения отдельных слоев бетона температура превышает предельно допустимую температуру применения конструктивной арматуры, указанную в табл. 5.10, то для усиления связи между слоями устраивают выступы или бетонные шпонки.

В ребристых панелях плиту и ребра выполняют из тяжелого или легкого конструкционного жаростойкого бетона. В местах сопряжения ребер с плитой устраивают вуты. Между ребрами с менее нагретой стороны располагают тепловую изоляцию из легкого жаростойкого бетона или из теплоизоляционные материалов. В ребрах панели предусматривают арматурные каркасы, которые должны быть заведены в бетон плиты не менее чем на 50 мм. При необходимости снижения температуры рабочей арматуры, устанавливаемой в ребрах, ребра могут выступать за наружную поверхность тепловой изоляции. Плиту панели армируют конструктивной сварной сеткой из арматуры диаметром не более 4 мм с расстоянием между стержнями не менее 100 мм.

Температура нагрева сварной сетки не должна превышать предельно допустимую температуру применения конструктивной арматуры, указанную в табл. 5.10. Если температура нагрева плиты панели превышает предельно допустимую температуру применения конструктивной арматуры, допускают плиту не армировать.

Для ненесущих облегченных ограждающих конструкций тепловых агрегатов предусматривают легкие жаростойкие бетоны и эффективные теплоизоляционные материалы.

9.40 В двухслойных панелях на металлическом листе легкий жаростойкий бетон крепят анкерами, приваренными к листу (рис. 9.5). Анкеры принимают диаметром 6-10 мм или полосы 3´20 мм. Длина анкера должна быть не менее половины толщины футеровки, а расстояния между ними - не более 250 мм. Металлический лист толщиной не менее 3 мм должен иметь отогнутые края или приваренные «на перо» по контуру уголки.

а - двухслойная панель на металлическом листе; б - панель с окаймляющим каркасом из тяжелого жаростойкого бетона; в - панель с окаймляющим арматурным каркасом; г - панель со стальными анкерами и эффективной теплоизоляцией; 1 - уголок жесткости панели; 2 - металлический лист; 3 - анкер; 4 - легкий жаростойкий бетон с D1100 и менее; 5 - легкий жаростойкий бетон с D1200 и более; 6 - окаймляющий каркас из тяжелого жаростойкого бетона; 7 - арматурный каркас; 8 - эффективная теплоизоляция; 9 - усадочный шов; 10 – шайба
Рисунок 9.5 - Конструкции панелей из легкого жаростойкого бетона

В панелях с окаймляющим каркасом прямоугольного или трапециевидного сечения ребра предусматривают из тяжелого или легкого конструкционного жаростойкого бетона, а пространство между ребрами на всю толщину заполняют теплоизоляционным легким жаростойким бетоном. Ребра армируют плоскими каркасами, расположенными с менее нагретой стороны.

Крепление панелей к каркасу осуществляют на болтах или на сварке так, чтобы панели могли свободно перемещаться при нагреве.

В конструкциях тепловых агрегатов из монолитного железобетона со стороны рабочего пространства в углах сопряжения стен, а также стен с покрытием и перекрытием предусматривают вуты.

При температуре рабочего пространства теплового агрегата свыше 800 °С ограждающую конструкцию с целью увеличения ее термического сопротивления делают многослойной с включением в ее состав слоев из эффективной теплоизоляции (рис. 9.5, г).

Многослойная несущая или самонесущая конструкция со стороны рабочего пространства имеет футеровочную плиту из жаростойкого бетона, а с ненагреваемой стороны - несущее основание в виде железобетонной плиты или металлического листа с окаймляющими уголками. Волокнистые огнеупорные материалы применяют в температурных зонах сечения конструкции, где нельзя применять более дешевые и менее дефицитные материалы, например, плиты или маты из минеральной ваты.

9.41 Для обеспечения надежного соединения несущего и футеровочного слоев многослойной футеровки рекомендуется применять пространственные анкеры в виде соединенных между собой крестообразно установленных гнутых стержней, расположенных перпендикулярно арматурной сетке (рис. 9.6).

1 - пространственный анкер; 2 - железобетонная несущая плита; 3 - минераловатная изоляция; 4 - плитная изоляция; 5 - арматурная сетка; 6 - футеровочная плита из жаростойкого бетона
Рисунок 9.6 - Пространственный анкер в многослойной конструкции панели с железобетонной несущей плитой

Пространственные анкеры устанавливают в швах плитной и минераловатной изоляции.

Расстояние между анкерами принимают в пределах 0,7-1 м, а расстояние от краев панели до центра пространственного анкера - кратным размеру плит теплоизоляции и равным половине расстояния между анкерами. Плита из жаростойкого бетона, закрепленная с помощью анкеров, от действия собственного веса в горизонтальном положении панели работает как двухконсольная система с максимальными растягивающими усилиями в сечениях под пространственными анкерами, где имеются местные арматурные сетки, включенные в пространственный анкер для увеличения площади анкеровки.

9.42 Футеровочная плита из жаростойкого бетона в укрупненных монтажных элементах разрезается швами шириной 2 мм на отдельные части таким образом, чтобы каждый отдельный монолитный участок бетонной футеровки крепился к основанию панели четырьмя или двумя анкерами.

9.43 Конструкции, перекрывающие рабочее пространство теплового агрегата, могут быть свободно опертыми на стены, подвесными или монолитно связанными со стенами. Для покрытий при пролетах более 4 м предусматривают подвесные балки, плиты и панели. Расчетную схему работы подвесной конструкции принимают как для двухконсольной балки, при этом не должно допускаться возникновения растягивающих напряжений в бетоне со стороны более нагретой поверхности. Подвесные конструкции не воспринимают никаких внешних нагрузок, кроме собственного веса, и на них не должны устраиваться мостики или настилы для хождения обслуживающего персонала.

9.44 Купола и своды должны иметь стрелу подъема не менее 1/12 пролета в свету.

Купола и своды с плоской верхней поверхностью у пяты имеют компенсационный шов шириной 20-40 мм на глубину, равную высоте сечения в замке (рис. 9.7). Предусматривают заполнение шва легкодеформируемым материалом и покраску пят тонким слоем битумного лака. За осевую линию в таких куполах и сводах допускается принимать дугу окружности, проведенную через центр пяты и середину высоты сечения в центре пролета.

а - купола перекрытия с технологическими отверстиями из жаростойкого бетона; б - железобетонного купола покрытия с плоской верхней поверхностью из жаростойкого бетона; 1 - кожух; 2 - сетка из проволоки диаметром до 6 мм; 3 - компенсационный шов шириной 20-40 мм, заполненный легкодеформируемым материалом; 4 - купол; 5 - пята купола; 6 - теплоизоляционная прослойка толщиной 20-40 мм; 7 - рабочая арматура опорного кольца; 8 - то же, купола; 9 - хомут из проволоки диаметром 6 мм; 10 - опорное кольцо; 11 - шов бетонирования
Рисунок 9.7 - Конструкции для круглого теплового агрегата

В куполах и сводах с плоской верхней поверхностью при высоте сечения в замке более 250 мм кроме основной рабочей арматуры, установленной со стороны менее нагретой поверхности, предусматривают конструктивную сетку из проволоки диаметром не более 6 мм с ячейкой не менее 100´100 мм, которую располагают в бетоне с температурой, не превышающей предельно допустимую температуру применения конструктивной арматуры (табл. 5.10). Эту сетку соединяют хомутами с основной арматурой (рис. 9.7, б).

9.45 Рабочую арматуру в железобетонных конструкциях, перерезаемую различными технологическими отверстиями, приваривают к рамкам из арматуры или проката, устанавливаемым вокруг отверстий. Размеры рамки должны приниматься не превышающими предельно допустимую температуру применения арматуры, устанавливаемой по расчету по табл. 9.1.

Площадь сечения рамки в каждом направлении должна быть достаточной для восприятия усилий в перерезанных стержнях.

Отверстия большого размера следует окаймлять армированными бортовыми замкнутыми рамами. Сечение стенок бортовых рам определяют из расчета на усилия от воздействия температуры и нагрузки.

9.46 Фундаменты, борова и другие сооружения, расположенные под землей и подвергающиеся нагреву, должны находиться выше наиболее возможного уровня грунтовых вод. При наличии воды следует предусматривать гидроизоляцию.

9.47 Кожухи тепловых агрегатов из листовой стали допускается предусматривать, когда необходимо обеспечить газонепроницаемость конструкции и когда имеется большое количество отверстий или точек крепления оборудования.

Соединение кожуха с бетоном осуществляют арматурными сетками или анкерами, приваренными к кожуху (рис. 9.7).

9.48 Если жаростойкий бетон подвержен сильному истирающему воздействию со стороны рабочего пространства, то его следует защищать металлической панцирной сеткой, по которой наносится слой торкретбетона, или блоками из наиболее стойкого в этих условиях жаростойкого бетона или огнеупора.

ТРЕБОВАНИЯ, УКАЗЫВАЕМЫЕ В ПРОЕКТАХ

9.49 В рабочих чертежах конструкций или в пояснительной записке к проекту должны быть указаны:

наибольшая температура нагрева конструкции при эксплуатации, принятая в расчете;

вид и класс бетона по предельно допустимой температуре применения;

класс бетона по прочности на сжатие и требуемая прочность бетона при температуре во время эксплуатации;

виды (классы) арматуры и марка жаростойкой стали;

вид увлажнения бетона и его периодичность при эксплуатации;

прочность бетона при отпуске сборных элементов предприятием-изготовителем;

способы обетонирования стыков и узлов, марка и состав раствора для заполнения швов в стыках элементов.

10 РАСЧЕТ И КОНСТРУИРОВАНИЕ НЕКОТОРЫХ ЭЛЕМЕНТОВ КОНСТРУКЦИЙ ТЕПЛОВЫХ АГРЕГАТОВ

10.1 Приводятся расчеты на воздействие высокой температуры некоторых наиболее типичных элементов конструкций тепловых агрегатов из жаростойкого бетона и железобетона, работающих в условиях воздействия неравномерного нагрева.

ФУНДАМЕНТЫ

10.2 Прямоугольная фундаментная плита толщиной г и размером в плане 2l´2b, причем l > b, имеет арматуру по контуру. Фундамент по высоте нагрет равномерно, а в горизонтальной плоскости - неравномерно от максимальной tb в центре до tsb и ttl на арматуре у короткой и длинной сторон (рис. 10.1).

а - температуры; б - напряжений в прямоугольной железобетонной плите при неравномерном нагреве бетона с криволинейным распределением температуры от центра плиты до ее сторон; 1 - бетон; 2арматура
Рисунок 10.1 - Расчетные схемы распределения

Плиту, имеющую трещины в растянутой зоне, условно разрезают на две полуплиты по более длинной осевой линии - I-I. Каждую полуплиту рассчитывают как защемленную статически неопределимую балку с высотой сечения b.

Изгибающий момент в сечении II-II полуплиты от воздействия температуры определяют по формуле (6.49), в которой Мt умножают на коэффициент j, принимаемый по табл. 10.1 в зависимости от отношения сторон плиты

Таблица 10.1

Коэффициент

Отношение стороны  прямоугольной плиты

1,0

1,5

2,0

4,0 и более

j

0,80

0,90

0,95

1,00

j1

1,0

1,5

1,8

2,0

Кривизну  оси и жесткость D полуплиты высотой b от воздействия температуры определяют по формуле (6.44) и (8.33) при h0 = b0.

Расчет плиты производят методом последовательного приближения. В первом приближении для более длинной стороны 2L плиты определяют минимальное количество арматуры по формуле

                                                                                                                      (10.1)

для которой принимают Rbtem по формуле (5.5) и Rst - по формуле (5.20).

Вычисленный момент Мtl должен удовлетворять условию прочности при изгибе согласно выражению (7.6). Если условие (7.6) не удовлетворяется, то необходим повторный расчет с увеличенным количеством арматуры.

Площадь растянутой арматуры, устанавливаемой по короткой стороне 2b плиты, определяют по формуле

                                                                                                                             (10.2)

Коэффициент j1 принимается по табл. 10.1.

Ширину раскрытия трещин в растянутой зоне плиты проверяют по формуле (8.10) при напряжении в арматуре, вычисленном по формуле (8.16), в которой М = Мtl, Аs = Аsl. Расстояние z от центра тяжести площади сечения арматуры Аsb до точки приложения равнодействующей усилий в сжатой зоне бетона сечения II-II полуплиты определяют по формуле (8.17) при h0 = l0 (рис. 10.1). Порядок расчета прямоугольного железобетонного фундамента на воздействие температуры принимают по п. 10.5.

10.3 Круглая фундаментная плита армирована по периметру кольцевой арматурой. Круглая плита по толщине нагрета равномерно, а в горизонтальной плоскости - неравномерно. Максимальная температура бетона ts (рис. 10.2, а).

Кривизна от воздействия температуры (т.е. относительный угол поворота вертикального сечения плиты) определяют по формуле (6.44) при h0 = rs.

Изгибающий момент, действующий в вертикальном сечении полуплиты на длине радиуса rr (рис. 10.2, б), определяют по формуле (6.49), в которой жесткость D вертикального сечения плиты высотой h0 = rs по растянутой зоне вычисляют по формуле (8.33).

а - температуры и деформаций; б - напряжений в круглой железобетонной плите при неравномерном нагреве бетона с линейным распределением температуры от центра плиты до ее края
Рисунок 10.2 - Расчетные схемы распределения

Коэффициент армирования плиты принимают равным

                                                                                                                                (10.3)

где t - толщина плиты.

Расчетный изгибающий момент Мt должен удовлетворять условию прочности плиты согласно выражению (7.6).

Раскрытие трещин в плите проверяют по формуле (8.10) при напряжении в арматуре, вычисленном по формуле (8.16).

Порядок расчета круглого железобетонного фундамента на воздействие температуры принимают согласно п. 10.5.

Снижение напряжений в металлическом кожухе теплового агрегата может быть достигнуто путем повышения его температуры устройством наружной теплоизоляции или прослойки между кожухом и бетоном из легкого деформируемого материала.

В этом случае круглую фундаментную плиту следует рассчитывать согласно п. 10.4.

10.4 Круглая бетонная фундаментная плита имеет кожух, между кожухом и бетоном плиты положена прослойка из легкого деформируемого материала: асбеста, крошки из диатомитового кирпича, углеродистой набойки и др. (рис. 10.3). Такую плиту рассчитывают по п. 10.3. При вычислении жесткости D по формуле (8.33) принимают коэффициент ys = 1, и вместо - Еst условный модуль упругости стали Еstс, определяемый по формуле

                                                                                                            (10.4)

где ds, di - соответственно толщина кожуха и прослойки;

rs - радиус кожуха;

vi - коэффициент упругости прослойки из легкодеформируемого материала, принимаемый равным 0,1;

Еi - модуль упругости материала прослойки, принимаемый равным 100 МПа для асбеста и засыпки из диатомитового кирпича, 120 МПа - для углеродистой набойки и 150 МПа - для засыпки из шамотного песка или мергеля.

а - температуры и деформаций; б - напряжений в круглой бетонной плите с наружным кожухом при неравномерном нагреве бетона с линейным распределением температуры от центра плиты до кожуха; 1 - кожух; 2 - эластичная прокладка; 3 - жаростойкий бетон
Рисунок 10.3 - Расчетные схемы распределения

Значения коэффициента ползучести и модуля упругости материалов прослойки могут быть уточнены на основании опытной проверки их деформаций под нагрузкой.

Расчетный изгибающий момент, вычисленный по формуле (6.49), должен удовлетворять условию прочности плиты согласно выражению (7.6). В плитах, армированных стальным кожухом, раскрытие трещин в бетоне не проверяют.

10.5 Расчет конструкций фундаментов, указанных в пп. 10.2-10.4, производят в следующем порядке.

При принятом составе бетона и его температуре в центре плиты определяют температуру арматуры по методике расчета температур ограждающих конструкций (пп. 6.1-6.8).

Для принятых класса и состава бетона, а также класса арматуры определяют необходимые для расчета характеристики бетона и арматуры.

Задаваясь минимальным коэффициентом армирования по формуле (10.1) и принимая в первом приближении М1 равным правой части уравнения (7.6), по формуле (6.42) вычисляют коэффициент astm.

По формуле (6.43) вычисляют кривизну элемента от воздействия температуры.

Относительную высоту сжатой зоны в сечении с трещиной вычисляют по формуле (8.54) и коэффициент ys - по формуле (8.22).

Жесткость плиты с трещинами в растянутой зоне бетона вычисляют по формуле (8.33). В случае прямоугольной плиты жесткость определяют по сечению II-II (рис. 10.1).

Имея значения  и D по формуле (6.49) определяют первое значению Мt. По найденному первому значению Мt снова вычисляют x, ys и D. По новому значению жесткости D определяют второе значение Мг и так далее до тех пор, пока расхождение между последним и предыдущем значениями Мt не будет превышать ±5 %. После определения изгибающего момента от воздействия температуры производят проверку прочности плит и раскрытие трещин.

СТЕНЫ

10.6 Стены тепловых агрегатов из жаростойкого бетона и железобетона предназначаются для защиты от воздействия высокой температуры. В зависимости от схемы конструкции и условий работы теплового агрегата стены разделяют на несущие и ненесущие.

К несущим стенам относят конструкции, в которых от собственного веса, нагрузки и неравномерного нагрева по высоте сечения возникают напряжения сжатия более 10 МПа.

К ненесущим стенам относят конструкции, в которых отсутствуют усилия от внешней нагрузки и неравномерного нагрева по высоте сечения, а напряжения от собственного веса не превышают 10 МПа.

Толщину ненесущих стен определяют теплотехническим расчетом. Толщину несущих стен сначала определяют теплотехническим расчетом, а затем проверяют расчетом на прочность.

10.7 Стены ограждающих конструкций тепловых агрегатов проектируют:

однослойными из сборного или монолитного железобетона (рис. 10.4);

то же, с теплоизоляцией и металлическим кожухом;

двухслойными или многослойными из сборного или монолитного железобетона с теплоизоляционной прослойкой;

из панелей с пустотами, которые могут быть заполнены теплоизоляцией из легкого жаростойкого бетона или другого материала;

из панелей ребристой конструкции с тепловой изоляцией, расположенной между ребрами.

В тепловом агрегате, имеющем в плане круглое, квадратное или прямоугольное очертание и стены одинаковой толщины, при нагреве с внутренней стороны возникает изгибающий момент, одинаковый в продольном и поперечном направлениях.

а - однослойная из сборного или монолитного железобетона; б - то же, с теплоизоляционной штукатуркой; в - то же, с теплоизоляцией и стальным кожухом; 1 - арматура; 2 - теплоизоляционная штукатурка; 3 - металлическая сетка; 4 - стальной кожух; 5 – теплоизоляция
Рисунок 10.4 - Железобетонные стены тепловых агрегатов

Количество горизонтальной арматуры, устанавливаемой у наружной поверхности стен, в первом приближении определяют по формуле (10.1). Момент Мt находят по формуле (6.49). Этот момент должен удовлетворять условию прочности вертикального сечения стены при изгибе согласно неравенству (7.6).

Прочность горизонтального сечения стены проверяют на совместное действие сжимающей силы от собственного веса, нагрузки и неравномерного нагрева, как это принято для сжатых элементов. Раскрытие трещин в стенах проверяют по формуле (8.10).

10.8 В железобетонных стенах тепловых агрегатов кольцевого или коробчатого очертаний в плане с компенсационными швами (см. п. 9.38) определение изгибающего момента от воздействия температуры производят по формуле (6.49). При этом в формулы для определения кривизны и жесткости сечений вместо h0 подставляют условную высоту сечения элемента hои, вычисляемую по формуле

                                                                                               (10.5)

где lj - высота сечения по шву.

ПОКРЫТИЯ

10.9 Сферический купол из жаростойкого железобетона (рис. 10.5) монолитно сопряжен с опорным кольцом и подвергается воздействию равномерно распределенной вертикальной нагрузки и нагреву со стороны нижней поверхности. Купол и опорное кольцо неравномерно нагреты по высоте сечения.

1 - температур; 2 - деформаций; 3 - кольцевых усилий; 4 - моментов от неравномерного нагрева по высоте сечения купола и опорного кольца из жаростойкого железобетона
Рисунок 10.5 - Расчетные схемы

Распор от нагрева купола воспринимает арматура опорного кольца. От неравномерного нагрева по высоте сечения купола возникают равные по значению изгибающие моменты в кольцевом и радиальном направлениях, вызывающие в кольцевой и радиальной арматуре усилия растяжения, а в бетоне со стороны более нагретой поверхности - усилия сжатия. Эти моменты в любом сечении купола, нормальном к его срединной поверхности, определяют по формуле (6.49).

Вследствие ограничения деформаций купола опорным кольцом при нагревании возникает распор, воспринимаемый арматурой опорного кольца. Кроме того, в бетоне краевой зоны купола возникают меридиональные Т1t и кольцевые Т2t усилия сжатия, которые достигают своего максимума в опорном сечении I-I по плоскости сопряжения купола с опорным кольцом. В расчете учитывают только кольцевые усилия Т2t, так как меридиональные усилия Т1t по своему значению в несколько раз меньше кольцевых и их в данном случае можно не учитывать.

При высоте сечения опорного кольца

h0 = (rs - r1) ³ 0,1rs                                                                                                               (10.6)

по формуле (6.49) определяют также изгибающий момент Мt1 от неравномерного нагрева по высоте сечения опорного кольца в радиальном направлении.

Распор от нагрузки и собственного веса, воспринимаемый арматурой опорного кольца, а также кольцевое и меридиональное усилия сжатия в куполе находят по правилам строительной механики, используя безмоментную теорию.

Усилия в опорном кольце и в куполе от воздействия температуры определяют из условия неразрывности деформаций наружной грани купола и опорного кольца. Распор от воздействия температуры на один сантиметр периметра опорного кольца определяют по формуле

                                                                                                   (10.7)

где  - температура бетона на уровне срединной поверхности купола;

tb1 - температура менее нагретой поверхности купола;

ts - температура арматуры опорного кольца.

rb = rsina;                                                                                                                               (10.8)

                                                                                                                          (10.9)

r - радиус срединной поверхности купола;

D - жесткость сечения шириной 1 см купола по растянутой зоне, вычисляемая по формуле (8.33);

gt - коэффициент перегрева, принимаемый равным 1,1;

Аs - площадь арматуры опорного кольца;

ys - коэффициент, учитывающий работу растянутого бетона в опорном кольце, определяемый по формуле (8.22) как для растяжения, если высота сечения опорного кольца rs - r1 < 0,1rs, и как при изгибе, если rs - r1 ³ 0,1rs.

Коэффициент армирования принимают по площади сечения опорного кольца

Ab = h1(rs - r1).

При наличии в пяте купола шва опирание купола можно считать шарнирным и в знаменателе формулы (10.7) коэффициент j принимается равным 2. При монолитном сопряжении купола с опорным кольцом, где арматура купола анкеруется в опорном кольце, коэффициент принимается равным 4.

Усилие в арматуре опорного кольца от распора, вызванного воздействием температуры, вычисляют по формуле

Nt = Htrs.                                                                                                                               (10.10)

Максимальное усилие Т2t сжатия бетона от воздействия температуры в опорном сечении I-I шириной b = 1 см, расположенном на границе сопряжения купола с опорным кольцом, определяют по формуле

                                                                                                             (10.11)

При расчете на кратковременный прогрев Еbt определяют по формуле (5.9), в которой bb принимают по табл. 5.3. При расчете на длительный нагрев Еbt заменяют на Еbt, который определяют по формуле (5.10), принимая jb,cr по табл. 5.5. Коэффициент j как в формуле (10.7).

Длина участка купола, на котором возникают кольцевые усилия в бетоне Т2t, равна

                                                                                                                        (10.12)

Распор в опорном кольце от равномерно распределенной нагрузки и собственного веса купола определяют по формуле

                                                                                                                   (10.13)

где q - равномерно распределенная нагрузка с учетом собственного веса купола, МПа.

Усилие в арматуре опорного кольца от нагрузки определяют по формуле

Nf = Hfr1.                                                                                                                              (10.14)

Кольцевое усилие сжатия в опорном сечении I-I купола шириной b = 1 см от нагрузки и собственного веса вычисляют по формуле

                                                                                               (10.15)

а максимальное меридиональное усилие сжатия по формуле

                                                                                                                     (10.16)

Усилия в опорном кольце и в куполе от совместного воздействия температуры, собственного веса и нагрузки алгебраически суммируют. При высоте сечения опорного кольца (rs - r1) < 0,1rs расчетное усилие растяжения N = Nt + Nf в кольцевой арматуре должно удовлетворять условию прочности при центральном растяжении согласно формуле (7.24). При устройстве компенсационных швов и высоте сечения опорного кольца rs - r1 ³ 0,1rs или h0i > 0,1rs расчетное усилие в кольцевой арматуре N и момент Мt1 вызывают в опорном кольце внецентренное растяжение.

Эксцентриситет продольной силы N относительно центра тяжести приведенного сечения опорного кольца вычисляют по формуле

                                                                                                                      (10.17)

где е1 - расстояние от центра тяжести площади сечения кольцевой арматуры до центра тяжести приведенного сечения опорного кольца.

Расчет прочности и раскрытия трещин в бетоне опорного кольца с односторонним армированием с учетом Мt1 производят как для первого случая внецентренного растяжения элемента (с большим эксцентриситетом). При этом проверку прочности арматуры кольца производят согласно неравенству (7.27) при А's = 0, раскрытие трещин определяют по формуле (8.10).

Расчет прочности и раскрытия трещин в бетоне опорного кольца с односторонним армированием без учета Мt1 производят как для центрально-растянутого элемента.

Расчет прочности купола производят по наиболее напряженному опорному сечению I-I на расчетное кольцевое усилие Т2 = Т2f + Т2t и момент Мt от неравномерного нагрева по высоте сечения купола. Прочность опорного сечения купола проверяют по формуле на сжатие силой Т2, приложенной с эксцентриситетом  относительно центра тяжести приведенного сечения купола.

Раскрытие кольцевых или меридиональных трещин в бетоне проверяют в сечении купола II-II в центре пролета при действии кольцевого усилия  и момента Мt от неравномерного нагрева по высоте сечения как при внецетренном сжатии.

При длительном нагреве проверяют только прочность наиболее ненапряженного опорного сечения купола I-I на внецентренное сжатие силой Т2 в кольцевом направлении. При этом должно также удовлетворяться условие прочности опорного сечения купола при сжатии от действия только меридионального усилия Т1f, вычисленного по формуле (10.16).

Прогиб сферического купола в центре пролета при его загружении равномерно распределенной нагрузкой допускается вычислять по формуле

                                                                                                             (10.18)

где

                                                                                                                                  (10.19)

                                                                                                                                (10.20)

jw - коэффициент, учитывающий геометрические параметры купола, принимают по табл. 10.2;

Еbt - как в формуле (10.11).

Таблица 10.2

α

Коэффициент jw×103 в зависимости от l, равной

10

20

30

40

50

0,50

200,00

133,80

85,36

55,84

38,07

0,70

136,20

57,69

28,09

15,66

9,67

0,75

119,60

45,87

21,36

11,65

7,12

1,00

55,84

15,01

6,16

3,25

2,01

1,25

24,92

5,63

2,31

1,27

0,81

1,50

11,65

2,52

1,09

0,61

0,39

10.10 Купол из жаростойкого бетона с опорным кольцом из жаростойкого железобетона подвергается одностороннему нагреву и равномерно распределенной нагрузке (рис. 10.6).

Распор от воздействия температуры на один сантиметр периметра опорного кольца определяют по формуле (10.7) при j = 2.

1 - температур; 2 - деформаций; 3 - кольцевых усилий; 4 - моментов от неравномерного нагрева по высоте сечения купола из жаростойкого бетона и опорного кольца из жаростойкого железобетона; 5 - пята свода
Рисунок 10.6 - Расчетные схемы

В формуле (10.7) все значения принимают такими же, как для железобетонного купола, кроме жесткости D. В этом случае жесткость купола вычисляют по формуле (8.33) с учетом длительности нагрева. При нагреве бетонного купола, в котором от нагрузки и собственного веса возникают усилия до 0,1 от несущей способности купола, определение приведенного момента инерции сечения Ired производят по формуле (6.22) без учета арматуры. Высоту сечения купола при определении Ired по формуле  (6.22) принимают в зависимости от температуры наиболее нагретой грани бетона, °С:

до 600.................................................. h

1000 и более................................. 0,67h

Для температуры бетона от 600 до 1000 °С изменение высоты сечения купола принимают по интерполяции. При усилиях в куполе более 0,1 от несущей способности независимо от температуры нагрева высоту сечения принимают равной h.

Для бетонного купола момент в меридиональном и кольцевом направлениях от неравномерного нагрева по высоте сечения купола принимают равным нулю.

10.11 При монолитном сопряжении свода со стенами, когда арматура свода анкеруется в стене, своды являются элементами рамных конструкций и расчетные усилия в них определяют как для статически неопределимых конструкций.

В конструкциях тепловых агрегатов с металлическим или железобетонным каркасом передачу распора от сводов на каркас осуществляют через опорные балки, имеющие наклонную пяту для опирания свода. Если температура нагрева не превышает предельно допустимую температуру применения арматуры, то применяют железобетонные своды.

10.12 Цилиндрический железобетонный свод покрытия теплового агрегата имеет одностороннее армирование, расположенное в менее нагретых слоях бетона, и неподвижные опоры (рис. 10.7). В зоне сопряжения свода с опорной балкой предусматривают шов. Свод подвергается неравномерному нагреву по высоте сечения со стороны нижней поверхности и действию равномерно распределенной нагрузки.

Рисунок 10.7 - Расчетная схема цилиндрического свода из жаростойкого бетона при одностороннем нагреве

Распор от воздействия температуры определяют как для свода с тремя пластическими шарнирами, расположенными в опорных сечениях и в центре пролета, по формуле

                                                                                                               (10.21)

При этом наибольший распор в своде вычисляют при кратковременном нагреве по п. 4.12.

Продольная сила N1t в замке свода (сечение I-I) от воздействия температуры равна распору Нt, а в опорном сечении II-II она вычисляется по формуле

N1t = Нt со.                                                                                                                        (10.22)

Момент в замке от воздействия температуры

M1t = -(Mt + Нtlc),                                                                                                                 (10.23)

а в опорном сечении

M2t = Нt (f - lс) - Mt.                                                                                                              (10.24)

При этом расчетный момент в опорном сечении должен удовлетворять условию

| M2t | £ 0,5Нthсо.                                                                                                              (10.25)

Если это условие не удовлетворяется, то момент принимают равным 0,5Нthсоsα.

В формулах (10.21 - 10.25) принято:

et - деформация оси свода в направлении пролета от нагрева, определяемая по формуле (6.43);

D - жесткость сечения свода в замке по растянутой зоне, определяют по формуле (8.66) с учетом длительности нагрева;

h - коэффициент, учитывающий влияние продольных сил на величину распора. При температуре бетона более нагретой поверхности свода до 400 °С включ.

                                                                                                                             (10.26)

более 400 °С

                                                                                                                           (10.27)

где Аred, Ired - соответственно площадь и момент инерции приведенного сечения свода в замке, определяемые по формулам (6.27) и (6.29). Для свода с высотой сечения h £ 0,5l, а также для свода с подъемом f ³ 1/8l и высотой сечения h £ 0,1l коэффициентом h можно пренебречь;

D - горизонтальное перемещение конца жесткой консоли в основной системе, вызванное поворотом сечений в пластических шарнирах

D = fq;                                                                                                                                   (10.28)

                                                                                                 (10.29)

                                                                                                                 (10.30)

где m - коэффициент армирования свода, %, принимаемый не более 2,5 %; при m = 0 j = 50, а при m = 2,5 % j = 0;

 - кривизна железобетонного свода с трещинами в растянутой зоне, вычисляемая по формуле (6.44).

При определении угла q коэффициент ползучести jd,cr принимают по табл. 5.5 в зависимости от средней температуры бетона сечения свода. Коэффициенты j1 в формуле (10.21) и j2 в формулах (10.26 и 10.27) зависят от центрального угла свода 2a и значения их принимают по табл. 10.3. Длину жесткой консоли lc в основной системе определяют по формуле

                                                                                                                   (10.31)

Момент в своде от воздействия температуры определяют с учетом поворота сечений в пластических шарнирах по формуле

                                                                                                         (10.32)

При действии равномерно распределенной нагрузки и собственного веса в замке и в опорном сечении свода определяют продольную силу и изгибающий момент. В замке свода продольная сила N1f равна распору Нf.

Распор от равномерно распределенной нагрузки и собственного веса определяют как для бесшарнирного свода по формуле

                                                                                                                        (10.33)

где q - равномерно распределенная нагрузка на 1 м пролета свода.

Изгибающий момент в замке свода

M1f = Mf Нflc.                                                                                                                     (10.34)

В опорном сечении свода продольная сила

N2f = Нfсо + 0,5qlcsinα                                                                                                       (10.35)

и изгибающий момент

M2f = Мf+ Нf(f - lс) - 0,5qr2sin2α.                                                                                          (10.36)

Изгибающий момент от равномерно распределенной нагрузки вычисляют по формуле

                                                                                                               (10.37)

Коэффициенты j3 и j4 в формулах (10.33) и (10.37) принимают по табл. 10.3 в зависимости от центрального угла свода 2a.

Таблица 10.3

Угол дуги свода 2a.

Коэффициенты

j1

j2

j3

j4

j5

j6

j7

35

0,000118

5019

1,09

0,0186

0,0463

0,000361

0,006330

40

0,000185

3700

1,06

0,0277

0,0603

0,000597

0,010688

45

0,000310

2500

1,03

0,0391

0,0766

0,000969

0,016932

50

0,000560

1295

1,00

0,0533

0,0937

0,001450

0,025515

60

0,001750

543

0,97

0,0906

0,1340

0,002930

0,051461

70

0,003610

299

0,94

0,1410

0,1810

0,005310

0,092155

80

0,006790

175

0,91

0,2060

0,2340

0,008830

0,151455

90

0,012300

105

0,88

0,2850

0,2930

0,013700

0,232242

100

0,020000

68

0,84

0,3800

0,3570

0,020200

0,337199

110

0,031900

45

0,81

0,4900

0,4260

0,028400

0,467923

120

0,047800

31

0,78

0,6140

0,5000

0,038500

0,625000

От совместного действия нагрузки, собственного веса и температуры изгибающие моменты и продольные силы алгебраически суммируются. Эксцентриситет продольной силы относительно оси, проходящей через центр тяжести приведенного сечения свода, определяют по формуле (7.16).

Наиболее напряженные сечения железобетонного свода в замке и на опоре рассчитывают на внецентренное сжатие при кратковременном и длительном нагреве. Сечение железобетонного свода в замке с одиночной верхней арматурой рассматривают как бетонное, если момент M1t меньше момента от собственного веса свода и нагрузки M1f. Прочность опорного сечения свода проверяют без учета арматуры по формуле (7.1), принимая расчетное сопротивление бетона по формуле (5.5), в которой коэффициент принимают по табл. 5.3 в зависимости от средней температуры бетона в сечении свода.

Раскрытие трещин в бетоне замка свода при внецентренном сжатии с большим эксцентриситетом и с продольной силой, расположенной со стороны более нагретой поверхности свода, определяют по формуле (8.10).

Выгиб железобетонного или бетонного свода в замке от воздействия температуры определяют по формуле

                                                                                         (10.38)

От равномерно распределенной нагрузки и собственного веса прогиб свода при нагреве в замке вычисляют по формуле

                                            (10.39)

где Нf и Мf - определяют соответственно по формулам (10.33) и (10.37);

j5, j6 и jф7 - коэффициенты, принимают по табл. 10.3;

D - жесткость сечения в замке, вычисляют по формуле (8.33) для железобетонного свода с учетом длительности нагрева (для бетонного свода без учета арматуры);

Аred - площадь приведенного сечения свода, вычисляют по формуле (6.27);

Еbt - как в формуле (10.18)

Прогиб и выгиб свода от совместного воздействия температуры, собственного веса и нагрузки алгебраически суммируют. При наличии в своде сквозных отверстий площадь сечения бетона следует уменьшить на площадь отверстий.

10.13 Цилиндрические бетонные своды применяют при температурах нагрева, превышающих предельно допустимую температуру применения арматуры. Толщину цилиндрических бетонных сводов принимают не менее 1/20 пролета. Бетонные своды опирают на продольные балки по наклонному шву (пяте), идущему перпендикулярно осевой линии свода.

Цилиндрический бетонный свод, очерченный по дуге круга, подвергается неравномерному нагреву по высоте сечения со стороны нижней поверхности и действию равномерно распределенной вертикальной нагрузки, включающей собственный вес свода. Свод имеет неподвижные опоры. Методика расчета бетонного свода в нагретом состоянии зависит от напряжения сжатия в бетоне, вызванного нагрузкой и собственным весом.

Предварительную оценку напряженного состояния производят по средним напряжениям сжатия бетона в замке, определяемым как для трехшарнирного свода (рис. 10.8) по формуле

                                                                                                                          (10.40)

где b - ширина свода.

1 - свод до нагрева; 2 - свод нагретый; 3 - условный шарнир
Рисунок 10.8 - Схема работы трехшарнирного свода при нагреве с напряжениями сжатия в бетоне от нагрузки и собственного веса до 0,05 МПа

Если вычисленные по формуле (10.40) напряжения сжатия в бетоне замка свода sbf £ 0,05 МПа, то расчет прочности сечений свода можно не производить. Распор от совместного действия собственного веса, равномерно распределенной нагрузки и температуры определяют как для условного трехшарнирного свода с расчетным пролетом l0 и стрелой подъема f0 по формуле

                                                                                                                              (10.41)

где

l0 = l + hsinа;                                                                                                                         (10.42)

                                                                                              (10.43)

Выгиб свода в замке от воздействия температуры при sbf £ 0,05 МПа определяют по формуле

                                                                                            (10.44)

где

                                                                                                               (10.45)

                                                                                                                            (10.46)

et - деформация свода от воздействия температуры по оси в направлении пролета, вычисляемая по формуле (6.37).

Если вычисленные по формуле (10.40) напряжения сжатия в бетоне замка свода sbf > 0,05 МПа, то распор по формуле (10.21), в которой значения et и D вычисляют как для бетонного свода, а жесткость D - по формуле (8.33) в зависимости от длительности нагрева и средней температуры бетона свода.

Изгибающий момент от воздействия температуры в замке свода определяют по формуле

M1t = - Нtlc.                                                                                                                           (10.46)

В формуле (10.46) lc вычисляют по формуле (10.31).

Изгибающий момент M2t от воздействия температуры в опорном сечении свода II-II вычисляют по формуле (10.24). При этом расчетное значение M2t должно удовлетворять условию (10.25).

Распор, изгибающий момент в замке свода, продольную силу и изгибающий момент в опорном сечении свода от равномерно распределенной нагрузки и собственного веса определяют соответственно по формулам (10.33-10.36).

Расчетные изгибающие моменты и продольные силы в замке и в опорном сечении свода от совместного действия собственного веса, нагрузки и температуры определяют алгебраически суммированием. После определения эксцентриситетов продольных сил в замке и в опорном сечении производят проверку прочности этих сечений на внецентренное сжатие по формуле (7.1) для кратковременного и длительного нагрева.

Выгиб свода в замке от воздействия температуры определяют по формуле (10.38), а прогиб от собственного веса и нагрузки - по формуле (10.39).

10.14 Для уменьшения распора и раскрытия трещин в бетоне от воздействия температуры цилиндрические своды рекомендуют проектировать с податливыми опорами. Податливые опоры при нагревании свода могут перемещаться. Перемещение опор регулируется спиральными или тарельчатыми пружинами, установленными в узлах сопряжения стоек с затяжками каркаса, или соответствующей жесткостью каркаса.

В бетонных и железобетонных сводах с податливыми опорами при расчете распора от воздействия температуры по формуле (10.21) необходимо учитывать перемещение опор.

При перемещении опор без их поворота, определение распора от воздействия температуры в бетонном и железобетонном сводах производят по формуле

                                                                                                        (10.47)

где d - перемещения одной опоры свода от распора Н = 10Н, приложенного на уровне пересечения осевой линии свода с пятой;

j1 - коэффициент, принимаемый по табл. 10.3;

et, l, h - принимают согласно требованиям пп. 10.12 и 10.13.

D - жесткость по 8.33.

Для вычисления D по формуле (10.28) необходимо определить угол q по формуле (10.29), в которой коэффициент j находят по формуле

                                                                                                                 (10.48)

При расчете бетонных сводов с податливыми опорами, когда среднее напряжение сжатия бетона в замке от собственного веса и нагрузки, вычисленное по формуле (10.40), более 0,6 МПа, угол q и D принимают равными нулю.

Пружины или жесткость каркаса рекомендуют подбирать с таким расчетом, чтобы перемещение опоры свода от распора, равного 10H, находилось в пределах (0,10-0,20)×10-3 см.

Для обеспечения податливости опор свода при нагревании пружины предварительно должны быть поджаты с таким расчетом, чтобы уравновесить распор от собственного веса свода. При приложении нагрузки рекомендуют производить дальнейшее поджатие пружин для уравновешивания распора, создаваемого нагрузкой. При уравновешивании пружинами распора от собственного веса свода и нагрузки распор определяют по формуле (10.33) как для свода с неподвижными опорами.

Расчет прочности сечений свода с податливыми опорами производят на внецентренное сжатие по п. 10.13 как для сводов с неподвижными опорами.

10.15 Плоские подвесные покрытия при температурах нагрева до 800 °С могут быть выполнены из однослойных бетонных плит, подвешенных к несущим металлическим двутавровым балкам, заделанным в бетон. Плиты армируют сварными сетками (рис. 10.9).

Расстояние в осях между металлическими балками должно быть не более 1,5 м, а расстояние от оси крайней балки до края плиты - не более 0,5 м. Глубина заделки металлической балки в бетон принимается не менее 50 мм. Толщину бетона плиты определяют теплотехническим расчетом из условия, что температура заделанной в бетон металлической балки не должна превышать предельно допустимую температуру применения стали. Для большей надежности заделки металлической балки в бетон рекомендуют укладывать сетку из арматуры диаметром до 6 мм с размером ячеек не менее 100´100 мм и приварить ее к нижней полке.

1 - теплоизоляция; 2 - конструктивная арматурная сетка; 3 - несущая металлическая балка
Рисунок 10.9 - Расчетная схема определения прочности заделки металлической балки в бетон плиты

Для образования зазоров в бетоне, компенсирующих температурное расширение металла, заделываемая часть балок должна покрываться слоем выгорающей обмазки.

Прочность заделки металлической балки в бетоне определяют на основании расчета бетонного сечения, наклонного к продольной оси балки под углом 45° от нижней полки металлической балки до верхней поверхности бетона, на действие изгибающего момента от собственного веса плиты.

Нагрузка, передающаяся от плиты на единицу длины металлической балки, должна удовлетворять условию

                                                                                                                     (10.49)

где h1 - глубина заделки балки в бетон;

b - ширина полки балки, см;

Rbtt - определяют по формуле (5.7), в которой коэффициент gtt принимают по табл. 5.3 в зависимости от температуры бетона на уровне нижней полки металлической балки.

10.16 Покрытия при температурах нагрева более 800 °С осуществляют из сборных подвесных железобетонных ребристых панелей (рис. 10.10) с окаймляющими поперечными ребрами или без них.

Рисунок 10.10 - Расчетная схема определения усилий в подвесной ребристой панели от собственного веса

Расстояния между осями ребер принимают lf £ 150 см; bf £  150 см; и ширина ребра b ³ hfj высоты полки в сечении с усадочным швом. Подвесную панель рассматривают как двухконсольную балку. Расстояние между подвесками lf и длину консоли lс следует принимать такими, чтобы в бетоне полки не возникали растягивающие напряжения. При равномерно распределенном весе q по длине панели это условие выполняется, если lс ³ 0,5lf.

Прочность подвесных панелей, имеющих окаймляющие ребра, проверяют в наиболее напряженных местах: вертикальном сечении I-I и в горизонтальных сечениях II-II и III-III. Расчет прочности вертикального сечения I-I производят на действие изгибающего момента от собственного веса консоли при длительном нагреве. Этот момент определяют по формуле

                                                                                                                          (10.50)

где q - расчетная нагрузка от собственного веса подвесной панели, МПа.

Расчетный изгибающий момент, вычисленный по формуле (10.50) должен удовлетворять условию прочности панели согласно выражению (7.6).

При ширине ребра b > 1,2hf или b > 1,2hfj (если есть усадочные швы в полке) расчет панели производят без учета усилий, вызванных температурой.

Расчет прочности горизонтальных сечений II-II и III-III производят на действие собственного веса полки и тепловой изоляции, расположенной между ребрами, при длительном нагреве.

Собственный вес полки и тепловой изоляции вызывает в сечениях II-II и III-III внецентренное растяжение. Напряжения растяжения в точке 1 сечения, II-II вычисляют по формуле

                                                                                                           (10.51)

при расчете сечения III-III в формуле (10.51) вместо b вводится величина b + с;

N - продольная растягивающая сила от собственного веса панели ниже рассматриваемого сечения;

М1 - изгибающий момент, определяемый как для защемленной на двух опорах бетонной балки единичной ширины:

                                                                                                                           (10.52)

где q1 - равномерно распределенная нагрузка от собственного веса панели ниже расчетного сечения II-II или III-III.

При расчете панели, в которой консоль не имеет окаймляющего поперечного ребра по торцу, необходимо определять также изгибающий момент в месте сопряжения полки с поперечным ребром от собственного веса консоли в сечении II-II по формуле

                                                                                                                       (10.53)

При расчете сечения III-III в формулу (10.53) вместо l1 вводится l1 - с. При этом в формулу (10.51) следует подставлять наибольшее значение изгибающего момента, вычисленного по формулам (10.52 и 10.53).

Растягивающие напряжения в бетоне, вычисленные по формуле (10.51), должны удовлетворять условию прочности

sbt £ 0,7Rbtt.                                                                                                                          (10.54)

В неравенстве (10.54) Rbtt определяют по формуле (5.7), в которой коэффициент gbtt принимают по табл. 5.3 в зависимости от температуры бетона в сечении II-II или III-III.

ПЕРЕКРЫТИЯ

10.17 Купола перекрытий часто имеют многочисленные технологические отверстия диаметров 10-50 мм или несколько больших отверстий. Дырчатые купола часто выполняют из монолитного или сборного бетона. В цилиндрических печах кипящего слоя при диаметре перекрытия до 3 м монолитный дырчатый купол целесообразно разбивать радиальными и кольцевыми швами бетонирования на 3-8 сегментных элемента и один центральный круглый элемент диаметром до 1 м (рис. 10.11). При диаметре купола перекрытия более 3 м рекомендуют увеличивать количество как радиальных, так и кольцевых швов. Купола из сборных элементов имеют такое же расположение швов. Максимальный размер каждого элемента, расположенного между швами, не должен превышать 1,5 м. Радиальный шов как в сборных, так и в монолитных куполах в верхней части имеет уширение (рис. 10.12) которое заполняется жаростойким раствором.

1 - компенсационный шов; 2 - пята купола; 3 - радиальный шов; 4 - кольцевой шов
Рисунок 10.11 - Расчетные схемы бетонного купола перекрытия от воздействия температуры

1 - жаростойкий раствор; 2 - ширина шва в сборных куполах не менее 20 мм, в монолитных - впритык; 3 - бетонный элемент
Рисунок 10.12 - Радиальный шов в бетонном куполе

Кольцевые и радиальные стыки между сборными элементами заполняют жаростойким раствором на всю высоту сечения, а в монолитных куполах раствором заполняют только радиальные швы в их верхней части, где эти швы имеют уширение.

В монолитных бетонных куполах перекрытий без сквозных отверстий предусматривают радиальные и усадочные швы со стороны нижней сферической поверхности согласно п. 9.37.

Расчет бетонного купола перекрытия с плоской верхней поверхностью на воздействие равномерно распределенной нагрузки, собственного веса и температуры производят согласно п. 10.9 как сферическую бетонную оболочку, геометрическая ось которой проходит через середину высоты сечения купола в замке и в пяте (рис. 10.12).

В расчете принимают среднюю толщину оболочки  с радиусом кривизны оболочки r. Собственный вес оболочки принимают по средней высоте сечения и равномерно распределенным по длине пролета.

При наличии в куполе сквозных отверстий следует учитывать ослабление сечения бетона отверстиями.

10.18 Расчет бетонных сводов с плоской верхней поверхностью и нижней цилиндрической поверхностью на воздействие равномерно распределенной нагрузки, собственного веса и температуры производят по аналогии с расчетом цилиндрических сводов, изложенным в п. 10.13. При этом распор от воздействия температуры в сводах с неподвижными опорами вычисляют по формуле (10.21), а в сводах с податливыми опорами - по формуле (10.47). Жесткость таких сводов принимают по средней высоте сечения свода, расположенного на расстоянии 1/4 пролета от опоры.

Для восприятия распора от бетонного свода устраивают добавочное армирование стенки, опорную раму или каркас.

БОРОВА

10.19 Подземные и надземные борова из жаростойкого бетона и железобетона проектируют для отвода дымовых газов. Конструкцию подземных боровов принимают из сборных элементов прямоугольного, круглого, эллиптического и других видов сечения. Выбор формы сечения борова производят в зависимости от температуры отводимых газов. При температурах отводимых газов, не превышающих предельно допустимую температуру применения арматуры (табл. 5.10), борова проектируют прямоугольного или круглого сечения с передачей на арматуру растягивающих усилий, возникающих от внешних нагрузок и температуры. При более высоких температурах отходящих газов, при которых нельзя использовать работу арматуры на растяжение, целесообразно применять подземные борова эллиптического сечения или из жаростойких бетонных элементов с полуциркульным или лучковым сводом покрытия.

Подземный боров круглого сечения из жаростойкого железобетона (рис. 10.13) рассчитывают по следующим рабочим состояниям:

а - от воздействия температуры; б - от воздействия нагрузки; 1 - температур; 2 - деформаций; 3 - напряжений; 4 - усилий в подземном круглом железобетонном борове
Рисунок 10.13 - Расчетные схемы

Пуск в эксплуатацию. Действуют нагрузки, собственный вес и неравномерный нагрев по высоте сечения стенки борова. Горизонтальные и вертикальные сечения стен борова рассчитывают на внецентренное сжатие от совместного действия температуры, собственного веса и постоянной нагрузки. Внутреннюю арматуру в сжатой зоне стенок борова в расчете не учитывают.

Усилия от нагрузки определяют по правилам строительной механики, а изгибающий момент от неравномерного нагрева по высоте стенки борова - по формуле (6.49).

Расчетные сопротивления бетона и арматуры принимают для кратковременного нагрева.

Боров находится в эксплуатации. Стенки борова равномерно прогрелись. Горизонтальные и вертикальные сечения рассчитывают на действие нагрузки и собственного веса. Наружную арматуру в сжатой зоне сечения в расчете не учитывают.

При расположении бетонного или железобетонного борова над землей или в специальном коробе, воспринимающем внешнюю нагрузку, расчет борова производят на изгибающий момент от неравномерного нагрева по высоте стенки и на собственный вес. В этом случае борова могут иметь любое очертание.

10.20 При температуре дымовых газов выше предельно допустимой температуры применения арматуры (табл. 5.10) подземный боров из жаростойкого бетона имеет поперечное сечение в виде эллипса (рис. 10.14). Расчет борова производят по следующим рабочим состояниям.

а - температур и напряжений; б - усилий от воздействия нагрузки; 1 - температур; 2 - напряжений; 3 - усилий в подземном эллиптическом бетонном борове
Рисунок 10.14 - Расчетные схемы

Боров находится в земле в ненагретом состоянии. Действуют нагрузки и собственный вес. Очертание борова подбирают таким, при котором получают наименьшие изгибающие моменты от вертикальных и горизонтальных сил. Эллипс должен быть тем больше вытянут в вертикальном направлении, чем больше отношение между интенсивностью вертикального и бокового давления.

При равномерно распределенной внешней нагрузке отношение между вертикальным и горизонтальным диаметрами эллипса должно составлять примерно корень квадратный из отношения вертикального и бокового давления.

Усилия в сечениях стенки борова от нагрузки и собственного веса находят по формулам строительной механики.

Пуск в эксплуатацию. Стенки борова неравномерно нагреты. Сечения борова рассчитывают на внецентренное сжатие продольной силой от постоянной нагрузки и собственного веса по формулам (7.12 и 7.23).

Арматуру устанавливают только у наружной стороны стенки борова из расчета на монтажные нагрузки.

Боров находится в эксплуатации. Стенки равномерно прогреты. Арматуру в работе не учитывают из-за высокой ее температуры. Бетонные сечения борова рассчитывают на внецентренное сжатие по формуле (7.1).

Расчетное сопротивление бетона на сжатие принимают для длительного нагрева в зависимости от средней температуры бетона сжатой зоны.

При температуре отводимых газов выше предельно допустимой температуры применения арматуры рекомендуют также применять подземные борова из жаростойких бетонных блоков с цилиндрическим полуциркульным сводом (рис. 10.15, а) и с лучковым сводом (рис. 10.15, б). Блоки для таких боровов являются наиболее простыми в изготовлении. Сводовые блоки со стороны их наружной поверхности должны иметь арматурную сетку для восприятия монтажных нагрузок. При площади проходных сечений несущих боровов от 1 до 3,5 м2 и равномерно распределенной вертикальной постоянной нагрузке до 50 кН/м2 более экономичными являются борова с полуциркульным сводом, а при площади проходных сечений 4,5; 5,5 и 6,5 м2 - борова с лучковым сводом, имеющим центральный угол 2a = 120°. При таком угле по высоте нормальных сечений свода напряжения сжатия от его собственного веса внешней нагрузки и давления грунта распределяются наиболее равномерно. При площади проходного сечения более 6,5 м2 необходимо применять борова, расположенные в несущих железобетонных тоннелях.

Расчет боровов из жаростойких бетонных блоков с полуциркульным или лучковым сводом производят по следующим состояниям:

а - с цилиндрическим полициркульным сводом; б - с цилиндрическим лучковым сводом
Рисунок 10.15 - Конструкция несущих боровов из жаростойких бетонных блоков для отвода газов с температурой до 800 °С

Боров находится в земле в ненагретом состоянии. Действуют нагрузки от давления грунта и собственный вес. Прочность сечений свода и горизонтальных сечений стен проверяют на действие изгибающего момента и продольной силы от собственного веса и симметричного бокового давления грунта до верхней поверхности свода, а также от собственного веса и давления грунта до поверхности земли. Несимметричную засыпку борова грунтом не допускают. Расчет прочности сечений борова в пусковой период не производят.

Боров находится в эксплуатации. Стенки и свод борова прогреты равномерно. Прочность сечений свода и горизонтальных сечений стен рассчитывают на внецентренное сжатие от совместного действия собственного веса и постоянной нагрузки по формуле (7.1) без учета усилий от воздействия температуры.

Расчетное сопротивление бетона на сжатие принимают для длительного нагрева при температуре бетона в расчетном сечении.

Усилия в сечениях борова из жаростойких бетонных блоков от воздействия нагрузки, давления грунта и собственного веса определяют по рис. 10.16 как в однопролетной раме с криволинейным ригелем и защемленными стойками.

qv - равномерно распределенная постоянная нагрузка; Рv1; Рv2 и Рv3 - вертикальные нагрузки от давления грунта; Рh1 и Рh2 - горизонтальные нагрузки от бокового давления грунта с учетом вертикальной равномерно распределенной нагрузки; r - плотность грунта
Рисунок 10.16 - Основная система для определения усилий в сечениях несущего борова из жаростойких бетонных блоков

Для определения усилий в сечениях рамы основную систему рекомендуют принимать в виде свода и двух защемленных внизу стоек с неизвестными усилиями, приложенными в пяте.

При симметричном загружении свода имеем два неизвестных усилия: распор Х1 и изгибающий момент Х3 в левом опорном сечении свода. Такие же усилия возникают и в правом опорном сечении свода. Вертикальная опорная реакция равна Х2, которая равна половине всей действующей на свод вертикальной нагрузки. Неизвестные усилия Х1 и Х3 определяют из условия неразрывности деформаций свода и стенки в опорном узле свода.

При этом условии линейное перемещение наклонного сечения свода D в направлении действия распора Х1 и угол поворота этого сечения q по направлению действия изгибающего момента Х3 соответственно равны им, противоположны по знаку перемещению D и углу поворота q наклонного сечения в пяте.

Условие неразрывности деформаций записывают в следующих уравнениях.

Перемещение по направлению Х1:

для сечения свода

d11Х1 + d13Х3 + D1g + D1q  + D1pv + D1ph = D;                                                                         (10.55)

для сечения стенки

                                                                       (10.56)

Складывая уравнения (10.55) и (10.56), получим

          (10.57)

Угол поворота по направлению изгибающего момента Х3:

для сечения свода

d31Х1 + d33Х3 + D3g + D3q  + D3pv + D3ph = j.                                                                         (10.58)

для сечения стенки

                                                                    (10.59)

Складывая уравнения (10.58) и (10.59), получим

          (10.60)

Решая совместно уравнения (10.57) и (10.60), определяем распор Х1 и изгибающий момент Х3.

В формулах (10.57)-(10.60) принято:

d11 и d13 - перемещения опорного сечения свода в основной системе по направлению силы Х1 соответственно от усилий  и

D1g; D1q; D1pv и D1ph - перемещения опорного сечения свода в основной системе по направлению силы Х1 соответственно от собственного веса половины свода, вертикальной внешней нагрузки, вертикального и горизонтального давления грунта только на одну половину свода;

 - перемещения опорного сечения стенки в основной системе по направлению силы Х1 соответственно от усилий  и

 - перемещения сечения стенки в основной системе по направлению силы Х1 соответственно от собственного веса одной стенки, вертикальной внешней нагрузки, вертикального и горизонтального давления грунта только на одну стенку. В данном случае при вертикальных стенах борова:

d31 и d33 - углы поворота опорного сечения свода в основной системе по направлению изгибающего момента Х3 соответственно от усилий  и

D3g; D3q; D3pv и D3ph - углы поворота опорного сечения свода в основной системе по направлению изгибающего момента Х3 соответственно от собственного веса половины свода, вертикальной внешней нагрузки, вертикального и горизонтального давления грунта только на одну половину свода;

 - углы поворота сечения стенки в основной системе по направлению изгибающего момента Х3 соответственно от усилий  и

 - углы поворота сечения стенки в основной системе по направлению изгибающего момента Х3 соответственно от собственного веса одной стенки, вертикальной внешней нагрузки, вертикального и горизонтального давления грунта только на одну стенку. В данном случае при вертикальных стенах борова:

После определения неизвестных усилий Х1 и Х3 необходимо построить эпюры изгибающих моментов, нормальных и поперечных сил для рамной конструкции борова и вычислить расчетные усилия в наиболее напряженных сечения свода и стен.

При передаче усилий от стен на основание необходимо, чтобы сжимающие напряжения по подошве основания не превышали расчетное сопротивление грунта при сжатии.

ПРИЛОЖЕНИЕ А

ПРИМЕРЫ ПРИМЕНЕНИЯ ЖАРОСТОЙКОГО БЕТОНА В ЭЛЕМЕНТАХ КОНСТРУКЦИЙ ТЕПЛОВЫХ АГРЕГАТОВ

Наименование теплового агрегата

Элементы из жаростойкого бетона

Температура рабочего пространства печи, °С

Рекомендуемый состав бетона по табл. 5.1 (№)

I. В черной металлургии

Доменная печь

Фурменные приборы

1300

16,19

 

Шахта, пень лещади

1200

11

 

Газоотводы и наклонный газопровод

800

23,24

 

Пылеуловитель

800

23,24

Вагранки для плавки чугуна

Стены колосника и плавильного пояса

1300

19

Воздухонагреватели доменной печи

Стены (нижняя часть), днище

1200

11

 

Борова

800

23,24

Обжиговые машины агломерационного производства

Нижний коллектор и газоотводы

800

23,24

Верхний коллектор

800

23,24

Нагревательные колодцы

Стенды рабочих ячеек, под, крышка

1300

19,21

Методические нагревательные печи

Изоляция глиссажных труб и стены на высоту 1 м

1200

19

Ямные печи для замедленного охлаждения

Стены

800

23,24

Коксовые батареи

Фундаменты и борова

600

23,24

II. В цветной металлургии

Графитовые печи

Стены

1200

11

Печи кипящего слоя

Своды и решетка

1100

11,15

Алюминиевые и магниевые электролизеры

Днища

1000

10,11

Электролизеры сверхчистого алюминия

»

1000

10,11

Термические, нагревательные, обжиговые печи

Стены, свод и под

1200

11,19

Пылевые камеры

Стены и покрытие

800

15

Печи для плавления лома алюминия

Стены и свод

1000

15

Надземные и подземные газоходы

Днище, стены и свод

1100

11,15

Фосфорные электропечи

Свод

1100

15

Ферросплавные печи

Днище, стены

1000

10,11

Камерные печи

Свод, стены, под

1200

19

Электролитические ванны цветной металлургии

Стены

1000

10,11

III. В нефтеперерабатывающей и нефтехимической промышленности

Трубчатые печи

Стены камеры радиации

1000

33-37

 

Своды камеры радиации

1000

33-37

 

Стены камеры конвекции

1000

23,24,25,26

 

Своды камеры конвекции

1000

23,24,25,26

Вертикально-секционные печи

Стены камеры радиации

900

33-37

Трубчатые печи беспламенного горения типа Б

Фундаменты, стены, свод, под, перевальные стенки

800

10,11

Трубчатые печи беспламенного горения типа ЗР

Стены, свод, под

850-1100

23-26, 33-37

Трубчатые печи настильного типа ЗД

То же

900-1100

23-26, 33-37

Трубчатые печи настильного типа В

Стены, свод, под

800

22

Вертикально-факельные печи типа ГС

Стены камер конвекции и радиации, свод, подовая часть

900

23-26, 33-37

Объемно-настильные печи с разделительной стенкой типа ГН

То же

900-1100

23-26, 33-37

Цилиндрические, факельные, типа ЦС

Стены камер конвекции и радиации, свод, подовая часть

800-1100

23-37

Цилиндрические печи типа ЦД нестильные с дифференцированным подводом воздуха

То же

800-1100

23-37

Каталитического риформинга и гидроочистки типа Р многокамерные

Стены, свод, подовая часть

1250

19-21

Надземные газоходы трубчатых печей

Все элементы

600

22-32

Подземные газоходы трубчатых печей

То же

800

10,11

IV. В промышленности строительных материалов

Тоннельные печи для обжига обыкновенного глиняного кирпича

Стены и своды зон прогрева и охлаждения

800

10-11

 

Стены и свод зоны обжига

1100

19

Вращающие печи для обжига цемента

Зона цепной завесы и откатная головка

1000

10,11

Кольцевые печи для обжига кирпича

Покрытие, стены, под

1000

10,11

V. В различных отраслях промышленности

Борова и газоходы для температур 350 °С

Стены, свод

350

2-4

Борова и газоходы для температур 800 °С

То же

800

6-9

Паровые котлы, экономайзеры, котлы утилизаторы

Футеровка стен

800

10,11

Фундаменты тепловых агрегатов

Элементы, нагревающиеся до температуры выше 200 °С, но не более 800 °С

800

6-9

Полы горячих цехов

-

-

7,8

Колпаковые печи для обжига металла

-

800

10,11

Обжиговые печи электродной промышленности

-

1400

20,21

Сушильные печи

Покрытие, стены, под

1000

10,11

Котлы различного назначения

Футеровка экранированных стен

800

23-37

Нагревательные, прокатные, кузнечные и конвейерные печи

Стены, под, глиссажные и опорные трубы

1200

19,21

Печи для обжига сернистых материалов

Стены, свод, под

1000

15-18

Печи для обжига санитарно-технического оборудования

Свод

1100

19

ПРИЛОЖЕНИЕ Б

ОСНОВНЫЕ БУКВЕННЫЕ ОБОЗНАЧЕНИЯ

Усилия от воздействия нагрузки и температуры в поперечном сечении элемента

Мtot и Ntot - изгибающий момент и продольная сила от совместного действия усилий, вызванных температурой и нагрузкой;

М и Мt - изгибающий момент соответственно от воздействия внешней нагрузки и температуры;

N и Nt - продольная сила соответственно от воздействия нагрузки и температуры;

Q и Qt - поперечная сила соответственно от воздействия нагрузки и температуры.

Характеристики материалов при воздействии температуры

Rb,tem = Rbgbt; Rbtt = Rbtgtt - расчетное сопротивление бетона сжатию и растяжению для предельных состояний первой группы;

Rb,ser,t и Rbt,ser,t - расчетные сопротивления бетона сжатию и растяжению для предельных состояний второй группы;

Rst = Rsgst и Rs,ser,t - расчетные сопротивления арматуры растяжению для предельных состояний соответственно для первой и второй групп;

Rb,los - расчетное сопротивление бетона смятию;

Rswt - расчетное сопротивление поперечной арматуры растяжению для предельных состояний первой группы при расчете сечений, наклонных к продольной оси элемента, на действие поперечной силы;

Rsct - расчетное сопротивление арматуры сжатию для предельных состояний первой группы;

Еb - начальный модуль упругости бетона при сжатии и растяжении;

Еbt - модуль упругости бетона при воздействии температуры;

Еb,t - модуль деформации бетона;

Еs - модуль упругости арматуры при нормальной температуре;

Еst - модуль упругости арматуры при воздействии температуры;

bb и bs - коэффициенты, учитывающие снижение модуля упругости бетона и арматуры при воздействии температуры;

ss и sb - напряжения в растянутой арматуре и в сжатой зоне бетона в сечении с трещиной;

sst, sbtt и sb,tem - напряжения в растянутой арматуре, в растянутом и сжатом бетоне в сечении с трещиной от воздействия температуры;

ss, sbt и sb - то же, от нагрузки;

att, acs, abt - коэффициент линейного температурного расширения, температурной усадки и температурной деформации бетона;

ast - коэффициент линейного температурного расширения арматуры;

astт - коэффициент температурного расширения растянутой арматуры в бетоне с учетом влияния работы между трещинами.

Характеристики положения продольной арматуры в поперечном сечении элемента

S - обозначение продольной арматуры:

а) при наличии сжатой и растянутой от действия внешней нагрузки зон сечения, расположенной в растянутой зоне;

б) при полностью сжатом от действия внешней нагрузки сечения, расположенной у менее сжатой грани сечения;

в) при полностью растянутом от действия внешней нагрузки сечения для внецен-тренно растянутых элементов, расположенной у более растянутой грани сечения, для центрально растянутых элементов - всей в поперечном сечении элемента;

S' - обозначение продольной арматуры:

а) при наличии сжатой и растянутой от действия внешней нагрузки зон сечения, расположенной в сжатой зоне;

б) при полностью сжатом от действия внешней нагрузки сечения, расположенной у более сжатой грани сечения;

в) при полностью растянутом от действия внешней нагрузки сечении внецентренно растянутых элементов, расположенной у менее растянутой грани сечения;

 - кривизны осей элементов от воздействия температуры при нагреве и остывании;

b - ширина прямоугольного сечения, ширина ребра таврового и двутаврового сечений;

 - ширина полки таврового или двутаврового сечения соответственно в растянутой и сжатой зоне;

h - высота прямоугольного, таврового или двутаврового сечения;

а и а' - расстояния от равнодействующей усилий соответственно в арматуре S и S' до ближайшей грани сечения;

 - рабочие высоты сечения, равные соответственно h - а и h - а';

- высоты полки таврового или двутаврового сечения соответственно в растянутой и сжатой зоне;

е0p - эксцентриситет усилия предварительного обжатия Р относительно центра тяжести приведенного сечения;

е0 - эксцентриситет продольной силы N относительно центра тяжести приведенного сечения;

еs - расстояние от точки приложения продольной силы N до центра тяжести площади сечения арматуры S;

l - пролет элемента;

l0 - расчетная длина элемента, подвергающаяся действию сжимающей продольной силы;

i - радиус инерции поперечного сечения элемента относительно центра тяжести сечения;

d - номинальный диаметр стержней арматурной стали;

А - площадь всего бетона в поперечном сечении;

Аb - площадь сечения сжатой зоны бетона;

Аbt - площадь сечения растянутой зоны бетона;

Аred - площадь приведенного сечения элемента;

Аloc - площадь смятия бетона;

е и е' - расстояние от точки приложения продольной силы N до равнодействующей усилий соответственно в арматуре S и S';

 - площади сечения ненапрягаемой арматуры соответственно S и S';

Аsw - площадь сечения хомутов, расположенных в одной нормальной к продольной оси элемента плоскости, пересекающих наклонное сечение;

х - высота сжатой зоны бетона;

x - относительная высота сжатой зоны бетона равна х/h0;

m - коэффициент армирования, определяемый как отношение площади сечения арматуры S к площади поперечного сечения элемента bh0 без учета сжатых и растянутых полок;

 - статические моменты площадей сечений соответственно сжатой и растянутой зоны бетона относительно нулевой линии;

 - статические моменты площадей сечения соответственно арматуры S и S' относительно нулевой линии;

I - момент инерции сечения бетона относительно центра тяжести сечения элемента, вычисляемый без учета температуры как для ненагретого бетона;

Ired - момент инерции приведенного сечения элемента относительно его центра тяжести;

Is - момент инерции площади сечения арматуры относительно центра тяжести сечения элемента;

Ib0 - момент инерции площади сечения сжатой зоны бетона относительно нулевой линии;

- момент инерции площадей сечения соответственно арматуры S и S' относительно нулевой линии;

у - расстояние от центра тяжести приведенного сечения до растянутой грани, до волокна бетона, в котором определяется напряжение и до менее нагретой грани;

 - расстояние от центра тяжести приведенного сечения элемента до равнодействующей усилий в арматуре S и S';

ft, et и ecs - расчетные величины прогиба, удлинения и укорочения элемента от воздействия температуры;

acrc - средняя расчетная величина раскрытия трещин;

s - расстояние между хомутами, измеренное по длине элемента;

tb - температура бетона;

tbm - средняя температура бетона;

 - температуры арматуры S и S';

ti - температура среды со стороны источника тепла;

tе - температура воздуха с наружной стороны элемента;

tbw - температура бетона в центре тяжести приведенного сечения;

tbc - средняя температура бетона сжатой зоны сечения.

 

 




ГОСТЫ, СТРОИТЕЛЬНЫЕ и ТЕХНИЧЕСКИЕ НОРМАТИВЫ.
Некоммерческая онлайн система, содержащая все Российские Госты, национальные Стандарты и нормативы.
В Системе содержится более 150000 файлов нормативно-технической документации, действующей на территории РФ.
Система предназначена для широкого круга инженерно-технических специалистов.

Рейтинг@Mail.ru Яндекс цитирования

Copyright © www.gostrf.com, 2008 - 2026