Крупнейшая бесплатная информационно-справочная система онлайн доступа к полному собранию технических нормативно-правовых актов РФ. Огромная база технических нормативов (более 150 тысяч документов) и полное собрание национальных стандартов, аутентичное официальной базе Госстандарта. GOSTRF.com - это более 1 Терабайта бесплатной технической информации для всех пользователей интернета. Все электронные копии представленных здесь документов могут распространяться без каких-либо ограничений. Поощряется распространение информации с этого сайта на любых других ресурсах. Каждый человек имеет право на неограниченный доступ к этим документам! Каждый человек имеет право на знание требований, изложенных в данных нормативно-правовых актах!

  


 

ЦЕНТРАЛЬНЫЙ ИНСТИТУТ НОРМАТИВНЫХ ИССЛЕДОВАНИЙ
И НАУЧНО-ТЕХНИЧЕСКОЙ ИНФОРМАЦИИ
«ОРГТРАНССТРОЙ»
МИНИСТЕРСТВА ТРАНСПОРТНОГО СТРОИТЕЛЬСТВА

ТЕХНОЛОГИЧЕСКИЕ КАРТЫ

СООРУЖЕНИЕ ОТКРЫТЫМ СПОСОБОМ ОДНОСВОДЧАТОЙ СТАНЦИИ МЕТРОПОЛИТЕНА С МОНОЛИТНОЙ ЖЕЛЕЗОБЕТОННОЙ ОБДЕЛКОЙ

МОСКВА 1976

Содержание

ОБЩАЯ ЧАСТЬ

ТЕХНОЛОГИЧЕСКАЯ КАРТА № 1 СООРУЖЕНИЕ ОДНОСВОДЧАТОЙ СТАНЦИИ МЕТРОПОЛИТЕНА С МОНОЛИТНОЙ ЖЕЛЕЗОБЕТОННОЙ ОБДЕЛКОЙ ОТКРЫТЫМ СПОСОБОМ РАБОТ (КОМПЛЕКС РАБОТ)

ТЕХНОЛОГИЧЕСКАЯ КАРТА № 2 РАЗРАБОТКА КОТЛОВАНА ДЛЯ СООРУЖЕНИЯ СТАНЦИИ ОТКРЫТЫМ СПОСОБОМ РАБОТ

ТЕХНОЛОГИЧЕСКАЯ КАРТА № 3 ВОЗВЕДЕНИЕ МОНОЛИТНЫХ И СБОРНЫХ ЖЕЛЕЗОБЕТОННЫХ КОНСТРУКЦИИ СТАНЦИИ (ЛОТКА, ПЯТ, СТЕН И ПЛАТФОРМЫ)

ТЕХНОЛОГИЧЕСКАЯ КАРТА № 4 СООРУЖЕНИЕ МОНОЛИТНОГО ЖЕЛЕЗОБЕТОННОГО СВОДА СТАНЦИИ

ТЕХНОЛОГИЧЕСКАЯ КАРТА № 5 ГИДРОИЗОЛЯЦИЯ ТОННЕЛЬНОЙ ОБДЕЛКИ СТАНЦИИ

ТЕХНОЛОГИЧЕСКАЯ КАРТА № 6 ОБРАТНАЯ ЗАСЫПКА КОТЛОВАНОВ

Сборник технологических карт составлен Московской нормативно-исследовательской станцией (исполнитель А.В. Чистяков) и отделом внедрения передового опыта в строительстве тоннелей и метрополитенов института «Оргтрансстрой» (исполнитель Д.Л. Штерн).

ОБЩАЯ ЧАСТЬ

Односводчатая станция метрополитена сооружается открытым способом работ с монолитной железобетонной обделкой, с применением бетонной смеси марки 300 и арматурных плоских каркасов из стали класса А-II и А-III заводского изготовления.

При бетонировании свода в качестве опалубки используют железобетонные плиты размером в плане 1´1 м, толщиной 80 мм, укладываемые на наружную радиальную поверхность передвижной металлической тележки и прикрепляемые анкерами к арматурному каркасу. Лоток плоский с дренажной канавой, расположенной на оси. Гидроизоляция - оклеечная безмастичная в два слоя стеклорубероида по лотку и стенам и в три слоя по своду.

При бетонировании стен после установки арматурных каркасов устанавливают стеновые трехпустотные блоки, заменяющие одновременно опалубку внутренней стороны стен. Установленные блоки раскрепляются в проектном положении передвижной металлической рамой на рельсовом ходу, являющейся одновременно каркасом для наружной опалубки стен.

Платформа острового типа сооружается из типовых сборных железобетонных конструкций.

Передвижная металлическая тележка для сооружения свода монтируется на рельсовом ходу и оборудована гидроприводом. Рельсы железнодорожного типа укладываются на забетонированный лоток и прикрепляются к закладным деталям. После передвижки тележки на новую заходку и инструментальной выверки ее положения она фиксируется в проектном положении и раскрепляется винтовыми домкратами.

Сборник технологических карт составлен на основе материалов нормативных исследований производственных процессов при сооружении односводчатой станции «Сходненская» Краснопресненского радиуса Московского метрополитена.

Технологические карты предназначены для использования при составлении проектов производства работ и организации труда, а также при сооружении односводчатой станции метрополитена с монолитной железобетонной обделкой с применением козлового крана ККТС и передвижных металлических тележек для сооружения свода.

Сборник содержит шесть технологических карт:

Карта № 1. Сооружение односводчатой станции метрополитена с монолитной железобетонной обделкой открытым способом работ (комплекс работ).

Карта № 2. Разработка котлована для сооружения станции открытым способом.

Карта № 3. Возведение монолитных и сборных железобетонных конструкций станции (лотка, пят, стен и платформы).

Карта № 4. Сооружение монолитного железобетонного свода станции.

Карта № 5. Гидроизоляция тоннельной обделки станции.

Карта № 6. Обратная засыпка котлована.

Строительство понизительной подстанции, вестибюлей с выходами, вентиляционных камер и других пристанционных сооружений технологическими картами не охватывается.

Доставка всех строительных материалов в котлован при сооружении станции, монтаж арматурных каркасов и сборных железобетонных конструкций предусматривается козловым краном KKTC-20 грузоподъемностью 20 Т с пролетом 40 м.

В каждом отдельном случае применения технологических карт они должны быть привязаны к местным условиям.

Выполнение работ при сооружении станции следует осуществлять в строгом соответствии с требованиями временных технических условий производства тоннельных работ (ВТУ-Т4-55 Минтрансстроя) и «Правил техники безопасности и производственной санитарии при строительстве метрополитенов и тоннелей» (Оргтрансстрой, М., 1975).

ТЕХНОЛОГИЧЕСКАЯ КАРТА № 1

СООРУЖЕНИЕ ОДНОСВОДЧАТОЙ СТАНЦИИ МЕТРОПОЛИТЕНА С МОНОЛИТНОЙ ЖЕЛЕЗОБЕТОННОЙ ОБДЕЛКОЙ ОТКРЫТЫМ СПОСОБОМ РАБОТ (КОМПЛЕКС РАБОТ)

I. ОБЛАСТЬ ПРИМЕНЕНИЯ

Технологической картой предусматривается комплексное выполнение работ при сооружении станции. Земляные, бетонные, арматурные, гидроизоляционные и монтажные работы ведутся одновременно шестиметровыми заходками, кратными величине применяемых тележек для сооружения свода.

Фронт работ по экскавации грунта идет с опережением на 30-40 м. Свод сооружается непрерывно с учетом необходимых затрат времени на отвердение бетона до набора им 25-30% проектной прочности до передвижки тележки на новую заходку.

Скорость сооружения станции на платформенном участке - 25 м в месяц с выполнением полного цикла работ на шестиметровой заходке в течение недели с затратами труда 44,3 чел-дн на 1 м.

II. УКАЗАНИЯ ПО ТЕХНОЛОГИИ ПРОИЗВОДСТВЕННОГО ПРОЦЕССА

До начала сооружения платформенного участка односводчатой станции по технологии, предусмотренной настоящей картой, должны быть проведены подготовительные работы по созданию необходимого фронта, позволяющего одновременно на разных шестиметровых участках вести земляные, бетонные, арматурные, гидроизоляционные и монтажные работы. Работы должны выполняться в такой последовательности:

механизированная разработка грунта с опережением на 30-40 м;

механизированная (бульдозером) и ручная подборка грунта после экскавации в откосах и на дне котлована;

устройство бетонной подготовки и лотка;

гидроизоляция лотка;

установка арматуры в лотке и пятах стен;

бетонирование лотка и пят стен;

установка арматурных каркасов стен;

установка стеновых трехпустотных блоков;

бетонирование стен;

монтаж сборных железобетонных конструкций платформы;

передвижка и установка тележки для сооружения свода;

укладка опалубочных железобетонных плит свода;

монтаж арматурных каркасов свода;

бетонирование свода;

устройство гидроизоляции стен;

устройство защитных стен по изоляции;

гидроизоляция свода;

устройство защитного цементно-песчаного слоя по изоляции свода;

обратная засыпка.

Производственные процессы (за исключением механизированной разработки грунта и обратной засыпки) выполняются на семи шестиметровых участках, расположенных один за другим.

Участок № 1. Подборка грунта в лотке и планировка по отметкам. Профилировка дренажной канавы. Устройство бетонной подготовки с заглаживанием бетонной поверхности под изоляцию.

Участок № 2. Устройство безмастичной гидроизоляции в лотке стеклорубероидом. Устройство защитной цементно-песчаной стяжки по изоляции.

Участок № 3. Установка, вязка и сварка арматуры лотка и пят стен.

Участок № 4. Бетонирование лотка, бетонирование пят стен.

Участок № 5. Установка арматурных каркасов стен. Установка стеновых трехпустотных блоков. Передвижка и установка металлической опалубки стен. Бетонирование стен.

Участок № 6. Монтаж сборных железобетонных конструкций платформы и омоноличивание стыков, профилировка лотка и дренажной канавы. Устройство оклеечной гидроизоляции стен и защитных стен по изоляции.

Участок № 7. Передвижка и установка тележки для сооружения свода. Укладка опалубочных железобетонных плит. Установка и электросварка арматурных каркасов свода. Установка наружной металлической опалубки. Бетонирование свода. Устройство оклеечной гидроизоляции свода. Устройство защитной цементно-песчаной стяжки по изоляции свода.

Обратная засыпка котлована производится по мере готовности станции участками по 10-15 м.

Работы по гидроизоляции свода и устройству защитного цементно-песчаного слоя по гидроизоляции не связаны с положением, занимаемым тележкой, и могут выполняться с некоторым отставанием на забетонированном участке свода.

Установка трехпустотных блоков путевых стен производится с временным креплением их к установленным арматурным каркасам с последующим выравниванием и креплением винтовыми домкратами передвижного металлического опалубочного каркаса стен.

Торцевая опалубка при бетонировании пят стен и стен выполняется из деревянных инвентарных щитов.

Наружная опалубка свода на сопряжении пят свода и стен по образующей кривой - металлическая инвентарная. Опалубка состоит из отдельных металлических листов и крепится к арматурным каркасам болтами. Закладные детали для осветительной аппаратуры и крепления светильников в своде устанавливаются при монтаже арматурных каркасов свода.

III. УКАЗАНИЯ ПО ОРГАНИЗАЦИИ ТРУДА

Станция сооружается комплексной проходческой бригадой в составе 26 чел. и бригадой изолировщиков-пленочников в составе 10 чел. Бригады работают в две смены по 8 ч по пять рабочих дней в неделю. Два выходных дня используются для твердения бетона.

Звено проходчиков состоит из 13 чел.: 5 разр. - 3 (П1, П2, П3), 4 разр. - 5 (П4, П5, П6, П7, П8), 3 разр. - 5 (П9, П10, П11, П12, П13).

Звено изолировщиков-пленочников состоит из 5 чел.: 5 разр. - 1 (И1), 4 разр. - 1 (И2), 3 разр. - 1 (И3), 2 разр. - 2 (И4, И5).

В состав звена проходчиков входят рабочие, имеющие смежные профессии электросварщика или плотника-крепильщика.

В начале работы на очередном шестиметровом участке звено проходчиков делится на три группы. Проходчики П1, П4, П5 и П9 приступают к устройству пути под тележку на следующую заходку. Проходчики П2, П6, П10, П11 передвигают тележку на очередную заходку и третья группа проходчиков П3, П7, П8, П12, П13 укладывает бетонную смесь в лоток. Закончив настилку, пути под тележку, передвижку и установку тележки на новой заходке, проходчики П1, П2, П4, П5, П6, П9 приступают к укладке опалубочных железобетонных плит, проходчики П10, П11 ведут подготовительную работу к обратной засыпке пазух.

Установку арматурных каркасов свода ведут проходчики П1, П2, П4, П5, П6, П9, П10, работая двумя группами.

Проходчики П3, П7, П8, П12, П13, закончив укладку бетонной смеси в лоток, приступают к монтажу сборных железобетонных конструкций платформы, установке стеновых блоков и установке арматурных каркасов стен.

Закончив установку арматурных каркасов, проходчики П1, П2, П4, П5, П6, П9, П10 приступают к бетонированию свода, а проходчики П3, П7, П8, П12, П13 устанавливают арматуру и бетонируют пяты стен.

Подборку грунта в лотке и откосах котлована после экскавации на очередную заходку проходчики выполняют после укладки бетона в свод. Работу выполняют проходчики П1, П2, П4, П5, П6, П9, П10, П11.

Установку арматуры в лоток и укладку бетонной смеси в стены выполняет группа проходчиков в составе П3, П7, П8, П12, П13, эта же группа устраивает бетонную подготовку в лотке и выполняет обратную засыпку.

Разработка грунта в котловане экскаватором производится машинистом экскаватора и помощником машиниста, которые не входят в состав бригады.

Звено изолировщиков-пленочников начинает работу с устройства цементно-песчаной стяжки по бетону под изоляцию лотка. В период твердения стяжки звено в полном составе переходит на гидроизоляцию стен, после чего переключается на наклейку стеклорубероида в лотке и устройство цементно-песчаного защитного слоя по изоляции в лотке и выравнивающего слоя по бетонной поверхности свода.

Наклейка стеклорубероида по своду выполняется в три слоя. Работа выполняется звеном изолировщиков в полном составе.

Устройство защитных стен по изоляции ведется параллельно с гидроизоляцией свода или по завершении этой работы.

В заключительной стадии работ звено изолировщиков-пленочников укладывает защитный цементно-песчаный слой по изоляции свода.

IV. СВОДНЫЙ ГРАФИК ПРОИЗВОДСТВА РАБОТ ПО СООРУЖЕНИЮ ОДНОСВОДЧАТОЙ СТАНЦИИ МЕТРОПОЛИТЕНА ИЗ МОНОЛИТНОГО ЖЕЛЕЗОБЕТОНА (6 м станции)

V. КАЛЬКУЛЯЦИЯ ЗАТРАТ ТРУДА НА СООРУЖЕНИЕ ОДНОСВОДЧАТОЙ СТАНЦИИ МЕТРОПОЛИТЕНА МЕЛКОГО ЗАЛОЖЕНИЯ С МОНОЛИТНОЙ ЖЕЛЕЗОБЕТОННОЙ ОБДЕЛКОЙ (6 м станции)

Номер технологической карты

Описание работ

Измеритель

Норма времени, чел-ч

Стоимость затрат, руб.-коп.

1

Разработка котлована для сооружения станции

6 м котлована

320,2

241-54

2

Возведение монолитных и сборных железобетонных конструкций станции (лотка, пят, стен, платформы)

6 м станции

456,2

335-97

3

Сооружение монолитного железобетонного свода станции

6 м свода

477,7

345-53

4

Гидроизоляция тоннельной обделки

6 м станции

512,8

334-39

5

Обратная засыпка котлована

6 м котлована

96,7

65-19

 

Всего на 6 м станции

чел-ч

1863,6

1322-62

чел-дн

266,2

 

VI. ОСНОВНЫЕ ТЕХНИКО-ЭКОНОМИЧЕСКИЕ ПОКАЗАТЕЛИ

Наименование показателей

Единица измерения

По калькуляции

По графику

На сколько процентов показатель по графику больше (+) или меньше (-), чем по калькуляции

Трудоемкость работ на 6 м

чел-дн

266,2

221

- 17

Средний разряд рабочих .

-

3,9

4,2

+ 8

Средняя заработная плата одного рабочего в день .

руб.

4-96

5-87

116,6

VII. МАТЕРИАЛЬНО-ТЕХНИЧЕСКИЕ РЕСУРСЫ

А. Материалы, полуфабрикаты, детали и конструкции

Наименование

ГОСТ или чертеж

Единица измерения

Количество

Бетонная смесь М300

7473-61

м3

149

То же М200

То же

»

12

Раствор цементно-песчаный .4100

7473-61

м3

24,5

Железобетонные опалубочные плиты

Чертеж Метрогипротранса

КПТ-16

34

»

10,6

Сборные железобетонные внутренние конструкции

13015-67

»

12,7

Лес круглый

9463-60

»

0,8

Пиломатериалы

8486-66

»

7,2

Арматура железобетонных конструкций

10922-64

т

20,1

Сталь угловая

8509-72

кг

160

Сталь полосовая

103-57

»

200

Проволока вязальная

6727-53

»

70

Сетки сварные

8478-66

м2

150

Кирпич обыкновенный

530-54

1000 шт.

3700

Песок

8736-67

м3

180

Грунт местный

-

»

1026

Стеклорубероид СРМ

15879-70

м2

730

Лак битумный

5631-51

кг

145

Пропан

6763-53

л

300

Гвозди строительные

4028-63

кг

8,8

Электроды Э-42

9467-60

»

42

Рельсы железнодорожные

 

пог. м

12

Б. Машины, оборудование, инструмент, инвентарь

Наименование

Единица измерения

Количество

Экскаватор Э-652

шт.

1

Бульдозер Д-271 на тракторе С-100

»

2

Автосамосвалы МАЗ-503

По расчету

 

Кран козловый ККТС-20

шт.

1

Передвижная металлическая опалубка для

Секции

2

Инвентарная опалубка для бетонирования

»

2

Ковши металлические с виброустройством

»

6

Электросварочный трансформатор

секции

2

Тележка для сооружения свода с гидроприводом

»

1

Инвентарная металлическая опалубка наружной стороны свода

м2

60

Вибраторы глубинные

шт.

4

Вибраторы площадочные

»

2

Трамбовки пневматические ТР-4, ТР-6

»

4

Вибросток ЦНИИСРРМ-3

»

1

Газосварочное оборудование

Комплект

1

Грунтовочный агрегат

шт.

1

Малярные пистолеты-распылители ГОСТ 7385-65

»

2

Пропановые баллоны 50 л

»

4

Пропановый редуктор РД-1-ВМ

»

1

Газовоздушные горелки ГВПН-1

»

2

Лопаты стальные строительные

»

10

Ломы стальные строительные

»

4

Отвесы металлические

»

2

Уровни строительные

»

2

Топоры плотничные

»

4

Пилы поперечные двуручные

»

2

Ключи гаечные

»

2

Рулетки стальные

»

9

ТЕХНОЛОГИЧЕСКАЯ КАРТА № 2

РАЗРАБОТКА КОТЛОВАНА ДЛЯ СООРУЖЕНИЯ СТАНЦИИ ОТКРЫТЫМ СПОСОБОМ РАБОТ

I. ОБЛАСТЬ ПРИМЕНЕНИЯ

Технологическая карта составлена на разработку грунта экскаватором Э-652, оборудованным драглайном с ковшом емкостью 0,65 м3, с погрузкой грунта в автосамосвалы МАЗ-503 и КрАЗ. Подборка грунта в лотке после экскавации и грубая планировка выполняется бульдозером Д-271.

Окончательная планировка дна котлована и откосов производится вручную.

II. УКАЗАНИЯ ПО ТЕХНОЛОГИИ ПРОИЗВОДСТВЕННОГО ПРОЦЕССА

К разработке котлована следует приступать после расчистки трассы от строений, устройства ограждения строительной площадки и водоотводных канав, укладки подъездных путей, перекладки всех подземных коммуникаций, пересекающих тоннель, прокладки трубопроводов для сжатого воздуха, воды и получения разрешения от организаций, эксплуатирующих городские подземные коммуникации.

Устройство котлована ведется в три стадии: на первой стадии разрабатывается грунт на глубину 3-4 м с соблюдением крутизны откоса, предусмотренной проектом до уступа, на котором располагаются подкрановые пути козлового крана. На второй стадии выбирается грунт на 0,5 м выше проектной: отметки дна котлована с устройством промежуточного уступа. На третьей стадии бульдозером разрабатывается и подбирается оставшийся после экскавации грунт на дне котлована.

Одновременно бригада проходчиков выполняет срезку грунта до проектного профиля откосов, планирует дно котлована и дренажной канавы с последующим устройством на дне котлована и канавы бетонной подготовки (рис. 1). Все работы по разработке грунта ведутся в соответствии с требованиями «Правил техники безопасности на строительстве метрополитенов и тоннелей» (Оргтрансстрой, 1975) и «Временных технических условий ВТУ-Т4-55 Минтрансстроя.

Рис. 1. Схема поперечного сечения котлована:
1 - подкрановые пути; 2 - промежуточный уступ; 3 - дренажная канава

III . УКАЗАНИЯ ПО ОРГАНИЗАЦИИ ТРУДА

Разработка грунта экскаватором ведется со скоростью 1,5-2 пог. м станции в сутки. В смене работают машинист экскаватора 6 разр. и помощник машиниста 5 разр., который владеет профессией машиниста бульдозера 5 разр.

Перед разработкой котлована производится снятие покрытия мостовой (асфальта, булыжника) и установка экскаватора на спланированной площадке, после чего машинист приступает к разработке грунта котлована и погрузке его в самосвалы. Помощник машиниста наблюдает за работой механизмов и подменяет машиниста во время отдыха. После разработки грунта на глубину 3-4 м экскаватор опускается в котлован и добирает оставшийся грунт.

Разработка котлована ведется с устройством площадки для размещения экскаватора и съездов для автосамосвалов.

Затем бульдозер опускается на дно котлована и добирает оставшийся после экскавации грунт до проектных отметок и перемещает его в зону действия ковша экскаватора.

Окончательная подборка грунта и планировка дна и откосов котлована выполняется сквозной бригадой проходчиков, работающей в две смены по восемь человек в звене:

проходчики 4 разр. - 3 (П4, П5, П6);

проходчики 3 разр. - 5 (П9, П10, П11, П12, П13).

Проходчики П5, П9 и П10 на одной и П6, П11 и П12 на другой стороне котлована одновременно ведут срезку оставшегося после экскавации грунта в откосах и сбрасывают его на дно котлована.

Проходчики П4 и П13 разрабатывают грунт для устройства дренажной канавы.

После оформления откосов звено в полном составе приступает к подборке грунта в лотке и планировке дна котлована и дренажной канавы код бетонную подготовку. Работы ведутся шестиметровыми заходками с опережением бетонных, гидроизоляционных и монтажных работ на 25-30 м.

Техника безопасности

Земляные работы в непосредственной близости к существующим сооружениям и коммуникациям подземного хозяйства следует производить под непосредственным наблюдением работника сменного надзора и представителя заинтересованной организации, а работы в непосредственной близости к кабелям под напряжением, кроме того, и под наблюдением дежурного электрика.

При приближении работ к линиям действующих подземных коммуникаций (кабелей, напорных трубопроводов, газопроводов и др.) применять отбойные молотки, ломы, кирки, клинья и т.п. запрещается. Разрабатывать грунт вблизи кабелей, газопроводов и других подземных коммуникаций разрешается только лопатами.

Выемки, разрабатываемые в местах передвижения людей и транспорта, должны быть надежно ограждены, а места работ, проходы и проезды освещены.

На ограждении следует выставить предупредительные надписи и знаки, а в ночное время к ограждению должны быть прикреплены световые предостерегающие знаки.

До начала земляных работ в котлованах и траншеях должны быть приняты меры по отводу ливневых и паводковых вод.

При одновременной работе экскаватора и бульдозера в котловане на разработке грунта должна быть обеспечена безопасность людей, работающих на этих механизмах.

Бульдозер должен находиться вне зоны действия ковша экскаватора.

При погрузке грунта в кузов автосамосвала шофер должен находиться вне кабины автосамосвала.

Хранить материалы в котловане на съезде, на рабочих местах и расстрелах запрещается.

Каждую землеройную машину нужно оборудовать звуковой сигнализацией. Значения сигналов должны быть разъяснены всем рабочим, связанным с работой машин.

Экскаваторы во время работы должны устанавливаться на спланированной площадке и, во избежание самопроизвольного перемещения, закрепляться инвентарными упорами. Запрещается применять для этой цели доски, бревна, камни и другие предметы.

При работе экскаватора не разрешается производить какие-либо работы со стороны забоя и находиться людям в радиусе действия экскаватора +5 м.

Погрузка грунта на автомобили при помощи экскаватора должна производиться со стороны заднего или бокового борта автомобиля.

Запрещается находиться людям между землеройными машинами и транспортными средствами во время погрузки.

IV. ГРАФИК ПРОИЗВОДСТВА РАБОТ ПО РАЗРАБОТКЕ ГРУНТОВ В КОТЛОВАНЕ С ОТКОСАМИ (6 м котлована)

Примечание. Работу машиниста бульдозера выполняет пом. машиниста экскаватора.

V. КАЛЬКУЛЯЦИЯ НА РАЗРАБОТКУ ГРУНТА В КОТЛОВАНЕ СТАНЦИИ ОТКРЫТОГО СПОСОБА РАБОТ (на 6 м котлована)

Шифр норм и расценок

Описание работ

Состав звена

Единица измерения

Объем работ

На единицу измерения

На весь объем

норма времени, чел-ч

расценка, руб.-коп.

норма времени, чел-ч

стоимость затрат труда, руб.-коп.

В3-4, табл. 2, 3б

Разработка грунта в котловане экскаватором, оборудованным драглайном, с ковшом емкостью 0,65 м3 на глубину 4 м

Машинист 6 разр. - 1 Помощник машиниста 5 разр. - 1

100 м3

900

3,9-0

3-54

35,10

31-86

То же примечание К=1,1

То же ниже 4 м

То же

»

708

4,29

3-89

30,37

27-54

В3-4-1, техническая часть, п. 4, К=0,9

Погрузка экскаватором грунта, разработанного бульдозером и вручную

»

»

400

3,51

3-19

14,04

12-74

В3-4-7, 5б + 5д

Подборка грунта бульдозером на дне котлована после экскавации с перемещением грунта на 30 м

Машинист бульдозера 5 разр. - 1

»

186

2,19

1-81

4,07

3-37

В3-4-26, 1б

Срезка и планировка откосов котлована, разработанных механизированным способом

Проходчики 4 разр. - 5

м3

130

1,25

0-91,1

162,5

118-43

В3-4-11, 1б, К=1,2, примечание За

Разработка грунта в котловане вручную

Проходчики 3 разр. - 3

»

40

1,50

0-96,4

60,1

38-56

ВЗ-4-20, 2е

Разработка грунта в дренажной канаве

Проходчик 3 разр. - 1

»

8

1,75

1-13

14,0

9-04

 

Итого:

 

чел-ч

чел-дн

 

 

 

320,18

45,2 1

241-54

VI. ОСНОВНЫЕ ТЕХНИКО-ЭКОНОМИЧЕСКИЕ ПОКАЗАТЕЛИ НА РАЗРАБОТКУ 6 м КОТЛОВАНА

Наименование показателей

Единица измерения

По калькуляции

По графику

На сколько процентов показатель по графику больше (+) или меньше (-), чем по калькуляции

Трудоемкость на разработку котлована

чел-дн

45,7

40,6

- 11

Средний разряд рабочих

-

4,1

4,5

+ 9,7

Среднедневная заработная плата на одного рабочего

руб.

5-25

5-79

+ 10,3

VII. МАТЕРИАЛЬНО-ТЕХНИЧЕСКИЕ РЕСУРСЫ

А. Основные материалы, полуфабрикаты, детали и конструкции

Наименование

ГОСТ или чертеж

Единица измерения

Количество

Лес круглый

9463-60

м3

0,8

Доски обрезные 50´180

8486-66

»

1,2

То же 60´180

То же

»

0,3

То же 75´180

»

»

0,6

Гвозди 80 мм

4028-63

кг

3,6

Скобы строительные

 

»

8,5

Б. Машины, оборудование, инструмент, инвентарь

Наименование

Единица измерения

Количество

Экскаватор Э-652

шт.

1

Бульдозер Д-271 на тракторе С-100

»

1

Автосамосвалы МАЗ-503, КрАЗ

По расчету, в зависимости от дальности транспортировки грунта

Лопаты строительные

шт.

10

Лопаты подборочные

»

5

Ломы строительные

»

3

Топоры плотничные

»

2

Рулетка стальная длиной 2 м

»

1

То же длиной 20 м

»

1

Метр складной металлический

»

1

КАРТА ТЕХНОЛОГИИ ПООПЕРАЦИОННОГО КОНТРОЛЯ КАЧЕСТВА

Устройство котлована без крепления

№ пп

Контролируемые показатели

Значение показателей

№ пп

Контролируемые показатели

Значение показателей

1

Расстояние между отвалом и призмой обрушения D1, м

Не менее 1,5

 

б) песчаные, гравелистые и влажные глинистые грунты

45

2

Угол между направлением откоса и горизонталью (при глубине разработки от 3 до 5 м) D2, град:

 

 

в) супесь

50

 

г) суглинок

53

 

д) длина

63

 

а) насыпной грунт

38

 

е) лёсс сухой

63

ВТУ-Т4-55 Минтрансстроя СНиП III-Б.1-71

I

Основные процессы и операции, подлежащие контролю

Подготовительные работы

Устройство котлована

II

Состав контроля (что проверяется)

Разбивка осей, состояние подъездных дорог

Соответствие углов наклона откосов, высоты уступов и ширины берм, физико-механическим свойствам грунта, отвал грунта

III

Метод контроля (техническое оснащение контроля - чем проверяется)

Теодолит, нивелир, рулетка стальная

Нивелир, рулетка стальная

IV

Вид, режим и объем контроля

Пооперационный, постоянный, сплошной

V

Непосредственно проверяет

Маркшейдер, начальник смены

 

Надзор за контролем

Начальник участка

 

Привлекаемые для контроля подразделения

Маркшейдерская служба

Маркшейдерская служба, строительная лаборатория

VI

Где регистрируются результаты контроля (исполнительная документация)

Журнал работ, журнал маркшейдерских работ

ТЕХНОЛОГИЧЕСКАЯ КАРТА № 3

ВОЗВЕДЕНИЕ МОНОЛИТНЫХ И СБОРНЫХ ЖЕЛЕЗОБЕТОННЫХ КОНСТРУКЦИИ СТАНЦИИ (ЛОТКА, ПЯТ, СТЕН И ПЛАТФОРМЫ)

I. ОБЛАСТЬ ПРИМЕНЕНИЯ

Технологическая карта разработана на сооружение из монолитных и сборных железобетонных конструкций односводчатой станции метрополитена с применением козлового крана ККТС-20.

II. УКАЗАНИЯ ПО ТЕХНОЛОГИИ ПРОИЗВОДСТВЕННОГО ПРОЦЕССА

До возведения монолитного железобетонного лотка и стен станции должны быть выполнены следующие работы:

разработан котлован по всему сечению на протяжении 50 м;

выполнена срезка грунта после экскавации на откосах и дне котлована, а также планировка по отметкам на участке протяженностью 15-20 м;

разработан грунт для устройства дренажной канавы;

устроена бетонная подготовка лотка.

При возведении конструкций выполняются следующие работы: устройство бетонной подготовки, армирование и бетонирование лотка (после выполнения гидроизоляции), армирование и бетонирование фундамента (пят) стен, армирование стен, установка стеновых блоков и бетонирование стен (рис. 2).

Циклограммой производства работ учитывается время, необходимое для наклейки изоляции и устройства стяжек под изоляцию и по изоляции, а также время, необходимое для твердения бетона в лотке и стенах.

При бетонировании стен применяется передвижная металлическая опалубка секциями длиной по 6 м, а для устройства дренажной канавы - переносная инвентарная металлическая опалубка. Армирование лотка, фундаментов (пят) и стен производится готовыми плоскими каркасами и сетками заводского изготовления. Доставка материалов в котлован (раствора, бетона, арматуры, блоков опалубки) производится при помощи козлового крана ККТС-20.

Все работы по сооружению лотка и стен станции выполняются в соответствии с требованиями «Правил техники безопасности на строительстве метрополитена и тоннелей» (Оргтрансстрой, 1961) и «Временных технических условий производства тоннельных работ» (ВТУ-Т4-55, Минтрансстрой).

Рис. 2. Поперечное сечение станции:
1 - трехпустотные блоки; 2 - стена станции; 3 - подготовка под гидроизоляцию лотка; 4 - гидроизоляция лотка; 5 - защитная стяжка; 6 - железобетонная плита платформы; 7 - платформа станции; 8 - подмости; 9 - передвижная металлическая опалубка; 10 - ленточный фундамент платформы

III. УКАЗАНИЯ ПО ОРГАНИЗАЦИИ ТРУДА

Сооружение лотка и стен станции выполняет комплексная бригада в составе 10 чел., работающая звеньями в две смены.

Состав звена проходчиков в сменах:

Проходчик 5 разр. - 1 (П1)

Проходчики 4 разр. - 2 (П4, П5)

Проходчики 3 разр. - 2 (П9, П10)

Устройство бетонной подготовки лотка

Проходчики П1 и П9 на одной стороне котлована, проходчики П5 и П10 - на другой принимают опускаемую козловым краном в ковшах бетонную смесь, разгружают равномерно на спланированное дно котлована, разравнивают и уплотняют бетонную смесь площадочными вибраторами.

Проходчик П4 принимает поступающую на строительную площадку в автосамосвалах бетонную смесь, следит за ее разгрузкой, производит строповку и подачу ковшей при помощи крана в котлован к месту укладки. Укладка бетона подготовки начинается с дренажной канавы и продолжается в сторону откосов котлована.

Установка арматуры в лотке и пятах стен

Арматура устанавливается после наклейки гидроизоляции по выровненной поверхности бетонной подготовки и устройства защитной стяжки по изоляции.

Проходчик П4 подбирает и стропует к козловому крану плоские каркасы и арматурные сетки и опускает их в котлован к месту установки.

Проходчики П1, П9 и П5, П10 принимают опускаемые краном каркасы, сетки и устанавливают их в проектное положение. Каркасы и сетки подаются поочередно на стороны котлована и после их установки соединяются между собой проволочной скруткой.

Установка арматуры начинается с пят стен после чего армируется дренажная канава, а затем лоток.

Бетонирование пят стен и лотка

Перед укладкой бетонной смеси проходчики П4, П9 и П10 собирают и устанавливают торцевую опалубку лотка и пят стен, а проходчики П1 и П5 переносят на новую заходку инвентарную металлическую опалубку дренажной канавы и устанавливают ее. После установки опалубки звено проходчиков приступает к укладке бетонной смеси, проходчик П4 принимает поступающую в автосамосвалах бетонную смесь, разгружает в ковши, стропует загруженные ковши к козловому крану и подает к месту укладки.

Проходчики П1 и П9 на одной стороне котлована и П5 и П10 на другой - принимают поступающую бетонную смесь, разгружают ее на месте укладки, разравнивают и уплотняют глубинными вибраторами. Первыми бетонируются фундаменты стен (пят), затем дренажная канава и лоток.

При бетонировании лотка бетонную смесь уплотняют площадочными вибраторами.

Установка арматурных каркасов стен

Плоские арматурные каркасы стен устанавливают вертикально и прикрепляют к арматурным каркасам фундамента путем сварки выпусков. Сварку арматурных выпусков выполняет проходчик 4 разр., имеющий профессию сварщика.

Установка стеновых трехпустотных блоков

Первый ряд стеновых трехпустотных блоков укладывают по уступу фундамента (пят) стен, второй и последующие- один на другой на цементно-песчаном растворе. Крепление блоков осуществляется при помощи закладных деталей.

Блоки устанавливают козловым краном. Проходчик П4 на поверхности стропует блоки к козловому крану и подает их к месту укладки, проходчики П1, П9 принимают, устанавливают и закрепляют блоки к каркасу. Проходчики П5, П10 выполняют эту же работу на противоположной стороне.

После окончания монтажа стеновых блоков звено проходчиков в полном составе передвигает металлическую стеновую опалубку на заходку и винтовыми домкратами выравнивает выложенные трехпустотные блоки стен.

Бетонирование стен

Наружная сторона передвижной сборно-разборной опалубки стен состоит из отдельных металлических листов. Перед укладкой бетона проходчики П1, П5, П9, П10 очищают и промывают бетонную плоскость сопряжения стен с фундаментом и устанавливают нижние опалубочные листы наружной опалубки, после чего проходчики П4, П9 переходят на приемку, разгрузку и доставку бетонной смеси к месту укладки. Проходчик П1 принимает и разгружает бетонную смесь в опалубку, а проходчики П5, П10 укладывают и уплотняют ее глубинными вибраторами и наращивают опалубку.

Работа производится на одной из сторон станции.

По окончании бетонирования очередной заходки стен проходчики П1 и П5 устанавливают опалубку ленточного фундамента платформы, а проходчики П4, П9, П10 бетонируют фундамент.

Монтаж сборных железобетонных конструкций платформы

Проходчики П9, П10 очищают и выравнивают подстилающим слоем цементно-песчаного раствора места установки подушек стоек платформы. Проходчики П1 и П4 устанавливают

подушки и выверяют их по осям и отметкам. Проходчик По, находясь наверху котлована, в процессе монтажа платформы подбирает и подает в определенной последовательности необходимые конструкции. После установки подушек проходчики П1 и П4 устанавливают стойки в гнезда подушек и выверяют их положение, проходчики П9 и П10 после выверки стоек производят их омоноличивание. Подплатформенные балки устанавливают на стойки и прикрепляют к ним путем сварки закладных деталей, выполняемой проходчиком П1, имеющим смежную профессию электросварщика.

Установив подплатформенные балки, звено в том же составе переходит на установку подплатформенных трехпустотных блоков, а затем платформенных плит и омоноличивает псе установленные конструкции платформы.

Техника безопасности при производстве работ

Рабочие на строительной площадке должны работать в защитных касках.

Персонал, обслуживающий машины, должен быть обеспечен инструкциями по эксплуатации машин.

Рельсовые подкрановые пути крана с электрическим приводом должны быть заземлены.

Гибкий питающий электрокабель передвижных машин должен закрепляться у токоприемника на изоляторе и ежедневно осматриваться.

Запрещается подъем сборных железобетонных конструкций, не имеющих монтажных петель, обеспечивающих их правильную строповку и монтаж.

Запрещается пригибать монтажные закладные петли до установки элемента или конструкции в проектное положение.

На монтажной площадке должны быть установлены условные сигналы для лица, руководящего подъемом, и машиниста крана.

Все сигналы подаются только одним лицом-бригадиром монтажной бригады, звеньевым или такелажником.

Установленные в проектное положение элементы (конструкции) должны быть закреплены постоянно или временно при помощи специальных приспособлений.

Запрещается расстроповка элементов (конструкций) до их закрепления, а также пребывание людей на элементах и конструкциях во время их подъема, перемещения и установки.

На плане строительной площадки должны быть нанесены места складирования материалов и оборудования.

Запрещается беспорядочное хранение материалов, деталей и оборудования на складах, строительных площадках и возле строящихся объектов.

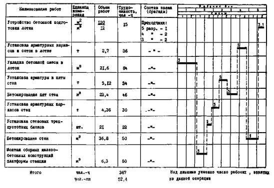
IV. ГРАФИК ПРОИЗВОДСТВА РАБОТ ПО СООРУЖЕНИЮ МОНОЛИТНЫХ И СБОРНЫХ ЖЕЛЕЗОБЕТОННЫХ КОНСТРУКЦИИ (ЛОТОК, ПЯТЫ, СТЕНЫ, ПЛАТФОРМА) (НА 6 м СТАНЦИИ)

V. КАЛЬКУЛЯЦИЯ ЗАТРАТ ТРУДА НА ВОЗВЕДЕНИЕ МОНОЛИТНЫХ И СБОРНЫХ ЖЕЛЕЗОБЕТОННЫХ КОНСТРУКЦИЙ СТАНЦИИ (ЛОТКА, ПЯТ СТЕН И ПЛАТФОРМЫ) ИЗМЕРИТЕЛЬ 6 м

Шифр норм и расценок

Наименование работ

Состав звена

Единица измерения

Объем работ

На единицу измерения

На весь объем

норма времени, чел-ч

расценка, руб.-коп.

затрат труда, чел-ч

стоимость затрат труда, руб.-коп.

В3-4-78, п. 18, 21

Приемка бетонной смеси и раствора, выгрузка из автосамосвалов, подача козловым краном к месту укладки

Проходчик 2 разр. - 1

м3

96,2

0,26

0-44,5

73,11

42-81

В3-4-72

Устройство бетонной подготовки лотка

Проходчик 3 разр. - 1

100 м2

1,20

7,5

4-82

9,0

5-78

В3-4-73, т. 3, 6е

Бетонирование лотка

Проходчик 5 разр. - 1

м3

15,5

1,15

0-89,5

17,8

13-87

В3-4-73, т. 4, п. 1

.Бетонирование дренажной канавы

Проходчик 4 разр. - 1

»

4

2,1

1-64

8,40

6-56

То же, п. 2

Бетонирование трапа

То же

»

2,1

4,20

3-66

9,87

7-09

В3-4-64, т. 9, а + в

Заготовка, установка и разборка опалубки

»

м2

12

1,28

0-93,3

15,36

11-20

В3-4-65

Передвижка и установка инвентарной металлической опалубки дренажной канавы

Проходчики:

5 разр. - 1

4 разр. - 1

м2

12

0,52

0-33

6,24

4-56

В3-4-68, 7в

Установка арматуры в лотке

Проходчики:

4 разр. - 2

3 разр. - 2

1 т

2

18,0

13-11

36,0

26-22

В3-4-64, т. 2, а+в

Установка опалубки ленточного фундамента

Проходчик 4 разр. - 1

м3

1,1

0,30

0-23,4

0,33

0-25

В3-4-73, т. 2, п. 1

Бетонирование ленточного фундамента

Проходчики:

5 разр. - 1

4 разр. - 1

м3

7,2

1,06

0-77

7,62

5-54

В3-4-66

Установка торцевой опалубки в лотке

Проходчик 3 разр. - 1

м2

4 '

2,93

2-01

11,78

8-04

В3-4-68, п. 2

Установка арматурных каркасов стен и пят

Проходчики:

4 разр. - 2

3 разр. - 2

1 т

9,48

6,20

4-52

58,12

42-32

В3-4-73, т. 1, п. 2

Бетонирование пят

Проходчики:

5 разр. - 2

4 разр. - 2

м3

23,4

0,36

0-28

8,40

6-55

То же, т. 3, п. 1д

Бетонирование стен

То же

м

36,8

0,83

0-64,6

30,50

29-83

В3-4-80, т. 2, п. 6

Установка стеновых блоков

»

шт.

21

1,30

1-01

27,3

21-21

В3-4-65

Установка передвижной металлической опалубки стен

»

Секция

2

11,8

8-60

23,6

17-20

В3-4-64, т. 2, п. 3, а+в

Установка деревянной опалубки пят

Проходчик 4 разр. - 1

м2

24

0,56

0-40,8

12,9

9-79

В3-4-80, т. 2, п. 1

Установка подушек подплатформенных стоек

Проходчики:

5 разр. - 1

4 разр. - 2

3 разр. - 1

шт.

3

0,65

0-50,6

1,95

1-52

То же, п. 2

Установка подплатформенных стоек

То же

»

3

0,84

0-65,4

2,52

1-96

То же, п. 5

То же балок

»

»

3

1,30

1-01

3,90

3-03

То же, п. 3

То же подплатформенных блоков:

 

 

 

 

 

 

 

 

крайних

»

»

12

1,40

1-09

16,80

13-08

 

средних

»

»

6

0,71

0-55,3

4,26

3-32

В3-4-81

Заделка стыков подплатформенных стоек

Проходчик 4 разр. - 1

1 стык

3

0,83

0-60,5

2,49

1-82

В3-4-64, т. 8, а+в

Установка опалубки между блоками платформы

То же

м2

8

2,95

2-15

23,60

17-20

В3-4-82

Заливка швов между блоками раствором

Проходчики 3 разр. - 2

м

40

0,105

0-06,8

4,20

2-72

В3-4-69

Сварка стыков сборных железобетонных конструкций платформ

Электросварщик 5 разр. - 1

100 м шва

10

17,5

14-50

1,75

1-45

В3-4-115, 1б

Перемещение грузов козловым краном на 20 м при монтаже платформы

Проходчик 2 разр. - 1

100 т

10

17,4

11-19

1,74

1-12

В3-4-80

Установка подплатформенных трехпустотных блоков

Проходчики:

5 разр. - 1

4 разр. - 2

3 разр. - 1

шт.

6

1,30

1-01

7,80

6-06

В3-4-69, т. 1, 2г

Сварка арматурных стыков в лотке

Электросварщик 5 разр. - 1

100 м шва

120

24,0

19-89

28,80

23-89

 

Итого:

 

чел-ч

 

 

 

456,2

 

чел-дн

 

 

 

65,2

335-97

VI. ОСНОВНЫЕ ТЕХНИКО-ЭКОНОМИЧЕСКИЕ ПОКАЗАТЕЛИ (на 6 м станции)

Наименование показателей

Единица измерения

По калькуляции

По графику

На сколько процентов показатель по графику больше (+) или меньше (-), чем по калькуляции

Трудоемкость возведения монолитных и сборных железобетонных конструкций станции

чел-дн

65,2

52,4

- 20

Средний разряд рабочих

-

3,9

4,2

+ 8

Среднедневная заработная плата одного рабочего

руб.

5-16

6-60

+ 27,9

VII. МАТЕРИАЛЬНО-ТЕХНИЧЕСКИЕ РЕСУРСЫ

А. Основные материалы, полуфабрикаты, детали и конструкции

Наименование

ГОСТ или чертеж

Единица измерения

Количество

Бетон М200

7473-61

м3

12

Бетон М300

»

»

81,8

Раствор цементно-песчаный М100

»

»

5,0

Сборные железобетонные внутренние конструкции

По проекту

»

12,7

Арматура из стали периодического профиля диаметром 32 мм

5281-61

т

40

Метрогипротранс

КПТ-16

38

 

 

То же диаметром 22 мм

 

»

1,2

То же 16 мм

То же

»

3,5

То же 12 мм

»

»

3,3

Проволока вязальная

6727-53

кг

 

Электроды Э-42

9467-60

»

 

Доски обрезные 50´180

8426-66

м3

0,6

Гвозди 80 мм

4028-63

кг

5,2

Б. Машины, оборудование, инструмент и приспособления

Наименование

Единица измерения

Количество

Козловой кран ККТС-20 грузоподъемностью 20 Т

шт.

1

Передвижная металлическая опалубка стен

Секция

2

Передвижная металлическая опалубка дренажной канавы

»

1

Ковши металлические с виброустройством емкостью 1,5 м3

шт.

6

Электросварочный трансформатор ТС-500

»

2

Вибраторы глубинные

»

2

Вибраторы площадочные

»

2

Газосварочное оборудование

Комплект

1

Лопаты совковые и штыковые

шт.

6

Топоры плотничные

»

2

Ломы строительные

»

2

Метр стальной

»

2

Рулетки стальные

»

2

КАРТА ТЕХНОЛОГИИ ПООПЕРАЦИОННОГО КОНТРОЛЯ

1. Арматурные работы при возведении монолитных железобетонных конструкций

№ пп

Контролируемые показатели

Допуски, мм

1

Отклонение расстояний между отдельно установленными рабочими стержнями от проектных расстояний для колонн, балок и арок, мм

±10

2

Отклонение расстояний между рядами арматуры при армировании в несколько рядов по высоте от проектных расстояний в балках, арках и плитах толщиной более 100 мм

±5

3

Отклонение расстояний между распределительными стержнями в одном ряду от проектных расстояний, мм:

 

 

а) для плит, стен и фундаментов

±25

 

б) для массивных конструкций

±40

4

Отклонение от проектного положения осей стержней в торцах сварных каркасов, стыкуемых на месте с другими каркасами, мм:

 

 

а) при диаметре стержней до 40 мм

±5

 

б) при диаметре стержней 40 мм и более

±10

5

Отклонение длины стыков стержней от проектного положения, мм:

 

 

а) в каркасах и тонкостенных конструкциях

±25

 

б) в массивных конструкциях

±50

6

Отклонение положения элементов арматуры массивных конструкций от проектного положения, мм:

 

 

а) в плане

±50

 

б) по высоте

±30

СНиП III-В.10-70

I

Основные процессы и операции, подлежащие контролю

Проверка готовых элементов арматуры до начала ее установки

Заготовка арматуры из отдельных стержней каркасов и сеток

Установка каркасов и сеток из отдельных стержней арматуры

Установка арматуры из готовых сеток, каркасов

Стыкование отдельных стержней на месте установки сеток, каркасов

Проверка размеров защитного слоя

Проверка и приемка сварных арматурных изделий

II

Состав контроля (что проверяется)

Наличие ржавчины, размер, сварное соединение узлов, шаг между арматурными стержнями

Соответствие диаметра, размера по длине. Угол загиба, качество стыковки, способ сварки

Правильность установки по отметкам, положение осей, величина нахлестки, положение хомутов, сварка стыков

Правильность установки (отметки высотные, осевые), размеры сеток, Каркасов, нахлестка стыков и сварка ИХ

Качество стыков и сварки, диаметр арматуры, соединение мест пересечения

Соответствие размеров защитного слоя проекту, наличие подкладок

Соответствие действующим стандартам арматурных закладных деталей. Результаты контрольных обмеров и испытаний

III

Метод контроля (техническое оснащение контроля - чем проверяется)

Визуальный, метр стальной, шаблон

Метр стальной, шаблон, штангенциркуль, гидравлический пресс

Визуальный, метр стальной, шаблон, нивелир

Визуальный, метр стальной, рулетка стальная, нивелир

Визуальный, метр стальной

Визуальный метр стальной, шаблон

Визуальный, метр стальной, рулетка стальная. Прибор для испытания на разрыв образцов арматуры

IV

Вид, режим и объем контроля

Входной, пооперационный, постоянный, сплошной

Пооперационный, сплошной, периодический

Пооперационный, сплошной, постоянный

Выходной, пооперационный, выборочный

V

Непосредственно проверяет

Исполнитель, начальник смены

Исполнитель, бригадир

Исполнитель, начальник смены

Начальник смены, начальник участка

 

Надзор за контролем

Начальник участка

-

Начальник смены

Начальник смены, начальник участка

Начальник смены

Начальник участка

Главный инженер

 

Привлекаемые для контроля подразделения

-

Маркшейдерская служба

-

-

Строительная лаборатория

VI

Где регистрируются результаты контроля (исполнительная документация)

Журнал работ

Журнал работ, акт приемки арматуры

Журнал работ. Журнал сварочных работ

Журнал работ

Журнал сварочных работ. Журнал лабораторных испытаний

2. Бетонирование монолитных конструкций

№ пп

Контролируемые показателя

Значение показателя, мм

1

Осадка конуса бетонной смеси, см:

 

 

а) массивные армированные конструкции, плиты, балки, колонны большого и среднего сечения

3-6

 

б) ж.-бет. конструкции сильно насыщенные арматурой стенки и колонны балки и плиты малого сечения

6-8

 

в) вертикальные элементы

8-10

2

Высота свободного сбрасывания бетонной смеси, м

Не более 2

3

Наибольшая толщина слоев бетонной смеси при укладке, мм:

 

 

а) поверхностное вибрирование в неармированных конструкциях и конструкциях с одиночной арматурой

250

 

б) то же в конструкциях с двойной

120

 

в) внутреннее вибрирование

1,25 длины вибратора

4

Процент требуемой прочности бетона при распалубке от проектной прочности:

 

 

а) несущие конструкции (балки, ригели, плиты) пролетом 6 м и более

80

 

б) несущие конструкции пролетом до 6 м

70

 

в) плиты пролетом до 3 м

70

 

г) армированные несущие конструкции, воспринимающие вес бетона

Не менее 25

СНиП III-В.1-70

I

Основные процессы и операции, подлежащие контролю

Подготовка опалубки к бетонированию

Подготовка арматуры, обработка рабочих швов уложенного бетона

Прием бетонной смеси и проверка ее состояния

Укладка бетонной смеси и проверка качества ее укладки

Уход за бетонной смесью при твердении

Проверка качества затвердевшего бетона

II

Состав контроля (что проверяется)

Влажность поверхности опалубки, крепление, очистка, заделка щелей, соответствие размеров

Наличие ржавчины и масла на арматуре, насечка по бетону рабочих швов, чистка арматурных швов и ранее уложенного бетона

Подвижность бетонной смеси. Количество серий образцов для испытания

Проба бетонной смеси для образцов из заопалубочного пространства, уплотнение

Увлажнение поверхности бетона, укрытие бетонной поверхности

Состояние поверхности (усадка, трещиноватость, наличие раковин) кубиковая прочность

III

Метод контроля (техническое оснащение контроля - чем проверяется)

Визуальный, метр стальной

Визуальный

Визуальный, конус СтройЦНИИЛ

Визуальный

Визуальный, ультразвуковой прибор (УКВ), пресс (ПСУ-500)

IV

Вид, режим и объем контроля

Входной, периодический, сплошной

Пооперационный, периодический сплошной

Входной, пооперационный, сплошной, выборочный

Пооперационный, сплошной, выборочный

Пооперационный, сплошной

Выходной, периодический, выборочный

 

Непосредственно проверяет

Исполнитель, начальник смены

Исполнитель, лаборант, начальник смены

Лаборант, бригадир, начальник смены

Исполнитель, начальник смены

Начальник смены, начальник участка

V

Надзор за контролем

Начальник участка

Главный инженер

 

Привлекаемые для контроля подразделения

Маркшейдерская служба

-

-

Строительная лаборатория

-

Строительная лаборатория

VI

Где регистрируются результаты контроля (исполнительная документация)

Журнал работ. Журнал маркшейдерских работ

Журнал работ. Акт на скрытые работы

Журнал бетонных работ. Журнал лабораторных испытаний

ТЕХНОЛОГИЧЕСКАЯ КАРТА № 4

СООРУЖЕНИЕ МОНОЛИТНОГО ЖЕЛЕЗОБЕТОННОГО СВОДА СТАНЦИИ

I. ОБЛАСТЬ ПРИМЕНЕНИЯ

Технологическая карта составлена на сооружение монолитного железобетонного свода односводчатой станции, сооружаемой открытым способом работ в котловане с откосами с применением передвижной металлической тележки и козлового крана ККТС-20.

II. УКАЗАНИЯ ПО ТЕХНОЛОГИИ ПРОИЗВОДСТВЕННОГО ПРОЦЕССА

До возведения свода должны быть выполнены следующие работы:

забетонированы лоток и пяты стен на участке длиной 50 м;

забетонированы стены на участке длиной 30 м;

установлены внутренние сборные железобетонные конструкции платформы на участке длиной 20 м;

уложен рельсовый путь для тележки на участке длиной 24 м;

смонтирована передвижная тележка.

Продолжительность цикла 7 суток с учетом трехсуточной: периода твердения бетона.

В технологическом процессе сооружения свода время вы стойки бетона учитывается в соответствии с требованиями СНиП III-В.1-70, предусматривающими снятие опалубки c apмированных несущими сварными каркасами конструкций после достижения ими 25% проектной прочности.

Средняя скорость сооружения свода составляет 6 м в неделю или 25 м в месяц, затраты труда 68 чел-дн на 6 м, или 11,3 чел-дн на 1 м свода.

В технологическую карту включены следующие работы:

укладка рельсового пути для тележки;

передвижка тележки, установка и крепление;

устройство карниза;

укладка опалубочных плит с заделкой швов цементно-песчаным раствором;

установка и сварка арматурных каркасов и распредели тельной арматуры;

укладка бетонной смеси в свод, установка и разборка наружной опалубки свода.

Укладка рельсового пути для тележки производится на забетонированном лотке с креплением к закладным деталям. Уложенные пути выверяются инструментально маркшейдерской службой.

Тележка для сооружения свода изготовляется на механическом заводе по специальным чертежам и оснащается гидроприводом и домкратами для регулирования ее положения при установке и креплении.

Армирование свода выполняется плоскими каркасами, изготовляемыми на заводе из арматурной стали периодического профиля (рис. 3).

Сборка каркасов и сварка производятся на месте. Сварку элементов каркаса между собой, а также к арматуре стен выполняет проходчик, владеющий профессией сварщика.

Рис. 3. Бетонирование свода:
1 - тележка для сооружения свода; 2 - бетон свода; 3 - опалубочные железобетонные плиты; 4 - арматурные каркасы; 5 - наружная опалубка; 6 - бетонный бункер

Сборные опалубочные блоки свода являются одновременно облицовочными блоками, создающими архитектурное оформление на внутренней поверхности свода. Блоки укладывают на наружную поверхность тележки перед установкой каркасов и прикрепляют к армировке свода через монтажные петли.

Укладка бетонной смеси производится беспрерывно по всей шестиметровой заходке равномерно с двух сторон в направлении от пят к шелыге свода. Бетонная смесь доставляется на строительную площадку с бетонного завода автосамосвалами с кузовом емкостью 2,65 м3, выгружается в ковши и подается к месту укладки козловым краном. Ковши емкостью от 1,5 до 3 м3 оборудованы вибрационным и винтовым устройством, регулирующим величину выгружающего отверстия. Перед укладкой бетонной смеси с наружной стороны свода устанавливается инвентарная металлическая или деревянная опалубка. Бетонная смесь уплотняется глубинными вибраторами.

Все работы по сооружению свода выполняются в соответствии с требованиями «Правил техники безопасности на строительстве метрополитенов и тоннелей» и «Временных технических условий производства тоннельных работ (ВТУ-Т4-55, Минтрансстрой).

III. УКАЗАНИЯ ПО ОРГАНИЗАЦИИ ТРУДА

Работы по сооружению свода выполняет комплексная сквозная бригада проходчиков, работающая в две смены. Численный состав бригады - 16 чел.

Передвижка тележки

Работы производит звено проходчиков в составе 4 чел.: 5 разр. - 1 (П2), 4 разр. - 1 (П6), 3 разр. - 2 (П11, П12).

Механизмами при передвижке тележки управляет специально подготовленный машинист.

По команде начальника смены машинистом включается гидравлическая система и освобождаются домкраты.

Проходчики П2 и П11 на одной стороне и П6 и П12-на другой при помощи винтовых домкратов опускают тележку на рельсы. После освобождения домкратов машинистом включается гидравлическая система на поступательное движение, и тележка перемещается на новую заходку. При перемещении тележки проходчики очищают свод от наплывов раствора, устанавливают тележку в проектное положение и раскрепляют ее домкратами после выверки маркшейдерской службой.

Укладка опалубочных плит

Работы выполняются звеном в составе 6 проходчиков: 5 разр. - 1 (П2), 4 разр. - 2 (П6, П7), 3 разр. - 3 (П11, П12, П13).

Перед установкой плит проходчики П6, П11, П12, П13 очищают наружную поверхность металлической опалубки от наплывов раствора. Проходчики П2 и П7 проверяют наличие плит, производят их отборку. При установке плит проходчики П2 и П11 стропуют и подают при помощи козлового крана плиты на место укладки.

Проходчики П2 и П12 на одной, П7 и П13 - на другой стороне свода принимают и устанавливают плиты на место.

Установка плит начинается с нижних рядов, опирающихся на карниз симметрично с левой и правой сторон свода. Проектное положение плит на наружной стороне опалубки фиксируется устройством на ее поверхности ячеек по размеру плит из уголкового железа, привариваемого к опалубке.

Швы между плитами заделываются цементно-песчаным раствором.

Армирование свода

Армирование свода производится звеном проходчиков в составе 7 чел.: 5 разр. - 1 (П2); 4 разр. - 2 (П6, П7, П4), 3 разр. - 4 (П10, П11, П12, П13).

Перед установкой арматуры проходчики П2 и П6 подбирают и комплектуют каркасы, проходчики П7, П10, П11, П12, П13 подносят из арматурного цеха в зону действия козлового крана распределительную арматуру, закладные детали, шпильки и др., комплектуют, стропуют к крану и подают к месту установки.

При установке арматурных каркасов проходчики П6 и П10 стропуют элементы каркасов и подают при помощи козлового крана к месту установки. Проходчик П2 принимает элементы каркасов и устанавливает их на место.

Проходчики П6, П10 на одной стороне свода и проходчики П7, П11 на другой - стыкуют элементы каркасов, поддерживают их в вертикальном положении. Проходчик П2, имеющий смежную специальность электросварщика 3 разр., предварительно сваривает элементы каркасов. После окончательной установки производится сварка качественным швом.

Укладка бетонной смеси

Работы выполняются звеном в составе 7 проходчике 5 разр. - 1 (П2), 4 разр. - 2 (П6, П7), 3 разр. - 4 (П10, П11, П12, П13).

Проходчики П10 и П11 принимают поступающий на строительную площадку бетон в автосамосвалах, перегружают ковши, очищают кузова автосамосвалов от бетона, стропуют загруженные бетонной смесью ковши в козловому крану и подают к месту укладки.

Проходчик П2 принимает поступающую в ковшах бетонную смесь и разгружает ковши поочередно на левой и правой сторонах свода.

Проходчики П6, П11 на одной стороне свода и П7, П12 на другой - укладывают и уплотняют бетонную смесь. Перед укладкой бетонной смеси в свод проходчики П6, П10 и П7, П12 тщательно очищают бетонную поверхность сопряжения стен со сводом и промывают водой, после чего звено в полном составе устанавливает наружную опалубку свода.

При укладке бетона строго следует соблюдать равномерность загрузки опалубки свода бетонной смесью.

Техника безопасности

Для работы на высоте должны устраиваться прочные леса, полки, настилы и подмости или применяться специальные передвижные тележки с прочными ограждениями и лестницами.

Загружать леса, настилы, полки и подмости или передвижные тележки лесоотходами, породой и материалами, а также оставлять на них ручной инструмент и другие предметы запрещается.

Очистка кузова автосамосвала в поднятом положении производится лопатами на длинных рукоятках. Нельзя бить каким-либо инструментом по днищу кузова. Рабочие, очищающие кузов, должны находиться на земле. Не разрешается разгружать самосвал на ходу и ездить с поднятым кузовом

На поверхности должны освещаться все места работы, приемные площадки у ствола, лестницы, проходы для людей проезды для транспорта, помещения с электромеханическими установками и др.

Освещение прожекторами разрешается только при условие установки их в местах, доступных только обслуживающему персоналу. Корпус прожектора должен быть надежно заземлен. Применение прожекторов в выработках высотой менее 4 м запрещается. Прожекторы для освещения рабочих мест следует устанавливать на высоте и под углом наклона световой оси, исключающими ослепляющее действие светового потока.

Для электросварочных работ должны применяться сварочные генераторы постоянного тока с напряжением не выше 100 в и сварочные понижающие трансформаторы переменного тока с напряжением на второй стороне не выше 70 в.

Эксплуатация сварочного агрегата или трансформатора без заземления корпуса, а также производство сварки с поврежденной изоляцией ручки у электродержателя и без защитных специальных очков или щитка запрещается.

Ручной электрический инструмент следует подключать, через рубильник или магнитный пускатель резиновым гибким кабелем с четвертой жилой, служащей для заземления корпуса инструмента.

IV. ГРАФИК ПРОИЗВОДСТВА РАБОТ ПО СООРУЖЕНИЮ МОНОЛИТНОГО ЖЕЛЕЗОБЕТОННОГО СВОДА ОДНОСВОДЧАТОЙ СТАНЦИИ (6 м станции)

V. КАЛЬКУЛЯЦИЯ ЗАТРАТ ТРУДА НА СООРУЖЕНИЕ СВОДА

Измеритель 6 м

Шифр норм и расценок

Наименование работ

Состав звена

Единица измерения

Объем работ

На единицу

На весь объем

норма времени, чел-ч

расценка, руб.-коп.

затраты труда, чел-ч

стоимость затрат труда, руб.-коп.

Местная норма

СМУ-3 Мосметростроя

Устройство пути под тележку с укладкой, рихтовкой и креплением

Проходчики:

5 разр. - 1

4 разр. - 1

3 разр. - 2

м

.6

3,66

2-67

22,0

16-02

То же

Передвижка тележки, установка и крепление

То же

»

6

4,0

2-80

24,0

16-80

То же

Укладка железобетонных опалубочных плит с заливкой швов раствором

Проходчики:

5 разр. - 1

4 разр. -1

шт.

104

0,48

0-38

49,9

39-52

В3-4-67, т. 1

Устройство арматурных каркасов

Проходчики:

5 разр. - 1

4 разр. -2

Каркас

60

0,84

0-61,2

50,4

36-72

В3-4-69, т. 1, 2д

Стыковка и электросварка каркасов

Электросварщик 5 разр. - 1

100 м шва

50

35,0

29-00

17,50

14-50

В3-4-68, п. 11г

Установка арматуры отдельными стержнями, вязка проволокой

Проходчики 4 разр. - 2

1 т

3

20,0

14-57

60,0

43-71

В3-4-69, т. 2, 2д

Электросварка арматурных стержней

Электросварщик 5 разр. - 1

100 соединений

600

2,20

1-82

13,20

10-90

38-1-11, а, б, 38-1-13

Заготовка арматуры

Проходчики:

4 разр. - 2

3 разр. - 2

1 т

1,1

29,9

19-40

32,88

21-42

В3-4-118, п. 3

Подноска арматуры к крану на расстояние 20 м

Откатчик 2 разр. - 1

1 т

3

1,41

0-82,6

4,23

2-48

В3-4-70, п. 2

Правка выпусков арматуры перед установкой каркасов и распределительной арматуры

Проходчики:

5 разр. - 2

4 разр. - 2

м

12

4,0

2-91

48,0

34-94

Местная норма СМУ-3

Устройство карниза в сопряжении стен и свода

Проходчики:

4 разр. - 2

3 разр. - 2

м2

46

0,60

0-46,8

27,6

21-52

В3-4-73, т. 2, п. 17

Укладка бетонной смеси в свод с уплотнением глубинными вибраторами

Проходчики:

5 разр. - 1

4 разр. - 2

м3

60

0,87

0-67,7

52,2

40-62

В3-4-78, п. 21

Подача бетонной смеси в ковшах краном к месту укладки

Проходчик 2 разр. - 1

»

60

0,68

0-39,8

40,8

23-88

 

Итого

 

чел-ч

чел-дн

 

 

 

477,7

68,2

345-53

VI. ОСНОВНЫЕ ТЕХНИКО-ЭКОНОМИЧЕСКИЕ ПОКАЗАТЕЛИ НА СООРУЖЕНИЕ 6 м СВОДА

Наименование показателей

Единица измерения

По калькуляции

По графику

На сколько процентов показатель по графику больше (+) или меньше (-), чем по калькуляции

Трудоемкость работ

чел-дн

68,2

55,7

- 18,3

Средний разряд рабочих

-

3,9

4,3

+ 10,2

Выработка одного рабочего

м свода

0,09

0,10

+ 11,1

Средняя заработная плата одного рабочего в день

руб.

5-07

5-98

+ 17

VII. МАТЕРИАЛЬНО-ТЕХНИЧЕСКИЕ РЕСУРСЫ НА СООРУЖЕНИЕ 6 м СВОДА

А. Материалы, полуфабрикаты, детали и конструкции

Наименование

ГОСТ или чертеж

Единица измерения

Количество

Сборные железобетонные опалубочные плиты

Метрогипротранс

КПТ-16

34

м3

10,6

Бетонная смесь М300

7473-61

»

68,0

Раствор цементно-песчаный М100

 

»

1,5

Арматура из стали периодического профиля

5281-61

Метрогипротранс

КПТ-16

38

т

8,1

Проволока вязальная

6727-53

кг

30

Электроды Э42

9467-60

»

 

Сталь угловая 75´75´8 мм

8509-72

»

160

Доски обрезные 50´180 мм

8426-66

м3

4,5

Рельсы железнодорожные

Р50

м

12

Сталь полосовая

103-57

кг

200

Б. Машины, оборудование, механизированный инструмент, инвентарь

Наименование

Единица измерения

Количество

Козловой кран ККТС-20 грузоподъемностью 20 Т

шт.

1

Тележка для сооружения свода с гидроприводом ОТС-1-СБ

шт.

1

Металлическая опалубка наружная, переносная, инвентарная

Секция

8

Ковши металлические с виброустройством емкостью 1,5 м3

шт.

6

Электросварочный трансформатор ТС-500

»

2

Вибраторы глубинные

»

2

Газосварочное оборудование

Комплект

1

Лопаты

шт.

6

Топоры плотничные

»

2

Ломы строительные

»

2

Метр стальной

»

2

Рулетки стальные

»

2

ТЕХНОЛОГИЧЕСКАЯ КАРТА № 5

ГИДРОИЗОЛЯЦИЯ ТОННЕЛЬНОЙ ОБДЕЛКИ СТАНЦИИ

I. ОБЛАСТЬ ПРИМЕНЕНИЯ

Карта разработана с учетом применения безмастичного гидроизоляционного материала с двухслойным покрытием с расчетом на гидростатическое давление до 5 ати. В качестве такого материала рекомендуется рулонный водонепроницаемый гидроизоляционный материал - стеклорубероид марки С-РМ, получаемый путем двустороннего нанесения битумного вяжущего на стекловолокнистый холст с температурой размягчения битумного вяжущего 85°С.

В технологическую карту включены следующие работы по гидроизоляции:

нанесение выравнивающей цементно-песчаной стяжки;

грунтовка изолируемой поверхности битумным раствором:

оплавление пламенем горелки покровного слоя полотен стеклорубероида, приклеивание полотен к изолируемой поверхности;

устройство защитной цементно-песчаной стяжки по изоляции;

устройство защитной стенки из кирпича на цементно-песчаном растворе.

Гидроизоляция тоннельных конструкций производится в последовательности: лоток, стены, свод с опережением гидроизоляции лотка по отношению к стенам и стен по отношению к своду. Величина опережения устанавливается с учетом возможности производства гидроизоляционных работ параллельно с арматурными, бетонными и другими работами по сооружению станции.

Привязка карты к местным условиям состоит в уточнении объемов работ, вида гидроизоляционного материала и количества слоев материала в зависимости от гидрогеологических условий.

II. УКАЗАНИЯ ПО ТЕХНОЛОГИИ ПРОИЗВОДСТВЕННОГО ПРОЦЕССА

До наклейки гидроизоляции должны быть выполнены следующие работы:

закончено сооружение обделки тоннеля;

устроена выравнивающая бетонная подготовка;

очищены изолируемые поверхности, подготовлены необходимые оборудование и материалы для производства работ.

Поверхности, предназначенные для наклейки гидроизоляционного материала, очищают и огрунтовывают битумным раствором заводского изготовления.

Грунтовку наносят при помощи краскораспылителей марки 0-46 или С-592.

Рулонные материалы, доставленные к месту работы, освобождают от прослойки прокладочной бумаги, размечают, разрезают на листы нужных размеров, нарезанные листы наматывают на трубчатые стержни-сердечники. При наклейке стеклорубероида непрерывно оплавляют пламенем горелки битумный покров материала, накатывают рулон и прижимают к изолируемой поверхности катком или шпателем.

Для предотвращения воспламенения и нарушения структуры материала нагревание его покрова пламенем газовой горелки должно быть кратковременным и продолжаться только до поглощения пылевидной посыпки полотна оплавленным слоем битума.

Для разогрева и наклейки полотен стеклорубероида используют газовую воздушную горелку ГВПН-1 со шлангом, который через редуктор РД1-БМ герметично соединяют с баллоном пропана. Рабочее давление на выходе из редуктора устанавливают равным 1-1,5 кГ/см2.

Отрегулированный факел горелки не должен коптить. Колпак горелки необходимо непрерывно перемещать и держать на расстоянии 5-10 см от нагреваемой поверхности рулонного материала, накатывая рулон по мере оплавления.

Полотно гидроизоляционного материала укладывают поперек оси тоннеля и приклеивают всей плоскостью. Полотно второго слоя при укладке смещают по отношению к стыкам ниже лежащего слоя не менее, чем на половину ширины рулона.

Листы стеклорубероида соединяют между собой внахлестку с последующим оплавлением и приглаживанием швов. При этом полотна должны перекрывать друг друга не менее, чем на 10 см.

Гидроизоляцию стен тоннеля производят с передвижных подмостей снизу вверх на всю высоту с предварительной тщательной очисткой и оплавлением концов гидроизоляции лотковой части тоннеля.

Для удержания рулона на стене используют траверсную подвеску и ручную лебедку.

Гидроизоляцию тоннеля начинают с лотковой части по выровненной и огрунтованной бетонной подготовке.

Первый и второй слои стеклорубероида изоляции лотка укладывают с запасом для наклейки на стены.

Необходимый запас рулонных материалов хранят в складском помещении, где каждый рулон устанавливают в вертикальное положение. При кратковременном хранении рулонов на месте производства работ допускается их укладка горизонтально в 2-3 ряда.

В зимнее время рулоны, хранившиеся при отрицательной температуре, перед употреблением выдерживают в теплом помещении.

В слоях гидроизоляции не должно быть складок, вздутий, проколов и других повреждений. Все повреждения устраняют путем вскрытия дефектных мест крестообразными надрезами, подклейкой концов материала, оплавлением его поверхности пламенем горелки и наложением заплаты, перекрывающей края повреждения не менее, чем на 10 см.

Для защиты изоляции от механических повреждений в лотковой части тоннеля она покрывается слоем цементно-песчаного раствора, на стенах - слоем раствора и защитной стенкой из кирпича или железобетонных плит, в своде - слоем цементно-песчаного раствора, армированного металлической сеткой.

Все работы по безмастичной гидроизоляции следует вести в соответствии с требованиями «Правил техники безопасности на строительство метрополитенов и тоннелей» (М., Оргтрансстрой, 1961) и «Временных технических условий на производство тоннельных работ» (ВТУ-Т4-55, Минтрансстрой).

III. УКАЗАНИЯ ПО ОРГАНИЗАЦИИ ТРУДА

Работы по гидроизоляции тоннельной обделки выполняет бригада изолировщиков-пленочников в составе 10 чел., работающая звеньями в две смены.

Состав звена изолировщиков-пленочников: 5 разр. - 1 (И1), 4 разр. - 1 (И2), 3 разр. - 1 (И3), 2 разр. - 2 (И4, И5).

Гидроизоляция лотка

Перед наклейкой гидроизоляционного материала поверхность бетонной подготовки выравнивается слоем цементно-песчаного раствора. Изолировщик П2, находясь наверху котлована, принимает из автосамосвалов раствор в ковши, а затем подает его при помощи козлового крана в котлован. Изолировщик П1 принимает и разгружает раствор в лоток.

Изолировщики П3, П4, П5 очищают и промывают поверхность бетонной подготовки, после чего звено в полном составе приступает к укладке, разравниванию и заглаживанию раствора по плоскости лотка и устройству выкружек.

Для устройства грунтовки на отвердевшем слое раствора применяется грунтовочный агрегат.

Грунтовочный слой на изолируемую поверхность изолировщик П1 наносит малярным пистолетом. Изолировщик И3 следит за работой агрегата и за состоянием и перемещением шланга по ходу работы. Изолировщики И2, И4, И5 производят заготовку полотнищ и скатывают их в рулоны.

Наклейка гидроизоляционного материала начинается с дренажной канавы шестиметровыми заходками. Изолировщики И1, И3 на одной, а И2, И4 на другой стороне котлована - наклеивают гидроизоляционный материал на огрунтованную поверхность лотка. Изолировщик И5 заготавливает материал.

При наклейке стеклорубероида изолировщик И1 оплавляет покровный слой материала пламенем горелки, а изолировщик И3 накатывает рулон и прижимает его при помощи валика или шпателя к изолируемой поверхности.

При производстве работ изолировщики руководствуются картой технологии пооперационного контроля.

По окончании наклейки гидроизоляции с целью предохранения ее от механических повреждений, по ней наносится цементно-песчаная стяжка. Работы по нанесению стяжки ведутся в той же последовательности, что и по устройству стяжки по бетонной подготовке перед наклейкой изоляции.

Гидроизоляция стен

Работы ведутся одновременно на двух сторонах станции. Изолировщики И1 и И3 на одной, а изолировщики И2, И5 на другой стороне тщательно очищают концы изоляции, выведенные из лотковой части, оплавляют и приклеивают к стене.

При наклейке стеклорубероида на стены используются ручные лебедки с траверсой. Заготовленные рулоны изоляционного материала, скатанные на сердечники, складывают около лебедки. Изолировщик И3 надевает рулон и прижимной ролик на траверсу и по указанию изолировщика И1 опускает его при помощи лебедки вниз. Изолировщик И1 оплавляет пламенем горелки наружную поверхность полотна стеклорубероида и прижимает ее при одновременном медленном подъеме рулона лебедкой, изолировщик И3 приклеивает полотно под тяжестью прижимного валика к изолируемой поверхности. В такой же последовательности ведутся работы на другой стороне станции изолировщиками И2, И5. Изолировщик И4 в процессе работы заготавливает полотна стеклорубероида нужных размеров и скатывает их в рулоны.

Устройство защитных стен

Наклеенная на стены изоляция защищается от механических повреждений набрызгом цементно-песчаного раствора и кирпичной стенкой, выложенной на цементно-песчаном растворе. При устройстве защитной стенки изолировщики И2, И3 грузят в ковши материалы и при помощи козлового крана подают к месту кладки. Изолировщики И1, И4, И5 принимают, разгружают материалы и ведут кирпичную кладку защитных стен. При наличии на рабочем месте сменного запаса материалов звено в полном составе ведет кладку.

Гидроизоляция свода

Перед наклейкой изоляции с наружной бетонной поверхности свода удаляются бетонные наплывы, поверхность тщательно очищается, промывается водой и выравнивается слоем цементно-песчаного раствора.

Изолировщик И4, находясь наверху котлована, подает при помощи козлового крана раствор к месту укладки. Изолировщики И1 и И3 укладывают раствор на одной, а изолировщики И2, И5 - на другой стороне свода. Укладка выравнивающего слоя раствора производится снизу вверх и замыкается в шлыге свода. Битумная грунтовка под изоляцию делается после отвердения раствора выравнивающей стяжки теми же средствами и при той же расстановке рабочих, что и в лотке.

Наклейка стеклорубероида по своду производится в трехслойном исполнении и ведется одновременно с двух сторон снизу вверх.

В начальной стадии звено в полном составе производит заготовку материала и необходимую подготовительную работу, после чего изолировщик И3 продолжает заготовку материала на полную заходку, а изолировщики И1 и И4, И2, И5, разделившись на две группы, приступают к наклейке изоляции. Выведенные со стен концы гидроизоляционного материала очищаются, оплавляются пламенем горелки и приклеиваются к нижней части свода.

Работы по устройству гидроизоляции свода выполняются в той же последовательности и теми же средствами, что лотка и стен.

Гидроизоляция свода защищается от механических повреждений слоем цементно-песчаного раствора по арматурной сетке.

Требования по технике безопасности

К изолировочным работам допускаются лица не моложе 18 лет, прошедшие медицинское освидетельствование и инструктаж по правилам техники безопасности.

Рабочие должны обеспечиваться соответствующей спецодеждой и защитными очками.

Место, подлежащее гидроизоляции, должно быть очищено от мусора с удалением предметов, мешающих работе, и легковоспламеняющихся материалов. Вблизи места работы должны находиться ящик с песком, противопожарный инвентарь и пенный огнетушитель.

Пропановые баллоны на месте работ следует хранить в запирающихся шкафах для защиты от попадания масла, солнечных лучей и атмосферных осадков.

Нельзя оставлять без надзора заряженные баллоны при перерывах в работе.

Запрещается пользоваться редуктором без манометра или с неисправными манометрами, срок проверки которых истек.

Нельзя разводить открытый огонь, курить и зажигать спички в пределах 10 м от газовых баллонов.

Шланги до присоединения к горелке или резаку продувают рабочим газом, их нельзя использовать для других целей, кроме подачи газа.

Для крепления шлангов к штуцерам и ниппелям применяют сменные инвентарные хомуты. Запрещается крепить шланги проволокой.

Запрещаются работы с горелками в местах, где возможно появление взрывоопасных газов (в колодцах, подземных резервуарах, шахтах). При газопламенной обработке материалов применяют резино-тканевые рукава длиной не более 30 м (ГОСТ 9356-60, ГОСТ 8318-53), рассчитанные на давление 10 кГ/см2.

При производстве гидроизоляционных работ все разъемные соединения должны быть герметичными, не допускающими утечек газа. Если обнаружена утечка газа, пламя немедленно гасят и устраняют неисправность.

Гидроизоляцию стен тоннеля выполняют с передвижных подмостей, удовлетворяющих требованиям техники безопасности.

При неблагоприятных атмосферных условиях работы по гидроизоляции выполняют под защитой брезентовых шатров.

IV. ГРАФИК ПРОИЗВОДСТВА РАБОТ ПО ГИДРОИЗОЛЯЦИИ ТОННЕЛЬНОЙ ОБДЕЛКИ НА 1 ЦИКЛ (6 м станции)

V. КАЛЬКУЛЯЦИЯ ЗАТРАТ ТРУДА НА ГИДРОИЗОЛЯЦИЮ ТОННЕЛЬНОЙ ОБДЕЛКИ СТАНЦИИ

Измеритель 6 м

Шифр норм и расценок

Наименование работ

Состав звена (бригады)

Единица измерения

Объем работ

На единицу измерения

На весь объем работ

норма времени, чел-ч

расценка, руб.-коп.

затраты труда, чел-ч

стоимость затрат труда, руб.-коп.

В3-4-97

Устройство цементно-песчаной стяжки по бетону лотка

Изолировщики-пленочники 3 разр.-1

м2

120

0,52

0-33,4

62,4

40-08

То же

То же по стенам

То же

»

61,5

0,52

0-33,4

32,0

20-54

»

То же по своду

»

»

110

0,52

0-33,4

57,2

36-70

В3-4-103, 2аб

Гидроизоляция лотка стеклорубероидом в два слоя

Изолировщики-пленочники:

4 разр. - 1

3 разр. - 1

2 разр. - 1

»

120

0,29

0-18,7

34,54)

22-44

В3-4-103, 3аб

То же стен

То же

»

61,5

0,37

0-24

22,76

14-76

ВЗ-4-103, 4аб

То же свода в три слоя

Изолировщики-пленочники:

5 разр. - 1

3 разр. - 1

2 разр. - 1

 

110

1,04

0-71

114,4

78-10

В3-4-97

Устройство цементно-песчаной стяжки по изоляции в лотке

Изолировщик-пленочник 3 разр. - 1

»

120

0,42

0-27

50,4

32-40

В3-4-97

То же в стенах

То же

»

61,5

0,42

0-27

25,8

16-60

То же

То же в своде

»

»

110

0,42

0-27

46,2

29-70

В3-4-106, «1»

Устройство защитных стенок из кирпича на цементно-песчаном растворе

Изолировщик-пленочник 3 разр. - 1

м2

61,5

0,65

0-41,8

40,0

25-70

В3-4-96

Устройство в лотке и стенах выкружки под изоляцию

То же

1 м выкружки

72

0,25

0-16,1

18,0

11-59

В3-4-104

Соединение стыков изоляции «в вилку»

Изолировщики-пленочники:

4 разр. - 1

3 разр. - 1

2 разр. -1

1 м длины стыка

24

48

0,18,5 0,09,2

0-12,1

0-06

4,44

4,41

2-90

2-88

 

Итого:

 

чел-ч

 

 

 

512,8

334-39

 

 

 

чел-дн

 

 

 

73,3

 

VI. ОСНОВНЫЕ ТЕХНИКО-ЭКОНОМИЧЕСКИЕ ПОКАЗАТЕЛИ НА ГИДРОИЗОЛЯЦИЮ 6 М СТАНЦИИ

Наименование показателей

Единица измерения

По калькуляции

По графику

На сколько процентов показатель по графику больше (+) или меньше (-), чем по калькуляции

Трудоемкость на устройство гидроизоляции

чел-дн

73,3

58,3

- 20

Средний разряд рабочих

-

3,2

3,7

+ 15

Среднедневная заработная плата одного рабочего

руб.

4-56

5-76

+ 26

VII. МАТЕРИАЛЬНО-ТЕХНИЧЕСКИЕ РЕСУРСЫ

А. Материалы, полуфабрикаты, детали и конструкции

Наименование

ГОСТ, чертеж

Единица измерения

Количество

Раствор цементно-песчаный М100

 

м3

18

Стеклорубероид СРМ

15879-70

м2

730

Битумный лак БН-IV

 

кг

145

Пропан

6763-53

л

300

Кирпич красный

 

1000 шт.

3700

Сетка арматурная

 

 

 

Б. Машины, оборудование, механизированный инструмент, инвентарь

Наименование

ГОСТ, чертеж

Единица измерения

Количество

Компрессор 0-384

14104-69

шт.

1

Грунтовочный агрегат

 

 

 

Малярные пистолеты-распылители

7385-65

»

2

Пропановые баллоны

949-57

 

3

Пропановые редукторы РД1-ВМ

13861-68

»

1

Газовоздушная горелка

ГВПН-1

»

2

Ручная лебедка 100 кг

Чертеж СМУ-771 Бактоннельстроя

»

1

КАРТА ТЕХНОЛОГИИ ПООПЕРАЦИОННОГО КОНТРОЛЯ

Гидроизоляционные работы

№ пп

Контролируемые показатели

Значение показателя, мм

1

Отклонение изолируемой поверхности от плоскости

Не более 10

2

Перекрытие в слое:

 

 

по горизонтали

100-120

 

по вертикали

100-120

3

Смещение второго слоя по отношению к первому

500­­±10

4

Размер краев перекрываемых заплатой на поврежденные места

Не менее 100

5

Время полного высыхания грунтовочного слоя до начала гидроизоляции, час

2-16

ТУ-22-27-02-69, рекомендации ЦНИИС (М, 1972)

I

Основные процессы и операции, подлежащие контролю

Подготовка поверхности под гидроизоляцию

Гидроизоляция железобетонных конструкций тоннеля

Защита гидроизоляции от механических повреждений

II

Состав контроля (что проверяется)

Выравнивание цементным раствором неровностей, нанесение грунтовочного слоя

Наклейка гидроизоляции оплавлением покровочного слоя, устранение пузырей, разделка стыков

Покрытие поверхности изоляции защитным слоем из цементной стяжки по арматурной сетке железобетонными плитками, асбошиферными листами

III

Метод контроля (техническое оснащение контроля - чем проверяется)

Нивелир, рейка длиной 2 м

Визуальный

Визуальный

IV

Вид, режим и объем контроля

Пооперационный, постоянный, сплошной

Пооперационный, постоянный, сплошной

Пооперационный, постоянный, сплошной, приемочный

V

Непосредственно проверяет

Бригадир, начальник смены

Бригадир, начальник смены

Бригадир, начальник смены

 

Надзор за контролем

Главный инженер, начальник участка

 

Привлекаемые для контроля подразделения

-

VI

Где регистрируются результаты контроля (исполнительная документация)

Журнал работ, акт на скрытые работы

Журнал работ, акт на приемку работ

ТЕХНОЛОГИЧЕСКАЯ КАРТА № 6

ОБРАТНАЯ ЗАСЫПКА КОТЛОВАНОВ

I. ОБЛАСТЬ ПРИМЕНЕНИЯ

Технологическая карта разработана на обратную засыпку котлована односводчатого станционного тоннеля метрополитена с монолитной железобетонной обделкой, сооружаемого открытым способом работ в котловане с откосом.

Выполнение основных объемов работ при засыпке предусматривается бульдозером Д-271 на тракторе С-100 с применением для уплотнения грунта грунтоуплотняющей машины ЦНИИС-РРМЗ слоями 0,5-1,0 м.

Разравнивание грунта в нижней части котлована (пазухах) делается вручную с уплотнением пневматическими трамбовками.

Карта может быть применена при составлении проектов производства работ и организации труда при обратной засыпке котлована с откосами при сооружении станции метрополитена открытым способом.

Во всех случаях применения технологической карты необходима привязка ее к местным условиям.

II. УКАЗАНИЯ ПО ТЕХНОЛОГИИ ПРОИЗВОДСТВЕННОГО ПРОЦЕССА

До начала обратной засыпки должны быть закончены работы по устройству защиты гидроизоляции стен и свода. Пространство между тоннельной обделкой и откосами котлована должно быть очищено от лесов, лесоотходов и посторонних предметов.

Засыпка котлована производится равномерно с обеих сторон обделки послойно. До уровня верхней отметки стен станции пазухи засыпаются песком с разравниванием вручную слоями 25-30 см и уплотнением пневматическими трамбовками с предварительной поливкой водой. На перекрытии засыпка производится местным песчаным грунтом с помощью механизмов при обеспечении степени уплотнения, предусмотренного проектом.

Состав работы при обратной засыпке:

очистка засыпаемого пространства между обделкой и откосами от посторонних предметов;

приемка и выгрузка грунта из автосамосвалов на месте засыпки;

заполнение пазух котлована песком с проливкой водой и уплотнением пневматическими трамбовками;

послойное разравнивание засыпаемого грунта бульдозером и уплотнение грунтоуплотняющими машинами.

Все работы по обратной засыпке котлована производятся в соответствии с требованиями «Правил техники безопасности на строительстве метрополитенов и тоннелей» (М., Оргтрансстрой, 1961) и «Временных технических условий производства тоннельных работ» (ВТУ-Т4-55 Минтрансстроя).

III. УКАЗАНИЯ ПО ОРГАНИЗАЦИИ ТРУДА

Работа по обратной засыпке котлована выполняется звеном рабочих в составе:

Машинист бульдозера 5 разр. - 1

Проходчики 3 разр. - 2 (П12, П13)

Перед засыпкой проходчики П1, П2 очищают пазухи от лесов, лесоотходов и других посторонних предметов и приступают к приемке поступающего в автосамосвалах песка, засыпке и разравниванию его в пазухах котлована.

Песок укладывают слоями 25-30 см, проливают водой и уплотняют пневматическими трамбовками.

Работа производится одновременно на обеих сторонах станции заходками по 25-30 м по мере готовности тоннеля к засыпке.

На втором этапе работ при засыпке котлована выше уровня стен и на перекрытии машинист бульдозера разравнивает песчаный грунт слоями толщиной 0,5-1 м, а проходчики П1, П2 поливают спланированный грунт водой, после чего грунт уплотняют грунтоуплотняющей машиной.

Техника безопасности

Уплотнение грунта трамбованием вблизи фундаментов и других конструкций производится на расстоянии и в порядке, указанном проектом производства работ.

При уплотнении грунта самоходным гидровиброуплотнителем запрещается включать в сеть незаземленный преобразователь частоты, а также натягивать и перекручивать токопроводящий кабель.

Вибратор уплотняющей машины выключается при ее прохождении по твердому основанию.

При разработке, транспортировании, разгрузке, планировке и уплотнении грунта двумя и более самоходными или прицепными машинами (скреперы, грейдеры, катки, бульдозеры и др.), идущими друг за другом, необходимо соблюдать расстояние между ними не менее 5 м.

Запрещается разработка и перемещение грунта машинами (бульдозерами, скреперами и др.) при движении на подъем или под уклон с углом наклона более указанного в паспорте машин.

Запрещается допускать к работе на машинах и механизмах лиц, не имеющих права управления ими.

Все вновь поступившие рабочие могут быть допущены к работе только после вводного (общего) инструктажа по технике безопасности и правилам внутреннего распорядка, а также инструктажа непосредственно на рабочем месте с оформлением в книге инструктажа.

Строительные машины, механизмы и станки, а также инструмент и инвентарь должны соответствовать характеру выполняемой работы и условиям, в которых они будут эксплуатироваться. Применение на работах машин, механизмов, станков инструмента и инвентаря допускается только в исправном их состоянии и при наличии соответствующих предохранительных приспособлений и ограждений.

IV. ГРАФИК ПРОИЗВОДСТВА РАБОТ ПО ОБРАТНОЙ ЗАСЫПКЕ КОТЛОВАНА ПОСЛЕ ВОЗВЕДЕНИЯ КОНСТРУКЦИИ ОДНОСВОДЧАТОЙ СТАНЦИИ

V. КАЛЬКУЛЯЦИЯ ЗАТРАТ ТРУДА НА ОБРАТНУЮ ЗАСЫПКУ КОТЛОВАНА (6 м котлована)

Шифр норм и расценок

Описание работ

Состав звена

Единица измерения

Объем работ

На единицу измерения

На весь объем работ

норма времени, чел-ч

расценка, руб.-коп.

затраты труда, чел-ч

стоимость затрат труда, руб.-коп.

В3-4-22, п. Б

Засыпка грунта за стены тоннеля с перекидной на 3 м и очисткой пазух от посторонних предметов

Проходчик 3 разр.

м3

50

1,15

0-73,9

57,50

36-95

В3-4-21, табл. 1, 2б

Прием грунта, погруженного из штабелей, и разравнивание на месте засыпки

Проходчик 2 разр.

»

200

0,07

0-04,1

14

8-20

В3-4-9, 9а

Разравнивание и планирование грунта бульдозером

Машинист 5 разр.

1000 м2

2000

0,38

0-37,5

0,76

0-75

В3-4-7, табл. 2, 8б

Перемещение грунта бульдозером при засыпке котлована

То же

100 м3

1000

0,74

0-72,9

7,40

7-29

2-1-23, табл. 2, 1а

Уплотнение грунта виброкатком

Машинист 5 разр.

»

1000

1,7

1-19

17

11-90

 

Итого:

 

чел-ч

 

 

 

96,7

65-19

 

 

 

чел-дн

 

 

 

13,8

 

VI. ОСНОВНЫЕ ТЕХНИКО-ЭКОНОМИЧЕСКИЕ ПОКАЗАТЕЛИ НА ОБРАТНУЮ ЗАСЫПКУ 6 м КОТЛОВАНА

Наименование показателей

Единица измерения

По калькуляции

По графику

На сколько процентов показатель по графику больше ( + ) или меньше (-), чем по калькуляции

Трудоемкость на обратную засыпку

чел-дн.

13,8

13

- 6

Средний разряд рабочих

-

3,3

3,8

+ 15

Среднедневная заработная плата одного рабочего

руб.

4-72

5-01

+ 6

VII. МАТЕРИАЛЬНО-ТЕХНИЧЕСКИЕ РЕСУРСЫ

А. Материалы, полуфабрикаты, детали и конструкции

Наименование

Единица измерения

Количество

Песок

м3

180

Грунт местный

»

1026

Б. Машины, оборудование, механизированный инструмент, инвентарь

Трактор С-100

1

Бульдозер Д-271

1

Виброкаток ЦНИИС РРМЗ

1

Трамбовки пневматические ТР-4, ТР-6

4

Лопаты совковые и штыковые

4

Ломы строительные

2

КАРТА ТЕХНОЛОГИИ ПООПЕРАЦИОННОГО КОНТРОЛЯ

Засыпка котлованов и траншей

№ пп

Контролируемые показатели

Значение показателей

1

Уклон поверхности слоя, град:

 

 

а) в продольном направлении

0,005

 

б) в поперечном направлении

0,02

2

Толщина слоев уплотняемых грунтов в пазухе, см:

 

 

а) грунт при уплотнении механическ.

Не более 60

 

б) песок при уплотнении с увлажн.

20

3

Процент запаса насыпи грунта без искусственного уплотнения при основании, не дающем осадки:

 

 

а) при скальных грунтах

До 6

 

б) при нескальных грунтах

До 9

4

Процент оптимального допускаемого отклонения влажности при уплотнении грунта:

 

 

а) для связных грунтов

±10

 

б) для несвязных грунтов

±20

СНиП III-Б.1-71

I

Основные процессы и операции, подлежащие контролю

Засыпка пазух и траншей

Уплотнение грунта специальными приспособлениями (машинами)

Определение фактической плотности уплотняемого слоя грунта

Разравнивание поверхности уплотняемого слоя грунта

Поливка водой уплотняемого грунта

II

Состав контроля (что проверяется)

Очистка пазух от древесины и других органических отходов, качество грунта

Количество проходов при уплотнении

Плотность грунта

Толщина слоя

Влажность грунта

III

Метод контроля (техническое оснащение контроля- чем проверяется)

Визуальный, лабораторный анализ

Визуальный

Радиометрический прибор PB-I

Метр стальной

Влагомер-плотномер Ковалева

IV

Вид, режим и объем контроля

Входной, периодический, выборочный

Пооперационный, постоянный, выборочный

Выходной, периодический, выборочный

Пооперационный, периодический, выборочный

V

Непосредственно проверяет

Начальник смены

Бригадир, начальник смены

Начальник смены

Бригадир, начальник смены

 

Надзор за контролем

-

-

-

-

 

Привлекаемые для контроля подразделения

Лаборатория

-

Лаборатория

-

Лаборатория

VI

Где регистрируются результаты контроля (исполнительная документация)

Журнал работ, журнал лабораторных работ

Журнал работ

Журнал работ, журнал лабораторных работ

 

 




ГОСТЫ, СТРОИТЕЛЬНЫЕ и ТЕХНИЧЕСКИЕ НОРМАТИВЫ.
Некоммерческая онлайн система, содержащая все Российские Госты, национальные Стандарты и нормативы.
В Системе содержится более 150000 файлов нормативно-технической документации, действующей на территории РФ.
Система предназначена для широкого круга инженерно-технических специалистов.

Рейтинг@Mail.ru Яндекс цитирования

Copyright © www.gostrf.com, 2008 - 2026