Крупнейшая бесплатная информационно-справочная система онлайн доступа к полному собранию технических нормативно-правовых актов РФ. Огромная база технических нормативов (более 150 тысяч документов) и полное собрание национальных стандартов, аутентичное официальной базе Госстандарта. GOSTRF.com - это более 1 Терабайта бесплатной технической информации для всех пользователей интернета. Все электронные копии представленных здесь документов могут распространяться без каких-либо ограничений. Поощряется распространение информации с этого сайта на любых других ресурсах. Каждый человек имеет право на неограниченный доступ к этим документам! Каждый человек имеет право на знание требований, изложенных в данных нормативно-правовых актах!

  


 

ФЕДЕРАЛЬНОЕ АГЕНТСТВО
ПО ТЕХНИЧЕСКОМУ РЕГУЛИРОВАНИЮ И МЕТРОЛОГИИ

НАЦИОНАЛЬНЫЙ
СТАНДАРТ
РОССИЙСКОЙ
ФЕДЕРАЦИИ

ГОСТ Р
53219-
2008

(ИСО 14255:1998)

КАЧЕСТВО ПОЧВЫ

Определение содержания нитратного азота, аммонийного азота и общего азота в
воздушно-сухих почвах с помощью хлорида кальция в качестве экстрагирующего вещества

ISO 14255:1998
Soil quality - Determination of nitrate nitrogen, ammonium nitrogen and total
soluble nitrogen in air-dry soils using calcium chloride solution as extractant
(MOD)

Москва
Стандартинформ
2009

Предисловие

Цели и принципы стандартизации в Российской Федерации установлены Федеральным законом от 27 декабря 2002 г. № 184-ФЗ «О техническом регулировании», а правила применения национальных стандартов Российской Федерации - ГОСТ Р 1.0-2004 «Стандартизация в Российской Федерации. Основные положения»

Сведения о стандарте

1 ПОДГОТОВЛЕН Государственным научным учреждением «Всероссийский научно-исследовательский институт агрохимии имени Д.Н. Прянишникова» на основе русской версии стандарта, указанного в пункте 4

2 ВНЕСЕН Техническим комитетом по стандартизации ТК 25 «Качество почв и грунтов»

3 УТВЕРЖДЕН И ВВЕДЕН В ДЕЙСТВИЕ Приказом Федерального агентства по техническому регулированию и метрологии от 25 декабря 2008 г. № 713-ст

4 Настоящий стандарт является модифицированным по отношению к международному стандарту ИСО 14255:1998 «Качество почвы. Определение содержания нитратного, аммонийного и общего растворимого азота в экстракте хлорида кальция из воздушно-сухих почв (ISO 14255:1998 «Soil quality - Determination of nitrate nitrogen, ammonium nitrogen and total soluble nitrogen in air-dry soils using calcium chloride solution as extractant»). При этом дополнительные положения и требования, включенные в текст стандарта для учета потребностей национальной экономики Российской Федерации и особенностей российской национальной стандартизации, выделены курсивом

5 ВВЕДЕН ВПЕРВЫЕ

Информация об изменениях к настоящему стандарту публикуется в ежегодно издаваемом информационном указателе «Национальные стандарты», а текст изменений и поправок - в ежемесячно издаваемых информационных указателях «Национальные стандарты». В случае пересмотра (замены) или отмены настоящего стандарта соответствующее уведомление будет опубликовано в ежемесячно издаваемом информационном указателе «Национальные стандарты». Соответствующая информация, уведомление и тексты размещаются также в информационной системе общего пользования - на официальном сайте Федерального агентства по техническому регулированию и метрологии в сети Интернет

Содержание

Предисловие

1 Область применения

2 Нормативные ссылки

3 Принцип

4 Лабораторные пробы

5 Экстракция

6 Определение нитратного (+ нитритного) азота

7 Определение аммонийного азота

8 Минерализация и определение общего растворимого азота

9 Градуировочная шкала

10 Вычисление и представление результатов

11 Контроль приемлемости результатов анализа

12 Протокол испытаний

Приложение А (справочное) Примеры систем сегментного проточного анализа

Библиография

НАЦИОНАЛЬНЫЙ СТАНДАРТ РОССИЙСКОЙ ФЕДЕРАЦИИ

КАЧЕСТВО ПОЧВЫ

Определение содержания нитратного азота, аммонийного азота и общего азота в
воздушно-сухих почвах с помощью хлорида кальция в качестве экстрагирующего вещества

Soil quality. Determination of nitrate nitrogen, ammonium nitrogen and total soluble nitrogen in air-dry soils using calcium chloride solution as extractant

Дата введения - 2010-01-01

1 Область применения

Настоящий стандарт устанавливает метод определения фракций растворимого азота (нитратный, нитритный, аммонийный, азот органического вещества), экстрагируемых из воздушно-сухой почвы раствором хлорида кальция молярной концентрацией 0,01 моль/дм3.

2 Нормативные ссылки

В настоящем стандарте использованы нормативные ссылки на следующие стандарты:

ГОСТ Р ИСО 5725-1-2002 Точность (правильность и прецизионность) методов и результатов измерений. Часть 1. Основные положения и определения

ГОСТ Р ИСО 5725-6-2002 Точность (правильность и прецизионность) методов и результатов измерений. Часть 6. Использование значений точности на практике

Примечание - При пользовании настоящим стандартом целесообразно проверить действие ссылочных стандартов в информационной системе общего пользования - на официальном сайте Федерального агентства по техническому регулированию и метрологии в сети Интернет или по ежегодно издаваемому указателю «Национальные стандарты», который опубликован по состоянию на 1 января текущего года, и по соответствующим ежемесячно издаваемым информационным указателям, опубликованным в текущем году. Если ссылочный стандарт заменен (изменен), то при пользовании настоящим стандартом следует руководствоваться заменяющим (измененным) стандартом. Если ссылочный стандарт отменен без замены, то положение, в котором дана ссылка на него, применяется в части, не затрагивающей эту ссылку.

3 Принцип

Определяемые фракции азота почвы извлекают экстракцией из воздушно-сухих проб почвы раствором хлорида кальция c(CaCl2) = 0,01 моль/дм3.

Неорганические соединения азота [нитрат (+нитрит) и аммоний] определяют непосредственно в экстракте из почвы, применяют автоматизированные спектрометрические методы сегментированного проточного анализа. Все операции по подготовке экстракта к измерению, градуирование спектрофотометра и измерение концентрации определяемых фракций проводят в замкнутом протоке внутри эластичных силиконовых трубок. Проток экстракта и растворов реагентов осуществляют с помощью насоса, прокачивающего растворы ритмичным нажимом силиконовых трубок. Смешивание экстрагента с реагентами происходит в реакционных змеевиках пузырьками воздуха. Окрашенный раствор поступает в проточную кювету спектрофотометра, результат светопоглощения фиксируется самописцем. Азот органического вещества почвы, растворимый в экстрагирующем растворе c(CaCl2) = 0,01 моль/дм3, определяют расчетным методом путем вычитания азота минеральных соединений нитратов (+нитритов) и аммония из общего растворимого азота.

Примечания

1 Содержание растворимого органического азота может указывать на наличие легкоподвижной фракции органического вещества.

2 Содержание экстрагируемого аммонийного и органического азота в почве часто изменяется при высушивании по сравнению со свежей пробой почвы. На результаты определения влияет метод сушки [1].

3 Поскольку ручное определение различных фракций азота затруднительно, в настоящем стандарте описаны измерения с применением методов автоматизированных непрерывных измерений в протоке. Можно использовать другие методы, если они дают результаты, совпадающие с данными, получаемыми с использованием указанных автоматизированных методов.

4 Лабораторные пробы

Следует использовать пробу воздушно-сухой почвы, обработанную в соответствии с [2] и просеянную через сито с диаметром отверстий 2 мм. Часть этой пробы, отобранной в полевых условиях, используют для определения влажности в соответствии с [3].

5 Экстракция

5.1 Принцип

Фракции растворимого азота экстрагируют из воздушно-сухой почвы раствором хлорида кальция c(CaCl2) = 0,01 моль/дм3 при отношении почва: экстрагирующий раствор 1:10 при температуре (20 ± 1) °С. После достижения равновесия почвы с экстрагирующим раствором (2 ч) экстракт центрифугируют для определения различных фракций азота.

Примечания

1 Экстракцию проводят при постоянной температуре 20 °С, поскольку экстракция аммонийного азота и растворимого органического азота зависит от температуры экстрагирующего раствора [4]. В особых климатических условиях можно выбрать другую постоянную температуру. Использованная температура экстракции должна быть указана в отчете об испытании.

2 Предпочтительно применять центрифугирование, потому что большинство типов фильтровальной бумаги поглощают вещества или могут содержать аммиак. Если экстракты необходимо отфильтровать, фильтровальную бумагу следует хранить в эксикаторе над концентрированной серной кислотой или осушителем, содержащим серную кислоту, не менее недели перед использованием, а первые 20 см3 фильтрата следует отбрасывать.

5.2 Реагенты

5.2.1 Используют только реагенты известной степени чистоты.

Вода дистиллированная с удельной проводимостью не более чем 0,2 мСм/м при температуре 25 °С (степень очистки 2 по [5]).

Аммония гидроксид (NH4OH) ч.д.а., массовая доля аммиака c(NH3) = 25 %.

Аммоний сернокислый [(NH4)2SO4] ч.д.а., массовая доля основного вещества не менее 99,0%.

Аммоний хлористый (NH4Cl) ч.д.а., массовая доля основного вещества не менее 99,0 %.

Кадмий (порошок) ч.д.а., массовая доля основного вещества не менее 99,0 %.

Калий азотнокислый (KNO3) ч.д.а., массовая доля основного вещества не менее 99,0 %.

Калий надсернокислый (K2S2O8) ч.д.а., массовая доля основного вещества не менее 99,0 %.

Калий-натрий виннокислый (KNaC4H4O6) ч.д.а., массовая доля основного вещества не менее 99,0%.

Кальций хлористый 2-водный (СаСl2 × Н2О) ч.д.а., массовая доля основного вещества не менее 99,0%.

Кислота ортофосфорная (Н3РО4) ч.д.а., массовая доля основного вещества 85 %.

Кислота соляная (HCl) ч.д.а., массовая доля основного вещества не менее 99,0 %.

Медь (II) сернокислая безводная (CuSO4) ч.д.а., массовая доля основного вещества не менее 99,0 %.

Натрия гидроксид (NaOH) ч.д.а., массовая доля основного вещества не менее 99,0 %.

Натрия дихлороизоцианурат дигидрат (Cl2C3N3NaО3 ×2О) ч.д.а., массовая доля основного вещества не менее 99,0 %.

Натрия нитроферрицианид (нитропруссид) дигидрат (Na2[Fe(CN)5NO] ×2O) ч.д.а., массовая доля основного вещества не менее 99,0 %.

Натрий салициловокислый (C7H5O3Na) ч.д.а., массовая доля основного вещества не менее 99,0 %.

Натрия тетраборат декагидрат (Na2B4O7 × 10Н2О) ч.д.а., массовая доля основного вещества не менее 99,0 %.

Натрий лимоннокислый 5,5-водный (Na3C6H5O7) ч.д.а., массовая доля основного вещества не менее 99,0 %.

N-1-Нафтилэтилендиамин дигидрохлорид (C12H16N2Cl2) ч.д.а., массовая доля основного вещества не менее 99,0 %.

Полиоксиэтилена лауриловый эфир [C12H25O(C2H4O)n] ч.д.а., массовая доля основного вещества не менее 99,0 %.

Сульфаниламид 5-(метилсульфанилметил)-1Н-пиримидин-2,4-дион (C6H8N2O2S) ч.д.а., массовая доля основного вещества не менее 99,0 %.

Соль динатриевая этилендиамин-N,N,N',N'-тетрауксусной кислоты 2-водная (ЭДТА, трилон Б) (C10H14N2O8Na2 ×2O) ч.д.а., массовая доля основного вещества не менее 99,0 %.

5.2.2 Раствор хлорида кальция c(CaCl2) = 0,01 моль/дм3 для экстракции

Растворяют 1,47 г дигидрата хлорида кальция (CaCl2 ×2O) в небольшом количестве дистиллированной воды по 5.2.1. Раствор доводят до объема 1 дм3.

Примечание - При хранении CaCl2 ×2O может поглощать воду. В случае использования увлажненного реактива проводят контроль концентрации СаСl2 в приготовленном экстрагирующем растворе титрованием трилоном Б в присутствии хрома кислотного темно-синего в качестве индикатора.

5.3 Оборудование и посуда

5.3.1 Аналитические весы с точностью взвешивания 0,0001 г.

5.3.2 Полиэтиленовые емкости с завинчивающимися пробками объемом 250 см3.

5.3.3 Ротатор с оборотом на 360° и числом оборотов от 150 до 250 об/мин.

5.3.4 Центрифуга, пригодная для используемых центрифужных пробирок.

5.3.5 Полиэтиленовые центрифужные пробирки на 100 см3 или другого приемлемого объема.

Примечание - Здесь и далее по тексту используемая мерная посуда должна быть поверена при ее выпуске или в рабочем порядке.

5.4 Методика экстракции из почвы растворимых фракций азота

Взвешивают 10,00 г лабораторной пробы почвы в полиэтиленовую емкость по 5.3.2.

Добавляют 100,0 см3 раствора хлорида кальция по 5.2.2 при средней температуре воздуха в лаборатории 20 °С. Механически встряхивают по 5.3.3 в течение 2 ч.

Наливают необходимое количество суспензии экстракта в центрифужные пробирки по 5.3.5 и центрифугируют по 5.3.4 в течение 10 мин при ускорении 3000 д. Декантируют надосадочную жидкость в стакан или мерный цилиндр. В аналите измеряют содержание нитратного (+ нитритного), нитритного (при необходимости), аммонийного и общего растворимого азота, как описано в разделах 6, 7, 8 и 9, соответственно.

Выполняют холостой опыт, добавляя только раствор хлорида кальция по 5.2.2 в полиэтиленовые емкости по 5.3.2.

Фракции растворимого азота в экстракте следует измерять сразу после экстракции, не позже чем через день. Если это невозможно, экстракты должны храниться в холодильнике при температуре не выше 4 °С не дольше семи дней. Перед анализом экстракта его температуру необходимо довести до температуры воздуха в лаборатории.

6 Определение нитратного (+ нитритного) азота

6.1 Принцип

В системе сегментного проточного анализа (СПА) пробу прежде всего подвергают диализу. Нитрат- и нитрит-ионы из пробы проходят через мембрану и уносятся потоком буферного раствора по 6.2.2. Восстанавливают нитрат в нитрит при помощи кадмия по 6.2.3. Затем добавляют окрашивающий реактив (a-нафтилэтилендиамин дигидрохлорид и сульфаниламид) по 6.2.5, в результате реакции в кислой среде образуется красное азосоединение. Измеряют оптическую плотность соединения при 543 нм.

Примечания

1 Диализ необходим для отделения нитрат-ионов от механических загрязняющих веществ, таких как твердые частицы, коллоиды и окрашенные органические соединения.

2 Окрашивающий реактив известен под названием реактива Грисса-Илосвая.

Содержание нитрита в почвах обычно пренебрежимо мало. В этом случае сумма нитрата и нитрита соответствует содержанию нитрата. В отдельных случаях, когда нитрификация в почвах протекает слабо, содержание нитрита следует определять отдельно.

6.2 Реагенты

6.2.1 Увлажняющий агент - полиоксиэтилена лауриловый эфир разбавляют водой до концентрации 30 % (по объему).

Примечание - Увлажняющий агент не должен храниться дольше чем 6 мес.

6.2.2 Буферный раствор

Растворяют 25 г хлорида аммония (NH4Cl) в небольшом объеме воды в мерной колбе вместимостью 1 дм3. Добавляют 12,5 см3 раствора 3 %-ного гидроксида аммония (NH4OH) и 1 см3 увлажняющего агента по 6.2.1. Доводят водой до метки и перемешивают.

Кислотность раствора определяют с помощью рН-метра. Кислотность раствора должна находиться в диапазоне 6-8 рН.

6.2.3 Cd/Cu-содержащий восстановитель

Перемешивают около 5 г порошка кадмия (размер частиц от 0,3 до 0,8 мм) с 30 см3 соляной кислоты c(HCl) = 1 моль/дм3 в течение 1 мин. Промывают водой декантацией до отсутствия кислоты (полакмусовой бумаге). Затем добавляют около 50 см3 раствора меди II сернокислой (CuSO4) массовой концентрации 20 г/см3 и перемешивают 3 мин. Промывают водой декантацией не менее 10 раз для удаления хлопьев меди. Хранят Cd/Cu- восстановитель в темноте.

6.2.4 Восстановительная колонка

Заполняют U-образную колонку по 6.3.2 буферным раствором по 6.2.2, следя за тем, чтобы не было пузырьков воздуха. С помощью воронки вводят Cd/Cu-содержащий восстановитель по 6.2.3 с двух сторон колонки. Периодически уплотняют порошок вибрацией. Заполняют колонку до уровня на 5 мм ниже краев и затыкают ее концы пробками из стекловолокна. Теперь колонка готова и может быть установлена в СПА-систему.

Примечание - Для увеличения срока службы восстановителя следует поместить медную проволоку в начале восстановительной трубки и заменять ее по мере необходимости.

6.2.5 Окрашивающий реактив

В мерную колбу вместимостью 1 дм3 наливают 0,5 дм3 воды и добавляют 150 см3 85 %-ной фосфорной кислоты (Н3РO4). Добавляют 0,5 г а-нафтилэтилендиамин дигидрохлорида (C12H16N2Cl2) и перемешивают до растворения. Затем к смеси добавляют 0,5 г сульфаниламида (C6H8N2O2S) и доводят водой до метки.

6.3 Оборудование

6.3.1 Система сегментного проточного анализа

Система включает в себя пробоотборник, насос, блок диализа, восстановительную колонку, нитратный блок, фотометр и записывающее устройство. Блок-схема соответствующей системы сегментного проточного анализа (СПА) приведена в приложении А (рисунок А.1). Следует отметить, что эта блок-схема может потребовать уточнения, в зависимости от применяемой системы.

6.3.2 Восстановительная колонка

Это U-образная стеклянная колонка длиной около 15 см внутренним диаметром 2 мм, снабженная муфтами для соединения со СПА-системой. Можно использовать готовые колонки, заполненные кадмием, которые поставляет изготовитель СПА-систем, либо приготовить самим по 6.2.3, 6.2.4.

Примечание - Такая структура СПА-системы позволяет определять нитрит после простого удаления восстановительной колонки (приложение А, рисунок А.2).

7 Определение аммонийного азота

7.1 Принцип

В СПА-системе сначала проводят диализ пробы. Определение аммония основано на реакции Бертло [6], [7], в которой фенольное производное (в данном случае, салицилат) образует индофенол в присутствии аммиака и гипохлорита под действием катализатора нитроферрицианида (нитропруссида) натрия. В щелочной среде образующийся индофенол имеет зелено-голубую окраску, оптическую плотность соединения измеряют при 660 нм.

Примечание - Диализ почвенного экстракта необходим из-за возможного помутнения почвенных центрифугатов.

7.2 Реагенты

7.2.1 Буферный раствор с рН 5,2

В мерной колбе вместимостью 1 дм3 растворяют 24 г цитрата натрия (Na3C6H5O7) и 33 г натрия-калия виннокислого (KNaC4H4O6). Доводят водой до метки. Добавляют 1 см3 увлажняющего агента (по 6.2.1). Кислотность раствора определяют с помощью рН-метра.

7.2.2 Окрашивающий реагент

В мерную колбу вместимостью 1 дм3 наливают около 800 см3 воды, растворяют 80 г салицилата натрия (C7H5O3Na) и 25 г гидроксида натрия (NaOH). Доводят до метки водой.

7.2.3 Раствор нитроферрицианида (нитропруссида)

Растворяют 1 г дигидрата нитроферрицианида натрия Na2[Fe(CN)5NO]×2O в воде в мерной колбе вместимостью 1 дм3.

7.2.4 Раствор изоцианурата

Растворяют 2 г дихлороизоцианурата натрия (Cl2C3N3NaO3 ×2O) и 25 г гидроксида натрия (NaOH) в небольшом объеме воды в мерной колбе вместимостью 1 дм3. Доводят до метки водой.

7.3 Оборудование

7.3.1 Система сегментного проточного анализа

Система включает в себя пробоотборник, насос, блок диализа, аммонийный блок, фотометр и записывающее устройство. Блок-схема соответствующей системы сегментного проточного анализа приведена в приложении А (рисунок А.3). Блок-схема может потребовать уточнения, в зависимости от применяемой системы.

8 Минерализация и определение общего растворимого азота

8.1 Принцип

В системе сегментного проточного анализа органические соединения в экстракте минерализуют действием персульфата калия (K2S2O8) при рН 4,0. Затем ионы аммония, присутствовавшие в исходной пробе и образованные в процессе минерализации, окисляют в нитрат действием персульфата калия, катализируемым ультрафиолетовым (УФ) облучением. Пробу подвергают диализу и определяют содержание нитрата спектрофотометрическим методом после восстановления в нитрит (см. приложение А, рисунок А4, позиция D).

Примечания

1 Диализ почвенного экстракта необходим из-за возможного помутнения почвенных центрифугатов.

2 Если массовая концентрация органического углерода в экстрактах больше 50 мг/дм3, это может превысить буферную способность системы. В этих случаях экстракты перед измерениями должны быть разбавлены.

8.2 Реагенты

8.2.1 Борный буферный раствор

В мерной колбе вместимостью 1 дм3 растворяют 38 г декагидрата тетрабората натрия (Na2B4O7 × 10Н2О) в 200 см3 воды. Добавляют 4 г гидроксида натрия (NaOH) и доводят водой до метки. Нельзя добавлять увлажняющий агент (по 6.2.1).

8.2.2 Окислитель

В мерной колбе вместимостью 1 дм3 растворяют 52 г персульфата калия (K2S2O8) в 500 см3 воды и доводят водой до метки. Перемешивают и оставляют раствор в холодильнике на 24 ч. Затем прозрачный надосадочный экстракт сливают декантацией для дальнейшего использования. Нельзя добавлять увлажняющий агент (по 6.2.1).

8.2.3 Буферный раствор

В мерной колбе вместимостью 1 дм3 растворяют 25 г хлорида аммония (NH4Cl) в воде и доводят до метки. Добавляют 1 см3 25 %-ного раствора гидроксида аммония (NH4OH) и 1 см3 увлажняющего агента (по 6.2.1) и тщательно перемешивают.

8.2.4 Cd/Cu-содержащий восстановитель

См. 6.2.3.

8.2.5 Окрашивающий реагент

В мерную колбу вместимостью 1 дм3 наливают приблизительно 600 см3 воды, осторожно приливают 150 см3 85 %-ной фосфорной кислоты (Н3РO4), добавляют 10 г сульфаниламида (C6H8N2O2S), 1 г динатриевой соли этилендиаминтетрауксусной кислоты (ЭДТА) (C10H14N2O8Na2 ×2O) и 0,5 г N-(1-нафтил)этилендиаминдигидрохлорида (C12H16Cl2N2), перемешивают до растворения и доводят водой до метки. Полученный раствор хранят при комнатной температуре.

8.3 Оборудование

8.3.1 Система сегментного проточного анализа

Система включает в себя пробоотборник, насос, блок диализа, блок общего растворимого азота, фотометр и записывающее устройство. Блок-схема соответствующей системы сегментного проточного анализа приведена в приложении А (рисунок А4). Блок-схема может потребовать уточнения, в зависимости от применяемой системы.

8.3.2 Восстановительная колонка

См. 6.3.2.

9 Градуировочная шкала

9.1 Реагенты

9.1.1 Раствор хлорида кальция, молярность концентрации c(CaCl2) = 0,1 моль/дм3

Растворяют 14,7 г дигидрата хлорида кальция (CaCl2×2H20) в воде и доводят объем раствора до 1дм3.

9.1.2 Основной смешанный раствор

Взвешивают2,708 г нитрата калия (KNO3) и 0,943 г сульфата аммония [(NH4)2SO4]. Растворяют их в воде в мерной колбе вместимостью 1 дм3 и доводят водой до метки.

Перед использованием соли должны быть высушены в сушильном шкафу при температуре 150 °С до постоянной массы.

Примечание - Используют основной смешанный раствор, потому что NO3-N(+NO2-N), NH4-N и растворимый органический N определяют одновременно.

9.2 Методика

Вносят пипеткой 0,5,1,0,1,5 и 2,0 см3 основного смешанного раствора (по 9.1.2) в мерные колбы на 250 см3, оставляя одну холостую пробу. Добавляют 25 см3 раствора хлорида кальция (по 9.1.1) и доводят водой до метки. Градуировочные растворы готовят непосредственно перед использованием. Они должны включать концентрации, приведенные в таблице 1.

Таблица 1 - Концентрации градуировочных растворов для трех систем СПА

Фракция азота

Массовая концентрация, мг/дм3

NO3-N

0

0,75

1,50

2,25

3,00

NH4-N

0

0,40

0,80

1,20

1,60

Общий растворимый азот

0

1,15

2,30

3,45

4,60

Используют аликвоты центрифугатов, приготовленные по 5.4. Помещают почвенные экстракты, холостые растворы и градуировочные растворы в автоматический пробоотборник. Проводят сегментный проточный анализ в соответствии с блок-схемами, приведенными в приложении А (или в соответствии с инструкцией изготовителя).

Строят градуировочные графики и записывают полученные концентрации азота, снимая показания записывающего устройства.

Примечание - Принцип работы записывающего устройства зависит от фирмы, выпускающей используемое оборудование.

10 Вычисление и представление результатов

Содержание различных фракций азота в почвенном материале WN, выраженное в мг/кг (млн-1), рассчитывают по формуле

WN = (a - b)×10×(100 + WB)/100,                                                                                            (1)

где а - массовая концентрация NO3-N (приложение А, рисунок А.1) или NH4-N (приложение А, рисунок А.3) или общего растворимого N (приложение А, рисунок А4) в почвенном экстракте, мг/дм3;

b - массовая концентрация NO3-N, или NH4-N или общего растворимого N в холостом опыте, мг/дм3; определяют аналогично анализу рядовых проб;

WB - содержание влаги в воздушно-сухой почве, определенное в соответствии с [3], %;

10 - поправка на разбавление градуировочных растворов в системе в процессе анализа.

Результат рассчитывают до 3 значащих цифр, например, 1,75; 17,5; 175. Результаты представляют в пересчете на почву в мг/кг (млн-1).

11 Контроль приемлемости результатов анализа

11.1 Допускаемые расхождения между результатами двух измерений, полученными в условиях повторяемости по ГОСТ Р ИСО 5725-1 и ГОСТ Р ИСО 5725-6 при определении нитратного азота в пробах почвы с измерением в системе проточного анализа (СПА) (приложение А, рисунок А.1), приведены в таблице 2.

Таблица 2

Диапазон измерений NO3-N в почве, мг/кг (млн-1)

Предел повторяемости при п = 2, Р = 0,95; rотн, %

До 7,5

25

Св. 7,5 до 15,0 включ.

15

Св. 15,0

10

11.2 Допускаемые расхождения между результатами двух измерений, полученными в условиях повторяемости по ГОСТ Р ИСО 5725-1 и ГОСТ Р ИСО 5725-6 при определении нитритного азота в пробах почвы с измерением в системе проточного анализа (СПА) (приложение А, рисунок А.2), приведены в таблице 3.

Таблица 3

Диапазон измерений NO2-N в почве, мг/кг (млн-1)

Предел повторяемости при п = 2, Р = 0,95; rотн, %

До 4,0 включ.

25

Св. 4,0 до 12,0 включ.

20

Св. 12,0

10

11.3 Допускаемые расхождения между результатами двух измерений, полученными в условиях повторяемости по ГОСТ Р ИСО 5725-1 и ГОСТ Р ИСО 5725-6 аммонийного азота в пробах почвы с измерением в системе проточного анализа (СПА) (приложение А, рисунок А.3), приведены в таблице 4.

Таблица 4

Диапазон измерений NO4-N в почве, мг/кг (млн-1)

Предел повторяемости при п = 2, Р = 0,95; rотн, %

До 11,0 включ.

20

Св. 11,0 до 25,0 включ.

15

Св. 25,0

10

11.4 Контроль повторяемости результатов определения в почве содержания нитратного (NO3-N), нитритного (NO2-N), аммонийного (NH4-N) и общего растворимого азота в вытяжках хлорида кальция с(СаСl2) = 0,01 моль/дм3 из воздушно-сухих почв рекомендуется проводить ежедневно (с каждой партией анализируемых проб) по формуле

½X1 - X2½ £ romн×0,01-Xcp,                                                                                                     (2)

где Х1 и Х2 - результаты двух параллельных измерений, выполненных в условиях повторяемости, мг/кг (млн-1);

Хср - среднее арифметическое двух параллельных определений, выполненных в условиях повторяемости, мг/кг (млн-1);

romн - пределы погрешности повторяемости, приведенные в таблицах 2,3,4 для соответствующих диапазонов измерений, %.

12 Протокол испытаний

Протокол испытаний должен содержать следующие данные:

a) ссылку на настоящий стандарт;

b) полное описание пробы;

c) результаты определения;

d) подробное описание всех операций, отсутствующих в настоящем стандарте или необязательных, а также все факторы, которые могут влиять на результаты определения (например, температура экстрагирующего раствора).

Приложение А
(справочное)

Примеры систем сегментного проточного анализа

Значения скорости потока приведены в см3/мин

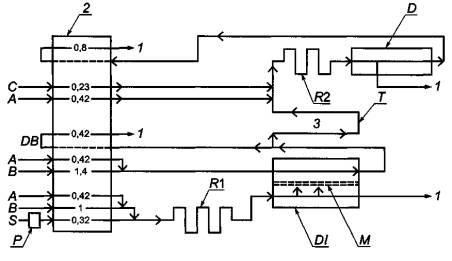
1 - слив; 2 - насос; 3 - восстановление нитрата; S - экстракт из почвы; В - буферный раствор (6.2.2); А - сегментирующий воздух; DB - противопузырьковое устройство; С - окрашивающий реагент (6.2.5); R1 - реакционный змеевик 1, длина 40 см (5 витков), внутренний диаметр 1,5 мм; R2 - реакционный змеевик 2, длина 150 см (20 оборотов), внутренний диаметр 1,5 мм; DI - диализатор, длина желобка 15 см; М - мембрана диализатора; Т - U-образная восстановительная трубка, длина 15 см, внутренний диаметр 2 мм, заполненная порошком кадмия, содержащего медь (6.2.4); D - детектор, проточная кювета длиной 50 мм, фильтр на 540 нм; Р - автоматический пробоотборник
Рисунок А.1 - Пример системы сегментированного проточного анализа для определения суммы нитратного и нитритного азота

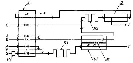
Значения скорости потока приведены в см3/мин

1 - слив; 2 - насос; S - экстракт из почвы; В - буферный раствор (6.2.2); А - сегментирующий воздух; С – окрашивающий реагент (6.2.5); R1 - реакционный змеевик 1, длина 40 см (5 витков), внутренний диаметр 1,5 мм; R2 - реакционный змеевик 2, длина 150 см (20 оборотов), внутренний диаметр 1,5 мм; DI - диализатор, длина желобка 15 см; М - мембрана диализатора; D - детектор, проточная кювета длиной 50 мм, фильтр на 540 нм; Р - автоматический пробоотборник
Рисунок А.2 - Пример системы сегментированного проточного анализа для определения нитритного азота

Значения скорости потока приведены в см3/мин

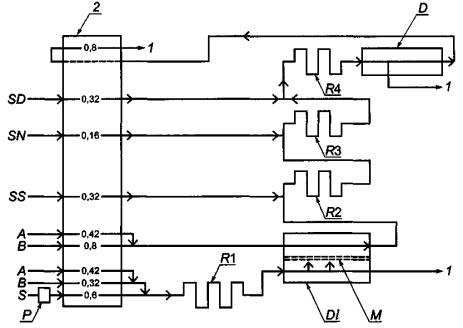
1 - слив; 2 - насос; S - экстракт из почвы; В - буферный раствор (6.2.2); А - сегментирующий воздух; SS - окрашивающий реагент, раствор салицилата натрия (7.2.2); SN - раствор нитропруссида натрия; SD - раствор дихлороизоцианурата натрия (7.2.3); R1, R2, R3 - реакционные змеевики, длина 40 см (5 оборотов), внутренний диаметр 1,5 мм; R4 - реакционный змеевик, длина 370 см (50 оборотов), внутренний диаметр 1,5 см, при постоянной температуре 40 °С; DI - диализатор, длина желобка 30 см; М - мембрана диализатора; D - детектор, проточная кювета длиной 50 мм, фильтр на 660 нм; Р автоматический пробоотборник
Рисунок А.3 - Пример системы сегментированного проточного анализа для определения аммонийного азота

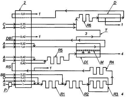
Значения скорости потока приведены в см3/мин

1 - слив; 2 - насос; 3 - восстановление нитрата; 4 - ультрафиолетовая минерализация; S - экстракт из почвы; А - сегментирующий воздух; О - окислитель (8.2.2); ВВ - боратный буферный раствор (8.2.1); RS - повторный отбор пробы; В - буферный раствор (8.2.3); DB - противопузырьковое устройство; С - окрашивающий реагент (8.2.5); R1 - реакционный змеевик 1, длина 435 см (50 витков), внутренний диаметр 1,5 мм; R2, R4, R5 - реакционные змеевики, длина 75 см (10 оборотов), внутренний диаметр 1,5 мм; R3 - кварцевый реакционный змеевик, длина 260 см (23 оборота), внутренний диаметр 1,8 мм, вставленная в ячейку ультрафиолетового облучения; R6 - реакционный змеевик 1, длина 150 см (20 витков), внутренний диаметр 1,5 мм; DI - диализатор, длина желобка 15 см; М - мембрана диализатора; Т - U-образная восстановительная трубка, длина 15 см, внутренний диаметр 2 мм, заполненная порошком кадмия, содержащего медь (8.2.4); D - детектор, проточная кювета длиной 50 мм, фильтр на 540 нм; Р - автоматический пробоотборник
Рисунок А.4 - Пример системы сегментированного проточного анализа для определения общего растворимого азота

Библиография

[1] Sterckeman, Т. and Ciesielsky, H. Principaux facteurs influant sur la determination de I'azote mineral des sols. Actes des Troisiemes Journees de/'Analyse de Terre, GEMAS, Blois, 101-121 (1991)

[2] ИСО 11464:1994 Качество почвы. Подготовка проб к физико-химическим анализам

[3] ИСО 11465:1994 Определение массовой доли сухого вещества и влаги. Гравиметрический метод

[4] Houba.V.J.G., Novozamsky, I., Uittenbogaard, J. and van der Lee, J.J. Automatic determination of «total soluble nitrogen» in soil extracts. Landw. Forsch. 40,295-302(1987)

[5] ИСО 3696:1987 Вода для использования в лаборатории. Технические условия и методы анализа

[6] Krom, М. Spectrophotometry determination of ammonia: a study of modified Berthelot reaction using salicylate and dichloroisocyanurate. The Analyst, April 1980

[7] Searle, P.L. The Berthelot or indophenol reaction and its use in the analysis chemistry of nitrogen. The Analyst, 109, May 1984

Ключевые слова: качество почвы, испытания почв, химический анализ, определение содержания, неорганические соединения азота, нитратный азот, нитритный азот, аммонийный азот, азот растворимого органического вещества, методы экстракции, спектрометрический метод

 

 




ГОСТЫ, СТРОИТЕЛЬНЫЕ и ТЕХНИЧЕСКИЕ НОРМАТИВЫ.
Некоммерческая онлайн система, содержащая все Российские Госты, национальные Стандарты и нормативы.
В Системе содержится более 150000 файлов нормативно-технической документации, действующей на территории РФ.
Система предназначена для широкого круга инженерно-технических специалистов.

Рейтинг@Mail.ru Яндекс цитирования

Copyright © www.gostrf.com, 2008 - 2026