|
|
МАТЕРИАЛЫ ЗВУКОПОГЛОЩАЮЩИЕ Метод измерения звукопоглощения EN ISO 354:2003
Предисловие Цели и принципы стандартизации в Российской Федерации установлены Федеральным законом
от 27 декабря Сведения о стандарте 1 ПОДГОТОВЛЕН Некоммерческим партнерством «Производители современной минеральной изоляции «Росизол»» на основе выполненного Открытым акционерным обществом «Центр методологии нормирования и стандартизации в строительстве» (ОАО «ЦНС») аутентичного перевода европейского стандарта, указанного в пункте 4 2 ВНЕСЕН Техническим комитетом по стандартизации ТК 465 «Строительство» 3
УТВЕРЖДЕН И ВВЕДЕН В ДЕЙСТВИЕ Приказом Федерального агентства по техническому регулированию и метрологии от 19 августа 4 Настоящий стандарт является модифицированным по отношению к европейскому стандарту ЕН ИСО 354:2003 «Акустика - Измерение звукопоглощения в реверберационной камере» (EN ISO 354:2003 «Acoustics - Measurement of sound absorption in a reverberation room») путем изменения отдельных положений указанного стандарта и внесения дополнительных положений, объяснение которых приведено во введении и обозначенных в тексте стандарта курсивом. Наименование настоящего стандарта изменено по отношению к наименованию европейского стандарта для приведения в соответствие с ГОСТ Р 1.5 (пункт 3.5) 5 ВВЕДЕН ВПЕРВЫЕ Информация об изменениях к настоящему стандарту публикуется в ежегодно издаваемом информационном указателе «Национальные стандарты», а текст изменений и поправок - в ежемесячно издаваемых информационных указателях «Национальные стандарты». В случае пересмотра (замены) или отмены настоящего стандарта соответствующее уведомление будет опубликовано в ежемесячно издаваемом информационном указателе «Национальные стандарты». Соответствующая информация, уведомление и тексты размещаются также в информационной системе общего пользования - на официальном сайте Федерального агентства по техническому регулированию и метрологии в сети Интернет СодержаниеВведение Раздел 2 настоящего стандарта дополнен ссылкой на ГОСТ Р 53377. Из текста европейского стандарта исключен пункт 6.3.1, т.к. сведения, приведенные в данном пункте, носят информационный характер и не содержат конкретных требований. Из пункта 7.3.3 исключено примечание, так как сведения, приведенные в данном примечании, носят информационный характер и не содержат конкретных требований. Из пункта 8.2.2 исключена ссылка на технический отчет ИСО/ТО-13. Из приложения В, подраздел В.1, исключено примечание, в котором приведена ссылка на стандарт АСТМ Е 795, т.к. отсутствует его национальный аналог. В текст настоящего стандарта внесены редакционные изменения и технические уточнения, не требующие специальных пояснений и выделенные в тексте стандарта курсивом. НАЦИОНАЛЬНЫЙ СТАНДАРТ РОССИЙСКОЙ ФЕДЕРАЦИИ
Дата введения - 2010-03-01 1 Область примененияНастоящий стандарт устанавливает метод измерения коэффициента звукопоглощения акустических материалов, применяемых для стен или потолков, а также эквивалентной площади звукопоглощения объектов (например, мебели, группы людей или пространственных звукопоглотителей) в реверберационной камере. Результаты измерений могут быть использованы для сравнения акустических характеристик материалов, разработки методов расчета и проектирования акустики залов и защиты помещений от шума. Настоящий стандарт не распространяется на метод измерения характеристик звукопоглощения слабо демпфированных резонаторов. 2 Нормативные ссылкиВ настоящем стандарте использованы ссылки на следующие стандарты: ГОСТ Р 53377 (ЕН ИСО 11654:1997) Материалы звукопоглощающие, применяемые в зданиях. Оценка звукопоглощения (ЕН ИСО 11654:1997 Акустика - Поглотители звука, применяемые в зданиях - Оценка звукопоглощения, MOD) ГОСТ 17168-82 Фильтры электронные октавные и третьоктавные. Общие технические требования и методы испытаний (МЭК 61260:1995 Электроакустика. Фильтры с полосой пропускания в октаву и долю октавы, NEQ) ГОСТ 31295.1-2005 (ИСО 9613-1:1993) Шум. Затухание звука при распространении на местности. Часть 1. Расчет поглощения звука атмосферой (ИСО 9613-1:1993 Акустика. Затухание звука при распространении на местности. Часть 1. Расчет поглощения звука атмосферой, MOD) Примечание - При пользовании настоящим стандартом целесообразно проверить действие ссылочных стандартов в информационной системе общего пользования - на официальном сайте Федерального агентства по техническому регулированию и метрологии в сети Интернет или по ежегодно издаваемому информационному указателю «Национальные стандарты», который опубликован по состоянию на 1 января текущего года, и по соответствующим ежемесячно издаваемым информационным указателям, опубликованным в текущем году. Если ссылочный стандарт заменен (изменен), то при пользовании настоящим стандартом следует руководствоваться заменяющим (измененным) стандартом. Если ссылочный стандарт отменен без замены, то положение, в котором дана ссылка на него, применяется в части, не затрагивающей эту ссылку. 3 Термины и определенияВ настоящем стандарте применены следующие термины с соответствующими определениями. 3.1 кривая спада: Графическое изображение зависимости спада уровня звукового давления в помещении от времени после прекращения работы источника звука. 3.2 время реверберации: Время Т, с, необходимое для спада уровня звукового давления в замкнутых помещениях на 60 дБ после прекращения работы источника звука. Примечания 1 Значение Т, соответствующее спаду уровня звукового давления на 60 дБ, может быть определено методом линейной экстраполяции коротких отрезков частотного диапазона уровня звукового давления. 2 Приведенное выше определение термина «время реверберации» основано на допущении, что в идеальном случае существует линейная зависимость между уровнем звукового давления и временем его спада, при этом уровень фонового шума относительно мал. 3.3 метод прерываемого шума: Метод получения кривых спада уровня звукового давления (далее - кривые спада) непосредственной записью спада уровня звукового давления после возбуждения помещения широкополосным шумом или шумом ограниченной полосы. 3.4 метод интегрирования импульсных откликов: Метод получения кривых спада обратным интегрированием импульсных откликов, возведенных в квадрат. 3.5 импульсный отклик: Временное возрастание уровня звукового давления, наблюдаемое в одной точке помещения в результате излучения звукового импульса Дирака в другой точке этого помещения. Примечание - На практике не представляется возможным точное воспроизведение импульса Дирака (импульс бесконечно малой длительностью, применяемый при теоретических расчетах), однако кратковременные импульсы звука (например, создаваемые выстрелами) могут быть использованы для практических измерений с достаточной аппроксимацией. Альтернативный метод измерения заключается в применении сигнала с периодом, соответствующим последовательности максимальной длины волны (MLS) или другого детерминистского сигнала, сигнала с плоским спектром, а также в преобразовании измеренного сигнала обратно в импульсный отклик. 3.6 эквивалентная площадь звукопоглощения камеры: Условная площадь поверхности звукопоглощения, на которой отсутствуют дифракционные эффекты и которая, являясь единственным поглощающим элементом в помещении, обеспечивает то же время реверберации, что и рассматриваемое помещение. Примечания 1 Площадь измеряют в квадратных метрах. 2 Условную площадь поверхности звукопоглощения реверберационной камеры без образца обозначают А1; реверберационной камеры с испытываемым образцом - А2. 3.7 эквивалентная площадь звукопоглощения образца АТ: Разность между значениями эквивалентной площади звукопоглощения реверберационной камеры с образцом и без него. Примечание - Площадь звукопоглощения измеряют в квадратных метрах. 3.8 площадь образца S: Площадь пола или стены, закрываемая образцом. Примечания 1 Площадь измеряют в квадратных метрах. 2 Площадью образца, окруженного непоглощающим экраном (схема типа Е или типа J), является площадь, ограниченная установленным экраном. 3.9 коэффициент звукопоглощения αs: Отношение эквивалентной площади звукопоглощения образца к его площади. Примечания 1 Для звукопоглотителей, несколько поверхностей которых подвергаются воздействию звука, коэффициентом звукопоглощения является эквивалентная площадь звукопоглощения образца, деленная на общую площадь этих поверхностей. 2 Коэффициент звукопоглощения αs, полученный в результате измерения времени реверберации, может иметь значения, превышающие единицу (например, из-за влияния дифракционных эффектов). В этом случае величину αs не рекомендуется выражать в процентах. 3 Применение индекса «s» позволяет избежать ошибок при определении коэффициента звукопоглощения, выраженного как отношение падающей звуковой энергии к неотраженной энергии, если плоская волна падает на плоскую стену под определенным углом. Данный «геометрический» коэффициент звукопоглощения всегда меньше единицы и может быть выражен в процентах. 4 Сущность методаОпределяют значения среднего времени реверберации в реверберационной камере с образцом и без него. По результатам измерений времени реверберации вычисляют эквивалентную площадь звукопоглощения образца АТ по формуле Сабине [(см. 8.1.2, формулы (5)-(8)]. Если образец равномерно распределен по поверхности камеры (например, плоский звукопоглотитель или ряд объектов), коэффициент звукопоглощения определяют как отношение значения эквивалентной площади звукопоглощения АТ к рассматриваемой площади образца S (см. 3.8). Если образец состоит из нескольких идентичных объектов, эквивалентную площадь звукопоглощения отдельного объекта Aobj определяют отношением значения АТ к числу объектов n: Aobj = АТ/n. 5 Частотный диапазонИзмерения проводят в третьоктавных полосах частот со следующими среднегеометрическими частотами, Гц [1]:
Дополнительные измерения могут быть проведены в других третьоктавных полосах со среднегеометрическими частотами вне указанного диапазона (см. [1]). Следует учитывать, что на низких частотах (ниже 100 Гц) не могут быть получены точные результаты измерений вследствие низкой плотности мод (собственных частот) колебаний реверберационной камеры. 6 Испытательное устройство6.1 Реверберационная камера и диффузность звукового поля6.1.1 Объем реверберационной камеры Объем реверберационной камеры должен быть не менее 6.1.2 Форма реверберационной камеры Форма реверберационной камеры должна быть такой, чтобы выполнялось условие
где Imах - длина самой протяженной прямой линии, которая находится в пределах границ камеры (например, в прямоугольной камере этой линией является наибольшая диагональ), м; V - объем камеры, м3. Для получения равномерного распределения собственных частот камеры, особенно в низкочастотных полосах, отношение двух любых размеров камеры должно быть более 1,0 и менее 2,0. 6.1.3 Диффузность звукового поля Спадающее (реверберирующее) звуковое поле в камере должно быть в достаточной степени диффузным. Для обеспечения удовлетворительной степени диффузности звукового поля независимо от формы камеры применяют стационарные или подвешенные рассеиватели, или вращающиеся лопасти (см. приложение А). 6.1.4 Площадь звукопоглощения Эквивалентная площадь звукопоглощения камеры без образца А1 вычисленная согласно 8.1.2.1 и определенная в третьоктавных полосах частот, не должна превышать значений, указанных в таблице 1. Если объем камеры V отличается от Таблица 1 - Максимальные значения эквивалентной площади звукопоглощения камер объемом V =
График зависимости эквивалентной площади звукопоглощения камеры без образца от частоты должен представлять собой гладкую кривую без спадов или подъемов, отличающихся не более чем на 15 % среднего значения для двух диапазонов, смежных с данной третьоктавной полосой. 6.2 Образцы для испытания6.2.1 Плоские поглотители 6.2.1.1 Площадь образца для испытания должна быть от 10 до Площадь образца выбирают в зависимости от объема камеры и предполагаемого звукопоглощения образца. Чем больше камера, тем больше должна быть площадь образца. Площадь образцов с небольшим коэффициентом звукопоглощения должна соответствовать верхнему пределу площади, указанной выше. 6.2.1.2 Образец должен иметь прямоугольную форму с отношением ширины к длине в интервале
от 0,7 до 1. Образец устанавливают так, чтобы ни одна из его частей не находилась ближе Если необходимо, то массивные образцы могут быть установлены вертикально вдоль стен камеры непосредственно на пол. При этом соблюдение требования в части минимально допустимого расстояния размещения образца 6.2.1.3 Образец размещают в камере по одной из схем, приведенных в приложении В, если нет особых указаний со стороны производителя или потребителя, требующих другой схемы размещения образца. Время реверберации в камере без образца измеряют при отсутствии рамы или отражающих реек, закрывающих боковые грани образца, за исключением экрана в соответствии со схемой типа J (см. приложение В). 6.2.2 Дискретные звукопоглотители 6.2.2.1 Прямоугольные звукопоглощающие элементы или экраны должны размещаться в камере по схеме типа J, как указано в приложении В. 6.2.2.2
Дискретные объекты (например, стулья, свободно стоящие экраны или группы людей) устанавливают для испытания так же, как они будут находиться в помещении в условиях эксплуатации. Например, стулья или свободно стоящие экраны должны располагаться на полу на расстоянии не менее 6.2.2.3
Образец должен содержать такое число отдельных объектов (как правило, не менее
трех), чтобы обеспечить изменение эквивалентной площади звукопоглощения камеры более чем на 6.3 Температура и относительная влажностьИзмерения в камере без образца и камере, содержащей образец, должны проводиться при постоянных значениях температуры и относительной влажности воздуха для исключения влияния на результаты измерений условий окружающей среды и получения скорректированных результатов измерений с поправками, обусловленными поглощением звука воздухом, не отличающихся в значительной степени друг от друга. Относительная влажность воздуха в камере должна быть не менее 30 % и не более 90 %, температура - не ниже 15°С. Для всех измерений следует вводить поправки на изменение поглощения звука воздухом, как указано в 8.1.2. До начала проведения измерений образец должен достичь состояния равновесия с температурой и относительной влажностью воздуха в камере. 7 Измерение времени реверберации7.1 Общие положения7.1.1 Введение В настоящем стандарте приведены два метода измерения кривых спада звукового давления: - метод прерываемого шума; - метод интегрирования импульсных откликов. Кривая спада, измеренная методом прерываемого шума, является результатом усреднения нескольких кривых спада или значений времени реверберации, измеренных при одном положении микрофона или громкоговорителя, что является обязательным условием для получения соответствующей повторяемости. Интегрированный импульсный отклик в камере является детерминированной функцией и не связан со статистическими отклонениями, что не требует проводить усреднение. Для измерений необходимо применять более точные средства измерений и способы обработки данных, чем в случае метода прерываемого шума. 7.1.2 Микрофоны и их расположение Микрофоны, применяемые для измерения, должны иметь ненаправленную характеристику приема. Измерения проводят при различном расположении микрофонов, находящихся на расстоянии не менее 7.1.3 Расположение источника шума Шум в реверберационной камере должен создаваться ненаправленным источником звука. Источник звука следует располагать в разных точках, находящихся на расстоянии не менее 7.1.4 Число точек расположения микрофонов и громкоговорителей Число пространственно независимых измеренных кривых спада должно быть не менее 12. Число точек расположения источников звука (громкоговорителей), умноженное на число точек расположения микрофонов, должно быть не менее 12. Минимально допустимое число точек расположения микрофонов должно быть не менее трех, источников звука - не менее двух. Допускается использовать одновременно более одного источника звука при условии, что мощность излучаемой ими энергии находится в пределах границ допусков, составляющих 3 дБ для каждой третьоктавной полосы. При применении для создания звукового поля в камере более одного источника звука число пространственно независимых измеренных кривых спада может быть снижено до шести. 7.2 Метод прерываемого шума7.2.1 Формирование звукового поля в камере При проведении измерений методом прерываемого шума в качестве источника звука применяют громкоговоритель, на который подают широкополосный шум или шум, ограниченный по полосе частот и обладающий постоянным спектральным составом. При применении широкополосного шума и анализатора реального времени спектр шума должен быть таким, чтобы разность в уровнях звукового давления в камере в смежных третьоктавных полосах была не более 6 дБ. При использовании шума, ограниченного по полосе частот, ширина полосы должна быть не менее одной трети октавы. Сигнал возбуждения должен быть достаточно длинным, чтобы обеспечить стабильный уровень звукового давления во всех частотных полосах до того, как сигнал будет выключен. Для создания стационарного режима время возбуждения должно составлять не менее половины ожидаемого времени реверберации. Уровень измерительного сигнала перед началом спада звукового давления должен быть достаточно высоким, чтобы нижний уровень полезного сигнала в рассматриваемом диапазоне частот не менее чем на 10 дБ превышал уровень фона (см. 7.4.1). Если используют сигнал с шириной полосы, превышающей одну треть октавы, то времена реверберации, имеющие различную длительность в смежных частотных полосах, могут оказывать влияние на нижнюю часть кривых спада. Если времена реверберации в смежных полосах отличаются более чем в 1,5 раза, то кривые спада в этих частотных полосах с наиболее коротким временем реверберации должны быть измерены отдельно с использованием фильтра соответствующей третьоктавной полосы, установленным в тракте источника звука. 7.2.2 Усреднение результатов измерений Результаты нескольких измерений, проведенных при одном положении микрофона или громкоговорителя в соответствии с 7.1.1, должны быть усреднены для снижения неопределенности измерений, вызываемой статистическими отклонениями. Число средних значений должно быть не менее трех. Если необходимо, чтобы требуемая повторяемость результатов измерений находилась в тех же пределах, что и повторяемость, достигаемая при проведении измерений методом интегрирования импульсных откликов, то число средних значений должно быть не менее десяти (см. 8.2). Для усреднения допускается применять следующие методы: - усреднение кривых спада, зарегистрированных при одном положении микрофона или громкоговорителя («усреднение по ансамблю»), по формуле
где Lp(t) - усредненный уровень звукового давления в момент времени t, вычисленный для общего числа N спадов; Lpn(t) - уровень звукового давления n-го спада в момент времени t; - оценка единичных кривых спада и вычисление среднеарифметического значения на основе полученных значений времени реверберации (метод применяют в случае, если невозможно «усреднение по ансамблю»). Кривые спада, зарегистрированные в разных положениях микрофона или громкоговорителя, не усредняют. Примечание - При лабораторных измерениях результаты усреднения значений времени реверберации аналогичны результатам «усреднения по ансамблю». При использовании ЭВМ «усреднение по ансамблю» следует применять в любом случае. 7.2.3 Регистрирующая система Результаты измерений регистрируют при помощи самописца (регистратора уровней) или другой аналогичной системы, включающей в себя необходимые усилители и фильтры и обеспечивающей получение среднего наклона кривой спада соответствующего времени реверберации. В системе регистрации изображения и/или обработки кривых спада уровня звукового давления допускается использовать: a) устройство экспоненциального усреднения с формированием непрерывного выходного сигнала или b) устройство экспоненциального усреднения с последовательными дискретными выборками из непрерывного усредненного выходного сигнала или c) устройство линейного усреднения с выводом последовательных дискретных линейных средних значений. Постоянная времени усреднения устройства экспоненциального усреднения [или аналогичного оборудования (см. примечание 2)] должна быть менее Т/20 и по возможности приближаться к этому значению. Постоянная времени усреднения устройства линейного усреднения должна быть менее Т/12. Для устройства, в котором кривую спада записывают как последовательность дискретных точек, интервал времени между точками в записи должен быть менее усредненного времени реверберации, полученного для данного устройства (≤ Т/12). При визуальной оценке кривой спада масштаб времени спада звукового давления необходимо выбирать так, чтобы угол наклона кривой спада по возможности приближался к 45°. Примечания 1 Регистраторы уровня, в которых уровень звукового давления отображается в виде графика зависимости от времени, должны быть приблизительно эквивалентны устройствам экспоненциального усреднения. 2 Если используют устройство экспоненциального усреднения, то преимущество в установке времени усреднения менее Т/20 будет незначительно. Если используют устройство линейного усреднения, то не следует устанавливать интервал между точками измерения менее Т/12. В случае последовательных измерений целесообразно устанавливать время усреднения в соответствии с выбранной частотной полосой. В других случаях рекомендуется использовать время усреднения или интервал времени, выбранный с учетом наименьшего времени реверберации во всех частотных полосах. Фильтры с третьоктавными полосами частот, используемые в описанных устройствах, должны соответствовать требованиям ГОСТ 17168. 7.3 Метод интегрирования импульсных откликов7.3.1 Прямой метод При испытаниях прямым методом импульсный отклик может быть создан при помощи импульсного источника звука, например, пистолетного выстрела, взрыва баллона, искрового разряда или любого другого источника, который создает импульс с достаточно широкой частотной полосой и достаточной энергией, отвечающий требованиям, изложенным в 7.2.1. Примечание - Для воспроизведения широкополосных импульсных сигналов с достаточной энергией рекомендуется использовать громкоговорители. В отдельных полосах частот могут создаваться узкополосные импульсы. Допускается в отдельных случаях использовать в качестве импульсных сигналов третьоктавные полосы частот шума. 7.3.2 Косвенный метод Сущность метода заключается в использовании звуковых сигналов, воспроизводящих импульсный отклик после специальной обработки сигнала (накопление звуковой энергии), поступающего к микрофону, для обеспечения высокого отношения полезного сигнала к шуму. Допускается использовать воющий тон или псевдослучайный шум (например, последовательный ряд импульсов максимальной длины), если выполняются требования к спектральным характеристикам источника звука. При увеличении отношения полезного сигнала к шуму динамические требования, предъявляемые к источнику звука, могут быть ниже указанных в 7.3.1. Если применяется синхронизированное усреднение времени (например, для того, чтобы увеличить отношение полезного сигнала к шуму), необходимо проверить, что импульсный отклик остается неизменным в течение всего процесса измерения. Сигналы могут создаваться устройствами, включающими в себя внешние программные средства, или устройствами, являющимися частью измерительного устройства. Ширина полосы сигнала должна превышать одну треть октавы. Спектр сигнала должен быть достаточно плоским в пределах фактической третьоктавной полосы, в которой проводят измерения. Альтернативой широкополосному спектру шума может быть розовый спектр, охватывающий диапазон третьоктавных полос со среднегеометрическими частотами от 100 Гц до 5000 кГц, при этом время реверберации измеряют одновременно в различных третьоктавных полосах. Калибровочный сигнал должен быть таким, чтобы полученная кривая спада для соответствующей частотной полосы отвечала требованиям, предъявляемым к уровням звукового давления (см. 7.2.1). 7.3.3 Регистрирующая система Регистрирующая система должна состоять из микрофонов и усилителей в соответствии с требованиями, изложенными в 7.1.2 и 7.2.3, а также иметь дополнительное устройство, которое может преобразовывать зарегистрированный сигнал в цифровую форму и выполнять обработку данных, включая интегрирование импульсного отклика и оценку кривой спада. В случае, приведенном в 7.3.2, регистрирующая система может также включать в себя необходимое аппаратное и программное обеспечение для обработки импульсного отклика на основе зарегистрированного сигнала, а также создавать калибровочный сигнал. Импульсный отклик должен быть отфильтрован в третьоктавных полосах. Фильтрование можно проводить до или после преобразования импульсного отклика в цифровую форму, но в любом случае до интегрирования. Для фильтрования допускается использовать аналоговые или цифровые фильтры. Фильтры должны соответствовать ГОСТ 17168. 7.3.4 Интегрирование импульсного отклика Импульсный отклик, прошедший через фильтр, должен быть интегрирован в обратном направлении. Основной является следующая процедура. Для каждой частотной полосы создают кривую спада путем интегрирования в обратном направлении импульсного отклика, возведенного в квадрат. При отсутствии фонового шума интегрирование начинают с конца импульсного отклика (t → ∞), возведенного в квадрат, и продолжают до его начала. Спад звукового давления в зависимости от времени определяют по формуле
где E(t) - импульсный отклик, возведенный в квадрат и интегрированный в обратном направлении; р(τ) - звуковое давление импульсного отклика. Для сведения к минимуму воздействие фонового шума на последнюю часть импульсного отклика применяют следующую процедуру. Если уровень фонового шума известен, определяют начальную точку интегрирования t1 как точку пересечения горизонтальной линии с фоновым шумом и линии наклона кривой спада с представительной частью кривой спада импульсного отклика, возведенного в квадрат. Интегрирование продолжают в обратном направлении до начала импульсного отклика и определяют кривую спада E(t) по формуле
где t < t1; С - возможная поправка импульсного отклика, возведенного в квадрат и интегрированного от t1 до бесконечности. Результат определения кривой спада может быть более точным, если значение С вычисляют с допущением об экспоненциальном затухании энергии с той же скоростью, что и полученная с помощью импульсного отклика, возведенного в квадрат, в интервале времени между t0 и t1 где t0 - время, соответствующее уровню звукового давления 10 дБ, превышающего уровень звукового давления в период времени t1. Если С принимают равным нулю, то конечная - начальная точки интегрирования создают систематическую погрешность измерения времени реверберации. При максимально допустимой погрешности измерения времени реверберации, равной 5 %, интегрирование импульсного отклика в обратном направлении должно начинаться от уровня не ниже 15 дБ от максимального сигнала с сохранением динамического диапазона импульсного отклика, необходимого для определения времени реверберации Т. 7.4 Оценка времени реверберации на основе кривых спада7.4.1 Диапазон оценки Оценку кривой спада для каждой частотной полосы, указанной в разделе 5, следует начинать на 5 дБ ниже начального уровня звукового давления. Диапазон оценки должен быть не менее 20 дБ. Нижняя часть диапазона оценки должна быть не менее чем на 10 дБ выше общего фонового шума, создаваемого измерительной системой. 7.4.2 Метод оценки Оценка времени реверберации на основе кривых спада уровня звукового давления может быть проведена с использованием регистрирующей системы с управлением ЭВМ (является наиболее предпочтительной). Кривую спада уровня звукового давления, полученную при помощи самописца (регистратора уровней), аппроксимируют прямой, вручную подгоняемой как можно ближе к кривой спада. Для более точного определения кривой спада, по которой проводят расчет времени реверберации, используют процедуру усреднения результатов нескольких измерений при различных положениях микрофона или громкоговорителя в каждой третьоктавной полосе частот. Допускается использовать другие алгоритмы, обеспечивающие аналогичные результаты. 8 Обработка результатов8.1 Методика расчета8.1.1 Расчет времени реверберации Т1 и Т2 Время реверберации в камере для каждой частотной полосы определяют как среднеарифметическое значение всех результатов измерений времени реверберации, проведенных в данной частотной полосе. Среднеарифметические значения времени реверберации для каждой частотной полосы в камере без образца и с образцом Т1 и Т2 соответственно вычисляют и округляют до второй значащей цифры. 8.1.2 РасчетA1, A2 и AT 8.1.2.1 Эквивалентную площадь звукопоглощения А1, м2, реверберационной камеры без образца определяют по формуле
где V - объем реверберационной камеры, м3; c1 - скорость распространения звука в воздухе при температуре t1 в камере без образца, м/с; Т1 - время реверберации в камере без образца, с; m1 - постоянная затухания звуковой энергии во время измерения в камере без образца, м-1. Значение m может быть вычислено, используя коэффициент затухания α, приведенный в ГОСТ 31295.1, по формуле
Примечание - Для диапазона температур от 15°С до 30°С значение с, м/с, вычисляют по формуле
где t - температура воздуха, °С. 8.1.2.2 Эквивалентную площадь звукопоглощения A2, м2, реверберационной камеры с образцом вычисляют по формуле
где V - см. 8.1.2.1; с2 - скорость распространения звука в воздухе при температуре t2 в камере с образцом, м/с; Т2 - время реверберации в реверберационной камере после установки образца, с; m2 - постоянная затухания звуковой энергии во время измерения в камере с образцом, м-1. Значение m может быть вычислено, используя коэффициент затухания α, приведенный в ГОСТ 31295.1, по формуле
8.1.2.3 Эквивалентную площадь звукопоглощения образца АТ, м2, вычисляют по формуле
где c1 - скорость распространения звука в воздухе при температуре t1; с2 - скорость распространения звука в воздухе при температуре t2; А1, V, T1, c1 и m1 - см. 8.1.2.1; А2, Т2, с2 и m2 - см. 8.1.2.2; m2 - m1 - разность постоянных затухания звуковой энергии в камере с образцом и без образца. 8.1.3 Расчет значения αs Коэффициент звукопоглощения αs плоского звукопоглотителя или ряда объектов вычисляют по формуле
где АТ - эквивалентная площадь звукопоглощения образца, м2, вычисленная в соответствии с 8.1.2.3; S - площадь камеры, закрываемая образцом, м2 (см. 3.8). 8.1.4 Расчет эквивалентной площади звукопоглощения дискретных поглотителей Результат вычисления эквивалентной площади звукопоглощения дискретных поглотителей выражают в виде эквивалентной площади звукопоглощения отдельного объекта, определяемой делением значения АT на число испытуемых объектов. Для ряда объектов результат определения коэффициента звукопоглощения выражают одним числом. 8.2 Точность измерений8.2.1 Общие положения Точность результатов измерения коэффициента звукопоглощения оценивают показателями повторяемости (см. 8.2.2) и воспроизводимости результатов измерений (см. 8.2.3). Повторяемость - степень разброса результатов измерений, выполненных в одной и той же лаборатории, одним и тем же оператором, с использованием одного и того же испытательного оборудования. Воспроизводимость - степень разброса результатов измерений, выполненных в разных лабораториях, разными операторами, с использованием разного испытательного оборудования (см. 8.2.3). 8.2.2 Повторяемость результатов измерения времени реверберации Повторяемость результатов измерения времени реверберации оценивают по относительному среднеквадратическому отклонению времени реверберации T20 в диапазоне спада звукового давления от 0 до минус 20 дБ, полученных в условиях повторяемости, и определяют по формуле
где ε20(Т) - среднеквадратическое отклонение времени реверберации T20; Т - измеренное время реверберации, с; f - среднегеометрическая частота третьоктавной полосы; N - число оцененных кривых спада. Пример определения среднеквадратического отклонения результата измерения T20 в 12 точках при регистрации спада в каждом положении не менее трех раз приведен на рисунке 1.
Рисунок 1 - Пример определения среднеквадратического отклонения 8.2.3 Воспроизводимость Данные о воспроизводимости результатов измерения коэффициента звукопоглощения в настоящий стандарт не включены. 8.3 Представление результатов испытанийВ отчете об испытаниях должны быть представлены следующие результаты измерений в виде таблиц и графиков для всех частот измерений: a) коэффициент звукопоглощения αs - для плоских поглотителей; b) эквивалентная площадь звукопоглощения объекта Aobj - для одиночных объектов; с) коэффициент звукопоглощения - αs для ряда объектов. Значение эквивалентной площади звукопоглощения образца округляют до Примечание - При округлении могут быть получены результаты меньшей точности. При графическом представлении результатов измерений точки измерений соединяют прямыми линиями; по оси х откладывают частоту в логарифмическом масштабе, по оси у - эквивалентную площадь звукопоглощения или коэффициент звукопоглощения образца в линейном масштабе. Отношение отрезка по оси у от АT = 0 до AT = Допускается использовать оценку звукопоглощения одним числом, вычисленным в соответствии с ГОСТ Р 53377. В этом случае коэффициент звукопоглощения в октавной полосе вычисляют как среднеарифметическое значение трех коэффициентов звукопоглощения, определенных в каждой из третьоктавных полос, входящих в состав октавы. 9 Отчет об испытанияхВ отчете об испытаниях должна быть приведена ссылка на настоящий стандарт. Отчет должен содержать следующую информацию: a) наименование организации, в которой проводились испытания; b) дату проведения испытаний; c) описание образца, площадь образца S, способ его крепления и расположение в реверберационной камере, предпочтительно в виде чертежей; d) данные о форме реверберационной камеры, наличии рассеивающих элементов (число и размеры рассеивателей), числе микрофонов и расположении источников звука; e) размеры реверберационной камеры, объем V и общую площадь ее поверхности (стен, пола и потолка) St; f) температуру и относительную влажность воздуха в камере во время измерений времени реверберации Т1 и T2; g) средние значения времени реверберации Т1 и Т2 в каждой полосе частот; h) результаты испытаний, записанные в соответствии с 8.3. Приложение А
|
|||||||||||||||||||||||||||||||||||||||||||||||||||||||||||||||||||||||||||||||||||||||||||||||||
|
Размеры в метрах |
|
|
|
|
|
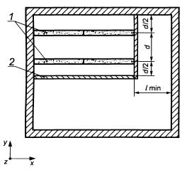
1 - экраны; 2 - барьер; d - расстояние между параллельными рядами экранов |
1 - экраны; 2 - барьер; ha - высота звукопоглотителя |
|
Рисунок В.2 - Пример размещения образца по схеме типа J с использованием звукоотражающих барьеров (вид сверху) |
Рисунок В.3 - Пример «хорошего способа» размещения звукоотражающих барьеров по схеме типа J |

1 - экран; 2 - барьер; Н - высота реверберационной камеры
Рисунок В.4 - Пример «очень хорошего способа» размещения звукоотражающих барьеров по схеме типа J
[1] ИСО 266:1997 Акустика - Предпочтительные частоты
(ISO 266:1997) (Acoustics - Preferred frequencies)
Ключевые слова: акустические звукопоглощающие материалы, коэффициент звукопоглощения, эквивалентная площадь звукопоглощения
|
ГОСТЫ, СТРОИТЕЛЬНЫЕ и ТЕХНИЧЕСКИЕ НОРМАТИВЫ. Некоммерческая онлайн система, содержащая все Российские Госты, национальные Стандарты и нормативы. В Системе содержится более 150000 файлов нормативно-технической документации, действующей на территории РФ. Система предназначена для широкого круга инженерно-технических специалистов. Copyright © www.gostrf.com, 2008 - 2026 |