|
|
Система проектной документации для строительства Основные требования к проектной и рабочей документации
Предисловие Цели и принципы стандартизации в Российской Федерации установлены Федеральным законом от 27 декабря 2002 г. № 184-ФЗ «О техническом регулировании», а правила применения национальных стандартов Российской Федерации - ГОСТ Р 1.0-2004 «Стандартизация в Российской Федерации. Основные положения» Сведения о стандарте 1 РАЗРАБОТАН Открытым акционерным обществом «Центр методологии нормирования и стандартизации в строительстве» (ОАО «ЦНС») и Открытым акционерным обществом «ЛЕНМОРНИИПРОЕКТ» по проектированию, изысканиям и научным исследованиям в области морского транспорта (ОАО «ЛЕНМОРНИИПРОЕКТ») 2 ВНЕСЕН Управлением технического регулирования и стандартизации Федерального агентства по техническому регулированию и метрологии 3 УТВЕРЖДЕН И ВВЕДЕН В ДЕЙСТВИЕ Приказом Федерального агентства по техническому регулированию и метрологии от 30 ноября 2009 г. № 525-ст 4 В настоящем стандарте реализованы нормы Градостроительного кодекса Российской Федерации, введенного в действие Федеральным законом от 29.12.2004 № 190-ФЗ [1] 5 ВЗАМЕН ГОСТ 21.101-97 Информация об изменениях к настоящему стандарту публикуется в ежегодно издаваемом информационном указателе «Национальные стандарты», а текст изменений и поправок - в ежемесячно издаваемых информационных указателях «Национальные стандарты». В случае пересмотра (замены) или отмены настоящего стандарта соответствующее уведомление будет опубликовано в ежемесячно издаваемом информационном указателе «Национальные стандарты». Соответствующая информация, уведомление и тексты размещаются также в информационной системе общего пользования - на официальном сайте Федерального агентства по техническому регулированию и метрологии в сети Интернет СОДЕРЖАНИЕ национальный СТАНДАРТ российской федерации
Дата введения - 2010-03-01 1 Область примененияНастоящий стандарт устанавливает основные требования к проектной документации объектов капитального строительства и рабочей документации всех видов объектов строительства. Примечание - В настоящем стандарте понятие «строительство» включает в себя новое строительство, реконструкцию, расширение, техническое перевооружение и капитальный ремонт объектов капитального строительства. Общие правила выполнения и комплектования графической и текстовой документации, установленные в подразделе 4.1 и в разделах 5 и 8, распространяются также на отчетную техническую документацию по инженерным изысканиям для строительства. 2 Нормативные ссылкиВ настоящем стандарте использованы ссылки на следующие стандарты: ГОСТ Р 6.30-2003 Унифицированные системы документации. Унифицированная система организационно-распорядительной документации. Требования к оформлению документов ГОСТ Р 21.1001-2009 Система проектной документации для строительства. Общие положения ГОСТ Р 21.1002-2008 Система проектной документации для строительства. Нормоконтроль проектной и рабочей документации ГОСТ Р 21.1003-2009 Система проектной документации для строительства. Учет и хранение проектной документации ГОСТ Р 21.1703-2000 Система проектной документации для строительства. Правила выполнения рабочей документации проводных средств связи ГОСТ Р 21.1709-2001 Система проектной документации для строительства. Правила выполнения рабочей документации линейных сооружений гидромелиоративных систем ГОСТ 2.004-88 Единая система конструкторской документации. Общие требования к выполнению конструкторских и технологических документов на печатающих и графических устройствах вывода ЭВМ ГОСТ 2.051-2006 Единая система конструкторской документации. Электронные документы. Общие положения ГОСТ 2.101-68 Единая система конструкторской документации. Виды изделий ГОСТ 2.102-68 Единая система конструкторской документации. Виды и комплектность конструкторских документов ГОСТ 2.105-95 Единая система конструкторской документации. Общие требования к текстовым документам ГОСТ 2.106-96 Единая система конструкторской документации. Текстовые документы ГОСТ 2.109-73 Единая система конструкторской документации. Основные требования к чертежам ГОСТ 2.113-75 Единая система конструкторской документации. Групповые и базовые конструкторские документы ГОСТ 2.114-95 Единая система конструкторской документации. Технические условия ГОСТ 2.301-68 Единая система конструкторской документации. Форматы ГОСТ 2.302-68 Единая система конструкторской документации. Масштабы ГОСТ 2.303-68 Единая система конструкторской документации. Линии ГОСТ 2.304-81 Единая система конструкторской документации. Шрифты чертежные ГОСТ 2.305-2008 Единая система конструкторской документации. Изображения - виды, разрезы, сечения ГОСТ 2.306-68 Единая система конструкторской документации. Обозначения графические материалов и правила их нанесения на чертежах ГОСТ 2.307-68 Единая система конструкторской документации. Нанесение размеров и предельных отклонений ГОСТ 2.308-79 Единая система конструкторской документации. Указание на чертежах допусков форм и расположения поверхностей ГОСТ 2.309-73 Единая система конструкторской документации. Обозначение шероховатости поверхностей ГОСТ 2.310-68 Единая система конструкторской документации. Нанесение на чертежах обозначений покрытий, термической и других видов обработки ГОСТ 2.311-68 Единая система конструкторской документации. Изображение резьбы ГОСТ 2.312-72 Единая система конструкторской документации. Условные изображения и обозначения швов сварных соединений ГОСТ 2.313-82 Единая система конструкторской документации. Условные изображения и обозначения неразъемных соединений ГОСТ 2.314-68 Единая система конструкторской документации. Указания на чертежах о маркировании и клеймении изделий ГОСТ 2.315-68 Единая система конструкторской документации. Изображения упрощенные и условные крепежных деталей ГОСТ 2.316-2008 Единая система конструкторской документации. Правила нанесения надписей, технических требований и таблиц на графических документах. Общие положения ГОСТ 2.317-69 Единая система конструкторской документации. Аксонометрические проекции ГОСТ 2.501-88 Единая система проектной документации для строительства. Правила учета и хранения ГОСТ 21.110-95 Система проектной документации для строительства. Правила выполнения спецификации оборудования, изделий и материалов ГОСТ 21.113-88 Система проектной документации для строительства. Обозначения характеристик точности ГОСТ 21.114-95 Система проектной документации для строительства. Правила выполнения эскизных чертежей общих видов нетиповых изделий ГОСТ 21.302-96 Система проектной документации для строительства. Условные графические обозначения в документации по инженерно-геологическим изысканиям ГОСТ 21.408-93 Система проектной документации для строительства. Правила выполнения рабочей документации автоматизации технологических процессов ГОСТ 21.501-93 Система проектной документации для строительства. Правила выполнения архитектурно-строительных рабочих чертежей Примечание - При пользовании настоящим стандартом целесообразно проверить действие ссылочных стандартов в информационной системе общего пользования - на официальном сайте Федерального агентства по техническому регулированию и метрологии в сети Интернет или по ежегодно издаваемому информационному указателю «Национальные стандарты», который опубликован по состоянию на 1 января текущего года, и по соответствующим ежемесячно издаваемым информационным указателям, опубликованным в текущем году. Если ссылочный стандарт заменен (изменен), то при пользовании настоящим стандартом следует руководствоваться заменяющим (измененным) стандартом. Если ссылочный стандарт отменен без замены, то положение, в котором дана ссылка на него, применяется в части, не затрагивающей эту ссылку. 3 Термины и определенияВ настоящем стандарте применены термины по ГОСТ Р 21.1001, ГОСТ Р 21.1002, а также следующие термины с соответствующими определениями: 3.1 основная надпись: Совокупность сведений о проектном документе, содержащихся в графах таблицы установленной формы, помещаемой на листах проектной и рабочей документации. 3.2 марка: Буквенный или буквенно-цифровой индекс, входящий в обозначение рабочей документации и определяющий ее отношение к определенному виду строительно-монтажных работ, или обозначающий основные отличительные особенности строительных конструкций и их элементов. 3.3 спецификация оборудования, изделий и материалов: Текстовый проектный документ, определяющий состав оборудования, изделий и материалов, предназначенный для комплектования, подготовки и осуществления строительства. [ГОСТ 21.110-95, раздел 3]
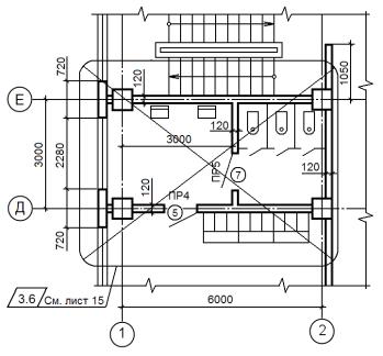
3.4 эскизный чертеж общего вида нетипового изделия: Документ, определяющий исходную конструкцию нетипового изделия, содержащий упрощенное изображение, основные параметры и технические требования к изделию в объеме исходных данных (задания), необходимых для разработки конструкторской документации. [ГОСТ 21.114-95, статья 3.1]
3.5 нетиповое изделие (конструкция, устройство, монтажный блок): Изделие, впервые разработанное и изготовленное, как правило, на месте монтажа (в заготовительной мастерской монтажной организации) технологических, энергетических, санитарно-технических и других систем. [ГОСТ 21.114-95, статья 3.3]
3.6 полный комплект рабочей документации: Совокупность основных комплектов рабочих чертежей по видам строительных и монтажных работ, дополненных прилагаемыми и ссылочными документами и необходимых для строительства здания или сооружения. 3.7 строительная конструкция: Часть здания или сооружения, выполняющая определенные несущие, ограждающие и (или) эстетические функции. 3.8 строительное изделие: Изделие (как правило, промышленного производства), предназначенное для применения в качестве элемента строительных конструкций, зданий и сооружений. 3.9 элемент строительной конструкции: Составная часть сборной или монолитной конструкции. 3.10 координационная ось: Одна из координационных линий, определяющих членение здания или сооружения на модульные шаги и высоты этажей. [ГОСТ 28984-91, приложение, статья 13] 4 Общие требования к составу и комплектованию проектной и рабочей документации4.1 Проектная документация4.1.1 Состав разделов проектной документации объектов капитального строительства и требования к их содержанию установлены [1], утвержденным Правительством Российской Федерации положением [2] и другими нормативно-правовыми актами. Проектную документацию комплектуют в тома, как правило, по отдельным разделам, установленным [2]. Наименования и шифры разделов проектной документации приведены в таблицах А.1 и А.2 (приложение А). При большом объеме раздела допускается разделять его на части, а части, в случае необходимости, на книги. Каждую часть и книгу комплектуют отдельно. Всем частям и книгам дают наименования, отражающие содержание частей или книг, и присваивают порядковые номера в пределах, соответственно, раздела или части. Примечание - Отдельные разделы вместо частей делят на подразделы, установленные [2]. 4.1.3 В состав обозначения раздела включают базовое обозначение, устанавливаемое по действующей в проектной организации системе, и, через дефис, - шифр раздела проектной документации. В базовое обозначение включают, например, номер договора (контракта) или/и цифровой код объекта строительства. Если раздел делят на части, то обозначение части составляют из обозначения раздела, к которому добавляют номер части. Если часть делят на книги, то обозначение книги составляют из обозначения части, к которому через точку добавляют номер книги. Примеры 1 2345-ПЗ - Раздел 1 «Пояснительная записка» 2 2345-ПЗУ1 - Раздел 2 «Схема планировочной организации земельного участка». Часть 1. Общие сведения 3 2345-ПЗУ2 - Раздел 2 «Схема планировочной организации земельного участка». Часть 2. Решения по внутреннему железнодорожному транспорту 4 2345-ИОС1 - Раздел 5 «Сведения об инженерном оборудовании, о сетях инженерно-технического обеспечения, перечень инженерно-технических мероприятий, содержание технологических решений». Подраздел 1. Система электроснабжения Систему обозначения текстовых и графических документов, входящих в состав тома, проектная организация устанавливает самостоятельно. Примечание - Правила по 4.1.3, 4.2.4 могут быть изменены в соответствии со спецификой проектной организации. 4.1.4 Текстовые и графические материалы, включаемые в том, комплектуют, как правило, в следующем порядке: - обложка; - титульный лист; - содержание тома; - состав проектной документации; - текстовая часть; - графическая часть (основные чертежи и схемы). Правила оформления обложки, титульного листа, содержания тома и состава проектной документации приведены в разделе 8. 4.1.5 Количество листов, включаемых в том, определяют из необходимости обеспечения удобства работы, но не более 300 листов формата А4 по ГОСТ 2.301 или эквивалентного количества листов других форматов. 4.1.6 Общие требования к выполнению графической документации приведены в разделе 5. 4.1.7
Текстовые части разделов проектной документации и другие текстовые документы
выполняют по ГОСТ 2.105 с учетом требований [2] и 5.1, 5.2 настоящего
стандарта. 4.1.8 Разрешается выполнять текстовые части разделов проектной документации без основных надписей, дополнительных граф к ним и рамок. В этом случае в текстовой части: - на первом листе приводят список исполнителей, в котором в порядке, установленном для титульного листа, указывают должности, инициалы и фамилии лиц, принимавших участие в разработке, контроле и согласовании текстовой части, и предусматривают места для подписей и дат подписания. На втором и, при необходимости, на последующих листах помещают содержание (оглавление), включающее в себя номера (обозначения) и наименования разделов, подразделов и приложений, с указанием номеров листов (страниц); - в верхней части (верхнем колонтитуле) каждого листа указывают обозначение документа: в левом углу (при односторонней печати) или правом углу четных страниц и левом углу нечетных страниц (при двухсторонней печати); - в нижней части (нижнем колонтитуле) каждого листа указывают: логотип и наименование организации, подготовившей документ, наименование документа, наименование файла, номер листа (страницы) документа (в нижнем правом углу - при односторонней печати, или в левом углу четных страниц и правом углу нечетных страниц - при двухсторонней печати), а также, при необходимости, номер версии документа и другие сведения. Допускается логотип и наименование организации приводить в верхнем колонтитуле; - данные об изменениях указывают в соответствии с 7.2. 4.1.9 Расчеты конструктивных и технологических решений, являющиеся обязательным элементом подготовки проектной документации, в состав проектной документации не включают. Их оформляют в соответствии с требованиями к текстовым документам и хранят в архиве проектной организации. Расчеты представляют заказчику или органам государственной экспертизы по их требованию. 4.2 Рабочая документация4.2.1 В состав рабочей документации, передаваемой заказчику, включают: - рабочие чертежи, предназначенные для производства строительных и монтажных работ, которые объединяют в комплекты (далее - основные комплекты рабочих чертежей) по маркам в соответствии с таблицей Б.1 (приложение Б); - прилагаемые документы, разработанные в дополнение к рабочим чертежам основного комплекта. 4.2.2 В состав основных комплектов рабочих чертежей включают общие данные по рабочим чертежам, чертежи и схемы, предусмотренные соответствующими стандартами Системы проектной документации для строительства (далее - СПДС). 4.2.3 Основной комплект рабочих чертежей любой марки может быть разделен на несколько основных комплектов той же марки (с добавлением к ней порядкового номера) в соответствии с процессом организации строительных и монтажных работ. Пример - АР1; АР2; КЖ1; КЖ2 4.2.4 Каждому основному комплекту рабочих чертежей присваивают обозначение, в состав которого включают базовое обозначение, устанавливаемое по действующей в организации системе, и, через дефис, - марку основного комплекта. Пример - 2345-12-АР, где 2345-12 - базовое обозначение. В базовое обозначение включают, например, номер договора (контракта) или/и цифровой код объекта строительства, а также номер здания или сооружения по генеральному плану *; АР - марка основного комплекта рабочих чертежей. * Для рабочих чертежей линейных сооружений, генерального плана, наружных коммуникаций эту часть базового обозначения исключают или заменяют нулями. 4.2.5 Допускается оформление основных комплектов рабочих чертежей электротехнических марок (ЭО, ЭН, ЭМ, ЭС и др.) и основного комплекта рабочих чертежей автоматизации отдельными документами с присвоением им обозначения, состоящего из базового обозначения, марки основного комплекта с добавлением через точку порядкового номера документа арабскими цифрами. Пример - 2345-12-ЭО.1; 2345-12-ЭО.2, где 2345-12 - базовое обозначение; ЭО - марка основного комплекта рабочих чертежей; 1, 2 - порядковые номера документов основного комплекта рабочих чертежей. Первым документом при таком оформлении основного комплекта рабочих чертежей являются общие данные по рабочим чертежам. 4.2.6 К прилагаемым документам относят: - рабочую документацию на строительные изделия; - эскизные чертежи общих видов нетиповых изделий, выполняемые в соответствии с ГОСТ 21.114; - спецификацию оборудования, изделий и материалов, выполняемую в соответствии с ГОСТ 21.110; - опросные листы и габаритные чертежи, выполняемые в соответствии с данными заводов - изготовителей оборудования; - локальную смету по формам, установленным в методике [3]; - другие документы, предусмотренные соответствующими стандартами СПДС. Конкретный состав прилагаемых документов и необходимость их выполнения устанавливаются соответствующими стандартами СПДС и заданием на проектирование. Прилагаемые документы проектная организация передает заказчику одновременно с основным комплектом рабочих чертежей в количестве, установленным для рабочих чертежей. 4.2.7 Каждому прилагаемому документу присваивают обозначение основного комплекта с добавлением через точку шифра прилагаемого документа в соответствии с таблицей В.1 (приложение В). Пример - 2345-12-ЭО.С, где 2345-12-ЭО - обозначение основного комплекта рабочих чертежей; С - шифр спецификации оборудования, изделий и материалов. 4.2.8 В рабочих чертежах допускается применять типовые строительные конструкции, изделия и узлы путем ссылок на документы, содержащие рабочие чертежи этих конструкций и изделий. К ссылочным документам относят: - чертежи типовых конструкций, изделий и узлов; - стандарты, в состав которых включены чертежи, предназначенные для изготовления изделий. Ссылочные документы в состав рабочей документации, передаваемой заказчику, не входят. Проектная организация, при необходимости, передает их заказчику по отдельному договору. 4.3 Общие данные по рабочим чертежам4.3.1 На первых листах каждого основного комплекта рабочих чертежей приводят общие данные по рабочим чертежам, в которые включают: - ведомость рабочих чертежей основного комплекта, выполняемую по форме 1; - ведомость ссылочных и прилагаемых документов, выполняемую по форме 2; - ведомость основных комплектов рабочих чертежей, выполняемую по форме 2; - ведомость спецификаций (при наличии в основном комплекте нескольких схем расположения), выполняемую по форме 1; - условные обозначения, не установленные национальными стандартами и значения которых не указаны на других листах основного комплекта рабочих чертежей; - общие указания; - другие данные, предусмотренные соответствующими стандартами СПДС. Формы 1 и 2 с указаниями по их заполнению приведены в приложении Г. 4.3.2 Ведомость рабочих чертежей основного комплекта содержит последовательный перечень листов основного комплекта. При оформлении основного комплекта рабочих чертежей отдельными документами (см. 4.2.5) вместо ведомости рабочих чертежей основного комплекта в состав общих данных включают ведомость документов основного комплекта по форме 2, а в каждом из последующих документов основного комплекта приводят ссылки на общие данные по рабочим чертежам. 4.3.3 Ведомость ссылочных и прилагаемых документов составляют по разделам: - ссылочные документы; - прилагаемые документы. В разделе «Ссылочные документы» указывают документы согласно 4.2.8. При этом в соответствующих графах ведомости указывают обозначение и наименование серии, и номер выпуска чертежей типовых конструкций, изделий и узлов или обозначение и наименование стандарта. В разделе «Прилагаемые документы» указывают документы согласно 4.2.6. 4.3.4 Ведомость основных комплектов рабочих чертежей приводят на листах общих данных одного из основных комплектов рабочих чертежей здания или сооружения (по усмотрению главного инженера проекта). Ведомость содержит последовательный перечень основных комплектов рабочих чертежей, входящих в состав полного комплекта рабочей документации по зданию или сооружению. При наличии нескольких основных комплектов рабочих чертежей одной марки (см. 4.2.3) составляют ведомость комплектов этой марки по форме 2 приложения Г, которую приводят на листах общих данных для каждого из этих комплектов. 4.3.5 В общих указаниях приводят: - реквизиты документов, на основании которых принято решение о разработке рабочей документации (например, задания на проектирование, утвержденной проектной документации); - запись о соответствии рабочей документации заданию на проектирование, выданным техническим условиям, требованиям действующих технических регламентов, стандартов, сводов правил, других документов, содержащих установленные требования; - перечень технических регламентов и нормативных документов (стандартов, сводов правил и т.п.), в соответствии с требованиями которых разработана рабочая документация; - абсолютную отметку, принятую в рабочих чертежах здания или сооружения условно за нулевую (как правило, приводят на архитектурно-строительных чертежах); - запись о результатах проверки на патентоспособность и патентную чистоту впервые применяемых в проектной документации технологических процессов, оборудования, конструкций, изделий и материалов, а также номера патентов и заявок, по которым приняты решения о выдаче патентов на используемые в рабочей документации изобретения; - перечень видов работ, которые оказывают влияние на безопасность здания или сооружения и для которых необходимо составлять акты освидетельствования скрытых работ, ответственных конструкций и участков сетей инженерно-технического обеспечения; - сведения о том, кому принадлежит данная интеллектуальная собственность (при необходимости); - эксплуатационные требования, предъявляемые к проектируемому зданию или сооружению (при необходимости); - другие необходимые указания. В общих указаниях не следует повторять технические требования, помещенные на других листах основного комплекта рабочих чертежей, и давать описание принятых в рабочих чертежах технических решений. 5 Общие правила выполнения документации5.1 Общие положения5.1.1 При выполнении проектной, рабочей документации, а также отчетной технической документации по инженерным изысканиям для строительства следует руководствоваться положениями соответствующих стандартов СПДС, а также стандартов Единой системы конструкторской документации (далее - ЕСКД). Перечень стандартов ЕСКД, подлежащих учету при выполнении графической и текстовой документации для строительства, приведен в таблице Д.1 (приложение Д). 5.1.2 Документацию, как правило, выполняют автоматизированным способом на бумажном носителе и/или в виде электронного документа. При выполнении документации в виде электронных документов (ДЭ) и передаче документации на электронных носителях должны соблюдаться требования ГОСТ 2.051. Взаимное соответствие между документами в электронной и бумажной формах обеспечивает разработчик. 5.1.4 При подготовке документации должна быть обеспечена возможность изготовления копий документации надлежащего качества способами репрографии. 5.1.5 Чертежи выполняют в оптимальных масштабах по ГОСТ 2.302 с учетом их сложности и насыщенности информацией. Масштабы на чертежах не указывают, за исключением чертежей изделий и других случаев, предусмотренных в соответствующих стандартах СПДС. 5.1.6 Содержательная и реквизитная части ДЭ должны соответствовать требованиям стандартов СПДС и ЕСКД. 5.1.7 Структура и состав реквизитов ДЭ должны обеспечивать его обращение в рамках программных средств (отображение, внесение изменений, печать, учет и хранение в базах данных, а также передачу в другие автоматизированные системы) с соблюдением при этом нормативных требований по оформлению документов. 5.1.8 Перечень сокращений слов, допускаемых в основных надписях, технических требованиях, таблицах, чертежах и спецификациях, составлен в дополнение к ГОСТ 2.316 и приведен в таблице Е.1 (приложение Е). 5.2 Основные надписи5.2.1 Каждый лист графического и текстового документа, как правило, оформляют основной надписью и дополнительными графами к ней. Формы основных надписей и указания по их заполнению приведены в приложении Ж. Основную надпись располагают в правом нижнем углу листа. На листах формата А4 по ГОСТ 2.301 основную надпись располагают вдоль короткой стороны листа. 5.2.2 Содержание, расположение и размеры граф основной надписи, дополнительных граф к ней, а также размеры рамок должны соответствовать: - на листах основных комплектов рабочих чертежей и листах графической части проектной документации - форме 3; - на первом листе чертежей строительных изделий - форме 4; - на первых листах текстовых документов и эскизных чертежей общих видов нетиповых изделий, оформляемых в виде выпуска, - форме 5; - на последующих листах чертежей строительных изделий, текстовых документов и эскизных чертежей общих видов - форме 6. Допускается на первом листе чертежа строительного изделия применять основную надпись по форме 5. Если некоторые документы (спецификацию оборудования, изделий и материалов, эскизные чертежи общих видов нетиповых изделий) выпускают без титульного листа, то в этом случае первый лист документа оформляют основной надписью по форме 3, последующие - по форме 6. 5.2.3 В отчетной технической документации по результатам инженерных изысканий применяют основную надпись: - на листах графических документов, используемых в проектировании в качестве подосновы, - по форме 3; - на первых листах других графических и текстовых документов - по форме 5, на последующих листах - по форме 6. 5.2.4 Основную надпись, дополнительные графы к ней и рамки выполняют сплошными толстыми основными и сплошными тонкими линиями по ГОСТ 2.303. 5.2.5 Таблицу изменений в основной надписи (графы 14-19) при необходимости допускается продолжать вверх или влево от основной надписи. При расположении таблицы изменений слева от основной надписи наименования граф 14-19 повторяют. 5.2.6 Расположение основной надписи и дополнительных граф к ней, а также размерных рамок на листах приведены на рисунке И.1 (приложение И). 5.2.7 Расположение и размеры дополнительных граф для идентификации ДЭ проектная организация устанавливает самостоятельно. 5.3 Координационные оси5.3.1 На изображении каждого здания или сооружения указывают координационные оси, которым присваивают самостоятельную систему обозначений. Координационные оси наносят на изображения здания, сооружения тонкими штрихпунктирными линиями с длинными штрихами, обозначают арабскими цифрами и прописными буквами русского алфавита (за исключением букв: Ё, З, Й, О, Х, Ц, Ч, Щ, Ъ, Ы, Ь) в кружках диаметром 6-12 мм. Пропуски в цифровых и буквенных (кроме указанных) обозначениях координационных осей не допускаются. 5.3.2 Цифрами обозначают координационные оси по стороне здания и сооружения с большим количеством осей. Если для обозначения координационных осей не хватает букв алфавита, последующие оси обозначают двумя буквами. Пример - АА, ББ, ВВ 5.3.3 Последовательность цифровых и буквенных обозначений координационных осей принимают по плану слева направо и снизу вверх в соответствии с рисунком 1а или как показано на рисунках 1б и 1в. 5.3.4 Обозначение координационных осей, как правило, наносят по левой и нижней сторонам плана здания и сооружения. При несовпадении координационных осей противоположных сторон плана, в местах расхождения дополнительно наносят обозначения указанных осей по верхней и/или правой сторонам. 5.3.5 Для отдельных элементов, расположенных между координационными осями основных несущих конструкций, наносят дополнительные оси, которым присваивают обозначение в виде дроби, в числителе которой указывают обозначение предшествующей координационной оси, а в знаменателе - дополнительный порядковый номер в пределах участка между смежными координационными осями в соответствии с рисунком 1г. Рисунок 1 Допускается координационным осям фахверковых колонн присваивать цифровые и буквенные обозначения в продолжение обозначений осей основных колонн без дополнительного номера. 5.3.6 На изображении повторяющегося элемента, привязанного к нескольким координационным осям, координационные оси обозначают в соответствии с рисунком: 2а - при их количестве не более 3; 2б - при их количестве более 3; 2в - при всех буквенных и цифровых координационных осях. При необходимости ориентацию координационной оси, к которой привязан элемент, по отношению к соседней оси указывают в соответствии с рисунком 2г. 5.3.7 Для обозначения координационных осей блок-секций жилых зданий применяют индекс «с». Пример - 1с, 2с, Ас, Бс На планах жилых зданий, скомпонованных из блок-секций, обозначения крайних координационных осей блок-секций указывают без индекса в соответствии с рисунком 3.
Рисунок 2
Рисунок 3 5.4 Нанесение размеров, уклонов, отметок и надписей5.4.1 Линейные размеры на чертежах указывают без обозначения единиц длины: - в метрах с точностью до двух знаков после запятой - на чертежах наружных сетей и коммуникаций, генерального плана и транспорта, за исключением случаев, оговоренных в соответствующих стандартах СПДС; - в миллиметрах - на всех остальных видах чертежей. 5.4.2 Размерную линию на ее пересечении с выносными линиями, линиями контура или осевыми линиями ограничивают засечками длиной 2-4 мм, наносимыми с наклоном вправо под углом 45° к размерной линии, при этом размерные линии должны выступать за крайние выносные линии на 2-5 мм. 5.4.3 Отметки уровней (высоты, глубины) элементов конструкций, оборудования, трубопроводов, воздуховодов и др. от уровня отсчета (условной «нулевой» отметки) указывают в метрах без обозначения единицы длины с тремя десятичными знаками, отделенными от целого числа запятой, за исключением случаев, оговоренных в соответствующих стандартах СПДС. Отметки уровней на фасадах, разрезах и сечениях помещают на выносных
линиях (или на линиях контура) и обозначают знаком « «Нулевую» отметку, принимаемую, как правило, для поверхности какого-либо элемента конструкций здания или сооружения, расположенного вблизи планировочной поверхности земли, указывают без знака; отметки выше нулевой - со знаком «+», ниже нулевой - со знаком «-». 5.4.4 На планах направление уклона плоскостей указывают стрелкой, над которой при необходимости проставляют числовое значение уклона в процентах в соответствии с рисунком 6 или в виде отношения единицы высоты плоскости к соответствующей горизонтальной проекции (например, 1:7). Допускается при необходимости числовое значение уклона указывать в
промилле, в виде десятичной дроби с точностью до третьего знака. На разрезах,
сечениях и схемах перед размерным числом, определяющим величину уклона, наносят
знак « Обозначение уклона наносят непосредственно над линией контура или на полке линии-выноски.
5.4.5 Выносные надписи к многослойным конструкциям следует выполнять в соответствии с рисунком 7. 5.4.6 Номера позиций или марки элементов наносят на полках линий-выносок, проводимых от изображений элементов конструкций зданий или сооружений, рядом с изображением - без линии-выноски или в пределах контуров изображенных элементов в соответствии с рисунком 8.
Линию-выноску, как правило, заканчивают точкой. Если линия-выноска отводится от линии, обозначающей поверхность, то ее заканчивают стрелкой (см. рисунок 7). При мелкомасштабном изображении линии-выноски заканчивают без стрелки и точки. 5.4.7 Размер шрифта для обозначения координационных осей, позиций (марок), наименований и обозначений изображений должен быть на один-два номера больше размера шрифта, принятого для размерных чисел на том же чертеже. 5.5 Изображения (разрезы, сечения, виды, выносные элементы)5.5.1 В строительных чертежах применяют, как правило, следующие названия видов и разрезов: - «фасад» - для главного вида здания или сооружения, а также видов справа, слева и сзади; - «план» - для горизонтальных разрезов здания или сооружения, а также вида сверху; - «разрез» - для вертикальных разрезов здания или сооружения. 5.5.2 Разрезы здания или сооружения обозначают арабскими цифрами последовательно в пределах основного комплекта рабочих чертежей. Сечения обозначают аналогичным образом. Допускается самостоятельная нумерация для разрезов и сечений отдельных участков здания, сооружения или установок, все чертежи которых размещены на одном листе или группе листов и если на этих чертежах отсутствуют ссылки на разрезы и сечения, расположенные на других листах основного комплекта рабочих чертежей. Допускается обозначать разрезы прописными буквами русского алфавита, а сечения - прописными или строчными буквами русского алфавита. Положение секущей плоскости указывают на чертеже линией сечения (разомкнутой линией по ГОСТ 2.303). При сложном разрезе штрихи проводят также у мест пересечения секущих плоскостей между собой. На начальном и конечном штрихах следует ставить стрелки, указывающие направление взгляда; стрелки должны наноситься на расстоянии 2-3 мм от конца штриха (см. рисунок 9). Направление взгляда для разреза по плану здания и сооружения принимают, как правило, снизу вверх и справа налево. 5.5.3 Если отдельные части вида (фасада), плана, разреза требуют более детального изображения, то дополнительно выполняют местные виды и выносные элементы - узлы и фрагменты. При необходимости ссылки на узел, помещенный в другом основном комплекте рабочих чертежей, или на рабочие чертежи типового строительного узла указывают обозначение и номер листа соответствующего основного комплекта рабочих чертежей в соответствии с рисунком 10б или серию рабочих чертежей типовых узлов и номер выпуска в соответствии с рисунком 10в. При необходимости ссылку на узел в сечении выполняют в соответствии с рисунком 11. Над изображением узла указывают в кружке его обозначение в соответствии с рисунками 12а или 12б.
Узлу, являющемуся полным зеркальным отражением другого (основного) исполнения, присваивают то же обозначение, что и основному исполнению, с добавлением индекса «н». 5.5.5 Местные виды обозначают прописными буквами русского алфавита, которые наносят рядом со стрелкой, указывающей направление взгляда. Эти же обозначения наносят над изображениями видов. 5.5.6 Для каждого вида изображений (разрезов и сечений, узлов, фрагментов) применяют самостоятельный порядок нумерации или буквенных обозначений. 5.5.7 Фрагменты планов, разрезов, фасадов, как правило, отмечают фигурной скобкой в соответствии с рисунком 13. Под фигурной скобкой, а также над соответствующим фрагментом наносят наименование и порядковый номер фрагмента. Допускается ссылку на фрагмент помещать на полке линии-выноски.
Рисунок 13 5.5.8 Изображения до оси симметрии симметричных планов и фасадов зданий и сооружений, схем расположения элементов конструкций, планов расположения технологического, энергетического, санитарно-технического и другого оборудования не допускаются. 5.5.9 Если изображение разреза, сечения, узла, вида или фрагмента помещено на другом листе, то после обозначения изображения указывают в скобках номер этого листа в соответствии с рисунками 9, 10а, 11 и 13. 5.5.10 Изображения допускается поворачивать. При этом в наименованиях
изображений на чертежах не приводят условное графическое обозначение
«повернуто» 5.5.11 Если изображение (например, план) не помещается на листе принятого формата, то его делят на несколько участков, размещая их на отдельных листах. В этом случае на каждом листе, где показан участок изображения, приводят схему целого изображения с необходимыми координационными осями и условным обозначением (штриховкой) показанного на данном листе участка изображения в соответствии с рисунком 14.
Примечание - Если чертежи участков изображения помещены в разных основных комплектах рабочих чертежей, то над номером листа указывают полное обозначение соответствующего основного комплекта. Рисунок 14 5.5.12 Если планы этажей многоэтажного здания имеют небольшие отличия друг от друга, то полностью выполняют план одного из этажей, для других этажей выполняют только те части плана, которые необходимы для показа отличия от плана, изображенного полностью. Под наименованием частично изображенного плана приводят запись: «Остальное см. план (наименование полностью изображенного плана)». 5.5.13 В наименованиях планов здания или сооружения указывают слово «План» и отметку чистого пола или номер этажа, или обозначение соответствующей секущей плоскости. Примеры 1 План на отм. 0,000 2 План 2 этажа 3 План 3 - 3 При выполнении части плана в наименовании указывают оси, ограничивающие эту часть плана. Пример - План на отм. 0,000 между осями 21 - 30 и А - Д Допускается в наименовании плана этажа указывать назначение помещений, расположенных на этаже. 5.5.14 В наименованиях разрезов здания (сооружения) указывают слово «Разрез» и обозначение соответствующей секущей плоскости по 5.5.2. Пример - Разрез 1 - 1 Наименованиями сечений являются цифровые или буквенные обозначения секущих плоскостей. Пример - 5 - 5, Б - Б, а - а 5.5.15 В наименованиях фасадов здания или сооружения указывают слово «Фасад» и крайние оси, между которыми расположен фасад. Пример - Фасад 1 - 12, Фасад 12 - 1, Фасад А - Г 5.5.16 Наименования изображений на чертежах не подчеркивают. 6 Правила выполнения спецификаций на чертежах6.1 К схеме расположения элементов сборной конструкции, монолитной железобетонной конструкции, к чертежам расположения технологического оборудования и/или трубопроводов, установок (блоков) технологического, санитарно-технического и другого оборудования составляют спецификацию по форме 7 приложения К. При выполнении чертежей групповым методом составляют групповые спецификации по форме 8 приложения К. 6.2 Спецификацию помещают, как правило, на листе, где изображены схемы, планы чертежей расположения оборудования и трубопроводов, планы чертежей установок. Допускается выполнять спецификацию на отдельных листах. 6.3 Спецификации строительных изделий составляют по ГОСТ 21.501. 6.4 При заполнении форм спецификаций автоматизированным способом горизонтальные строки допускается не проводить. 7 Правила внесения изменений7.1 Внесение изменений в рабочую документацию7.1.1 Общие положения7.1.1.1 Изменением рабочего документа, ранее переданного заказчику, является любое исправление, исключение или добавление в него каких-либо данных без изменения обозначения этого документа. Обозначение документа допускается изменять только в случае, если разным документам ошибочно присвоены одинаковые обозначения или в обозначении документа допущена ошибка. Внесение изменений в расчеты не допускается. 7.1.1.2 Если изменение документа неприемлемо, то должен быть выпущен новый документ с новым обозначением. 7.1.1.3 Любое изменение в документе, вызывающее какие-либо изменения в других документах, должно одновременно сопровождаться внесением соответствующих изменений во все взаимосвязанные документы. 7.1.1.4 Информацию об изменении документа указывают в основной надписи этого документа, в общих данных по рабочим чертежам и на титульном листе (при наличии). 7.1.1.5 Изменения вносят в подлинник документа. 7.1.1.6 При внесении изменений в подлинник электронного документа любое изменение индексируется как новая версия этого документа. 7.1.1.7 Копии листов (измененных, дополнительных и выпущенных вместо замененных листов) рабочей документации направляют организациям, которым ранее были направлены копии документов, одновременно с копиями общих данных соответствующего основного комплекта рабочих чертежей, уточненных в соответствии с 7.1.3. 7.1.2 Разрешение на внесение изменений7.1.2.1 Изменение документа (в том числе его аннулирование) выполняют на основании разрешения на внесение изменений (далее - разрешение), составленного по формам 9 и 9а приложения Л. 7.1.2.2 Разрешение утверждает руководитель организации-разработчика документа или другое уполномоченное должностное лицо. Разрешение является основанием для получения подлинников документов и внесения в них изменений. Допускается отправка заказчику вместе с копиями измененной документации 7.1.2.3 Изменения на каждый документ (например, основной комплект рабочих чертежей, спецификацию оборудования, изделий и материалов) оформляют отдельным разрешением. Допускается составлять одно общее разрешение на изменения, вносимые одновременно в несколько документов, если изменения взаимосвязаны или одинаковы для всех изменяемых документов. 7.1.3 Внесение изменений7.1.3.1 Изменения обозначают порядковыми номерами (1, 2, 3 и т.д.). Один порядковый номер изменения присваивают всем изменениям, которые вносят в документ по одному разрешению. Его указывают для всего документа, независимо от того, на скольких листах он выполнен. 7.1.3.2 Изменения в подлинники документов вносят зачеркиванием, подчисткой (смывкой) или закрашиванием белым цветом. При этом учитывают физическое состояние подлинника. 7.1.3.3 Изменение документа, выполненного автоматизированным способом, осуществляют заменой (перевыпуском) всего документа в целом или его отдельных листов (страниц), а также добавлением или исключением отдельных листов. Допускается вносить изменения в этот документ рукописным способом согласно 7.1.3.5-7.1.3.14. Изменения в сметную документацию осуществляют заменой всего документа. 7.1.3.4 При внесении изменений автоматизированным способом, а также в случаях, когда при внесении изменений рукописным способом недостаточно места для внесения изменений или возможно нарушение четкости изображения при исправлении, изготовляют новый подлинник с учетом вносимых изменений и сохраняют его прежнее обозначение. Если заменяют или добавляют один или несколько листов подлинника, то на них сохраняют инвентарный номер, присвоенный подлиннику. При замене всех листов подлинника ему присваивают новый инвентарный номер. 7.1.3.5 После внесения изменений изображения, буквы, цифры, знаки должны быть четкими, толщина линий, величина просветов и т.п. должны быть выполнены по правилам, предусмотренным соответствующими стандартами ЕСКД, при этом должна быть обеспечена возможность изготовления копий документации надлежащего качества способами репрографии. 7.1.3.6 Изменяемые размеры, слова, знаки, надписи и т.д. зачеркивают сплошными тонкими линиями и рядом проставляют новые данные. 7.1.3.7 При изменении изображения (части изображения) его обводят сплошной тонкой линией, образующей замкнутый контур, и крестообразно перечеркивают сплошными тонкими линиями в соответствии с рисунком 15. Новое изображение измененного участка выполняют на свободном поле листа или на другом листе без поворотов. Рисунок 15 7.1.3.8 Изменяемым, аннулируемым и дополнительным участкам изображения присваивают обозначение, состоящее из порядкового номера очередного изменения документа и через точку порядкового номера изменяемого (аннулируемого, дополнительного) участка изображения в пределах данного листа. При этом новому изображению измененного участка присваивают обозначение изменения замененного изображения. 7.1.3.9 Обозначение изменения наносят в параллелограмме за пределами изображения около каждого изменения (см. рисунок 15), в том числе около изменения, исправленного подчисткой (смывкой) или закрашиванием белым цветом. От параллелограмма проводят сплошную тонкую линию к измененному участку. 7.1.3.10 Если новое изображение измененного участка размещают на другом листе, то присвоенное ему обозначение изменения сохраняют и в таблице изменений этого листа не учитывают. 7.1.3.11 Близко расположенные друг от друга измененные размеры, слова, знаки, надписи и т.д. обводят сплошной тонкой линией, образующей замкнутый контур, без перечеркивания в соответствии с рисунком 16.
Рисунок 16 7.1.3.12 Над новым изображением измененного участка помещают в параллелограмме обозначение изменения замененного изображения, а при параллелограмме указывают: «Взамен перечеркнутого». Если новое изображение измененного участка помещают на другом листе, то при параллелограмме указывают: «Взамен перечеркнутого на листе (номер листа, на котором находится замененное изображение)» в соответствии с рисунком 17, при этом у замененного изображения указывают номер листа, на котором находится новое изображение (см. рисунок 15). Рисунок 17 7.1.3.13 Если новое изображение измененного участка помещают около замененного, то их соединяют линиями-выносками с обозначением изменения в соответствии с рисунком 18.
Рисунок 18 Над дополнительным изображением помещают в параллелограмме обозначение изменения, а при параллелограмме указывают: «Дополнение» в соответствии с рисунком 19.
Рисунок 19 7.1.3.14 При аннулировании изображения (части изображения) при обозначении изменения указывают: «Аннулировано». 7.1.3.15 При внесении изменений в листы основного комплекта рабочих чертежей в ведомости рабочих чертежей этого комплекта на листах общих данных в графе «Примечание» указывают: а) при внесении первого изменения - «Изм. 1», последующих изменений - дополнительно очередные номера изменений, отделяя их от предыдущих точкой с запятой. Пример - Изм. 1; 2; 3 б) на замененных листах при номере изменения - «(Зам.)». Пример - Изм. 1 (Зам.) в) на аннулированных листах при номере изменения - «Аннулирован». Пример - Изм. 1 (Аннулирован) г) на дополнительных листах при номере изменения - «(Нов.)» Пример - Изм. 1 (Нов.) 7.1.3.16 Если в основной комплект рабочих чертежей включают дополнительные листы, то им присваивают очередные порядковые номера и записывают в продолжение ведомости рабочих чертежей соответствующего основного комплекта. При недостатке места в ведомости рабочих чертежей для записи дополнительных листов продолжение ведомости переносят на первый из дополнительных листов. При этом в конце ведомости рабочих чертежей, помещенной в «Общих данных», делают запись: «Продолжение ведомости см. на листе (номер листа)», а над ведомостью на дополнительном листе помещают заголовок: «Ведомость рабочих чертежей основного комплекта (Продолжение)». Номера и наименования аннулированных листов в ведомости рабочих чертежей зачеркивают. При изменении наименований листов вносят соответствующие исправления в графу «Наименование». 7.1.3.17 При изменении общего количества листов документа на его первом листе в основной надписи вносят соответствующие исправления в графу «Листов». 7.1.3.18 При внесении изменений в прилагаемые документы, в том числе при выполнении дополнительных и аннулировании ранее выполненных прилагаемых документов, вносят исправления в раздел «Прилагаемые документы» ведомости ссылочных и прилагаемых документов соответствующего основного комплекта рабочих чертежей - аналогично 7.1.3.15. При замене в рабочих чертежах ссылочных документов (см. 4.2.8) вносят исправления в соответствующий раздел ведомости ссылочных и прилагаемых документов. 7.1.3.19 При выполнении дополнительных и аннулировании ранее выполненных основных комплектов рабочих чертежей вносят исправления в ведомость основных комплектов рабочих чертежей. 7.1.3.20 Изменения, внесенные в подлинник, указывают в таблице изменений, помещенной в основной надписи, а при недостатке места - в дополнительной таблице к ней (см. 5.2.5). В первой снизу строке таблицы изменений каждого листа нового подлинника допускается приводить запись только о последней замене данного листа. 7.1.3.21 В таблице изменений указывают: а) в графе «Изм.» - порядковый номер изменения документа; б) в графе «Кол. уч.» - количество изменяемых участков изображения на данном листе в пределах очередного изменения; в) в графе «Лист» - на листах, выпущенных вместо замененных, - «Зам.», на листах, добавленных вновь, - «Нов.». При замене всех листов подлинника (при очередном порядковом номере изменения документа) на первом листе в графе «Лист» указывают «Все». При этом таблицу изменений на других листах этого подлинника не заполняют. В остальных случаях в графе «Лист» ставят прочерк; г) в графе «№ док.» - обозначение разрешения; д) в графе «Подп.» - подпись лица, ответственного за правильность внесения изменения (подпись нормоконтролера проставляют на поле для подшивки листа); е) в графе «Дата» - дату внесения изменения. 7.1.3.22 В таблицах изменений на листах общих данных не учитывают исправления, внесенные в ведомости общих данных в связи с внесением изменений в листы основного комплекта и прилагаемые документы. 7.1.3.23 Значительные изменения в текстовых документах вносят одним из следующих способов: - заменой всех или отдельных листов документа; - выпуском новых дополнительных листов. При изменении подлинников текстовых документов допускается при добавлении нового листа присваивать ему номер предыдущего листа с добавлением очередной арабской цифры, отделяя ее от предыдущей точкой. Пример - 3.1 В этом случае на первом листе изменяют общее количество листов. В текстовых документах, содержащих в основном сплошной текст, допускается при добавлении нового пункта присваивать ему номер предыдущего пункта с добавлением очередной строчной буквы русского алфавита, а при аннулировании пункта - сохранять номера последующих пунктов. 7.1.3.24 При внесении изменений в текстовые документы таблицу изменений заполняют на листах (листе): - титульном (при наличии); - первом (заглавном) нового подлинника, изготовленном в целом взамен старого; - измененных; - выпущенных вместо замененных; - добавленных вновь. Для регистрации изменений в текстовом документе в целом (в том числе в сметной документации) на его титульном листе при внесении изменений размещают таблицу регистрации изменений по форме 10 приложения М. 7.1.3.25 При аннулировании или замене листов документа на всех аннулированных и замененных листах подлинника проставляют штамп «Аннулирован (заменен)» по форме, приведенной в ГОСТ Р 21.1003 (приложение Г), который заполняют согласно указаниям, приведенным там же. 7.2 Внесение изменений в проектную документацию- заменой, добавлением или исключением отдельных листов тома; - заменой (перевыпуском) тома (части, книги) - при его полной переработке; - выпуском дополнительных частей или книг. 7.2.2 Изменения в проектную документацию вносят, как правило, на основании разрешения на внесение изменений (см. 7.1.2). Основаниями для внесения изменений могут быть замечания заказчика и согласующих органов исполнительной власти, замечания и отрицательные заключения органов негосударственной и государственной экспертизы. 7.2.3 При внесении изменений в проектную документацию следует учитывать положения 7.1.1.1-7.1.1.6 и 7.1.3 (с учетом особенностей комплектования проектной документации). 7.2.4 При полной переработке всего тома в начале текстовой части, входящей в измененный том, рекомендуется приводить сведения о внесенных изменениях: основание для внесения изменений, краткое описание внесенных изменений. 7.2.5 Если изменения в проектную документацию вносят на основании отрицательного заключения государственной экспертизы, то в раздел «Пояснительная записка» в качестве приложения включают справку по форме, установленной органом государственной экспертизы, с описанием изменений, внесенных в проектную документацию. Справка должна быть подписана главным инженером проекта. 7.2.6 Регистрацию изменений тома в целом производят в таблице регистрации изменений по форме 10 приложения М, которую размещают на его титульном листе и обложке. Регистрацию изменений в текстовой части проектной документации рекомендуется производить в таблице регистрации изменений по форме 11 приложения М, которую размещают на последнем листе текстовой части при внесении первого и последующих изменений. Сведения о замене листов графических документов приводят в графе «Примечание» содержания тома, выполняемого в соответствии с 8.6. Сведения об изменении томов, а также выпуске дополнительных частей томов и книг заносят в ведомость «Состав проектной документации», выполняемую в соответствии с 8.8. При внесении изменений должны быть соблюдены требования 8.5. 7.2.7 Изменения в утвержденную проектную документацию, связанные с изменением параметров объекта строительства и необходимостью переутверждения проектной документации, вносят по решению заказчика на основе нового задания на проектирование или дополнения к ранее утвержденному заданию на проектирование. 8 Правила оформления сброшюрованной документации8.1 Копии текстовых и графических материалов проектной документации, а также отчетной технической документации по инженерным изысканиям брошюруют в тома, сложенными на формат А4 по ГОСТ 2.301. Примечание - Под брошюровкой понимается размещение материалов проектной документации в переплетах или твердых папках с легкоразъемными креплениями (замками). 8.2 Копии документов рабочей документации для передачи заказчику комплектуют в папки полистно, сложенными на формат А4, как правило, отдельно по основным комплектам рабочих чертежей. Допускается брошюровать копии рабочих документов в тома в соответствии с 8.1 или в альбомы, сложенными на формат А3. Количество листов, включаемых в папку или альбом, должно соответствовать 4.1.5. 8.3 Каждый документ, том или альбом, предназначенный для брошюровки, а также папку со сложенными в нее документами, оформляют обложкой по форме 12, приведенной в приложении Н (с учетом особенностей заполнения формы для обложки). Обложку не нумеруют и не включают в общее количество листов. 8.4 Первым листом сброшюрованного документа или тома, состоящего из нескольких документов, а также альбома или папки с рабочей документацией, является титульный лист. Титульный лист выполняют по форме 12 приложения Н. Примеры выполнения титульных листов приведены на рисунках П.1 и П.2 (приложение П). В томе проектной документации, состоящем из нескольких самостоятельных документов, включая текстовую часть, титульный лист к текстовой части не выполняют. 8.5 Все листы сброшюрованного документа нумеруют сквозной нумерацией листов, начиная с титульного листа *. При этом титульный лист не нумеруют. Номер листа на листах текстовых и графических документов указывают в правом верхнем углу рабочего поля листа (см. приложение И). Кроме того, текстовые и графические документы, включенные в том (альбом) и имеющие самостоятельное обозначение, должны иметь порядковую нумерацию листов в пределах документа с одним обозначением (в основной надписи или в соответствии с 4.1.8). * Требования 8.5 являются обязательными только для документации, подлежащей государственной экспертизе. 8.6 При комплектовании нескольких документов в виде тома, альбома, а также в папку, после титульного листа приводят содержание тома (альбома, папки), которое является перечнем документов, входящих в том (альбом, папку). Содержание выполняют на листах формата А4 по форме 2 приложения Г. Документы в содержании записывают в последовательности их комплектования в том, альбом или папку. Обложку и титульный лист в содержание не записывают. Первый лист содержания тома (альбома, папки) оформляют основной надписью по форме 5 приложения Ж, последующие - по форме 6 приложения Ж. Содержанию присваивают обозначение, состоящее из обозначения тома (альбома, папки) и шифра «С». Пример - 2345-ПЗУ2С; 2345-11-КЖ.ИС; 2345-11-ОВ.ОЛС, 2345-11-ТХ.НС В графе 5 основной надписи указывают «Содержание тома» или, соответственно, «Содержание альбома» и «Содержание папки» и далее - номер соответствующего тома, альбома или папки (при наличии). 8.7 Титульные листы томов проектной документации оформляют подписями: - руководителя или главного инженера организации; - главного инженера (архитектора) проекта. Титульный лист технического отчета по инженерным изысканиям дополнительно заверяют печатью организации - исполнителя инженерных изысканий. Титульные листы рабочих документов оформляют подписью ответственного лица - главного инженера (архитектора) проекта. 8.8 Состав проектной документации согласно 4.1.2, а также состав отчетной технической документации по инженерным изысканиям приводят в ведомости, выполняемой по форме 13 приложения Р на листах формата А4. В ведомости приводят последовательный перечень томов проектной или отчетной технической документации по инженерным изысканиям. Первый лист ведомости оформляют основной надписью по форме 5 приложения Ж, последующие - по форме 6 приложения Ж. Составу проектной документации присваивают обозначение, состоящее из базового обозначения проектной документации и через дефис шифра «СП». Пример - 2345-СП Составу отчетной технической документации по инженерным изысканиям присваивают обозначение, состоящее из базового обозначения документации и через дефис шифра «СД». Пример - 2344-СД 9 Применение типовой проектной документации9.1 Типовая проектная документация - это любая повторно применяемая проектная документация объектов капитального строительства или модификация типовой проектной документации, в которую внесены изменения, не затрагивающие конструктивных и других характеристик надежности и безопасности. Критерии отнесения проектной документации к типовой проектной документации (далее - ТПД), а также к модифицированной типовой проектной документации установлены Положением [4]. 9.2 Рабочая документация, входящая в состав ТПД и модифицированной ТПД, подлежит привязке к конкретной площадке строительства. При привязке: - определяют координаты и отметки частей зданий (сооружений); - уточняют размеры, глубину заложения и конструктивные решения фундаментов; - разрабатывают дополнительные мероприятия, необходимые по гидрогеологическим условиям строительной площадки; - уточняют решения цокольных или подвальных частей зданий, узлов примыкания тоннелей, галерей и других сооружений в зависимости от рельефа площадки строительства; - разрабатывают узлы примыкания внутренних сетей водоснабжения, канализации, теплоснабжения, электроснабжения и связи к внешним сетям, а также узлы ввода транспортных коммуникаций; - корректируют, при необходимости, документацию на несущие и ограждающие конструкции, системы отопления и вентиляции, исходя из климатических условий района строительства; - уточняют объемы работ, а также сметную стоимость строительства. 9.3 На каждом листе привязываемой документации ставят штамп привязки: - на первом листе - по форме 14 приложения С; - на последующих листах - по форме 15 приложения С. 9.4 Обложки и титульные листы основных комплектов рабочих чертежей, входящих в состав типовой проектной документации, не привязывают и заказчику не направляют. Взамен них в соответствии с требованиями раздела 8 выполняют новые обложки и титульные листы с реквизитами организации, применившей ТПД, и наименованием объекта капитального строительства, для которого выполнена привязка. 9.5 Штамп привязки наносят на свободное поле листа, предпочтительно над основной надписью или слева от нее. Допускается не наносить штамп привязки на неизменяемые рабочие чертежи конструкций, изделий и узлов в случае их повторного применения организацией, осуществившей разработку и утверждение этих чертежей. Указанные рабочие чертежи записывают в раздел прилагаемых документов без изменения обозначения. 9.6 Модификацию ТПД осуществляют внесением в нее изменений в соответствии с 7.1.3. с учетом следующих особенностей: - если изменяемых участков изображения два и более, то им присваивают обозначения в соответствии с 5.5.4 и рисунками 10а-10в; - над измененным участком указывают обозначение изменяемого участка изображения и надпись «Взамен перечеркнутого». Если новое изображение (часть изображения) помещают на другом листе, то у замененного изображения указывают также номер листа, на котором находится новое изображение (см. рисунок 17); - таблицы изменений в основных надписях не заполняют; - графу «Примечание» ведомостей на листах общих данных в связи с внесением изменений не заполняют. В состав документации, передаваемой заказчику, включают заключение согласно [4]. 9.7 Основные надписи на листах привязываемой документации оставляют без изменения. 9.8 Изменения при привязке рекомендуется вносить в один экземпляр документа, являющийся в дальнейшем подлинником, с которого изготовляют копии. 9.9 Аннулированные листы исключают из привязанной документации без изменения общей нумерации листов. Приложение А
|
||||||||||||||||||||||||||||||||||||||||||||||||||||||||||||||||||||||||||||||||||||||||||||||||||||||||||||||||||||||||||||||||||||||||||||||||||||||||||||||||||||||||||||||||||||||||||||||||||||||||||||||||||||||||||||||||||||||||||||||||||||||||||||||||||||||||||||||||||||||||||||||||||||||||||||||||||||||||||||||||||||||||||||||||||||||||||||||||||||||||||||||||||||||||||||||||||||||||||||||||||||||||||||||||||||||||||||||||||||||||||||||||||||||||||||||||||||||||||||||||||||||||||||||||||||||||||||||||||||||||||||||||||||||||||||||||||||||||||||||||||||||||||||||||||||||||||||||||||||||||||||||||||
|
Номер |
Наименование раздела |
Шифр |
|
1 |
Пояснительная записка |
ПЗ |
|
2 |
Схема планировочной организации земельного участка |
ПЗУ |
|
3 |
Архитектурные решения |
АР |
|
4 |
Конструктивные и объемно-планировочные решения |
КР |
|
5 |
Сведения об инженерном оборудовании, о сетях инженерно-технического обеспечения, перечень инженерно-технических мероприятий, содержание технологических решений |
ИОС |
|
6 |
Проект организации строительства |
ПОС |
|
7 |
Проект организации работ по сносу или демонтажу объектов капитального строительства |
ПОД |
|
8 |
Перечень мероприятий по охране окружающей среды |
ООС |
|
9 |
Мероприятия по обеспечению пожарной безопасности |
ПБ |
|
10 |
Мероприятия по обеспечению доступа инвалидов |
ОДИ |
|
11 |
Смета на строительство объектов капитального строительства |
СМ |
|
12 |
Иная документация в случаях, предусмотренных федеральными законами, в том числе: |
|
|
|
Перечень мероприятий по гражданской обороне, мероприятий по предупреждению чрезвычайных ситуаций природного и техногенного характера |
ГОЧС |
|
|
Мероприятия по противодействию террористическим актам |
ПТА |
|
|
Декларация промышленной безопасности опасных производственных объектов |
ДПБ |
|
|
Декларация безопасности гидротехнических сооружений |
ДБГ |
|
|
Иная документация, установленная законодательными актами Российской Федерации |
- |
А.2 Шифры разделов проектной документации на линейные объекты приведены в таблице А.2.
|
Номер |
Наименование раздела проектной документации |
Шифр |
|
1 |
Пояснительная записка |
ПЗ |
|
2 |
Проект полосы отвода |
ППО |
|
3 |
Технологические и конструктивные решения линейного объекта. Искусственные сооружения |
ТКР |
|
4 |
Здания, строения и сооружения, входящие в инфраструктуру линейного объекта * |
ИЛО |
|
5 |
Проект организации строительства |
ПОС |
|
6 |
Проект организации работ по сносу (демонтажу) линейного объекта |
ПОД |
|
7 |
Мероприятия по охране окружающей среды |
ООС |
|
8 |
Мероприятия по обеспечению пожарной безопасности |
ПБ |
|
9 |
Смета на строительство |
СМ |
|
10 |
Иная документация в случаях, предусмотренных федеральными законами, в том числе: |
|
|
|
Перечень мероприятий по гражданской обороне, мероприятий по предупреждению чрезвычайных ситуаций природного и техногенного характера |
ГОЧС |
|
|
Мероприятия по противодействию террористическим актам |
ПТА |
|
* Проектную документацию зданий, строений и сооружений в полном объеме разрабатывают в соответствии с составом документации по таблице А.1. |
||
|
Наименование основного комплекта |
Марка |
Примечание |
|
Технология производства |
ТХ |
- |
|
Технологические коммуникации |
ТК |
При объединении рабочих чертежей всех технологических коммуникаций |
|
Генеральный план и сооружения транспорта |
ГТ |
При объединении рабочих чертежей генерального плана и сооружений транспорта |
|
Генеральный план |
ГП |
- |
|
Архитектурные решения |
АР |
- |
|
Архитектурно-строительные решения |
АС |
При объединении рабочих чертежей архитектурных решений и строительных конструкций |
|
Интерьеры |
АИ |
Рабочие чертежи могут быть объединены с основным комплектом марки АР или АС |
|
Конструкции железобетонные |
КЖ |
- |
|
Конструкции металлические |
КМ |
- |
|
Конструкции металлические деталировочные |
КМД |
- |
|
Конструкции деревянные |
КД |
- |
|
Водоснабжение и канализация |
ВК |
- |
|
Отопление, вентиляция и кондиционирование |
ОВ |
- |
|
Тепломеханические решения котельных |
ТМ |
- |
|
Воздухоснабжение |
ВС |
- |
|
Пылеудаление |
ПУ |
- |
|
Холодоснабжение |
ХС |
- |
|
Газоснабжение (внутренние устройства) |
ГСВ |
- |
|
Силовое электрооборудование |
ЭМ |
- |
|
Электрическое освещение (внутреннее) |
ЭО |
- |
|
Радиосвязь, радиовещание и телевидение |
РТ |
- |
|
Пожаротушение |
ПТ |
- |
|
Пожарная сигнализация |
ПС |
- |
|
Охранная и охранно-пожарная сигнализация |
ОС |
- |
|
Гидротехнические решения |
ГР |
- |
|
Антикоррозионная защита конструкций зданий, сооружений |
АЗ |
- |
|
Антикоррозионная защита технологических аппаратов, газоходов и трубопроводов |
АЗО |
- |
|
Тепловая изоляция оборудования и трубопроводов |
ТИ |
- |
|
Автомобильные дороги |
АД |
- |
|
Железнодорожные пути |
ПЖ |
- |
|
Сооружения транспорта |
ТР |
При объединении рабочих чертежей автомобильных, железных и других дорог |
|
Наружные сети водоснабжения и канализации |
НВК |
- |
|
Наружные сети водоснабжения |
НВ |
При разделении основного комплекта марки НВК |
|
Наружные сети канализации |
НК |
При разделении основного комплекта марки НВК |
|
Тепломеханические решения тепловых сетей |
ТС |
- |
|
Наружные газопроводы |
ГСН |
- |
|
Наружное электроосвещение |
ЭН |
- |
|
Электроснабжение |
ЭС |
- |
|
Автоматизация комплексная |
АК |
При объединении рабочих чертежей различных технологических процессов и инженерных систем |
|
Автоматизация… * |
- |
Наименования основных комплектов и обозначения марок принимают по ГОСТ 21.408 приложение А |
|
Проводные средства связи * |
- |
Наименования основных комплектов и обозначения марок принимают по ГОСТ Р 21.1703 приложение А |
|
Гидромелиоративные линейные сооружения * |
- |
Наименования основных комплектов и обозначения марок принимают по ГОСТ Р 21.1709 приложение А |
|
* Приведены общие наименования объектов стандартизации. Примечание - При необходимости могут быть назначены дополнительные марки основных комплектов рабочих чертежей. При этом в марку рекомендуется включать не более трех прописных букв русского алфавита, соответствующих, как правило, начальным буквам наименования основного комплекта рабочих чертежей. |
||
|
Наименование прилагаемого документа |
Шифр |
|
Спецификация оборудования, изделий и материалов |
С |
|
Эскизный чертеж общего вида нетипового изделия |
Н |
|
Рабочий чертеж строительного изделия |
И |
|
Опросный лист, габаритный чертеж |
ОЛ |
|
Локальная смета |
ЛС |
|
Расчеты * |
РР |
|
* Расчеты, как правило, в состав рабочей документации не включают, если иное не определено в договоре (контракте) и задании на проектирование. Примечание - Шифры других видов прилагаемых документов приводятся в соответствующих стандартах СПДС. |
|
Форма 1 - Ведомость рабочих чертежей основного комплекта. Ведомость спецификаций

Г.1 В ведомости рабочих чертежей основного комплекта указывают:
- в графе «Лист» - порядковый номер листа основного комплекта рабочих чертежей;
- в графе «Наименование» - наименование изображений, помещенных на листе, в точном соответствии с наименованиями, приведенными в основной надписи листа;
- в графе «Примечание» - дополнительные сведения, например, об изменениях, вносимых в рабочие чертежи основного комплекта.
Г.2 В ведомости спецификаций указывают:
- в графе «Лист» - номер листа основного комплекта рабочих чертежей, на котором помещена спецификация;
- в графе «Наименование» - наименование спецификации в точном соответствии с ее наименованием, указанным на чертеже;
- в графе «Примечание» - дополнительные сведения, в том числе об изменениях, вносимых в спецификации.
Форма 2 - Ведомость основных комплектов рабочих чертежей. Ведомость ссылочных и прилагаемых документов. Ведомость документов основного комплекта рабочих чертежей. Содержание тома

Г.3 В ведомости основных комплектов рабочих чертежей указывают:
- в графе «Обозначение» - обозначение основного комплекта рабочих чертежей и, при необходимости, наименование или различительный индекс организации, выпустившей документ;
- в графе «Наименование» - наименование основного комплекта рабочих чертежей;
- в графе «Примечание» - дополнительные сведения, в том числе об изменениях в составе основных комплектов рабочих чертежей.
Г.4 В ведомости ссылочных и прилагаемых документов указывают:
- в графе «Обозначение» - обозначение документа и при необходимости наименование или различительный индекс организации, выпустившей документ;
- в графе «Наименование» - наименование документа в точном соответствии с наименованием, указанным на титульном листе или в основной надписи;
- в графе «Примечание» - дополнительные сведения, в том числе о внесенных изменениях в записанные документы, входящие в состав рабочей документации.
Г.5 В ведомости документов основного комплекта рабочих чертежей указывают:
- в графе «Обозначение» - обозначение документа;
- в графе «Наименование» - наименование документа в точном соответствии с наименованием, указанным в основной надписи;
- в графе «Примечание» - дополнительные сведения, в том числе о внесенных изменениях в записанные документы, входящие в состав рабочей документации.
Г.6 В содержании тома указывают:
- в графе «Обозначение» - обозначение документа;
- в графе «Наименование» - наименование документа в точном соответствии с наименованием, указанным в основной надписи или на титульном листе;
- в графе «Примечание» - номер листа тома по сквозной нумерации листов тома в соответствии с 8.4, с которого начинается документ, а также, при необходимости, сведения об изменениях, вносимых в записанные документы.
|
Обозначение и наименование стандарта |
Условия применения стандарта |
|
ГОСТ 2.004-88 Единая система конструкторской документации. Общие требования к выполнению конструкторских и технологических документов на печатающих и графических устройствах вывода ЭВМ |
- |
|
ГОСТ 2.051-88 Единая система конструкторской документации. Электронные документы |
- |
|
ГОСТ 2.101-68 Единая система конструкторской документации. Виды изделий |
- |
|
ГОСТ 2.102-68 Единая система конструкторской документации. Виды и комплектность конструкторских документов |
С учетом положений ГОСТ 21.501, относящихся к выполнению чертежей строительных изделий |
|
ГОСТ 2.105-95 Единая система конструкторской документации. Общие требования к текстовым документам |
|
|
ГОСТ 2.106-96 Текстовые документы |
С учетом положений раздела 6 настоящего стандарта и ГОСТ 21.501 |
|
ГОСТ 2.109-73 Единая система конструкторской документации. Основные требования к чертежам |
С учетом положений ГОСТ
21.501. |
|
ГОСТ 2.113-75 Единая система конструкторской документации. Групповые и базовые конструкторские документы |
С учетом положений ГОСТ 21.501 |
|
ГОСТ 2.114-95 Единая система конструкторской документации. Технические условия |
С учетом положений 5.2.1, 5.2.2, 5.2.4, 5.2.7 раздела 5 и раздела 8 настоящего стандарта. Пункт 3.7.1 и подраздел 3.8 ГОСТ 2.114 не учитывают |
|
ГОСТ 2.301-68 Единая система конструкторской документации. Форматы |
С учетом требований соответствующих стандартов СПДС |
|
ГОСТ 2.302-68 Единая система конструкторской документации. Масштабы |
С учетом требований соответствующих стандартов СПДС |
|
ГОСТ 2.303-68 Единая система конструкторской документации. Линии |
С учетом требований соответствующих стандартов СПДС |
|
ГОСТ 2.304-81 Единая система конструкторской документации. Шрифты чертежные |
С учетом положений 5.1.3 настоящего стандарта |
|
ГОСТ 2.305-2008 Единая система конструкторской документации. Изображения - виды, разрезы, сечения |
С учетом положений 5.5 настоящего стандарта |
|
ГОСТ 2.306-68 Единая система конструкторской документации. Обозначения графические материалов и правила их нанесения на чертежах |
С учетом положений ГОСТ 21.302, таблицы 4 и 5 |
|
ГОСТ 2.307-68 Единая система конструкторской документации. Нанесение размеров и предельных отклонений |
С учетом положений 5.4.1-5.4.4 настоящего стандарта |
|
ГОСТ 2.308-79 Единая система конструкторской документации. Указание на чертежах допусков формы и расположения поверхностей |
С учетом положений ГОСТ 21.113 |
|
ГОСТ 2.309-73 Единая система конструкторской документации. Обозначение шероховатости поверхностей |
- |
|
ГОСТ 2.310-68 Единая система конструкторской документации. Нанесение на чертежах обозначений покрытий, термической и других видов обработки |
- |
|
ГОСТ 2.311-68 Единая система конструкторской документации. Изображение резьбы |
- |
|
ГОСТ 2.312-72 Единая система конструкторской документации. Условные изображения и обозначения швов сварных соединений |
- |
|
ГОСТ 2.313-82 Единая система конструкторской документации. Условные изображения и обозначения неразъемных соединений |
- |
|
ГОСТ 2.314-68 Единая система конструкторской документации. Указания на чертежах о маркировке и клеймении изделий |
- |
|
ГОСТ 2.315-68 Единая система конструкторской документации. Изображения упрощенные и условные крепежных деталей |
- |
|
ГОСТ 2.316-2008 Единая система конструкторской документации. Правила нанесения надписей, технических требований и таблиц на графических документах. Общие положения |
С учетом положений 5.4.5-5.4.7 настоящего стандарта |
|
ГОСТ 2.317-69 Единая система конструкторской документации. Аксонометрические проекции |
- |
|
ГОСТ 2.501-88 Единая система конструкторской документации. Правила учета и хранения |
В части формы инвентарной книги, абонентской карточки и указаний по складыванию чертежей |
|
Примечание - Условия применения стандартов ЕСКД классификационной группы 7 определены соответствующими стандартами СПДС. |
|
|
Полное наименование |
Сокращение |
Полное наименование |
Сокращение |
|
Автомобильная дорога |
а.д. |
Монтажный |
монт. |
|
Альбом |
Альб. (ц) |
Нормативная нагрузка |
норм. нагр. |
|
Антисейсмический шов |
а.с.ш. (и) |
Оборудование |
оборуд. |
|
Архитектор |
Арх. (о) |
Общий |
общ. |
|
Асфальтобетон |
асф. бет. |
Отметка |
отм. (ц) |
|
Бетон, бетонный |
бет. |
Раздел |
разд. (ц) |
|
Ведущий |
Вед. (о) |
Размер |
разм. (ц) |
|
Вентиляционная камера |
венткамера |
Расчетная нагрузка |
расч. нагр. |
|
Вместимость |
Вмест. (ц, т) |
Санитарно‑технический |
сан. техн. |
|
Выпуск |
Вып. (ц) |
Санитарный узел |
сан. узел. |
|
Главный инженер |
Гл. инж. (о) |
Сборный |
сб. |
|
Главный инженер (архитектор) проекта |
ГИП (ГАП) (о) |
Сектор |
сек. (ц) |
|
Скважина |
скв. (ц) |
||
|
Главный специалист |
Гл. спец. (о) |
Снеговой |
снег. |
|
Группа |
гр. (т,о) |
Температурный шов |
т.ш. (и) |
|
Деформационный шов |
д.ш. (и) |
Технологический |
технол. |
|
Диаметр |
диам. |
Техник |
Техн. (о) |
|
Директор |
Дир. (о) |
Типовой |
тип. |
|
Документ |
док. (т, о) |
Труба |
тр. |
|
Допускаемый |
допуск. |
Уровень головки рельса |
ур. г. р. (и) |
|
Железная дорога |
ж.д. |
Уровень земли |
ур. з. (и) |
|
Железнодорожный |
ж.-д. |
Уровень чистого пола |
ур. ч. п. (и) |
|
Железобетон, железобетонный |
ж.б. |
Участок |
уч. (и, ц) |
|
Заведующий |
Зав. (о) |
Фундаментный |
фунд. |
|
Изоляция, изоляционный |
изол. |
Цемент, цементный |
цем. |
|
Институт |
Ин-т (о) |
Цементобетон |
цем. бет. |
|
Количество |
Кол. |
Часть |
Ч. (ц) |
|
Конструкция |
констр. |
Шаг |
ш. (ц, т) |
|
Коэффициент |
коэфф. |
Штукатурка |
штукат. |
|
Коэффициент полезного действия |
к.п.д. |
Щебень, щебеночный |
щеб. |
|
Лестница, лестничный |
лестн. |
Электрический Элемент |
эл. эл-т (и, т) |
|
Мастерская (в проектных организациях) |
Маст. (о) |
Этаж |
эт. (ц) |
|
Масштаб |
М (ц) |
|
|
|
Материалы |
мат-лы (т) |
|
|
|
Примечание - Сокращения, отмеченные знаком (о), применяют только в основной надписи; (т) - в таблицах; (ц) - с цифрами или шифрами; (и) - на графических изображениях. |
|||
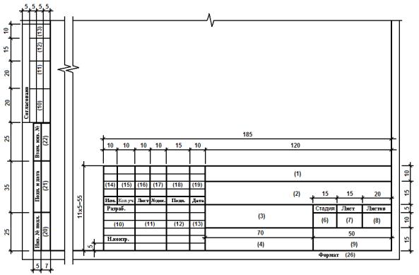
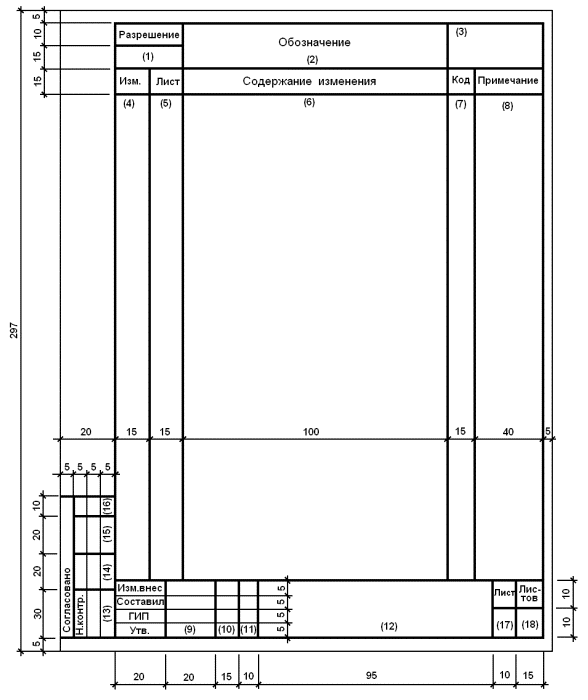
Форма 3 - Для листов основных комплектов рабочих чертежей, графических документов разделов проектной документации и графических документов по инженерным изысканиям

Примечание - Для графических документов по инженерным изысканиям запись «Н.контр.» («Нормоконтроль») в основной надписи допускается не приводить.
Форма 4 - Для чертежей строительных изделий (первый лист)

Форма 5 - Для всех видов текстовых документов (первые листы)

Примечание - Основную надпись по форме 5 допускается использовать для графических документов по инженерным изысканиям, не используемых в качестве графической основы.
Форма 6 - Для чертежей строительных изделий и всех видов текстовых документов (последующие листы)

Примечание - Основную надпись по форме 6 допускается использовать для графических документов по инженерным изысканиям, не используемых в качестве графической основы, а также для последующих листов кабельных и кабельно-трубных журналов при выпуске соответствующих основных комплектов отдельными документами.
В графах основной надписи и дополнительных графах к ней (номера граф указаны в скобках) приводят:
- в графе 1 - обозначение документа, в том числе раздела, подраздела проектной документации, основного комплекта рабочих чертежей, чертежа изделия, текстового документа и др.;
- в графе 2 - наименование предприятия, жилищно-гражданского комплекса или другого объекта строительства, в состав которого входит здание (сооружение) или наименование микрорайона;
- в графе 3 - наименование здания (сооружения) и, при необходимости, вид строительства (реконструкция, расширение, техническое перевооружение, капитальный ремонт);
- в графе 4 - наименование изображений, помещенных на данном листе, в точном соответствии с их наименованием на чертеже;
Наименования спецификаций и других таблиц, а также текстовых указаний, относящихся к изображениям, в графе не указывают;
- в графе 5 - наименование изделия и/или наименование документа;
- в графе 6 - условное обозначение вида документации: П - для проектной документации, Р - для рабочей документации.
Для других видов документации графу не заполняют;
- в графе 7 - порядковый номер листа текстового документа. На документах, состоящих из одного листа, графу не заполняют;
- в графе 8 - общее количество листов документа. Графу заполняют только на первом листе;
- в графе 9 - наименование или различительный индекс организации, разработавшей документ;
- в графе 10 - характер работы, выполняемой лицом, подписывающим документ, в соответствии с формами 3-5. В свободных строках по усмотрению проектной организации приводят должности специалистов и руководителей, ответственных за разработку и проверку документа, и запись «Проверил».
Подписи лица, разработавшего данный документ, и нормоконтролера являются обязательными.
Подписи главного инженера (архитектора) проекта являются обязательными на листах общих данных по рабочим чертежам, наиболее значимых листах рабочих чертежей, графической части проектной и отчетной изыскательской документации;
- в графах 11-13 - фамилии и подписи лиц, указанных в графе 10, и дату подписания.
Подписи других должностных лиц и согласующие подписи размещают на поле для подшивки листа;
- в графах 14-19 - сведения об изменениях, которые заполняют в соответствии с 7.1.3.21;
- в графе 20 - инвентарный номер подлинника;
- в графе 21 - подпись лица, принявшего подлинник на хранение, и дату приемки;
- в графе 22 - инвентарный номер подлинника документа, взамен которого выпущен новый подлинник;
- в графе 23 - обозначение материала детали (графу заполняют только на чертежах деталей);
- в графе 24 - массу изделия, изображенного на чертеже, в килограммах, без указания единицы массы. Массу изделия в других единицах массы приводят с указанием единицы массы.
Пример - 2,4 т;
- в графе 25 - масштаб (проставляют в соответствии с ГОСТ 2.302);
- в графе 26 - обозначение формата листа по ГОСТ 2.301. Для электронного документа указывают формат листа, на котором изображение будет соответствовать установленному масштабу.
Примечание - В графах 19, 21 при указании календарной даты на бумажном носителе год указывают двумя последними цифрами.
Примечание - Размер в скобках указан для нижней рамки листов форматов А4 и А3.
Рисунок И.1

Форма 8 - Групповая спецификация

В спецификациях указывают:
- в графе «Поз.» - позиции (марки) элементов конструкций, установок;
- в графе «Обозначение» - обозначение основных документов на записываемые в спецификацию элементы конструкций, оборудование и изделия или стандартов (технических условий) на них;
- в графе «Наименование» - наименование элементов конструкций, оборудования, изделий и их марки. Допускается на группу одноименных элементов указывать наименование один раз и его подчеркивать;
- в графе «Кол.» формы 7 - количество элементов.
В графе «Кол.» формы 8 - вместо многоточия записывают «по схеме», «на этаж» и т.п., а ниже - порядковые номера схем расположения или этажей;
- в графе «Масса, ед., кг» - массу в килограммах. Допускается приводить массу в тоннах, но с указанием единицы массы;
- в графе «Примечание» - дополнительные сведения, например, единицу массы.
Форма 9 - Разрешение на внесение изменений (первый лист)

Форма 9а - Разрешение на внесение изменений (последующие листы)

Л.1 В графах разрешения указывают:
- в графе 1 - обозначение разрешения, состоящее из порядкового номера разрешения по книге регистрации разрешений по ГОСТ Р 21.1003 и через дефис - двух последних цифр года.
Пример - 15-09;
- в графе 2 - обозначение документа, в который вносят изменение;
- в графе 3 - наименование объекта строительства;
- в графе 4 - очередной порядковый номер, присваиваемый изменениям, которые вносят в документ по одному разрешению. Его указывают для всего документа, независимо от того, на скольких листах он выполнен. Порядковые номера изменений обозначают арабскими цифрами;
- в графе 5 - номера листов документа, в которые вносят изменения;
- в графе 6 - содержание изменения в виде текстового описания и/или графического изображения;
- в графе 7 - код причины изменения в соответствии с таблицей Л.1. Допускается код причины изменения не указывать. В этом случае в графе ставят прочерк;
Таблица Л.1
|
Код причины изменения |
Причины изменения |
|
1 |
Введение усовершенствований |
|
2 |
Изменение стандартов и норм |
|
3 |
Дополнительные требования заказчика |
|
4 |
Устранение ошибок |
|
5 |
Другие причины |
- в графе 8 - дополнительные сведения;
- в графах 9-11 - фамилии лиц, подписывающих разрешение, их подписи и даты подписания;
- в графе 12 - наименование проектной организации и подразделения (отдела), составившего разрешение;
- в графах 13-16 - наименование соответствующих подразделений или организаций, должности и фамилии лиц, с которыми в установленном порядке согласовывают разрешение, их подписи и даты подписания, а также подпись нормоконтролера;
- в графе 17 - порядковый номер листа разрешения. Если разрешение состоит из одного листа, графу не заполняют;
- в графе 18 - общее количество листов разрешения.
Л.2 Допускается для последующих листов разрешения использовать форму 9.
Примечания
1 Допускается дополнять форму графами для идентификации разрешения в электронном виде. Расположение и размеры граф проектная организация устанавливает самостоятельно.
2 В графах 11, 16 при указании календарной даты на бумажном носителе год указывают двумя последними цифрами.
Форма 10 - Таблица регистрации изменений (титульный лист)

М.1 В графах таблицы регистрации изменений (форма 10) указывают:
- в графе «Изм.» - порядковый номер изменения документа или тома;
- в графе «Подп.» - подпись лица, ответственного за правильность внесения изменения;
- в графе «Дата» - дату внесения изменения.
М.2 При необходимости количество строк может быть увеличено.
М.3 При наличии в томе (документе) обложки таблицу внесения изменений размещают и на обложке.
Форма 11 - Таблица регистрации изменений (текстовый документ)
|
Таблица регистрации изменений |
||||||||
|
Изм. |
Номера листов (страниц) |
Всего листов (страниц) в док. |
Номер док. |
Подп. |
Дата |
|||
|
измененных |
замененных |
новых |
аннулированных |
|||||
|
|
|
|
|
|
|
|
|
|
|
|
|
|
|
|
|
|
|
|
|
|
|
|
|
|
|
|
|
|
|
|
|
|
|
|
|
|
|
|
|
|
|
|
|
|
|
|
|
|
|
|
|
|
|
|
|
|
|
|
|
|
|
|
|
|
|
|
|
|
|
|
|
|
|
|
|
|
|
|
|
|
|
|
|
|
|
|
|
|
|
|
|
|
|
|
|
|
|
|
|
|
|
|
|
|
|
|
|
|
|
|
|
|
|
|
|
|
|
|
М.4 В графах таблицы регистрации изменений (форма 11) указывают:
- в графе «Изм.» - порядковый номер изменения документа;
- в графах «Номера листов (страниц) измененных, замененных, новых, аннулированных» - номера листов (страниц), соответственно измененных, замененных, добавленных и аннулированных по данному разрешению.
При замене всех листов подлинника (при очередном порядковом номере изменения документа) в графе «новых» указывают «Все». В остальных графах ставят прочерк;
- в графе «Всего листов (страниц) в док.» - количество листов (страниц) в текстовом документе после внесения изменений;
- в графе «Номер док.» - обозначение разрешения;
- в графе «Подп.» - подпись лица, ответственного за правильность внесения изменения;
- в графе «Дата» - дату внесения изменения.
М.5 Размеры граф таблицы устанавливает разработчик документа.
Форма 12 - Обложка и титульный лист

Примечание - Размеры титульного листа и обложки принимают в зависимости от формата тома, папки или альбома, к которым они выполняются.
Н.1 На титульном листе приводят следующие реквизиты:
- поле 1 - сокращенное, а при его отсутствии - полное наименование вышестоящей организации (при ее наличии; указывают, как правило, для государственных организаций);
- поле 2 - логотип (не обязательно), полное наименование организации, подготовившей документ;
- поле 3 - наименование объекта капитального строительства и, при необходимости, вид строительства.
Наименование объекта строительства на титульном листе должно соответствовать сведениям, приводимым в графах 2 и 3 основной надписи (см. приложение Ж);
- поле 4 - вид документации;
- поле 5 - наименование документа;
- поле 6 - обозначение документа;
- поле 7 - номер тома, части, книги (при наличии);
- поле 8 - должности лиц, ответственных за разработку документа;
- поле 9 - подписи лиц, указанных на поле 8, и даты подписания, выполняемые согласно ГОСТ Р 6.30.
Для отчетной изыскательской документации на этом поле проставляют заверяющую печать организации - исполнителя инженерных изысканий;
- поле 10 - инициалы и фамилии лиц, указанных на поле 8;
- поле 11 - год выпуска документа;
- поле 12 - для размещения таблицы внесения изменений по форме 10 приложения М;
- поле 13 - для дополнительных граф основной надписи в соответствии с приложением Ж.
Н.2 На обложке приводят следующие реквизиты:
- поля 1-7, 11, 12 - приводят реквизиты, аналогичные реквизитам титульного листа.
- поля 8-10 - для обложки не заполняют;
- поле 13 - не выполняют.
* Приведенные примеры являются условными
Рисунок П.1 - Пример выполнения титульного листа тома проектной документации
Рисунок П.2 - Пример выполнения титульного листа тома (папки) рабочей документации
Форма 13 - Состав проектной документации.
Состав отчетной документации по инженерным изысканиям

В отчетной документации указывают:
- в графе «Номер тома» - порядковый номер тома или номер тома, включающий номер раздела и, при наличии, номер части, книги (см. 4.1.1, 4.1.3), разделенных точками.
Пример - 1, 2.1, 2.2, 5.5.1, 5.5.2;
- в графе «Обозначение» - обозначение документа, указанное на титульном листе, и, при необходимости, наименование или различительный индекс организации, выпустившей документ;
- в графе «Наименование» - наименование документа в точном соответствии с наименованием, указанным на титульным листе;
- в графе «Примечание» - дополнительные сведения, в том числе о внесенных изменениях.
Форма 14 - Штамп привязки (первый лист)

Форма 15 - Штамп привязки (последующие листы)

При заполнении штампов привязки указывают:
- в графе 1 - новое обозначение привязываемого документа;
- в графе 2 - наименование организации, выполнившей привязку;
- в графе 3 - наименование строящегося предприятия, здания или сооружения, для которых выполнена привязка;
- в графах 4-7 - должности и фамилии лиц, ответственных за привязку, а также лица, осуществившего нормоконтроль, их подписи и даты подписания;
- в графе 8 - инвентарный номер, присвоенный привязанному документу;
- в графе 9 - количество листов привязанного документа;
- графах 10, 11 - подпись лица, принявшего привязанный документ на хранение, и дату подписания.
[1] Градостроительный Кодекс Российской Федерации (введен в действие Федеральным законом от 29 декабря 2004 года № 190-ФЗ)
[2] Положение о составе разделов проектной документации и требованиях к их содержанию (утверждено Постановлением Правительства Российской Федерации от 16 февраля 2008 г. № 87)
[3] Методические рекомендации. МДС 81-35.2004 Методика определения стоимости строительной продукции на территории Российской Федерации
[4] Положение о критериях отнесения проектной документации к типовой проектной документации, а также к модифицированной типовой проектной документации, не затрагивающей конструктивных и других характеристик надежности и безопасности объектов капитального строительства (утверждено Приказом Министерства регионального развития Российской Федерации от 9 июля 2007 г. № 62)
Ключевые слова: проектная документация, рабочая документация, основные требования, основной комплект рабочих чертежей, основная надпись, внесение изменений, титульный лист
|
ГОСТЫ, СТРОИТЕЛЬНЫЕ и ТЕХНИЧЕСКИЕ НОРМАТИВЫ. Некоммерческая онлайн система, содержащая все Российские Госты, национальные Стандарты и нормативы. В Системе содержится более 150000 файлов нормативно-технической документации, действующей на территории РФ. Система предназначена для широкого круга инженерно-технических специалистов. Copyright © www.gostrf.com, 2008 - 2026 |