Крупнейшая бесплатная информационно-справочная система онлайн доступа к полному собранию технических нормативно-правовых актов РФ. Огромная база технических нормативов (более 150 тысяч документов) и полное собрание национальных стандартов, аутентичное официальной базе Госстандарта. GOSTRF.com - это более 1 Терабайта бесплатной технической информации для всех пользователей интернета. Все электронные копии представленных здесь документов могут распространяться без каких-либо ограничений. Поощряется распространение информации с этого сайта на любых других ресурсах. Каждый человек имеет право на неограниченный доступ к этим документам! Каждый человек имеет право на знание требований, изложенных в данных нормативно-правовых актах!

  


 

ФЕДЕРАЛЬНОЕ АГЕНТСТВО
ПО ТЕХНИЧЕСКОМУ РЕГУЛИРОВАНИЮ И МЕТРОЛОГИИ

НАЦИОНАЛЬНЫЙ
СТАНДАРТ
РОССИЙСКОЙ
ФЕДЕРАЦИИ

ГОСТ Р
53561

2009

Арматура трубопроводная

ПРОКЛАДКИ ОВАЛЬНОГО, ВОСЬМИУГОЛЬНОГО СЕЧЕНИЯ,
ЛИНЗОВЫЕ СТАЛЬНЫЕ ДЛЯ ФЛАНЦЕВ АРМАТУРЫ

Конструкция, размеры и общие технические требования

Москва

Стандартинформ

2010

Предисловие

Цели и принципы стандартизации в Российской Федерации установлены Федеральным законом от 27 декабря 2002 г. № 184-ФЗ «О техническом регулировании», а правила применения национальных стандартов Российской Федерации - ГОСТ Р 1.0-2004 «Стандартизация в Российской Федерации. Основные положения»

Сведения о стандарте

1 РАЗРАБОТАН Закрытым акционерным обществом «Научно-производственная фирма «Центральное конструкторское бюро арматуростроения» (ЗАО «НПФ «ЦКБА»)

2 ВНЕСЕН Техническим комитетом ТК 259 «Трубопроводная арматура и сильфоны»

3 УТВЕРЖДЕН И ВВЕДЕН В ДЕЙСТВИЕ Приказом Федерального агентства по техническому регулированию и метрологии от 15 декабря 2009 г. № 852-ст

4 ВВЕДЕН ВПЕРВЫЕ

Информация об изменениях к настоящему стандарту публикуется в ежегодно издаваемом информационном указателе «Национальные стандарты», а текст изменений и поправок - в ежемесячно издаваемых информационных указателях «Национальные стандарты». В случае пересмотра (замены) или отмены настоящего стандарта соответствующее уведомление будет опубликовано в ежемесячно издаваемом информационном указателе «Национальные стандарты». Соответствующая информация, уведомление и тексты размещаются также в информационной системе общего пользования - на официальном сайте Федерального агентства по техническому регулированию и метрологии в сети Интернет

Содержание

ГОСТ Р 53561-2009

НАЦИОНАЛЬНЫЙ СТАНДАРТ РОССИЙСКОЙ ФЕДЕРАЦИИ

Арматура трубопроводная

ПРОКЛАДКИ ОВАЛЬНОГО, ВОСЬМИУГОЛЬНОГО СЕЧЕНИЯ,
ЛИНЗОВЫЕ СТАЛЬНЫЕ ДЛЯ ФЛАНЦЕВ АРМАТУРЫ

Конструкция, размеры и общие технические требования

Pipeline valves. Gaskets of oval, octagonal section, lens steel for valve flanges.
Design, dimensions and general technical requirements

Дата введения - 2010-04-01

1 Область применения

Настоящий стандарт устанавливает конструкцию, размеры и общие технические требования на стальные прокладки овального, восьмиугольного сечения для фланцевых соединений арматуры с фланцами, имеющими уплотнительную поверхность исполнения 7 по ГОСТ 12815 и исполнения J по ИСО 7005-1 [1], а также конструкцию, размеры и общие технические требования на линзовые прокладки с фланцами, имеющими уплотнительную поверхность исполнения 6 по ГОСТ 12815. Настоящий стандарт распространяется на уплотнительные прокладки овального, восьмиугольного сечения для фланцевых соединений с фланцами номинального диаметра DN от 10 до 400 на номинальное давление PN от 6,3 до 20 МПа (от 63 до 200 кгс/см2) по ГОСТ 12815 и ИСО 7005-1 [1], а также на линзовые прокладки для фланцевых соединений с фланцами номинального диаметра DN от 10 до 400 на номинальное давление PN от 6,3 до 20 МПа (от 63 до 200 кгс/см2) по ГОСТ 12815.

2 Нормативные ссылки

В настоящем стандарте использованы ссылки на следующие стандарты:

ГОСТ 1050-88 Прокат сортовой, калиброванный, со специальной отделкой поверхности из углеродистой качественной конструкционной стали. Общие технические условия

ГОСТ 4543-71 Прокат из легированной конструкционной стали. Технические условия

ГОСТ 5632-72 Стали высоколегированные и сплавы коррозионно-стойкие, жаростойкие и жаропрочные. Марки

ГОСТ 12815-80 Фланцы арматуры, соединительных частей и трубопроводов на Ру от 0,1 до 20,0 МПа (от 1 до 200 кгс/см2). Типы. Присоединительные размеры и размеры уплотнительных поверхностей

3 Конструкция и размеры

3.1 Прокладки по конструкции предусматриваются трех типов:

1 - прокладки овального сечения;

2 - прокладки восьмиугольного сечения;

3 - линзовые прокладки.

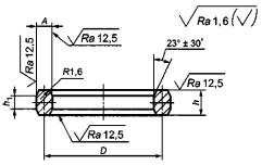
3.2 Конструкция и размеры прокладок типа 1 для фланцев по ГОСТ 12815 (исполнение 7) и ИСО 7005-1 [1] (исполнение J) приведены на рисунке 1 и в таблице 1.

Конструкция и размеры прокладок типа 2 для фланцев по ГОСТ 12815 (исполнение 7) приведены на рисунке 2 и в таблице 1, для фланцев по ИСО 7005-1 [1] (исполнение J) на рисунке 3 и в таблице 1.

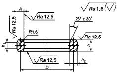
Конструкция и размеры прокладок типа 3 для фланцев по ГОСТ 12815 (исполнение 6) приведены на рисунке 4 и в таблице 2.

Рисунок 1

Рисунок 2

Рисунок 3

Рисунок 4


Таблица 1 - Размеры прокладок овального сечения типа 1 и восьмиугольного сечения типа 2

В миллиметрах

Номинальный диаметр DN для номинальных давлений PN, МПа (кгс/см2)

D,
±0,15

А,
±0,2

R,
±0,1

h,
±0,4

h1,
±0,2

h2,
±0,2

для фланцев по ГОСТ 12815 исполнение 7

для фланцев по ИСО 7005-1 [1] исполнение J

для фланцев по ГОСТ 12815 исполнение 7

для фланцев по ИСО 7005-1 [1] исполнение J

для фланцев по ГОСТ 12815 исполнение 7

для фланцев по ИСО 7005-1 [1] исполнение J

для фланцев по ГОСТ 12815 исполнение 7

для фланцев по ИСО 7005-1 [1] исполнение J

для фланцев по ГОСТ 12815 исполнение 7

для фланцев по ИСО 7005-1 [1] исполнение J

6,3(63)

10(100)

16(160)

20(200)

Рисунки 1, 2, 3

Рисунки 1, 2, 3

Рисунок 1

Рисунки 1, 2

Рисунок 1

Рисунок 3

Рисунок 2

Рисунок 3

10

10

-

-

35

-

-

 

-

-

-

-

-

-

-

15

15

-

-

35

34,13

8

6,35

4,0

3,18

14

11,11

9,53

4,32

-

-

15

-

35

39,69

7,94

3,97

14,29

12,7

5,23

-

-

-

15

40

39,69

20

20

20

20

45

44,45

25

25

25

25

50

50,80

32

32

32

32

65

60,33

40

40

40

40

75

68,26

50

50

-

-

85

82,55

11

11,11

5,5

5,56

18

17,46

15,88

7,75

-

-

50

50

95

95,25

65

65

-

-

110

101,60

-

-

65

-

110

107,95

-

-

-

65

130

107,95

80

80

-

-

115

117,48

-

-

80

-

130

123,83

-

-

-

80

160

136,53

100

100

-

-

145

149,23

-

-

100

-

160

149,23

-

-

-

100

190

161,93

125

125

-

-

175

180,98

11

11,11

5,5

5,56

18

17,46

15,88

-

7,75

-

-

125

-

190

180,98

-

-

-

125

205

193,68

150

150

150

-

205

211,14

-

-

-

150

240

211,14

16

12,70

8,0

6,35

20

19,05

17,46

8,66

175

175

-

-

235

-

11

-

5,5

-

18

-

-

-

-

-

175

-

255

16

8,0

22

-

-

-

175

275

16

8,0

22

200

200

-

-

265

269,88

11

11,11

5,5

5,56

18

17,46

15,88

7,75

-

-

200

-

275

269,88

16

11,11

8,0

5,56

22

17,46

15,88

10

7,75

-

-

-

200

305

269,88

16

15,88

8,0

7,94

22

22,23

20,64

-

10,49

225

225

-

-

280

-

11

-

5,5

-

18

-

-

-

-

-

225

-

305

16

8,0

22

250

250

-

-

320

323,85

11

11,11

5,5

5,56

18

17,46

15,88

7,75

-

-

250

-

330

323,85

16

8,0

22

10

300

300

-

-

375

381,00

11

5,5

18

8

-

-

300

.-

380

381,00

22

11,0

30

12

350

-

-

-

420

419,10

11

5,5

18

-

-

350

-

-

420

419,10

16

8,0

22

10

400

-

-

-

480

469,90

11

5,5

18

-

-

400

-

-

480

469,90

16

8,0

22

10


Таблица 2 - Размеры прокладок линзовых

В миллиметрах

Номинальный диаметр DN

d
Н14

D1
h14

b
±0,1

R

Диаметр касания dK*

номин.

пред. откл.

10

10

20

7,0

25

±0,3

17,1

15

15

28

8,5

32

22,0

20

20

34

10,0

40

27,0

25

25

40

12,0

50

34,0

32

32

50

14,0

60

+ 0,4

41,0

40

40

60

16,0

70

48,0

50

50

70

18,0

88

60,0

65

65

95

20,0

112

76,6

80

80

116

22,0

130

±0,5

88,2

100

100

140

26,0

170

116,0

125

125

175

30,0

218

149,0

150

150

210

32,0

250

171,0

175

175

240

35,0

296

+ 0,6

202,5

200

200

270

40,0

329

225,0

225

225

300

40,0

350

246,0

250

250

330

45,0

406

277,7

300

300

385

45,0

473

323,5

350

350

425

45,0

538

368,0

400

400

475

45,0

600

417,2

* Размер для справок.

Примеры условных обозначений прокладок типа 1 для фланца DN 200, PN 63 из стали марки 08кп:

- для фланцев по ГОСТ 12815:

Прокладка 1-1-200-63-08кп ГОСТ Р 53561-2009

- для фланцев по ИСО 7005-1 [1]:

Прокладка 1-2-200-63-08кп ГОСТ Р 53561-2009

Примеры условных обозначений прокладок типа 2 для фланца DN 200, PN 63 из стали марки 08кп:

- для фланцев по ГОСТ 12815:

Прокладка 2-1-200-63-08кп ГОСТ Р 53561-2009

- для фланцев по ИСО 7005-1 [1]:

Прокладка 2-2-200-63-08кп ГОСТ Р 53561-2009

Примеры условных обозначений прокладок типа 3 для фланца DN 200 из стали марки 20X13:

Прокладка 3-200-20X13 ГОСТ Р 53561-2009

4 Общие технические требования

4.1 Прокладки следует изготовлять в соответствии с требованиями настоящего стандарта по чертежам, утвержденным в установленном порядке.

4.2 Прокладки допускается изготовлять из труб, поковок, штампованных заготовок и сортового проката из следующих материалов:

- овальные и восьмиугольные прокладки из стали 08кп по ГОСТ 1050 (применяемые при температуре от минус 40 °С до плюс 475 °С), сталей 08X13, 08X18Н10 и 08X18Н10Т по ГОСТ 5632 (применяемые при температуре от минус 270 °С до плюс 600 °С);

- линзовые прокладки из углеродистых сталей 20 (применяемые при температуре от минус 40 °С до плюс 475 °С), 35 (применяемые при температуре от минус 40 °С до плюс 425 °С) по ГОСТ 1050, легированных сталей 20X13 (применяемые при температуре от минус 40 °С до плюс 450 °С), 12X18Н10Т (применяемые при температуре от минус 270 °С до плюс 600 °С), 10Х17Н13М2Т (применяемые при температуре от минус 253 °С до плюс 700 °С), 10Х17Н13М3Т (применяемые при температуре от минус 196 °С до плюс 600 °С) по ГОСТ 5632, 15ХМ (применяемые при температуре от минус 40 °С до плюс 560 °С), 30ХМ (применяемые при температуре от минус 50 °С до плюс 450 °С) по ГОСТ 4543.

Материал прокладок выбирают в зависимости от условий эксплуатации соединения. Допускается изготовление прокладок из других марок сталей, исходя из условий эксплуатации, по нормативному документу, утвержденному в установленном порядке.

4.3 Допускается наличие на прокладке одного поперечного сварного шва. Разность в твердости основного металла и сварного шва не должна быть более 20 НВ. Для сварных прокладок верхний предел температуры указан в 4.2 без учета стойкости к межкристаллитной коррозии.

4.4 Прокладки из легированной стали следует подвергать термической обработке.

4.5 После термической обработки на поверхности прокладок не должно быть отслаивающейся окалины. Допускаются цвета побежалости.

4.6 Твердость основного металла прокладок должна быть ниже твердости металла фланца. Разность в твердости металла фланцев и прокладок должна быть не менее 20 НВ.

4.7 Измерение твердости проводят не менее чем в трех точках, расположенных по окружности на боковой поверхности прокладок под углом 120°.

4.8 На уплотнительных поверхностях прокладок не допускаются раковины, забоины, вмятины, царапины, трещины и другие дефекты. Исправление указанных дефектов заваркой или подчеканкой не допускается.

4.9 Кромки прокладок не должны иметь заусенцев. Для снятия заусенцев допускается притупление острой кромки до 0,5 мм.

4.10 При поставке прокладок маркировка на бирке, прикрепленной к каждой прокладке, должна содержать: товарный знак предприятия-изготовителя, условное обозначение, марку материала и номер настоящего документа.

На боковую поверхность прокладок наносят марку материала.

Прокладки, поставляемые в составе изделия, маркируют в порядке, принятом на предприятии-изготовителе.

4.11 Сопоставление значений номинальных давлений для прокладок к фланцам по ГОСТ 12815 и фланцам по ИСО 7005-1 [1] приведена в приложении А.

4.12 В конструкторской документации на прокладки должны быть указаны следующие показатели надежности:

- по долговечности (срок службы до замены);

- по сохраняемости (срок сохраняемости);

- по безопасности (вероятность безотказной работы в течение срока службы до замены).

4.13 Для прокладок, комплектующих соединительные фланцы арматуры и трубопроводов, предназначенных для опасных производственных объектов, в конструкторской документации должны быть указаны следующие показатели:

- назначенный срок службы;

- назначенный срок хранения;

- вероятность безотказной работы в течение назначенного срока службы.

Приложение А
(справочное)

Сопоставление значений номинальных давлений для прокладок к фланцам по ГОСТ 12815 и фланцам по ИСО 7005-1

Таблица А.1

Номинальное давление для прокладок к фланцам по ГОСТ 12815, МПа (кгс/см2)

Номинальное давление для прокладок к фланцам по ИСО 7005-1 [1], МПа (кгс/см2)

6,3 (63)

5,0 (50)

10,0(100)

11,0(110)

16,0(160)

15,0(150)

20,0 (200)

26,0 (260)

Библиография

[1]

ИСО 7005-1:1992 Фланцы металлические. Часть 1. Стальные фланцы

(ISO 7005-1:1992) (Metallic flanges - part 1. Steel flanges)

[2]

ИСО 7483:1991 Размеры прокладок для фланцев по ИСО 7005

(ISO 7483:1991) (Dimensions of gaskets for use with flanges to ISO 7005)

Ключевые слова: трубопроводная арматура, прокладки

 

 




ГОСТЫ, СТРОИТЕЛЬНЫЕ и ТЕХНИЧЕСКИЕ НОРМАТИВЫ.
Некоммерческая онлайн система, содержащая все Российские Госты, национальные Стандарты и нормативы.
В Системе содержится более 150000 файлов нормативно-технической документации, действующей на территории РФ.
Система предназначена для широкого круга инженерно-технических специалистов.

Рейтинг@Mail.ru Яндекс цитирования

Copyright © www.gostrf.com, 2008 - 2026