Крупнейшая бесплатная информационно-справочная система онлайн доступа к полному собранию технических нормативно-правовых актов РФ. Огромная база технических нормативов (более 150 тысяч документов) и полное собрание национальных стандартов, аутентичное официальной базе Госстандарта. GOSTRF.com - это более 1 Терабайта бесплатной технической информации для всех пользователей интернета. Все электронные копии представленных здесь документов могут распространяться без каких-либо ограничений. Поощряется распространение информации с этого сайта на любых других ресурсах. Каждый человек имеет право на неограниченный доступ к этим документам! Каждый человек имеет право на знание требований, изложенных в данных нормативно-правовых актах!

  


 

ФЕДЕРАЛЬНОЕ АГЕНТСТВО
ПО ТЕХНИЧЕСКОМУ РЕГУЛИРОВАНИЮ И МЕТРОЛОГИИ

НАЦИОНАЛЬНЫЙ
СТАНДАРТ
РОССИЙСКОЙ
ФЕДЕРАЦИИ

ГОСТ Р
51321.2-
2009
(МЭК 60439-2:2005)

УСТРОЙСТВА КОМПЛЕКТНЫЕ НИЗКОВОЛЬТНЫЕ
РАСПРЕДЕЛЕНИЯ И УПРАВЛЕНИЯ

Часть 2

Дополнительные требования к шинопроводам

IEC 60439-2:2005
Low-voltage switchgear and controlgear assemblies -
Part 2: Particular requirements for busbar trunking systems (busways)
(MOD)

Москва

Стандартинформ

2010

Предисловие

Цели и принципы стандартизации в Российской Федерации установлены Федеральным законом от 27 декабря 2002 г. № 184-ФЗ «О техническом регулировании», а правила применения национальных стандартов Российской Федерации - ГОСТ Р 1.0-2004 «Стандартизация в Российской Федерации. Основные положения»

Сведения о стандарте

1 ПОДГОТОВЛЕН Автономной некоммерческой организацией «НТЦ Энергия», Государственным образовательным учреждением высшего профессионального образования «МЭИ (ТУ)» на основе собственного аутентичного перевода на русский язык стандарта, указанного в пункте 4

2 ВНЕСЕН Техническим комитетом по стандартизации ТК 331 «Низковольтная коммутационная аппаратура и комплектные устройства распределения, защиты, управления и сигнализации»

3 УТВЕРЖДЕН И ВВЕДЕН В ДЕЙСТВИЕ Приказом Федерального агентства по техническому регулированию и метрологии от 10 декабря 2009 г. № 667-ст

4 Настоящий стандарт является модифицированным по отношению к международному стандарту МЭК 60439-2:2005 издание 3.1 «Устройства комплектные низковольтные распределения и управления. Часть 2. Дополнительные требования к системам сборных шин (шинопроводам) (IEC 60439-2:2005 «Low-voltage switchgear and controlgear assemblies. Part 2: Particular requirements for busbar trunking systems (busways)» путем внесения изменений, объяснение которых приведено во введении к настоящему стандарту

5 ВВЕДЕН ВПЕРВЫЕ

Информация об изменениях к настоящему стандарту публикуется в ежегодно издаваемом информационном указателе «Национальные стандарты», а текст изменений и поправок - в ежемесячно издаваемых указателях «Национальные стандарты». В случае пересмотра (замены) или отмены настоящего стандарта соответствующее уведомление будет опубликовано в ежемесячно издаваемом информационном указателе «Национальные стандарты». Соответствующая информация, уведомление и тексты размещаются также в информационной системе общего пользования - на официальном сайте Федерального агентства по техническому регулированию и метрологии в сети Интернет

Содержание

1 Общие положения

2 Термины и определения

3 Классификация устройств

4 Электрические характеристики устройств

5 Сведения, предоставляемые об устройствах

6 Условия эксплуатации

7 Конструктивное исполнение

8 Виды и методы испытаний

Приложение J (справочное) Падение напряжения в системе

Приложение К (справочное) Метод определения магнитного поля в зоне расположения шинопровода

Приложение L

Приложение М (справочное) Проведение испытаний (ГОСТ Р МЭК 60332-3)

Приложение N (справочное) Метод определения электрических характеристик шинопровода путем расчета на основании результатов измерений

Приложение ДА (обязательное) Сведения о соответствии ссылочных национальных и межгосударственных стандартов международным стандартам, использованным в качестве ссылочных в примененном международном стандарте

Библиография

Введение

Настоящий стандарт относится к комплексу национальных стандартов на низковольтные комплектные устройства ГОСТ Р 51321-2007.

Настоящий стандарт содержит нормы, правила и методы испытаний, которые дополняют, изменяют или исключают соответствующие разделы и (или) пункты ГОСТ Р 51321.1-2007.

Стандарт применяют совместно с ГОСТ Р 51321.1-2007.

Настоящий стандарт распространяется на шинопроводы, указанные в Общероссийском классификаторе продукции.

Код ОКП

Наименование шинопроводов

34 4910

Магистральные

34 4920

Распределительные

34 4930

Троллейные

34 4940

Осветительные

Изменение наименования раздела 2 вызвано необходимостью приведения в соответствие с ГОСТ Р 1.5-2004.

В настоящем стандарте раздел «Нормативные ссылки» изложен в соответствии с ГОСТ Р 1.5-2004 и выделен сплошной полужирной вертикальной линией, расположенной слева от приведенного текста. В тексте стандарта соответствующие ссылки выделены подчеркиванием сплошной горизонтальной линией.

Сведения о соответствии ссылочных национальных стандартов международным стандартам, использованным в настоящем стандарте в качестве нормативных ссылок, приведены в дополнительном приложении ДА.

ГОСТ Р 51321.2-2009
(МЭК 60439-2:2005)

НАЦИОНАЛЬНЫЙ СТАНДАРТ РОССИЙСКОЙ ФЕДЕРАЦИИ

УСТРОЙСТВА КОМПЛЕКТНЫЕ НИЗКОВОЛЬТНЫЕ
РАСПРЕДЕЛЕНИЯ И УПРАВЛЕНИЯ

Часть 2

Дополнительные требования к шинопроводам

Low-voltage switchgear and controlgear assemblies.
Part 2. Particular requirements for busbar trunking systems (busways)

Дата введения - 2011-01-01

1 Общие положения

1.1 Область применения

Настоящий стандарт распространяется на шинопроводы и их дополнительную арматуру для подачи и распределения электрической энергии в жилых зданиях, объектах розничной торговли, сельскохозяйственного и промышленного назначения. Он распространяется также на шинопроводы, которые предназначены для установки в системах связи и/или управления или питания осветительных устройств посредством узлов ответвлений и которые не применяются для питания контактных рельсов в соответствии с ГОСТ Р МЭК 60570.

Шинопроводы, рассматриваемые в настоящем стандарте, являются устройствами, прошедшими типовые испытания (ПИ НКУ) в соответствии с разделом 8 и считается, что учтены отклонения по длине секций и углу изгибов.

Узлы ответвления могут представлять собой НКУ, прошедшие частичные испытания (ЧИ НКУ).

Шинопроводы должны соответствовать всем требованиям ГОСТ Р 51321.1, если не указано иное, а также дополнительным требованиям, содержащимся в настоящем стандарте.

Пункты изменения к настоящему стандарту могут видоизменять или заменять соответствующие пункты в стандарте.

Там, где отсутствует соответствующий пункт или подпункт в данном стандарте, пункт или подпункт основного документа используется без изменения, насколько это является целесообразным.

1.2 Нормативные ссылки

Дополнить существующий перечень следующими стандартами:

ГОСТ Р 50030.2-99 (МЭК 60947-2-98) Аппаратура распределения и управления низковольтная. Часть 2. Автоматические выключатели

ГОСТ Р 51321.1-2007 (МЭК 60439-1:2004) Устройства комплектные низковольтные распределения и управления. Часть 1. Устройства, испытанные полностью или частично. Общие технические требования и методы испытаний

ГОСТ Р МЭК 60269 (все части) Низковольтные предохранители

ГОСТ Р МЭК 60332-3-2005 Испытания электрических и оптических кабелей в условиях воздействия пламени. Часть 3. Распространение пламени по вертикально расположенным пучкам проводов или кабелей

ГОСТ Р МЭК 60570-99 Шинопроводы для светильников

ГОСТ 14254-96 (МЭК 529-89) Степени защиты, обеспечиваемые оболочками (Код IP)

ГОСТ 30247.0-94 (ИСО 834-75) Конструкции строительные. Методы испытаний на огнестойкость. Общие требования

2 Термины и определения

2.1.1.2 устройства, прошедшие типовые испытания и частичные типовые испытания (ЧИ НКУ)

Заменить существующий текст словами: Применимо только для узлов ответвлений.

2.3.4 система сборных шин (шинопровод):

Перед примечанием дополнить следующим новым абзацем:

- дополнительных проводников для связи и/или управления.

Дополнить следующими терминами с соответствующими определениями:

2.3.5 секция шинопровода: Элемент шинопровода, включающий шины, их опоры и изоляцию, внешнюю оболочку и любые элементы для фиксации и соединения с другими устройствами, с или без узлов ответвлений.

Примечание - Секции шинопровода могут иметь различные геометрические формы, например прямые секции, изгибы, Т-образные сочленения или пересечения.

2.3.6 секция шинопровода с местами ответвления: Секция, предусматривающая возможность установки ответвительных устройств в одной или нескольких точках, как это предусмотрено изготовителем.

Присоединение ответвительных устройств к шинопроводу может потребовать или не потребовать отключения шинопровода от сети питания.

2.3.7 секция шинопровода с ответвлениями троллейного типа: Секция, предназначенная для использования ответвлений роликового или щеточного типа.

2.3.8 переходная секция шинопровода: Секция, предназначенная для соединения двух секций одной и той же системы, однако отличающихся по типу или с разными значениями номинального тока.

2.3.9 секция шинопровода с тепловым расширением: Секция, предназначенная для восприятия определенных перемещений в осевом направлении шинопровода благодаря тепловому расширению.

Примечание - Элемент расширения может относиться к проводнику в пределах оболочки или к оболочке и проводнику в соответствии с конструктивным исполнением.

2.3.10 секция транспозиции фаз шинопровода: Секция, предназначенная для изменения относительного положения фазных проводников в целях уравновешивания индуктивного сопротивления или транспозиции фаз (например, L1-L2-L3-N на N-L3-L2-L1).

2.3.11 гибкая секция шинопровода: Секция с проводниками и оболочками, допускающими изгиб в процессе монтажа.

2.3.12 присоединительная секция шинопровода: Секция, служащая в качестве входного блока для присоединения шинопровода к источнику питания. Присоединение к источнику питания может осуществляться как с отключением, так и без отключения источника питания.

2.3.13 ответвительное устройство (узел ответвления): Устройство отвода электроэнергии от секции шинопровода с местами для присоединения ответвительных устройств (см. 2.3.6), например с помощью роликов, щеток или втычных устройств.

Узел ответвления может быть включен постоянно и предназначаться для работы с одной или несколькими комбинациями цепей питания, связи или управления.

Узел ответвления может включать в себя дополнительные устройства, такие как устройства защиты (например, предохранители, разъединители с плавкими предохранителями, автоматические выключатели, автоматические выключатели дифференциального тока), электронное оборудование для связи или дистанционного управления, контакторы, розетки, соединительную арматуру, такую как предварительно смонтированные клеммы с винтовым или безвинтовым креплением, и т.д.

Узлы ответвления могут представлять собой устройства, прошедшие частичные типовые испытания (ЧИ НКУ).

2.3.14 секция шинопровода для зданий со смещением: Секция, предназначенная для установки в зданиях со смещением за счет теплового расширения или осадки здания.

2.3.15 секция шинопровода с противопожарной перемычкой: Секция или часть ее с дополнительными устройствами или без них, предназначенная для предотвращения распространения пожара в течение установленного времени в случае возгорания.

2.3.16 огнестойкая секция шинопровода: Секция с дополнительными устройствами или без них, предназначенная для поддержания непрерывности электрической цепи в течение установленного времени в условиях воздействия источника зажигания.

3 Классификация устройств

Дополнить раздел перечислениями:

- механическим нагрузкам, которые они должны выдерживать в процессе использования (см. 7.1.1.1-7.1.1.3);

- стойкостью к огню и распространению пламени, если это применимо (см. 7.1.1.4-7.1.1.7).

После перечислений дополнить новым абзацем:

Шинопровод и его дополнительные устройства могут быть смонтированы, согласно конструкции, внутри и вне помещений. Условия монтажа определяет изготовитель.

4 Электрические характеристики устройств

4.5 Номинальный условный ток короткого замыкания (Icc)

Примечания дополнить примечанием 3:

Примечание 3 - Для устройств защиты, если таковые имеются (ГОСТ Р 51321.1. подпункт 8.2.3.2.4), необходимо определить номинальный условный ток короткого замыкания (Iсс) (например, для узлов ответвлений).

Дополнить следующим пунктом:

4.9 Электрические характеристики шинопровода

4.9.1 Значения активного, реактивного и полного сопротивлений шинопровода

Изготовитель должен определить следующие характеристики фазовых проводников шинопровода:

- среднее активное сопротивление фазовых проводников на метр длины:

R20 при температуре 20 °С,

R1 при номинальном токе In и установившейся рабочей температуре Q1;

- среднее реактивное сопротивление фазовых проводников Х1 на метр длины при номинальном токе In и номинальной частоте F;

- среднее полное сопротивление фазовых проводников Z1 на метр длины при установившейся рабочей температуре Q1.

Примечание - Данные значения определены в соответствии с 8.2.13 посредством измерения или путем расчетов на основании результатов измерений (см. N.1).

Падение напряжения в системе может быть определено путем расчетов на основании данных значений сопротивлений (см. приложение J).

Установившаяся рабочая температура Q1 равна превышению температуры DQ1 при номинальном токе In и температуре 35 °С, являющейся обычной температурой окружающего воздуха для шинопроводов.

 является полным сопротивлением чередования фаз (положительным или отрицательным) шинопровода при установившейся рабочей температуре Q1.

4.9.2 Значения сопротивлений в условиях повреждения

Следующее относится к системе сборных шин с номинальным током свыше 100 А.

Изготовитель должен определить следующие значения сопротивления поврежденной петли с тем, чтобы обеспечить возможность расчета токов короткого замыкания и повреждения в каждой точке электрической установки, включающей в себя шинопровод.

Для расчета токов повреждения может быть использован любой из методов, приведенных ниже:

а) метод симметричных составляющих (МЭК 60909) [1]:

- полное сопротивление нулевой последовательности для рассматриваемых проводников при температуре 20 °С на метр длины:

Z0Ph N - фаза-нейтраль,

Z0Ph PE N - фаза-PEN,

Z0Ph PE - фаза-РЕ;

b) метод сопротивлений:

- среднее активное сопротивление рассматриваемых проводников при температуре 20 °С на метр длины:

Rb0 ph ph - фаза-фаза,

Rb0 ph N - фаза-нейтраль,

Rb0 ph PEN - фаза-PEN,

Rb0 ph PE - фаза-РЕ;

- среднее активное сопротивление рассматриваемых проводников при номинальном токе In и установившейся рабочей температуре Q1 системы на метр длины:

Rb1 ph ph - фаза-фаза,

Rb1 ph N - фаза-нейтраль,

Rb1 ph PEN - фаза-PEN,

Rb1 ph PE - фаза-РЕ;

- среднее реактивное сопротивление рассматриваемых проводников при номинальном токе In, номинальной частоте F на метр длины:

Xb ph ph - фаза-фаза,

Xb ph N - фаза-нейтраль,

Xb ph PEN - фаза-PEN,

Xb ph PE - фаза-РЕ.

Примечание - Данные значения могут быть определены посредством измерений или путем расчета на основании результатов измерений (см. N.2).

4.9.3 Характеристики тока короткого замыкания шинопровода

Изготовитель должен определить одну или несколько характеристик номинального тока короткого замыкания проводников шинопровода:

- Iсс - номинальный условный ток короткого замыкания, А;

- Icw - номинальный кратковременно выдерживаемый ток, А;

- Iрк - номинальный ударный ток короткого замыкания согласно ГОСТ Р 51321.1 (подпункт 7.5.2) и 8.2.3, А.

5 Сведения, предоставляемые об устройствах

5.1 Паспортная табличка

Одна паспортная табличка должна располагаться на одном конце каждой секции шинопровода, и одна табличка - на каждом узле ответвления. В случае использования оболочки секции шинопровода в качестве РЕ-проводника и если имеется зажим для наружного присоединения к оболочке, то данный зажим должен иметь маркировку согласно ГОСТ Р 51321.1 (подпункт 7.6.5.2).

Дополнить абзацами и) и v):

u) значения активного, реактивного и полного сопротивлений системы (см. 4.9.1);

v) значения активного, реактивного и полного сопротивлений системы в условиях повреждения (см. 4.9.2).

6 Условия эксплуатации

6.1.1 Температура окружающего воздуха

Дополнить новым подпунктом:

6.1.1.3 Исходная температура окружающего воздуха для шинопровода

Если не указано иное, номинальный ток шинопровода согласно ГОСТ Р 51321.1, таблица 2, и 8.2.1.3 должен быть определен изготовителем для температуры окружающего воздуха, равной 35 °С.

Если это применимо, изготовитель должен установить коэффициент (к1 = 1 для 35 °С) с целью определения величины допустимого тока (I = k1×Iп) в системе в соответствии с температурным пределом в условиях монтажа.

6.2 Особые условия эксплуатации

Дополнить подпунктом:

6.2.11 Условия монтажа шинопровода

Если шинопровод будет использован для различных условий монтажа (например, при изменении положения проводников), то согласно N.3 изготовитель должен определить соответствующий коэффициент к2 и, если это применимо, определить допустимый ток в системе, взятый равным I = k1×к2×Iп

6.2.12 Магнитное поле промышленной частоты

В определенных установках (например, используемых для высокоскоростной передачи данных, радиологических системах, мониторах рабочих станций и т.д.) необходимо знать индукцию магнитного поля в зоне рядом расположенного шинопровода.

В приложении К приведен метод измерения и расчета величины индукции магнитного поля, создаваемого вокруг шинопровода.

6.2.13 Использование в условиях цикличности токов перегрузки, например при контактной сварке

7 Конструктивное исполнение

7.1 Механическая часть конструкции

7.1.1 Общие положения

Дополнить следующим текстом:

Шинопровод должен быть сконструирован аналогично НКУ, прошедшим типовые испытания.

В соответствии с указаниями изготовителя шинопровод должен выдерживать:

- нормальные механические воздействующие факторы (см. 7.1.1.1);

- тяжелые механические воздействующие факторы (см. 7.1.1.2);

- или особые механические воздействующие факторы (см. 7.1.1.3).

7.1.1.1 Нормальные механические воздействующие факторы

Это способность шинопровода выдерживать в дополнение к собственной массе также нагрузки в виде фидерных устройств и узлов ответвлений.

Примечания

1 Требуемая механическая прочность может быть достигнута путем выбора материала, его толщины, формы и/или количества и позиций точек креплений, как это установлено изготовителем.

2 Присоединительные секции, имеющие собственные крепления, не должны включаться в нормальную механическую нагрузку.

7.1.1.2 Тяжелые механические воздействующие факторы

Это способность шинопровода выдерживать в дополнение к нормальным механическим воздействующим факторам дополнительные нагрузки, такие как масса человека.

Примечания

1 Требуемая механическая прочность может быть достигнута путем выбора материала, его толщины, формы и/или количества и позиций точек креплений, как это установлено изготовителем.

2 Данное положение не действует в случае использования шинопровода в качестве переходных мостиков.

7.1.1.3 Особые механические воздействующие факторы

Способность шинопровода выдерживать прочие механические нагрузки, такие как подвеска осветительной арматуры, дополнительных кабелей, опор для лестниц и т.д., должна быть предметом соглашения между изготовителем и потребителем.

7.1.1.5 Сопротивление распространению пламени

Огнестойкий шинопровод не должен возгорать, а если он загорелся, то не должен продолжать гореть после того, как был ликвидирован источник зажигания.

Соответствие определяют проведением испытания на распространение пламени согласно 8.2.14.

7.1.1.6 Противопожарная перемычка для шинопровода

Противопожарная перемычка предназначена для предотвращения распространения огня в пределах установленного времени и условиях в случае, если шинопровод проходит по горизонтальным или вертикальным участкам здания (например, стене или потолку).

Соответствие определяют проведением испытания на огнестойкость согласно 8.2.15.

7.1.1.7 Поддержание непрерывности электрической цепи в условиях воздействия источника зажигания

Огнестойкий шинопровод может иметь конструктивное исполнение, позволяющее поддерживать непрерывность электрических распределительных цепей в пределах установленного времени в условиях воздействия источника зажигания.

Испытание на поддержание непрерывности электрической цепи в условиях воздействия источника зажигания находится в стадии рассмотрения (см. приложение L).

7.1.2.3.4 Зазоры

После первого абзаца текст дополнить новым абзацем:

Если шинопровод собран правильно согласно инструкциям изготовителя и установлен как при нормальной эксплуатации, то зазоры должны иметь значения, позволяющие выдерживать требуемые импульсные напряжения, предписанные изготовителем, с учетом категории перенапряжений и максимального значения номинального рабочего напряжения относительно земли, как это определено в ГОСТ Р 51321.1 (таблица G.1).

Если изготовителем не установлено иное, выбор зазоров в шинопроводе основывается на:

- категории перенапряжений: IV (на вводе электроустановки потребителей) или III (в распределительной цепи);

- степени загрязнения: 3.

Примечание - Зазоры основной и функциональной изоляции выбираются так, как это определено ГОСТ Р 51321.1 (таблица 14. случай А). Значения зазоров дополнительной изоляции должны быть не меньше значений, установленных для основной изоляции. Значения зазоров для твердой изоляции выбирают для соответствующего номинального импульсного выдерживаемого напряжения на одну ступень выше по сравнению со значениями, установленными для основной изоляции.

Элементы шинопровода, снабженные двойной изоляцией, когда отсутствует возможность раздельного испытания основной и дополнительной изоляции, рассматриваются как элементы, имеющие твердую изоляцию.

Исключить второй абзац.

7.1.2.3.5 Длины путей утечки

а) Измерение

После первого абзаца текст дополнить новым абзацем и примечанием:

Если шинопровод собран правильно согласно инструкциям изготовителя и установлен как при нормальной эксплуатации, то длины путей утечки следует выбирать с учетом номинального напряжения изоляции, как это определено изготовителем.

Примечание - Длины путей утечки для основной и функциональной изоляции выбираются с учетом степени загрязнения и группы изоляционного материала, применяемого для изоляции, как это определено в ГОСТ Р 51321.1 (таблица 16). Длины путей утечки для дополнительной изоляции не должны быть меньше значений, установленных для основной изоляции. Длины путей утечки для твердой изоляции должны иметь значения, превышающие вдвое значения номинального напряжения изоляции, установленного для основной изоляции.

Длины путей утечки двойной изоляции представляют собой сумму значений основной и дополнительной изоляции, что составляет систему двойной изоляции.

Дополнить подпунктом 7.1.5:

7.1.5 Требования к правильному присоединению узлов ответвления

Если шинопровод с заранее определенными узлами ответвления имеет защитный проводник или нейтральный проводник, или оба проводника, то по требованиям безопасности конструкция не должна допускать возможности неправильного монтажа составных частей шинопровода или соединения ответвительных устройств.

Что касается цепей постоянного или переменного тока, то порядок расположения проводников должен соблюдаться по всей длине системы.

Следует выполнять требование ГОСТ Р 51321.1 [подпункт 7.4.3.1.5. перечисление f], в котором рассматривается применение вставных узлов ответвлений.

Дополнить подпунктом 7.1.6:

7.1.6 Требования к сборной шине с несколькими электрическими цепями

Если шинопровод с узлами ответвления или без них используют для работы с несколькими цепями на одном и том же канале, например различные питающие цепи, линии связи и передачи данных, цепи сверхнизкого напряжения, то он должен быть спроектирован и изготовлен таким образом, чтобы исключить любой риск или возможные ошибки при коммутации цепей.

Предпочтительно предусмотреть различные цепи для физического разделения их в канале. Если данное требование неприменимо на практике, то следует обеспечить изоляцию каждой цепи от других цепей или металлических частей, присоединенных или не присоединенных к заземляющему защитному проводнику, с учетом номинального напряжения изоляции на любой части шинопровода, как это установлено изготовителем.

Примечание - Требования в отношении двойной изоляции между цепями низкого напряжения и сверхнизкого напряжения линий связи могут быть заложены в некоторых стандартах, относящихся к системам передачи данных.

7.3 Превышение температуры

Таблица 2 ГОСТ Р 51321.1

Заменить сноску 4 следующей сноской:

4) Если не указано иное, то в случаях, когда имеется доступ к наружным поверхностям оболочки шинопровода и когда отсутствует необходимость в прикасании к ним во время нормального режима эксплуатации, превышение температуры на 25 °С считается допустимым в отношении металлических поверхностей и 15 °С - в отношении изолирующих поверхностей.

Дополнить новым абзацем после таблицы 2:

Внимание должно быть обращено на тот факт, что шинопровод должен быть спроектирован таким образом, чтобы выдерживать (в особенности для соединений) перегрузки, которые могут иметь место в процессе работы с учетом инструкций по монтажу и типу используемого устройства защиты [например, 1,3-кратная уставка по току автоматического выключателя в пределах 2 ч (ГОСТ Р 50030.2)].

7.4.2 Защита от прямого прикосновения к токоведущим частям

Дополнить текст новым абзацем:

Крышки или детали, которые выполнены из проводящих или изоляционных материалов и которые предназначены для защиты от удара электрическим током, должны обладать достаточной механической прочностью для обеспечения защиты от поражения электрическим током в процессе нормальной эксплуатации.

7.4.3.1.1 Существующий текст дополнить новым абзацем:

В шинопроводах с узлами ответвления троллейного типа необходимо предусмотреть конструктивные меры по обеспечению непрерывности электрической цепи на открытых проводящих частях узлов ответвлений и открытых проводящих частях шинопровода в особенности, если оболочка закрепленного устройства является частью цепи защиты установки.

7.6.2.1 Доступность

Первый абзац не применяется.

8 Виды и методы испытаний

Заменить текст следующим:

8.1.1 Типовые испытания (см. 8.2)

Типовые испытания предназначены для проверки конкретного типа шинопровода на соответствие требованиям, изложенным в настоящем стандарте.

Типовые испытания проводят на образце такого шинопровода или на таких его частях, которые изготовлены по одной и той же или аналогичной документации.

Типовые испытания проводят по инициативе изготовителя.

Типовые испытания включают в себя проверки:

a) предельных значений превышения температуры (см. 8.2.1);

b) диэлектрических свойств по ГОСТ Р 51321.1 (подпункт 8.2.2):

c) прочности при коротких замыканиях (см. 8.2.3);

d) эффективности цепи защиты по ГОСТ Р 51321.1 (подпункт 8.2.4):

e) зазоров и длин путей утечки по ГОСТ Р 51321.1 (подпункт 8.2.5):

f) работоспособности механических частей по ГОСТ Р 51321.1 (подпункт 8.2.6);

g) степени защиты (см. 8.2.7);

h) ЭМС (7.10, если это применимо, приложение Н ГОСТ Р 51321.1);

j) стойкости к аномальному нагреву и огню по ГОСТ Р 51321.1 (подпункт 8.2.9);

k) электрических характеристик шинопровода (см. 8.2.13);

l) прочности конструкции (см. 8.2.10);

m) износостойкости шинопроводов с роликовыми токоприемниками (см. 8.2.11);

n) сопротивления на раздавливание (см. 8.2.12);

о) стойкости на воспламеняемость (см. 8.2.14);

р) огнестойкости в перегородках зданий(см. 8.2.15).

Эти испытания допускается проводить в любом порядке и/или на различных образцах одного и того же типа.

При внесении изменений в конструкцию шинопровода должны быть проведены новые типовые испытания в объеме, соответствующем вносимым изменениям.

Примечание - Необходимо включить ссылки к дополнениям 8.2.1 и 8.2.3, указанным в настоящем стандарте.

8.2 Типовые испытания

8.2.1 Проверка предельных значений превышения температуры

Заменить текст 8.2.1-8.2.1.7 следующим:

8.2.1.1 Не применяется

8.2.1.2 Расположение шинопровода

Шинопровод должен быть установлен так же, как на месте эксплуатации, со всеми элементами оболочки и т.д.

На номинальный ток шинопровода оказывает влияние способ монтажа. Поэтому испытание проводят при номинальном токе, соответствующем способу(ам) монтажа, который(ые) указал изготовитель.

В случае проведения только одного испытания следует выбрать неблагоприятный способ монтажа.

Испытание отдельных цепей на превышение температуры следует проводить током, для которого цепи предназначены, и на собранном шинопроводе, как это установлено изготовителем.

8.2.1.3 Испытание на превышение температуры

а) Шинопровод

Для целей испытания прямые секции шинопровода соединяются вместе для получения общей длины не менее 6 м, включая два соединения. Шинопровод должен быть расположен горизонтально на опорах на расстоянии 1 м от пола.

На входные зажимы шинопровода подают низкое напряжение определенной частоты; другие концы проводников закорачивают.

Данное испытание выполняют на трехфазных системах с номинальным током In: расположение шинопровода для однофазных систем или систем постоянного тока должно быть таким, как это установлено изготовителем.

Значение испытательного тока должно быть одинаковым для всех фазных проводников.

Необходимо исключать любое непреднамеренное поступление воздуха в шинопровод во время испытания, например, установкой заглушек на концах оболочки шинопровода.

Испытание следует проводить в течение времени, достаточного для повышения температуры до постоянного значения (как правило, это время не превышает 8 ч). Практически это условие выполняют при изменении температуры не более 1 °С/ч.

Проводят запись и контроль предельных значений превышения температуры проводников и соответствующих частей оболочки с помощью термопар, установленных в середине каждой секции шинопровода, и затем сравнивают их со значениями, указанными в ГОСТ Р 51321.1 (таблица 2, с учетом измененной редакции примечания 4).

Испытание проводят при температуре окружающего воздуха в помещении. Эти значения температуры должны быть указаны в протоколе испытаний и фиксироваться в непосредственной близости от центра испытуемой сборной шины на том же уровне и на расстоянии примерно 1 м от одной из продольных сторон оболочки.

Размеры и расположение наружных проводников, использованных для испытаний, должны быть указаны в протоколе испытаний. При отсутствии подробной информации, относящейся к условиям эксплуатации, поперечное сечение наружных проводников должно соответствовать требованиям ГОСТ Р 51321.1 (таблицы 8 и 9).

Примечание - Дополнительные устройства шинопровода, например присоединительные секции, поворотные элементы, изгибы и т.д., могут располагаться в соответствующих местах канала шинопровода и испытываться аналогичным образом.

Процедуру испытания составляют и выполняют таким образом, чтобы обеспечивать выполнение других условий, определенных изготовителем, если они имеются. Например, шинопровод устанавливают в вертикальное положение, как стояк, для определения коэффициента к2 согласно 6.2.11 и N.3 (приложение N).

b) Узел ответвления

Испытание на превышение температуры следует проводить для каждого типа и размера узла ответвления, имеющих максимальные токовые характеристики In как для типа, так и размера.

Узел ответвления следует устанавливать на шинопроводе, собранном в соответствии с перечислением а) 8.2.1.3 с номинальным током не менее чем удвоенное значение номинального тока In узла ответвления.

При испытании узел ответвления должен быть нагружен своим номинальным током I, а шинопровод должен быть нагружен своим номинальным током In до точки ответвления.

Испытуемый узел ответвления располагают, при возможности, по центру шинопровода.

Проводят запись и контроль предельных значений превышения температуры проводников и соответствующих частей оболочки с помощью термопар, установленных в узле ответвления, и затем сравнивают их со значениями ГОСТ Р 51321.1 (таблица 2, с учетом измененной редакции примечания 4).

Предельные значения превышения температуры включенных комплектующих элементов, например устройства защиты, электронное оборудование и т.д., сравнивают со значениями, приведенными в соответствующих стандартах, если таковые имеются.

Примечание - Узел ответвления, содержащий плавкие предохранители или комбинацию плавкий предохранитель-разъединитель, испытывают вместе с предохранителем или плавкой вставкой, имеющей эквивалентные потери мощности согласно ГОСТ Р МЭК 60269, что должно быть отражено в протоколе испытаний. Номинальный ток предохранителя узла ответвления определяют согласно максимальному расчетному току предохранителя, на который рассчитан узел ответвления.

Для автоматических выключателей, устанавливаемых на узел ответвления, номинальный ток узла ответвления определяет изготовитель, исходя из данных автоматического выключателя и конструкции узла ответвления, например размеров оболочки узла ответвления.

Исходной температурой для определения предельных значений превышения температуры проводящих частей считают температуру вне оболочки узла ответвления.

8.2.1.4 Не применяется

8.2.1.5 Не применяется

8.2.1.6 Не применяется

8.2.1.7 Не применяется

8.2.1.8 Циклические тепловые испытания

8.2.1.8.1 Общие сведения

Вставные узлы ответвления следует подвергать циклическим тепловым испытаниям.

Примечание - Под вставным узлом ответвления понимают блок, в котором контактное усилие достигается благодаря изгибу пружинного элемента в устройстве. Дискообразная пружина не рассматривается в качестве пружинного элемента.

8.2.1.8.2 Образец для испытаний

В случае использования одной и той же конструкции вставного блока для серии узлов ответвлений с различными токовыми характеристиками или различными защитными устройствами испытание одной комбинации шинопровода и узла ответвления считают представительным для всей серии. Конструкция вставного блока включает в себя физические свойства, в том числе материалов и покрытий (например, лакирование), если это применимо.

Узел ответвления следует устанавливать на шинопроводе, собранном в соответствии с перечислением а) 8.2.1.3 с номинальным током не менее чем удвоенное значение номинального тока In узла ответвления.

Если испытанию подвергают вставной блок, защищаемый плавкими предохранителями, то эти предохранители должны быть рассчитаны на максимальный номинальный ток, предусмотренный производителем. Если испытанию подвергают вставной блок, защищаемый автоматическим выключателем, то выключатель должен быть рассчитан на максимальный номинальный ток, предусмотренный производителем.

8.2.1.8.3 Приведение к требуемым условиям

До начала испытания обеспечивают приведение образца к требуемым условиям путем многократной вставки и извлечения вставного блока соответствующим образом без токовой нагрузки.

Таблица 1А - Число циклов вставки и извлечения вставного блока

Номинальный ток, А

Число циклов вставки и извлечения

In £ 63

25

63 < In £ 200

10

200 < In

5

8.2.1.8.4 Процедура испытания

Узел ответвления нагружают номинальным током до тех пор, пока не будет достигнуто установившееся значение температуры. Производят запись температурных значений, предусмотренных для испытания на превышение температуры. После этого прекращают подачу тока и температуру образца доводят до комнатной температуры.

Затем образец проходит две последовательные серии токовых нагрузок. Каждая серия включает в себя 42 цикла. Каждый цикл предусматривает:

a) трехчасовое включение при номинальном токе и трехчасовое отключение;

b) двухчасовое включение при номинальном токе и двухчасовое отключение, если значения температуры, зарегистрированные в конце начального двухчасового периода, находятся в пределах 5 °С, отмеченных в конце периода стабилизации.

Температуру измеряют в конце 42-го цикла включения и в конце 84-го цикла включения.

8.2.1.8.5 Результаты измерений

Значения температуры, зарегистрированные после 84-го цикла, не должны быть выше 5 °С :

a) температур, отмеченных в конце периода стабилизации, и

b) температур, отмеченных в конце 42-го периода включения.

8.2.3 Проверка прочности при коротких замыканиях

8.2.3.2.1 Подготовка испытаний

Существующий текст заменить следующим:

Шинопровод должен быть установлен, как при нормальной эксплуатации. Типовые испытания проводят на шинопроводе с указанием типа и включающем по меньшей мере одну присоединительную секцию для соединения с соответствующим числом прямых секций для получения общей длины не более 6 м, включая по меньшей мере одно соединение. Возможно использование проводника длиной более 6 м, при этом фактический испытательный ток должен быть равен номинальному току термической стойкости или максимально выдерживаемому току, если это применимо.

Другие типы секций шинопровода и ответвительных устройств, не включенные в вышеописанное испытание, испытывают по отдельности.

8.2.3.2.5 Результаты испытаний

Существующий текст заменить следующим:

После проведения испытания не должна иметь место недопустимая деформация проводников. Опорные изолирующие элементы не должны иметь следов разрушений, то есть основные характеристики изоляции должны оставаться такими, чтобы механические и диэлектрические характеристики шинопровода удовлетворяли требованиям настоящего стандарта. После проведения испытания согласно ГОСТ Р 51321.1 (подпункт 8.2.3.2.3) испытуемый шинопровод должен пройти проверку диэлектрических свойств согласно ГОСТ Р 51321.1 (подпункт 8.2.2) с использованием напряжений в соответствии с ГОСТ Р 51321.1 (таблица 10) или условиями, предусмотренными соответствующими стандартами для защитных устройств:

a) между всеми токоведущими частями и оболочкой,

b) между каждым контактом и другими контактами, соединенными с оболочкой.

Испытания следует проводить при замененных плавких вставках, где это применимо, и при замкнутых коммутационных аппаратах.

Не должно быть также каких-либо значительных признаков разрушений изоляции проводников и несущих изолирующих частей, то есть основные характеристики изоляции должны оставаться такими, чтобы механические и электроизоляционные свойства оборудования удовлетворяли требованиям настоящего стандарта.

Измерительные приборы не должны показывать наличие повреждения.

Не должно наблюдаться ослабления деталей, используемых для соединения проводников; проводники не должны отсоединяться от выводных зажимов.

Не должна нарушаться эффективность цепи защитных проводников, обеспечивающих защиту от поражения электрическим током в случае пробоя.

Деформация оболочки допускается в той степени, при которой не ухудшается степень защиты и зазоры не выходят за пределы допустимых значений.

Что касается распределительных линий, то необходимо проверить нормальное функционирование системы при включении и отключении узла ответвления. В этом случае проводят проверку диэлектрических свойств согласно данному подпункту на узлах ответвления, установленных на каждом имеющемся выводе.

8.2.4.3 Результаты измерений

Заменить существующий текст на:

Не допускается значительное ухудшение непрерывности и стойкости цепи защиты к короткому замыканию независимо от того, представляет эта цепь отдельный проводник или металлоконструкцию.

Что касается узла ответвления, то это может быть подтверждено посредством его проверки путем измерений под током, равным номинальному току узла ответвления.

Что касается шинопровода, то после проведения испытания и истечения времени, достаточного для охлаждения шин до температуры окружающего воздуха, измеряют сопротивление между открытыми проводящими частями и защитным проводником, которое не должно превышать больше, чем на 10 %, значения согласно ГОСТ Р 51321.1 (подпункт 8.2.4.1).

Если в качестве защитного проводника используют металлоконструкцию, то допускаются искрение и местный нагрев в соединениях при условии, что они не ухудшают электрической непрерывности и отсутствует загорание соседних элементов.

8.2.7 Проверка степени защиты

Степень защиты, обеспечиваемая согласно ГОСТ Р 51321.1 (подпункт 7.2.1) следует проверять на соответствие требованиям ГОСТ 14254. Шинопровод, имеющий степень защиты IP5X, должен быть испытан согласно категории 2 ГОСТ 14254 Шинопровод, имеющий степень защиты IP6X, должен быть испытан согласно категории 1 ГОСТ 14254 (пункт 13.4).

Дополнить следующими подпунктами

8.2.10 Проверка механической прочности

В соответствии с механическими воздействующими факторами, установленными изготовителем, проверку механической прочности шинопровода, предназначенного для горизонтальной установки, следует проводить в соответствии со следующей процедурой:

- по 8.2.10.1 - при нормальных механических воздействующих факторах;

- по 8.2.10.2 - при тяжелых механических воздействующих факторах;

- по 8.2.10.3 - при особых механических воздействующих факторах.

8.2.10.1 Проверка механической прочности при нормальных механических воздействующих факторах

Настоящие испытания подтверждают механическую прочность при нормальных механических воздействующих факторах согласно 7.1.1.1.

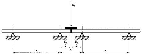
8.2.10.1.1 Первое испытание проводят на одной прямой секции шинопровода, закрепленной на опорах, как при нормальной эксплуатации в двух точках, расположенных на расстоянии D. Это расстояние D представляет собой максимальное расстояние между опорами, определяемыми изготовителем.

Примечание - Расположение и форму опор определяет изготовитель.

Массу М располагают в верхней части оболочки без динамической нагрузки на прочном элементе в форме квадрата, стороны которого равны ширине шинопровода в средней точке между опорами. Масса М должна быть равна массе т части секции, находящейся между опорами, плюс дополнительная масса mL, равная максимальной нагрузке, создаваемой присоединительной секцией и узлами ответвлений, определяемых изготовителем, которые присоединяются к длине D.

Длительность испытания должна составлять 5 мин.

М = т + mL

где т - масса сборной шины между опорами:

mL - масса присоединительной секции и узлов ответвлений.

8.2.10.1.2 Второе испытание проводят на двух прямых секциях шинопровода, соединенных вместе и закрепленных на опорах, как при нормальной эксплуатации при минимальном количестве точек опоры, расположенных на максимальном расстоянии D и D1. Расстояние D представляет собой расстояние, определенное в 8.2.10.1.1; расстояние D1 - это максимальное расстояние между опорами, примыкающими к точке соединения, как это установлено изготовителем. Соединение должно быть расположено по центру между опорами.

Массу М1 располагают без динамической нагрузки в верхней части оболочки в месте соединения на прочном элементе в форме квадрата, стороны которого равны ширине шинопровода. Масса М1 должна быть равна массе т1 секций шинопровода, включая соединение, находящейся между опорами, размещенными на расстоянии D1 плюс дополнительная масса mL1, равная максимальной нагрузке, создаваемой присоединительной секцией и узлами ответвления, определяемых изготовителем, которые присоединяются к длине D1.

Длительность испытания должна составлять 5 мин.

М1 = т1 + mL1,

где т1 - масса сборной шины между опорами;

mL1 - масса присоединительной секции и узлов ответвлений.

8.2.10.2 Проверка механической прочности при тяжелых механических воздействующих факторах

Настоящие испытания подтверждают механическую прочность при тяжелых механических воздействующих факторах согласно 7.1.1.2.

8.2.10.2.1 Испытания, описанные в 8.2.10.1.1, проводят с использованием массы:

М = т + mL + 90 кг.

8.2.10.2.2 Испытания, описанные в 8.2.10.1.1, проводят с использованием массы

М1 = т1 + mL1 + 90 кг.

8.2.10.3 Проверка механической прочности при особых механических воздействующих факторах

Испытания, подтверждающие механическую прочность при особых механических воздействующих факторах (см. 7.1.1.3), должны быть предметом соглашения между изготовителем и потребителем.

8.2.10.4 Результаты испытаний

Во время и после проведения испытаний не должно иметь место разрушения как шинопровода, так и соединения или их частей. В дополнение к этому не должна наблюдаться деформация оболочки, ухудшающая степень защиты или приводящая к уменьшению зазоров и длин путей утечки ниже допустимых ГОСТ Р 51321.1 (подпункт 7.1.2). После испытаний не должна иметь место деформация, препятствующая, например, правильной установке ответвительных узлов.

Во время и после проведения испытания цепи защиты должны сохранять свою работоспособность.

После каждых испытаний согласно 8.2.10.1, 8.2.10.2 или 8.2.10.3 шинопровод должен выдерживать диэлектрические испытания согласно ГОСТ Р 51321.1 (подпункт 8.2.2).

8.2.11 Проверка износостойкости шинопроводов с узлами ответвления троллейного типа

Скользящие контакты, пропускающие номинальный ток при номинальной частоте, должны обеспечивать 10000 циклов возвратно-поступательных перемещений вдоль проводников шинопровода.

Для шинопроводов переменного тока коэффициент мощности должен составлять 0,75-0,8.

Скорость троллея, несущего скользящие контакты, и расстояние его перемещения определяются в условиях эксплуатации, для которых они предназначены. Если троллей предназначен для установки приборов или другой механической нагрузки, то во время проведения испытания следует предусмотреть подвеску эквивалентного груза.

По завершении испытания не должны иметь место как механические, так и электрические повреждения, возникшие за счет образования поверхностной коррозии, обгорания или сварки контактов.

8.2.12 Проверка сопротивления к раздавливанию

Прямые секции шинопровода, например длиной не менее 3 м, должны выдерживать силу раздавливания:

- не менее чем четырехкратная линейная масса (килограмм на метр) устройства, если шинопровод предназначен для нормальных механических нагрузок;

- не менее чем четырехкратная линейная масса (килограмм на метр) устройства плюс 90 кг, если шинопровод предназначен для тяжелых механических нагрузок.

Проведение испытания

Силу прилагают поочередно к четырем или более точкам вдоль прямой секции шинопровода, включая одну точку между соседними изоляторами, если таковые имеются. Шинопровод располагают горизонтально на плоской поверхности опор и силу прилагают посредством прочной плиты, соответствующей ширине шинопровода и имеющей длину 120 мм.

Длительность испытания для каждой точки должна быть не менее 5 мин.

Результаты испытаний

Во время и после проведения испытаний не должна наблюдаться деформация оболочки, ухудшающая степень защиты или приводящая к уменьшению зазоров и длин путей утечки ниже допустимых значений, или препятствующая, например, правильной установке ответвительных узлов.

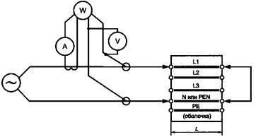
8.2.13 Проверка электрических характеристик шинопровода

Средние значения сопротивлений шинопровода (см. 4.9.1) определяются при номинальном токе In при подготовке испытаний предельных значений превышения температуры (см. 8.2.1.3,а).

Значение сопротивления определяется путем расчетов на основании результатов измерений, приведенных в N.1 (приложение N).

Значения сопротивлений шинопровода в случае повреждения (см. 4.9.2) определяются при номинальном токе In при подготовке испытаний для проверки прочности при коротком замыкании прямых участков секций шинопровода, включая по меньшей мере одно соединение (см. 8.2.3.2.1).

Значение сопротивления определяется путем расчетов на основании результатов измерений, приведенных в N.2 (приложение N).

8.2.14 Проверка стойкости к воспламенению

Испытанию могут быть подвергнуты все типы шинопроводов с разными размерами с целью подтверждения свойств невоспламеняемости для систем в условиях монтажа и объединения в группы, имеющих место при эксплуатации. Испытание проводят согласно ГОСТ Р МЭК 60332-3 в течение 40 мин.

Проведение испытания

Испытания проводят на шинопроводе, состоящим из прямых секций длиной не менее 3 м, имеющим одно соединение.

Четыре шинопровода одного и того же типа, имеющие соединения на нижних концах, располагают через строго соблюдаемые интервалы на вертикальной лестнице стенда для испытания на огнестойкость, каждый шинопровод должен быть обращен в сторону воздействия пламени горелки [см. рисунок М.1 (приложение М)].

В случае большой ширины шинопровода число шинопроводов, подвергаемых испытанию, может быть уменьшено, однако в этом случае испытание должно быть повторено с тем, чтобы выполнить условия испытаний для каждой из сторон оболочки.

Что касается узлов ответвлений шинопровода, то испытание проводят на стороне вывода одного узла ответвления, обращенного к горелке. Вывод узла ответвления, устанавливаемый, как при нормальной эксплуатации, например с крышкой, располагается в непосредственной близости от пламени горелки.

Результаты испытаний

После действия пламени необходимо тщательно протереть поверхность оболочки секции шинопровода. Можно не обращать внимание на наличие сажи, если после протирания будет установлено отсутствие повреждений поверхности. Можно пренебречь также размягчением или любой деформацией неметаллических материалов. Максимальную степень повреждения измеряют в метрах с точностью до одной десятой исходя от нижней кромки расположения горелки до начала обуглившейся части материала.

Шинопровод считают прошедшим испытание, если отсутствовало его возгорание.

Примечание - Возгоранием мелких деталей, не влияющих на целостность секции шинопровода, можно пренебречь;

- максимальная степень обуглившейся части (внешней или внутренней) секции шинопровода не превысила 2,5 м выше нижней кромки горелки.

8.2.15 Проверка огнестойкости перегородок в зданиях

Испытаниям подвергают (участок) перемычку шинопровода, предназначенного для предотвращения распространения пламени в зданиях. Испытание проводят согласно ГОСТ 30247.0 для определения огнестойкости в течение 60, 120, 180 и 240 мин.

Проведение испытаний

Испытание проводят на прямых секциях шинопровода.

Представительный образец противопожарной перемычки шинопровода располагают, как при нормальной эксплуатации в здании на испытательном основании, выполненном из бетона толщиной, определяемой в соответствии с требуемым временем проведения испытания на огнестойкость. Необходимо использовать противопожарную изоляцию для заполнения пустого пространства вокруг оболочки секции, проходящей через отверстие в испытательном основании согласно указаниям изготовителя и требованиям противопожарной безопасности зданий, если таковые имеются.

Если в секции шинопровода предусмотрена противопожарная защита, то ее следует располагать в центре испытательного основания [см. рисунок М.3 (приложение М)].

Если испытание проводят согласно ГОСТ 30247.0, то набор термопар располагают на необращенной к пламени стороне образца для регистрации температуры на поверхности оболочки секции шинопровода.

Результаты испытаний

Критерии испытания приведены в ГОСТ 30247.0.

Дополнить новыми приложениями J, К, L, М и N.

Приложение J
(справочное)

Падение напряжения в системе

Падение напряжения в шинопроводе u, В, вычисляют по формуле

где и - суммарное падение напряжения в системе, В;

R1 и Х1 - средние значения активного и реактивного сопротивлений системы согласно 4.9.1, Ом/м;

IB - ток в рассматриваемой цепи, А;

L - длина рассматриваемой системы, м;

cosj - коэффициент мощности нагрузки;

k - коэффициент распределения нагрузки.

Примечания

1 Коэффициент распределения нагрузки к для расчета падения напряжения в конце шинопровода принимается равным:

1 - если нагрузка сконцентрирована в конце шинопровода;

 - если нагрузка распределена равномерно между n ответвлениями.

Коэффициент распределения нагрузки к для расчета падения напряжения на начале ветви, находящемся на расстоянии d от начала шинопровода, принимается равным:

 - в случае, если нагрузки распределены равномерно по длине шинопровода.

2 В целях ускорения процесса основных расчетов изготовитель может предоставить таблицу с предварительно рассчитанными значениями падения напряжения в вольтамперах и метрах длины для различных значений коэффициента мощности.

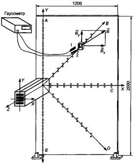
Приложение К
(справочное)

Метод определения магнитного поля в зоне расположения шинопровода

Рисунок К.1 - Проведение испытаний

Рисунок К.2 - Измерения и расчеты

Для испытаний выбирают прямой участок шинопровода длиной не менее 3 м, расположенный на опорах в горизонтальном направлении по оси z.

Измерительный блок (из пластмассы) может располагаться и фиксироваться в заранее определенных точках панели (из фанеры или пластмассы) вдоль пяти осей измерений:

А (+у), В, С (x), D, Е (-у).

На измерительном блоке нужно разместить один или два датчика магнитного поля, которые располагаются строго перпендикулярно относительно опорных осей х и у.

Для каждой заранее выбранной точки панели определяют векторные составляющие магнитного поля с помощью гауссметра, и модуль местного магнитного поля вычисляют по формуле

Данные значения могут быть представлены графически как В = f (расстояние) для каждой оси измерений (см. рисунок К.2) или в форме эквипотенциальных кривых магнитного поля.

Приложение L

В стадии рассмотрения.

Приложение М
(справочное)

Проведение испытаний (ГОСТ Р МЭК 60332-3)

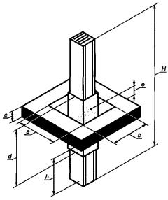
Рисунок М.1 - Образец испытательной камеры

a, b - ширина и длина проема в испытательном основании;
с - толщина испытательного основания;
d - длина огнестойкой части;
е - расположение термопар на стороне оболочки, не обращенной в сторону горелки;
h - длина открытой для пламени стороны образца сборной шины;
Н - длина образца секции шинопровода
Рисунок М.3 - Испытательное основание для проверки огнестойкости (ГОСТ 30247.0)

Приложение N
(справочное)

Метод определения электрических характеристик шинопровода путем расчета на основании результатов измерений

N.1 - Определение значений активного, реактивного и полного сопротивлений системы

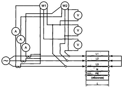
Рисунок N.1 - Проведение испытаний для трехфазных цепей переменного тока

Примечание - Суммарную активную мощность трехфазной цепи определяют методом двух ваттметров, однако возможно использование других типов ваттметров, например для цепей трехфазного или однофазного тока.

Измерения и расчеты

Следующие значения выведены из данных, полученных при испытании для определения предельных значений превышения температуры (см. 8.2.1.3) при номинальном токе In и установившейся рабочей температуре относительно температуры окружающего воздуха:

- V - среднее действующее (среднеквадратичное) значение фазного напряжения, В:

- I - среднее действующее (среднеквадратичное) значение фазного тока, А:

- Р - суммарная активная мощность цепи трехфазного тока, Вт;

- L - длина сборной шины от точки присоединения вольтметра на входе до точки, где сборные шины соединены вместе на выходном конце, м.

Полное сопротивление Z, Ом/м, на метр шинопровода вычисляют по формуле

Активное сопротивление R, Ом/м, на метр шинопровода вычисляют по формуле

Реактивное сопротивление X1, Ом/м, на метр шинопровода вычисляют по формуле

X1 = (Z2 - R2)1/2.

Затем производят расчет активного сопротивления R20 при температуре 20 °С и R, и Z при установившейся рабочей температуре.

где l - длина, м;

r20 - удельное сопротивление проводника при 20 °С, Ом×мм2/м (0,018 Ом×мм2/м для медного проводника, 0,029 Ом×мм2 /м для алюминиевого проводника);

А - сечение проводника, мм2.

N.2 Определение значений активного, реактивного и полного сопротивлений системы в условиях однофазного замыкания (повреждения)

а) Метод симметричных составляющих

Рисунок N.2 - Проведение испытаний. Метод симметричных составляющих

Примечания

1 Любая металлическая оболочка сборной шины может быть соединена с проводниками РЕ/PEN согласно инструкциям изготовителя.

2 В случае отсутствия отдельных PE/PEN-проводников измерения следует проводить между фазными проводниками и зажимом РЕ на металлической оболочке.

3 В целях согласования окончательных значений температуры в условиях испытания необходимо проводить измерения температуры окружающего воздуха и предельных значений превышения температуры.

4 Для проведения испытаний проводники цепей трехфазного тока соединяют параллельно и закорачивают на обоих концах.

Измерения и расчеты

Vxx - действующее (среднеквадратичное) значение падения напряжения однофазной цепи при поврежденной петле, В;

Ixx - действующее (среднеквадратичное) значение однофазного кратковременного испытательного тока, равное утроенному значению номинального тока In, шинопровода, А;

Pxx - активная мощность однофазной цепи, Вт;

L - длина шинопровода от точки присоединения вольтметра на входе до точки, где проводники шинопровода соединяются вместе на выходном конце, м.

Примечания

1 Использование кратковременных испытательных токов, например с импульсами менее 30 с, ведет к исключению чрезмерного превышения температуры токопроводящих проводников в процессе измерения.

2 «хх» зависит от типа связи при поврежденной петле.

Для каждого типа «хх» связи при поврежденной петле [см. рисунок N.2 (приложение N)]:

- фаза-нейтраль;

- фаза-PEN;

- фаза-РЕ.

Соответствующие значения:

- полного сопротивления Zxx, Ом/м, на метр шинопровода вычисляют по формуле

- активного сопротивления Rxx, Ом/м, на метр шинопровода вычисляют по формуле

- реактивного сопротивления Х0хх, Ом/м, на метр шинопровода вычисляют по формуле

Затем для рассматриваемого импеданса поврежденной петли (см. 4.9.2) производят расчет значений:

- активного сопротивления R20, Ом/м, при температуре 20 °С вычисляют по формуле

где l - длина, м;

Р20 - удельное сопротивление проводника при температуре 20 °С (0,018 Ом×мм2/м для медного проводника, 0,029 Ом×мм2/м для алюминиевого проводника);

А - сечение, мм2;

- полного сопротивления нулевой последовательности Z0хх, Ом/м, вычисляют по формуле

b) Метод сопротивлений

Рисунок N.3 - Проведение испытаний. Метод сопротивлений

Примечания

1 Любая металлическая оболочка шинопровода может быть соединена с проводниками РЕ/PEN согласно инструкциям изготовителя.

2 В случае отсутствия отдельных PE/PEN-проводников измерения следует проводить между фазными проводниками и зажимом РЕ на металлической оболочке.

3 В целях согласования окончательных значений температуры в условиях испытания следует проводить измерения температуры окружающего воздуха и предельных значений превышения температуры.

Измерения и расчеты

Vxx - действующее (среднеквадратичное) значение падения напряжения однофазной цепи при поврежденной петле, В;

Ixx - действующее (среднеквадратичное) значение однофазного кратковременного испытательного тока In, равное утроенному значению номинального тока шинопровода, А;

Pxx - активная мощность однофазной цепи, Вт;

L - длина шинопровода от точки присоединения вольтметра на входе до точки, где проводники шинопровода соединяются вместе на выходном конце, м.

Примечания

1 Использование кратковременных испытательных токов, например с импульсами менее 30 с, ведет к исключению чрезмерного превышения температуры токопроводящих проводников в процессе измерения.

2 Обозначение «хх» зависит от типа связи при поврежденной петле.

Для каждого типа «хх» связи при поврежденной петле [см. рисунок N.3 (приложение N)]:

- фаза-фаза (L1-L2, L2-L3, L3-L1);

- фаза-нейтраль (L1-N, L2-N, L3-N);

- фаза-PEN (L1-PEN, L2-PEN, L3-PEN);

- фаза-РЕ (L1-PE, L2-PE, L3-PE).

Полное сопротивление Zxx, Ом/м, на метр шинопровода вычисляют по формуле

Активное сопротивление Rxx, Ом/м, на метр шинопровода вычисляют по формуле

Реактивное сопротивление Х0хх, Ом/м, на метр шинопровода вычисляют по формуле

Средние активные сопротивления Rb, Ом/м, и средние реактивные сопротивления Хb, Ом/м, при поврежденной петле шинопровода вычисляют по формулам:

- фаза-фаза

- фаза-нейтраль

- фаза-PEN

- фаза-РЕ

В заключение проводят расчет Rb0xx при температуре 20 °С и Rb1xx для установившейся рабочей температуры Q1 шинопровода согласно 8.2.1.3, а) для рассматриваемого сопротивления поврежденной петли [см. 4.9.2, b)].

Для расчета могут быть использованы следующие формулы:

Примечания

1 Qxx - окончательная температура проводников, отмеченная при кратковременном номинальном токе для рассматриваемого импеданса при поврежденной петле.

2 Q1 - установившаяся рабочая температура сборных шин при их номинальном токе согласно 8.2.1.3, а).

Приложение ДА
(обязательное)

Сведения о соответствии ссылочных национальных и межгосударственных стандартов международным стандартам, использованным в качестве ссылочных в примененном международном стандарте

Обозначение ссылочного национального, межгосударственного стандарта

Степень соответствия

Обозначение и наименование ссылочного международного стандарта

ГОСТ Р 50030.2-99

MOD

МЭК 60947-2-98 «Аппаратура распределения и управления низковольтная. Часть 2. Автоматические выключатели»

ГОСТ Р 51321.1-2007

MOD

МЭК 60439-1:2004 «Аппаратура распределения и управления низковольтная. Часть 1. Устройства, прошедшие типовые испытания и частичные типовые испытания»

ГОСТ Р МЭК 60570-99

IDT

МЭК 60570:1995 «Шинопроводы для светильников»

ГОСТ Р МЭК 60269 (все части)

IDT

МЭК 60269 «Низковольтные предохранители»

ГОСТ Р МЭК 60332-3-2005

IDT

МЭК 60332-3:1992 «Испытания электрических и оптических кабелей в условиях воздействия пламени. Часть 3. Распространение пламени по вертикально расположенным пучкам проводов или кабелей»

ГОСТ 14254-96

NEQ

МЭК 60529:2001 «Степени защиты, обеспечиваемые оболочками (Код IP

ГОСТ 30247.0-94

NEQ

ИСО 60834:1999 «Конструкции строительные. Методы испытаний на огнестойкость. Общие требования»

Примечание - В настоящем стандарте использованы следующие условные обозначения степени соответствия стандартов:

- IDТ - идентичные стандарты;

- MOD - модифицированные стандарты;

- NEQ - неэквивалентные стандарты.

Библиография

[1] МЭК 60909:1988 Расчет токов короткого замыкания в трехфазных цепях переменного тока

Ключевые слов: шинопровод, низковольтное комплектное устройство

 

 




ГОСТЫ, СТРОИТЕЛЬНЫЕ и ТЕХНИЧЕСКИЕ НОРМАТИВЫ.
Некоммерческая онлайн система, содержащая все Российские Госты, национальные Стандарты и нормативы.
В Системе содержится более 150000 файлов нормативно-технической документации, действующей на территории РФ.
Система предназначена для широкого круга инженерно-технических специалистов.

Рейтинг@Mail.ru Яндекс цитирования

Copyright © www.gostrf.com, 2008 - 2026