|
|
|
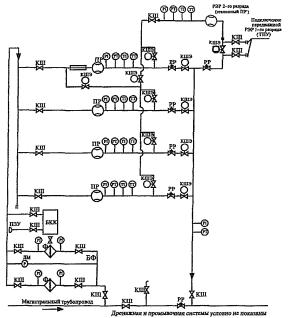
ОТКРЫТОЕ АКЦИОНЕРНОЕ ОБЩЕСТВО "ГАЗПРОМ" Общество с ограниченной ответственностью "Отраслевой метрологический центр Газметрология" Общество с ограниченной ответственностью "Информационно-рекламный центр газовой промышленности" СТАНДАРТ ОРГАНИЗАЦИИ ДОКУМЕНТЫ НОРМАТИВНЫЕ ДЛЯ ПРОЕКТИРОВАНИЯ, СТРОИТЕЛЬСТВА И эксплуатации ОБЪЕКТОВ ОАО "ГАЗПРОМ РАСХОД И КОЛИЧЕСТВО ЖИДКИХ УГЛЕВОДОРОДНЫХ СРЕД. ТЕХНИЧЕСКИЕ ТРЕБОВАНИЯ К УЗЛАМ УЧЕТА СТО Газпром 5.3-2006 Дата введения - 2006-10-20 Содержание Предисловие 1 РАЗРАБОТАН Обществом с ограниченной ответственностью "Отраслевой метрологический центр Газметрология" (ООО "ОМЦ Газметрология") 2 ВНЕСЕН Управлением метрологии и контроля качества газа и Управлением автоматизации технологических процессов Департамента автоматизации, информатизации, телекоммуникаций и метрологии 3 УТВЕРЖДЕН И ВВЕДЕН В ДЕЙСТВИЕ Распоряжением ОАО "Газпром" от 28 июля 2006 г. № 160 с 20 октября 2006 г. 4 ВВЕДЕН ВЗАМЕН РД 51-31323949-49-2000 и РД 51-31323949-52-2000 ВведениеСтандарт разработан на основании решения технического совещания специалистов ОАО "Газпром" в г. Тюмени 6 - 9 октября 2003 г. Целью стандарта является создание единых метрологических и технических требований к узлам учета жидких углеводородных сред ОАО "Газпром" с использованием новых отечественных и зарубежных разработок в области расходометрии и с учетом требований существующей нормативной документации на узлы учета и углеводородные среды. Отсутствие нормативного документа, регламентирующего требования к узлам учета жидких углеводородных сред, до последнего времени при проектировании восполнялось аналогичной документацией для узлов учета нефти и нефтепродуктов, имеющих существенные отличия. Основываясь на руководящем документе [1] и других нормативных документах на нефть и нефтепродукты, настоящий стандарт учитывает специфику узлов учета жидких углеводородных сред и, в частности: - устанавливает требования к условиям обеспечения однофазности потока нестабильных жидких углеводородных сред (дополнительно к стабильным средам): - устанавливает требования к узлам хозрасчетного и технологического учета (дополнительно к узлам коммерческого учета), - предусматривает использование преобразователей расхода следующих типов вихревых, с сужающими устройствами, с усредняющими напорными трубками (дополнительно к турбинным, ультразвуковым, камерным и кориолисовым преобразователям расхода), - устанавливает требования к теплоизоляции элементов узла учета, - содержит рекомендации по структуре и объему автоматизации блока сбора, обработки и передачи информации, - содержит рекомендации по выбору средств измерений расхода и плотности. Стандарт разработан группой сотрудников ООО "ОМЦ Газметрология" при постоянном научно-техническом и организационном содействии со стороны начальника Управления метрологии и контроля качества газа В. В Смирнова, заведующего сектором Управления метрологии и контроля качества газа И.А. Прудникова, начальника Управления автоматизации технологических процессов В.С. Битюкова, заместителя начальника отдела Управления автоматизации технологических процессов В.М. Пушнова. Требования и рекомендации, относящиеся к блоку сбора, обработки и передачи информации (подраздел 7.5 и приложение Д), разработаны совместно с ЗАО НИЦ "ИНКОМСИСТЕМ", г. Казань. 1 Область примененияНастоящий стандарт устанавливает основные метрологические и технические требования к узлам учета жидких углеводородных сред и распространяется на вновь вводимые и модернизируемые узлы коммерческого, технологического и хозрасчетного учета жидких углеводородных сред на объектах их добычи, транспортировки и переработки. Стандарт распространяется на узлы учета с использованием турбинных, ультразвуковых, вихревых, кориолисовых, камерных (ротационных, лопастных и др.) преобразователей расхода, а также преобразователи расхода с применением сужающих устройств и усредняющих напорных трубок. Положения стандарта являются обязательными за исключением случаев, где говорится об их рекомендательном характере или о допускаемых отклонениях от установленных требований. Стандарт предназначен для организаций добычи, транспортировки, переработки углеводородных сред ОАО "Газпром" и для проектных организаций. 2 Нормативные ссылкиНастоящий стандарт использует нормативные ссылки на следующие стандарты. ГОСТ 2.105-95 Единая система конструкторской документации. Общие требования к текстовым документам ГОСТ 8.563.1-97 Государственная система обеспечения единства измерений. Измерение расхода и количества жидкостей и газов методом переменного перепада давления. Диафрагмы, сопла ИСА 1932 и трубы Вентури, установленные в заполненных трубопроводах круглого сечения. Технические условия ГОСТ 8.563.2-97 Государственная система обеспечения единства измерений. Измерение расхода и количества жидкостей и газов методом переменного перепада давления. Методика выполнения измерений с помощью сужающих устройств ГОСТ 1756-2000 Нефтепродукты. Определение давления насыщенных паров ГОСТ 2517-85 Нефть и нефтепродукты. Методы отбора проб ГОСТ 15528-86 Средства измерений расхода, объема или массы протекающих жидкости и газа. Термины и определения ГОСТ Р 52340-2005 Нефть. Определение давления паров методом расширения Примечание - При пользовании настоящим стандартом целесообразно проверить действие ссылочных стандартов по указателю "Национальные стандарты", составленному на 1 января текущего года, и по соответствующим информационным указателям, опубликованным в текущем году. Если ссылочный документ заменен (изменен), то при пользовании настоящим стандартом следует руководствоваться замененным (измененным) стандартом. Если ссылочный документ отменен без замены, то положение, в котором дана ссылка на него, применяется о части, не затрагивающей эту ссылку. 3 Термины, определения и сокращения3.1 Термины и определения В настоящем стандарте применены термины по ГОСТ 15528 и [2], а также следующие термины с соответствующими определениями. 3.1.1 жидкие углеводородные среды; УВС: Стабильные и нестабильные газовые конденсаты, широкая фракция легких углеводородов [3], деэтанизированные газовые конденсаты, нефтегазоконденсатные смеси, нефть деэтанизированная [4], находящиеся в условиях проведения измерений в однофазном (жидком) состоянии. 3.1.2 стабильные УВС: УВС, содержащие преимущественно углеводородные компоненты С5+выше с минимальным остаточным содержанием углеводородных компонентов С1-С4, имеющие давление насыщенных паров по Рейду не более 0,0667 МПа. 3.1.3 нестабильные УВС: УВС, содержащие наряду с углеводородными компонентами С5+выше значительную долю углеводородных компонентов С1-С4 и имеющие давление насыщенных паров по Рейду более 0,0667 МПа. 3.1.4 давление насыщенных паров по Рейду: Абсолютное давление пара УВС при температуре 37,8 °С и соотношении объемов паровой и жидкой фаз 4:1. Примечание - Давление насыщенных паров по Рейду измеряют согласно ГОСТ 1756, ГОСТ Р 52340 или рассчитывают по специальному алгоритму. 3.1.5 давление насыщения: Давление перехода УВС из жидкого однофазного состояния в двухфазное. Примечание - Давление насыщения рассчитывают в соответствии с указаниями методики выполнения измерений расхода и количества или определяют по методике, указанной в нормативной документации для данного вида УВС. 3.1.6 узел учета УВС (узел учета): Комплект средств измерений и устройств, обеспечивающий учет массового расхода и массы брутто УВС, а также, при необходимости, определение ее показателей качества. 3.1.7 узел коммерческого учета: Узел учета, предназначенный для проведения взаимных расчетов между продавцом и покупателем, где одна из сторон является сторонней организацией по отношению к ОАО "Газпром". 3.1.8 узел хозрасчетного учета: Узел учета, предназначенный для проведения оценки экономической деятельности внутри дочернего общества ОАО "Газпром" или передачи УВС на другое дочернее общество ОАО "Газпром". 3.1.9 узел технологического учета: Узел учета, предназначенный для измерения расхода и массы УВС в технологических целях внутри дочернего общества ОАО "Газпром". 3.1.10 измерительная линия; ИЛ: Один из трубопроводов с установленным в нем преобразователем расхода, предназначенным для учета УВС или контроля других преобразователей расхода. Примечание 1 - ИЛ рабочая - ИЛ, находящаяся в работе при нормальном режиме эксплуатации узла учета. Примечание 2 - ИЛ контрольная - ИЛ, применяемая для контроля метрологических характеристик рабочих ПР в период между поверками. Примечание 3 - ИЛ резервная - ИЛ, используемая при отказе и во время ремонта рабочих ИЛ. 3.1.11 входной коллектор ИЛ: Трубопровод, служащий для распределения потока по нескольким ИЛ. 3.1.12 выходной коллектор ИЛ: Трубопровод, служащий для сбора потоков нескольких ИЛ в один общий поток. 3.1.13 рабочие условия: Условия измерений, характеризуемые совокупностью значений параметров потока и среды в месте размещения преобразователя расхода. 3.1.14 основные параметры потока и среды: Параметры потока и среды, необходимые для определения массового расхода и массы УВС. Примечание - К основным параметрам потока и среды, в зависимости от выбранного метода измерений, могут относиться: объемный расход при использовании преобразователя объемного расхода, массовый расход при использовании преобразователя массового расхода, перепад давлений на сужающем устройстве или усредняющей напорной трубке; абсолютное давление, плотность среды; компонентный состав (при необходимости расчета других основных параметров потока и среды), температура, коэффициенты сжимаемости и температурного расширения жидкости; динамическая вязкость. 3.1.15 дополнительные параметры потока и среды: Параметры, используемые для контроля работоспособности узла учета и выполнения требований к условиям измерений. 3.1.16 показатели качества УВС: Физико-химические параметры измеряемой среды, регламентированные техническими условиями на конкретный вид УВС. Примечание - К показателям качества УВС могут относиться содержание углеводородных компонентов, азота, диоксида углерода, сероводорода, метанола, меркаптановой серы, воды, щелочи, механических примесей и др. 3.1.17 контроль метрологических характеристик: Сличение в период между поверками показаний рабочего и контрольного средств измерений с целью установления пригодности рабочего средства измерения к дальнейшей эксплуатации. 3.1.18 стабилизированное течение: Движение среды, при котором профили продольных скоростей вдоль трубопровода не изменяются, а закрутка потока отсутствует. Примечание - Профили продольных скоростей при стабилизированном течении зависят от числа Рейнольдса и шероховатости внутренней стенки трубопровода. 3.1.19 устройство подготовки потока; УПП1: Устройство, после прохождения которого поток приобретает кинематическую структуру, близкую к структуре стабилизированного потока. ______________ 1 До последнего времени все УПП называли струевыпрямителями. В настоящее время струевыпрямителями называют (см. [5]) устройства для выполнения одной из функций УПП - устранения закрутки потока. 3.2 Сокращения АСУ ТП - автоматизированная система управления технологическими процессами; АРМ - автоматизированное рабочее место; БИЛ - блок измерительных линий; БКК - блок контроля качества УВС; БОИ - блок сбора, обработки и передачи информации; БРЭР - блок рабочего эталона расхода; БФ - блок фильтров, ИЛ - измерительная линия; ПЗУ - пробозаборное устройство; ПР - преобразователь расхода; ПТС - программно-технические средства; РЭР - рабочий эталон расхода; СИ - средство измерений; СТМ - система телемеханики; УПП - устройство подготовки потока; УВС - жидкая углеводородная среда. 4 Общие положения4.1 Требования настоящего стандарта должны применяться в ОАО "Газпром" наряду с нормативными документами (СНиП и др.), относящимися к проектированию узлов учета. 4.2 Проектирование узла учета должно осуществляться на основании договора и технического задания на проектирование. 4.2.1 Перечень данных, которые должны быть представлены в техническом задании, приведены в приложении А. 4.2.2 Техническое задание на проектирование коммерческого узла учета должно быть согласовано принимающей и сдающей УВС сторонами и, до утверждения заказчиком, пройти метрологическую экспертизу. 4.3 Предпроектная и проектная документации узлов учета подлежат метрологической экспертизе. 4.4 Метрологическую экспертизу технического задания на проектирование, предпроектной и проектной документации узла учета проводит ООО "ОМЦ Газметрология" или другая организация, аккредитованная на право выполнения этих работ. Перечень материалов, представляемых на метрологическую экспертизу, приведен в приложении Б. 5 Условия измерений5.1 Измеряемая среда Измеряемой средой являются УВС (см. 3.1.1), находящиеся в условиях проведения измерений в однофазном (жидком) состоянии. 5.2 Условия движения среды 5.2.1 Для обеспечения однофазности стабильных УВС абсолютное давление среды должно удовлетворять условию р ³ рн + Dрн + 0,1, (5.1) где р - абсолютное давление УВС в рассматриваемой точке потока, МПа; рн - давление насыщения на данном узле учета УВС, полученное в результате измерения или расчета, МПа; Dрн - абсолютная погрешность определения величины рн, МПа. 5.2.2 Для обеспечения однофазности нестабильных УВС абсолютное давление среды должно удовлетворять условию р ³ рн + Dрн + 0,5. (5.2) 5.2.3 Средняя скорость потока стабильных УВС в трубопроводах узлов учета не должна превышать 4 м/с, нестабильных УВС - 3 м/с. 5.2.4 Во избежание возникновения кавитации в проточной части ПР необходимо выполнять требования нормативной документации на ПР конкретных типов к величине давления за ПР. 5.2.5 Абсолютная разница температур УВС в местах размещения ПР и измерения плотности при коммерческом учете не должна превышать 15 °С, при хозрасчетном и технологическом учете - 30 °С. 5.2.6 Допустимые пульсации потока, режим течения, значения температур, давлений, скоростей потока и чисел Рейнольдса должны соответствовать требованиям, изложенным в технической документации на используемые СИ. 5.3 Внешние условия Климатические условия, характеристики энергоснабжения, допустимые напряженности магнитных полей и уровни индустриальных радиопомех должны соответствовать требованиям, изложенным в технической документации на используемые СИ. 6 Общие требования к узлам учета6.1 Состав узлов учета 6.1.1 В общем случае узел учета состоит из блоков, перечисленных в таблице 6.1 Таблица 6.1 - Состав узла учета УВС
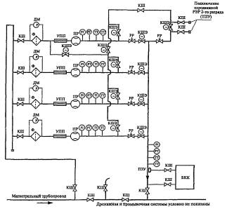
____________ 1 Вместо БФ могут быть использованы отдельные фильтры, установленные на входе каждой ИЛ после запорной арматуры. 6.1.2 При компоновке узлов коммерческого учета рекомендуется использовать примеры приложения В. В узлах хозрасчетного и технологического учета, по сравнению с узлами коммерческого учета, кроме БКК, в зависимости от предъявляемых к ним требований по точности измерений, уровню автоматизации и специфики используемых СИ, может быть исключен ряд элементов. Например, могут не предусматриваться БРЭР, дистанционные датчики давления и температуры, вместо шаровых электроприводных кранов с контролем протечек может использоваться различная запорная арматура без электропривода и контроля протечек. 6.2 Требования к погрешности измерений Пределы допускаемой относительной погрешности измерений массы брутто среды в зависимости от типа узла учета составляют: - на узлах коммерческого учета - 0,25 %; - на узлах хозрасчетного учета - от 0,35 до 2,5 %; - на узлах технологического учета - до 5 % (в зависимости от задач учета). 6.3 Функциональные возможности 6.3.1 Узел коммерческого учета УВС должен обеспечивать возможность: а) определения массового расхода (в т/ч) и массы брутто (в т) среды по каждой ИЛ и узлу учета в целом во всем диапазоне изменений расхода УВС; б) определения показателей качества УВС; в) автоматического поддержания величины расхода через ИЛ в требуемом диапазоне; г) автоматического выполнения поверки и контроля ПР и контроля поточного плотномера; д) автоматического контроля значений наиболее важных параметров и обеспечения световой и/или звуковой сигнализации в случае их перехода за допустимые пределы; е) контроля условий проведения измерений; ж) демонтажа и установки отдельных СИ и элементов оборудования; з) очистки фильтров; и) контроля герметичности запорной арматуры, влияющей на результаты измерений и поверок; к) пломбирования запорной арматуры, открытие которой приводит к изменению результатов измерений; л) проведения поверок СИ в соответствии с методиками поверок; м) слива УВС из оборудования и трубопроводов через дренажные трубопроводы; н) полного, без остатков воздуха, заполнения УВС оборудования и трубопроводов; о) очистки входного коллектора (при необходимости); п) промывки или пропарки дренажных трубопроводов. 6.3.2 Узлы хозрасчетного и технологического учета должны обеспечивать возможность выполнения указаний, приведенных в перечислениях а), е) - п) 6.3.1. Необходимость выполнения указаний перечислений б) - д) 6.3.1 для технологических узлов учета не является обязательной, а для хозрасчетных узлов учета рассматривается на стадии проектирования. 6.4 Оснащение узлов учета 6.4.1 Узел учета должен соответствовать требованиям техники безопасности, охраны труда, взрывобезопасности, пожарной безопасности и санитарно-технических правил, определяемым нормативными документами [6, 7, 8, 9, 10, 11]. 6.4.2 Диаметры и длины трубопроводов следует выбирать с учетом допустимых гидравлических потерь при максимальной производительности узла учета. Гидравлические потери на узле учета в режиме измерений должны быть не более 0,2 МПа, в режиме поверки (с учетом поверки РЭР 2-го разряда по РЭР 1-го разряда) - не более 0,4 МПа. При расчете гидравлических потерь рекомендуется использовать справочник [12]. 6.4.3 Запорная арматура узлов коммерческого учета, протечки в которой могут оказать влияние на результаты измерений расхода и массы УВС, поверки и контроля метрологических характеристик ПР, поверки РЭР 2-го разряда по РЭР 1-го разряда, должна иметь устройство контроля протечек. На узлах хозрасчетного и технологического учета допускается использовать запорную арматуру без контроля протечек. 6.4.4 Технические характеристики и качество материалов и готовых изделий должны быть подтверждены в документации заводов-изготовителей. 6.4.5 На узлах учета применяют СИ, прошедшие испытания с целью утверждения типа в соответствии с [13]. 6.4.6 Рекомендуется запорную арматуру с условным диаметром более 150 мм оснащать электроприводами. 6.4.7 Для обеспечения требований перечислений м) - п) 6.3.1 узел учета должен быть оснащен дренажными трубопроводами, шаровыми кранами для перекрытия дренажных трубопроводов, шаровыми кранами для удаления, при необходимости, газа в верхних точках оборудования и трубопроводов и др. 6.4.7.1 Дренажная система должна быть закрытой, с уклоном трубопроводов не менее 0,002. 6.4.7.2 При необходимости следует предусмотреть раздельные дренажные системы для учтенной и неучтенной УВС. 6.4.8 Если в течение года абсолютная разница температур УВС и окружающего воздуха превышает 200 °С на участках наибольшего влияния теплообмена (см. 6.4.8.1) на погрешность расхода и отсутствует утвержденный установленным образом расчет, подтверждающий возможность использования узлов учета без теплоизоляции, то соответствующие участки следует теплоизолировать. 6.4.8.1 К участкам наибольшего влияния теплообмена относятся: - участок ИЛ между термопреобразователем и ПР вместе с прилегающими к нему выше и ниже по потоку участками длиной, равной пяти внутренним диаметрам ИЛ; - участок трубопровода от ПЗУ до плотномера (включая участок до термопреобразователя, установленного вблизи плотномера, и прилегающий к нему участок длиной, равной пяти внутренним диаметрам данного трубопровода); - калиброванный участок трубопоршневой установки (при ее наличии). 6.4.8.2 Толщина теплоизоляции должна быть не менее 100 мм. 6.4.8.3 Расположенные на изолируемом участке трубопровода арматуру, фланцевые соединения, люки и выступающую над трубопроводом часть термопреобразователя следует изолировать, если изолируется участок трубопровода, на котором они установлены. Тепловая изоляция тех из названных устройств, которые подвергаются периодическому контролю, должна быть съемной. 6.4.8.4 Материалы и конструкция тепловой изоляции должны удовлетворять требованиям разделов 4 и 5 СНиП [14]. 6.4.9 Соединительные трубки, предназначенные для передачи давления к измерительным преобразователям, устанавливают в соответствии с 6.2.9 ГОСТ 8.563.2. 7 Требования к блокам узлов учета7.1 Блок измерительных линий 7.1.1 Состав БИЛ Состав БИЛ приведен в таблице 7.1. Таблица 7.1 - Состав БИЛ
7.1.2 Требования к БИЛ 7.1.2.1 Все ИЛ должны иметь одинаковые условные проходы. 7.1.2.2 Трубопроводы ИЛ должны удовлетворять требованиям, предъявляемым к ним нормативной документацией на применяемый ПР. 7.1.2.3 Рекомендуется иметь общее число рабочих и резервных ИЛ не более десяти. 7.1.2.4 Число резервных ИЛ должно быть не менее 30 % от числа рабочих ИЛ. 7.1.2.6 При наличии контрольной ИЛ допускается использовать ее в качестве резервной. 7.1.2.7 При наличии стационарного РЭР допускается контрольную ИЛ не предусматривать. 7.1.2.8 Длины прямых участков трубопроводов до и после ПР, отличия внутренних диаметров каждого из прямых участков, разница между внутренними диаметрами, несоосность прямых участков и корпуса ПР должны удовлетворять требованиям существующей для данного типа ПР нормативной документации. 7.1.2.9 УПП устанавливают при невозможности обеспечения без них необходимых длин прямых участков перед ПР. 7.1.2.10 На входе и выходе ИЛ устанавливают запорную арматуру. 7.1.2.11 Должна быть обеспечена возможность извлечения из трубопроводов ПР, УПП, ПЗУ и фильтров. 7.1.2.12 На ИЛ должна быть предусмотрена возможность компенсации длин при демонтаже и установке ПР. 7.1.2.13 Должна быть предусмотрена возможность компенсации тепловых деформаций, исключающая появление механических напряжений в ИЛ и коллекторах. 7.1.2.14 Коллекторы следует проектировать в соответствии с указаниями приложения В.2.6 ГОСТ 8.563.1. 7.1.2.15 При возможности снижения давления ниже значения, регламентированного в 5.2.1, на выходном коллекторе устанавливают регулятор давления. При размещении ПЗУ в выходном коллекторе регулятор давления располагают за точкой возврата потока из трубопровода БКК в выходной коллектор. 7.1.2.16 Регулятор расхода устанавливают на выходе ИЛ, перед запорной арматурой. 7.1.2.17 Вторичные приборы основных параметров потока и среды следует размещать в отапливаемом помещении. При дистанционной передаче измеряемой величины первичные измерительные преобразователи расхода и температуры, размещенные на ИЛ, могут находиться в укрытии или под навесом. 7.1.3 Состав СИ основных параметров потока и среды на узлах коммерческого учета 7.1.3.1 Состав СИ приведен в таблице 7.2. 7.1.3.2 Преобразователи давления и температуры в месте размещения поточного плотномера устанавливают с целью определения поправок на плотность и/или оценки дополнительной погрешности, обусловленных разницами давлений и температур в местах размещения ПР и подключения плотномера. 7.1.3.2.1 При необходимости повышения точности определения разницы давлений в местах размещения ПР и подключения плотномера целесообразно использовать дифференциальный манометр. 7.1.3.2.2 При необходимости повышения точности определения разницы температур в местах размещения ПР и подключения плотномера целесообразно использовать согласованные преобразователи температур [15]. Таблица 7.2 - Состав СИ основных параметров потока и среды на узлах коммерческого учета
_________________ 1 Абсолютное давление определяют либо путем его непосредственного измерения с помощью преобразователя абсолютного давления, либо путем измерения с помощью преобразователя избыточного давления и барометра. 2 При необходимости расчета давления насыщенных паров по Рейду, давления насыщения, вязкости и поправки, обусловленной различием условий измерений в местах размещения ПР и поточного плотномера. 3 См. 7.1.6.1 4 Пределы допускаемой относительной погрешности в диапазоне расходов. 5 Пределы допускаемой относительной погрешности в точке расхода. 6 Пределы допускаемой приведенной погрешности. 7 Пределы допускаемой абсолютной погрешности. 7.1.3.3 Поверку ПР проводят на месте эксплуатации. 7.1.3.4 Поверку поточных плотномеров проводят на месте эксплуатации или на поверочном стенде. 7.1.3.5 Для проведения поверки и контроля ПР и поточного плотномера на месте эксплуатации следует предусмотреть в составе узла учета наличие или возможность подключения необходимых СИ. 7.1.4 Состав СИ основных параметров потока и среды на узлах хозрасчетного и технологического учета. Состав СИ в зависимости от типа ПР и способа определения плотности приведен в таблице 7.3. Таблица 7.3 - Состав СИ основных параметров потока и среды на узлах хозрасчетного и технологического учета
_______________ 1 Поточные плотномеры устанавливают в БКК. Если на узле учета БКК не предусмотрен, поточный плотномер с размещенными вблизи него преобразователями давления и температуры устанавливают непосредственно на ИЛ или на входном (выходном) коллекторе 2 При необходимости расчета значения давления насыщенных паров по Рейду, давления насыщения, вязкости и поправки, обусловленной различием условий измерений в местах размещения ПР и поточного плотномера. 7.1.5 К СИ дополнительных параметров потока и среды относятся: - преобразователи перепада давлений для своевременного обнаружения засорения фильтров, первичных ПР, УПП; если давление в БФ не превышает 0,1 МПа, допускается вместо преобразователя перепада давлений устанавливать два преобразователя давления (до и после фильтра, первичного ПР, УПП); - преобразователь давления для контроля выполнения условия 5.2.1, устанавливаемый перед регулятором давления (см. 7.1.2.15); - вискозиметр для контроля предельно допустимых значений вязкости (при необходимости); - СИ для измерений давления насыщенных паров по Рейду и давления насыщения с целью обеспечения выполнения условий (5.2.1) и (5.2.2). 7.1.6 Требования к СИ параметров потока и среды 7.1.6.1 Пределы допускаемых погрешностей СИ основных параметров потока и среды должны обеспечивать требуемую точность измерений массы и массового расхода УВС (см. 6.2). 7.1.6.2 Максимальные и минимальные значения измеряемых параметров должны перекрываться диапазонами СИ: рекомендуется, чтобы максимальному значению измеряемого параметра соответствовало приблизительно 90 % верхнего предела измерений СИ; минимальное значение устанавливают с учетом предела допускаемой погрешности измеряемого параметра. 7.1.6.3 При монтаже СИ для проведения измерений расхода и массы УВС с помощью сужающих устройств руководствуются требованиями раздела 6 ГОСТ 8.563.2, с помощью других ПР - нормативной документацией предприятий-изготовителей. 7.1.6.4 Монтаж, эксплуатация и хранение СИ должны выполняться в соответствии с требованиями технической документации на используемые СИ. 7.2 Блок контроля качества УВС 7.2.1 БКК устанавливают на узлах коммерческого учета и при необходимости на узлах хозрасчетного и технологического учета. Таблица 7.4 - Состав БКК
____________ 1 Помимо СИ, необходимых для измерения показателей качества УВС, в БКК размещают поточные плотномеры с преобразователями давления и температуры, входящие по назначению в СИ параметров потока и среды (которые, за исключением названных, устанавливают в БИЛ, см. 7.1.3). 7.2.2 Требования к БКК 7.2.2.1 Отбор проб УВС проводят во входном или выходном коллекторе. 7.2.2.2 Отбор проб проводят по насосной или безнасосной схеме. Безнасосная схема может быть применена при наличии возможности возврата УВС в трубопровод узла учета с меньшим давлением. 7.2.2.3 Отбор проб должен производиться при скорости потока на входе ПЗУ не более чем в два раза (в большую или меньшую сторону) отличающейся от скорости в коллекторе в месте отбора проб. Требуемому номинальному значению скорости соответствует значение расхода на входе ПЗУ, определяемое по формуле:
где qПЗУ и q - объемные расходы на входе ПЗУ и в коллекторе, в месте отбора проб; FПЗУ и F - площади поперечных сечений входа ПЗУ и коллектора. 7.2.2.4 Расход УВС через поточные преобразователи должен соответствовать требованиям нормативной документации на преобразователи. 7.2.2.5 Отбор проб стабильных УВС проводят в соответствии с ГОСТ 2517, нестабильных - в соответствии с [16]. 7.2.2.6 Внутренний диаметр трубопровода, по которому УВС поступает в БКК и возвращается в коллектор, должен быть не менее 50 мм. 7.2.2.7 Длина пути УВС на участке ее движения от ПР до поточного плотномера (или от плотномера до ПР) должна быть как можно меньше. 7.2.2.8 БКК должен размещаться в отапливаемом помещении. Допускается размещение БКК в общем помещении с БИЛ. 7.2.3 СИ показателей качества. Состав СИ показателей качества регламентируется техническими условиями на данный вид УВС или нормативными документами, указанными в технических условиях. Выбор СИ показателей качества выполняют на стадии проектирования с учетом: - возможности использования поточных СИ; - степени изменения состава среды с течением времени; - сравнительной стоимости реализации способа измерений; - требуемого уровня автоматизации измерений. 7.3 Блок фильтров 7.3.1 БФ устанавливают при необходимости очистки УВС с целью выполнения требований к показателям качества УВС и/или к чистоте среды, обеспечивающей достаточно надежное функционирование СИ. 7.3.2 БФ размещают на входном коллекторе. 7.3.3 БФ должен состоять не менее чем из двух фильтров (рабочего и резервного). Количество и диаметр фильтров должны быть рассчитаны из условия обеспечения максимального расхода через БИЛ при общем перепаде давления на БФ не более 0,05 МПа. 7.3.4 Рекомендуется применять фильтры с быстросъемными крышками, фильтрующими элементами из нержавеющей стали. 7.3.6 До и после каждого из фильтров БФ должна быть установлена запорная арматура. 7.4 Блок рабочего эталона расхода 7.4.1 Состав БРЭР 7.4.1.1 БРЭР устанавливают при необходимости поверки ПР на месте эксплуатации и, если не предусмотрена поверка ПР, с помощью передвижного РЭР. 7.4.1.2 Состав БРЭР для поверки рабочих ПР на месте их эксплуатации приведен в таблице 7.5. Таблица 7.5 - Состав БРЭР
7.4.2 Требования к БРЭР 7.4.2.1 На узлах коммерческого учета для поверки рабочих ПР применяют РЭР 2-го разряда с доверительной относительной погрешностью не более 0,1 % при доверительной вероятности 0,99. В качестве РЭР 2-го разряда применяют: - стационарные или передвижные трубопоршневые установки; - турбинные, камерные, ультразвуковые ПР; - кориолисовы ПР. 7.4.2.2 Для поверки РЭР 2-го разряда применяют РЭР 1-го разряда с доверительной относительной погрешностью до 0,05 % при доверительной вероятности 0,99. В качестве РЭР 1-го разряда применяют стационарные или передвижные трубопоршневые установки в комплекте с преобразователями температуры и давления и системой обработки информации. 7.4.2.3 РЭР подключают на входе или выходе ИЛ. 7.4.2.4 При подключении РЭР на выходе ИЛ должен быть предусмотрен регулятор расхода УВС, установленный за РЭР. 7.4.2.5 Пропускная способность РЭР должна соответствовать полному диапазону расхода ПР. 7.4.2.7 Максимальное допускаемое давление в РЭР должно соответствовать максимальному рабочему давлению в узле учета. 7.4.2.8 БРЭР рекомендуется размещать в помещении. 7.4.2.9 При использовании передвижной трубопоршневой установки необходимо предусмотреть подъездные пути, площадку для размещения установки и возможность ее подключения. 7.4.2.10 Допускается использование одного стационарного РЭР для нескольких узлов учета, расположенных на одной площадке. 7.5 Блок сбора, обработки и передачи информации 7.5.1 Излагаемые ниже требования к БОИ относятся к узлам коммерческого учета. Для узлов хозрасчетного и технологического учета они носят рекомендательный характер. 7.5.2 БОИ является составной частью АСУ ТП объектов добычи и подготовки газа, жидких углеводородов и предназначен для автоматизированного сбора, обработки, отображения, регистрации информации со всех СИ и управления режимами работы узла учета. 7.5.3 БОИ должен обеспечивать: - автоматическое определение массового расхода (в т/ч) и массы (в т) брутто УВС по каждой ИЛ и узлу учета в целом во всем диапазоне изменений расхода УВС; - измерение показателей качества УВС при автоматическом отборе объединенной пробы и ручном отборе точечной пробы; - автоматическое отображение и регистрацию измерительной и технологической информации; - автоматизированное выполнение контроля метрологических характеристик и поверки ПР и поточного плотномера; - автоматический сбор и обработку сигналов, поступающих от всех измерительных преобразователей; - автоматический контроль значений измеряемых величин, включение предупредительной сигнализации при выходе значений измеряемых величин (например расхода по каждой ИЛ, давления в выходном коллекторе, перепада давлений на фильтрах, плотности УВС и разности показаний рабочего и контрольного плотномеров, влагосодержания, давлений и температур в ИЛ, БКК, РЭР); - автоматический контроль и учет состояния технологического оборудования, исполнительных устройств; - автоматическая регистрация отклонений от заданных режимов работы, распознавание аварийных ситуаций и обеспечения срабатывания аварийной защиты; - выработки уставок для работы регуляторов, насосов, управление исполнительными механизмами в автоматическом режиме; - автоматический контроль достоверности информации, правильности выполнения вычислений, команд управления; - автоматическое обнаружение отказов технических и программных средств, нарушений измерительных каналов; - применение паролей для исключения несанкционированного вмешательства и ошибочных действий персонала; - формирование мнемосхем на экране АРМ БОИ; - формирование базы данных; - ведение журнала аварийных и технологических сообщений; - формирование и печать отчетных документов, протоколов поверки и контроля; - вывод информации с БОИ в АСУ ТП (СТМ) по согласованным протоколам обмена. 7.5.4 Рекомендуемая структура программно-технических средств БОИ и объемы параметров контроля и управления представлены в приложении Д. 7.5.5 Связь между уровнями БОИ, а также связь верхнего уровня БОИ с АСУ ТП (СТМ) должна быть реализована по открытым промышленным интерфейсам и стандартным протоколам и осуществляться по физическим, выделенным или коммутируемым каналам связи. Должно быть предусмотрено резервирование наиболее важных каналов управления и связи. 7.5.6. При обнаружении нарушений в измерительных каналах БОИ должно осуществляться диагностирование исправности всех элементов каналов (датчика, соединительных линий, аналого-цифрового преобразователя и т.п.). 7.5.7 БОИ должен иметь резервное электропитание (резервный источник бесперебойного питания), обеспечивающее при нарушении основного электроснабжения непрерывную работу БОИ в течение не менее двух часов. 7.5.8 Для исключения несанкционированного физического доступа к БОИ должна предусматриваться возможность установки клейм и пломб. 8 Рекомендации по выбору средств измерений расхода и плотности8.1 Сравнение преобразователей расхода различных типов Тип ПР выбирают, руководствуясь требованиями к точности измерений, условиями измерений и эксплуатации СИ. Достоинства, недостатки и рекомендации по применению ПР различных типов приведены в таблице Г.1 приложения Г. При выборе типа сужающего устройства рекомендуется ознакомиться с данными, приведенными в таблице Г.2 приложения Г. При выборе СИ расхода рекомендуется использовать, при возможности, специальные компьютерные программы фирм-изготовителей. 8.2 Выбор условного диаметра преобразователя расхода Условный диаметр ПР выбирают с учетом следующих обстоятельств: - чем меньше диаметр ПР, тем больше срок его службы, меньше затраты на обслуживание и ремонт, меньше габариты, масса и стоимость РЭР; рекомендуется выбирать ПР с условным диаметром не более 400 мм; - нижний предел измерения ПР следует определять исходя из предела допускаемой погрешности измерений расхода (погрешность многих типов ПР при расходах менее 5...20 % от максимального расхода существенно возрастает); - скорость потока не должна превышать значений, указанных в 5.2.3. 8.3 Выбор средств измерений плотности Средства измерений плотности выбирают с учетом: - величины регламентированного предела погрешности измерений расхода и массы (см. 6.2); - степени изменения плотности среды с течением времени; - сравнительной стоимости реализации способа измерений; - требуемого уровня автоматизации измерений. 8.4 Оценка затрат Для минимизации затрат, связанных с измерением расхода и количества среды, рекомендуется проводить сравнительную оценку экономических затрат при применении различных типов ПР за срок эксплуатации не менее трех лет. Рекомендуемая форма для сравнительной оценки затрат приведена в виде таблицы Г.3 приложения Г. Приложение А
|
|||||||||||||||||||||||||||||||||||||||||||||||||||||||||||||||||||||||||||||||||||||||||||||||||||||||||||||||||||||||||||||||||||||||||||||||||||||||||||||||||||||||||||||||||||||||||||||||||||||||||||||||||||||||||||||||||||||||||||||||||||||||||||||||||||||||||||||||||||||||||||||||||||||||||||||||||||||||||||||||||||||||||||||||||||||||||||||||||||||||||||||||||||||||||||||||||||||||||||||||||||||||||||||||||||||||||||||||||||||||||||||||||||||||||||||||||||||||||||||||||||||||||||||||||||||||||||||||||||||||||||||||||||||||||||||||||||||||||||||||||||||||||||||||||||||||||||||
|
ПР |
Достоинства |
Недостатки |
Рекомендуется применять на узлах учета |
|
С сужающими устройствами |
- простота, надежность, большая база экспериментальных данных; - не требуются стенды для градуировки и поверки |
- небольшой диапазон измерения расхода; - значительные потери давления на диафрагме; - износ входной кромки диафрагмы; - большие длины прямых участков (кроме труб Вентури) |
хозрасчетного и технологического |
|
С усредняющей напорной трубкой |
- не требуются стенды для поверки; - малые потери давления |
- непригодность при небольших динамических давлениях; - возможность засорения отборов давления, - отсутствие отечественных ПР |
хозрасчетного и технологического |
|
Турбинные |
- широкий диапазон измерения расхода; - небольшие длины прямых участков; - возможность достижения высокой точности |
- необходимость фильтров; - при неисправности ПР возможно уменьшение подачи среды |
хозрасчетного и технологического |
|
Камерные |
- малые длины прямых участков; - возможность достижения высокой точности |
- сравнительно небольшой максимальный расход; - необходимость фильтров; - при неисправности ПР возможно прерывание подачи среды |
коммерческого, хозрасчетного и технологического |
|
Вихревые |
- широкий диапазон измерения; - отсутствие движущихся частей |
- ограничение по числу Рейнольдса менее 103...104; - большие длины прямых участков; - чувствительность к отложениям на обтекаемом теле |
хозрасчетного и технологического |
|
Ультразвуковые |
- широкий диапазон измерения; - малые потери давления; - возможность достижения высокой точности; - высокое быстродействие |
- возможность засорения излучателя и приемника |
коммерческого, хозрасчетного и технологического |
|
Кориолисовы |
- широкий диапазон измерения; - малые потери давления; - высокая точность |
- отсутствие отечественных ПР |
коммерческого и хозрасчетного |
Таблица Г.2 - Достоинства и недостатки сужающих устройств разных типов [17]
|
Типы сужающих устройств |
Достоинства |
Недостатки |
|
Диафрагма |
Просты в изготовлении и монтаже, могут применяться в широком диапазоне чисел Re. Устанавливаются на трубопроводах с внутренним диаметром от 50 до 1000 мм. Для диафрагм с острой входной кромкой погрешность коэффициента истечения меньше, чем у других сужающих устройств |
В процессе эксплуатации неизбежно притупление их входной кромки, что приводит к дополнительной прогрессирующей погрешности, которая может быть существенной для диафрагм с диаметром отверстия менее 100 мм. Потери давления на диафрагмах выше, чем на других сужающих устройствах |
|
Сопло ИСА 1932 |
Обладают стабильными характеристиками при длительной эксплуатации, потери давления на них несколько меньше, чем на диафрагмах. Меньше чем диафрагмы реагируют на турбулентные пульсации потока и обладают меньшей погрешностью от шероховатости трубопровода. В трубопроводах менее 100 мм могут иметь меньшую погрешность, чем диафрагмы за счет отсутствия поправки на остроту кромки |
Сложны в изготовлении. Применяются только на трубопроводах с внутренним диаметром не более 500 мм. Отсутствуют экспериментальные данные по их исследованию при числах Re > 2×106. Основная погрешность коэффициента истечения больше, чем у диафрагм |
|
Труба Вентури |
Обладают стабильными характеристиками при длительной эксплуатации. Потери давления на них значительно меньше, чем на диафрагмах, соплах и соплах Вентури. Требуют короткие длины прямых участков трубопровода. В проточной части отсутствуют застойные зоны, где могут скапливаться осадки. Трубы Вентури со сварным конусом допускаются к применению в трубопроводах с условным диаметром до D=1200 мм |
Сложны в изготовлении и имеют большие размеры. Применяются в узком диапазоне чисел Re |
|
Сопло Вентури |
Обладают стабильными характеристиками при длительной эксплуатации расходомера. Потери давления на них значительно меньше, чем на диафрагмах и соплах ИСА 1932. Отсутствует необходимость коррекции показаний расходомера в зависимости от числа Re |
Сложны в изготовлении. Имеют узкий диапазон применения по числам Re. Имеют большую погрешность коэффициента истечения |
Таблица Г.3 - Форма для сравнительной оценки затрат, связанных с измерением расхода и количества среды
|
Тип ПР |
Внутренний диаметр ИЛ, мм |
Цена ПР, руб. |
Цена остальных СИ, руб. |
Монтаж, руб. |
Эксплуатационные расходы, руб. |
Потери из-за погрешности, руб. |
Общие расходы, руб. |
|
А |
|
|
|
|
|
|
|
|
Б |
|
|
|
|
|
|
|
|
В |
|
|
|
|
|
|
|
|
А |
|
|
|
|
|
|
|
|
Б |
|
|
|
|
|
|
|
|
В |
|
|
|
|
|
|
Излагаемые ниже рекомендации относятся к узлам коммерческого учета.
Д.1 Структура программно-технических средств БОИ
Д.1.1 Программно-технические средства (ПТС) БОИ имеют двухуровневую функционально распределенную структуру, представленную на рисунке Д.1.

Рисунок Д.1 - Структура ПТС БОИ
Д.1.2 Конструктивное исполнение ПТС БОИ должно соответствовать современным требованиям эстетики и эргономики, а также требованиям безопасности.
Компоновка устройств должна обеспечивать простоту и удобство управления и восприятия информации в оперативном управлении и отображении процесса измерения.
Д.1.3 Объемы контроля и управления на уровнях БОИ и передаваемых из БОИ в АСУ ТП (СТМ) представлены в таблице Д.1.
Таблица Д.1 - Объемы контроля и управления БОИ
|
Функции и параметры |
Объемы контроля и управления по уровням |
||
|
БОИ |
АСУ ТП (СТМ) |
||
|
нижний уровень |
верхний уровень |
||
|
Измерение: |
|
|
|
|
расхода в БИЛ |
+ |
+ |
+ |
|
расхода в БКК |
+ |
+ |
+ |
|
давления на входе узла |
+ |
+ |
+ |
|
давления в БИЛ |
+ |
+ |
+ |
|
давления на выходе узла |
+ |
+ |
+ |
|
температуры на входе узла |
+ |
+ |
+ |
|
температуры в БИЛ |
+ |
+ |
+ |
|
температуры на выходе узла |
+ |
+ |
+ |
|
плотности УВС |
+ |
+ |
+ |
|
компонентного состава УВС |
+ |
+ |
+ |
|
давления УВС на входе РЭР |
+ |
|
|
|
давления УВС на выходе РЭР |
+ |
|
|
|
температуры УВС на входе РЭР |
+ |
|
|
|
температуры УВС на выходе РЭР |
+ |
|
|
|
расхода через поверяемый ПР |
+ |
|
|
|
расхода через РЭР |
+ |
|
|
|
Контроль положения крана: |
|
|
|
|
на входе узла |
+ |
+ |
+ |
|
на выходе узла |
+ |
+ |
+ |
|
на входе ИЛ |
+ |
+ |
+ |
|
на выходе ИЛ |
+ |
+ |
+ |
|
Контроль состояния: |
|
|
|
|
насосов БКК |
+ |
+ |
+ |
|
элементов вентиляции |
+ |
+ |
+ |
|
Сигнализация: |
|
|
|
|
об отклонениях измеряемых параметров |
+ |
+ |
+ |
|
о взрывоопасной концентрации газа |
+ |
+ |
+ |
|
о пожаре в технологическом помещении |
+ |
+ |
+ |
|
Управление: |
|
|
|
|
краном на входе узла |
+ |
+ |
+ |
|
краном на выходе узла |
+ |
+ |
+ |
|
краном на входе ИЛ |
+ |
+ |
+ |
|
краном на выходе ИЛ |
+ |
+ |
+ |
|
насосами БКК |
+ |
+ |
+ |
|
вентиляцией |
+ |
+ |
+ |
|
запорной арматурой переключения ИЛ на РЭР |
+ |
+ |
|
|
циклом поверки РЭР |
+ |
+ |
|
|
Регулирование: |
|
|
|
|
расхода на выходе узла |
+ |
+ |
+ |
|
расхода в БКК |
+ |
+ |
+ |
|
производительности насосов БКК |
+ |
+ |
+ |
|
расхода УВС через ПР и РЭР |
+ |
+ |
|
|
Защита насосов БКК от превышения температуры подшипников и давления на выходе |
+ |
+ |
+ |
Д.2 Состав и функции верхнего уровня БОИ
Д.2.1 Верхний уровень БОИ представляет собой автоматизированное рабочее место (АРМ) на базе персонального компьютера, включающий в свой состав:
- оперативное запоминающее устройство;
- накопитель на жестких магнитных дисках;
- сетевой порт Ethernet;
- коммуникационную плату последовательного интерфейса;
- устройство чтения (и записи) компакт-дисков;
- цветной монитор;
- принтер;
- операционную систему.
Технические характеристики компонентов АРМ определяются при проектировании узла учета.
Д.2.2 Функции верхнего уровня БОИ приведены в таблице Д.2.
Таблица Д.2 - Функции верхнего уровня БОИ
|
Функции |
Функциональные задачи |
Режим и регламент выполнения |
|
Обработка результатов измерений основных и дополнительных параметров потока и среды |
Периодический опрос контроллеров Прием, обработка и отображение измеряемых параметров Определение и учет массы УВС за отдельные периоды (2 часа, смену, сутки). |
Автоматический с периодом опроса контроллеров |
|
Сигнализация состояний исполнительных механизмов |
Периодический опрос контроллеров. Прием и отображение сигналов состояний исполнительных механизмов, электроприводной арматуры и силового оборудования. Учет наработки оборудования |
Автоматический с периодом опроса контроллеров |
|
Сигнализация отклонения параметров, аварийная сигнализация |
Периодический опрос контроллеров. Проверка измеряемых параметров на заданные предупредительные и аварийные границы. Звуковое и визуальное оповещение персонала узла учета |
Автоматический с периодом опроса контроллеров |
|
Дистанционное управление исполнительными механизмами |
Прием заданий и команд от оператора. Формирование и выдача заданий регуляторам. Формирование и выдача управляющих команд на исполнительные механизмы, электроприводную арматуру и силовое оборудование |
Автоматический и по инициативе оператора |
|
Аварийная защита БОИ |
Выработка управляющих команд на исполнительные механизмы, электроприводную арматуру и силовое оборудование при аварийных отклонениях параметров |
Автоматический и по инициативе оператора |
|
Диагностика оборудования, СИ и автоматики БОИ |
Контроль состояния и работоспособности оборудования, СИ и автоматики БОИ, в том числе связей между компонентами БОИ и с АСУ ТП (СТМ). Формирование сигналов о неисправностях |
Автоматический и по инициативе оператора |
|
Формирование базы данных |
Архивирование данных. Ведение журнала технологических и аварийных сообщений (переключения, аварийные сигналы, сообщения об ошибках и отказах) |
Автоматический по мере поступления информации |
|
Формирование и печать оперативных и отчетных документов |
Формирование документов по архивным данным. Формирование актов сдачи-приема УВС. Вывод документов на печать |
Автоматический в заданное время и по запросу оператора |
|
Защита информации от несанкционированного доступа |
Регистрация персонала по личному коду и паролю Проверка регистрации персонала перед выдачей информации и выполнением команд управления |
Автоматический |
|
Обмен информацией с АСУ ТП (СТМ) |
Формирование информации для передачи в АСУ ТП (СТМ). Передача информации в АСУ ТП (СТМ) |
Автоматический с заданной периодичностью и при поступлении запроса из АСУ ТП (СТМ) |
Д.3 Состав и функции нижнего уровня БОИ
Д.3.1 Нижний уровень БОИ включает в себя:
- контроллер расхода (рабочий и, при необходимости повышения надежности, резервный) со своим программным обеспечением;
- программируемый логический контроллер со своим программным обеспечением;
- контроллер РЭР (специализированный контроллер расхода в комплекте с БРЭР).
Д.3.1.1 Контроллер расхода предназначен:
- для измерения основных параметров потока и среды;
- расчета расхода и массы УВС по каждой ИЛ и узлу учета в целом;
- индикации и сигнализации о выходе значений основных параметров потока и среды за допустимые границы;
- контроля достоверности измерений и исправности датчиков.
Д.3.1.2 Программируемый логический контроллер предназначен:
- для измерения, индикации и сигнализации состояний исполнительных механизмов и силового оборудования;
- измерения дополнительных параметров потока и среды;
- индикации и сигнализации о выходе значений дополнительных параметров потока и среды за допустимые границы;
- формирования расчетных параметров;
- выдачи управляющих сигналов на исполнительные механизмы;
- анализа входных данных с целью выявления нарушений технологического регламента и аварийных ситуаций;
- выполнения алгоритмов противоаварийной защиты и блокировок;
- выполнения алгоритмов логического управления технологическим процессом, пуска и остановки оборудования.
Д.3.1.3 Контроллер РЭР предназначен для обеспечения автоматической поверки рабочих и контрольных ПР.
Д.3.2 Функции нижнего уровня БОИ приведены в таблице Д.3.
Таблица Д.3 - Функции нижнего уровня БОИ
|
Функции |
Функциональные задачи |
Режим и регламент выполнения |
|
Измерение и первичная обработка основных и дополнительных параметров потока и среды |
Прием и аналого-цифровое преобразование сигналов от датчиков Вычисление массы УВС Передача текущих значений измеряемых параметров на верхний уровень БОИ |
Автоматический в режиме реального времени |
|
Контроль состояний исполнительных механизмов |
Прием и цифровое преобразование сигналов от датчиков состояния исполнительных механизмов, электроприводной арматуры и силового оборудования Передача текущих значений состояний исполнительных механизмов на верхний уровень БОИ |
Автоматический в режиме реального времени |
|
Аварийная сигнализация |
Прием и цифровое преобразование сигналов от датчиков пожарной сигнализации, контроля загазованности, охранной сигнализации Передача сигналов на верхний уровень БОИ |
Автоматический в режиме реального времени |
|
Управление исполнительными механизмами |
Прием управляющих команд и уставок регуляторов с верхнего уровня Передача командных сигналов на исполнительные механизмы (включение, выключение измерительных линий БИЛ, а также выполнение последовательного включения рабочих ИЛ и контрольной ИЛ) |
Автоматический и по командам с верхнего уровня |
|
Регулирование режима работы ПР и БКК по расходу |
Прием и обработка уставок и управляющих воздействий на регулирующие устройства с верхнего уровня Поддержание режимных параметров в заданных технологических границах по соответствующим алгоритмам |
Автоматический и по командам с верхнего уровня |
|
Аварийная защита узла учета |
Включение и контроль отработки алгоритма аварийной защиты |
Автоматический или по командам с верхнего уровня |
|
Выполнение метрологических функций |
Контроль метрологических характеристик рабочих и резервных преобразователей расхода по контрольному (резервно-контрольному) Поверка рабочих и резервных преобразователей расхода по поверочной установке Оформление и печать протоколов |
Автоматизированный, по запросу с верхнего уровня |
Д.4 Требования к информационному и программному обеспечению БОИ
Д.4.1 Значения измеряемых и вносимых параметров и коэффициентов, а также все справочные данные должны быть защищены от несанкционированного изменения.
БОИ должен обеспечивать хранение архивов информации в течение следующих сроков:
- протоколы событий, графики - 1 месяц;
- данные оперативной информации за 2 часа, отчеты за смену, сутки - 3 месяца,
- месячные отчеты - 1 год;
- паспорта качества, акты приема-сдачи УВС - 3 месяца.
Д.4.2 При отображении и выводе на печать числовых данных необходимо руководствоваться указаниями, приведенными в таблице Д.4.
Таблица Д.4 - Необходимое количество значащих цифр или цифр после запятой
|
Параметр |
Единица величины |
Количество цифр после запятой |
Количество значащих цифр |
|
Температура |
°С |
1 |
- |
|
Давление |
МПа |
- |
4 |
|
Перепад давлений |
МПа |
- |
4 |
|
Плотность |
кг/м3 |
- |
4 или 51 |
|
Положение трубопроводной арматуры |
% |
0 |
- |
|
Масса |
т |
1 |
- |
|
Объем |
м3 |
1 |
- |
|
Массовый расход |
т/ч |
- |
4 или 51 |
|
Объемный расход |
м3/ч |
- |
4 или 51 |
_________________
1 Четыре значащих цифры в случае предела допускаемой погрешности массового расхода и массы 1 % или более, пять - в случае предела допускаемой погрешности менее 1 %.
Д.4.3 При отображении на мнемосхеме состояния оборудования и СИ цвета индикации необходимо руководствоваться указаниями, приведенными в таблице Д.5.
Таблица Д.5 - Обозначение состояний оборудования и СИ на мнемосхеме
|
Состояние объекта |
Цвет |
|
Рабочее состояние, объект включен, открыто (для запорной арматуры) |
Зеленый |
|
Закрыто (для запорной арматуры) |
Желтый |
|
Объект отключен |
Красный |
|
Аварийное состояние объекта |
Красный мигающий |
|
Объект в ремонте |
Коричневый |
|
Неопределенное состояние объекта |
Серый |
|
Снятое СИ |
Синий |
Д.4.4 БОИ должен поставляться в комплекте с базовым программным обеспечением для выполнения следующих функций и задач:
- конфигурирование, параметрирование и настройка контроллеров;
- установка коммуникационных соединений между контроллерами, СИ, исполнительными механизмами, датчиками систем безопасности и АСУ ТП;
- программирование функциональных задач;
- автоматическая загрузка, автоматический перезапуск системы при сбоях или потере питания;
- тестирование, диагностика и обслуживание СИ и ПТС,
- визуализация, документирование и архивирование данных.
Д.4.5 Программное обеспечение БОИ должно быть открытым для пользователя. Открытость программного обеспечения должна быть ограничена парольной системой доступа для различного уровня доступа.
Программные средства БОИ должны обеспечивать внесение необходимых изменений и дополнений в функции и параметры в процессе наладки и эксплуатации, а также при возможном изменении требований нормативных документов.
|
[1] Рекомендация МИ 2825-2003. ГСИ |
Системы измерений количества и показателей качества нефти. Метрологические и технические требования к проектированию |
|
[2] Рекомендации по межгосударственной стандартизации РМГ 29-99. ГСИ |
Метрология. Основные термины и определения |
|
[3] Технические условия ТУ 38.101524-93 |
Фракция широкая легких углеводородов. Технические условия |
|
[4] Стандарт предприятия СТП 05751745-112-2004 |
Нефть деэтанизированная. Технические условия |
|
[5] Международный стандарт ИСО 5167-1:2003 |
Измерение потока текучей среды с помощью устройств для создания перепада давления, помещенных в заполненные трубопроводы круглого сечения. Часть 1. Общие принципы и требования |
|
[6] Ведомственный руководящий документ ВРД 39-1.10-049-2001 |
Правила технической и безопасной эксплуатации конденсатопродуктопроводов |
|
[7] Ведомственный руководящий документ ВРД 39-1.14-021-2001 |
Единая система управления охраной труда и промышленной безопасности в Открытом акционерном обществе "Газпром" |
|
[8] Правила безопасности |
Правила безопасности в нефтяной и газовой промышленности |
|
[9] Правила безопасности |
Правила устройства и безопасной эксплуатации сосудов, работающих под давлением |
|
[10] Правила технической эксплуатации электроустановок потребителей. Утверждены Приказом от 13.01.03 № 6 Минэнерго России |
|
|
[11] Правила по охране труда (РД 153-34.0-03.150-00) |
Межотраслевые правила по охране труда (правила безопасности) при эксплуатации электроустановок |
|
[12] Идельчик И.Е. Справочник по гидравлическим сопротивлениям. - М: Машиностроение, 1992 |
|
|
[13] Правила по метрологии ПР 50.2.009-94 ГСИ |
Порядок проведения испытаний и утверждения типа средств измерений |
|
[14] Строительные нормы и правила Российской Федерации |
Тепловая изоляция оборудования и трубопроводов |
|
[15] ГСИ. Водяные системы теплоснабжения. Методические указания по метрологическому обслуживанию коммерческих узлов учета тепловой энергии и теплоносителя. Часть 2. Метрологическое обслуживание термопреобразователей сопротивления и их согласованных пар для узлов учета тепловой энергии. - СПб.: ВНИИМ, 1998 |
|
|
[16] Руководящий документ ММ 51-00159093-004-02 |
Нестабильные жидкие углеводороды. Методы отбора проб |
|
[17] Смирнов В.В., Личко А. А., Смирнов И.В. и др. Теория и практика применения расходомеров с сужающими устройствами. Обз. инф. Приложение к журналу "Наука и техника в газовой промышленности". - М., ИРЦ Газпром, 2004 |
|
Ключевые слова узел учета, требования, жидкие углеводородные среды, расход, масса, средства измерений
|
ГОСТЫ, СТРОИТЕЛЬНЫЕ и ТЕХНИЧЕСКИЕ НОРМАТИВЫ. Некоммерческая онлайн система, содержащая все Российские Госты, национальные Стандарты и нормативы. В Системе содержится более 150000 файлов нормативно-технической документации, действующей на территории РФ. Система предназначена для широкого круга инженерно-технических специалистов. Copyright © www.gostrf.com, 2008 - 2026 |