Крупнейшая бесплатная информационно-справочная система онлайн доступа к полному собранию технических нормативно-правовых актов РФ. Огромная база технических нормативов (более 150 тысяч документов) и полное собрание национальных стандартов, аутентичное официальной базе Госстандарта. GOSTRF.com - это более 1 Терабайта бесплатной технической информации для всех пользователей интернета. Все электронные копии представленных здесь документов могут распространяться без каких-либо ограничений. Поощряется распространение информации с этого сайта на любых других ресурсах. Каждый человек имеет право на неограниченный доступ к этим документам! Каждый человек имеет право на знание требований, изложенных в данных нормативно-правовых актах!

  


 

МЕЖГОСУДАРСТВЕННЫЙ СОВЕТ ПО СТАНДАРТИЗАЦИИ, МЕТРОЛОГИИ И СЕРТИФИКАЦИИ
(МГС)

INTERSTATE COUNCIL FOR STANDARDIZATION, METROLOGY AND CERTIFICATION
(ISC)

МЕЖГОСУДАРСТВЕННЫЙ
СТАНДАРТ

ГОСТ ИСО
4252-
2005

Тракторы сельскохозяйственные

РАБОЧЕЕ МЕСТО ОПЕРАТОРА, ВХОД И ВЫХОД

Размеры

ISO 4252:1992
Agricultural tractors - Operator's workplace, access and exit – Dimensions

(IDT)

Москва

Стандартинформ

2010

Предисловие

Цели, основные принципы и основной порядок проведения работ по межгосударственной стандартизации установлены ГОСТ 1.0-92 «Межгосударственная система стандартизации. Основные положения» и ГОСТ 1.2-2009 «Межгосударственная система стандартизации. Стандарты межгосударственные, правила и рекомендации по межгосударственной стандартизации. Порядок разработки, принятия, применения, обновления и отмены»

Сведения о стандарте

1 ПОДГОТОВЛЕН Техническим комитетом по стандартизации Республики Беларусь ТК 11 «Тракторы и машины для сельскохозяйственных работ и лесоводства» на основе собственного аутентичного перевода стандарта, указанного в пункте 4

2 ВНЕСЕН Государственным комитетом по стандартизации Республики Беларусь

3 ПРИНЯТ Межгосударственным советом по стандартизации, метрологии и сертификации (протокол № 27 от 22 июня 2005 г.)

За принятие стандарта проголосовали:

Краткое наименование страны по МК (ИСО 3166) 004-97

Код страны по МК (ИСО 3166) 004-97

Сокращенное наименование национального органа по стандартизации

Азербайджан

AZ

Азстандарт

Армения

AM

Минэкономики Республики Армения

Беларусь

BY

Госстандарт Республики Беларусь

Казахстан

KZ

Госстандарт Республики Казахстан

Кыргызстан

KG

Кыргызстандарт

Молдова

MD

Молдова-Стандарт

Российская Федерация

RU

Федеральное агентство по техническому регулированию и метрологии

Таджикистан

TJ

Таджикстандарт

Туркменистан

TM

Главгосслужба «Туркменстандартлары»

Узбекистан

UZ

Узстандарт

Украина

UA

Госпотребстандарт Украины

4 Настоящий стандарт идентичен международному стандарту ИСО 4252:1992 «Тракторы сельскохозяйственные. Рабочее место оператора, вход и выход. Размеры» (ISO 4252:1992 «Agricultural tractors - Operator's workplace, access and exit - Dimensions», IDT). При применении настоящего стандарта рекомендуется использовать вместо ссылочных международных стандартов соответствующие им межгосударственные стандарты, сведения о которых приведены в дополнительном приложении А

5 УТВЕРЖДЕН И ВВЕДЕН В ДЕЙСТВИЕ Приказом Федерального агентства по техническому регулированию и метрологии от 9 февраля 2010 г. № 4-ст

6 ВВЕДЕН ВПЕРВЫЕ

Информация о введении в действие (прекращении действия) настоящего стандарта публикуется в указателе «Национальные стандарты».

Информация об изменениях к настоящему стандарту публикуется в указателе «Национальные стандарты», а текст изменений - в информационных указателях «Национальные стандарты». В случае пересмотра или отмены настоящего стандарта соответствующая информация будет опубликована в информационном указателе «Национальные стандарты»

Содержание

ГОСТ ИСО 4252-2005

МЕЖГОСУДАРСТВЕННЫЙ СТАНДАРТ

Тракторы сельскохозяйственные

РАБОЧЕЕ МЕСТО ОПЕРАТОРА, ВХОД И ВЫХОД

Размеры

Agricultural tractors.
Operator's workplace, access and exit. Dimensions

Дата введения - 2010-07-01

1 Область применения

Настоящий стандарт устанавливает:

a) минимальные размеры дверных проемов;

b) количество, расположение и минимальные размеры аварийных выходов;

c) минимальные размеры внутреннего рабочего пространства оператора.

Стандарт распространяется на сельскохозяйственные тракторы с размером колеи свыше 1150 мм.

2 Нормативные ссылки

Следующие стандарты содержат положения, которые посредством ссылки в тексте составляют положения настоящего стандарта. На время публикации указанные издания являлись действующими. Все стандарты подлежат пересмотру, и сторонам соглашений, основанных на настоящем стандарте, рекомендуется изыскать возможность применения последних изданий стандартов, приведенных ниже. Члены МЭК и ИСО ведут и корректируют перечни действующих международных стандартов.

ИСО 4253:1993 Тракторы сельскохозяйственные. Расположение сиденья оператора. Размеры

ИСО 5353:1995 Машины землеройные, тракторы и машины для сельскохозяйственных работ и лесоводства. Контрольная точка сиденья*

* На территории Российской Федерации действует ГОСТ 27715-88.

3 Термины и определения

В настоящем стандарте применены следующие термины с соответствующими определениями.

3.1 аварийный выход (emergency exit): Средства выхода, которые можно открыть изнутри кабины; это может быть обычная входная дверь.

3.2 входная дверь (access door [doorway]): Средство входа на рабочее место или в кабину и выхода из нее.

4 Входная дверь (двери)

Минимальные размеры дверного проема, а также проема с полностью открытой дверью должны соответствовать приведенным на рисунках 1 и 2.

Примечание - Для тракторов, у которых оператор может сесть на сиденье непосредственно со ступени, высота, на которой измеряется ширина проема, может быть уменьшена.

Рисунок 1 - Размеры дверного проема

1 - минимальный размер в соответствии с рисунком 1

Рисунок 2 - Примеры ограничения размеров проема с открытой дверью

5 Аварийные выходы

5.1 Количество и расположение

Кабины должны иметь не менее трех аварийных выходов, каждый из которых должен находиться на разных сторонах кабины; в данном случае передняя часть, задняя часть и крыша кабины могут рассматриваться как стороны.

5.2 Размеры

Размеры аварийных выходов должны быть достаточно большими, чтобы в их поперечное сечение вписывался эллипс с главными осями 640 и 440 мм.

6 Размеры внутреннего рабочего пространства оператора

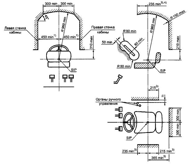
6.1 Минимальные размеры внутреннего рабочего пространства оператора должны соответствовать приведенным в таблице 1 и на рисунке 3.

Эти размеры определяются относительно вертикальной плоскости отсчета, которая обычно расположена вдоль трактора и проходит через контрольную точку сиденья и центр рулевого колеса.

Примечание 1 - Размеры действительны для кабин только с одним сиденьем оператора.

6.2 Контрольную точку сиденья (SIP) определяют по ИСО 5353.

6.3 Расстояния от контрольной точки сиденья до педалей и рулевого колеса приведены в ИСО 4253.

Таблица 1 - Минимальные размеры внутреннего пространства

Наименование параметра

Значение параметра, не менее, мм

Расстояние от контрольной точки сиденья до любой части потолочной поверхности кабины, части, находящейся над, перед и с обеих сторон от головы оператора1)

960

Расстояние от контрольной точки сиденья до задней стенки кабины на высоте 210 мм относительно контрольной точки сиденья и линией крыши, определенное радиусом 960 мм и радиусом сопряжения 150 мм2)

365

Боковое свободное пространство на любом расстоянии, начиная от 310 мм над контрольной точкой сиденья и до линии крыши, определенной радиусом 960 мм и линией под углом 45°, перпендикулярной к вертикальной плоскости отсчета, на расстоянии 235 мм2) перед контрольной точкой сиденья и 215 мм2) позади ее

450

Расстояние от внешней стороны обода рулевого колеса до поверхности кабины или других органов ручного управления 3)

80

1) Мягкие материалы, например обивочный материал, могут проникать в свободное пространство не более чем на 50 мм.

2) Если предусмотренная продольная регулировка сиденья в горизонтальной плоскости превышает ± 75 мм от среднего положения, то в этом случае все размеры впереди от контрольной точки сиденья должны быть уменьшены, а размеры сзади от контрольной точки сиденья - увеличены исходя из следующего: общая регулировка назад от среднего положения сиденья минус 75 мм.

3) За исключением органов ручного управления, установленных на рулевой колонке.

________________________

1) Действительно только для тракторов с одним постом управления.

2) См. таблицу 2.

3) Если предусмотренная продольная регулировка сиденья в горизонтальной плоскости превышает ± 75 мм от среднего положения, то в этом случае все размеры впереди от контрольной точки сиденья должны быть уменьшены, а размеры сзади от контрольной точки сиденья - увеличены исходя из следующего: общая регулировка назад от среднего положения сиденья минус 75 мм.

4) Свободная зона, определяемая в данной области радиусом 960 мм, может быть уменьшена для кабин в тех случаях, когда предельные максимальные габаритные размеры трактора исключительно важны для проектирования и/или для установки специального оборудования, монтируемого на крыше кабины.

Рисунок 3 - Минимальные размеры внутреннего рабочего пространства оператора

Таблица 2 - Свободные расстояния вокруг органов управления

Орган управления

Значение1), мм, не менее

Для органов управления двигателем и органов управления, для которых необходимо усилие перемещения более 150 Н

50

Для органов управления, кроме органов управления двигателем, для которых необходимо усилие перемещения от 80 до 150 Н

25

1) Данные минимальные расстояния должны выдерживаться для всех положений органов управления.

Приложение А
(справочное)

Сведения о соответствии межгосударственных стандартов ссылочным международным стандартам

Обозначение ссылочного международного стандарта

Обозначение и наименование соответствующего межгосударственного стандарта

ИСО 4253:1993

ГОСТ ИСО 4253-2005 Тракторы сельскохозяйственные. Расположение сиденья оператора. Размеры

ИСО 5353:1995

ГОСТ ИСО 5353-2003 Машины землеройные, тракторы и машины для сельскохозяйственных работ и лесоводства. Контрольная точка сиденья

Ключевые слова: сельскохозяйственные машины, сельскохозяйственные тракторы, кабины, выходы, запасные выходы, технические требования, размеры

 

 




ГОСТЫ, СТРОИТЕЛЬНЫЕ и ТЕХНИЧЕСКИЕ НОРМАТИВЫ.
Некоммерческая онлайн система, содержащая все Российские Госты, национальные Стандарты и нормативы.
В Системе содержится более 150000 файлов нормативно-технической документации, действующей на территории РФ.
Система предназначена для широкого круга инженерно-технических специалистов.

Рейтинг@Mail.ru Яндекс цитирования

Copyright © www.gostrf.com, 2008 - 2026