Крупнейшая бесплатная информационно-справочная система онлайн доступа к полному собранию технических нормативно-правовых актов РФ. Огромная база технических нормативов (более 150 тысяч документов) и полное собрание национальных стандартов, аутентичное официальной базе Госстандарта. GOSTRF.com - это более 1 Терабайта бесплатной технической информации для всех пользователей интернета. Все электронные копии представленных здесь документов могут распространяться без каких-либо ограничений. Поощряется распространение информации с этого сайта на любых других ресурсах. Каждый человек имеет право на неограниченный доступ к этим документам! Каждый человек имеет право на знание требований, изложенных в данных нормативно-правовых актах!

  


 

I. СПРАВОЧНАЯ ИНФОРМАЦИЯ

ИНВЕРСИОННЫЕ КРОВЛИ

Потенциальный срок службы большинства плоских рулонных кровель с учетом воздействия температурных, влажностных и механических воздействий составляет 10-12 лет. Одним из перспективных способов продления безремонтного срока службы плоских кровель считается применение инверсионной кровли. Свое название они получили от латинского слова inversio - переворачивание, перестановка, так как ее конструкция перевернута по сравнению с традиционной кровлей. Гидроизоляционный слой располагается под слоем утеплителя непосредственно на поверхности железобетонного покрытия (основания кровли), выполняя одновременно роль пароизоляции.

Инверсионные кровли были разработаны с появлением экструдированного пенополистирола, выпускаемого в России под торговой маркой «ПЕНОПЛЭКС», состоящего из равномерно распределенных закрытых (замкнутых) ячеек. Пеноплэкс не впитывает воду, не набухает и не дает усадки, что позволяет укладывать его при неблагопрятных погодных условиях, обладает большой механической прочностью, химически стоек и не подвержен гниению. Плиты пеноплекса свободно укладываются на слой гидроизоляции и пригружаются слоем гравия (рис. 1), минимальной толщиной 50 мм.

Рис. 1

1 - железобетонная плита покрытия; 2 - уклонообразующий слой; 3 - грунтовка для гидроизоляции из наплавляемых материалов или геотекстиль для гидроизоляции из ПВХ-мембраны; 4 - гидроизоляция из наплавляемых материалов или ПВХ-мембраны; 5 - геотекстиль; 6 - утеплитель ПЕНОПЛЭКС; 7 - геотекстиль; 8 - пригрузочный слой из гравия.

Механическое крепление теплоизоляционных плит на инверсионной кровле невозможно. Допускается частичное приклеивание теплоизоляции к гидроизоляционному ковру специальными мастиками точечно или полосами, но это препятствует свободному водостоку с поверхности гидроизоляции. Чтобы мелкие частички песка из гравия не попали в теплоизоляционный слой, между ними прокладывают разделительный слой из геотестиля. Утеплитель защищает гидроизоляцию от внешних температурных воздействий, ультрафиолетового солнечного излучения и любых механических воздействий при проведении строительных работ и последующей эксплуатации. Сочетание этих качеств позволяет инверсионной кровле служить до 30 лет.

Для создания гидроизоляционного ковра используют рулонные наплавляемые или полимерные материалы. Наплавляемые материалы укладывают на уклонообразующую стяжку из цементно-песчаного раствора или легкого бетона, обеспечивающую сток воды, и выполненную по железобетонному перекрытию.

В качестве основания под инверсионную кровлю может применяться и профнастил. В этом случае по профнастилу укладывают листовой материал толщиной не менее 12 мм, например стекломагнезит, асбоцементный лист или цементно-стружечная плита. Такого рода основания являются прочными в отличие от традиционного основания по минераловатным плитам, подверженного образованию трещин. При использовании полимерных материалов сверху поверхности стяжки укладывают слой геотекстиля. Слой геотекстиля укладывается также между гидроизоляцией и плитами утеплителя.

Применение конструкции плит утеплителя со ступенчатым торцом «в четверть» исключает возникновение мостика холода. Рекомендуется укладывать утеплитель только в один слой. При двухслойной укладке плит между двумя слоями при осадках образуется слой воды, который с одной стороны, в небольших объемах поглощается утеплителем, снижая его теплоизолирующие свойства, а с другой стороны, препятствует испарению воды с гидроизоляционного слоя. Инверсионные кровли применяются как для нового строительства, так и при ремонте кровель.

При реконструкции или ремонте кровли пенополистирольные плиты могут использоваться повторно. Для кровель, не выдерживающих нагрузки от гравия (50 мм - минимум 90 кг/м2), применяют специальные теплоизоляционные плиты с заводским покрытием из строительного раствора толщиной примерно в 1 см. Нагрузка снижается до 10÷25 кг/м2. Дополнительного пригруза не требуется.

Так называемая «двойная» кровля сочетает в себе преимущества обычной совмещенной и инверсионной кровли. Для уменьшения теплопотерь при попадании влаги на гидроизоляционный ковер, утеплитель разделяют на 2 слоя. Первый слой толщиной примерно 20% от общей толщины утеплителя кладется на покрытие с устройством пароизоляции. По нему укладывается гидроизоляция, а сверху - остальные 80% утеплителя.

При устройстве озеленяемых инверсионных кровель (рис. 2) слой растительного грунта размещается над дренажным слоем. Самый простой дренажный слой - из гравия, но для наилучшего произрастания растений лучше применять материалы, которые способны аккумулировать в себе влагу, а потом постепенно отдавать ее растениям. Другая особенность озеленяемых кровель - необходимость защиты утеплителя и гидроизоляционного ковра от корней растений, для чего используется специальный противокорневой материал.

Рис. 2

1 - железобетонная плита покрытия; 2 - уклонообразующий слой; 3 - грунтовка для гидроизоляции из наплавляемых материалов или геотекстиль для гидроизоляции из ПВХ-мембраны; 4 - гидроизоляция из наплавляемых материалов или ПВХ-мембраны; 5 - геотекстиль; 6 - утеплитель ПЕНОПЛЭКС; 7 - геотекстиль; 8 - противокорневой слой; 9 - защитный слой; 10 - геотекстиль; 11 - дренажный слой из гравия; 12 - геотекстиль; 13 - земля растительная; 14 - растительный слой.

В том случае, если инверсионную кровлю делают эксплуатируемой, предусматривается защитное покрытие из тротуарных плит (рис. 3).

Кроме положительных качеств инверсионная кровля имеет и недостатки. Из-за охлаждения утеплителя осадками толщина слоя пенополистирола должна быть на 5-20% больше, чем в традиционной кровле. При обнаружении протечек для ремонта гидроизоляции кроме гравия и разделительного слоя

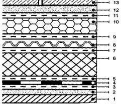
Рис. 3

1 - железобетонная плита покрытия; 2 - уклонообразующий слой; 3 - грунтовка для гидроизоляции из наплавляемых материалов или геотекстиль для гидроизоляции из ПВХ-мембраны; 4 - гидроизоляция из наплавляемых материалов или ПВХ-мембраны; 5 - геотекстиль; 6 - утеплитель ПЕНОПЛЭКС; 7 - геотекстиль; 8 - защитный слой; 9 - геотекстиль; 10 - дренажный слой из гравия; 11 - геотекстиль; 12 - цементно-песчаный раствор с сеткой; 13 - плитка тротуарная.

 

Журнал «Ценообразование и сметное нормирование в строительстве», №1, январь 2010 г.

 

 




ГОСТЫ, СТРОИТЕЛЬНЫЕ и ТЕХНИЧЕСКИЕ НОРМАТИВЫ.
Некоммерческая онлайн система, содержащая все Российские Госты, национальные Стандарты и нормативы.
В Системе содержится более 150000 файлов нормативно-технической документации, действующей на территории РФ.
Система предназначена для широкого круга инженерно-технических специалистов.

Рейтинг@Mail.ru Яндекс цитирования

Copyright © www.gostrf.com, 2008 - 2026