Крупнейшая бесплатная информационно-справочная система онлайн доступа к полному собранию технических нормативно-правовых актов РФ. Огромная база технических нормативов (более 150 тысяч документов) и полное собрание национальных стандартов, аутентичное официальной базе Госстандарта. GOSTRF.com - это более 1 Терабайта бесплатной технической информации для всех пользователей интернета. Все электронные копии представленных здесь документов могут распространяться без каких-либо ограничений. Поощряется распространение информации с этого сайта на любых других ресурсах. Каждый человек имеет право на неограниченный доступ к этим документам! Каждый человек имеет право на знание требований, изложенных в данных нормативно-правовых актах!

  


 

МЕЖГОСУДАРСТВЕННЫЙ СОВЕТ ПО СТАНДАРТИЗАЦИИ, МЕТРОЛОГИИ И СЕРТИФИКАЦИИ
(МГС)

INTERSTATE COUNCIL FOR STANDARDIZATION, METROLOGY AND CERTIFICATION
(ISC)

МЕЖГОСУДАРСТВЕННЫЙ
СТАНДАРТ

ГОСТ
31383-
2008

ЗАЩИТА БЕТОННЫХ И ЖЕЛЕЗОБЕТОННЫХ
КОНСТРУКЦИЙ ОТ КОРРОЗИИ

Методы испытаний

Москва

Стандартинформ

2010

Предисловие

Цели, основные принципы и основной порядок проведения работ по межгосударственной стандартизации установлены ГОСТ 1.0-92 «Межгосударственная система стандартизации. Основные положения» и МСН 1.01-01-96 «Система межгосударственных нормативных документов в строительстве. Основные положения»

Сведения о стандарте

1 РАЗРАБОТАН Научно-исследовательским, проектно-конструкторским и технологическим институтом бетона и железобетона «НИИЖБ» - филиалом Федерального государственного унитарного предприятия «Научно-исследовательский центр «Строительство»

2 ВНЕСЕН Техническим комитетом по стандартизации ТК465 «Строительство»

3 ПРИНЯТ Межгосударственной научно-технической комиссией по стандартизации, техническому нормированию и сертификации в строительстве (МНТКС) (протокол № 34 от 10 декабря 2008 г.)

За принятие проголосовали:

Краткое наименование страны по МК (ИСО 3166) 004-97

Код страны по МК (ИСО 3166) 004-97

Сокращенное наименование органа государственного управления строительством

Азербайджан

AZ

Госстрой

Армения

AM

Министерство градостроительства

Беларусь

BY

Минстройархитектуры

Казахстан

KZ

Агентство по делам строительства и жилищно-коммунального хозяйства

Киргизия

KG

Госстрой

Молдова

MD

Министерство строительства и регионального развития

Россия

RU

Департамент регулирования градостроительной деятельности Министерства регионального развития

Таджикистан

TJ

Агентство по строительству и архитектуре при Правительстве

Украина

UA

Министерство регионального развития и строительства

4 Приказом Федерального агентства по техническому регулированию и метрологии от 15 декабря 2009 г. № 891-ст межгосударственный стандарт ГОСТ 31383-2008 введен в действие непосредственно в качестве национального стандарта Российской Федерации с 1 июля 2010 г.

5 ВВЕДЕН ВПЕРВЫЕ

Информация о введении в действие (прекращении действия) настоящего стандарта публикуется в указателе «Национальные стандарты».

Информация об изменениях к настоящему стандарту публикуется в указателе «Национальные стандарты», а текст изменений - в информационных указателях «Национальные стандарты». В случае пересмотра или отмены настоящего стандарта соответствующая информация будет опубликована в информационном указателе «Национальные стандарты»

Содержание

1 Область применения

2 Нормативные ссылки

3 Термины и определения

4 Общие положения

5 Метод определения коррозионной стойкости бетона в растворах кислот

6 Метод определения диффузионной проницаемости бетона для углекислого газа

7 Метод определения диффузионной проницаемости бетона для хлоридов

8 Электрохимические методы определения пассивирующего действия бетона по отношению к стальной арматуре

9 Коррозионные испытания стальной арматуры в бетоне

10 Метод определения стойкости арматурной стали к коррозионному растрескиванию

11 Методы определения свойств защитных покрытий на бетоне

11.1 Метод определения трещиностойкости покрытий на бетоне

11.2 Метод определения водонепроницаемости бетона с покрытиями

11.3 Метод определения диффузионной проницаемости покрытия на бетоне для углекислого газа

11.4 Метод определения морозостойкости покрытий на бетоне

11.5 Метод определения адгезии покрытий к бетону

Приложение А (справочное) Проведение испытаний бетона в растворах кислот. Общие положения

Приложение Б (справочное) Примеры расчета глубины разрушения бетона в растворах кислот

Приложение В (справочное) Прогнозирование глубины карбонизации бетона и длительности карбонизации защитного слоя бетона

Приложение Г (справочное) Расчет поправки и постоянной прибора для определения коэффициента диффузии хлоридов в бетоне

Приложение Д (справочное) Расчет тока коррозии по поляризационной кривой

Библиография

ГОСТ 31383-2008

МЕЖГОСУДАРСТВЕННЫЙ СТАНДАРТ

ЗАЩИТА БЕТОННЫХ И ЖЕЛЕЗОБЕТОННЫХ КОНСТРУКЦИЙ ОТ КОРРОЗИИ

Методы испытаний

Protection against corrosion of concrete and reinforced concrete constructions. Test methods

Дата введения - 2010-07-01

1 Область применения

Настоящий стандарт устанавливает методы определения и испытаний коррозионной стойкости тяжелых и легких бетонов плотного строения по ГОСТ 25192, в том числе мелкозернистых бетонов на вяжущих на основе портландцементного клинкера по ГОСТ 10178, ГОСТ 22266, ГОСТ 30515, ГОСТ 31108 (далее - бетонов), стальной арматуры и защитных покрытий.

2 Нормативные ссылки

В настоящем стандарте использованы нормативные ссылки на следующие стандарты:

ГОСТ 8.207-76 Государственная система обеспечения единства измерений. Прямые измерения с многократными наблюдениями. Методы обработки результатов наблюдений. Основные положения

ГОСТ 9.407-84 Единая система защиты от коррозии и старения. Покрытия лакокрасочные. Метод оценки внешнего вида

ГОСТ 166-89 (3599-76) Штангенциркули. Технические условия

ГОСТ 427-75 Линейки измерительные металлические. Технические условия

ГОСТ 949-73 Баллоны стальные малого и среднего объема для газов на Рр ≤ 19,6 МПа (200 кгс/см2). Технические условия

ГОСТ 1381-73 Уротропин технический. Технические условия

ГОСТ 1770-74 (ИСО 1042-83, ИСО 4788-80) Посуда мерная лабораторная стеклянная. Цилиндры, мензурки, колбы, пробирки. Общие технические условия

ГОСТ 2603-79 Реактивы. Ацетон. Технические условия

ГОСТ 3118-77 Реактивы. Кислота соляная. Технические условия

ГОСТ 4142-77 Реактивы. Кальций азотнокислый 4-водный. Технические условия

ГОСТ 4233-77 Реактивы. Натрий хлористый. Технические условия

ГОСТ 4234-77 Реактивы. Калий хлористый. Технические условия

ГОСТ 4328-77 Реактивы. Натрия гидроокись. Технические условия

ГОСТ 4919.1-77 Реактивы и особо чистые вещества. Методы приготовления растворов индикаторов

ГОСТ 5009-82 Шкурка шлифовальная тканевая. Технические условия

ГОСТ 6709-72 Вода дистиллированная. Технические условия

ГОСТ 7402-84 Электровентиляторы бытовые. Общие технические условия

ГОСТ 8711-93 (МЭК 51-2-84) Приборы аналоговые показывающие электроизмерительные прямого действия и вспомогательные части к ним. Часть 2. Особые требования к амперметрам и вольтметрам

ГОСТ 9696-82 Индикаторы многооборотные с ценой деления 0,001 и 0,002 мм. Технические условия

ГОСТ 10178-85 Портландцемент и шлакопортландцемент. Технические условия

ГОСТ 10180-90 Бетоны. Методы определения прочности по контрольным образцам

ГОСТ 10181-2000 Смеси бетонные. Методы испытаний

ГОСТ 10884-94 Сталь арматурная термомеханически упрочненная для железобетонных конструкций. Технические условия

ГОСТ 12004-81 Сталь арматурная. Методы испытаний на растяжение

ГОСТ 12026-76 Бумага фильтровальная лабораторная

ГОСТ 12730.1-78 Бетоны. Метод определения плотности

ГОСТ 12730.5-84 Бетоны. Методы определения водонепроницаемости

ГОСТ 13320-81 Газоанализаторы промышленные автоматические. Общие технические условия

ГОСТ 13646-68 Термометры стеклянные ртутные для точных измерений. Технические условия

ГОСТ 17792-72 Электрод сравнения хлорсеребряный насыщенный образцовый 2-го разряда

ГОСТ 18105-86* Бетоны. Правила контроля прочности

__________

*На территории Российской Федерации действует ГОСТ Р 53231-2008.

ГОСТ 18300-87 Спирт этиловый ректификованный технический. Технические условия

ГОСТ 19906-74 Нитрит натрия технический. Технические условия

ГОСТ 22266-94 Цементы сульфатостойкие. Технические условия

ГОСТ 22688-77 Известь строительная. Методы испытаний

ГОСТ 22867-77 Реактивы. Аммоний азотнокислый. Технические условия

ГОСТ 23732-79 Вода для бетонов и растворов. Технические условия

ГОСТ 23932-90 Посуда и оборудование лабораторные стеклянные. Общие технические условия

ГОСТ 24104-2001** Весы лабораторные. Общие технические требования

__________

**На территории Российской Федерации действует ГОСТ Р 53228-2008.

ГОСТ 25192-82 Бетоны. Классификация и общие технические требования

ГОСТ 25336-82 Посуда и оборудование лабораторные стеклянные. Типы, основные параметры и размеры

ГОСТ 25706-83 Лупы. Типы, основные параметры. Общие технические требования

ГОСТ 25794.1-83 Реактивы. Методы приготовления титрованных растворов для кислотно-основного титрования

ГОСТ 25794.2-83 Реактивы. Методы приготовления титрованных растворов для окислительно-восстановительного титрования

ГОСТ 25794.3-83 Реактивы. Методы приготовления титрованных растворов для титрования осаждением, неводного титрования и других методов

ГОСТ 28574-90 Защита от коррозии в строительстве. Конструкции бетонные и железобетонные. Методы испытаний адгезии защитных покрытий

ГОСТ 29227-91 (ИСО 835-1-81) Посуда лабораторная стеклянная. Пипетки градуированные. Часть 1. Общие требования

ГОСТ 29252-91 (ИСО 385-2-84) Посуда лабораторная стеклянная. Бюретки. Часть 2. Бюретки без времени ожидания

ГОСТ 30515-97 Цементы. Общие технические условия

ГОСТ 31108-2003 Цементы общестроительные. Технические условия

Примечание - При пользовании настоящим стандартом целесообразно проверить действие ссылочных стандартов в информационной системе общего пользования - на официальном сайте Федерального агентства по техническому регулированию и метрологии в сети Интернет или по ежегодно издаваемому информационному указателю «Национальные стандарты», который опубликован по состоянию на 1 января текущего года, и по соответствующим ежемесячно издаваемым информационным указателям, опубликованным в текущем году. Если ссылочный стандарт заменен (отменен), то при пользовании настоящим стандартом следует руководствоваться заменяющим (измененным) стандартом. Если ссылочный стандарт отменен без замены, то положение, в котором дана ссылка на него, применяется в части, не затрагивающей эту ссылку.

3 Термины и определения

В настоящем стандарте применены следующие термины с соответствующими определениями:

3.1 адгезия (прочность сцепления): Совокупность сил, связывающих покрытие с окрашиваемой поверхностью.

3.2 действие бетона пассивирующее: Действие бетона на стальную арматуру, в результате которого сталь переходит в пассивное состояние, коррозия практически отсутствует.

3.3 диффузионная проницаемость: Проницаемость бетона для вещества в отсутствие градиента давления при наличии разности концентраций, вызванная диффузией вещества.

3.4 защитные покрытия: Покрытия, создаваемые на поверхности бетона или арматуры для защиты от коррозии.

3.5 коррозионное растрескивание: Коррозия арматуры при одновременном воздействии коррозионной среды и растягивающих напряжений с образованием трещин в металле.

3.6 коррозия арматуры: Разрушение стальной арматуры в результате химического или электрохимического взаимодействия ее с коррозионной средой.

3.7 коррозия бетона: Необратимое ухудшение свойств и характеристик бетона в результате химического, физико-химического или биологического воздействия коррозионной среды или внутренних процессов в бетоне.

3.8 коррозия железобетона: Ухудшение технических характеристик железобетона в результате коррозии бетона и/или арматуры.

3.9 нейтрализация (карбонизация) бетона углекислым газом: Процесс взаимодействия бетона с углекислым газом, в результате которого происходит образование карбоната кальция со снижением рН жидкой фазы бетона и утратой бетоном пассивирующего действия на стальную арматуру.

3.10 пассивное состояние: Состояние металла, при котором скорость анодного процесса сильно ограничена, коррозия практически отсутствует.

3.11 поляризационная кривая: Кривая зависимости скорости электродного (анодного или катодного) процесса от потенциала.

3.12 реакционная емкость бетона: Количество вещества, поглощаемого единицей объема бетона.

3.13 система защитного покрытия: Многослойное покрытие, в котором каждый слой выполняет определенную функцию.

3.14 состояние поставки: Состояние арматурной стали определенного класса, выпущенной производителем и переданной потребителю с сопроводительной документацией.

3.15 трещиностойкость покрытия: Способность защитного покрытия сохранять сплошность при ограниченной деформации защищаемой конструкции.

3.16 эффективный коэффициент диффузии: Коэффициент диффузии вещества в пористом теле бетона, учитывающий влияние пористой структуры и влажности бетона, уплотнения наружного слоя бетона продуктами коррозии.

4 Общие положения

Настоящий стандарт устанавливает следующие методы определений и испытаний коррозионной стойкости бетонов, арматуры и защитных покрытий:

- метод определения коррозионной стойкости бетона в растворах кислот;

- метод определения диффузионной проницаемости бетона для углекислого газа;

- метод определения диффузионной проницаемости бетона для хлоридов;

- электрохимические методы определения пассивирующего действия бетона по отношению к стальной арматуре;

- коррозионные испытания стальной арматуры в бетоне;

- метод определения стойкости арматурной стали к коррозионному растрескиванию;

- методы определения свойств защитных покрытий на бетоне.

Испытания в соответствии с требованиями настоящего стандарта проводятся аккредитованными лабораториями.

5 Метод определения коррозионной стойкости бетона в растворах кислот

5.1 Общие положения

Настоящий метод устанавливает определение коррозионной стойкости бетона при постоянном воздействии на бетон растворов кислот разного вида и концентрации в отсутствие фильтрации растворов через бетон. Для каждого вида и концентрации кислоты следует проводить отдельные испытания. Вид кислоты устанавливается задачей определения.

5.2 Сущность метода

Метод определения коррозионной стойкости бетона в растворах кислот основан на измерении скорости химического взаимодействия кислоты с бетоном при постоянном погружении образцов бетона в раствор кислоты заданной концентрации.

5.3 Образцы

5.3.1 Бетонную смесь для образцов готовят согласно заданной рецептуре.

5.3.2 Изготавливают образцы диаметром и высотой 50 или 100 мм.

Образцы диаметром и высотой 50 мм формуют из бетонной смеси с размером зерен крупного заполнителя не более 10 мм. Образцы диаметром и высотой 100 мм формуют из бетонной смеси с размером зерен крупного заполнителя не более 20 мм. Более крупные зерна заполнителя удаляют.

5.3.3 Изготавливают 12 образцов. Бетонную смесь для образцов готовят согласно заданной рецептуре и технологии исследуемого бетона. Формование образцов выполняют по ГОСТ 10180.

5.3.4 После набора бетоном проектной прочности в условиях твердения, предусмотренных для испытуемого бетона, проводят отбраковку образцов по плотности. Плотность бетона определяют по ГОСТ 12730.1. Отбраковывают образцы, плотность которых отличается от средней более чем на ± 50 кг/м3, а также образцы, имеющие на поверхности раковины и трещины. Испытывают три образца.

5.3.5 На боковые поверхности образцов наносят грунтовку, шпатлевку и два слоя покрытия из эпоксидного клея общей толщиной не менее 0,3 мм. Грунтовку готовят разбавлением эпоксидного клея ацетоном в соотношении клей - ацетон 1:1. Шпатлевку готовят добавлением в эпоксидный клей портландцемента в соотношении от 1:2 до 1:3. После высушивания покрытия незащищенные торцевые (рабочие) поверхности образцов зачищают наждачной бумагой для удаления следов покрытия и пленки цементного камня. Образцы маркируют. Измеряют площадь рабочих поверхностей.

5.4 Аппаратура и материалы

Для проведения испытаний применяют следующую аппаратуру и материалы:

- весы аналитические по ГОСТ 24104, не ниже 2-го класса точности;

- емкости из стекла или полиэтилена (бутыли или канистры емкостью 10...25 дм3) для приготовления и хранения агрессивных растворов;

- мерную лабораторную посуду не ниже 2-го класса точности (колбы объемом 1000 дм3 , пипетки 10, 50, 100 см3, бюретки 50 см3, микробюретки) по ГОСТ 1770, ГОСТ 23932, ГОСТ 25336, ГОСТ 29227, ГОСТ 29252;

- стеклянные конические колбы для титрования вместимостью 250 см3 по ГОСТ 25336;

- растворы кислот категории чистая для анализа (ч. д. а.) или химически чистая (х. ч.);

- дистиллированную воду по ГОСТ 6709;

- натрия гидроксид по ГОСТ 4328;

- клей эпоксидный марки ЭДП [1];

- ацетон по ГОСТ 2603;

- раствор индикатора кислотно-основного титрования - фенолфталеина, приготовленный по ГОСТ 4919.1: 1 г фенолфталеина на 100 см3 растворителя (60 см3 этилового спирта по ГОСТ 18300 и 40 см3 дистиллированной воды по ГОСТ 6709);

- формы диаметром и высотой 50 или 100 мм для изготовления образцов;

- рН-метр;

- термометр с диапазоном измерений 15 °С - 30 °С и ценой деления 0,1 °С по ГОСТ 13646;

- виброплощадку лабораторную по ГОСТ 10181.

Испытания образцов проводят в растворах кислоты с показателем рН, равным 2, 3, 4, с допуском ± 0,1 при температуре (20 ± 3) °С.

5.5 Проведение испытаний

5.5.1 Каждый из трех параллельных бетонных образцов устанавливают в отдельный эксикатор. Расстояние между рабочей поверхностью образцов и стенками эксикаторов, а также поверхностью раствора должно быть не менее 2 см.

5.5.2 В эксикаторы заливают раствор кислоты. Отношение объема раствора в кубических сантиметрах к 1 см2 рабочей поверхности образца должно быть не менее 50:1. Правила приготовления растворов кислот приведены в приложении А.

5.5.3 Перед испытаниями и периодически в процессе испытаний методами кислотно-основного титрования определяют концентрацию кислоты. Непосредственно перед отбором пробы раствор кислоты перемешивают. При уменьшении концентрации кислоты на (5 ± 0,1) % по сравнению с исходной раствор кислоты заменяют новым.

5.5.4 Общая продолжительность испытаний образцов - 6 мес. В первые три недели испытаний пробы раствора кислоты отбирают и титруют ежедневно, затем три раза в неделю, после 3 мес испытаний - два раза в неделю.

5.6 Обработка результатов испытаний

5.6.1 При обработке результатов испытаний определяют количество кислоты, вступившей в химическую реакцию с бетоном, и рассчитывают количество ионов Са2+, вступивших в химическую реакцию с кислотой.

5.6.2 Количество ионов Са2+, вступивших в реакцию с кислотой, рассчитывают следующим образом. Устанавливают следующие показатели:

- периоды между отдельными отборами проб (τ1, τ2,... τi) и общее время от начала испытаний Στ, сутки;

- площадь рабочей поверхности образцов, взаимодействовавшей с кислотой S, см2;

- объем раствора кислоты, участвовавшей во взаимодействии с бетоном в каждый период времени между отдельными отборами проб Q, см3;

- объем стандартного раствора с известной концентрацией, пошедшего на титрование исходного раствора кислоты до испытаний q1, см3;

- объем стандартного раствора с известной концентрацией, пошедшего на титрование раствора после взаимодействия с бетоном q2, см3;

- объем раствора кислоты, отобранного для титрования q3, см3.

Рассчитывают количество СаО, прореагировавшего с кислотой за период между отборами проб раствора РсаО, г/см2. Рассчитывают общее количество СаО, прореагировавшего с кислотой за весь период испытаний ΣРсао г/см2.

5.6.3 Количество цементного камня (в пересчете на СаО) РсаО, вошедшего в химическое взаимодействие с раствором кислоты за период между двумя отборами проб, рассчитывают по формуле

                                                                          (1)

где М - молярность раствора;

fэкв (СаО) = 1/2;

0,05608 - молярная масса СаО, соответствующая 1 см3 раствора кислоты концентрации 1 моль/дм3.

5.6.4 Общее количество вступившего в химическую реакцию СаО с кислотой ΣРсао определяют суммированием Рсао за каждый период испытаний:

ΣРсао = Р1СаО + Р2СаО + Р3СаО + … + РпСаО.                                                                (2)

5.6.5 Рассчитывают глубину разрушения бетона Гр:

                                                                                                                 (3)

где Ц - количество цемента в 1 см3 исследуемого образца, рассчитывают по фактическому составу бетона, г/см3;

β - содержание СаО в цементе, определяемое по результатам химического анализа, %.

5.6.6 По результатам испытаний строят график в координатах  По прямолинейному участку графика определяют константу коррозионного процесса К, см/сут1/2 как тангенс угла наклона прямой к оси абсцисс на графике.

5.6.7 Глубину коррозионного поражения бетона Гр в проектные сроки службы бетона т рассчитывают по формуле

                                                                                                           (4)

где а - постоянная, учитывающая влияние процессов, протекающих в диффузионно-кинетической области в начальный период испытаний; определяют по графику  по точке пересечения прямой с осью ординат. Примеры расчета глубины разрушения бетона в растворах кислот приведены в приложении Б.

5.6.8 Статистическая оценка результатов испытаний - по ГОСТ 8.207.

5.7 Протокол испытаний

По результатам испытаний оформляют протокол, в котором указывают:

- наименование образцов;

- наименование организации, проводившей испытания;

- фамилию исполнителя, проводившего испытания;

- использованный способ испытаний;

- данные о составе и возрасте бетона, виде цемента, добавках, условиях твердения и других особенностях бетона;

- вид и концентрацию кислоты;

- дату испытаний;

- заключение по результатам испытаний.

6 Метод определения диффузионной проницаемости бетона для углекислого газа

6.1 Общие положения

Настоящий метод устанавливает порядок испытаний диффузионной проницаемости бетона для углекислого газа на основании данных о скорости нейтрализации (карбонизации) бетона углекислым газом в отсутствие градиента общего давления газовоздушной среды при наличии разности концентрации углекислого газа в бетоне и окружающей среде в период, когда процесс нейтрализации ограничен скоростью диффузии углекислого газа в пористой структуре бетона.

Метод предназначен для использования при разработке технологии и проектировании составов бетона, обеспечивающих длительную безремонтную эксплуатацию конструкций в неагрессивных и агрессивных газовоздушных средах.

Оценка диффузионной проницаемости бетона по отношению к углекислому газу позволяет:

- рассчитывать период, в течение которого происходит нейтрализация защитного слоя бетона в газовоздушной среде, и оценивать долговечность железобетонных конструкций по признаку сохранности стальной арматуры;

- назначать составы и технологию изготовления бетонов для железобетонных конструкций, предназначенных для эксплуатации в атмосфере с заданным содержанием углекислого газа.

6.2 Образцы

6.2.1 Бетонную смесь для образцов готовят согласно заданной рецептуре и технологии исследуемого бетона.

6.2.2 Для испытаний готовят образцы из бетона в форме куба, призмы, цилиндра или пластины, минимальный размер рабочей грани у которых должен быть не менее 7 см, а толщина - не менее 3 см. В качестве рабочей грани используют верхнюю или нижнюю сторону образца, в зависимости от того, на какую сторону проектируемой железобетонной конструкции воздействует агрессивная среда. В отсутствие указаний о проектируемой железобетонной конструкции рабочей гранью считается нижняя грань при формовке образцов. Образцы могут быть изготовлены в форме либо высверлены (выпилены) из бетона конструкции или изделия.

6.2.3 Число основных образцов должно быть не менее 6 шт. и дополнительных образцов - не менее 3 шт.

6.2.4 Бетон образцов твердеет в условиях, предусмотренных для исследуемого бетона в конструкциях. Образцы испытывают после набора бетоном проектной прочности. Момент достижения бетоном проектной прочности устанавливают испытанием дополнительных образцов по ГОСТ 18105.

6.3 Аппаратура и материалы

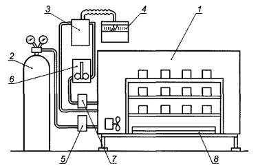
6.3.1 Для проведения испытаний используют установку с автоматическим поддержанием заданной концентрации углекислого газа (см. рисунок 1).

1 - камера; 2 - баллон с СО2; 3 - автоматический газоанализатор; 4 - показывающий командный прибор; 5 - электромагнитный клапан; 6 - блок регулирования; 7 - побудитель расхода газа; 8 - ванна с раствором хлорида натрия

Рисунок 1 - Установка для испытаний бетона в среде углекислого газа

6.3.2 Установка включает в себя следующее оборудование и приборы:

- герметичную камеру объемом 0,5-1,0 м3;

- автоматический газоанализатор углекислого газа с командным прибором по ГОСТ 13320 с диапазоном измерения концентрации углекислого газа 0 % - 22 % и погрешностью не более ±10 %;

- электромагнитный клапан;

- этажерку из коррозионно-стойкого материала для размещения образцов в камере;

- баллон по ГОСТ 949 с углекислым газом;

- ванну из коррозионно-стойкого материала с насыщенным раствором хлорида натрия;

- перемешивающее устройство - бытовой электровентилятор по ГОСТ 7402.

6.3.3 В камере установки должны обеспечиваться следующие параметры среды; концентрация углекислого газа (10 ± 0,5) % по объему, температура (20 ± 5) °С, относительная влажность (75 ± 3) %.

6.3.4 Используют следующие реактивы:

- для поддержания заданной относительной влажности среды - хлористый натрий по ГОСТ 4233;

- для определения глубины карбонизации - 0,1 %-ный раствор фенолфталеина в этиловом спирте по ГОСТ 18300.

6.4 Проведение испытаний

6.4.1 В установленную в камере ванну заливают насыщенный раствор хлорида натрия и дополнительно насыпают кристаллический хлорид натрия, чтобы часть кристаллов находилась выше уровня раствора.

6.4.2 Образцы устанавливают в камеру на этажерку, закрывают камеру и включают вентилятор. Образцы выдерживают в камере при относительной влажности воздуха (75 ± 3) % и температуре (20 ± 5) °С до установления постоянной массы. Момент установления постоянной массы определяют периодическим взвешиванием (один раз в трое суток). Масса считается постоянной, если между отдельными взвешиваниями она изменяется не более чем на 0,1 %.

6.4.3 Включают подачу углекислого газа в камеру и автоматический газоанализатор, устанавливают концентрацию углекислого газа в камере (10 ± 0,5) %.

6.4.4 Образцы выдерживают в камере не менее 7 сут и не более того периода, в течение которого образцы будут нейтрализованы на 1/4 своей толщины. Для этого периодически извлекают из камеры по одному дополнительному образцу и определяют глубину нейтрализации бетона.

6.4.5 По истечении заданного срока образцы раскалывают в направлении, нормальном рабочей грани. Не более чем через 1/2 ч на поверхность скола со стороны рабочей грани наносят 0,1 %-ный раствор фенолфталеина в этиловом спирте.

6.4.6 Мерной линейкой с точностью до 0,1 см в направлении, нормальном поверхности образца, измеряют толщину Хi нейтрализованного слоя бетона, которая равна расстоянию от поверхности образца до слоя, окрашенного раствором фенолфталеина в малиновый цвет. Измерения проводят через 1 см по периметру образца.

6.4.7 Из внешнего нейтрализованного слоя и внутреннего, не подвергшегося нейтрализации, отбирают пробы бетона массой (50 ± 10) г. Число отобранных из каждого слоя проб должно быть не менее трех. Химическим анализом объемным методом по ГОСТ 22688 определяют количество связанного углекислого газа во всех пробах и результаты для каждого слоя усредняют.

Плотность бетона на дополнительных образцах определяют по ГОСТ 12730.1.

6.5 Обработка результатов испытаний

6.5.1 Рассчитывают среднее значение толщины нейтрализованного слоя бетона X, см, по формуле

                                                                                                                  (5)

где п - число измерений.

При расчете среднего значения статистическим методом отбраковывают выпадающие результаты.

6.5.2 По результатам химического анализа бетона рассчитывают реакционную емкость бетона т0 в относительных величинах по формуле

                                                                                               (6)

где т1 и т2 - количество связанного углекислого газа в наружном и внутреннем слое бетона, % массы бетона;

22,4 - объем 1 моль углекислого газа, дм3/моль;

44 - молекулярная масса углекислого газа (44 г/моль);

γ - объемная масса бетона, г/дм3.

Для приближенного расчета реакционную емкость рассчитывают по формуле

т0 = 0,4 Цpf,                                                                                                               (7)

где Ц - содержание цемента, г в 1 см3 бетона;

р - количество основных оксидов в цементе в пересчете на СаО в относительных величинах по массе, принимается поданным химического анализа цемента (для приближенного расчета р = 0,6);

f - степень нейтрализации бетона, равная отношению количества основных оксидов, вступивших во взаимодействие с углекислым газом, к общему их количеству в цементе (в среднем f = 0,6).

6.5.3 Эффективный коэффициент диффузии углекислого газа в бетоне D', см2/с, рассчитывают по формуле

                                                                                                                 (8)

где С - концентрация углекислого газа в камере в относительных величинах;

τ - продолжительность воздействия углекислого газа на бетон, с.

6.5.4 Результаты испытаний оценивают по таблице 1.

Таблица 1 - Оценка проницаемости бетона для углекислого газа

Характеристика проницаемости бетона

Эффективный коэффициент диффузии углекислого газа D·104, см2

Бетон нормальной проницаемости

Свыше 0,2 до 1,0

Бетон пониженной проницаемости

От 0,04 до 0,2

Бетон особо низкой проницаемости

Менее 0,04

Рассчитывают длительность карбонизации защитного слоя по приложению В.

6.5.5 Статистическая оценка результатов испытаний - по ГОСТ 8.207.

6.6 Протокол испытаний

Результаты испытаний оформляют протоколом, в котором указывают:

- наименование организации, проводившей испытания;

- фамилию исполнителя, проводившего испытания;

- маркировку и размеры образцов;

- дату и длительность испытаний;

- данные о составе и возрасте бетона, виде цемента, добавках, другие особенности бетона;

- результаты испытаний и оценку.

7 Метод определения диффузионной проницаемости бетона для хлоридов

7.1 Общие положения

Настоящий метод устанавливает определение диффузионной проницаемости для хлоридов тяжелого и легкого бетонов и мелкозернистого бетона плотного строения на портландцементе, шлакопортландцементе и других видах вяжущих на основе портландцементного клинкера. Метод основан на аналогии между диффузионным потоком вещества и электрическим током в теле бетона.

Настоящий метод предназначен для использования при разработке технологии и составов бетона, обеспечивающего длительную безремонтную эксплуатацию конструкций в агрессивных средах, содержащих хлориды.

Оценка диффузионной проницаемости бетона позволяет:

- оценивать проницаемость бетона для хлоридов;

- рассчитывать период, в течение которого через защитный слой бетона проникнут хлориды в количестве, способном вызвать коррозию стальной арматуры;

- назначать составы и технологию изготовления бетонов для железобетонных конструкций, предназначенных для эксплуатации в средах, содержащих хлориды.

7.2 Образцы

7.2.1 Готовят восемь образцов из бетона размерами 70×70×210 мм или 100×100×300 мм, в том числе шесть образцов с электродами и два образца без электродов.

7.2.2 Электроды изготавливают из отрезков гладкой арматурной проволоки диаметром 2 мм и длиной, равной утроенной высоте бетонного образца. Проволоку очищают от ржавчины, окалины и загрязнений и обезжиривают ацетоном, затем сгибают в скобки, чтобы параллельные участки проволоки отстояли друг от друга на расстоянии (30 ± 5) мм.

7.2.3 Бетонную смесь для образцов готовят согласно заданной рецептуре и технологии исследуемого бетона. Максимальный размер зерен крупного заполнителя при изготовлении образцов размерами 70×70×210 мм равняется 10 мм, при изготовлении образцов размерами 100×100×300 мм - 20 мм. Зерна большего размера из бетонной смеси удаляют.

7.2.4 В каждый образец устанавливают по четыре стальных электрода. Два электрода устанавливают на расстоянии 10 мм от торцов образца и два электрода - на расстоянии, равном 1/3 длины образца от торцов. Электроды погружают в бетонную смесь строго в вертикальном положении свободными концами на глубину, меньшую высоты образца на (10 ± 2) мм, так, чтобы плоскости скоб были параллельны друг другу.

7.2.5 Образцы твердеют в тех же условиях, что и исследуемый бетон. Испытания проводят после набора бетоном проектной прочности или в любом другом заданном возрасте в зависимости от задачи исследования. Перед измерениями образцы насыщают дистиллированной водой.

7.2.6 Образцы могут быть также выпилены из бетона конструкции. В этом случае в образцах на указанном расстоянии от торцов высверливают отверстия диаметром 3 мм, заполняют цементным тестом нормальной густоты и вдавливают электроды.

7.3 Аппаратура и материалы

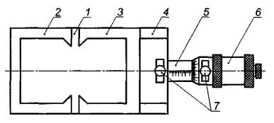
7.3.1 Измерения на образцах из бетона проводят с помощью установки, показанной на рисунке 2.

1 - образец из бетона; 2 - электроды (стальные скобки); 3 - вольтметр; 4 - источник тока; 5 - микроамперметр; L - длина образца

Рисунок 2 - Установка для измерения электрического сопротивления образцов из бетона

Измерения на вытяжке из бетона проводят на установке, показанной на рисунке 3.

1 - штатив; 2 - электроды; 3 - вольтметр; 4 - источник тока; 5 - микроамперметр; 6 - трубка из неэлектропроводного материала; 7 - пробка; 8 - водная вытяжка

Рисунок 3 - Установка для измерения электрического сопротивления водной вытяжки из бетона

7.3.2 Применяют следующие приборы:

- источник постоянного тока с регулируемым напряжением от 1 до 100 В по ГОСТ 19164;

- вольтметр по ГОСТ 8711 с входным сопротивлением не менее 108 Ом и ценой деления не более 5 мВ;

- микроамперметр по ГОСТ 8711 с максимальной величиной измерения 10 мА и ценой деления 1 мкА;

- штатив;

- термометр с диапазоном измерений 15 °С - 30 °С и ценой деления 0,1 °С по ГОСТ 13646;

- штангенциркуль по ГОСТ 166 с ценой деления 0,1 мм;

- устройство в виде трубки из электроизоляционного материала с электродами, как показано на рисунке 3. Внутренний диаметр трубки должен быть 10 - 16 мм, длина трубки - (280 ± 10) мм.

7.4 Проведение испытаний

7.4.1 Образцы в течение 3 сут насыщают дистиллированной водой, повышая уровень воды на 1/3 высоты образца каждые сутки. На третьи сутки верх бетонного образца должен возвышаться над водой на 2-3 мм.

7.4.2 Образцы последовательно извлекают из воды, осушают поверхность бетона влажной тканью и немедленно устанавливают на подкладки из электроизоляционного материала (трубки из стекла или полимерного материала). Измеряют разность потенциалов ΔV0, В, между средними электродами в отсутствие тока.

7.4.3 Подключают источник тока и последовательно соединенный с ним микроамперметр к крайним электродам. Регулируя значение тока источника, устанавливают разность потенциалов ΔV между средними электродами в пределах от 10 до 15 В и измеряют значение тока I в цепи.

7.4.4 С помощью штангенциркуля измеряют с точностью до 0,1 мм высоту h и ширину образца b и расстояние между средними электродами l.

7.4.5 Один из параллельных образцов, не имеющих электродов, высушивают до постоянной массы и дробят до полного прохождения через сито с размером ячеек 0,63 мм.

7.4.6 Из дробленого материала образца отбирают четыре пробы массой (100 ± 1), (40 ± 0,5), (20 ± 0,2), (10 ± 0,1) г и засыпают в четыре стеклянные колбы.

7.4.7 В колбы заливают дистиллированную воду в количестве 100 см3. Колбы герметично закрывают и оставляют на 72 ч, периодически взбалтывая.

7.4.8 Отстоявшуюся над осадком водную вытяжку, не взбалтывая, сливают через воронку с фильтром в установку (см. рисунок 3). Включают ток и устанавливают между средними электродами разность потенциалов ΔVBB, равную (5 ± 0,5) В. Измеряют значение тока IBB в цепи.

7.5 Обработка результатов испытаний

7.5.1 По полученным результатам рассчитывают удельное электрическое сопротивление ρб, Ом·см, бетона по формуле

                                                                                                     (9)

где F - площадь поперечного сечения бетонного образца, см2;

ΔV - разность потенциалов между средними электродами после включения тока, В;

ΔV0 - разность потенциалов в отсутствие тока, В;

I - ток в электрической цепи установки, А;

l - расстояние между средними электродами в образце, см.

Площадь поперечного сечения образца F, см2, равна

F = bh,                                                                                                                         (10)

где b и h - ширина и высота поперечного сечения бетонного образца, см.

7.5.2 Удельное электрическое сопротивление ρвв водной вытяжки рассчитывают по формуле

                                                                                                             (11)

где K - постоянная прибора; рассчитывают по формуле

                                                                                                                 (12)

где D - внутренний диаметр трубки в установке, см;

l - расстояние между средними электродами в трубке установки, см;

П - поправка.

Поправку и постоянную прибора определяют по приложению Г.

7.5.3 По полученным результатам строят график в координатах «соотношение вода - бетон» - «электрическое сопротивление» и экстраполируют до точки, где «соотношение вода - бетон» равно нулю. По этой точке определяют электрическое сопротивление жидкой фазы в бетоне (см. рисунок 4).

Рисунок 4 - Оценка электрического сопротивления водной вытяжки из бетона

7.5.4 Рассчитывают эффективную сквозную пористость бетона Пэф по формуле

пэф = ρввб,                                                                                                                (13)

где ρвв - удельное электрическое сопротивление водной вытяжки, Ом см;

ρб - удельное электрическое сопротивление бетона, Ом·см.

7.5.5 Рассчитывают коэффициент диффузии хлоридов в бетоне Dб по формуле

Dб = DСl Пэф,                                                                                                                (14)

где DСl - коэффициент диффузии хлоридов в воде, принимается равным 1,23·10-5 см2/с.

7.5.6 Статистическую оценку результатов испытаний проводят по ГОСТ 8.207.

7.6 Протокол испытаний

Результаты испытаний оформляют протоколом, в котором указывают:

- наименование организации, проводившей испытания;

- фамилию исполнителя, проводившего испытания;

- дату испытаний;

- данные о составе и возрасте бетона, виде цемента, добавках, условиях твердения, других особенностях бетона;

- результаты испытаний и оценку результатов.

8 Электрохимические методы определения пассивирующего действия бетона по отношению к стальной арматуре

8.1 Общие положения

8.1.1 Настоящие электрохимические методы устанавливают способы ускоренного определения и критерии оценки защитного действия бетона по отношению к стальной арматуре.

8.1.2 Настоящие методы определения не распространяются на бетоны, содержащие в своем составе частицы, обладающие электропроводностью и способные образовывать со стальной арматурой гальванические пары (частицы угля, стальная фибра, шунгит и другие).

8.1.3 Настоящие методы определения основаны на оценке пассивирующего действия бетона по отношению к стальной арматуре и получении зависимости плотности электрического тока от электрического потенциала стальной арматуры (потенциодинамический метод) или значения потенциала стальной арматуры в бетоне от плотности тока (гальванодинамический метод) и сравнении полученных результатов с установленными критическими значениями.

8.1.4 Электрохимический метод рекомендуется применять для:

- оценки способности бетона к пассивации стальной арматуры в любой момент твердения и хранения бетона;

- оценки влияния различных видов цементов и добавок к бетонной смеси на защитное действие бетона по отношению к стальной арматуре.

8.2 Образцы

8.2.1 Бетонную смесь для образцов готовят согласно заданной рецептуре и технологии исследуемого бетона. Если бетонная смесь содержит зерна заполнителя размером более 10 мм, то их отделяют из бетонной смеси на сите с размером ячеек 10 мм.

8.2.2 Изготавливают девять стальных стержней длиной 120 мм, диаметром 3-6 мм. Поверхность стержней, включая торцы, шлифуют абразивной шкуркой до 7-го класса чистоты и перед заделкой в бетон обезжиривают ацетоном.

8.2.3 Из бетонной смеси формуют образцы размерами 40×40×160 мм или 70×70×140 мм. Изготавливают девять образцов со стержнями из арматурной стали и три неармированных образца.

Стержни укладывают параллельно продольной оси симметрии образцов из бетона так, чтобы защитный слой бетона по всей длине стержней был равен (10 ± 3)мм.

8.3 Аппаратура и материалы

8.3.1 Для проведения измерений потенциодинамическим методом применяют:

- потенциостат с диапазоном регулируемого напряжения не менее 5-1000 мВ и тока не менее 1-1000 мкА;

- микроамперметр с максимальной величиной измерения не менее 10 мА и ценой деления не более 1 мкА;

- термометр с диапазоном измерений не менее 10 °С - 30 °С с делениями не более 1 °С;

- электрод сравнения хлорсеребряный насыщенный образцовый 2-го разряда по ГОСТ 17792;

- вспомогательный электрод - стальной стержень диаметром 5 - 6 мм и длиной 120 - 150 мм;

- сосуд из электроизоляционного материала (стекло, полимерный материал) внутренним диаметром не менее 70 мм и высотой 160 - 200 мм;

- электролитический ключ - стеклянная трубка диаметром 3-5 мм с краном, заполненная насыщенным раствором хлористого калия по ГОСТ 4234;

- весы лабораторные по ГОСТ 24104 для взвешивания не менее 2 кг с ценой деления не более 1 г. Электрическая схема для измерения потенциодинамическим методом показана на рисунке 5а).

1 - электрод сравнения; 2 - электролитический ключ; 3 - образец; 4 - вспомогательный электрод; 5 - микроамперметр; 6 - потенциостат; 7 - вольтметр; 8 - резистор; 9 - источник тока

Рисунок 5 - Электрические схемы снятия потенциодинамических и гальванодинамических поляризационных кривых

8.3.2 Для проведения измерений гальванодинамическим методом применяют:

- вольтметр по ГОСТ 8711 с входным сопротивлением не менее 10 МОм и ценой деления не более 5мВ;

- источник постоянного тока по ГОСТ 19164 с диапазоном регулируемого напряжения не менее 5-1000 мВ и тока не менее 1-1000 мкА;

- микроамперметр по ГОСТ 8711 с максимальной величиной измерения не менее 10 мА и ценой деления не более 1 мкА;

- резистор с переменным сопротивлением в диапазоне не менее 1-20 МОм;

- термометр по ГОСТ 13646 с диапазоном измерений не менее 10 °С - 30 °С с делениями не более 1 °С;

- электрод сравнения хлорсеребряный насыщенный образцовый 2-го разряда по ГОСТ 17792;

- вспомогательный электрод - стальной стержень диаметром 5-6 мм и длиной 120-150 мм;

- сосуд из электроизоляционного материала (стекло, полимерный материал) внутренним диаметром не менее 70 мм и высотой 160-200 мм;

- электролитический ключ - стеклянная трубка диаметром 3-5 мм с краном, заполненная насыщенным раствором хлористого калия по ГОСТ 4234;

- весы лабораторные по ГОСТ 24104 для взвешивания не менее 2 кг с ценой деления не более 1 г. Электрическая схема для измерения гальванодинамическим методом приведена на рисунке 5б).

8.4 Проведение определения

8.4.1 Определения проводят после набора бетоном проектной прочности и далее через 3 и 6 мес испытаний в режиме переменного насыщения водой и высушивания. При измерении используют три параллельных образца.

8.4.2 Режим насыщения и высушивания устанавливают на неармированных образцах. Образцы взвешивают, помещают в питьевую воду и периодически (один раз в сутки), извлекая из воды, взвешивают.

Насыщение образцов водой продолжают до тех пор, пока масса образцов не перестанет увеличиваться более чем на 0,1 % первоначальной. Этот период принимают как продолжительность насыщения основных армированных образцов. Затем образцы помещают в сушильный шкаф при температуре 60 °С и, периодически взвешивая (один раз в сутки), высушивают до первоначальной массы. Этот период принимают как продолжительность высушивания основных армированных образцов.

8.4.3 Образцы с арматурой испытывают по установленному режиму. Образцы бетона с арматурой перед электрохимическими определениями насыщают питьевой водой.

8.4.4 На каждом образце проводят только одно измерение. Перед измерением откалывают бетон у торца образца так, чтобы арматурный стержень был обнажен на длине (20 ± 10) мм. Прилежащую к обнаженному стержню поверхность бетона шириной (10 ± 5) мм и выступающую из бетона поверхность стального стержня шириной (10 ± 5) мм окрашивают лакокрасочным материалом или мастикой, обладающими высоким электрическим сопротивлением.

8.4.5 Подготовленный образец устанавливают в емкость с питьевой водой так, чтобы верх бетонного образца возвышался над водой на 2-3 мм (см. рисунок 5). Измерение электрохимических характеристик необходимо проводить при температуре воды (25 ± 5) °С.

8.4.6 Измерение тока в микроамперах потенциодинамическим способом [см. рисунок 5а)] проводят через (60 ± 5) мин после включения потенциостата. Снимают анодную часть поляризационной кривой со скоростью изменения потенциала 50 мВ/мин до потенциала плюс 1000 мВ с регистрацией силы тока через каждые 50 мВ.

8.4.7 Измерения гальванодинамическим способом [см. рисунок 5б)] проводят на образце путем регистрации значения потенциала в милливольтах с помощью вольтметра. Гальванодинамические характеристики на образцах получают при изменении силы тока I ступенями 1; 2; 4; 8; 16; 30; 60; 120; 250; 500; 1000; 2000 мкА.

После каждого увеличения значения тока делают выдержку до стабилизации потенциала E (изменение потенциала - не более 10 % текущего значения в минуту).

8.4.8 По завершении испытаний ток выключают и определяют значение потенциала через (60 ± 5) с после отключения тока.

8.4.9 После электрохимических испытаний стальные электроды извлекают из бетона и определяют наличие или отсутствие коррозионного поражения.

8.5 Обработка результатов

8.5.1 Площадь рабочей поверхности стального стержня, соприкасающуюся сбетоном, S, см2, рассчитывают по формуле

S = πDl + πD2/4,                                                                                                          (15)

где D - диаметр стального стержня, см;

l - длина стального стержня, погруженного в бетон, см.

8.5.2 Рассчитывают плотность тока i, мкА/см2, при каждом фиксированном значении потенциала по формуле

                                                                                                                          (16)

где I - сила тока, мкА;

S - площадь рабочей поверхности, см2.

8.5.3 По полученным результатам строят график (поляризационную кривую) в координатах: по оси абсцисс - плотность тока i, мкА/см2, по оси ординат - потенциал рабочего электрода Е, мВ.

8.5.4 Коррозионное состояние стальной арматуры в бетоне оценивают по показателям, приведенным в таблице 2.

Таблица 2 - Показатели коррозионного состояния стальной арматуры в бетоне

Показатель

Коррозионное состояние стальной арматуры на момент электрохимических испытаний

Плотность тока при потенциале плюс 300 мВ:

 

- до 10 мкА/см2 включительно

Пассивное состояние

- от 10 до 25 мкА/см2

Неустойчивое пассивное состояние

- свыше 25 мкА/см2

Интенсивная коррозия

Потенциал через (60 ± 5) с после отключения тока:

 

- более +5 мВ

Пассивное состояние

- менее +5 мВ

Активное состояние, коррозия

Дополнительными критериями являются наличие или отсутствие коррозионного поражения арматуры, значение тока коррозии, рассчитанное по приложению Д. Образцы, находящиеся в пассивном состоянии в течение всего времени испытаний, не имеют коррозионного поражения.

Статистическая оценка результатов испытаний - по ГОСТ 8.207.

8.6 Протокол испытаний

Результаты испытаний оформляют протоколом, в котором указывают:

- наименование организации, проводившей испытания;

- фамилию исполнителя, проводившего испытания;

- дату испытаний;

- способ измерения;

- данные о составе и возрасте бетона, виде цемента, добавках, условиях твердения, других особенностях бетона;

- диаметр электродов и марку стали;

- результаты испытаний и оценку пассивирующего действия бетона.

9 Коррозионные испытания стальной арматуры в бетоне

9.1 Общие положения

9.1.1 Метод коррозионных испытаний стальной арматуры в бетоне является прямым методом и устанавливает характер коррозионных поражений стали в бетоне и массу корродированной стали. Метод распространяется на стальную арматуру и бетоны, приготовленные на цементе на основе портландцементного клинкера, в том числе бетоны, содержащие в своем составе частицы, обладающие электропроводностью и способные образовывать со стальной арматурой гальванические пары (частицы угля, примеси металла в золе и шлаке, стальная фибра, шунгит и др.).

9.1.2 Метод коррозионных испытаний основан на оценке характера и степени коррозионного поражения стальной арматуры при хранении образцов в условиях переменного увлажнения и высушивания и сравнении полученных результатов с установленными критическими значениями.

9.1.3 Метод коррозионных испытаний стальной арматуры в бетоне применяют для определения способности бетона защищать стальную арматуру от коррозии в чистой влажной атмосфере при обычном содержании в воздухе углекислого газа. Метод не распространяется на испытания стальной арматуры в бетоне в атмосфере, содержащей повышенное количество углекислого газа, а также в присутствии других агрессивных газов и аэрозолей.

9.2 Образцы

9.2.1 Готовят 18 стальных стержней диаметром 4-6 мм и длиной (100 ± 2) мм для образцов размерами 70×70×140 мм и длиной (140 ± 2) мм - для образцов размерами 100×100×200 мм. Стержни маркируют, выбивая на их поверхности номера образцов. Поверхность образцов, включая торцы стержня, шлифуют абразивной шкуркой до 7-го класса чистоты и перед укладкой в бетон обезжиривают ацетоном. Образцы взвешивают с точностью до 0,001 г.

9.2.2 Бетонную смесь для образцов готовят согласно заданной рецептуре и технологии исследуемого бетона. Из смеси формуют образцы размерами 70×70×140 мм или 100×100×200 мм. Размер зерен крупного заполнителя при изготовлении образцов размерами 70×70×140 мм должен быть не более 10 мм, при изготовлении образцов 100×100×200 мм - не более 20 мм. Более крупные зерна из бетонной смеси удаляют.

9.2.3 Из бетонной смеси формуют три образца без стержней и девять образцов, каждый из которых с двумя стержнями из арматурной стали. Стержни устанавливают на растворные призмы, изготовленные из цементно-песчаного раствора того же состава, что и растворная часть испытуемого бетона. В образцах размерами 70×70×140 мм толщина защитного слоя бетона должна быть (20 ±2) мм, в образцах размерами 100×100×200 мм - (30 ± 2) мм.

9.2.4 Изготовленные бетонные образцы твердеют в условиях, соответствующих условиям твердения испытуемого бетона.

9.3 Аппаратура и материалы

Для проведения испытаний применяют:

- весы аналитические по ГОСТ 24104 с погрешностью взвешивания ± 0,0002 г;

- индикатор многооборотный с ценой деления 0,001 мм по ГОСТ 9696;

- линейку измерительную по ГОСТ 427 длиной 20-30 см;

- термометр с диапазоном измерений не менее 10 °С - 30 °С с делениями не более 1 °С;

- кислоту соляную по ГОСТ 3118 концентрации 10%;

- уротропин по ГОСТ 1381;

- бумагу фильтровальную по ГОСТ 12026;

- шкурку шлифовальную по ГОСТ 5009;

- нитрит натрия технический по ГОСТ 19906.

9.4 Проведение испытаний

9.4.1 По истечении 28 сут твердения образцы испытывают в режиме переменного увлажнения и высушивания в течение 3 и 6 мес.

9.4.2 Режим насыщения и высушивания - по 8.4.2.

9.4.3 Через 28 сут после изготовления, а также через 3 и 6 мес хранения в условиях насыщения и высушивания извлекают из бетона по три образца и оценивают характер коррозионного поражения арматуры и массу образцов.

9.4.4 При описании характера коррозионного поражения фиксируют площадь коррозионного поражения в % общей площади поверхности, наличие налета и/или слоистой ржавчины, язвенного поражения, глубину коррозионного поражения.

9.4.5 Продукты коррозии и остатки цементного камня на поверхности стальных стержней удаляют травлением в течение (25 ± 5) мин в 10 %-ном растворе соляной кислоты с добавлением 1 % ингибитора уротропина от массы соляной кислоты. После растворения продуктов коррозии стержни промывают дистиллированной водой и погружают на 5 мин в насыщенный раствор ингибитора нитрита натрия. Образцы извлекают из раствора, осушают поверхность фильтровальной бумагой и высушивают.

Образцы взвешивают с точностью 0,001 г.

9.4.6 Одновременно с испытуемыми стержнями в травильный раствор укладывают три аналогичных предварительно взвешенных, не подвергавшихся испытаниям контрольных стержня. По завершении травления основных образцов контрольные образцы также промывают, погружают на 5 мин в насыщенный раствор нитрита натрия, осушают тканью, высушивают и взвешивают.

9.4.7 Измеряют глубину коррозионного поражения стали с помощью индикатора по ГОСТ 9696 с иглой или микроскопом МИС-11 по нормативному документу. При использовании индикатора глубину коррозионного поражения стали оценивают как разность показаний прибора при установке иглы на неповрежденную поверхность и участок с наибольшей глубиной поражения.

9.5 Обработка результатов испытаний

9.5.1 Рассчитывают площадь поверхности стального стержня, соприкасающуюся с бетоном S, см2, по формуле

                                                                                                           (17)

где D - диаметр стального стержня, см;

l - длина стального стержня, см.

9.5.2 Рассчитывают среднюю потерю массы контрольных образцов в процессе травления. Для этого рассчитывают среднюю разность массы контрольных стержней до и после травления.

9.5.3 По результатам взвешивания испытуемых образцов до и после испытаний определяют потерю массы образцов за время испытаний. Полученные результаты корректируют с учетом потери массы стержней при травлении кислотой. Для этого из рассчитанной потери массы основных образцов вычитают среднее значение потери массы контрольных образцов.

9.5.4 По результатам коррозионных испытаний делают заключение о защитном действии бетона по отношению к стальной арматуре. Бетон обладает защитным действием по отношению к стальной арматуре, если после 6 мес испытаний стальная арматура не имеет на поверхности налета ржавчины и коррозионных язв, а потеря массы не превышает 10-3 г/см2 (10 г/м2).

9.5.5 Статистическая оценка результатов испытаний - по ГОСТ 8.207.

9.6 Протокол испытаний

Результаты испытаний оформляют в виде протокола, в котором указывают:

- наименование организации, проводившей испытания;

- фамилию исполнителя, проводившего испытания;

- дату испытаний;

- данные о составе и возрасте бетона, виде цемента, добавках, условиях твердения, других особенностях бетона;

- диаметр электродов и марку стали;

- результаты испытаний и оценку способности бетона защищать стальную арматуру от коррозии.

10 Метод определения стойкости арматурной стали к коррозионному растрескиванию

10.1 Общие положения

10.1.1 Метод определения стойкости арматурной стали к коррозионному растрескиванию предназначен для использования при разработке новых видов арматуры, арматурных сталей, длительное время хранящихся на складах, образцов арматуры, отобранных при обследовании эксплуатируемых сооружений. Настоящий метод может быть применен для целей сертификации арматуры.

10.1.2 Данный метод основан на выдержке нагруженных постоянной изгибающей нагрузкой образцов в горячем растворе нитрата кальция и нитрата аммония и определении времени до их разрушения.

10.2 Отбор и подготовка образцов

Испытания при каждом значении напряжения проводят не менее чем на трех образцах, отобранных от стержней в состоянии поставки. Длину образцов устанавливают с учетом того, что длина их части, находящейся в контакте с раствором, должна быть не менее 200 мм.

Образцы маркируют, обезжиривают ацетоном или этиловым спиртом и протирают фильтровальной бумагой.

10.3 Аппаратура

Применяют рычажную установку консольного типа, обеспечивающую постоянную приложенную изгибающую нагрузку в течение всего периода испытаний с погрешностью не более 2 %. Схема установки приведена на рисунке 6.

L - горизонтальная проекция плеча действующей силы Р; l - длина рычага; Р - сила, действующая на испытуемый образец, подвергая его изгибу;

1 - нагревательный элемент; 2 - плита с отверстиями для крепления испытуемого образца; 3 - рама для жесткой подвески плиты и устойчивости установки; 4 - испытуемый образец; 5 - емкость для коррозионного раствора; 6 - дозатор воды; 7 - рычаг; 8 - груз

Рисунок 6 - Схема установки для испытаний арматуры на стойкость к коррозионному растрескиванию в условиях изгиба

10.4 Материалы, реактивы и растворы

Ацетон по ГОСТ 2603.

Спирт этиловый по ГОСТ 18300.

Нитрат кальция по ГОСТ 4142.

Нитрат аммония по ГОСТ 22867.

Бумага фильтровальная по ГОСТ 12026.

Раствор для испытания: 600 массовых долей нитрата кальция и 50 массовых долей нитрата аммония растворяют в 350 массовых долях воды (см. ГОСТ 23732).

10.5 Проведение испытания

10.5.1 Испытания проводят в растворе при температуре 98 °С - 100 °С.

Испытания стержней проводят при следующих уровнях напряжения R в нагруженных волокнах в зависимости от поставленных целей в долях от σ0,2 - 0,95; 0,9; 0,8; 0,7; 0,6. Если испытуемые образцы не разрушаются в течение 200 ч при высоком уровне напряжения, то испытания при более низком уровне напряжения не проводят.

Для предварительного определения стойкости стержней против коррозионного растрескивания допускается проводить испытания при напряжении 0,9σ0,2

10.5.2 Требуемый изгибающий момент М, Н·м, вычисляют по формуле

M = RW,                                                                                                                      (18)

где R - напряжение в крайнем волокне образца при изгибе, кгс/см2;

W - момент сопротивления поперечного сечения образца, м3, вычисленный по формуле

                                                                                                                     (19)

где d - диаметр образца, м.

10.5.3 Значение действующей силы Р, Н, вычисляют по формуле

Р = M/L,                                                                                                                      (20)

где L - горизонтальная проекция плеча силы, м.

10.5.4 Необходимую массу груза G, кг, вычисляют по формуле

G = (P/g) - G0,                                                                                                            (21)

где G0 - масса грузовой платформы и масса рычага, кг;

g - гравитационное ускорение, т·с-2.

После приложения груза массой G уточняют значение горизонтальной проекции плеча силы L и корректируют массу груза так, чтобы изгибающий момент соответствовал вычисленному по формуле (18).

10.5.5 В течение испытания с помощью автоматического устройства регистрируют время до разрушения испытуемого образца. Если в течение 200 ч разрушение образца не происходит, испытания прекращают. Такая арматурная сталь считается стойкой к коррозионному растрескиванию.

Образец подвергают испытанию на растяжение (см. ГОСТ 12004), определяют временное сопротивление σв, относительное удлинение после разрыва δ5100) и относительное равномерное удлинение δp. Полученные результаты сопоставляют с аналогичными характеристиками образцов в состоянии поставки. Степень снижения свойств является дополнительным критерием склонности образцов к коррозионному растрескиванию.

Статистическую оценку результатов испытаний проводят по ГОСТ 8.207.

10.5.6 В соответствии с ГОСТ 10884 (см. приложение Б) арматура, выдержавшая более 100 ч испытаний при напряжении 0,9σ0,2, считается стойкой против коррозионного растрескивания.

11 Методы определения свойств защитных покрытий на бетоне

Настоящие методы устанавливают определение свойств защитных покрытий (лакокрасочных тонкослойных, лакокрасочных толстослойных (мастичных), пропиточно-кольматирующих на органополимерной основе, пропиточно-кольматирующих на цементно-полимерной основе и др.), применяемых для вторичной защиты бетонных и железобетонных строительных конструкций.

Настоящие методы включают в себя определение основных защитных свойств покрытий на бетоне: трещиностойкости, водонепроницаемости, диффузионной проницаемости, морозостойкости и адгезии.

11.1 Метод определения трещиностойкости покрытий на бетоне

11.1.1 Сущность метода

Сущность метода определения трещиностойкости покрытий на бетоне заключается в моделировании процесса образования трещин в бетонном образце, при растяжении которого в бетоне под покрытием создается трещина, и наблюдении за целостностью покрытия.

11.1.2 Образцы

11.1.2.1 Для проведения испытаний изготавливают образцы размерами 145×95×25 мм из цементно-песчаного раствора состава 1:3 с водоцементным отношением В/Ц = 0,5.

11.1.2.2 Образцы изготавливают в специальной сборно-разборной форме. В средней части образца, снизу и по бокам должно быть предусмотрено ослабление сечения за счет треугольных выемок на половину толщины образца [см. рисунок 7а)].

1 - бетонный образец; 2 - защитное покрытие

Рисунок 7 - Общий вид образца для определения трещиностойкости

11.1.2.3 Формование образцов проводят по ГОСТ 10180.

11.1.2.4 Образцы в течение 1 сут выдерживают в формах, затем освобождают от форм и хранят 6 сут в камере влажного хранения при относительной влажности не менее 90 % и температуре воздуха (20 ± 5) °С и 21 сут при температуре (20 ± 5) °С и относительной влажности воздуха (65 ± 5) %.

11.1.2.5 Для испытания изготавливают три образца для одной системы покрытия.

11.1.2.6 Перед нанесением системы покрытия поверхность образцов должна быть ровной, очищена от цементного молока и обеспылена. Содержание влаги в поверхностном слое бетона и температурные условия в процессе нанесения и твердения покрытия определяют согласно требованиям нормативных документов на систему покрытия.

11.1.2.7 Испытуемое покрытие наносят в средней части верхней поверхности образца ровной полосой вдоль всей длины образца шириной до 60 мм, оставляя по бокам неокрашенные участки бетона для наблюдения за появлением трещины.

Вид покрытия и грунта, число слоев, толщину, технологию нанесения, время и условия твердения покрытия определяют согласно требованиям нормативных документов и проектного решения на систему покрытия.

11.1.2.8 Образцы с системой покрытия выдерживают в помещении при температуре воздуха (20 ± 5) °С и относительной влажности (65 ± 5) % в течение срока, предусмотренного нормативными документами на систему покрытия.

11.1.3 Аппаратура и материалы

11.1.3.1 Для проведения испытаний используют прибор для определения трещиностойкости покрытий на бетоне. Схема прибора представлена на рисунке 8.

1 - основание; 2 - упорная планка; 3 - подвижный П-образный захват; 4 - неподвижный зажим; 5 - внутренний цилиндр растягивающего механизма; 6 - наружный цилиндр растягивающего механизма; 7 - зажимные винты

Рисунок 8 - Схема прибора для определения трещиностойкости покрытия

11.1.3.2 Для наблюдений за раскрытием трещин в бетонном образце и состоянием покрытия применяют оптический микроскоп типа МПБ.

11.1.4 Проведение определения

11.1.4.1 До начала определения подвижный захват прибора 3 перемещают к неподвижном захвату 4 до упора. Ослабив зажимной винт 7 вращением наружного цилиндра 6, нулевую отметку шкалы совмещают со шкалой на внутреннем цилиндре 5.

11.1.4.2 Испытуемый образец вставляют в прибор, после чего, ослабив зажимной винт, вращают наружный цилиндр 6 растягивающего механизма до ликвидации зазора между образцом и губками захватов и появления трещины в бетоне под покрытием. Далее вращают наружный цилиндр растягивающего механизма 6 до нарушения целостности покрытия. Скорость перемещения подвижного зажима должна быть (20 ± 5) мм/мин. Трещиностойкость покрытия определяют по сумме показаний внутреннего 5 (целое число миллиметров) и наружного б (сотые доли миллиметра) цилиндров.

11.1.4.3 Состояние покрытия над трещиной в процессе ее раскрытия оценивают по сплошности пленки при помощи оптического микроскопа типа МПБ. С момента образования трещин на неокрашенных краях образца измеряют ширину трещин на поверхности бетона и описывают изменение состояния покрытия при их раскрытии через каждые 0,01 мм до начала нарушения целостности покрытия.

11.1.5 Обработка результатов определения

11.1.5.1 За значение трещиностойкости покрытия на бетоне принимают ширину раскрытия трещин в бетоне, мм, предшествующую появлению признаков разрушения покрытия.

11.1.5.2 За результат определения трещиностойкости принимают среднее значение минимальных значений раскрытия трещин в бетоне, измеренных на каждом из образцов.

11.1.5.3 Статистическую оценку результатов испытаний проводят по ГОСТ 8.207.

11.1.6 Протокол определения

Результаты определения оформляют протоколом, в котором указывают:

- маркировку и размер образцов;

- характеристики исследуемого материала покрытия (название, марку, обозначение нормативного документа на материал и дату изготовления);

- технологию и условия нанесения защитного покрытия (температуру, относительную влажность воздуха, продолжительность сушки);

- дату и место проведения испытаний;

- результаты испытаний для отдельных образцов и серии образцов.

11.2 Метод определения водонепроницаемости бетона с покрытиями

11.2.1 Сущность метода

Метод определения заключается в оценке водонепроницаемости бетона с покрытием путем ступенчатого повышения давления воды на образец со стороны покрытия (прямое давление воды) или со стороны торца без защиты (обратное давление воды) и выдержки до момента появления мокрого пятна на противоположной стороне образца.

Метод определения водонепроницаемости бетона по мокрому пятну - в соответствии с ГОСТ 12730.5.

11.2.2 Образцы

11.2.2.1 Для проведения определения изготавливают образцы из бетонной смеси с системой покрытия и без покрытия.

11.2.2.2 Определение проводят на шести образцах с одной системой покрытия (основные) и шести образцах без покрытия (контрольные).

11.2.2.3 Состав бетонной смеси и условия твердения назначают в зависимости от целей.

11.2.2.4 Формование образцов проводят по ГОСТ 10180.

11.2.2.5 Высоту образцов в зависимости от наибольшей крупности зерен заполнителя допускается устанавливать в соответствии с таблицей 3.

Образцы изготавливают в цилиндрических формах с внутренним диаметром 150 мм и высотой 50, 100 и 150 мм.

Таблица 3 - Наибольшая крупность заполнителя в зависимости от размера образца

Наибольшая крупность зерен заполнителя, мм

Наименьшая высота образца, мм

10

50

20

100

25

150

11.2.2.6 В течение 28 сут образцы твердеют в камере влажного хранения при относительной влажности не менее 90 % и температуре воздуха (20 ± 5) °С. Перед испытанием незащищенные (контрольные) образцы выдерживают в помещении лаборатории в течение 1 сут.

11.2.2.7 Перед нанесением системы покрытия поверхность образцов должна быть ровной, очищена от цементного молока и обеспылена. Содержание влаги в поверхностном слое бетона и температурные условия в процессе нанесения и твердения покрытия определяют согласно требованиям нормативных документов на систему покрытия.

11.2.2.8 На нижнюю поверхность образцов наносят систему защитного покрытия.

Вид покрытия и грунта, число слоев, толщину, технологию нанесения, продолжительность и условия твердения покрытия определяют согласно требованиям нормативных документов и проектного решения на систему покрытия.

11.2.2.9 Диаметр открытых торцевых поверхностей образцов - не менее 130 мм.

11.2.2.10 Испытуемые образцы с системой покрытия выдерживают в помещении с температурой воздуха (20 ± 5) °С и относительной влажностью (65 ± 5) % в течение срока, предусмотренного нормативными документами на материал покрытия.

11.2.3 Аппаратура и материалы

Для проведения испытаний применяют установку любой конструкции, которая имеет не менее шести гнезд для крепления образцов и обеспечивает возможность подачи воды к нижней или верхней торцевой поверхности образцов при возрастающем ее давлении, а также возможность наблюдения за состоянием верхней торцевой поверхности образцов.

11.2.4 Проведение определения

11.2.4.1 Испытуемые образцы устанавливают в гнезда установки для испытаний и надежно закрепляют. Схема крепления образцов приведена на рисунке 9.

11.2.4.2 Схема определения водонепроницаемости образцов с покрытием при прямом и обратном давлении воды представлена на рисунке 10.

11.2.4.3 Давление воды повышают ступенями по 0,2 МПа в течение 2 - 5 мин и выдерживают на каждой ступени в течение времени, указанного в таблице 4. Определение проводят до появления на верхней торцевой поверхности образца признаков фильтрации воды или мокрого пятна.

1 - штуцер для подачи воды; 2 - защитное покрытие; 3 - неподвижное гнездо для установки образца; 4 - уплотнительные резиновые кольца; 5 - испытуемый образец; 6 - герметизирующая обмазка или прокладка; 7 - съемная верхняя обойма; 8 - шайба; 9 - гайка; 10 - анкерный стержень с резьбой

Рисунок 9 - Схема крепления образцов в гнезда установки на водонепроницаемость

Таблица 4 - Время выдерживания под давлением воды образцов различной высоты

Высота образца, мм

50

100

150

Время выдерживания на каждой ступени, ч

6

12

16

1 - испытуемый образец; 2 - защитное покрытие; 3 - направление подачи воды

Рисунок 10 - Схема испытаний образцов бетона с покрытием

11.2.5 Оценка результатов определения

11.2.5.1 Водонепроницаемость каждого образца оценивают максимальным давлением воды, при котором еще не наблюдалось ее просачивание через образец.

11.2.5.2 Водонепроницаемость серии образцов с покрытием и без него оценивают максимальным давлением воды, при котором на четырех из шести образцах не наблюдалось просачивание воды (мокрое пятно).

11.2.5.3 Марку бетона по водонепроницаемости с покрытием и без него устанавливают по таблице 5.

Таблица 5 - Максимальное давление воды и марка по водонепроницаемости

Максимальное давление воды до появления мокрого пятна, МПа

0,2

0,4

0,6

0,8

1,0

1,2

1,4

1,6

1,8

2,0

Марка бетона с покрытием по водонепроницаемости

W2

W4

W6

W8

W10

W12

W14

W16

W18

W20

11.2.6 Протокол определения

Результаты определения водонепроницаемости бетона с покрытием оформляют протоколом, в котором указывают:

а) для бетона без защиты:

- маркировку и размер образцов,

- данные о составе и возрасте бетона,

- дату и место проведения испытаний,

- результаты испытаний;

б) для бетона с защитным покрытием:

- маркировку и размер образцов,

- данные о составе и возрасте бетона до нанесения покрытия,

- характеристики исследуемого материала покрытия (название, марку, обозначение нормативного документа на материал, дату изготовления),

- технологию и условия нанесения системы защитного покрытия (температуру, относительную влажность воздуха, продолжительность сушки),

-дату и место проведения испытаний,

- результаты испытаний для отдельных образцов и серии образцов.

11.3 Метод определения диффузионной проницаемости покрытия на бетоне для углекислого газа

11.3.1 Сущность метода

11.3.1.1 Метод определения диффузионной проницаемости покрытия на бетоне заключается в оценке коэффициента диффузии углекислого газа в покрытии в зависимости от толщины нейтрализованного слоя и количества углекислого газа, поглощенного бетоном с покрытием за определенный срок, на образцах, хранившихся в камере с повышенным содержанием углекислого газа.

11.3.1.2 Определение диффузионной проницаемости бетона с пропиточно-кольматирующими покрытиями проникающего действия и обработку результатов проводят методом в соответствии с разделом 6.

11.3.2 Образцы

11.3.2.1 Для проведения определения диффузионной проницаемости готовят образцы из бетона в форме куба, призмы, цилиндра или пластины, минимальный размер рабочей грани которых должен быть не менее 7 см, а толщина - не менее 3 см.

11.3.2.2 Определение проводят на шести контрольных образцах (без покрытия) и 12 образцах с одной системой защитного покрытия (шесть основных и шесть дополнительных образцов).

11.3.2.3 Состав бетонной смеси и условия твердения назначают в зависимости от целей эксперимента.

11.3.2.4 Формование образцов проводят по ГОСТ 10180.

11.3.2.5 Образцы, предназначенные для испытаний, выдерживают в камере влажного хранения при относительной влажности не менее 90 % и температуре воздуха (20 ± 5) °С в течение 28 сут.

11.3.2.6 Незащищенные (контрольные) образцы выдерживают в герметичном сосуде (эксикаторе).

11.3.2.7 Перед нанесением системы защитного покрытия поверхность образцов должна быть ровной, очищенной от цементного молока и обеспыленной. Содержание влаги в поверхностном слое бетона и температурно-влажностные условия в процессе нанесения и твердения покрытия определяют согласно требованиям нормативных документов на покрытие.

11.3.2.8 Систему защитного покрытия наносят на все грани бетонных образцов.

Вид покрытия и грунта, число слоев, толщину, технологию нанесения, время и условия твердения покрытия определяют согласно требованиям нормативных документов и проектного решения на систему покрытия.

11.3.2.9 Образцы с системой покрытия выдерживают в помещении с температурой воздуха (20 ± 5) °С и относительной влажностью (65 ± 5) % в течение срока, предусмотренного нормативными документами на материал покрытия.

11.3.3 Аппаратура и материалы

11.3.3.1 Для проведения определения используют установку с автоматическим поддержанием концентрации углекислого газа (см. рисунок 1).

11.3.3.2 Установка должна иметь следующие постоянные параметры среды: концентрацию углекислого газа (10 ± 5) % по объему, температуру (20 ± 5) °С, относительную влажность (75 ± 3) %.

11.3.3.3 Для определения глубины карбонизации бетона применяют фенолфталеин и этиловый спирт по ГОСТ 18300.

11.3.3.4 Для поддержания заданной относительной влажности среды используют хлористый натрий по ГОСТ 4233.

11.3.4 Проведение определения

11.3.4.1 В установленную в камере ванну заливают насыщенный раствор хлористого натрия и дополнительно насыпают кристаллический хлористый натрий так, чтобы часть кристаллов находилась выше уровня раствора.

11.3.4.2 Образцы с покрытиями устанавливают на этажерку в камеру, закрывают камеру и включают вентилятор. Образцы выдерживают в камере при относительной влажности воздуха (75 ± 3) % и температуре (20 ± 5) °С до установления постоянной массы.

11.3.4.3 Включают подачу углекислого газа в камеру и автоматический газоанализатор, устанавливают концентрацию углекислого газа в камере (10 ± 0,5) %.

11.3.4.4 Образцы выдерживают в камере не менее 30 сут и не более времени, в течение которого образец будет нейтрализован не более чем на 1/4 толщины. Для этого часть дополнительных образцов периодически извлекают из камеры и определяют глубину их нейтрализации.

11.3.4.5 По истечении заданного срока основные образцы раскалывают в направлении, нормальном рабочей грани. На поверхность скола наносят 0,1 %-ный раствор фенолфталеина в этиловом спирте. В качестве рабочей грани используют верхнюю или нижнюю сторону образца в зависимости от того, на какую сторону проектируемой железобетонной конструкции воздействует агрессивная среда.

11.3.4.6 Мерной линейкой измеряют с точностью до 0,1 см толщину нейтрализованного слоя бетона, которая равна расстоянию от поверхности образца до слоя, окрашенного раствором фенолфталеина в малиновый цвет. Измерения проводят через 1 см по периметру скола бетона.

11.3.4.7 Из испытанных к среде углекислого газа образцов и контрольных образцов, хранившихся в эксикаторах, отбирают пробы бетона массой (50 ± 10) г. Пробы отбирают из слоя толщиной, превышающей на 1 см толщину нейтрализованного слоя бетона. Число проб, отобранных из образцов, хранившихся в среде углекислого газа, должно быть не менее трех. Из образцов, хранившихся в эксикаторе, также отбирают не менее трех проб. Химическим анализом по ГОСТ 22688 определяют количество связанного углекислого газа во всех пробах и результаты для каждого слоя усредняют.

Плотность бетона определяют по ГОСТ 12730.1.

11.3.5 Обработка результатов определения

11.3.5.1 По результатам химического анализа проб бетона определяют количество связанного углекислого газа в образцах с покрытиями, испытанных в газовой среде, в расчете на 1 см2 поверхности образца тисп, г/см2, и количество связанного углекислого газа в образцах, не подвергавшихся испытаниям в газовой среде т0, г/см2. Количество углекислого газа, поглощенного образцами за время испытаний в газовой среде Δm, рассчитывают по формуле

Δm = тисп - т0.                                                                                                           (22)

11.3.5.2 Эффективный коэффициент диффузии Dэф углекислого газа в защитном покрытии рассчитывают по формуле

                                                                                                                (23)

где δ - толщина покрытия, см;

τ - продолжительность испытаний в газовой среде, с;

С - концентрация углекислого газа в газовой среде, г/см3.

Пример - За 30 сут испытаний в газовой среде испытуемые образцы поглотили 0,05 г углекислого газа в расчете на 1 см2 поверхности. Концентрация углекислого газа - 10 % по объему, что составляет 1,964·10-4 г/см3. Толщина защитного покрытия - 150 мкм или 0,015 см. По формуле (23) рассчитывают значение эффективного коэффициента диффузии углекислого газа в защитном покрытии Dэф:

11.3.5.3 Ориентировочные расчеты эффективного коэффициента диффузии углекислого газа в защитном покрытии без химического определения количества поглощенного углекислого газа выполняют следующим образом. Рассчитывают среднее значение толщины нейтрализованного слоя бетона X, см, по формуле

                                                                                                                  (24)

где п - число замеров.

Количество связанного углекислого газа Δm, г/см2, рассчитывают по формуле

Δm = 0,4·Ц·Xpf,                                                                                                          (25)

где Ц - содержание цемента в бетоне, г/см3;

р - количество основных оксидов в цементе в пересчете на СаО в относительных значениях по массе, принимают по данным химического анализа цемента (для приближенного расчета р = 0,6);

f - степень нейтрализации бетона, равная отношению количества основных оксидов, вступивших во взаимодействие с углекислым газом, к общему их количеству в цементе (в среднем f = 0,6). Далее по формуле (23) рассчитывают эффективный коэффициент диффузии углекислого газа в покрытии.

Статистическую оценку результатов испытаний проводят по ГОСТ 8.207.

11.3.6 Протокол определения

Результаты определения оформляют протоколом, в котором указывают:

а) для бетона без защиты:

- маркировку и размер образцов,

- данные о составе и возрасте бетона,

- дату и место проведения испытаний,

- результаты испытаний;

б) для бетона с защитным покрытием:

- маркировку и размер образцов,

- данные о составе и возрасте бетона до нанесения покрытия,

- характеристики исследуемого материала покрытия (название, марку, обозначение нормативного документа на материал, дату изготовления),

- технологию и условия нанесения системы защитного покрытия (температуру, относительную влажность воздуха, продолжительность сушки),

- дату и место проведения испытаний,

- результаты испытаний для отдельных образцов и серии образцов.

11.4 Метод определения морозостойкости покрытий на бетоне

11.4.1 Сущность метода

Метод определения морозостойкости покрытий на бетоне заключается в установлении максимального числа циклов замораживания и оттаивания образцов бетона с покрытием в растворе солей, при которых отсутствуют разрушения покрытия и сохраняются его адгезионные свойства в нормируемых пределах.

11.4.2 Образцы

11.4.2.1 Для испытаний изготавливают образцы размером 100×100×100 мм или 70×70×70 мм из бетонной смеси с системой защитного покрытия.

11.4.2.2 Состав бетонной смеси и условия твердения назначают в зависимости от целей эксперимента.

11.4.2.3 Формование образцов проводят по ГОСТ 10180.

11.4.2.4 В течение 28 сут образцы твердеют в камере влажного хранения при относительной влажности не менее 90 % и температуре воздуха (20 ± 5) °С.

11.4.2.5 Перед нанесением системы защитного покрытия поверхность образцов должна быть ровной, очищена от цементного молока и обеспылена. Содержание влаги в поверхностном слое бетона и температурно-влажностные условия в процессе нанесения и твердения покрытия определяют согласно требованиям нормативных документов на покрытие.

11.4.2.6 Для испытаний изготавливают 16 образцов с одной системой покрытия, из них 15 основных образцов и один контрольный образец.

11.4.2.7 Систему защитного покрытия наносят на все грани образцов.

Вид покрытия и грунта, число слоев, толщину, технологию нанесения, время и условия твердения покрытия определяют согласно требованиям нормативных документов и проектного решения на систему покрытия.

11.4.2.8 Образцы с системой покрытия выдерживают в помещении с температурой воздуха (20 ± 5) °С и относительной влажностью (65 ± 5) % в течение времени, предусмотренного нормативными документами на материал.

11.4.3 Аппаратура и материалы

11.4.3.1 Для проведения испытаний используют морозильную камеру, обеспечивающую достижение и поддержание температуры не более минус (50 ± 5) °С.

11.4.3.2 Для приготовления рабочего раствора применяют хлористый натрий по ГОСТ 4233, воду по ГОСТ 23732.

11.4.3.3 Для проведения испытаний используют:

- ванну для насыщения образцов 5 %-ным водным раствором хлористого натрия;

- ванну для оттаивания образцов, оборудованную устройством для поддержания температуры раствора хлорида натрия в пределах (18 ±2) °С;

- емкости для испытания образцов на морозостойкость длиной, шириной, высотой 90×90×110 мм и 120×120×140 мм соответственно, с толщиной стенок (1,0 ± 0,5) мм.

11.4.3.4 Для размещения емкостей с образцами в морозильной камере используют сетчатый стеллаж.

11.4.3.5 Для оценки внешнего вида образцов применяют лупу с увеличением от 4х до 10х по ГОСТ 25706.

11.4.4 Проведение определения

11.4.4.1 На трех основных образцах с системой покрытия в исходном состоянии определяют адгезию в соответствии с ГОСТ 28574. Один контрольный образец с покрытием хранят при температуре 15 °С - 30 °С и относительной влажности воздуха не более 80 % в течение всего времени испытаний.

11.4.4.2 Образцы перед испытанием погружают на 24 ч в 5 %-ный водный раствор хлористого натрия при температуре (18 ± 2) °С на 1/3 их высоты, затем уровень жидкости повышают до 2/3 высоты образца и выдерживают в таком состоянии еще 24 ч, после чего образцы полностью погружают в жидкость на 48 ч, чтобы уровень жидкости был выше верхней грани образцов не менее чем на 20 мм.

11.4.4.3 Для проведения испытаний образцы помещают в емкость, заполненную 5 %-ным водным раствором хлористого натрия на две деревянные прокладки, при этом расстояние между образцами и стенками емкости должно быть (10 ± 2) мм, слой раствора над поверхностью образцов должен быть не менее 10 мм.

11.4.4.4 Раствор хлористого натрия в емкости для замораживания и оттаивания меняют через каждые 20 циклов.

11.4.4.5 Образцы помещают в морозильную камеру при температуре воздуха в ней не выше плюс 10 °С в закрытых емкостях так, чтобы расстояние между стенками емкостей и камеры было не менее 50 мм. После установления в закрытой камере температуры минус 10 °С ее понижают в течение (2,5 ± 0,5) ч до температуры минус (50 - 55) °С и выдерживают (2,5 ± 0,5) ч. Далее температуру в камере повышают в течение (1,5 ± 0,5) ч до минус 10 °С и при этой температуре выгружают из нее емкости с образцами.

При замораживании образцов с размером ребра 70 мм время понижения и выдерживания температуры уменьшают на 1 ч.

Образцы с размером ребра 100 мм оттаивают в течение (2,5 ± 0,5) ч, с размером ребра 70 мм - (1,5 ± 0,5) ч в ванне с 5 %-ным водным раствором хлористого натрия и температурой (18 ± 2) °С. При этом емкости погружают в ванну так, чтобы каждая из них была окружена слоем раствора не менее 50 мм.

11.4.4.6 Число циклов испытаний образцов в течение 1 сут должно быть не менее одного.

11.4.4.7 Условное соотношение между числом циклов испытаний ускоренным методом, основанным на замораживании - оттаивании образцов в растворе соли, и морозостойкостью покрытия на бетоне устанавливают по таблице 6.

Таблица 6 - Число циклов замораживания - оттаивания и циклов испытаний

Число циклов замораживания - оттаивания (морозостойкость) покрытий на бетоне

200

300

400

500

Число циклов испытаний

5

10

15

20

11.4.4.8 Состояние образцов оценивают после извлечения из емкости и выдержки в течение 1 сут при температуре (20 ± 5) °С и влажности (65 ± 5) %.

11.4.4.9 Оценку состояния образцов с покрытиями проводят в соответствии с ГОСТ 9.407 по появлению внешних изменений покрытия (растрескивание, выветривание, отслаивание, пузырение, меление и др.) на поверхности бетона, а также по изменению адгезионных свойств покрытия к бетону в соответствии с ГОСТ 28574.

11.4.4.10 Внешние изменения покрытия оценивают визуально без применения увеличительных приборов или с помощью лупы путем сравнения с контрольным образцом.

11.4.5 Обработка результатов испытаний

11.4.5.1 Статистическую оценку результатов определения проводят по ГОСТ 8.207.

11.4.5.2 За значение морозостойкости покрытия на бетоне принимают максимальное число циклов замораживания - оттаивания, которое выдержало покрытие без появления признаков разрушения. При этом адгезионные свойства покрытий не должны снижаться более чем на 35 % исходного значения.

11.4.5.3 Морозостойкость серии образцов оценивают максимальным числом циклов замораживания - оттаивания, при котором на четырех из шести образцов не наблюдалось разрушения покрытия и снижения значения адгезии более чем на 35 % исходного значения.

11.4.6 Протокол определения

Результаты определения оформляют протоколом, в котором указывают:

- маркировку и размер образцов;

- данные о составе и возрасте бетона до нанесения системы покрытия;

- характеристики исследуемого материала покрытия (название, марку, обозначение стандарта или технических условий на материал, дату изготовления);

- технологию и условия нанесения системы защитного покрытия (температуру, относительную влажность воздуха, продолжительность сушки);

- дату и место проведения испытаний;

- результаты испытаний для отдельных образцов и серии образцов.

11.5 Метод определения адгезии покрытий к бетону

Метод определения адгезии покрытий к бетону состоит в измерении силы, необходимой для отрыва покрытия от защищаемой бетонной поверхности в направлении, перпендикулярном к плоскости покрытия, с помощью приклеенного металлического штампа («грибка») и динамометра.

Испытания на адгезию защитных покрытий к поверхности бетона и обработку результатов проводят в соответствии с ГОСТ 28574.

Приложение А
(справочное)

Проведение испытаний бетона в растворах кислот. Общие положения

А.1 Анализы по определению концентрации исходных и рабочих растворов кислот должны проводить специалисты, освоившие методы аналитической химии, с соблюдением всех требований по проведению лабораторных работ.

А.2 Испытания образцов проводят в растворах кислот с показателем рН = 2, 3, 4.

А.3 Показатель рН = -lgH+, В разбавленных водных растворах сильных кислот (HCl, HNO3, H2SO4) концентрация ионов водорода Н+ практически равна концентрации С этих кислот в растворах

PH = -lgH+ = -lgC.

Для растворов этих кислот концентраций 0,01, 0,001, 0,0001 (10-2, 10-3, 10-4) рН равен соответственно 2, 3, 4.

В растворах слабых кислот концентрация ионов Н+ равна

где Kд - константа диссоциации кислоты

Например, для муравьиной кислоты Kд = 1,5·10-5. Растворы концентрации 0,1; 0,01; 0,001 имеют рН соответственно 2,4; 2,91; 3,41.

А.4 Титрованные растворы готовят в соответствии с ГОСТ 25794.1 - ГОСТ 25794.3. Приготовление раствора кислоты заданной концентрации начинают с определения плотности концентрированной кислоты. По плотности рассчитывают количество (в граммах) концентрированной кислоты в 1 см3 раствора. Например, необходимо приготовить 18 дм3 раствора соляной кислоты с рН = 2 (концентрация 0,01 моль/дм3).

В 1 дм3 соляной кислоты концентрации 0,01 моль/дм3 содержится 0,365 г HCl. Концентрированная соляная кислота плотностью 1,19 г/см3 содержит 0,4556 г/см3 HCl. Количество концентрированной кислоты для приготовления 18 дм3 раствора HCl концентрации 0,01 моль/ дм3 равно (18-0,365) : 0,4556 = 14,42 см3. Указанное количество кислоты вливают в 18 дм3 дистиллированной воды.

А.5 Количество кислоты в приготовленном растворе определяют следующим образом. К определенному количеству раствора, отобранному пипеткой из общего объема раствора, в присутствии кислотно-основного индикатора постепенно из бюретки приливают титрованный объем основания (гидроксида натрия) до наступления точки эквивалентности (нейтрализации) по переходу цвета окраски индикатора. Количество кислоты, содержащееся в испытуемом растворе до испытаний и в процессе испытаний, определяют по объему титрованного раствора гидроксида натрия q1 и q 2.

А.6 Растворы гидроксида натрия концентрации 0,1 и 0,01 моль/дм3 готовят растворением 4 и 0,4 г NaOH в воде в мерной колбе вместимостью 1000 см3. Добавлением воды доводят раствор до метки и перемешивают. Нормальность раствора гидроксида натрия определяют по раствору кислоты соответствующей концентрации, приготовленной из фиксанала.

А.7 Титрование растворов слабых кислот с рН = 2,4 - 2,7 (0,1 моль/дм3) проводят раствором гидроксида натрия концентрации 0,1 моль/дм3 при комнатной температуре.

Титрование сильных кислот с рН = 2 - 4 и слабых кислот с рН более 3 проводят раствором гидроксида натрия 0,01 моль/дм3 при температуре кипения, чтобы исключить влияние угольной кислоты.

А.8 В качестве индикатора следует применять 2 - 3 капли раствора фенолфталеина.

Титрование сильных кислот с рН = 4 (0,0001 моль/дм3) проводят раствором гидроксида натрия концентрации 0,01 моль/дм3 из микробюретки.

А.9 С точностью 0,2 % раствором гидроксида натрия концентрации 0,01 моль/дм3 можно титровать растворы кислот с kд более 1·10-6.

Приложение Б
(справочное)

Примеры расчета глубины разрушения бетона в растворах кислот

Пример 1 - Образцы из бетона марок по водонепроницаемости W8 и W16 испытаны в течение 10 сут в растворе серной кислоты с рН =2 (0,01 моль/дм3). Состав бетона марки по водонепроницаемости W8 - Ц:П:Щ = 1:1,3:2,6, В/Ц = 0,42, Ц = 450 кг/м3, содержание СаО в цементе 62 %. Состав бетона марки по водонепроницаемости W16 - Ц:П:Щ = 1:1,2:2,4, В/Ц = 0,32, Ц = 495 кг/м3, модификатора бетона МБ 10-01 - 15 % массы цемента, содержание СаО в цементе 65 %.

За 10 сут испытаний количество растворенного цементного камня в пересчете на СаО составило для бетона марки W8 - ΣРСаО = 0,013 г/см2, для бетона марки W16 - ΣРСаО = 0,010 г/см2. Глубина разрушения, рассчитанная по формуле (3) для бетона марки W8, составила  Глубина разрушения для бетона марки W16 составила

Каждые последующие 10 сут до 6 мес рассчитывают глубину разрушения бетона и строят график в координатах . Находят константу коррозионного процесса K по графику  как тангенс угла наклона прямой и постоянную а и по формуле (4) рассчитывают глубину коррозии бетона в большие сроки.

Пример 2 - Расчет глубины разрушения бетона за 50 лет. Исходные данные те же, что в примере 1. Образцы испытаны в растворе молочной кислоты концентрации 0,001 моль/дм3, с рН = 3,75. Константа коррозионного процесса для бетона марки W8 - 8,3·10-3 см·сут1/2, для бетона марки W16 - 2,8·10-3см·сут1/2. Постоянная а равна нулю. Расчет по формуле (4) для бетона марки W8 дает результат:

Для бетона марки W16:

Приложение В
(справочное)

Прогнозирование глубины карбонизации бетона и длительности карбонизации защитного слоя бетона

Глубину карбонизации бетона Х за время τ в воздушной среде с концентрацией углекислого газа С рассчитывают по формуле

                                                                                                             (В.1)

Глубину карбонизации бетона х1 при концентрации углекислого газа в воздухе С1 за время τ1 можно рассчитать, если получены следующие данные о результатах испытаний образцов в камере с повышенной концентрацией углекислого газа С2: глубина карбонизации бетона Х2, см, продолжительность испытаний τ2, с. Расчет выполняют по формуле

                                                                                                           (В.2)

Время карбонизации τ1 защитного слоя толщиной Х1 при концентрации углекислого газа в воздухе C1 рассчитывают по формуле

                                                                                                               (В.3)

где С2 - концентрация углекислого газа в камере во время испытаний;

τ2 - продолжительность испытаний;

Х2 - глубина карбонизации бетона за время испытаний.

Пример 1 - Рассчитывают глубину карбонизации бетона Х1, имеющего эффективный коэффициент диффузии углекислого газа 1·10-4 см2/с и реакционную емкость 43,2 см3/см3 за 50 лет при концентрации углекислого газа в воздухе 0,03 % (относительная величина 3·10-4):

Пример 2 - Рассчитывают глубину карбонизации бетона за 50 лет Х1, если за 7 сут. испытаний при концентрации углекислого газа 10 % глубина карбонизации бетона равна 0,8 см:

Приложение Г
(справочное)

Расчет поправки и постоянной прибора для определения коэффициента диффузии хлоридов в бетоне

Готовят раствор KCl концентрации 1 моль/дм3, для чего 74,5 гх. ч. KCl по ГОСТ 4234 растворяют в 500 дм3 дистиллированной воды и добавлением воды доводят объем раствора до 1000 дм3.

Измеряют внутренний диаметр трубки D и расстояние между средними электродами l с точностью до 0,01 см. Заливают в трубку раствор так, чтобы над верхним электродом был слой раствора толщиной 2 см. Включают электрическую цепь установки и измеряют ток I и разность потенциалов при включенном токе ΔVKCl и после отключения тока ΔVKCl-0.

Рассчитывают значение удельного электрического сопротивления раствора KCl по формуле

.                                                                                        (Г.1)

Делением удельного электрического сопротивления 1 н. раствора КСl, полученного из «Справочника химика» [2], ρс на экспериментально полученное значение ρэ, рассчитывают значение поправки П по формуле

                                                                                                                      (Г.2)

Вычисляют постоянную прибора K по формуле

                                                                                                                (Г.3)

Пример - Диаметр трубки прибора равен 1,40 см, расстояние между электродами 7 см, температура 23 °С, ток 1,35-10-3 А, разность потенциалов ΔVKCl равна 0,052 В и ΔVKCl-0 =

Повторяют определение три раза и получают значения 8,466; 8,352; 8,869 Ом·см, в среднем 8,562 Ом·см. По справочнику находят, что раствор KCl концентрации 1 моль/дм3 при температуре 23 °С имеет удельное сопротивление 9,268 Ом·см. Значение поправки П равно

Затем вычисляют значение постоянной прибора K

Приложение Д
(справочное)

Расчет тока коррозии по поляризационной кривой

Ток коррозии рассчитывают по значению поляризационного сопротивления R, рассчитанному для начального участка поляризационной кривой при смещении потенциала от установившегося значения не более чем на 10 мВ.

Поляризационное сопротивление R, Ом, рассчитывают по формуле

                                                                                                                     (Д.1)

где ΔV - смещение потенциала от установившегося значения, В;

Δi - изменение тока при указанном смещении потенциала, А.

Ток коррозии iкор, А/см2, рассчитывают по формуле

,                                                                                                                      (Д.2)

где B - коэффициент, равный 0,026 В [3];

R - по формуле (Д.1).

Критическим (пассивное состояние) является ток коррозии 1-10-7 А/см2 (0,1 мкА/см2), соответствующий скорости коррозии 1 мкм в год.

Библиография

[1] ТУ 07510508.90-94 Клей эпоксидный универсальный марки ЭДП

[2] Справочник химика. Т. III, М.Л., Изд. «Химия», 1965. С. 657

[3] RILEM TC 154-EMC «Electrochemical Techniques for Measuring Metallic Corrosion». Recommendations. Andrade C, Alonso С Test methods for on-site corrosion rate measurement of steel reinforcement in concrete by means of the polarization resistance method // Materials and Structures, Vol, 37, November 2004, pp. 623-643

Ключевые слова: бетон, железобетон, защита от коррозии, методы испытаний, коррозионная стойкость, защитные покрытия, защитное действие бетона, стальная арматура, коррозионные испытания, агрессивные среды, диффузионная проницаемость, коррозионное растрескивание

 

 




ГОСТЫ, СТРОИТЕЛЬНЫЕ и ТЕХНИЧЕСКИЕ НОРМАТИВЫ.
Некоммерческая онлайн система, содержащая все Российские Госты, национальные Стандарты и нормативы.
В Системе содержится более 150000 файлов нормативно-технической документации, действующей на территории РФ.
Система предназначена для широкого круга инженерно-технических специалистов.

Рейтинг@Mail.ru Яндекс цитирования

Copyright © www.gostrf.com, 2008 - 2026