Крупнейшая бесплатная информационно-справочная система онлайн доступа к полному собранию технических нормативно-правовых актов РФ. Огромная база технических нормативов (более 150 тысяч документов) и полное собрание национальных стандартов, аутентичное официальной базе Госстандарта. GOSTRF.com - это более 1 Терабайта бесплатной технической информации для всех пользователей интернета. Все электронные копии представленных здесь документов могут распространяться без каких-либо ограничений. Поощряется распространение информации с этого сайта на любых других ресурсах. Каждый человек имеет право на неограниченный доступ к этим документам! Каждый человек имеет право на знание требований, изложенных в данных нормативно-правовых актах!

  


 

ФЕДЕРАЛЬНОЕ АГЕНТСТВО
ПО ТЕХНИЧЕСКОМУ РЕГУЛИРОВАНИЮ И МЕТРОЛОГИИ

НАЦИОНАЛЬНЫЙ
СТАНДАРТ
РОССИЙСКОЙ
ФЕДЕРАЦИИ

ГОСТ Р МЭК
60122-1-
2009

РЕЗОНАТОРЫ ОЦЕНИВАЕМОГО КАЧЕСТВА
КВАРЦЕВЫЕ

Часть 1

Общие технические условия

IEC 60122-1: 2002
Quartz crystal units of assessed quality - Part 1: Generic specification
(IDT)

Москва

Стандартинформ

2010

Предисловие

Цели и принципы стандартизации в Российской Федерации установлены Федеральным законом от 27 декабря 2002 г. № 184-ФЗ «О техническом регулировании», а правила применения национальных стандартов Российской Федерации - ГОСТ Р 1.0-2004 «Стандартизация в Российской Федерации. Основные положения»

Сведения о стандарте

1 РАЗРАБОТАН Открытым акционерным обществом «Российский научно-исследовательский институт «Электронстандарт» (ОАО РНИИ «Электронстандарт»)

2 ВНЕСЕН Техническим комитетом по стандартизации ТК 303 «Изделия электронной техники, материалы и оборудование»

3 УТВЕРЖДЕН И ВВЕДЕН В ДЕЙСТВИЕ Приказом Федерального агентства по техническому регулированию и метрологии от 15 декабря 2009 г. № 1202-ст

4 Настоящий стандарт идентичен международному стандарту МЭК 60122-1:2002 «Резонаторы оцениваемого качества кварцевые. Часть 1. Общие технические условия» (IEC 60122-1:2002 «Quartz crystal units of assessed quality - Part 1: Generic specification», IDT).

При применении настоящего стандарта рекомендуется использовать вместо ссылочных международных стандартов соответствующие им национальные стандарты Российской Федерации, сведения о которых приведены в дополнительном приложении А

5 ВВЕДЕН ВПЕРВЫЕ

Информация об изменениях к настоящему стандарту публикуется в ежегодно издаваемом информационном указателе «Национальные стандарты», а текст изменений и поправок - в ежемесячно издаваемых информационных указателях «Национальные стандарты». В случае пересмотра (замены) или отмены настоящего стандарта соответствующее уведомление будет опубликовано в ежемесячно издаваемом информационном указателе «Национальные стандарты». Соответствующая информация, уведомление и тексты размещаются также в информационной системе общего пользователя - на официальном сайте Федерального агентства по техническому регулированию и метрологии в сети Интернет

Содержание

1 Общие положения

1.1 Область применения

1.2 Нормативные ссылки

1.3 Порядок предпочтительности

2 Термины и определения

2.1 Общие положения

2.2 Термины и определения

2.3 Предпочтительные параметры и характеристики

2.4 Маркировка

3 Процедуры оценки качества

3.1 Главный этап технологического процесса

3.2 Конструктивно подобные резонаторы

3.3 Субподряды

3.4 Аттестация изготовителя

3.5 Процедуры аттестации

3.6 Процедуры аттестации технических возможностей

3.7 Процедуры аттестации резонаторов конкретных типов

3.8 Методы испытаний

3.9 Требования к отбраковке

3.10 Работы по переделке и ремонту

3.11 Сертификационные протоколы выпущенных партий

3.12 Хранение

3.13 Выпуск для поставки

3.14 Неконтролируемые параметры

4 Методы испытаний и измерений

4.1 Общие положения

4.2 Альтернативные методы испытаний

4.3 Точность измерений

4.4 Стандартные условия проведения испытаний

4.5 Визуальный осмотр

4.6 Проведение контроля размеров и применение калибров

4.7 Методы измерения электрических характеристик

4.8 Методы механических и климатических испытаний

4.9 Методы испытания на срок службы

Приложение А (справочное) Сведения о соответствии национальных стандартов Российской Федерации ссылочным международным стандартам

ГОСТ Р МЭК 60122-1-2009

НАЦИОНАЛЬНЫЙ СТАНДАРТ РОССИЙСКОЙ ФЕДЕРАЦИИ

РЕЗОНАТОРЫ ОЦЕНИВАЕМОГО КАЧЕСТВА КВАРЦЕВЫЕ

Часть 1 Общие технические условия

Quartz crystal units of assessed quality. Part 1. General specifications

Дата введения - 2011-01-01

1 Общие положения

1.1 Область применения

Настоящий стандарт распространяется на кварцевые резонаторы оцениваемого качества (далее - резонаторы).

Настоящий стандарт содержит общие требования и методы испытаний резонаторов, а также устанавливает процедуры аттестации технических возможностей или аттестации резонаторов конкретных типов.

1.2 Нормативные ссылки

В настоящем стандарте использованы нормативные ссылки на следующие международные стандарты:

МЭК 60027 (все части) Буквенные обозначения, используемые в области электротехники

МЭК 60050(561):1991 Международный электротехнический словарь. Глава 561. Устройства пьезоэлектрические для регулировки (подстройки) и выбора частоты

МЭК 60068-1:1988 Основные методы испытаний на воздействие внешних факторов. Часть 1. Общие положения и руководство

МЭК 60068-2-1:19901) Основные методы испытаний на воздействие внешних факторов. Часть 2. Испытание А. Холод

МЭК 60068-2-2:19742) Основные методы испытаний на воздействие внешних факторов. Часть 2. Испытание В. Сухое тепло

МЭК 60068-2-3:19693) Основные методы испытаний на воздействие внешних факторов. Часть 2. Испытание Са. Влажное тепло, постоянный режим

1) Заменен на МЭК 60068-2-1:2007.

2) Заменен на МЭК 60068-2-2:2007.

3) Заменен на МЭК 60068-2-78:2001.

МЭК 60068-2-6:1995 Основные методы испытаний на воздействие внешних факторов. Часть 2. Испытание Fc. Вибрация (синусоидальная)

МЭК 60068-2-7:1983 Основные методы испытаний на воздействие внешних факторов. Часть 2. Испытание Ga. Линейное ускорение

МЭК 60068-2-13:1983 Основные методы испытаний на воздействие внешних факторов. Часть2. Испытание М. Пониженное атмосферное давление

МЭК 60068-2-14:1984 Основные методы испытаний на воздействие внешних факторов. Часть 2. Испытание N. Смена температур

МЭК 60068-2-17:1994 Основные методы испытания на воздействие внешних факторов. Часть 2. Испытание Q. Герметичность

МЭК 60068-2-20:1979 Основные методы испытаний на воздействие внешних факторов. Часть 2. Испытание Т. Пайка

МЭК 60068-2-21:19991) Основные методы испытаний на воздействие внешних факторов. Часть 2. Испытание U. Прочность выводов и их крепление к корпусу изделия

1) Заменен на МЭК 60068-2-21:2006.

МЭК 60068-2-27:1987 Основные методы испытаний на воздействие внешних факторов. Часть 2. Испытание Еа. Удар

МЭК 60068-2-29:1987 Основные методы испытаний на воздействие внешних факторов. Часть 2. Испытание Еb. Многократные удары

МЭК 60068-2-30:19802) Основные методы испытаний на воздействие внешних факторов. Часть 2. Испытание Db. Влажное тепло, циклический режим (12 ч + 12 ч)

2) Заменен на МЭК 60068-2-30:2005.

МЭК 60068-2-32:1975 Основные методы испытаний на воздействие внешних факторов. Часть 2. Испытание Ed. Свободное падение (метод 1)

МЭК 60068-2-45:1980 Основные методы испытаний на воздействие внешних факторов. Часть 2. Испытание ХА. Погружение в очищающие растворители

МЭК 60122-3:2001 Кварцевые резонаторы оценочного качества. Часть 3. Стандартизованные габаритные размеры и штыревые соединения

МЭК 60444-1:1986 Измерение параметров кварцевых резонаторов методом с нулевой фазой в p-образной схеме. Часть 1. Основной метод измерения резонансной частоты и сопротивления кварцевых резонаторов методом с нулевой фазой и в p-образной схеме

МЭК 60444-2:1980 Измерение параметров кварцевых резонаторов методом с нулевой фазой в p-образной схеме. Часть 2. Измерение динамической емкости кварцевых резонаторов методом сдвига фазы

МЭК 60444-4:1988 Измерение параметров кварцевых резонаторов методом с нулевой фазой в p-образной схеме. Часть 4. Метод измерения резонансной частоты под нагрузкой fL, резонансного сопротивления под нагрузкой RL и расчет других производных величин кварцевых резонаторов до 30 МГц включительно

МЭК 60444-5:1995 Измерение параметров кварцевых резонаторов методом с нулевой фазой в p-образной схеме. Часть 5. Методы определения эквивалентных электрических параметров с использованием автоматических схемных анализаторов и коррекции погрешностей

МЭК 60444-6:1995 Измерение параметров кварцевых резонаторов методом с нулевой фазой в p-образной схеме. Часть 6. Измерение зависимости уровня возбуждения (DLD)

МЭК 60617 (все части) Обозначения условные графические для схем

МЭК 61178-2:1993 Резонаторы кварцевые. Технические условия в Системе сертификации электронных компонентов МЭК (IECQ). Часть 2. Групповые ТУ. Утверждение технических возможностей

МЭК 61178-3:1993 Резонаторы кварцевые. Технические условия в Системе сертификации электронных компонентов МЭК (IECQ). Часть 3. Групповые ТУ. Утверждение соответствия

МЭК QC 001001:2000 Система сертификации электронных компонентов МЭК (IECQ). Основные правила

МЭК QC 001002-2:1998 Система сертификации электронных компонентов МЭК (IECQ). Часть 2. Документация

МЭК QC 001002-3:1998 Система сертификации электронных компонентов МЭК (IECQ). Часть 3. Процедуры утверждения

МЭК QC 001005:2000 Перечень фирм, изделий и услуг, аттестованных в Системе с учетом ИСО 9000

ИСО 1000:1992 Единицы Системы СИ и рекомендации по применению кратных им и некоторых других единиц

1.3 Порядок предпочтительности

При нескольких видах документов следующий порядок предпочтительности:

- технические условия (ТУ) на компоненты конкретных типов;

- групповые ТУ;

- общие ТУ;

- любые другие международные документы (например, МЭК), на которые приведена ссылка.

2 Термины и определения

2.1 Общие положения

Единицы измерения, графические и буквенные обозначения и термины, используемые в настоящем стандарте, - по МЭК 60027, МЭК 60050(561), МЭК 60617 и ИСО 1000.

2.2 Термины и определения

В данном подразделе приведены дополнительные термины с соответствующими определениями:

2.2.1 кристаллический элемент (кристаллическая пластина) [crystal element (crystal blank)]: Пьезоэлектрический материал, имеющий определенную геометрическую форму, размеры и ориентацию относительно кристаллографических осей кристалла.

2.2.2 электрод (electrode): Токопроводящая пластина или пленка, контактирующая с поверхностью кристаллического элемента или расположенная вблизи нее, с помощью которой к кристаллическому элементу прикладывают электрическое поле.

2.2.3 пьезоэлектрический резонатор (crystal resonator): Закрепленный кристаллический элемент, который вибрирует при наличии электрического поля между электродами.

2.2.4 держатель (mounting): Устройство, с помощью которого пьезоэлектрический резонатор удерживается внутри корпуса.

2.2.5 корпус (с1оэиге):Часть конструкции, предохраняющая один или несколько пьезоэлектрических резонаторов, установленных в держателе, от влияния внешних воздействий.

2.2.6 тип корпуса (enclosure type): Корпус кварцевого резонатора, имеющий конкретные габаритные размеры и изготовленный из конкретного материала с определенным методом герметизации.

2.2.7 кварцевый резонатор (crystal unit): Пьезоэлектрический резонатор, смонтированный в корпус, основным элементом которого является кварцевый кристаллический элемент.

2.2.8 цоколь (socket): Устройство для крепления и электрического соединения кварцевого резонатора.

2.2.9 вид колебаний (mode of vibration): Характер движения элементарных частиц в колеблющемся кристаллическом элементе, обусловленный прилагаемыми механическими нагрузками, частотой колебаний при определенных граничных условиях.

Основные виды колебаний:

- изгиб;

- продольные;

- сдвиг по контуру;

- сдвиг по толщине.

2.2.10 кварцевый резонатор, возбуждаемый на основной частоте (fundamental crystal unit): Кварцевый резонатор, предназначенный для работы на колебаниях самого низкого порядка для данного вида колебаний.

2.2.11 кварцевый резонатор, возбуждаемый на гармонике (overtone crystal unit): Кварцевый резонатор, предназначенный для работы на колебаниях более высокого порядка, чем самый низкий для данного вида колебаний.

2.2.12 номер гармоники (overtone order): Число, обозначающее последовательные гармоники данного вида колебаний в восходящем ряду целых чисел, начинающемся с основной частоты, принимаемой за единицу. Для колебаний сдвига и продольных колебаний номер гармоники является целым, кратным основной частоте, к которому приближается частота гармоники.

2.2.13 эквивалентная схема кварцевого резонатора (crystal unit equivalent circuit): Электрическая схема с таким же импедансом (полным сопротивлением), что и кварцевый резонатор в диапазоне требуемой резонансной и антирезонансной частот. Ее представляют в виде последовательного соединения индуктивности L1, емкости С, и активного сопротивления R1, шунтируемую между выводами резонатора емкостью С0 (см. рисунок 1). L1, С1 и R1 - динамические параметры кварцевого резонатора.

Эти параметры не зависят от частоты изолированных видов колебаний. Обычно этот неизвестный вид колебаний достаточно изолирован от других видов колебаний при допущении этого приближения. Если это не соблюдается, представленные здесь уравнения и методы измерения не применяют.

Рисунок 1 - Обозначения и эквивалентная электрическая схема пьезоэлектрического резонатора

Примечание 1 - Эта эквивалентная схема не отражает все характеристики кварцевого резонатора.

Примечание 2 - Значения Re, Хе, Gp и Вр очень резко изменяются вблизи резонансной частоты.

Re - последовательное активное сопротивление эквивалентной схемы резонатора;

Хе - последовательное реактивное сопротивление эквивалентной схемы резонатора;

Gp - параллельная активная проводимость эквивалентной схемы резонатора;

Вр - параллельная реактивная проводимость эквивалентной схемы резонатора.

Обозначения, используемые в настоящем стандарте, приведены в таблице 1.

Таблица 1 - Перечень обозначений, используемых для эквивалентной электрической схемы пьезоэлектрического резонатора

Обозначение параметра

Наименование параметра

Обозначение единицы СИ

Номер

формулы

таблицы

рисунка

Bp

Эквивалентная параллельная реактивная проводимость вибратора

См

-

2

1

С0

Параллельная емкость эквивалентной электрической схемы

Ф

2, 3

-

1, 5

C1

Динамическая емкость эквивалентной электрической схемы

Ф

2, 3

-

1, 5

f

Частота

Гц

-

-

3

fa

Антирезонансная частота, нулевая реактивная проводимость

Гц

-

2, 4

2, 3

fm

Частота при максимальной полной проводимости (минимальном полном сопротивлении)

Гц

-

2, 4

2, 3

fn

Частота при минимальной полной проводимости (минимальном полном сопротивлении)

Гц

-

2, 4

2, 3

fp

Частота параллельного резонанса (без потерь), вычисляемая по формуле

Гц

2, 3

2, 4

2, 3

fr

Резонансная частота, нулевая реактивная проводимость

Гц

-

2, 4

2, 3, 4

fs

Частота динамического (последовательного) резонанса, вычисляемая по формуле

Гц

2, 3

2, 4

2, 3

Gp

Эквивалентная параллельная проводимость резонатора

-

-

-

1

L1

Динамическая индуктивность эквивалентной электрической схемы

Гн

-

-

1, 5

М

Добротность резонатора, вычисляемая по формуле

Безразмерная

-

3, 4

-

Q

Добротность, вычисляемая по формуле

Безразмерная

-

2

-

r

Емкостный коэффициент, вычисляемый по формуле

Безразмерный

2, 3

2, 3, 4

-

Rа

Импеданс при нулевом фазовом угле вблизи антирезонанса

Ом

-

-

2, 3

Re

Эквивалентное сопротивление вибратора

Ом

-

-

1, 2

Rr

Импеданс при fr при нулевом фазовом угле

Ом

-

-

2, 3

R1

Динамическое сопротивление эквивалентной электрической схемы

Ом

15

2

1, 3, 5

Xe

Эквивалентное реактивное сопротивление резонатора

Ом

-

-

1, 2

X0

Реактивное сопротивление параллельной емкости на частоте последовательного резонанса, вычисляемое по формуле

Ом

 

 

3

X1

Реактивное сопротивление последовательной ветви вибратора, вычисляемое по формуле

Ом

 

2

2

Y

Полная проводимость резонатора, вычисляемая по формуле

См

1

-

-

Ym

Максимальная проводимость резонатора

См

-

-

3

Yn

Минимальная проводимость резонатора

См

-

-

3

Z

Импеданс резонатора, вычисляемый по формуле Z = Re + jXe

Ом

1

-

-

Zm

Минимальный импеданс резонатора

Ом

-

-

2, 3

Zn

Максимальный импеданс резонатора

Ом

-

-

2, 3

ïZï

Модуль импеданса резонатора, вычисляемый по формуле

Ом

-

2

2

ïZmï

Модуль импеданса на fm (минимальный импеданс)

Ом

-

-

2

ïZnï

Модуль импеданса на fn (максимальный импеданс)

Ом

-

-

2

d

Стандартизованный коэффициент затухания, вычисляемый по формуле d = wC0R1

Безразмерный

1

2

-

W

Стандартизованный частотный коэффициент, вычисляемый по формуле

Безразмерный

1

2

-

w

Круговая (угловая) частота W = 2pf

рад/с

-

2

-

ws

Круговая частота динамического резонанса, вычисляемая по формуле ws = 2pfs

рад/с

-

-

-

CL

Нагрузочная емкость

Ф

4, 15

1

4, 5

fL

Резонансная частота под нагрузкой комбинации вибратора и CL, вычисляемая по формуле

Гц

15

1

4

2.2.14 динамическое сопротивление (motional resistance) R1: Сопротивление динамической (последовательной) ветви эквивалентной схемы.

2.2.15 динамическая индуктивность (motional inductance) L1: Индуктивность динамической (последовательной) ветви эквивалентной схемы.

2.2.16 динамическая емкость (motional capacitance) С1: Емкость динамической (последовательной) ветви эквивалентной схемы.

2.2.17 шунтирующая емкость (shunt capacitance; С0: Емкость, параллельная динамической ветви эквивалентной схемы.

2.2.18 параметры пьезоэлектрических резонаторов (parameters of piezoelectric resonators): Основные параметры C1, L1, R1 и C0 определяют эквивалентную электрическую схему, приведенную на рисунке 1, и все другие параметры можно определять с их помощью. На установленной частоте параметры эквивалентной электрической схемы обычно приближаются к постоянным значениям, поскольку амплитуда колебаний приближается к нулю.

Амплитуда, которая может быть допущена перед тем, как она существенно повлияет на параметры, очень зависит от типа резонатора, и ее можно определять только экспериментально. Формула для импеданса Z или полной проводимости Y

                                                                                                    (1)

эквивалентная электрическая схема пьезоэлектрического резонатора является основной формулой, представляющей взаимоотношения между разными параметрами.

В формуле (1)

являются нормализованным коэффициентом частоты и нормализованным коэффициентом демпфирования соответственно. Определения для fp и fs и других обозначений, используемых в формуле (1), и для других основных параметров приведены в таблице 1. Характерные частоты из формулы (1) определены в таблице 2.

Таблица 2 - Решения для разных характеристических частот

Характеристические частоты

Определение

Условие

Соответствующее уравнение для частоты

fm

Частота максимальной проводимости (минимального модуля импеданса)

(W2 + d2)2 - 2d2(W + r) - 2Wr(1 - W) - W2 = 0

fs

Частота динамического (последовательного) резонанса

X1 = 0

W = 0

fr

Резонансная частота

Xе = Bp = 0

W(1 - W) - d2 = 0

fa

Антирезонансная частота

Xе = Bp = 0

W(1 - W) - d2 = 0

fp

Частота параллельного резонанса (без потерь)

ïXeï = ¥ для R1 = 0

W = 1

fn

Частота при минимальной проводимости (максимальном модуле импеданса)

(W2 + d2)2 - 2d2(W + R) - 2Wr(1 - W) - W2 = 0

Значение импеданса эквивалентной электрической схемы (|Z|), его активная составляющая Re, его реактивная составляющая Хе и реактивное сопротивление Х1 ветви L1, C1, R1 нанесены на рисунке 2 в виде зависимости от частоты для определения разных характерных частот. |Zm| и |Zn| обозначают минимальный и максимальный импеданс соответственно и Rr, Ra при нулевом фазовом угле. Эти кривые, однако, имеют только качественный характер и не представляют конкретный пьезоэлектрический резонатор.

Рисунок 2 - Зависимость импеданса |Z|, активного сопротивления Re, реактивного сопротивления Хе, сопротивления последовательной ветви Х1 пьезоэлектрического резонатора от частоты

Для более подробного объяснения на рисунке 3 представлены окружности импеданса и проводимости пьезоэлектрического резонатора. Однако представление в виде окружности импеданса или проводимости пьезоэлектрического резонатора действительно только, если диаметр окружности велик по сравнению с изменением 2pfC0 в диапазоне резонанса или если r << Q2, что выполняется в большинстве резонаторов. Если последние условия не выполняются, кривая проводимости имеет вид циссоиды. Далее предполагается, что импеданс (или проводимость) резонатора можно представить в виде окружности. В таблице 3 приведены данные по Q, r и Q2/r для разных типов резонаторов, показывая, что это предположение справедливо для всех практических случаев.

Рисунок 3 - Диаграмма импеданса и полной проводимости пьезоэлектрического резонатора

Таблица 3 - Предположительные минимальные значения Q2/r для различных типов пьезоэлектрических резонаторов

Тип пьезоэлектрического резонатора

Q=Mr

r

Q2/rmin

Пьезоэлектрическая керамика

90-500

2-40

200

Водорастворимые пьезоэлектрические кристаллы

200-50000

3-500

80

Кварц

104-107

100-50000

2000

Для получения практических уравнений для обычного использования необходимо сделать предположения. Погрешность этих предположений в сумме с инструментальной погрешностью управляет общей погрешностью определенных экспериментально параметров.

В качестве первого приближения, достаточного для многих практических случаев, можно сделать следующие предположения

fm = fr = fs и fa = fn = fp.

Более точные соотношения между характерными частотами fm, fr, fa, fp, fn и частотой последовательного fs резонанса резонатора, действительные для добротности М > 10 и коэффициента емкости r > 10, приведены в таблице 4. Эти соотношения получены при предположении, что М >> 1.

Различие между частотами параллельного и последовательного резонансов определяют по уравнению

                                                                                                              (2)

Для больших значений r можно использовать приближение, выраженное формулой

                                                      (3)

 (например, при r > 25 ошибка составляет менее 1 %).

2.2.19 резонансная частота (resonance frequency) fr: Нижняя из двух частот кварцевого резонатора без нагрузки в установленных условиях, при которой электрический импеданс кварцевого резонатора является резистивным.

2.2.20 резонансное сопротивление (resonance resistance) Rr: Сопротивление кварцевого резонатора без нагрузки на резонансной частоте fr.

2.2.21 антирезонансная частота (anti-resonance frequency) fa: Высшая из двух частот кварцевого резонатора в установленных условиях, при которой электрический импеданс кварцевого резонатора является резистивным.

2.2.22 нагрузочная емкость (load capacitance) CL: Эффективная внешняя емкость, присоединяемая к кварцевому резонатору, определяющая резонансную частоту fL под нагрузкой.

2.2.23 резонансная частота под нагрузкой (load resonance frequency) fL: Одна из двух частот кварцевого резонатора, соединенного последовательно или параллельно с нагрузочной емкостью, в установленных условиях, при которых импеданс этого соединения является резистивным. Резонансная частота под нагрузкой является нижней из двух частот, если нагрузочная емкость включена параллельно (см. рисунок 4).

При известном значении нагрузочной емкости С1 эти частоты идентичны для всех практических целей и вычисляются по формуле

                                                                                                     (4)

Примечание 1 - Частоты, определения которых приведены в 2.2.19, 2.2.21 и 2.2.23, являются наиболее используемыми. Имеется большое количество других частот, которые могут быть у кварцевого резонатора, их полные определения можно найти в таблицах 2 и 4.

Примечание 2 - Если требуется более высокая точность или необходимо получить дополнительные данные (например, значения динамических параметров кварцевого резонатора), следует руководствоваться таблицей 1 настоящего стандарта, МЭК 60444-1 и МЭК 60444-5.

2.2.24 резонансное сопротивление под нагрузкой (load resonance resistance) RL: Сопротивление кварцевого резонатора с последовательной установленной внешней емкостью на резонансной частоте fL.

Примечание - В более точном приближении значение RL связано со значением Rr, вычисленным по формуле

                                                                                                               (5)

2.2.25 номинальная частота (nominal frequency) fnom: Частота кварцевого резонатора, установленная изготовителем.

2.2.26 рабочая частота (working frequency) fw: Рабочая частота кварцевого резонатора в конкретных схемах.

2.2.27 сдвиг резонансной частоты под нагрузкой (load resonance frequency offset) DfL:

DfL = fLfr.                                                                                                                          (6)

Его можно приближенно вычислять по формуле

                                                                                                                (7)

В практических случаях сдвиг резонансной частоты под нагрузкой DfL для данной нагрузочной емкости можно, например, записать следующим образом Df30 или Df20, чтобы показать фактическое значение нагрузочной емкости в пикофарадах.

Примечание 1 - Значения нагрузочных емкостей, изображенных на рисунках а), b) и с) равны.

Примечание 2 - См. 2.2.19, 2.2.21 и 2.2.23.

Рисунок 4 - Резонансная, антирезонансная частоты и резонансная частота под нагрузкой

2.2.28 относительный сдвиг резонансной частоты под нагрузкой (fractional load resonance frequency offset) DL:

                                                                                                                   (8)

DL можно приближенно вычислять по формуле

                                                                                                                  (9)

DL можно также записать, например, как D30, чтобы показать относительный сдвиг резонансной частоты DL с нагрузочной емкостью 30 пФ.

2.2.29 диапазон перестройки частоты (frequency pulling range) DfL1,L2:

DfL1,L2 = ÷ fL1 - fL2ê.                                                                                                               (10)

DfL1,L2 можно вычислять приближенно по формуле

                                                                                          (11)

Это можно также записать, например, Df20,30, чтобы показать относительный диапазон перестройки частоты между нагрузочными емкостями 20 и 30 пФ.

2.2.30 относительный диапазон перестройки частоты (fractional pulling range) DL1,L2:

                                                                                           (12)

DL1,L2 можно вычислять приближенно по формуле

                                                                                        (13)

DL1,L2 можно записать, например, как D20,30, чтобы показать диапазон перестройки частоты между нагрузочными емкостями 20 и 30 пФ.

2.2.31 крутизна перестройки частоты (pulling sensitivity) S:

                                                                                                     (14)

S можно записать, например, как S30, чтобы показать крутизну перестройки с нагрузочной емкостью 30 пФ.

2.2.32 интервал рабочих температур (operating temperature range): Интервал температур, в котором кварцевый резонатор должен работать с установленными допусками.

2.2.33 интервал температур работоспособности (operable temperature range): Интервал температур, в котором кварцевый резонатор работоспособен, несмотря на необязательное функционирование в переделах установленных допусков.

2.2.34 интервал температур хранения (storage temperature range): Минимальная и максимальная температуры, при которых может храниться кварцевый резонатор без повреждений или ухудшения его рабочей характеристики.

2.2.35 опорная температура (reference temperature): Температура, при которой выполняют конкретные измерения параметров кварцевого резонатора. Для термостатированных кварцевых резонаторов опорная температура-это температура в средней точке интервала температур термостатирования. Для нетермостатированных кварцевых резонаторов опорной температурой обычно считают (25 ± 2) °С.

2.2.36 уровень возбуждения (level of drive): Величина, характеризующая условия возбуждения кварцевого резонатора. Она может быть выражена в единицах тока, проходившего через резонатор, или мощности, рассеиваемой на кварцевом элементе.

2.2.37 зависимость отуровня возбуждения (drive level dependency): Зависимость от уровня возбуждения (DLD) является результатом влияния изменений условий возбуждения на резонансное сопротивление кварцевого резонатора. Этот параметр можно определять отношением сопротивлений при двух установленных в ТУ уровнях возбуждения. Это соотношение представлено выражением

где Rr1 - сопротивление при более низком уровне возбуждения;

Rr2 - сопротивление при более высоком уровне возбуждения.

2.2.38 нежелательный резонанс (unwanted response): Состояние резонанса кварцевого резонатора на частоте, отличной от его рабочей частоты.

2.2.39 допуск по частоте (frequency tolerance): Максимально допустимое отклонение рабочей частоты от номинальной, вызванное какой-либо конкретной причиной ил и сочетанием причин. Допуск по частоте обычно устанавливают в миллионных частях (1´10-6) от номинальной частоты.

Примечание - Обычно используют следующие допуски:

- отклонение от номинальной частоты при опорной температуре в установленных условиях;

- отклонение частоты в интервале температур от значения при установленной опорной температуре;

- отклонение в результате старения в установленных условиях;

- отклонение от номинальной частоты вследствие воздействия всех причин (общий допуск).

Таблица 4 - Приближенные соотношения между характеристическими частотами и частотой последовательного резонанса fs пьезоэлектрического резонатора

Характеристическая частота

Первое приближение

Второе приближение

Отклонение  от более точного значения

Отклонение  от более точного значения

fm

fr

fa

fn

fp

0

Рисунок 5 - Эквивалентная схема пьезоэлектрического резонатора с последовательной (нагрузочной) емкостью CL

                                                                         (15)

2.3 Предпочтительные параметры и характеристики

Предпочтительные параметры и характеристики по 2.3.1-2.3.11.

2.3.1 Интервалы температур для работы в окружающей среде

Интервалы температур для работы в окружающей среде выбирают из следующего ряда: от минус 55 °С до плюс 125 °С; от минус 55 °С до плюс 105 °С; от минус 55 °С до плюс 100 °С; от минус 55 °С до плюс 90 °С; от минус 40 °С до плюс 90 °С; от минус 40 °С до плюс 85 °С; от минус 40 °С до плюс 80 °С; от минус 40 °С до плюс 70 °С; от минус 30 °С до плюс 80 °С; от минус 30 °С до плюс 70 °С; от минус 25 °С до плюс 80 °С; от минус 20 °С до плюс 85 °С; от минус 20 °С до плюс 80 °С; от минус 20 °С до плюс 70 °С; от минус 20 °С до плюс 60 °С; от минус 10 °С до плюс 70 °С; от минус 10 °С до плюс 60 °С; от минус 10 °С до плюс 50 °С; от 0 °С до 60 °С; от 0 °С до 50 °С; от 5 °С до 55 °С; от 10 °С до 40 °С; от 15 °С до 50 °С.

2.3.2 Интервалы повышенных температур для термостатирования

Интервалы повышенных температур для термостатирования выбирают из следующего ряда: (60 ± 5) °С; (65 ± 5) °С; (70 ± 5) °С; (75 ± 5) °С; (80 ± 5) °С; (85 ± 5) °С.

2.3.3 Допуск по частоте (1´10-6)

Допуск по частоте выбирают из следующего ряда: ± 200; ± 100; ± 50; ± 40; ± 30; ± 25; ± 20; ± 15; ± 10; ± 7,5; ± 5; ± 4; ± 2,5; ± 1.

2.3.4 Условия работы в схеме

Нагрузочная емкость - 10; 15; 20; 30; 50 пФ; последовательный резонанс.

2.3.5 Уровни возбуждения

Уровни возбуждения резонаторов среза AT с колебаниями сдвига по толщине:

- ток 150, 200, 1000, 2000 мкА;

- мощность 1, 10, 100, 500 мкВт.

Уровни возбуждения резонаторов с колебаниями изгиба и сдвига по контуру:

- ток 100, 200 мкА.

Уровни возбуждения резонаторов с продольными колебаниями:

- ток 500, 1000 мкА.

2.3.6 Зависимость от уровня возбуждения

Резонансное сопротивление, Ом

Соотношение сопротивлений

До 5 включ.

2,2

Св. 5 » 10 »

2,0

» 10 » 20 »

1,8

» 20 » 35 »

1,5

» 35 » 50 »

1,3

» 50

1,2

2.3.7 Климатическая категория

55/105/56

Для требований, согласно которым интервал рабочих температур кварцевого резонатора шире, чем от минус 55 °С до плюс 105 °С, необходимо указывать климатическую категорию, соответствующую этому интервалу рабочих температур.

2.3.8 Степень жесткости испытания на многократные удары

(4000 ±10) ударов с максимальным ускорением 390 м/с2 в каждом направлении по трем взаимно перпендикулярным осям (см. 4.8.6).

Длительность импульса - 6 мс.

2.3.9 Степень жесткости при испытаниях на воздействие вибрации

от 10 до 55 Гц

Амплитуда смещения 0,75 мм

(пиковое значение)

30 мин по каждой из трех взаимно перпендикулярных осей со скоростью качания 1 октава/мин (см. 4.8.7)

или от 55 до 2000 Гц

Амплитуда ускорения 98,1 м/с2

(пиковое значение)

 

 

от 10 до 55 Гц

Амплитуда смещения 1,5 мм

(пиковое значение)

30 мин по каждой из трех взаимно перпендикулярных осей со скоростью качания 1 октава/мин (см. 4.8.7)

от 55 до 2000 Гц

Амплитуда ускорения 196,2 м/с2

(пиковое значение)

Степени жесткости испытания на случайную вибрацию находятся на рассмотрении.

2.3.10 Степень жесткости при испытаниях на воздействие одиночных ударов

Если другое не оговорено в ТУ на резонаторы конкретных типов, то максимальное ускорение должно быть 981 м/с2 с длительностью импульса 6 мс; три удара в каждом направлении по каждой из трех взаимно перпендикулярных осей (см. 4.8.8), импульс полусинусоидальный.

2.3.11 Скорость натекания

10-3 Па×см3/с (10-8 бар×см3/с).

2.4 Маркировка

2.4.1 Данные, приводимые в маркировке, выбирают из следующего перечня. Относительная важность каждой позиции определяется ее положением в этом перечне:

a) обозначение типа согласно ТУ на конкретные типы резонаторов;

b) номинальная частота в килогерцах (кГц) или мегагерцах (МГц);

c) год (четыре цифры) и неделя (две цифры) изготовления;

d) код предприятия-изготовителя;

e) наименование изготовителя или товарный знак;

f) знак соответствия (если не используется сертификат соответствия).

2.4.2 На кварцевом резонаторе должны быть отчетливо нанесены сведения, указанные в перечислениях а), b) и с), и как можно больше сведений из остальных позиций, насколько это необходимо. Необходимо избегать дублирования в маркировке на кварцевом резонаторе.

Если площадь поверхности миниатюрных корпусов резонаторов не позволяет нанести требуемое количество маркируемых данных, то в ТУ на резонаторы конкретных типов должны быть приведены указания по применяемой маркировке.

2.4.3 На первичной упаковке, содержащей кварцевый(ые) резонатор(ы), должна быть четко нанесена маркировка, содержащая все данные, приведенные в 2.4.1.

2.4.4 Любую дополнительную маркировку следует применять таким образом, чтобы не могло возникнуть путаницы.

3 Процедуры оценки качества

Для аттестации резонаторов существует две процедуры. Это аттестация резонаторов конкретных типов и аттестация технических возможностей.

3.1 Главный этап технологического процесса

В соответствии с МЭК QC 001002-3, подпункт 3.1.1.2, главным этапом технологического процесса является окончательная обработка поверхности кристаллического элемента.

Примечание - В случае применения полированных пластин окончательной обработкой кристаллического элемента может быть одна из следующих операций: шлифовка, полировка, травление, очистка.

3.2 Конструктивно подобные резонаторы

Группирование конструктивно подобных резонаторов с целью аттестации резонаторов конкретных типов, аттестации технических возможностей и контроля качества следует устанавливать в соответствующих групповых ТУ.

3.3 Субподряды

Процедуры субподряда должны соответствовать МЭК QC 001002-3, подпункт 3.1.2, Однако окончательную обработку поверхности кристаллических элементов и все последующие технологические операции должен выполнять аттестованный изготовитель.

3.4 Аттестация изготовителя

Для получения сертификата об аттестации изготовитель должен соответствовать требованиям МЭК QC 001002-3, раздел 2.

3.5 Процедуры аттестации

3.5.1 Общие положения

Для аттестации кварцевого резонатора можно использовать процедуру аттестации технических возможностей или процедуру аттестации резонаторов конкретных типов. Эти процедуры должны соответствовать процедурам, установленным в МЭК QС 001001 и МЭК QС 001002-3.

3.5.2 Аттестация технических возможностей

Аттестацию технических возможностей применяют, когда конструктивно подобные кварцевые резонаторы, основанные на общих правилах конструирования, изготовляют группой общих технологических процессов.

При аттестации резонаторов конкретных типов кварцевые резонаторы попадают в следующие три категории.

a) Резонаторы для аттестации технических возможностей (РАТВ)

На каждое РАТВ разрабатывают ТУ на резонаторы конкретных типов по согласованию с органом системы сертификации электронных компонентов МЭК по сертификации (ОСерт). В них должно быть установлено назначение РАТВ и включены все соответствующие уровни нагрузки и пределы испытаний.

b) Стандартные каталожные образцы

Когда резонатор, на который распространяется процедура аттестации технических возможностей, предлагается в качестве стандартного каталожного образца, следует разработать ТУ на резонаторы конкретных типов, соответствующие форме ТУ. Такие ТУ необходимо зарегистрировать в системе сертификации электронных компонентов МЭК (IECQ), а резонаторы можно включить в МЭК QC 001005.

c) Заказные кварцевые резонаторы

Содержание ТУ на резонаторы конкретных типов должно определяться соглашением между изготовителем и заказчиком в соответствии с МЭК QC 001002-3, пункт 4.3.3.

Подробная информация о ТУ на резонаторы конкретных типов содержится в групповых ТУ МЭК 61178-2.

Продукцию и резонаторы для аттестации технических возможностей (РАТВ) испытывают совместно и технические средства аттестуют на основе правил конструирования, технологических процессов и процедур контроля качества. Подробная информация приведена в 3.6 и в групповых ТУ МЭК 61178-2.

3.5.3 Аттестация резонаторов конкретных типов

Аттестации подлежат резонаторы, изготовляемые по стандартной конструкции и установленному технологическому процессу, и в соответствии с опубликованными ТУ на резонаторы конкретных типов.

Программа испытаний, приведенная в ТУ на резонаторы конкретных типов для соответствующего уровня оценки и степени жесткости, применяется непосредственно к аттестуемому кварцевому резонатору в соответствии с 3.6 и групповыми ТУ МЭК 61178-3.

3.6 Процедуры аттестации технических возможностей

3.6.1 Общие положения

Процедуры аттестации технических возможностей должны соответствовать МЭК QC 001002-3.

3.6.2 Приемлемость для аттестации технических возможностей

Изготовитель должен соответствовать требованиям МЭК QC 001002-3, пункт 4.2.1, и главный этап технологического процесса должен соответствовать 3.1 данных общих ТУ.

3.6.3 Подача заявки на аттестацию технических возможностей

Для аттестации технических возможностей изготовитель должен применять правила процедуры, приведенные в МЭК QC 001002-3, раздел 4.

3.6.4 Аттестация технических возможностей

Технические возможности следует признавать, если успешно выполняются требования МЭК QC 001002-3, раздел 4.

3.6.5 Краткие данные о технических возможностях

Содержание кратких данных о технических возможностях должно соответствовать требованиям групповых ТУ. Орган по сертификации (ОСерт) должен обращаться с краткими данными о технических возможностях, как с секретным документом. Изготовитель, по своему желанию, может раскрыть все эти данные или их часть третьей стороне.

3.7 Процедуры аттестации резонаторов конкретных типов

3.7.1 Общие положения

Процедуры аттестации должны соответствовать МЭК QC 001002-3, раздел 3.

3.7.2 Необходимые требования для аттестации резонаторов конкретных типов Изготовитель должен удовлетворять требования МЭК QC 001002-3, пункт 3.1.1, и главный этап технологического процесса должен соответствовать 3.1 данных общих ТУ.

3.7.3 Подача заявки на аттестацию резонаторов конкретного типа

Для аттестации резонаторов изготовитель должен применять процедуры, приведенные в МЭК QC 001002-3, пункт 3.1.1.

3.7.4 Признание аттестации резонаторов конкретных типов

Аттестация признается, когда успешно выполнены процедуры в соответствии с МЭК QC 001002-3, пункт 3.1.5.

3.7.5 Контроль качества

Программа испытаний по контролю соответствия качества должна быть приведена в ТУ на резонаторы конкретных типов, относящиеся к групповым ТУ.

3.8 Методы испытаний

Методы испытаний следует выбирать из общих ТУ. Если требуемый метод испытаний отсутствует, его следует привести в ТУ на резонаторы конкретных типов.

3.9 Требования к отбраковке

Если заказчик требует проводить отбраковку кварцевых резонаторов, это должно быть указано в ТУ на резонаторы конкретных типов.

3.10 Работы по переделке и ремонту

3.10.1 Переделка

Переделка - это исправление погрешностей технологического процесса, и ее нельзя осуществлять, если это запрещено групповыми ТУ. В групповых ТУ должно быть установлено, есть ли ограничения на число случаев переделок на конкретном компоненте.

Все переделки следует осуществлять до формирования контролируемой партии, предлагаемой для контроля на соответствие требованиям ТУ на резонаторы конкретных типов.

Методы таких переделок должны быть полностью описаны в соответствующей документации, разработанной изготовителем, и проводиться под непосредственным контролем главного контролера. Переделка по субподряду не допускается.

3.10.2 Ремонт

Ремонт - это исправление дефектов после поставки заказчику.

Компоненты, подвергавшиеся ремонту, не могут более рассматриваться как представители производства изготовителя и не могут поставляться под эгидой Международной системы сертификации качества МЭК.

3.11 Сертификационные протоколы выпущенных партий

Следует применять требования МЭК QC 001002-2, пункт 1.5. Если сертификационные протоколы выпущенных партий (СПВП) предписываются групповыми ТУ на утверждение соответствия и требуются заказчиком, то результаты установленных испытаний должны быть обобщены.

3.12 Хранение

Кварцевые резонаторы, которые хранились более двух лет после приемочного контроля, перед поставкой должны быть подвергнуты повторным проверкам электрических параметров методами, установленными по 4.7.1 и 4.7.3, и паяемости по методу 4.8.3, перечисление а).

3.13 Выпуск для поставки

Кварцевые резонаторы следует выпускать в соответствии с МЭК QC 001002-3, пункты 3.2.6 и 4.3.2.

3.14 Неконтролируемые параметры

Предполагается, что в установленных пределах должны находиться только те параметры резонатора, которые указаны в ТУ на резонаторы конкретных типов и которые подвергались проверке. Не следует предполагать, что любой неустановленный параметр остается неизменным. Если необходимо проверить неустановленные параметры, то следует разработать новые более подробные ТУ на резонаторы конкретных типов. Следует привести все дополнительные методы испытаний и указать соответствующие пределы, приемлемые уровни качества (AQL) и уровни контроля.

4 Методы испытаний и измерений

4.1 Общие положения

Методы испытаний и измерений следует выполнять по соответствующим ТУ на резонаторы конкретных типов.

4.2 Альтернативные методы испытаний

Измерения предпочтительно проводить установленными методами. Можно использовать любой другой метод, приводящий к эквивалентным результатам, за исключением приводящего к разногласиям.

Примечание - Под словом «эквивалентный» имеется в виду, что значение характеристики, установленное другим методом, находится в тех же пределах, что при использовании установленного метода.

4.3 Точность измерений

Пределы измерений, установленные в ТУ на резонаторы конкретных типов, являются истинными значениями. При оценке результатов необходимо учитывать погрешности измерения. Необходимо принимать меры для сведения к минимуму погрешности измерений.

4.4 Стандартные условия проведения испытаний

Если не оговорено иное, все испытания следует выполнять в стандартных атмосферных условиях испытаний, установленных в МЭК 60068-1, пункт 5.3:

температура                             от 15 °С до 35 °С;

относительная влажность      от 45 % до 75 %;

давление воздуха                    от 85 до 106 кПа (от 860 до 1060 мбар).

В случае разногласий арбитражными условиями являются:

температура                             (25 ± 1) °С;

относительная влажность       от 48 % до 52 %;

давление воздуха                     от 85 до 106 кПа (от 860 до 1060 мбар).

Перед проведением измерений резонаторы следует выдержать при температуре измерения в течение времени, достаточного для достижения резонатором этой температуры.

Контролируемые условия восстановления и стандартные условия принудительной сушки приведены в МЭК 60068-1, пункты 5.4 и 5.5.

Температуру окружающей среды во время измерений следует регистрировать и указывать в протоколе испытаний.

4.5 Визуальный осмотр

Внешний визуальный осмотр следует выполнять при нормальном производственном освещении и нормальных визуальных условиях, если не оговорено иное.

4.5.1 Визуальный осмотр А

Следует визуально осмотреть кварцевый резонатор, чтобы убедиться, что состояние, отделка и обработка удовлетворительные. Маркировка должна быть четкой.

4.5.2 Визуальный осмотр В

Следует визуально осмотреть кварцевый резонатор с увеличением 10´. Не должно наблюдаться трещин в стекле или повреждений выводов. Незначительные наплывы вокруг края бурта мениска не должны рассматриваться как трещина.

4.5.3 Визуальный осмотр С

Следует визуально осмотреть кварцевый резонатор. Не должно наблюдаться коррозии или других повреждений, которые могли бы неудовлетворительно повлиять на его работу. Маркировка должна быть четкой.

4.6 Проведение контроля размеров и применение калибров

4.6.1 Проверка размеров А

Размеры, расстояния между выводами и ориентацию выводов следует проверять, где принято, с помощью установленных калибров. Размеры, расстояния между выводами и ориентация выводов должны соответствовать установленным значениям.

4.6.2 Проверка размеров В

Следует измерять размеры, они должны соответствовать установленным значениям. Размеры и принятые методы применения калибров установлены в МЭК 60122-3 ил и в ТУ на резонаторы конкретных типов.

4.7 Методы измерения электрических характеристик

4.7.1 Частота и резонансное сопротивление

Если в ТУ на резонаторы конкретных типов не оговорено иное, измерения следует проводить при температуре (25 ± 2) °С для нетермостатированных кварцевых резонаторов или в средней точке интервала температур ± 1 °С для термостатированных кварцевых резонаторов.

Частоту и резонансное сопротивление кварцевого резонатора следует измерять в условиях, указанных в ТУ на резонаторы конкретных типов. Они должны находиться в пределах, установленных в этих ТУ.

Примечание - Предпочтительные методы измерения приведены в МЭК 60444-1, МЭК 60444-2, МЭК 60444-4 и МЭК 60444-5 в зависимости от частоты испытуемого кварцевого резонатора. Можно использовать любой другой метод измерения, если результаты коррелируют с результатами, полученными с помощью предпочтительных методов.

4.7.2 Зависимость от уровня возбуждения

Когда требуется проверка зависимости от уровня возбуждения, важно, чтобы ее проводили не менее чем через пять дней после любого предыдущего воздействия на резонатор (МЭК 60444-6).

Измерения по 4.7.1 необходимо выполнять при двух установленных уровнях возбуждения. Их обычно проводят при установленном низком уровне возбуждения, а затем при высоком уровне возбуждения. Если не оговорено иное, низкий уровень должен быть не более 50 мкА, а высокий уровень - не менее чем 1000 мкА. Изменение резонансного сопротивления не должно превышать предела, установленного в ТУ на резонаторы конкретных типов.

4.7.3 Зависимость частоты и резонансного сопротивления от температуры

Примечание - Испытания А и В можно объединять только в том случае, когда испытание А проводят при непрерывно изменяющейся температуре и начинают при предельно низкой температуре интервала рабочих температур или при минус 30 °С в зависимости от того, какая из этих температур ниже.

Уровень возбуждения и нагрузочную емкость следует устанавливать на уровнях, установленных в ТУ на резонаторы конкретных типов, при низкой температуре. Во время испытаний не должно быть последующего регулирования измерительной температуры.

Испытание А

Следует измерять частоту и резонансное сопротивление кварцевого резонатора (см. 4.7.1) в установленном интервале температур с дискретными температурными интервалами не более 1,5 °С, начиная с предельной температуры интервала рабочих температур, позволяя кварцевому резонатору достигать теплового равновесия при каждой температуре.

Кварцевый резонатор можно измерять в условиях непрерывно меняющейся температуры при условии, если испытания показали, что при выбранной скорости изменения температуры полученные результаты будут адекватно коррелировать с результатами, полученными при ступенчатом изменении температуры.

В течение этого испытания параметры кварцевого резонатора должны находиться в установленных пределах.

Испытание В

Необходимо поднимать температуру корпуса кварцевого резонатора от минус 30 °С до плюс 20 °С за время, не превышающее 1 мин. Во время этого испытания необходимо измерять частоту и резонансное сопротивление (см. 4.7.1) при температуре от минус 10 °С или ниже до плюс 20 °С, чтобы обеспечивать непрерывные показания. Не должно происходить прерывистого изменения частоты и/или сопротивления. Такая прерывистость свидетельствует о наличии влаги внутри корпуса.

Примечание - Наличие влаги можно проверять только при положительном изменении температуры.

4.7.4 Нежелательные отклики

Во время контроля сопротивления кварцевого резонатора на уровне возбуждения, установленном в ТУ на кварцевые резонаторы конкретных типов, для основного отклика следует отсканировать частоту в диапазоне, установленном в ТУ на кварцевые резонаторы конкретных типов.

Отношение резонансного сопротивления любого нежелательного отклика к резонансному сопротивлению отклика на требуемой резонансной частоте должно быть не менее установленного в ТУ на резонаторы конкретных типов, либо резонансное сопротивление нежелательных откликов должно быть более установленного в ТУ на резонаторы конкретных типов.

4.7.5 Шунтирующая емкость

Шунтирующую емкость С0 (см. рисунок 1) необходимо измерять на частоте ниже резонансной частоты основного вида колебаний кварцевого резонатора, при которой резонатор не проявляет колебательную характеристику. Если в ТУ на резонаторы конкретных типов не оговорено иное, корпус (если он металлический) должен быть заземлен.

Примечание 1 - Нет прямого метода точного измерения С0. Однако почти во всех практических случаях достаточно рассматривать С0 как среднее значение двух значений шунтирующей емкости, полученных на двух частотах, расположенных на одинаковом расстоянии выше и ниже резонансной частоты fr и достаточно удаленных от fr, чтобы импеданс не зависел от любого отклика.

Примечание 2 - С0 - это шунтирующая емкость между двумя электродами резонатора, но необходимо подчеркнуть, что емкости обоих электродов относительно земли являются важными элементами во многих схемах и стабилизации частоты.

Примечание 3 - Поэтому в общем случае необходимо рассматривать кварцевый резонатор как трехполюсник и рассчитывать С0 и паразитные емкости двух электродов относительно земли по измерениям разомкнутой и закороченной схемы в соответствии с методами, обычно используемыми для двухполюсников.

Если в ТУ на резонаторы конкретных типов не оговорено иное, корпуса кварцевых резонаторов должны находиться на потенциале земли во время всей серии измерений, требующихся для оценки параметров резонатора. Для этой цели кварцевые резонаторы в стеклянных баллонах должны быть снабжены металлическими экранами.

4.7.6 Резонансная частота и резонансное сопротивление под нагрузкой

Методы измерения резонансной частоты и резонансного сопротивления под нагрузкой представлены в МЭК 60444-4.

4.7.7 Диапазон перестройки частоты (fL1, fL2)

Разность между двумя резонансными частотами с двумя установленными нагрузочными емкостями следует определять методом, описанным в МЭК 60444-4, или альтернативным методом, дающим корреляцию частоты до степени, соответствующей требуемой точности.

4.7.8 Динамические параметры

Методы измерения динамических параметров описаны в МЭК 60444-2 и МЭК 60444-5.

4.7.9 Сопротивление изоляции

Если в ТУ на резонаторы конкретных типов не оговорено иное, сопротивление изоляции измеряют при постоянном напряжении (100 ±15) В в течение не более 60 с, если получено стабильное показание, подаваемом между:

- выводами, изолированными от корпуса;

- изолированными выводами, соединенными между собой, и металлическими частями корпуса, при их наличии.

Сопротивление изоляции не должно быть менее 500 МОм.

Примечание - При выполнении этого испытания необходимо следить за тем, чтобы на корпусе не оставалось влаги от любого из предыдущих испытаний.

4.8 Методы механических и климатических испытаний

4.8.1 Прочность выводов (разрушающее испытание)

a) Испытание на растяжение и нажим

Эти испытания необходимо выполнять в соответствии с испытанием Ua1 (растяжение) и Ua2 (нажим) МЭК 60068-2-21.

Если в ТУ на резонаторы конкретного типа не оговорено иное, нагрузочная сила должна быть:

- 20 Н нажим - для штырьков (вставляемых);

- 20 Н растяжение - для штырьков (вставляемых);

- 10 Н растяжение - для проволочных (припаиваемых) выводов.

b) Гибкость проволочных выводов

Это испытание следует проводить в соответствии с испытанием Ub (изгиб) МЭК 60068-2-21.

Если в ТУ на компоненты конфетных типов не оговорено иное, то нагрузку необходимо ограничивать так, чтобы изгиб начинался на расстоянии (2,5 ± 0,5) мм от корпуса кварцевого резонатора, прилагаемая сила должна быть равна 5 Н, а число изгибов должно быть равно трем.

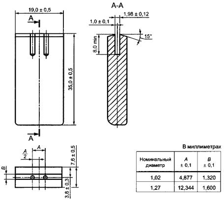
c) Испытание выводов на крутящий изгиб (только для штырьков с проточками)

Удерживают или закрепляют корпус или основание кварцевого резонатора любыми удобными средствами. Для сгибания применяют инструмент, изображенный на рисунке 6, чтобы зацепить тот сегмент выводов, который находится за пределами подрезанного участка штырьков.

Рисунок 6 - Инструмент для испытания выводов на изгиб

Примечание - Чтобы осуществлять изгиб главным образом в месте проточки, на штырьки надевают пластину с двумя отверстиями. Эта пластина должна быть такой толщины, чтобы в нее входила часть проточки на штырьках.

Штырьки следует изгибать с помощью инструмента на угол 15° ± 2° в одном направлении, а затем на угол 30° ± 2° в противоположном направлении и после этого отогнуть их на угол 15° ± 2°, возвращая в первоначальное положение. Скорость изгибания должна быть примерно 2° в секунду в каждом направлении.

При использовании этого испытания концы штырьков не должны обламываться.

4.8.2 Герметичность (неразрушающее испытание)

а) Проверка отсутствия больших течей

Это испытание следует проводить в соответствии с методикой, приведенной в методах 1 и 2 испытания Qc МЭК 60068-2-17.

Метод 1

Жидкостью должна быть дегазированная вода, давление воздуха над водой следует понижать не более чем до 8,5 кПа (85 мбар) и не требуется спускать воду или удалять образец из воды перед прерыванием вакуума.

Метод 2

Следует поддерживать температуру жидкости (125 ± 5) °С. Если иное не оговорено в ТУ на резонаторы конкретных типов, время погружения должно быть 30 с.

Через 1 мин резонатор вынимают из камеры и подвергают воздействию контролируемых условий восстановления по МЭК 60068-1, пункт 5.4.1.

Во время испытания не должно наблюдаться утечки газа или воздуха из кварцевого резонатора. Непрерывное образование пузырьков свидетельствует о наличии утечки.

b) Проверка отсутствия малых течей

Это испытание следует проводить в соответствии с методом 1 испытания Qk МЭК 60068-2-17. Если в ТУ на резонаторы конкретных типов не оговорено иное, давление в резервуаре должно быть 200 кПа (2 бара).

Если в ТУ на резонаторы конкретных типов не оговорено иное, максимальная скорость утечки не должна превышать значение, установленное в 2.3.11.

c) Проверка вакуума кварцевых резонаторов (только резонаторов в стеклянных баллонах)

Вакуум необходимо проверять под действием максимального напряжения, не превышающего 15 кВ, подаваемого от катушки Тесла.

Во избежание повреждения кварцевого резонатора точка приложения испытательного электрода должна быть максимально удалена от кварцевого пьезоэлемента и выводов.

Для облегчения наблюдения результирующего разряда испытание следует проводить в полутемноте. Внутри корпуса не должно быть дугового искрения. Там, где происходит однородный разряд, он должен быть бледно-голубого цвета.

Примечание - Это испытание следует выполнять за максимально короткое время, поскольку оно может вызывать изменение номинальной частоты испытуемого кварцевого резонатора.

4.8.3 Пайка (паяемость и теплостойкость при пайке) (разрушающее испытание)

a) Паяемость

Это испытание выполняют в соответствии с методом 1 испытания Та МЭК 60068-2-20. Для предотвращения нагревания компонента прямым излучением от паяльной ванны используют экран из теплоизолирующего материала. Он должен давать возможность погружать выводы до точки, отстоящей на 2 мм от выхода выводов из корпуса, если в ТУ на резонаторы конкретных типов не оговорено иное. Следует проверять хорошее облуживание выводов, о чем свидетельствует свободное отекание припоя при смачивании выводов.

b) Теплостойкость при пайке

Это испытание выполняют в соответствии с методом 1А испытания Тb МЭК 60068-2-20. Время погружения должно составлять (5 ± 1) с, если в ТУ на резонаторы конкретного типа не оговорено иное. Для предотвращения нагревания компонента прямым излучением от паяльной ванны используют экран из теплоизолирующего материала. Он должен давать возможность погружать выводы до точки, отстоящей на 2 мм от выхода выводов из корпуса, если в ТУ на резонаторы конкретных типов не оговорено иное.

4.8.4 Быстрое изменение температуры, метод двух ванн (неразрушающее испытание)

Это испытание выполняют в соответствии с испытанием Nc МЭК 60068-2-14. Изделия следует подвергать одному циклу снижения температуры от (98 ± 3) °С в течение 15 с до (1 ± 1) °С в течение 5 с.

4.8.5 Быстрое изменение температуры при установленном времени переноса (неразрушающее испытание)

Это испытание выполняют в соответствии с испытанием Na МЭК 60068-2-14.

Для нетермостатированных кварцевых резонаторов испытательные камеры с низкой и высокой температурами должны находиться при экстремальных температурах интервала рабочих температур, указанных в ТУ на резонаторы конкретного типа. Для термостатированных кварцевых резонаторов низкая и высокая рабочие температуры должны быть (минус 40 ± 3) °С и (100 ± 3) °С соответственно.

Кварцевые резонаторы необходимо выдерживать при каждой экстремальной температуре в течение 15 мин, если в ТУ на резонаторы конкретных типов не оговорено иное.

Кварцевые резонаторы следует подвергать действию 10 полных циклов, а затем выдерживать в стандартных атмосферных условиях восстановления не менее 2 ч.

4.8.6 Многократные удары (разрушающее испытание)

Это испытание выполняют в соответствии с испытанием Еb МЭК 60068-2-29. Кварцевые резонаторы необходимо закреплять соответствующим способом зажимами за корпус. Многократные удары прилагают по трем взаимно перпендикулярным осям:

- по оси, параллельной выводам;

- по оси, перпендикулярной к крепежному устройству на кристаллическом элементе.

Степень жесткости должна соответствовать 2.3.8, если в ТУ на резонаторы конкретных типов не оговорено иное.

4.8.7 Вибрация (разрушающее испытание)

а) Вибрация (синусоидальная)

Это испытание выполняют в соответствии с испытанием Fc МЭК 60068-2-6. Кварцевые резонаторы необходимо закреплять соответствующим способом зажимами за корпус. Ускорение прилагают по трем взаимно перпендикулярным осям:

- по оси, параллельной выводам;

- по оси, перпендикулярной к крепежному устройству на кристаллическом элементе. Степень жесткости должна быть указана в ТУ на резонаторы конкретных типов.

b) Случайная вибрация

На рассмотрении.

4.8.8 Одиночные удары (разрушающее испытание)

Это испытание выполняют в соответствии с испытанием Еа МЭК 60068-2-27. Кварцевые резонаторы необходимо закреплять соответствующим способом зажимами за корпус. Одиночные удары прилагают по трем взаимно перпендикулярным осям:

- по оси, параллельной выводам;

- по оси, перпендикулярной к крепежному устройству на кристаллическом элементе.

Степень жесткости должна соответствовать 2.3.10, если в ТУ на резонаторы конкретных типов не оговорено иное.

4.8.9 Свободное падение (разрушающее испытание)

Это испытание выполняют в соответствии с методом 1 испытания Ed МЭК 60068-2-32. Кварцевый резонатор подвешивают за его выводы на высоте 1000 мм, осуществляют два падения, если в ТУ на резонаторы конкретных типов не оговорено иное.

4.8.10 Линейное ускорение (неразрушающее испытание)

Это испытание выполняют в соответствии с испытанием Ga МЭК 60068-2-7. Кварцевые резонаторы закрепляют соответствующим способом зажимами за корпус. Метод и степень жесткости должны быть указаны в ТУ на резонаторы конкретных типов.

При некоторых степенях жесткости испытание можно считать разрушающим.

4.8.11 Сухое тепло (неразрушающее испытание)

Это испытание выполняют в соответствии с испытанием Ва МЭК 60068-2-2. Выдержку следует проводить при верхней температуре климатической категории в течение 16 ч.

4.8.12 Влажное тепло, циклическое (разрушающее испытание)

Это испытание выполняют в соответствии с методом 1 испытания Db МЭК 60068-2-30 (при степени жесткости б), 55 °С, число циклов равно шести.

4.8.13 Холод (неразрушающее испытание)

Это испытание выполняют в соответствии с испытанием Аа МЭК 60068-2-1 при нижней температуре климатической категории в течение 2 ч.

4.8.14 Климатическая последовательность (разрушающее испытание)

Испытания и измерения выполняют в следующем порядке:

- сухое тепло                                     см. 4.8.11;

- влажное тепло, циклическое         см. 4.8.12;

- холод                                                см. 4.8.13;

- влажное тепло, циклическое         см. 4.8.12 (остальные пять циклов).

При выполнении климатической последовательности между любыми этими испытаниями допускается перерыв не более 3 сут, за исключением перерыва между влажным теплом, циклическим (первый цикл) и сухим холодом.

В этом случае испытание на холод следует выполнять сразу же после периода восстановления, указанного для испытания на влажное тепло.

4.8.15 Влажное тепло, постоянный режим (разрушающее испытание)

Это испытание выполняют в соответствии с испытанием Са МЭК 60068-2-3 в течение 56 сут, если в ТУ на резонаторы конкретных типов не оговорено иное.

4.8.16 Погружение в очищающие растворители (неразрушающее испытание)

Это испытание применяют только к маркировке на поверхности.

Для проверки прочности маркировки это испытание следует проводить в соответствии с методом 1 испытания ХА МЭК 60068-2-45. Применяемый растворитель должен быть указан в ТУ на резонаторы конкретных типов.

Маркировка должна быть разборчивой.

4.9 Методы испытания на срок службы

4.9.1 Старение (неразрушающее испытание)

Кварцевые резонаторы в неработающем состоянии необходимо выдерживать при температуре (85 ± 2) °С непрерывно в течение 30 сут. В интервалы не более одной недели измеряют частоту и резонансное сопротивление. Первоначальные измерения частоты и резонансного сопротивления следует проводить в конце первых 24 ч, а заключительные измерения - в конце 30-суточного испытания.

Разность между температурой в начале проведения старения и последующими температурами измерения не должна превышать ± 0,5 °С. Уровень возбуждения должен быть указан в ТУ на резонаторы конкретных типов. Измерения необходимо выполнять в соответствии с 4.7.1, за исключением того, что температура при измерении должна быть (85 ± 2) °С.

Разность между самым низким и самым высоким измеренными значениями частоты не должна превышать установленного значения.

Резонансное сопротивление не должно быть более значения, установленного в ТУ на резонаторы конкретных типов.

Точность повторного установления частоты измерительной системы должна быть ± 5´10-7 или ± 10% допускаемого старения в зависимости от того, какое из этих значений меньше.

4.9.2 Длительное старение (неразрушающее испытание)

Это испытание выполняют в соответствии с 4.9.1, за исключением того, что непрерывные периоды должны длиться 1000, 2000 или 8000 ч в зависимости от требований ТУ на резонаторы конкретных типов, и оно должно применяться только для информационных целей.

Измерения следует проводить в соответствии с 4.7.1, за исключением того, что их необходимо выполнять при температуре (25 ± 2) °С или другой контрольной температуре.

Приложение А
(справочное)

Сведения о соответствии национальных стандартов Российской Федерации ссылочным международным стандартам

Таблица А.1

Обозначение ссылочного международного стандарта

Обозначение и наименование соответствующего национального стандарта

МЭК 60027 (все части)

*

МЭК 60050 (561):1991

*

МЭК 60068-1:1988

ГОСТ 28198-89 (МЭК 68-1-88) Основные методы испытаний на воздействие внешних факторов. Часть 1. Общие положения и руководство

МЭК 60068-2-1:1990

ГОСТ 11478-88 (МЭК 68-1-88, МЭК 68-2-1-90, МЭК 68-2-2-74, МЭК 68-2-3-69, МЭК 68-2-5-75, МЭК 68-2-6-82, МЭК 68-2-13-83, МЭК 68-2-14-84, МЭК 68-2-27-87, МЭК 68-2-28-90, МЭК 68-2-29-87, МЭК 68-2-32-75, МЭК 68-2-33-71, МЭК 68-2-52-84) Аппаратура радиоэлектронная бытовая. Нормы и методы испытаний на воздействие внешних механических и климатических факторов

МЭК 60068-2-2:1974

ГОСТ 28200-89 (МЭК 68-2-2-74) Основные методы испытаний на воздействие внешних факторов. Часть 2. Испытания. Испытание В: Сухое тепло

МЭК 60068-2-3:1969

ГОСТ 28201-89 (МЭК 68-2-3-69) Основные методы испытаний на воздействие внешних факторов. Часть 2. Испытания. Испытание Са: Влажное тепло, постоянный режим

МЭК 60068-2-6:1995

ГОСТ 28203-89 (МЭК 68-2-6-89) Основные методы испытаний на воздействие внешних факторов. Часть 2. Испытания. Испытание Fc и руководство: Вибрация (синусоидальная)

МЭК 60068-2-7:1983

ГОСТ 28204-89 (МЭК 68-2-7-83) Основные методы испытаний на воздействие внешних факторов. Часть 2. Испытания. Испытание Ga и руководство: Линейное ускорение

МЭК 60068-2-13:1983

ГОСТ 28208-89 (МЭК 68-2-13-83) Основные методы испытаний на воздействие внешних факторов. Часть 2. Испытания. Испытание М: Пониженное атмосферное давление

МЭК 60068-2-14:1984

ГОСТ 28209-89 (МЭК 68-2-14-82) Основные методы испытаний на воздействие внешних факторов. Часть 2. Испытания. Испытание N: Смена температур

МЭК 60068-2-17

ГОСТ 28210-89 (МЭК 68-2-17-78) Основные методы испытаний на воздействие внешних факторов. Часть 2. Испытания. Испытание Q: Герметичность

МЭК 60068-2-20:1970

ГОСТ 28211-89 (МЭК 68-2-20-79) Основные методы испытаний на воздействие внешних факторов. Часть 2. Испытания. Испытание Т: Пайка

МЭК 60068-2-21:1999

ГОСТ 28212-89 (МЭК 68-2-21-83) Основные методы испытаний на воздействие внешних факторов. Часть 2. Испытания. Испытание U: Прочность выводов и их креплений к корпусу изделия

МЭК 60068-2-27:1987

ГОСТ 28213-89 (МЭК 68-2-27-87) Основные методы испытаний на воздействие внешних факторов. Часть 2. Испытания. Испытание Еа: Одиночный удар

МЭК 60068-2-29:1987

ГОСТ 28215-89 (МЭК 68-2-29-87) Основные методы испытаний на воздействие внешних факторов. Часть 2. Испытания. Испытание Еb и руководство: Многократные удары

МЭК 60068-2-30:1980

ГОСТ 28216-89 (МЭК 68-2-30-87) Основные методы испытаний на воздействие внешних факторов. Часть 2. Испытания. Испытание Db и руководство: Влажное тепло, циклическое (12 + 12-часовой цикл)

МЭК 60068-2-32:1975

ГОСТ 28218-89 (МЭК 68-2-32-75) Основные методы испытаний на воздействие внешних факторов. Часть 2. Испытания. Испытание Ed: Свободное падение

МЭК 60068-2-45:1980

ГОСТ 28229-89 (МЭК 68-2-45-80) Основные методы испытаний на воздействие внешних факторов. Часть 2. Испытания. Испытание ХА и руководство: Погружение в очищающие растворители

МЭК 60122-3:2001

*

МЭК 60444-1:1986

*

МЭК 60444-2:1980

*

МЭК 60444-4:1988

*

МЭК 60444-5:1995

*

МЭК 60444-6:1995

*

МЭК 60617 (все части)

*

МЭК 61178-2:1993

*

МЭК 61178-3:1993

*

МЭК QC 001001:2000

*

МЭК QC 001002-2:1998

*

МЭК QC 001002-3:1998

*

МЭК QC 001005:2000

*

ИСО 1000:1992

*

* Соответствующий национальный стандарт отсутствует. До его утверждения рекомендуется использовать перевод на русский язык данного международного стандарта. Перевод данного международного стандарта находится в Федеральном информационном фонде технических регламентов и стандартов.

Ключевые слова: кварцевые резонаторы, общие технические условия, термины, оценка качества, методы испытаний, методы измерений

 

 




ГОСТЫ, СТРОИТЕЛЬНЫЕ и ТЕХНИЧЕСКИЕ НОРМАТИВЫ.
Некоммерческая онлайн система, содержащая все Российские Госты, национальные Стандарты и нормативы.
В Системе содержится более 150000 файлов нормативно-технической документации, действующей на территории РФ.
Система предназначена для широкого круга инженерно-технических специалистов.

Рейтинг@Mail.ru Яндекс цитирования

Copyright © www.gostrf.com, 2008 - 2026