Крупнейшая бесплатная информационно-справочная система онлайн доступа к полному собранию технических нормативно-правовых актов РФ. Огромная база технических нормативов (более 150 тысяч документов) и полное собрание национальных стандартов, аутентичное официальной базе Госстандарта. GOSTRF.com - это более 1 Терабайта бесплатной технической информации для всех пользователей интернета. Все электронные копии представленных здесь документов могут распространяться без каких-либо ограничений. Поощряется распространение информации с этого сайта на любых других ресурсах. Каждый человек имеет право на неограниченный доступ к этим документам! Каждый человек имеет право на знание требований, изложенных в данных нормативно-правовых актах!

  


 

ФЕДЕРАЛЬНОЕ АГЕНТСТВО
ПО ТЕХНИЧЕСКОМУ РЕГУЛИРОВАНИЮ И МЕТРОЛОГИИ

НАЦИОНАЛЬНЫЙ
СТАНДАРТ
РОССИЙСКОЙ
ФЕДЕРАЦИИ

ГОСТ Р
4759-3-

2009

Изделия крепежные

ДОПУСКИ

Часть 3

Плоские круглые шайбы для болтов, винтов и гаек.
Классы точности А и С

ИСО 4759-3:2000
Tolerances for fasteners - Part 3: Plain washers for bolts, screws
and nuts - Product grades A and
С
(IDT)

Москва

Стандартинформ

2010

Предисловие

Цели и принципы стандартизации в Российской Федерации установлены Федеральным законом от 27 декабря 2002 г. № 184-ФЗ «О техническом регулировании», а правила применения национальных стандартов Российской Федерации - ГОСТ Р 1.0-2004 «Стандартизация в Российской Федерации. Основные положения»

Сведения о стандарте

1 ПОДГОТОВЛЕН Федеральным государственным унитарным предприятием «Всероссийский научно-исследовательский институт стандартизации и сертификации в машиностроении» («ВНИИНМАШ») на основе аутентичного перевода на русский язык стандарта, указанного в пункте 4, который выполнен ФГУП «Стандартинформ» № 2319/ИСО от 31 мая 2006 г.

2 ВНЕСЕН Техническим комитетом по стандартизации ТК 229 «Крепежные изделия»

3 УТВЕРЖДЕН И ВВЕДЕН В ДЕЙСТВИЕ Приказом Федерального агентства по техническому регулированию и метрологии от 10 декабря 2009 г. № 691-ст

4 Настоящий стандарт является идентичным по отношению к международному стандарту ИСО 4759-3:2000 «Изделия крепежные. Допуски. Часть 3. Плоские круглые шайбы для болтов, винтов и гаек. Классы точности А и С» (ИСО 4759-3:2000 «Tolerances for fasteners - Part 3: Plain washers for bolts, screws and nuts - Product grades A and C»).

При применении настоящего стандарта рекомендуется использовать вместо ссылочных международных стандартов соответствующие им национальные стандарты Российской Федерации, сведения о которых приведены в дополнительном приложении ДА.

5 ВВЕДЕН ВПЕРВЫЕ

Информация об изменениях к настоящему стандарту публикуется в ежегодно издаваемом информационном указателе «Национальные стандарты», а текст изменений и поправок - в ежемесячно издаваемых информационных указателях «Национальные стандарты». В случае пересмотра (замены) или отмены настоящего стандарта соответствующее уведомление будет опубликовано в ежемесячно издаваемом информационном указателе «Национальные стандарты». Соответствующая информация, уведомление и тексты размещаются также в информационной системе общего пользования - на официальном сайте Федерального агентства по техническому регулированию и метрологии в сети Интернет

Содержание

НАЦИОНАЛЬНЫЙ СТАНДАРТ РОССИЙСКОЙ ФЕДЕРАЦИИ

Изделия крепежные

ДОПУСКИ

Часть 3

Плоские круглые шайбы для болтов, винтов и гаек. Классы точности А и С

Tolerances for fasteners. Part 3. Plain washers for bolts, screws and nuts. Product grades A and С

Дата введения - 2011-01-01

1 Область применения

Настоящий стандарт устанавливает допуски, используемые при разработке стандартов на штампованные круглые плоские шайбы классов точности А и С, предназначенные для болтов, винтов и гаек с номинальным диаметром резьбы от 1 до 150 мм включительно.

Рекомендуется использовать эти допуски также для нестандартных шайб.

Примечание - Класс точности определяют качеством изделия и значением допусков. В приложении А приведены допуски, установленные в ИСО 286-1 [1] и ИСО 286-2 [2].

2 Нормативные ссылки

Нижеприведенные нормативные документы содержат положения, которые посредством ссылок в данном тексте составляют положения настоящего стандарта. Для нормативных документов с указанием даты публикации, на которые имеются ссылки, не распространяется действие последующих изменений или пересмотров этих документов. Все стандарты подлежат пересмотру, и сторонам - участницам соглашений на основе настоящего стандарта рекомендуется выяснять возможность применения самых последних изданий указанных ниже нормативных документов.

Для нормативных документов без указания даты публикации, на которые имеются ссылки, распространяется действие самых последних изданий этих документов.

ИСО 1101:2004 Геометрические характеристики изделий. Установление геометрических допусков. Допуски формы, ориентации, расположения и биения (ISO 1101:2004, Geometrical Product Specifications (GPS) - Geometrical tolerancing - Tolerances of form, orientation, location and run-out)

ИСО 2692:2006 Геометрические характеристики изделий. Установление геометрических допусков. Требование максимума материала, требование минимума материала и требование взаимодействия (ISO 2692:2006 Geometrical Product Specifications (GPS) - Geometrical tolerancing - Maximum material requirement (MMR), least material requirement (LMR) and reciprocity requirement (RPR))

ИСО 4042:1999 Изделия крепежные. Электролитические покрытия (ISO 4042:1999, Fasteners - Electroplated coatings)

3 Допуски

Допуски на плоские круглые шайбы классов А и С указаны в таблице 1.

Если не указано иное, допуски, установленные в настоящем стандарте, применяют к шайбам до нанесения на них покрытия; см. также ИСО 4042.

Отклонения от допусков, установленных в настоящем стандарте, в стандартах на конкретные изделия, разрешаются только в обоснованных случаях. В случаях если имеет место расхождение между требованиями к допускам настоящего стандарта и стандарта на конкретные изделия, предпочтение отдается последнему стандарту.

Допуски формы и расположения устанавливают и указывают в соответствии с требованиями ИСО 1101 и ИСО 2692.

Таблица 1

Элемент

Допуск для класса точности

А

С

h, мм

d1 допуск

h1, min

h, мм

d1 допуск

3.1 Отверстие с гарантированным зазором (штампованное)

 

h≤4

h>4

Н13

Н14

0,5h

0,3h

h≤4

h>4

Н14

Н15

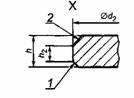
Могут присутствовать ненормированные утяжка и вырыв.

Могут присутствовать ненормированные h1, утяжка и вырыв.

1 - утяжка; 2 - вырыв

h1 - часть отверстия в пределах, установленных для d1

3.2 Наружный диаметр (штампованный)

h, мм

D2 допуск

d2 допуск

h≤4

h>4

h14

h15

h16

Присутствуют ненормированные h2, утяжка и вырыв.

1 - утяжка; 2 - вырыв

h2 - часть наружного контура в пределах допуска, установленного для d2.

Продолжение таблицы 1

Элемент

Допуск для класса точности

А

С

3.3 Толщина

h

Допуск

h

Допуск

мм

мм

До 0,5 включ.

Св. 0,5  до 1  »

   »    1   » 2,5 »

   »   2,5 » 4    »

   »    4   » 6    »

   »    6   » 10  »

   »   10  » 20  »

± 0,05

± 0,1

± 0,2

± 0,3

± 0,6

± 1

± 1,2

До 0,5 включ.

Св. 0,5 до 1   »

   »   1   » 2,5 »

   »  2,5 » 4    »

   »   4   » 6    »

   »   6 »  10    »

   »  10 »  20   »

± 0,1

± 0,2

± 0,3

± 0,6

± 1

± 1,2

± 1,6

3.4 Фаска

α = 30°-45º

emin = 0,25 h

еmяу = 0,5 h

 

3.5 Допуски формы и место расположения

 

3.5.1 Изменение толщины Δh для одной и той же детали

Примечание - Требования к Δh применяют на расстоянии х, равном 0,1 (d2 d1), от края отверстия и наружного края: т.е. только на 60 % ширины кольца.

h

Δh

 

мм

Требования отсутствуют

До 0,5 включ.

Св. 0,5  до 1  »

   »    1   » 2,5 »

   »   2,5 » 4    »

   »    4   » 6    »

   »    6   » 10  »

   »   10  » 20  »

0,025

0,05

0,1

0,15

0,2

0,3

0,4

3.5.2 Соосность

d2, мм

t1

d2, мм

t1

Примечание - Допуск t1, базируется на размере d2.

d2≤50

d2>50

2IT12

2IT13

d2≤50

d2>50

2IT15

2IT16

 

 

Допуск для класса точности

А

С

3.5.3 Плоскостность

Примечание - Допуск t2 всегда не зависит от допуска на толщину h.

h

t2а

Требования отсутствуют

мм

Кроме нержавеющей стали

До 0,5 включ.

Св. 0,5  до 1  »

   »    1   » 2,5 »

   »   2,5 » 4    »

   »    4   » 6    »

   »    6   » 10  »

   »   10  » 20  »

0,1

0,15

0,2

0,3

0,4

0,6

1

Нержавеющая сталь

До 0,5 включ.

Св. 0,5  до 1  »

   »    1   » 2,5 »

   »   2,5 » 4    »

   »    4   » 6    »

   »    6   » 10  »

   »   10  » 20  »

0,15

0,22

0,3

0,45

0,6

0,9

1,5

а Плоскостность измеряют после удаления неровностей.

Приложение А
(справочное)
Допуски

Числовые значения допусков для квалитетов IT приведены в таблице А.1, а предельные отклонения для валов и отверстий приведены в таблицах А.2 и А.3 соответственно. Эти допуски соответствуют установленным в ИСО 286-1 [1] и ИСО 286-2 [2].

Таблица А.1- Числовые значения допусков квалитетов IT

В миллиметрах

Номинальный размер

Допуск для квалитетов

IT12

IT13

IT15

IT16

                   До 3 включ.

0,1

0,14

0,4

0,6

Св. 3 до 6 »

0,12

0,18

0,48

0,75

   » 6 » 10 »

0,15

0,22

0,58

0,9

    » 10 » 18 »

0,18

0,27

0,7

1,1

    » 18 » 30 »

0,21

0,33

0,84

1,3

    » 30 » 50 »

0,25

0,39

1

1,6

    » 50 » 80 »

0,3

0,46

1,2

1,9

     » 80 » 120 »

0,35

0,54

1,4

2,2

     » 120 » 180 »

0,4

0,63

1,6

2,5

    » 180 » 250 »

0,46

0,72

1,85

2,9

Таблица А.2 - Предельные отклонения для валов

В миллиметрах

Номинальный размер

Предельное отклонение

h14

h15

h16

                   До 3 включ.

-0,25

-0,4

-0,6

Св. 3 до 6 »

-0,3

-0,48

-0,75

   » 6 » 10 »

-0,36

-0,58

-0,9

    » 10 » 18 »

-0,43

-0,7

-1,1

    » 18 » 30 »

-0,52

-0,84

-1,3

    » 30 » 50 »

-0,62

-1

-1,6

    » 50 » 80 »

-0,74

-1,2

-1,9

     » 80 » 120 »

-0,87

-1,4

-2,2

     » 120 » 180 »

-1

-1,6

-2,5

    » 180 » 250 »

-1,15

-1,85

-2,9

Таблица А.3 - Предельные отклонения для отверстий

В миллиметрах

Номинальный размер

Предельное отклонение

Н13

Н14

Н15

                   До 3 включ.

+0,14

+0,25

+0,4

Св. 3 до 6 »

+0,18

+0,3

+0,48

   » 6 » 10 »

+0,22

+0,36

+0,58

    » 10 » 18 »

+0,27

+0,43

+0,7

    » 18 » 30 »

+0,33

+0,52

+0,84

    » 30 » 50 »

+0,39

+0,62

+1

    » 50 » 80 »

+0,46

+0,74

+1,2

     » 80 » 120 »

+0,54

+0,87

+1,4

     » 120 » 180 »

+0,63

+ 1

+1,6

    » 180 » 250 »

+0,72

+1,15

+ 1,85

Приложение ДА
(обязательное)
Сведения о соответствии ссылочных международных стандартов ссылочным национальным стандартам Российской Федерации

Обозначение ссылочного международного стандарта

Степень соответствия

Обозначение и наименование соответствующего национального стандарта

ИСО 1101:2004

MOD

ГОСТ Р 53442-2009 (ИСО 1101:2004) «Основные нормы взаимозаменяемости. Установление геометрических допусков. Допуски формы, ориентации, расположения и биения»

ИСО 2692:2006

MOD

ГОСТ Р 53090-2008 (ИСО 2692:2006) «Основные нормы взаимозаменяемости. Характеристики изделий геометрические. Требования максимума материала, минимума материала и взаимодействия»

ИСО 4042:1999

IDT

ГОСТ Р ИСО 4042-2009 «Изделия крепежные. Электролитические покрытия»

Примечание - В настоящей таблице использованы следующие условные обозначения степени соответствия стандартов:

- IDT - идентичные стандарты;

- MOD - модифицированные стандарты.

Библиография

[1] ISO 286-1:1988, ISO system of limits and fits - Part 1: Bases of tolerances, deviations and fits

[2] ISO 286-2:1988, ISO system of limits and fits - Part 2: Tables of standard tolerance grades and limit deviations for holes and shafts

Ключевые слова: изделия крепежные, допуски, шайбы круглые плоские

 




ГОСТЫ, СТРОИТЕЛЬНЫЕ и ТЕХНИЧЕСКИЕ НОРМАТИВЫ.
Некоммерческая онлайн система, содержащая все Российские Госты, национальные Стандарты и нормативы.
В Системе содержится более 150000 файлов нормативно-технической документации, действующей на территории РФ.
Система предназначена для широкого круга инженерно-технических специалистов.

Рейтинг@Mail.ru Яндекс цитирования

Copyright © www.gostrf.com, 2008 - 2026