Крупнейшая бесплатная информационно-справочная система онлайн доступа к полному собранию технических нормативно-правовых актов РФ. Огромная база технических нормативов (более 150 тысяч документов) и полное собрание национальных стандартов, аутентичное официальной базе Госстандарта. GOSTRF.com - это более 1 Терабайта бесплатной технической информации для всех пользователей интернета. Все электронные копии представленных здесь документов могут распространяться без каких-либо ограничений. Поощряется распространение информации с этого сайта на любых других ресурсах. Каждый человек имеет право на неограниченный доступ к этим документам! Каждый человек имеет право на знание требований, изложенных в данных нормативно-правовых актах!

  


 

ФЕДЕРАЛЬНОЕ АГЕНТСТВО
ПО ТЕХНИЧЕСКОМУ РЕГУЛИРОВАНИЮ И МЕТРОЛОГИИ

НАЦИОНАЛЬНЫЙ
СТАНДАРТ
РОССИЙСКОЙ
ФЕДЕРАЦИИ

ГОСТ Р
53652.3-
2
009
(ИСО 6259-3:1997)

Трубы из термопластов

МЕТОД ОПРЕДЕЛЕНИЯ СВОЙСТВ ПРИ РАСТЯЖЕНИИ

Часть 3

ТРУБЫ ИЗ ПОЛИОЛЕФИНОВ

ISO 6259-3:1997
Thermoplastics pipes
- Determination of tensile properties -
Part 3: Polyolefin pipes
(MOD)

Москва

Стандартинформ

2010

Предисловие

Цели и принципы стандартизации в Российской Федерации установлены Федеральным законом от 27 декабря 2002 г. 184-ФЗ «О техническом регулировании», а правила применения национальных стандартов Российской Федерации - ГОСТ Р 1.0-2004 «Стандартизация в Российской Федерации. Основные положения»

Сведения о стандарте

1 РАЗРАБОТАН Техническим комитетом по стандартизации ТК 241 «Пленки, трубы, фитинги, листы и другие изделия из пластмасс» на основе собственного аутентичного перевода на русский язык стандарта, указанного в пункте 4

2 ВНЕСЕН Техническим комитетом по стандартизации ТК 241 «Пленки, трубы, фитинги, листы и другие изделия из пластмасс»

3 УТВЕРЖДЕН И ВВЕДЕН В ДЕЙСТВИЕ Приказом Федерального агентства по техническому регулированию и метрологии от 15 декабря 2009 г. 1015-ст

4 Настоящий стандарт является модифицированным по отношению к международному стандарту ИСО 6259-3:1997 «Трубы из термопластов. Определение свойств при растяжении. Часть 3. Трубы из полиолефинов» (ISO 6259-3:1997 «Thermoplastics pipes - Determination of tensile properties - Part 3: Polyolefin pipes») путем изменения содержания отдельных структурных элементов, которые выделены вертикальной линией, расположенной на полях этого текста (оригинальный текст этих структурных элементов примененного международного стандарта и объяснения причин внесения технических отклонений приведены в дополнительном приложении ДА), а также путем изменения отдельных слов, фраз, ссылок, значений, которые выделены в тексте курсивом. При этом дополнительные слова, фраза, примечание, дополнительные значения выделены в тексте полужирным курсивом, а объяснения причин их включения приведены в сносках.

Наименование настоящего стандарта изменено относительно наименования указанного международного стандарта для приведения в соответствие с ГОСТ Р 1.5-2004 (подраздел 3.5)

5 ВВЕДЕН ВПЕРВЫЕ

Информация об изменениях к настоящему стандарту публикуется в ежегодно издаваемом информационном указателе «Национальные стандарты», а текст изменений и поправок - в ежемесячно издаваемых информационных указателях «Национальные стандарты». В случае пересмотра (замены) или отмены настоящего стандарта соответствующее уведомление будет опубликовано в ежемесячно издаваемом информационном указателе «Национальные стандарты». Соответствующая информация, уведомление и тексты размещаются также в информационной системе общего пользования - на официальном сайте Федерального агентства по техническому регулированию и метрологии в сети Интернет

Содержание

1 Область применения

2 Нормативные ссылки

3 Сущность метода

4 Аппаратура

5 Испытуемые образцы

6 Кондиционирование

7 Скорость испытания

8 Проведение испытания

9 Обработка результатов

10 Протокол испытания

Приложение А (справочное) Трубы из полиэтилена (ПЭ). Основные технические требования

Приложение Б (справочное) Трубы из сшитого полиэтилена (ПЭ-Х). Основные технические требования

Приложение В (справочное) Трубы из полипропилена (ПП). Основные технические требования

Приложение Г (справочное) Трубы из полибутена (ПБ). Основные технические требования

Приложение ДА (справочное) Перечень технических отклонений настоящего стандарта по отношению к ИСО 6259-3

Библиография

 

НАЦИОНАЛЬНЫЙ СТАНДАРТ РОССИЙСКОЙ ФЕДЕРАЦИИ

Трубы из термопластов

МЕТОД ОПРЕДЕЛЕНИЯ СВОЙСТВ ПРИ РАСТЯЖЕНИИ

Часть 3

ТРУБЫ ИЗ ПОЛИОЛЕФИНОВ

Thermoplastics pipes. Method for determination of tensile properties. Part 3. Polyolefin pipes

Дата введения - 2011-01-01

1 Область применения

Настоящий стандарт устанавливает метод определения свойств при растяжении труб из полиолефинов - полиэтилена (ПЭ) (РЕ), сшитого полиэтилена (ПЭ-Х) (РЕ-Х), полипропилена (ПП) (РР) и полибутена (ПБ) (РВ), включая следующие:

- предел текучести при растяжении;

- относительное удлинение при разрыве.

Примечания

1 Свойства сварного шва, полученного при стыковой сварке труб, могут быть определены на образцах, изготовленных механической обработкой, типы которых приведены в настоящем стандарте.

2 Общие требования к методу испытания по определению свойств при растяжении труб из термопластов приведены в ГОСТ Р 53652.1.

Настоящий стандарт содержит рекомендуемые основные технические требования, приведенные в приложениях А - Г.

2 Нормативные ссылки

В настоящем стандарте использованы нормативные ссылки на следующие стандарты:

ГОСТ Р 52779-2007 (ИСО 8085-2:2001, ИСО 8085-3:2001) Детали соединительные из полиэтилена для газопроводов. Общие технические условия (ИСО 8085-2:2001, ИСО 8085-3:2001, MOD)

ГОСТ Р 53652.1-2009 (ИСО 6259-1:1997) Трубы из термопластов. Метод определения свойств при растяжении. Часть 1. Общие требования (ИСО 6259-1:1993 «Трубы из термопластов. Метод определения свойств при растяжении. Часть 1. Общий метод испытания», MOD)

ГОСТ Р 53652.2-2009 (ИСО 6259-2:1997) Трубы из термопластов. Метод определения свойств при растяжении. Часть 2. Трубы из непластифицированного поливинилхлорида, хлорированного поливинилхлорида и ударопрочного поливинилхлорида [ИСО 6259-2:1997 «Трубы из термопластов. Определение свойств при растяжении. Часть 2. Трубы из непластифицированного поливинилхлорида (PVC-U), хлорированного поливинилхлорида (PVC-C) и ударопрочного поливинилхлорида (PVC-HI)», MOD]

ГОСТ 11262-80 Пластмассы. Метод испытания на растяжение (ИСО 527-2:1993 «Пластмассы. Определение свойств при растяжении. Часть 2. Условия испытаний для литьевых и экструзионных пластмасс», NEQ)

Примечание - При пользовании настоящим стандартом целесообразно проверить действие ссылочных стандартов в информационной системе общего пользования - на официальном сайте Федерального агентства по техническому регулированию и метрологии в сети Интернет или по ежегодно издаваемому информационному указателю «Национальные стандарты», который опубликован по состоянию на 1 января текущего года, и по соответствующим ежемесячно издаваемым информационным указателям, опубликованным в текущем году. Если ссылочный стандарт заменен (изменен), то при пользовании настоящим стандартом следует руководствоваться заменяющим (измененным) стандартом. Если ссылочный стандарт отменен без замены, то положение, в котором дана ссылка на него, применяется в части, не затрагивающей эту ссылку.

3 Сущность метода

См. раздел 3 ГОСТ Р 53652.1 применительно к термопластам, указанным в настоящем стандарте.

4 Аппаратура

См. раздел 4 ГОСТ Р 53652.1.

5 Испытуемые образцы

См. раздел 5 ГОСТ Р 53652.1.

5.1 Типы испытуемых образцов

5.1.1 Общие требования

Если толщина стенки трубы 12 мм и менее, испытуемые образцы (далее - образцы) вырубают штампом-просечкой или изготовляют механической обработкой. Если толщина стенки трубы более 12 мм, образцы изготовляют только механической обработкой.

5.1.2 Размеры испытуемых образцов

Применяют образцы типа 1, форма и размеры которых приведены на рисунке 1 и в таблице 1; типа 2, форма и размеры которых приведены на рисунке 2 и в таблице 2 или типа 3, форма и размеры которых приведены на рисунке 3 и в таблице 3. Выбор типа образца зависит от толщины стенки трубы, из которой он изготовлен (5.2).

Примечания

1 Образцы типов 1 и 2 соответствуют образцам типов 1 и 2 по ГОСТ 11262-80, образец типа 1 соответствует образцу типа 1 ГОСТ Р 53652.2.

2 Для того, чтобы избежать скольжения образца в зажимах, рекомендуется увеличить ширину головки b1 пропорционально номинальной толщине стенки еn в соответствии с формулой

b1 = en + 15(мм).                                                                                                                                                  (1)

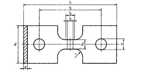
Рисунок 1 - Образец типа 1

Таблица 1 - Размеры образца типа 1

 

Параметр

Размеры, мм

Общая длина l1  не менее

115

Начальное расстояние между зажимами l2

80 ±5

Длина рабочей части (параллельная часть) l3

33 ± 2

Расчетная длина l0

25 ±1

Ширина головки b1

25 ± 2

Ширина рабочей части (параллельная часть) b2

6 ± 0,4

Толщина е

Соответствует толщине стенки трубы

Большой радиус закругления r1

25 ±2

Малый радиус закругления r2

14 ± 1

Примечание - См. ДА.1 (приложение ДА).

Рисунок 2 - Образец типа 2

Таблица 2 - Размеры образца типа 2

 

Параметр

Размеры, мм

Общая длина l1 не менее

150

Начальное расстояние между зажимами l2

115 ± 0,5

Длина рабочей части (параллельная часть) l3

60 ± 0,5

Расчетная длина l0

50 ±0,5

Ширина головки b1

20 ±0,5

Ширина рабочей части (параллельная часть) b2

10 ±0,5

Толщина е

Соответствует толщине стенки трубы

Радиус закругления r, не менее

60

Примечание - См. ДА.2 (приложение ДА).

Рисунок 3 - Образец типа 3

Таблица 3 - Размеры образца типа 3

 

Параметр

Размеры, мм

Общая длина l1 не менее

250

Начальное расстояние между центрами несущих болтов l2

165 ±5

Длина рабочей части (параллельная часть) l3

25 ± 1

Расчетная длина l0

20 ±1

Ширина головки b1

100 ±3

Ширина рабочей части (параллельная часть) b2

25 ±1

Толщина е

Соответствует толщине стенки трубы

Радиус закругления r

25 ± 1

Диаметр отверстия d

30 ± 5

Примечание - См. ДА.3 (приложение ДА).

5.2 Изготовление образцов

Образцы изготовляют из центральной части полосы, вырезанной из отрезка трубы в соответствии с п. 5.2.1 ГОСТ Р 53652.1 и перечислением а) или б):

а) Трубы толщиной стенки 12 мм и менее

Образцы изготовляют вырубкой штампом-просечкой или механической обработкой следующих типов:

- тип 1 - для толщины стенки 5 мм и менее;

- тип 2 - для толщины стенки более 5 мм до 12 мм включительно;

б) Трубы толщиной стенки более 12 мм

Образцы изготовляют механической обработкой типа 2 или 3.

5.3 Способ вырубки штампом-просечкой (см. 5.2.2.1 ГОСТ Р 53652.1)

Для изготовления образцов применяют штамп-просечку (см. 4.6 ГОСТ Р 53652.1) с профилем, соответствующим образцу типа 1 или 2, в зависимости от толщины стенки трубы.

Образец вырубают при температуре окружающей среды, устанавливая штамп-просечку на внутреннюю сторону полосы и прикладывая постоянное непрерывное давление.

5.4 Способ механической обработки

См. 5.2.2.3 ГОСТ Р 53652.1.

6 Кондиционирование

См. раздел 6 ГОСТ Р 53652.1.

7 Скорость испытания

Скорость испытания, т.е. скорость раздвижения зажимов, зависит от толщины стенки трубы, как установлено в таблице 4.

Таблица 4 - Скорость испытания

Номинальная толщина стенки трубы
еn, мм

Способ изготовления образцов

Тип образца

Скорость испытания*,
мм/мин

еn 5

Вырубка штампом-просечкой или механическая обработка

Тип 1

100 ± 10

5 < еn 12

Вырубка штампом-просечкой или механическая обработка

Тип 2

50 ± 5

еn > 12

Механическая обработка

Тип 2

25 ± 2

еn > 12

Механическая обработка

Тип 3

10± 1

* Предельные отклонения на скорость испытания приведены в соответствии с ГОСТ 11262-80, т.к. они не установлены в ИСО 6259-3.

Если применяют другую скорость, должна быть установлена корреляция между данными, полученными при применяемой и установленной скоростях. В случае разногласий применяют установленную скорость.

8 Проведение испытания

См. раздел 8 ГОСТ Р 53652.1.

Примечание - При достижении относительного удлинения 500 %* испытание может быть прекращено до разрыва образца.

9 Обработка результатов

См. раздел 9 ГОСТ Р 53652.1.

10 Протокол испытания

См. раздел 10 ГОСТ Р 53652.1.

* Значение 1000 % заменено на 500 % в соответствии с возможностью испытательных машин.

Приложение А
(справочное)
Трубы из полиэтилена (ПЭ). Основные технические требования

Рекомендуемое минимальное* относительное удлинение при разрыве труб из полиэтилена (ПЭ), определенное в условиях испытания по ГОСТ Р 53652.1, следующее:

ε ³ 350%.

Примечания

1 Для предела текучести при растяжении технические требования не нормируются.

2 Для испытуемых образцов, изготовленных из сварного стыкового соединения, основным требованием является тип разрушения по сварному шву - пластический, т.е. по механизму хладотекучести.

3 Для испытуемых образцов, изготовленных из сварного стыкового соединения, при испытании сварных швов на растяжение, рекомендуется использовать метод и технические требования по ГОСТ Р 52779-2007 (приложение Е)**.

* См. ДА.4 (приложение ДА).

** См. ДА.5 (приложение ДА).

Приложение Б
(справочное)
Трубы из сшитого полиэтилена (ПЭ-Х). Основные технические требования

Рекомендуемое минимальное* относительное удлинение при разрыве труб из сшитого полиэтилена (ПЭ-Х), определенное в условиях испытания по ГОСТ Р 53652.1, следующее:

ε ³ 350%.

Примечание - Для предела текучести при растяжении технические требования не нормируются.

* См. ДА.4 (приложение ДА).

Приложение В
(справочное)
Трубы из полипропилена (ПП). Основные технические требования

Рекомендуемое минимальное* относительное удлинение при разрыве для труб из полипропилена (ПП) типов:

- гомополимер;

- блоксополимер (гетерофазный);

- рандомсополимер (статсополимер),

определенное в условиях испытания по ГОСТ Р 53652.1, следующее:

ε ³ 200%.

Примечание - Для предела текучести при растяжении технические требования не нормируются.

См. ДА.4 (приложение ДА).

Приложение Г
(справочное)
Трубы из полибутена (ПБ). Основные технические требования

Рекомендуемое минимальное* относительное удлинение при разрыве труб из полибутена (ПБ), определенное в условиях испытания по ГОСТ Р 53652.1. следующее:

ε ³ 250%.

Примечание - Для предела текучести при растяжении технические требования не нормируются.

* См. ДА.4 (приложение ДА).

Приложение ДА
(справочное)
Перечень технических отклонений настоящего стандарта по отношению к ИСО 6259-3

ДА.1 В пункте 5.1.2 рисунок 1 заменен рисунком 2. На рисунке 1 изменено обозначение размеров (в соответствии с системой ЕСКД) и обозначение типа образца в наименовании рисунка.

Таблица 1 заменена таблицей 2. В таблице 1 изменены обозначения параметров размеров образца и предельные отклонения на ширину головки и ширину рабочей части.

Рисунок 1 и таблица 1 по ИСО 6259-3 приведены ниже.

Рисунок 1 - Испытуемый образец типа 1

Таблица 1 - Размеры испытуемого образца типа 1

Обозначение

Параметр

Размеры, мм

А

Общая длина (мин.)

150

В

Ширина головки

20 ± 0,2

С

Длина рабочей части, параллельная часть

60 ± 0,5

D

Ширина рабочей части, параллельная часть

10 ± 0,2

Е

Радиус закругления

60

F

Базовая длина

50 ± 0,5

G

Начальное расстояние между зажимами

115 ± 0,5

Н

Толщина

Соответствует толщине стенки трубы

ДА.2 В пункте 5.1 рисунок 2 заменен рисунком 1. На рисунке 2 изменено обозначение размеров (в соответствии с системой ЕСКД) и обозначение типа образца в наименовании рисунка.

Таблица 2 заменена таблицей 1. В таблице 2 изменены обозначения параметров размеров образца и предельные отклонения на ширину головки и ширину рабочей части.

Рисунок 2 и таблица 2 по ИСО 6259-3 приведены ниже.

Рисунок 2 - Испытуемый образец типа 2

Таблица 2 - Размеры испытуемого образца типа 2

Обозначение

Параметр

Размеры, мм

А

Общая длина (мин.)

115

В

Ширина головки

25 ± 1

С

Длина рабочей части, параллельная часть

33 ± 2

D

Ширина рабочей части, параллельная часть

Е

Малый радиус закругления

14 ± 1

F

Большой радиус закругления

25 ± 2

G

Базовая длина

25 ± 1

Н

Начальное расстояние между зажимами

80 ± 5

I

Толщина

Соответствует толщине стенки трубы

Примечание - Внесение указанных изменений направлено на учет особенностей объекта стандартизации, характерных для Российской Федерации.

ДА.3 На рисунке 3 изменено обозначение размеров (в соответствии с системой ЕСКД), в таблице 2 изменены обозначения параметров размеров образца.

ДА.4 Вместо рекомендуемого среднего значения относительного удлинения при разрыве в приложениях А - Г указано минимальное значение, т.к. среднее значение означает, что единичное минимальное значение может быть ниже установленной нормы, которая является основным критерием оценки качества сырья для труб, технологического процесса и качества собственно труб.

ДА.5 Приложение А, примечание 2. Во избежание проведения испытания сварных стыковых соединений двумя методами, рекомендуется проводить испытание в соответствии с методом, изложенным в приложении Е ГОСТ Р 52779, которое заменяет международный стандарт ИСО 13953 [1], не принятый в качестве национального стандарта, разработанный после введения в действие ИСО 6259-3 и устанавливающий отдельный метод определения стойкости к растяжению образцов сварных швов, изготовленных из стыковых сварных соединений труб или труб с соединительными деталями.

Библиография

[1] ИСО 13953:2001 Трубы и соединительные детали из полиэтилена (ПЭ). Определение прочности при растяжении и типа разрушения образцов, изготовленных из стыковых сварных соединений

Ключевые слова: трубы, трубы из термопластов, полиолефины, полиэтилен, сшитый полиэтилен, полипропилен, свойства при растяжении, предел текучести при растяжении, относительное удлинение при разрыве

 

 




ГОСТЫ, СТРОИТЕЛЬНЫЕ и ТЕХНИЧЕСКИЕ НОРМАТИВЫ.
Некоммерческая онлайн система, содержащая все Российские Госты, национальные Стандарты и нормативы.
В Системе содержится более 150000 файлов нормативно-технической документации, действующей на территории РФ.
Система предназначена для широкого круга инженерно-технических специалистов.

Рейтинг@Mail.ru Яндекс цитирования

Copyright © www.gostrf.com, 2008 - 2026