Крупнейшая бесплатная информационно-справочная система онлайн доступа к полному собранию технических нормативно-правовых актов РФ. Огромная база технических нормативов (более 150 тысяч документов) и полное собрание национальных стандартов, аутентичное официальной базе Госстандарта. GOSTRF.com - это более 1 Терабайта бесплатной технической информации для всех пользователей интернета. Все электронные копии представленных здесь документов могут распространяться без каких-либо ограничений. Поощряется распространение информации с этого сайта на любых других ресурсах. Каждый человек имеет право на неограниченный доступ к этим документам! Каждый человек имеет право на знание требований, изложенных в данных нормативно-правовых актах!

  


 

Приказ Министерства энергетики РФ от 30 декабря 2008 г. N 323

Об организации в Министерстве энергетики Российской Федерации работы по утверждению нормативов удельного расхода топлива на отпущенную электрическую и тепловую энергию от тепловых электрических станций и котельных

В соответствии с пунктом 4.2.2 Положения о Министерстве энергетики Российской Федерации, утвержденного постановлением Правительства Российской Федерации от 28 мая 2008 г. N 400 (Собрание законодательства Российской Федерации, 2008, N 22, ст. 2577; N 42, ст. 4825; N 46, ст. 5337), приказываю:

1. Утвердить прилагаемую Инструкцию по организации в Министерстве энергетики Российской Федерации работы по расчету и обоснованию нормативов удельного расхода топлива на отпущенную электрическую и тепловую энергию от тепловых электрических станций и котельных.

2. Признать утратившими силу приказ Министерства промышленности и энергетики Российской Федерации от 4 октября 2005 г. N 268 "Об организации в Министерстве промышленности и энергетики Российской Федерации работы по утверждению нормативов удельного расхода топлива на отпущенную электрическую и тепловую энергию от тепловых электрических станций и котельных" (зарегистрирован в Минюсте России 28 октября 2005 г. N 7117).

Министр

С.И. Шматко

Зарегистрировано в Минюсте РФ 16 марта 2009 г.

Регистрационный N 13512

Инструкция
по организации в Минэнерго России работы по расчету и обоснованию нормативов удельного расхода топлива на отпущенную электрическую и тепловую энергию от тепловых электрических станций и котельных

Содержание

I. Общие положения

II. Состав нормативно-технической документации по топливоиспользованию паротурбинных, газотурбинных ТЭС и котельных и требования к ее разработке

III. Методика расчета нормативов удельных расходов топлива по ТЭС и котельным

IV. Рекомендации по расчету нормативов удельных расходов топлива по ТЭС и котельным, оборудованным газотурбинными и парогазовыми установками

V. Расчет нормативов удельного расхода топлива на отпущенную отопительными (производственно-отопительными) котельными тепловую энергию

VI. Расчет нормативов удельных расходов топлива по дизельным электростанциям

Приложение 1 Сводная таблица  результатов расчетов нормативов удельных расходов топлива на отпущенную электроэнергию и тепло

Приложение 2 Сводная таблица результатов расчетов нормативов удельных расходов топлива на отпущенную отопительными (производственно-отопительными) котельными тепловую энергию

Приложение 3 Сводная таблица результатов расчетов нормативов удельных расходов топлива на отпущенную дизельными электростанциями электрическую энергию

Приложение 4 Техническая характеристика  оборудования тепловой электростанции

Приложение 5 Техническая характеристика оборудования отопительной (производственно-отопительной) котельной

Приложение 6 Технические характеристики оборудования дизельной электростанции

Приложение 7 Динамика основных технико-экономических показателей тепловой электростанции

Приложение 8 Динамика основных технико-экономических показателей  котельной, филиала

Приложение 9 Динамика основных технико-экономических показателей ДЭС, филиала

Приложение 10 НОРМАТИВНО-ТЕХНИЧЕСКАЯ ДОКУМЕНТАЦИЯ ПО ТОПЛИВОИСПОЛЬЗОВАНИЮ

Приложение 11 НОРМАТИВНО-ТЕХНИЧЕСКАЯ ДОКУМЕНТАЦИЯ ПО ТОПЛИВОИСПОЛЬЗОВАНИЮ

Приложение 12 Карта пережогов топлива тепловой  электростанции

Приложение 13 Сведения о выполнении нормативов удельных расходов топлива, утвержденных Минэнерго (Минпромэнерго) России для тепловой электростанции

Приложение 14 Исходные данные

I. Общие положения

1. Нормированию подлежат удельные расходы топлива на:

отпущенную электрическую энергию с шин и тепловую энергию с коллекторов тепловых электростанций, работающих на органическом топливе;

отпущенную тепловую энергию с коллекторов котельных.

2. Нормативы удельных расходов топлива определяются для каждой тепловой электростанции (далее - ТЭС) и котельной (за исключением отопительных и производственно-отопительных котельных жилищно-коммунальной сферы).

Норматив удельного расхода топлива на отпущенную тепловую энергию отопительными и производственно-отопительными котельными жилищно-коммунальной сферы определяется в целом по организации.

3. Под нормативом удельных расходов топлива (далее - НУР) в настоящей Инструкции понимается максимально допустимая технически обоснованная мера потребления топлива на единицу электрической энергии, отпускаемой с шин, на единицу тепловой энергии, отпускаемой в тепловую сеть. Нормативы определяются в граммах условного топлива на 1 киловатт-час (г у.т./кВт×ч), килограммах условного топлива на одну гигакалорию (кг у.т./Гкал).

4. Первичными объектами расчетов НУР на ТЭС с паровыми турбоагрегатами являются группы и подгруппы оборудования. Группой оборудования является совокупность конденсационных турбоагрегатов или турбоагрегатов с регулируемыми отборами пара и противодавлением (для энергоблоков еще и с одинаковой мощностью), а также всех котлов (как пылеугольных, так и газомазутных), обеспечивающих работу данных турбоагрегатов. К подгруппе энергоблоков относится совокупность только пылеугольных или только газомазутных котлов и работающих совместно с ними конденсационных или теплофикационных турбоагрегатов с соответствующим давлением свежего пара и одинаковой мощностью. Подгруппой оборудования с поперечными связями является совокупность конденсационных или теплофикационных турбоагрегатов с одинаковыми параметрами свежего пара и котлов, обеспечивающих работу данных турбоагрегатов и сжигающих только твердое или газомазутное топливо.

Если на общий коллектор свежего пара работают пылеугольные и газомазутные котлы, то подгруппа оборудования с поперечными связями условно считается пылеугольной.

По ТЭС, оборудованных парогазовыми установками (далее - ПГУ) или газотурбинными агрегатами (далее - ГТУ), а так же дизель-генераторами (далее - ДГ) расчеты НУР выполняются по каждой единице оборудования.

Норматив удельного расхода топлива на отпущенную тепловую энергию от отопительной (производственно-отопительной) котельной (групповой норматив) рассчитывается на основе индивидуальных нормативов котлов с учетом их производительности, времени работы, средневзвешенного норматива на производство тепловой энергии всеми котлами котельной и величине расхода тепловой энергии на собственные нужды котельной. Индивидуальный норматив удельного расхода топлива - норматив расхода расчетного вида топлива по котлу на производство 1 Гкал тепловой энергии при оптимальных эксплуатационных условиях.

Тепловая энергия, отпущенная в тепловую сеть определяется, как тепловая энергия, произведенная котельными агрегатами за вычетом тепловой энергии, использованной на собственные нужды котельной, и переданная в тепловую сеть.

5. По паротурбинным и газотурбинным ТЭС установленной электрической мощностью от 10 МВт и более и котельным теплопроизводительностью от 50 Гкал/ч и выше расчеты НУР выполняются на основе действующей, на момент выполнения расчетов нормативно-технической документации (далее - НТД) по топливоиспользованию.

Состав НТД по топливоиспользованию и требования к ее разработке приведены в разделе II настоящей Инструкции.

По ТЭС мощностью менее 10 МВт и котельным теплопроизводительностью ниже 50 Гкал/ч, а также в случае временного отсутствия НТД по топливоиспользованию или окончания срока ее действия на ТЭС и котельных большей мощности, допускается использовать в расчетах:

показатели базового периода;

данные заводов-изготовителей, типовые энергетические характеристики котло- и турбоагрегатов;

экспертные оценки, основанные на отчетных или иных данных.

По ДГ в расчетах НУР используются паспортные, справочные данные и эксплуатационные показатели.

6. При расчете НУР не учитываются дополнительные расходы топлива и энергии вызванные:

упущениями в эксплуатационном и ремонтном обслуживании оборудования;

проведением строительно-монтажных, экспериментальных и научно-исследовательских работ;

пуском и наладкой нового оборудования;

консервацией агрегатов.

7. В случае превышения фактических значений показателей над показателями энергетических характеристик оборудования (по КПД котло- и турбоагрегатов, вакууму, температуре питательной воды, затратам электроэнергии и тепла на собственные нужды и т.д.) в году, предшествующему расчетному, значения НУР, исчисленные на основе НТД по топливоиспользованию, корректируются в сторону снижения на величину экономии топлива против энергетических характеристик, полученной в предшествующем году.

8. Выбор состава работающего оборудования и распределение электрических и тепловых нагрузок между отдельными агрегатами электростанций и котельных базируются на принципах обеспечения надежного энергоснабжения потребителей и минимизации топливных затрат на отпуск энергии.

9. Расчеты НУР выполняются для каждого из месяцев расчетного периода регулирования и в целом за весь расчетный период. НУР в целом за расчетный период определяются по результатам их расчетов за каждый месяц.

10. Распределение затрат топлива энергетическими котлами между электрической и тепловой энергией, вырабатываемой в комбинированном цикле на ТЭС, в расчетах НУР производится в соответствии с методами, принятыми при составлении государственной статистической отчетности.

11. В документы, обосновывающие значения нормативов, рассматриваемых в Минэнерго России, по электрическим станциям и котельным электроэнергетики включаются:

сводная таблица результатов расчетов нормативов удельных расходов топлива на отпущенные электроэнергию и тепло, подготовленная согласно приложению 1 к настоящей Инструкции;

пояснительная записка;

расчеты НУР по каждой ТЭС и котельной на каждый месяц периода регулирования и в целом за расчетный период. При выполнении расчетов удельных расходов топлива на основе НТД по топливоиспользованию в обосновывающем материале должны быть приведены заполненные макеты (входящие в состав НТД по топливоиспользованию) по каждой ТЭС и котельной по каждому из месяцев расчетного периода;

расчеты минимальной выработки электроэнергии для теплоэлектроцентралей на каждый месяц периода регулирования и в целом за расчетный период;

энергобалансы на каждый месяц расчетного периода и в целом на расчетный период, согласованные с Региональным диспетчерским управлением и органом исполнительной власти субъекта Российской Федерации в области государственного регулирования тарифов;

план проведения ремонтов основного энергетического оборудования в расчетном периоде;

копии титульных листов действующей нормативно-технической документации по топливоиспользованию по каждой ТЭС и котельной согласно приложениям 10 и 11 к настоящей Инструкции;

карта пережогов топлива из-за отклонения фактических показателей оборудования от нормативного уровня за год, предшествующий текущему согласно приложению 12 к настоящей Инструкции;

план выполнения организационно-технических мероприятий по устранению пережогов топлива из-за отклонения фактических показателей оборудования от нормативного уровня и план реализации потенциала энергосбережения, разработанный на основе результатов энергетических обследований;

структура топливного баланса, показатели качества используемых видов и марок топлива за последние три года, предшествующие текущему периоду, на текущий период и прогнозируемые в расчетном периоде (теплотворная способность, зольность, влажность) на расчетный период помесячно;

копии статистических отчетов о работе тепловой электростанции по форме N 6-ТП (годовая) за последние 3 года, предшествующих текущему;

сведения о выполнении утвержденных в Минэнерго России нормативов для тепловой электростанции на год текущий и за два года предшествующих текущему году согласно приложению 13 к настоящей Инструкции;

значения нормативов на год расчетный, текущий и за два года, предшествующих году текущему, включенных в тариф;

материалы и таблицы, обосновывающие значения нормативов, представленных к утверждению в соответствии с перечнем и требованиями настоящей Инструкции (в формате редактора электронных таблиц и компакт-диск).

В пояснительной записке отражаются:

наименование и почтовый адрес энергоснабжающей организации, должность, телефон, фамилия, имя и отчество первого руководителя;

краткая характеристика установленного основного оборудования согласно приложениям 4-6 к настоящей Инструкции;

особенности тепловой и электрической схем, режимов работы оборудования, условий топливо- и водоснабжения;

прогнозируемые объемы выработки электроэнергии с указанием источников их получения;

для теплоэлектроцентралей (далее - ТЭЦ) обоснование значения дополнительной конденсационной выработки электроэнергии сверх минимального необходимого уровня;

прогнозируемые объемы отпуска тепла в паре и горячей воде с приложением соответствующих расчетов по их обоснованию, температурных графиков теплосети, копий заявок на теплоснабжение от потребителей;

принятые на регулируемый период значения температур наружного воздуха, охлаждающей воды на входе в конденсаторы турбин и их динамика за последние три года в месячном и годовом разрезах;

обоснование прогнозируемой структуры и качества сжигаемого топлива с приложением копий соответствующих договоров на топливоснабжение и сертификатов показателей качества;

принятый состав работающего оборудования на каждый месяц расчетного периода с соответствующим обоснованием;

принципы распределения электрических и тепловых нагрузок, между турбоагрегатами ТЭС, между источниками теплоснабжения ТЭС (регулируемые и нерегулируемые отборы, редукционно-охладительные установки (далее - РОУ), пиковые водогрейные котлы (далее - ПВК);

сведения об НТД по топливоиспользованию: срок действия, значения коэффициентов резервов тепловой экономичности, наличие мероприятий по реализации потенциала энергосбережения;

результаты расчетов НУР, анализ причин изменения нормативов по сравнению с их фактическим и нормативным значением за период, предшествующий расчетному;

динамика основных технико-экономических показателей за последние три года по ТЭС и котельным согласно приложениям 7-9 к настоящей Инструкции;

анализ выполнения утвержденных в Минэнерго России нормативов на год текущий и за два года предшествующих текущему году.

Каждый из документов, включаемых в состав материалов, обосновывающих значения НУР, должен быть подписан руководителем ТЭС, котельной или предприятия.

II. Состав нормативно-технической документации по топливоиспользованию паротурбинных, газотурбинных ТЭС и котельных и требования к ее разработке

12. Нормативно-техническая документация по топливоиспользованию разрабатывается для паротурбинных и газотурбинных ТЭС установленной электрической мощностью от 10 МВт и более и котельных теплопроизводительностью от 50 Гкал/ч и выше.

13. В состав нормативно-технической документации по топливоиспользованию тепловой электростанции входят:

энергетические характеристики котлоагрегатов каждой из групп оборудования;

энергетические характеристики турбоагрегатов каждой из групп оборудования;

зависимости технологических потерь тепла, связанных с отпуском тепла каждой из групп оборудования;

зависимости абсолютных или удельных затрат электроэнергии и тепла на собственные нужды каждой из групп оборудования, электростанции в целом;

пояснительная записка по разработке энергетических характеристик оборудования и зависимостей затрат электроэнергии и тепла на собственные нужды;

графики исходно-номинальных удельных расходов топлива на отпускаемые электроэнергию и тепло;

макеты расчета номинальных показателей оборудования и нормативов удельных расходов топлива;

план организационно-технических мероприятий по реализации резервов тепловой экономичности и рациональному использованию топливно-энергетических ресурсов, разработанный на основе обязательных энергетических обследований;

отчетные данные о номинальных и фактических удельных расходах топлива за последние 3 года, предшествующих разработке НТД по топливоиспользованию.

Нормативно-техническая документация по топливоиспользованию котельной включает:

энергетические характеристики каждого типа установленных паровых и водогрейных котлов;

зависимости абсолютных или удельных затрат тепла на собственные нужды;

зависимости затрат мощности на механизмы котельной (дутьевые вентиляторы, дымососы, питательные насосы, сетевые насосы и др.);

пояснительную записку по разработке энергетических характеристик оборудования и зависимостей затрат тепла на собственные нужды;

графики исходно-номинальных удельных расходов топлива на отпускаемое тепло;

макет расчета номинальных показателей и нормативов удельных расходов топлива;

план организационно-технических мероприятий по реализации резервов тепловой экономичности и рациональному использованию топливно-энергетических ресурсов, разработанный на основе обязательных энергетических обследований;

отчетные данные о номинальных и фактических удельных расходах топлива за последние 3 года, предшествующие разработке НТД по топливоиспользованию.

Нормативно-техническая документация по топливоиспользованию организаций, эксплуатирующих отопительные (производственно-отопительные) котельные, включает:

технические характеристики оборудования и режимы функционирования;

энергетические характеристики котлов;

характеристики используемого топлива;

режимные карты, разработанные по результатам режимно-наладочных испытаний;

расчеты и показатели расхода тепла на собственные нужды котельной на расчетный год;

план организационно-технических мероприятий по рациональному использованию и экономии топливно-энергетических ресурсов и снижению нормативов удельных расходов топлива;

отчетные данные о номинальных и фактических удельных расходах топлива за последние 3 года, предшествующие разработке НТД по топливоиспользованию.

14. Энергетическая характеристика агрегата (далее - ЭХ) представляет собой комплекс зависимостей номинальных и исходно-номинальных значений параметров и показателей его работы в абсолютном, удельном или относительном исчислении от нагрузки или других нормообразующих показателей при фиксированных значениях внешних факторов.

ЭХ разрабатывается для конкретной тепловой схемы технически исправного агрегата с учетом его конструктивных особенностей, условий и режимов эксплуатации, наработки ресурса.

ЭХ отражает максимально возможную эффективность использования энергоресурсов агрегатом при условии отсутствия упущений в его эксплуатации, техническом обслуживании и ремонте.

ЭХ включает систему поправок, обеспечивающих возможность оценки изменения объемов потребления энергоресурсов агрегатом при изменении внешних факторов и отклонении фактических значений параметров и показателей от параметров и показателей ЭХ.

К внешним факторам относятся объективные факторы, оказывающие влияние на экономичность работы оборудования, значения которых не зависят от деятельности производственного персонала и подрядных ремонтных организаций.

В качестве исходных данных при разработке ЭХ оборудования используются:

результаты представительных балансовых испытаний;

данные режимно-наладочных или экспресс-испытаний;

типовые энергетические характеристики (далее - ТЭХ) оборудования

Балансовые испытания выполняются на оборудовании, прошедшем капитальный ремонт и имеющем более высокие эксплуатационные значения показателей тепловой экономичности по сравнению с остальным однотипным оборудованием ТЭС или котельной.

При отсутствии результатов испытаний и ТЭХ в качестве исходных данных для разработки временных ЭХ, со сроком действия не более 1 года, могут быть использованы лучшие эксплуатационные показатели или данные заводов-изготовителей оборудования.

15. При разработке ЭХ, при соответствующем обосновании допускается учитывать точность исходного материала, использованного при разработке энергетических характеристик, старение (износ) оборудования, наличие неустранимых дефектов проектирования, изготовления и монтажа. Эксплуатационный допуск в силу своей объективности учитывается без дополнительных обоснований, так как отражает ухудшение экономичности оборудования в межремонтный период.

Точность исходного материала отражает погрешности тепловых испытаний, типовых энергетических характеристик.

Старение (износ) оборудования характеризует технологически невосстанавливаемый ремонтами естественный физический износ оборудования при длительной его эксплуатации, приводящий к ухудшению технического состояния, снижению экономичности и надежности работы.

16. Приводимые в составе энергетических характеристик оборудования поправки на изменение параметров и показателей обеспечивают:

определение номинальных значений параметров или показателей при фактических или прогнозируемых значениях внешних факторов;

оценку резерва тепловой экономичности оборудования вследствие отклонения фактического значения параметра или показателя от его номинального значения.

17. Графики исходно-номинальных удельных расходов топлива рассчитываются и строятся:

для каждой группы (подгруппы) оборудования электростанции для зимнего и летнего периодов при характерных сочетаниях работающего оборудования, средних значениях отпуска тепла в реальном диапазоне изменения электрических нагрузок;

для паровых и водогрейных котлов котельной для характерных сочетаний работающих котлов в реальном диапазоне изменения тепловых нагрузок.

На графиках указываются:

параметры, условия и значения внешних факторов, при которых построены графики;

поправки к удельным расходам топлива на изменение внешних факторов и условий;

сочетания работающих агрегатов;

потери топлива при пусках оборудования из различных тепловых состояний;

значения коэффициентов резерва тепловой экономичности по отпуску тепла и электроэнергии и степени их использования.

18. Макет расчета номинальных показателей и нормативов удельных расходов топлива представляет собой таблицу, отражающую порядок расчета, определяющую источники первичной информации и содержащую расчетные формулы.

Макеты разрабатываются по группам (подгруппам) оборудования, учитывают состав оборудования и особенности его тепловых схем, режимы работы, виды сжигаемого топлива.

Макеты отражают:

исходно-номинальные значения показателей, определенные по энергетическим характеристикам (без внесения поправок) при фактических средних нагрузках. Показатели турбоагрегатов определяются для каждого из режимов их работы (конденсационный, с одним или двумя регулируемыми отборами пара, с одно- или двухступенчатым подогревом сетевой воды);

фактические значения внешних факторов, показатели, характеризующие объемы производства энергии, режимы работы оборудования, пуски;

значения поправок к показателям на отличие фактических значений внешних факторов от принятых при построении энергетических характеристик;

номинальные значения основных и промежуточных показателей агрегатов для фактических режимов работы и значений внешних факторов;

значения поправок к удельным расходам топлива на стабилизацию режимов, освоение вновь введенного оборудования;

нормативы удельных расходов топлива.

19. Срок действия НТД по топливоиспользованию не может превышать 5 лет. По окончании срока действия НТД пересматривается, срок действия НТД не продлевается. НТД пересматривается за квартал до окончания срока ее действия.

Внеочередной пересмотр НТД производится при:

переводе котлов на сжигание топлива другого вида или другой марки;

переводе турбоагрегатов с конденсацией пара на работу с противодавлением или ухудшенным вакуумом;

реконструкции турбоагрегатов с организацией регулируемого отбора или с увеличением отпуска пара из регулируемого отбора;

вводе нового оборудования.

III. Методика расчета нормативов удельных расходов топлива по ТЭС и котельным

Расчет НУР на основе нормативно-технической документации по топливоиспользованию

20. При наличии на ТЭС или котельной действующей НТД по топливоиспользованию, НУР на отпускаемую электростанцией электрическую и тепловую энергию, НУР на отпускаемую тепловую энергию котельной рассчитываются в последовательности, регламентированной макетом расчета номинальных показателей и нормативов удельных расходов топлива.

Расчеты выполняются по каждому турбоагрегату и каждому типу котлоагрегатов, входящих в состав группы оборудования.

По группе в целом показатели определяются путем суммирования или взвешивания результатов расчетов показателей турбо- и котлоагрегатов, входящих в ее состав. В целом по электростанции (котельной) показатели определяются на основе результатов их расчетов по отдельным группам.

21. В качестве исходных данных принимаются ожидаемые по электростанции (котельной) значения показателей, характеризующих объемы производства энергии, режимы и условия эксплуатации, внешние факторы, резервы тепловой экономичности и степень их использования.

К основным из этих показателей относятся (для каждого из месяцев периода прогнозирования):

выработка электроэнергии;

отпуск тепла потребителям в паре на технологические нужды;

отпуск тепла в горячей воде в теплосеть;

структура сжигаемого топлива и его характеристики;

температура наружного воздуха;

температуры охлаждающей воды конденсаторов;

состав работающего оборудования.

Применительно к конкретной электростанции (котельной) полный состав исходных данных перечислен в макете, входящем в состав НТД по топливоиспользованию.

Выработка электроэнергии электростанциями принимается в соответствии с прогнозными энергобалансами, согласованными с Региональным диспетчерским управлением и органом исполнительной власти субъекта Российской Федерации в области государственного регулирования тарифов.

22. При расчете прогнозируемых тепловых нагрузок производственных и теплофикационных отборов турбин (противодавления) в обязательном порядке соблюдается принцип их приоритетного использования по сравнению с пиковыми водогрейными котлами (далее - ПВК), редукционно-охладительными установками (далее - РОУ).

Суммарный отпуск тепла из производственных отборов (противодавления) турбин (), Гкал, в общем виде определяется по формуле:

,                                                                              (1)

где  - отпуск тепла внешним потребителям, Гкал;

, ,  - расходы тепла на собственные, хозяйственные нужды, пиковые бойлеры, Гкал;

 - расход тепла от РОУ, подключенных к источнику пара более высокого давления, Гкал.

Расход тепла на собственные нужды рассчитывается по соответствующим зависимостям, входящим в состав энергетических характеристик оборудования.

На хозяйственные нужды отпуск тепла принимается по фактическим данным периода, предшествующего расчетному.

Расходы тепла на пиковые бойлеры рассчитываются по уравнениям теплового баланса.

Загрузка РОУ допускается при дефиците пара отборов турбин (противодавления).

Отпуск тепла из теплофикационных отборов турбин (противодавления) в общем случае включает в себя:

отпуск тепла внешним потребителям (), на собственные () и хозяйственные нужды () от подогревателей, подключенных к этим отборам;

расходы тепла на нагрев добавка, восполняющего невозврат конденсата от потребителей пара отборов более высокого потенциала ().

Ожидаемое значение суммарного отпуска тепла из теплофикационных отборов турбин, Гкал, может быть рассчитано по формуле:

,                                                            (2)

где  - потери тепла, связанные с его отпуском внешним потребителям в горячей воде;

 - ожидаемый отпуск тепла от ПВК, Гкал.

Отпуск тепла от пиковых водогрейных котлов (пиковых бойлеров) рассчитывается на основе прогноза продолжительности стояния температур наружного воздуха (), при которых необходимо их включение для обеспечения выполнения температурного графика теплосети:

,                                                           (3)

где  - расход сетевой воды через пиковые водогрейные котлы или пиковые бойлеры, т/ч;

,  - энтальпии сетевой воды перед ПВК (пиковыми бойлерами) и за ними, ккал/кг.

При распределении электрических и тепловых нагрузок между отдельными агрегатами электростанции целесообразно стремиться к минимизации затрат тепла турбинной установкой на выработку электроэнергии.

Для этого применяются специальные компьютерные программы. При отсутствии таких программ следует руководствоваться следующими рекомендациями.

В случае работы электростанции в расчетном периоде по тепловому графику, в первую очередь загружаются отборы турбин с наибольшей по сравнению с другими турбинами подгруппы полной удельной выработкой электроэнергии по теплофикационному циклу.

При работе электростанции по электрическому графику распределение тепловых и электрических нагрузок производится взаимосвязано.

При наличии на электростанции нескольких подгрупп оборудования, целесообразно в период максимума электрической нагрузки передавать тепловые нагрузки на подгруппу с более низкими начальными параметрами свежего пара с целью максимального ограничения ею конденсационной выработки электроэнергии. Причем больший эффект может быть обеспечен при передаче теплофикационной нагрузки.

При работе турбин с электрическими нагрузками, близкими к номинальным, для достижения максимальной теплофикационной выработки электроэнергии отборы однотипных агрегатов нагружаются равномерно.

Летний период работы агрегатов с низкими нагрузками предопределяет неравномерный характер распределения тепловой нагрузки между турбинами вплоть до ее передачи на одну из них.

При параллельной работе турбин типа ПТ и Р в первую очередь, как показывают расчеты, нагружаются отборы турбин типа ПТ до достижения наибольших значений полной удельной теплофикационной выработки электроэнергии.

При распределении тепловых нагрузок учитываются:

ограничения заводов-изготовителей по минимальной загрузке отборов турбин;

особенности схемы теплофикационной установки в части отпуска тепла внешним потребителям и на собственные нужды;

надежность теплоснабжения потребителей.

После распределения тепловых нагрузок по диаграммам режимов и нормативным характеристикам определяются минимальная электрическая мощность каждой турбины и минимальная выработка электроэнергии электростанцией (Эмин), тыс. кВт×ч:

,                                                                       (4)

где ,  - мощность, развиваемая турбинами типа Р (или турбинами типа ПТ, Т при работе с ухудшенным вакуумом) и минимальная мощность турбин типа ПТ и Т при заданных нагрузках отборов (противодавления), тыс. кВт.

Значение  включает в себя теплофикационную мощность и мощность, развиваемую на вентиляционном пропуске пара в конденсатор при полностью закрытой диафрагме цилиндра низкого давления (далее - ЦНД). Факторы, увеличивающие сверх минимально-необходимого уровня (неплотность регулирующей диафрагмы цилиндра низкого давления, рост температуры выхлопного патрубка сверх допустимого уровня и т.д.) подтверждаются соответствующими документами. Расчет минимальной нагрузки ТЭЦ производится в соответствии с рекомендациями, приведенными в приложении 14 к настоящей Инструкции.

Дополнительная конденсационная выработка электроэнергии, подлежащая распределению между турбинами (), тыс. кВт×ч, определяется по формуле:

,                                                                                                         (5)

где Э - планируемая выработка электроэнергии, тыс. кВт×ч

Для ТЭЦ при обосновании дополнительной конденсационной выработки электроэнергии могут рассматриваться следующие факторы:

наличие неотключаемых потребителей теплоснабжения;

обеспечение технического минимума нагрузки котлов;

увеличение температуры охлаждающей воды на выходе из конденсаторов турбин для предотвращения обмерзания градирен в зимнее время.

Распределение DЭкн между турбинами производится на основе предварительно рассчитанных характеристик относительных приростов расходов тепла на выработку электроэнергии по конденсационному циклу (Dqкн) для всех возможных сочетаний агрегатов. В первую очередь загружаются агрегаты, имеющие наименьшие значения Dqкн.

Распределение отпуска тепла внешним потребителям в паре одного давления или с сетевой водой между подгруппами электростанции производится пропорционально тепловым нагрузкам отборов турбин (Qпо, Qго), входящих в состав подгруппы.

Отпуск тепла от пиковых водогрейных котлов распределяется по подгруппам оборудования электростанции пропорционально отпуску тепла с сетевой водой.

Необходимые для расчетов значения часовых расходов свежего пара (D0) и пара в конденсаторы (D0) по отдельным турбинам с достаточной для целей прогнозирования точностью могут быть рассчитаны по формулам, т/ч:

,                                                                       (6)

 

,                                           (7)

где  - исходно-номинальный удельный расход тепла брутто по турбине, ккал/ кВт×ч;

К - коэффициент соотношения расхода тепла и свежего пара на турбину может быть принят равным 0,6-0,7 или рассчитан по формуле:

,                                                                                   (8)

где , ,  - энтальпии свежего пара, питательной воды, прирост энтальпии в тракте промперегрева, ккал/кг;

 - доля пара промперегрева от расхода свежего пара;

 - электромеханический КПД, %. Принимается равным 97 %;

 - потери тепла через теплоизоляцию турбины, Гкал/ч. Для турбин мощностью 25,50 и 100 МВт могут быть приняты 0,49; 0,61 и 1,18 Гкал/ч.

При расчете НУР параметры свежего пара и пара после промперегрева соответствуют значениям, принятым в нормативных характеристиках турбин в качестве номинальных.

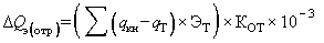
23. Для ТЭС, применяющих метод распределения затрат топлива в комбинированном цикле между электрической и тепловой энергией пропорционально затратам тепла на выработку электрической энергии и отпуск тепловой энергии при условии их раздельного производства, увеличение расхода тепла на производство электроэнергии при условном отсутствии отпуска тепла внешним потребителям из отборов и противодавления турбин (DQэ(отр)), Гкал, определяется по формулам:

для турбин типа ПТ, Т: ,                (9)

для турбин типа Р, ПР: ,                  (10)

где ,  - удельные расходы тепла брутто по турбине при отсутствии отпуска тепла из отборов (регуляторы давления в обоих отборах (включены) и при прогнозируемой электрической нагрузке, ккал/ кВт×ч;

 - удельный расход тепла на турбину с конденсатором, имеющей такие же параметры свежего пара, как и по турбинам типа Р, ПР при прогнозируемой электрической нагрузке при отсутствии отпуска тепла из отборов (регуляторы давления в отборах включены), ккал/ кВт×ч;

 - прогнозируемая выработка электроэнергии турбиной, тыс. кВт×ч;

 - отношение по подгруппе отпуска тепла внешним потребителям отработавшим паром к суммарной нагрузке отборов.

Для турбин с конденсацией пара при отпуске тепла из конденсатора за счет "ухудшенного" вакуума значение  допускается принимать равным величине отпуска тепла из конденсатора.

Конечной целью выполнения расчетов по турбинной установке является получение по подгруппам оборудования прогнозируемых значений:

абсолютных и удельных расходов тепла брутто на выработку электроэнергии (, Гкал и , ккал/ кВт×ч);

абсолютных и удельных расходов тепла (, Гкал и , %) и электроэнергии ( , тыс.  и , %) на собственные нужды;

удельного расхода тепла нетто , ккал/.

24. Количество работающих в прогнозируемом периоде котлагрегатов каждого типа () в группе выбирается исходя из суммарной потребности в тепле на турбины, загрузки котлоагрегатов на уровне 80-90 % от номинальной теплопроизводительности, а также графика ремонтов оборудования. Учитываются также согласованные ограничения номинальной паропроизводительности котлоагрегатов.

Суммарная выработка тепла брутто котельной установкой подгруппы оборудования, Гкал, рассчитывается по формуле:

,               (11)

где  - удельная величина потерь теплового потока, % принимается равной 1,5 % от номинальной производительности работающих в прогнозируемом периоде котлоагрегатов m-ого типа;

 - выбранное при прогнозе количество работающих котлоагрегатов m-ого типа;

 - номинальная теплопроизводительность котлоагрегата m-ого типа, Гкал/ч.

Распределение  между типами котлоагрегатов группы оборудования производится пропорционально номинальным теплопроизводительностям, (если на электростанции отсутствуют какие либо-другие соображения).

Конечными результатами расчетов являются получение по котельным установкам групп оборудования:

КПД нетто ();

абсолютных и удельных расходов тепла (, Гкал и , %) и электроэнергии (, тыс.  и , %) на собственные нужды.

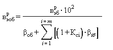
Значения коэффициентов резерва тепловой экономичности () рассчитываются по отчетным данным предшествующего года за месяц, соответствующий прогнозируемому:

,                                                                                    (11а)

где ,  - фактический и номинальный удельные расходы топлива на отпускаемую энергию в i-ом месяце предшествующего года;

 - коэффициент, учитывающий устранение пережогов топлива из-за отклонения показателей оборудования от нормативного уровня.

Значение Кпер рассчитывается как отношение пережогов топлива, которые не планируется устранить в ближайшие 2 года к сумме пережогов топлива за год, предшествующий прогнозируемому. Обоснование величины Кпер производится на основе карты перерасходов топлива и плана мероприятий по их устранению.

Степени использования резервов тепловой экономичности () при расчете нормативов удельных расходов топлива на регулируемый период принимаются равными нулю.

Коррекция значений НУР, исчисленных на основе НТД по топливоиспользованию (), показатели которой хуже фактических значений показателей в году, предшествующему расчетному, производится по формуле:

,                                                                                                  (11б)

где  - корректирующий коэффициент:

,                                                                                          (11в)

,  - соответственно фактические и номинальные значения удельных расходов топлива на отпущенную электроэнергию и тепло по отчетным данным за каждый месяц года, предшествующего расчетному.

Расчет НУР на основе отчетных данных базового периода

25. Расчет НУР на основе показателей базового периода выполняется при отсутствии на ТЭС действующей нормативно-технической документации по топливоиспользованию.

В качестве базового периода может быть принят один из двух годов, предшествующих расчетному, отличающихся по объемам выработки электроэнергии и отпуска тепловой энергии от расчетного не более чем на 10 %. Если оба предшествующих года соответствуют данному условию, то в качестве базового принимается последний год, предшествующий расчетному.

В зависимости от применяемого на ТЭС метода распределения затрат топлива энергетическими котлоагрегатами между электрической и тепловой энергией, расчет НУР выполняется в соответствии с приведенными ниже формулами. Подстрочный индекс "б" в обозначении показателей, входящих в формулы, означает их принадлежность к базовому периоду.

Метод распределения затрат топлива энергетическими котлоагрегатами между электрической и тепловой энергией с использованием показателей раздельного производства

26. Электростанции, применяющие метод распределения затрат топлива энергетическими котлоагрегатами между электрической и тепловой энергией с использованием показателей раздельного производства, расчет НУР на отпущенную электроэнергию, г/ кВт×ч, производят по формулам:

,                                                                                   (12)

,                                                                                                      (13)

где ,  - удельный расход топлива на электроэнергию фактический и при раздельном производстве, г/( кВт×ч);

 - поправки к удельному расходу топлива на изменение значений внешних факторов в прогнозируемом периоде по сравнению с базовым;

 - коэффициент увеличения расхода топлива энергетическими котлами при раздельном производстве:

,                                         (14)

, - отпуск тепла внешним потребителям всего и от пиковых водогрейных котлов, Гкал;

 - относительная величина потерь, %, связанных с отпуском тепла от энергетических котлов;

,  - расход тепла на производство электроэнергии фактический и при раздельном производстве, Гкал:

,                                                                                                      (15)

 - увеличение расхода тепла на производство электроэнергии при раздельном производстве, Гкал;

,                                                                    (16)

, ,  - увеличение расхода тепла на производство электроэнергии при условном отсутствии отпуска тепла внешним потребителям соответственно из производственных и теплофикационных отборов (а также из приравненных к ним нерегулируемых отборов) и от конденсаторов турбоагрегатов, Гкал;

Значения  и  для прогнозируемого периода определяются по формулам:

,                                                                                   (17)

,                                                                                   (18)

,                                                                             (19)

,                                                       (20)

где , ,  - отпуск тепла внешним потребителям и на собственные нужды соответственно из производственных и теплофикационных отборов (и приравненных к ним нерегулируемых отборов) и от конденсаторов турбоагрегатов, Гкал;

 - среднее за прогнозируемый период время работы единичного турбоагрегата, ч;

 - условный расход тепла холостого хода турбоагрегата i-го значения номинальной мощности, Гкал/ч. Определяется по энергетическим характеристикам по графику зависимости  при  и ;

 - количество находящихся в работе турбоагрегатов i-го значения номинальной мощности;

 - средний по турбоагрегатам данных параметров относительный прирост расхода тепла на производство электроэнергии по конденсационному циклу (при включенных регуляторах давления в регулируемых отборах), Гкал/(МВт×ч);

Э - выработка электроэнергии, тыс. кВт×ч.

27. Прогнозируемые значения нормативов удельных расходов топлива на отпускаемое "с коллекторов" тепло (кг/Гкал) рассчитываются по формулам:

,                                                              (21)

 

,                                                                                                    (22)

,                           (23)

,                                                                    (24)

,                                                                                             (25)

где ,  - удельный расход топлива по энергетическим котлам: фактический и при раздельном производстве (не учитывает затраты электроэнергии на теплофикационную установку), кг/Гкал;

, , - абсолютный (т) и удельный (кг/Гкал) расход условного топлива по пиковым водогрейным котлам;

 - расход электроэнергии на теплофикационную установку, тыс. кВт×ч;

 - общий расход условного топлива на отпуск тепла, т;

 - отпуск тепла внешним потребителям, обеспеченный энергетическими котлоагрегатами (от РОУ, регулируемых и нерегулируемых отборов и от конденсаторов турбоагрегатов), Гкал;

 - количество тепла, полученное водой в сетевых и перекачивающих насосах, Гкал;

, - поправки к удельным расходам топлива энергетическими котлоагрегатами и пиковыми водогрейными котлами на изменение значений внешних факторов в прогнозируемом периоде по сравнению с базовым, кг/Гкал;

 - отпуск тепла с горячей водой, Гкал.

28. По приведенным ниже формулам рассчитываются поправки к удельным расходам топлива на отпуск электроэнергии () и тепла (, ) при изменении:

1) Структуры сжигаемого топлива - :

,                                                                       (26)

,                                                                    (27)

,                                                    (28)

где  - удельный расход топлива на отпуск электроэнергии при раздельном производстве на основном виде топлива, г/( кВт×ч);

 - то же на отпуск тепла энергетическими котлами, кг/Гкал;

 - удельный расход топлива пиковыми водогрейными котлами при работе на газе, кг/Гкал;

m - количество других, кроме принятого за основное, видов сжигаемого энергетическими котлоагрегатами топлива;

 - доля в расходе энергетическими котлоагрегатами каждого из других видов (марок) сжигаемого топлива, %;

 - доля газа в расходе топлива пиковыми водогрейными котлами, %;

 - относительное увеличение удельного расхода топлива пиковыми водогрейными котлами при переходе их с газа на мазут, %;

Кс - относительное изменение удельного расхода топлива энергетическими котлоагрегатами при замене 1 % основного вида (марки) топлива на один из других, %; ниже приводятся укрупненные значения Кс:

Основное топливо

Значение К_с для замещающего топлива

Газ

Мазут

Антрацит

Каменный и бурый уголь

Торф

Газ

-

+ (0,02-0,025)

+ (0,07-0,08)

+ (0,05-0,06)

+ (0,125-0,14)

Мазут

- (0,02-0,025)

-

+ (0,05-0,055)

+ (0,03-0,035)

+ (0,105-0,115)

Антрацит

- (0,07-0,08)

- (0,05-0,055)

-

- (0,02-0,025)

+ (0,055-0,06)

Каменный и бурый уголь

- (0,05-0,06)

- (0,03-0,035)

+ (0,02-0,025)

-

+ (0,075-0,08)

Торф

- (0,125-0,14)

- (0,105-0,115)

- (0,055-0,06)

- (0,075-0,08)

-

Удельный расход топлива на электроэнергию на основном виде топлива определяется по формуле:

,                                                                          (29)

Аналогично рассчитывается удельный расход топлива на тепло энергетическими котлами .

2) Качества твердого топлива -

,                            (30)

,                          (31)

где ,  - относительное изменение ,  (%) при изменении на 1 % абсолютный зольности  и влажности  j-ой марки твердого топлива;

,  - зольность и влажность j-ой марки твердого топлива, %;

 - доля по теплу j-ой марки твердого топлива в расходе топлива энергетическими котлоагрегатами, %;

l - количество марок сжигаемого твердого топлива;

,  - удельные расходы топлива при раздельном производстве при сжигании j-ой марки твердого топлива;

,                                                                                                       (32)

,                                                                                                  (33)

3) Доли выработки электроэнергии при работе дубль-блоков с одним корпусом котла - :

,                                                         (34)

где  - доля выработки электроэнергии дубль-блоками при работе с одним корпусом котла, %;

,  - удельный расход топлива при работе дубль-блоков с двумя и одним корпусом котла, г у.т./;

 - доля дубль-блоков в общей выработке электроэнергии подгруппой оборудования, %.

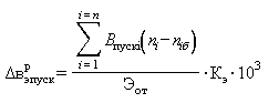
4) Количества пусков оборудования по диспетчерскому графику нагрузки - :

для энергоблоков

,                                                                    (35)

,                                                         (36)

для оборудования с поперечными связями

,                 (37)

,                                               (38)

, ,  - нормативные значения технологических потерь в пересчете на условное топливо при пусках энергоблоков, турбоагрегатов и котлоагрегатов, т;

 - количество пусков энергоблоков, турбоагрегатов по диспетчерскому графику нагрузки;

 - количество пусков котлов по диспетчерскому графику нагрузки;

 - коэффициент отнесения расхода топлива энергетическими котлоагрегатами на производство электроэнергии

,                                                (39)

5) Экономичности оборудования, находящегося в стадии освоения - :

,    (40)

,                                                      (41)

где р - количество турбоагрегатов, находившихся в стадии освоения в базовом периоде и которые будут находиться в стадии освоения в прогнозируемом периоде;

s - то же, котлоагрегатов;

 - относительное увеличение удельного расхода топлива прогнозируемом и базовом периодах вследствие пониженной экономичности i-го турбоагрегата, находящегося в стадии освоения, %;

 - то же, j-го котла, %;

,  - доля выработки электроэнергии и тепла каждым осваиваемым турбоагрегатом и котлоагрегатом, %.

6) Отработанного оборудованием ресурса времени - :

,                                       (42)

,                                                                      (43)

где  - средний коэффициент износа, рассчитанный исходя из значения l, равного 0,0025 для турбоагрегатов, работающих с противодавлением и ухудшенным вакуумом, и 0,0085 - для остальных, %/1000 ч.;

 - средний коэффициент износа, рассчитанный исходя из значения с, равного 0,0055 - для пылеугольных котлоагрегатов; 0,0035 - для котлоагрегатов, работающих на высокосернистом мазуте; 0,0015 - для котлоагрегатов, работающих на сернистом, малосернистом мазуте или газе, %/1000 ч.;

, - средняя продолжительность работы турбоагрегатов и котлоагрегатов за время от конца базового до конца прогнозируемого периода, ч;

,  - доля выработки электроэнергии турбоагрегатами и тепла энергетическими котлами, отработавшими с начала эксплуатации более 35 тыс. ч, в общей выработке энергии группой оборудования, %;

 - коэффициент полезного действия брутто котлоагрегатов, %.

7) Графиков нагрузки оборудования (потерь тепла при стабилизации тепловых процессов) - :

                                                                                (44)

,                                                                            (45)

где Кст - коэффициент изменения удельного расхода топлива при стабилизации режимов, %.

8) Прочих эксплуатационных факторов - .

В составе прочих учитывается влияние на удельные расходы топлива других объективных, не упомянутых в пунктах 28.1-28.7 факторов, таких, например, как:

сжигание топлива непроектных видов и марок;

перевод котлов на сжигание другого вида топлива;

выполнение мероприятий по охране труда и окружающей среды, обеспечение требований ирригации и рыбоводства.

Физический метод распределения затрат топлива энергетическими котлоагрегатами между электрической и тепловой энергией

29. Электростанции, применяющие физический метод распределения затрат топлива энергетическими котлоагрегатами между электрической и тепловой энергией, расчет НУР производят по формулам:

на электроэнергию bэ:

,                                                                                                (46)

где  - удельный расход тепла на производство электроэнергии, ккал/ кВт×ч;

на теплоэнергию  - по формуле (21) настоящей Инструкции с заменой значения  на:

,                                                     (47)

Значения поправок к удельным расходам топлива определяются по формулам 26-45, в которых из обозначений удельных расходов топлива и расхода тепла на производство электроэнергии исключается надстрочный индекс "".

30. Порядок расчета расхода электроэнергии на собственные нужды одинаков для обоих методов распределения затрат топлива. Прогнозируемые значения расходов электроэнергии на собственные нужды (тыс. кВт×ч) рассчитываются по формулам:

1) Суммарного :

,                                                                                                           (48)

2) На выработку электроэнергии:

,      (49)

                               

                                  

,                                                       (50)

где , - расходы электроэнергии на собственные нужды турбоагрегатов и энергетических котлоагрегатов, тыс. кВт×ч;

, - изменение расхода электроэнергии на пуски по диспетчерскому графику турбоагрегатов и котлоагрегатов, тыс. кВт×ч

,                                                                                (51)

,                                                                             (52)

где , - нормативные значения технологических потерь электроэнергии при пусках турбоагрегатов и котлоагрегатов, ты. кВт×ч; принимаются в соответствии со значениями, указанными в энергетических характеристиках оборудования;

 - поправки к удельному расходу электроэнергии на собственные нужды энергетических котлоагрегатов на изменение значений внешних факторов в прогнозируемом периоде по сравнению с базовым, кВт×ч /Гкал.

3) На отпуск тепла :

        

,                           (53)

где  - расход электроэнергии на насосы, используемые при подготовке обессоленной воды для восполнения невозврата конденсата от потребителей пара, тыс. кВт×ч;

,                                                                                             (53а)

,  - невозврат конденсата от потребителей пара в расчетном и базовом периодах, т;

 - расход электроэнергии на теплофикационную установку (пиковые водогрейные котлы, сетевые, конденсатные и подпиточные насосы, насосы, используемые для подготовки подпиточной воды), тыс. кВт×ч;

 - расход электроэнергии на механизмы собственных нужд пиковых водогрейных котлов, тыс. кВт×ч;

 - поправки к удельному расходу электроэнергии на собственные нужды пиковых водогрейных котлов на изменение значений внешних факторов в прогнозируемом периоде по сравнению с базовым, кВт×ч /Гкал.

4) По приводимым ниже формулам рассчитываются поправки к удельным расходам электроэнергии на собственные нужды энергетических () и пиковых водогрейных () котлов при изменении:

4.1) Структуры сжигаемого топлива

,                                                              (54)

 

,                                               (55)

где ,  - удельный расход электроэнергии на собственные нужды энергетических котлоагрегатов при работе на основном и каждом из других видов сжигаемого топлива, кВт×ч /Гкал;

,  - удельный расход электроэнергии на собственные нужды пиковых водогрейных котлоагрегатов при работе на мазуте и газе, кВт×ч /Гкал.

4.2) Качества твердого топлива:

,                                                           (56)

где  - изменение удельного расхода электроэнергии на собственные нужды энергетических котлоагрегатов (кВт×ч /Гкал) при изменении теплоты сгорания j-ой марки твердого топлива на 100 ккал/кг. Ниже приводятся укрупненные значения :

Уголь

АШ

Тощий

Бурый

Каменный

Дельта э(-сн)_(к качj)

0,90

0,25

0,70

1,0

IV. Рекомендации по расчету нормативов удельных расходов топлива по ТЭС и котельным, оборудованным газотурбинными и парогазовыми установками

31. При наличии на ТЭС или котельной, оборудованных газотурбинными (далее - ГТУ) или парогазовыми (далее - ПГУ) установками, действующей нормативно-технической документации по топливоиспользованию расчет НУР выполняется в соответствии с макетами, входящими в состав НТД.

В случае отсутствия НТД, расчет НУР следует выполнять с использованием данных заводов - изготовителей оборудования, результатов испытаний агрегатов в последовательности, рекомендуемой настоящей Инструкцией.

32. Для каждого месяца расчетного периода определяется средняя электрическая нагрузка газовых турбин, МВт:

,                                                                                                          (57)

где Эгт - прогнозируемая выработка электроэнергии, тыс. кВт×ч;

 - планируемое число часов работы газовой турбины, ч.

Выработка электроэнергии газовыми турбинами, входящими в состав ПГУ, рассчитывается как разница между общей планируемой выработкой (Эпгу) и выработкой паровой турбиной (Эпт), тыс. кВт×ч:

,                                                                                                          (58)

В связи с тем, что в ПГУ выработка электроэнергии (развиваемая мощность) паровой турбиной определяется количеством сбросных газов, направляемых в котлы-утилизаторы, а также тепловой нагрузкой отборов, определение выработки электроэнергии газовой турбиной (турбинами) выполняется методом итераций. В начале расчетов выработка электроэнергии газовой турбиной (турбинами) задается, а затем корректируется с учетом выработки электроэнергии паровой турбиной и запланированного объема выработки электроэнергии ПГУ в целом.

33. Определяется тепло топлива, поступившего в камеры сгорания газовых турбин, Мвт:

,                                                                                                        (59)

где  - КПД брутто газовой турбины, соответствующий электрической нагрузке () и температуре наружного воздуха, ожидаемой в прогнозируемом периоде, %. Принимается по результатам испытаний или данным заводов-изготовителей.

34. Определяется расход топлива, поступившего в камеру сгорания газовых турбин, т:

,                                                                                                  (60)

При поступлении в технологическую схему ГТУ или ПГУ теплоэнергии от постороннего источника между электроэнергией и теплом распределяется  - сумма расходов топлива в камеру сгорания газовой турбины и расхода топлива, эквивалентного теплоэнергии, полученной от постороннего источника (), тут:

,                                                                                                         (61)

35. Определение расходов электроэнергии на собственные нужды, значений НУР на отпущенную электрическую и тепловую энергию производится с учетом особенностей ГТУ и ПГУ различных типов.

Газотурбинная установка без утилизации тепла выхлопных газов турбины

36. Газотурбинная установка без утилизации тепла выхлопных газов турбины производит только электроэнергию, на которую относится весь расход топлива, все затраты электроэнергии на собственные нужды. НУР на отпущенную электроэнергию, г/кВт×ч, определяется по формуле:

,                                                                                                  (62)

где  - расход электроэнергии на собственные нужды ГТУ, тыс. кВт×ч.

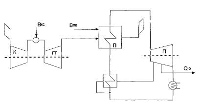
Газотурбинная установка с утилизацией тепла выхлопных газов турбины для теплоснабжения

37. В газотурбинной установке с утилизацией тепла выхлопных газов турбины производится электрическая и тепловая энергия. Выхлопные газы направляются в котел-утилизатор, предназначенный для отпуска тепла внешним потребителям и на собственные нужды. При останове газовой турбины включается в работу блок дожигающих устройств (далее - БДУ), обеспечивающий теплоснабжение потребителей (рис. 1).

Общий расход электроэнергии на собственные нужды (Эсн) является суммой расходов электроэнергии на собственные нужды газовой турбины (), котла-утилизатора (), теплофикационной установки (Этепл) и дополнительного расхода электроэнергии, связанного с отпуском тепла в виде пара (Эпар):

,                                                                                     (63)

Расход электроэнергии на собственные нужды газотурбинной установки, относимый на выработку электроэнергии (), тыс. кВт×ч, равен затратам электроэнергии на собственные нужды газовой турбины:

,                                                                                                                    (64)

Затраты электроэнергии на собственные нужды, относимые на отпущенную теплоэнергию, тыс. кВт×ч, () рассчитываются по формуле:

,                                                                                             (65)

Расход топлива на блок дожигающих устройств () полностью относится к отпуску тепла.

Распределение  в реальной схеме между электроэнергией и теплом производится пропорционально расходам топлива на их производство ( и ) в альтернативной схеме (рис. 1а) при условии равенства в обеих схемах выработки электроэнергии и отпуска тепла.

Расход топлива на производство электроэнергии (), тут, определяется по формуле:

,                                                                                           (66)

,                                                                                                                  (67)

,                                                                                        (68)

где  - отпуск тепла за счет газов, отработавших в турбине, Гкал;

 - удельный расход топлива на тепло по альтернативной теплофикационной котельной: принимается равным 160 кг/Гкал (0,16 т/Гкал).

Значение  является суммой соответствующих значений для периода работы газотурбинной установки (ГТУ) с отключенным БДУ и для периода работы с закрытым газовым байпасом котла-утилизатора.

Для периода работы ГТУ с отключенным БДУ: .

Для периода работы ГТУ с закрытым газовым байпасом котла-утилизатора продолжительностью :

,                                                                                         (69)

где  - часовое значение количества тепла, содержащегося в газах за турбиной, Гкал.

Значения  и  определяются по энергетической характеристике ГТУ по значениям средней электрической нагрузки и температуры газов за турбиной.

Расход топлива на электроэнергию, отпущенную с шин:

- удельный, г у.т./ кВт×ч

,                                                                                                    (70)

- абсолютный, тут

,                                                                                             (71)

Рисунок 1. Схема ГТУ с утилизацией тепла

Рисунок 1а. Альтернативная схема для ГТУ с утилизацией тепла

Обозначения:

К-компрессор, кс-камера сгорания,

ГТ - газовая турбина, бд - блок дожигающих

КУ - котел утилизатор, Т - теплофикационная котельная,

В - расход

Расход топлива на тепло, отпущенное с коллекторов:

абсолютный, тут

,                                                          (72)

удельный, кг у.т./Гкал

,                                                                                                           (73)

Парогазовая установка утилизационного типа

38. В парогазовой установке утилизационного типа выхлопные газы направляются в котел-утилизатор, вырабатывающий пар, направляемый в паровую турбину для выработки электроэнергии и отпуска тепла из регулируемых отборов (рис. 2)

Общий расход электроэнергии на собственные нужды ПТУ () является суммой расходов электроэнергии на собственные нужды газовой турбины (), котла-утилизатора (), паровой турбины (), теплофикационной установки () и дополнительного расхода электроэнергии, связанного с отпуском тепла в виде пара (), тыс. кВт×ч:

,                                                                            (74)

Затраты электроэнергии на собственные нужды, относимые на электроэнергию рассчитываются по формуле, тыс.:

,                                                                                        (75)

,                                                                                                (76)

,                                                                                                 (77)

где  - удельный расход тепла на производство электроэнергии при средней электрической нагрузке паровой турбины при работе ее в конденсационном режиме, ккал/( кВт×ч).

Затраты тепла на собственные нужды, относимые на отпущенную теплоэнергию () рассчитываются как:

,                                                 (78)

Распределение  между электроэнергией и теплоэнергией в реальной схеме производится пропорционально расходам топлива на производство электроэнергии () и тепла () в альтернативной схеме (рис. 2а) при равенстве в обеих схемах выработки электроэнергии и отпуска тепла.

Расход топлива на производство электроэнергии (), тут, равен:

,                                                                         (79)

,                                                                                         (80)

,                                                                                                  (81)

где  - КПД брутто парового котла в альтернативной схеме. Принимается равным 93 %.

Удельный расход топлива на электроэнергию, отпущенную с шин, рассчитывается по формуле (70), абсолютный - по формуле (71);

Расход топлива на теплоэнергию, отпущенную с коллекторов определяется как:

абсолютный, тут

,                                   (82)

удельный, кг у.т./Гкал, - по формуле (73).

Рисунок 2. Схема ПГУ утилизационного типа

Рисунок 2а. Альтернтивная схема для ПГУ утилизационного типа

Обозначения см. на рис. 1 и, кроме того: ПТ - паровая турбина, ПК - паровой котел, Qot - отпуск тепла

Парогазовая установка со сбросом отработавших газов в топку парового энергетического котла

39. В парогазовой установке со сбросом отработавших газов в топку парового энергетического котла выхлопные газы направляются в энергетический котел. Энергетический котел вырабатывает пар как за счет утилизации тепла отработавших газов, так и за счет сжигания топлива в собственных горелках. Выработанный энергетическим котлом пар, направляется в паровую турбину для производства электроэнергии и отпуска тепла из регулируемых отборов (рис. 3).

Общий расход электроэнергии на собственные нужды () складывается из суммы расходов электроэнергии на собственные нужды газовой турбины (), парового энергетического котла (), паровой турбины (), теплофикационной установки () и дополнительного расхода электроэнергии, связанного с отпуском тепла в виде пара ():

,                                                                             (83)

Расход электроэнергии на собственные нужды, относимый на выработку электроэнергии всего () определяется по формуле:

,                                                                                         (84)

где  - рассчитывается по формулам 76 и 77.

Расход электроэнергии на собственные нужды, относимый на отпуск тепла () рассчитывается по формуле, аналогичной формуле (78), в которую вместо  подставляется .

Между электрической и тепловой энергией распределяется сумма расходов топлива на газотурбинную  (рассчитывается по формуле (61) и паротурбинную  части парогазовой установки пропорционально расходам топлива на производство электроэнергии  и тепла  в альтернативной схеме (рисунок 3а) при равенстве выработки электроэнергии и отпуска тепла в реальной и альтернативной схемах.

 является суммой расхода топлива на паровой энергетический котел  и расхода топлива , эквивалентного количеству тепла, полученного паротурбинной частью ПГУ от постороннего источника:

,                                                                                                        (85)

Расход топлива на производство электроэнергии (), тут, рассчитывается как:

,                                                  (86)

,                                                                                        (87)

,                                                                                                  (88)

где  - КПД брутто котла паросиловой установки при работе ее в автономном режиме, %.

Удельный расход топлива на электроэнергию, отпущенную с шин рассчитывается по формуле (70), абсолютный - по формуле (71);

Расход топлива на тепло, отпущенное с коллекторов:

абсолютный, тут

,            (89)

удельный кг у.т./Гкал - по формуле (73).

Рисунок 3. Схема ПГУ сборного типа

Рисунок 3а. Альтернативная схема для ПГУ сбросного типа

Обозначения см на рис 1,2 и, кроме того: а - автономный режим

V. Расчет нормативов удельного расхода топлива на отпущенную отопительными (производственно-отопительными) котельными тепловую энергию

Общие положения

40. Норматив удельного расхода топлива на отпущенную отопительными (производственно-отопительными) котельными тепловую энергию (максимально допустимая технически обоснованная мера потребления топлива на единицу тепловой энергии, отпускаемой источником (источниками) в тепловую сеть) определяется в целом по организации - юридическому лицу.

Тепловая энергия, отпущенная в тепловую сеть, определяется, как тепловая энергия, произведенная котельными агрегатами, за вычетом тепловой энергии, использованной на собственные нужды котельной, и переданная в тепловую сеть.

Норматив удельного расхода топлива на отпущенную тепловую энергию от котельной (групповой норматив) рассчитывается на основе индивидуальных нормативов котлоагрегатов с учетом их производительности, времени работы, средневзвешенного норматива на производство тепловой энергии всеми котлоагрегатами котельной и величине расхода тепловой энергии на собственные нужды котельной.

В качестве расчетного топлива принимается вид топлива, указанный в техническом паспорте котла.

Нормативы определяются в килограммах условного топлива на одну гигакалорию (кг у.т./Гкал).

41. Норматив удельного расхода топлива (НУР) по организации определяется на основе результатов расчетов по котельным, находящимся у организации в собственности или во владении на иных законных основаниях.

НУР может определяться отдельно для обособленных подразделений (филиалов) организации.

42. При расчете НУР не допускается учитывать затраты топлива и энергии, вызванные отступлениями от правил технической эксплуатации и режимов функционирования оборудования источников тепловой энергии, на строительство и капитальный ремонт зданий и сооружений, монтаж, пуск и наладку нового оборудования котельной, на консервацию не введенного в эксплуатацию или выведенного из эксплуатации оборудования, на экспериментальные и научно-исследовательские работы.

43. Расчеты НУР выполняются для каждого из месяцев расчетного периода и в целом за весь расчетный период по результатам расчетов за каждый месяц.

Работа отдельных котлов и котельных на разных видах топлива в различные периоды года учитывается при расчете индивидуальных нормативов удельного расхода топлива в соответствующие месяцы.

НУР могут устанавливаться раздельно для различных видов топлива (газ, мазут, уголь и др.) в случаях, когда организация эксплуатирует котельные (группы котельных) на разных видах топлива в качестве основного.

В этом случае расчет НУР по котельным, объединяемым в группу по виду топлива, ведется как для организации в целом.

44. Утвержденные нормативы могут пересматриваться при возникновении причин, существенно влияющих на расход топлива:

изменение вида, класса, марки или качества сжигаемого топлива;

выявление испытаниями новых характеристик котлоагрегатов;

установка нового и реконструкция действующего оборудования, перевод паровых котлов в водогрейный режим.

Расчет индивидуальных нормативов расхода топлива

45. Основу расчетов и обоснования НУР составляют результаты режимно-наладочных испытаний, периодичность которых установлена правилами технической эксплуатации тепловых энергоустановок (для котлов, работающих на газовом топливе - три года, на твердом и жидком топливе - пять лет).

При отсутствии результатов режимно-наладочных испытаний временно до проведения режимной наладки и испытаний допускается использовать индивидуальные нормативы расхода топлива, приведенные в таблице 1 (рекомендуемая).

При этом, к расчету и обоснованию НУР прилагается план проведения испытаний на три года, включая текущий и расчетный периоды.

Индивидуальные нормативы расхода топлива для котлоагрегатов на номинальной нагрузке, кг у.т./Гкал

Таблица 1 (рекомендуемая)

марка котлоагрегата

Теплопаропроизводительность (МВт; Гкал/ч; т/ч)

вид топлива

газ

мазут

каменный уголь

бурый уголь

1

2

3

4

5

6

водогрейные котлоагрегаты

КВ-Г

0,4 (0,35)

157,0

 

 

 

0,63 (0,5)

155,3

 

 

 

0,8 (0,7)

157,0

 

 

 

1,1 (1,0)

155,3

 

 

 

2,0 (1,7)

155,3

 

 

 

4,65 (4,0)

154,9

 

 

 

7,56 (6,5)

154,4

 

 

 

КВ-ГМ

0,5 (0,43)

153,6

157,0

 

 

1,0 (0,86)

153,6

157,0

 

 

1,5 (1,3)

153,6

157,0

 

 

2,0 (1,7)

154,1

154,6

 

 

4,65 (4,0)

152,1

158,8

 

 

7,56 (6,5)

151,8

158,4

 

 

11,63 (10)

155,3

162,3

 

 

23,26 (20)

160,5

164,2

 

 

35,0 (30)

157,0

162,3

 

 

58,2 (50)

154,4

156,8

 

 

116,3 (100)

153,6

155,3

 

 

КВ-ТС

4,64 (4,0)

 

 

174,4

176,2

7,56 (6,5)

 

 

173,8

174,0

11,63 (10)

 

 

176,6

-

23,26 (20)

 

 

177,1

178,2

35,0 (30)

 

 

177,2

177,2

58,0 (50)

 

 

167,7

167,7

КВ-ТК

35,0 (30)

 

 

 

175,3

58,2 (50)

 

 

 

164,2

ТВГМ

35,0 (30)

158,9

162,2

 

 

ПТВМ

35,0 (30)

158,6

162,5

 

 

58,2 (50)

159,4

162,7

 

 

116,3 (100)

161,2

164,6

 

 

КВ-Р

(Дорогобужского котлозавода)

1,5 (1,3)

 

 

171,0

 

2,5 (2,2)

 

 

171,7

 

4,65 (4,0)

 

 

174,0

 

7,56 (6,5)

 

 

173,7

 

Минск-1

0,8 (0,7)

 

 

210,0

 

Тула-3

0,8 (0,7)

 

 

211,6

 

Универсал-6М

0,58 (0,5)

 

 

213,2

 

Другие секционные чугунные и стальные котлы (HP-18, НИИСТУ-5 и др.)

0,16-1,16

173,1

178,5

213,2

238,0*

(0,1-1,0)

 

 

 

 

КВр

(Дорогобужского котлозавода для работы на дровах)

 

 

 

 

дрова

 

 

 

 

 

0,25 (0,2)

 

 

 

173,8

0,4 (0,34)

 

 

 

177,0

КЕВ

(Бийского котлозавода для работы на дровах)

 

 

 

 

дрова

1,75 (1,5)

 

 

 

185,5

4,65 (4,0)

 

 

 

173,6

паровые котлоагрегаты (т/ч)

ДКВР-13

2,5

158,7

159,4

174,4

189,0

4,0

157,3

159,4

174,0

188,5

6,5

155,6

160,5

171,9

186,3

10

155,6

159,6

171,1

184,3

20

157,7

158,7

170,9

185,1

ДЕ

4

157,1

159,4

 

 

6,5

156,7

159,0

 

 

10; 16

155,1

157,0

 

 

25

154,8

156,8

 

 

КЕ

2,5

 

 

171,5

175,3

4

 

 

175,0

177,0

6,5

 

 

173,6

174,8

10

 

 

171,3

174,2

25

 

 

164,4

165,3

Е-1,0-9

1,0

166,0

174,1

199,4

204,0

Е-0,8-9

0,8

 

 

213,2

-

Е-0,4-9

0,4

166,1

174,1

213,2

-

ТП

20

154,7

 

166,4

170,0

30

153,5

154,8

 

 

35

-

155,0

162,0

163,0

______________________________

Примечание:

* Для секционных чугунных и стальных котлов старых типов (HP-18, НИИСТУ-5 и др.), работающих на дровах, допускается применять нормативы, аналогичные данным для котлоагрегатов, работающих на буром угле.

Расчет индивидуальных нормативов удельного расхода топлива (норматив расхода расчетного вида топлива по котлоагрегату на производство 1 Гкал тепловой энергии при оптимальных эксплуатационных условиях) осуществляется в следующем порядке:

1) индивидуальные нормативы определяются на основании нормативных характеристик котлоагрегатов.

Под нормативной характеристикой в настоящей Инструкции понимается зависимость расхода условного топлива на 1 Гкал произведенной тепловой энергии () от нагрузки (производительности) котлоагрегата при нормальных условиях его работы на данном виде топлива:

 кг у.т./Гкал,                                                                                       (90)

где:  - КПД брутто котлоагрегата во всем диапазоне его нагрузки.

2) КПД брутто определяется по результатам режимно-наладочных испытаний котлоагрегата при сжигании топлива одного вида одинаковым способом;

3) нормативные характеристики составляются для котлоагрегата, находящегося в технически исправном и отлаженном состоянии и работающего в соответствии с режимными картами.

46. При расчете НУР может учитываться старение (износ) оборудования, которое характеризует технологически невосстанавливаемый ремонтами естественный физический износ оборудования при длительной его эксплуатации, ухудшение технического состояния, снижение экономичности. Влияние величины старения (износа) на снижение экономичности, сопровождаемое ростом НУР, определяется по результатам испытаний.

В отсутствие результатов испытаний влияние старения (износа) может учитываться в размерах, приведенных в таблице 2 (рекомендуемая):

Таблица 2 (рекомендуемая)

Котлоагрегаты

Показатель старения (П_с), % к эта(бр)_к.а.

более 5 до 10 лет

более 10 до 15 лет

более 15 до 20 лет

более 20 до 25 лет

Котел водогрейный производительностью более 20 Гкал/ч

-

0,5

1,0

2,0

То же производительностью более 4 до 20 Гкал/ч

0,5

1,0

2,0

3,0

Тоже производительностью до 4 Гкал/ч

0,75

1,5

3,0

4,0

Котел паровой с рабочим давлением до 14 кгс/см2

-

1,0

1,5

2,0

Приведенные в таблице сроки работы оборудования исчисляются от момента ввода его в эксплуатацию, а показатель старения (Пс) принимается по отношению к , указанному в паспорте котла.

Коэффициент старения (Кс) определяется:

,                                                                                                            (91)

Коэффициент старения не применяется при расчете НУР по котлам, на которых режимно-наладочные испытания проводились на газе - в течение трех лет, а на твердом и жидком топливе - пяти лет, предшествовавших текущему году.

47. В качестве факторов, учитываемых при расчетах, принимаются:

1) фактические технические характеристики оборудования (типы и производительность котлоагрегатов, год ввода в эксплуатацию, коэффициент полезного действия и др.) и режим функционирования (приложение 5 к настоящей Инструкции);

2) режимные карты, составленные по результатам режимно-наладочных испытаний (режимные карты, составленные на основе балансовых испытаний котлоагрегатов без проведения режимной наладки основанием для расчета НУР не являются);

3) информация о динамике основных показателей за предшествующие годы, текущие и планируемые показатели функционирования по котельной, филиалу, энергоснабжающей организации (Динамика основных технико-экономических показателей котельной, филиала - приложение 8 к настоящей Инструкции);

4) план организационно-технических мероприятий (ОТМ) по рациональному использованию и экономии топливно-энергетических ресурсов (ТЭР), разработанный на основе энергетических обследований, с указанием ожидаемой экономии топлива в т у.т, тепловой энергии в Гкал и сроков внедрения мероприятий.

48. Расчет нормативов выполняется в следующей последовательности:

1) определяются объемы производства и планового отпуска тепловой энергии котельной в тепловую сеть на каждый месяц и год, нагрузка котлов и число часов работы;

2) распределение тепловых нагрузок между отдельными агрегатами котельной базируется на принципе минимальных затрат топлива;

3) уточняется характеристика сжигаемого топлива: низшая теплота сгорания, для угля - марка угля, влажность, зольность, фракционный состав (содержание мелочи класса 0-6 мм, %) на основании сертификата (паспорта) качества топлива, поставляемого в текущем году;

4) определяются технические характеристики и параметры функционирования оборудования - номинальная тепловая мощность котлов, их оптимальная нагрузка и время работы в расчетный период;

5) на основании результатов режимно-наладочных испытаний строятся нормативные характеристики, соответствующие установленному оборудованию и виду используемого топлива;

6) по нормативным характеристикам устанавливается индивидуальный норматив удельного расход топлива на производство тепловой энергии каждым котлоагрегатом.

49. Нормативные характеристики используются для разработки нормативных коэффициентов, учитывающих отклонения условий эксплуатации от принятых при определении индивидуальных норм:

1) коэффициент К1, учитывающий эксплуатационную нагрузку котлов;

2) коэффициент К2, учитывающий работу паровых котлов без экономайзеров (таблица 4 - рекомендуемая);

3) коэффициент К3, учитывающий использование нерасчетных видов топлива на данном типе котлов.

Коэффициенты К1, К2 и К3 определяются как отношение значений удельного расхода топлива при планируемых условиях работы котлоагрегатов и удельного расхода топлива на номинальной нагрузке при оптимальных условиях эксплуатации.

49.1. Коэффициент К1 определяется по нормативной характеристике:

,                                                                                                      (92)

где:  - удельный расход условного топлива при средней производительности котлоагрегата на планируемый период работы (месяц, год), кг у.т./Гкал;

 - удельный расход условного топлива при номинальной нагрузке, кг у.т./Гкал.

В случаях, когда расчеты ведутся с использованием таблицы 1, может применяться коэффициент К1, характеризующий изменение удельного расхода топлива в связи с изменением КПД при нагрузках, отличных от номинальной (таблица 3 - рекомендуемая).

Коэффициент К1 по таблице 3 применяется также для расчетов в тех случаях, когда по паспорту котла известны только значения КПД и удельного расхода топлива для номинальной нагрузки.

Величина коэффициента К1, в зависимости от нагрузки котлоагрегатов

Таблица 3 (рекомендуемая)

Марка котлоагрегата

Теплопаропроизводительность, Гкал/ч, т/ч

Вид топлива

Нагрузка, % номинальной

80 и более

70

60

50 и менее

1

2

3

4

5

6

7

Водогрейные котлоагрегаты

КВ-Г

0,35-1,7

Г

1,000

1,000

1,000

1,000

4,0-6,5

Г

0,994

0,992

0,990

0,989

КВ-ГМ

0,43-1,7

Г; М

1,000

1,000

1,000

1,000

4-20

Г; М

0,994

0,992

0,990

0,989

30

Г

0,994

0,992

0,990

0,989

М

0,994

0,990

0,988

0,988

50

Г

0,994

0,992

0,990

0,989

М

0,994

0,990

0,988

0,988

100

Г

0,994

0,991

0,989

0,989

М

0,999

1,000

1,001

1,003

КВ-ТС

4-20

КУ

1,004

1,006

1,009

1,013

БУ

1,006

1,008

1,012

1,017

КВ-ТК

30

БУ

1,000

1,003

1,005

1,007

ТВГМ

30

Г

0,992

0,987

0,985

0,983

ПТВМ

30

Г

0,994

0,992

0,990

0,989

М

0,994

0,990

0,988

0,988

50

Г

0,994

0,992

0,989

0,988

М

0,999

0,999

1,001

1,003

100

Г

0,994

0,992

0,989

0,988

М

0,999

1,000

1,001

1,002

КВ-Р

(Дорогобужского котлозавода)

1,3-6,5

КУ; БУ

1,000

1,000

1,000

1,000

Секционные чугунные и стальные котлы

(Минск-1, Тула-3, Универсал-6, HP-18, НИИСТУ5 и др.)

0,1-1,0

Г

0,994

0,993

0,994

0,996

М

0,999

1,000

1,004

1,011

КУ

1,007

1,012

1,018

1,026

БУ

1,012

1,023

1,036

1,050

КВр

(Дорогобужского котлозавода для работы на дровах)

0,2-0,35

Д

1,000

1,000

1,000

1,000

КЕВ

(Бийского котлозавода для работы на дровах)

1,5-4,0

Д

1,000

1,000

1,000

1,000

паровые котлоагрегаты

 

 

нагрузка, % от номинальной

 

 

80

60

40

 

ДКВР

2,5

Г

1,001

1,005

1,019

 

4

Г

1,001

1,002

1,020

 

 

М

0,992

0,991

0,998

 

6,5

Г

0,988

0,997

1,011

 

 

М

0,999

1,002

1,014

 

10

Г

0,996

0,998

1,001

 

 

М

0,993

0,992

0,998

 

20

Г

1,011

1,026

1,037

 

 

М

0,99

0,995

1,005

 

 

КУ

0,954

0,935

0,962

 

ДЕ

4-10

Г

1,001

1,002

1,020

 

 

М

0,992

0,991

0,994

 

16-25

Г

1,011

1,026

1,037

 

 

М

0,990

0,995

1,005

 

КЕ

2,5-6,5

КУ

0,954

0,965

0,962

 

 

БУ

0,999

0,985

1,004

 

10-25

КУ

0,954

0,965

0,962

 

 

БУ

0,999

0,985

1,004

 

 

 

ГМКУ

1,000

1,000

1,000

 

Е-1,0-0,9; Е-0,4-9

0,4-1,0

Г

0,998

0,999

1,000

 

ТП

20

Г

0,999

1,000

1,007

 

30

М

0,993

0,990

1,001

 

Г - газ, М - мазут, КУ - каменный уголь, БУ - бурый уголь, Д - дрова

49.2. Коэффициент К2

К2 определяется только для паровых котлов производительностью до 20 т/ч, поставлявшихся без экономайзеров (таблица 4).

Таблица 4 (рекомендуемая)

Вид топлива

Значения коэффициента К_2

Газ

1,025-1,035

Жидкое топливо (мазут; нефть; дизельное; печное)

1,030-1,037

Уголь

1,07-1,08

Другие виды твердого топлива

1,07-1,08

Меньшее из указанных значений коэффициента К2 принимается для котлов типа ДКВР, большее - для паровых котлов других типов.

49.3. В составе расчетных и обосновывающих материалов приводятся характеристики топлива с приложением сертификата (паспорта), в котором должны быть указаны теплота сгорания, зольность, влажность, содержание мелочи в угле.

Коэффициент К3 для стальных секционных и чугунных котлов типа НР-18, НИИСТУ-5, "Минск-1", "Универсал", "Тула-3" и др., а также для паровых котлов типа Е-1/9, топки которых оборудованы колосниковой решеткой с ручным обслуживанием, при сжигании рядовых углей с содержанием мелочи (класс 0-6 мм) более 60 % принимается равным: 1,15 - для антрацита; 1,17 - для каменных углей; 1,2 - для бурых углей.

Для остальных котлов коэффициент К3 определяется по потерям теплоты топок от механического недожога () в зависимости от типа топочного устройства, зольности и фракционного состава топлива по формуле:

,                                                                                              (93)

где:  - исходное значение потерь теплоты от механического недожога, % (принимается в зависимости от типа топочного устройства, вида сжигаемого топлива и его зольности);

Кт - поправка на содержание мелочи (класс 0-6 мм) в топливе определяется по данным, приведенным в таблице 5.

Содержание мелочи принимается по паспорту (сертификату) поставляемого топлива.

Таблица 5 (рекомендуемая)

Содержание мелочи (класс 0 - 6 мм) в топливе, %

Поправка на содержание мелочи, К_т

65

1,06

70

1,10

75

1,15

80

1,22

49.4. Номинальные показатели работы слоевых топок приведены в таблице 6.

Таблица 6 (справочная)

Тип, Марка угля

 

Характеристика топлива

Потери тепла топкой от механического недожога (q_4), %

зольность, %

зерновая характеристика

максимальный размер куска, мм

Содержание фракций 0-6 мм, %

С ручным забросом топлива

Бурые рядовые типа челябинских

30

75

55

7

Бурые рядовые типа подмосковных

35

75

55

11

Каменные типа Г, Д

20

75

55

7

Каменные сильноспекающиеся типа К.ПЖ

20

75

55

7

Каменные рядовые тощие

16

50

55

6

Антрацит АРШ

16

50

55

14

С забрасывателями и неподвижным слоем

Бурые рядовые типа челябинских

30

35

55

7

Бурые рядовые типа подмосковных

35

35

55

11

Каменные типа Г, Д

20

35

55

7

Каменные сильноспекающиеся типа К, ПЖ

20

35

55

7

Каменные рядовые тощие

18

35

55

18

Антрацит АРШ

16

35

55

18

49.5. Общий (интегральный) коэффициент К определяется по формуле:

,                                                                                                      (94)

49.6. Индивидуальный норматив удельного расхода топлива на производство тепловой энергии котлом, определяется по выражению:

, кг у.т./Гкал,                                                                               (95)

Расчет групповых нормативов на отпущенную тепловую энергию

50. В расчетных формулах используются условные обозначения:

1) индексы:

m = 1,2, ..., 12 - индекс месяца расчетного года;

i = 1,2, ... ,  - индекс котла в рамках k-ой котельной ( - количество котлов в k-ой котельной);

к.а. - индекс, означающий, что величина относится к котлу (котельному агрегату);

кот. - индекс, означающий, что величина относится к котельной;

пр - индекс, означающий, что величина относится к предприятию;

бр - (брутто), индекс, указывающий, что величина определяется как средневзвешенная по производству тепловой энергии; отсутствие индекса указывает на то, что величина определяется как групповая по отпуску в тепловую сеть тепловой энергии.

2) исходные данные:

 - планируемая производительность (нагрузка) i-го котла k-ой котельной в m-ом месяце расчетного года, Гкал/ч;

 - планируемая продолжительность работы i-го котла k-ой котельной при планируемой нагрузке в m-ом месяце планируемого года, ч;

 - индивидуальный норматив удельного расхода топлива на производство тепловой энергии i-м котлом k-ой котельной при планируемой нагрузке в m-ом месяце планируемого года, кг у.т./Гкал;

 - расход тепловой энергии на собственные нужды k-ой котельной в m-ом месяце расчетного года, %.

50.1. Расчет групповых нормативов на отпущенную тепловую энергию в разрезе месяца производится в следующей последовательности:

1) определяется средневзвешенный норматив удельного расхода топлива на производство тепловой энергии всеми котлами k-ой котельной в m-ом месяце расчетного года - , кг у.т./Гкал:

,                                                     (96)

2) определяется расход тепловой энергии на собственные нужды котельной в абсолютном и относительном выражении - в Гкал и %;

3) определяется групповой норматив удельного расхода топлива на отпуск в сеть тепловой энергии k-ой котельной в m-ом месяце планируемого года - , кг у.т./Гкал:

,                                                                                       (96.1)

50.2. Для расчетного года в целом средневзвешенный норматив удельного расхода топлива на производство тепловой энергии k-ой котельной на расчетный год - , кг у.т./Гкал определяется:

,                                                                        (96.2)

где:  - производство тепловой энергии k-ой котельной в m-ом месяце расчетного года, Гкал, определяемое как

,                                                                           (96.3)

1) групповой норматив удельного расхода топлива на отпуск тепловой энергии k-ой котельной на расчетный год - , кг у.т./Гкал:

,                                                                                  (96.4)

где:  - годовой отпуск тепловой энергии в сеть k-ой котельной, Гкал.

2) отпуск в тепловую сеть тепловой энергии k-ой котельной в m-ом месяце расчетного года - , кг у.т./Гкал:

,                                                                          (96.5)

Определение расхода тепловой энергии на собственные нужды котельных

51. Расход тепловой энергии на собственные нужды котельных определяется опытным (режимно-наладочные и (или) балансовые испытания) или расчетным методами.

В состав общего расхода тепловой энергии на собственные нужды котельных в виде горячей воды или пара входят следующие элементы затрат:

растопка, продувка котлов;

обдувка поверхностей нагрева;

подогрев мазута;

паровой распыл мазута;

деаэрация (выпар);

технологические нужды ХВО;

отопление и хозяйственные нужды котельной, потери с излучением тепловой энергии теплопроводами, насосами, баками и т.п.; утечки, парение при опробовании и другие потери.

Общий расход тепловой энергии на собственные нужды определяется по формуле:

,                                                                                                           (97)

где  - тепловые потери на i-е нужды, Гкал;

N - количество статей расхода на собственные нужды котельной.

При расчетном определении расхода тепловой энергии на собственные нужды котельной используются нижеприведенные зависимости.

Расчеты расхода тепловой энергии на собственные нужды выполняются на каждый месяц и в целом на год. При этом, расчеты по отдельным статьям расхода тепловой энергии могут выполняться в целом за год с распределением его по месяцам пропорционально определяющему показателю (выработка тепловой энергии; число часов работы; количество пусков; температура наружного воздуха; длительность отопительного периода и др.)

Исходные данные и результаты расчета по элементам затрат заносятся в отдельные таблицы.

52. Потери тепловой энергии с продувочной водой, Гкал, зависят от периодичности и продолжительности продувки котла и определяются по формуле:

,                                                                                              (98)

где:  - коэффициент продувки i-го котла, принимаемый для непрерывной продувки паровых котлов - 0,01, для периодической продувки паровых котлов - 0,005, водогрейных котлов - 0,003;

 - количество тепловой энергии, Гкал, произведенное котлом за расчетный период;

 - количество котлов.

53. Расход тепловой энергии за расчетный период на растопку котлов , Гкал определяется:

,                                                                         (99)

где: часовая выработка тепловой энергии i-ым котлом (по паспортной характеристике), Гкал;

 - доля расхода тепловой энергии на одну растопку котла после простоя до 12 ч (из горячего состояния), принимаемая в отопительном периоде - 0,3, в неотопительном - 0,2;

 - количество растопок из горячего состояния в расчетном периоде;

 - доля расхода тепловой энергии на одну растопку котла после простоя свыше 12 ч (из холодного состояния), принимаемая в отопительном периоде - 0,65, в неотопительном - 0,45;

 - количество растопок из холодного состояния в расчетном периоде.

Расчетное количество растопок котлов определяется по отчетным данным базового года с внесением коррективов по прогнозируемому режиму потребления тепловой энергии потребителями в расчетном периоде.

54. Расход тепловой энергии на обдувку поверхностей нагрева паровых котлов, Гкал, определяют по формуле:

,                                                                  (100)

где:  - коэффициент обдувки, принимаемый в размере 0,002 при сжиганиии твердого топлива и 0,003 - при сжигании мазута;

 - средняя за время работы производительность i-го котла, т/ч;

 - продолжительность работы i-го котла, ч;

,  - энтальпия соответственно пара используемого для обдувки и питательной воды, ккал/кг;

 - количество котлов.

55. Расход тепла на нужды мазутного хозяйства, Гкал, определяется как сумма потерь (расходов) тепловой энергии при сливе мазута (), обогреве в резервуарах при хранении (), обогреве мазутопроводов (), подогреве в мазутоподогревателях и (или) расходных емкостях () и паровом распыле мазута форсунками ().

,                                                                                (101)

При определении  и  потери (расходы) тепловой энергии, относящиеся к нормативному неснижаемому запасу мазута, (ННЗТ), не учитываются.

55.1. Количество тепловой энергии на разогрев мазута при сливе, Гкал, определяют по формуле:

,                                                  (101.1)

где:  - конечная температура подогрева мазута в цистерне, °С, принимается в зависимости от марки мазута;

 - начальная температура мазута в цистерне °С, при отсутствии данных принимается 0-(-7) °С для южного пояса, (-)7 до (-)10 °С для северного от (-)10 до (-)15 °С для Сибири (через 7 суток после наполнения температура мазута в цистерне равна температуре наружного воздуха);

 - коэффициент охлаждения, ккал/(м3 ч °С), принимается равным 1,65 для цистерн 60(50)т; 2,2 - для 25-тонной цистерны; 1,15 - при доставке мазута автотранспортом;

 - время разогрева и слива из цистерны, ч, принимаемое в зависимости от периода и марки мазута (холодное время года М-40, М-60 - 8 час., М-80, М-100 - 10 час., теплое время - 4 час.);

р - плотность мазута при начальной температуре, кг/м3;

 - количество сливаемого за расчетный период мазута, т.

55.2. Потери тепловой энергии при хранении мазута, Гкал, рассчитываются по формуле:

,                                                               (101.2)

где: F - поверхность охлаждения резервуара, м2; принимается по проектным, паспортным или фактическим данным;

К - коэффициент теплопередачи стенок резервуара, ккал/( м2 ч °С); принимаемый для металлических неизолированных резервуаров - 6,0; металлических изолированных - 3,0; для подземных резервуаров - 0,27;

t0 - температура окружающего воздуха, °С; принимается как средняя для расчетного периода (для подземных резервуаров t0 = 5 °С);

 - время хранения, ч;

V - емкость резервуара, м3;

 - количество мазута, хранимого в расчетном периоде, определяемое как среднее значение на начало и конец этого периода, т

р - плотность мазута при среднем значении температуры (), кг/ м3.

При отсутствии данных расход пара давлением 1-1,2 МПа и температурой 220-250 °С на разогрев, слив и зачистку 10 железнодорожных цистерн емкостью 60 т принимается равным 7,65 т/ч (85-120 кг/т); расход пара на сливные лотки на 10 м двухпутной эстакады 0,1 т/ч, на промежуточные емкости объемом 200 м3 - 0,6 т/ч, 400 м3 - 1,2 т/ч, 600 м3 - 1,8 т/ч, 1000 м3 - 2,0 т/ч.

55.3. Расход тепловой энергии на обогрев мазутопроводов, Гкал, определяется по формуле:

,                                                                                     (101.3)

где: q - плотность теплового потока от мазутопровода в окружающую среду, ккал/мч; принимается по нормам плотности теплового потока, приводимых в строительных нормах и правилах;

L - длина обогреваемого мазутопровода, м;

b - коэффициент, учитывающий тепловые потери опорами, арматурой, компенсаторами; принимается 1,2 в тоннелях и каналах и помещениях, 1,25 - для надземной прокладки мазутопроводов;

 - продолжительность обогрева, ч.

55.4. Расход тепловой энергии на подогрев мазута в мазутоподогревателях или расходных емкостях осуществляется до температуры, указанной в таблице 7:

Таблица 7

Тип форсунок

Температура подогрева мазута, °С

М-40; М-60

М-80; М-100

начальная

конечная

начальная

конечная

паровые; воздушные высоконапорные

50

75

70

90

механические; паромеханические

50

75

70

90

воздушные низконапорные

50

75

70

90

Расход тепловой энергии на подогрев мазута, Гкал, определяется по формуле:

,                                                                                   (101.4)

 

где:  - удельный расход пара на подогрев мазута (таблица 8) в диапазоне температур, приведенных в таблице 7, кг на тонну мазута:

Таблица 8

мазут

Расход пара (кг на 1 т мазута) при типах форсунок

паровые

паромеханические

воздушные

М-40; М-60

247

42

48

М-80; М-100

239

39

34

,  - энтальпия соответственно пара, используемого для подогрева, и питательной воды, ккал/кг;

 - количество подогреваемого мазута за расчетный период, равное количеству мазута, поданного в топку горелочными устройствами, т;

 - КПД подогревателя, принимаемый равным 0,98.

55.5. Расход тепловой энергии на паровой распыл мазута, Гкал, рассчитывается в случае комплектации котлоагрегатов паромеханическими форсунками по формуле:

,                                                                                      (101.5)

где  - удельный расход пара на распыливание, кг/кг мазута; принимается 0,02-0,03 в зависимости от вязкости мазута;

 - количество распыляемого мазута, т;

,  - энтальпия соответственно пара, используемого для распыла мазута, и питательной воды, ккал/кг.

Расход пара на распыл мазута для паровых форсунок учтен удельным расходом пара на подогрев мазута, приведенным в п. 55.4.

56. Расход тепловой энергии на технологические нужды химводоочистки, Гкал, определяют по формулам:

при наличии охладителя выпара:

,                                                              (102.1)

при отсутствии охладителя выпара:

,                 (102.2)

где:  - удельный расход воды на собственные нужды ХВО, исходной воды на 1 т. химически очищенной воды, принимается в зависимости от общей жесткости воды, т;

 - средний расход воды на ХВО в расчетном периоде, т/ч;

 - поправочный коэффициент, принимаемый равным 1,0 при наличии бака взрыхления и 1,2 при его отсутствии;

 - теплоемкость воды, ккал/кг°С;

,  - соответственно температура воды после и до подогревателя сырой и исходной воды, °С;

, - продолжительность работы соответственно ХВО и деаэратора в расчетном периоде, ч;

 - средний расход воды на деаэрацию в расчетном периоде, т/ч;

,  - энтальпия соответственно выпара из деаэратора и исходной воды, ккал/кг.

57. Часовой расход тепловой энергии, Гкал, на отопление помещения котельной определяется следующим образом:

,                                                                                 (103)

где:  - объем отапливаемого помещения (рабочей зоны), м3;

 - удельная отопительная характеристика здания при  = -30 °С принимается для объема здания 2 - 10 тыс. м3 - 0,1; 10 - 15 тыс. м3 - 0,08 ккал/( м3 ч °С);

 - расчетная температура наружного воздуха для проектирования отопления, °С;

 - поправочный коэффициент на температуру наружного воздуха для проектирования отопления принимается по нижеприведенным данным:

t_ро °С

0

-5

-10

-15

-20

-25

-30

-35

-40

-45

-50

-55

альфа

2,05

1,67

1,45

1,29

1,17

1,08

1,00

0,95

0,90

0,85

0,82

0,80

 - температура воздуха внутри помещения, принимаемая как средневзвешенная по всем помещениям непосредственно котельной (котельный зал; насосное отделение; щитовое помещение и др.); принимается по действующим санитарным нормам с учетом показателей аттестации рабочих мест по условиям труда.

При отсутствии результатов аттестации минимальные значения температур воздуха в рабочей зоне помещений в холодный период определяются по таблице 9 (справочной).

Таблица 9 (справочная)

Наименование помещений

Характеристика

Температура воздуха, °С

Котельный зал

с постоянным обслуживающим персоналом котельной:

 

 

на газе

19

 

на жидком топливе

15

 

на угле и древесных отходах с механизированной подачей

15

 

на угле с ручной загрузкой и дровах

13

 

без постоянного обслуживающего персонала

5

Зольное помещение

с механизированным удалением золы и шлака

5

 

при ручном удалении золы и шлака

13

Химводоподготовка в отдельном помещении

с постоянным обслуживающим персоналом

17

без постоянного обслуживающего персонала

5

Дробильные отделения для угля и шлака;

транспортерные галереи;

узлы пересыпки

с постоянным обслуживающим персоналом

15

без постоянного обслуживающего персонала

5

 

 

Насосные отделения в отдельных помещениях

с постоянным обслуживающим персоналом

17

без постоянного обслуживающего персонала

5

Щитовые помещения

с постоянным обслуживающим персоналом

19

 

без постоянного обслуживающего персонала

5

Химические лаборатории

 

19

Пересчет расхода тепловой энергии на отопление в конкретном расчетном месяце по формуле:

,                                                                                          (103.1)

где:  - средняя за расчетный период температура наружного воздуха, °С;

 - продолжительность отопления, ч.

Полученный по формуле (103.1) расход тепловой энергии на отопление помещений котельной уменьшается на величину тепловых выделений в окружающую среду котлоагрегатами, баками различного назначения, установленными в котельном зале, других тепловыделений (потери с утечками, парением, через теплоизоляцию, при опробовании предохранительных клапанов), а также поступлений тепловой энергии с нагретым воздухом приточной вентиляции.

Если поступление тепловой энергии от котлоагрегатов, баков и других элементов, а также с воздухом приточной вентиляции обеспечивает поддержание расчетной температуры воздуха в производственной зоне котельного зала, то расход тепловой энергии на отопление в общем расходе на собственные нужды учитывается только в объеме потребности на отопление служебных и бытовых помещений.

Расход тепловой энергии на отопление и хозяйственно-бытовые нужды зданий и сооружений, расположенных на территории котельной (административное здание, гаражи, мастерские, склады и др.), к собственным нуждам не относится.

57.1. Потери тепловой энергии котлоагрегатами определяются по формулам (103.2) или (103.3):

,                                                                                   (103.2)

где:  - расход натурального топлива котлоагрегатом в расчетном месяце, т;

q5 - средняя потеря тепловой энергии всеми элементами котлоагрегатов в окружающую среду, в % от количества теплоты топлива;

 - теплота сгорания используемого натурального топлива, ккал/кг;

 - количество котлоагрегатов.

Средняя потеря тепловой энергии всеми элементами котлоагрегата в окружающую среду (q5) принимается по показателям режимной карты.

При отсутствии результатов режимно-наладочных испытаний, q5 для котлов производительностью до 5,0 Гкал/ч оценивается ориентировочно по приводимой таблице 10:

Таблица 10

Теплопроизводительность, Гкал/ч

до 0,5

до 1,0

до 1,5

2,0

2,5

3,0

4,0

5,0

Потери тепловой энергии q_5, %

8,0

6,0

4,5

3,2

2,6

2,3

2,3

1,75

,                                                                   (103.3)

где:  - производство тепловой энергии i-котлом за расчетный период, Гкал;

 - удельный расход условного топлива на производство тепловой энергии i-м котлом в расчетном периоде, кг у.т./Гкал;

 - теплота сгорания по условному топливу, 7000 ккал/кг у.т.

Тепловые потери баками, независимо от места установки, рассчитываются по формуле (104), прочие потери теплоты - в соответствии с пунктом 59 Инструкции.

57.2. Потери тепловой энергии баками различного назначения (декарбонизаторы, баки-аккумуляторы и пр.), Гкал, определяют по формуле:

,                                                                            (104)

где:  - норма плотности теплового потока через поверхность бака, ккал/м2 ч; принимается по СНиП 2.04.14-88 для баков, введенных в эксплуатацию до 01.11.2003 и по СНиП 41-03-2003 для баков, введенных в эксплуатацию после 01.11.2003;

 - поверхность бака, м2;

 - температурный коэффициент, определяемый по соотношению :;

 - количество баков;

G - количество групп однотипных баков;

 - продолжительность работы баков в расчетном периоде, ч.

58. Расход тепловой энергии на хозяйственно-бытовые нужды, Гкал, определяется по формуле:

,                                                    (105)

где  - норма расхода горячей воды на одну душевую сетку, принимается равной 0,27 м3/сут;

 - количество душевых сеток;

 - коэффициент использования душевых, определяется практическим путем, при отсутствии данных принимается равным 1,0;

a - норма расхода горячей воды на 1 человека в смену, при отсутствии данных принимается равной 0,024 м3/чел в сутки;

М - численность работающих человек в сутки;

,  - соответственно температура горячей и исходной воды, °С;

 - теплоемкость воды, ккал/кг °С;

 - продолжительность расчетного периода, сут;

 - плотность воды, т/ м3.

59. Другие потери (опробование предохранительных клапанов, потери с утечками, парением, через теплоизоляцию трубопроводов), Гкал, принимают равными:

- для паровых котельных ,

- для водогрейных котельных ,

где:  - количество тепловой энергии, Гкал, произведенное котельной за расчетный период.

60. Расход тепловой энергии на дутье под решетки слоевых топок котлов, работающих на углях, принимается по опытным данным, но не более 2,0 % от произведенной тепловой энергии за расчетный период.

Расчет нормативов удельного расхода топлива на тепловую энергию, отпущенную организацией

61. Нормативы удельного расхода топлива на отпуск в тепловую сеть по предприятию в целом на соответствующий месяц и год определяются аналогично определению этих показателей по формулам (96.1) и (96.2) с заменой показателей котлов на показатели котельных.

62. Анализ полученных материалов включает в себя сравнение расчетных НУР на расчетный период с плановыми показателями текущего года и отчетными показателями за два предыдущих года (по форме федерального государственного статистического наблюдения N 1-ТЕП "Сведения о снабжении теплоэнергией").

63. В составе обосновывающих материалов приводятся:

таблица баланса прогнозируемых объемов производства и отпуска тепловой энергии по месяцам и на год с указанием источников их получения;

расчеты НУР по каждой котельной на каждый месяц периода регулирования и в целом за расчетный период, выполненные в соответствии с разделом V Инструкции по организации в Минэнерго России работы по расчету и обоснованию нормативов удельного расхода и обоснования нормативов удельного расхода топлива на отпущенную электрическую и тепловую энергию от тепловых электростанций и котельных (расчетные таблицы; информация об источниках исходных данных);

режимные карты и нормативные характеристики, разработанные на основании режимной наладки и режимно-наладочных испытаний;

сводная таблица результатов расчетов нормативов удельного расхода топлива на отпущенную тепловую энергию по котельной, филиалу, энергоснабжающей организации в целом (приложение 2 к Инструкции);

Сравнительная таблица расчетных и фактических удельных расходах топлива на отпущенную тепловую энергию

(кг у.т./Гкал)

 

нормативное значение

учтено РЭК в тарифах

факт

предложения

утверждено МЭ

 

ЭСО

эксп. орг.

величина

N и дата приказа

при отсутств. утв. МЭ - расчетное значение

20___ г.

 

 

 

 

 

 

 

20___ г.

 

 

 

 

 

 

 

20___ г.

 

 

 

 

 

 

 

20___ г.

 

 

 

 

 

 

 

пояснительная записка содержит: краткую характеристику предприятия - количество котельных, их установленная мощность, присоединенная нагрузка, основное и резервное топливо, характеристика топливного хозяйства, количество потребителей, график отпуска тепловой энергии, вид системы теплоснабжения, организация учета отпуска тепловой энергии, проведение режимно-наладочных испытаний котлоагрегатов.

В пояснительной записке приводятся данные о проведенных в отчетном году мероприятиях по повышению экономичности котельных с конкретными данными о сокращении расхода тепловой энергии на собственные нужды, снижении расхода топлива, влиянии проведенных мероприятий на уменьшение удельного расхода топлива на отпущенную тепловую энергии.

VI. Расчет нормативов удельных расходов топлива по дизельным электростанциям

Общие положения

64. Норматив удельного расхода топлива на отпущенную дизельными электростанциями электрическую энергию (максимально допустимая технически обоснованная мера потребления топлива на единицу электрической энергии, отпускаемой дизельной электростанцией (ДЭС) в электрическую сеть) определяется в целом по организации - юридическому лицу.

Электрическая энергия, отпущенная в электрическую сеть определяется как электрическая энергия, произведенная дизель-генераторами, за вычетом электрической энергии, использованной на собственные нужды ДЭС, и переданная в электрическую сеть.

При расположении ДЭС в различных муниципальных образованиях или различных поселениях, нормативы удельного расхода топлива на отпущенную электрическую энергию могут рассчитываться и устанавливаться по дизельным электростанциям соответствующего муниципального образования либо поселения.

65. Норматив удельного расхода топлива (НУР) на отпущенную электрическую энергию рассчитывается на основе индивидуальных нормативов дизель-генераторов (ДГ) с учетом их мощности, времени работы, нагрузочных характеристик, технического состояния, величины расхода электроэнергии на собственные нужды ДЭС.

Норматив устанавливается в граммах условного топлива на отпуск одного киловатт-часа электрической энергии, г у.т./(кВт×ч).

66. Выбор состава работающего оборудования и распределение нагрузок между отдельными агрегатами ДЭС базируется на принципе минимальных затрат топлива на производство электрической энергии при сохранении условий надежного электроснабжения потребителей.

При расчете НУР не учитываются затраты топлива и энергии, вызванные отступлениями от правил технической эксплуатации и режимов функционирования оборудования ДЭС, на строительство и капитальный ремонт зданий и сооружений, монтаж, пуск и наладку нового оборудования электростанций, на экспериментальные и научно-исследовательские работы.

67. Расчеты НУР выполняются для каждого из месяцев расчетного периода и в целом за весь расчетный период по результатам расчетов за каждый месяц.

68. Норматив удельного расхода топлива по организации определяется на основе результатов расчетов по ДЭС, находящимся у организации в собственности или во владении на иных законных основаниях.

69. Прогнозируемое производство электроэнергии принимается по энергобалансу на расчетный год, а при его отсутствии - по средним показателям за два года, предшествующих текущему, и непосредственно текущему году с учетом прогнозируемых изменений объема потребления энергии. Показатели прогнозируемого производства электроэнергии представляются в табличной форме.

Расчет индивидуальных эксплуатационных нормативов расхода топлива

70. Расчеты нормативов удельных расходов топлива по дизельным электростанциям выполняются на основе паспортных данных ДГ, нагрузочных характеристик, принимаемых по паспортным данным, данным заводов - изготовителей оборудования или по справочной литературе.

В паспортных и справочных данных указываются мощности дизеля и ДГ, технические параметры, соответствующие режиму номинальной (паспортной) мощности ДГ: удельный расход топлива, коэффициент полезного действия (КПД) генератора, расход топлива на холостой ход и др. (приложение 6 к настоящей Инструкции).

71. Исходным показателем расчета индивидуального расхода топлива (расход расчетного вида топлива по ДГ на производство 1 киловатт-часа электрической энергии при оптимальных эксплуатационных условиях, указываемый в паспорте дизель-генератора в граммах на один произведенный киловатт-час) является показатель удельного расхода топлива в граммах на киловатт-час с допуском, устанавливаемым в технических условиях на дизель конкретного типа.

72. Для расчета индивидуального удельного расхода топлива для ДГ принимается показатель расхода топлива по дизель-генератору, указанный в паспорте (технических условиях) () или приведенный в паспорте показатель расхода топлива по дизелю (), скорректированный на паспортное значение КПД генератора:

, г/(кВт*ч)                                                                                          (106)

73. Изменение индивидуального норматива расхода топлива в связи с работой ДГ на нагрузках, отличных от номинальных, принимается по паспортной документации ДГ, либо по результатам испытаний ДГ.

В отсутствие указанных данных показатель изменения индивидуального норматива расхода топлива дизелем допускается временно до проведения испытаний принимать путем введения режимного коэффициента (), определяемого по соотношению:

,                                                                                        (107)

где:  - средняя прогнозируемая нагрузка i-тым ДГ за соответствующий период, кВт.

 - паспортная мощность i-того ДГ, кВт;

74. Минимальная нагрузка, для которой определяется  по формуле (107), составляет 25 % от величины номинальной нагрузки.

Для дизель-генераторов, допускающих безаварийную работу с частичной нагрузкой ниже 25 % от номинального значения,  принимается как для значения нагрузки 25 % и не может превышать 1,3.

75. Изменение индивидуального норматива расхода топлива в связи с износом ДГ (Кизн) учитывается для ДГ, имеющих превышение фактической наработки, ч, над паспортным значением.

Значение Кизн принимается с учетом фактического технического состояния ДГ, но не может превышать 1,05.

76. Индивидуальный норматив удельного расхода условного топлива на производство одного киловатт-часа электрической энергии i-тым дизель-генератором за месяц определяется по формуле:

,                                                                                  (108)

где:  - теплота сгорания топлива, ккал/кг.

Индивидуальный норматив удельного расхода топлива для каждого ДГ в целом за год определяется как средневзвешенное значение из месячных значений:

Показатель

месяцы

год

I

II

III

IV

V

VI

VII

VIII

IX

X

XI

XII

Производство электроэнергии, кВт х ч

 

 

 

 

 

 

 

 

 

 

 

 

 

Удельный расход топлива, г у.т./(кВт х ч)

 

 

 

 

 

 

 

 

 

 

 

 

 

,                                                                                            (109)

где:  - производство электроэнергии в месяц i-ым ДГ.

Расчет групповых нормативов удельного расхода условного топлива на производство электрической энергии

77. Групповой норматив удельного расхода условного топлива на производство электрической энергии по всей ДЭС () определяется как средневзвешенное значение месячных показателей по всем ДГ, установленным на ДЭС.

Расчет нормативов удельного расхода топлива на отпущенную электрическую энергию

78. При расчете нормативов удельного расхода топлива на отпущенную электрическую энергию учитываются:

78.1. расход топлива на производство электрической энергии, определенный как произведение группового норматива удельного расхода топлива (п. 77) и прогнозируемого объема производства электроэнергии:

,                                                                                                 (110)

78.2. часовой расход топлива на холостом ходу для каждого ДГ принимается по паспортным данным, а годовой расход как произведение этого значения на число пусков в год и на время работы на холостом ходу, которое принимается равным 0,25 часа, если иное не указано в паспорте ДГ. При отсутствии паспортных данных, годовой расход топлива на холостом ходу i-того ДГ при пусках и остановах, определятся по формуле

,                                                              (111)

где:  - количество пусков i-того ДГ;

 - время работы на холостом ходу, ч.

Годовой расход топлива при работе на холостом ходу  для всей ДЭС определяется как сумма по всем дизель-генераторам станции.

78.3. расход топлива на периодические опробования i-того дизель-генератора, находящегося в резерве, определяется аналогично пункту 78.2.

Количество опробований  принимается дифференцированным по сезонам, но не чаще одного раза в сутки для ДГ, находящихся в "горячем" резерве. Годовой расход топлива при опробованиях  для всей ДЭС определяется как сумма по всем ДГ станции, которые запускаются для опробования.

78.4. расход электроэнергии на собственные нужды ДЭС принимается по данным, приведенным в проекте ДЭС, и определяется как средневзвешенное значение месячных показателей:

,                                                                                                            (112)

где:  - расход электроэнергии на собственные нужды ДЭС, .

При отсутствии данных в проекте ДЭС принимается до 4 % от произведенной электроэнергии по ДЭС в целом.

На собственные нужды ДЭС относятся затраты электроэнергии, за исключением расхода на привод насосов системы теплоснабжения. Затраты тепла на собственные нужды ДЭС относятся к производственным нуждам.

79. Нормативный удельный расход условного топлива на отпущенную электрическую энергию рассчитывается по формуле:

,                                                                               (113)

80. При наличии теплоутилизационной установки, использующей тепло выхлопных газов, определение нормативного удельного расхода топлива на отпущенную электрическую энергию не изменяется и определяется в соответствии с пунктом 79.

Расход электрической энергии на привод циркуляционного насоса, применяемого для передачи (транспорта) тепловой энергии, относится на производственные расходы по ДЭС в целом.

81. В состав расчетных и обосновывающих материалов включаются:

расчеты НУР по каждой ДЭС на каждый месяц периода регулирования и в целом за расчетный период, выполненные в соответствии с разделом VI Инструкции по организации в Минэнерго России работы по расчету и обоснованию нормативов удельного расхода на отпущенную электрическую и тепловую энергию от тепловых электростанций и котельных (расчетные таблицы; информация об источниках исходных данных);

режимные карты и нормативные характеристики, разработанные на основании режимно-наладочных испытаний;

сводная таблица результатов расчетов нормативов удельного расхода топлива на отпущенную электрическую энергию по ДЭС, филиалу, энергоснабжающей организации в целом (приложение 3 к Инструкции);

отчетные данные за предшествующие годы, текущие и планируемые показатели по ДЭС, филиалу, энергоснабжающей организации в целом (таблица 1).

Отчетные данные за предшествующие годы, текущие и планируемые показатели по ДЭС, филиалу, энергоснабжающей организации

Таблица 1

Показатели

Значение показателей

20___ г.

20___ г.

20___ г.

20___ г.

отчет

отчет

план

расчет

Производство электроэнергии, тыс. кВтч

 

 

 

 

Средневзвешенный норматив удельного расхода топлива на производство электроэнергии, г у.т./кВтч

 

 

 

 

Расход электроэнергии на собственные нужды, тыс. кВтч/ %

 

 

 

 

Отпуск электроэнергии в электрическую сеть, тыс. кВтч

 

 

 

 

Норматив удельного расхода топлива на отпущенную электроэнергию, г у.т./кВтч

 

 

 

 

Отпуск тепловой энергии, тыс. Гкал

 

 

 

 

Норматив удельного расхода топлива на отпущенную тепловую энергию, кг у.т./Гкал

 

 

 

 

сравнительные данные по значениям удельных расходов топлива, утвержденных Минэнерго России и учтенных органами государственного регулирования тарифов (таблица 2).

Сравнительная таблица расчетных и фактических удельных расходов топлива на отпущенную электрическую энергию ДЭС

Таблица 2 (г у.т./кВт×ч)

 

нормативное значение

учтено РЭКв тарифах

факт

предложения

утверждено МЭ

 

ЭСО

эксп. орг.

величина

N и дата приказа

при отсутств. утв. МЭ – расчетное значение

ДЭС__________________________

20___ г.

 

 

 

 

 

 

 

20___ г.

 

 

 

 

 

 

 

20___ г.

 

 

 

 

 

 

 

20___ г.

 

 

 

 

 

 

 

план организационно-технических мероприятий (ОТМ) по рациональному использованию и экономии топливно-энергетических ресурсов (ТЭР), разработанный на основе энергетических обследований, с указанием ожидаемой экономии топлива в т у.т., и сроков внедрения мероприятий;

пояснительная записка в составе: краткая характеристика предприятия - количество ДЭС, их установленная мощность, присоединенная нагрузка, количество потребителей, график отпуска электрической энергии, организация учета отпуска электрической энергии, проведение режимно-наладочных испытаний ДГ, принципы распределения электрических нагрузок между ДГ.

В пояснительной записке приводятся данные о проведенных в отчетном году мероприятиях по повышению экономичности ДЭС с конкретными данными о сокращении расхода электрической энергии на собственные нужды, снижении расхода топлива, влиянии проведенных мероприятий на уменьшение удельного расхода топлива на отпущенную электрическую энергию;

заключение экспертизы материалов, обосновывающих значение нормативов удельных расходов топлива.

Приложение 1

(образец)

Сводная таблица
результатов расчетов нормативов удельных расходов топлива на отпущенную электроэнергию и тепло

по _______________________ на 200 __ г.

(наименование организации)

 


Электростанция, показатель

Группа Оборудования

Значение показателя по месяцам

Среднегодовое значение

Январь

Февраль

Март

Апрель

Май

Июнь

Июль

Август

Сентябрь

Октябрь

Ноябрь

Декабрь

Электростанция

- выработка электроэнергии, тыс. кВт.ч

Всего

 

 

 

 

 

 

 

 

 

 

 

 

 

Группа 1

 

 

 

 

 

 

 

 

 

 

 

 

 

Группа 2

 

 

 

 

 

 

 

 

 

 

 

 

 

- отпуск электроэнергии, тыс. кВт.ч

Всего

 

 

 

 

 

 

 

 

 

 

 

 

 

Группа 1

 

 

 

 

 

 

 

 

 

 

 

 

 

Группа 2

 

 

 

 

 

 

 

 

 

 

 

 

 

- отпуск тепла, Гкал

Всего

 

 

 

 

 

 

 

 

 

 

 

 

 

Группа 1

 

 

 

 

 

 

 

 

 

 

 

 

 

Группа 2

 

 

 

 

 

 

 

 

 

 

 

 

 

- нормативный удельный расход топлива на отпущенную электроэнергию, г/кВт. ч

Всего

 

 

 

 

 

 

 

 

 

 

 

 

 

Группа 1

 

 

 

 

 

 

 

 

 

 

 

 

 

Группа 2

 

 

 

 

 

 

 

 

 

 

 

 

 

- нормативный удельный расход топлива на отпущенное тепло, кг/Гкал

Всего

 

 

 

 

 

 

 

 

 

 

 

 

 

Группа 1

 

 

 

 

 

 

 

 

 

 

 

 

 

Группа 2

 

 

 

 

 

 

 

 

 

 

 

 

 

Электростанция

- выработка электроэнергии, тыс.кВт.ч

Всего

 

 

 

 

 

 

 

 

 

 

 

 

 

Группа 1

 

 

 

 

 

 

 

 

 

 

 

 

 

Группа 2

 

 

 

 

 

 

 

 

 

 

 

 

 

- отпуск электроэнергии, тыс. кВт.ч

Всего

 

 

 

 

 

 

 

 

 

 

 

 

 

Группа 1

 

 

 

 

 

 

 

 

 

 

 

 

 

Группа 2

 

 

 

 

 

 

 

 

 

 

 

 

 

- отпуск тепла, Гкал

Всего

 

 

 

 

 

 

 

 

 

 

 

 

 

Группа 1

 

 

 

 

 

 

 

 

 

 

 

 

 

Группа 2

 

 

 

 

 

 

 

 

 

 

 

 

 

- нормативный удельный расход топлива на отпущенную электроэнергию, г/кВт.ч

Всего

 

 

 

 

 

 

 

 

 

 

 

 

 

Группа 1

 

 

 

 

 

 

 

 

 

 

 

 

 

Группа 2

 

 

 

 

 

 

 

 

 

 

 

 

 

- нормативный удельный расход топлива на отпущенное тепло, кг/Гкал

Всего

 

 

 

 

 

 

 

 

 

 

 

 

 

Группа 1

 

 

 

 

 

 

 

 

 

 

 

 

 

Группа 2

 

 

 

 

 

 

 

 

 

 

 

 

 

Котельная - 1

- отпуск тепла, тыс. Гкал

 

 

 

 

 

 

 

 

 

 

 

 

 

 

- нормативный удельный расход топлива на отпущенное тепло, кг/Гкал

 

 

 

 

 

 

 

 

 

 

 

 

 

 

ЭСО в целом

- выработка электроэнергии, тыс. кВт.ч

 

 

 

 

 

 

 

 

 

 

 

 

 

 

- отпуск электроэнергии, тыс. кВт.ч

 

 

 

 

 

 

 

 

 

 

 

 

 

 

- отпуск тепла, тыс. Гкал

 

 

 

 

 

 

 

 

 

 

 

 

 

 

- норматив удельного расхода топлива на отпущенную электроэнергию, г/кВт.ч

 

 

 

 

 

 

 

 

 

 

 

 

 

 

- норматив удельного расхода топлива на отпущенное тепло, кг/Гкал

 

 

 

 

 

 

 

 

 

 

 

 

 

 

Главный инженер

(Руководитель)

___________________________________         ______________        _______________

(наименование организации)                                                                   (подпись)                              (Ф.И.О.)

Главный инженер

(Руководитель)

___________________________________         ______________        ____________

(наименование ТЭС, котельной)                                                              (подпись)                              (Ф.И.О.)

 



показатели

Значение показателя по месяцам

Год

отпуск тепловой энергии, тыс. Гкал НУР, кг у.т/Гкал

январь

Февраль

Март

апрель

май

июнь

июль

август

сентябрь

октябрь

ноябрь

декабрь

1

2

3

4

5

6

7

8

9

10

11

12

13

14

Котельная N

 

 

 

 

 

 

 

 

 

 

 

 

 

 

 

 

 

 

 

 

 

 

 

 

 

 

Отпуск НУР

 

 

 

 

 

 

 

 

 

 

 

 

 

 

 

 

 

 

 

 

 

 

 

 

 

 

Котельная N

 

 

 

 

 

 

 

 

 

 

 

 

 

 

 

 

 

 

 

 

 

 

 

 

 

 

Отпуск НУР

 

 

 

 

 

 

 

 

 

 

 

 

 

 

 

 

 

 

 

 

 

 

 

 

 

 

итого по

организации (филиалу):

Руководитель (должность)

___________________________________              ______________        ____________

(наименование организации)                                                                          (подпись)                              (Ф.И.О.)

 



показатели

Значение показателя по месяцам

Год

отпуск электроэнергии, тыс.кВтч НУР, г у.т/кВт.ч

январь

Февраль

Март

апрель

май

июнь

июль

август

сентябрь

октябрь

ноябрь

декабрь

1

2

3

4

5

6

7

8

9

10

11

12

13

14

ДЭС N

 

 

 

 

 

 

 

 

 

 

 

 

 

 

 

 

 

 

 

 

 

 

 

 

 

 

Отпуск НУР

 

 

 

 

 

 

 

 

 

 

 

 

 

 

 

 

 

 

 

 

 

 

 

 

 

 

ДЭС N

 

 

 

 

 

 

 

 

 

 

 

 

 

 

 

 

 

 

 

 

 

 

 

 

 

 

Отпуск НУР

 

 

 

 

 

 

 

 

 

 

 

 

 

 

 

 

 

 

 

 

 

 

 

 

 

 

итого по

организации

(филиалу):

Руководитель (должность)

___________________________________              ______________                    ____________

(наименование организации)                                                                          (подпись)                                              (Ф.И.О.)

Приложение 4

(образец)

Техническая характеристика
оборудования тепловой электростанции

___________________________________

(наименование организации)

Котлоагрегаты

Тип котлоагрегата

Количество

Паропроизводительность, т/ч

Завод - изготовитель котлов

Год ввода в эксплуатацию

Структура сжигаемого топлива

Давление перегретого пара, кгс/см2

Температура пара, °С

перегретого

промперегрева

1

2

3

4

5

6

7

8

9

 

 

 

 

 

 

 

 

 

Турбоагрегаты

Тип турбоагрегата

Количество

Установленная эл. мощность, МВт

Завод - изготовитель котлов

Год ввода в эксплуатацию

Номинальная нагрузка регулируемых отборов пара, т/ч

Давление перегретого пара, кгс/см2

Температура пара, °С

 

перегретого

промперегрева

П-отбор

Т-отборы

противодавление

 

1

2

3

4

5

6

7

8

9

10

11

 

 

 

 

 

 

 

 

 

 

 

 

 

Приложение 5

(образец)

Техническая характеристика
оборудования отопительной (производственно-отопительной) котельной

___________________________________

(наименование организации)

Тип и количество котлов

Производительность котельной, Гкал/ч, т/ч

Расчетная присоединенная тепловая нагрузка потребителей, Гкал/ч

Завод - изготовитель котлов

Год ввода котельной в эксплуатацию

Вид топлива

Тип ХВО

Тип автоматики регулирования

Тип деаэраторов

1

2

3

4

5

6

7

8

9

 

 

 

 

 

 

 

 

 

 

Наличие и тип охладителей выпара

Учет отпуска тепловой энергии, типы приборов учета

Давление и температура пара.

Тип экономайзера

Температура уходящих газов, °С

Наличие режимных карт, средний КПД котлов

10

11

12

13

14

15

 

 

 

 

 

 

Приложение 6

(образец)

Технические характеристики
оборудования дизельной электростанции

___________________________________

(наименование организации)

Показатель

обозначение

ед. измер.

дизель-генераторов (станц. NN)

по ДЭС в целом

1

2

3

4

1

2

3

4

5

6

7

8

тип (марка)

дизель-генератора

 

 

 

 

 

 

 

базового двигателя

 

 

 

 

 

 

 

генератора

 

 

 

 

 

 

 

мощность

N_номi

кВт

 

 

 

 

 

Номинальный расход топлива на пр-во эл.эн.

дизеля

b(д)_i

г/кВт.ч

 

 

 

 

 

дизель-генератора

b(дг)_i

г/кВт. ч

 

 

 

 

 

КПД генератора

эта(ген)_ном

 

 

 

 

 

 

производство электроэнергии

Э_i

тыс. кВтч

 

 

 

 

 

число часов работы

тау_i

ч

 

 

 

 

 

средняя нагрузка за расчетное число часов работы

N_частi

 

 

 

 

 

 

параметры регулиров. характеристики (по паспорту)

ном. расх. топл.

диз.

b(д)_рег

г/кВт.ч

 

 

 

 

 

диз.-генер.

b(дг)_рег

г/кВт.ч

 

 

 

 

 

КПД генератора

эта(ген)_част

 

 

 

 

 

 

количество пусков

n_хх

 

 

 

 

 

 

расход топлива на хол. ход

b_хх

кг/ч

 

 

 

 

 

наработка

паспортные

 

тыс.ч

 

 

 

 

 

ожидаемые на 01.01 регулирулируемого года

 

тыс.ч

 

 

 

 

 

топливо

марка

 

 

 

 

 

 

 

 

 

теплотворная способность

Q(н)_р

ккал/кг

 

 

 

 

 

Приложение 7

(образец)

Динамика основных технико-экономических показателей
тепловой электростанции

__________________________________

(наименование организации)

Показатель

Факт.

Норматив предшествующего года

Норматив

на регулируемый год

20_г.

20__г.

20_г.

20_г.

Выработка электроэнергии, тыс .кВт. ч

 

 

 

 

 

 

Выработка электроэнергии по теплофикационному циклу, тыс.кВт.ч

 

 

 

 

 

 

То же, в % от общей выработки

 

 

 

 

 

 

Отпуск электроэнергии, тыс .кВт. ч

 

 

 

 

 

 

Отпуск тепла, Гкал, в том числе:

 

 

 

 

 

 

с паром на технологические нужды с горячей водой отработавшим паром от РОУ от ПВК

 

 

 

 

 

 

Структура сжигаемого топлива, %:

 

 

 

 

 

 

твердое топливо газ

 

 

 

 

 

 

мазут

 

 

 

 

 

 

Коэффициент использования установленной мощности, %:

электрической

тепловой мощности отборов турбин

 

 

 

 

 

 

Норматив удельного расхода топлива на отпуск:

электроэнергии, г/кВт.ч

тепла, кг/Гкал

 

 

 

 

 

 

Приложение 8

(образец)

Динамика основных технико-экономических показателей
котельной, филиала

______________________________________

(наименование организации)

показатели

Значения показателей

20 __ г.

20 __ г.

20__ г.

20__ г.

план

отчет

план

отчет

план

расчет

Производство тепловой энергии, Гкал

 

 

 

 

 

 

Средневзвешенный норматив удельного расхода топлива на производство тепловой энергии, кг у.т./кал

 

 

 

 

 

 

Расход тепловой энергии на собственные нужды, Гкал %

 

 

 

 

 

 

Выработка тепловой энергии (отпуск в тепловую сеть), Гкал

 

 

 

 

 

 

Норматив удельного расхода топлива на отпущенную тепловую энергию, кг у.т./Гкал

 

 

 

 

 

 

Приложение 9

(образец)

Динамика основных технико-экономических показателей
ДЭС, филиала

_________________________________

(наименование организации)

Показатели

Значения показателей

20 __г.

20 __г.

20 __г.

20 __г.

отчет

отчет

план

Расчет

Производство электроэнергии, тыс.кВтч

 

 

 

 

Средневзвешенный норматив удельного расхода топлива на производство электроэнергии, г у.т./(кВт.ч)

 

 

 

 

Расход электроэнергии на собственные нужды, тыс.кВт. х ч

_____________

 %

 

 

 

 

Отпуск электроэнергии в электрическую сеть, тыс. кВт.ч

 

 

 

 

Норматив удельного расхода топлива на отпущенную электроэнергию, г у.т./(кВт.ч)

 

 

 

 

Приложение 10

(образец)

НОРМАТИВНО-ТЕХНИЧЕСКАЯ ДОКУМЕНТАЦИЯ

ПО ТОПЛИВОИСПОЛЬЗОВАНИЮ

____________________________________________

(наименование ТЭС, котельной, организации)

 

Книга 1. ЭНЕРГЕТИЧЕСКИЕ ХАРАКТЕРИСТИКИ

ОБОРУДОВАНИЯ

Группа (подгруппа) оборудования

________________________________________________

 

(наименование группы (подгруппы))

Срок действия с "__" _________ 200_ г по "__" ________ 200_ г.

Количество сброшюрованных листов ________

СОГЛАСОВАНО:

Руководитель

_________________________________________         __________    ________________

(наименование экспертной организации)                                             (подпись)                              (Ф.И.О.)

Руководитель

_________________________________________         __________    ________________

(наименование организации)                                                                   (подпись)                              (Ф.И.О.)

Руководитель

_________________________________________         __________    ________________

(наименование ТЭС, котельной)                                                              (подпись)                              (Ф.И.О.)

Приложение 11

(образец)

НОРМАТИВНО-ТЕХНИЧЕСКАЯ ДОКУМЕНТАЦИЯ

ПО ТОПЛИВОИСПОЛЬЗОВАНИЮ

____________________________________________

(наименование ТЭС, котельной, организации)

 

Книга 2. ГРАФИКИ ИСХОДНО-НОМИНАЛЬНЫХ УДЕЛЬНЫХ РАСХОДОВ

ТОПЛИВА, ГРАФИКИ МИНИМАЛЬНЫХ ЭЛЕКТРИЧЕСКИХ НАГРУЗОК,

ОБОРУДОВАНИЯ

МАКЕТ РАСЧЕТА НОМИНАЛЬНЫХ ПОКАЗАТЕЛЕЙ, НОРМАТИВОВ

УДЕЛЬНЫХ РАСХОДОВ ТОПЛИВА

Группа (подгруппа) оборудования

________________________________________________

 

(наименование группы (подгруппы))

Срок действия с "__" _________ 200_ г по "__" ________ 200_ г.

Количество сброшюрованных листов ________

СОГЛАСОВАНО:

Руководитель

_________________________________________         __________    ________________

(наименование экспертной                                                                       (подпись)                              (Ф.И.О.)

организации)

Руководитель

_________________________________________         __________    ________________

(наименование организации)                                                                   (подпись)                              (Ф.И.О.)

Руководитель

_________________________________________         __________    ________________

(наименование ТЭС, котельной)                                                              (подпись)                              (Ф.И.О.)

Приложение 12

(образец)

Карта
пережогов топлива тепловой
электростанции

_____________________________ за 200_ г.

(наименование организации)

Электростанция, группа оборудования

Составляющие пережогов топлива из-за отклонений от норм, тут:

Удельный расход тепла брутто турбинной установкой

Давление свежего пара

Температура свежего пара

Давление пара в конденсаторе

Температура питательной воды

КПД брутто котла

Температура уходящих газов

Избыток воздуха в режимном сечении

Присосы воздуха на тракте "котел-дымосос"

Химическая и механич. Неполнота сгорания

Всего

1

2

3

4

5

6

7

8

9

10

11

12

Всего по электростанции, в том числе:

 

 

 

 

 

 

 

 

 

 

 

группа 1

 

 

 

 

 

 

 

 

 

 

 

группа 2

 

 

 

 

 

 

 

 

 

 

 

 


Приложение 13

(образец)

Сведения
о выполнении нормативов удельных расходов топлива, утвержденных
Минэнерго (Минпромэнерго) России для тепловой
электростанции

_____________________________________

(наименование организации)

 

Показатель

Значение показателя

200_ г.

200_ г.

200_г.

Удельный расход топлива на отпущенную электроэнергию, г/кВт.ч:

 

 

 

 

утвержденный в качестве норматива

 

 

 

 

фактический

 

 

 

Удельный расход топлива на отпущенное тепло, кг/Гкал:

 

 

 

 

утвержденный в качестве норматива

 

 

 

 

фактический

 

 

 

Выработка электроэнергии, принятая при расчете нормативов, тыс. кВт.ч, всего, в том числе:

 

 

 

 

группа 1

 

 

 

 

группа 2

 

 

 

Фактическая выработка электроэнергии, тыс. кВт.ч, всего, в том числе:

 

 

 

 

группа 1

 

 

 

 

группа 2

 

 

 

Отпуск электроэнергии, тыс. кВт.ч

 

 

 

 

из расчетов нормативов

 

 

 

 

фактический

 

 

 

Выработка электроэнергии по теплофикационному циклу, тыс. кВт.ч:

 

 

 

 

из расчетов нормативов

 

 

 

 

фактическая

 

 

 

Средняя электрическая нагрузка энергоблоков из расчетов нормативов, МВт

 

 

 

 

Группа 1

 

 

 

 

Группа 2

 

 

 

Фактическая средняя электрическая нагрузка энергоблоков, МВт

 

 

 

 

Группа 1

 

 

 

 

Группа 2

 

 

 

Отпуск тепла всего, Гкал

 

 

 

 

из расчетов нормативов

 

 

 

 

фактический

 

 

 

Отпуск тепла отработавшим паром из отборов, из противодавления, от конденсаторов турбин, Гкал:

 

 

 

 

из расчетов нормативов

 

 

 

 

фактический

 

 

 

Отпуск тепла от пиковых водогрейных котлов, Гкал:

 

 

 

 

из расчетов нормативов

 

 

 

 

фактический

 

 

 

Отпуск тепла с горячей водой, Гкал:

 

 

 

 

из расчетов нормативов

 

 

 

 

фактический

 

 

 

Доля газа в структуре сжигаемого топлива, %

 

 

 

 

из расчетов нормативов

 

 

 

 

фактическая

 

 

 

Доля мазута в структуре сжигаемого топлива, %

 

 

 

 

из расчетов нормативов

 

 

 

 

фактическая

 

 

 

Доля твердого топлива в структуре сжигаемого топлива, %

 

 

 

 

из расчетов нормативов

 

 

 

 

фактическая

 

 

 

Приложение 14

Исходные данные

При расчете минимальной электрической нагрузки ТЭЦ используются следующие исходные данные:

а) обоснованный прогноз для каждого из давлений отпускаемого потребителям пара:

- часовой расход, т/ч:

а) отпускаемого пара - ;

б) возвращаемого конденсата - ;

- температура, °С:

а) отпускаемого пара - ;

б) возвращаемого конденсата - ;

б) среднемесячная за последние 5 лет температура, °С:

- наружного воздуха - ;

- циркуляционной воды на входе в конденсаторы турбин - ;

- исходной воды, используемой для:

восполнения невозвращаемого потребителями конденсата, внутристанционных потерь пара, конденсата, питательной воды - ;

подпитки теплосети - .

в) средняя за последние 3 года подпитка теплосети в целом по ТЭЦ или по отдельным ее магистралям: в % от расхода воды в подающем трубопроводе -  или тоннах в час - .

г) показатели работы теплосети (в зависимости от температуры наружного воздуха), утвержденные руководством генерирующей компании (АО-энерго) для предстоящего (или текущего) отопительного периода:

- температура сетевой воды, °С:

в подающем трубопроводе - ;

в обратном трубопроводе - ;

- расход сетевой воды в подающем (или обратном) трубопроводе - , т/ч;

- давление сетевой воды, кгс/см2:

а) в подающем трубопроводе - ;

б) в обратном трубопроводе - .

г) средний за последние 3 года расход тепла на хозяйственные нужды, Гкал/ч:

- в паре - ;

- в горячей воде - .

д) минимальный расход пара в конденсаторы турбин, т/ч:

- по данным заводов-изготовителей - ;

- фактический (обусловленный, например, неудовлитворительной конструкцией регулирующей диафрагмы ЧНД, недопустимым повышением температуры металла выхлопного патрубка ЧНД, повышенной вибрацией ротора) - .

е) расход пара на турбоагрегат, при котором устойчиво работает система регенерации высокого давления - , т/ч.

ж) минимальная паропроизводительность котлов, т/ч:

- по данным заводов-изготовителей - ;

- фактическая (по условиям горения топлива, шлакования топки, циркуляции и др.) - .

з) особенности тепловой и электрической схем электростанции, тепло- и электроснабжения потребителей. [Например, работа определенных турбоагрегатов на определенные магистрали (с различными характеристиками) тепловых сетей; наличие потребителей, перерывы в энергоснабжении которых не допускаются; обеспечение деаэраторов и потребителей тепловых собственных нужд от определенной группы турбоагрегатов и т.п.].

е) действующая нормативно-техническая документация по топливоиспользованию.

Расчет минимальной нагрузки ТЭЦ

Расчет минимальной нагрузки ТЭЦ рекомендуется проводить в следующей последовательности:

1. Производится расчет отпуска тепла потребителям в паре и горячей воде (пересчет весовых расходов и температур в тепло).

2. Предварительно распределяется отпуск тепла (включающего хозяйственные нужды) между источниками теплоснабжения (отборы турбин, ПВК, РОУ) исходя из условия, что РОУ и ПВК не включаются в работу до тех пор, пока полностью не исчерпаны возможности отпуска тепла от отборов турбин.

3. Предварительно определяется минимальный состав оборудования, производится расчет для него расход тепла на собственные нужды (в паре и горячей воде), определяются технологические потери при отпуске тепла энергетическими и пиковыми водогрейными котлами.

4. Окончательно распределяется суммарность потребность в тепле (внешние потребители, хозяйственные и собственные нужды, технологические потери) между источниками теплоснабжения.

5. Распределяется тепловая нагрузка отборов между турбоагрегатами. Их количество должно быть минимальным, расход пара в их конденсаторы должен быть равен минимальному по данным завода-изготовителя. На основе энергетических характеристик определяется для упомянутых условий нормативная мощность каждого турбоагрегата ().

6. Определяется для каждого турбоагрегата относительный прирост расхода тепла на производство электроэнергии по конденсационному циклу при заданной тепловой нагрузке - .

7. Рассчитываются поправки () к исходной мощности каждого турбоагрегата на отклонение прогнозируемых значений от принятых при построении энергетических характеристик (диаграммы режимов):

- минимального расхода пара в конденсатор;

- давления пара в регулируемых отборах;

- давления пара в конденсаторах;

- температуры сетевой воды в обратном трубопроводе;

- влияние других факторов, вызывающих изменение исходной мощности турбоагрегата (например, параметров свежего пара).

8. Рассчитывается минимальная мощность каждого турбоагрегата

                                                                                              (1)

9. Определяется теплопроизводительность котлов , необходимая для обеспечения электрической нагрузки ТЭЦ, равной  при заданной тепловой нагрузке турбоагрегатов, равной :

                                                                                                                                                                                                         (2)

Рассматриваются следующие варианты определения значения минимальной электрической нагрузки ТЭЦ:

1. Отсутствуют потребители, перерывы теплоснабжения которых не допускаются.

1.1. Значение  находится в пределах регулирования теплопроизводительности хотя бы одного сочетания работающих котлов:

                                                                                                        (3)

1.2. Значение  находится вне диапазона регулирования теплопроизводительности ни одного из сочетаний работающих котлов:

правая часть формулы (3) дополняется членом

,                                                                                  (4)

в котором  - ближайшее (большее ) значение нижнего предела диапазона регулирования теплопроизводительности одного из сочетаний работающих котлов.

Увеличение мощности ТЭЦ () вследствие превышения  над  распределяется между турбоагрегатами  в порядке увеличения значений .

2. Для обеспечения надежного снабжения потребителя, не допускающего перерывов в подаче тепла, на ТЭЦ в работе должен находиться резервный котел.

2.1. Значение  обеспечивается двумя сочетаниями работающих котлов:

значение  определяется по формуле (3).

2.2. Значение  обеспечивается одним сочетанием работающих котлов.

В дополнении (4) к формуле (3) значение  принимается равным значению нижнего предела диапазона регулирования теплопроизводительности следующего сочетания работающих котлов.

2.3. Значение  находится вне диапазона регулирования теплопроизводительности ни одного из сочетаний работающих котлов:

в дополнении (4) к формуле (3) значение  принимается равным значению нижнего предела диапазона регулирования теплопроизводительности ближайшего второго сочетания работающих котлов.

 

 




ГОСТЫ, СТРОИТЕЛЬНЫЕ и ТЕХНИЧЕСКИЕ НОРМАТИВЫ.
Некоммерческая онлайн система, содержащая все Российские Госты, национальные Стандарты и нормативы.
В Системе содержится более 150000 файлов нормативно-технической документации, действующей на территории РФ.
Система предназначена для широкого круга инженерно-технических специалистов.

Рейтинг@Mail.ru Яндекс цитирования

Copyright © www.gostrf.com, 2008 - 2026