Крупнейшая бесплатная информационно-справочная система онлайн доступа к полному собранию технических нормативно-правовых актов РФ. Огромная база технических нормативов (более 150 тысяч документов) и полное собрание национальных стандартов, аутентичное официальной базе Госстандарта. GOSTRF.com - это более 1 Терабайта бесплатной технической информации для всех пользователей интернета. Все электронные копии представленных здесь документов могут распространяться без каких-либо ограничений. Поощряется распространение информации с этого сайта на любых других ресурсах. Каждый человек имеет право на неограниченный доступ к этим документам! Каждый человек имеет право на знание требований, изложенных в данных нормативно-правовых актах!

  


 

ФЕДЕРАЛЬНОЕ АГЕНТСТВО
ПО
ТЕХНИЧЕСКОМУ РЕГУЛИРОВАНИЮ И МЕТРОЛОГИИ

НАЦИОНАЛЬНЫЙ
СТАНДАРТ
российской
ФЕДЕРАЦИИ

ГОСТ Р ИСО
3449-
2009

Машины землеройные

УСТРОЙСТВА ЗАЩИТЫ ОТ ПАДАЮЩИХ
ПРЕДМЕТОВ

Лабораторные испытания и технические требования

ISO 3449:2005
Earth-moving machinery
- Falling-object protective structures -
Laboratory tests and performance requirements
(IDT)

Москва

Стандартинформ

2010

Предисловие

Цели и принципы стандартизации в Российской Федерации установлены Федеральным законом от 27 декабря 2002 г. 184-ФЗ «О техническом регулировании», а правила применения национальных стандартов Российской Федерации - ГОСТ Р 1.0-2004 «Стандартизация в Российской Федерации. Основные положения»

Сведения о стандарте

1 ПОДГОТОВЛЕН Открытым акционерным обществом «Центральный научно-испытательный полигон строительных и дорожных машин» (ОАО «ЦНИП СДМ») на основе собственного аутентичного перевода стандарта на русский язык, указанного в пункте 4

2 ВНЕСЕН Техническим комитетом по стандартизации ТК 267 «Строительно-дорожные машины и оборудование»

3 УТВЕРЖДЕН И ВВЕДЕН В ДЕЙСТВИЕ Приказом Федерального агентства по техническому регулированию и метрологии от 3 декабря 2009 г. 549-ст

4 Настоящий стандарт идентичен международному стандарту ИСО 3449:2005 «Машины землеройные. Конструкции, защищающие водителя от падающих предметов. Лабораторные испытания и эксплуатационные требования» (ISO 3449:2005 «Earth-moving machinery - Falling-object protective structures - Laboratory tests and performance requirements»).

Наименование настоящего стандарта изменено относительно наименования указанного международного стандарта для приведения в соответствие с ГОСТ Р 1.5-2004 (пункт 3.5).

При применении настоящего стандарта рекомендуется использовать вместо ссылочных международных стандартов соответствующие им национальные стандарты Российской Федерации, сведения о которых приведены в дополнительном приложении ДА

5 ВВЕДЕН ВПЕРВЫЕ

Информация об изменениях к настоящему стандарту публикуется в ежегодно издаваемом информационном указателе «Национальные стандарты», а текст изменений и поправок - в ежемесячно издаваемых информационных указателях «Национальные стандарты». В случае пересмотра или отмены настоящего стандарта соответствующее уведомление будет опубликовано в ежемесячно издаваемом информационном указателе «Национальные стандарты». Соответствующая информация, уведомление и тексты размещаются также в информационной системе общего пользования - на официальном сайте Федерального агентства по техническому регулированию и метрологии в сети Интернет

Введение

Настоящий стандарт устанавливает требования к конструкции устройств защиты от падающих предметов (FOPS). Он применим ко всем видам и размерам машин, работающих в различных условиях окружающей среды. Это обеспечивает защиту операторов от падающих предметов различной формы и массы.

Лабораторные испытания позволяют оценивать защитные свойства устройств, используемых для защиты оператора при локализованном проникновении, и, косвенно, способность элементов устройства противостоять ударной нагрузке.

Настоящий стандарт устанавливает постоянные, типовые оценочные характеристики FOPS при нагружении и устанавливает требования для этих устройств при нагружении в стандартном испытании.

Требования к подобным испытаниям на FOPS для экскаваторов (в том числе для экскаваторов на автомобильном шасси) - по ИСО 10262.

Содержание

НАЦИОНАЛЬНЫЙ СТАНДАРТ РОССИЙСКОЙ ФЕДЕРАЦИИ

Машины землеройные

УСТРОЙСТВА ЗАЩИТЫ ОТ ПАДАЮЩИХ
ПРЕДМЕТОВ

Лабораторные испытания и технические требования

Earth-moving machinery. Falling-object protective structures.
Laboratory tests and performance requirements

Дата введения - 2011-01-01

1 Область применения

Настоящий стандарт устанавливает методы лабораторных испытаний для определения характеристик конструкции и технические требования, предъявляемые к устройствам защиты от падающих предметов (FOPS), при контрольных испытаниях применительно к землеройным машинам по ИСО 6165.

Настоящий стандарт применим для двух вариантов конструктивного исполнения FOPS как интегрированной части машины, так и в качестве дополнения к конструкции машины. Он не предназначен для FOPS машин, таких как уплотнители отходов, экскаваторы, катки, траншейные экскаваторы, трубоукладчики, для машин с дополнительным сиденьем около рабочего органа (например, обратной лопаты) или для машин мощностью менее 15 кВт.

Примечание - Настоящий стандарт может быть использован в качестве руководства при изготовлении устройств защиты от опрокидывания и от падающих предметов, если будет решено обеспечить такую защиту для тех или иных машин.

2 Нормативные ссылки

В настоящем стандарте использованы нормативные ссылки на следующие стандарты:

ИСО 148:1983 Сталь. Ударное испытание по Шарпи (образцов с V-образным надрезом) (ISO 148:1983, Steel. Charpy impact test (V-notch)

ИСО 898-1:1999 Механические свойства крепежных изделий из углеродистой и легированной стали. Часть 1. Болты, винты и шпильки (ISO 898-1:1999, Mechanical properties of facteners made of carbon steel and alloy steel. Part 1. Bolts, screws and studs)

ИСО 898-2:1992 Механические свойства крепежных изделий. Часть 2. Гайки с установленными значениями пробной нагрузки. Крупная резьба (ISO 898-2:1992, Mechanical properties of fasteners. Part 2. Nuts with specified proof load values. Coarse thread)

ИСО 3164:1995 Машины землеройные. Лабораторные испытания по оценке устройств защиты. Требования к пространству, ограничивающему деформацию (ISO 3164:1995, Earth-moving machinery. Laboratory evaluations of protective structures. Specifications for deflection-limiting volume)

ИСО 3471:1994 Машины землеройные. Устройства для защиты при опрокидывании машин. Лабораторные испытания и эксплуатационные требования (ISO 3471:1994, Earth-moving machinery. Roll-over protective structures. Laboratory tests and performance requirements)

ИСО 6165:2001 Машины землеройные. Основные типы. Идентификация, термины и определения (ISO 6165:2001 Earth-moving machinery. Basic types. Identification and terms and definitions).

3 Термины и определения

В настоящем стандарте применены следующие термины с соответствующими определениями:

3.1 устройство защиты от падающих предметов FOPS (falling-object protective structure): Система структурных элементов, расположенных таким образом, чтобы обеспечить защиту оператора от падающих предметов (деревьев, кусков скальной породы, небольших бетонных блоков, ручного инструмента и т.д.).

3.2 устройство защиты при опрокидывании ROPS (roll-over protective structure): Система структурных элементов, предназначенная для уменьшения риска нанесения повреждений оператору в случае опрокидывания управляемой им машины при условии применения ремней безопасности.

Примечание - К структурным элементам относят любой подрамник, кронштейн, опору, подпятник, болт, шплинт, подвеску или упругий амортизатор, используемые для крепления на раме машины, за исключением элементов, интегрированных с рамой машины.

3.3 защищенный лимитированный объем DLV (deflection-limiting volume): Ортогональное приближение к объему, занимаемому мужчиной-оператором высокого роста в положении сидя, в обычной одежде и предохранительном шлеме.

Примечание - См. ИСО 3164.

3.4 уровень I защиты от проникновения (level I impact protection): Сопротивление удару от небольших падающих объектов (например, кирпича, небольших бетонных блоков, ручного инструмента) на ландшафтных участках расчистки, при работах на магистралях и других работах по обслуживанию.

3.5 уровень II защиты от проникновения (level II impact protection): Сопротивление удару от больших падающих объектов (например, деревьев, кусков горной породы) для машин на участках расчистки, при лесоразработках.

3.6 контрольные испытания (representative test): Испытания образца FOPS с соблюдением требований по материалам, допускам и технологии.

4 Общие положения

FOPS может быть интегрирован в структуру кабины оператора. Испытания в большинстве случаев приводят к нарушению структуры, т.к. в этом случае могут иметь место остаточные деформации, и структура не вернется в первоначальное состоянии, что является следствием удара от падающих объектов.

Существует два критерия оценки защиты от ударной нагрузки, базирующиеся на характере использования машины:

a) уровень I: защита от стандартного предмета круглой формы с высоты, достаточной для развития энергии 1365 Дж.

См. рисунки 1 а) и 2 а);

b) уровень II: защита от стандартного предмета цилиндрической формы с высоты, достаточной для развития энергии 11600 Дж.

См. рисунки 1 а) и 2 а).

Высота, с которой падает стандартный предмет, определяется как функция его массы, как показано на рисунке 1.

Примечание - Хотя FOPS, отвечающая этим критериям, не обеспечивает защиту при всех возможных обстоятельствах, при которых машина может получить удар с высоты, ожидается, что защита от проникновения может быть обеспечена при соблюдении условий а) и b).

а) Уровень I. Кривая, определяющая энергию удара

b) Уровень II. Кривая, определяющая энергию удара

h - высота, м

m - масса, кг

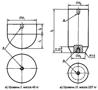
Рисунок 1 - Высота и масса стандартного предмета, обеспечивающие требуемую энергию

d1 = 204 мм; d2 - от 204 до 260 мм; d3 - от 203 до 204 мм; l1 102 мм; l2 109 мм; l3 584 мм.

а Может иметь отверстия для подъемного рым-болта.

Примечание 1 - Размеры даны в качестве примера.

Примечание 2 - Все указанные размеры могут меняться в зависимости от массы стандартного предмета и высоты падения таким образом, чтобы энергия соответствовала требованиям раздела 4, перечислений а) и b). Размеры стандартного предмета определяются с соблюдением массы и высоты падения (как это показано на рисунке 1) и обеспечивают установленное значение энергии.

Рисунок 2 - Образцы стандартных предметов

5 Лабораторные испытания

5.1 Оборудование

5.1.1 Стандартный предмет, ударная поверхность которого обладает свойствами защиты от деформаций и который:

- для уровня испытаний I выполнен в виде цилиндра со сферическим наконечником из твердой или вязкой стали, как показано на рисунке 2 а), со стандартной массой 45 кг и специальной контактной поверхностью диаметром между 200 и 250 мм;

- для уровня испытаний II выполнен в виде цилиндра из твердой или вязкой стали, как показано на рисунке 2 b), со стандартной массой 227 кг.

5.1.2 Испытательное оборудование, включающее в себя средства для

a) подъема стандартного предмета на требуемую высоту,

b) сбрасывания стандартного предмета в свободном падении,

c) определения проникновения элементов FOPS в наибольший объем, занимаемый оператором, (DLV) в процессе испытаний.

Средства по перечислению с) могут быть использованы или в 5.1.3, или в 5.1.4.

5.1.3 DLV структура, выполненная в виде стойки из материала, на поверхности которой по отпечатку можно определить любое проникновение элементов FOPS в DLV. Для чего может быть использована густая смазка или любой другой подходящий материал, который будучи нанесенным на нижнюю поверхность FOPS способен показать такое проникновение.

DLV структура и ее местоположение определяются ИСО 3164. DLV структура должна быть жестко зафиксирована в той части машины, где расположено кресло оператора, и оставаться там в течение всего цикла испытаний.

5.1.4 Система регистрации динамики с точностью измерения ±5 % деформации FOPS относительно DLV.

5.2 Условия испытаний

5.2.1 Испытательный стенд

FOPS может быть как присоединен к структуре машины, так и входить в конструкцию реально действующей машины. Хотя полностью комплектная машина и не требуется, но ее часть, на которой FOPS монтируется, должна быть идентична реальной машине и вертикальная жесткость испытательного стенда должна быть не меньше жесткости реальной машины в соответствии с 5.2.2.

5.2.2 FOPS смонтирован на машине

- машина может иметь оборудование или приспособления в соответствии со спецификацией производителя;

- все смонтированное землеройное оборудование должно быть в обычном транспортном положении;

- все системы подвески, включая пневматические шины, должны быть в рабочем состоянии, а положение пространственно изменяющихся органов должно быть в максимально устойчивом диапазоне;

- все элементы кабины, такие как окна, перемещаемые панели, неструктурированные фитинги, должны быть демонтированы для исключения их влияния на FOPS.

5.3 Порядок испытаний

5.3.1 FOPS

Испытания следует проводить в следующем порядке:

а) стандартный предмет размещается на верхней части FOPS узким концом вниз для уровня II на месте удара. Место удара должно быть на границе или внутри вертикальной проекции верхнего плана площади DLV, как это показано в трех вариантах (см. рисунок 3). Основные элементы FOPS, обеспечивающие наиболее значимый эффект деформации FOPS, должны быть рассмотрены для каждого из следующих случаев:

1) там, где главные, верхние, горизонтальные элементы не входят в вертикальную проекцию DLV наверху FOPS, выбирается место удара таким образом, чтобы вызвать наибольшую деформацию в направлении верхнего горизонтального плана DLV и как можно ближе к центру тяжести структуры FOPS [см. рисунок 3 а)],

2) там, где главные, верхние, горизонтальные элементы входят в вертикальную проекцию DLV наверху FOPS на верхнем структурном элементе и на материалах, покрывающих все площади выше DLV и имеющих ту же самую толщину, выбирается место удара с тем, чтобы вызвать наибольшую деформацию сверху, частично сверху или тангенциально на верхнем горизонтальном плане DLV (в зависимости от структуры) с наименьшим возможным расстоянием от центра тяжести и вне площади любого верхнего структурного элемента FOPS [см. рисунок 3 b)],

3) там, где на разных площадях над DLV применены различные материалы и толщины, каждая такая площадь должна быть подвергнута испытанию на удар. Место удара стандартного предмета для каждой площади выбирается таким образом, чтобы вызвать наибольшую деформацию сверху, частично сверху или тангенциально на верхнем горизонтальном плане DLV с наименее возможным расстоянием от центра тяжести и вне площади любого структурного элемента FOPS. В случае, если контуры FOPS дополняются устройствами или оборудованием для адекватной защиты, они должны находиться в зоне испытания [см. рисунок 3 с)];

b) стандартный предмет поднимается на высоту выше положения, отмеченного в перечислении а) с целью реализации энергии в соответствии с разделом 4, перечисление а) или b) в зависимости от типа FOPS, который должен быть испытан;

c) стандартный предмет следует сбрасывать так, чтобы он свободно падал на FOPS.

Поскольку маловероятно, что при свободном падении стандартный предмет попадет в точку, указанную в перечислении а), вводятся следующие допущения:

- для уровня II FOPS первый удар узким концом стандартного предмета должен быть направлен в круг радиусом 200 мм, чей центр должен совпадать с вертикальной осевой линией предмета, как это указано в перечислении а);

- для уровня I FOPS удар сферической части стандартного предмета должен быть направлен в круг радиусом 100 мм, чей центр должен совпадать с вертикальной осевой линией стандартного предмета, как это указано в перечислении а);

- для уровня II FOPS первый контакт между стандартным предметом и FOPS должен быть только с узким концом стандартного предмета и/или радиусом, ограничивающим этот конец (см. рисунок 2).

Ограничения по следующим рикошетным ударам отсутствуют.

Примечание - Центроид основных структурных элементов расположен в площади ABCD

а) Случай 1

Рисунок 3 - Место нанесения испытательного удара, лист 1

Примечание - FOPS площади ABC меньше площади DEFG поскольку вертикальная проекция DLV больше в секции, представленной в ABC

b) Случай 2

X - центроид площади; L - место нанесения удара

Примечание - Место нанесения удара 1 для FOPS с площадью ABCD. Место нанесения удара 2 для FOPS с площадью EFGH.

с) Случай 3

Рисунок 3, лист 2

5.3.2 Интегрированные FOPS/ROPS

Для интегрированных FOPS/ROPS, в которых используются стандартные структуры каждой из них, в начале должны быть проведены испытания FOPS в соответствии с 5.3.1 (см. ИСО 3471). Разрешается удалять следы от ударов и заменять покрытие FOPS.

6 Технические требования

6.1 FOPS

Защитные свойства системы FOPS будут изменяться в соответствии со способностью кабины или защитной структуры противостоять удару. FOPS должна полностью или частично перекрывать вертикальную проекцию DLV. Элементы защитной структуры не должны проникать в DLV как при первом, так и при последующих ударах стандартного предмета.

Если стандартный предмет проникает сквозь FOPS, то следует считать FOPS не выдержавшим испытания.

6.2 Интегрированные FOPS/ROPS

Там, где структура обеспечивает FOPS и ROPS, FOPS должна соответствовать техническим требованиям ROPS, как этого требует ИСО 3471. FOPS, интегрированная в FOPS/ROPS, должна соответствовать 6.1.

6.3 Критерии, предъявляемые к материалам

6.3.1 Требования к материалам

В добавление к требованиям, предъявляемым к ударам, существуют требования к материалам FOPS, которые не должны быть хрупкими. Это относится не только к процессу испытаний. Требования к материалам могут изменяться при испытаниях на удар в различных температурных условиях, если все структурные элементы изготавливаются из материалов, которые отвечают требованиям, изложенным в 6.3.2. В частности эти требования могут изменяться, если температура всех элементов минус 18°С или ниже. Сталь толщиной 2,5 мм с максимальным содержанием углерода 0,2 % должна отвечать требованиям вязкости по методу Шарпи.

6.3.2 Болты и гайки

Болты, используемые в структуре, должны обладать метрическими свойствами классов 8.8; 9.8 или 10.9 по ИСО 898-1 или быть равнозначными.

Гайки, используемые в структуре, должны обладать метрическими свойствами класса 8 или 10 по ИСО 898-2 или быть равнозначными.

6.3.3 Структурные элементы

Структурные элементы FOPS и детали их крепления к раме машины должны быть изготовлены из стали с ударной вязкостью, соответствующей или превышающей одну из следующих ударных вязкостей по методу испытаний Шарпи для образцов с V-образным надрезом (CVN) при температурах от минус 20°С до минус 30°С, приведенных в таблице 1.

Примечание - Метод Шарпи дает в основном качественную оценку прочности стали и показывает, что температура не влияет напрямую на условия работы.

Образцы для использования в конструкции FOPS должны быть «продольными» и взяты из полосового, трубчатого или фасонного проката до начала гибки или сварки. Образцы из трубчатого или фасонного проката должны быть взяты из середины наибольшей по размеру боковой стороны без сварных швов, как этого требует ИСО 148.

Таблица 1 - Минимальная ударная вязкость по Шарпи

Размер образца, мм

Энергия при минус 30°С, Дж

Энергия при минус 20°Сb, Дж

10 × 10а

11

27,5

10 × 9

10

25

10 × 8

9,5

24

10 × 7,5а

9,5

24

10 × 7

9

22,5

10 × 6,7

8,5

21

10 × 6

8

20

10 × 5а

7,5

19

10 × 4

7

17,5

10 × 3,3

6

15

10 × 3

6

15

10 × 2,5а

5,5

14

а Размеры рекомендуемые. Размер образца не должен быть меньше наибольшего рекомендуемого для этого материала.

b Энергия при минус 20°С требуется в 2,5 раза большая, чем для температуры минус 30°С. К другим факторам, влияющим на энергию удара, относятся направление прокатки, ориентация структуры зерен и сварка. Эти факторы принимаются во внимание при отборе и применении стали.

7 Маркировка

Каждый экземпляр FOPS должен быть снабжен заводской табличкой. Если устройство соответствует техническим требованиям, предъявляемым к FOPS и ROPS, то заводская табличка должна соответствовать ИСО 3471.

Табличка должна быть рассчитана на постоянное использование и закреплена на устройстве.

Табличка и ее содержание должны быть такого размера, чтобы она обеспечила четкость восприятия.

Табличка должна быть расположена таким образом, чтобы ее текст можно было легко читать и так, чтобы она была защищена от негативных погодных воздействий.

Табличка должна содержать следующий минимум информации:

a) наименование и адрес производителя или проектировщика FOPS;

b) идентификационный номер, если это имеет место;

c) марку машины, модель(и) или идентификационный номер(а) структуры, спроектированной для монтажа;

d) номер международного стандарта(в), который содержит все возможные эксплуатационные требования и их уровень (возможно использование национальных правил);

e) год изготовления FOPS и монтажа на машине.

Для интегрированной структуры FOPS/ROPS табличка должна содержать информацию из перечислений а) и с) в качестве отдельного пункта.

Изготовитель может включить другие сведения, которые он считает необходимыми (например, сборка, ремонт или изменение информации).

8 Отчет об испытаниях

Отчет оформляется в форме протокола и содержит в себе результаты испытаний. Типовой протокол приведен в приложении А.

Приложение А
(обязательное)

Типовой протокол испытаний

А.1 Идентификация

А.1.1 Машина(ы)

Тип;

Производитель:

Модель:

Идентификационный номер продукции:

Номер рамы машины:

А.1.2 FOPS

Производитель:

Модель:

Серийный номер (если он есть):

Частичный номер FOPS (может включать ROPS):

А.2 Состав протокола

А.2.1 Свойства стандартного предмета

Уровень показателей:

Масса: _____________________ кг

Высота падения: _____________м

Основные размеры (оптимально рекомендуемые)

Чертеж, показывающий места ударов относительно DLV

А.2.2 Фотографии

Фотография стандартного предмета и испытательной установки перед началом испытаний. Фотографии вида сверху и снизу на конструкцию FOPS после ударных испытаний.

А.2.3 Результаты испытаний

А.2.3.1 Ударные испытания

Достигнутое стандартным предметом значение энергии без проникновения в DLV любого элемента FOPS или стандартного предмета через FOPS __________Дж.

А.2.3.2 Критерии, предъявляемые к материалам

Испытания FOPS и элементов крепления к раме машины проводились при __________°С

или

проверка выполнения требований к ударной вязкости по методу Шарпи для образцов с V-образным надрезом металлических конструктивных элементов FOPS и ROPS (или крыши FOPS):

Проверка требований к классу прочности гаек и болтов (см. 6.3.2).

А.3 Заключение

Минимальные технические требования ИСО 3449 (уровень I или II) выполнены (не выполнены) в процессе испытаний

Дата испытаний

Наименование и адрес организации, проводившей испытания

Руководитель испытаний (подпись)

Дата составления протокола

Приложение ДА
(справочное)

Сведения о соответствии ссылочных международных стандартов ссылочным национальным стандартам Российской Федерации

Таблица ДА.1

Обозначение ссылочного международного стандарта

Степень соответствия

Обозначение и наименование соответствующего национального стандарта

ИСО 148:1983

-

*

ИСО 898-1:1999

MOD

ГОСТ Р 52627-2006 (ИСО 898-1:1999) «Болты, винты и шпильки. Механические свойства и методы испытаний»

ИСО 898-2:1999

MOD

ГОСТ Р 52628-2006 (ИСО 898-2:1992, ИСО 898-6:1994) «Гайки. Механические свойства и методы испытаний»

ИСО 3164:1995

IDT

ГОСТ Р ИСО 3164-99 «Машины землеройные. Защитные устройства. Характеристика объема ограничения деформации при лабораторных испытаниях»

ИСО 3471:1994

IDT

ГОСТ Р ИСО 3471-99 «Машины землеройные. Устройства защиты при опрокидывании. Технические требования и лабораторные испытания»

ИСО 6165:2001

-

*

*Соответствующий национальный стандарт отсутствует. До его утверждения рекомендуется использовать перевод на русский язык данного международного стандарта. Перевод данного международного стандарта находится в Федеральном информационном фонде технических регламентов и стандартов.

Примечание - В настоящей таблице использованы следующие условные обозначения степени соответствия стандартов:

- IDT - идентичные стандарты;

- MOD - модифицированные стандарты.

Библиография

[1] ИСО 10262 Машины землеройные. Гидравлические экскаваторы. Лабораторные испытания и требования к защитным устройствам для оператора

 

Ключевые слова: машины землеройные, устройства защиты от падающих предметов, испытательный стенд, безопасность, испытания

 

 




ГОСТЫ, СТРОИТЕЛЬНЫЕ и ТЕХНИЧЕСКИЕ НОРМАТИВЫ.
Некоммерческая онлайн система, содержащая все Российские Госты, национальные Стандарты и нормативы.
В Системе содержится более 150000 файлов нормативно-технической документации, действующей на территории РФ.
Система предназначена для широкого круга инженерно-технических специалистов.

Рейтинг@Mail.ru Яндекс цитирования

Copyright © www.gostrf.com, 2008 - 2026