Крупнейшая бесплатная информационно-справочная система онлайн доступа к полному собранию технических нормативно-правовых актов РФ. Огромная база технических нормативов (более 150 тысяч документов) и полное собрание национальных стандартов, аутентичное официальной базе Госстандарта. GOSTRF.com - это более 1 Терабайта бесплатной технической информации для всех пользователей интернета. Все электронные копии представленных здесь документов могут распространяться без каких-либо ограничений. Поощряется распространение информации с этого сайта на любых других ресурсах. Каждый человек имеет право на неограниченный доступ к этим документам! Каждый человек имеет право на знание требований, изложенных в данных нормативно-правовых актах!

  


 

ПРОКЛАДКА КАБЕЛЯ
С ИЗОЛЯЦИЕЙ ИЗ СШИТОГО ПОЛИЭТИЛЕНА

При подготовке материалов использовались «Рекомендации по прокладке и монтажу кабелей с изоляцией из сшитого полиэтилена на напряжение 10, 20 и 35 кВ» (информация с сайта RusCable.Ru) с учетом других данных по кабелю из сшитого полиэтилена.

Содержание

1. Основные положения

Любое предприятие, эксплуатирующее электрические сети напряжением 6-10 кВ и выше, используют силовые кабели.

Кабельные линии имеют огромное преимущество перед воздушными линиями, так как занимают меньше места, безопасны, надежней и удобней в эксплуатации.

Подавляющее большинство применяемых в России и странах СНГ кабелей - с пропитанной бумажной изоляцией (ПБИ), имеют многочисленные недостатки:

- высокая повреждаемость;

- ограничения по нагрузочной способности;

- ограничения по разности уровней прокладки;

- низкая технологичность монтажа муфт.

В настоящее время, учитывая вышеперечисленные недостатки, кабели с бумажной изоляцией активно замещаются кабелями с изоляцией из сшитого полиэтилена.

Ведущие энергосистемы страны при строительстве новых кабельных линий или ремонте существующих активно используют кабели с изоляцией из сшитого полиэтилена.

Переход от кабелей с бумажной пропитанной изоляцией (БПИ) к кабелям с изоляцией из сшитого полиэтилена (СПЭ), связан с все возрастающими требованиями эксплуатирующих организаций к техническим параметрам кабелей. В этом отношении преимущества кабелей из СПЭ очевидны.

В таблице (по данным ГРУППЫ КОМПАНИЙ «Форум Электро»), приводятся основные показатели кабеля среднего напряжения:

Основные показатели

Вид изоляции кабеля

пропитанная бумажная

сшитый полиэтилен

1 Длительно допустимая рабочая температура, ° С

70

90

2. Температура при перегрузках, °С

75

130

3. Стойкость к токам КЗ, ° С

200

250

4. Нагрузочная способность, %

 

 

- при прокладке в земле

100

117

-при прокладке в воздухе

100

120

5. Разность уровней при прокладке, м

не менее 15

без ограничения

6. Трудоемкость при монтаже и ремонте

высокая

низкая

7. Показатели надежности- удельная повреждаемость, -шт./100 км год

- в свинцовых оболочках

около 6*

 

- в алюминиевых оболочках

около 17*

в 10-15 раз ниже

_______________

* по данным МКС «Мосэнерго», А.С. Свистунов. Направление работ по развитию.

Преимуществами кабеля из сшитого полиэтилена являются:

- более высокая надежность в эксплуатации;

- увеличение рабочей температуры жил кабеля с изоляцией из СПЭ до 90 °С, что обеспечивает большую пропускную способность кабеля;

- твердая изоляция, позволяющая прокладывать кабель с изоляцией из СПЭ на участках с большим перепадом высот, в т.ч. вертикальных и наклонных коллекторах;

- использование полимерных материалов для изоляции и оболочки, обеспечивающих возможность прокладки кабеля из СПЭ без предварительного подогрева при температурах до –20 °С;

- меньший вес, диаметр и радиус изгиба кабеля, что облегчает прокладку на сложных трассах;

- низкое влагопоглощение;

- удельная повреждаемость кабеля с изоляцией из СПЭ на 1-2 порядка ниже, чем у кабеля с бумажной пропитанной изоляцией;

- высокий ток термической устойчивости при коротком замыкании;

- изоляционный материал позволяет сократить диэлектрические потери в кабеле;

- большие строительные длины кабеля;

меньшие расходы на реконструкцию и содержание кабельных линий;

- более экологичный монтаж и эксплуатация (отсутствие свинца, масла, битума);

- увеличение срока службы кабеля.

Применение кабелей с изоляцией из СПЭ на напряжение 6-10 кВ позволяет решить многие проблемы по надежности электроснабжения, оптимизировать, а в некоторых случаях даже изменить традиционные схемы сетей.

В настоящее время в США и Канаде доля кабелей с изоляцией из СПЭ составляет 85 %, в Германии и Дании -95 %, а в Японии, Франции, Финляндии и Швеции в распределительных сетях среднего напряжения используется только кабель с изоляцией из СПЭ.

2. Технология сшивки полиэтилена

Полиэтилен в настоящее время является одним из наиболее применяемых изоляционных материалов при производстве кабелей. Но изначально термопластичному полиэтилену присущи серьезные недостатки, главным из которых является резкое ухудшение механических свойств при температурах, близких к температуре плавления. Решением этой проблемы стало применение сшитого полиэтилена.

Своими уникальными свойствами СПЭ кабели обязаны применяемому изоляционному материалу. Процесс сшивки или вулканизации на современных кабельных предприятиях осуществляется в среде нейтрального газа при высоком давлении и температуре, что позволяет получить достаточную степень сшивки по всей толщине изоляции.

Термин «сшивка» (вулканизация) подразумевает обработку полиэтилена на молекулярном уровне. Поперечные связи, образующиеся в процессе сшивки между макромолекулами полиэтилена, создают трехмерную структуру, которая и определяет высокие электрические и механические характеристики материала, меньшую гигроскопичность, больший диапазон рабочих температур.

Существует три основных способа сшивки полиэтилена: пероксидная, силановая и радиационная. В мировой кабельной промышленности при производстве силовых кабелей используются первые две.

Пероксидная сшивка полиэтилена происходит в среде нейтрального газа при температуре 300-400 °С и давлении 20 атм. Она применяется при производстве кабелей среднего и высокого напряжений.

Силановая сшивка осуществляется при более низкой температуре. Сектор применения этой технологии охватывал кабели низкого и среднего напряжений.

Первым российским производителем кабеля с СПЭ-изоляцией в 1996 году стал «АББ Москабель», использующий технологию пероксидной сшивки. Впервые в России выпуск кабеля из силанольносшитого полиэтилена в 2003 году освоен на Пермском ОАО «Камкабель».

Имеются некоторые особенности производства и эксплуатации таких кабелей.

3. Конструкция кабелей СПЭ.

В основном кабели выпускаются в одножильном исполнении (рис. 1), но выпускаются и в трехжильном исполнении (рис. 2), а применение различных типов оболочек и возможность герметизации позволяет использовать кабель как для прокладки в земле, так и для кабельных сооружений, в том числе при групповой прокладке:

Оболочки кабелей с изоляцией из СПЭ

Аббревиатура

Области применения

Из ПЭ

П

прокладка на земле, в воздухе

Усиленная из ПЭ

Пу

прокладка на земле на сложных участках

Из ПВХ пластиката

В

в кабельных сооружениях, в производственных помещениях - в сухих грунтах

Из ПВХ пластиката пониженной горючести

Внг

групповая прокладка - в кабельных сооружениях - в производственных помещениях

Кабели с продольной герметизацией

г, 2г, гж (после обозначения оболочки)

для прокладки в грунтах с повышенной влажностью в сырых, частично затапливаемых помещениях

Дополнительные обозначения для кабелей с герметизирующими элементами в конструкции:

«г»- герметизация металлического экрана водоблокирующими лентами;

«2г»- поверх герметизированного экрана алюмополимерная лента;

«гж» - в токопроводящей жиле используется водоблоки-рующий порошок или нити.

Конструкция кабеля с изоляцией из СПЭ для низкого и среднего напряжения:

1. Токопроводящая многопровочная уплотнительная жила:

- алюминий (АПвПг, АПвПуг, АПвВг, АПвВнг-LS, АПвПу2г);

- медь (ПвПг, ПвПуг, ПвВг, ПвВнг-LS, ПвПу2г).

2. Электропроводящий экран из силанольносшитой композиции полиэтилена.

3. Изоляция из силанольносшитой полиэтилена.

4. Электропроводящий экран из силанольносшитой композиции полиэтилена.

5. Водоблокирующая электропроводная лента.

6. Экран из медных проволок.

7. Медная лента.

8. Разделительный слой:

- водоблокирующая электропроводная лента (АПвПу2г, ПвПу2г);

- бумага электроизоляционная крепированная (АПвПг, ПвПг, АПвПуг, ПвПуг, АПвВг, ПвВг);

- лента алюмополиэтиленовая (АПвПу2г, ПвПу2г).

9. Оболочка:

- поливинилхлоридный пластикат (АПвВг, ПвВг);

- поливинилхлоридный пластикат пониженной пожароопасности (АПвВнг-LS, ПвВнг-LS);

- полиэтилен (АПвПг, ПвПг, АПвПуг, ПвПуг, АПвПу2г, ПвПу2г).

Рис. 1. Одножильный кабель СПЭ

Рис. 2. Трехжильный кабель СПЭ

4. Особенности монтажа силовых кабелей с изоляцией из сшитого полиэтилена

1) Прокладка кабелей с изоляцией из сшитого полиэтилена рекомендуется при температуре окружающей среды не ниже 0 °С. Допускается прокладывать кабели с изоляцией СПЭ без подогрева при температуре окружающей среды не ниже -15 °С для кабелей с оболочкой из ПВХ и пластиката -20 °С для кабелей с оболочкой из полиэтилена. При более низких температурах окружающей среды кабель должен быть нагрет выдержкой в обогреваемом помещении не менее 48 ч или при помощи специального устройства до температуры не ниже 0 °С, при этом прокладка должна производиться в сжатые сроки (не более 30 минут). После прокладки кабель должен быть немедленно засыпан первым слоем грунта. Окончательную засыпку и уплотнение грунта производят после охлаждения кабеля. Прокладка кабелей при температуре окружающей среды ниже - 40 °С не допускается.

2) Минимальный радиус изгиба кабелей с изоляцией из сшитого полиэтилена при прокладке должен быть не менее 15Dн для одножильных и трехжильных кабелей и 12 Dh для трех скрученных вместе одножильных кабелей, где Dh - наружный диаметр кабеля или диаметр по скрутке для трех скрученных вместе одножильных кабелей. При тщательном контроле изгиба, например, применением соответствующего шаблона, допускается уменьшение радиуса изгиба кабеля до 8Dh. При этом рекомендуется подогрев кабеля в месте изгиба до температуры 20 °С.

3) Размотка кабеля с изоляцией из сшитого полиэтилена с барабана должна производиться при применении необходимого количества проходных и угловых роликов. Применяемый метод размотки должен обеспечивать целостность кабеля. Во время прокладки тяжение кабелей СПЭ должно осуществляться при помощи натяжного стального чулка, наложенного на наружную оболочку, или за токопроводящую жилу при помощи клинового захвата. Усилия, возникающие во время тяжения кабеля с изоляцией из сшитого полиэтилена с многопроволочной алюминиевой жилой, не должны превышать 30 Н/мм2 номинального сечения жилы, кабеля с однопроволочной алюминиевой жилой (с маркировкой «ож») - 25 Н/мм2, кабеля с медной жилой - 50 Н/мм2. Если одновременно прокладываются три одножильных кабеля с одним общим стальным чулком, при расчете усилия тяжения учитывают:

- 1 номинальных сечения жилы, если кабели скручены вместе;

- 2 номинальных сечения жилы, если кабели не скручены.

Усилия тяжения кабеля при прокладке должны быть рассчитаны при проектировании кабельной линии и учтены при заказе кабеля. Тяговая лебедка должна быть оборудована устройствами, позволяющими контролировать усилие тяжения кабеля, регистрировать усилие тяжения в течение всего процесса тяжения кабеля и автоматически отключать тяговую лебедку, если усилие тяжения превысит допустимую величину.

4) Кабели с изоляцией из сшитого полиэтилена СПЭ следует укладывать с запасом по длине 1¸2 %. В траншеях и на сплошных поверхностях внутри зданий и сооружений запас создается путем укладки кабеля «змейкой», а по кабельным конструкциям (кронштейнам) этот запас создается образованием стрелы провеса. Укладывать кабель в виде колец (витков) не допускается.

5) Металлические кабельные конструкции должны быть заземлены в соответствии с действующей документацией.

6) При прокладке кабельной линии кабели СПЭ трех фаз должны прокладываться параллельно и располагаться треугольником или в одной плоскости. Другие способы расположения должны быть согласованы с изготовителем.

7) При прокладке в плоскости расстояние в свету между двумя соседними кабелями одной кабельной линии должно быть не менее наружного диаметра кабеля СПЭ.

8) При расположении треугольником кабели скрепляются по длине кабельной линии (за исключением участков около муфт) на расстоянии 1¸1,5 м, на изгибах трассы - 1 м. При прокладке в земле следует учесть, что при засыпке грунтом кабели не должны менять своего положения. Кабели, проложенные в плоскости в кабельных сооружениях на воздухе, должны быть закреплены по длине линии на расстоянии 1¸1,5 м. Скобы и другие крепежные изделия для крепления одножильных кабелей СПЭ, а также крепление бирок на кабели должны быть выполнены из немагнитного материала. При закреплении кабелей необходимо учитывать возможное тепловое расширение кабелей и механические нагрузки, возникающие в режиме короткого замыкания.

9) Все концы кабелей после отрезания должны быть уплотнены термоусаживаемыми капами для предотвращения проникновения влаги из окружающей среды. Во время прокладки кабелей должен быть обеспечен контроль состояния оболочек и защитных кап.

5. Способы прокладки кабелей

Кабели с изоляцией из полиэтилена могут прокладываться в земле (траншее), в кабельных сооружениях (туннели, галереи, эстакады), в блоках (трубах), в производственных помещениях (в кабельных каналах, по стенам).

При прокладке кабелей в земле рекомендуется в одной траншее прокладывать не более шести кабелей. При большем количестве кабелей рекомендуется прокладывать их в отдельных траншеях. Прокладка кабелей может осуществляться одиночными кабелями, так и соединенными в треугольник.

Прокладка кабелей в туннелях, по эстакадам и галереям рекомендуется при количестве кабелей, идущих в одном направлении более двадцати. Прокладка кабелей в блоках применяется в условиях большой стесненности по трассе, в местах пересечений с железнодорожными путями и проездами, при вероятности разлива металла и т.п.

При прокладке по металлоконструкциям возможно использование различных видов креплений в виде скоб, клиц или узлов крепления.

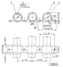
Примеры крепления кабеля с применением скоб (рис. 3, 4, 5).

Все размеры даны в миллиметрах. Крепежные изделия (болты, гайки, шайбы) не показаны.

D - наружный диаметр кабеля, S - толщина прокладки (от 3 до 4 мм).

Рис. 3. Крепление одного кабеля

Обозначения:

1 - кабель; 2 - хомут (скоба) из алюминия или алюминиевого сплава; 3 - прокладка из резины или поливинилхлорида.

Рис. 4. Крепление трех кабелей в связке (в треугольник)

Обозначения:

1- кабель; 2- хомут (скоба) из алюминия или алюминиевого сплава толщиной 5 мм; 3 - прокладка из резины или поливинилхлорида толщиной 3¸5 мм.

Рис. 5. Крепление трех кабелей

Обозначения:

1- кабель; 2- хомут (скоба) из алюминия или алюминиевого сплава; 3- прокладка из резины или поливинилхлорида.

6. Технология прокладки кабеля

Прокладку кабеля осуществляет бригада в количестве 5-7 человек.

Примерная схема расстановки рабочих при протяжке кабеля:

- барабан, на тормозе - 1 человек;

- сход кабеля с барабана - 1 человек;

- спуск кабеля в траншею (вход, выход из туннеля) - 1 человек;

- на лебедке - 2 человека;

- сопровождение конца кабеля - 2 человека.

Кроме того, необходимо предусмотреть по одному человеку:

- на каждом углу поворота;

- на каждом проходе в трубах через перегородки или перекрытия, у входа в камеру или здание.

При одновременном тяжении трех кабелей за устройством для группирования кабелей должны находиться 2 человека для скрепления кабеля в треугольник.

Скорость прокладки не должна превышать 30 м/мин и должна выбираться в зависимости от характера трассы, погодных условий и усилий тяжения.

При превышении допустимой величины усилия тяжения необходимо остановить прокладку и проверить правильность установки и исправность линейных и угловых роликов, наличие смазки (воды) в трубах, а также проверить кабель на возможное заклинивание в трубах. Дальнейшая протяжка кабеля возможна только после устранения причин превышения допустимых усилий тяжения.

При спуске кабеля в траншею или входе в туннель необходимо следить, чтобы кабель не соскальзывал с роликов и не терся о трубы и стенки в проходах. На входе в трубы необходимо следить за тем, чтобы не повреждались защитные покровы кабелей о край трубы.

При повреждении оболочки кабеля необходимо остановить прокладку, осмотреть место повреждения и принять решение о способе ремонта оболочки.

Сопровождающие конец кабеля должны следить за тем, чтобы кабель шел по роликам, при необходимости подправляют ролики, а также направляют конец кабеля.

Кабель вытягивается таким образом, чтобы при укладке его по проекту расстояние от верха концевой муфты или от условного центра соединительной муфты было не менее 2 м. При определении запаса следует учитывать, что остатка кабеля на барабане должно хватить для монтажа муфты. Отсоединить тяговый трос и снять чулок или захват с конца кабеля. В случае, если на барабане находится кабель для нескольких участков трассы, или если длина кабеля существенно больше длины участка, необходимо обрезать кабель.

После обрезки кабеля необходимо герметизировать концы кабелей капированием. Для более надежной герметизации концов кабелей возможно применить двойное капирование. Внутреннюю капу осадить на электропроводящий слой по изоляции кабеля, а наружную капу - на внутреннюю капу и на оболочку кабеля. Возможно, также перед капированием нанести на обрез кабеля слой расплавленного битума.

При необходимости концы кабеля завести в камеры, колодцы, кабельные помещения. При этом необходимо соблюдать допустимые радиусы изгиба кабеля. Снять кабель с роликов, уложить и закрепить его по проекту.

При прокладке в траншее произвести присыпку кабеля песчано-гравийной смесью или мелким грунтом толщиной не менее 100 мм и провести испытания оболочки кабеля.

Журнал «Ценообразование и сметное нормирование в строительстве», ноябрь 2010 г. № 11

 

 




ГОСТЫ, СТРОИТЕЛЬНЫЕ и ТЕХНИЧЕСКИЕ НОРМАТИВЫ.
Некоммерческая онлайн система, содержащая все Российские Госты, национальные Стандарты и нормативы.
В Системе содержится более 150000 файлов нормативно-технической документации, действующей на территории РФ.
Система предназначена для широкого круга инженерно-технических специалистов.

Рейтинг@Mail.ru Яндекс цитирования

Copyright © www.gostrf.com, 2008 - 2026