Крупнейшая бесплатная информационно-справочная система онлайн доступа к полному собранию технических нормативно-правовых актов РФ. Огромная база технических нормативов (более 150 тысяч документов) и полное собрание национальных стандартов, аутентичное официальной базе Госстандарта. GOSTRF.com - это более 1 Терабайта бесплатной технической информации для всех пользователей интернета. Все электронные копии представленных здесь документов могут распространяться без каких-либо ограничений. Поощряется распространение информации с этого сайта на любых других ресурсах. Каждый человек имеет право на неограниченный доступ к этим документам! Каждый человек имеет право на знание требований, изложенных в данных нормативно-правовых актах!

  


 

ГОСТ Р 50009-92

ГОСУДАРСТВЕННЫЙ СТАНДАРТ РОССИЙСКОЙ ФЕДЕРАЦИИ

СОВМЕСТИМОСТЬ ТЕХНИЧЕСКИХ СРЕДСТВ ОХРАННОЙ, ПОЖАРНОЙ И ОХРАННО-ПОЖАРНОЙ СИГНАЛИЗАЦИИ ЭЛЕКТРОМАГНИТНАЯ

ТРЕБОВАНИЯ, НОРМЫ И МЕТОДЫ ИСПЫТАНИЙ НА ПОМЕХОУСТОЙЧИВОСТЬ И ИНДУСТРИАЛЬНЫЕ РАДИОПОМЕХИ

 

Госстандарт России

Москва

 

ГОСУДАРСТВЕННЫЙ СТАНДАРТ РОССИЙСКОЙ ФЕДЕРАЦИИ

СОВМЕСТИМОСТЬ ТЕХНИЧЕСКИХ СРЕДСТВ

ОХРАННОЙ, ПОЖАРНОЙ И ОХРАННО-ПОЖАРНОЙ

СИГНАЛИЗАЦИИ ЭЛЕКТРОМАГНИТНАЯ

Требовании, нормы и методы испытаний

на помехоустойчивость и индустриальные       ГОСТ

радиопомехи                                  50009-92

Electromagnetic compatibility of technical means of

protection fire-alarm and lire-protection systems.

Requirements, standards and methods of tests on

interference immunity and industrial interference

Дата введения 01.07.93

Настоящий стандарт распространяется на разрабатываемые, изготовляемые, модернизируемые и импортируемые технические средства охранной, пожарной и охранно-пожарной сигнализации (далее в тексте - ТС).

Стандарт устанавливает требования устойчивости ТС к воздействию внешних электромагнитных помех (ЭМП), нормы индустриальных радиопомех (ИРП), создаваемых при работе ТС, и соответствующие методы испытаний.

Требования настоящего стандарта являются обязательными. Термины, применяемые в настоящем стандарте, и их пояснения - по ГОСТ 23611.

1. ОБЩИЕ ПОЛОЖЕНИЯ

1.1. Требования, нормы и методы испытаний, установленные настоящим стандартом, предназначены для обеспечения проверки соответствия ТС требованиям помехоустойчивости к воздействию ЭМП и регламентирования уровня ИРП, создаваемых самими ТС.

1.2. ТС должны поставляться на испытания с технической документацией н вспомогательным оборудованием, необходимым для его нормального функционирования.

1.3. Испытания опытных образцов и серийно выпускаемых ТС являются обязательной частью государственных, приемочных, квалификационных, сертификационных и периодических испытаний, предусмотренных ГОСТ 15.001 и ГОСТ 29037 или другими государственными стандартами и нормативно-техническими документами, регламентирующими порядок проведения испытаний.

1.4. Приемочные и сертификационные испытания проводят испытательные центры, аккредитованные в установленном порядке.

1.5. Номенклатура требований, норм и методов испытаний, установленных настоящим стандартом, приведена в таблице 1

Регламентируемая характеристика

Обозначе­ние требо­ваний, норм и методов испытаний

Наименование вида регламентируемого воздействия или создаваемой ИРП

Устойчивость к ЭМП,

УК 1

Импульсы напряжения

распространяющимся по доводам

УК 2

Пачки импульсов напряжения

и проводящим конструкциям (кондуктивным помехам)

УК 3

Кратковременные прерывания напряжения питания в сети переменного тока

 

УК 4

Длительные прерывания напряжения в сети переменного тока

 

УК 5

Нелинейные искажения напряжения в сети переменного тока

Устойчивость к ЭМП, распро­страняющимся в пространстве

УП 1

Электростатический разряд

(излученным помехам)

УП 2

Электромагнитные поля

Кондукция ИРП в провода и проводящие конструкции

ИК 1

Напряжение помех, создаваемых ТС

Излучение ИРП в пространство

ИП 1

Напряженность поля помех, создаваемых ТС

1.6. Обозначение норм и методов испытаний состоит из двух букв и цифры.

Первая буква характеризует регламентируемую характеристику ТС:

У - устойчивость к воздействию ЭМП;

И - излучение (кондукция) ИРП в провода, проводящие конструкции, окружающее пространство при работе ТС.

Вторая буква обозначает способ распространения, передачи или проникновения помех:

К - кондуктивное распространение (передача, распространение, проникновение по проводам и проводящим конструкциям);

П - пространственное распространение (передача, излучение или проникновение по полю).

ГОСТ Р 50009-92 С. 3

Цифра обозначает порядковый номер соответствующей регламентируемой характеристики ТС.

1.7. В стандарты, ТЗ и ТУ на ТС должны быть внесены требования по электромагнитной совместимости согласно настоящему стандарту. Выбор норм, методов испытаний и степеней жесткости осуществляют лица, разрабатывающие, согласовывающие и утверждающие ТЗ или ТУ на ТС в соответствии с ГОСТ 29280.

1.8. В инструкцию по эксплуатации ТС должно быть внесено предупреждение пользователя о том, что качество функционирования ТС не гарантируется, если уровень ЭМП в месте эксплуатации будет превышать уровни, установленные в ТЗ или ТУ на ТС.

1.9. В инструкцию по эксплуатации ТС вносят сведения об уровне и характере помех, создаваемых ТС.

1.10. После получения сертификата в порядке, установленном в РД 50-697, изготовитель должен нанести на ТС знак соответствия по ГОСТ 28690.

2. ТЕХНИЧЕСКИЕ ТРЕБОВАНИЯ

2.1. Требования по устойчивости ТС к воздействию ЭМП приведены в табл. 2.

Таблица 3

Регламентируе­мая характерис­тика ТС

Обозна­чение норм и методов испыта-

Наименование вида регламентируемых воздействий ИРП и их характеристики

Значения характеристик для степеней жесткости

 

ний

 

1

2

3

4

5

Устойчивость к ЭМП, распрост­раняющимся по проводам и

УК 1

Импульсы напря­жения большой энергии по ГОСТ Р 50007*

 

 

 

 

 

проводящим конструкциям

 

амплитуда импульса, В

500

1000

2000

4000

**

(кондуктивным помехам)

 

длительность им­пульса на уровне 0,5 амплитудного значения, мкс

50

50

50

50

50

 

 

длительность перед­него фронта импуль­са на уровне 0,1-0,9 амплитудного значения, мкс

1

1

1

1

1

 

 

Импульсы напряжения***:

 

 

 

 

 

 

 

амплитуда импульса, В

200

500

1500

2000

4000

 

 

длительность импуль­са на уровне 0,5 амплитудного зна­чения, нс

100

100

100

100

100

 

 

длительность перед­него фронта импуль­са на уровне 0,1-0,9 амплитудного значения *нс, не более

10

35

35

35

35

 

ук 2

Наносекундные импульсные помехи по ГОСТ 29156*:

 

 

 

 

 

 

 

амплитуда импульсов:

 

 

 

 

 

 

 

цели силового электропитания, В

500

1000

2000

4000

**

 

 

сигнальные цепи ввода-вывода, В

250

500

1000

2000

**

 

 

длительность пачки импульсов, мс

15

15

15

15

15

 

 

длительность импуль­са на уровне 0,5 амплитудного значения, нс

50

50

50

50

50

 

 

длительность перед­него фронта импуль­са в пачке на уровне 0,1-0,9 амплитудного значения, нс

5

5

5

5

5

 

 

период следования пачек импульсов, мс

300

300

300

300

300

 

 

частота повторения импульсов, кГц

5

5

5

2,5

 

 

Пачки импульсов напряжения***:

 

 

 

 

 

 

амплитуда импульсов, В

500

1000

2000

4000

 

 

длительность пачки импульсов, мс

1

1

1

1

 

 

длительность импуль­са на уровне 0,5 амплитудного значе­ния, нс

100

100

100

100

 

 

длительность перед­него фронта импуль­са в пачке на уровне 0,1-0,9 амплитудного значения, нс, не более

10

35

35

35

 

 

период следования пачек импульсов, мс

20

20

20

20

 

 

количество импуль­сов в пачке, шт., не менее

10

10

10

10

 

 

количество испыта­тельных воздействии, шт., не менее

60

60

60

60

 

УК 3

Кратковременные прерывания напря­жения питания в сети переменного тока:

 

 

 

 

 

 

длительность прерываний, полупериоды частоты 50 Гц

2

4

6

8

 

 

количество прерываний, шт

10

20

50

100

 

УК 4

Длительные преры­вания напряжения питания в сети переменного тока:

 

 

 

длительность преры­ваний, полупериоды частоты 50 Гц

 

 

 

длительность первого и второго прерыва­ния

10

 

 

длительность третьего прерывания

50

 

 

пауза между прерываниями

30

 

УК 5

Нелинейные искаже­ния напряжения в сети переменного тока:

 

 

 

 

 

амплитуда искажающего сигнала, В

10

20

35

 

 

динамический диапазон частот, Гц

От 100 до 5000

Устойчивость к ЭМП, распрост­раняющимся в

УП 1

Электростатический разряд по ГОСТ 29191:

 

пространстве (излученным помехам)

 

емкость накопи­тельного конденса­тора, пФ

150

 

 

сопротивление раз­рядного резистора, Ом

330

 

 

выходное напряжение, кВ:

 

 

 

 

 

 

 

контактный разряд

2

4

6

8

**

 

 

воздушный разряд

2

4

8

15

**

 

УП 2

Электромагнитные поля:

 

 

 

 

 

 

 

диапазон частот, МГц ,

0,1-30

30-500

0,1-150

0,1-150

0,1-150

150-500

 

 

среднеквадратичное значение напряжен­ности электромагнит­ного поля, В/м

10

3

3

10

10

5

 

 

амплитудная модуляция:

 

 

 

глубина, %

50

 

 

частота, кГц

1

* Требования предъявляют с 01.01.95.

** По согласованию между потребителем и производителем.

*** Требования действуют до 01.01.95.

2.2. Нормы ИРП, создаваемых ТС, приведены в табл. 3.

Регламентируемая характеристика ТС

Обозна­чение норм и методов испыта­ний

Характеристика ИРП

Норма ИРП

Кондукция ИРП в провода и прово­дящие конструкции

ИК 1

Квазипиковое значение напряжения радиопомех, Дб, относительно 1 мкВ:

 

 

 

ТС, эксплуатируемых вне жилых зданий и не подключаемых к электросетям жилых зданий

По черт. 1, график 1

 

 

ТС, эксплуатируемых в жилых зданиях или подключаемых к электросетям жилых здании

По черт, 1, график 2

 

 

ТС, устанавливаемых совместно со служебными радиоприемными устройствами:

 

 

 

электрически связанных с ними

По черт. 1, график 3

 

 

электрически не связанных с ними

По черт. 1, график 4

Излучение ИРП в пространство

ИП 1

Квазипиковое значение напряженности поля радиопомех, Дб, относительно мкВ/м:

 

 

 

ТС, эксплуатируемых вне жилых зданий и не подключаемых к электросетям жилых зданий;

По черт. 2, график 1 (расстояние измерения 10 м)

 

 

ТС, эксплуатируемых в жилых зданиях или подключаемых к электросетям жилых зданий:

По черт. 2, график 1 (расстояние измерения 3 м)

 

 

ТС, устанавливаемых совместно со служебными радиоприемными устройст­вами:

 

 

 

на расстоянии менее 10 м

По черт. 2, графики 2, 3 (расстояние измерения 1 м)

 

 

на расстоянии 10 м и более

По черт. 2, графики 3, 4 (расстояние измерения 10 м)

Примечание. До 01.01.95 квазипиковое значение напряженности поля радиопомех в полосе частот 0,15-30 МГц не должно превышать значений, указанных на графике 3 черт. 2.

Нормы напряжения радиопомех

График 1: U0,15-0,5 = 79; U0,5-30 = 73;

График 2: U0,15-0,5 = 66 - 19,1 lg,

U0,15-5 = 56, U5-30 = 60;

График 3: U0,15-0,5 = 50 - 19,1 lg,

U0,5-6 = 40 - 12,97 lg,

U6-300 = 26; U300-1000 = 34;

График 4: U0,15-0,5 = 76 - 15,3 lg,

U0,5-6 = 68 - 7,41 lg,

U60-30 = 60; U30-100 = 68

Черт. 1

Нормы напряженности поля радиопомех

График 1: Е30-230 = 40; Е230-1000 = 47;

График 2: Е0,15-30 = 37 - 7,39 lg,

Е30-100 = 24 - 7,65 lg,

Е100-1000 = 20 + 17 lg,

График 3: Е0,15-1 = 50 - 6,06 lg,

Е1-30 = 45 - 16,92 lg f

График 4: Е0,15-30 = 37 - 7,39 lg,

Е30-100 = 36 - 21 lg,

Е100-1000 = 25 + 20 lg

Черт 2

3. МЕТОДЫ ИСПЫТАНИЙ

3.1. Общие положения

3.1.1. Климатические условия испытаний - по ГОСТ 15150, если иное не оговорено в ТУ на ТС.

3.1.2. При проведении испытаний ТС на устойчивость к ЭМП уровень помех в помещении не должен оказывать влияние на результаты испытаний; при проведении измерений напряжения (напряженности поля) ИРП, создаваемых ТС, значение напряжения (напряженности поля) посторонних помех на каждой частоте измерений, полученное при выключенном испытуемом техническом средстве (ИТС), должно быть ниже нормируемого значения не менее чем на 6 дБ.

Допускается проводить измерения ИРП при более высоком уровне посторонних помех, если суммарное значение помех, создаваемых ИТС, и посторонних радиопомех не превышает нормы.

3.1.3. При испытаниях выбирают режимы работы ИТС, обеспечивающие максимальную восприимчивость к ЭМП и максимальный уровень создаваемых ИРП.

3.1.4. Измерения ИРП проводят на частотах, на которых наблюдаются максимальные уровни радиопомех. Для этого перед началом измерений, плавно перестраивая измеритель радиопомех в пределах нормированной полосы частот, отмечают эти частоты. При большом их числе выбирают не менее 10 частот с наибольшими уровнями радиопомех.

3.1.5. При испытаниях расположение и электрическое соединение ТС, входящих в состав ПТС, должны соответствовать условиям, приведённым в технической документации на это средство.

3.1.6. Для проведения испытаний применяют средства измерений, имеющие свидетельства о поверке. Используемые для испытаний нестандартные средства измерений должны быть аттестованы по ГОСТ 8.326, а испытательное оборудование - по ГОСТ 24555.

3.1.7. Отбор образцов для испытаний проводят: для сертификационных испытаний - по ГОСТ 29037; для испытаний ТС серийного производства - в соответствии с ТУ на ТС; для испытаний опытных образцов - в соответствии с ТЗ на разработку (модернизацию).

3.1.8. Комплектность представленных на испытания ТС должна обеспечивать возможность всесторонней оценки испытываемых ТС и соответствовать оговоренной в технической документации.

3.1.9. Оснастку и приспособления, необходимые для проведения испытаний, представляет предприятие-изготовитель ТС в объеме, согласованном с испытательным центром.

3.1.10. Испытания ТС на устойчивость к воздействию ЭМП проводят по программе испытаний, в которой должны быть указаны:

метод испытаний и степень жесткости;

полярность импульсных помех (необходимы обе полярности);

внутренний или внешний запуск испытательного генератора;

длительность испытаний; количество воздействий импульсных помех;

критерий качества функционирования ИТС;

режимы работы ИТС;

цепи ИТС, подлежащие проверке;

последовательность подачи помех на проверяемые цепи или ИТС.

3.1.11. Если отсутствуют источники необходимых для работы ИТС сигналов, они могут быть заменены имитаторами, и нестандартным оборудованием, аттестованным в установленном порядке.

3.1.12. Результаты испытаний оформляют протоколами.

3.2. Испытания на устойчивость к воздействию импульсов напряжения большой энергии и импульсов напряжения длительностью 100 нс и длительностью фронта 10-35 нс (УК 1)

3.2.1. Испытания на устойчивость к воздействию импульсов напряжения большой энергии проводят в соответствии с ГОСТ Р 50007.

3.2.2. Испытания на устойчивость к воздействию импульсов напряжения длительностью 100 нс и длительностью фронта 10-35 нс проводят в соответствии с ГОСТ 29156.

3.3. Испытания на устойчивость к воздействию наносекундных импульсных помех и пачек импульсов напряжения длительностью 100 нс и длительностью фронта 10-35 нс (УК 2)

3.3.1. Испытания на устойчивость к воздействию наносекундных импульсных помех и пачек импульсов напряжения длительностью 100 нс и длительностью фронта 10-35 нс проводят в соответствии с ГОСТ 29156.

3.4. Испытания на устойчивость к воздействию кратковременных (длительных) прерываний напряжения питания в сети переменного тока (УК 3, УК 4)

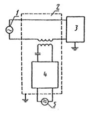
3.4.1. Испытательный генератор (ИГ)

Упрощенная схема ИГ приведена на черт. 3. Характеристики ИГ при работе на активную нагрузку 50 Ом должны быть следующими:

динамический диапазон дискретного изменения длительности прерывания от 1 до 99 полупериодов частоты 50 Гц;

динамический диапазон дискретного изменения паузы между прерываниями напряжения от 1 до 999 полупериодов частоты 50 Гц;

минимальный шаг дискретного изменения длительности (паузы) составляет половину периода частоты 50 Гц;

начало и окончание формирования прерывания напряжения совпадает с фазой перехода тока нагрузки через нуль.

ИГ должен обеспечивать следующие режимы работы:

периодический с заданным периодом и паузой повторения прерываний напряжения;

режим формирования одиночной последовательности прерываний напряжения, состоящий из трех прерываний, из которых длительность первого и второго равна десяти полупериодам частоты 50 Гц, а длительность третьего - 50 полупериодам частоты 50 Гц; пауза между прерываниями равна 30 полупериодам частоты 50 Гц.

3.4.2. Метод проведения испытаний

На ИТС воздействуют испытательным напряжением с характеристиками, указанными в табл. 2, с интервалом повторения не менее 10 с и определяют соответствие качества функционирования ИТС установленному критерию.

3.5. Испытания на устойчивость к воздействию нелинейных искажений напряжения сети переменного тока (УК 5)

3.5.1. Испытательный генератор

Упрощенная схема ИГ приведена на черт. 4. Характеристики ИГ при работе на активную нагрузку 50 Ом должны быть следующими:

амплитуда искажающего сигнала - 35 В;

динамический диапазон частоты искажающего сигнала - от 100 до 5000 Гц.

3.5.2. Метод проведения испытаний

На ИТС воздействуют испытательным напряжением с параметрами, указанными в табл. 2, и определяют качество функционирования ИТС установленному критерию.

3.6. Испытание на устойчивость к воздействию электростатических разрядов (УП 1)

3.6.1. Испытание проводят в соответствии с ГОСТ 29191 с учетом требований п. 2.1.

3.7. Испытание на устойчивость к воздействию электромагнитных полей (УП 2)

3.7.1. Испытание на устойчивость к воздействию электромагнитных полей проводят в соответствии с ГОСТ Р 50008 с учетом требований п. 2.1.

3.8. Измерение квазипикового значения напряжения радиопомех, создаваемых ТС (ИК 1)

3.8.1. Аппаратура, оборудование и метод измерения - по ГОСТ 29216. В диапазоне частот от 30 до 100 МГц дополнительно используют эквивалент сети типа 5 по ГОСТ 11001.

3.9. Измерение квазипикового значения напряженности поля радиопомех (ИП 1)

3.9.1. Аппаратура, оборудование и метод измерения - по ГОСТ 29216.

Упрощенная схема испытательного генератора при испытаниях методами УК 3, УК 4

1 - источник питания; 2 - ИГ; 3 - блок управления; 4 - блок коммутации; 5 - ИТС

Черт. 3

Упрощенная схема испытательного генератора при испытаниях методом УК 5

1 - источник питания; 2 - ИГ; 3 - ИТС; 4 - усилитель мощности гармоник; 5 - источник напряжения гармоник

Черт 4

При измерении напряженности поля радиопомех, создаваемых ТС, устанавливаемыми совместно со служебными радиоприемными устройствами, в диапазоне частот от 30 до 100 МГц дополнительно используют эквивалент сети типа 5 по ГОСТ 11001.

Кроме того, при измерениях напряженности поля радиопомех, создаваемых ТС, устанавливаемых на расстоянии менее 10 м от служебных радиоприемных устройств (норма радиопомех по графикам 2, 3 черт. 2):

расстояние от проекции центра измерительной антенны на землю до границы ИТС устанавливают равным 1 м;

основание измерительной антенны размещают на высоте 1,6 м от земли;

наибольшие значения напряженности поля радиопомех определяют при повороте платформы с ИТС.

4. ОБРАБОТКА РЕЗУЛЬТАТОВ ИЗМЕРЕНИЙ И ОЦЕНКА РЕЗУЛЬТАТОВ ИСПЫТАНИЙ

Обработка результатов измерений и оценка результатов испытаний - по ГОСТ 16842, ГОСТ 29073 и ГОСТ 29280.

5. ТРЕБОВАНИЯ БЕЗОПАСНОСТИ

5.1. Работы по подготовке и проведению измерений необходимо проводить с соблюдением требований техники безопасности, установленных в ГОСТ 12.1.002, ГОСТ 12.1.006, ГОСТ 12.2.003, ГОСТ 12.2.007, ГОСТ 12.3.019, ГОСТ 12.4.026, ГОСТ 12.4.040, «Правилах технической эксплуатации электроустановок потребителей» и «Правилах техники безопасности при эксплуатации электроустановок», утвержденных Госэнергонадзором.

5.2. Рабочее место оператора, проводящего измерения радиопомех, должно быть оборудовано изолирующим основанием или снабжено изолирующей подставкой (диэлектрическим ковриком).

Требования к рабочим местам при работе стоя установлены в ГОСТ 12.2.033, при работе сидя - в ГОСТ 12.2.032.

5.3. Металлические корпуса измерителя радиопомех, эквивалентов сети и другого оборудования, используемого при измерениях, должны быть заземлены.

Защитное заземление, зануление необходимо выполнять в соответствии с требованиями ГОСТ 12.1.030.

ИНФОРМАЦИОННЫЕ ДАННЫЕ

1. РАЗРАБОТАН И ВНЕСЕН Техническим комитетом "о стандартизации в области электромагнитной совместимости технических средств (ТК 30 ЭМС)

РАЗРАБОТЧИКИ

А. В. Савоськин (руководитель), А. И. Козлов, В. В. Носов, А. И. Ситников, В. М. Морозов, Н. С. Баюшев

2. УТВЕРЖДЕН И ВВЕДЕН В ДЕЙСТВИЕ Постановлением Госстандарта России от 15.07.92 № 698

3. Срок проверки - 1997 г.

4. ВВЕДЕН ВПЕРВЫЕ

5. ССЫЛОЧНЫЕ НОРМАТИВНО ТЕХНИЧЕСКИЕ ДОКУМЕНТЫ

Обозначение НТД, на который дана ссылка

Номер пункта, приложения

ГОСТ 8.326-89

3.1.6

ГОСТ 12.1.002-84

5.1

ГОСТ 12.1.006-84

5.1

ГОСТ 12.1.030-81

5.3

ГОСТ 12.2.003-91

5.1

ГОСТ 12.2.007-75

5.1

ГОСТ 12.2.032-78

5.2

ГОСТ 12.2.033-78

5.2

ГОСТ 12.3.019-80

5.1

ГОСТ 12.4.026-76

5.1

ГОСТ 12.4.040-78

5.1

ГОСТ 15.001-88

1.3

ГОСТ 11001-80

3.8.1, 3.9.1

ГОСТ 15150-69

3.1.1

ГОСТ 16842-82

Раздел 4

ГОСТ 23611-79

Вводная часть

ГОСТ 24555-81

3.1.6

ГОСТ 28690-90

1.10

ГОСТ 29037-91

1.3, 3.1.7

ГОСТ 29073-91

Раздел 4

ГОСТ 29156-91

2.1. 3.2, 3.3

ГОСТ 29191-91

2.1, 3.6.1

ГОСТ 29216-91

3.8.1, 3.9.1

ГОСТ 29280-92

Раздел 4

ГОСТ Р 50007-92

2.1, 3.2.1

ГОСТ Р 50008-92

3.7.1

РД 50-697-90

1.10

 

 




ГОСТЫ, СТРОИТЕЛЬНЫЕ и ТЕХНИЧЕСКИЕ НОРМАТИВЫ.
Некоммерческая онлайн система, содержащая все Российские Госты, национальные Стандарты и нормативы.
В Системе содержится более 150000 файлов нормативно-технической документации, действующей на территории РФ.
Система предназначена для широкого круга инженерно-технических специалистов.

Рейтинг@Mail.ru Яндекс цитирования

Copyright © www.gostrf.com, 2008 - 2026