Крупнейшая бесплатная информационно-справочная система онлайн доступа к полному собранию технических нормативно-правовых актов РФ. Огромная база технических нормативов (более 150 тысяч документов) и полное собрание национальных стандартов, аутентичное официальной базе Госстандарта. GOSTRF.com - это более 1 Терабайта бесплатной технической информации для всех пользователей интернета. Все электронные копии представленных здесь документов могут распространяться без каких-либо ограничений. Поощряется распространение информации с этого сайта на любых других ресурсах. Каждый человек имеет право на неограниченный доступ к этим документам! Каждый человек имеет право на знание требований, изложенных в данных нормативно-правовых актах!

  


 

ГОСТ Р 50571.11-96

(МЭК 364-7-701-84)

ГОСУДАРСТВЕННЫЙ СТАНДАРТ РОССИЙСКОЙ ФЕДЕРАЦИИ

ЭЛЕКТРОУСТАНОВКИ ЗДАНИЙ

ЧАСТЬ 7

ТРЕБОВАНИЯ К СПЕЦИАЛЬНЫМ
ЭЛЕКТРОУСТАНОВКАМ

РАЗДЕЛ 701

ВАННЫЕ И ДУШЕВЫЕ ПОМЕЩЕНИЯ

ГОССТАНДАРТ РОССИИ

Москва

Предисловие

1 ПОДГОТОВЛЕН И ВНЕСЕН Техническим комитетом по стандартизации ТК 337 «Электрооборудование жилых и общественных зданий»

2 УТВЕРЖДЕН И ВВЕДЕН В ДЕЙСТВИЕ Постановлением Госстандарта России от 10 июля 1996 г. № 446

3 Настоящий стандарт содержит полный аутентичный текст международного стандарта МЭК 364-7-701 (1984) «Электроустановки зданий. Часть 7. Требования к специальным электроустановкам. Раздел 701. Ванные и душевые помещения»

4 ВВЕДЕН ВПЕРВЫЕ

Введение

Настоящий стандарт входит в часть 7 комплекса государственных стандартов на электроустановки зданий, разрабатываемых на основе стандартов Международной Электротехнической Комиссии МЭК 364 «Электрические установки зданий. Часть 7», устанавливающих требования по безопасности к специальным помещениям и устанавливаемому в них оборудованию.

Нумерация разделов и пунктов в стандарте соответствует принятой нумерации в стандарте МЭК 364-7-701 (1984).

Требования настоящего стандарта дополняют, изменяют или отменяют требования отдельные государственных стандартов комплекса ГОСТ Р 50571 на электроустановки зданий, что отражено в обозначениях разделов и пунктов стандарта.

Например: 701.411.1.4.3 - обозначение пункта, изменяющего требования пункта 411.1.4.3 ГОСТ Р 50571.3.

Кроме того, для электроустановок ванных и душевых помещений должны применяться требования других стандартов комплекса ГОСТ Р 50571 в части, относящейся к этим электроустановкам.

ГОСТ Р 50571.11-96

(МЭК 364-7-701-84)

ГОСУДАРСТВЕННЫЙ СТАНДАРТ РОССИЙСКОЙ ФЕДЕРАЦИИ

Электроустановки зданий

Часть 7

ТРЕБОВАНИЯ К СПЕЦИАЛЬНЫМ ЭЛЕКТРОУСТАНОВКАМ

Раздел 701

Ванные и душевые помещения

Electrical installations of buildings. Part 7. Requirements for special installations or
locations. Section 701. Locations containing a bath or shower basin

Дата введения 1997-01-01

1 ОБЛАСТЬ ПРИМЕНЕНИЯ

Настоящий стандарт устанавливает специальные требования к электроустановкам в ванных и душевых помещениях и окружающих их зонах, где имеет место повышенный риск поражения людей электрическим током.

Общие требования по обеспечению безопасности - по ГОСТ Р 50571.1 (часть 2).

Эти требования не относятся к закрытым душевым кабинам, изготовленным заводским способом со своим душевым поддоном и канализацией, за исключением 701.53b.

Примечание - Для ванных помещений, предназначенных для медицинских целей, могут применяться специальные требования.

2 НОРМАТИВНЫЕ ССЫЛКИ

В настоящем стандарте использованы ссылки на следующие стандарты:

ГОСТ Р 50571.1-93 Электроустановки зданий. Основные положения

ГОСТ Р 50571.3-94 Электроустановки зданий. Часть 4. Требования по обеспечению безопасности. Защита от поражения электрическим током

ГОСТ 7397.0-89 Выключатели для бытовых и аналогичных стационарных электрических установок. Общие технические условия

701 ВАННЫЕ И ДУШЕВЫЕ ПОМЕЩЕНИЯ

701.3 Общие характеристики

701.32 Классификация зон

Требования настоящего стандарта для обеспечения безопасности и выбора электрооборудования основываются на следующих размерах зон для ванных и душевых помещений (см. 701А и 701В).

Зона 0 представляет собой внутренний объем ванны или душевого поддона.

Зона 1 ограничивается:

- внешней вертикальной плоскостью ванны или душевого поддона или вертикальной плоскостью на расстоянии 0,60 м от душевого разбрызгивателя - душа без поддона;

- полом и горизонтальной плоскостью на расстоянии 2,25 м над полом.

Зона 2 ограничивается:

- внешней вертикальной плоскостью зоны 1 и параллельной ей вертикальной плоскостью на расстоянии 0,60 м;

- полом и горизонтальной плоскостью на расстоянии 2,25 м над полом.

Зона 3 ограничивается:

- внешней вертикальной плоскостью зоны 2 и параллельной ей вертикальной плоскостью на расстоянии 2,40 м;

- полом и горизонтальной плоскостью над полом на расстоянии 2,25 м.

Размеры измеряются с учетом стен и стационарных перегородок (рисунки 701А и 701В).

701.4 Требования по обеспечению безопасности

701.41 Защита от поражения электрическим током

Примечание - Защита штепсельных розеток - по 701.53а настоящего стандарта.

701.411.1.4.3 При применении в качестве защитной меры системы БСНН защиту от непосредственного прямого прикосновения к токоведущим частям, независимо от номинального напряжения, следует выполнять:

- барьерами или оболочками, обеспечивающими, по крайней мере, степень защиты не ниже IP2X, или

- изоляцией, способной выдержать испытательное напряжение переменного тока 500 В (действующее значение) в течение 1 мин.

701.413.1.6 Уравнивание потенциалов

Дополнительное уравнивание потенциалов должно предусматривать соединение сторонних проводящих частей в зонах 1 - 3 с такими же частями, выходящими за пределы ванных и душевых помещений.

701.471 Применение защитных мер от поражения электрическим током

701.471.0 В зоне 0 допускается только защита с применением системы БСНН или ЗСНН при номинальном напряжении, не превышающим 12 В, причем источник питания системы БСНН или ЗСНН должен размещаться за пределами зоны 0.

701.471.1 Не допускаются меры защиты посредством барьеров (412.3 ГОСТ Р 50571.3) и размещение вне зоны досягаемости (412.4 ГОСТ Р 50571.3).

701.471.2 Не допускаются меры защиты посредством размещения электрооборудования в непроводящих помещениях (413.3 ГОСТ Р 50571.3) и применения системы местного уравнивания потенциалов без заземления (413.4).

701.5 Выбор и монтаж электрооборудования

701.51 Общие правила

701.512.2 Электрооборудование должно иметь, по меньшей мере, следующие степени защиты:

в зоне 0 - IPX7;

в зоне 1 - IPX5;

в зоне 2 - IPX4 (IPX5 - в ваннах общего пользования);

в зоне 3 - IPX1 (IPX5 - в ваннах общего пользования).

701.52 Электропроводка

701.520.01 Требования применяют к открытой электропроводке и к скрытой электропроводке (глубина не более 5 см).

701.520.02 Электропроводка должна иметь изоляцию, удовлетворяющую требованиям 413.2 ГОСТ Р 50571.3, без какой-либо металлической оболочки.

Примечание - Такая электропроводка может состоять, например, из одножильных кабелей в изолирующей оболочке или многожильных кабелей с изолирующей оболочкой.

701.520.03 В зонах 0, 1 и 2 должны находиться только те электропроводки, которые необходимы для подачи питания устройствам в этих зонах.

701.520.04 Соединительные коробки не устанавливаются в зонах 0, 1 и 2.

701.53 Распределительные устройства и устройства управления

а) В зонах 0, 1 и 2 распределительные устройства и устройства управления не устанавливают.

Примечание - Выключатели, приводимые в действие при помощи шнура, могут устанавливаться в зонах 1 и 2 при условии, что они соответствуют требованиям ГОСТ 7397.0.

В зоне 3 штепсельные розетки могут быть установлены, если они:

- или присоединены к индивидуальному разделяющему трансформатору в соответствии с 413.5.1 ГОСТ Р 50571.3;

- или подключены к источнику питания системы БСНН или ЗСНН по 411.1 ГОСТ Р 50571.3;

- или защищены устройством защитного отключения, реагирующим на дифференциальный ток, не превышающий 30 мА.

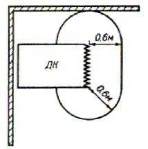
b) Любые выключатели и штепсельные розетки должны находиться на расстоянии не менее 0,60 м от двери в душевую кабину, изготовленную заводским способом (рисунок 701С).

701.55 Прочее стационарное электрооборудование

Эти требования не относятся к электроприборам, если они подключены к источнику питания системы БСНН в соответствии с требованиями 411.1, 411.1.4.3 ГОСТ Р 50571.3 или к источнику питания системы ЗСНН согласно требований 411.1, 411.1.5.1, 411.1.5.2 ГОСТ 50571.3.

В зоне 0 допускается установка только электроприборов, предназначенных для применения в ванне.

В зоне 1 могут устанавливаться только водонагреватели.

В зоне 2 могут устанавливаться только водонагреватели и светильники класса II.

Нагревательные элементы, закладываемые в пол и предназначенные для обогрева помещения, могут быть установлены во всех зонах при условии, что они покрыты металлической сеткой или заземленной металлической оболочкой, подсоединенной к системе уравнивания потенциалов, технические требования на которую указаны в 701.413.1.6.

Рисунок 701А - Размеры зон (план)

1-а - ванна; 2-b - ванна со стационарной перегородкой; 3 - зона 0; 4 - зона 1; 5 - зона 2; 6 - зона 3; 7-с - душ с поддоном; 8-е - душ без поддона; 9-f - душ без поддона, но со стационарной перегородкой; 10 - разбрызгиватель душа; 11-d - душевой поддон со стационарной перегородкой

Рисунок 701В - Размеры зон (вертикальный разрез)

1-g - ванна; 2 - зона 1; 3 - зона 2; 4 - зона 3; 5 - зона 0; 6-h - душ с поддоном; 7-i - душ без поддона, но со стационарной перегородкой; 8 - стационарная стена-перегородка

Рисунок 701С - Расположение душевой кабины (ДК), изготовленной заводским способом

Ключевые слова: электроустановки зданий; ванные помещения; душевые помещения; уравнивание потенциалов; электропроводка; выбор электрооборудования; монтаж электрооборудования

СОДЕРЖАНИЕ

 

 




ГОСТЫ, СТРОИТЕЛЬНЫЕ и ТЕХНИЧЕСКИЕ НОРМАТИВЫ.
Некоммерческая онлайн система, содержащая все Российские Госты, национальные Стандарты и нормативы.
В Системе содержится более 150000 файлов нормативно-технической документации, действующей на территории РФ.
Система предназначена для широкого круга инженерно-технических специалистов.

Рейтинг@Mail.ru Яндекс цитирования

Copyright © www.gostrf.com, 2008 - 2026