Крупнейшая бесплатная информационно-справочная система онлайн доступа к полному собранию технических нормативно-правовых актов РФ. Огромная база технических нормативов (более 150 тысяч документов) и полное собрание национальных стандартов, аутентичное официальной базе Госстандарта. GOSTRF.com - это более 1 Терабайта бесплатной технической информации для всех пользователей интернета. Все электронные копии представленных здесь документов могут распространяться без каких-либо ограничений. Поощряется распространение информации с этого сайта на любых других ресурсах. Каждый человек имеет право на неограниченный доступ к этим документам! Каждый человек имеет право на знание требований, изложенных в данных нормативно-правовых актах!

  


 

ГОСУДАРСТВЕННЫЙ СТАНДАРТ СОЮЗА ССР

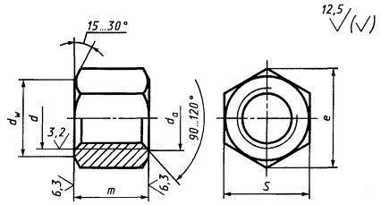
ГАЙКИ ШЕСТИГРАННЫЕ ОСОБО ВЫСОКИЕ
КЛАССА ТОЧНОСТИ А

Конструкция и размеры

Hexagon thick nuts product grade A.
Construction and dimensions

ГОСТ
5931-70

Дата введения 01.01.72

в части размера «под ключ» S = 13 мм                                                                                                                                         01.01.73

1. Настоящий стандарт распространяется на шестигранные особо высокие гайки класса точности А с диаметром резьбы от 8 до 48 мм.

(Измененная редакция, Изм. № 4).

2. Конструкция и размеры гаек должны соответствовать указанным на чертеже и в таблице.

(Измененная редакция, Изм. № 2-7).

3. Резьба - по ГОСТ 24705.

(Измененная редакция, Изм. № 2, 4).

3а. Не установленные настоящим стандартом допуски размеров, отклонений формы и расположения поверхностей и методы контроля - по ГОСТ 1759.1.

3б. Допустимые дефекты поверхности гаек и методы контроля - по ГОСТ 1759.3.

3а, 3б. (Введены дополнительно, Изм. № 5).

4. Допускается по соглашению между изготовителем и потребителем изготавливать гайки с номинальным диаметром резьбы от 36 до 48 мм с шагом резьбы 2 мм.

(Измененная редакция, Изм. № 2, 5).

5. Технические требования - по ГОСТ 1759.0.

6. (Исключен, Изм. № 2).

7. Масса гаек указана в приложении 1.

8. (Исключен, Изм. № 4).

мм

Номинальный диаметр резьбы d

8

10

12

(14)

16

(18)

20

(22)

24

(27)

30

36

42

48

Шаг резьбы

крупный

1,25

1,5

1,75

2

2,5

3

3,5

4

4,5

5

мелкий

1

1,25

1,5

2

3

Размер «под ключ» S

13

16

18

21

24

27

30

34

36

41

46

55

65

75

Диаметр описанной окружности е, не менее

14,4

17,8

20,0

23,4

26,8

30,1

33,5

37,7

40,0

45,6

51,3

61,3

72,6

83,9

da

не менее

8

10

12

14

16

18

20

22

24

27

30

36

42

48

не более

8,75

10,8

13,0

15,1

17,3

19,4

21,6

23,8

25,9

29,2

32,4

38,9

45,4

51,8

dw, не менее

11,7

14,6

16,6

19,6

22,5

25,3

28,2

31,7

33,6

38,4

43,1

51,5

61,0

70,5

Высота т

12

15

18

21

24

27

30

32

36

40

45

54

63

71

Примечания.

1. Размеры гаек, заключенные в скобки, применять не рекомендуется.

2. Допускается изготавливать гайки с размерами, указанными в приложении 2.

Пример условного обозначения гайки с диаметром резьбы d = 12 мм с размером «под ключ» S = 18 мм, с крупным шагом резьбы с полем допуска 6Н, класса прочности 5, без покрытия:

Гайка М12-6Н5 (S18) ГОСТ 5931-70

То же, с крупным шагом резьбы с полем допуска 6Н, класса прочности 6, из стали марки А12, без покрытия:

Гайка М12-6Н.6.А (S18) ГОСТ 5931-70

То же, с размером «под ключ» S = 19 мм, с мелким шагом резьбы с полем допуска 6Н, класса прочности 12, из стали марки 40Х, с покрытием 01 толщиной 6 мкм:

Гайка М12´1,25-6Н.12.40Х.016 ГОСТ 5931-70

ПРИЛОЖЕНИЕ 1

Справочное

Масса стальных гаек с крупным шагом резьбы

Номинальный диаметр резьбы d, мм

Теоретическая масса 1000 шт. гаек, кг »

Номинальный диаметр резьбы d, мм

Теоретическая масса 1000 шт. гаек, кг »

Номинальный диаметр резьбы d, мм

Теоретическая масса 1000 шт. гаек, кг »

8

9,650

18

86,230

30

420,6

10

12,980

20

117,100

36

715,3

12

25,600

22

169,0

42

1179,0

14

43,590

24

202,3

48

1780,7

16

59,900

27

292,5

 

 

Для определения массы гаек из других материалов значения массы, указанные в таблице, следует умножить на коэффициенты: 0,356 - для алюминиевого сплава; 1,080 - для латуни.

ПРИЛОЖЕНИЕ 1. (Измененная редакция, Изм. № 6).

ПРИЛОЖЕНИЕ 2

Справочное

Размеры в мм

Номинальный диаметр резьбы d

10

12

14

22

Размер «под ключ» S

17

19

22

32

Диаметр описанной окружности е, не менее

18,9

21,1

24,5

35,7

dw, не менее

15,6

17,4

20,6

30,0

Теоретическая масса 1000 шт. гаек с крупным шагом резьбы, кг »

16,31

30,08

49,67

140,6

ПРИЛОЖЕНИЕ 2. (Введено дополнительно, Изм. № 6; измененная редакция, Изм. № 7).

ИНФОРМАЦИОННЫЕ ДАННЫЕ

1. РАЗРАБОТАН И ВНЕСЕН Министерством черной металлургии СССР

РАЗРАБОТЧИКИ

И.Н. Недовизий, канд. техн. наук; Б.М. Ригмант; В.И. Мокринский, канд. техн. наук

2. УТВЕРЖДЕН И ВВЕДЕН В ДЕЙСТВИЕ Постановлением Комитета стандартов, мер и измерительных приборов при Совете Министров СССР от 18.02.70 № 178

3. ВЗАМЕН ГОСТ 5931-62

4. ССЫЛОЧНЫЕ НОРМАТИВНО-ТЕХНИЧЕСКИЕ ДОКУМЕНТЫ

Обозначение НТД, на который дана ссылка

Номер пункта

Обозначение НТД, на который дана ссылка

Номер пункта

ГОСТ 1759.0-87

5

ГОСТ 1759.3-83

3б

ГОСТ 1759.1-82

3а

ГОСТ 24705-81

3

5. Ограничение срока действия снято по протоколу № 5-94 Межгосударственного Совета по стандартизации, метрологии и сертификации (ИУС 11-12-94)

6. ПЕРЕИЗДАНИЕ (сентябрь 1998 г.) с Изменениями № 2, 3, 4, 5, 6, 7, утвержденными в феврале 1974 г., марте 1981 г., июне 1983 г., мае 1985 г., марте 1989 г., июле 1995 г. (ИУС 3-74, 6-81, 11-83, 8-85, 6-89, 9-95)

 

 




ГОСТЫ, СТРОИТЕЛЬНЫЕ и ТЕХНИЧЕСКИЕ НОРМАТИВЫ.
Некоммерческая онлайн система, содержащая все Российские Госты, национальные Стандарты и нормативы.
В Системе содержится более 150000 файлов нормативно-технической документации, действующей на территории РФ.
Система предназначена для широкого круга инженерно-технических специалистов.

Рейтинг@Mail.ru Яндекс цитирования

Copyright © www.gostrf.com, 2008 - 2026