Крупнейшая бесплатная информационно-справочная система онлайн доступа к полному собранию технических нормативно-правовых актов РФ. Огромная база технических нормативов (более 150 тысяч документов) и полное собрание национальных стандартов, аутентичное официальной базе Госстандарта. GOSTRF.com - это более 1 Терабайта бесплатной технической информации для всех пользователей интернета. Все электронные копии представленных здесь документов могут распространяться без каких-либо ограничений. Поощряется распространение информации с этого сайта на любых других ресурсах. Каждый человек имеет право на неограниченный доступ к этим документам! Каждый человек имеет право на знание требований, изложенных в данных нормативно-правовых актах!

  


 

ГОСУДАРСТВЕННЫЙ СТАНДАРТ СОЮЗА ССР

ШАЙБЫ

ТЕХНИЧЕСКИЕ УСЛОВИЯ

ГОСТ 11371-78

(СТ СЭВ 280-89, СТ СЭВ 281-87)

ГОСУДАРСТВЕННЫЙ КОМИТЕТ СССР ПО СТАНДАРТАМ

Москва

ГОСУДАРСТВЕННЫЙ СТАНДАРТ СОЮЗА ССР

ШАЙБЫ

Технические условия

Vashers. Specifications

ГОСТ
11371-78*

(СТ СЭВ 280-89,
СТ СЭВ 281-87)

Взамен
ГОСТ 11371-68

Постановлением Государственного комитета стандартов Совета Министров СССР от 26 июня 1978 г. № 1674 срок введения установлен

с 01.01.79

Проверен в 1983 г. Постановлением Госстандарта от 14.11.83 № 5375 срок действия продлен

до 01.01.89

(Измененная редакция, Изм. № 2, 3).

Настоящий стандарт распространяется на шайбы нормального ряда классов точности А и С для крепежных деталей диаметром резьбы от 1 до 48 мм.

Стандарт полностью соответствует СТ СЭВ 280-76, СТ СЭВ 281-87.

(Измененная редакция, Изм. № 1, 2).

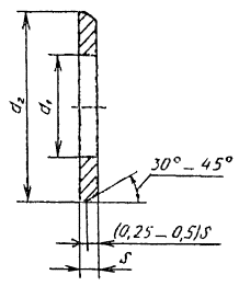
1. ОСНОВНЫЕ ПАРАМЕТРЫ И РАЗМЕРЫ

1.1. Шайбы должны изготовляться::

исполнения1-класса точности А и С

исполнения2-класса точности А

(Измененная редакция, Изм. № 3).

Исполнение 1

Исполнение 2
d ³×5 мм

(Измененная редакция, Изм. № 2, 3).

мм

Диаметр резьбы крепежной детали

d1

d2

s

Класс точности

1

2

1,0

1,2

1,1

3,5

0,3

1,2

1,4

1,3

4,0

1,4

1,6

1,5

1,6

1,8

1,7

2,0

2,4

2,2

5,0

2,5

2,9

2,7

6,5

0,5

3,0

3,4

3,2

7,0

3,5

-

3,7

8,0

4,0

4,5

4,3

9,0

0,8

5,0

5,5

5,3

10,0

1,0

6,0

6,6

6,4

12,0

1,6

8,0

9,0

8,4

16,0

10,0

11,0

10,5

20,0

2,0

12,0

13,5

13,0

24,0

2,5

14,0

15,5

15,0

28,0

16,0

17,5

17,0

30,0

3,0

18,0

20,0

19,0

34,0

20,0

22,0

21,0

37,0

22,0

24,0

23,0

39,0

24,0

26,0

25,0

44,0

4,0

27,0

30,0

28,0

50,0

30,0

33,0

31,0

56,0

33,0

-

34,0

60,0

5,0

36,0

39,0

37,0

66,0

39,0

-

40,0

72,0

6,0

42,0

45,0

43,0

78,0

7,0

48,0

52,0

50,0

92,0

8,0

(Измененная редакции, Изм. № 2, 3).

Примеры условного обозначения шайбы исполнения 1 класса точности А для крепежной детали с диаметром 12 мм с толщиной, установленной в стандарте, из стали марки 08кп, с цинковым покрытием толщиной 6 мкм хроматированным:

Шайба  А 12.01.08кп.016 ГОСТ 11371-78

То же, исполнения 2:

Шайба 2.12.01.08кп.016 ГОСТ 11371-78.

1.1, 1.2. (Измененная редакции, Изм. № 1, 2).

1.3. Теоретическая масса шайб приведена в приложении.

(Введен дополнительно, Изм. № 1).

1.4. По согласованию между изготовителем и потребителем допускается изготовлять шайбы с другими толщинами.

(Измененная редакции, Изм. № 3).

2. ТЕХНИЧЕСКИЕ ТРЕБОВАНИЯ

2.1. Технические требования - по ГОСТ 18123-82.

(Измененная редакция, Изм. № 1).

2.2, 2.3. (Исключены, Изм. № 1).

2.4. Твердость стальных шайб класса точности А должна составлять не менее 140 HV, класса точности С - не менее 100 НV.

(Измененная редакции, Изм. № 2, 3).

2.5. Временная противокоррозионная защита, упаковка и маркировка тары - по ГОСТ 18160-72.

(Измененная редакция, Изм. № 2).

3. ПРАВИЛА ПРИЕМКИ

3.1. Правила приемки шайб - по ГОСТ 17769-83.

(Измененная редакция, Изм. № 1).

4. МЕТОДЫ КОНТРОЛЯ

4.1. Методы контроля шайб - по ГОСТ 18123-82.

(Разд. 5 исключен, Изм. № 2).

ПРИЛОЖЕНИЕ
Справочное

Масса стальных шайб

Диаметр резьбы крепежной детали, мм

Теоретическая масса 1000 шт., кг, для исполнений

1

2

Класс точности

С

А

1,0

0,020

0,020

-

1,2

0,026

0,026

-

1,4

0,025

0,025

-

1,6

0,024

0,024

-

2,0

0,036

0,037

-

2,5

0,085

0,088

-

3,0

0,115

0,119

-

3,5

-

0,155

-

4,0

0,299

0,308

-

5,0

0,430

0,443

0,413

6,0

0,990

1,016

0,925

8,0

1,725

1,828

1,706

10,0

3,438

3,571

3,333

12,0

6,066

6,270

5,824

14,0

8,377

8,612

8,089

16,0

10,976

11,295

10,491

18,0

13,976

14,697

13,782

20,0

16,361

17,156

16,157

22,0

17,470

18,339

17,285

24,0

31,058

32,315

30,211

27,0

39,438

42,298

39,898

30,0

50,456

53,612

50,917

33,0

-

75,303

70,809

36,0

87,350

92,033

87,078

39,0

-

132,513

124,748

42,0

175,088

182,680

171,256

48,0

283,956

294,013

276,397

Примечание. Для определения массы шайб, изготовленных из других материалов, значения массы, указанные в таблице, должны быть умножены на коэффициент:

0,35 -для алюминиевого сплава;

0,97 - для бронзы;

1,08 - для латуни;

1,13 - для меди.

(Измененная редакция, Изм. № 2, 3).

СОДЕРЖАНИЕ

 

 




ГОСТЫ, СТРОИТЕЛЬНЫЕ и ТЕХНИЧЕСКИЕ НОРМАТИВЫ.
Некоммерческая онлайн система, содержащая все Российские Госты, национальные Стандарты и нормативы.
В Системе содержится более 150000 файлов нормативно-технической документации, действующей на территории РФ.
Система предназначена для широкого круга инженерно-технических специалистов.

Рейтинг@Mail.ru Яндекс цитирования

Copyright © www.gostrf.com, 2008 - 2026