|
|
|
ГОСТ 30030-93 (МЭК 742-83) МЕЖГОСУДАРСТВЕННЫЙ СТАНДАРТ ТРАНСФОРМАТОРЫ
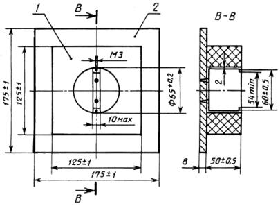
РАЗДЕЛИТЕЛЬНЫЕ ТЕХНИЧЕСКИЕ ТРЕБОВАНИЯ МЕЖГОСУДАРСТВЕННЫЙ
СОВЕТ Москва - 1998 Предисловие 1 РАЗРАБОТАН Российской Федерацией ВНЕСЕН Техническим секретариатом Межгосударственного Совета по стандартизации, метрологии и сертификации 2 ПРИНЯТ Межгосударственным Советом по стандартизации, метрологии и сертификации 21 октября 1993 г. За принятие проголосовали:
3 Настоящий стандарт представляет собой полный аутентичный текст международного стандарта МЭК 742-83 «Разделительные трансформаторы и безопасные разделительные трансформаторы. Технические требования» 4 Постановлением Государственного комитета Российской Федерации по стандартизации, метрологии и сертификации от 1 декабря 1997 г. № 395 межгосударственный стандарт ГОСТ 30030-93 введен в действие непосредственно в качестве государственного стандарта Российской Федерации с 1 января 1998 г. 5 ВВЕДЕН ВПЕРВЫЕ СОДЕРЖАНИЕ ГОСТ 30030-93 (МЭК 742-83) МЕЖГОСУДАРСТВЕННЫЙ СТАНДАРТ ТРАНСФОРМАТОРЫ РАЗДЕЛИТЕЛЬНЫЕ И БЕЗОПАСНЫЕ РАЗДЕЛИТЕЛЬНЫЕ ТРАНСФОРМАТОРЫ Технические требования Isolating transformers and safety isolating transformers. Дата введения 1998-01-01 Настоящий стандарт устанавливает нормы, правила и методы испытаний, являющиеся общими и дополнительными для всех разделительных и безопасных разделительных трансформаторов. Требования настоящего стандарта являются обязательными. Методы испытаний выделены курсивом. ЧАСТЬ 1 ОБЩИЕ ТЕХНИЧЕСКИЕ ТРЕБОВАНИЯ1 Область применения1.1 Настоящий стандарт распространяется на стационарные
и переносные однофазные или многофазные сухие (в том числе воздушные)
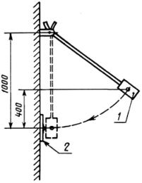
разделительные и безопасные разделительные трансформаторы, вмонтированные или
автономные, с номинальным первичным напряжением, не превышающим 1000 В
переменного тока и 1000 - для разделительных трансформаторов: 25 кВ×А для однофазных трансформаторов, 40 кВ×А для многофазных трансформаторов; - для безопасных разделительных трансформаторов: 10 кВ×А для однофазных трансформаторов, 16 кВ×А для многофазных трансформаторов. Вторичное напряжение холостого хода и номинальное вторичное напряжение не должны превышать: для
разделительных трансформаторов: 1000 В переменного тока и 1000 для
безопасных разделительных трансформаторов: 50 В переменного тока и/или 50 Номинальные значения, соответствующие каждому типу трансформаторов, указаны в дополнительных частях II и III настоящего стандарта. Настоящий стандарт распространяется на трансформаторы сухого типа и герметизированные разделительные трансформаторы, применяемые в тех случаях, когда правила установки требуют электрического разделения цепей для питания оборудования или определенных частей цепи (электрических бритв, переносного инструмента, газонокосилок и др.). Настоящий стандарт распространяется также на безопасные разделительные трансформаторы, применяемые для питания цепей низковольтного оборудования (игрушек, электрических звонков, переносного инструмента, переносных ламп и т.д.) с безопасным сверхнизким напряжением. Настоящий стандарт не распространяется на трансформаторы, заполненные жидкими диэлектриками или распыленными веществами. Если трансформаторы находятся в особых условиях, к ним могут быть предъявлены специальные требования. 1.2 Основной целью настоящего стандарта является установление требований техники безопасности для разделительных трансформаторов и безопасных разделительных трансформаторов. 2 ОпределенияВ настоящем стандарте применяют следующие термины 2.1. Термины “напряжение” и “ток” подразумевают их действующие значения для переменного тока и среднее квадратическое значение для постоянного тока, если специально не оговорено иное. 2.2. Безопасное
сверхнизкое напряжение - напряжение в цепи, электрически отделенной от
питающей сети безопасным разделительным трансформатором, не превышающее 50 В
переменного тока или 50 Примечания 1
Напряжение 50 2
В особых случаях, например, когда допускается непосредственное прикасание к
токоведущим частям, в особых требованиях может быть указано максимальное
напряжение ниже 50 В переменного тока и 50 3 Указанное предельное значение напряжения не должно превышаться как в режиме полной нагрузки, так и в режиме холостого хода. 2.3 Разделительный трансформатор - трансформатор, первичная обмотка которого электрически не связана со вторичными обмотками с целью исключения опасности, обусловленной возможностью случайного одновременного прикасания к земле и токоведущим частям или нетоковедущим частям, которые могут оказаться под напряжением в случае повреждения изоляции. 2.4 Безопасный разделительный трансформатор - разделительный трансформатор, предназначенный для питания цепей сверхнизким безопасным напряжением. Примечание - Определения трансформаторов, предназначенных для особых условий эксплуатации, приведены в соответствующих разделах. 2.5 Щитовой трансформатор - трансформатор, спроектированный для установки в коробке, предназначенной для скрытого монтажа. 2.6 Присоединенный трансформатор - трансформатор, спроектированный для питания конкретных электрических бытовых приборов или оборудования, встроенный в данное изделие или предназначенный для использования только с этими приборами и оборудованием. К трансформаторам данного типа относятся: - встроенные трансформаторы; - трансформаторы специального назначения. 2.7 Встроенный трансформатор - трансформатор, который вмонтирован в электрический бытовой прибор или в оборудование определенного назначения. 2.8 Трансформатор специального назначения - трансформатор, который поставляется с электрическим бытовым прибором или оборудованием специального назначения или входит в состав его комплекта. 2.9 Первичная обмотка - обмотка, предназначенная для подсоединения к питающей сети. 2.10 Вторичная обмотка - обмотка, к которой подключается распределительная цепь, прибор или другое оборудование. 2.11 Номинальное первичное напряжение - напряжение питания трансформатора (в случае многофазного тока - линейное напряжение) для заданных условий его эксплуатации, указанное изготовителем. 2.12 Диапазон номинальных первичных напряжений - диапазон напряжений питания трансформатора, указанный изготовителем и выраженный нижним и верхним пределами. 2.13 Номинальная частота - частота для заданных условий эксплуатации трансформатора, указанная изготовителем. 2.14 Номинальный вторичный ток - вторичный ток трансформатора при номинальном первичном напряжении и номинальной частоте для заданных условий эксплуатации трансформатора, указанный изготовителем. Если номинальный вторичный ток не указан изготовителем, его можно вычислить, зная номинальную входную мощность и номинальное вторичное напряжение. 2.15 Номинальное вторичное напряжение - вторичное напряжение (в случае многофазного тока - линейное напряжение) при номинальных первичном напряжении, частоте, вторичном токе и при номинальном коэффициенте мощности, указанное изготовителем для заданных условий эксплуатации трансформатора. 2.16 Номинальный коэффициент мощности - коэффициент мощности, указанный изготовителем для заданных условий эксплуатации трансформатора. 2.17
Номинальная выходная мощность - произведение номинального вторичного напряжения и номинального
вторичного тока или, для многофазных трансформаторов - произведение
номинального вторичного напряжения и номинального вторичного тока и 2.18 Мощность холостого хода - мощность, потребляемая трансформатором, когда он питается при номинальном первичном напряжении и номинальной частоте без нагрузки вторичной обмотки. 2.19 Вторичное напряжение холостого хода - вторичное напряжение при питании трансформатора номинальным первичным напряжением номинальной частоты без нагрузки вторичной обмотки. 2.20 Напряжение короткого замыкания - напряжение, которое следует приложить к первичной обмотке при комнатной температуре для того, чтобы замкнутая накоротко вторичная обмотка нагрузилась током, равным номинальному вторичному току. Напряжение короткого замыкания обычно выражается в процентах от номинального первичного напряжения. 2.21 Шнур питания - это соединительный шнур или гибкий кабель, предназначенный для подключения трансформатора к источнику питания и присоединяемый к нему одним из следующих способов: крепление типа X - способ присоединения, при котором соединительный шнур или гибкий кабель может быть легко заменен без помощи специального инструмента другим соединительным шнуром или гибким кабелем, не требующим специальной подготовки; крепление типа M - способ присоединения, при котором соединительный шнур или гибкий кабель может быть легко заменен без помощи специального инструмента только специальным соединительным шнуром или кабелем (например с формованным на шнуре предохранительным устройством или со сгибаемым выводным устройством); крепление типа Y - способ присоединения, при котором соединительный шнур или гибкий кабель может быть заменен только с помощью инструмента специального назначения, как правило, имеющегося в распоряжении только изготовителя или его представителей. Примечание - Крепление типа Y может применяться как для обычных шнуров и кабелей, так и для специальных соединительных шнуров и кабелей; крепление типа Z - способ присоединения, при котором соединительный шнур или гибкий кабель не может быть заменен без поломки или разрушения части трансформатора. 2.22 Съемная деталь - деталь, которая может быть снята без помощи инструмента. 2.22.1 Несъемная деталь - деталь, которая может быть снята только с помощью инструмента. 2.23 Инструмент - это отвертка, монета или какой-либо другой предмет, который можно использовать для вращения винта или аналогичного фиксирующего приспособления. 2.24 Основная изоляция - изоляция токоведущих частей, обеспечивающая основную защиту от поражения электрическим током. Примечание - Основная изоляция не обязательно является рабочей, то есть может не включать в себя изоляцию, используемую исключительно для обеспечения нормальной работы трансформатора. 2.25 Дополнительная изоляция - независимая изоляция, предусмотренная в дополнение к основной изоляции с целью обеспечения защиты от поражения электрическим током в случае повреждения основной изоляции. 2.26 Двойная изоляция - изоляция, состоящая из основной и дополнительной изоляции. 2.27 Усиленная изоляция - единая изоляционная система, применяемая для токоведущих частей, которая обеспечивает такую же степень защиты от поражения электрическим током, как и двойная изоляция. Примечание - Термин “изоляционная система” не означает, что данная изоляция должна представлять собой одну однородную часть. Она может включать несколько слоев, которые не могут подвергаться испытаниям в отдельности, как дополнительная или основная изоляция. 2.28 Трансформатор класса I - трансформатор, в котором для защиты от поражения электрическим током, кроме основной изоляции, использована дополнительная мера безопасности, а именно - предусмотрен зажим заземления, который обеспечивает подключение доступных токопроводящих частей к проводу защитного заземления в стационарной проводке устройства таким образом, что доступные токопроводящие части не могут оказаться под напряжением в случае повреждения основной изоляции. К трансформаторам класса I относятся также трансформаторы, предназначенные для подключения посредством соединительного шнура или гибкого кабеля, которые должны быть снабжены несъемным соединительным шнуром или гибким кабелем с заземляющим проводом и вилкой с заземляющим контактом. Трансформаторы класса I могут содержать части с двойной или усиленной изоляцией. 2.29 Трансформатор класса II - трансформатор, в котором защита от поражения электрическим током обеспечивается не только основной изоляцией, но и предусмотренными дополнительными мерами безопасности, а именно - двойной или усиленной изоляцией, и который не имеет защитного заземления, а условия установки не обеспечивают дополнительных мер безопасности. Примечания 1 Трансформатор класса II может быть снабжен устройством для сохранения неразрывности защитных цепей при условии, что это устройство находится внутри трансформатора и изолировано от доступных поверхностей в соответствии с требованиями для трансформаторов класса II. 2 В некоторых случаях может появиться необходимость различать трансформаторы класса II “полностью изолированные” и в “металлической оболочке”. 3 Трансформатор с прочным и сплошным изоляционным покрытием всех металлических частей, за исключением небольших деталей (например заводских табличек, винтов и заклепок), которые отделены от токоведущих частей изоляцией, по меньшей мере, эквивалентной усиленной изоляцией, называется трансформатором II класса в сплошной изоляционной оболочке. 4 Трансформатор со сплошной металлической оболочкой, в котором везде используется двойная изоляция, за исключением тех частей, где из-за нецелесообразности применения двойной изоляции применяется усиленная изоляция, называется трансформатором класса II в металлической оболочке. 5 Если трансформатор, имеющий во всех своих частях двойную или усиленную изоляцию, снабжен заземляющим зажимом или контактом, то его относят к классу I. 2.30 Трансформатор класса III - трансформатор, в котором защита от поражения электрическим током обеспечивается за счет питания его от источника с безопасным сверхнизким напряжением (БСНН) и в котором значения напряжений не превышают (БСНН). Трансформатор класса III не должен содержать средств защитного заземления. Примечание - Классификация трансформаторов на классы I, II и III не относится к системе изоляции между первичными и вторичными обмотками. 2.31 Трансформатор, стойкий к короткому замыканию, - трансформатор, в котором превышение температуры не выходит из заданных пределов при перегрузке или коротком замыкании и который остается работоспособным после снятия перегрузки. 2.32 Трансформатор, условно стойкий к короткому замыканию, - трансформатор, стойкость к короткому замыканию которого обеспечивается встроенным защитным устройством, которое размыкает первичную или вторичную цепь или уменьшает в них ток при перегрузке или коротком замыкании. Примечание. Примерами защитных устройств являются плавкие предохранители, размыкающие устройства от перегрузок, тепловые предохранители, термоограничители, термовыключатели и терморезисторы и автоматически отключающиеся механические устройства. 2.33 Трансформатор, безусловно стойкий к короткому замыканию - трансформатор, стойкий к короткому замыканию, в котором при перегрузке или коротком замыкании температура не превышает заданных пределов без защитного устройства и который продолжает функционировать после снятия перегрузки или короткого замыкания. 2.34 Безопасный трансформатор - трансформатор, который в результате ненормальной эксплуатации не функционирует, но не представляет никакой опасности для пользователя и окружения. 2.35 Трансформатор, не стойкий к короткому замыканию - трансформатор, который необходимо защищать от превышения температуры при помощи защитного устройства, находящегося вне трансформатора. 2.36 Переносной трансформатор - трансформатор, который перемещают во время работы без отключения от источника питания. Примечание - Трансформатор, который непосредственно вмонтирован в розетку, относится к переносным трансформаторам, даже если он не может перемещаться, когда подключен к источнику питания. 2.37 Ручной трансформатор - переносной трансформатор, который во время нормальной эксплуатации удерживается в руке. 2.38 Стационарный трансформатор - неподвижно закрепленный трансформатор или трансформатор, который не может быть легко перемещен с одного места на другое. 2.39 Отключение всех полюсов - отключение всех питающих проводов одновременным действием. Примечания 1 Защитный заземляющий провод не является питающим проводом. 2 Провод нейтрали относится к питающим проводам. 2.40 Термовыключатель - термочувствительное устройство, которое при нормальном режиме работы ограничивает температуру трансформатора или его частей путем автоматического размыкания цепи или уменьшения тока; конструкция этого устройства не позволяет проводить его настройку при эксплуатации. 2.41 Термовыключатель с самовозвратом - термовыключатель, который автоматически восстанавливает ток, когда соответствующая часть трансформатора достаточно охлаждена или снята нагрузка. 2.42 Термовыключатель без самовозврата - термовыключатель, при котором для восстановления тока необходимо ручное включение или замена какого-либо элемента. 2.43 Размыкающее устройство от перегрузок - выключатель тока, который предохраняет цепь от перегрузки путем ее размыкания, когда ток в этой цепи достигает заданного значения. 2.44 Термин “корпус” в настоящем стандарте является общим, охватывает все доступные металлические части, валы, кнопки, рукоятки, зажимы и т.п., фиксирующие металлические винты и фольгу, находящиеся в контакте с поверхностями из изоляционного материала. На недоступные металлические части этот термин не распространяется. 2.45 Термин “доступная часть” в настоящем стандарте является общим, охватывает все части, к которым можно прикоснуться стандартным испытательным пальцем после правильной установки трансформатора. 2.46 Номинальная температура окружающей среды - максимальная температура, при которой трансформатор может работать непрерывно при нормальных условиях эксплуатации. Примечание - Значение номинальной температуры окружающей среды (ta) не исключает возможности временной работы трансформатора при температуре, не превышающей (ta + 10) °С. 2.47 Воздушный зазор - кратчайшее расстояние между двумя токопроводящими частями, измеренное по воздуху. Примечание - Для того, чтобы определить воздушные зазоры к доступным частям, доступную поверхность изоляционной оболочки следует считать токопроводящей, как если бы она была покрыта металлической фольгой всюду, где можно прикоснуться стандартным испытательным пальцем (рисунок 3). 2.48 Путь утечки - кратчайшее расстояние (по воздуху) между двумя токопроводящими частями, измеренное по поверхности изоляционного материала. Примечание - Для определения путей утечки между доступными частями следует считать доступную поверхность изоляционной оболочки токопроводящей, как если бы она была покрыта металлической фольгой всюду, где можно прикоснуться стандартным испытательным пальцем (рисунок 3). Примечание к пп. 2.47 и 2.48 - Пути утечки и воздушные зазоры измеряют через соединение между двумя частями изоляционной перегородки, за исключением случаев, когда: - две части, образующие соединение, скреплены вместе способом оплавления, либо другими подобными способами в том месте, где это имеет существенное значение; - соединение полностью заполнено связующим веществом в необходимых местах и соединено с поверхностями изоляционной перегородки так, чтобы влага не могла проникнуть в это соединение; - соединение загерметизировано таким образом, что его можно считать непроницаемым в течение предполагаемого срока службы трансформатора. 2.49 Рабочее напряжение - максимальное действующее значение напряжения, которое может быть приложено к любой изоляционной системе при номинальном входном напряжении в условиях холостого хода или в нормальных условиях эксплуатации, при этом угол сдвига фаз и перенапряжение, возникающее вследствие переходного процесса, во внимание не принимаются. Примечания 1 При рассмотрении изоляционной системы между обмотками, которые не предназначены для соединения между собой, считают, что рабочее напряжение - это наивысшее значение напряжения, имеющего место в любой из этих обмоток. 2 Следует обратить внимание на тот факт, что рабочее напряжение относительно земли на входе может заметно отличаться для однофазных систем, не содержащих провода нейтрали, для трехфазных систем, соединенных в звезду, без заземленной нейтрали и соединенных в треугольник. Вторичное напряжение может искусственно возрасти относительно земли в трансформаторе, что обусловливается режимами, происходящими в электрическом бытовом приборе или в оборудовании. 2.50 Загрязнение - любое проникновение инородного твердого, жидкого или газообразного (ионизированные газы) вещества, которое уменьшает электрическую прочность или удельное поверхностное сопротивление. 2.51 Микросреда - условия среды, окружающей воздушный зазор или путь утечки. Примечание - Воздействие на изоляцию определяет именно микросреда путей утечки или воздушного зазора, но не среда, окружающая оборудование. Микросреда может быть лучше или хуже среды, окружающей оборудование. Она включает все факторы, оказывающие воздействие на изоляцию, а именно: климатические, электромагнитные, загрязнение и т.д. 2.52 С целью оценки воздушных зазоров и путей утечки установлены следующие степени загрязнения микросреды. Нормальное загрязнение: как правило, имеет место только токонепроводящее загрязнение. Изредка следует ожидать проявление временной токопроводимости, обусловленной конденсацией влаги. Сильное загрязнение: имеет место токопроводящее загрязнение или сухое токонепроводящее загрязнение, которое становится токопроводящим в результате вероятной конденсации. 3 Общие требованияТрансформаторы должны быть сконструированы и изготовлены таким образом, чтобы при монтаже и текущем ремонте в соответствии с инструкциями изготовителя не возникало никакой опасности для персонала и окружения даже в случае небрежного обращения, которое может иметь место при нормальной эксплуатации. Соответствие настоящим требованиям проверяют путем проведения всех установленных испытаний. 4 Общие условия испытаний4.1 Испытания на соответствие требованиям настоящего стандарта являются типовыми испытаниями. Примечание - Рекомендации по проведению испытаний приведены в приложении 1А, часть 1. 4.2 Испытания проводят на полностью собранных серийных образцах. Если нет необходимости проводить испытания по 13.3 и 14.5, то испытания проводят на: - двух образцах, если номинальная выходная мощность не превышает 100 В×А; - одном образце, если номинальная выходная мощность свыше 100 В×А. Если нужно проводить испытания по 13.3, то требуется три дополнительных образца и еще три, если испытания должны быть повторены. Все образцы должны подвергаться всем соответствующим испытаниям, за исключением случая, упомянутого в 13.3. Если должны проводиться испытания по 14.5, их выполняют на трех дополнительных образцах, которые используются только для испытаний по 14.5. Примечания 1 Для присоединенных трансформаторов технические требования к оборудованию могут предписывать другое число образцов для испытаний. 2 Дополнительные образцы могут также потребоваться, если другие испытания предусматривают частичное разрушение трансформатора. 4.3 Испытания проводят в порядке изложения пунктов и подпунктов, если не оговорено иное условие. 4.4 Если на результаты испытания оказывает влияние температура окружающей среды, то в помещении, где проводят испытания, поддерживают температуру (20 ± 5) °С. Однако в случаях, когда допустимая для любой части прибора температура ограничивается термочувствительным устройством или если при воздействии допустимой температуры происходит изменение состояний какой-либо части, температуру воздуха в помещении поддерживают на уровне (23 ± 2) °С. Испытания трансформатора или любой его подвижной части проводят в наиболее неблагоприятном положении, которое может иметь место при нормальной эксплуатации. 4.5 При переменном токе применяют испытательные напряжения практически синусоидальной формы. 4.6 Трансформаторы, в которых предусмотрено несколько номинальных первичных напряжений, диапазон номинальных первичных напряжений и несколько номинальных частот испытывают при напряжении и частоте, которые создают самые жесткие условия для трансформатора при данном испытании, если в настоящем стандарте не указано другое условие. 4.7 По мере возможности измерения осуществляют приборами, которые не оказывают значительного влияния на измеряемые величины; в случае необходимости делают поправки на их влияние. 4.8 Трансформаторы, предназначенные для использования с соединительным проводом, испытывают вместе с подсоединенным к трансформатору соединительным шнуром (см. определение 2.21), если не оговорено иное условие. 4.9 Если трансформаторы класса I имеют части с двойной или усиленной изоляцией, то такие части проверяют также на соответствие требованиям, установленным для трансформаторов класса II. 4.10 Щитовой трансформатор испытывают вместе с соответствующей коробкой для скрытого монтажа из изоляционного материала. Эту коробку помещают в камеру, как указано на рисунке 1, изготовленную из фанеры толщиной 20 мм и окрашенную внутри в черный матовый цвет. Расстояние между задней стороной монтажной коробки и задней стенкой камеры - 5 мм. 4.11 Трансформаторы специального назначения, для которых нет стандартов на соответствующий электрический бытовой прибор или оборудование, испытывают как трансформаторы общего назначения. При этом потребляемая мощность и коэффициент мощности прибора(ов) или оборудования, для которых они предназначены, рассматривают в качестве их номинальных характеристик. 4.12 Присоединенные трансформаторы, используемые с электрическим бытовым прибором или оборудованием, на которые имеются соответствующие стандарты, испытывают в тех условиях, для которых предназначены данный прибор или оборудование. При этом принимаются во внимание требования соответствующих технических условий на этот прибор или оборудование. Поэтому на присоединенные трансформаторы не распространяются технические требования 4.8 - 4.10, 4.13, 5, 6.3, 6.4, 7.1, 7.3 - 7.8, 7.10 - 7.12, 8.1, 8.3 - 8.5, 8.7, 9 - 12, 13.2 (измеряют только температуры обмоток), 14.1 (второй абзац и таблица 3 не применимы), 14.3, 15, 16, 17.3 (пункты 2 и 3 таблицы 6), 18.2 - 18.10, 18.12, 18.13, 19.1, 19.2, 19.4 - 19.7, 20 - 24, 25 (пункты 1в, 3, 4, 5 и 6 таблицы 15), 26, 27 и приложения 1А. Любая ссылка на эти пункты заменяется, где это требуется, ссылкой на соответствующие разделы стандартов для данного прибора или оборудования. 4.13 Трансформаторы со степенью защиты IPОО, использование которых неизвестно, испытывают без оболочки. На эти трансформаторы не распространяются требования пунктов 8.1 и 8.3 и разделов 16 и 20. Раздел 20 применяется, если трансформатор имеет, кроме зажимов и соединительных проводов, другие наружные металлические части. 5 Номинальные величиныНоминальные величины указаны в отдельных частях II и III для различных типов трансформаторов. Примечание - Если выбирают значения, отличные от указанных как предпочтительные, рекомендуется, по возможности, принимать их кратными 10. 6 Классификация6.1 По степени защиты от поражения электрическим током трансформаторы классифицируют на классы I, II и III. Примечание - Встраиваемые трансформаторы не классифицируются. Их степень защиты от поражения электрическим током определяется тем оборудованием, в которое встроен трансформатор. 6.2 По степени защиты от коротких замыканий трансформаторы классифицируют на: - безусловно стойкие к короткому замыканию; - условно стойкие к короткому замыканию; - не стойкие к короткому замыканию; - безопасные при повреждении. 6.3 По степени защиты, обеспечиваемой оболочкой, - по ГОСТ 14254. 6.4 В зависимости от подвижности трансформаторы классифицируют на: - стационарные; - переносные; - ручные. 7 Маркировка7.1 Маркировка трансформаторов должна содержать следующие данные: - номинальное(ые) первичное(ые) напряжение(я) или диапазон(ы) номинальных первичных напряжений в вольтах; - номинальное(ые) вторичное(ые) напряжение(я) в вольтах; Примечание - На трансформаторах, объединенных с выпрямителем, должно быть указано среднеарифметическое значение номинального вторичного напряжения. Если, однако, приведено действующее значение вторичного напряжения, это должно быть оговорено; - номинальная выходная мощность, в вольт-амперах или киловольт-амперах; Примечание - На трансформаторах, объединенных с выпрямителем, выходная мощность может быть выражена в ваттах вместо вольт-амперов или киловольтамперов; - номинальный вторичный(ые) ток(и) в амперах как вариант для указания номинальной выходной мощности; - номинальная(ые) частота(ы) в герцах; - номинальный коэффициент мощности, если он не равен единице; - символ рода вторичного тока для трансформаторов, объединенных с выпрямителем; - символ, указывающий особое обращение с трансформатором (если это требуется); - предприятие-изготовитель (название фирмы или товарный знак); - номер модели предприятия-изготовителя или стандартный тип; - обозначение трансформатора класса II (только этого класса); - обозначение степени защиты IP (если она иная, чем IPОО или IP20); - расчетная максимальная температура окружающей среды (ta), если она не равна 25 °С. Примечание - Рекомендуется, чтобы значения ta были указаны ступенчато по 5 °С для ta £ 50 °С и по 10 °С для ta ³ 50 °С; - напряжение короткого замыкания, выраженное в процентах от номинального первичного напряжения, только для стационарных трансформаторов с номинальной выходной мощностью свыше 1000 В×А. Примечания 1 Если трансформатор имеет несколько вторичных обмоток, то должно обозначаться наименьшее значение напряжения короткого замыкания для различных обмоток. Рекомендуется обозначать группу соединения обмоток трехфазных трансформаторов по ГОСТ 11677. 2 Трансформаторы могут быть снабжены символами, указывающими их электрическую функцию (разделительные, безопасные разделительные трансформаторы, стойкие или не стойкие к короткому замыканию). 7.2 Для трансформаторов со степенью защиты IPОО или для присоединенных трансформаторов разрешается обозначать только название фирмы (или товарный знак) и стандартный тип (или каталожный номер), если не хватает места для маркировки. Другие характеристики данного трансформатора приводятся в сопроводительной документации. Примечание - В некоторых случаях наименование фирмы и стандартный тип могут заменяться условным обозначением. 7.3 Если трансформатор рассчитан на различные номинальные первичные напряжения, то маркировка напряжения, на которое рассчитан трансформатор, должна быть легко и ясно различима. 7.4 Маркировка трансформаторов, имеющих вторичную обмотку с несколькими ответвлениями, или трансформаторы с несколькими вторичными обмотками должны содержать обозначения: - номинальное вторичное напряжение для каждого ответвления или обмотки, если трансформатор не предназначен для специальных целей, включающих частые изменения вторичного напряжения; - номинальную мощность каждого ответвления или обмотки, если они неодинаковы в этих обмотках или ответвлениях. На трансформаторе должны быть четко указаны схемы соединений, необходимые для получения различных вторичных напряжений. 7.5 На трансформаторах, стойких к короткому замыканию, кроме того, маркируют символ, обозначающий трансформаторы, стойкие к короткому замыканию. Маркировка трансформаторов, условно стойких к короткому замыканию со встроенными плавкими предохранителями, и трансформаторов, не стойких к короткому замыканию, должна иметь, кроме того, обозначения номинального тока защитной плавкой вставки в амперах или миллиамперах и обозначение плавкого предохранителя “время-ток” (если такой применяется). Маркировка трансформаторов, условно стойких к короткому замыканию со встроенными защитными устройствами, отличными от плавких предохранителей, должна иметь дополнительно обозначения номера модели или типа устройства и номинальные характеристики устройства. Примечание - Трансформаторы, условно стойкие к короткому замыканию с незаменяемыми встроенными защитными устройствами, не маркируют дополнительными обозначениями, относящимися к защитному устройству. Маркировка должна давать достаточную информацию для правильной замены защитного устройства. Безопасные трансформаторы могут также иметь маркировку своим символом. 7.6 Зажимы, предназначенные исключительно для провода нейтрали, должны иметь маркировку символом нейтрали. Зажимы для заземления должны иметь маркировку заземления. Зажимы первичной и вторичной обмоток должны быть четко обозначены. Если какая-либо точка обмотки или зажима подсоединяется к корпусу или сердечнику, это должно быть обозначено на маркировке соответствующим символом. 7.7 Трансформаторы должны иметь четкую маркировку, ясно указывающую способ подключения трансформатора. 7.8 Для трансформаторов с типами креплений M, Y и Z инструкция должна содержать следующую информацию: - для креплений типа M: «При повреждении питающего провода данного трансформатора необходимо получить и вмонтировать специальный шнур, поставляемый изготовителем или его представителем»; - для креплений типа Y: «При повреждении питающего провода данного трансформатора трансформатор должен быть возвращен изготовителю или его представителю для замены шнура»; - для креплений типа Z: «Питающий провод данного трансформатора не может быть заменен. При повреждении шнура трансформатор подлежит списанию». 7.9 При маркировке применяют следующие символы:
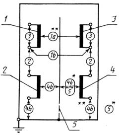
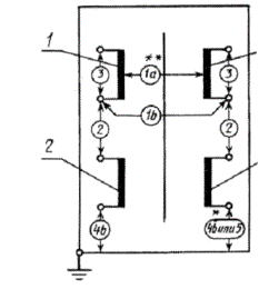
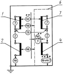
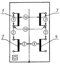
Примечание - Последние три символа можно объединить с символами для разделительных и безопасных разделительных трансформаторов.
Размеры символа для трансформатора класса II должны быть такими, чтобы длина сторон внешнего квадрата равнялась двойной длине сторон внутреннего квадрата. Длина сторон внешнего квадрата должна быть не менее 5 мм, за исключением случая, когда наибольший размер трансформатора не превышает 15 см. При этом размер символа может быть уменьшен, но длина сторон внешнего квадрата должна быть не менее 3 мм. 7.10 Различные положения регуляторов и переключателей должны быть обозначены цифрами, буквами или другими визуальными обозначениями. Если для обозначения различных положений применяются цифры, то положение “ВЫКЛ.” должно быть обозначено цифрой “0”, а положение для большей выходной мощности, входной и т.д. по мере возрастания должно быть отмечено последующими цифрами, начиная с 1. Цифру “0” не следует использовать для каких-либо других обозначений. Обозначения, применяемые для этой цели, должны быть понятными без знания языков, стандартов и т.д. 7.11 Маркировка не должна помещаться на винтах или других съемных деталях. За некоторыми исключениями, приводимыми ниже, маркировка должна быть ясно различима на подготовленном к эксплуатации трансформаторе. Маркировка, относящаяся к зажимам, должна помещаться так, чтобы ее было ясно видно после снятия крышки, если это необходимо. Она должна быть такой, чтобы нельзя было спутать входные и выходные зажимы. Маркировка взаимозаменяемых защитных устройств должна быть расположена возле их оснований так, чтобы ее было ясно видно после снятия любой крышки и защитного устройства. Символ трансформатора класса II должен быть размещен так, чтобы было ясно, что он является частью технической информации, а не заводской или торговой марки. Соответствие требованиям 7.1 - 7.11 проверяют осмотром. 7.12 Маркировка должна быть нестираемой и легко различимой. Соответствие этому требованию проверяют осмотром и протиркой маркировки вручную в течение 15 с куском ткани, смоченной водой, а затем снова в течение 15 с куском ткани, смоченной бензином. После всех испытаний, предусмотренных этим стандартом, маркировка должна оставаться различимой. Надписи не должны легко сниматься. Не должно быть никаких признаков их отслоения. Примечание - Испытание на проверку прочности маркировки находится на рассмотрении. 8 Защита от поражения электрическим током8.1 Оболочки трансформаторов не должны иметь отверстий, допускающих доступ к токоведущим частям, за исключением отверстий, необходимых для нормальной работы трансформатора. Конструкция трансформаторов, кроме трансформаторов со степенью защиты IPОО, должна обеспечивать достаточную защиту от случайного прикасания к токоведущим частям, а для трансформаторов класса II - к металлическим частям, отделенным от токоведущих частей только основной изоляцией. Это требование распространяется и на случай, когда удалены съемные части, за исключением: - частей,
которые обеспечивают доступ к токоведущим частям, соединенным с вторичной
цепью, доступной по характеру своего применения, при условии, что вторичные
напряжения холостого хода выше 33 В для переменного тока или 33 - ламп с цоколями, кроме типа Е10; - патронов плавких предохранителей типа D. Для токоведущих частей, соединенных с доступными вторичными цепями, защитная оболочка не требуется. Токоведущие
части при вторичном напряжении холостого хода, не превышающем 33 В для
переменного тока или 33 Если защита токоведущих частей от случайного прикасания обеспечивается изолирующим покрытием, оно должно выдерживать следующие испытания: а) Испытание на старение Часть с изолирующим покрытием подвергают воздействиям, описанным в ГОСТ 16962.1 при температуре (70 ± 2) °С в течение 7 сут (168 ч). После этого вида испытаний допускается данную часть охладить до комнатной температуры и проверить, нет ли признаков разрыхления, сжатия или отслоения изолирующего покрытия от основного материала. b) Испытание на удар Затем данную часть выдерживают в течение 4 ч при температуре минус (10 ± 2) °С. При этой температуре изолирующее покрытие подвергают удару, прикладываемому к любой его точке, в которой есть вероятность ослабления слоя. Удары производят с помощью ударного устройства (рисунок 2). После этого испытания изолирующее покрытие не должно быть повреждено. В частности, не должно быть трещин, заметных невооруженным глазом. с) Испытание царапанием В заключение данную часть подвергают испытанию царапанием при самой высокой температуре, достигаемой при нормальном эксплуатационном режиме. Царапины наносят с помощью закаленного стального щупа, вершина которого имеет форму конуса с углом 40 °С. Вершина имеет закругление радиусом (0,25 ± 0,02) мм. Царапины наносят путем перемещения щупа по поверхности со скоростью около 20 мм/с. При этом щуп нагружают так, чтобы вдоль его оси передавалось усилие (10 ± 0,5) Н. Царапины проводят на расстоянии не менее 5 мм друг от друга и от края образца. После этого испытания слой изолирующего покрытия не должен ни разрыхлиться, ни разделиться на части. Кроме того, он должен выдержать испытание на прочность изоляции в соответствии с разд. 17. При этом испытательное напряжение прикладывается между основным материалом и металлической фольгой, соприкасающейся с данным слоем. Это испытание можно проводить на отдельном образце части с изолирующим покрытием. Более жесткие испытания, которым необходимо подвергать изолирующие слои наружных металлических частей, находятся на рассмотрении. Изоляционные свойства лака, эмали, бумаги, хлопчатобумажной пряжи, оксидной пленки на металлических частях и заливочной массы не могут гарантировать требуемую защиту от случайного контакта с токоведущими частями. Примечание - К заливочным массам не относятся самозатвердевающие смолы. Соответствие этим требованиям проверяют осмотром и испытанием с помощью испытательного пальца, показанного на рисунке 3, в соответствии с ГОСТ 14254 для степени защиты IP2X. Кроме того, отверстия в трансформаторах классов II и I, кроме отверстий в металлических частях, подсоединенных к выводу заземления, испытывают стержнем, изображенным на черт. 4. Испытательный палец и стержень прикладывают без заметного усиления во всех возможных положениях. Отверстия, не позволяющие ввести палец, испытывают с помощью прямого разъединенного испытательного пальца тех же размеров, который прикладывают с усилием 20 Н. Если этот палец входит, то испытание повторяют обычным пальцем. При необходимости палец проталкивают в отверстие. Если разъединенный испытательный палец не входит, то прикладываемое усилие увеличивают до 30 Н. Если после этого отверстия деформируются так, что стандартный испытательный палец можно вставить без усилия, то испытание повторяют разъединенным испытательным пальцем. Не допускается касание испытательным пальцем неизолированных токоведущих частей, находящихся под напряжением или защищенных только лаком, эмалью, бумагой, хлопчатобумажной тканью, оксидной пленкой или заливочной массой. Для трансформаторов класса II не допускается соприкасание испытательного пальца с металлическими частями, отделенными от токоведущих частей только основной изоляцией. Испытательный стержень не должен касаться неизолированных токоведущих частей. Это требование не относится к цоколям ламп или штепсельным розеткам. В сомнительных случаях контакт с неизолированными токоведущими частями определяют с помощью электрического контактного индикатора при напряжении не менее 40 В. 8.2 Вторичная обмотка не должна быть присоединена ни к корпусу, ни к цепи защитного заземления, за исключением, когда это допускается стандартом на соответствующее оборудование для присоединенных трансформаторов. Соответствие проверяют осмотром. 8.3 Детали, которые обеспечивают защиту от поражения электрическим током, должны иметь необходимую механическую прочность и быть надежно закреплены при нормальной эксплуатации. Соответствие проверяют осмотром, испытанием вручную и испытаниями, предусмотренными разделом 15. 8.4 Валы рукояток, рычаги управления, ручки и т.п. не должны находиться под напряжением. Примечание - Части, находящиеся в контакте со вторичной цепью, рассматриваются как части под напряжением. 8.5 Рукоятки, рычаги управления, ручки и т.п. должны быть выполнены из изоляционного материала или покрыты дополнительной изоляцией, или же отделены от своих валов и креплений дополнительной изоляцией на случай, когда эти валы и крепления могут оказаться под напряжением в случае повреждения изоляции. Примечание - Дерево, даже пропитанное, не может служить дополнительной изоляцией. Соответствие требованиям 8.4 и 8.5 проверяют осмотром, а если необходимо, подвергают испытаниям, установленным для дополнительной изоляции. 8.6 Первичная и вторичная обмотки должны быть электрически отделены друг от друга, а конструкция должна исключать возможность как прямого, так и косвенного соединения между этими обмотками через другие металлические части. В частности, должны быть приняты меры предотвращения: - чрезмерного смещения первичных и вторичных обмоток или их витков; - чрезмерного смещения внутренних проводов или проводов для наружных соединений; - чрезмерного смещения частей обмоток или внутренних проводов в случае разрыва проводов или ослабления соединений; - перекрытия любой части изоляции между первичной и вторичной обмотками, проводами, винтами, гайками и подобными элементами, которые могут развинчиваться или отделяться. Примечание - Считают, что два независимых крепления не должны развинтиться одновременно. Соответствие проверяют осмотром, учитывая требования 8.6.1 и 8.6.3, и испытаниями, предусмотренными разделом 15. 8.6.1 Изоляция между первичной и вторичной обмоткой(ами) должна состоять из двойной изоляции и/или усиленной изоляции. При применении усиленной изоляции она должна: - выдерживать испытание на электрическую прочность, предусмотренное для усиленной изоляции в разделе 17, после испытания на влагостойкость по разделу 16; - иметь такие размеры, чтобы пути утечки, воздушные зазоры и расстояния через изоляцию соответствовали требованиям, предъявляемым к усиленной изоляции, изложенным в разделе 25; - иметь толщину не менее предусмотренной для усиленной изоляции или состоять не менее чем из трех слоев изоляции в виде тонкого листа (см. раздел 25). При применении зазубренной ленты нужно добавить не менее одного дополнительного слоя ленты, чтобы уменьшить риск совпадения зубцов двух смежных слоев. При применении изоляционной перегородки, состоящей из нескрепленных подогнанных частей, пути утечки измеряют через соединение. Если данное соединение покрывают липкой лентой, соответствующей требованиям ГОСТ 28018, требуется один слой липкой ленты с каждой стороны перегородки, чтобы уменьшить риск свертывания ленты во время работы. При применении двойной изоляции, изоляция между первичной обмоткой и промежуточной металлической частью (например железным сердечником) должна состоять из основной изоляции, а изоляция между этой промежуточной металлической частью и вторичной обмоткой должна состоять из дополнительной изоляции. Примечания 1 В случае, когда сердечник соединен с корпусом, изоляция между первичной обмоткой и корпусом, а также вторичной обмоткой и корпусом должна быть двойной или усиленной. 2 Для встроенных трансформаторов, предназначенных для специальных промышленных приборов, основная и дополнительная изоляции могут быть переставлены местами, если это дает какое-либо техническое преимущество. Основная изоляция: - должна выдерживать испытание на электрическую прочность, предусмотренное для основной изоляции в разделе 17, после испытания на влагостойкость по разделу 16; - должна иметь такие размеры, чтобы пути утечки, воздушные зазоры и расстояния через изоляцию соответствовали требованиям раздела 25 для основной изоляции; - к толщине основной изоляции специальных требований не предъявляют. Дополнительная изоляция: - должна выдерживать испытание на электрическую прочность, предусмотренное в разделе 17 для дополнительной изоляции, после испытания на влагостойкость в соответствии с разделом 16; - должна иметь такие размеры, чтобы пути утечки, зазоры и расстояния через изоляцию соответствовали требованиям раздела 25 для дополнительной изоляции; - должна иметь толщину не менее предусмотренной для дополнительной изоляции или состоять не менее чем из 3 слоев изоляции в виде тонкого листа (см. раздел 25). При применении зазубренной ленты нужно добавить не менее одного дополнительного слоя ленты, чтобы уменьшить риск совпадения зубцов двух смежных слоев. Следующие требования предъявляются только к трансформаторам, постоянно включенным в питающую сеть. Если промежуточная часть содержит металлический экран, соединенный с защитным заземлением, то изоляция между этой промежуточной металлической частью и вторичной обмоткой должна вместо условий, изложенных выше, удовлетворять соответствующим требованиям к электрической прочности, предусмотренным испытанием по разделу 17, после испытания на влагостойкость в соответствии с разделом 16. Кроме того: - металлический экран должен состоять из металлической фольги или экранирующей обмотки, простирающейся не менее чем на полную ширину одной из смежных с данным экраном обмоток; - металлический экран должен быть устроен так, чтобы его оба края не могли одновременно соприкасаться с железным сердечником (для того, чтобы избежать потерь от вихревых токов, обусловленных образованием замкнутого витка); - металлический экран и его проволочный вывод должны иметь площадь поперечного сечения достаточную, чтобы размыкающее устройство от перегрузок тока в случае пробоя изоляции размыкало цепь до того, как экран выйдет из строя; - проволочный вывод должен быть припаян к металлическому экрану или прикреплен к нему другим способом, обеспечивающим такую же надежность соединения. Примечание - Образцы конструкции обмоток приведены в приложении 1В. 8.6.2 Каждая обмотка должна представлять линейную последовательность слоев. Примечание - Это требование не исключает смешивания витков смежных слоев, 8.6.3 Последний виток каждой обмотки должен удерживаться надежным способом, например лентой или соответствующим склеивающим веществом. Когда применяются каркасы без боковых стенок, концевые витки каждого слоя должны удерживаться с помощью соответствующих надежных средств. Например, каждый слой может прокладываться изоляционным материалом, выступающим за концевые витки каждого слоя. Кроме того, обмотка: -либо пропитывается(ются) веществом горячего или холодного отверждения, полностью заполняющим промежутки и надежно герметизирующим концевые витки; - либо скрепляется(ются) в единое целое с помощью изоляционного материала. Примечание - Принимается, что два независимых крепления не могут ослабнуть одновременно. Соответствие требованиям 8.6.1 - 8.6.3 проверяют путем осмотра и испытаниями по разделам 15 - 17. 8.7 К трансформаторам не должны подключаться конденсаторы, которые соединяют электрически первичную и вторичную цепи. Соответствие проверяют осмотром. 9 Регулирование напряжения питанияСтационарные трансформаторы могут иметь диапазон номинальных первичных напряжений. Стационарные трансформаторы с несколькими номинальными первичными напряжениями должны быть сконструированы так, чтобы изменение установленного напряжения нельзя было осуществлять без применения специального инструмента. Переносные трансформаторы должны иметь только одно номинальное первичное напряжение, за исключением трансформаторов, которые не могут создавать напряжение, превышающее допустимые для него пределы, если высшее напряжение будет случайно подключено к обмотке низкого напряжения. Трансформаторы, которые рассчитаны на различные номинальные первичные напряжения, должны быть сконструированы так, чтобы установленное напряжение было легко различимо, когда трансформатор подготовлен к работе. Соответствие проверяют осмотром. Примечания: 1 Для стационарных трансформаторов это требование удовлетворяется, если для изменения установленного напряжения крышка снимается с помощью инструмента. 2 Переносной трансформатор, снабженный устройством переключения соединений, расположенным на входе, не рассматривается как трансформатор с несколькими первичными напряжениями, если первичное напряжение может изменяться не более 10 % среднего значения диапазона напряжения. 10 Вторичное напряжение и вторичный ток под нагрузкой10.1 Если трансформатор питается номинальным первичным напряжением при номинальной частоте и нагружен номинальной мощностью с номинальным коэффициентом мощности, вторичное напряжение не должно отличаться от номинального значения более чем на: 10 % для вторичного напряжения безусловно стойких к короткому замыканию трансформаторов с одним номинальным вторичным напряжением; 10 % для самого высокого вторичного напряжения безусловно стойких к короткому замыканию трансформаторов с двумя или более номинальными вторичными напряжениями; 15 % для других вторичных напряжений безусловно стойких к короткому замыканию трансформаторов с двумя или более номинальными вторичными напряжениями; 5 % для вторичных напряжений других трансформаторов. Для трансформаторов с выпрямителями указанные выше значения увеличиваются на 5 %. Соответствие проверяют путем измерения вторичного напряжения в установившемся режиме, при котором трансформатор питается номинальным первичным напряжением номинальной частоты и нагружен номинальной мощностью с номинальным коэффициентом мощности. Для трансформаторов, объединенных с выпрямителем, вторичное напряжение измеряется на зажимах цепи постоянного тока вольтметром, регулирующим среднее арифметическое значение, если специально не оговорено действующее значение (среднее квадратическое значение) (см. 7.1). Для трансформаторов с двумя или более номинальными первичными напряжениями это требование распространяется на каждое номинальное первичное напряжение. Для трансформаторов, имеющих вторичные обмотки с ответвлениями, нагрузка прикладывается к каждому отдельному ответвлению, если очевидно, что все ответвления не должны нагружаться одновременно. 10.2 Если на трансформаторе указаны номинальная выходная мощность, номинальное вторичное напряжение, номинальный вторичный ток и номинальный коэффициент мощности, то эти значения должны реально соответствовать друг другу. Соответствие проверяют расчетом. 11 Вторичное напряжение холостого ходаСоответствующие требования приведены в частях II и III настоящего стандарта для различных типов трансформаторов. Для трансформаторов, объединенных с выпрямителем, вторичные напряжения измеряются с обеих сторон выпрямителя. Вторичное напряжение измеряют на зажимах цепи вольтметром, регистрирующим среднее арифметическое значение, если специально не оговорено действующее значение (среднее квадратическое значение) см. 7.1. 12 Напряжение короткого замыканияЕсли в маркировке указано напряжение короткого замыкания, то при измерении оно не должно отклоняться более чем на 20 % от указанного значения. Соответствие проверяют измерением напряжения короткого замыкания, при этом температура трансформатора должна быть равна температуре воздуха в помещении. 13 Нагрев13.1 Трансформаторы и их опоры при нормальной эксплуатации не должны нагреваться сверх допустимых значений. Соответствие проверяют испытанием по 13.2. К обмоткам, кроме того, предъявляются следующие требования. 13.1.1 Если изготовителем не указан класс применяемого материала и не установлено значение температуры окружающей среды tа, а измеренное превышение температуры (Dt) не более приведенного в таблице 1 для материала класса А, то испытания по 13.3 не проводят. Однако, если измеренное превышение температуры больше значения, указанного в таблице 1 для материала класса А, то активные части трансформаторов (сердечник и обмотки) подвергают испытаниям по 13.3. Температуру воздуха внутри термостата или специальной камеры выбирают согласно таблице 2. При этом из таблицы 2 выбирают следующее более высокое значение превышения температуры относительно измеренного превышения температуры. 13.1.2 Если изготовителем не указан класс примененного материала, но определено значение tа, а измеренное превышение температуры не более значения, приведенного в таблице 1 для материала класса А, учитывая при этом значение tа (см. 13.2), то испытания по 13.3 не проводят. Однако, если (принимая во внимание tа) измеренное превышение температуры больше указанного в таблице 1 для материала класса А, то активные части трансформаторов (сердечник и обмотки) подвергают испытаниям по 13.3. Температуру воздуха внутри термостата или камеры выбирают согласно таблице 2 с учетом значения tа. При этом превышение температуры, выбираемое из таблицы 2, представляет следующее более высокое значение относительно рассчитанного превышения температуры. 13.1.3 Если изготовителем указан класс примененного материала, но не определено значение tа, а измеренное превышение температуры не более соответствующего значения, приведенного в таблице 1, то испытания по 13.3 не проводят. Однако, если измеренное превышение температуры больше указанного в таблице 1, то данный трансформатор рассматривают как неудовлетворяющий требованиям настоящего стандарта. 13.1.4 Если изготовителем указан класс примененного материала и определено значение tа, а измеренное превышение температуры не более соответствующего значения, приведенного в таблице 1, учитывая при этом значение tа, то испытания по 13.3 не проводят. Однако, если измеренное превышение температуры с учетом значения tа больше указанного в таблице 1, то данный трансформатор рассматривают как неудовлетворяющий требованиям настоящего стандарта. 13.2 Превышение температуры определяют при установившемся режиме в следующих условиях. Испытание и измерения проводят в положении, закрытом от потоков воздуха и имеющем такие размеры, которые не оказывают влияния на результаты испытания. Если номинальное значение tа трансформатора превышает 50 °С, то в течение испытаний температура воздуха в помещении должна поддерживаться в пределах номинального значения (tа ± 5) °С, но лучше, если она равна номинальному значению tа. Переносные трансформаторы располагают на фанерной опоре, окрашенной в матово-черный цвет. Стационарные трансформаторы монтируют как при нормальной работе на фанерной опоре, окрашенной в матово-черный цвет. Эта опора толщиной приблизительно 20 мм имеет размеры, которые превышают размеры ортогональной проекции данного образца на опору не менее чем на 200 мм. Защищенные трансформаторы, кроме исполнения IP00, испытывают в оболочках. Трансформаторы со степенью защиты IP00, применение которых неизвестно, испытывают без оболочек. Перед испытанием на нагрев трансформаторы с зажимами для креплений соединительных проводов типов M, Y, Z нужно подвергнуть испытаниям их соединение по 22.3b. Трансформатор подключают на номинальное первичное напряжение и нагружают номинальным вторичным током при номинальном коэффициенте мощности. Затем напряжение, сети повышают на 6 %. После этого повышения напряжения никаких изменений в цепи не производят. Присоединенные трансформаторы работают в тех условиях, в которых работает при нормальной эксплуатации данный электрический бытовой прибор или другое оборудование и оговоренных в технических требованиях на соответствующий прибор или оборудование. Если конструкция прибора или другого оборудования такова, что трансформатор может работать без нагрузки, то данное испытание повторяют в режиме холостого хода. Превышение температуры обмоток определяют методом сопротивления. Остальные превышения температуры определяют термопарами, подобранными и расположенными таким образом, чтобы они оказывали минимальное воздействие на температуру проверяемых деталей. При определении превышения температуры обмоток температуру окружающей среды (воздуха) измеряют на таком расстоянии от образца, при котором исключается влияние на измерение температуры. В этой точке температура воздуха не должна изменяться в течение испытания более чем на 10 °С. Термопары, применяемые для определения превышения температуры поверхности опор, закрепляют на внутренней стороне небольших медных или латунных дисков, окрашенных в черный цвет, которые находятся заподлицо с поверхностью. Превышение температуры электрической изоляции (кроме электрической изоляции обмоток) определяют на поверхности изоляции в тех местах, где повреждение могло бы привести к короткому замыканию, контакту между токоведущими частями и доступными металлическими частями или уменьшению путей утечки или воздушных зазоров ниже значений, оговоренных в разделе 25. При испытании: - для трансформаторов без маркировки tа превышение температуры не должно быть больше значений, указанных в таблице 1; - для трансформаторов с маркировкой tа сумма превышения температуры и tа не должна превышать суммы значений, приведенных в таблице 1, плюс 25 °С. Например, допустимое превышение температуры Dt обмоток для: а) трансформатора с tа = +35 °С, материал класса А: Dt + 35 £ 75 + 25, Dt £ 65 K; б) для трансформатора с tа = -10 °С, материал класса Е: Dt + (-10) £ 90 + 25, Dt £ 125 K. Кроме того, электрические соединения не должны быть ослабленными, пути утечки и воздушные зазоры не должны быть ниже значений, оговоренных в разделе 25, заливочная масса не должна вытекать, а защитные устройства от перегрузок не должны срабатывать. Таблица 1 - Значения превышения температуры при нормальной эксплуатации
Значения, указанные в таблице 1, основаны на температуре окружающей среды, обычно не превышающей 25 °С, но изредка достигающей 35 °С. Примечание - Температуры обмоток соответствуют ГОСТ 8865 и приведены в соответствие с тем фактом, что при этих испытаниях температуры представляют среднее значение, а не значения «горячей точки». Сразу же после данного испытания данный образец должен выдержать испытание на электрическую прочность в соответствии с 17.3, причем испытательное напряжение прикладывают только между первичной и вторичной обмотками. Для трансформаторов класса I следует учитывать, что другая изоляция не должна подвергаться напряжению, превышающему соответствующее ей значение, указанное в 17.3. Рекомендуется проводить измерения раздельно на каждой обмотке и определять сопротивление обмоток в конце испытаний сразу же после отключения, а затем с короткими интервалами с тем, чтобы можно было нанести на график кривую изменения сопротивления в зависимости от времени и определить сопротивление в момент отключения. Для трансформаторов с несколькими вторичными обмотками или вторичной обмоткой с несколькими ответвлениями определяющими являются наибольшие значения превышения температуры, полученные при испытаниях. Примечание - Для трансформаторов, предназначенных не для длительного режима работы, условия для данного испытания изложены в соответствующих частях. Превышение температуры обмотки рассчитывают по формуле
где х = 234,5 для меди, х = 228,1 для алюминия, Dt - превышение температуры, выше t2, R1 - сопротивление в начале испытания при температуре t1; R2 - сопротивление в конце испытания при установившемся режиме; t1 - температура воздуха в помещении в начале испытания; t2 - температура воздуха в помещении в конце испытания. В начале испытания обмотки должны иметь температуру, равную температуре воздуха в помещении. 13.3 Если требуется (см. 13.1), активные части трансформатора (сердечник и обмотки) подвергают следующему циклическому испытанию, каждый цикл которого включает испытания на нагрев, воздействие влаги и вибрации. После каждого цикла проводят измерения. Число образцов следует выбирать в соответствии с 4.2 (плюс три дополнительных образца). Эти образцы должны подвергаться десяти испытательным циклам. 13.3.1 Испытание на нагрев В зависимости от вида изоляции образцы выдерживают в термостате или специальной нагревательной камере в течение времени и при температуре, которые указаны в таблице 2. Таблица 2 - Испытательная температура и время испытания (в днях) на цикл
Температура в термостате или камере должна поддерживаться в пределах ± 3 °С. 13.3.2 Испытание на воздействие влаги После испытания на нагрев образцы в течение двух дней (48 ч) подвергают воздействию влаги согласно 16.2. 13.3.3 Испытание на воздействие вибрации Данные образцы, установленные так, чтобы оси обмоток находились в вертикальном положении, подвергают в течение 1 ч испытанию на воздействие вибрации с максимальным ускорением 1,5 при номинальной частоте. 13.3.4 Измерения После каждого цикла измеряют сопротивление изоляции согласно 17.1 и 17.2 и подвергают образцы испытанию на электрическую прочность по 17.3 и 17.4. После испытания на нагрев разрешается перед испытанием на воздействие влаги охладить трансформаторы до температуры окружающей среды (воздуха) в помещении. Испытательное напряжение для проверки изоляции по разделу 17 снижается до 35 % указанных значений, а время испытания должно быть увеличено вдвое, за исключением того, что испытания обмоток по 17.4 должны проводиться испытательным напряжением не менее 1,2-кратного от номинального напряжения питания. При этом образец рассматривают как несоответствующий требованиям испытания обмоток, если значение тока в режиме холостого хода или омическая составляющая мощности холостого хода превышает более чем на 30 % соответствующее значение, полученное при первом измерении. Если после окончания всех десяти циклов один или несколько образцов оказались поврежденными, то данный трансформатор считают не выдержавшим испытания на стойкость. В случае, если поврежден только один образец из-за пробоя между витками обмотки, это не рассматривают как несоответствие установленным требованиям и испытание может быть продолжено на оставшихся двух образцах. 14 Короткое замыкание и защита от перегрузки14.1 Трансформаторы должны оставаться безопасными при коротком замыкании или перегрузке, которые могут возникнуть при нормальной эксплуатации. Соответствие проверяют осмотром и следующими испытаниями, которые проводят сразу же после испытания по 13.2, не изменяя положение трансформатора, при напряжении 1,06 номинального первичного напряжения, а для трансформаторов, условно стойких к короткому замыканию, любым напряжением, равным от 0,94 до 1,06 номинального первичного напряжения: - для трансформаторов, безусловно стойких к короткому замыканию, испытаниями по 14.2; - для трансформаторов, условно стойких к короткому замыканию, испытаниями по 14.3; - для трансформаторов, снабженных термовыключателями без повторного автоматического включения, которые не могут восстановить ток и которые нельзя заменить, испытаниями по 14.5 как для трансформаторов безопасного типа; - для трансформаторов, не стойких к короткому замыканию, испытаниями по 14.4; - для безопасных при повреждении трансформаторов испытаниями по 14.5; - для трансформаторов, объединенных с выпрямителем, испытаниями по 14.2 и 14.3, которые проводят дважды: первый раз при коротком замыкании с одной стороны выпрямителя и второй - при коротком замыкании с другой стороны выпрямителя; - для трансформаторов с несколькими вторичными обмотками или вторичной обмоткой с несколькими ответвлениями принимают во внимание наибольшее превышение температуры. В первом случае все обмотки, которые предназначены для одновременной загрузки, нагружают на номинальную выходную мощность и затем создают в выбранной вторичной обмотке короткое замыкание. Для испытания по 14.2 - 14.4 превышение температуры не должно превышать значений, указанных в таблице 3. Таблица 3 - Максимальное значение превышения температуры при коротком замыкании и перегрузки
а) После испытаний по 14.3.3 эти значения могут быть превышены, что обусловлено тепловой инерцией трансформатора. b) Это не относится к испытаниям по 14.3.3. 14.2 Трансформаторы, безусловно стойкие к короткому замыканию, испытывают при закороченных вторичных обмотках до тех пор, пока не будет достигнут установившийся режим. 14.3 Трансформаторы, условно стойкие к короткому замыканию, испытывают следующим образом. 14.3.1 Закорачивают выходные зажимы. Встроенное защитное устройство от перегрузок должно сработать раньше, чем превышение температуры станет больше значений, приведенных в таблице 3 для напряжения питания в пределах 0,94 - 1,06 номинального первичного напряжения. 14.3.2 Если в качестве защиты применяется плавкий предохранитель, соответствующий требованиям ГОСТ Р 50339.3, или технически эквивалентный плавкий предохранитель, то трансформатор нагружают так, чтобы ток в цепи с предохранителем был равен K - номинальному току защитной плавкой вставки, маркированному на трансформаторе, где K имеет значение по таблице 4. Таблица 4
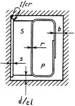
Для плавких вставок до 63 А ток поддерживают в течение 1 ч, а для плавких вставок свыше 63 А - в течение 2 ч. 14.3.3 Если в качестве защиты применяются миниатюрные плавкие предохранители, соответствующие требованиям ГОСТ 11277, или технически эквивалентные плавкие предохранители, то трансформатор нагружают в течение 30 мин так, чтобы ток в цепи предохранителя был равен 2,1 номиналъного тока плавкой вставки. 14.3.4 Если в качестве защиты применяется какое-либо защитное устройство, кроме плавкого предохранителя, то трансформатор нагружают так, чтобы ток был равен 0,95 самого малого значения тока, которое вызывает срабатывание этого устройства, до того как будет достигнут установившийся режим. 14.3.5 При испытаниях по 14.3.2 и 14.3.3 плавкую вставку заменяют вставкой с незначительным сопротивлением. При испытаниях по 14.3.4 испытательный ток пропускают при температуре окружающей среды, начиная со значения, равного 1,1 номинального тока расцепления, который медленно уменьшают ступенями через 2 % до значения, при котором защитное устройство от перегрузки не срабатывает. Примечание - Если применяются тепловые предохранители, то испытательный ток на одном образце нужно увеличить ступенями через 5 %. После каждой ступени трансформатор должен достичь установившегося режима. Так продолжают до тех пор, пока тепловая плавкая вставка не выйдет из строя. Это значение тока регистрируют. Испытание повторяют с другим образцом, устанавливая ток, равный 0,95 зарегистрированного значения. 14.4 Трансформаторы, не стойкие к коротким замыканиям, нагружают, как указано в 14.3. При этом в соответствующую первичную или вторичную цепь встраивают нужное защитное устройство, указанное изготовителем. Встроенные не стойкие к коротким замыканиям трансформаторы испытывают вместе с нужным защитным устройством, указанным изготовителем и вмонтированным в первичную или вторичную цепь, при наиболее неблагоприятных условиях, какие могут только возникнуть при нормальной эксплуатации и в самых тяжелых режимах нагрузки для данного типа оборудования или схемы, для которой предназначен этот трансформатор. Примерами тяжелых режимов нагрузки могут служить: режим длительной нагрузки, режим переменной нагрузки или временное использование. 14.5 Безопасные при повреждении трансформаторы 14.5.1 Три дополнительных образца используют только для нижеследующего испытания. Трансформаторы, которые применялись для других испытаний, этому испытанию не подвергают. Каждый из трех образцов устанавливают как при нормальной работе на фанерной опоре толщиной 20 мм, окрашенной в матово-черный цвет. Каждый трансформатор работает при напряжении, равном 1,06 номинального первичного напряжения. Вторичную обмотку трансформатора, в которой при испытании по 13.2 было самое высокое превышение температуры, первоначально нагружают так, чтобы значение тока в цепи было равно 1,5 номинального вторичного тока (или, если это невозможно, максимальному значению вторичного тока) до тех пор, пока не будет достигнут установившийся режим или пока данный трансформатор не выйдет из строя, то есть не выдержит испытание (какой из этих случаев произойдет раньше). Для трансформатора, не выдержавшего испытание, условия во время испытаний и после них должны соответствовать критериям, изложенным в 14.5.2. Если трансформатор выдерживает испытание, то регистрируют время достижения установившегося режима и затем закорачивают выбранную вторичную обмотку. Испытание продолжают до тех пор, пока трансформатор не выйдет из строя. Каждый образец должен подвергаться этой части испытания в течение времени, необходимого для достижения установившегося режима, но не более 5 ч. Трансформаторы, если выходят из строя, не должны создавать опасности для окружения, причем во время испытаний и после них условия должны соответствовать критериям, приведенным в 14.5.2. 14.5.2 В любой момент испытаний по 14.5.1: - превышение температуры любой части оболочки трансформаторов, к которой можно прикоснуться стандартным испытательным пальцем, не должно превышать 150 °С; - превышение температуры фанерной опоры нигде не должно превышать 100 °С; - трансформаторы не должны испускать огонь, расплавленный материал, раскаленные частицы или горящие капли изоляционного материала. После испытания по 14.5.1 и после охлаждения до температуры окружающей среды: - трансформаторы должны выдерживать испытание на прочность изоляции при испытательном напряжении, равном 35 % указанного в разделе 17 таблице 6 между первичной и вторичной обмотками и между первичной обмоткой и корпусом; - если есть оболочки, то они не должны иметь отверстий, допускающих возможность прикосновения к неизолированным токоведущим частям стандартным пальцем (рисунок 3). В случае сомнения контакт с неизолированными токоведущими частями определяют с помощью электрического индикатора при напряжении не менее 40 В. Если хотя бы один образец не соответствует перечисленным требованиям, то испытание рассматривается как неудовлетворительное. 15 Механическая прочность15.1 Трансформаторы должны иметь достаточную механическую прочность и сконструированы таким образом, чтобы выдерживать небрежное обращение, возможное при нормальной эксплуатации. Соответствие проверяют испытаниями по 15.2 для стационарных трансформаторов и испытаниями по 15.2 и 15.3 - для переносных трансформаторов. После испытаний трансформаторы не должны иметь никаких повреждений в пределах требований настоящего стандарта, а именно: токоведущие части не должны стать доступными при испытании стандартным испытательным пальцем (рисунок 4), изолирующие перегородки не должны быть повреждены, а рукоятки, рычаги, кнопки и т.п. не должны перемещаться на своих осях. Примечания 1 Повреждение покрытия, небольшие вмятины, которые не снижают пути утечки, или воздушные зазоры ниже значений, оговоренных в разд. 25, и небольшие сколы, которые не влияют на влагостойкость или на защиту от поражения электрическим током, не учитывают. 2 Трещины, не видимые невооруженным глазом или с коррекцией зрения, но без увеличения и трещины на поверхности пресс-изделий с армированным волокном и т.п. также не учитывают. 15.2 Трансформаторы с крышками и подобными частями прочно устанавливают на жесткой опоре и посредством пружинного устройства для испытания на удар, показанного на рисунке 2, наносят по оболочке, защищающей токоведущие части, по три удара в каждой точке, имеющей самую низкую прочность, включая рукоятки, рычаги, кнопки включения и т.п. Удары наносят спусковым конусом на испытуемую поверхность в направлении, перпендикулярном к ней. Перед нанесением ударов установочные винты оснований и крышек затягивают вращающим моментом, равным 2/3 момента, указанного в таблице 14. Части открытых трансформаторов (исполнения IP00), недоступные, когда трансформатор встроен в какой-нибудь прибор или другое оборудование, испытанию не подвергают. 15.3 Переносные трансформаторы приводят в состояние, соответствующее нормальным условиям эксплуатации, а затем подвергают 100 падениям с высоты 40 мм с частотой, не превышающей одно падение за 5 с, на гладкую стальную плиту толщиной не менее 5 мм, положенной на плоскую бетонную опору. Высоту измеряют от части образца, расположенной ближе к испытательной поверхности при подвешенном образце перед тем, как дать ему упасть. Способ освобождения образца должен обеспечивать его свободное падение из подвешенного положения при минимальном отклонении в момент освобождения. 16 Влагостойкость16.1 Оболочка трансформаторов должна обеспечить степень защиты от влаги в соответствии с классификацией трансформатора. Трансформаторы, в которых не предусмотрены соединительные провода, снабжают внешними проводами, как определено в 21.4, с наименьшей соответствующей площадью поперечного сечения, оговоренной в 22.3. Соответствие проверяют испытанием, установленным в ГОСТ 14254 при установке трансформаторов как при нормальной работе со вставленными штепсельными вилками для вторичной цепи при их наличии. Сразу после этого испытания трансформатор должен выдержать испытание на электрическую прочность согласно разделу 17, а осмотр должен показать, что вода не проникла в трансформатор в значительном количестве. 16.2 Трансформаторы должны быть стойкими к увлажнению в условиях нормальной эксплуатации. Соответствие проверяют испытанием на влагостойкость, описанным в настоящем пункте, за которым сразу же следуют испытания по разделу 17. Трансформаторы, предназначенные для применения с жестким соединением с источником питания, испытывают вместе с подсоединенным к трансформатору кабелем, но с открытыми кабельными входами. Если предусмотрены пробиваемые при монтаже отверстия для ввода проводов или кабелей, одно из них открывают. Трансформаторы, предназначенные для применения с соединительным проводом, испытывают вместе с ним при правильно подогнанных узлах соединения. Электрические детали, крышки и другие части, которые можно снять без помощи инструмента, снимают и подвергают, если это необходимо, испытанию на влагостойкость одновременно с основной частью. Испытание на влагостойкость проводят в камере влажности, содержащей воздух с относительной влажностью воздуха 91 - 95 %. Температура воздуха во всех местах, гае могут быть размещены образцы, не должна различаться более чем на 1 °С. Испытание проводят при любой удобной температуре t от 20 до 30 °С. Перед тем как поместить образец в камеру влажности, его нагревают от температуры t до (t + 4) °С. Образец выдерживают в камере в течение: - 2 сут (48 ч) для трансформаторов исполнения IP20 или ниже; - 7 сут (168 ч) для других трансформаторов. В большинстве случаев образец можно довести до заданной температуры за счет содержания его при этой температуре, по крайней мере, в течение 4 ч непосредственно перед испытанием на влагостойкость. Примечание - Относительную влажность от 91 до 95 % можно получить путем помещения в камеру влажности насыщенного водного раствора сульфата натрия (Na2SO4) или нитрата калия (KNO3), имеющего достаточно большую площадь испарения. Для того, чтобы достигнуть заданных условий внутри камеры, необходимо обеспечить постоянную циркуляцию воздуха внутри и в общем случае использовать камеру, которая термически изолирована. После этого испытания и испытаний по разделу 17 трансформатор не должен иметь никаких отклонений от требований настоящего стандарта. 17 Сопротивление изоляции и электрическая прочность17.1 Сопротивление изоляции и электрическая прочность трансформаторов должны быть достаточными. Достаточность значений этих величин проверяют испытаниями по 17.2 - 17.4, которые проводят сразу же после испытания по 16.2 в камере влажности или в помещении, в котором образец был доведен до заданной температуры, после установки на место деталей, которые ранее могли быть сняты. 17.2 Сопротивление изоляции измеряют при напряжении постоянного тока приблизительно 500 В через 1 мин после приложения напряжения. Сопротивление изоляции должно быть не меньше указанного в таблице 5. Таблица 5 - Значения сопротивления изоляции
17.3 Сразу же после испытания по 17.2 изоляцию испытывают в течение 1 мин напряжением практически синусоидальной формы при номинальной частоте. Значение испытательного напряжения и точки его приложения приведены в таблице 6. Таблица 6 - Испытательные напряжения
Первоначально прикладывают не более половины указанного напряжения, затем его быстро повышают до полного значения. В течение испытания не должно возникнуть никакого перекрытия или пробоя. При этом коронные разряды и подобные явления не учитываются. Рисунки, показывающие примеры точек приложения испытательных напряжений, приведены в приложении IC. Примечания 1 Высоковольтный трансформатор, используемый при испытании, должен обеспечить в цепи питания ток, по меньшей мере, 200 мА при закороченных вторичных выводах. Размыкающее устройство от перегрузок в цепи не должно срабатывать при токе менее 100 мА. Вольтметр, применяемый для измерения действующего значения испытательного напряжения, должен быть класса 2,5 согласно ГОСТ 8711. 2 Особое внимание при испытании нужно обратить на то, чтобы напряжение, приложенное между первичными и вторичными цепями, не перегружало другие участки изоляции. Если изготовитель указал, что между вторичной и первичной обмотками существует система двойной изоляции (от первичной обмотки к сердечнику и от сердечника к вторичной обмотке), то каждая изоляция подвергается испытаниям отдельно. Испытательное напряжение указано в п. 2 таблицы 6. Такое же напряжение прикладывается к двойной изоляции между первичной цепью и корпусом. 3 Для трансформаторов класса II как с усиленной, так и двойной изоляцией следует учитывать, чтобы прикладываемое к усиленной изоляции напряжение не перегружало основную или дополнительную изоляцию. 17.4 После испытания по 17.3 одна первичная обмотка подключается к напряжению, равному двойному номинальному первичному напряжению при удвоенной номинальной частоте, и выдерживается в течение 5 мин. При этом к трансформатору никакая нагрузка не подключена. Если необходимо, может быть применена более высокая испытательная частота, при этом продолжительность периода питания в минутах будет равна 10-кратной номинальной частоте, деленной на частоту испытания, но не менее 2 мин. Во время испытания не должно быть никакого пробоя изоляции между витками обмотки, между первичной и вторичной обмотками, между соседними первичными или вторичными обмотками или между обмотками и железным сердечником. 18 Конструкция18.1 Конструкция трансформаторов должна удовлетворять всем требованиям настоящего стандарта и быть теплостойкой, влагостойкой и ударостойкой (к механическим и магнитным ударам). Удовлетворение требованиям проверяют соответствующими испытаниями. 18.2 Легковоспламеняющиеся материалы, такие как целлулоид, не должны применяться в конструкции трансформаторов. Соответствие проверяют осмотром и, если необходимо, испытанием на горение. Непропитанные хлопок, шелк, бумага и подобный волокнистый материал не должны применяться в качестве изоляции. Воск и подобные пропитывающие вещества не должны применяться, если не принято мер, препятствующих их вытеканию. Соответствие проверяют осмотром. Примечание - Изолирующий материал считается пропитанным, если промежутки между волокнами материала практически заполнены соответствующим пропиточным материалом. 18.3 Переносные трансформаторы должны быть или стойкими к короткому замыканию, или безопасными при повреждении. Переносные трансформаторы, номинальная выходная мощность которых не превышает 630 В×А, должны быть класса II. Безопасные при повреждении трансформаторы могут быть стационарными или переносными, если иное не оговорено. Соответствие проверяют осмотром маркировки и испытаниями, установленными для трансформаторов класса II. 18.4 Конструкция трансформаторов класса II должна исключать контакт между доступными металлическими частями и металлическими оболочками питающих проводов или трубами внешних проводов. Соответствие проверяют осмотром. 18.5 Части трансформаторов класса II, которые служат в качестве дополнительной или усиленной изоляции и которые могут быть забыты при повторной сборке после текущего ремонта, должны: или закрепляться таким образом, чтобы их нельзя было снять без значительного повреждения; или иметь такую конструкцию, чтобы их нельзя было поставить на место в неправильном положении и чтобы без них трансформатор оказывался неработоспособным или явно некомплектным. Соответствие проверяют осмотром и испытанием вручную. Примечания 1 Кроме того, для внутренней проводки в качестве дополнительной изоляции можно применять оплетку, если ее закрепить надежным способом. 2 Оплетку считают надежно закрепленной, если ее можно снять только разрушив или разрезав, или если она крепится с обоих концов. 3 Текущий ремонт включает замену выключателей, защитных устройств и, если позволяет тип крепления, соединительных проводов. 4 Покрытие металлических оболочек слоем лака или другого материала, который можно легко снять шабровкой, не удовлетворяет этому требованию. 18.6 Трансформаторы класса II должны быть сконструированы так, чтобы любой провод, винт, гайка, шайба, пружина или другая подобная часть, которая ослабла или выпала из своего места, не могла при нормальной эксплуатации занять такое положение, при котором зазоры и пути утечки через дополнительную или усиленную изоляцию или расстояние между первичными и вторичными выводами стала бы ниже 50 % значений, определенных в разделе 25. Соответствие проверяют осмотром, измерением и испытанием вручную. Примечание - При оценке соблюдения данного требования: - предполагают, что два независимых крепления не ослабнут одновременно; - части, закрепленные с помощью винтов и гаек, снабженных пружинными шайбами, считают не подверженными ослаблению при условии, что эти винты и гайки не нужно снимать при замене шнура или гибкого кабеля питания или при других операциях текущего ремонта; - припаянные провода не считают удовлетворительно закрепленными, если они, кроме пайки, не закрепляются возле выводного устройства фиксатором; - провода, подсоединенные к зажимам, считают ненадежно закрепленными, если возле этого зажима нет дополнительного крепления соответствующего типа; для скрученных проводов это дополнительное крепление должно зажимать не только жилу, но и изоляцию; - считают маловероятным выпадение коротких жестких проводов из зажима, если они сохраняют свое положение при ослаблении зажимного винта. 18.7 Дополнительная и усиленная изоляции должны быть защищены или сконструированы таким образом, чтобы загрязнение не ухудшало их качества и не сокращало пути утечки и зазоры на значения ниже определенных в разделе 25. Изолирующий материал, разделяющий первичную и вторичную обмотки, и части из природного или синтетического каучука, применяемые в качестве дополнительной изоляции в трансформаторах класса II, должны быть устойчивыми к старению и расположены так, чтобы в случае возникновения в них трещин, пути утечки не были меньше значений, определенных в разделе 25. Соответствие проверяют осмотром и измерениями. Примечание - Испытание на старение находится на рассмотрении. 18.8 Если первичные и вторичные выводы для подсоединения внешних проводов расположены так, что расстояние между этими выводами меньше 25 мм, они должны быть разделены перегородкой из изолирующего материала, которая составляет одно целое с трансформатором. Соответствие проверяют осмотром. 18.9 Рукоятки, рычаги управления и подобные детали должны быть надежно закреплены так, чтобы они не отвинчивались в результате нагрева, вибрации и т.д., которые могут возникнуть при нормальной работе. Соответствие проверяют осмотром и испытаниями по разделам 13 и 15. 18.10 Крышки, обеспечивающие защиту от поражения электрическим током, должны быть прочно закреплены. Крепление должно быть выполнено, по меньшей мере, двумя независимыми элементами, на которых, по крайней мере, один требует применения инструмента. Соответствие проверяют осмотром и испытанием вручную. Примечания 1 Крышка может содержать такие элементы, как паз или скоба, которые образуют одно из требуемых крепящих средств. 2 В качестве элементов, требующих применения инструмента, могут применяться винты, кроме гаек и винтов с накаткой, даже если они имеют средства для фиксации от откручивания. 18.11 Трансформаторы, снабженные штырями, предназначенными для ввода в контактные гнезда закрепленных розеток, не должны создавать на эти розетки чрезвычайные механические нагрузки. Соответствие проверяют подключением трансформатора, как при нормальной работе, в закрепленную розетку, соответствующую требованиям ГОСТ 7396.1, причем подключение происходит при повороте розетки вокруг горизонтальной оси по центру контактных гнезд на расстоянии 8 мм позади лицевой плоскости розетки. Дополнительный крутящий момент, который должен быть приложен к розетке, чтобы поддержать ее лицевую поверхность в вертикальной плоскости, не должен превышать 0,25 Н×м. 18.12 Переносные трансформаторы, номинальная выходная мощность которых не превышает 2,5 кВ×А для однофазных трансформаторов или 6,3 кВ×А для трехфазных трансформаторов, должны иметь степень защиты IPX4 или выше. Другие переносные трансформаторы должны иметь степень защиты IPX1 или выше. Стационарные трансформаторы могут иметь любую степень защиты, если иное не оговорено в соответствующем разделе. 18.13 Трансформаторы, степень защиты которых от IP21 до IPX6 включительно, должны иметь полностью закрытую оболочку, после того как к ним подсоединены проводники, за исключением дренажного отверстия диаметром не менее 5 мм или площадью 20 мм2, при ширине не менее 3 мм. Дренажное отверстие не требуется, если трансформатор полностью заполнен изолирующими материалами, включая обмотки и сердечник. Трансформаторы, степень защиты которых IPX7 и выше, должны иметь полностью закрытую оболочку после их правильной установки. Соответствие требованиям 18.12 и 18.13 проверяют осмотром, измерением и испытаниями по 16.1. 19 Комплектующие изделия19.1 Комплектующие изделия, такие как выключатели, штепсельные вилки, предохранители, ламповые патроны, соединительные шнуры и гибкие кабели, должны отвечать требованиям соответствующего государственного стандарта в части выполненных ими функций. Испытание этих элементов в общем случае выполняют отдельно согласно соответствующему стандарту следующим образом: проверяют, чтобы указанные в маркировке номинальные характеристики составляющих элементов соответствовали условиям работы трансформатора, включая пусковой ток. После этого составляющий элемент испытывают согласно маркировке, число образцов должно соответствовать требованиям соответствующего стандарта; составляющие элементы, на которых не указаны их номинальные характеристики, испытывают в условиях, соответствующих условиям работы трансформатора, включая пусковой ток: число образцов в общем случае должно соответствовать требованиям стандарта. Примечание - Допускается, чтобы плавкие предохранители были постоянно нагружены током не более 1,1 номинального значения. Составляющие элементы, встроенные в трансформатор, подвергают всем испытаниям настоящего стандарта как часть трансформатора. Соответствие стандарту на соответствующий составляющий элемент не обязательно гарантирует соответствие требованиям настоящего стандарта. 19.2 Выключатели, предназначенные для отключения трансформатора от источника питания, должны отключать все полюса и должны иметь зазор между контактами не менее 3 мм. Требования относительно отключения всех полюсов и зазора между контактами не относятся к трансформаторам, в которых предусмотрено подключение к питающей сети с помощью соединительного шнура или гибкого кабеля и штепсельной вилки, и к трансформаторам, в инструкции которых указано, что такие средства отключения должны устанавливаться во внешних проводах. Трансформаторы не должны иметь выключателей в соединительных шнурах или гибких кабелях. Соответствие проверяют осмотром. 19.3 Штепсельные розетки во вторичной цепи не должны подходить для вилок, соответствующих ГОСТ 7396.1, а штепсельные вилки, которые могут быть введены в штепсельные розетки во вторичной цепи, не должны подходить к штепсельным розеткам, соответствующим ГОСТ 7396.1. Соответствие проверяют осмотром и испытанием вручную. 19.4 Термовыключатели, размыкающие устройства от перегрузок, другие защитные устройства должны иметь достаточную отключающую способность. Соответствие проверяют осмотром и испытанием вручную. А. Трансформатор с термовыключателем без повторного автоматического включения подключают на напряжение, равное 1,06 номинального первичного напряжения, при закороченных вторичных зажимах на время, пока не сработает термовыключатель, размыкающее устройство тока или другое защитное устройство от перегрузки. После того, как трансформатор охладится приблизительно до температуры воздуха в помещении, термовыключатель или размыкающее устройство тока включают повторно, плавкую вставку заменяют. Такой цикл операций выполняют 10 раз. В. Трансформатор с термовыключателем с повторным автоматическим включением подключают на 48 ч (2 дня) на напряжение, равное 1,06 номинального первичного напряжения; при этом вторичные зажимы замкнуты накоротко. Во время этих испытаний не должно возникать никакой постоянной дуги и не должно быть повреждений вследствие каких-либо других причин. В случае В устройство должно работать удовлетворительно. 19.5 Устройства с повторным автоматическим включением не должны применяться, если нет гарантии, что не возникнет никакой опасности (механической, электрической или другого рода) в результате их действия. Соответствие проверяют осмотром и испытанием по 19.4, испытание В. 19.6 Термовыключатели, которые могут восстанавливать исходное состояние при операции пайки, не должны применяться для защиты от перегрузки. Соответствие проверяют осмотром. 19.7 Защитные устройства от перегрузки (например плавкие предохранители) не должны срабатывать во время включения напряжения питания. Соответствие проверяют следующим испытанием. К трансформатору без нагрузки подводят напряжение, равное 1,06 номинального первичного напряжения. Затем включают и выключают напряжение питания 20 раз с интервалами примерно 10 с. Источник питания должен быть таким, чтобы при протекании тока включения не наблюдалось значительного падения напряжения. 20 Внутренняя проводка20.1 Внутренняя проводка и электрические соединения между различными частями трансформатора должны быть соответствующим образом защищены или закрыты. 20.2 Отверстия в металлических оболочках, предназначенные для прохождения изолированных проводов, должны иметь закругленные радиусом не менее 1,5 мм края или должны быть снабжены проходными втулками из изоляционного материала. 20.3 Неизолированные провода должны быть закреплены так, чтобы заданное расстояние между ними, а также расстояние между ними и оболочкой надежно сохранялось. Соответствие требований 20.1 - 20.3 проверяют осмотром. 20.4 Внутренняя проводка не должна ослабляться при подсоединении наружных проводов к первичным или вторичным зажимам. Соответствие проверяют осмотром и испытанием по 22.4. 20.5 Изолированные провода, которые при нормальном применении подвергаются превышению температуры на значения, выше предельных, приведенных в 13.2, должны иметь изоляцию из теплостойкого, негигроскопичного материала, если есть риск нарушения требований настоящего стандарта вследствие порчи изоляции. Соответствие проверяют осмотром и, если необходимо, дополнительными испытаниями; превышение температуры определяют во время испытания по 13.2. 21 Присоединение к источнику питания и внешние гибкие кабели и шнуры21.1 Для первичных и вторичных внешних проводов должны быть предусмотрены отдельные входные отверстия. Входные и выходные отверстия для внешних проводов должны быть такими, чтобы защитная оболочка шнура или кабеля не подвергалась опасности повреждения. Входные и выходные отверстия для гибких кабелей или шнуров должны быть выполнены из изоляционного материала либо должны быть предусмотрены втулки из изоляционного материала, который в условиях нормальной работы практически не подвержен старению. Отверстия втулок 1 должны иметь форму, предотвращающую повреждение шнура или кабеля. Втулки для наружных проводов должны быть надежно закреплены и должны быть выполнены 1 так, чтобы материал, в который они встроены, не повредил их. Втулки не должны выполняться из природного каучука, если они не составляют часть защитного устройства (оболочки) провода (см. 21.7). Примечание - Эти требования не исключают применения съемных втулок. Соответствие проверяют осмотром. 21.2 Стационарные трансформаторы должны быть спроектированы так, чтобы после их нормального закрепления на опоре можно было подсоединить жесткие и гибкие жилы внешних проводов. Применение штепсельного соединителя в первичной цепи стационарных трансформаторов не допускается. Пространство для проводов внутри трансформатора должно быть достаточным, чтобы беспрепятственно вводить и подсоединять провода, а крышки, если они имеются, должны устанавливаться без риска повреждения проводов или их изоляции. Должна быть обеспечена возможность подсоединения внешних проводов питания к зажимам без контакта их изоляции с токоведущими частями другой полярности, чем полярность соответствующего провода, включая токоведущие части вторичных цепей. Соответствие проверяют осмотром и испытанием на месте установки, используя провода наибольшей площади поперечного сечения, указанного в 22.3. 21.3 Переносные трансформаторы, кроме предназначенных для установки непосредственно на штепсельной розетке, должны быть снабжены соединительным проводом (см. 2.21) длиной от 2 до 4 м. Соответствие проверяют осмотром. 21.4 Требования, предъявляемые к шнурам и кабелям, применяемым для присоединения, изложены в части II и III настоящего стандарта. 21.5 Номинальная площадь поперечного сечения соединительных проводов должна быть не меньше приведенной в таблице 7. Таблица 7 - Номинальная площадь поперечного сечения питающих кабелей или соединительных шнуров
Соответствие проверяют осмотром и измерениями. 21.6 Соединительные шнуры или гибкие кабели трансформаторов класса I должны иметь жилу с желто-зеленым покрытием, которая подсоединяется к заземляющему зажиму трансформатора и к заземляющему контакту штепсельной вилки, если таковая имеется. Соединительные шнуры или гибкие кабели однофазных переносных трансформаторов, рассчитанные на первичный ток, не превышающий 16 А при номинальной выходной мощности, должны быть снабжены штепсельными вилками, соответствующими ГОСТ 7396.1. Другие переносные трансформаторы могут быть снабжены штепсельными вилками, соответствующими ГОСТ 29146.1 и ГОСТ 29146.2. Соответствие проверяют осмотром. 21.7 Соединительные провода должны присоединяться к трансформатору с помощью крепления типов X, Y, М или Z в соответствии с требованиями частей II и III (разд. 21). Соответствие проверяют осмотром и, если необходимо, испытанием вручную. 21.7.1 При креплении типа 2 совместная формовка оболочки трансформатора вместе с соединительным проводом не должна повреждать изоляцию шнура или кабеля. Соответствие проверяют осмотром. 21.7.2 Входные отверстия должны иметь такую форму или быть снабжены такими входными втулками, чтобы при вводе соединительного провода его защитная оболочка не подвергалась опасности, повреждения. Изоляция между проводом и оболочкой должна состоять из изоляции провода и, кроме того: - для трансформаторов класса I - по меньшей мере из одной разделительной изоляции; - для трансформаторов класса II - по меньшей мере из двух разделительных изоляций. Разделительная изоляция может состоять из: - оболочки соединительного провода, по меньшей мере, эквивалентной оболочке шнура или кабеля, соответствующей требованиям ГОСТ 26413.0; - прокладки из изоляционного материала, соответствующей требованиям к дополнительной изоляции; - втулки из изоляционного материала, соответствующей требованиям к дополнительной изоляции, для металлических оболочек; - оболочки из изоляционного материала; в этом случае не требуются два вида разделительной изоляции. Соответствие проверяют осмотром и испытанием вручную. 21.7.3 Вводные втулки должны: - иметь форму, предотвращающую повреждение шнура питания; - быть надежно закреплены; - не сниматься без помощи инструмента; - составлять одно целое со шнуром питания, кроме крепления типа X; - быть нерезиновыми, за исключением случаев, когда они составляют одно целое с резиновой оболочкой соединительного провода для типов крепления M, Y и Z для трансформаторов класса I. Соответствие проверяют осмотром и испытанием вручную. 21.7.4 Переносные трансформаторы должны быть снабжены защитными устройствами для соединительного провода во входном отверстии, если только ввод или втулка не имеют воронкообразного с плавным закруглением отверстия с радиусом кривизны не менее 1,5 внешнего диаметра соединительного шнура или кабеля, наибольшей площадью поперечного сечения. Защитные устройства должны: - быть сконструированы так, чтобы защитить шнур или кабель от чрезмерного изгиба в месте ввода его в трансформатор; - быть из изоляционного материала; - быть надежно закреплены; - выступать из входного отверстия трансформатора на расстояние не менее 5-кратного внешнего диаметра кабеля или 5-кратного наибольшего внешнего размера плоского соединительного шнура, поставляемых с трансформатором; - составлять одно целое с соединительным проводом, шнуром, кроме крепления типа X. Соответствие проверяют осмотром, измерением и следующим испытанием. Трансформатор испытывают с соединительным шнуром или кабелем, имеющим длину приблизительно 10 см. Трансформатор устанавливают так, чтобы ось защитного устройства в том месте, где от него отходит соединительный шнур или кабель, была отклонена вверх под углом 45° относительно горизонтальной плоскости, когда к шнуру или кабелю не приложена нагрузка. Затем к свободному концу шнура или кабеля прикрепляют массу, равную 10 D2 граммов; D (мм) равно внешнему диаметру или - для плоских шнуров - наименьшему внешнему размеру поставляемого с трансформатором шнура или кабеля. Если защитное устройство выполнено из материала, чувствительного к температуре, то испытание проводят при температуре (23 ± 2) °С. Плоские шнуры изгибают в направлении, перпендикулярном к плоскости, содержащей оси жил. Непосредственно после приложения массы радиус кривизны шнура или кабеля в любом месте не должен быть менее 1,5 В. Если защитные устройства не удовлетворяют требованиям этого пункта к размерам, то образец защитного устройства вместе с соединительным шнуром или кабелем, поставляемым с трансформатором, должен подвергаться испытанию, включающему 5000 циклов на изгиб. Защитное устройство монтируется на трансформаторе с длиной шнура или кабеля от 60 до 100 см. При стационарной установке трансформатора защитное устройство изгибают, перемещая шнур или кабель вперед и обратно в плоскости приблизительно под углом 180°. В конце этого испытания на защитном устройстве и на шнуре или кабеле не должно быть никаких признаков чрезмерного истирания или износа. 21.7.5 Трансформаторы, снабженные соединительными проводами, должны иметь такие устройства крепления, чтобы провода в местах подсоединения к трансформатору не подвергались натяжению и скручиванию и чтобы изоляция проводов была защищена от истирания. При креплении типа Х в качестве устройства крепления соединительного провода для переносных трансформаторов не должны применяться сальники, если только они не рассчитаны для зажима шнуров и кабелей всех типов и размеров, которые могут использоваться в качестве соединительных проводов. Не допускаются такие технологические приемы, как способ крепления шнура методом формования на устройствах, завязывание шнура или кабеля узлом или связывание концов бечевкой. Лабиринты и подобные устройства допускаются при условии, когда ясно, как монтируется соединительный провод. При креплении типа Х устройства крепления соединительного провода должны быть сконструированы и расположены так, чтобы: - обеспечивалась легкая замена шнура или кабеля; - было ясно, как достигается разгрузка шнура от натяжения и предотвращение скручивания проводов; - они были пригодны для различных типов соединительных шнуров и кабелей, которые могут быть присоединены, если только трансформатор не рассчитан на один тип шнура или кабеля; - соединительный шнур или кабель не касался зажимных винтов устройства крепления, если эти винты доступны или электрически соединены с доступными металлическими частями; - соединительный шнур или кабель не закреплялись металлическим винтом, который непосредственно опирается на кабель или шнур; - по крайней мере одна часть устройства крепления соединительного шнура была надежно закреплена на трансформаторе; - винты, если таковые имеются, которые завинчивают или отвинчивают при замене соединительного шнура или кабеля, не служили для крепления других элементов, если только при утере или неправильной установке этих элементов они не делают трансформатор неработоспособным или явно некомплектным или если части, которые крепятся этими винтами, можно снять без помощи инструмента при замене шнура или кабеля; - для трансформаторов класса I устройства крепления были изготовлены из изоляционного материала или снабжены изоляционной прокладкой, если в результате повреждения изоляции соединительного шнура или кабеля доступные металлические части могут оказаться под напряжением; - для трансформаторов класса II устройства крепления были изготовлены из изоляционного материала или, если они из металла, были изолированы от доступных металлических частей изоляцией, соответствующей требованиям к дополнительной изоляции. Для креплений типов M, Y и Z жилы соединительных проводов должны быть изолированы от доступных металлических частей изоляцией, соответствующей требованиям к основной изоляции для трансформаторов класса I и соответствующей требованиям к дополнительной изоляции для трансформаторов класса II. Эта изоляция может состоять из: - разделительной изоляционной перегородки, прикрепленной к устройству крепления шнура; - специальной прокладки, прикрепленной к соединительному шнуру или кабелю; - для трансформаторов класса I из оболочки, эквивалентной той, которая использована для шнура или кабеля. Для креплений типов M и Y устройства крепления должны быть сконструированы так, чтобы: - замена соединительного провода отвечала требованиям настоящего стандарта; - соединительный шнур или кабель не касались зажимных винтов устройства крепления, если эти винты доступны или электрически соединены с доступными металлическими частями; - соединительный шнур или кабель не зажимался металлическим винтом, который непосредственно опирается на шнур или кабель; - узлы в соединительном шнуре не применялись; - лабиринты и подобные устройства допускались при условии полной ясности, как должен собираться соединительный провод; - для крепления типа М было понятно, как достигнуть разгрузки натяжения соединительного провода и предотвратить скручивание жил. Соответствие проверяют осмотром и следующим испытанием. При креплении типа Х трансформатор снабжают соответствующим соединительным проводом. При этом провода вводят в зажимы, винты которых, если такие имеются, затягивают настолько, чтобы провода не могли легко изменять свое положение. Устройство крепления используют обычным способом. Его зажимные винты затягивают крутящим моментом, равным 2/3 момента, указанного в таблице 14. Испытания проводят сначала с соединительным шнуром или кабелем наиболее легкого типа с наименьшей площадью поперечного сечения, указанной в таблице 7, а затем со шнуром или с кабелем следующего более тяжелого типа с наибольшей предписанной площадью сечения, если данный трансформатор не предназначен для установки только одного типа шнура или кабеля. Для креплений типов M, Y и Z трансформатор испытывают с соединительным проводом в рабочем положении. Таблица 8 - Натяжение и крутящий момент, прикладываемые к соединительным проводам
При этом не допускается возможность введения соединительного шнура или кабеля внутрь трансформатора натяжения проводят в наиболее неблагоприятном направлении, без рывков, каждое натяжение длится 1 с. Непосредственно после этого к соединительному шнуру или кабелю прикладывают в течение 1 мин крутящий момент, значение которого указано в таблице 8. Во время испытаний соединительный шнур или кабель не должен быть поврежден. После испытаний соединительный шнур или кабель не должен быть смещен в продольном направлении более чем на 2 мм, а провода не должны переместиться в зажимах на расстояние более чем на 1 мм и не должно быть заметного натяжения в соединении. Пути утечки и зазоры не должны быть меньше значений, указанных в разделе 25. Чтобы измерить продольное смещение, перед испытанием наносят отметку на соединительный шнур или кабель, находящиеся в натянутом состоянии, на расстоянии приблизительно 20 мм от устройства крепления или другой удобной точки. После испытаний измеряют смещение отметки на шнуре или кабеле, находящемся в натянутом состоянии по отношению к устройству крепления или другой точке. 21.7.6 Отсек внутри трансформатора или часть пространства трансформатора, предусмотренные для присоединения питающих проводов: - для креплений соединительных проводов типов X, M и Y: должен быть сконструирован так, чтобы перед установкой крышки, если она имеется, можно было проверить правильность соединения и расположения проводов; должен быть сконструирован так, чтобы крышки, если они имеются, можно было установить без риска повреждения соединительных проводов и их изоляции; должен быть сконструирован так, чтобы в переносных трансформаторах неизолированный конец провода в случае выпадения его из зажима не мог войти в контакт с доступными металлическими частями, кроме креплений типов M и Y, у которых соединительный провод снабжен зажимами, исключающими выскальзывание провода; - для креплений типа Х при стационарной проводке, кроме того: должен быть достаточным для беспрепятственного введения и подсоединения проводов; должен быть сконструирован так, чтобы крышки, если они имеются, открывающие доступ к зажимам для внешних проводов, могли сниматься без помощи специального инструмента. Соответствие проверяют осмотром и испытанием вручную. 22 Зажимы для внешних проводов22.1 Трансформаторы, предназначенные для постоянного соединения со стационарной проводкой, и трансформаторы, кроме тех, что снабжены соединительными проводами с креплением типов Y и Z, должны иметь зажимы, в которых соединения обеспечиваются винтами, гайками или устройствами равной им эффективности. Для трансформаторов с креплениями типов X и M и номинальной подведенной мощностью, не превышающей 250 В.А, для присоединения внешних проводов могут применяться соединения пайкой при условии, что провод размещен и закреплен так, что фиксация его в определенном положении зависит не только от одной пайки, если при этом обеспечиваются требования к перегородкам, при которых пути утечки и воздушные зазоры между токоведущими частями и другими металлическими частями не могут сократиться менее чем до 50 % значений, указанных в разделе 25, если провод отсоединится в месте пайки. Для креплений типов Y и Z внешние провода можно соединять пайкой, сваркой, обжимом и подобными способами. Для трансформаторов класса II провод должен быть размещен и закреплен так, чтобы фиксация его в определенном положении зависела не только от пайки, обжима или сварки, если при этом обеспечиваются требования к перегородкам, при которых пути утечки, воздушные зазоры между токоведущими частями и другими металлическими частями не могут сократиться ниже 50 % значений, указанных в разделе 25, если провод отсоединится в месте пайки или сварки или если он выскользнет из обжимного соединения. Примечание - Закрепление “скобой” перед местом пайки рассматривается как подходящий способ поддержания на месте соединительного шнура или кабеля, кроме плоского двухжильного отделанного фольгой шнура, при условии, что отверстие, через которое проходит соединительный провод, не очень велико. 22.2 Винты и гайки для зажима внешних проводов должны иметь метрическую резьбу ИСО или резьбу, имеющую идентичные шаг нарезки и механическую прочность. Винты не должны применяться для крепления других элементов, кроме внутренних проводов, если последние расположены так, что не произойдет их смещения при подводе внешних проводов. Это требование распространяется как на первичные, так и на вторичные цепи, но не исключает применения штепсельных розеток во вторичной цепи. 22.3 а) Зажимы для присоединения к стационарной проводке и для крепления типа Х должны обеспечивать соединение проводов, номинальные сечения которых указаны в таблице 9. Таблица 9 - Нагрузка зажимов
Соответствие требованиям 22.1 - 22.3(а) проверяют осмотром, измерениями и присоединением шнуров и кабелей с наименьшим и наибольшим установленным сечением. 22.3 b) Зажимы для креплений типов M, Y и Z должны соответствовать требованиям для этих типов креплений. Соответствие требованиям 22.1 - 22.3(b) проверяют осмотром и натяжением соединения с усилием 5 H непосредственно перед испытанием по 13.2. 22.4 Зажимы в трансформаторах, кроме тех, что снабжены гибкими выводами для подвода питания и с креплением типа Y или Z, должны быть закреплены так, чтобы при затягивании или ослаблении зажимающих приспособлений зажимы не ослабевали и внутренние провода не подвергались натяжению, а пути утечки и электрические зазоры не уменьшались на значения, ниже установленных в разделе 25. 22.5 Зажимы в трансформаторах, кроме снабженных гибкими выводами для подвода питания и с креплениями типа Y или Z, должны быть сконструированы так, чтобы провод был зажат между металлическими поверхностями с достаточным контактным усилием без повреждения провода. Соответствие требованиям 22.4 и 22.5 проверяют осмотром и измерениями после 10-кратного натяжения и ослабления провода с наибольшим сечением, установленным в 22.3, причем прикладываемый крутящий момент равен 2/3 момента, указанного в разделе 24. Примечание - Покрытие зажимов заливочной массой без других фиксирующих средств считается недостаточным. Однако допускается использовать самозатвердевающую смолу для фиксации зажимов, которые при нормальной работе не подвергаются кручению. 22.6 В трансформаторах, которые снабжены зажимами для присоединения к стационарной проводке, и в трансформаторах с креплениями типа Х или М каждый зажим должен быть расположен рядом со своим соответствующим зажимом или зажимами различной полярности и рядом с зажимом заземления, если он имеется. Соответствие проверяют осмотром. 22.7 Панели зажимов и подобные приспособления не должны
быть доступны без применения инструмента, даже если их токоведущие части
недоступны. Однако зажимы во вторичных цепях при напряжениях холостого хода, не
превышающих 33 В для переменного тока или 33 Соответствие проверяют осмотром и испытанием вручную. 22.8 Зажимы или зажимные устройства трансформаторов с креплением типа Х или М должны быть размещены или защищены таким образом, чтобы жила многожильного провода, выступающая при монтаже проводов, не создавала опасности случайного контакта между токоведущими частями и доступными металлическими частями, а для трансформаторов класса II - между токоведущими частями и металлическими частями, отделенными от доступных металлических частей только дополнительной изоляцией. Соответствие проверяют осмотром, испытанием вручную и следующим испытанием. С конца гибкого провода, имеющего номинальную площадь поперечного сечения, установленную в разделе 21, удаляют часть изоляции длиной 8 мм. Одну проволоку многожильного провода отделяют, а остальные полностью вводят в зажим и зажимают. Свободную проволоку изгибают без повреждения изоляции во всех возможных направлениях, но без резких изгибов вокруг перегородки. Свободная проволока провода, подсоединенная к токоведущему зажиму, не должна касаться доступных металлических частей или частей, соединенных с доступными металлическими частями, а для трансформаторов класса II также любой металлической части, отделенной от доступных металлических частей только дополнительной изоляцией. Свободная проволока провода, присоединенного к зажиму заземления, не должна касаться никакой токоведущей части. 22.9 Зажимы должны быть так сконструированы и расположены, чтобы провод не мог выскользнуть при завинчивании зажимных винтов или гаек. Зажимы, предназначенные для присоединения проводов с площадью номинального поперечного сечения не более 6 мм2, не должны требовать специальной подготовки провода для выполнения правильного соединения. Это требование не относят к креплениям типов Y и Z. Соответствие проверяют осмотром зажимов и проводов после испытания по 22.4. Примечания 1 Термин «специальная подготовка провода» подразумевает пропайку проволок многожильного провода, применение кабельных наконечников, образование петель на конце провода и т.п., но не изменение формы провода перед введением его в зажим, не скручивание многожильного провода для крепления его конца. 2 Провода считают поврежденными, если на них обнаружены глубокие и острые вмятины. Зажимы колонкового типа должны иметь минимальные размеры, указанные в таблице 10, но длина резьбы в колонке может быть уменьшена, если механическая прочность достаточна и если по крайней мере два полных витка резьбы находятся в зацеплении, когда провод с наименьшей площадью поперечного сечения, установленной в 22.3, плотно прижат к основанию. Таблица 10 - Размеры зажимов колонкового типа
Если ток превышает 25 А, зажим должен иметь по меньшей мере два зажимных винта. Длина резьбы зажимного винта должна быть не менее суммы диаметра отверстия для провода и длины резьбы в колонке. Поверхность, к которой прижимают провод, не должна иметь острых вмятин и выступов. Зажимы должны быть сконструированы и размещены таким образом, чтобы конец провода, вводимый в отверстие, был виден или мог проходить за пределы резьбового отверстия на длину, равную, по меньшей мере, половине номинального диаметра винта и не менее 2,5 мм, в зависимости от того, что больше. Примечания 1 Длину резьбы в колонке измеряют до точки, где резьба впервые прерывается отверстием для провода. 2 Если резьба в колонке утоплена, то длина винтов с головкой должна быть соответственно увеличена. 3 Часть, к которой прижимают провод, не обязательно должна составлять одно целое с частью, на которой имеется зажимной винт. 22.11 Винтовые зажимы должны иметь размеры не менее приведенных в таблице 11, но длина резьбы в винтовом отверстии или гайке и длина резьбы винта могут быть уменьшены, если механическая прочность достаточна и если не менее двух полных витков резьбы находятся в зацеплении при слабо затянутом проводнике с максимальным сечением, определенным в 22.3. Винты, резьба которых имеет номинальный диаметр 8 мм или более, должны быть предусмотрены для затягивания ключом или подобным устройством. Если требуемую длину резьбы в винтовом отверстии зажима получают выдавливанием, то край резьбы должен быть достаточно гладким, а длина резьбы должна превышать в этом случае на 0,5 мм указанное минимальное значение. Длина выдавливания не должна быть более 80 % первоначальной толщины металла, если только по механической прочности не требуется большая длина. Таблица 11 - Минимальные размеры винтовых зажимов Размеры в миллиметрах
Если между головкой винта и проводом вставлена промежуточная деталь, например прижимная пластина, то длина резьбы винта должна быть соответственно увеличена, но диаметр головки винта может быть уменьшен на: 1 мм для токов, не превышающих 16 А; 2 мм для токов, превышающих 16 А. Такая промежуточная деталь должна быть защищена от вращения. Если резьба в винтовом отверстии или гайке утоплена, то длина винтов с головкой должна быть соответственно увеличена. 22.12 Зажимы под болты должны быть снабжены шайбами, размеры которых указаны в таблице 12. Таблица 12 - Размеры зажимов под болты Размеры в миллиметрах
Соответствие требованиям 22.10 - 22.12 проверяют осмотром, измерениями и, если необходимо, испытаниями по 22.9. Для номинального диаметра резьбы и разности между номинальным диаметром головки и хвостовиком винта допускается минусовое отклонение, равное 0,15 мм. Примечание - Если один или более размеров, установленных в 22.10 - 22.12, больше установленных, то остальные размеры соответственно увеличивать не требуется, но отклонения от установленных значений не должны снижать качество зажима. 22.13 Если длина резьбы в колонке винтового отверстия, гайки или длина резьбы винта меньше значений, указанных в таблице 11, или если длина выдавливания для нарезки больше 80 % первоначальной толщины металла, то механическую прочность зажима проверяют следующими испытаниями. Винты и гайки испытывают согласно 24.1, но крутящий момент доводят до 1,2-кратного установленного момента. После этого испытания на зажиме не должно быть никаких признаков повреждения, мешающих его дальнейшему применению. Затем провод снова прижимают способом, указанным в 22.4, и подвергают без рывков в течение 1 мин аксиальному натяжению, значение которого указано в таблице 13. Таблица 13 - Значение аксиального натяжения
Во время этого испытания провод не должен перемещаться в зажиме заметным образом. Примечание - Для токов более 63 А значение натяжения изучается. 22.14 Зажимные винты не должны входить в контакт, когда они отвинчены до отказа, с какой-либо доступной металлической частью или с частями, соединенными с доступными металлическими частями, а для трансформаторов класса II - также с недоступными металлическими частями. Соответствие проверяют осмотром во время испытания по 22.3. 23 Заземление23.1 Доступные металлические части трансформаторов класса I, которые могут оказаться под напряжением в случае повреждения изоляции, должны быть постоянно и надежно подсоединены к зажиму защитного заземления, расположенному внутри трансформатора. Трансформаторы класса II не должны содержать никаких устройств для заземления. Соответствие проверяют осмотром. Примечание - Если доступные металлические части отделены от токоведущих частей металлическими частями, которые подсоединены к зажиму защитного заземления или заземляющему выводу, или если они отделены от токоведущих частей двойной или усиленной изоляцией, то они не рассматриваются как попадающие под напряжение в случае повреждения изоляции. 23.2 Зажимы защитного заземления для подсоединения к стационарной проводке и зажимы защитного заземления трансформаторов с креплениями типов Х и М должны соответствовать требованиям разд. 22. Их крепежные средства должны быть эффективно защищены от случайного ослабления, и их ослабление не должно быть возможным без применения инструмента. Соответствие проверяют осмотром, испытанием вручную и испытаниями по разделу 22. Примечание - Конструкции, используемые обычно для токоведущих зажимов, за исключением зажимов колонкового типа, обеспечивают достаточную упругость, чем удовлетворяется последнее требование; для других конструкций могут быть необходимы дополнительные меры, такие как использование достаточно упругих частей, которые не могут быть сняты случайно. 23.3 Все части зажима защитного заземления должны быть такими, чтобы при контакте этих частей с медным заземляющим проводом или другого металла с этими частями не возникала опасность коррозии. Корпус зажима защитного заземления должен быть изготовлен из латуни или другого металла, не менее устойчивого к коррозии, если только он не является частью металлической рамы или оболочки, когда винты или гайки должны быть изготовлены из латуни или из другого металла, не менее устойчивого к коррозии. Если корпус зажима защитного заземления является частью рамы или оболочки, изготовленных из алюминия или алюминиевого сплава, то должны быть приняты меры предосторожности во избежание коррозии, вследствие контакта между медью и алюминием или его сплавами. Соответствие проверяют осмотром. 23.4 Штепсельные розетки во вторичной цепи не должны иметь заземляющих контактов. Соответствие проверяют осмотром. 23.5 Соединение между зажимом защитного заземления (или заземляющим выводом) и подключенными к нему частями должно иметь низкое сопротивление. Соответствие проверяют следующим испытанием. Ток, равный 1,5 номинального первичного тока или 25 А, в зависимости от того, что больше, получаемый от источника переменного тока с напряжением холостого хода не выше 12 В, пропускают поочередно через зажим защитного заземления или контакт заземления к каждой из доступных металлических частей. Примечание - Номинальный первичный ток
определяют как частное от деления номинальной выходной мощности на номинальное
первичное напряжение, а для многофазных трансформаторов - на номинальное
первичное напряжение, умноженное на Падение напряжения измеряют между зажимом защитного заземления или контактом заземления приборного ввода и доступной металлической частью, и значение сопротивления вычисляют по току и этому значению падения напряжения. Сопротивление в любом случае не должно превышать 0,1 Ом. Примечания 1 Следует обратить внимание на то, чтобы сопротивление между контактом измерительного щупа и испытуемой металлической частью не оказывало влияния на результаты испытаний. 2 При измерении сопротивления сопротивление шнура или гибкого кабеля не учитывают. 24 Винты и соединения24.1 Винтовые, электрические и другие виды соединений должны выдерживать механические нагрузки, возникающие при нормальной эксплуатации. Винты, имеющие номинальный диаметр менее 2,8 мм, предназначенные для обеспечения установленного контактного давления, а также предназначенные для подтягивания потребителем, должны ввинчиваться в металл. Винты не должны быть изготовлены из мягкого металла, склонного к текучести, как, например, цинк или алюминий. Винты из изоляционного материала должны иметь номинальный диаметр, по меньшей мере, 2,8 мм; их нельзя использовать для электрических соединений. Винты из изоляционного материала не должны применяться, если их замена металлическими винтами может повредить дополнительную или усиленную изоляцию; винты, которые могут быть удалены при замене соединительного провода, если их замена металлическими винтами может повредить основную изоляцию, также не должны применяться. Соответствие проверяют осмотром, а для винтов и гаек, предназначенных для обеспечения контактов и для подтягивания потребителем, следующим испытанием. Винты или гайки завинчивают или отвинчивают: 10 раз - для винтов, которые ввинчиваются в изоляционный материал; 5 раз - для гаек и других винтов. Винты, завинчиваемые в изоляционный материал, каждый раз полностью вывинчивают и снова завинчивают, При испытании зажимных винтов и гаек, жесткий (одно- или многожильный) провод с наибольшей площадью поперечного сечения, установленной в 22.2 для трансформаторов, предназначенных для постоянного присоединения к стационарной проводке, и гибкий провод для других случаев закрепляют в зажиме. Испытание проводят посредством специальной отвертки или ключа, прикладывая крутящий момент, указанный в таблице 14, в графах: 1 - для металлических винтов без головки, если винт при полном затягивании не поступает из отверстий; 2 - для других металлических винтов и гаек; для винтов из изоляционного материала: - имеющих шестигранную головку, расстояние между противоположными гранями которой превышает наружный диаметр резьбы, или с цилиндрической головкой и гнездом под ключ, расстояние между противоположными вершинами которого превышает 0,83 наружного диаметра резьбы; - с головкой, имеющей прямой или крестообразный шлиц, длина которого в 1,5 раза превышает внешний диаметр резьбы; 3 - для других винтов из изоляционного материала. Таблица 14 - Крутящие моменты, прикладываемые к винтам и соединениям
Провод смещают в зажиме каждый раз после отвинчивания винта или гайки. Во время испытания не должно быть никакого повреждения, которое могло бы воспрепятствовать дальнейшему использованию винтового соединения. Примечания 1 Винты, предназначенные для откручивания и закручивания при замене соединительных проводов для креплений типов Х и М, входят в группу винтов или гаек, которые подтягиваются потребителем. 2 Форма лезвия отвертки должна соответствовать головке испытуемого винта. Винты и гайки не допускается завинчивать рывками. 24.2 Длина резьбы винтов, которые ввинчивают в гайку из изоляционного материала, должна быть равна, по меньшей мере, 3 мм плюс 1/3 номинального диаметра винта, но быть не менее 8 мм. При этом должно быть гарантировано правильное введение винта в винтовое отверстие или гайку. Соответствие проверяют осмотром и испытанием по 24.1, но крутящий момент, однако, доводят до 1,2-кратного установленного момента. Примечание - Требование относительно правильного введения удовлетворено, если исключается введение винта наискось, например, посредством направляющей, предусмотренной на той части, которая крепится обратным ходом винта в гайке, или применением винта, начальные витки резьбы которого сняты. 24.3 Электрические соединения должны быть сконструированы таким образом, чтобы контактное давление не передавалось через изоляционный материал, кроме керамики или чистой слюды, за исключением случая, когда возможная усадка и деформации изоляционного материала могут быть компенсированы достаточной упругостью металлических частей. 24.4 Винты с крупным шагом (из листового металла) не следует использовать для соединения токоведущих частей, если они не находятся в непосредственном контакте друг с другом и если не предусмотрены соответствующие средства, предотвращающие самоотвинчивание. Самонарезающие винты не следует использовать для соединения токопроводящих частей, если они не образуют полную винтовую резьбу стандартного крепежного винта. Такие винты не следует использовать также пользователем или монтажником в том случае, если резьба винтов образуется высадкой в штампе. Самонарезающие винты и винты с крупным шагом могут быть использованы для обеспечения непрерывности заземления при условии, что не возникает необходимость нарушать данное соединение при нормальной эксплуатации и для каждого соединения будет использовано не менее двух винтов. Соответствие требованиям 24.3 и 24.4 проверяют осмотром. 24.5 Винты, предназначенные для механического соединения различных частей трансформатора, должны быть защищены от развенчивания, если это соединение является токопроводящим или образует часть цепи защитного заземления. Заклепки, используемые для токоведущих соединений, должны быть защищены от ослабления, если эти соединения подвергаются крутящему моменту при нормальной эксплуатации. Соответствие проверяют осмотром и испытанием вручную. Примечания 1 Пружинные шайбы и подобные детали могут обеспечить достаточную фиксацию. 2 Для заклепок применение некруглой формы стержня или соответствующего паза может обеспечить достаточную фиксацию. 3 Применение заливочной массы, которая размягчается при нагревании, обеспечивает достаточную фиксацию для тех винтовых соединений, которые не подвергают крутящему моменту при нормальной эксплуатации. 25 Пути утечки тока, воздушные зазоры и расстояния по изоляцииПути утечки и воздушные зазоры не должны быть меньше значений, указанных в таблице 15. Пути утечки и воздушные зазоры измеряют при максимальных и минимальных размерах проводов, как определено в таблице 9. Примечания 1 В приложении 10 приведены схемы, на которых показаны методы измерения путей утечки и воздушных зазоров. 2 В приложении 1Е приведены схемы, на которых показано несколько примеров выбора точек измерения путей утечки и воздушных зазоров. Таблица 15 - Пути утечки (cr), воздушные зазоры (сl) и расстояния через изоляцию, мм, (NР - среднее загрязнение; SР - сильное загрязнение)
Примечания к таблице 15: 1 Для печатной схемы значения величин, создающих опасность повреждения с точки зрения настоящего стандарта, должны быть такими же, как указаны в данной таблице для токоведущих частей. Когда печатные схемы используются только для рабочих целей, можно принять значения для основной изоляции (кривая А), приведенные в ГОСТ 12.2.006. 2 Расстояния через изоляцию, приведенные в скобках в 1с настоящей таблицы, могут применяться при условии, что изоляция имеет форму тонкого листа и состоит, по меньшей мере, из 3 слоев. Если применяется зазубренная лента, то могут потребоваться дополнительные слои (см. 8.6). Меньшие значения расстояний через изоляцию могут применяться, если испытание по 13.3 покажет, что материалы имеют достаточную механическую прочность и стойкость к старению. Для трансформаторов с номинальной выходной мощностью свыше 100 В×А применяют значения, указанные в скобках. Для трансформаторов с номинальной выходной мощностью от 25 до 100 В×А включительно значения в скобках могут быть уменьшены до 2/3 указанных в таблице. Для трансформаторов с номинальной выходной мощностью менее 25 В×А значения в скобках могут быть уменьшены до 1/3 указанных в таблице. 3 Эти значения не применяются внутри отдельной обмотки или между группами обмоток, предназначенных для соединения друг с другом; однако они обязательно применяются, если обмотки предназначены для последовательного или параллельного подключения (например для подведенных напряжений 110 В/220 В). 4 Если загрязнение создает высокую и устойчивую проводимость, вызванную, например, проводящей пылью, или дождем, или снегом, то пути утечки и воздушные зазоры должны быть увеличены дополнительно по сравнению с приведенными для сильного загрязнения. При этом минимальный воздушный зазор составляет 1,6 мм и значение X, приведенное в приложении ID и равное 4 мм. 5 Обмотки, которые герметизируют с помощью пропитки или покрывают клейкой лентой, сцепляемой с фланцами каркаса катушки, рассматривают как не имеющие путей утечки и воздушных зазоров в этих местах. 6 Требование к расстояниям через изоляцию не означает, что требуемое расстояние должно быть только по толщине твердой изоляции; оно может состоять из толщины твердой изоляции, увеличенной на один или несколько воздушных зазоров. 26 Теплостойкость, огнестойкость и стойкость к образованию токоведущих мостиков26.1 Внешние доступные части из изоляционного материала, повреждение которых может сделать трансформатор опасным для использования, должны быть достаточно теплостойкими. Соответствие проверяют, подвергая оболочки и другие внешние части из изоляционного материала испытанию на вдавливание шариком с помощью устройства, показанного на рисунке 5. Поверхность испытуемой части устанавливают в горизонтальном положении и давят стальным шариком диаметром 5 мм на эту поверхность с силой 20 Н. Испытание проводят в термокамере при температуре (75 ± 2) °С или при температуре [(40 + q) + 2] °С, где q - превышение температуры рассматриваемой части, определяемое во время испытания по 13.2, по наибольшему значению. Через 1 ч шарик удаляют с образца, который затем в течение 10 с охлаждают приблизительно до комнатной температуры путем погружения его в холодную воду. После этого измеряют диаметр отпечатка шарика, который не должен превышать 2 мм. Примечание - Это испытание не проводят на частях из керамического материала. 26.2 Внешние доступные части из изоляционного материала должны обладать достаточной огнестойкостью. Соответствие проверяют, подвергая оболочки и другие внешние доступные части испытанию, посредством электрически нагреваемой проволоки накала. 26.2.1 Описание испытания Испытание проводят для подтверждения того, что: - специальная петля из провода высокого сопротивления, которая электрически нагревается до температуры, указанной для соответствующего оборудования, при заданных условиях не вызовет воспламенения частей из изоляционного материала, или - часть из изоляционного материала, который может воспламениться при заданных условиях от электрически нагреваемой проволоки, имеет ограниченное время горения без распространения огня посредством языков пламени, горящих капель или раскаленных частиц, падающих с образца. В качестве образца следует использовать укомплектованный трансформатор, если это возможно. Если испытание нельзя проводить на укомплектованном трансформаторе, то его следует расчленить, взяв соответствующую часть. Если для проведения испытания необходимо удалить часть оболочки или вычленить определенную часть трансформатора, следует принять необходимые меры для того, чтобы условия испытаний в соответствии с настоящим стандартом существенно не отличались от условий, которые встречаются при нормальной эксплуатации в части расположения, вентиляции, эффекта температурных напряжений и возможности падения поблизости от образца искр, горящих капель или раскаленных частиц. Испытание проводят на одном образце. В случае сомнений относительно результатов испытания, его повторяют еще раз на двух образцах, которые должны выдержать это испытание. 26.2.2 Описание испытательной аппаратуры Провод накала представляет петлю определенной формы из нихромовой (80/20) проволоки диаметром 4 мм. При придании формы петле необходимо соблюдать осторожность, чтобы исключить образование мелких трещин на вершине. Для измерения температуры провода накала используют защищенную хромелъ-алюмелевую (NiCr - NiAl) термопару с наружным диаметром 0,5 мм, горячий спай которой расположен в защитной оболочке. Проволока накала и термопара показаны на рисунке 6. Оболочка изготовлена из металла, стойкого к температуре, по крайней мере, 960 °С. Термопару устанавливают в гнездовом отверстии диаметром 0,6 мм, просверленном в вершине проволоки накала, как показано на детали 2 рисунок 6. ЭДС термопары должна соответствовать требованиям ГОСТ Р 50431*. Характеристики, приведенные в этом стандарте, имеют практически линейную зависимость. Холодный спай требуется держать в тающем льду, достоверную эталонную температуру нельзя получить другим способом, например с помощью термостата. Прибор для измерения ЭДС должен быть класса точности 0,5. Проволоку накала нагревают электрическим током; для нагрева ее вершины до температуры 960 °С требуется ток от 120 до 150 А. Испытательная температура должна быть сконструирована так, чтобы проволока накала удерживалась в горизонтальной плоскости и прижималась к образцу с силой 1 Н. Это усилие должно сохраняться, когда проволока накала и образец перемещаются горизонтально относительно друг друга на расстоянии не менее 7 мм. Под тем местом, где проволока накала прикладывается к образцу, на расстоянии (200 ± 5) мм помещают кусок белой сосновой доски толщиной приблизительно 10 мм, покрытой одним слоем папиросной бумаги. Примечание - Оберточная тонкая бумага должна соответствовать ГОСТ 8273. Образец испытательного устройства показан на рисунке 7. 26.2.3 Допуски Вершина проволоки накала должна иметь температуру (650 ± 10) °С и продолжительность приложения к образцу (30 ± 1) с. 26.2.4 Предварительная подготовка Образец хранится в течение 24 ч при температуре воздуха от 15 до 35 °С и относительной влажности от 45 до 75 % до начала испытания. 26.2.5 Градуирование термопары Перед испытанием термопару градуируют при температуре 960 °С, поместив на верхнюю поверхность конца раскаленного провода фольгу из чистого серебра (99,8 %) площадью 2 мм2 и толщиной 0,06 мм. Проволоку накала нагревают и, когда серебряная фольга плавится, температура достигает 960 °С. После некоторого периода времени градуировку требуется повторить, чтобы компенсировать изменения в термопаре и в соединениях. При этом требуется соблюдать должную тщательность и обеспечить, чтобы термопара могла следовать за вершиной проволоки накала, перемещение которой обусловлено тепловым удлинением. 26.2.6 Методика испытания Испытательную аппаратуру устанавливают в темном помещении без заметных потоков воздуха, чтобы возникающее во время испытания пламя было видно. При испытании образец располагают таким образом, чтобы поверхность, контактируемая с вершиной проволоки накала, находилась в вертикальном положении. Конец проволоки накала прикладывают к той части поверхности образца, на которой при нормальной эксплуатации возможны температурные воздействия. Вершину проволоки накала прикладывают в местах наименьшего сечения, но не менее 15 мм от верхнего края образца. Этот критерий применяется в тех случаях, когда области, подвергаемые температурному воздействию во время нормальной эксплуатации, точно не указаны. При возможности вершину проволоки накала прикладывают к плоским поверхностям, а не к пазам, выбоинам, узким углублениям или острым краям. Проволоку накала нагревают электрическим током до температуры 650 °С, которую измеряют с помощью градуированной термопары. Перед началом испытания должны быть приняты меры к тому, чтобы температура и ток нагрева поддерживались постоянными в период времени не менее 60 с и чтобы в этот период или во время градуирования возможная тепловая радиация не влияла на образец. Это можно обеспечить, например, за счет достаточного расстояния или путем установки экрана. Затем вершину проволоки накала вводят в контакт с образцом на (30 ± 1) с. В течение этого периода поддерживают ток нагрева. После этого цикла проволоку накала и образец медленно разъединяют, исключая дальнейший нагрев образца и всякое перемещение воздуха, которые могли бы повлиять на результат испытания. Движение вершины проволоки накала в образце, когда ее прижимают к образцу, должно механически ограничиваться расстоянием 7 мм. Перед каждым испытанием вершину проволоки накала необходимо очистить от остатка изоляционного материала, например, с помощью щетки. 26.2.7 Наблюдения и измерения Во время прикладывания проволоки накала и в последующий период, равный 30 c, наблюдают за образцом, окружающими его частями и расположенным под ним слоем папиросной бумаги, отмечая при этом следующее: a) продолжительность (ti) от начала приложения вершины проволоки накала до момента, когда образец или слой бумаги, расположенный под ним, воспламенится; b) продолжительность (te) от начала приложения вершины проволоки накала до момента, когда пламя погаснет в течение времени приложения вершины или после ее удаления; c) максимальную высоту пламени, не принимая во внимание начало воспламенения, которое может дать высокое пламя в течение приблизительно 1 с. Высота пламени - это расстояние по вертикали, измеренное между верхним концом проволоки накала, приложенной к образцу, и видимой вершиной пламени. Считают, что образец выдержал данное испытание, если достигнуто одно из следующих условий: а) нет видимого пламени и устойчивого свечения; b) пламя или свечение образца в окружающей среде прекращаются в течение 30 с после удаления проволоки накала, т.е. tе £ ti + 30 с. Папиросная бумага не должна загореться, а доска из сосновой древесины не должна подгореть. 26.3 Части из изоляционного материала, удерживающие токоведущие части, не должны быть источником воспламенения окружения даже в случае чрезмерного нагрева или загорания, вызванного перегрузкой в результате неисправности трансформатора. Соответствие проверяют испытаниями по 26.3.1 или 26.3.2. 26.3.1 Трансформаторы безусловно стойкие к короткому замыканию и трансформаторы мощностью до 100 В×А включительно должны выдержать следующее испытание. Трансформатор устанавливают в нормальное положение, как описано в 13.2. Защитные устройства, если они имеются, должны быть отключены; плавкие предохранители заменяют вставками с пренебрежимо малым импедансом. Вторичную обмотку закорачивают и к первичной прикладывают максимальное номинальное первичное напряжение. Если трансформатор в течение 1 ч не выходит из строя, то первичное напряжение увеличивают каждые 15 мин ступенями на 10 %, пока не произойдет отказ. Трансформатор должен выйти из строя без воспламенения и плавления материалов, а оболочка, если она имеется, может быть деформирована, но должна фактически оставаться целой. Фанерная опора не должна воспламеняться. 26.3.2 Трансформаторы мощностью свыше 100 В×А должны выдержать следующее испытание. Трансформатор устанавливают в нормальное положение, как описано в 13.2. Трансформатор при номинальном первичном напряжении должен нагружаться, если возможно, 10-кратной номинальной нагрузкой со стороны выхода до тех пор, пока не прервется входная цепь трансформатора. Первичная цепь должна быть защищена плавкими предохранителями со вставками на 10-кратный номинальный ток, но не менее 16 А. Во время испытания не должно быть никакого воспламенения и капающий материал не должен зажечь фанеру или вызвать ее тление. Температура опор не должна превышать 125 °С. Для трансформаторов со степенью защиты IP00 во время испытания не должно быть никакого воспламенения или горящих капель. Для других трансформаторов пламя или горящие частицы не должны оказывать никакого влияния на окружение. 26.4 Части из изоляционного материала, удерживающие токоведущие части в определенном положении, должны быть теплостойкими и огнестойкими. Соответствие проверяют следующим испытанием. Части из изоляционного материала подвергают испытанию шариком, как описано в 26.1, но при температуре (125 ± 2) °С или [(40 + q) ± 2] °С, где q - превышение температуры этой части, определяемое во время испытания по 13.2, по наибольшему значению. Примечание - Это испытание не проводят на частях из керамического материала и на каркасах. Кроме того, части из изоляционного материала, удерживающие зажимы для внешних проводов, по которым во время нормальной работы протекает ток более 1 А, должны соответствовать требованиям 26.2 с той лишь разницей, что провод накала нагревается электрическим током до температуры 850 °С. 26.5 Для трансформаторов со степенью защиты IP, кроме IPX0, изоляционные части, удерживающие токоведущие части на месте, должны быть изготовлены из материала, обладающего стойкостью к образованию проводящих дорожек, если изоляционные части при нормальной эксплуатации подвергаются чрезмерному увлажнению или загрязнению. Для материалов, кроме керамических, соответствие проверяют следующим испытанием. Плоскую поверхность испытуемой части, по возможности не менее 15´15 мм, устанавливают в горизонтальном положении. Два электрода из платины или из другого стойкого к коррозии материала, размеры которых указаны на рисунке 8, помещают на поверхности образца так, как указано на этом чертеже, чтобы закругленные края соприкасались с образцом по всей их длине. Сила давления каждого электрода на поверхность равна примерно 1 Н. Электроды подсоединяют к источнику питания практически синусоидального тока частотой 50 - 60 Гц, напряжением 175 В. Общий импеданс цепи при замкнутых накоротко электродах устанавливают с помощью регулируемого резистора так, чтобы ток составлял (1,0 ± 0,1) А при коэффициенте мощности от 0,9 до 1. В цепь включают размыкающее устройство от перегрузок, которое должно срабатывать, когда ток 0,5 А протекает в течение 2 с. Поверхность образца между
электродами смачивают каплями раствора хлористого аммония в дистиллированной
воде. Раствор имеет объемное удельное сопротивление 400 Ом.см при 25 °С, соответствующее концентрации 0,1 %. Капли
имеют объем ( Интервал между падениями капель равен (30 ± 5) с. Между электродами не должно возникать короткое замыкание или пробой до падения не менее 50 капель. Испытание проводят на трех отдельных образцах или на трех частях, вырезанных из соответствующего компонента. Перед каждым испытанием следует проверять, чтобы электроды были чистыми, правильной формы и правильно установлены. В случае сомнения испытание повторяют, если необходимо, на новом образце. 27 Стойкость к коррозииЧасти из сплавов железа, коррозия которых может привести к нарушению безопасности трансформатора, должны быть защищены от коррозии. Соответствие проверяют следующим испытанием. С испытуемых частей удаляют всю смазку путем погружения их на 10 мин в трихлорэтан. Затем их погружают на 10 мин в 10 %-ный водный раствор хлористого аммония при температуре (20 ± 5) °С. Без высушивания, но после стряхивания оставшихся капель, эти части помещают на 10 мин в камеру, содержащую воздух, насыщенный влагой, при температуре (20 ± 5) °С. После просушки деталей в течение 10 мин в термокамере при температуре (100 ± 5) °С на их поверхностях не должно быть следов коррозии. Примечания 1 Это требование распространяется и на внешние поверхности магнитопроводов, но в этом случае защита слоем лака считается достаточной. 2 Следы коррозии на острых краях и желтоватый налет, который можно удалить вытиранием, не считают браковочным признаком. ПРИЛОЖЕНИЕ IА(обязательное) ПРОИЗВОДСТВЕННЫЕ
ИСПЫТАНИЯ
|
|||||||||||||||||||||||||||||||||||||||||||||||||||||||||||||||||||||||||||||||||||||||||||||||||||||||||||||||||||||||||||||||||||||||||||||||||||||||||||||||||||||||||||||||||||||||||||||||||||||||||||||||||||||||||||||||||||||||||||||||||||||||||||||||||||||||||||||||||||||||||||||||||||||||||||||||||||||||||||||||||||||||||||||||||||||||||||||||||||||||||||||||||||||||||||||||||||||||||||||||||||||||||||||||||||||||||||||||||||||||||||||||||||||||||||||||||||||||||||||||||||||||||||||||||||||||||||||||||||||||||||||||||||||||||||||||||||||||||||||||||||||||||||||||||||||||||||||||||||||||||||||||||||||||||||||||||||||||||||||||||||||||||||||||||||||||||||||||||||||||||||||||||||||||||||||||||||||||||||||||||||||||||||||||||||||||||||||||||||||||||||||||||||||||||||||||||||||||||||||||||||||||||||||||||||||||||||||||||||||||||||||||||||||||||||||||||||||||||||||||||||||||||||||||||||||||||||||||||||||||||||||||||||||||||||||||||||||||||||||||||||||||||||||||||||||||||||||||||||||||
|
Степень загрязнения |
Минимальные значения ширины Х канавок, мм |
|
Среднее загрязнение |
1,0 |
|
Сильное загрязнение |
1,5 |
Если соответствующий воздушный зазор менее 3 мм, то минимальная ширина пазов может быть уменьшена до значения, равного 1/2 этого зазора.
Методы измерения путей утечки тока и воздушных зазоров, применяемые в соответствии с требованиями настоящего стандарта, показаны на нижеследующих примерах. Эти примеры не учитывают различия между рабочими зазорами и пазами или между видами изоляции.
Принимаются следующие допущения:
- полагают, что любой угол считается шунтированным деталью из изоляционного материала шириной Х мм, установленной в самом неблагоприятном положении (см. пример 3);
- если расстояние между верхними кромками паза равно или больше X, то путь утечки тока измеряют вдоль контура канавки (см. пример 2);
- пути утечки тока и воздушные зазоры между частями, которые могут перемещаться относительно друг друга, измеряют в самых неблагоприятных положениях этих частей.

Условие: рассматриваемый путь включает паз с параллельными или сходящимися боковыми стенками любой глубины и шириной меньше Х мм.
Правило: путь утечки и воздушный зазор измеряют непосредственно через паз, как показано на рисунке.
* В примерах 1 - 10: ________ зазор; _ _ _ _ путь утечки тока.

Условие: рассматриваемый путь включает паз с параллельными боковыми стенками любой глубины и шириной, равной Х мм или больше.
Правило: воздушный зазор - это расстояние “прицельной прямой”. Путь утечки проходит по контуру канавки.

Условие: рассматриваемый путь включает V-образный паз с внутренним углом менее 80° и глубиной более Х мм.
Правило: зазор - это расстояние “прицельной прямой”. Путь утечки тока проходит по контуру паза, однако “шунтируют” дно паза элементом длиной - X мм.
Пример 4

Условие: рассматриваемый путь включает ребро.
Правило: воздушный зазор - это кратчайший воздушный путь поверх ребра. Путь утечки измеряют по контуру ребра.
Пример 5

Условие: рассматриваемый путь включает несклеенное соединение с пазами шириной меньше Х мм.
Правило: путь утечки тока и зазор - это расстояние «прицельной линии», как изображено на рисунке.
Пример 6

Условие: рассматриваемый путь включает несклеенное соединение с пазами шириной Х мм или более на каждой стороне.
Правило: воздушным зазором считают длину «прицельной прямой». Путь утечки проходит по контурам пазов.
Пример 7

Условие: рассматриваемый путь включает несклеенное соединение с пазами, ширина которых с одной стороны меньше Х мм, а с другой стороны равна или больше, чем Х мм.
Правило: воздушный зазор и путь утечки показаны на рисунке.
Пример 8

Условие: путь утечки через соединение меньше, чем путь утечки через перегородку.
Правило: воздушный зазор - это кратчайший путь, проходящий по воздуху на верхней части перегородки. Путь утечки проходит по контуру перегородки через канавку.
Пример 9


Зазор между головкой винта и впадиной очень мал и его не учитывают.


Зазор между головкой винта и стенкой выемки достаточно широк и его следует учитывать.
(обязательное)
Пример 1
Конструкция трансформатора класса I

i) сердечник, подсоединенный к корпусу

ii) сердечник, изолированный от корпуса
Пример 2
Конструкция трансформатора класса I с заземленным металлическим экраном

* Для разделительных трансформаторов см. часть 2, разд. 1, п. 8.2
** Для стационарных трансформаторов, кроме разделительных, 4b и 1a не измеряют.
Пример 3
Конструкция трансформатора класса II с металлической оболочкой

i) сердечник, подключенный к корпусу

ii) сердечник, изолированный от корпуса
Пример 4
Конструкция трансформатора класса II с оболочкой из изолированного материала

1 - первичная 1; 2 - первичная 2,3 - вторичная 1; 4 - вторичная 2; 5 - сердечник; 6 - экран
Примечание - Числа в кружках обозначают соответствующие пункты таблицы 15. Могут быть применены другие системы конструкции и схемы.
Часть II содержит дополнительные требования, предъявляемые к разделительным трансформаторам, и должна применяться совместно с I частью настоящего стандарта.
Часть II состоит из следующих глав:
Глава 1 Трансформаторы разделительные общего назначения, трансформаторы для электробритв и блоков питания электробритв.
Глава 2 находится на рассмотрении.
Настоящая часть II устанавливает нормы, правила и методы испытаний, которые дополняют, изменяют или исключают соответствующие разделы или пункты части I.
Номера пунктов или чертежей, которые дополняют пункты и чертежи части I, начинаются с номера 101, приложение включает номер части II, раздела (1, 2 и т.д.) и букву в алфавитном порядке (А, В и т.д.).
Область применения - по I части настоящего стандарта.
Определения - по I части настоящего стандарта со следующими дополнениями.
2.101 Трансформатор для электробритв - это разделительный трансформатор для стационарной установки и с ограниченной выходной мощностью, предназначенный для питания одновременно одной электробритвы или подобного электроприбора.
2.102 Блок питания электробритв - это трансформатор для питания электробритв, дополненный одной или несколькими розетками, позволяющими использовать одновременно только одну вилку.
Общие требования - по I части настоящего стандарта.
Общие условия испытаний - по I части настоящего стандарта.
Номинальные величины - по I части настоящего стандарта со следующими дополнениями.
5.1 Номинальное вторичное напряжение не должно превышать 250 В переменного тока для переносных однофазных трансформаторов, трансформаторов для электробритв и блоков питания электробритв и 1000 В переменного тока для других трансформаторов.
Примечание - Однако максимальное значение следует выбрать в соответствии с национальными правилами электроснабжения.
Предпочтительные значения:
110 и 220 В для переносных однофазных трансформаторов;
72, 110, 220, 380, 415, 440 и 660 В для других трансформаторов.
Примечание - Следует иметь в виду решение Технического комитета 8 МЭК, касающееся номинальных напряжений (см. ГОСТ 29322).
Предпочтительными значениями номинального вторичного напряжения для трансформаторов для электробритв и блоков питания электробритв являются: 220 - 240 и 110 - 130 В.
5.2 Номинальная выходная мощность не должна превышать 25 кВ×А для однофазных трансформаторов и 40 кВ×А для многофазных трансформаторов.
Предпочтительные значения номинальной выходной мощности:
- для однофазных трансформаторов: 25, 40, 63, 100, 160, 250, 400, 630, 1000, 1600, 2500, 4000, 6300 В×А; 10, 16 и 25 кВ×А;
- для многофазных трансформаторов: 630, 1000, 1600, 2500, 4000, 6300 В×А; 10, 16, 25 и 40 кВ×А.
Номинальная выходная мощность трансформаторов для электробритв и блоков питания электробритв должна быть не менее 20 В×А и не более 50 В×А.
5.3 Номинальное входное напряжение блоков питания электробритв не должно превышать 250 В.
Соответствие требованиям 5.1 - 5.3 проверяют осмотром маркировки.
Классификация - по I части настоящего стандарта.
Маркировка - по I части настоящего стандарта со следующими дополнениями.
7.1 Дополнение к пункту
Трансформаторы для электробритв и блоков питания электробритв должны иметь соответствующий символ. Разделительные трансформаторы общего назначения могут иметь маркировку символа, указывающего их электрическую функцию.
Примечание - Рекомендуется на разделительных трансформаторах общего назначения маркировать их электрическую функцию для того, чтобы отличить их от безопасных разделительных трансформаторов общего назначения.
7.7 Дополнение к пункту
В блоках питания электробритв, снабженных однополюсным выключателем, вывод, подсоединяемый к выключателю, должен быть ясно различим.
7.9 Дополнение к пункту
Дополнительно для трансформаторов для электробритв и блоков питания электробритв должен применяться следующий символ:
![]()
7.11 Дополнение к пункту
В блоках питания электробритв маркировка номинального(ых) вторичного(ых) напряжениями) и символа для блоков питания электробритв и трансформаторов для электробритв должна наноситься на переднюю часть оболочки так, чтобы она была видна, когда блок установлен как при нормальной работе.
Если блок питания электробритв рассчитан на различные вторичные напряжения, то выбранное вторичное напряжение должно быть ясно различимым.
Защита от поражения электрическим током - по I части настоящего стандарта со следующим дополнением.
8.2 Дополнение к пункту
Должна быть обеспечена двойная или усиленная изоляция между вторичными цепями и корпусом и между вторичными цепями и цепью защитного заземления, если она имеется.
Регулирование напряжения питания - по I части настоящего стандарта.
Вторичное напряжение и вторичный ток под нагрузкой - по I части настоящего стандарта.
Вторичное напряжение холостого хода - по I части настоящего стандарта со следующими дополнениями.
11.1 Вторичное напряжение при холостом ходе не должно
превышать 1000 В переменного тока или 1000
В пульсирующего постоянного тока, даже если независимые
вторичные обмотки, предназначенные для последовательного соединения, соединены
последовательно.
11.2 Не должно быть значительной разницы между вторичными напряжениями при холостом ходе и при номинальной выходной мощности.
Соответствие требованиям 11.1 и 11.2 проверяют измерением вторичного напряжения холостого хода при температуре окружающей среды, когда трансформатор подключен к номинальному напряжению питания при номинальной частоте.
Разность между измеренным значением и вторичным напряжением, измеренным при испытании по разделу 10, выраженная в процентах относительно второго напряжения, не должна превышать значения, указанного в таблице II.1а.
Вторичное напряжение холостого хода для трансформаторов для электробритв и блоков питания электробритв не должно превышать 275 В.
Таблица II/1a - Вторичные напряжения при холостом ходе и при номинальной выходной мощности
|
Разность между вторичными напряжениями при холостом ходе и при номинальной выходной мощности, % |
|
|
До 63 В×А включ. |
20 |
|
Св. 63 « 250 В×А « |
15 |
|
« 250 « 630 В×А « |
10 |
|
« 630 В×А |
5 |
Напряжение короткого замыкания - по I части настоящего стандарта.
Нагрев - по I части настоящего стандарта со следующим дополнением.
13.2 Дополнение к пункту
Блоки питания электробритв для скрытого монтажа устанавливают на горизонтальной поверхности соответствующих монтажных коробок скрытого типа из изоляционного материала так, чтобы лицевая сторона с розеткой находилась в вертикальной плоскости. Для испытания коробку на опору не устанавливают.
Короткое замыкание и защита от перегрузки - по I части настоящего стандарта со следующим дополнением.
14.1 Дополнение к пункту
Трансформаторы для электробритв и блоков питания электробритв должны быть безусловно или условно стойкими к коротким замыканиям; они не должны содержать предохранителей.
Механическая прочность - по I части настоящего стандарта со следующими дополнениями.
15.1 Дополнение к пункту
Соответствие требованиям механической прочности блоков питания для электробритв проверяют испытанием по 15.101.
15.101 Блоки питания электробритв подвергают ударам с помощью маятникового молотка, как указано ниже.
15.101.1 Удары по образцу наносят с помощью испытательного ударного устройства с маятником, показанного на рисунках 9 и 10.
Головка ударного элемента имеет полусферическую форму радиусом 10 мм, изготовлена из полиамида, имеющего твердость по Роквеллу Р100. Ударный элемент имеет массу (150 ± 1) г, жестко закреплен в нижнем конце стальной трубки, наружный диаметр которой равен 9 мм, а толщина стенки - 0,5 мм. Ось поворота ее верхнего конца установлена таким образом, что трубка отклоняется только в вертикальной плоскости. Ось центра вращения на (100 ± 01) мм выше оси ударного элемента.
При определении твердости полиамида головки ударного элемента по Роквеллу должны соблюдаться следующие условия:
диаметр шарика......................................... (12,7000 ± 0,0025) мм
начальная нагрузка..................................... (100 ± 2) Н
перегрузка.................................................... (500 ± 2,5) Н
Конструкция устройства такова, что для удержания трубки в горизонтальном положении нужно приложить к фронтальной плоскости ударного элемента силу от 1,9 до 2,0 Н.
Для трансформаторов, кроме трансформаторов для скрытого монтажа, образец крепят к листу фанеры, который своими краями сверху и снизу закрепляется в держателе, показанном на рисунке 11. Этот держатель изготовлен из стали или чугуна и имеет массу (10 ± 1) кг. Его устанавливают в жесткой раме с помощью шарниров. Раму крепят к прочной кирпичной, бетонной или подобной стене.
Для трансформаторов скрытого типа образец устанавливают в глухое отверстие монтажного блока, изготовленного из граба или подобного материала, как показано на рисунке 12. Монтажный блок приклеивают к листу фанеры, закрепленному в держателе.
Если блок изготовлен из дерева, то направление волокон дерева должно быть перпендикулярным к направлению удара.
Оборудование скрытого типа с винтовым креплением закрепляют винтами к проушинам, утопленным в монтажном блоке; оборудование скрытого типа с крепежными шипами крепят непосредственно к блоку с помощью шипов.
Маятниковое ударное испытательное устройство имеет такую конструкцию, что:
- образец можно разместить таким образом, чтобы точка приложения удара лежала в вертикальной плоскости, проходящей через ось центра вращения маятника;
- образец можно двигать горизонтально и поворачивать вокруг оси, перпендикулярной к поверхности фанеры;
- фанеру можно вращать вокруг вертикальной оси.
Образец устанавливают на фанере как при нормальной работе таким образом, чтобы точка приложения удара лежала в вертикальной плоскости, проходящей через ось центра вращения маятника.
Перед нанесением ударов крепежные винты оснований, крышек и подобных частей затягивают, прикладывая крутящий момент, равный 2/3 значений, указанных в таблице 14.
Допускается, чтобы ударный элемент падал с высоты, равной той, которая указана в таблице II.Ib.
Таблица II.Ib - Значения силы ударов
|
Высота падения, см ± 0,1 |
Энергия, Дж |
|
|
Накладки трансформаторов, устанавливаемых впотай и части, утопленные на глубину не менее чем на 1/4 наибольшего размера части, устанавливаемой впотай |
10 |
»0,2 |
|
Оболочки |
15 |
»0,3 |
|
Другие части |
25 |
»0,5 |
Примечание - Указанная приблизительная энергия представляет собой потенциальную энергию маятника перед его пуском.
Высота падения - это расстояние по вертикали между положением контрольной точки, когда освобождают маятник, и положением ее в момент удара. Контрольную точку отмечают на поверхности ударного элемента в месте, где линия, проходящая через точку пересечения оси стальной трубки маятника с осью ударного элемента перпендикулярна к плоскости, проходящей через обе оси, пересекает эту поверхность.
Теоретически контрольной точкой должен быть центр тяжести ударного элемента. Несколько его трудно определить, контрольную точку выбирают, как указано выше.
15.101.2 Трансформаторы подвергают десяти ударам, которые равномерно распределяют по образцу.
Пять ударов наносят следующим образом:
на трансформаторах с скрытой установкой - один удар по центру, по одному удару по каждому краю поверхности над углублением в блоке и оставшиеся два удара наносят приблизительно посредине между предыдущими ударами. При этом образец передвигают в горизонтальной плоскости;
на других трансформаторах - один удар наносят по центру, по одному удару с каждой стороны образца после того, как он был повернут вокруг вертикальной оси, насколько это было возможно, но не более чем на 60°, а остальные два удара - приблизительно посередине между предыдущими ударами.
Остальные удары наносят таким же образом после того, как образец повернут на 90° вокруг его оси, перпендикулярной к фанере.
Если трансформатор снабжен кабельными вводами, то образец устанавливают таким образом, чтобы два ряда ударов проходили как можно ближе к этим вводам и с равными промежутками.
15.101.3 После испытания образец не должен иметь никаких повреждений в пределах требований настоящего стандарта. В частности, токоведущие части не должны стать доступными.
Примечания
1 Разрушение краски, небольшие вмятины, которые не снижают пути утечки или воздушные зазоры ниже указанных в разделе 25, и небольшие изъяны, которые не влияют неблагоприятно на защиту от поражения электрическим током или от влаги, не являются браковочным признаком.
2 Трещины, не видимые невооруженным глазом, и трещины на поверхности пресс-изделий с армированным волокном и т.п. также не являются браковочным признаком.
Влагостойкость - по I части настоящего стандарта.
Сопротивление изоляции и электрическая прочность - по I части настоящего стандарта.
Конструкция - по I части настоящего стандарта со следующими дополнениями.
18.12 Дополнение к пункту
Трансформаторы для электробритв и блоков питания электробритв должны иметь степень защиты выше IPX0.
18.101 Монтажные коробки трансформаторов для электробритв или блоков питания электробритв для скрытого монтажа должны иметь вход для соединительного провода.
Соответствие проверяют осмотром.
18.102 Вторичные обмотки не должны быть соединены с корпусом трансформатора.
Соответствие проверяют осмотром и испытаниями по разделу 17.
18.103 Для переносных разделительных трансформаторов, снабженных несколькими вторичными обмотками, вторичные обмотки должны быть отделены друг от друга и каждая из них должна быть соединена с одной ей соответствующей розеткой.
Соответствие проверяют осмотром.
18.104 Блоки питания электробритв должны быть снабжены штепсельными розетками во вторичной цепи. При этом должна быть исключена возможность вставить одновременно несколько вилок.
Соответствие проверяют осмотром.
18.105 Разделительные трансформаторы должны быть сконструированы таким образом, чтобы замена ограничителя температуры, не имеющего повторного автоматического включения, без помощи инструмента была невозможна, когда токоведущие части вторичных цепей и первичной цепи доступны при замене.
Соответствие проверяют осмотром и испытанием вручную.
Комплектующие изделия - по I части настоящего стандарта со следующими дополнениями.
19.2 Дополнение к пункту
Выключатели, устанавливаемые в трансформаторах не обязательно должны быть выключателями для частого срабатывания.
Трансформаторы для электробритв и блоков питания электробритв могут быть снабжены переключателем диапазона номинальных вторичных напряжений и однополюсным выключателем в первичной цепи. Эти переключатели могут быть сконструированы с микрозазором.
Соответствие проверяют осмотром.
19.3 Дополнение к пункту
Там, где это возможно, штепсельные розетки во вторичных цепях трансформаторов должны соответствовать требованиям ГОСТ 29146.1 и ГОСТ 29146.2.
Штепсельные розетки во вторичных цепях блоков питания электробритв должны удовлетворять требованиям, изложенным в приложении II/IA этой части.
Соответствие проверяют осмотром и испытанием вручную.
19.5 Дополнение к пункту
Трансформаторы для электробритв или блоков питания электробритв могут быть снабжены размыкающими устройствами повторного автоматического включения.
Внутренняя проводка - по I части настоящего стандарта.
Присоединение к источнику питания и внешние гибкие кабели и шнуры - по I части настоящего стандарта со следующими дополнениями.
21.2 Дополнение к пункту
Блоки питания электробритв должны быть снабжены или разработаны с учетом применения их с монтажной коробкой. Они должны быть сконструированы таким образом, чтобы концы соединительного провода можно было подготовить для подключения после установки коробки на место, но перед тем, как блок устанавливают в коробку.
Блок должен быть сконструирован и изготовлен так, чтобы провода можно было свободно вводить в зажимы и чтобы внутри коробки было обеспечено необходимое пространство после установки блока, исключающее возможность изоляции проводов входить в контакт с токоведущими частями различной полярности или с движущимися частями, например, с осью поворотного выключателя.
21.4 Дополнение к пункту
Соединительные провода трансформаторов со степенью защиты IPX0 должны быть не легче, чем гибкие шнуры в обычной прочной резиновой оболочке (типа ПРС по ГОСТ 7399) или гибкие шнуры в обычной поливинилхлоридной оболочке (типы ПВС, ПВСП по ГОСТ 7399).
Соединительные провода трансформаторов со степенью защиты, кроме IPX0, должны быть не легче, чем шнуры в обычной полихлорпреновой оболочке (типа ПРМ по ГОСТ 7399).
21.7 Дополнение к пункту
Допускаются все типы креплений.
Зажимы для внешних проводов - по I части настоящего стандарта со следующим дополнением.
22.11 Дополнение к пункту
Для трансформаторов, предназначенных для электробритв и блоков питания электробритв, могут применяться винтовые зажимы номинальных размеров, приведенных в таблице 11 в скобках.
Заземление - по I части настоящего стандарта со следующим дополнением.
23.4 Дополнение к пункту
Розетки во вторичной цепи могут быть снабжены защитными контактами, которые должны подключаться к сети выравнивания потенциалов, если она имеется.
Винты и соединения - по I части настоящего стандарта.
Пути утечки тока, воздушные зазоры и расстояния по изоляции - по I части настоящего стандарта.
Теплостойкость, огнестойкость и стойкость к образованию токоведущих мостиков - по 1 части настоящего стандарта.
Стойкость к коррозии - по I части настоящего стандарта.
(обязательное)
Штепсельные розетки для блоков питания электробритв должны соответствовать требованиям ГОСТ 7396.1, лист С1а или допускать использование одного или нескольких типов вилок, соответствующих требованиям ГОСТ 7396.1, принимая во внимание, что следующие пункты указанного стандарта исключаются.
7 Этот пункт не применяется.
8 Контактные гильзы могут не соответствовать штырям вилок, имеющим номинальный диаметр 4,8 мм. В этом случае максимальный диаметр входных отверстий в крышке должен быть равен 4,5 мм, и розетка должна подходить к вилкам со штырями, имеющими номинальный диаметр 4 мм.
9 Второй абзац части I не применяется.
11 Не применяется.
12 Не применяется.
18 Не применяется.
19 Не применяется.
20 Это испытание проводят без пропускания тока.
В настоящей части приведены дополнительные требования, предъявляемые к безопасным разделительным трансформаторам, которые должны применяться совместно с I частью настоящего стандарта.
Часть III состоит из следующих глав.
Глава 1 Безопасные разделительные трансформаторы общего назначения.
Глава 2 Трансформаторы для игрушек.
Глава 3 Трансформаторы для электрических звонков.
Глава 4 Трансформаторы для светильников класса III с лампами накаливания.
Глава 5 Безопасные разделительные трансформаторы для медицинских приборов (находится на рассмотрении).
Настоящая часть III устанавливает нормы, правила и методы испытаний, которые дополняют, изменяют или исключают соответствующие разделы или пункты части I.
Номера пунктов или чертежей, которые дополняют соответствующие пункты и чертежи части I, начинаются с номера 101, приложение включает номер части III, раздела (1, 2 и т.д.) и букву в алфавитном порядке (А, В и т.д.).
Область применения - по I части настоящего стандарта.
Определения - по I части настоящего стандарта.
Общие требования - по I части настоящего стандарта.
Общие условия испытаний - по I части настоящего стандарта.
Номинальные величины - по I части настоящего стандарта со следующими дополнениями.
5.1 Номинальное вторичное напряжение не должно превышать
50 В переменного тока или 50
В пульсирующего постоянного тока.
Предпочтительные значения для вторичного номинального напряжения: 6, 12, 24 и 42 В переменного тока.
5.2 Номинальная выходная мощность не должна превышать 10 кВ×А для однофазных трансформаторов и 16 кВ×А для многофазных трансформаторов.
Предпочтительные значения номинальной выходной мощности:
- для однофазных трансформаторов: 25, 50, 63, 100, 160, 250, 400, 630, 1000, 1600, 2500, 4000, 6300, 10000 В×А;
- для многофазных трансформаторов: 630, 1000, 1600, 2500, 4000, 6300, 10000 и 16000 В×А.
Классификация - по I части настоящего стандарта.
Маркировка - по I части настоящего стандарта со следующим дополнением.
7.1 Дополнение к пункту
Безопасные разделительные трансформаторы могут дополнительно иметь маркировку соответствующего символа.
Примечание - Рекомендуется на безопасных разделительных трансформаторах общего назначения маркировать их электрическую функцию для того, чтобы отличить их от разделительных трансформаторов общего назначения.
Защита от поражения электрическим током - по I части настоящего стандарта.
Регулирование напряжения питания - по I части настоящего стандарта.
Вторичное напряжение и вторичный ток под нагрузкой - по I части настоящего стандарта.
Вторичное напряжение холостого хода - по I части настоящего стандарта со следующими дополнениями.
11.1 Вторичное напряжение холостого хода не должно
превышать 50 В переменного тока или 50
В пульсирующего постоянного тока, даже если независимые
вторичные обмотки, которые предназначены для последовательного соединения,
соединены последовательно.
11.2 Не должно быть значительной разницы между вторичными напряжениями при холостом ходе и номинальной выходной мощности.
Соответствие требованиям 11.1 и 11.2 проверяют измерением вторичного напряжения при холостом ходе.
Разность между измеренным вторичным напряжением холостого хода и вторичным напряжением, измеренным при испытании по разд. 10, выраженная в процентах относительно последнего, не должна превышать значения, указанного в таблице III.1а.
Таблица III.1а - Вторичные напряжения холостого хода при номинальной выходной мощности
|
Разность между вторичными напряжениями холостого хода и напряжением при номин. мощности, % |
Тип трансформатора |
Разность между вторичными напряжениями холостого хода и напряжением при номин. мощности, % |
|
|
Трансформаторы, безусловно стойкие к короткому замыканию: |
|
Другие трансформаторы: |
|
|
До 63 В×А включ. |
100 |
До 10 В×А включ. |
100 |
|
св. 63 « 630 В×А « |
50 |
Св. 10 « 25 В×А « |
50 |
|
« 630 В×А |
20 |
« 25 « 63 В×А « |
20 |
|
|
|
« 63 « 250 В×А « |
15 |
|
|
|
« 250 « 630 В×А « |
10 |
|
|
|
« 630 В×А |
5 |
Для трансформаторов с вторичной обмоткой, имеющей несколько ответвлений, или с несколькими вторичными обмотками, которые не маркируются, вторичное напряжение холостого хода измеряют для самого высокого напряжения регулирующего устройства.
Напряжение короткого замыкания - по I части настоящего стандарта.
Нагрев - по I части настоящего стандарта.
Короткое замыкание и защита от перегрузки - по I части настоящего стандарта.
Механическая прочность - по I части настоящего стандарта.
Влагостойкость - по I части настоящего стандарта.
Сопротивление изоляции и электрическая прочность - по I части настоящего стандарта.
Конструкция - по I части настоящего стандарта.
Комплектующие изделия - по I части настоящего стандарта.
Внутренняя проводка - по I части настоящего стандарта.
Присоединение к источнику питания и внешние гибкие кабели и шнуры - по I части настоящего стандарта со следующими дополнениями.
21.4 Дополнение к пункту
Соединительные питающие провода трансформаторов со степенью защиты IPX0 должны быть не легче, чем гибкие шнуры в обычной прочной резиновой оболочке (типа ПРС по ГОСТ 7399) или гибкие шнуры в обычной поливинилхлоридной оболочке (типа ПВСП по ГОСТ 7399).
Силовые питающие провода трансформаторов со степенью защиты, кроме IPX0, должны быть не легче, чем шнуры в обычной полихлоропреновой оболочке (типа ПРМ по ГОСТ 7399).
21.7 Дополнение к пункту
Допускаются все типы креплений.
Зажимы для внешних проводов - по I части настоящего стандарта.
Заземление - по I части настоящего стандарта.
Винты и соединения - по I части настоящего стандарта.
Пути утечки тока, воздушные зазоры и расстояния по изоляции - по I части настоящего стандарта.
26 Теплостойкость, огнестойкость и стойкость к образованию токоведущих мостиков
Теплостойкость, огнестойкость и стойкость к образованию токоведущих мостиков - по I части настоящего стандарта.
Стойкость к коррозии - по I части настоящего стандарта.
Область применения - по I части настоящего стандарта.
Определения - по I части настоящего стандарта со следующим дополнением.
2.101 Трансформатор для игрушек - это безопасный разделительный трансформатор, предназначенный для питания игрушек, функционирующих при безопасном сверхнизком напряжении.
Общие требования - по I части настоящего стандарта.
Общие условия испытаний - по I части настоящего стандарта.
Номинальные величины - по I части настоящего стандарта со следующими дополнениями.
5.1 Номинальное вторичное напряжение не должно превышать
24 В переменного тока или 24
В пульсирующего постоянного тока.
5.2 Номинальная выходная мощность не должна превышать 200 В×А или 200 Вт.
5.3 Номинальное первичное напряжение не должно превышать 250 В.
Классификация - по I части настоящего стандарта.
Маркировка - по I части настоящего стандарта со следующими дополнениями.
7.1 Дополнение к пункту
Трансформаторы для игрушек должны быть промаркированы соответствующим символом.
7.9 Дополнение к пункту
Кроме того, для трансформаторов для игрушек должен применяться символ:
![]()
Защита от поражения электрическим током - по I части настоящего стандарта со следующим дополнением.
8.1 Дополнение к пункту
К токоведущим частям первичной цепи или к металлическим частям, отделенным от токоведущих частей только основной изоляцией, не должно быть доступа даже после удаления крышек и т.д., которые могут быть сняты с помощью обычных инструментов, таких как плоскогубцы или отвертки.
Регулирование напряжения питания - по I части настоящего стандарта со следующим дополнением.
Трансформаторы для игрушек должны иметь только одно номинальное напряжение питания.
Вторичное напряжение и вторичный ток под нагрузкой - по I части настоящего стандарта со следующим дополнением.
10.1 Дополнение к пункту
Когда трансформатор подключают к номинальному напряжению питания номинальной частоты и нагружают полным сопротивлением, которое обеспечивает номинальную частоту и номинальное вторичное напряжение для переменного тока при номинальном коэффициенте мощности, вторичное напряжение не должно отличаться от номинального значения более чем на 10 % для переменного тока или 15 % для постоянного тока. Это требование распространяется на все вторичные обмотки и их ответвления.
Вторичное напряжение холостого хода - по I части настоящего стандарта со следующими дополнениями.
11.1 Вторичное напряжение холостого хода не должно
превышать 33 В переменного тока или 33
В пульсирующего постоянного тока, даже, если независимые
вторичные обмотки соединены последовательно.
11.2 Не должно быть значительной разницы между вторичными напряжениями при холостом ходе и при номинальной выходной мощности.
Соответствие требованиям 11.1 и 11.2 проверяют измерением вторичного напряжения при холостом ходе.
Разность между измеренным вторичным напряжением холостого хода и вторичным напряжением, измеренным при напряжении по разделу 10, выраженная в процентах относительно последнего, не должна превышать значения, указанного в таблице III.2а.
Таблица III.2а - Вторичные напряжения при холостом ходе и при номинальной выходной мощности
|
Разность между вторичными напряжениями переменного или постоянного тока при холостом ходе и при номинальной выходной мощности, % |
|
|
Для всех видов трансформаторов: |
|
|
до 63 В×А включ. |
100 |
|
св. 63 до 200 В×А включ. |
80 |
Для трансформаторов с регуляторами регулирующее устройство при измерении должно быть установлено на самое высокое напряжение.
Нагрев - по I части настоящего стандарта.
Короткое замыкание и защита от перегрузки - по I части настоящего стандарта со следующими дополнениями.
14.1 Дополнение к пункту
Трансформаторы для игрушек должны быть или стойкими к короткому замыканию, или безопасной конструкции. Трансформаторы, стойкие к короткому замыканию, должны выдерживать перегрузки, которые могут возникать при обычной эксплуатации. Они не должны содержать предохранителей.
Если ток короткого замыкания превышает 20 А, то в первичную цепь должно быть встроено размыкающее устройство от перегрузок тока без повторного автоматического включения.
14.3 Дополнение к пункту
Трансформаторы для игрушек с током короткого замыкания, превышающим 20 А, подключают к первичному номинальному напряжению в холодном состоянии, а вторичные цепи замыкают накоротко.
Если у трансформатора несколько вторичных цепей, то при необходимости их закорачивают по очереди.
Размыкающее устройство от перегрузок должно срабатывать в течение 1 с.
14.5.2 Дополнение к пункту
Для безопасных разделительных трансформаторов для игрушек превышение температуры любой точки оболочки трансформатора, к которой можно прикоснуться стандартным испытательным пальцем, не должно быть более 75 °С.
Механическая прочность - по I части настоящего стандарта со следующим дополнением.
15.101 Трансформаторы для игрушек дополнительно подвергают следующему испытанию.
Трансформатор подвергают испытанию на удар, при котором его ударяют о стальной прямоугольник, прикрепленный к прочной кирпичной, каменной, бетонной или подобной стене, как показано на рисунке 13.
Прямоугольник размером 40´40´5 мм с закругленными выступами радиусом 5 мм монтируют к стене или, если необходимо, к стальной опорной колодке, которая в свою очередь укреплена на стене.
Трансформатор подвешивают за соединительный шнур или гибкий кабель так, чтобы он опирался на выступ прямоугольника; точка подвешивания шнура находится на 1 м выше выступа прямоугольника в плоскости, перпендикулярной к стене, на высоту 40 см.
Трансформатор опускают на прямоугольник. Для прямоугольных и других трансформаторов наносят по одному удару по каждой из четырех сторон и по каждому из четырех углов.
Стальная опорная колодка необходима только в том случае, если форма трансформатора такова, что без нее трансформатор не ударится о прямоугольник.
Кроме того, трансформатор, подвешенный на своем гибком кабеле или шнуре, свободно опускают с высоты 40 см на стальную пластину толщиной не менее 5 мм, расположенную на ровном бетонном основании.
После испытания трансформатор не должен иметь никаких повреждений в пределах требований настоящего стандарта. В частности, токоведущие части не должны стать доступными.
Влагостойкость - по I части настоящего стандарта.
Сопротивление изоляции и электрическая прочность - по I части настоящего стандарта.
Конструкция - по I части настоящего стандарта со следующими дополнениями.
18.1 Дополнение к пункту
Трансформаторы для игрушек должны быть класса II.
18.12 Дополнение к пункту
Трансформаторы для игрушек должны иметь степень защиты IP40 или выше, за исключением выходных зажимов.
Переносные трансформаторы для игрушек должны иметь степень защиты IP44 или выше.
Трансформаторы для игрушек, предназначенные для наружного использования, должны иметь степень защиты IP67 или выше.
Соответствие проверяют испытаниями по ГОСТ 14254.
18.101 Трансформаторы с зажимами для переменного тока во вторичной цепи, подключение к сети которых предусмотрено с помощью соединительных шнуров или гибких кабелей со штепсельными вилками, предназначенными для ввода в закрепленную розетку, должны быть сконструированы так, чтобы когда вторичные цепи двух или более трансформаторов соединяются вместе, и одна вилка подключается к сети, а другие не включаются в сеть, напряжение между неизолированными штырями этих последних вилок не должно превышать 33 В переменного тока.
Соответствие проверяют измерением напряжения между штырями штепсельной вилки.
Если требование о том, чтобы напряжение между неизолированными штырями вилки не превышало 33 В переменного тока, не может быть удовлетворено, прямо на трансформаторе или в инструкции, поставляемой с трансформатором, должна быть произведена предупреждающая запись на официальном(ых) языке(ах) той страны, в которую запланировано продать этот трансформатор.
Примечание - В качестве примера приводится следующий текст: «Предупреждение: выходные зажимы двух и более трансформаторов не должны подключаться к цепям, которые могут случайно соединиться между собой.»
Комплектующие изделия - по I части настоящего стандарта со следующими дополнениями.
19.4 Дополнение к пункту
Для ограничителей температуры без повторного автоматического включения и для размыкающих устройств от перегрузок без повторного автоматического включения число циклов срабатывания возрастает до 1000.
19.101 Термовыключатели без самовозврата и размыкающие устройства от перегрузок без повторного автоматического включения должны иметь свободное выключение и обеспечивать возможность повторного включения без снятия крышек.
Соответствие проверяют замыканием накоротко вторичных зажимов, при этом трансформатор подсоединяют к номинальному первичному напряжению до тех пор, пока сработает устройство. Если трансформатор снабжен несколькими наборами зажимов, то каждый из них следует проверять по очереди.
Должна быть исключена возможность удерживать термовыключатель или размыкающее устройство от перегрузок в положении “включено” путем нажатия на элемент повторного включения.
При устранении короткого замыкания должна быть обеспечена возможность после охлаждения, если необходимо, установить прибор в положение “включено”, не снимая крышки.
19.102 Устройства управления, если такие имеются, должны находиться во вторичной цепи и должны работать надежно.
Соответствие проверяют осмотром и соответствующим испытанием.
Производят 5000 срабатываний устройства управления, причем каждый раз от одного крайнего значения диапазона до другого с постоянной скоростью приблизительно 30 отдельных движений в минуту. При этом трансформатор подсоединяют к номинальному первичному напряжению при номинальной вторичной нагрузке с коэффициентом мощности, равным единице. Во время испытания ток не должен прерываться, за исключением установки прибора по какой-либо причине в положение «выключено».
После испытания превышение температуры обмоток не должно быть больше значений, указанных в 13.2, а первичный ток в режиме холостого хода не должен измениться в результате короткого замыкания между витками обмоток вторичной цепи.
Кроме того, ни одно электрическое соединение на любой части подвижного контакта не должно ослабнуть.
Внутренняя проводка - по I части настоящего стандарта.
Присоединение к источнику питания, внешние гибкие кабели и шнуры - по I части настоящего стандарта со следующими дополнениями и изменениями.
21.4 Дополнение к пункту
Закрепленные питающие провода трансформаторов со степенью защиты IP40 должны быть не легче, чем гибкий шнур в обычной прочной резиновой оболочке (типа ПРС по ГОСТ 7399) или гибкий шнур в обычной поливинилхлоридной оболочке (типа ПВС и ПВСП по ГОСТ 7399).
Закрепленные питающие провода трансформаторов со степенью защиты больше, чем IP40, должны быть не легче, чем шнур в обычной полихлорпреновой оболочке (типа ПРМ по ГОСТ 7399).
21.5 Дополнение к пункту
Соединительный шнур или кабель трансформаторов для игрушек массой свыше 500 г без учета шнура или кабеля должен иметь площадь поперечного сечения не менее 1 мм2.
21.7 Замена пункта
Питающие провода можно монтировать к трансформатору креплениями типов Y и Z.
Крепления типов Х и М не допускаются.
Зажимы для внешних проводов - по I части настоящего стандарта.
Заземление - по I части настоящего стандарта.
Винты и соединения - по I части настоящего стандарта.
Пути утечки тока, воздушные зазоры и расстояния по изоляции - по I части настоящего стандарта.
Теплостойкость, огнестойкость и стойкость к образованию токоведущих мостиков - по I части настоящего стандарта.
Стойкость к коррозии - по I части настоящего стандарта.
Область применения - по I части настоящего стандарта.
Определения - по I части настоящего стандарта со следующим дополнением.
2.101 Трансформатор для электрических звонков - это стационарный однофазный безопасный разделительный трансформатор, предназначенный специально для домашних звонков и подобной сигнализации с подключением нагрузки на короткие периоды времени.
Примечание - Малая нагрузка (например для световых сигналов) может быть подключена постоянно.
Общие требования - по I части настоящего стандарта.
Общие условия испытаний - по I части настоящего стандарта со следующим изменением.
4.10 Замена пункта
Трансформаторы для электрических звонков испытывают на нагрев по разделу 13 на открытом воздухе.
Номинальные величины - по I части настоящего стандарта со следующими дополнениями.
5.1 Номинальное вторичное напряжение не должно превышать
24 В переменного тока или 24
В пульсирующего постоянного тока.
Предпочтительные значения номинального вторичного напряжения:
8, 10, 12, 16, 24 В для переменного тока;
6, 12 В для постоянного тока.
5.2 Предпочтительные значения номинального вторичного тока: 0,5, 1, 1,5, 2 А.
5.3 Номинальное первичное напряжение не должно превышать 250 В.
5.4 Номинальная выходная мощность не должна превышать 100 В×А.
Соответствие 5.1, 5.3 и 5.4 проверяют осмотром маркировки.
Классификация - по I части настоящего стандарта, кроме 6.4, со следующими изменениями и дополнениями.
6.2 Замена пункта
Трансформаторы для электрических звонков должны быть стойкими к короткому замыканию.
6.101 По способу установки:
- установка в распределительной коробке абонента;
- установка в звонке, зуммере;
- установка в месте, выбиваемом при монтаже, в выходной коробке или шкафу;
- скрытым монтажом;
- монтаж на поверхности.
Маркировка - по I части настоящего стандарта, кроме 7.8, со следующими дополнениями.
7.1 Дополнение к пункту
Трансформаторы для электрических звонков должны иметь соответствующий символ.
7.9 Дополнение к пункту
Кроме того, трансформаторы для электрических звонков должны иметь символ:
![]()
Защита от поражения электрическим током - по I части настоящего стандарта со следующим дополнением.
8.8 Должна быть обеспечена защита от случайного контакта с обмотками и токоведущими частями первичной цепи во время подсоединения проводов к вторичным зажимам.
Регулирование напряжения питания - по I части настоящего стандарта.
Вторичное напряжение и вторичный ток под нагрузкой - по I части настоящего стандарта со следующим изменением.
10.1 Изменение к пункту
Изменить следующим образом:
второй абзац - 15 % вместо 10 %;
третий абзац - 15 % вместо 10 %;
четвертый абзац - 20 % вместо 15 %;
пятый абзац - 15 % вместо 5 %.
В седьмом абзаце заменить слова: «в установившемся режиме» на «через 2 мин после начала испытания».
Примечание - Трансформатор для электрических звонков обычно находится не под нагрузкой. Вторичное напряжение под нагрузкой можно измерять через 2 мин, так как для данного типа трансформатора это представляет значительное время нагрузки.
Вторичное напряжение холостого хода - по I части настоящего стандарта со следующими дополнениями.
11.1 Вторичное напряжение при холостом ходе не должно
превышать 33 В переменного тока или 33
В пульсирующего постоянного тока. Если имеется несколько
вторичных обмоток, предназначенных для последовательного соединения, то при их
соединении вторичное напряжение холостого хода не должно превышать 33 В
переменного тока или 33
В пульсирующего постоянного тока.
11.2 Разность между вторичным напряжением холостого хода и напряжением при номинальном вторичном токе (измеренном при испытании по разделу 10), выраженная в процентах относительно последнего, не должна превышать 100 %.
Соответствие требованиям 11.1 и 11.2 проверяют измерением напряжения холостого хода при комнатной температуре, когда трансформатор подключен к номинальному напряжению питания, при номинальной частоте.
Напряжение короткого замыкания - по I части настоящего стандарта.
Нагрев - по I части настоящего стандарта со следующим изменением.
13.2 Изменение к пункту
Первый абзац изложить в новой редакции:
«Превышения температур определяют при следующих условиях:
Для того чтобы обеспечить повторяемость измерений превышения температуры во время испытаний по данному пункту, трансформаторы для электрических звонков устанавливают без всяких дополнительных оболочек, которые могут потребоваться с целью правильного монтажа»;
четвертый абзац исключить;
шестой абзац заменить на:
«Чтобы провести испытание при циклических нагрузках, трансформатор при температуре окружающей среды подключают на номинальное первичное напряжение и нагружают номинальным вторичным током при номинальном коэффициенте мощности, а также (с помощью переключателя или подобных устройств) вторичным током, равным 20 % номинального вторичного тока. В дальнейшем никакие регулировки не производят, за исключением того, что напряжение сети повышают на 6 %. Трансформаторы для электрических звонков испытывают в течение 20 последовательных нагрузочных циклов, причем каждый цикл включает 1 мин при номинальном вторичном токе и 5 мин при 20 % номинального вторичного тока.
Превышения температур измеряют в конце последнего периода номинального вторичного тока. Затем номинальный вторичный ток уменьшают до 20 % начального значения и при достижении установившегося режима снова измеряют превышение температуры.»;
таблица 1. Примечание 3 дополнить абзацем:
«Внешняя оболочка трансформатора для электрических звонков включает только те части, к которым можно прикоснуться стандартным испытательным пальцем, когда трансформатор установлен согласно 14.1.»;
дополнить Примечанием 5:
«5 Опора включает всю площадь фанерной панели, окрашенную полностью в матово-черный цвет, за исключением металлических частей монтажной системы (ограждений, выводных коробок)».
Короткое замыкание и защита от перегрузок - по I части настоящего стандарта со следующим дополнением.
14.1 Дополнение к пункту
Ток короткого замыкания не должен превышать 10 А (чтобы исключить возможное повреждение проводов низковольтных сетей).
Если трансформатор содержит плавкий предохранитель с плавкой вставкой, предусмотренной для замены пользователем, то проводят соответствующие испытания по разделу 14, причем плавкую вставку заменяют перемычкой с пренебрежимо малым импедансом.
Девятый абзац изложить в новой редакции:
«Испытания проводят сразу же после испытаний по 13.2, но при напряжении питания, равном 1,06 номинального первичного напряжения, причем трансформатор должен быть правильно установлен в любой дополнительной оболочке, как указано изготовителем.»
Механическая прочность - по I части настоящего стандарта со следующим дополнением. 15.2 Дополнение к пункту
Ударное устройство должно быть отрегулировано так, чтобы энергия удара составляла (0,2 ± 0,05) Н×м.
Влагостойкость - по I части настоящего стандарта.
Сопротивление изоляции и электрическая прочность - по I части настоящего стандарта.
Конструкция - по I части настоящего стандарта со следующими изменениями и дополнениями.
18.1 Замена пункта
Трансформаторы для электрических звонков должны быть стационарными, сконструированными таким образом, чтобы все требования настоящего стандарта были удовлетворены при установке их одним из следующих способов.
1) Независимо от любого другого оборудования - например, прикрепленными к деревянной части двумя или более креплениями. Эти трансформаторы могут иметь вводные зажимы, а для некоторых типов - гибкие вводы.
2) Внутри корпуса звонков, будильников и зуммеров; в этом случае необходимая защита может обеспечиваться частями корпуса.
3) Внутри соответствующих монтажных коробок скрытого типа.
4) На внешней стороне соответствующих монтажных коробок с помощью зажимного приспособления, проходящего через отверстие, выбиваемое при монтаже.
5) Внутри распределительной коробки абонента на реечной системе.
Соответствие проверяют осмотром и соответствующим испытанием.
18.13 Замена пункта
При правильной установке трансформаторы для электрических звонков должны быть или класса I, или класса II, степени защиты, по меньшей мере, IP20.
18.101 Для трансформаторов, которые устанавливают в распределительные коробки абонента, вторичные зажимы и другие части вторичной цепи должны быть сконструированы, расположены и защищены таким образом, чтобы, если какой-либо провод распределительной панели или подобный элемент выскользнет или выпадет из своего зажима или выводного устройства, то его неизолированный конец не мог войти в контакт с частями вторичной цепи.
Соответствие проверяют осмотром и, если необходимо, испытанием вручную.
Комплектующие изделия - по I части настоящего стандарта со следующими изменениями и дополнениями.
19.2 Замена пункта
Если в первичную цепь трансформатора для электрических звонков вмонтирован выключатель (позволяющий производить проверку системы питания от сети без отсоединения проводов от зажимов трансформатора), он должен иметь однополюсную конструкцию с микрозазором, не предусматривающую частые манипуляции.
Этот выключатель может быть подключен к любому полюсу.
Соответствие проверяют осмотром.
19.4 Замена пункта
Термовыключатели и размыкающие устройства от перегрузок должны иметь достаточную отключающую способность. Термовыключатели и размыкающие устройства без повторного автоматического включения должны быть со свободным выключением - т.е. автоматическому отключению устройства не должны препятствовать какая-либо регулировка или положение механизма повторного включения.
Соответствие проверяют следующим испытанием.
Для термовыключателей с самовозвратом:
первичную обмотку трансформатора для электрических звонков, снабженную термовыключателем с самовозвратом, подключают к напряжению, равному 1,06 номинального первичного напряжения, а вторичные зажимы замыкают накоротко и дают возможность трансформатору работать в течение 7 дн. При этом не должно быть воспламенения или плавления материала оболочки трансформатора и никаких других опасных признаков. В конце испытаний термовыключатель и трансформатор должны быть работоспособными.
Для термовыключателей без самовозврата и размыкающих устройств от перегрузок:
трансформатор для электрических звонков подключают к напряжению, равному 1,06 номинального первичного напряжения, а вторичные зажимы замыкают накоротко до того момента, пока не сработает термовыключатель или размыкающее устройство от перегрузок.
После того, как трансформатор охладится до комнатной температуры и будет устранено короткое замыкание, включают повторно термовыключатель или размыкающее устройство от перегрузок.
Такой цикл операций выполняют 10 раз.
19.5 Дополнение к пункту
Термовыключатели с самовозвратом и размыкающие устройства от перегрузок с повторным автоматическим включением могут применяться при условии, что ток короткого замыкания не превышает 5 А.
Во время испытания не должно возникать никакой постоянной дуги, не должно быть повреждений вследствие каких-либо других причин и не должно возникать никакой электрической опасности.
Термовыключатели и размыкающие устройства от перегрузок, которые повторно включаются только после устранения короткого замыкания во вторичной цепи, должны испытываться как и устройства без повторного автоматического включения.
Термовыключатели без самовозврата, не допускающие замены и содержащие сплавы с низкой температурой плавления, должны применяться только тогда, когда устройство не будет легкодоступным для пользователя, даже после снятия оболочки трансформатора. Конструкция выключателей должна быть такой, чтобы они срабатывали при любом монтажном положении. Эти трансформаторы испытывают по 14.5 как безопасные трансформаторы.
Внутренняя проводка - по I части настоящего стандарта.
Присоединение к источнику питания, внешние гибкие кабели и шнуры - по I части настоящего стандарта со следующими изменениями и дополнениями.
21.1 Изменение пункта
Первый абзац изложить в новой редакции:
«Трансформаторы для электрических звонков должны быть сконструированы так, чтобы после их закрепления на опоре или установки в коробке соответствующего типа, жилы внешних проводов можно было легко ввести в клеммные зажимы.
Это не относится к трансформаторам для электрических звонков, снабженных внутренней проводкой или предназначенных для установки в коробки для скрытого монтажа.»
21.4 Дополнение к пункту
Внутренние провода должны быть не легче, чем кабель в поливинилхлоридной изоляции (типа ПВ4 по ГОСТ 6323). Соединительные провода должны, быть не легче, чем шнур в поливинилхлоридной оболочке (типы ШВВП, ШВЛ по ГОСТ 7399).
21.7 Замена пункта
Трансформаторы для электрических звонков могут быть снабжены соединительными проводами с креплением типа Z.
С наружной стороны оболочки длина проводников должна быть не меньше 150 мм и не больше 300 мм. Проводники должны быть припаяны, приварены или подсоединены к обмоткам другим способом, удовлетворяющим установленным требованиям.
Паяные соединения должны закрепляться механически надежно перед пайкой, если только они не удерживаются на месте, например, компаундом.
Зажимы для внешних проводов - по I части настоящего стандарта со следующим изменением.
22.11 Изменение пункта
Заменить таблицу 11 на следующую:
Таблица III.3а - Минимальные размеры винтовых зажимов
В миллиметрах
|
Номинальный диаметр резьбы |
Длина резьбы на винте |
Длина резьбы в винтовом отверстии или гайке |
Номинальная разность между диаметрами головки и хвостовика винта |
Высота головки винта |
||
|
металл |
пластмасса |
металл |
пластмасса* |
|||
|
3,0 |
3,5 |
7 |
1,5 |
5,0 |
3,0 |
1,8 |
|
* Для трансформаторов с номинальной мощностью не более 20 В×А и током короткого замыкания 2,5 А винты могут ввинчиваться в пластмассы во вторичных цепях, если металлические части имеют достаточную упругую деформацию, чтобы компенсировать всякое уменьшение объема изоляционного материала. |
||||||
Заземление - по I части настоящего стандарта.
Винты и соединения - по I части настоящего стандарта со следующими изменениями.
24.2 Изменение пункта
Заменить значение: «8 мм» на «5 мм».
24.4 Изменение пункта
Не применяется для вторичных цепей.
Пути утечки тока, воздушные зазоры и расстояния по изоляции - по I части настоящего стандарта.
Теплостойкость, огнестойкость и стойкость к образованию токоведущих мостиков - по I части настоящего стандарта.
Стойкость к коррозии - по I части настоящего стандарта.
Область применения - по I части настоящего стандарта.
Определения - по I части настоящего стандарта со следующим дополнением.
2.101 Трансформатор для светильников класса III - это безопасный разделительный трансформатор для питания одного или более светильников класса III с лампами накаливания.
Общие требования - по I части настоящего стандарта.
Общие условия испытаний - по I части настоящего стандарта.
Номинальные величины - по I части настоящего стандарта со следующим дополнением.
5.1 Предпочтительные значения для номинального вторичного напряжения: 6, 12, 24 В переменного тока.
Классификация - по I части настоящего стандарта.
Маркировка - по I части настоящего стандарта со следующими дополнениями.
7.1 Дополнение к пункту
Трансформаторы для светильников класса III с лампами накаливания должны быть промаркированы соответствующим символом.
7.9 Дополнение к пункту
Кроме того, для трансформаторов для светильников класса III с лампами накаливания должен применяться символ
Защита от поражения электрическим током - по I части настоящего стандарта.
Регулирование напряжения питания - по I части настоящего стандарта.
Вторичное напряжение и вторичный ток под нагрузкой - по I части настоящего стандарта со следующим изменением
10.1 Замена пункта
Для трансформатора, подключенного к напряжению питания номинальной частоты и нагруженного сопротивлением, при котором он отдает половину номинальной выходной мощности с коэффициентом мощности, равным единице, вторичное напряжение не должно отличаться от номинального значения более чем на 5 %.
Вторичное напряжение холостого хода - по I части настоящего стандарта со следующими дополнениями.
11.1 Вторичное напряжение при холостом ходе не должно превышать 50 В переменного тока, даже если независимые вторичные обмотки, предназначенные для последовательного соединения, соединены последовательно.
11.2 Разность между вторичным напряжением при холостом ходе и напряжением для режима, указанного в 10.1, выраженная в процентах относительно последнего-, не должна превышать:
- для выходных мощностей до 63 В×А включ........................... 7,5
- для выходных мощностей св. 63 В×А до 630 В×А включ....... 5,0
- для выходных мощностей св. 630 В×А..................................... 2,5
Напряжение короткого замыкания - по I части настоящего стандарта.
Нагрев - по I части настоящего стандарта.
Короткое замыкание и защита от перегрузки - по I части настоящего стандарта.
Механическая прочность - по I части настоящего стандарта.
Влагостойкость - по I части настоящего стандарта.
Сопротивление изоляции и электрическая прочность - по I части настоящего стандарта.
Конструкция - по I части настоящего стандарта.
Комплектующие изделия - по I части настоящего стандарта.
Внутренняя проводка - по I части настоящего стандарта.
Присоединение к источнику питания, внешние гибкие кабели и шнуры - по I части настоящего стандарта со следующими дополнениями.
21.4 Дополнение к пункту
Соединения провода трансформаторов со степенью защиты IPX0 должны быть не легче, чем шнур в обычной жесткой резиновой оболочке (типа ПРС по ГОСТ 7399) или шнур в обычной поливинилхлоридной оболочке (типов ПВС, ПВСП по ГОСТ 7399).
Присоединение провода трансформаторов со степенью защиты, кроме IPX0, должны быть не легче, чем шнур в обычной полихлоропреновой оболочке (типа ПРМ по ГОСТ 7399).
21.7 Дополнение к пункту
Допускаются все типы креплений.
Зажимы для внешних проводов - по I части настоящего стандарта.
Заземление - по I части настоящего стандарта.
Винты и соединения - по I части настоящего стандарта.
Пути утечки тока, воздушные зазоры и расстояния по изоляции - по I части настоящего стандарта.
Теплостойкость, огнестойкость и стойкость к образованию токоведущих мостиков - по I части настоящего стандарта.
Стойкость к коррозии - по I части настоящего стандарта.
1 - коробка; 2 - фанерная стенка; 3 - внутренняя стенка, окрашенная в матовый черный цвет
Рисунок 1 - Коробка для скрытой установки трансформатора
1 - спусковой конус; 2 - пружина корпуса; 3 - стержень спускового механизма; 4 - пружина спускового механизма; 5 - щеки спускового механизма; 6 - взводная рукоятка; 7 - стержень молотка; 8 - пружина молотка; 9 - головка молотка
Рисунок 2 - Устройство для испытания на удар
Устройство состоит из трех основных частей: корпуса, ударного элемента и спускового конуса, снабженного пружиной.
Корпус состоит из оболочки, направляющей ударного элемента, спускового механизма и жестко прикрепленных к корпусу всех частей устройства. Масса корпуса 1250 г.
Ударный элемент состоит из головки молотка, стержня молотка и круглой ручки. Масса ударного элемента 250 г.
Головка молотка имеет полусферическую форму радиусом 10 мм и изготовлена из полиамида с твердостью по Роквеллу 100 единиц; головка закреплена на стержне молотка так, чтобы во введенном состоянии расстояние между ее вершиной и плоскостью передней поверхности конуса было равно 20 мм.
Масса конуса 60 г в тот момент, когда щеки спускового механизма освобождают ударный элемент, пружина конуса создает усилие 20 Н. Пружина молотка регулируется таким образом, чтобы произведение сжатия (в мм) и создаваемого усилия (в Н) было равно 1000, сжатие равно приблизительно 20 мм.
При такой регулировке энергия удара составляет (0,5 ± 0,05) Н×м. Пружины спускового механизма регулируют так, чтобы они производили достаточное давление для удержания щек спускового механизма в зацепленном положении.
Устройство приводится в действие оттягиванием головки натяжения пружины до тех пор, пока щеки спускового механизма войдут в зацепление с пазом в стержне молотка.
Удары наносят на образец путем нажатия конуса спускового механизма об испытуемую поверхность в направлении, перпендикулярном к ней.
Давление постепенно увеличивают таким образом, что конус отодвигается назад до тех пор, пока он не придет в соприкосновение со стержнями спускового механизма, которые затем движутся и приводят в действие щеки спускового механизма, освобождающие ударный элемент.
Рисунок 3 - Стандартный испытательный палец
1 - упорная пластина; 2 - изолирующий материал; 3 - цилиндрическая часть; 4 - сферическая часть
Допуски:
- на углы ………………………….. ± 5°
- на линейные размеры
меньше 25 мм ………………. ![]()
больше 25 мм ………………. ± 0,2
Примечание - Оба сочленения этого пальца могут быть повернуты на 90°, но только в одном и том же направлении.
Рисунок 4 - Испытательный стержень
Рисунок 5 - Устройство для вдавливания шарика
1 - сферическая часть; 2 - образец
Рисунок 6 - Проволока накала и расположение термопары
1 - проволока накала, припаянная на стержень; 2 - термопара; 3 - стержень; 4 - деталь
Рисунок 7 - Испытательное устройство
1 - регулирующий зажим положения; 2 - тележка; 3 - натяжной шнур; 4 - опорная плита; 5 - груз; 6 - регулируемый упор; 7 - масштабная линейка для измерения высоты пламени; 8 - масштабная линейка для измерения глубины проникания проволоки накала; 9 - проволока накала (рисунок 6); 10 - отверстие в опорной плите
Рисунок 8 - Устройство и размеры электродов для испытания
1 - электрод; 2 - образец; 3 - слегка закругленный край
Рисунок 9 - Испытательное ударное устройство с маятником
1 - опорная рама; 2 - образец; 3 - монтажный держатель
Рисунок 10 - Детали ударного устройства с маятником
Материал деталей: 1 - полиамид; 2, 3, 4, 5 - сталь марки Fe360
Рисунок 11 - Держатель
1 - шарнир; 2 - лист фанеры
Рисунок 12 - Монтажный блок для скрытой установки
1 - брусок из граба; 2 - лист фанеры
Рисунок 13 - Устройство для испытания на удар трансформаторов для игрушек

1 - образец; 2 - стальной опорный прямоугольник
ИНФОРМАЦИОННЫЕ ДАННЫЕ
ССЫЛОЧНЫЕ НОРМАТИВНО-ТЕХНИЧЕСКИЕ ДОКУМЕНТЫ
|
Обозначение НТД, на который дана ссылка |
Номер раздела, пункта, приложения |
Обозначение НТД, на который дана ссылка |
Номер раздела, пункта, приложения |
|
ГОСТ 12.2.006-87 |
Разд. 25 |
||
|
ГОСТ 7396.1-89 |
|
||
|
|
приложение II.IА |
ГОСТ 16962.1-89 |
8.1 ч. I |
|
ГОСТ 26413.0-85 |
|||
|
ГОСТ 28018-89 |
|||
|
ГОСТ 8711-93 |
ГОСТ 29146.1-91 |
||
|
ГОСТ 29146.2-91 |
|||
|
ГОСТ 11277-75 |
ГОСТ 29322-92 |
||
|
ГОСТ 11677-85 |
ГОСТ Р 50339.3-92 |
||
|
|
|
ГОСТ Р 50431-92 |
Ключевые слова: разделительные и безопасные разделительные трансформаторы, нормы, правила, методы испытаний
* Действует на территории Российской Федерации
* В примерах 1-10: _____ зазор; _ _ _ _ путь утечки тока
|
ГОСТЫ, СТРОИТЕЛЬНЫЕ и ТЕХНИЧЕСКИЕ НОРМАТИВЫ. Некоммерческая онлайн система, содержащая все Российские Госты, национальные Стандарты и нормативы. В Системе содержится более 150000 файлов нормативно-технической документации, действующей на территории РФ. Система предназначена для широкого круга инженерно-технических специалистов. Copyright © www.gostrf.com, 2008 - 2026 |