| |















Марка ступени
|
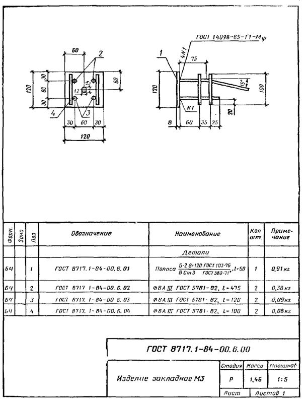
Изделия арматурные
|
Изделия закладные
|
Общий расход
|
|
|
Арматура класса
|
Всего
|
Арматура класса
|
Прокат марки
|
Всего
|
|
|
|
Вр-1
|
А-1
|
Л-111
|
|
А-111
|
ВСт3
|
|
|
|
|
ГОСТ 67:27-80
|
ГОСТ 5781-83
|
|
ГОСТ 57К1-Р;
|
ГОСТ 103-76
|
|
|
|
|
Æ3
|
Æ4
|
Æ5
|
Итого
|
Æ6
|
Æ8
|
Итого
|
Æ8
|
Итого
|
|
Æ8
|
Æ10
|
Итого
|
-6Х 60
|
-8Х
100
|
-8Х
120
|
-6Х
70
|
Итого
|
|
|
|
ЛС11-Б
ЛС12-Б ЛС14-Б
ЛС15-Б ЛС9.17-Б ЛС11.17-Б ЛС12.17-Б
|
-
|
-
|
-
|
-
|
0,28
|
-
|
0,28
|
-
|
-
|
0,28
|
-
|
-
|
-
|
-
|
-
|
-
|
-
|
-
|
-
|
0,28
|
|
ЛС11-Б-1 ЛС11-Б-1л
ЛС12-Б-1 ЛС12-Б-1л
|
-
|
-
|
-
|
-
|
0,28
|
-
|
0,28
|
-
|
-
|
0,28
|
0,20
|
-
|
0,20
|
0,17
|
-
|
-
|
-
|
0,17
|
0,37
|
0,65
|
|
ЛС14-Б-1 ЛС14-Б-1л
ЛС15-Б-1 ЛС15-Б-1л
|
-
|
-
|
-
|
-
|
0,28
|
-
|
0,28
|
-
|
-
|
0,28
|
-
|
0,41
|
0,41
|
-
|
0,38
|
-
|
-
|
0,38
|
0,79
|
1,07
|
|
ЛС9.17-Б-1
ЛС9.17-Б-1л ЛС11.17-Б-1 ЛС11.17-Б-1л
ЛС12.17-Б-1 ЛС12.17-Б-1л
|
-
|
-
|
-
|
-
|
0,28
|
-
|
0,28
|
-
|
-
|
0,28
|
0,20
|
-
|
0,20
|
0,17
|
-
|
-
|
-
|
0,17
|
0,37
|
0,65
|
|
ЛС11
|
0,09
|
0,28
|
-
|
0,37
|
0,28
|
-
|
0,28
|
-
|
-
|
0,65
|
|
|
|
|
|
|
|
|
|
0,65
|
|
ЛС12
|
0,09
|
0,32
|
-
|
0,41
|
0,28
|
-
|
0,28
|
-
|
-
|
0,69
|
|
|
|
|
|
|
|
|
|
0,69
|
|
ЛС14
|
0,11
|
0,36
|
-
|
0,47
|
0,28
|
-
|
0,28
|
-
|
-
|
0,75
|
|
|
|
|
|
|
|
|
|
0,75
|
|
ЛС15
|
0,12
|
0,40
|
-
|
0,52
|
0,28
|
-
|
0,28
|
-
|
-
|
0,80
|
|
|
|
|
|
|
|
|
|
0,80
|
|
ЛС17
|
0,14
|
0,44
|
-
|
0,58
|
0,28
|
-
|
0,28
|
-
|
-
|
0,86
|
|
-
|
-
|
-
|
-
|
-
|
-
|
-
|
-
|
0,86
|
|
ЛС23
|
0,18
|
-
|
0,96
|
1,14
|
-
|
0,60
|
0,60
|
-
|
-
|
1,74
|
|
|
|
|
|
|
|
|
|
1,74
|
|
ЛС9.17
|
0,08
|
0,24
|
-
|
0,32
|
-
|
-
|
-
|
-
|
-
|
0,60
|
|
|
|
|
|
|
|
|
|
0,60
|
|
ЛС11.17
|
0,09
|
0,28
|
-
|
0,37
|
-
|
-
|
-
|
-
|
-
|
0,65
|
|
|
|
|
|
|
|
|
|
0,65
|
|
ЛС12.17
|
0,09
|
0,32
|
-
|
0,41
|
-
|
-
|
-
|
-
|
-
|
0,69
|
|
|
|
|
|
|
|
|
|
0,69
|
|
ЛС11-1 ЛС11-1л
|
0,09
|
0,28
|
-
|
0,37
|
0,28
|
-
|
0,28
|
-
|
-
|
0,65
|
0,20
|
-
|
0,20
|
0,17
|
-
|
-
|
-
|
0,17
|
0,37
|
1,02
|
|
ЛС12-1 ЛС12-1л
|
0,09
|
0,32
|
-
|
0,41
|
0,28
|
-
|
0,28
|
-
|
-
|
0,69
|
0,20
|
-
|
0,20
|
0,17
|
-
|
-
|
-
|
0,17
|
0,37
|
1,06
|
|
ЛС14-1
ЛС14-1л
|
0,11
|
0,36
|
-
|
0,47
|
0,28
|
-
|
0,28
|
-
|
-
|
0,75
|
-
|
0,41
|
0,41
|
-
|
-
|
-
|
-
|
0,38
|
0,79
|
1,54
|
|
ЛС15-1 ЛС15-1л
|
0,12
|
0,40
|
-
|
0,52
|
0,28
|
-
|
0,28
|
-
|
-
|
0,80
|
-
|
0,41
|
0,41
|
-
|
0,38
|
-
|
-
|
0,38
|
0,79
|
1,59
|
|
ЛС17-1 ЛС17-1л
|
0,14
|
0,44
|
-
|
0,58
|
0,28
|
-
|
0,28
|
-
|
-
|
0,86
|
-
|
0,41
|
0,41
|
-
|
-
|
-
|
-
|
0,38
|
0,79
|
1,65
|
|
ЛС23-1 ЛС23-1л
|
0,18
|
-
|
0,96
|
1,14
|
-
|
0,60
|
0,60
|
-
|
-
|
1,74
|
-
|
0,41
|
0,41
|
-
|
-
|
-
|
-
|
0,38
|
0,79
|
2,53
|
|
ЛС9.17-1
ЛС9.17-1л
|
0,08
|
0,24
|
-
|
0,32
|
0,28
|
-
|
0,28
|
-
|
-
|
0,60
|
0,20
|
-
|
0,20
|
0,17
|
-
|
-
|
-
|
0,17
|
0,37
|
0,97
|
|
ЛС11.17-1 ЛС11.17-1л
|
0,09
|
0,28
|
-
|
0,37
|
0,28
|
-
|
0,28
|
-
|
-
|
0,65
|
0,20
|
-
|
0,20
|
0,17
|
-
|
-
|
-
|
0,17
|
0,37
|
1,02
|
|
ЛС12.17-1 ЛС12.17-1л
|
0,09
|
0,32
|
-
|
0,41
|
0,28
|
-
|
0,28
|
-
|
-
|
0,69
|
0,20
|
-
|
0,20
|
0,17
|
-
|
-
|
-
|
0,17
|
0,37
|
1,06
|
|
ЛСВ11
ЛСВ11-л
|
0,29
|
0,19
|
-
|
0,48
|
0,28
|
-
|
0,28
|
-
|
-
|
0,76
|
-
|
-
|
-
|
-
|
-
|
-
|
-
|
-
|
-
|
0,76
|
|
ЛСВ12
ЛСВ12-л
|
0,33
|
0,21
|
-
|
0,54
|
0,28
|
-
|
0,28
|
-
|
-
|
0,82
|
-
|
-
|
-
|
-
|
-
|
-
|
-
|
-
|
-
|
0,82
|
|
ЛСВ14 ЛСВ14-л
|
0,37
|
0,24
|
-
|
0,61
|
0,28
|
-
|
0,28
|
-
|
-
|
0,89
|
-
|
-
|
-
|
-
|
-
|
-
|
-
|
-
|
-
|
0,89
|
|
ЛСВ15 ЛСВ15-л
|
0,39
|
0,27
|
-
|
0,66
|
0,28
|
-
|
0,28
|
-
|
-
|
0,94
|
-
|
-
|
-
|
-
|
-
|
-
|
-
|
-
|
-
|
0,94
|
|
ЛСВ 17 ЛСВ17-л
|
0,43
|
0,29
|
-
|
0,72
|
0,28
|
-
|
0,28
|
-
|
-
|
1,00
|
-
|
-
|
-
|
-
|
-
|
-
|
-
|
-
|
-
|
1,00
|
|
ЛСВ23 ЛСВ23-л
|
0,58
|
0,40
|
-
|
0,98
|
0,28
|
-
|
0,28
|
-
|
-
|
1,26
|
-
|
-
|
-
|
-
|
-
|
-
|
-
|
-
|
-
|
1,26
|
|
ЛСВ9.17 ЛСВ9.17-л
|
0,24
|
0,10
|
-
|
0,40
|
0,28
|
-
|
0,28
|
-
|
-
|
0,68
|
-
|
-
|
-
|
-
|
-
|
-
|
-
|
-
|
-
|
0,68
|
|
ЛСВ11.17 ЛСВ11.17-л
|
0,29
|
0,19
|
-
|
0,48
|
0,28
|
-
|
0,28
|
-
|
-
|
0,76
|
-
|
-
|
-
|
-
|
-
|
-
|
-
|
-
|
-
|
0,76
|
|
ЛСВ12.17 ЛСВ12.17-Л
|
0,33
|
0,21
|
-
|
054
|
-
|
-
|
-
|
-
|
-
|
0,82
|
-
|
-
|
-
|
-
|
-
|
-
|
-
|
-
|
-
|
0,82
|
|
ЛСП11
|
0,28
|
0,19
|
-
|
0,47
|
-
|
-
|
-
|
-
|
-
|
0,75
|
1,10
|
-
|
1,10
|
-
|
-
|
1,82
|
-
|
1,82
|
2,92
|
3,67
|
|
ЛСП12
|
0,30
|
0,21
|
-
|
0,51
|
-
|
-
|
-
|
-
|
-
|
0,79
|
1,10
|
-
|
1,10
|
-
|
-
|
1,82
|
-
|
1,82
|
2,92
|
3,71
|
|
ЛСП14
|
0,35
|
0,24
|
|
0,59
|
0,28
|
-
|
0,28
|
-
|
-
|
0,87
|
1,10
|
-
|
1,10
|
-
|
-
|
1,82
|
-
|
1,82
|
2,92
|
3,79
|
|
ЛСП15
|
0,39
|
0,27
|
|
0,66
|
0,28
|
-
|
0,28
|
-
|
-
|
0,94
|
1,10
|
-
|
1,10
|
-
|
-
|
1,82
|
-
|
1,82
|
2,92
|
3,86
|
|
ЛСП17
|
0,42
|
0,29
|
|
0,71
|
0,28
|
-
|
0,28
|
-
|
-
|
0,99
|
1,10
|
-
|
1,10
|
-
|
-
|
1,82
|
-
|
1,82
|
2,92
|
3,91
|
|
ЛСП23
|
0,58
|
0,40
|
|
0,98
|
0,28
|
-
|
0,28
|
-
|
-
|
1,26
|
1,65
|
-
|
1,65
|
-
|
-
|
2,73
|
-
|
2,73
|
4,38
|
5,64
|
|
ЛСП9.17
|
0,24
|
0,16
|
|
0,40
|
0,28
|
-
|
0,28
|
-
|
-
|
0,68
|
1,10
|
-
|
1,10
|
-
|
-
|
1,82
|
-
|
1,82
|
2,92
|
3,60
|
|
ЛСП11.17
|
0,28
|
0,19
|
|
0,47
|
0,28
|
-
|
0,28
|
-
|
-
|
0,75
|
1,10
|
-
|
1,10
|
-
|
-
|
1,82
|
-
|
1,82
|
2,92
|
3,07
|
|
ЛСП12.17
|
0,30
|
0,21
|
|
0,51
|
0,28
|
-
|
0,28
|
-
|
-
|
0,79
|
1,10
|
-
|
1,10
|
-
|
-
|
1,82
|
-
|
1,82
|
2,92
|
3,71
|
|
ЛСН11
|
0,29
|
0,19
|
|
0,48
|
0,28
|
-
|
0,28
|
-
|
-
|
0,76
|
-
|
-
|
-
|
-
|
-
|
-
|
-
|
-
|
-
|
0,76
|
|
ЛСН12
|
0,31
|
0,21
|
|
0,52
|
0,28
|
-
|
0,28
|
-
|
-
|
0,80
|
-
|
-
|
-
|
-
|
-
|
-
|
-
|
-
|
-
|
0,80
|
|
ЛСН14
|
0,37
|
0,24
|
|
0,61
|
0,28
|
-
|
0,28
|
-
|
-
|
0,89
|
-
|
-
|
-
|
-
|
-
|
-
|
-
|
-
|
-
|
0,89
|
|
ЛСН15
|
0,41
|
0,27
|
|
0,68
|
0,28
|
-
|
0,28
|
-
|
-
|
0,96
|
-
|
-
|
-
|
-
|
-
|
-
|
-
|
-
|
-
|
0,96
|
|
ЛСН17
|
0,45
|
0,29
|
|
0,74
|
0,28
|
-
|
0,28
|
-
|
-
|
1,02
|
-
|
-
|
-
|
-
|
-
|
-
|
-
|
-
|
-
|
1,02
|
|
ЛСН23
|
0,61
|
0,40
|
|
1,01
|
0,28
|
-
|
0,28
|
-
|
-
|
1,29
|
-
|
-
|
-
|
-
|
-
|
-
|
-
|
-
|
-
|
1,29
|
|
ЛСН9.14
|
0,25
|
0,16
|
|
0,41
|
0,28
|
-
|
0,28
|
-
|
-
|
0,69
|
-
|
-
|
-
|
-
|
-
|
-
|
-
|
-
|
-
|
0,69
|
|
ЛСН11.14
|
0,29
|
0,19
|
|
0,48
|
0,28
|
-
|
0,28
|
-
|
-
|
0,76
|
-
|
-
|
-
|
-
|
-
|
-
|
-
|
-
|
-
|
0,76
|
|
ЛСН12.14
|
0,31
|
0,21
|
|
0,52
|
0,28
|
-
|
0,28
|
-
|
-
|
0,83
|
-
|
-
|
-
|
-
|
-
|
-
|
-
|
-
|
-
|
0,80
|
|
ЛСС12
|
0,33
|
0,17
|
|
0,50
|
0,28
|
-
|
0,28
|
1,37
|
1,37
|
2,15
|
0,27
|
-
|
0,27
|
-
|
-
|
1,66
|
-
|
1,66
|
1,93
|
4,08
|
|
ЛСС15
|
0,43
|
0,21
|
|
0,64
|
0,28
|
-
|
0,28
|
1,75
|
1,75
|
2,67
|
0,27
|
-
|
0,27
|
-
|
-
|
1,66
|
-
|
1,66
|
1,93
|
4,60
|
|
ЛСС12-1
|
0,33
|
0,17
|
|
0,50
|
0,28
|
-
|
0,28
|
1,37
|
1,37
|
2,15
|
1,21
|
-
|
1,21
|
-
|
-
|
1,66
|
0,60
|
2,26
|
3,47
|
4,62
|
|
ЛСС15-1
|
0,43
|
0,21
|
|
0,64
|
0,28
|
-
|
0,28
|
1,75
|
1,75
|
2,67
|
1,21
|
-
|
1,21
|
-
|
-
|
1,66
|
0,60
|
2,26
|
3,47
|
6,14
|
|
ЛСС24
|
0,67
|
0,31
|
|
|
0,28
|
-
|
0,28
|
2,80
|
2,80
|
4,06
|
0,54
|
-
|
0,54
|
-
|
-
|
3,32
|
-
|
3,32
|
3,86
|
7,92
|
|
ЛСС24-1
|
0,67
|
0,31
|
|
0,98
|
0,28
|
-
|
0,28
|
2,80
|
2,80
|
4,06
|
1,48
|
-
|
1,48
|
-
|
-
|
3,32
|
0,60
|
3,92
|
5,40
|
9,46
|
|
|