Крупнейшая бесплатная информационно-справочная система онлайн доступа к полному собранию технических нормативно-правовых актов РФ. Огромная база технических нормативов (более 150 тысяч документов) и полное собрание национальных стандартов, аутентичное официальной базе Госстандарта. GOSTRF.com - это более 1 Терабайта бесплатной технической информации для всех пользователей интернета. Все электронные копии представленных здесь документов могут распространяться без каких-либо ограничений. Поощряется распространение информации с этого сайта на любых других ресурсах. Каждый человек имеет право на неограниченный доступ к этим документам! Каждый человек имеет право на знание требований, изложенных в данных нормативно-правовых актах!

  


 

СТО АСЧМ 20-93

СТАНДАРТ АССОЦИАЦИИ ПРЕДПРИЯТИЙ И ОРГАНИЗАЦИЙ

ПО СТАНДАРТИЗАЦИИ ПРОДУКЦИИ ЧЕРНОЙ МЕТАЛЛУРГИИ

ПРОКАТ СТАЛЬНОЙ СОРТОВОЙ ФАСОННОГО ПРОФИЛЯ.

Двутавры горячекатаные с параллельными гранями полок.

Технические условия.

АССОЦИАЦИЯ ЧЕРМЕТСТАНДАРТ

Содержание

 

СТАНДАРТ АССОЦИАЦИИ ПРЕДПРИЯТИЙ И ОРГАНИЗАЦИЙ

ПО СТАНДАРТИЗАЦИИ ПРОДУКЦИИ ЧЕРНОЙ МЕТАЛЛУРГИИ

ПРОКАТ СТАЛЬНОЙ СОРТОВОЙ ФАСОННОГО ПРОФИЛЯ.

Двутавры горячекатаные с параллельными гранями полок.

Технические условия.

Rolled steel sections. I-beers with parallel adgus of flanges.

Specifications

Дата введения: 1994-01-01

1 ОБЛАСТЬ ПРИМЕНЕНИЯ

Настоящий стандарт устанавливает требования к горячекатаным двутаврам из нелегированной и низколегированной стали.

2 НОРМАТИВНЫЕ ССЫЛКИ

ГОСТ 535-88 Прокат сортовой и фасонный из стали углеродистой обыкновенного качества. Общие технические условия.

ГОСТ 19281-89 Прокат из стали повышенной прочности. Общие технические условия.

ГОСТ 27772-88 Прокат для строительных стальных конструкций. Общие технические условия.

ГОСТ 7566-81 Прокат и изделия дальнейшего передела. Правила приемки, маркировки, упаковки, транспортирования и хранения.

3. СОРТАМЕНТ

3.1 По соотношению размеров и форме профиля двутавры подразделяют на 3 типа:

Б - нормальные с параллельными гранями полок;

Ш - широкополочные с параллельными гранями полок;

К - колонные с параллельными гранями полок.

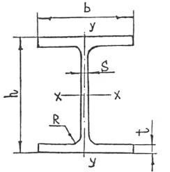
3.2 Поперечное сечение двутавров должно соответствовать приведенному на чертеже 1.

Чертеж 1

Условные обозначения:

h - высота двутавра;

b - ширина полки;

t - толщина полки;

S - толщина стенки;

R - радиус сопряжения

3.3 Размеры двутавров, площадь поперечного сечения, масса одного метра длины профиля и справочные величины для осей (I - момент инерции, W - момент сопротивления, S - статический момент полусечения, i - радиус инерции) приведены в таблице 1.


Таблица 1

Размеры двутавров, площадь поперечного сечения, масса 1 м длины, справочные величины для осей

Нормальные двутавры

Профиль

Размеры профиля, мм

Площадь сечения, см2

Масса 1 м длины, кг

Справочные величины для осей

h

b

S

t

R

Ix, см4

Wx, см3

Sx, см3

ix, см

Iy, см4

Wy, см3

iy, см

10 Б1

100

55

4,1

5,7

7

10,32

8,1

171

34,2

19,7

4,07

15,9

5,8

1,24

12 Б1

117,6

64

3,8

5,1

7

11,03

8,7

257

43,8

24,9

4,83

22,4

7

1,43

12 Б2

120

64

4,4

6,3

7

13,21

10,4

318

53

30,4

4,9

27,7

8,7

1,45

14 Б1

137,4

73

3,8

5,6

7

13,39

10,5

435

63,3

35,8

5,7

36,4

10

1,65

14 Б2

140

73

4,7

6,9

7

16,43

12,9

541

77,3

44,2

5,74

44,9

12,3

1,65

16 Б1

157

82

4

5,9

9

16,18

12,7

689

87,8

49,6

6,53

54,4

13,3

1,83

16 Б2

160

82

5

7,4

9

20,09

15,8

869

108,7

61,9

6,58

68,3

16,7

1,84

18 Б1

177

91

4,3

6,5

9

19,58

15,4

1063

120,1

67,7

7,37

81,9

18

2,05

18 Б2

180

91

5,3

8

9

223,95

18,8

1317

146,3

83,2

7,42

100,8

22,2

2,05

20 Б1

200

100

5,5

8

11

27,16

21,3

1844

184,4

104,7

8,24

133,9

26,8

2,22

25 Б1

248

124

5

8

12

32,68

25,7

3537

285,3

159,7

10,4

254,8

41,1

2,79

25 Б2

250

125

6

9

12

37,66

29,6

4052

324,2

182,9

10,37

293,8

47

2,79

30 Б1

298

149

5,5

8

13

40,80

32

6319

424,1

237,5

12,44

441,9

59,3

3,29

30 Б2

300

150

6,5

9

13

46,78

36,7

7210

480,6

271,1

12,41

507,4

67,7

3,29

35 Б1

346

174

6

9

14

52,68

41,4

11095

641,3

358,1

14,51

791,4

91

3,88

35 Б2

350

175

7

11

14

63,14

49,6

13560

774,8

434

14,65

984,2

112,5

3,95

40 Б1

396

199

7

11

16

72,16

56,6

20020

1011,1

564

16,66

1446,9

145,4

4,48

40 Б2

400

200

8

13

16

84,12

66

23706

1185,3

663,2

16,79

1736,2

173,6

4,54

45 Б1

446

199

8

12

18

84,30

66,2

28699

1287

725,1

18,45

1579,7

158,8

4,33

45 Б2

450

200

9

14

18

96,76

76

33453

1486,8

839,6

1859

1871,3

187,1

4,4

50 Б1

492

199

8,8

12

20

92,38

72,5

36845

1497,8

853,5

19,97

1581,5

158,9

4,14

50 Б2

496

199

9

14

20

1011,27

79,5

41872

1688,4

957,3

20,33

1844,4

185,4

4,27

50 Б3

500

200

10

16

20

114,23

89,7

47849

1914

1087,7

20,47

2140,3

214

4,33

55 Б1

543

220

9,5

13,5

24

113,36

89

55682

2050,9

1165,1

22,16

2404,5

218,6

4,61

55 Б2

547

220

10

15,5

24

124,75

97,9

62790

2295,8

1301,6

22,44

2760,3

250,9

4,7

60 Б1

596

199

10

15

22

120,45

94,6

68721

2306,1

1325,5

23,89

1979

198,9

4,05

60 Б2

600

200

11

17

22

134,41

105,5

77638

2587,9

1489,5

24,03

2277,5

227,8

4,12

70 Б0

693

230

11,8

15,2

24

153,05

120,1

114187

3295,5

1913,1

27,31

3097,7

269,4

4,5

70 Б1

691

260

12

15,5

24

164,74

129,3

125931

3644,9

2094,9

27,65

4556,4

350,5

5,26

70 Б2

697

260

12,5

18,5

24

183,64

144,2

145913

4186,9

2392,8

28,19

5436,7

418,2

5,44

Широкополочные двутавры

Профиль

Размеры профиля, мм

Площадь сечения, см2

Масса 1 м длины, кг

Справочные величины для осей

h

b

S

t

R

Ix, см4

Wx, см3

Sx, см3

ix, см

Iy, см4

Wy, см3

iy, см

20 Ш1

194

150

6

9

13

39,01

30,6

2690

277,3

154,3

8,3

507,1

67,6

3,61

25 Ш1

244

175

7

11

16

56,24

44,1

6122

501,8

279,2

10,43

984,3

112,5

4,18

30 Ш1

294

200

8

12

18

72,38

56,8

11339

771,4

429,5

12,52

1602,9

160,3

4,71

30 Ш2

300

201

9

15

18

87,38

68,6

14210

947,4

529,9

12,75

2033,8

202,4

4,82

35 Ш1

334

249

8

11

20

83,17

65,3

17108

1024,4

563,8

14,34

2834,1

227,6

5,84

35 Ш2

340

250

9

14

20

101,51

79,7

21678

1275,2

706,1

14,61

3650,5

292

6

40 Ш1

383

299

9,5

12,5

22

112,91

88,6

30556

1595,6

880,8

16,45

5575,4

372,9

7,03

40 Ш2

390

300

10

16

22

135,95

106,7

38676

1983,4

1094

16,87

7207,1

480,5

7,28

45 Ш1

440

300

11

18

24

157,38

123,5

56072

2548,7

1412,5

18,88

8110,3

540,7

7,18

50 Ш1

482

300

11

15

26

145,52

114,2

60371

2505

1395,7

20,37

6762,4

450,8

6,82

50 Ш2

487

300

14,5

17,5

26

176,34

138,4

71867

2951,4

1666,7

20,19

7896,4

526,4

6,69

50 Ш3

493

300

15,5

20,5

26

198,86

156,1

83441

3385

1912,8

20,48

9249,7

616,6

6,82

50 Ш4

499

300

16,5

23,5

26

221,38

173,8

95282

3818,9

2161,5

20,75

10603,4

706,9

6,92

60 Ш1

582

300

12

17

28

174,49

137

102717

3529,8

1981,5

24,26

7668

511,2

6,63

60 Ш2

589

300

16

20,5

28

217,41

170,7

126201

4285,3

2439

24,09

9257,4

617,2

6,53

60 Ш3

597

300

18

24,5

28

252,37

198,1

150043

5026,6

2869,9

24,38

11067,3

737,8

6,62

60 Ш4

605

300

20

28,5

28

287,33

225,6

174458

5767,2

3305,6

24,64

12879,3

858,6

6,7

70 Ш1

692

300

13

20

28

211,49

166

172433

4983,7

2814,6

28,55

9022,9

601,5

6,53

70 Ш2

698

300

15

23

28

242,53

190,4

198791

5696

3233,6

28,63

10381,1

692,1

6,54

70 Ш3

707

300

18

27,5

28

289,09

226,9

239032

6761,9

3867,2

28,76

12422,4

828,2

6,56

70 Ш4

715

300

20,5

31,5

28

329,39

258,6

275138

7696,2

4426,7

28,9

14240,2

949,3

6,58

70 Ш5

725

300

23

36,5

28

375,69

294,9

319793

8821,9

5099,5

29,18

16512,3

1100,8

6,63

80 Ш1

782

300

13,5

17

28

209,71

164,6

205458

5254,7

3018,9

31,3

7676,7

511,8

6,05

80 Ш2

792

300

14

22

28

243,45

191,1

253655

6405,4

3644,1

32,28

9928,9

661,9

6,39

90 Ш1

881

299

15

18,5

28

243,96

191,5

292583

6642,1

3861,2

34,63

8278,5

553,7

5,83

90 Ш2

890

299

15

23

28

270,87

212,6

345335

7760,3

4457

35,71

10283,3

687,8

6,16

100 Ш1

990

320

16

21

30

293,8

230,6

446039

9010,9

5234,1

38,96

11517,9

719,9

6,26

100 Ш2

998

320

17

25

30

328,88

258,2

516373

10348,2

5982,6

39,62

13710

856,9

6,46

100 Ш3

1006

320

18

29

30

363,96

285,7

587730

11684,5

6736,2

40,18

15903

993,9

6,61

100 Ш4

1013

320

19,5

32,5

30

400,58

314,5

655449

12940,7

7470

40,45

17828,8

1114,3

6,67

Нормальные двутавры

Профиль

Размеры профиля, мм

Площадь сечения, см2

Масса 1 м длины, кг

Справочные величины для осей

h

b

S

t

R

Ix, см4

Wx, см3

Sx, см3

ix, см

Iy, см4

Wy, см3

iy, см

20 К1

196

199

6,5

10

13

52,69

41,4

3846

392,5

216,4

8,54

1314,4

132,1

4,99

20 К2

200

200

8

12

13

63,53

49,9

4716

471,6

262,8

8,62

1601,4

160,1

5,02

25 К1

246

249

8

12

16

79,72

62,6

9171

745,6

410,7

10,73

3089,9

248,2

6,23

25 К2

250

250

9

14

16

92,18

72,4

10833

866,6

480,3

10,84

3648,6

291,9

6,29

25 К3

253

251

10

15,5

16

102,21

80,2

12154

960,8

535,4

10,9

4088,6

325,8

6,32

30 К1

298

299

9

14

18

110,80

87

18849

1265,1

694,7

13,04

6240,9

417,5

7,51

30 К2

300

300

10

15

18

119,78

94

20411

1360,7

750,6

13,05

6754,5

450,3

7,51

30 К3

300

305

15

15

18

134,78

105,8

21536

1433,7

806,9

12,64

7104,4

465,9

7,26

30 К4

304

301

11

17

18

134,82

105,8

23381

1538,2

852,8

13,17

7732,3

513,8

7,57

35 К1

342

348

10

15

20

139,03

109,1

31249

1827,4

1001,2

14,99

10541,7

605,8

8,71

35 К2

350

350

12

19

20

173,87

136,5

40296

2302,6

1272,7

15,22

13585,3

776,3

8,84

40 К1

394

398

11

18

22

186,81

146,6

56147

2850,1

1559,3

17,34

18921,9

950,8

10,06

40 К2

400

400

13

21

22

218,69

171,7

66623

3331,2

1936,3

17,45

22412

1120,6

10,12

40 К3

406

403

16

24

22

254,87

200,1

78041

3844,4

2139,9

17,5

26199,5

1300,2

10,14

40 К4

414

405

18

28

22

295,39

231,9

92773

4481,8

2513,2

17,72

31026,2

1532,2

10,25

40 К5

429

400

23

35,5

22

370,49

290,8

120292

5608

3198,6

18,02

37914,2

1895,7

10,12

Примечания

1 Площадь поперечного сечения, масса профиля длиной 1 м и справочные величины вычислены по номинальным размерам. Плотность стали принята равной 7,85 г/см3.

2 Радиусы сопряжений приведены для построения калибра и на готовом прокате не проверяют.

3 Притупление углов полок - до 3 мм обеспечивают технологией прокатки и на профиле не проверяют.


3.4 Предельные отклонения по размерам и форме поперечного сечения двутавров (черт. 1 и 2) должны соответствовать приведенным в таблице 2.

Чертеж 2

Условные обозначения:

b1 - ширина удлиненного фланца;

b2 - ширина укороченного фланца;

D - перекос полки;

f - прогиб стенки;

Таблица 2

Предельные отклонения по размерам и форме поперечного сечения

Параметр

Размеры

Предельные отклонения

Высота, h

до 120 включ.

± 2,0

 

св. 120 до 380

± 3,0

 

от 380 до 580

+ 4,0

 

от 580

± 5,0

Ширина полки, b

при высоте, h

 

 

до 120 включ.

± 2,0

 

св. 120

± 3,0

Толщина стенки, S

до 4,4 включ.

± 0,5

 

св. 4,4 до 6,5 включ.

± 0,7

 

св. 6,5 до 16,0

± 1,0

 

от 16,0 до 23

+ 1,5

 

от 23

± 2,0

Толщина полки, t

до 6,3 включ.

± 1,0

 

св. 6,3 до 16,0

± 1,5

 

от 16,0 до 25

± 2,0

 

от 25

± 2,5

Длина двутавра, I

до 7000

+ 40

 

от 7000 до 15000

+ (40+5(1-7))

 

от 15000

+100

Перекос полки, D

при высоте, h

 

 

до 120 включ.

1,0

 

св. 120 до 290

0,015b, но не более 3,0

 

от 290

0,015b, но не более 4,0

Смещение полки

при высоте, h

 

относительно стенки

до 120 включ.

1,5

св. 120 до 190

2,5

 

от 190 до 290

3,0

 

от 290 и b до 220

3,0

 

от 290 и b от 220

4,5

Прогиб стенки, f

при высоте, h

 

 

до 120 включ.

1,0

 

св. 120 до 380

1,5

 

от 380 до 680

2,0

 

от 680

3,0

3.5 Двутавры изготовляют длиной:

- мерной;

- мерной с немерной;

- немерной;

- ограниченной в пределах немерной.

3.6 Двутавры мерной длины изготовляют следующие длины, м: 9, 10, 12, 15, 18, 24.

По согласованию потребителя с изготовителем допускается изготовление двутавров иной мерной длины в пределах 8-24 и с интервалом промежуточных размеров 0,1 м.

3.7 При изготовлении двутавров мерной длины с немерной объем двутавров немерной длины не должен превышать:

5% от массы партии - при массе 1 м длины двутавра до 20 кг;

8% от массы партии - при массе 1 м длины двутавра от 20 до 50 кг;

12% от массы партии - при массе 1 м длины двутавра от 50 до 110 кг включ;

20 от массы партии - при массе 1 м длины двутавра св. 110 кг.

3.8 Двутавры немерной длины и длины, ограниченной в пределах немерной, изготавливают от 4 до 24 м.

3.9 Кривизна двутавра не должна превышать 0,2% длины двутавра.

По требованию потребителя двутавры высотой свыше 300 мм изготавливают с кривизной не более 0,1% длины двутавра.

3.10 Косина реза не должна выводить длину двутавра за предельные отклонения по длине.

Длиной двутавра является длина условно вырезанного двутавра с торцами, перпендикулярными продольной оси.

3.11 По требованию потребителя двутавры изготавливают с регламентированной массой 1 м длины с отклонениями ±4%.

Примеры условных обозначений:

Двутавр нормальный, профиль 20 Б1, класса прочности 345, из стали марки 09Г2С, категории 12 по ГОСТ 19281-89:

Двутавр широкополочный, профиль 30 Ш2, из стали марки Ст3сп категории 5 по ГОСТ 535-88:

Двутавр колонный, профиль 35 К1, из стали С345, категории 3 по ГОСТ 27772-88

4 ТЕХНИЧЕСКИЕ ТРЕБОВАНИЯ

4.1 Технические требования к двутаврам должны соответствовать стандарту, указанному в заказе: ГОСТ 535, ГОСТ 19281 и ГОСТ 27772.

4.2 Состояние поверхности

4.2.1 Двутавры не должны иметь дефектов поверхности, мешающих дальнейшему применению. На поверхности не допускаются рванины, плены площадью более 1,5 см2, раскатанные загрязнения, трещины, закаты глубиной более 1 мм при толщине элемента профиля до 10 мм и глубиной более 2 мм - при толщине элемента профиля св. 10 мм.

4.2.2 Качество поверхности двутавров может быть улучшено путем удаления дефектов зачисткой или вырубкой с обеспечением плавных переходов (без резких изменений контура). Глубина зачистки (вырубки) не должна превышать:

1 мм - для элемента профиля толщиной до 10 мм;

2 мм - для элемента профиля толщиной св. 10 мм;

4.2.3 На торцах двутавров допускаются забоины в пределах 1/2 фактического отклонения по длине и заусенцы.

По требованию потребителя заусенцы должны быть удалены.

4.2.4 Расслоения на торцах двутавров не допускается.

4.3 Упаковка и маркировка двутавров по ГОСТ 7566 со следующими дополнениями:

4.3.1 По требованию потребителя маркировку двутавров выполняют несмываемой краской цветами, приведенными в приложении.

5 ПРАВИЛА ПРИЕМКИ, МЕТОДЫ ИСПЫТАНИЙ, ТРАНСПОРТИРОВАНИЕ И ХРАНЕНИЕ

5.1 Правила приемки и методы испытаний должны соответствовать стандарту, указанному в заказе: ГОСТ 535, ГОСТ 19281 и ГОСТ 27772.

5.2 Проверку размеров двутавров проводят на расстоянии не менее 500 мм от торца профиля.

5.3 Высоту профиля измеряют по оси Y-Y.

5.4 Толщину стенки измеряют у торца профиля.

5.5 Для контроля механических свойств и испытания на изгиб в холодном состоянии могут быть использованы статистические и неразрушающие методы по методикам, согласованным в установленном порядке

Приложение
Обязательное

Обозначение стали

Цвета маркировки

Основные

Дополнительный

Ст0

Красный и зеленый

-

С235

Желтый и коричневый

-

С245

Желтый и

-

Ст3пс

зеленый

 

С275

 

Белый

С255

Желтый и

-

Ст3сп

синий

-

С285

 

Белый

09Г2

Синий и зеленый

-

09Г2Д

 

-

С345

 

-

09Г2С

 

-

С345Д

Синий

Зеленый

09Г2СД

 

Зеленый

С375

 

Белый

С375Д

 

Белый и зеленый

Примечание - Маркировку основными цветами наносят на торцевую поверхность одной из полок двутавра, маркировку дополнительным цветом - на среднюю часть стенки.

 

 




ГОСТЫ, СТРОИТЕЛЬНЫЕ и ТЕХНИЧЕСКИЕ НОРМАТИВЫ.
Некоммерческая онлайн система, содержащая все Российские Госты, национальные Стандарты и нормативы.
В Системе содержится более 150000 файлов нормативно-технической документации, действующей на территории РФ.
Система предназначена для широкого круга инженерно-технических специалистов.

Рейтинг@Mail.ru Яндекс цитирования

Copyright © www.gostrf.com, 2008 - 2026