Крупнейшая бесплатная информационно-справочная система онлайн доступа к полному собранию технических нормативно-правовых актов РФ. Огромная база технических нормативов (более 150 тысяч документов) и полное собрание национальных стандартов, аутентичное официальной базе Госстандарта. GOSTRF.com - это более 1 Терабайта бесплатной технической информации для всех пользователей интернета. Все электронные копии представленных здесь документов могут распространяться без каких-либо ограничений. Поощряется распространение информации с этого сайта на любых других ресурсах. Каждый человек имеет право на неограниченный доступ к этим документам! Каждый человек имеет право на знание требований, изложенных в данных нормативно-правовых актах!

  


 

ГОСУДАРСТВЕННЫЙ СТАНДАРТ СОЮЗА ССР

КАБЕЛИ СВЯЗИ

МЕТОДЫ ИСПЫТАНИЙ

ГОСТ 27893-88
(СТ СЭВ 1101-87)

ГОСУДАРСТВЕННЫЙ КОМИТЕТ СССР ПО СТАНДАРТАМ

Москва

СОДЕРЖАНИЕ

1. МЕТОДЫ ИСПЫТАНИЯ НА ИЗГИБ (МЕТОД 1)

2. МЕТОДЫ ОПРЕДЕЛЕНИЯ ГЕРМЕТИЧНОСТИ КАБЕЛЬНЫХ ОБОЛОЧЕК (МЕТОД 2)

3. МЕТОД ИЗМЕРЕНИЯ ЭЛЕКТРИЧЕСКОЙ ЕМКОСТИ (МЕТОД 3)

4. МЕТОД ИЗМЕРЕНИЯ ЕМКОСТНЫХ СВЯЗЕЙ И ЕМКОСТНОЙ АСИММЕТРИИ (МЕТОД 4)

5. МЕТОД ИЗМЕРЕНИЯ ПЕРЕХОДНОГО ЗАТУХАНИЯ НА БЛИЖНЕМ КОНЦЕ КАБЕЛЯ И ЗАЩИЩЕННОСТИ НА ДАЛЬНЕМ КОНЦЕ КАБЕЛЯ МЕЖДУ ЦЕПЯМИ НА СТРОИТЕЛЬНЫХ ДЛИНАХ СИММЕТРИЧНЫХ КАБЕЛЕЙ (МЕТОД 5)

6. МЕТОД ОПРЕДЕЛЕНИЯ ВОЛНОВОГО СОПРОТИВЛЕНИЯ, КОЭФФИЦИЕНТА ЗАТУХАНИЯ И КОЭФФИЦИЕНТА ФАЗЫ СИММЕТРИЧНЫХ КАБЕЛЕЙ (МЕТОД 6)

7. МЕТОД ОПРЕДЕЛЕНИЯ КОНЦЕВЫХ ЗНАЧЕНИЙ ВОЛНОВОГО СОПРОТИВЛЕНИЯ И КОЭФФИЦИЕНТА ОТРАЖЕНИЯ ОТ НЕОДНОРОДНОСТЕЙ КОАКСИАЛЬНЫХ КАБЕЛЕЙ С ПАРАМИ ТИПОВ 2,6/9,5; 2,6/9,4; 1,2/4,6 и 2,1/9,7 (МЕТОД 7)

8. МЕТОД ОПРЕДЕЛЕНИЯ ИДЕАЛЬНОГО КОЭФФИЦИЕНТА ЗАЩИТНОГО ДЕЙСТВИЯ (МЕТОД 8)

9. МЕТОД ОПРЕДЕЛЕНИЯ АДГЕЗИИ МЕЖДУ СЛОЯМИ СЛОИСТОЙ (МЕТАЛЛОПЛАСТМАССОВОЙ) ОБОЛОЧКИ (МЕТОД 9)

10. МЕТОДЫ ОПРЕДЕЛЕНИЯ ГЕРМЕТИЧНОСТИ В ПРОДОЛЬНОМ НАПРАВЛЕНИИ ГЕРМЕТИЗИРОВАННЫХ КАБЕЛЕЙ (МЕТОД 10)

ПРИЛОЖЕНИЕ 1 Справочное ВИДЫ ЕМКОСТНЫХ СВЯЗЕЙ И ЕМКОСТНОЙ АСИММЕТРИИ СИММЕТРИЧНЫХ ЦЕПЕЙ КАБЕЛЕЙ СВЯЗИ

ПРИЛОЖЕНИЕ 2 Справочное ВИДЫ ИЗМЕРЯЕМЫХ ЦЕПЕЙ И ИХ ОБОЗНАЧЕНИЯ

ПРИЛОЖЕНИЕ 3 Справочное ВИДЫ ПЕРЕХОДНЫХ ЗАТУХАНИЙ И ЗАЩИЩЕННОСТИ И ИХ ОБОЗНАЧЕНИЯ

ПРИЛОЖЕНИЕ 4 Справочное ТАБЛИЦА СООТВЕТСТВИЯ ОБОЗНАЧЕНИЙ МЕТОДОВ

ИНФОРМАЦИОННЫЕ ДАННЫЕ

ГОСУДАРСТВЕННЫЙ СТАНДАРТ СОЮЗА ССР

КАБЕЛИ СВЯЗИ

ГОСТ 27893-88

Методы испытаний

Telephone cables Test methods

(СТ СЭВ 1101-87)

Срок действия с 01.01.90

до 01.01.2000

Настоящий стандарт распространяется на кабели связи с металлическими жилами, предназначенные для работы в диапазоне низких и высоких частот и устанавливает методы проведения испытаний кабелей связи и элементов их конструкции.

Стандарт не распространяется на радиочастотные кабели.

1. МЕТОДЫ ИСПЫТАНИЯ НА ИЗГИБ (МЕТОД 1)

1.1. Аппаратура

1.1.1. Метод 1-A

1.1.1.1. Для проведения испытания на изгиб образцов изолированных жил симметричных кабелей с воздушно-бумажной изоляцией должно применяться устройство, общий вид и габаритные размеры которого приведены на черт. 1.

Черт. 1

1.1.2. Метод 1-Б

1.1.2.1. Для проведения испытания на изгиб образцов кабелей должны применяться цилиндрические стержни, диаметры которых должны соответствовать указанным в ГОСТ 24641-81 или в нормативно-технической документации на кабели.

1.2. Подготовка к испытаниям

1.2.1. Испытания должны проводиться в нормальных климатических условиях по ГОСТ 20.57.406-81, если нормативно-технической документацией на кабели не предусмотрены другие условия испытаний.

Перед проведением испытаний образцы, предназначенные для испытаний, должны быть выдержаны в этих условиях не менее 1 ч, если в нормативно-технической документации на кабели не указано другое время выдержки.

1.2.2. При необходимости перед проведением испытаний должна проводиться разделка образцов кабеля без повреждения испытуемых элементов конструкции.

1.3. Проведение испытаний

1.3.1. Метод испытания изолированной жилы (метод 1-А)

1.3.1.1. Образец изолированной жилы симметричного кабеля не менее чем через 15 мин после изъятия его из кабеля необходимо изогнуть один раз на угол 90° на устройстве, указанном на черт. 1 с радиусом (R), равным 10 диаметрам изолированной жилы. При этом изоляция жилы должна плотно прилегать к изгибающей поверхности устройства, а сама изолированная жила не должна быть натянутей.

1.3.2. Метод испытания образцов кабелей (метод 1-Б)

1.3.2.1. Испытанию подвергают образцы кабелей длиной не менее 60-кратного наружного диаметра кабеля без удаления наружных покровов, если в нормативно-технической документации не указаны другие требования.

1.3.2.2. Образец кабеля необходимо намотать вокруг цилиндрического стержня, смотать и выпрямить. Затем образец необходимо повернуть вокруг своей продольной оси и снова намотать так, чтобы он соприкасался со стержнем образующей, смещенной на 180°, после чего его необходимо смотать и выпрямить.

1.3.2.3. Испытание на изгиб кабелей со свинцовыми и гофрированными стальными и алюминиевыми оболочками проводят три раза, с гладкими алюминиевыми и пластмассовыми оболочками - два раза.

1.4. Оценка результатов испытаний

1.4.1. Метод 1-А

1.4.1.1. Изоляция образца считается выдержавшей испытание, если после изгиба на изоляции нет трещин или оголений жилы, видимых невооруженным глазом.

1.4.2. Метод 1-Б

1.4.2.1. Образец считается выдержавшим испытание, если после изгибов и удаления всех наружных и защитных покровов оболочка выдержала испытание на герметичность.

Образец кабеля, не допускающий прокачку газа под давлением, считается выдержавшим испытание, если на оболочке не будет трещин, видимых невооруженным глазом.

2. МЕТОДЫ ОПРЕДЕЛЕНИЯ ГЕРМЕТИЧНОСТИ КАБЕЛЬНЫХ ОБОЛОЧЕК (МЕТОД 2)

2.1. Аппаратура

2.1.1. Метод 2-А

2.1.1.1. Манометр с пределом измерения до 0,6 МПа класса точности не ниже 1,0 и ценой деления не более 0,01 МПа.

2.1.2. Метод 2-Б

2.1.2.1. Дифференциальный манометр с пределом измерения до 0,0016 МПа класса точности не ниже 1,0.

2.1.3. Метод 2-В

2.1.3.1. Установка для испытания переменным или импульсным электрическим напряжением на проход по ГОСТ 2990-78.

2.2. Подготовка к испытаниям

2.2.1. Подготовка кабелей к испытаниям должна проводиться в соответствии с требованиями п. 1.2.

2.3. Проведение испытаний

2.3.1. Испытания проводят на строительных длинах или образцах кабелей.

2.3.2. Метод испытания кабельных оболочек, (метод 2-А)

2.3.2.1. Для определения герметичности кабельной оболочки, перед наложением или после наложения брони или защитного покрова, под оболочку кабеля необходимо ввести сухой инертный газ или сухой воздух под давлением от 0,08 до 0,12 Мпа - для кабелей с пластмассовыми и слоистыми (металлопластмассовыми) оболочками, от 0,2 до 0,5 МПа - для кабелей с металлическими оболочками, если в нормативно-технической документации на кабели не указаны другие значения.

Инертный газ или воздух под давлением необходимо вводить до тех пор, пока манометр, установленный на конце образца, не покажет заданное давление.

Допускается проверка герметичности оболочки на готовом изделии.

Метод используется при разногласиях в оценке качества.

Примечание. Сухой инертный газ или воздух - это инертный газ или воздух, который дает изменение окраски мелкодисперсного индикатора типа «силикагель» до голубого цвета (для испытания кабелей с воздушно-бумажной изоляцией) и до серого цвета (для испытания кабелей с пластмассовой изоляцией).

2.3.3. Метод испытания кабельных оболочек (метод 2-Б)

2.3.3.1. Герметичность кабельной оболочки определяют с помощью дифференциального манометра. Инертный газ или воздух необходимо вводить под оболочку с давлением в соответствии с требованиями п. 2.3.2.1.

2.3.4. Метод испытания пластмассовых оболочек и защитных шлангов (метод 2-В)

2.3.4.1. Испытания проводят на кабелях с пластмассовыми оболочками и защитными шлангами, имеющими экран, металлическую оболочку или броню.

Испытания проводят переменным или импульсным электрическим напряжением на проход по ГОСТ 2990-78.

Пиковое значение испытательного напряжения должно соответствовать ГОСТ 23286-78 или должно быть указано в нормативно-технической документации на кабели.

2.4. Оценка результатов испытаний

2.4.1. Метод 2-А

2.4.1.1. Оболочка кабеля считается герметичной, если после выравнивания давления в течение не менее 2 ч на конце кабеля (образца кабеля) при неизменной температуре давление остается постоянным.

2.4.2. Метод 2-Б

2.4.2.1. Оболочка кабеля считается герметичной, если после выравнивания давления при неизменной температуре падение давления не превысит 0,0003 МПа в течение 10 мин.

2.4.3. Метод 2-В

2.4.3.1. Пластмассовая оболочка или защитный шланг кабеля считаются герметичными, если после испытания напряжением в них отсутствуют места пробоев.

3. МЕТОД ИЗМЕРЕНИЯ ЭЛЕКТРИЧЕСКОЙ ЕМКОСТИ (МЕТОД 3)

3.1. Аппаратура

3.1.1. Для проведения измерений должны быть использованы средства, обеспечивающие точность измерения с погрешностью:

±(2 % измеренного значения плюс 50 пФ);

±(1 %             »              »            »      10 пФ);

±(1 %             »              »            »        5 пФ);

±(0,5 %          »              »            »        2 пФ).

При отсутствии в нормативно-технической документации на кабели требований к погрешности измерения емкость должна измеряться с погрешностью ±(2 % измеренного значения плюс 50 пФ).

3.2. Подготовка к измерениям

3.2.1. Подготовка кабелей к измерениям должна проводиться в соответствии с требованиями п. 1.2.

3.2.2. Способы разделки концов кабеля должны обеспечивать удобство измерения и отсутствие непредусмотренных контактов между жилами и электропроводящими покровами.

3.3. Проведение измерений

3.3.1. Измерение емкости симметричных и коаксиальных пар и одиночных жил строительных длин кабелей и образцов кабелей длиной не менее 5 м проводят на частоте 800 Гц.

Допускается проводить измерения на одной из частот в диапазоне от 10 до 2000 Гц.

3.3.2. При измерении электрической емкости измеряемая цепь должна подключаться к зажимам средства измерения непосредственно или через соединительную линию. Емкость соединительной линии должна быть скомпенсирована предварительным уравновешиванием или ее значение должно вычитаться из результата измерения

Противоположный конец измеряемой цепи должен быть разомкнут. Экраны и металлическая оболочка кабеля должны быть заземлены.

3.3.3. Рабочая емкость симметричной пары должна измеряться между токопроводящими жилами, принадлежащими к одной паре, причем измерительное напряжение должно быть приложено к измеряемой паре симметрично по отношению к экрану или металлической оболочке.

При измерении рабочей емкости соединительная линия должна быть симметричной, токопроводящие жилы, не участвующие при измерении, должны быть изолированы от земли, если в нормативно-технической документации на кабели не установлены другие требования.

3.3.4. Емкость коаксиальной пары должна измеряться между внутренним и внешним проводниками коаксиальной пары.

При измерении емкости коаксиальных пар все остальные цепи и проводники, не участвующие при измерении, должны быть заземлены.

3.3.5. При отсутствии в конструкции кабеля металлической оболочки, экрана или брони испытываемый образец должен быть помещен в специальный бак с водой, соединенной с землей, если в нормативно-технической документации не указано другое требование.

Емкость кабелей измеряют между жилой и всеми остальными жилами, соединенными вместе, а емкость кабелей парной и четверочной скрутки измеряют между жилами в парах.

3.3.6. Емкость одножильного провода (одиночной жилы) измеряют после погружения его в бак с водой, соединенный с землей, между жилой и водой, если в нормативно-технической документации на кабели не указаны другие требования.

3.4. Обработка и оценка результатов измерений

3.4.1. Измеренное значение емкости (С) в нФ должно быть пересчитано на 1 км длины кабеля по формуле:

,

где Сн - измеренная емкость, нФ;

L - длина измеряемого кабеля, м.

3.4.2. Округление результатов измерений должно проводиться до того десятичного знака, с которым указаны требуемые значения.

Для округления действуют следующие правила: если после десятичного знака, до которого следует округлять, стоят цифры 0; 1; 2; 3 или 4, то десятичный знак остается без изменения; если после десятичного знака, до которого следует округлять, стоят цифры 5; 6; 7; 8; 9, то он увеличивается на единицу.

3.4.3. Кабель считается выдержавшим испытание, если пересчитанные значения емкости соответствуют указанным в нормативно-технической документации на кабели.

4. МЕТОД ИЗМЕРЕНИЯ ЕМКОСТНЫХ СВЯЗЕЙ И ЕМКОСТНОЙ АСИММЕТРИИ (МЕТОД 4)

4.1. Аппаратура

4.1.1. Измерение емкостных связей и емкостной асимметрии должно проводиться средством измерения типа ИЕА (измеритель емкостной асимметрии) или другими аналогичными по назначению средствами измерений.

Частота тока измерения должна быть в пределах от 10 до 2000 Гц.

4.1.2. Неавтоматизированное средство измерения с учетом экранированных шнуров должно обеспечивать измерение с погрешностью ±4 пФ в диапазоне измерения до 200 пФ, ±10 пФ в диапазоне измерения от 200 до 400 пФ включ., ±(2 % измеренного значения плюс 2 пФ) в диапазоне измерения свыше 400 пФ.

4.1.3. Автоматическое устройство должно обеспечивать измерение с погрешностью ±(2 % измеренного значения плюс 5 пФ).

4.2. Подготовка к измерениям

4.2.1. Подготовка кабелей к измерениям должна проводиться в соответствии с требованиями п. 1.2 и 3.2.2.

4.3. Проведение измерений

4.3.1. Измерение емкостных связей и емкостной асимметрии симметричных кабелей связи производят на строительных длинах.

Метод может быть применен для измерения на шагах симметрирования при строительстве кабельных линий связи.

Виды емкостных связей и емкостной асимметрии симметричных цепей кабелей связи и их обозначения приведены в приложении 1.

Виды измеряемых цепей и их обозначения приведены в приложении 2.

4.3.2. Перед измерениями должна быть произведена начальная балансировка схемы измерителя вместе с включенными экранированными шнурами, экраны которых должны быть заземлены. Зажимы на концах шнуров должны обеспечивать надежный электрический контакт.

4.3.3. При измерении емкостной связи и емкостной асимметрии жилы измеряемых элементов скрутки (пар, четверок, шестерок) должны быть подключены к зажимам средств измерения в соответствии с имеющейся на измерителе маркировкой и обозначениями, указанными в приложении 2.

4.3.4. При измерении емкостных связей K, K1-K12 и полной емкостной асимметрии по отношению к земле е, е1, е2, e3 металлическая оболочка, экран и броня должны быть заземлены. Токопроводящие жилы, не участвующие в измерении, должны быть разомкнуты.

4.3.5. При измерении частичной емкостной асимметрии по отношению к земле еa, еa1, еa2, ea3 свободные жилы испытуемого элемента кабеля и все остальные жилы кабеля, не участвующие в измерении, должны быть подключены к средней точке дифференциального трансформатора средства измерения. Металлическая оболочка, экран и броня должны быть заземлены.

4.4. Обработка и оценка результатов измерений

4.4.1. Измеренные значения емкостных связей (K) и емкостной асимметрии (е) должны быть пересчитаны на нормированную строительную длину кабеля в пФ по формуле

,

где K(е)изм - измеренное значение, пФ;

L - длина измеряемого кабеля, м;

l - нормированная строительная длина кабеля, м.

4.4.2. Округление результатов измерений должно проводиться в соответствии с требованиями п. 3.4.2.

4.4.3. Кабель считается выдержавшим испытание, если пересчитанные значения коэффициентов емкостных связей и емкостной асимметрии соответствуют указанным в нормативно-технической документация на кабели.

5. МЕТОД ИЗМЕРЕНИЯ ПЕРЕХОДНОГО ЗАТУХАНИЯ НА БЛИЖНЕМ КОНЦЕ КАБЕЛЯ И ЗАЩИЩЕННОСТИ НА ДАЛЬНЕМ КОНЦЕ КАБЕЛЯ МЕЖДУ ЦЕПЯМИ НА СТРОИТЕЛЬНЫХ ДЛИНАХ СИММЕТРИЧНЫХ КАБЕЛЕЙ (МЕТОД 5)

5.1. Отбор образцов

5.1.1. Для измерений должны быть отобраны строительные длины кабелей, в измерительных цепях которых нет обрыва и короткого замыкания.

5.2. Аппаратура

5.2.1. Для намерения должны быть применены средства, обеспечивающие процесс измерений в требуемом диапазоне измерительных частот на любой частоте или на фиксированных частотах, а также в требуемом диапазоне измеряемых параметров с симметрирующими устройствами для подключения измеряемых цепей и обеспечивающими применение нагрузок, с сопротивлениями, соответствующими волновому сопротивлению измеряемых цепей.

5.2.2. Для соединения приборов между собой и с измерительными цепями должны применяться экранированные шнуры.

5.2.3. Комплект приборов для измерения переходных затуханий и защищенности должен иметь погрешность измерения:

±2 дБ в диапазоне измерения до 90 дБ включ.,

±3 дБ в диапазоне измерения св. 90 дБ.

5.3. Подготовка к измерениям

5.3.1. Подготовка кабелей к измерениям должна проводиться в соответствии с требованиями пп. 1.2 и 3.2.2.

5.4. Проведение измерений

5.4.1. Измерения переходного затухания на ближнем конце кабеля и защищенности на дальнем конце кабеля между цепями должны проводиться методом сравнения или другими аналогичными по назначению методами. Схема подключения измеряемого объекта должна соответствовать, указанной в инструкции по эксплуатации применяемого прибора. Обозначения видов переходных затуханий и защищенности между цепями приведены в приложении 3.

5.4.2. При измерении влияющие и подверженные влиянию цепи должны быть нагружены безындуктивными сопротивлениями с допустимым отклонением ±5 %, помещенными в экранирующие корпуса

Значения нагрузочных сопротивлений должны быть указаны в нормативно-технической документации на кабели или установлены расчетным путем.

5.4.3. Токопроводящие покровы, металлические кабельные оболочки, экраны цепей и сердечников, корпуса приборов и нагрузочных сопротивлений, экраны приспособлений и оплетки измерительных шнуров должны быть соединены друг с другом перемычками минимальной длины и заземлены. Все остальные цепи, не участвующие в измерении, должны находиться в режиме холостого хода.

5.4.4. Диапазон частот или фиксированные частоты, на которых проводят измерения, должны быть указаны в нормативно-технической документации на кабели.

5.5. Обработка и оценка результатов измерений

5.5.1. Округление результатов измерений должно проводиться в соответствии с требованиями п. 3.4.2.

5.5.2. При измерении цепей, имеющих разные волновые сопротивления, (нагруженных соответственно на разные нагрузки) переходное затухание на ближнем конце или защищенность на дальнем конце (an(l)) в дБ вычисляют по формуле

,

где an(1)изм - затухание, фиксируемое на измерительном устройстве, дБ;

|Z01| и |Z02| - соответственно значение модуля волнового сопротивления цепи I и II, Ом.

5.5.3. Если длина испытуемых образцов отличается от нормированной, то к нормированному значению измеряемого параметра добавляют поправку, указанную в нормативно-технической документации на кабели, и результаты измерений с учетом поправки, указанной выше, сопоставляют с вычисленным значением.

5.5.4. Кабель считается выдержавшим испытание, если полученные значения переходных затуханий и защищенности соответствуют указанным в нормативно-технической документации на кабели.

6. МЕТОД ОПРЕДЕЛЕНИЯ ВОЛНОВОГО СОПРОТИВЛЕНИЯ, КОЭФФИЦИЕНТА ЗАТУХАНИЯ И КОЭФФИЦИЕНТА ФАЗЫ СИММЕТРИЧНЫХ КАБЕЛЕЙ (МЕТОД 6)

6.1. Аппаратура

6.1.1. Измерение должно проводиться средствами для измерения входного сопротивления.

Погрешность измерения должна определяться классом точности применяемых средств измерений, если в нормативно-технической документации на кабели не указаны другие требования

6.2. Подготовка к измерениям

6.2.1. Подготовка кабелей к измерениям должна проводиться в соответствии с требованиями п. 1.2 и 3.2.2.

6.3. Проведение измерений

6.3.1. Определение волнового сопротивления, коэффициента затухания и коэффициента фазы проводят методом холостого хода и короткого замыкания с последующим определением волнового сопротивления, коэффициента затухания и коэффициента фазы.

6.3.2. Допускается проводить измерения другими равноценными методами и средствами измерений, при этом методика измерений должна быть указана в нормативно-технической документации на кабели.

6.3.3. Измерения должны быть проведены на строительных длинах кабелей, в измеряемых цепях которых нет обрыва и короткого замыкания, если в нормативно-технической документации на кабели не указаны другие требования.

6.3.4. Измерение сопротивления холостого хода и короткого замыкания должно проводиться с учетом мест отражения, образующихся в зависимости от длины кабеля и частоты.

6.3.5. Диапазон частот или измерительные частоты, на которых проводят измерения, должны быть указаны в нормативно-технической документации на кабели.

6.4. Обработка результатов измерений

6.4.1. По значениям сопротивления холостого хода и короткого замыкания должно быть определено комплексное волновое сопротивление (Z0) в Ом, коэффициенты затухания (а) и фазы (b) по формулам

;

,

где  - комплексное сопротивление холостого хода, Ом;

* - комплексное сопротивление короткого замыкания, Ом;

g - комплексная постоянная распространения.

Значения коэффициентов затухания (а) и фазы (b) должны быть пересчитаны на длину 1 км и температуру 20 °С и указаны в виде

a - коэффициент затухания, дБ/км,

b - коэффициент фазы, рад/км.

Коэффициент пересчета на длину и температуру 20 °С должен быть указан в нормативно-технической документации на кабели.

6.4.2. Округление результатов измерений должно проводиться в соответствия с требованиями п. 3.4.2.

6.4.3. Полученные результаты должны сопоставляться со значениями, указанными в нормативно-технической документации на кабели, и при необходимости изображаться графически.

7. МЕТОД ОПРЕДЕЛЕНИЯ КОНЦЕВЫХ ЗНАЧЕНИЙ ВОЛНОВОГО СОПРОТИВЛЕНИЯ И КОЭФФИЦИЕНТА ОТРАЖЕНИЯ ОТ НЕОДНОРОДНОСТЕЙ КОАКСИАЛЬНЫХ КАБЕЛЕЙ С ПАРАМИ ТИПОВ 2,6/9,5; 2,6/9,4; 1,2/4,6 и 2,1/9,7 (МЕТОД 7)

7.1. Аппаратура

7.1.1. Измерение концевых значений волнового сопротивления и коэффициентов отражения от неоднородностей коаксиальных пар должно проводиться при помощи измерителя отраженных импульсов, содержащего генератор зондирующих импульсов, электронно-лучевой индикатор, развязывающее устройство с балансным контуром и нагрузочный контур на соответствующий тип коаксиальной пары.

7.1.2. Погрешность измерительного комплекта должна быть ±0,05 Ом при измерении концевого значения волнового сопротивления коаксиальной пары 2,6/9,5 и 2,6/9,4 и ±0,10 Ом коаксиальной пары 1,2/4,6 и 2,1/9,7 и погрешность ±10 % от измеряемой величины (в омах) при измерении коэффициентов отражения от неоднородностей волнового сопротивления коаксиальных пар от 0,6 % (0,1 Ом) и более.

7.1.3. Длительность зондирующего импульса приближенной формы квадрата синуса на половине высоты должна соответствовать указанной в табл. 1.

Таблица 1

Тип коаксиальной пары

Система передачи

Диапазон частот. МГц или скорость передачи, Мбит/с

Длительность импульса, не при измерении

строительной длины

ЭКУ

2,6/9,5

Аналоговая

10

100 (120) ± 10

100 (120)

2,6/9,4

30

50 (60) ± 10

50 (60)*

60

10 ± 2

10**

Цифровая

140

10 ± 2

50 (60)*

565

10 ± 2

10

1,2/4,6

Аналоговая

10

100 (120) ± 10

400

Цифровая

34

50 (60) ± 10

100 (120)

2,1/9,7

Аналоговая

10

100 (120) ± 10**

400

* Допускается проводить измерение импульсами длительностью 100 (120) нс.

** Допускается проводить измерение импульсами длительностью 50 (60) нс.

7.1.4. Для соединения измеряемой коаксиальной пары с приборами должны применяться коаксиальные шнуры с волновым номинальным сопротивлением 75 Ом и длиной, указанной в инструкции, прилагаемой к прибору.

7.1.5. Все соединения должны быть выполнены при помощи шнуров с коаксиальными соединителями, согласованными со входом прибора и обеспечивающими надежный электрический контакт с внутренним и внешним проводниками коаксиальной пары.

7.2. Подготовка к измерениям

7.2.1. Подготовка кабелей к измерениям должна проводиться в соответствии с требованиями пп. 1.2 и 3.2.2.

7.2.2. Схема подключения коаксиальной пары измеряемого кабеля должна соответствовать инструкции по эксплуатации прибора.

7.2.3. Перед началом измерений корпус прибора должен быть надежно заземлен.

7.2.4. Прибор должен быть включен, проверен и откалиброван согласно инструкции, прилагаемой к прибору.

7.2.5. Правильность показаний нагрузочного и балансного контуров и форма амплитудно-временной характеристики должны быть проверены по образцовой коаксиальной паре с периодичностью, предусмотренной инструкцией к прибору, а также после каждого ремонта импульсного прибора или контуров.

7.2.6. Нагрузочный контур должен быть подключен к тому концу коаксиальной пары, волновое сопротивление которого измеряют. Другой конец коаксиальной пары должен быть подключен ко входу импульсного прибора.

7.2.7. Концевые значения волнового сопротивления и коэффициента отражения от внутренних неоднородностей волнового сопротивления коаксиальных пар должны иметь следующие обозначения:

za - концевые значения волнового сопротивления коаксиальных пар верхнего конца кабеля (А);

ра - коэффициент отражения от внутренних неоднородностей волнового сопротивления коаксиальных пар при подаче зондирующего импульса со стороны верхнего конца кабеля (А);

zБ - концевые значения волнового сопротивления коаксиальных пар нижнего конца кабеля (Б);

рб - коэффициент отражения от внутренних неоднородностей волнового сопротивления коаксиальных пар при подаче зондирующего импульса со стороны нижнего конца кабеля (Б).

7.3. Проведение измерений

7.3.1. Определение концевых значений волнового сопротивления и коэффициентов отражения от неоднородностей проводится импульсным методом.

Метод позволяет определять концевые значения волнового сопротивления и коэффициенты отражения от внутренних неоднородностей волнового сопротивления коаксиальных пар в строительных длинах и коэффициенты отражения от неоднородностей волнового сопротивления коаксиальных пар на элементарных кабельных участках (ЭКУ).

7.3.2. Концевые значения волнового сопротивления и коэффициенты отражения (затухание «эхо») от внутренних неоднородностей волнового сопротивления коаксиальных пар строительных длин должны быть измерены с обоих концов кабеля. Коэффициенты отражения от неоднородностей волнового сопротивления коаксиальных пар на ЭКУ должны быть измерены в соответствии с инструкцией, прилагаемой к прибору.

7.3.3. Импульсы в начале и конце кабеля компенсируют до предельно возможных минимальных значений.

7.3.4. Волновое сопротивление отсчитывают по настроенному на испытуемый кабель нагрузочному контуру.

Полученная при этом величина сопротивления, которую следует непосредственно отсчитывать по шкале нагрузочного контура, является концевым значением волнового сопротивления za или zБ - в зависимости от того, к какому концу коаксиальный пары кабеля (А или Б) подключен нагрузочный контур.

7.3.5. Допускается проводить измерения другими равноценными методами и приборами.

7.3.6. Коэффициент отражения от неоднородностей волнового сопротивления должен быть определен по амплитудно-временной характеристике отраженного импульса в соответствии с технической документацией по использованию приборов.

Амплитудно-временная характеристика должна быть сфотографирована или снята другим способом с экрана электронно-лучевой трубки после согласования нагрузочного контура с коаксиальной парой при максимально допустимом усилении.

Примечание. На предприятиях-изготовителях допускается фотографирование или снятие амплитудно-временных характеристик в кабеле только коаксиальной пары, имеющей наибольший коэффициент отражения от неоднородности волнового сопротивления. По другим коаксиальным парам результат измерения фиксируется визуально.

7.4. Обработка и оценка результатов измерений

7.4.1. Коэффициент отражения от неоднородностей волнового сопротивления (Р) вычисляют по формуле

,

где DZ - отклонение волнового сопротивления в намеряемом месте, определенное по амплитудно-временной характеристике, Ом;

Z - концевое значение волнового сопротивления коаксиальной пары, Ом.

Коэффициент отражения от неоднородностей волнового сопротивления, выраженный величиной затухания «эхо» (Аэхо) в дБ, вычисляют по формуле

Аэхо = -20 lg P

Значения характеристик DZ, Р и Аэхо коаксиальных пар с номинальным сопротивлением 75 Ом указаны в табл. 2.

Таблица 2

DZ, Ом

0,15

0,30

0,37

0,45

0,60

0,75

0,82

0,90

1,05

1,20

1,35

1,50

Р, 10-3

1,0

2,0

2,5

3,0

4,0

5,0

5,5

6,0

7,0

8,0

9,0

10,0

Аэхо, дБ

60,0

53,9

52,1

50,4

47,8

46,0

45,2

44,3

43,4

42,6

40,8

40,0

7.4.2. Округление результатов измерений должно проводиться в соответствии с требованиями п. 3.4.2.

7.4.3. Образец считается выдержавшим испытание, если полученные значения соответствуют указанным в нормативно-технической документации на кабели.

8. МЕТОД ОПРЕДЕЛЕНИЯ ИДЕАЛЬНОГО КОЭФФИЦИЕНТА ЗАЩИТНОГО ДЕЙСТВИЯ (МЕТОД 8)

8.1. Аппаратура

8.1.1. Для проведения измерений должна быть использована установка, включающая в себя:

источник напряжения с коэффициентом амплитуды ;

регулируемый трансформатор;

прибор для измерения эффективных значений синусоидальных переменных напряжений (милливольтметр), класс точности которого должен быть не ниже 2,5.

Допускается проводить измерения другими равноценными средствами измерения.

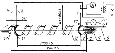
8.1.2. Принципиальная схема измерительной установки для определения идеального коэффициента защитного действия приведена на черт. 2.

1 и 2 - токовые зажимы; 3, 4 и 5 - потенциальные зажимы; 6 - любая измеряемая жила кабеля, 7 -остальные жилы кабеля, изолированные друг от друга и от кабельной оболочки; 8 - металлическая оболочка; 9 и 11 - кольцевые электроды; 10 - броня, S - токовый провод; М - измерительный провод, изолированный от токового провода S; 12 - точка соединения измеряемой жилы 6 с измерительным проводом М и оболочкой 8; а - аксиальное расстояние между продольной осью кабеля и токовым проводом S; T - регулируемый трансформатор для высоких токовых нагрузок

Черт. 2

8.1.3. Погрешность измерительной установки должна быть не более 10 %.

8.2. Подготовка к измерениям

8.2.1. Подготовка кабелей к измерениям должна проводиться в соответствии с требованиями пп. 1.2 и 3.2.2.

8.3. Проведение измерений

8.3.1. Ток, имитирующий внешние помехи на кабель, должен подводиться к металлическим покровам кабеля (оболочке, броне и дополнительным металлическим элементам) и быть регулируемым так, чтобы можно было установить регламентированное нормативно-технической документацией на кабель напряжение на металлических покровах UH = U3,4. При этом необходимо, чтобы к точкам 1 и 2 для всех применяемых нагрузок прикладывалось синусоидальное напряжение.

Кривая напряжения считается синусоидальной, если ни одно из ее мгновенных значений не отличается от мгновенных значений той же фазы основной волны (первой гармоники) более чем на 10 %.

8.3.2. Ток от трансформатора (T) должен подводиться к кольцевым электродам кабеля. Кольцевые электроды из медной проволоки должны иметь хороший электрический контакт со всеми элементами металлических покровов. Сечение кольцевых электродов должно быть приблизительно 20 мм2. Провод (S) и измерительный провод (М) (черт. 2) должны быть расположены близко друг от друга, так, чтобы они вместе с отрезком кабеля образовывали два прямоугольных контура (контур «кабельная оболочка - токовый провод» и контур «кабельная оболочка - измерительный провод»), взаимоиндукция которых воспроизводит наружную индуктивность кабеля, проложенного в земле. Величина индуктивности должна быть порядка 2 мГн, пересчитанная на длину 1 км, если в нормативно-технической документации на кабели не указаны другие требования. Такая величина индуктивности получается при аксиальном расстоянии а = 400 мм (от продольной оси кабеля до токового провода) для шлейфа измерительного устройства.

В качестве провода (S) для малых сил тока может быть применена 19-проволочная медная жила минимальным сечением 50 мм2, у которой в наружном повиве имеется одна медная изолированная жила, применяемая в качестве измерительного провода.

При больших силах тока токовый провод может состоять из двух параллельно расположенных плоских медных шин, расстояние между которыми приблизительно должно быть равно толщине шины. Между шинами располагается изолированный измерительный провод (М). Аксиальное расстояние (а) в этом случае выбирают таким, чтобы индуктивность шлейфа была порядка 2 мГн, пересчитанная на длину 1 км.

Измеряемая жила кабеля должна быть соединена с точкой 5 на одном конце образца кабеля и с точкой 12 на другом конце, причем соединение с точкой 12 должно быть произведено кратчайшим путем.

Все остальные жилы должны быть изолированы друг от друга и от металлических элементов покровов.

8.3.3. С помощью измерительного устройства должны быть измерены напряжения UА = U3,5 и UH = U3,4.

Значения напряжений (UH) и измерительные частоты должны быть указаны в нормативно-технической документации на кабели.

8.4. Обработка и оценка результатов измерений

8.4.1. Идеальный коэффициент защитного действия (r) должен определяться из соотношения соответствующих значений напряжения

,

где UA - напряжение на измеряемой жиле образца кабеля, мВ;

UH - напряжение на металлических покровах образца кабеля, мВ;

В случае необходимости значения идеального коэффициента защитного действия (r) изображают в виде графика зависимости от продольной э.д.с. на оболочке (Eобол)

r = f (Eобoл).

Продольную э.д.с. на оболочке (Eобол) в В/км рассчитывают по формуле

,

где UH - напряжение на металлических покровах образца кабеля, В;

l - длина образца кабеля, км.

8.4.2. Округление результатов измерений должно проводиться в соответствии с требованиями п. 3.4.2.

8.4.3. Образец считается выдержавшим испытание, если рассчитанные значения идеального коэффициента защитного действия соответствуют указанным в нормативно-технической документации на кабели.

9. МЕТОД ОПРЕДЕЛЕНИЯ АДГЕЗИИ МЕЖДУ СЛОЯМИ СЛОИСТОЙ (МЕТАЛЛОПЛАСТМАССОВОЙ) ОБОЛОЧКИ (МЕТОД 9)

9.1. Аппаратура

9.1.1. Для проведения испытаний должна быть применена разрывная машина с записывающим устройством.

9.2. Подготовка к испытаниям

9.2.1. Подготовка образцов к испытаниям должна проводиться в соответствии с требованиями п. 1.2

9.3. Проведение испытаний

9.3.1. Образцы для испытания прямоугольной формы длиной не менее 150 мм, шириной не менее 15 мм, если в нормативно-технической документации на кабели не указаны другие требования, должны быть вырезаны из оболочки готового кабеля в продольном направлении за одну операцию с помощью вырезного штампа или дисковой пилы с тонкорежущим полотном. При этом образцы, вырезанные из оболочки, не должны иметь перекрытий алюминиевой ленты. С одного конца испытуемого образца алюминиевая лента должна быть отделена от оболочки на расстоянии не менее 50 мм, если в нормативно-технической документации на кабели не указаны другие требования.

Подготовленные образцы должны быть последовательно закреплены отслоенным концом алюминиевой ленты в верхнем зажиме разрывной машины и концом оболочки без алюминиевой ленты в нижнем зажиме. Затем зажимы раздвигают со скоростью (100±50) мм/мин до отделения алюминиевой ленты от оболочки. На пути отслоения, равном около 100 мм, в процессе растяжения у каждого образца должна быть измерена сила отслоения, необходимая для отделения алюминиевой ленты от оболочки.

9.4. Оценка результатов испытаний

9.4.1. Образец считается выдержавшим испытание, если рассчитанное из трех измерений среднее значение силы отслаивания не ниже значения, установленного в нормативно-технической документации на кабели.

10. МЕТОДЫ ОПРЕДЕЛЕНИЯ ГЕРМЕТИЧНОСТИ В ПРОДОЛЬНОМ НАПРАВЛЕНИИ ГЕРМЕТИЗИРОВАННЫХ КАБЕЛЕЙ (МЕТОД 10)

10.1. Аппаратура

10.1.1. Метод 10-А

10.1.1.1. Для испытаний должно быть применено устройство, схема которого приведена на черт. 3.

1 - колпак; 2 - вода; 3 - кабель

Черт. 3

Устройство должно быть заполнено водопроводной водой, окрашенной водорастворимым красителем.

10.1.2. Метод 10-Б

10.1.2.1. Для испытаний должно быть применено устройство, схема которого приведена на черт. 4.

1 – вода; 2 - уплотнение; 3 - кабель

Черт. 4

10.2. Подготовка к испытаниям

10.2.1. Подготовка образцов к испытаниям должна проводиться в соответствии с требованиями п. 1.2.

10.3. Проведение испытаний

10.3.1. Метод 10-А.

10.3.1.1. На образце кабеля, предназначенном для испытания, на длине не менее 3 м от конца должна быть вырезана по всему периметру на длине 25 мм оболочка или металлопластмассовая оболочка и покрытие поверх скрученного сердечника.

Поверх скрученного сердечника должна быть установлена водонепроницаемая муфта так, чтобы перекрывался вырез оболочки и предотвращалось распространение воды между сердечником и другими элементами конструкции кабеля.

Испытуемый образец должен быть расположен горизонтально.

Конец образца кабеля, подготовленного к испытанию, должен подвергнуться действию водяного столба высотой 1 м в течение 24 ч при температуре (20±5) °C, если в нормативно-технической документации на кабели не указаны другие условия испытаний.

Метод используется при разногласиях в оценке качества.

10.3.2. Метод 10-Б

10.3.2.1. Образец кабеля длиной не менее 3 м должен быть присоединен одним концом к испытательному устройству. Присоединение должно быть выполнено так, чтобы был свободный доступ воды из сосуда только внутрь сердечника кабеля. Затем испытательное устройство должно быть наполнено водой. В таком состоянии образец должен подвергнуться действию водяного столба высотой 1 м в течение 24 ч, если в нормативно-технической документации на кабели не указаны другие требования.

10.3.3. Образцы подвергают повторному испытанию, если замечено поступление воды между экраном и оболочкой.

10.3.4. Допускается применение других равноценных методов испытаний на герметичность, при этом метод испытаний должен быть указан в нормативно-технической документации на кабели.

10.4. Оценка результатов испытаний

10.4.1. Метод 10-А

10.4.1.1. Образец считается выдержавшим испытание, если при осмотре свободного конца кабеля в ультрафиолетовом свете не будет обнаружено следов красителя.

10.4.2. Метод 10-Б

10.4.2.1. Образец считается выдержавшим испытание, если на свободном конце кабеля не будет обнаружено просачивание воды.

ПРИЛОЖЕНИЕ 1
Справочное

ВИДЫ ЕМКОСТНЫХ СВЯЗЕЙ И ЕМКОСТНОЙ АСИММЕТРИИ СИММЕТРИЧНЫХ ЦЕПЕЙ КАБЕЛЕЙ СВЯЗИ

Участвующие элементы скрутки

Вид связи

Обозначение

1. ЕМКОСТНЫЕ СВЯЗИ

1. Пары I и II

Емкостная связь между парами I и II

K

2. Четверка с основными цепями I1 и I2

Емкостная связь между первой и второй основными цепями четверки I1/I2

K1

Емкостная связь между первой основной цепью и искусственной цепью четверки I1

K2

Емкостная связь между второй основной цепью и искусственной цепью четверки I2

K3

3. Одна пара I и одна четверка с основными цепями I1 и I2

Емкостная связь между парой и искусственной цепью четверки I

K5

Емкостная связь между парой и первой основной цепью четверки I/I1

K9

Емкостная связь между парой и второй основной цепью I/I2

K10

4 Четверка I с основными цепями I1 и I2 и четверка II с основными цепями II1 и II2

Емкостная связь между искусственной цепью четверки I и искусственной цепью четверки II И12

K4

Емкостная связь между первой основной цепью четверки I и искусственной цепью четверки II I12

K5

Емкостная связь между второй основной цепью четверки I и искусственной цепью четверки II I22

K6

Емкостная связь между искусственной цепью четверки I и первой основной цепью четверки II И1/II1

K7

Емкостная связь между искусственной цепью четверки I и второй основной цепью четверки II И1/II2

K8

Емкостная связь между первой основной цепью четверки I и первой основной цепью четверки II I1/II1

K9

Емкостная связь между первой основной цепью четверки I и второй основной цепью четверки II I1/II2

K10

Емкостная связь между второй основной цепью четверки I и первой основной цепью четверки II I2/II1

K11

Емкостная связь между второй основной цепью четверки I и второй основной цепью четверки II I2/II2

K12

2. ПОЛНАЯ ЕМКОСТНАЯ АСИММЕТРИЯ ПО ОТНОШЕНИЮ К ЗЕМЛЕ

1. Одна пара

Полная емкостная асимметрия пары по отношению к земле

e

2. Четверка с основными цепями

Полная емкостная асимметрия первой основной цепи четверки по отношению к земле

e1

Полная емкостная асимметрия второй основной цепи четверки по отношению к земле

e2

Полная емкостная асимметрия искусственной цепи четверки по отношению к земле

e3

3. ЧАСТИЧНАЯ ЕМКОСТНАЯ АСИММЕТРИЯ ПО ОТНОШЕНИЮ К ЗЕМЛЕ (ВНЕШНЯЯ)

1. Одна пара

Частичная емкостная асимметрия пары по отношению к земле

ea

2. Четверка с основными цепями

Частичная емкостная асимметрия первой основной цепи четверки по отношению к земле

ea1

Частичная емкостная асимметрия второй основной цепи четверки по отношению к земле

ea2

Частичная емкостная асимметрия искусственной цепи четверки по отношению к земле

ea3

ПРИЛОЖЕНИЕ 2
Справочное

ВИДЫ ИЗМЕРЯЕМЫХ ЦЕПЕЙ И ИХ ОБОЗНАЧЕНИЯ

1. Любая звездная (или двойная парная) четверка имеет три симметричные цепи, из которых одну цепь образует первая пара четверки (красная и натуральная жилы), обозначаемая I1.

Вторую цепь образует вторая пара четверки (синяя и зеленая жилы), обозначаемая I2.

Третью цепь, обозначаемую И (искусственная), образуют первая и вторая пары четверки, причем первая пара образует прямой, а вторая пара - обратный провод искусственной цепи.

2. При измерении двух пар создают две цепи: первую цепь, обозначаемую I, образует пара I; вторую цепь, обозначаемую II, образует пара II.

3. При измерении одной пары и одной четверки создают четыре цепи: первую цепь, обозначаемую I, образует одна пара I; вторую цепь, обозначаемую I1, образует первая пара четверки (красная и натуральная жилы); третью цепь, обозначаемую I2, образует вторая пара четверки (синяя и зеленая жилы); четвертую цепь, обозначаемую И (искусственная), образуют первая и вторая пары четверки, причем первая пара образует прямой, а вторая - обратный провод искусственной цепи

4. При измерении шестерки из трех пар искусственно создают три четверки:

первая четверка - пары I и II (I - красная и натуральная жилы, II - синяя и натуральная жилы),

вторая четверка - пары I и III (I - красная и натуральная жилы, III - зеленая и натуральная жилы);

третья четверка - пары II и III (II - синяя и натуральная жилы, III - зеленая и натуральная жилы).

Допускаются другие сочетания цветов изоляции жил в парах, если это указано в нормативно-технической документации на кабели.

ПРИЛОЖЕНИЕ 3
Справочное

ВИДЫ ПЕРЕХОДНЫХ ЗАТУХАНИЙ И ЗАЩИЩЕННОСТИ И ИХ ОБОЗНАЧЕНИЯ

Виды переходных затуханий и защищенности

Обозначение

Переходное затухание на ближнем конце между влияющей основной цепью I и подверженной влиянию основной цепью II внутри четверки или между цепями парной скрутки

Переходное затухание на ближнем конце между влияющими основными цепями четверки I и подверженными влиянию основными цепями четверки II ( - I цепь I четверки на I цепь II четверки,  - I цепь I четверки на II цепь II четверки и т. д.)

 до

Защищенность на дальнем конце между влияющей основной цепью I и подверженной влиянию основной цепью II внутри четверки или между цепями парной скрутки

Защищенность на дальнем конце между влияющими основными цепями четверки I и подверженными влиянию основными цепями четверки II

 до

ПРИЛОЖЕНИЕ 4
Справочное

ТАБЛИЦА СООТВЕТСТВИЯ ОБОЗНАЧЕНИЙ МЕТОДОВ

Обозначение метода

Обозначение НТД, взамен которой разработан стандарт

Метод 3

ГОСТ 10786-72

» 4

ГОСТ 10307-72

» 5

ГОСТ 10454-84

» 7

ГОСТ 13224-73

ИНФОРМАЦИОННЫЕ ДАННЫЕ

1.  РАЗРАБОТАН И ВНЕСЕН Министерством электротехнической промышленности

ИСПОЛНИТЕЛИ

Г. С. Моряков (руководитель темы), В. А. Ланкина

2. УТВЕРЖДЕН И ВВЕДЕН В ДЕЙСТВИЕ Постановлением Государственного комитета СССР по стандартам от 22.11.88 № 3769

3. Срок первой проверки 1995 г.

Периодичность проверки 5 лет

4. Стандарт полностью соответствует СТ СЭВ 1101-87

5. Стандарт полностью соответствует МЭК 189-1 (1986 г.)

6. ВЗАМЕН ГОСТ 10786-72, ГОСТ 10307-72, ГОСТ 10454-84, ГОСТ 13224-73

7. ССЫЛОЧНЫЕ НОРМАТИВНО-ТЕХНИЧЕСКИЕ ДОКУМЕНТЫ

Обозначение НТД, на который дана ссылка

Номер пункта

ГОСТ 20.57.406-81

1.2.1

ГОСТ 24641-81

1.1.2.1

ГОСТ 2990-78

2.1.3.1, 2.3.4.1

ГОСТ 23286-78

2.3.4.1

 

 




ГОСТЫ, СТРОИТЕЛЬНЫЕ и ТЕХНИЧЕСКИЕ НОРМАТИВЫ.
Некоммерческая онлайн система, содержащая все Российские Госты, национальные Стандарты и нормативы.
В Системе содержится более 150000 файлов нормативно-технической документации, действующей на территории РФ.
Система предназначена для широкого круга инженерно-технических специалистов.

Рейтинг@Mail.ru Яндекс цитирования

Copyright © www.gostrf.com, 2008 - 2026