|
|
|
ГОСУДАРСТВЕННЫЙ СТАНДАРТ СОЮЗА ССР СЕТИ РАСПРЕДЕЛИТЕЛЬНЫЕ ПРИЕМНЫХ СИСТЕМ ТЕЛЕВИДЕНИЯ И РАДИОВЕЩАНИЯ КЛАССИФИКАЦИЯ ПРИЕМНЫХ СИСТЕМ, ОСНОВНЫЕ ПАРАМЕТРЫ И ТЕХНИЧЕСКИЕ ТРЕБОВАНИЯ ГОСТ 28324-89 ГОСУДАРСТВЕННЫЙ КОМИТЕТ СССР ПО УПРАВЛЕНИЮ КАЧЕСТВОМ ПРОДУКЦИИ И СТАНДАРТАМ Москва ГОСУДАРСТВЕННЫЙ СТАНДАРТ СОЮЗА ССР
Срок действия с 01.01.91 до 01.01.98 Несоблюдение стандарта преследуется по закону Настоящий стандарт распространяется на распределительные сети приемных систем телевидения и радиовещания с частотным разделением каналов в диапазоне от 30 МГц до 1 ГГц (для передачи внутрисистемных сигналов допускается использование диапазона частот от 5 до 30 МГц), предназначенных для эксплуатации в помещениях, общественных зданиях, технических помещениях и на открытом воздухе. Термины и определения - по приложению 1. 1. КЛАССИФИКАЦИЯ ПРИЕМНЫХ СИСТЕМКлассы систем устанавливают в соответствии с табл. 1. Таблица 1
Примечание. Примеры структуры приведены в приложении 2. 2. ОСНОВНЫЕ ПАРАМЕТРЫТребования к техническим параметрам, регламентируемые в настоящем разделе, определяются между входом головной станции или входного усилительно-преобразовательного устройства СКП (если не оговорено особо) и выходом абонентской розетки. 2.1. Элементы сети должны иметь несимметричные входы и выходы с номинальным сопротивлением 75 Ом. Линии сети выполняются коаксиальными кабелями с номинальным волновым сопротивлением 75 Ом. 2.2. Уровни полезных сигналов на выходах абонентских розеток должны находиться в пределах, определяемых табл. 2. Таблица 2
При частотном интервале между соседними несущими УКВ радиовещания используемых в сети каналов 300 кГц максимальный уровень сигналов радиовещания не должен превышать 66 дБ (мкВ), а при частотном интервале 400 кГц - 74 дБ (мкВ). При распределении по сети сигналов УКВ-радиовещания в каналах, подверженных воздействию помех от гетеродинов абонентских устройств, уровень сигналов УКВ-радиовещания должен быть не менее 54 дБ (мкВ). Примечания: 1. Конкретные значения уровней определяют с учетом условий работы системы. 2. В национальных стандартах могут регламентироваться другие значения максимальных и минимальных уровней, которые должны находиться между значениями, указанные в табл. 2. 2.3. Разность уровней сигналов на выходе любой абонентской розетки не должна превышать значений, указанных в табл. 3 Таблица 3
При использовании в сети для распределения соседних ТВ каналов разность уровней в этих каналах не должна превышать 3 дБ. 2.4. Развязка между выходами одной или двух любых абонентских розеток должна быть не менее 22 дБ. 2.5. При распределении сигналов в каналах, подверженных воздействию помех от гетеродинов абонентских устройств, подключенных к сети, развязка между выходами одной или двух любых абонентских розеток должна быть не менее 16 дБ. 2.6. Неравномерность амплитудно-частотной характеристики тракта сети в полосе любого ТВ канала относительно уровня несущей изображения должна быть не более ±2 дБ. При этом неравномерность в полосе частот 0,5 МГц не должна превышать 0,5 дБ. 2.7. В сетях с преобразованием частоты вносимая нестабильность частоты не должна превышать ±75 кГц в телевизионном канале и ±12 кГц - в канале УКВ-радиовещания. В одноступенчатых распределительных сетях допускается увеличение вносимой нестабильности частоты в телевизионном канале до ±250 кГц. В распределительных сетях, имеющих в составе головной станции устройства формирования радиосигналов телевизионных каналов, отклонение разности частот изображения и звукового сопровождения от номинального значения не должно превышать ±5 кГц. 2.8. Отношение сигнала к шуму на выходе любой абонентской розетки должно быть не менее значений, приведенных в табл. 4. Таблица 4
2.9. Отношение сигнала к помехе в полосе используемого телевизионного канала должно быть не менее 57 дБ. Допустимое отношение сигнала к помехе может быть уменьшено с учетом ее влияния, характеризуемого кривой защитных отношении (черт. 1-3). Отклонение частоты помехи от частоты несущей изображения
Допустимое отношение сигнала к одночастотной помехе для системы РАL, (стандарт В и G, 625 строк) Черт. 1
Допустимое отношение сигнала к одночастотной помехе для системы SEKAM (стандарт В и G, 625 строк) Черт. 2
Допустимое отношение сигнала к одночастотной помехе для системы SEKAM (стандарт D, K, 625 строк) Черт. 3 2.10. Отношение сигнала к помехе комбинационной частоты третьего порядка, обусловленной взаимодействием между несущими изображения, звукового сопровождения и цветовой поднесущей, должно быть не менее 54 дБ. 2.11. Отношение сигнала к помехам комбинационных частот, обусловленных взаимодействием несущих частот используемых каналов, должно быть не менее 54 дБ. 2.12. Отношение сигнала к перекрестной помехе должно быть не менее 46+10 lg (N - 1) дБ, где N - общее число телевизионных каналов, используемых в сети. Примечание Требование определяется из условия измерения перекрестной модуляции между двумя модулированными сигналами и учитывает эффект уменьшения отношения сигнала к перекрестной помехе с увеличением числа используемых в сети телевизионных каналов при модуляции, несущих изображения некоррелированными сигналами. 2.13. В любом телевизионном канале дифференциальное усиление не должно превышать 10 %, а дифференциальная фаза - 12°. 2.14. Искажения синус-квадратичного 2Т-импульса должно быть не более 7 %. 2.15. Отношение сигнала к фоновой помехе должно быть не менее 46 дБ. 2.16. Уровень помех в полосе частот, соответствующей каналу промежуточной частоты телевизионного приемника, должен быть не менее чем на 10 дБ ниже самого низкого уровня телевизионного сигнала в метровом диапазоне и не должен превышать самый низкий уровень телевизионного сигнала в дециметровом диапазоне. 2.17. Расхождение во времени сигналов яркости и цветности не должно превышать 100 нс. 2.18. При распределении по сети сигналов УКВ-радиовещания должны выполняться следующие требования: неравномерность амплитудно-частотной характеристики в полосе используемого для распределения канала не должна превышать 3 дБ при крутизне не более 0,3 дБ на 10 кГц в пределах ±75 кГц относительно несущей частоты; для выполнения условий передачи по высшему классу качества (Hi-Fi) частотный разнос между соседними несущими используемых в сети каналов должен быть не менее 400 кГц, а в остальных случаях - не менее 300 кГц; разность уровней двух любых несущих частот в диапазоне УКВ-радиовещания должна быть не более 8 дБ, а между несущими соседних каналов, используемых в сети для распределения и имеющими частотный разнос не более 600 кГц, не должна превышать 6 дБ. Примечание. Выполнение приведенных требований предусматривается в сетях, имеющих в составе головной станции устройства, обеспечивающие раздельную обработку каждого из принимаемых каналов УКВ-радиовещания. 3. ТЕХНИЧЕСКИЕ ТРЕБОВАНИЯ3.1. Распределительная сеть должна удовлетворять требованиям настоящего стандарта в климатических условиях, регламентированных техническими условиями на используемые элементы. 3.2. Распределительная сеть должна быть рассчитана на питание от сети переменного тока напряжением 220 В с допустимым отклонением от минус 15 до плюс 10 % и частотой (50±2) Гц. 3.3. Распределительная сеть должна обеспечивать возможность подключения сетей низшего порядка к сетям более высокого порядка. 3.4. Распределительная сеть должна обеспечивать возможность передачи сигналов в стандартных каналах ТВ и УКВ-радиовещания, а также при необходимости в специальных каналах согласно табл. 5. Таблица 5
Примечание. Специальные каналы SЕ соответствуют каналам с полосой 7 МГц, а SR - каналам с полосой 8 МГц. 3.5. При подаче на вход сети испытательного сигнала, качество которого на экране телевизионного приемника по пятибалльной шкале (табл. 6) оценивается на 5 баллов, оценка качества на экране телевизионного приемника, подключенного к выходу любой абонентской розетки, должна быть не менее 4 баллов. Таблица 6
3.6. Система должна быть сконструирована, построена и собрана так, чтобы при нормальной работе и при неисправностях не возникала опасность электрического поражения людей и опасность возникновения пожара. Все активные и пассивные конструктивные элементы системы должны отвечать требованиям ГОСТ 12.2.006. Дополнительные требования в зависимости от места расположения и соответствующих положений местных органов электроснабжения должны соответствовать установленным в стандартах на конкретные типы систем. 3.7. Распределительная сеть должна иметь экранировку, при которой отношение сигнала к помехе, обусловленной наличием в полосе используемого для распределения канала внешнего электромагнитного поля, должно быть не менее значений, регламентированных в п. 2.9 для отношения сигнала к одночастотной помехе. ПРИЛОЖЕНИЕ
1
|
|||||||||||||||||||||||||||||||||||||||||||||||||||||||||||||||||||||||||||||||||||||||||||||||||||||||||||||||||||||||||||||||||||||||||||||||||||||||||||||||||||||||||||||||||||||||||||||||||||||||||||||||||||||||||||||||||||||||||||||||||||||||||||||||||||||||||||||||||||||||||||||||||||||||||||||||||||||||||||||||||||||||||||||||||||||||||||||||||||||||||||||||||||||||||||||||||
|
Наименование |
Исполнение |
Примечание |
|
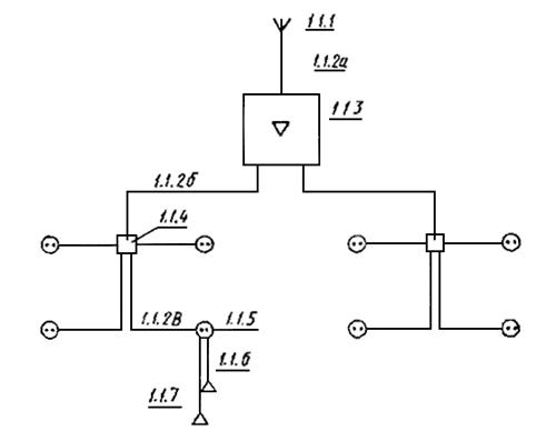
1.1.1. Антенное устройство |
Исполнение зависит от условий приема на месте применения (определяется при проектировании) |
- |
|
1.1.2а. Фидер снижения |
Коаксильный кабель (допустимое затухание определяется при проектировании) |
- |
|
1.1.2б. Кабель между входным усилительно-преобразовательным устройством и распределителем |
То же |
- |
|
1 1.2в. Абонентская линия |
" |
- |
|
1.1.3. Входное усилительно-преобразовательное устройство для СКП |
Исполнение зависит от условий приема на месте применения и от сложности системы (определяется при проектировании) |
В случае необходимости в состав входного усилительно-преобразовательного устройства для СКП входят и другие элементы |
|
1.1.4. Распределитель |
С большим затуханием развязки выходов (максимально 4 выхода) |
Например, трансформаторный распределитель |
|
1.1.5. Абонентская розетка |
Конструкция абонентской розетки должна исключать возможность ошибочного подключения приемников |
Исполнение: для открытого монтажа под штукатуркой; для открытого монтажа над штукатуркой |
|
1.1.6 Абонентский шнур для подключения телевизионного приемника |
Коаксиальный кабель со штепсельными соединениями для подключения к абонентской розетке и телевизионному приемнику |
Длина не менее 1 м |
|
1.1.7. Абонентский шнур для подключения радиоприемника |
Коаксиальный кабель со штепсельными соединителями для подключения к абонентской розетке и радиоприемнику |
То же |
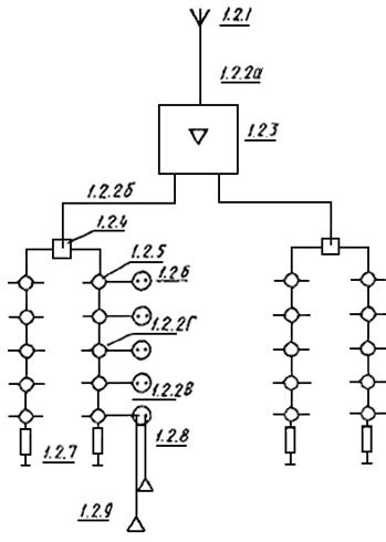
1.2. СКП 1-1 с распределительной сетью в тупиковой системе (черт. 6 и табл. 8).

Черт. 6
Таблица 8
|
Наименование |
Исполнение |
Примечание |
|
1.2.1. Антенное устройство |
По табл. 7, подпункт 1.1.1. Антенны повышенных эксплуатационных качеств |
- |
|
1.2.2а. Фидер снижения |
По табл. 7, подпункт 1.1.2а |
- |
|
1.2.2б. Кабель между входным усилительно-преобразовательным устройством и распределителем |
То же |
- |
|
1.2.2в. Кабель домовой распределительной сети |
" |
- |
|
1.2.2г. Абонентская линия |
" |
- |
|
1.2.3. Входное усилительно-преобразовательное устройство для СКП |
По табл. 7, подпункт 1.1.3 |
В случае необходимости в состав входного усилительно-преобразовательного устройства входят конверторы и другие элементы |
|
1.2.4. Распределитель в домовой распределительной сети |
Последовательное включение распределителей допускается в соответствии с черт. 8 |
- |
|
1.2.5. Ответвитель |
Для подключения нескольких абонентских линий |
Возможное число последовательно включенных ответвителей определяется при проектировании |
|
1.2.6. Абонентская розетка |
По табл. 7, подпункт 1.1.5 |
По табл. 7, подпункт 1.1.5 |
|
1.2.7. Сопротивление нагрузки |
- |
- |
|
1.2.8. Абонентский шнур для подключения телевизионного приемника |
По табл. 7, подпункт 1.1.6 |
Длина не менее 1 м |
|
1.2.9. Абонентский шнур для подключения радиоприемника |
По табл. 7, подпункт 1.1.7 |
То же |
1.3. СКП 1-1 с распределительной сетью в проходной системе (черт. 7, 8 и табл. 9).

Черт. 7

Черт. 8
Таблица 9
|
Наименование |
Исполнение |
Примечание |
|
131. Антенное устройство |
По табл. 8, подпункт 1.1.2 |
- |
|
1 3 2а. Фидер снижения |
По табл. 7, подпункт 1.1.2а |
- |
|
1.3.2б. Кабель между входными усилительно-преобразовательным устройством и распределителем |
То же |
|
|
1.3.2в. Кабель домовой распределительной сети |
" |
- |
|
1.3.3. Входное усилительно преобразовательное устройство для СКП |
По табл. 7, подпункт 1.1.3 |
По табл. 8, подпункт 1.2.3 |
|
1.3.4. Распределитель в домовой распределительной сети |
По табл. 8, подпункт 1.2.4 |
|
|
1.3.5. Абонентская розетка для проходных систем |
Для развязки подключенных приборов и разделения телевидения и радиовещания. Конструкция абонентской розетки должна исключать возможность ошибочного подключения приемников |
Возможное число последовательно включенных абонентских розеток определяется при проектировании. Исполнения: для открытого монтажа под штукатуркой; для открытого монтажа над штукатуркой |
|
1.3.6. Сопротивление нагрузки |
- |
- |
|
1.3.7. Абонентский шнур для подключения телевизионного приемника |
По табл. 7, подпункт 1.1.6 |
Длина не менее 1 м |
|
1.3.8. Абонентский шнур для подключения радиоприемника |
По табл. 7, подпункт 1.1.7 |
То же |
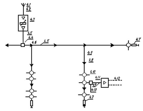
2. Класс системы СКП 1-2 (черт. 9. 10 и табл. 10)

Черт. 9

Черт. 10
Таблица 10
|
Наименование |
Исполнение |
Примечание |
|
2.1. Антенное устройство |
По табл. 8, подпункт 1.2.1 |
- |
|
2.2. Фидер снижения |
По табл. 7, подпункт 1.1 2а |
- |
|
2.3. Входное усилительно-преобразовательное устройство для СКП |
По табл. 7, подпункт 1.1.3 |
При приеме телевидения применение канальных усилителей для выравнивания уровней принятых сигналов. В случае необходимости в состав входного усилительно-преобразовательного устройства входят конверторы и другие конструктивные элементы |
|
2 4. Сопротивление нагрузки |
- |
- |
|
2.5. Распределитель |
С большим затуханием развязки. При наличии более четырех усилителей домовых вводов включение распределителей согласно черт. 8 |
|
|
2.6. Кабель между входным усилительно-преобразовательным устройством и усилителем домовых выходов |
Коаксиальный кабель класса затухания не хуже 8 по приложению 3 |
- |
|
2.7. Усилитель домовой распределительной сети |
- |
- |
|
2.8. Домовая распределительная сеть |
- |
- |
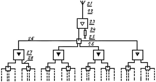
3. Класс системы КСКП 2 (черт. 11 и табл. 11)

Черт. 11
Таблица 11
|
Наименование |
Исполнение |
Примечание |
|
3.1. Антенное устройство |
По табл. 8, подпункт 1.2.1 |
-. |
|
3.2. Фидер снижения |
По табл. 7, подпункт 1.1.2а |
- |
|
3.3. Головная станция (группа главных усилителей) |
Без автоматического регулирования или с автоматическим регулированием уровней сигналов на выходе (определяется при проектировании) |
- |
|
3.4. Распределитель распределительной сети |
По два, три или четыре направления |
- |
|
3 5 Кабель распределительной сети |
Коаксиальный кабель классов затухания не хуже 8 по приложению 3 |
- |
|
3.6. Ответвитель распределительной сети |
Для подключения от 1 до 4 усилителей домовых вводов |
- |
|
3.7. Усилитель распределительной сети |
Для частотно-зависимого подъема уровня |
Необходимость пилотного регулирования определяется при проектировании |
|
3.8. Сопротивление нагрузки |
- |
- |
|
3 9 Усилитель домовой распределительной сети |
- |
- |
|
3.10. Домовая распределительная сеть |
- |
- |
|
3.11. Пункт ломового ввода |
- |
- |
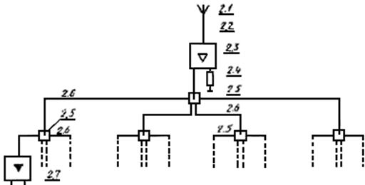
4. Класс системы КСКП 3 или СКТ (черт. 12 к табл. 12)

Черт. 12
Таблица 12
|
Наименование |
Исполнение |
Примечание |
|
4 1. Антенное устройство |
По табл. 8, подпункт 1.2.1 |
- |
|
4.2. Антенный фидер |
По табл. 7, подпункт 1.1.2а |
- |
|
4.3. Головная станция (группа главных усилителей) |
С автоматическим регулированием уровней сигналов на выходе |
Допускается подвод сигналов для внутренних программ |
|
4.4. Распределитель магистральной сети |
По 2, 3 или 4 направления |
- |
|
4.5. Кабель магистральной сети |
Коаксиальный кабель класса затухания не хуже 2,5 по приложению 3 |
- |
|
|
|
|
|
4.6. Усилитель магистральной сети |
Для частотно-зависимого подъема уровня |
Необходимость пилотного регулирования определяется при проектировании |
|
4.7. Сопротивление нагрузки |
- |
|
|
4.8. Усилитель субмагистральной сети |
Для частотно-зависимого подъема уровня |
То же |
|
4.9. Кабель субмагистральной сети |
Коаксиальный кабель класса затухания не хуже 8 по приложению 3 |
- |
|
4.10. Ответвитель |
Для подключения от 1 до 4 усилителей домовых вводов |
- |
|
4.11. Усилитель домовой распределительной сети |
- |
- |
|
4.12. Домовая распределительная сеть |
- |
- |
|
4.13. Пункт домового ввода |
- |
- |
1. Коаксиальные ВЧ-кабели для систем коллективного приема (СКП) и крупных систем коллективного приема (КСКП) характеризуются максимальным коэффициентом затухания данного кабеля (в децибелах на каждые 100 м) при частоте f = 200 МГц и температуре окружающей среды 20 °С в соответствии с табл. 13.
Таблица 13
|
Класс затухания |
Диапазон максимальной постоянной затухания при 200 МГц и 20°С, дБ/100 м |
|
2,5 |
До 2,5 |
|
4 |
От 2,5 " 4,0 |
|
8 |
" 4,0 " 8,0 |
|
13 |
" 8,0 " 13,0 |
|
21 |
" 13,0 " 21,0 |
2. Допускаемые отклонения волнового сопротивления должны соответствовать указанным в табл. 14.
Таблица 14
|
Класс затухания |
Допускаемые отклонения волнового сопротивления, Ом |
|
2,5 |
± 2,0 |
|
4 |
± 2,0 |
|
8 |
± 2,5 |
|
13 |
± 3 |
|
21 |
± 5,0 |
3. Минимальные значения, которые должны выдерживаться для затухания несогласованности ВЧ-кабелей для СКП и КСКП, должны соответствовать указанным в табл. 15. Допускается, чтобы в каждом диапазоне частот появлялось не более 3 узкополосных значений затухания несогласованности, которые не более чем на 4 дБ ниже минимальных значений, указанных в табл. 15.
Таблица 15
|
Класс затухания |
Минимальные значения затухания несогласованности, дБ, в диапазонах частот, МГц |
|||
|
|
От 30 до 300 |
От 300 до 460 |
От 460 до 630 |
От 630 да 860 |
|
2,5 |
26 |
23 |
22 |
21 |
|
4 |
26 |
23 |
22 |
21 |
|
8 |
23 |
20 |
19 |
18 |
|
13 |
18 |
16 |
14 |
13 |
|
21 |
- |
- |
- |
- |
ИНФОРМАЦИОННЫЕ ДАННЫЕ
1. Постановлением Государственного комитета СССР по стандартам от 30.10.89 № 3278 стандарт Совета Экономической Взаимопомощи СТ СЭВ 6423-88 "Сети распределительные приемных систем телевидения и радиовещания. Термины и определения, классификация приемных систем, основные параметры и технические требования"
ВВЕДЕН В ДЕЙСТВИЕ непосредственно в качестве государственного стандарта СССР с 01.01.91
2. Срок первой проверки - 1995 г.
Периодичность проверки - 4 г.
3. ССЫЛОЧНЫЕ НОРМАТИВНО-ТЕХНИЧЕСКИЕ ДОКУМЕНТЫ:
|
Обозначение НТД, по который дана ссылка |
Номер пункта |
|
ГОСТ 12.2.006-87 |
3.6 |
|
ГОСТЫ, СТРОИТЕЛЬНЫЕ и ТЕХНИЧЕСКИЕ НОРМАТИВЫ. Некоммерческая онлайн система, содержащая все Российские Госты, национальные Стандарты и нормативы. В Системе содержится более 150000 файлов нормативно-технической документации, действующей на территории РФ. Система предназначена для широкого круга инженерно-технических специалистов. Copyright © www.gostrf.com, 2008 - 2026 |