Крупнейшая бесплатная информационно-справочная система онлайн доступа к полному собранию технических нормативно-правовых актов РФ. Огромная база технических нормативов (более 150 тысяч документов) и полное собрание национальных стандартов, аутентичное официальной базе Госстандарта. GOSTRF.com - это более 1 Терабайта бесплатной технической информации для всех пользователей интернета. Все электронные копии представленных здесь документов могут распространяться без каких-либо ограничений. Поощряется распространение информации с этого сайта на любых других ресурсах. Каждый человек имеет право на неограниченный доступ к этим документам! Каждый человек имеет право на знание требований, изложенных в данных нормативно-правовых актах!

  


 

УТВЕРЖДАЮ

Заместитель Министра здравоохранения СССР

Главный государственный санитарный врач СССР

А. И. Кондрусев

15 ноября 1988 г.

№ 4723-88 г.

Санитарные правила устройства и эксплуатации систем централизованного горячего водоснабжения

1. Общие положения

1.1. Правила предназначены для предприятий и организаций, осуществляющих проектирование, строительство, реконструкцию и эксплуатацию систем централизованного горячего водоснабжения, а также для органов и учреждений санитарно-эпидемиологической службы, осуществляющей государственный санитарный надзор, и определяют санитарно-гигиенические требования, которыми целесообразно руководствоваться при разработке других нормативных документов (СНиП, ГОСТ и др.).

1.2. Настоящие правила распространяются на централизованное горячее водоснабжение при закрытых и открытых системах теплоснабжения, а также на системы теплоснабжения с отдельными сетями горячего водоснабжения. Техническая характеристика систем централизованного горячего водоснабжения приведена в приложении 1.

Правила не распространяются на локальные системы местного горячего водоснабжения с огневым, электрическим или гелиотермическим подогревом (внутридомовые и поквартирные), а также на системы, использующие геотермальные воды.

1.3. Правила регламентируют санитарные требования, выполнение которых обеспечивает эпидемическую безопасность воды, благоприятные органолептические свойства ее и предупреждает возможность вредного влияния химического состава воды на организм человека (кожно-раздражающее действие и др.).

1.4. Горячая вода, поступающая к потребителю, независимо от применяемой системы и способа обработки, должна отвечать требованиям ГОСТ 2874-82 "Вода питьевая".

1.5. В целях предупреждения возможного неблагоприятного влияния на качество горячей воды реагенты, предлагаемые для использования в процессе водоподготовки, а также конструкционные материалы, контактирующие с горячей водой, должны пройти гигиеническую оценку и получить разрешение Минздрава СССР для применения в практике горячего водоснабжения, а остаточное содержание (концентрации) вещества в воде не должны превышать гигиенических нормативов.

1.6. Запрещается в системах централизованного горячего водоснабжения применение контрольно-измерительных приборов с ртутным заполнением.

1.7. Температура горячей воды в местах водоразбора независимо от применяемой системы теплоснабжения должна быть не ниже 60 °С и не выше 75 °С.

Примечание. Для системы горячего водоснабжения из оцинкованных труб при закрытой системе теплоснабжения допускается иметь температуру воды не ниже 50 °С и не выше 60 °С. В этих условиях после проведения ремонтных работ или устранения аварийных ситуаций в системах необходимо поддерживать температуру на уровне 75 °С в течение 48 часов.

1.8. Лабораторно-производственный контроль за качеством воды на всех этапах подготовки и подачи ее населению осуществляется ведомственными лабораториями.

1.9. Государственный санитарный надзор за качеством воды централизованных систем горячего водоснабжения осуществляется выборочно в местах поступления исходной воды, перед поступлением в сеть и в распределительной сети.

1.10. Существующие системы горячего водоснабжения, выполненные с отступлениями от настоящих Правил, подлежат реконструкции в сроки, согласованные с местными органами государственного санитарного надзора.

2. Требования к проектированию, строительству и вводу в эксплуатацию систем централизованного горячего водоснабжения

2.1. Исходная вода для систем горячего водоснабжения, поступающая непосредственно на теплоисточники и тепловые пункты, должна соответствовать требованиям ГОСТ 2874-82 "Вода питьевая".

2.2. Тепловая мощность теплоисточника должна обеспечивать расчетные тепловые нагрузки систем горячего водоснабжения с учетом перспективы развития населенных пунктов.

2.3. Возможность применения различных систем горячего водоснабжения определяется проектной организацией, исходя из качества исходной воды, санитарно-гигиенических требований к воде в точках водоразбора и технико-экономических обоснований. Однако с позиций наибольшей надежности в санитарном отношении предпочтение при проектировании следует отдавать централизованному горячему водоснабжению, присоединенному к закрытым системам теплоснабжения или системам с отдельными сетями горячего водоснабжения.

2.4. В целях обеспечения эпидемической надежности горячей воды при открытых системах теплоснабжения применяемая деаэрация должна проводиться при температуре не менее 100° (атмосферная).

2.5. Конструкция баков-аккумуляторов в системах горячего водоснабжения должна исключать аварийные ситуации, попадание внутрь бака загрязнений через выхлопные устройства, а также вынос осадков из нижней части баков в сеть горячего водоснабжения. Установка баков-аккумуляторов горячей воды в жилых кварталах не допускается.

Баки-аккумуляторы, расположенные вне территории нахождения теплоисточника, должны быть ограждены. Высота ограждения - не менее 2,5 м. Расстояние его от стен резервуаров - не менее 10 м. Доступ посторонних лиц к бакам запрещен.

Внутренняя поверхность баков-аккумуляторов должна быть защищена от коррозии путем нанесения покрытий, согласованных с санитарно-эпидемиологической службой.

2.6. Тепловые сети, независимо от способа прокладки и системы теплоснабжения, не должны проходить по территории кладбищ, свалок, скотомогильников, земледельческих полей орошения, полей ассенизации и других участков, могущих представлять опасность химического и/или биологического загрязнения горячей воды.

Прокладка тепловых сетей горячего водоснабжения в каналах совместно с сетями бытовой и производственной канализации не допускается.

Расстояние в свету (поперечном разрезе) от тепловых сетей до источников возможного загрязнения должно приниматься в соответствии с табл. 1.

2.7. Запрещается соединение сетей горячего водоснабжения с трубопроводами иного назначения.

2.8. Отвод воды из сетей горячего водоснабжения в канализацию должен проводиться с разрывом струи и осуществляться через воронку, раковину или приямок. Условия сбора горячей воды в сети канализации согласовываются с органами коммунального хозяйства.

2.9. Территория вдоль трассы сооружаемой тепловой сети должна быть заблаговременно очищена и подготовлена для прокладки труб с тем, чтобы исключить возможность их загрязнения. Выгребные и помойные ямы, расположенные вблизи трассы на расстояниях, менее указанных в табл. 1, должны быть до начала работ очищены, обеззаражены и засыпаны чистым грунтом.

2.10. В целях предупреждения возможного загрязнения систем горячего водоснабжения следует предусматривать меры по защите отдельных ее элементов при их изготовлении, хранении, транспортировке и монтаже.

2.11. Новые тепловые сети открытых систем теплоснабжения и связанные с ними системы отопления, а также сети горячего водоснабжения независимо от вида системы теплоснабжения, должны подвергаться гидро-пневматической промывке. Промывка производится водой хозяйственно-питьевого качества до полного осветления промывочной воды с последующей дезинфекцией. Дезинфекция осуществляется заполнением трубопроводов водой с содержанием активного хлора в дозе 75-100 мг/дм3 при времени контакта не менее 6 часов.

Таблица 1

Источник загрязнения

Расстояние в свету, м не менее

по горизонтали при параллельной прокладке, не менее

по вертикали при пересечении, не менее

а) сети бытовой и производственной канализации

 

 

при прокладке тепловых сетей в каналах и тоннелях (от наружных стенок тоннелей и каналов)

1,0

0,2

при бесканальной прокладке тепловых сетей диаметром до 200 м

1,5

0,4

при бесканальной прокладке тепловых сетей диаметром более 200 м

3,0

0,4

б) кладбища, свалки, скотомогильники, поля орошения и другие объекты, обуславливающие опасность химического и биологического загрязнения:

 

 

при отсутствии грунтовых вод

10,0

-

при наличии грунтовых вод и в фильтрующих грунтах

50,0

-

в) выгребные и помойные ямы: при отсутствии грунтовых вод

7,0

-

при наличии грунтовых вод и в фильтрующих грунтах

20,0

-

Примечание. При расположении сетей канализации ниже тепловых сетей при параллельной прокладке расстояния по горизонтали должны приниматься не менее разности в отметках заложения сетей, а при расположении сетей канализации выше тепловых - расстояния, указанные в таблице, должны увеличиваться на разницу в глубине заложения.

Скорость водовоздушной смеси при промывке должна превышать расчетную не менее, чем на 0,5 м/сек на каждом промываемом участке.

Сброс промывных вод, содержащих остаточный хлор, осуществляется в соответствии с "Санитарными правилами и нормами охраны поверхностных вод от загрязнения" № 4630-88.

2.12. Промывка и дезинфекция тепловых сетей открытых систем теплоснабжения, а также систем горячего водоснабжения, должны проводиться строительно-монтажной организацией, лабораторный контроль качества промывки - ведомственной службой. Местные органы санитарно-эпидемиологической службы ставятся в известность о времени проведения работ и конкретных адресах для осуществления выборочного контроля.

Промывка и дезинфекция считается законченной при соответствии результатов бактериологических и физико-химических анализов требованиям настоящих Правил.

Количество проб воды должно быть не менее 2, взятых последовательно из одной точки.

Объем анализа: коли-индекс, число микроорганизмов в 1 см3, мутность, железо, цветность, запах, привкус.

Результаты промывки и дезинфекции оформляются актом и представляются в санитарно-эпидемиологическую станцию вместе с результатами лабораторных исследований.

2.13. Разрешение на ввод в эксплуатацию систем горячего водоснабжения выдается комиссией. В работе комиссии принимает участие представитель органов государственного санитарного надзора, который подписывает акт в случае, если все построенные сооружения и качество подаваемой горячей воды отвечают требованиям настоящих Правил.

3. Требования к водоподготовке

3.1. В схемах водоподготовки для горячего водоснабжения необходима специальная обработка воды, обусловленная технологическими требованиями, при условии обеспечения качества горячей воды требованиям ГОСТ 2874-82 "Вода питьевая".

3.2. Для противонакипной обработки воды допускается применение как химических (реагентных), так и физических (безреагентных) методов.

При химических методах обработки воды допускается известкование или содоизвесткование (при необходимости с коагуляцией), подкисление, катионирование.

Химические методы обработки воды могут применяться только на теплоисточниках.

К физическим методам относится магнитная обработка воды.

Магнитная обработка воды может применяться при напряженности магнитного поля не более 2000 эрстед.

3.3. Для противокоррозионной защиты трубопроводов и оборудования допускается термическая деаэрация воды, силикатная обработка и обработка воды комплексонатом цинка (оксиэтилидендифосфоновой кислоты цинковая соль).

Силикатная обработка проводится путем введения жидкого натриевого стекла (силиката натрия) в водопроводную воду; при этом суммарная концентрация силиката в пересчете на SiO2 в обработанной воде должна быть не менее 40 мг/л. Остаточное количество комплексоната цинка не должно превышать 5,0 мг/л.

3.4. При использовании подземных вод, содержащих ионы двухвалентного железа в количестве более 0,5 мг/л, должно производиться обезжелезивание воды.

4. Требования к эксплуатации и порядок контроля качества воды

4.1. Тепловые сети открытых систем теплоснабжения и непосредственно связанные с ними отопительные системы, а также сети и системы горячего водоснабжения, после капитального ремонта подлежат гидропневматической промывке при скоростях водновоздушной смеси, превышающих расчетные не менее чем на 0,5 м/сек с последующей дезинфекцией.

4.2. Сети открытых систем теплоснабжения и горячего водоснабжения, динаметров до 200 мм и протяженностью до 1 км, а также системы отопления и вентиляции (оборудованные конвекторами, калориферами, греющими панелями), по согласованию с органами государственного санитарного надзора, разрешается не подвергать хлорированию, а дезинфицировать путем промывки горячей водой, имеющей температуру не ниже 85-90 °С.

4.3. В открытых системах теплоснабжения после окончания отопительного периода системы отопления подлежат ревизии, ремонту и промывке гидропневматическим способом с последующим заполнением деаэрированной или водопроводной водой, содержащей ингибиторы коррозии, которая перед отопительным сезоном подлежит сбросу в канализационную сеть.

4.4. В период ежегодных профилактических ремонтов отключение систем горячего водоснабжения не должно превышать 15 суток. На период ремонта объекты повышенной эпидемической значимости (предприятия общественного питания, пищевой промышленности, детские дошкольные и школьные, а также лечебно-профилактические учреждения) подлежат обеспечению горячей водой от других теплоисточников или от других тепломагистралей, а при отсутствии такой возможности от собственных резервных источников.

4.5. Баки-аккумуляторы подлежат периодической очистке от осадков и обрастаний. Периодичность очистки определяется местными условиями эксплуатации, но должна проводиться не реже одного раза в два года.

Периодичность очистки баков-аккумуляторов, защищенных герметиком, устанавливается по согласованию с органами государственного санитарного надзора, но не реже одного раза в 2-5 лет.

4.6. Контроль за качеством промывки систем теплоснабжения и горячего водоснабжения проводится организацией, эксплуатирующей эти системы.

4.7. В системах горячего водоснабжения, присоединенных к открытым системам теплоснабжения, по согласованию с местными органами санитарно-эпидемиологической службы, допускается отступление от требований ГОСТ 2874-82 "Вода питьевая" по показателям цветности не более 70° и содержанию железа до 1 мг/дм3 на срок до 14 дней в период сезонных отключений эксплуатируемых систем теплоснабжения, присоединения новых, а также после их ремонта.

4.8. Не допускается поступление горячей воды в сети хозяйственно-питьевого водоснабжения.

4.9. В отдельных случаях для контроля за герметичностью на теплоисточниках и тепловой сети по согласованию с местной санитарно-эпидемиологической станцией и с предварительным оповещением населения допускается использование флуоресцеина динатриевой соли (уранин А) в концентрациях, при условии что остаточные количества которого у водопотребителя не будут превышать 0,0025 мг/дм3.

4.10. Запрещается разбор горячей воды из системы отопления.

4.11. Лабораторный производственный контроль за качеством горячей воды осуществляется:

а) в закрытых системах теплоснабжения:

в местах поступления исходной воды (водопроводной);

после водонагревателей;

б) в открытых системах теплоснабжения:

в местах поступления исходной воды (водопроводной или воды источника;

после водоподготовки (подпиточная вода);

перед поступлением в сеть горячего водоснабжения;

в) в системах теплоснабжения с отдельными сетями горячего водоснабжения:

в местах поступления исходной воды (водопроводной);

после водонагревателей,

Кроме того, при любой из вышеуказанных систем теплоснабжения лабораторный производственный контроль за качеством горячей воды должен осуществляться в распределительной сети в точках, согласованных с органами государственного санитарного надзора.

4.12. Лабораторно-производственный контроль за качеством горячей воды в точках, предусмотренных в п. 4.11, включает определения следующих показателей:

температура (градусы С);

цветность (градусы);

мутность (мг/дм3);

запах (баллы);

реакция рН;

железо (мг/дм3);

остаточное количество реагентов, применяемых в процессе водоподготовки (мг/дм3);

допустимое содержание химических веществ, вымывание которых возможно из материала труб горячего водоснабжения (меди, цинка и др., мг/дм3);

коли-индекс;

число микроорганизмов в 1 см3.

Кратность отбора проб определяется в соответствии с табл. 2.

В зависимости от системы горячего водоснабжения, ее санитарной надежности, количества населения, эпидемической ситуации и конкретных местных условий допускается по согласованию с санитарно-эпидемиологической станцией изменять количество (увеличивать или уменьшать) кратность лабораторно-производственных исследований.

Таблица 2

Количество обслуживаемого населения, человек

Минимальное количество проб, отбираемых по всей разводящей сети в месяц

до 10000

2

до 20000

10

до 50000

30

до 100000

100

более 100000

200

4.13. При проведении лабораторных исследований проб воды следует использовать санитарные методы, разработанные для определения показателей ГОСТ 2874-82 "Вода питьевая" или методы, утвержденные Министерством здравоохранения СССР.

4.14. Государственный санитарный надзор за качеством воды централизованных систем горячего водоснабжения осуществляется выборочно в местах поступления исходной воды, перед поступлением в сеть и в распределительной сети.

4.15. Ответственность за качество горячей воды, подаваемой потребителю, возлагается на организации, осуществляющие теплоснабжение и эксплуатирующие сети горячего водоснабжения.

За качество исходной водопроводной воды хозяйственно-питьевого назначения, используемой для горячего водоснабжения, отвечают организации, эксплуатирующие водопроводные сооружения.

* * *

С изданием настоящих "Санитарных правил" утрачивают силу "Санитарные правила проектирования и эксплуатации систем централизованного горячего водоснабжения" № 2270-80 от 26.11.1980.

Приложение 1

Термины и определения

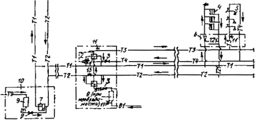
1. Закрытая система теплоснабжения - система теплоснабжения, при которой вода для горячего водоснабжения нагревается в водонагревателях (бойлерах) (рис. 1).

Рис. 1. Схема закрытой системы теплоснабжения

2. Открытая система теплоснабжения - система теплоснабжения с непосредственным разбором воды из тепловой сети на горячее водоснабжение (рис. 2).

Рис. 2. Схема открытой системы теплоснабжения

3. Система теплоснабжения с отдельными сетями горячего водоснабжения - характеризуется непосредственным нагревом воды централизованного хозяйственно-питьевого водоснабжения при отсутствии связи между системами отопления и горячего водоснабжения (рис.3).

Рис. 3. Схема теплоснабжения с отдельными сетями горячего водоснабжения

Обозначения к рисункам 1-3

BI - хозяйственно-питьевой водопровод

ВП - то же, после водоподготовки

TI - подающий трубопровод тепловой сети

Т2 - обратный трубопровод тепловой сети

ТП - подающий трубопровод системы отопления

Т21 обратный трубопровод системы отопления

Т3 - подающий трубопровод горячего водоснабжения

Т4 - циркулярный трубопровод горячего водоснабжения

Т9 трубопровод подпиточной воды

1 - водонагреватель

2 - регулятор температуры воды

3 - обратный клапан

4 - нагревательный прибор системы отопления

5 - точка разбора горячей воды

6 - элеватор

7 - котел или пароводяной водонагреватель

8 - регулятор смещения

9 - водоподготовка

10 - источник теплоты (ТЭЦ, котельная)

11 - точки контроля качества воды

12 - дроссельная шайба

13 - запорная арматура

14 - индивидуальный тепловой пункт

15 - центральный тепловой пункт

Приложение 2

Реагенты, разрешенные при водоподготовке на теплоисточниках в открытых системах теплоснабжения

1. Поваренная соль - "Хлористый натрий пищевой", ГОСТ 13380-84.

2. Серная кислота - ГОСТ 2184-77.

3. Едкий натр очищенный - ГОСТ 11-078-78.

4. Жидкое стекло натриевое ГОСТ 13078-67.

5. Известь строительная воздушная негашеная - ГОСТ 9190-77.

СОДЕРЖАНИЕ

 

 




ГОСТЫ, СТРОИТЕЛЬНЫЕ и ТЕХНИЧЕСКИЕ НОРМАТИВЫ.
Некоммерческая онлайн система, содержащая все Российские Госты, национальные Стандарты и нормативы.
В Системе содержится более 150000 файлов нормативно-технической документации, действующей на территории РФ.
Система предназначена для широкого круга инженерно-технических специалистов.

Рейтинг@Mail.ru Яндекс цитирования

Copyright © www.gostrf.com, 2008 - 2026