Крупнейшая бесплатная информационно-справочная система онлайн доступа к полному собранию технических нормативно-правовых актов РФ. Огромная база технических нормативов (более 150 тысяч документов) и полное собрание национальных стандартов, аутентичное официальной базе Госстандарта. GOSTRF.com - это более 1 Терабайта бесплатной технической информации для всех пользователей интернета. Все электронные копии представленных здесь документов могут распространяться без каких-либо ограничений. Поощряется распространение информации с этого сайта на любых других ресурсах. Каждый человек имеет право на неограниченный доступ к этим документам! Каждый человек имеет право на знание требований, изложенных в данных нормативно-правовых актах!

  


 

ГОСУДАРСТВЕННЫЙ СТАНДАРТ СОЮЗА ССР

ФЛАНЦЫ ЛИТЫЕ ИЗ СЕРОГО ЧУГУНА
НА Ру от 0,1 до 1,6 МПа (от 1 до 16 кгс/см2)

КОНСТРУКЦИЯ И РАЗМЕРЫ

ГОСТ 12817-80

ГОСУДАРСТВЕННЫЙ КОМИТЕТ СССР ПО УПРАВЛЕНИЮ
КАЧЕСТВОМ ПРОДУКЦИИ И СТАНДАРТАМ

Москва

ГОСУДАРСТВЕННЫЙ СТАНДАРТ СОЮЗА ССР

ФЛАНЦЫ ЛИТЫЕ ИЗ СЕРОГО ЧУГУНА
на Ру от 0,1 до 1,6 МПа
(от 1 до 16 кгс/см2)

Конструкция и размеры

Cast gray iron flanges for Pnom from
0,1 to 1,6 MPa (from 1 to 16 kgf/cm2).
Design and dimensions

ГОСТ
12817-80

Срок действия с 01.01.83
до 01.01.93

1. Настоящий стандарт распространяется на фланцы литой арматуры, соединительных частей, машин, приборов, патрубков аппаратов и резервуаров из серого чугуна на условное давление Ру от 0,1 до 1,6 МПа (от 1 до 16 кгс/см2) и температуру среды от 258 К до 573 К (от минус 15 до плюс 300 °С).

Требования пп. 1 - 4, 6, 7 настоящего стандарта являются обязательными, остальные требования - рекомендуемыми.

(Измененная редакция, Изм. № 1, 2).

2. Пределы применения фланцев, в зависимости от величины условного давления и температуры среды, должны соответствовать указанным в табл. 1.

Таблица 1

Давление условное Ру, МПа (кгс/см2)

Проход условный Dy, мм, для температур среды, к (°С)

до 393 (120)

до 473 (200)

до 523 (250)

до 533 (300)

0,25 (2,5)

15 - 3000

15 - 2400

15 - 800

15 - 800

0,6 (6)

15 - 2400

15 - 800

15 - 500

15 - 500

0,1 (10)

15 - 2000

15 - 600

15 - 500

15 - 300

1,6 (16)

15 - 1000

15 - 300

15 - 200

15 - 200

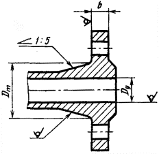
3. Конструкция и размеры фланцев должны соответствовать указанным на чертеже и в табл. 2.

4. Фланцы должны изготовляться с уплотнительными поверхностями исполнений 1, 2, 3 и присоединительными размерами по ГОСТ 12815-80.

Таблица 2

Размеры, мм

Проход условный Dy

Ру, МПа (кгс/см2)

0,1 и 0,25 (1 и 2,5)

0,6 (6)

1,0 (10)

1,6 (16)

b

Dm

b

Dm

b

Dm

b

Dm

15

10

31

10

31

12

37

12

37

20

12

38

12

38

14

42

14

42

25

47

47

49

49

32

13

56

13

56

16

60

16

60

40

64

64

68

68

50

74

74

17

80

17

80

65

94

94

100

100

80

15

108

15

108

19

114

19

114

100

128

128

134

21

136

125

17

155

17

155

21

161

23

165

150

180

180

186

25

192

(175)

19

209

19

209

23

215

217

200

234

234

240

27

246

(225)

261

259

265

271

250

20

286

20

286

25

292

29

298

300

336

336

342

30

352

350

22

390

22

390

26

396

34

498

400

24

442

24

442

28

448

36

460

(450)

492

492

498

40

516

500

25

546

25

546

30

552

42

570

600

646

646

31

654

49

682

(700)

746

27

738

35

760

782

800

848

29

852

39

866

882

(900)

948

31

954

41

970

982

1000

1048

1054

45

1076

1090

1200

1250

35

1260

51

1284

55

-

1400

1452

39

1466

57

1494

-

-

1600

27

1654

43

1672

63

1702

-

-

(1800)

29

1856

45

1876

67

1910

-

-

2000

2056

49

2082

69

2116

-

-

(2200)

30

2260

54

2292

-

-

-

-

2400

32

2464

56

2496

-

-

-

-

(2600)

34

2670

-

-

-

-

-

-

(2800)

38

2872

-

-

-

-

-

-

3000

40

3072

-

-

-

-

-

-

Примечание. Фланцы, с условными проходами, указанными в скобках, не допускается применять для арматуры общего назначения.

5. Предельные отклонения размеров отливок - по 9 классу точности ГОСТ 26645-85.

(Измененная редакция, Изм. № 2).

6. Неуказанные размеры и предельные отклонения - по рабочим чертежам, утвержденным в установленном порядке.

7. Технические требования, материалы фланцев, крепежных деталей, прокладок - по ГОСТ 12816-80.

ИНФОРМАЦИОННЫЕ ДАННЫЕ

1. РАЗРАБОТАН И ВНЕСЕН Министерством химического и нефтяного машиностроения СССР.

ИСПОЛНИТЕЛИ

М. И. Власов, О. Н. Шпаков, Р. И. Хасанов, О. И. Федоров (руководитель темы), Б. В. Бурмистров, А. П. Келка, Н. С. Сизова.

2. УТВЕРЖДЕН И ВВЕДЕН В ДЕЙСТВИЕ Постановлением Государственного комитета СССР по стандартам от 20.05.80 № 2238.

3. Срок первой проверки - 1991 г.; периодичность проверки - 5 лет.

4. ВЗАМЕН ГОСТ 1235-67, ГОСТ 12815-67, ГОСТ 12816-87.

5. ССЫЛОЧНЫЕ НОРМАТИВНО-ТЕХНИЧЕСКИЕ ДОКУМЕНТЫ

Обозначение НТД, на который дана ссылка

Номер пункта

ГОСТ 26645-85

5

ГОСТ 12815-80

4

ГОСТ 12816-80

7

6. Переиздание (ноябрь 1987 г.) с Изменениями № 1, 2, утвержденными в декабре 1987 г., апреле 1992 г. (ИУС 4-88, 7-92)

 




ГОСТЫ, СТРОИТЕЛЬНЫЕ и ТЕХНИЧЕСКИЕ НОРМАТИВЫ.
Некоммерческая онлайн система, содержащая все Российские Госты, национальные Стандарты и нормативы.
В Системе содержится более 150000 файлов нормативно-технической документации, действующей на территории РФ.
Система предназначена для широкого круга инженерно-технических специалистов.

Рейтинг@Mail.ru Яндекс цитирования

Copyright © www.gostrf.com, 2008 - 2026