Крупнейшая бесплатная информационно-справочная система онлайн доступа к полному собранию технических нормативно-правовых актов РФ. Огромная база технических нормативов (более 150 тысяч документов) и полное собрание национальных стандартов, аутентичное официальной базе Госстандарта. GOSTRF.com - это более 1 Терабайта бесплатной технической информации для всех пользователей интернета. Все электронные копии представленных здесь документов могут распространяться без каких-либо ограничений. Поощряется распространение информации с этого сайта на любых других ресурсах. Каждый человек имеет право на неограниченный доступ к этим документам! Каждый человек имеет право на знание требований, изложенных в данных нормативно-правовых актах!

  


 

ГОСГОРТЕХНАДЗОР РОССИИ

НОРМЫ РАСЧЕТА НА ПРОЧНОСТЬ
СТАЦИОНАРНЫХ КОТЛОВ
И ТРУБОПРОВОДОВ ПАРА И ГОРЯЧЕЙ ВОДЫ

РД 10-249-98

Москва

1999

Федеральный горный и промышленный надзор России
(Госгортехнадзор России)

Руководящие документы Госгортехнадзора России

Шифр

Руководящие документы, регламентирующие проектирование и изготовление объектов котлонадзора

РД 10-249-98

НОРМЫ РАСЧЕТА НА ПРОЧНОСТЬ СТАЦИОНАРНЫХ КОТЛОВ И ТРУБОПРОВОДОВ ПАРА И ГОРЯЧЕЙ ВОДЫ

Разработаны АООТ "НПО ЦКТИ" и внесены Управлением по котлонадзору и надзору за подъемными сооружениями

Утверждены
постановлением Госгортехнадзора России
№ 50 от 25.08.98

Срок введения в действие

с

Редакционная коллегия:

В.С. Котельников, Н.А. Хапонен, А.А. Шельпяков (Госгортехнадзор России)

Ю.К. Петреня, Е.Э. Гильде, А.В. Судаков, А.А. Чижик, И.А. Данюшевский, П.В. Белов, А.М. Рейнов (АООТ НПО ЦКТИ им. И.И. Ползунова)

Н.А. Махутов, А.Н. Романов, Ю.X. Хуршудов, Л.Е. Ильинская, (Институт машиноведения им. акад. А.А. Благонравова)

Настоящее издание «Норм расчета на прочность стационарных котлов и трубопроводов пара и горячей воды» подготовлено АООТ "НПО ЦКТИ им. И.И. Ползунова"

1. ОБЩИЕ ПОЛОЖЕНИЯ

Настоящие "Нормы расчета на прочность стационарных котлов и трубопроводов пара и горячей воды" распространяются на паровые котлы и паропроводы с рабочим давлением более 0,07 МПа и на водогрейные котлы и трубопроводы горячей воды с температурой свыше 115°С:

на котлы с топкой, котлы-утилизаторы, энерготехнологические котлы и др.;

на встроенные и автономные пароперегреватели и экономайзеры;

на трубопроводы пара и горячей воды в пределах котла, включая опускные трубы, соединительные трубы и стояки;

на трубопроводы пара и горячей воды любого назначения;

на сосуды, подключенные к тракту котла (пароохладители, сепараторы и др.).

Допускается применение Норм при расчете сосудов энергомашиностроения и корпусов арматуры тепловых электростанций и других установок.

Нормы не распространяются на котлы, трубопроводы, встроенные и автономные пароперегреватели и экономайзеры, устанавливаемые на морских и речных судах и на других плавучих средствах или объектах подводного применения, а также на подвижном составе железнодорожного, автомобильного и гусеничного транспорта, и на котлы с электрическим обогревом.

Нормы должны применяться совместно с «Правилами устройства и безопасной эксплуатации паровых и водогрейных котлов» (ПГК-93), «Правилами устройства и безопасной эксплуатации трубопроводов пара и горячей воды» (ПГТ-94) и «Правилами устройства и безопасной эксплуатации сосудов, работающих под давлением" (ПБ-10-115-96).

Для котлов и трубопроводов, находящихся в эксплуатации, в процессе монтажа или изготовления или оконченных проектированием до введения настоящих Норм, переоформление расчетов на прочность в соответствии с новыми нормами не требуется.

Все изменения и дополнения вносятся в "Нормы расчета на прочность стационарных котлов и трубопроводов пара и горячей воды" по согласованию с разработчиком Норм.

1.1. Основные условные обозначения

1.1.1. В формулах приняты следующие обозначения, представленные в таблице 1.1.

Таблица 1.1

Символ

Название

Единица измерения

p

Расчетное давление

МПа

ph

Пробное давление

МПа

t

Расчетная температура стенки

°С

ta

Температура наружной поверхности детали

°С

[t]

Допустимая температура наружной поверхности детали

°С

[s]

Номинальное допускаемое напряжение при расчетной температуре стенки

МПа

[s]h

Допускаемое напряжение при гидравлическом испытании

МПа

sB/t, sB

Временное сопротивление металла разрыву при расчетной температуре и при 20°С соответственно

МПа

s0,2/t, s0,2

Условный предел текучести металла при остаточной деформации 0,2% при расчетной температуре и при 20°С соответственно

МПа

s0,1/t

Условный предел текучести металла при остаточной деформации 1% при расчетной температуре

МПа

sT/t

Предел текучести при расчетной температуре

МПа

s104/t, s105t, s2×105t

Условный предел длительной прочности при растяжении на ресурс 104, 105, 2×105 и 3×105 ч соответственно

МПа

s1/105/t

Условный предел ползучести при растяжении, обуславливающий деформацию в 1% за 105ч

МПа

S

Номинальная толщина стенки детали

мм

SR

Расчетная толщина стенки детали

мм

Sf

Фактическая толщина стенки детали

мм

c

Суммарная прибавка к расчетной толщине стенки

мм

c1, c2,

Производственная и эксплуатационная прибавки к расчетной толщине стенки соответственно

мм

1.2. Область применения

1.2.1. Приведенные в Нормах методы расчета на прочность применимы при соблюдении следующих условий:

конструкция, материалы, изготовление, контроль, монтаж и ремонт котла, трубопровода и их деталей, работающих под давлением, удовлетворяют соответствующим требованиям Правил (ПГК-93, ПГТ-94, ПБ-10-115-96);

эксплуатация котла и трубопровода удовлетворяет требованиям не ниже требований правил технической эксплуатации, согласованных с Госгортехнадзором России (далее по тексту Госгортехнадзором), например «Правил технической эксплуатации электрических станций и сетей»;

при монтаже, эксплуатации и ремонте обеспечено выполнение инструкций и указаний предприятия-изготовителя.

1.2.2. При расчете деталей, конструкция которых, способы изготовления и условия эксплуатации отличаются от общепринятых, установленных соответствующими Правилами, необходимо вводить коррективы, учитывающие особенности изготовления и эксплуатации. Для деталей, подверженных частым сменам нагрузки или колебаниям температуры, должны выполняться поверочные расчеты на малоцикловую усталость.

1.2.3. Прочность деталей, методы расчета которых в Нормах не приводятся, должна быть подтверждена изготовителем в результате проведения испытаний моделей или образцов либо расчетами на прочность, согласованными со специализированными научно-исследовательскими организациями. При этом должно быть обеспечено соблюдение запасов прочности не менее установленных настоящими Нормами.

1.2.4. Методика расчетов на прочность, приведенная в Нормах, предусматривает выполнение расчетов в прямом и обратном порядке. При прямом порядке расчетов определяется номинальная или допустимая толщина стенки по заданному или принятому расчетному давлению, при обратном порядке расчета определяется величина допустимого давления по фактической или номинальной толщине стенки. Обратный порядок расчета может быть назван контрольным расчетом. Выбор порядка расчета должен производиться организацией, выполняющей расчет.

В Нормах не приводятся последовательность и методика поверочного расчета, основной задачей которого является обоснование расчетного ресурса эксплуатации. Однако в поверочном расчете должны использоваться значения номинальных допускаемых напряжений и основные расчетные формулы и зависимости, приведенные в разделах 3 и 4 данных Норм.

1.3. Расчетное давление

1.3.1. Под расчетным давлением p следует понимать избыточное давление рабочей среды, по которому производится расчет на прочность данной детали.

Расчетное давление должно приниматься конструкторской организацией с целью обеспечения расчетом на прочность, выполняемым этой организацией, надежности детали в условиях испытаний и эксплуатации.

Расчетное давление должно быть равно максимальному давлению рабочей среды, возможному для данной детали в нормальных условиях эксплуатации, или более его. Необходимость превышения расчетного давления над рабочим, а также размеры этого превышения должны определяться конструкторской организацией с учетом особенности конструкции котла и его комплектации (например, предохранительными клапанами), назначения котла и опыта эксплуатации котла данного типа.

1.3.2. Расчетное давление детали котла p следует принимать равным расчетному давлению рабочей среды на выходе из котла (перегревателя), увеличенному на потерю давления от гидравлического сопротивления на участке между расчетной деталью и выходом рабочей среды из котла. Потеря давления должна определяться при максимальном расходе среды.

Для элементов, заполненных водой, следует прибавить гидростатическое давление столба воды, расположенного над нижней частью расчетного элемента.

Гидростатическое давление и потери гидравлического сопротивления принимаются в расчет, если их сумма равна или более 3% от расчетного давления.

1.3.3. Расчетное давление рабочей среды на выходе из котла должно приниматься равным номинальному давлению при номинальной температуре и паропроизводительности (или номинальном расходе воды для водогрейного котла), увеличенному на положительное отклонение, вызванное регулированием величины номинального давления, если это отклонение превышает 3%.

1.3.4. Расчетное давление в трубах поверхностей нагрева или в трубопроводах принимается равным давлению рабочей среды на входе в рассчитываемый пакет или трубопровод (в соответствующем коллекторе, барабане котла или полости теплообменника).

1.3.5. Расчетное давление в чугунных экономайзерах следует определять в соответствии с п. 1.3.2; при этом оно должно быть не менее расчетного давления в котле, увеличенного на 25%.

1.3.6. Кратковременное повышение давления при полном открытии предохранительных клапанов в расчете допускается не учитывать, если при максимальной производительности котла оно не превышает 10% от рабочего давления. Если это условие не соблюдается, то расчетное давление должно приниматься равным 90% от давления при полном открытии предохранительных клапанов.

1.3.7. Расчетное давление в трубопроводах воды после насосов должно приниматься равным 90% от максимального давления, создаваемого насосами при закрытых задвижках.

1.3.8. Во всех случаях величина расчетного давления должна приниматься не менее 0,2 МПа.

1.4. Расчетная температура

1.4.1. Под расчетной температурой стенки t следует понимать температуру металла, по которой выбирается величина допускаемого напряжения для рассчитываемой детали котла или трубопровода.

1.4.2. Расчетную температуру стенки деталей, не обогреваемых горячими газами или надежно изолированных от обогрева извне, следует принимать равной температуре содержащейся в ней рабочей среды без учета допусков по отклонению температуры рабочей среды от номинальной, установленных ГОСТ 3619, ГОСТ 21563, ГОСТ 22530.

Детали считаются надежно изолированными, если обеспечены условия, при которых повышение средней температуры стенки от тепловосприятия извне не будет превышать 5°С.

Для экранов это условие соблюдается, если просвет между экранными трубами или между плавниками труб не превышает 3 мм.

1.4.3. За расчетную температуру стенки обогреваемых деталей следует пpинимaть среднеарифметическое значение температур наружной и внутренней поверхности стенки наиболее нагретой части детали, определенных теплотехническим расчетом или измерением.

1.4.4. Расчетную температуру стенки необогреваемых деталей котлов и трубопроводов следует принимать равной температуре среды на входе в расчетный элемент (при отсутствии внутри детали греющих теплообменников или при размещении в ней охлаждающего теплообменника) или равной температуре среды на выходе из детали (при размещении вне греющих теплообменников).

1.4.5. Если избыточное давление горячих газов превышает 0,1 МПа, то расчетная температура стенки обогреваемых деталей должна приниматься по тепловому расчету или по данным измерений температуры.

1.4.6. Расчетную температуру стенки деталей котлов и трубопроводов в пределах котла следует принимать не менее 250°С.

Расчетную температуру стенки необогреваемых деталей котлов и трубопроводов допускается принимать ниже 250°С по согласованию со специализированными научно-исследовательскими организациями.

1.5. Толщина стенки и прибавки

1.5.1. Расчетная толщина стенки sR, вычисленная по формулам раздела 3 данных Норм должна определяться по заданным значениям расчетного давления и номинального допускаемого напряжения с учетом ослабления отверстиями и (или) сварными соединениями.

1.5.2. Номинальная толщина стенки s должна приниматься по расчетной толщине стенки с учетом прибавок, указанных в пп. 1.5.5 и 1.5.6, с округлением до ближайшего большего размера, имеющегося в сортаменте толщин соответствующих полуфабрикатов. Допускается округление в меньшую сторону не более 3% от принятой окончательно номинально толщины стенки.

1.5.3. Допустимая толщина стенки [s] должна определяться по расчетной толщине стенки с учетом эксплуатационной прибавки с2, определяемой согласно пп. 1.5.5 и 1.5.7.

1.5.4. Фактическая толщина стенки sf, полученная непосредственными измерениям толщины готовой детали при операционном и (или) эксплуатационном контроле, должна быть не менее допустимой толщины стенки. Точность измерительного прибора, используемого при определении sf, следует учитывать, если его погрешность превышает 1%.

1.5.5. По назначению прибавки к расчетной толщине стенки следует подразделять:

- на прибавку с1 (производственная прибавка), компенсирующую возможное понижение прочности детали в условиях изготовления детали за счет минусового отклонения толщины стенки полуфабриката, технологических утонений и др.;

- на прибавку c2 (эксплуатационная прибавка), компенсирующую возможное понижение прочности детали в условиях эксплуатации за счет всех видов воздействия: коррозии, механического износа (эрозии) и др.

Утонение в результате абразивного износа труб учтено в приводимых значениях прибавки с2 только при выборе скорости газов, ограничивающих чрезмерный износ согласно «Тепловому расчету котельных агрегатов. Нормативный метод» (далее по тексту «Тепловой расчет»). При большем износе прибавка на утонение из-за абразивного износа также должна приниматься согласно «Тепловому расчету».

Сумма прибавок с=с1+c2 должна быть не менее минимальных значений, указанных в разделе 3 и относящихся к расчету конкретных деталей.

1.5.6. Производственная прибавка с1 состоит из прибавки, компенсирующей минусовое отклонение с11, и технологической прибавки с12: с111+с12.

Значение прибавки с11 следует определять по предельному минусовому отклонению толщины стенки, установленному стандартами или техническими условиями на полуфабрикаты; значение прибавки с12 должно определяться технологией изготовления детали и принимается по техническим условиям на изделие.

Для прямых труб и обечаек, подвергающихся на предприятии-изготовителе механической обработке, с11=0; для деталей, деформирование которых при изготовлении не приводит к ослаблению стенки заготовки, c12=0.

1.5.7. Эксплуатационная прибавка состоит из прибавок, компенсирующих понижение прочности по пароводяной стороне с21 и со стороны газов c22.

Значение прибавки с21 для всех обогреваемых и необогреваемых деталей из аустенитных сталей, а также для труб наружным диаметром 32 мм и менее из углеродистой и теплоустойчивой сталей равно нулю. Для остальных деталей (труб наружным диаметром более 32 мм, коллекторов, барабанов, фасонных деталей и трубопроводов и других, изготавливаемых из углеродистой и теплоустойчивой сталей) значение прибавки с21 на расчетный ресурс 105 ч должно определяться по таблице 1.2.

При расчетном ресурсе более 105 ч прибавку с21 следует увеличить с учетом скорости коррозии; при ресурсе до 2×105 ч допускается принимать (впредь до уточнения) значение этой прибавки такой, как при ресурсе 105 ч.

При расчетном ресурсе менее 105 ч прибавку с21 допускается принимать уменьшенной пропорционально ресурсу.

Значение прибавки с22 для необогреваемых деталей равно нулю.

Таблица 1.2

Прибавка с21, мм

Рабочая среда

Трубы диаметром свыше 32 до 76 мм включительно

Остальные детали

Вода, пароводяная смесь, насыщенный пар

0,5

1,0

Перегретый пар

0,3

0,5

Среда сверхкритических параметров

-

0,3

Примечание. Для гибов опускных, водоперепускных и необогреваемых труб для пароводяной смеси и насыщенного пара наружным диаметром более 76 мм при рабочем давлении котла от 8 до 20 МПа следует принимать прибавку с21 от 1 до 3 мм в зависимости от опыта эксплуатации котла данного типа; для труб наружным диаметром 133 мм и более использование прибавки с21 менее 3 мм должно быть согласовано со специализированными научно-исследовательскими организациями.

Значение прибавки с22 для обогреваемых деталей должно приниматься в зависимости от температуры наружной поверхности детали, вида топлива и металла детали. Для определения прибавки с22 температура наружной поверхности детали должна сравниваться с допустимой температурой, значения которой приведены в таблице 1.3. Расчетная температура наружной поверхности обогреваемых деталей, определяемая по тепловому расчету с учетом тепловой и гидравлической неравномерности, но без учета временного увеличения неравномерности обогрева, не должна превышать значений допустимой температуры [t].

Таблица 1.3

Допустимая температура наружной поверхности с учетом продуктов сгорания [t], °С

Марка стали

Высокосернистые и сернистые мазуты

Эстонские сланцы

Остальные энергетические топлива, кроме новых

10

450

400

450

20

500

450

500

12XM, 12MX, 15XM, 10СrМо910 (хролой)

550

530

550

12Х1МФ, 12Х2МФСР

585

540

585

12Х2МФБ

585

545

600

12Х11В2МФ

620

560

630

12Х18Н12Т, 12Х18Н10Т

610

610

640

Примечание. Допустимая температура наружной поверхности экранных труб из стали 12Х1МФ, расположенных в зоне максимальных тепловых нагрузок более 407 кВт/м2 (350×103 ккал/(м2×ч), при сжигании сернистых мазутов не должна превышать 545°С с учетом запаса на межпромывочный период.

Для необогреваемых участков труб из стали марок 12Х1МФ, 12Х2МФСР и 12Х2МФБ, соединяющих трубы поверхности нагрева из аустенитной стали с коллекторами из легированной стали, допускается температура стенки до 600°С.

Значение прибавки с22 для ресурса 105 ч должно приниматься минимальным из условий:

при температуре наружной поверхности ta<([t]-40)°С

c12³0,5 мм;

при температуре согласно условию ([t]-40)°С<ta£[t]

c12³1,0 мм.

Для обогреваемых углеродистых труб общего назначения (например, из стали марки Ст3) прибавка с22 должна приниматься не менее 0,4 мм независимо от температуры стенки, марки стали и категории качества.

Для стали марки 12Х18Н12Т при сжигании высокосернистых и сернистых мазутов и для сталей марок 12Х1МФ, 12Х2МФСР и 12Х2МФБ при сжигании эстонских сланцев допускается температура наружной поверхности деталей выше допустимой, но не более значений температуры, установленных для остальных энергетических топлив, при условии увеличения значения прибавки с22 на 0,5 мм в первом случае и на 0,3 мм во втором на каждые 10°С повышения температуры.

Для ресурса эксплуатации менее 105 ч значение прибавки с22 к фактической толщине стенки допускается принимать пропорционально отношению данного ресурса к ресурсу в 105 ч.

При выборе расчетной температуры наружной поверхности труб экранов котлов сверхкритических параметров следует учитывать повышение этой температуры в течение межпромывочного периода.

Для труб, находящихся в теплом ящике энергетического котла, значения прибавки с22 должны приниматься равными 0,5 значения, определяемого для обогреваемых труб при той же расчетной температуре наружной поверхности.

Расчетная температура стенок труб в теплом ящике должна приниматься равной температуре рабочей среды с учетом неравномерностей ее распределения.

1.5.8. При вычислении и измерении толщины стенки в документацию следует записывать значение с округлением до 0,1 мм.

2. ДОПУСКАЕМОЕ НАПРЯЖЕНИЕ

2.1. Под номинальным допускаемым напряжением [s] следует понимать величину напряжения, используемую для определения расчетной толщины стенки детали или допустимого давления по принятым исходным данным и марке металла.

Приведенные в настоящих Нормах допускаемые напряжения и указания по их выбору применимы для использования металлов и полуфабрикатов, которые разрешены Правилами Госгортехнадзора.

Уровень расчетных характеристик используемых металлов и полуфабрикатов должен быть подтверждён статистической обработкой данных испытаний, периодическим контролем качества продукции не реже одного раза в 5 лет и положительным заключением специализированной научно-исследовательской организации в соответствии с требованиями Правил Госгортехнадзора.

2.2. Номинальные допускаемые напряжения для катаной или кованой стали марок, широко используемых в котлах и трубопроводах, следует принимать по таблицам 2.1 - 2.5.

Для промежуточных значений ресурса эксплуатации, указанных в таблицах, значение допускаемого напряжения разрешается определять линейной интерполяцией ближайших значений между ресурсами с округлением до 0,5 МПа в меньшую сторону, если разница между этими значениями не превышает 20% от их среднего значения. В остальных случаях должно применяться "логарифмическое" интерполирование. Экстраполяция значений допускаемых напряжений для ресурса менее 104 не допускается без согласования со специализированными научно-исследовательскими организациями.

Таблица 2.1

Номинальные допускаемые напряжения |s| для углеродистой и марганцовистой сталей, не зависящие от расчетного ресурса, МПа

t, °С

Марка стали

Ст2кп

Ст3кп

Ст2сп, Ст2пс

Ст3сп, Ст3пс

Ст4пс, Ст4сп

Ст3Гпс

22К

14ГНМА

16ГНМ, 16ГНМА

От 20 до 50

124

133

130

140

145

150

170

180

190

150

106

115

112

125

129

134

155

179

181

200

95

111

100

117

121

125

147

175

176

250

80

102

86

107

111

115

140

171

172

275

 

 

78

102

106

109

135

170

169

300

 

 

70

96

98

103

130

169

167

320

 

 

 

 

 

 

126

164

165

340

 

 

 

 

 

 

122

161

163

350

 

 

 

 

 

 

120

159

161

360

 

 

 

 

 

 

 

157

159

370

 

 

 

 

 

 

 

155

157

380

 

 

 

 

 

 

 

152

154


Таблица 2.2

Номинальные допускаемые напряжения |s| для углеродистой и марганцовистой сталей, МПа

t,°С

Марка стали

08, 10, 12К

15, 15К, 16К

20, 20К, 18К

16ГС, 09Г2С

10Г2С1, 17ГС, 17Г1С, 17Г1СУ

15ГС

Расчетный ресурс, ч

104

105

2×105

3×105

104

105

2×105

104

105

2×105

3×105

104

105

2×105

104

105

2×105

104

105

2×105

От 20 до 100

-

130

-

-

-

140

-

-

147

-

-

-

170

-

-

177

-

-

185

-

200

-

120

-

-

-

130

-

-

140

-

-

-

150

-

-

165

-

-

169

-

250

-

108

-

-

-

120

-

-

132

-

-

-

145

-

-

156

-

-

165

-

275

-

102

-

-

-

113

-

-

126

-

-

-

140

-

-

150

-

-

161

-

300

-

96

-

-

-

106

-

-

119

-

-

-

133

-

-

144

-

-

153

-

320

-

92

-

-

-

101

-

-

114

-

-

-

127

-

-

139

-

-

145

-

340

-

87

-

-

-

96

-

-

109

-

-

-

122

-

-

133

-

-

137

-

350

-

85

-

-

-

93

-

-

106

-

-

-

120

-

-

131

-

-

133

-

360

-

82

-

82

-

90

-

-

103

-

103

-

117

-

-

127

-

-

129

-

380

-

76

76

71

-

85

85

-

97

97

88

-

112

112

-

121

121

-

121

121

400

73

73

66

60

80

80

72

92

92

78

71

107

107

95

113

113

96

113

113

96

410

70

68

61

55

77

72

65

89

86

70

63

104

97

83

107

102

85

107

102

85

420

68

62

57

50

74

66

58

86

79

63

56

102

87

73

102

90

75

102

90

75

430

66

57

51

45

71

60

52

83

72

57

50

98

76

63

97

78

65

97

78

65

440

63

51

45

40

68

53

45

80

66

50

44

95

68

55

92

70

55

92

70

55

450

61

46

38

35

65

47

38

77

59

46

39

89

62

46

88

63

46

88

63

46

460

58

40

33

29

62

40

33

74

52

38

34

83

54

38

82

54

38

82

54

38

470

52

34

28

24

54

34

28

64

46

32

28

71

46

32

71

46

32

71

46

32

480

45

28

22

18

46

28

22

56

39

27

24

60

 

 

60

 

 

60

 

 

490

39

24

 

 

40

24

 

49

33

 

 

 

 

 

 

 

 

 

 

 

500

33

20

 

 

34

20

 

41

26

 

 

 

 

 

 

 

 

 

 

 

510

26

 

 

 

 

 

 

35

 

 

 

 

 

 

 

 

 

 

 

 

Примечания:

1. Выше черты приведены значения напряжений, определяемые по пределу текучести в зависимости от температуры.

2. Значения допускаемых напряжений в колонках для ресурса 104 и 2×105 ч, отмеченные выше черты знаком "-", принимаются равными соответствующим значениям в колонке для ресурса 105 ч.

3. Значения допускаемых напряжений, указанные ниже черты, соответствуют работе элементов в условиях ползучести и определены по пределу длительной прочности для соответствующего ресурса.

Таблица 2.3

Номинальные допускаемые напряжения |s| для теплоустойчивой стали, МПа

t,°С

Марка стали

12ХМ, 12МХ

15ХМ

12Х1МФ

12Х2МФСР

15Х1МФ

Расчетный ресурс, ч

104

105

2×105

3×105

104

105

2×105

3×105

104

105

2×105

3×105

104

105

2×105

104

105

2×105

3×105

От 20 до 150

-

147

-

-

-

153

-

-

-

173

-

-

-

167

-

-

192

-

-

250

-

145

-

-

-

152

-

-

-

166

-

-

-

160

-

-

186

-

-

300

-

141

-

-

-

147

-

-

-

159

-

-

-

153

-

-

180

-

-

350

-

137

-

-

-

140

-

-

-

152

-

-

-

147

-

-

172

-

-

400

-

132

-

-

-

133

-

-

-

145

-

-

-

140

-

-

162

-

-

420

-

129

-

-

-

131

-

-

-

142

-

-

-

137

-

-

158

-

-

440

-

126

-

-

-

128

-

-

-

139

-

-

-

134

-

-

154

-

-

450

-

125

-

-

-

127

-

-

-

138

-

138

-

133

-

-

152

-

-

460

-

123

123

123

-

125

125

125

-

136

136

130

-

131

131

-

150

150

150

480

120

120

102

90

122

122

113

103

133

133

120

107

128

128

119

146

145

130

123

500

116

95

77

64

119

105

85

76

130

113

96

88

121

106

97

140

120

108

100

510

114

78

60

53

117

85

72

62

120

101

86

79

115

94

87

137

107

96

90

520

107

66

49

43

110

70

58

50

112

90

77

72

105

85

79

125

96

86

80

530

93

54

40

35

97

56

44

39

100

81

69

65

95

78

70

111

86

77

72

540

77

43

 

 

80

45

35

31

88

73

62

58

87

70

63

100

78

69

65

550

60

 

 

 

62

35

26

23

80

66

56

52

80

63

56

90

71

63

58

560

 

 

 

 

52

27

 

 

72

59

50

46

72

57

50

81

64

57

52

570

 

 

 

 

42

21

 

 

65

53

44

41

65

52

45

73

57

51

47

580

 

 

 

 

 

 

 

 

59

47

39

36

59

46

41

66

52

46

43

590

 

 

 

 

 

 

 

 

53

41

35

32

53

41

36

60

47

42

39

600

 

 

 

 

 

 

 

 

47

37

31

29

47

37

33

54

43

38

35

610

 

 

 

 

 

 

 

 

41

33

 

 

41

33

28

48

40

 

 

620

 

 

 

 

 

 

 

 

35

 

 

 

35

 

 

43

 

 

 

Примечания:

1. Выше черты приведены значения напряжений, определяемые по пределу текучести в зависимости от температуры.

2. Значения допускаемых напряжений в колонках для ресурса 104, 2×105 и 3×105, отмеченные выше черты знаком "-", принимаются равными соответствующим значениям в колонке для ресурса 105 ч.

3. Значения допускаемых напряжений, указанные ниже черты, соответствуют работе элементов в условиях ползучести и определены по пределу длительной прочности для соответствующего ресурса.


Таблица 2.4

Номинальные допускаемые напряжения |s| для высокохромистой и аустенитной сталей, МПа

t, °С

Марка стали

12Х11В2МФ

12Х18Н12Т, 12Х18Н10Т

09Х14Н19В2БР, 09Х16Н14В2БР, 10Х16Н16В2МБР

Расчетный ресурс, ч

104

105

2×105

104

105

2×105

3×105

104

105

2×105

От 20 до 150

-

195

-

-

147

-

-

-

147

-

250

-

183

-

-

125

-

-

-

131

-

300

-

175

-

-

120

-

-

-

128

-

350

-

167

-

-

116

-

-

-

125

-

400

-

158

-

-

111

-

-

-

123

-

450

-

152

-

-

107

-

-

-

120

-

500

145

145

145

-

104

-

-

-

117

-

520

143

134

128

-

103

-

-

-

116

-

530

141

124

119

-

103

-

102

-

116

-

540

140

115

108

-

102

102

100

-

115

-

550

130

107

100

-

102

100

93

-

115

-

560

121

97

90

101

101

91

87

-

114

-

570

113

87

80

101

97

87

81

-

114

-

580

104

78

72

100

90

81

74

-

113

113

590

95

69

64

98

81

73

68

-

113

109

600

87

60

55

94

74

66

62

112

112

102

610

78

51

47

88

68

59

55

111

104

94

620

70

47

39

82

62

53

50

111

97

87

630

62

37

31

78

57

49

46

110

89

79

640

54

27

23

72

52

45

42

110

81

72

650

45

20

 

65

48

41

38

109

74

64

660

38

 

 

60

45

37

 

103

66

56

670

30

 

 

55

41

34

 

96

59

49

680

 

 

 

50

38

32

 

88

52

41

690

 

 

 

45

34

28

 

79

44

34

700

 

 

 

40

30

25

 

71

37

27

Примечания:

1. Выше черты приведены значения напряжений, определяемые по пределу текучести в зависимости от температуры.

2. Значения допускаемых напряжений в колонках для ресурса 104, 2×105 и 3×105 ч, отмеченные выше черты знаком "-", принимаются равными соответствующим значениям в колонке для ресурса 105 ч.

3. Значения допускаемых напряжений, указанные ниже черты, соответствуют работе элементов в условиях ползучести и определены по пределу длительной прочности для соответствующего ресурса.

Таблица 2.5

Рекомендуемая

Номинальные допускаемые напряжения |s| для стали 10Х9МФБ, МПа

t, °С

Расчетный ресурс, ч

104

105

2×105

От 20 до 150

-

167

-

250

-

160

-

300

-

157

-

350

-

154

-

400

-

151

-

450

-

148

-

470

-

147

147

480

146

146

143

490

145

138

132

500

145

127

122

520

127

108

102

540

109

90

83

550

100

83

78

560

92

76

71

570

85

69

65

580

78

63

57

590

71

58

53

600

65*

52*

48*

610

62*

50*

 

620

60*

48*

 

630

57*

45*

 

640

55*

43*

 

650

52*

41*

 

Примечания:

1. Выше черты приведены значения допускаемых напряжений, определяемые по пределу текучести в зависимости от температуры.

2. Значения допускаемых напряжений в колонках для ресурса 104 и 2×105 ч, отмеченные выше черты знаком "-", принимаются равными соответствующим значениям в колонке для ресурса 105 ч.

3. Значения допускаемых напряжений, указанные ниже черты, соответствуют работе элементов в условиях ползучести и определены по пределу длительной прочности для соответствующего ресурса.

4. Значения допускаемых напряжений со знаком * получены экстраполяцией с малых по времени баз испытаний и должны быть откорректированы с учетом требований подраздела 2.1.

Допускаемые напряжения для сталей иностранных марок, допущенных к применению Госгортехнадзором России, должны устанавливаться специализированными научно-исследовательскими организациями. Для стали 2.1/4 Cr1Mo (10CrMo910 для труб по ДИН 17175 и для листа по ДИН 17155) могут быть использованы значения допускаемые напряжений, приведенные в таблице 2.6.

Таблица 2.6

Номинальные допускаемые напряжения для стали 2.1/4 Cr1Mo (10CrMo910) на расчетный ресурс 105 ч.

t, °С

[s], МПа

t, °С

[s], МПа

20 - 100

180

480

123

200

163

500

96

250

160

520

73

300

153

540

53

350

146

560

38

400

140

580

28

450

133

 

 

2.3. Для сталей марок, не приведенных в таблицах 2.1 - 2.4, и для других металлов допущенных к применению Госгортехнадзором России, номинальное допускаемое напряжение следует принимать равным наименьшему из приведенных в таблице 2.7 значений, полученных в результате деления соответствующей расчетной характеристики прочности металла при растяжении на соответствующий запас прочности по данной характеристике.

При выполнении контрольных расчетов деталей, изготовленных из стали 12ХМФ допускается использовать значения допускаемых напряжений, приведенных в таблицах 2.1 - 2.4 для стали 12Х1МФ.

2.4. В качестве расчетных характеристик прочности металла следует принимать:

временное сопротивление при растяжении sВ;

предел текучести sT/t или условный предел текучести s0,2/t, s1,0/t;

условный предел длительной прочности s104/t, s105/t, s2×105/t, s3×105/t;

условный предел ползучести ;

Значения характеристик sВ, sT/t, s0,2/t и s1,0/t следует принимать равными минимальным значениям, установленным в соответствующих стандартах или технических условиях для металла данной марки.

Значения характеристик s104/t, s105/t, s2×105/t, s3×105/t и следует принимать равными средним значениям, установленным в соответствующих стандартах или технических условиях для металла данной марки.

Таблица 2.7

Формулы для определения номинального допускаемого напряжения [s], не зависящего от расчетного ресурса, или для расчетного ресурса 105 ч

Материал

Формула

Углеродистая и теплоустойчивая сталь 1)

, , ,.

Аустенитная хромоникелевая сталь

, , ,.

Чугун с шаровидным графитом при d5³12% после отжига

,

Чугун с пластинчатым графитом, ковкий чугун и чугун с шаровидным графитом при d5<12%:

 

после отжига

без отжига

Медь и медные сплавы

, , ,.

1) Для углеродистой и теплоустойчивой стали повышенной прочности (sВ>490 МПа и минимальное относительное удлинение d5<20%) запас прочности по пределу текучести следует увеличить на 0,025 на каждый процент уменьшения относительного удлинения ниже 20%.

2) Характеристики прочности должны определяться без учета термического и механического упрочнения. Условие неприменимо для деталей, в которых недопустима пластическая деформация (фланцы, шпильки). Допускается использовать минимальное значение условного предела текучести при остаточной деформации 0,2% с запасом 1,15.

3) При расчете на изгиб допускаемые напряжения принимаются уменьшенными на 50%.

4) Условие используется, если в стандартах или технических условиях на металл отсутствуют гарантируемые значения sВ, s1,0/t, s105/t.

Отклонения характеристик в меньшую сторону допускаются не более чем на 20% от среднего значения.

Допускается использование sT/t, вместо s0,2/t, если в стандартах или технических условиях на металл нормированы значения sT/t и отсутствуют нормированные значения s0,2/t.

Уровень расчетных характеристик используемых металлов и полуфабрикатов должен быть подтверждён статистической обработкой данных испытаний, периодическим контролем качества продукции и положительным заключением специализированной научно-исследовательской организации в соответствии с требованиями Правил Госгортехнадзора.

2.5. Для стальных отливок номинальное допускаемое напряжение следует принимать равным следующим величинам:

85% от значений допускаемого напряжения, определенного согласно таблицам 2.1 - 2.4 для одноименной марки катаной или кованой стали, если отливки подвергаются сплошному неразрушающему контролю;

75% от указанных в таблицах 2.1 - 2.4 значений, если отливки не подвергаются сплошному неразрушающему контролю.

2.6. Для стальных деталей, работающих в условиях ползучести при разных за расчетный ресурс расчетных температурах, за допускаемое разрешается принимать напряжение [s]е, вычисленное по формуле

где t1, t2,..., tn - длительность периодов эксплуатации деталей с температурой стенки соответственно t1, t2,......, tn, ч;

[s]1, [s]2,..., [s]n - номинальные допускаемые напряжения для расчетного ресурса при температурах t1, t2,......, tn, МПа;

 - общий расчетный ресурс, ч;

m - показатель степени в уравнении длительной прочности стали.

Для углеродистых, низколегированных хромомолибденовых и хромомолибденованадиевых, а также для аустенитных сталей допускается принимать m=8. Периоды эксплуатации при разной температуре стенки рекомендуется принимать по интервалам температуры в 5 или 10°С.

Определение эквивалентных напряжений по приведенной упрощенной методике рекомендуется принимать для интервала температур не более 30°С. При необходимости определения эквивалентных допускаемых напряжений для интервала температур более 30°С следует использовать среднее значение показателя степени согласно данным экспериментальных исследований с базой испытаний не менее 0,1 от ресурса, но не менее 104 ч.

2.7. Расчетные характеристики прочности и номинальные допускаемые напряжения следует принимать для расчетных температур стенки, определенных согласно подразделу 1.4.

2.8. При определении допустимой величины пробного давления допускаемое напряжение должно приниматься согласно таблице 2.8.

Таблица 2.8

Формулы для определения допускаемого напряжения при вычислении пробного давления

Материал

Формула

Углеродистая, теплоустойчивая и аустенитная сталь (катаная и кованая)

Стальные отливки

Отливки из чугуна с шаровидным графитом при d5³12%

,

Отливки из чугуна с пластинчатым графитом, из ковкого чугуна и чугуна с шаровидным графитом при d5<12%

Медь и медные сплавы

,

* Условие используется, если в стандартах или технических условиях на металл характеристики нормированы.

2.9. При расчете стальных деталей, работающих под наружным давлением, допускаемое напряжение должно быть уменьшено в 1,2 раза по сравнению со случаем, когда используются формулы расчета по внутреннему давлению (например, для дымогарных труб).

3. МЕТОДЫ ОПРЕДЕЛЕНИЯ ТОЛЩИНЫ СТЕНКИ ЭЛЕМЕНТОВ, РАБОТАЮЩИХ ПОД ВНУТРЕННИМ ДАВЛЕНИЕМ

3.1. Условные обозначения

3.1.1. В Нормах приняты условные обозначения, представленные в таблице 3.1.

Таблица 3.1

Символ

Название

Единица измерения-

D

Внутренний диаметр расчетной детали

мм

Da

Наружный диаметр расчетной детали

мм

Dm

Средний диаметр расчетной детали

мм

j

Расчетный коэффициент прочности

-

jd

Коэффициент прочности при ослаблении отверстиями

-

jc

Коэффициент прочности при ослаблении отверстиями с учетом укрепления

-

j w

Коэффициент прочности при ослаблении сварными соединениями

-

s0

Минимальная расчетная толщина стенки без прибавок при j=1,0

мм

D

Предельное минусовое отклонение по толщине стенки детали

%

d

Диаметр отверстия в расчетной детали

мм

[p]

Допустимое рабочее давление

МПа

tm

Температура рабочей среды (для насыщенного пара принимается при расчетном давлении)

°С

Dt/

Превышение температуры рабочей среды, поступающей в коллектор из отдельных змеевиков, над средней ее температурой; это превышение связано с режимными и гидродинамическими условиями работы котла

°С

R

Радиус кривизны оси криволинейного коллектора

мм

s

Приведенное напряжение от внутреннего давления

МПа

sRi (i=1, 2, 3)

Расчетная толщина стенки колена на внешней, внутренней и нейтральной стороне соответственно

мм

Da max, Da min

Максимальный и минимальный наружный диаметр сечения колена соответственно

мм

а

Овальность поперечного сечения колена:

%

Ki (i=1, 2, 3)

Торовый коэффициент колена

-

Yi,(i=1, 2, 3)

Коэффициент формы колена

-

h

Высота выпуклой части эллиптического или полусферического (полушарового) днища при номинальном внутреннем диаметре

мм

ha

Высота выпуклой части полусферического днища при номинальном наружном диаметре

мм

l

Длина цилиндрического борта выпуклого днища или расстояние от оси сварного шва до плоского днища

мм

s1

Номинальная толщина плоского днища или крышки (заглушки) в плоской части

мм

s1R

Расчетная толщина плоского днища или крышки в плоской части

мм

s2

Толщина плоского днища в месте кольцевой выточки у перехода к цилиндрической части

мм

s3

Толщина крышки по участку действия усилия от болтов (шпилек)

мм

Dk

Расчетный диаметр крышки

мм

Db

Диаметр окружности центров болтов крышки

мм

Du

Средний диаметр прокладки уплотнения крышки

мм

r

Внутренний радиус закругления

мм

n

Длина в свету большего диаметра овальной плоской крышки или большей стороны в свету прямоугольного днища или крышки

мм

m

Длина в свету меньшего диаметра овальной плоской крышки или меньшей стороны в свету прямоугольного днища или крышки

мм

Y

Коэффициент, учитывающий отношение сторон овальной или прямоугольной крышки

-

Km

Коэффициент, характеризующий тип крышки

-

K

Коэффициент, характеризующий тип днища

-

K0

Коэффициент, учитывающий ослабление днища отверстиями

-

Sdi

Сумма диаметров отверстий или их хорд в диаметральном сечении круглого плоского днища

мм

3.2. Цилиндрические барабаны и коллекторы

3.2.1. Расчет толщины стенки

3.2.1.1. Номинальная толщина стенки обечаек барабана (корпуса котла) или цилиндрической части коллектора должна быть не менее определенной по формуле

где  если расчет выполняется по наружному диаметру, и

 если расчет выполняется по внутреннему диаметру.

Формулы пригодны при соблюдении следующих условий:

для барабанов и коллекторов, содержащих воду, пароводяную смесь или насыщенный пар:

 или

для коллекторов, содержащих перегретый пар:

Для криволинейных и торовых коллекторов при  расчет толщины стенки должен производиться с учетом подраздела 3.3.2.

3.2.1.2. Расчетные коэффициенты прочности j обечаек барабанов и цилиндрической части коллекторов с отверстиями и (или) со сварными соединениями следует определять согласно разделу 4.

3.2.1.3. Для барабанов, изготавливаемых из листов разной толщины и соединяемых продольными швами при стыковке листов по совпадению средних диаметров, расчет толщины стенки должен производиться для каждого листа с учетом имеющихся в нем ослаблений.

При стыковке листов разной толщины по внутреннему диаметру требуется дополнительно проверить местные напряжения в месте стыка листов по методике расчета на прочность, согласованной со специализированными научно-исследовательскими организациями.

3.2.1.4. Суммарная прибавка с должна приниматься согласно разделу 1.

Для обечаек барабанов и коллекторов, свариваемых из листа, а также кованых с последующей механической обработкой при номинальной толщине стенки более 20 мм допускается принимать с11=0. Если наибольшее минусовое отклонение по толщине листа превышает 3%, то в прибавке с11 следует учесть это превышение.

Для коллекторов, изготавливаемых из труб, прибавка с11 должна определяться по формуле

если неизвестна номинальная толщина стенки, и по формуле

если номинальная толщина стенки известна или предварительно принята.

Для обечаек барабанов и прямолинейных коллекторов с12=0.

Для криволинейных коллекторов при R/Da£5 значение прибавки с12 должно приниматься так же, как для колен.

Для обечаек барабанов из стали повышенной прочности при sВ³550 МПа и рабочем давлении более 8 МПа прибавка с21 должна предусматривать возможность удаления коррозионно-усталостных дефектов без заварки; она принимается в зависимости от условий и опыта эксплуатации котла данного типа, что должно согласовываться со специализированными научно-исследовательскими организациями; значение прибавки должно быть не менее 5 мм. Прибавка менее 5 мм должна согласовываться со специализированными научно-исследовательскими организациями.

3.2.1.5. При выборе номинальной толщины стенки необходимо учитывать следующее:

номинальная толщина стенки барабана или коллектора, изготавливаемых из листа, должна быть не менее 6 мм; допускается для котлов паропроизводительностью менее 1 т/ч при рабочем давлении не более 0,5 МПа принимать номинальную толщину стенки не менее 4 мм;

номинальная толщина стенки коллектора при изготовлении и фактическая толщина стенки коллектора при эксплуатации должны быть не менее значений, указанных в таблице 3.2, но не менее значений, полученных в результате расчётов на прочность;

Таблица 3.2

s, мм

Da, мм

<51

£70

£90

£108

>108

При изготовлении

2,5

3,0

4,0

4,5

5,0

При эксплуатации

2,0

2,4

3,2

3,6

4,0

толщину стенок барабанов и коллекторов, к которым присоединяются трубы при помощи развальцовки, рекомендуется принимать не менее 16 мм; применение стенок толщиной менее 13 мм не допускается;

толщина стенок обогреваемых барабанов и коллекторов без изоляции должна быть не более следующей:

22 мм для барабанов и 10 мм для коллекторов, расположенных в топке;

30 мм для барабанов и 13 мм для коллекторов, расположенных в газоходах при температуре газов не выше 900°С;

50 мм для барабанов и 20 мм для коллекторов, расположенных в газоходах при температуре газов не выше 600°С.

Указанные толщины могут быть увеличены, если это будет обосновано соответствующими расчетами, согласованными со специализированными научно-исследовательскими организациями, с учетом местных температурных напряжений на внутренней и наружной поверхности.

3.2.1.6. Для коллекторов, изготавливаемых из одной или нескольких бесшовных труб, на концах прямых участков, растачиваемых под стыковую сварку, допускается утонение стенки до минимальной расчетной толщины стенки прямой трубы, определяемой по формуле

Расстояние между выходом расточки (обточки) под сварку и кромкой ближайшего отверстия по продольной оси коллектора должно быть не менее . Если это условие не соблюдается (но выполняются требования Правил Госгортехнадзора по расположению отверстий), то вместо s0 следует принять sR. Коэффициент прочности jd в этом случае допускается определять согласно п. 4.3.3.10, где полная площадь должна приниматься на длине, равной расстоянию между центрами отверстий при двух отверстиях с расположением сварного соединения между ними, или на длине, равной  от оси отверстия по направлению к оси сварного шва при расположении вблизи сварного соединения одного отверстия.

3.2.2. Допустимое давление

3.2.2.1. Допустимое рабочее давление в барабанах и коллекторах при контрольных расчетах должно быть не более значений, полученных по одной из следующих формул:

если расчет выполняется по наружному диаметру;

если расчет выполняется по внутреннему диаметру.

Примечания:

1. Коэффициент прочности j следует принимать в соответствии с п. 3.2.1.2.

2. Значение прибавки с следует принимать в соответствии с п. 3.2.1.4, при этом с1=(D/100)s.

3.2.2.2. При выполнении контрольных расчетов по данным измерений толщины стенки вместо s следует применять sf2. Величина sf должна приниматься равной наименьшему значению из четырех измерений толщины по концам двух взаимно перпендикулярных диаметров в одном сечении при числе проверяемых сечений не менее одного на каждые два метра длины барабана (коллектора), но не менее чем в трех сечениях для всего барабана (коллектора).

3.2.2.3. Величина пробного давления при гидравлическом испытании не должна превышать значения, полученного согласно пп. 3.2.2.1 и 3.2.2.2 при замене допускаемого напряжения [s]на [s]h.

3.2.2.4. Величина допускаемого рабочего или пробного давления в барабане или коллекторе не должна превышать соответственно рабочего или пробного давления, допускаемого по условиям прочности для остальных деталей данного барабана или коллектора, в частности для днищ.

3.2.3. Приведенное напряжение

3.2.3.1. Приведенное напряжение в барабанах и коллекторах должно определяться по одной из следующих формул:

если расчет выполняется по наружному диаметру;

если расчет выполняется по внутреннему диаметру,

При выполнении контрольных расчетов по данным измерений толщины стенки вместо s следует применять sf2 согласно п. 3.2.2.2.

Значения коэффициентов прочности j и прибавки с следует принимать согласно пп. 3.2.1.2 и 3.2.1.4 соответственно.

3.2.4. Расчетная температура стенки

3.2.4.1. Расчетную температуру стенки барабанов и охлаждающих топку слоевого сжигания панелей из углеродистой или теплоустойчивой стали, содержащих воду, пароводяную смесь или насыщенный пар, допускается определять без теплотехнических расчетов по упрощенным формулам для средней температуры стенки:

для барабанов, вынесенных из газохода, надежно изолированных или защищенных другим надежным способом от обогрева извне:

t = tm;

для неизолированных барабанов, расположенных в конвективных газоходах:

при температуре газов не выше 600°С

t= tm+1,2s+10°С;

при температуре газов более 600°С, но не выше 900°С

t= tm+2,5s+20°С;

для неизолированных барабанов и охлаждающих панелей, подверженных лучеиспусканию факела или горящего слоя топлива:

t= tm+4s+30°С.

3.2.4.2. Расчетную температуру стенки коллекторов экранов, экономайзеров и перегревателей допускается определять по упрощенным формулам:

для необогреваемых (вынесенных из газохода или надежно изолированных) коллекторов экономайзеров и экранов и коллекторов насыщенного пара котлов с естественной и принудительной циркуляцией, а также входных коллекторов экономайзеров прямоточных котлов

t = tm;

для необогреваемых коллекторов (за исключением входных) экономайзеров прямоточных котлов и коллекторов перегревателей (кроме насыщенного пара) котлов всех типов

t = tm+xDt,

для обогреваемых коллекторов из углеродистой и теплоустойчивой стали, содержащих воду, пароводяную смесь или насыщенный пар:

при температуре в газоходе не выше 600°С

t = tm+s+xDt+10°С,

при температуре в газоходе от 600 до 900°С

t = tm+2s+xDt+20°С,

при температуре в газоходе выше 900°С.

t = tm+3s+xDt+30°С,

Величина t не должна приниматься выше расчетной температуры газов в сечении газохода, в котором расположен коллектор.

Температуру среды tm при определении расчетной температуры стенки для коллекторов экономайзеров (кроме входных), экранов котлов с естественной и принудительной циркуляцией и коллекторов насыщенного пара следует принимать равной температуре насыщенного пара при расчетном давлении в данном коллекторе. Для входных коллекторов экономайзеров котлов с естественной и принудительной циркуляцией температура среды должна приниматься равной температуре воды на входе в экономайзер (с учетом подогрева в пароохладителе в случае возврата воды после пароохладителя на вход в экономайзер и смешения при рециркуляции воды). Для коллекторов экономайзеров и переходных зон прямоточных котлов, а также для коллекторов перегревателей котлов всех типов она должна, приниматься равной температуре среды.

Величина разверки температур во включенном в коллектор пучке Dt должна приниматься по тепловому расчету или по данным испытаний, но не менее 10°С. Коэффициент x, учитывающий перемешивание среды до входа в коллектор или в нем, должен приниматься равным 0,5, за исключением случаев, когда среда подводится к торцу коллектора; в этих случаях допускается принимать x=0.

3.2.4.3. Для обогреваемых коллекторов из аустенитной стали расчетная температура стенки должна приниматься средней из значений температур на внутренней и наружной поверхностях.

3.2.5. Требования к конструкции

3.2.5.1. Барабаны и коллекторы, имеющие отверстия, должны удовлетворять соответствующим требованиям к конструкции, изложенным в разделе 4.

3.2.5.2. В барабанах, изготовленных из листов стали разной толщины, средние линии обечаек должны совпадать.

Допускается совмещать обечайки по внутреннему диаметру, если выполняется условие п. 3.2.1.3.

3.3. Трубы поверхностей нагрева и трубопроводов

3.3.1. Расчет толщины стенки прямых труб

3.3.1.1. Номинальная толщина стенки прямой трубы поверхности нагрева или трубопровода должна быть не менее определенной по формуле

s=sR+с,

где

Формула пригодна при соблюдении условия (s-c)/Da£0,25.

Коэффициент прочности продольного или спирального сварного соединения jw должен приниматься в соответствии с разделом 4. Для бесшовных труб коэффициент прочности jw=1,0. Коэффициент прочности поперечных сварных соединений в расчете на внутреннее давление учитывать не следует.

3.3.1.2. Величина прибавки с должна приниматься в соответствии с п. 3.2.1.4.

3.3.1.3. Номинальная толщина стенки труб при изготовлении и фактическая толщина стенки труб при эксплуатации должны быть не менее значений, указанных в таблице 3.3, но не менее значений, полученных в результате расчётов на прочность.

Таблица 3.3

s, мм

Da, мм

>38

£51

£70

£90

£108

>108

При изготовлении

1,80

2,00

2,50

3,00

3,50

4,00

При эксплуатации

1,45

1,60

2,00

2,40

2,80

3,20

Номинальная толщина стенок труб, обогреваемых газами с температурой выше 900°С, должна быть не более 8 мм, а при непосредственном воздействии лучистого тепла топки - не более 6,5 мм.

Допускается применение обогреваемых труб с большей толщиной стенки, если это будет обосновано соответствующими расчетами, согласованными со специализированными научно-исследовательскими организациями, с учетом местных температурных напряжений на внутренней и наружной поверхности.

3.3.1.4. На концах прямых участков бесшовных труб, растачиваемых под стыковую сварку, допускается утонение стенки до минимальной расчетной толщины прямой трубы, определяемой по формуле

Допускается уменьшение толщины стенки в месте расточки прямых труб под сварку до 0,95 s0 при условии, что суммарная длина расточенного участка по продольной оси трубы после сварки не будет превышать меньшую из величин: 5s или 0,5Da.

3.3.2. Расчет толщины стенки колен и змеевиков

3.3.2.1. Расчетная толщина стенки на внешней, внутренней и нейтральной сторонах (участках) колена и змеевика должна быть не менее определенной по формуле

 (i=1, 2, 3).

Расчетная толщина стенки прямой трубы sR должна определяться согласно п. 3.3.1.1. Для участка колена, где продольный сварной шов отсутствует, коэффициент прочности сварного шва jw=1,0.

Расчеты на прочность колен по приведенной ниже методике являются обязательными при учете изменения направления от прямолинейного более чем на 15°.

3.3.2.2. Торовый коэффициент для внешней, внутренней и нейтральной сторон колена должен определяться соответственно по формулам:

                                          

Нейтральная сторона колена составляет участок колена, расположенный под углом 15° в оба направления от продольного среднего сечения колена.

3.3.2.3. Для колен из углеродистой, легированной и аустенитной сталей, температура стенки которых не превышает 350, 400, 450°С соответственно, значения коэффициентов формы следует определять по формулам:

                           

где            

3.3.2.4. Для колен из углеродистой, легированной и аустенитной сталей, температура которых выше 400, 450, 525°С соответственно, значения коэффициентов формы следует определять по формулам:

                        

Значения a и q должны приниматься согласно п. 3.3.2.3 с учетом п. 3.3.2.6.

3.3.2.5. Для колен, расчетная температура которых более указанной в п. 3.3.2.3, но менее указанной в п. 3.3.2.4, коэффициенты Y1, Y2, Y3 должны определяться линейным интерполированием в зависимости от значения температуры. При этом в качестве опорных величин должны приниматься значения коэффициентов, соответствующие указанным граничным температурам.

3.3.2.6. При выполнении расчетов по формулам, приведенным в п. 3.3.2.3 и 3.3.2.4, должны выполняться следующие условия:

если значения коэффициентов Yi ( i=1, 2, 3) получаются по расчету менее единицы, то следует принимать Yi=1;

если вычисленное значение q превышает единицу, то следует принимать q=1;

при a<0,03 значения коэффициентов формы Yi и поправочного коэффициента q следует принимать равными их значению при a=0,03;

допускается принимать Yi=1 для труб поверхностей нагрева, если Da£76 мм и а£10%;

если в указанном случае Da£51 мм, то допускается принимать Yi= 0,95.

3.3.2.7. Номинальную толщину стенки колена следует принимать наибольшей из значений, полученных для указанных трех участков колена, согласно условию si³sR (i= 1, 2, 3).

Значение расчетной толщины стенки sRi следует принимать по пп. 3.3.2.1 - 3.3.2.6.

Для секторных колен, изготовленных из бесшовных труб, номинальную толщину стенки следует выбирать по внутренней стороне колена, где s³sR2+с.

Если секторное колено изготавливается из сварных труб и коэффициент прочности сварного шва jw<1, то следует проверить значение номинальной толщины стенки по участку расположения сварного шва.

3.3.2.8. Значение прибавки с следует определять согласно п. 3.3.1.2, а прибавку с12 для каждой из указанных в п. 3.3.2.2 трех сторон следует принимать по техническим условиям (ТУ) на изделие, согласованным со специализированными научно-исследовательскими организациями.

В случае отсутствия в ТУ на изготовление колен данных по технологическому утонению стенки колен при определении прибавки c12 для колен, изготавливаемых указанными широко известными способами, необходимо учесть следующее:

для гибов из труб, изготавливаемых на трубогибочном оборудовании методом наматывания на сектор, прибавка c12 к sR1 должна быть не менее определенной по формулам:

для необогреваемых труб

для труб поверхностей нагрева

для штампованных колен, изготавливаемых в закрытых штампах, или для гибов, изготавливаемых на станках с нагревом токами высокой частоты и осевым поджатием, прибавка с12 к sR1 должна приниматься в пределах от 0,05s до 0,1s; в этих двух случаях (для гибов из труб, изготавливаемых на трубогибочном оборудовании методом наматывания на сектор, и для штампованных колен) прибавка с12 к sR3 равна нулю, а расчет по внутренней стороне гиба не производится;

для колен, изготавливаемых на рогообразном сердечнике, прибавка с равна нулю;

для секторных колен прибавка с12 равна нулю;

для штампосварных колен с расположением двух продольных сварных швов по внутренней и внешней стороне колена прибавка с12 к sR3 должна приниматься в пределах от 0,05s до 0,1s с учетом jw, если его значение менее единицы;

для штампосварных колен с расположением поперечного сварного шва в середине длины колена прибавка с12 к sR3 равна нулю, а прибавка с12 к sR1 должна приниматься в пределах от 0,05s до 0,1s, в этом случае расчет по внутренней стороне колена не производится, так как на этой стороне колено имеет утолщение стенки более значительное, чем величина коэффициента К2.

Если определение прибавки с12 производится, когда окончательно не выбрана номинальная толщина стенки колена, то следует задаться ее значением, например, равным значению номинальной толщины стенки прямой трубы согласно пп. 3.3.1.1 - 3.3.1.3, с последующей проверкой по окончательно выбранному значению номинальной толщины стенки колена.

3.3.2.9. Допустимая толщина стенки [s] должна быть не менее определенной по формулам:

для колен [s]=sRi+c2,

для прямых труб [s]=sR+c2.

При определении [s] в условиях эксплуатации значение прибавки с2, определяемое согласно разделу 1, допускается уменьшить пропорционально планируемому ресурсу эксплуатации до замены детали или до очередного контроля толщины стенки.

Для тонкостенных колен паропроводов, трубопроводов и наружных перепускных труб диаметром более 200 мм при a£0,03 прибавку с2 следует принимать в пределах от 1 до 3 мм в зависимости от опыта эксплуатации. Применение прибавки менее 3 мм для труб наружным диаметром 500 мм и более должно быть согласовано со специализированными научно-исследовательскими организациями.

3.3.3. Допустимое давление

3.3.3.1. Допустимое рабочее давление в коленах труб котлов и в прямых трубах трубопроводов следует определять по формуле

При выполнении контрольных расчетов по данным измерений толщины стенки вместо s следует применять sf2

Коэффициент прочности jw следует принимать согласно разделу 1.

Коэффициенты Кi и Yi следует определять согласно пп. 3.3.2.2 - 3.3.2.6.

Расчет по приведенным формулам следует производить для всех характерных участков колена (i=1, 2, 3). Значение прибавки с следует принимать согласно пп. 3.2.1.4 и 3.3.2.8. При этом прибавка c1 должна определяться по номинальной толщине стенки.

В качестве допустимого давления должно приниматься минимальное из вычисленных значений. Для прямых труб Ki=Yi=1.

3.3.3.2. При выполнении контрольных расчетов фактическая толщина стенки для прямых труб должна определяться согласно п. 3.2.2.2; для колен следует выявить наименьшее значение толщины стенки в каждом характерном участке колена, т.е. на внешней, внутренней стороне и по нейтральной линии. Измерения следует производить не менее чем в трех поперечных сечениях колена, одно из которых должно делить колено на две равные части; на каждом из участков следует производить измерения не менее чем в четырех точках.

3.3.3.3. Величина пробного давления при гидравлическом испытании колен и прямых труб котлов и трубопроводов не должна превышать значения, полученного согласно п. 3.3.3.1 при замене допускаемого напряжения [s] на [s]h.

3.3.3.4. Величина допустимого рабочего или пробного давления в трубе или трубопроводе должна приниматься равной минимальному значению соответственно рабочего или пробного давления, полученного для прямого участка трубы или рассматриваемых участков каждого из имеющихся колен.

3.3.4. Расчетная температура стенки

3.3.4.1. Расчетная температура стенки труб поверхностей нагрева котлов всех систем должна определяться по нормативным методам теплового и гидравлического расчетов котлов. При этом должны быть рассмотрены различные участки пакета, имеющие как наивысшую температуру пара, так и наибольшую тепловую нагрузку, а также участки, конструктивные особенности которых могут обусловить наиболее высокую температуру стенки. При установке за пакетом, для которого определяется температура стенки, пароохладителя следует ввести прибавку к расчетной температуре среды, учитывающую возможное повышение фактического тепловосприятия пакета над расчетным. Величина прибавки должна выбираться конструкторской организацией в пределах от 0 до 10°С.

3.3.4.2. Допускается определение расчетной температуры стенки труб поверхностей нагрева по упрощенным формулам:

для вертикальных и слабонаклонных (до 30° от вертикали) котельных труб котлов с естественной и принудительной циркуляцией при рабочем давлении не более 16 МПа и при максимальных удельных тепловосприятиях поверхности нагрева по наружной поверхности труб qmax<407 кВт/м2 (350×103 ккал/(м2×ч))

t = tm+60°С,

для труб конвективных перегревателей котлов с рабочим давлением не более 2,5 МПа и температурой пара не выше 425°С при максимальных удельных значениях тепловосприятия qmax£70 кВт/м2 (60×103 ккал/(м2×ч))

t = tm+70°С,

для труб участков первичных перегревателей, расположенных в зоне температур газов менее 650°С, независимо от рабочего давления котлов (если коэффициент гидравлической разверки не менее 0,95)

t = tm+50°С,

для экономайзеров некипящего типа котлов с естественной и принудительной циркуляцией

t = tm+30°С,

для конвективных экономайзеров прямоточных котлов

t = tm+40°С,

Температуру среды следует принимать равной определенной из теплового расчета температуре на выходе из пакета при номинальной производительности котла.

3.3.4.3. Для необогреваемых труб расчетную температуру стенки следует принимать равной температуре среды на входе в трубу.

Для необогреваемых параллельно включенных труб (количество труб две и более) учитываемую разверку температур на входе следует принимать так же, как для коллекторов (см. п. 3.2.4.2).

3.3.4.4. Расчетную температуру стенки труб поверхностей нагрева пароводяных теплообменников (пароохладителей и др.) следует принимать:

для охладителей, расположенных в коллекторах насыщенного пара, равной температуре насыщения;

для охладителей, размещенных в коллекторах перегретого пара, равной температуре перегретого пара в данном коллекторе;

для охладителей, расположенных в водяном пространстве барабана котла, а также для теплообменников двухконтурных котлов равной температуре более горячей среды, определенной по тепловому расчету.

3.3.4.5. Расчетную температуру стенки труб поверхностей нагрева пароводяных и газопаровых теплообменников следует определять по общей методике теплового расчета.

3.3.5. Приведенное напряжение

3.5.1. Приведенное напряжение от действия внутреннего давления в коленах труб и в прямых трубах котлов и трубопроводов следует определять по одной из следующих формул:

по номинальной толщине стенки

по фактической толщине стенки

Для колен следует принимать наибольшее из полученных трех значений s.

Значения величин jw, Кi, Yi и с следует принимать согласно п. 3.3.3.1.

3.3.6. Требования к конструкции

3.3.6.1. Трубопроводы, имеющие неукрепленные и (или) укрепленные отверстия (тройниковые соединения и т.п.), должны удовлетворять соответствующим требованиям к конструкции, изложенным в разделе 4.

3.3.7. Дополнительные напряжения

3.3.7.1. Дополнительные напряжения от действия внешних нагрузок (осевой силы, изгибающих и крутящих моментов) и самокомпенсаций теплового расширения должны определяться и ограничиваться в соответствии с п. 5.1.

3.3.8. Поверочный расчет на усталость

3.3.8.1. Поверочный расчет на малоцикловую усталость следует производить согласно п. 5.1.5.

3.4. Конические переходы

3.4.1. Расчет толщины стенки

3.4.1.1 .Номинальная толщина стенки конического перехода должна быть не менее определенной по одной из следующих формул:

для бесшовных (точеных, штампованных, обсаженных из труб, кованых и др.) конических переходов

для конических переходов с продольным сварным швом

где D - внутренний диаметр большего основания конического перехода, мм;

a - угол конусности, равный половине угла у вершины конического перехода, градус (рисунок 3.1).

Рисунок 3.1. Схема конического переходного участка

Формулы пригодны при соблюдении следующих условий:

для a£15°

для 15°<a£45°

         и                 

где D0 - внутренний диаметр меньшего основания конического перехода, мм.

3.4.1.2. Коэффициент прочности jw продольного сварного соединения должен приниматься согласно разделу 4.

3.4.1.3. Величина прибавки с должна определяться согласно п. 3.2.1.4. Производственная прибавка с1 должна приниматься равной:

для бесшовных конических переходов - значению, установленному соответствующими техническими условиями для принятой технологии изготовления конических переходов;

для конических переходов с продольным сварным швом, изготовленных из листа - наибольшему минусовому отклонению по толщине листа.

3.4.1.4. Расчеты по приведенной методике применимы для кососимметричных конических переходов, у которых углы наклона образующей к диаметральной оси симметрии в различных плоскостях различны (в том числе один из них может быть равен нулю).

В расчетных формулах следует использовать наибольшее значение угла конусности.

3.4.2. Допустимое давление

3.4.2.1. Допустимое рабочее давление при контрольных расчетах изготовленных конических переходов должно определяться по следующей формуле:

Для бесшовных переходов jw=1.

Значение прибавки с должно приниматься согласно п. 3.4.1.3.

3.4.2.2. Величина пробного давления при гидравлическом испытании не должна превышать значения, полученного согласно п. 3.4.2.1 при замене допускаемого напряжения [s] на [s]h.

3.4.2.3. Величина принятого рабочего или пробного давления в трубопроводе не должна превышать наименьшего допустимого значения для каждой из деталей трубопровода, и частности для конических переходов.

3.4.3. Приведенное напряжение

3.4.3.1. Приведенное напряжение от внутреннего давления в коническом переходе должно определяться по следующей формуле:

Значение коэффициента прочности jw должно приниматься согласно п. 3.4.1.2.

3.4.4. Расчетная температура стенки

3.4.4.1. Расчетная температура стенки конического перехода должна приниматься равной наибольшей расчетной температуре стенки прямой трубы, к которой переход приваривается.

3.4.5. Требования к конструкции

3.4.5.1. При угле конусности a³15°по концам конического перехода, приваренным к трубопроводу 1-й категории, рекомендуется обеспечить цилиндрические участки длиной не менее двукратной толщины стенки перехода.

3.4.5.2. Сопряжения конической и цилиндрической частей по внутренней и наружной поверхностям конического перехода, выполняемые механической обработкой, должны быть плавными (по радиусу не менее 3 мм), за исключением переходов от конической к меньшей цилиндрической части по внутренней поверхности и от конической к большей цилиндрической части по наружной поверхности.

3.4.6. Поверочный расчет на усталость

3.4.6.1. Поверочный расчет на малоцикловую усталость следует производить согласно п. 5.1.5.

3.5. Выпуклые днища

3.5.1. Расчет толщины стенки эллиптического и полусферического днища

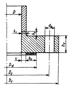
Рисунок 3.2 Выпуклые днища

а - глухое эллиптическое днище; б - глухое полусферическое днище; в - эллиптическое днище с лазовым отверстием

3.5.1.1. Номинальная толщина стенки днищ эллиптической или полусферической формы в соответствии с рисунком 3.2 должна быть не менее определенной по формуле

s=sR+с,

где при расчете по внутреннему диаметру

при расчете по наружному диаметру

Формулы пригодны при соблюдении следующих условий:

0,5³ h/D³0,2;                0,5³ ha/Da³0,2;             0,1³(s-c)/D³0,0025;

3.5.1.2. Коэффициент прочности j должен определяться согласно разделу 4.

3.5.1.3. Значение прибавки с должно определяться согласно п. 3.2.1.4.

Технологическая прибавка с12, компенсирующая утонение листа при штамповке выпуклого днища, должна приниматься по данным НТД на изготовление днища.

Если номинальная толщина листа неизвестна, то для предварительной оценки прибавку с12 допускается определять по формуле

Если номинальная толщина листа известна или предварительно принята, то прибавка с12 должна определяться по формуле

где D12 - утонение выпуклого днища при штамповке, принимаемое по НТД на изделие.

Допускается не учитывать утонение днища, если оно не превышает 5% номинальной толщины листа. Если утонение больше 5%, то при определении прибавки с12 учитывается разность между утонением D12 и утонением D, равным 5% номинальной толщины листа. Соответственно формулы для определения прибавки c12 имеют вид:

если номинальная толщина листа неизвестна, и

если номинальная толщина листа известна или предварительно принята.

При расчетах максимальное утонение следует учитывать в средней части выпуклого днища (независимо от его формы) на площади, определяемой по внутренней поверхности величиной  от кромки лазового отверстия или от центральной точки глухого днища, а также на участке перехода от цилиндрической части к выпуклой для эллиптических и торосферических днищ. Участок перехода должен рассматриваться по внутренней поверхности днища на длине не менее определяемой по формуле

где r=0,095D для днищ эллиптической и торосферической формы.

Допускается участок перехода рассматривать по наружной поверхности выпуклого днища. В этом случае формула имеет вид

где ra=r+s (или ra=r+sf).

Если по принятой технологии изготовления днища возможна потеря на окалину, то ее следует учесть при выборе толщины листа при толщине окалины более 0,5 мм.

3.5.1.4. Номинальная толщина стенки днища должна приниматься не менее номинальной толщины стенки цилиндрического борта, определенной по расчетной толщине при j=1.

Номинальная толщина стенки днища должна быть не менее 6 мм.

Для днищ с внутренним диаметром менее 500 мм допускается толщина стенки не менее 3 мм.

3.5.1.5. Днища с переменной толщиной стенки из углеродистой стали (рисунок 3.3.) должны рассчитываться согласно п. 3.5.1.1, при этом расчетная толщина стенки должна приниматься равной среднеарифметическому значению из наименьшей и наибольшей толщины:

Формула применима при s2>s1, при этом s2<2s1.

При наличии в днище подреза для уплотнения лазового затвора остающаяся в месте подреза толщина стенки s3 должна быть не менее s.

3.5.1.6. Для днищ с постоянной толщиной стенки минимальная толщина стенки в месте подреза для уплотнения лазового затвора s3 (см. рисунок 3.3) должна быть не менее расчетной толщины стенки днища, определенной согласно п. 3.5.1.1 при j=1.

Для днищ с постоянной и переменной толщиной стенки указанное значение толщины стенки s3 допускается уменьшить, если это подтверждено поверочным расчетом на прочность с обоснованием ресурса эксплуатации.

Рисунок 3.3 Лазовое отверстие в выпуклом днище переменной толщины

3.5.2. Расчет толщины стенки торосферического днища

3.5.2.1. Толщина стенки торосферического днища выполняется по формулам для эллиптических днищ настоящих Норм.

Допускается расчет на прочность торосферического днища производить по формулам ГОСТ 14249.

3.5.2.2. Коэффициент прочности днища j должен определяться согласно разделу 4.

3.5.2.3. Величина прибавки днища с должна определяться согласно п. 3.2.1.4.

3.5.3. Допустимое давление

3.5.3.1. Допустимое рабочее давление при контрольных расчетах изготовленных эллиптических, полусферических и торосферических днищ должно быть не менее определенного по формулам:

если номинальным является внутренний диаметр;

если номинальным является наружный диаметр.

Значение коэффициента прочности j и значение прибавки с должны определяться согласно пп. 3.5.1.2 и 3.5.1.3.

3.5.3.2. Допустимое рабочее давление для торосферических днищ может определяться согласно ГОСТ 14249.

3.5.3.3. Величина пробного давления при гидравлическом испытании не должна превышать значения, полученного согласно пп. 3.5.3.1 и 3.5.3.2 при замене в расчетных формулах допускаемого напряжения [s] на [s]h.

3.5.4. Приведенное напряжение от внутреннего давления

3.5.4.1. Приведенное напряжение от внутреннего давления эллиптических, полусферических и торосферических днищ должно определяться по формулам:

если номинальным является внутренний диаметр;

если номинальным является наружный диаметр.

Значения коэффициента прочности j и величины прибавки с должны определяться согласно пп. 3.5.1.2 и 3.5.1.3.

3.5.5. Расчетная температура стенки

3.5.5.1. Расчетная температура стенки необогреваемого днища должна приниматься равной температуре стенки детали, к которой днище приваривается.

3.5.5.2. Для обогреваемого днища температура стенки должна приниматься согласно пп. 3.2.4.1 и 3.2.4.2, но не должна быть менее температуры стенки детали, к которой днище приваривается.

3.5.6. Требование к конструкции

3.5.6.1. Наибольший диаметр отверстия в выпуклых днищах должен удовлетворять условию d/D£0,61, если номинальным является внутренний диаметр днища, и условию d/Da£0,6, если номинальным является наружный диаметр.

3.5.6.2. Для выпуклых днищ толщина стенки цилиндрического борта должна быть не менее расчетной толщины стенки обечайки, рассчитанной в соответствии с пп. 3.2.1.1 или 3.3.2.1 при j=1.

Если длина цилиндрической отбортованной части днища удовлетворяет условию

для эллиптического и торосферического днища или условию  для полусферического днища, то толщина цилиндрического борта должна быть не менее толщины стенки обечайки, рассчитанной в соответствии с пп. 3.2.1.1 или 3.3.1.1 при j=1.

Если длина цилиндрического борта равна указанным величинам или менее их, то допускается толщина стенки цилиндрического борта, принятая согласно подразделам 3.5.1 и 3.5.2.

3.5.6.3. Допускается применение полусферических днищ без цилиндрического борта, т.е. при l=0.

Рисунок 3.6 Выбор максимальной суммы диаметров отверстий и их хорд в диаметральном сечении днища

Величина Sdi должна приниматься как максимальная сумма диаметров отверстий или их хорд в наиболее ослабленном диаметральном сечении днища (рисунок 3.6):

Прибавка с должна приниматься согласно разделу 1.

3.6.1.2. Для днищ, сваренных из двух частей, коэффициент прочности сварного соединения j w следует определять согласно разделу 4.

3.6.1.3. Толщина плоского днища должна быть не менее толщин стенки цилиндрической части, определенной согласно п. 3.3.1.1.

3.6.1.4. Для днищ, конструкция которых изображена на рисунке 3.4, б и в, толщина днища в месте кольцевой выточки должна удовлетворять условию

Указания по выбору величины r приведены на рисунке 3.4, б.

3.6.2. Расчет толщины круглых плоских крышек

3.6.2.1. Номинальная толщина круглой крышки должна быть не менее определенной по формуле

где

Для крышек, конструкция которых соответствует рисунку 3.7, расчетный диаметр Dk и коэффициент Km следует принимать согласно таблице 3.4.

Рисунок 3.7. Круглые плоские крышки (заглушки)

Прибавка с должна приниматься согласно разделу 1.

3.6.2.2. Толщина крышки по кольцевому участку действия усилия от болтов должна удовлетворять условию

3.6.2.3. Конструкция крышки, показанная на рисунке 3.7,г, при Du>500 мм к применению не рекомендуется.

Таблица 3.4

Тип конструкции крышки по рисунку 3.7

Dk

Km

3.7, а

Du

0,5 Db/ Du

3.7, б

Du

0,41

3.7, в

Du

0,53

3.7, г

Du

1,25

3.7, д

Db

0,41

3.6.2.4. Для крышек, конструкция которых соответствует рисунку 3.7, д усилие затяга болтов не должно превышать двукратного усилия от внутреннего давления.

3.6.3. Расчет толщины овальных и прямоугольных крышек

3.6.3.1. Номинальная толщина овальной или прямоугольной крышки (рисунок 3.8) ддолжна быть не менее определенной по формуле

где

Коэффициент Km следует принимать согласно п. 3.6.2.1.

Рисунок 3.8. Овальная (прямоугольная) плоская крышка

Коэффициент Y следует определять по формуле

Прибавка с должна приниматься согласно разделу 1.

3.6.3.2. Для овальных и прямоугольных крышек должны выполняться условия пп. 3.6.2.2 - 3.6.2.4, при этом в п. 3.6.2.3 вместо среднего диаметра прокладки Du следует принимать n+b, где b - ширина прокладки.

3.6.4. Допустимое давление

3.6.4.1. Допустимое рабочее давление изготовленных днищ и крышек при контрольных расчетах следует определять по одной из следующих формул:

для круглых днищ

для круглых крышек

для овальных и прямоугольных крышек

При выполнении контрольных расчетов по данным измерений толщины стенки вместо s1 следует применять s1f-c2.

3.6.4.2. Величина пробного давления при гидравлическом испытании не должна превышать значения, полученного согласно п. 3.6.4.1 при замене [s] на [s]h.

3.6.4.3. Величина принятого рабочего или пробного давления в расчетном элементе (например, коллекторе) не должна превышать наименьшего допустимого значения для плоских днищ, крышек и цилиндрической части расчетного элемента.

3.6.5. Расчетная температура стенки

3.6.5.1. Расчетная температура стенки плоского днища или крышки должна приниматься так же, как для выпуклых днищ, согласно подразделу 3.5.5.

3.6.6. Требования к конструкции

3.6.6.1. Радиусы закругления, глубина выточки, сечение сварных швов и другие величины для круглых плоских днищ должны удовлетворять требованиям, указанным на рисунке 3.4.

3.6.6.2. Расстояние между кромками соседних отверстий в плоском днище должно быть не менее полусуммы диаметров этих отверстий; расстояние от кромки отверстия до внутренней поверхности цилиндрической части днища должно быть не менее 2r для днищ конструкции по рисунку 3.4,е, 3r для днищ конструкции по рисунку 3.4,б и 0,1D для остальных конструкций днищ.

3.6.6.3. Применение круглых плоских днищ из аустенитной стали допускается только при выполнении их по типу, изображенному на рисунке 3.4,а и б, с соблюдением условия .

Таблица 3.5

мм

D

r , не менее

До 500

30

От 500 до 1400

35

От 1400 до 1600

40

От 1600 до 1900

45

Св. 1900

50

3.6.6.4. Разделка кромок штуцера под сварку должна обеспечить соединение его с плоским днищем по всей толщине штуцера. Приварка штуцера односторонним угловым швом без разделки кромок допускается только при толщине стенки штуцера не более 10 мм; минимальное сечение сварного шва приварки штуцера к днищу должно быть не менее толщины стенки штуцера.

3.6.6.5. Толщину стенок днищ, к которым присоединяются трубы при помощи развальцовки, следует принимать не менее 13 мм.

3.6.6.6. Для днищ, конструкция которых соответствует рисунку 3.4,е радиус закругления должен приниматься в соответствии с таблицей 3.5, но не менее r³s/3.

4. ОПРЕДЕЛЕНИЕ КОЭФФИЦИЕНТОВ ПРОЧНОСТИ

4.1. Общие положения

4.1.1.Условные обозначения

4.1.1.1. В формулах приняты следующие обозначения, представленные в таблице 4.1.

Таблица 4.1

Символ

Название

Единица измерения

Dm

Средний диаметр детали

мм

d

Диаметр отверстия

мм

d1

Диаметр гнезда под штуцер или крышку лючка в детали

мм

t, t1

Расстояние между центрами соседних отверстий в продольном (для выпуклых днищ в любом направлении) и поперечном направлениях, принимаемое по средней окружности

мм

h

Глубина гнезда под штуцер или крышку лючка

мм

lw

Расстояние от кромки отверстий до центра сварного шва

мм

j

Расчетный коэффициент прочности детали

 

jw

Коэффициент прочности сварных соединений при aw=0

 

jd

Коэффициент прочности деталей, ослабленных неукрепленными отверстиями

 

jc

Коэффициент прочности деталей, ослабленных отверстиями с учетом укрепления

 

j0d, j0c

Коэффициенты прочности одиночного неукрепленного и укрепленного отверстия соответственно

 

z

Коэффициент, определяющий отношение диаметра отверстия к зоне его влияния

 

Sf

Сумма компенсирующих площадей укрепляющих деталей

мм2

l

Протяженность зоны влияния отверстия по сечению расчетной детали, учитываемая в укреплении

мм

ls

Протяженность зоны влияния отверстия по сечению штуцера, учитываемая в укреплении

мм

jmin, jmax

Минимальный и максимальный коэффициенты прочности при разных расстояниях между отверстиями ряда

 

Da

Наружный диаметр расчетной детали

мм

D

Внутренний диаметр расчетной детали

мм

s

Номинальная толщина стенки

мм

sf

Фактическая толщина стенки

мм

с

Суммарная прибавка к толщине стенки

мм

c2

Эксплуатационная прибавка к толщине стенки

мм

[s]

Номинальное допускаемое напряжение

МПа

p

Расчетное давление

МПа

da

Наружный диаметр штуцера или трубы (ответвления)

мм

ds

Внутренний диаметр штуцера или трубы (ответвления)

мм

dy

Условный диаметр отверстия, используемый в расчетах при различных диаметрах расточки отверстия по толщине стенки

мм

de

Эквивалентный диаметр отверстия, используемый в расчетах при отбортованных кромках отверстия внутрь или наружу расчетной детали

мм

s0

Минимальная толщина стенки без учета прибавок и ослаблении отверстиями или сварными соединениями

мм

aw

Угол между направлением сварного шва и расчетным направлением, т.е. продольным направлением для цилиндрических деталей при расчете на внутреннее давление и поперечным направлением при расчете на осевое усилие (0£aw£90)

градус

ad

Угол между расчетным (продольным) направлением и направлением между центрами рассматриваемых соседних отверстий (0£ad£90)

градус

F0

Площадь металла между кромками отверстий

мм2

F1

Полная площадь между центрами отверстий

мм2

4.1.1.2. В случае необходимости приведенные в п. 4.1.1.1 обозначения следует дополнить индексами s, n и b, относящимися соответственно к штуцерам, накладкам и воротникам, а также к вытянутым горловинам.

4.1.3. Все значения используемых в расчетах величин следует принимать номинальными без учета допускаемых отклонений.

4.1.2. Средний диаметр цилиндрической детали или выпуклого днища

4.1.2.1. Если номинальным диаметром детали является наружный диаметр, то средний диаметр следует определять по формуле Dm=Da-s.

4.1.2.2. Если номинальным диаметром детали является внутренний диаметр, то средний диаметр следует определять по формуле Dm=Da+s.

4.1.3. Расчетный коэффициент прочности

4.1.3.1. Расчетный коэффициент прочности j представляет собой относительную величину, используемую в формулах для определения толщины стенки расчетной детали и учитывающую ослабление отверстиями и сварными соединениями.

4.1.3.2. Коэффициент прочности сварных соединений jw представляет собой отношение предельной нагрузки, действующей в направлении, перпендикулярном к направлению сварного соединения (т.е. при aw=0), к предельной нагрузке бесшовной детали.

4.1.3.3. Коэффициент прочности jd или jc, учитывающий отверстия, представляет собой отношение предельной нагрузки детали с отверстиями к предельной нагрузке детали без отверстий.

Указанное отношение нагрузок допускается заменять отношением среднего напряжения в детали без отверстий к среднему напряжению детали с отверстиями или отношением соответствующих площадей тех же самых сечений (см. п. 4.3.3.10). При этом рассматриваются напряжения или сечения между отверстиями или по отверстию, перпендикулярные направлению действия расчетной нагрузки или приведенные к этому направлению.

4.1.3.4. Расчетный коэффициент прочности детали j принимается равным либо минимальному из значений коэффициентов прочности сварных соединений jw и отверстий jd, либо их произведению в зависимости от расстояния между кромкой ближайшего к сварному шву отверстия и центром сварного шва lw.

4.1.3.5. Если расстояние lw равно или менее , или менее 50 мм, или кромка отверстия пересекает (полностью или частично) сварной шов (рисунок 4.1), то расчетный коэффициент прочности следует определять по формуле

В остальных случаях для расчетного коэффициента прочности должно выполняться условие

При наличии укрепленных отверстий в формулах следует принимать jc взамен jd.

Рисунок 4.1.

I-I - расчетное направление (для цилиндрической детали при расчете на внутреннее давление - продольная ось); II-II - средняя линия сварного соединения: III-III - направление расчетной нагрузки

4.1.3.6. Для бесшовных деталей расчетный коэффициент прочности j следует принимать равным коэффициенту прочности деталей, ослабленных отверстиями: jd или jc.

4.1.3.7. Для деталей, не имеющих отверстий, или с одиночным отверстием, размеры которого должны удовлетворять условию

или с рядами полностью укрепленных отверстий (jc=1), расчетный коэффициент прочности j следует принимать равным коэффициенту прочности сварного соединения .

4.1.3.8. Во всех случаях коэффициенты прочности j, jw, jc, а также  не должны приниматься более единицы.

Сварные соединения с коэффициентом прочности jw менее 0,5 не допускаются.

4.1.3.9. Линейным рядом отверстий (который для упрощения называется рядом отверстий) являются отверстия в количестве двух и более, расположенные в одном направлении (по одной линии) на поверхности детали. Отверстия, центры которых отстоят от указанного направления на 15° и менее, могут считаться входящими в ряд отверстий (рисунок 4.2).

Рисунок 4.2

Отверстие А в направлении слева направо входит в ряд отверстий, так как угол a<15°, и расчет допускается производить без учета угла как для продольного ряда.

Отверстие А в направлении справа налево не входит в продольный ряд отверстий, так как угол g>15°, и расчет производят как для косого ряда.

4.1.3.10. Рядом одиночных отверстий называется ряд отверстий, расстояния между кромками которых составляют не менее .

4.2. Коэффициенты прочности сварных соединений

4.2.1. Коэффициенты прочности стыковых соединений

4.2.1.1. Коэффициент прочности стыковых сварных соединений, выполненных любым допущенным способом (автоматической, полуавтоматической или ручной дуговой сваркой), обеспечивающим полный провар по всей длине стыкуемых элементов, при проведении контроля качества шва радиографией или ультразвуком по всей длине шва для продольного шва под давлением и поперечного шва при растяжении должен приниматься следующим:

для углеродистой, низколегированной марганцовистой, хромомолибденовой (в том числе 10CrMo910) и аустенитной сталей jw=1,0;

для хромомолибденованадиевой и высокохромистой сталей при ресурсе до 2×105 ч:

при электрошлаковой сварке jw=1,0;

при ручной дуговой сварке, контактной стыковой сварке, автоматической стыковой сварке под флюсом:

для расчетной температуры 510°С и менее jw=1,0;

для расчетной температуры 530°С и более jw=0,7;

при электронно-лучевой сварке:

для расчетной температуры 510°С и менее jw=1,0;

для расчетной температуры 530°С и более jw=0,9.

При расчетной температуре от 510 до 530°С значение коэффициента прочности сварного соединения jw определяется линейным интерполированием между указанными значениями коэффициента прочности.

4.2.1.2. Коэффициент прочности стыкового сварного соединения, контроль качества которого УЗД или радиографией допускается производить не по всей длине каждого шва, следует принимать равным значению, приведенному в п. 4.2.1.1 и умноженному на величину: 0,8 - при выборочном контроле не менее 10% длины данного шва; 0,7 - при отсутствии контроля или при выборочном контроле менее 10%.

4.2.1.3. При наличии смещения кромок сварных труб коэффициент прочности сварного соединения, определенный в соответствии с пп. 4.2.1.1 и 4.2.1.2, должен быть уменьшен пропорционально смещению кромок; например, при смещении кромок на 15% значение коэффициента должно быть умножено на 0,85.

4.2.1.4. Если направление нагрузки совпадает с направлением сварного шва или отличается от него на угол не более 15° (90-aw£.15°), то коэффициент прочности сварного соединения при расчете на данную нагрузку не учитывается. Так, при расчете на внутреннее давление цилиндрических деталей не учитывается поперечный шов, а при расчете на осевое усилие не учитывается продольный шов.

4.2.1.5. Усиление сварного шва при определении коэффициента прочности не учитывается.

4.2.1.6. Если сварное соединение нагружено изгибающими нагрузками, то при определении изгибных напряжений, действующих в поперечном направлении сварного соединения, должны применяться коэффициенты прочности сварного соединения при изгибе jbw, значения которых для катаных и кованосверленых или центробежнолитых труб с механически обработанной внутренней поверхностью должны приниматься не более приведенных в таблице 4.2.

Таблица 4.2

Значения коэффициента jbw

Сталь

Трубы

катаные

механически обработанные

Аустенитная хромоникелевая и высокохромистая

0,6

0,7

Хромомолибденованадиевая при расчетной температуре:

 

 

510°С и менее

0,9

1,0

530°С и более

0,6

0,7

Углеродистая, марганцовистая и хромомолибденовая

0,9

1,0

Примечание. При расчетной температуре от 510 до 530°С коэффициент прочности сварного соединения при изгибе определяется линейным интерполированием между указанными значениями.

Если расчетная деталь изготовлена из листа, то значения коэффициентов прочности сварного соединения при изгибе допускается принимать по таблице 4.2 как для механически обработанных труб.

При изготовлении деталей из полуфабрикатов с полем допусков толщины стенки более 10% коэффициенты прочности сварного соединения при изгибе следует принимать по таблице 4.2 как для катаных труб.

4.2.1.7. Для хромомолибденованадиевых и высокохромистых сталей при расчетной температуре более 510°С и ресурсе 3×105 ч значения коэффициентов прочности должны быть уменьшены на 0,1 и составят 0,6 и 0,8 вместо 0,7 и 0,9 согласно п. 4.2.1.1 и 0,5 и 0,6 вместо 0,6 и 0,7 согласно п. 4.2.1.6. Для ресурса от 2×105 до 3×105 ч значения коэффициентов прочности сварного соединения определяются линейным интерполированием между указанными значениями.

4.2.2. Коэффициенты прочности угловых сварных соединений и соединений внахлестку

4.2.2.1. При расчете угловых и тавровых сварных соединений на все виды нагрузок (кроме сжатия) коэффициент прочности jw следует принимать не более 0,8 при контроле радиографией или УЗК по всей длине шва и не более 0,6 при выборочном контроле или при отсутствии контроля.

4.2.2.2. При расчете сварных соединений внахлестку на все виды нагрузок коэффициент прочности jw, следует принимать не более 0,6.

4.3. Коэффициенты прочности, учитывающие наличие отверстий

4.3.1. Диаметр отверстия

4.3.1.1. При определении коэффициентов прочности jd или jc диаметр отверстия для каждого расчетного сечения следует принимать:

для отверстий, в которых трубы развальцованы или приварены к наружной поверхности детали без расточки гнезда или с углублением для установки штуцера менее 30% толщины стенки или с углублением 30% и более, но с обеспечением полного проплавления толщины стенки штуцера и заполнением гнезда наплавленным металлом, а также для лючковых отверстий - равными диаметру отверстия в соответствии с рисунком 4.3;

для отверстий, имеющих по толщине стенки расточки с несколькими разными диаметрами, например с тремя диаметрами согласно рисунку 4.4. - равными условному диаметру, определенному по формуле

где i=1, 2, 3, ..., n. В случае, если штуцер устанавливается в гнезде с полным проплавлением на глубину не менее h3, расчет условного диаметра отверстия dy допускается производить по значениям двух расточек (d1, h1 и d2, h2);

для овальных отверстий - равными размеру отверстия в направлении ряда, рассматриваемого при определении коэффициента прочности;

для соседних отверстий ряда, имеющих разные диаметры, - равными среднеарифметическому значению диаметров;

Рисунок 4.3. Типы соединения труб (штуцеров) с расчетной деталью

а - отверстие с завальцованной трубой (штуцером); б - отверстие с приварным штуцером (трубой) без полного проплавления толщины стенки штуцера (конструктивный зазор); в - отверстие с приварным штуцером (трубой) при полном проплавлении толщины стенки штуцера; г - отверстие с приварным штуцером (трубой) при полном проплавлении толщины стенки расчетной детали

Рисунок 4.4. Отверстие с различными диаметрами по толщине стенки

для цилиндрических деталей и выпуклых днищ с отбортованным внутрь или наружу воротником или с вытянутой горловиной - равными эквивалентному диаметру, определенному по формуле

где r - радиус закругления воротника или горловины по внутренней поверхности (по отношению к отверстию), мм (рисунок 4.5, 4.6); должно быть r³5 мм;

для отверстий, имеющих резьбу, - равными среднему диаметру резьбы.

Рисунок 4.5. Вытянутая горловина

Рисунок 4.6. Отбортованный воротник

4.3.1.2. Снятие фасок или скругление кромок с внутренней поверхности детали допускается не учитывать.

4.3.1.3. Если одиночное отверстие в барабане, коллекторе или коническом переходе имеет форму, отличающуюся от круговой с максимальным размером d1, расположенным под углом w к продольному направлению, то при расчете коэффициента прочности или укрепления отверстия за расчетный диаметр одиночного отверстия должно приниматься наибольшее из следующих значений:

размера, расположенного в продольном направлении;

размера, приведенного к продольному направлению и определенного по формуле

При эллиптической (или близкой к ней овальной) форме отверстия с максимальным размером d1 и с минимальным d2 (рисунок 4.7) за расчетный диаметр одиночного отверстия должно приниматься наибольшее из следующих значений, определяемых по формулам:

d = di cos2 соsin2 со или d = di/l -0.75 sin4 си.

Для одиночных отверстий некруговой формы, расположенных в выпуклых днищах, за расчетный диаметр отверстия следует принимать наибольший размер независимо от его направления.

Рисунок 4.7

4.3.2. Коэффициент прочности деталей с одиночным отверстием

4.3.2.1. Одиночным следует считать отверстие, кромка которого удалена от кромки ближайшего отверстия на расстояние не менее .

4.3.2.2. Коэффициент прочности цилиндрической детали или выпуклого днища, ослабленных одиночным неукрепленным отверстием, следует определять по формуле

где

4.3.2.3. Коэффициент прочности цилиндрической детали или выпуклого днища, ослабленных одиночным укрепленным отверстием, следует определять по формуле

Величину коэффициента следует определять согласно п. 4.3.2.2.

Сумму компенсирующих площадей  следует определять согласно п. 4.3.6.

4.3.2.4. Если деталь ослаблена рядом одиночных отверстий, то за расчетный коэффициент прочности следует принимать наименьшее из значений коэффициентов прочности для одиночного отверстия согласно пп. 4.3.2.2 и 4.3.2.3, а для ряда отверстий согласно пп. 4.3.3 - 4.3.7.

4.3.3. Коэффициент прочности цилиндрических деталей, ослабленных неукрепленными отверстиями

4.3.3.1. Коэффициент прочности деталей, ослабленных продольным рядом или коридорным полем отверстий с одинаковым шагом, следует определять по формуле

4.3.3.2. Коэффициент прочности цилиндрической детали, ослабленной поперечным рядом или полем отверстий с одинаковым шагом, следует определять по формуле

4.3.3.3. При шахматном равномерном расположении отверстий должны быть вычислены три значения коэффициента прочности:

в продольном направлении (для шага t=2а) - по п. 4.3.3.1;

в поперечном направлении (для шага t1=2b) - по п. 4.3.3.2;

в косом направлении - по формуле

где m=b/a.

Окончательным должно приниматься наименьшее из трех найденных значений.

4.3.3.4. Если деталь ослаблена рядом, состоящим из двух неукрепленных отверстий с расстоянием между их кромками менее , то коэффициент прочности следует принимать по формуле

Для ряда из четырех отверстий (рисунок 4.8), в котором минимальное значение коэффициента прочности jmin имеет место у средней пары отверстий, а по обоим направлениям от этих двух отверстий располагаются отверстия на расстояниях, определяемых коэффициентами прочности j1 и j2, значения которых удовлетворяют условию j1>j2³jod, расчетный коэффициент прочности допускается определять по формуле

Рисунок 4.8. Ряд из четырех отверстий с неравномерным шагом

Примечание. При разных значениях диаметров соседних отверстий, различной их форме или наличии расточек следует руководствоваться п. 4.3.1.1.

Для ряда из трех отверстий, расположение которых удовлетворяет указанным выше условиям jmin<jod и j³jod, расчетный коэффициент прочности допускается определять по формуле

Если условие для коэффициентов прочности j1 и j2 или для одного из них не соблюдается, т.е. j1 и j2<jod, то расчетный коэффициент прочности следует определять по минимальному значению с учетом указаний пп. 4.3.2.4, 4.3.3.1 - 4.3.3.3, 4.3.3.6, 4.3.3.7.

Коэффициент прочности jmin для ряда с тем же шагом следует определять по пп. 4.3.3.1 - 4.3.3.3 соответственно.

4.3.3.5. Для деталей, ослабленных отверстиями с неравномерным шагом, расчетный коэффициент прочности jd должен приниматься равным минимальному значению коэффициента прочности, вычисленному по отверстиям данного ряда.

4.3.3.6. Если деталь из углеродистой стали ослаблена рядом из трех неукрепленных отверстий с неравномерным шагом, то коэффициент прочности допускается принимать равным среднеарифметическому значению из коэффициентов прочности для каждого шага:

При косом несимметричном расположении отверстий коэффициенты прочности jmin и jmax должны вычисляться по формуле, приведенной в п. 4.3.3.3 соответственно при а=а1 и а=а2. Кроме того, должен быть вычислен коэффициент прочности в продольном направлении для шага t=а1+a2 и должно быть окончательно принято наименьшее из значений для продольного шага или для несимметричного косого ряда.

Приведенный коэффициент прочности для ряда с неравномерным шагом, вычисленный по формуле данного пункта, не должен приниматься больше коэффициента прочности для ряда из двух отверстий, определенного согласно п. 4.3.3.4.

4.3.3.7. Если деталь из углеродистой стали ослаблена рядом с неравномерным периодически повторяющимся шагом, то коэффициент прочности следует определять как наименьшее из двух значений: среднеарифметического коэффициента прочности согласно п. 4.3.3.6 для наихудшего сочетания двух соседних шагов и коэффициента прочности для двух смежных отверстий с минимальным шагом согласно п. 4.3.3.4.

4.3.3.8. Если деталь ослаблена рядом отверстий одинакового диаметра, частично укрепленных приваренными штуцерами, то величина коэффициента прочности должна определяться по формуле

Величину коэффициента прочности jd следует определять согласно пп. 4.3.3.1 - 4.3.3.5.

Сумму компенсирующих площадей Sf, отнесенную к одному отверстию ряда, следует определять согласно п. 4.3.6.

4.3.3.9. Коэффициенты прочности детали с отверстиями равномерного или неравномерного ряда не должны превышать значения коэффициента прочности, определенного для одиночного отверстия данного ряда.

4.3.3.10. Если между отверстиями в расчетном сечении имеет место расточка или выборка металла, а также изменение толщины стенки за счет скоса внутренней или наружной поверхности, коэффициент прочности следует определять по общему правилу как отношение площади металла в сечении между кромками отверстий F0 к полной площади между центрами отверстий Ft. В общем случае расчетный коэффициент прочности jd следует определять по формуле

4.3.3.11. Коэффициенты прочности цилиндрической детали при различных вариантах расположения отверстий следует определять по таблице 4.3 с учетом требований п. 4.3.3.9.

4.3.3.12. Для криволинейных коллекторов расчет расстояний между центрами соседних отверстий как в продольном, так и в поперечном направлениях должен производиться по среднему радиусу поперечного сечения коллектора.

4.3.3.13. Для криволинейных коллекторов с кривизной R/Da£5 следует выявить значение расчетного коэффициента прочности, определяющего наименьшую величину номинальной толщины стенки с учетом требований п. 3.3.

Таблица 4.3

Вариант

Характеристика расположения отверстий

Эскизы вариантов ослабления детали отверстиями

Формулы

 

1

Косой ряд с равными шагами

 

При m>5 рекомендуется применять формулу

 

 

где n=1/m=a/b, m=b/a

 

2

Ряд отверстий с разными шагами (из углеродистой стали):

Наименьшее из двух значений: среднеарифметического для наихудшего сочетания двух соседних шагов:

 

продольный

 

для двух смежных отверстий с минимальным шагом продольного, поперечного и косого расположения отверстий:

t=tmin - минимальный шаг

где

 

 

поперечный

 

где

t=t1min - минимальный шаг

 

косой

 

где

 

a1=amin - минимальный шаг

При m>5 - см. вариант 1

 

3

Зубчатый ряд с равномерным расположением отверстий:

 

 

 

продольный

Наименьшее из трех значений:

 

для продольного ряда с шагом t (см. п. 4.3.3.1)

 

для косого ряда при m=b/a (см. п. 4.3.3.3)

 

для двух смежных отверстий (см. п. 4.3.3.4)

 

поперечный

Наименьшее из трех значений:

 

для поперечного ряда, с шагом t1 (см. п. 4.3.3.2)

 

для косого ряда при m=b/a (см. п. 4.3.3.3)

 

для двух смежных отверстий (см. п. 4.3.3.4)

m=b/a

 

4

Зубчатый ряд с неравномерным расположением отверстий (из углеродистой стали):

Наименьшее из следующих значений:

наименьшего из определенных для продольных рядов I-I и II-II согласно п. 4.3.3.1;

наименьшего из определенных для двух соседних косых шагов:

где

 

продольный

 

 

наименьшего для двух смежных отверстий:

 

 

где jmin - наименьшее значение для косого ряда согласно варианту 1

 

4

поперечный

Наименьшее из следующих значений:

наименьшего из определенных для поперечных рядов I-I и II-II согласно п. 4.3.3.2;

 

наименьшего из определенных для двух соседних косых шагов:

 

 

где

 

 

наименьшего для двух смежных отверстий:

 

 

где jmin - наименьшее значение для косого ряда согласно варианту 1

 

5

Коридорное поле с неравномерным расположением отверстий

Наименьшее из двух значений:

для продольного ряда с разными шагами согласно варианту 2

для поперечного ряда с разными шагами согласно варианту 2

 

6

Поле с пилообразным расположением отверстий

Наименьшее из следующих значений:

 

для продольного ряда с шагом согласно п. 4.3.3.1

 

для поперечного ряда с шагом согласно п. 4.3.3.2

 

для косого ряда при m=b/a согласно п. 4.3.3.3

 

4.3.4. Коэффициент прочности выпуклых днищ

4.3.4.1. Для выпуклых днищ, имеющих кроме лаза другие отверстия, коэффициент прочности допускается определять по диаметру лазового отверстия, если удовлетворяются условия:

расстояние от кромки ближайшего отверстия до кромки лазового отверстия

расстояние между кромками любых других отверстий

где z - коэффициент, вычисляемый для лазового отверстия в выпуклом днище:

d1, d2 - диаметры отверстий в днище, кроме отверстия для лаза, мм.

4.3.4.2. Коэффициент прочности эллиптического, торосферического и полусферического днища, ослабленного одним неукрепленным лазовым отверстием, или при наличии других неукрепленных отверстий, если выполняются условия п. 4.3.4.1. следует определять согласие п. 4.3.2.

4.3.4.3. Коэффициент прочности эллиптического, торосферического и полусферического днища без лаза, а также с лазовым отверстием, если не выполняются условия п. 4.3.4.1. ослабленного двумя или несколькими отверстиями, должен определяться так же, как для продольного направления цилиндрической детали, независимо от направления отверстий в днище.

4.3.5. Наибольший допустимый диаметр неукрепленного отверстия

4.3.5.1. Наибольший допустимый диаметр неукрепленного отверстия в цилиндрических деталях и выпуклых днищах следует определять по формуле

где [jd] - минимальное допустимое значение коэффициента прочности детали, ослабленной отверстиями; определяется по соответствующей формуле для вычисления толщины стенки конкретной детали.

Для цилиндрических деталей, у которых номинальным является наружный диаметр:

если расчет производится по номинальной толщине стенки;

если расчет производится по фактической толщине стенки.

Для цилиндрических деталей, у которых номинальным является внутренний диаметр:

если расчет производится по номинальной толщине стенки:

если расчет производится по фактической толщине стенки.

Для эллиптических, торосферических и полусферических днищ

где с, c2 - суммарная и эксплуатационная прибавки, определяемые согласно разделам 1 и 3.

4.3.5.2. Используемое в расчетах значение наибольшего допустимого диаметра неукрепленного отверстия следует принимать (независимо от результатов расчета по формуле п. 4.3.5.1):

для цилиндрической детали не более внутреннего диаметра с учетом указания п. 4.3.8.7;

для выпуклого днища - не более 0,61 внутреннего диаметра;

для конической детали - не более внутреннего диаметра меньшего основания конического элемента.

4.3.6. Укрепление радиальных отверстий

4.3.6.1. Приводимая методика расчета укрепления отверстий применима, если отклонение оси штуцера от перпендикуляра к поверхности детали не превышает 15°.

4.3.6.2. Если диаметр отверстия превышает наибольший допустимый диаметр неукрепленного отверстия, определенный согласно подразделу 4.3.5, то должна быть увеличена толщина стенки детали или укреплено отверстие при помощи усиленных штуцеров, накладок, отбортовок или разными способами одновременно.

Неукрепленным следует считать отверстие, не имеющее усиливающих деталей в виде штуцера или трубы с толщиной стенки, превышающей необходимую по расчету на прочность на внутреннее давление, или приварной накладки, вытянутой горловины или отбортованного воротника. Использование других способов укрепления может быть допущено по согласованию со специализированными научно-исследовательскими организациями.

4.3.6.3. Сумма компенсирующих площадей Sf укрепляющих деталей должна удовлетворять условию

где fs - компенсирующая площадь штуцера, мм2;

fn - компенсирующая площадь накладки, мм2;

fw - компенсирующая площадь наплавленного металла сварных швов, мм2;

Рисунок 4.9. Укрепление отверстий

а - укрепление наружным штуцером; б - укрепление проходным штуцером; в - укрепление накладкой; г - укрепление вытянутой горловиной; s0b=s0s при одинаковой марке стали

для отбортованного наружу воротника в выпуклом днище или для вытянутой горловины цилиндрической детали, конструкция которых соответствует рисунку 4.9, г:

Для сварных швов, соединяющих штуцера или накладки с укрепляемой деталью, компенсирующая площадь fw принимается равной сумме площадей выступающих участков наплавленного металла без учета усиления шва в соответствии с рисунком 4.10, а, б, в.

Компенсирующая площадь шва накладки, удаленного от края отверстия на расстояние, превышающее  не должна учитываться в расчете.

При одновременном использовании двух штуцеров (наружного и вваренного с внутренней стороны) или двух накладок (наружной и внутренней) компенсирующая площадь этих деталей должна суммироваться.

Используемое при расчете значение высоты штуцера hs должно приниматься равным размеру по чертежу на конкретный штуцер, но не более определенного по формуле

При одновременном укреплении отверстия штуцером и накладкой высота укрепленной части штуцера hs принимается без учета толщины накладки.

Рисунок 4.10. Расчетная высота углового шва (Dmin)

а - шов наружного штуцера; б - шов утопленного штуцера; в - шов проходного штуцера

Используемое при расчете значение высоты штуцера hs1 или высоты воротника hb1 со стороны внутренней поверхности детали должно приниматься равным размеру по чертежу на конкретный штуцер или воротник, но не более определенного по формулам:

Используемое при расчете значение ширины накладки bn должно приниматься равным размеру по чертежу на конкретную накладку, но не более определенного по формуле

Если металл укрепляющей детали (штуцера или накладки) обладает меньшей прочностью, чем металл укрепляемой детали (барабана, коллектора, трубы, выпуклого днища), то компенсирующая площадь укрепляющей детали должна быть увеличена пропорционально отношению допускаемого напряжения укрепляемой детали к допускаемому напряжению укрепляющей детали.

Более высокая прочность укрепляющей детали в расчет не должна приниматься. Избыточная толщина штуцера (трубы) может учитываться в компенсирующей площади штуцера fs только в том случае, если штуцер приваривается швом с полным проваром толщины стенки барабана (коллектора, днища или самого штуцера).

Значения минимальных расчетных толщин штуцеров s0s при j=1 и с=0 следует определять по разделу 3.

4.3.6.7. При расчете укрепления двух отверстий, имеющих разные размеры укрепляющих деталей, компенсирующие площади fs, fn и fb следует определять по формулам п. 4.3.6.6 для каждой кромки отверстий, причем коэффициент 2 в указанных формулах следует заменить на 1. При определении суммы компенсирующих площадей Sf следует использовать среднеарифметическое значение площадей, вычисленных для каждой кромки.

4.3.6.8. Минимальные размеры сечения сварных швов Dmin, D1min, D2min (по ГОСТ 2601 - расчетные высоты углового шва), соединяющих приварные штуцера или накладки с расчетными деталями, должны удовлетворять следующим условиям:

для штуцеров в соответствии с рисунком 4.10, а, б

; во всех случаях Dmin³ss;

высота штуцера hs - по п. 4.3.6.6;

для накладок в соответствии с рисунком 4.9, в

Ширину накладки bn и ее наружный диаметр Dn следует принимать согласно рисунку 4.9, в. В формулах использованы значения коэффициентов прочности сварных соединений, значения которых указаны в п. 4.2.2.

4.3.7. Коэффициент прочности конических деталей

4.3.7.1. Коэффициент прочности конической детали, ослабленной одиночным отверстием, следует определять согласно пп. 4.3.2, 4.3.5 и 4.3.6 при условии, что средний диаметр детали должен приниматься по сечению, по которому проходит продольная ось отверстия или штуцера. Согласно рисунку 4.11 условный диаметр конической детали следует определять по формуле

где Bk - расстояние от точки пересечения продольных осей отверстия или штуцера с осью детали до условной точки пересечения продольной оси отверстия с внутренней образующей детали.

Рисунок 4.11. Коническая деталь

4.3.7.2. Коэффициент прочности конической детали, ослабленной поперечным рядом отверстий, следует определять согласно пп. 4.3.3.2, 4.3.3.8 и 4.3.3.9.

4.3.7.3. Коэффициент прочности конической детали, ослабленной продольным или косым рядом отверстий, следует определять согласно пп. 4.3.3.1, 4.3.3.3, 4.3.3.8 и 4.3.3.9 при условии, что во внимание принимаются два соседних отверстия, находящиеся на участке с наибольшими значениями диаметров детали.

4.3.7.4. Наибольший диаметр неукрепленного отверстия конической детали следует определять согласно п. 4.3.5 с учетом п. 4.3.7.1.

Минимальное допустимое значение коэффициента прочности конической детали должно определяться по формуле

где a - угол конусности, равный половине угла у вершины конической детали, градус;

Dk - внутренний диаметр наибольшего основания конической детали, мм.

4.3.7.5. Укрепление радиальных отверстий конической детали должно рассчитываться согласно п. 4.3.6 с учетом п. 4.3.7.1.

4.3.8. Требования к конструкции

4.3.8.1. Расчетные детали, имеющие неукрепленные и (или) укрепленные отверстия, а также ответвления и тройниковые соединения трубопроводов, должны удовлетворять требованиям к конструкции детали, обусловленным используемыми методами расчетов и приведенным в разделе 3.

4.3.8.2. Расстояние между центрами двух соседних отверстий одинакового диаметра, измеряемое по поверхности среднего диаметра расчетной детали, должно быть не менее 1,4 диаметра расчетного отверстия или 1,4 полусумм расчетных диаметров отверстий, если диаметры разные.

При расположении отверстий в один продольный или поперечный ряд допускается указанное расстояние уменьшить до 1,3 диаметра. При установке в этом ряду труб газоплотной мембранной панели с приваркой к поверхности коллектора труб и проставок между ними (или плавников) по всей протяженности стыкуемой с коллекторами панели расстояние между отверстиями допускается уменьшить до 1,2 диаметра отверстия.

Рекомендуется выполнять поверочный расчет на прочность с обоснованием ресурса эксплуатации, если расчетное значение коэффициента прочности jd£0,3.

Расстояние между кромками двух соседних отверстий на внутренней поверхности барабана, коллектора или днища должно быть не менее 5 мм.

4.3.8.3. Толщина стенки штуцера или накладки не должна превышать толщины стенки детали. Допускаются двухсторонние накладки.

Допускается применение штуцера или накладки толщиной до двух толщин детали, если это определяется технологией изготовления, но в укреплении отверстия это утолщение не должно учитываться.

4.3.8.4. Для выпуклых днищ расстояние от кромки отверстия до внутренней поверхности цилиндрического борта, измеряемое по проекции, должно быть не менее 0,1D. Допускается уменьшение этого расстояния по согласованию со специализированными научно-исследовательскими организациями.

Требование не распространяется на полусферические днища с радиальными штуцерами.

4.3.8.5. Расстояние от кромки отверстия в днище до начала закругления отбортованного воротника, измеряемое по проекции, должно быть не менее толщины стенки днища.

4.3.8.6. Расстояние от кромки отверстия конической детали до ближайшего цилиндрического основания по поверхности среднего диаметра должно быть не менее  где средний диаметр определяется согласно п. 4.3.7.1.

4.3.8.7. Максимальное значение диаметра отверстия в цилиндрической детали должно удовлетворять условию

Это ограничение не относится к коллекторам и тройниковым соединениям, у которых отверстие является вытянутой горловиной с высотой выступающей части не менее 10 мм.

Для сварных тройниковых соединений из углеродистых и низколегированных марганцовистых и кремнемарганцовистых сталей, работающих при температурах, при которых допускаемые напряжения не зависят от величины расчетного ресурса (см. таблицу 2.2 раздела 2), допускается увеличение диаметра отверстия, определяемого из соотношения

При этом следует выполнить поверочный расчет данного элемента на дополнительные нагрузки согласно п. 5.1.

4.4. Учет влияния нерадиальных отверстий

4.4.1. Общие положения

4.4.1.1. Под нерадиальными отверстиями или ответвлениями следует понимать отверстия или штуцера (трубы) расчетной детали, направления продольной оси которых отличаются от радиального направления более чем на 15°.

4.4.1.2. В данном разделе рассматриваются конструкции деталей, у которых угол отклонения продольной оси отверстия (ответвления) от радиального направления у не превышает 45°.

4.4.1.3. Расчетный диаметр отверстия следует принимать согласно п. 4.3.1, т.е. так же, как для радиальных отверстий.

4.4.1.4. Зону укрепления отверстия следует принимать по средней поверхности детали от наружной поверхности штуцера (в любом направлении). Длину указанной зоны b следует определять по формуле

4.4.1.5. Зону укрепления отверстия наружным штуцером или наружной частью пропущенного штуцера следует принимать по средней поверхности штуцера от наружной поверхности детали (точнее - от условной линии пересечения указанных поверхностей). Длину указанной зоны hs1 следует определять по формуле

4.4.1.6. Зону укрепления отверстия внутренней частью пропущенного штуцера следует принимать по средней поверхности штуцера от внутренней поверхности детали (точнее - от условной линии пересечения указанных поверхностей). Длину указанной зоны hs1 следует определять по формуле

4.4.2. Проверка толщины стенки тройниковых соединений

4.4.2.1. Выбранные размеры тройниковых соединений с нерадиальным ответвлением должны удовлетворять условию

Для наклонного штуцера, конструкция которого соответствует рисунку 4.12, следует проверить выполнение данного условия для обоих участков детали (левая и правая сторона на рисунке 4.12).

Рисунок 4.12. Схема детали с наклонным штуцером

Для тангенциального штуцера, конструкция которого соответствует рисунку 4.13, достаточно проверить выполнение указанного условия только на одном участке (правая сторона на рисунке 4.13).

Рисунок 4.13. Схема детали с тангенциальным вводом штуцера

4.4.2.2. Площадь нагружения Ар и площади сопротивления (А0 для детали, Аs для штуцера и An - для накладки) следует определять согласно рисункам 4.12 и 4.13..

Если наклонный штуцер располагается в плоскости под углом к продольной плоскости детали (в которой находится проекция продольной оси штуцера), то следует проверить выполнение условия, приведенного в п. 4.4.2.1, для каждой проекции сечения на продольное и поперечное сечения детали.

Рисунок 4.14. Схема кованого тройника

4.4.2.3. Для тройниковых соединений, конфигурация которых характеризуется плавными переходами от поверхности детали к ответвлению и которые, как правило, изготавливаются ковкой (рисунок 4.14) или литьем (рисунок 4.15), допускается вычисление площадей сопротивления производить по усредненным площадям прямоугольной конфигурации при условной толщине стенки s - с и ответвления ss-с.

4.4.2.4. При укреплении детали наружной накладкой в условии, приведенном в п. 4.4.2.1, следует принимать коэффициент m=0,7, для внутренней накладки m=0,3.

Рисунок 4.15. Схема литого тройника

Рисунок 4.16. Схема развилки

4.4.3. Проверка толщины стенки развилок.

4.4.3.1. Под развилками следует понимать тройниковое соединение Y-образного типа, предназначенное для разделения потока среды в трубе на два симметричных потока, направление которых располагается под углом b к продольному направлению основной трубы.

В настоящем подразделе рассматриваются конструкции развилок с углом 30°£b£60°.

4.4.3.2. Выбранные размеры развилок, конструкция которых соответствует рисунку 4.16, должны удовлетворять условию

Условие проверяется отдельно для каждого из указанных на чертежах участков Ар1 и Ар2, Аs1 и Аs2, А01 и А02.

Длина укрепляющих зон определяется согласно пп. 4.4.1.4, 4.4.1.5, 4.4.2.3.

4.4.3.3. Для сварных развилок толщина стенки по сварному соединению должна превышать толщину стенки основного металла по данному участку (сечению) развилки не менее чем на 20%.

5. МЕТОДИКА ПОВЕРОЧНОГО РАСЧЕТА НА ПРОЧНОСТЬ

5.1. Расчет барабанов, коллекторов и труб поверхностей нагрева на дополнительные нагрузки и малоцикловую усталость

5.1.1. Условные обозначения

5.1.1.1. В формулах раздела приняты условные обозначения, представленные в таблице 5.1.

Таблица 5.1

Символ

Название

Единица измерения

Qq

Осевое усилие от веса

Н

Qc

Осевое усилие от самокомпенсации теплового расширения

Н

Mb

Изгибающий момент

Н×мм

Mk

Крутящий момент

Н×мм

Mbq

Изгибающий момент от весовых нагрузок

Н×мм

Mbc

Изгибающий момент от самокомпенсации

Н×мм

Mkq

Крутящий момент от весовых нагрузок

Н×мм

Mkc

Крутящий момент от самокомпенсации

Н×мм

f

Площадь поперечного сечения

мм2

W

Момент сопротивления поперечного сечения, коллектора или трубы (трубопровода)

мм3

jbw

Коэффициент прочности поперечного сварного соединения при изгибе

-

sj

Среднее окружное напряжение от внутреннего давления

МПа

sz

Суммарное среднее осевое напряжение

МПа

spz

Среднее осевое напряжение от внутреннего давления

МПа

szz

Осевое напряжение от осевой силы

МПа

sb

Напряжение изгиба

МПа

spr

Среднее радиальное напряжение от внутреннего давления

МПа

s1, s2, s3

Главные нормальные напряжения в расчетном сечении детали

МПа

seq

Эквивалентное напряжение от весовых нагрузок и внутреннего давления

МПа

seqc

Эквивалентное напряжение от весовых нагрузок, самокомпенсации и внутреннего давления

МПа

t

Напряжение кручения

МПа

5.1.2. Дополнительные нагрузки

5.1.2.1. Поверочный расчет на прочность от дополнительных нагрузок производится для барабанов, коллекторов и труб поверхности нагрева после выбора основных размеров.

Дополнительные нагрузки - изгибающие моменты, осевые усилия и крутящие моменты от веса и самокомпенсации - определяются отдельными расчетами.

5.1.2.2. Поверочный расчет на прочность барабанов и коллекторов от весовых нагрузок производится с учетом следующих положений:

при определении изгибающего момента Мbq барабан и коллектор рассматриваются как балка, свободно лежащая на опорах. При незначительных местных нагрузках изгибающий момент вычисляется в предположении равномерного распределения нагрузки по длине барабана и коллектора;

поверку напряжений изгиба в барабанах и коллекторах следует производить в случаях, когда наружный диаметр барабана или коллектора не превышает 800 мм и расстояние между опорами превышает 6 м или когда на барабан или коллектор передаются значительные дополнительные усилия: вес присоединенных к коллектору деталей, реакции трубопроводов и реакции струи при открытии предохранительных клапанов.

5.1.3. Расчетные напряжения

5.1.3.1. Среднее окружное напряжение от внутреннего давления следует определять по формуле

Коэффициент прочности j при наличии отверстий или сварных швов должен приниматься с наименьшим значением для каждого расчетного сечения согласно разделу 4.

5.1.3.2. Суммарное среднее осевое напряжение от внутреннего давления, осевой силы и изгибающего момента определяется по формуле

где среднее осевое напряжение от внутреннего давления

среднее осевое напряжение от осевой силы

Коэффициент прочности при наличии отверстий и поперечного сварного соединения принимается равным меньшему значению коэффициента прочности в поперечном направлении или коэффициента прочности поперечного сварного соединения.

Осевое напряжение от изгибающего момента

Для барабанов или коллекторов следует выявить наиболее ослабленное сечение, обусловленное наибольшим изгибающим моментом Mb, наименьшим моментом сопротивления W или наименьшими коэффициентами прочности j и jbw.

5.1.3.3. Среднее радиальное напряжение от внутреннего давления определяется по формуле

5.1.3.4. Напряжение кручения определяется по формуле

5.1.3.5. Напряжения определяются по номинальной толщине стенки, выбранной при расчете на внутреннее давление.

5.1.3.6. При определении напряжений от весовых нагрузок в формулы подставляются усилия Qq и моменты Mbq, Mkq, а при определении напряжений от действия весовых нагрузок и самокомпенсации в формулы подставляются суммарные усилия Qq+Qc и моменты Мbqbc, Mkq+Mkc.

5.1.3.7. Для расчетного сечения цилиндрических барабанов, коллекторов и труб вычисляются три главных нормальных напряжения s1, s2, s3, которые представляют собой алгебраическую сумму действующих в одном направлении напряжений от приложенных к расчетному сечению нагрузок.

Главные напряжения вычисляются по следующим формулам:

при наличии крутящего момента

при отсутствии крутящего момента

s1=sj; s2=sz; s3=sr, если sj>sz>sr;

s1=sz; s2=sj; s3=sr, если sz>sj>sr;

Для обеспечения условия s1>s2>s3 индексы при обозначениях главных напряжений окончательно устанавливаются после определения численных значений напряжений sj и sz.

5.1.3.8. Эквивалентные напряжения seq и seqc для расчетного сечения цилиндрического барабана, коллектора и трубы принимаются разными:

seq=s1-s3,

где s1 и s3 определены по весовым нагрузкам Qq, Mbq и Мkq;

seqc=s1-s3,

где s1 и s3 определены по суммарным нагрузкам Qq+Qc,Mbq+Mbc и Мkq+Мkc.

5.1.4. Допускаемое эквивалентное напряжение

5.1.4.1. Величина эквивалентного напряжения в цилиндрических барабанах, коллекторах и трубах от действия внутреннего давления и весовых нагрузок должна удовлетворять условию

5.1.4.2. Величина эквивалентного напряжения в трубах от действия внутреннего давления, весовых нагрузок и самокомпенсации тепловых расширений должна удовлетворять условию

Для труб, расчетные температуры которых обуславливают использование для определения допускаемых напряжений кратковременных характеристик пределов прочности и текучести, допускается несоблюдение указанного условия, если поверочный расчет на усталость по подразделу 5.2 показывает, что заданное число циклов рассчитываемой детали меньше допустимого.

5.1.5. Расчет на малоцикловую усталость

5.1.5.1. Условные обозначения

5.1.5.1.1. В формулах приняты условные обозначения, представленные в таблице 5.2.

Таблица 5.2

Символ

Название

Единица измерения

s

Приведенное напряжение от внутреннего давления

МПа

[s]

Номинальное допускаемое напряжение

МПа

sc

Максимальное местное расчетное напряжение, определенное с учетом ползучести

МПа

seq, seqc

Эквивалентные напряжения соответственно от весовых нагрузок и внутреннего давления и суммарное от весовых нагрузок, самокомпенсации и внутреннего давления

МПа

sr/t

Условный предел длительной прочности при растяжении

МПа

sa

Расчетная амплитуда напряжений

МПа

[sa]

Допускаемая амплитуда напряжений, определенная по расчетным кривым малоцикловой усталости

МПа

[sa*]

Допускаемая амплитуда напряжений

МПа

si

Главные условно-упругие напряжения в расчетной точке детали (i= 1, 2, 3)

МПа

seij

Эквивалентные напряжения (i, j=1, 2, 3)

МПа

Dseij

Размах эквивалентных напряжений

МПа

[smax ], [smin]

Допускаемые напряжения, соответствующие температуре, при которой достигаются максимальные и минимальные эквивалентные напряжения

МПа

Et

Модуль упругости, соответствующий максимальной температуре цикла

МПа

E max, Emin

Модули упругости, соответствующие температуре, при которой достигаются максимальные и минимальные эквивалентные напряжения

МПа

N

Число циклов нагружения

-

Nt

Число циклов нагружения данного типа

-

[N]

Допускаемое число циклов нагружения по расчетным кривым малоцикловой усталости

-

[N*]

Допускаемое число циклов

-

Dc

Параметр, характеризующий допускаемое повреждение при совместном действии усталости и ползучести

-

m

Показатель степени в уравнении длительной прочности

-

l

Количество различных номинальных режимов

-

ti

Длительность работы при данных параметрах, включая время пуска и останова

ч

t0

Расчетный ресурс эксплуатации

ч

5.1.5.2. Общие положения

5.1.5.2.1. Расчет на малоцикловую усталость является поверочным и выполняется после выбора основных размеров детали.

5.1.5.2.2. Поверочный расчет производится с учетом всех нагрузок (основных и дополнительных) для всех расчетных режимов работы.

5.1.5.2.3. Расчетные кривые малоцикловой усталости приведены для материалов, допущенных к применению Госгортехнадзором России и перечисленных в таблицах 2.2, 2.3, 2.4 раздела 2.

5.1.5.2.4. Методика применима для расчета деталей, работающих при малоцикловой усталости во всем диапазоне изменения расчетных температур. Уровень температур, обуславливающих необходимость учета ползучести, устанавливается согласно разделу 2.

5.1.5.2.5. Поверочный расчет на малоцикловую усталость допускается не производить, если повреждаемость от действия всех видов нагрузок удовлетворяет одновременно двум условиям:

                          

При расчете величины [N]i в этом случае амплитуды напряжений принимаются равными:

 - для циклов пуск-останов;

 - для циклов колебания давления с размахом Dp не менее 30% р (исключая пуск-останов);

 - для температурных циклов всех видов, где Dt - перепад температуры по толщине стенки, периметру и длине детали, включая колебания температуры среды во времени.

Суммарное эквивалентное напряжение seqc определяется для номинального режима эксплуатации.

5.1.5.2.6. Расчет напряжений в элементах котлов и трубопроводов производится по методикам, изложенным в разделах 6, 7, 8, 9 и 10.

Допускается использование других расчетных методик, а также экспериментальных значений напряжений, определенных в условиях, соответствующих условиям эксплуатации.

5.1.5.3. Переменные нагрузки

5.1.5.3.1. За цикл нагружения принимается повторяющееся изменение нагрузки (как силовой, так и температурной) от первоначального значения до максимального (минимального) и возврат к первоначальной нагрузке. Цикл нагружения характеризуется амплитудой напряжения, числом циклов нагружения и уровнем максимальной температуры цикла.

5.1.5.3.2. При расчете на усталость учитываются следующие нагружающие факторы:

изменение давления при пуске-останове котла;

колебания рабочего давления при эксплуатации (более 15% от номинального значения);

изменение внешних нагрузок при эксплуатации (весовые нагрузки, наддув и т.п.);

температурные перепады при пуске-останове котла, включая компенсационные нагрузки при тепловых расширениях трубопроводов;

дополнительные перепады температур, вызывающие колебания температуры среды или теплового потока при эксплуатации.

5.1.5.4. Переменные напряжения

5.1.5.4.1. Расчет на усталость основывается на условно-упругих напряжениях, действующих в выбранной точке рассчитываемой детали, где ожидаются наибольшие напряжения. Расчет производится для всех основных этапов эксплуатации: пуска, рабочего режима, останова.

5.1.5.4.2. Для каждой выбранной точки детали определяют три главных нормальных напряжения s1, s2, s3, представляющих собой алгебраическую сумму действующих в одном направлении напряжений от всех приложенных в данный момент нагрузок с учетом местных концентраторов напряжений (отверстий, галтелей и т.п.). Значения коэффициентов концентрации следует принимать по расчету напряжений в соответствии с п. 5.1.5.2.6.

Примечание. До разработки соответствующей методики расчета для барабанов и коллекторов коэффициент концентрации окружных напряжений от действия внутреннего давления на кромках цилиндрических отверстий допускается принимать равным 3, для выпуклых днищ 2,2, а коэффициент концентрации окружных и осевых напряжений от действия температурного перепада по толщине стенки для цилиндрических и сферических деталей равным 2,0.

5.1.5.4.3. Для цилиндрических деталей главные нормальные напряжения si определяются в соответствии с подразделом 5.1.

5.1.5.4.4. По значениям главных нормальных напряжений определяют эквивалентные напряжения для расчетных точек детали в заданные моменты времени как алгебраическую разность главных нормальных напряжений:

5.1.5.4.5. Напряжения, вызываемые технологическими отклонениями при изготовлении детали (разностенность труб, смещение кромок и т.п.), не учитываются, если величина отклонений не превышает нормы, установленной в Правилах Госгортехнадзора.

5.1.5.5. Размах и амплитуда переменных напряжений

5.1.5.5.1. Для каждого цикла нагружения существуют режимы, при которых принимают максимальные и минимальные значения величины:

          

В расчет вводится размах условно-упругих эквивалентных напряжений Dseij, равный наибольшему значению:

5.1.5.5.2. Расчетная амплитуда напряжений принимается наибольшей из следующих величин, определяемых по формулам:

5.1.5.5.3. Если деталь подвергается действию циклов разного типа, то величина расчетной амплитуды sa определяется отдельно для каждого типа цикла.

5.1.5.6. Допускаемая амплитуда переменных напряжений

5.1.5.6.1. Для оценки допускаемой амплитуды переменных напряжений [s*a] при заданном числе циклов N или допускаемого числа циклов [N*] при заданной амплитуде напряжений sa используется принцип суммирования повреждений в виде

где m определяется согласно подразделу 2.6.

Значения параметра Dc приведены на рисунке 5.1. Рекомендуется принимать sr/t=1,5[s].

Рисунок 5.1. Суммарная повреждаемость как функция от повреждаемости, вызванной ползучестью

5.1.5.6.2. Допускаемая амплитуда переменных напряжений [sa] для заданного числа циклов N или допускаемое число циклов [N] для заданной амплитуды переменных напряжений sa без учета влияния повреждения от ползучести определяются по кривым малоцикловой усталости, приведенным на графиках для максимальной температуры цикла (рисунки 5.2, 5.3, 5.4).

Рисунок 5.2. Расчетные кривые малоцикловой усталости углеродистых сталей

Рисунок 5.3. Расчетные кривые малоцикловой усталости низколегированных сталей марок 12Х1МФ, 15Х1М1Ф, 12МХ и 15ХМ

Рисунок 5.4. Расчетные кривые малоцикловой усталости аустенитных хромоникелевых сталей

Расчетные кривые откорректированы с целью учета влияния среднего напряжения (асимметрии цикла). Поскольку при испытаниях, по результатам которых построены усталостные кривые, не учитывалось влияние коррозии при нарушениях водного режима и консервации котлов и трубопроводов, влияние этих факторов должно учитываться введением дополнительного коэффициента запаса по напряжениям не менее 4 или по долговечности не менее 50.

5.1.5.6.3 При максимальных температурах металла, отличающихся от приведенных на графиках (см. рисунки 5.2, 5.3, 5.4), допускаемая амплитуда напряжений [sa] или допускаемое число циклов [N] определяются линейной интерполяцией; экстраполяция кривых не допускается.

5.1.5.6.4 Расчетное напряжение при ползучести sc представляет собой максимальное главное нормальное напряжение, определенное с учетом пластичности и ползучести материала при номинальном режиме эксплуатации.

Примечание. До разработки соответствующей методики расчета барабанов и коллекторов допускается принимать sc наибольшим из значений, вычисленных по формулам:

              

где K=1,4 при    

К=1,5 при            

Значения seq и seqc следует определять, принимая значения коэффициента ослабления отверстиями j=1.

5.1.5.6.5. Если 1,25(sc/st/e)³1, то допускается не более 1000 расчетных циклов пуск-останов; если 1,25(sc/st/e)£0,5, то повреждаемость от ползучести не учитывается.

5.1.5.6.6. Если в расчетной точке детали имеются сварные швы, то допускаемое число циклов уменьшается в два раза по сравнению с полученным по кривым малоцикловой усталости при отсутствии швов.

5.1.5.6.7. Если деталь подвергается циклам нагружения различного типа при неизменных значениях параметров номинального режима, то для оценки долговечности следует использовать формулу

Если в процессе работы значения температуры и нагрузок при номинальном режиме изменяются, то для оценки долговечности следует использовать формулу

где

5.1.5.6.8. Если заданное число циклов менее 1000, то расчет рекомендуется производить на 1000 циклов.

5.2. Расчет трубопроводов пара и горячей воды на дополнительные нагрузки и малоцикловую усталость

5.2.1. Общие положения

5.2.1.1. Предполагается, что рабочие параметры транспортируемой среды в течение полного срока службы трубопровода не изменяются.

Для выполнения расчета прочности трубопровода необходимо предварительно определить возникающие в нем внутренние силовые факторы. Применяющиеся для этой цели методики и программы основываются на различных классических и специальных методах раскрытия статической неопределимости.

5.2.1.2. Предусматривается выполнение расчета прочности трубопровода как на статическое, так и на циклическое нагружение. Предусмотрены различные требования к расчетам высокотемпературных и низкотемпературных трубопроводов. К высокотемпературным относятся трубопроводы из углеродистых, низколегированных марганцовистых, хромомолибденовых и хромомолибденованадиевых сталей, эксплуатирующихся при температуре среды в них выше 370°С, и трубопроводы из аустенитных марок сталей, эксплуатирующихся при температуре среды в них выше 450°С. Остальные трубопроводы относятся к низкотемпературным.

5.2.1.3. Расчет низкотемпературных трубопроводов на статическое нагружение производится по формулам, полученным по методу предельного состояния (формулы для расчета трубопровода на совместное действие давления, весовой нагрузки и рабочих нагрузок промежуточных опор). Расчет таких трубопроводов на циклическое нагружение производится по методике, основанной на исследованиях в области малоцикловой усталости и учитывающей результаты экспериментального исследования разрушения элементов трубопровода при циклическом нагружении (формулы для расчета на совместное действие давления, самокомпенсации и усилий сопротивления промежуточных опор).

5.2.1.4. Расчет высокотемпературных трубопроводов на совместное статическое нагружение давлением, весовой нагрузкой и усилиями опор в рабочем состоянии также выполняется по формулам предельного состояния. Для расчета таких трубопроводов на статическое действие всех нагружающих факторов в рабочем состоянии применяется метод максимальных напряжений при учете релаксации напряжений самокомпенсации. Цикличность нагружения высокотемпературных трубопроводов учитывается в расчете недопущением пластических перегрузок в холодном и рабочем состоянии.

5.2.2. Условные обозначения

5.2.2.1. В формулах приняты обозначения, представленные в таблице 5.3.

Таблица 5.3

Символ

Название

Единица измерения

r

Средний радиус поперечного сечения

мм

R

Радиус оси криволинейной трубы

мм

A

Начальная эллиптичность (овальность) поперечного сечения трубы (отношение разности максимального и минимального наружных диаметров сечения к их полусумме)

%

F

Площадь поперечного сечения трубы

мм

W

Момент сопротивления трубы изгибу

мм

l

Безразмерный геометрический параметр

-

q*

Угол между крайними сечениями криволинейной трубы

град.

tн

Температура нагрева участка трубопровода

°С

tр.ф, tх.ф

Фиктивные температуры нагрева, принимаемые в расчетах для рабочего и холодного состояния

°С

Мх, My, Мz

Изгибающие и крутящий моменты в сечении трубопровода

Н×мм

Nz

Осевая сила в сечении трубопровода, возникающая под действием весовой нагрузки и самокомпенсации температурных расширений

Н

w

Безразмерный параметр внутреннего давления

 

Ep

Модуль упругости материала при рабочей температуре

МПа

Eх

То же, в холодном состоянии

МПа

kp

Коэффициент податливости криволинейной трубы, учитывающий влияние внутреннего давления (отношение податливости на изгиб криволинейной и прямолинейной труб одинакового сечения и одинакового материала)

-

k*p

Коэффициент податливости криволинейной трубы, учитывающий влияние внутреннего давления и сопряжения с прямолинейными трубами

 

gm

Коэффициент интенсификации изгибных поперечных напряжений в криволинейной трубе

-

bm

Коэффициент интенсификации изгибных продольных напряжений в криволинейной трубе

-

szMN,

Продольные напряжения от изгибающего момента и осевой силы

МПа

t

Напряжение кручения

МПа

c1

Допуск на утонение стенки трубы

мм

5.2.3. Этапы полного расчета трубопровода

5.2.3.1. Для оценки прочности трубопровода, а также для определения передаваемых им усилий на оборудование и перемещений его сечений при нагреве производится полный расчет трубопровода. Он складывается из ряда расчетов (этапов), каждый из которых выполняется на совместное действие определенного частного сочетания нагружающих факторов (таблица 5.4.).

Как видно из таблицы 5.4, оценка прочности не требуется:

для высокотемпературного трубопровода в расчете по этапу III;

для низкотемпературного трубопровода в расчетах по этапам II и IV.

5.2.3.2. На этапах I, II, Ш полного расчета внутреннее давление на участке трубопровода принимается равным максимальному рабочему давлению транспортируемой среды на этом участке.

5.2.3.3. Рабочая температура стенки участка трубопровода tр принимается равной максимальной рабочей температуре транспортируемой среды в пределах этого участка.

5.2.3.4. В расчете по этапу III в качестве температуры нагрева участка трубопровода принимается разность его температур в рабочем и холодном состоянии, т.е. tн=tр-tх. Значение коэффициента линейного расширения металла в расчете по этапу III принимается в зависимости от рабочей температуры tр.

5.2.3.5. Расчет по этапу I производится при нулевом значении температуры нагрева трубопровода (или при нулевом значении коэффициента линейного расширения) и нулевых значениях "собственных" смещений концевых защемленных сечений (эти смещения вызываются температурным расширением корпуса оборудования).

5.2.3.6. Расчет низкотемпературных трубопроводов по этапу II производится при введении значений действительной температуры нагрева участков tн.

Таблица 5.4

Этапы полного расчета трубопровода

Обозначение

Содержание этапа

Учитываемые нагружающие факторы для трубопроводов

Назначение этапа для трубопроводов

низкотемпературных

высокотемпературных

низкотемпературных

высокотемпературных

I

Расчет на действие весовой нагрузки

Внутреннее давление; весовая нагрузка; усилия промежуточных опор в рабочем состоянии (рабочие нагрузки опор)

Оценка статической прочности на совместное действие указанных нагружающих факторов

II

Расчет для рабочего состояния на совместное действие всех нагружающих факторов

Внутреннее давление; весовая нагрузка; усилия промежуточных опор в рабочем состоянии; температурное расширение (самокомпенсация); "собственные" смещения защемленных концевых сечений

 

Оценка статической прочности на совместное действие всех нагружающих факторов

Монтажная растяжка

Саморастяжка или монтажная растяжка

Определение усилий воздействия трубопровода на оборудование

Ш

Расчет на действие температурного расширения (на самокомпенсацию)

Внутреннее давление; температурное расширение; "собственные" смещения защемленных концевых сечений; усилия сопротивления промежуточных опор

Оценка усталостной прочности

 

Определение температурных перемещений (т.е. перемещений при переходе трубопровода из холодного состояния в рабочее)

IV

Расчет для холодного (нерабочего) состояния на совместное действие всех нагружающих факторов

Весовая нагрузка; усилия промежуточных опор (нагрузки опор в холодном состоянии)

 

Оценка прочности

Монтажная растяжка

Саморастяжка

Определение усилий воздействия трубопровода на оборудование

При расчете высокотемпературных трубопроводов по этапу II с целью оценки прочности допускается учет саморастяжки, обусловленной релаксацией напряжений самокомпенсации. В этом случае вместо значений действительной температуры нагрева вводятся значения фиктивной (условно заниженной) температуры нагрева, определяемые по формуле

где c - коэффициент усреднения компенсационных напряжений, принимаемый по рис.5.5 в зависимости от рабочей температуры tр.

При этом вводимые в расчет значения "собственных" смещений концевых сечений также должны быть уменьшены умножением на коэффициент 0,5c.

Во всех случаях расчет по этапу II производится при значениях коэффициента линейного расширения, соответствующих рабочей температуре участков tр.

Рисунок 5.5. Коэффициент усреднения компенсационных напряжений

5.2.3.7. Расчет по этапу IV низкотемпературных трубопроводов выполняется при нулевом значении температуры нагрева (или нулевом значении коэффициента линейного расширения).

Расчет по этапу IV высокотемпературных трубопроводов производится при введении в качестве значений температуры нагрева участков фиктивной отрицательной температуры, определяемой по формуле

где коэффициент d (коэффициент релаксации компенсационных напряжений) принимается по рисунку 5.6, а также при введении значений фиктивных "собственных" смещений концевых сечений, получающихся в результате умножения значений действительных смещений на величину d со знаком "минус". При этом принимаемые значения коэффициента линейного расширения должны соответствовать рабочей температуре tр.

Рисунок 5.6. Коэффициент релаксации компенсационных напряжений

5.2.3.8. Расчет по этапам I и II производится при модулях упругости материала, соответствующих рабочей температуре tр, а расчет по этапам III и IV - при модулях упругости, соответствующих температуре холодного состояния tх. Значение модуля упругости следует принимать согласно приложению.

5.2.3.9. Коэффициент линейного расширения материала следует принимать согласно приложению.

5.2.3.10. Расчеты по этапам I, II, IV выполняются при введении соответствующих значений усилий промежуточных упругих опор (их нагрузок в рабочем и холодном состоянии трубопровода).

Усилия сопротивления промежуточных упругих опор, учитываемые на этапе III полного расчета, возникают в результате деформирования трубопровода при нагреве.

Эти усилия (приращения нагрузок опор) автоматически учитываются, если расчет выполняется по схеме нагреваемого трубопровода, опирающегося на упругие опоры, причем в расчет вводятся фактические жесткости этих опор.

Воздействие на трубопровод опор скольжения и направляющих опор учитывается на всех этапах полного расчета трубопровода; при этом в точках установки опор вводятся жесткие связи, исключающие недопустимые опорой перемещения.

5.2.3.11. Величины сил трения, возникающих при перемещениях трубопровода от нагрева, при определении напряжений в низкотемпературных трубопроводах учитываются на этапе III, в высокотемпературных - на этапе II и при определении усилий на опоры и оборудование - на этапе II для всех трубопроводов.

5.2.3.12. Об учете монтажной растяжки в расчетах по этапам II и IV см. пп. 5.2.8.6 - 5.2.8.9.

5.2.3.13. Если трубопровод эксплуатируется не в единственном варианте температурного состояния всех его участков, то полный расчет его следует выполнять для того варианта температурного состояния, которому соответствуют наиболее тяжелые условия нагружения. Если такой вариант температурного состояния невозможно установить без полного расчета, то расчет выполняется для различных вариантов состояния.

5.2.3.14. Если трубопровод состоит из низкотемпературных и высокотемпературных участков, допускается расчет его прочности производить с учетом саморастяжки высокотемпературных участков (см. пп. 5.2.3.6 и 5.2.3.7).

5.2.4. Определение усилий воздействия трубопровода на оборудование

5.2.4.1. Усилия воздействия трубопровода на оборудование (нагрузки на оборудование), к которому он присоединен, определяются расчетами по этапам II (для рабочего состояния) и IV (для холодного состояния). Расчетом по этапу III определяются приращения усилий трубопровода при переходе его из холодного состояния в рабочее.

5.2.4.2. Если имеются результаты расчета трубопровода по этапу II с учетом саморастяжки по способу фиктивной температуры нагрева (см. п. 5.2.3.6) и если рабочая температура и материал всех его участков одинаковы, то передаваемые нагрузки на оборудование в рабочем состоянии могут быть определены по формуле

где  - какой-либо силовой фактор (вертикальная сила, момент в горизонтальной плоскости и т.д.) из совокупности искомых усилий;

XII - тот же силовой фактор, определяемый на этапе II расчета при введении коэффициента усреднения;

XI - тот же силовой фактор, вычисляемый на этапе I расчета.

В противном случае требуется выполнить специальный расчет высокотемпературного трубопровода по этапу II с введением температуры нагрева tн.

5.2.4.3. Если температура и материал всех участков низкотемпературного трубопровода одинаковы, усилия воздействия его на оборудование в холодном состоянии можно определить без выполнения расчета по этапу IV. При этом используется формула

где XIV - какой-либо силовой фактор из совокупности искомых усилий;

XII, XIII - тот же силовой фактор, вычисляемый на этапах II и III расчета.

5.2.4.4. Об учете монтажной растяжки см. пп. 5.2.8.6 - 5.2.8.10.

5.2.4.5. Допустимые нагрузки на оборудование устанавливаются заводом-изготовителем.

5.2.5. Определение коэффициента податливости криволинейных труб и секторных колен

5.2.5.1. При раскрытии статической неопределимости трубопровода учитывается повышенная податливость на изгиб криволинейных труб (рисунок 5.7) и секторных колен, для чего необходимо определять коэффициенты податливости этих элементов.

5.2.5.2. Коэффициент податливости криволинейной трубы k*p вычисляется как произведение коэффициента податливости kp, определяемого без учета стесненности деформации ее концов от влияния примыкающих прямолинейных труб, на коэффициент x, учитывающий эту стесненность деформации, т.е. k*p=kpx.

5.2.5.3. Для определения коэффициента податливости kp используется формула

                                                          (1)

Величина b вычисляется по следующим формулам:

                                       (2)

Параметры l и w вычисляются по формулам:

             

5.2.5.4. Для труб, значения l и w которых удовлетворяют условиям 1,6³l³0,1и w£0,001, коэффициент kp можно определять по формуле

5.2.5.5. Коэффициент можно определить по графику на рисунке 5.8 в зависимости от геометрического параметра трубы l, угла q* между крайними сечениями трубы и отношения радиусов R/r. Для промежуточных значений угла q* и отношения R/r коэффициент x определяется по методу линейной интерполяции, при этом значение для угла q*=0 принимается по формуле

При составлении программы расчета трубопроводов для вычисления коэффициента x можно использовать данные таблицы 5.5.

Таблица 5.5

Значения коэффициента x

l

Угол q*

60°

90°

60°

90°

R/r=2

R/r=4

0

0,25

0,42

0,37

0,58

0,40

0,62

0,77

0,73

0,88

0,60

0,73

1,00

0,82

0,91

1,65

1,00

 

1,00

1,00

 

R/r=6

R/r=8

0

0,47

0,65

0,55

0,70

0,20

0,67

0,85

0,74

0,88

0,40

0,81

0,93

0,85

0,95

1,65

1,00

1,00

1,00

1,00

Рисунок 5.7. Криволинейная труба

5.2.5.6. Для труб с l³2,2 можно принимать k*p=1.

Для труб, имеющих значение геометрического параметра l³1,65 или значение угла q*>90°, принимается k*p=1.

Рисунок 5.8. Коэффициент x

5.2.5.7. Для расчета трубопровода по этапу IV коэффициент податливости следует определять при р=0.

5.2.5.8. Коэффициент податливости колена, сваренного из прямолинейных секторов (секторного колена), определяется согласно указаниям пп. 5.2.4.2 - 5.2.4.7. При этом радиус вычисляется по формуле (рисунок 5.9)

где lср - длина сектора по центральной оси; qс - угол между его крайними сечениями.

Рисунок 5.9. Колено, выполненное сваркой из прямых секторов (секторное колено)

5.2.6. Определение напряжений

5.2.6.1. Напряжения определяются в концевых и промежуточных сечениях трубопровода. Внутренние силовые факторы (изгибающие моменты Мх, My, крутящий момент Mz и осевая сила Nz), принимаемые для расчета напряжений, определяются расчетом трубопровода по соответствующему этапу.

5.2.6.2. Определение напряжений на этапе I полного расчета

5.2.6.2.1. На этапе I полного расчета трубопровода определяются эффективные напряжения в его поперечных сечениях. Формулы, служащие для вычисления этих напряжений, получены по методу предельного состояния и характеризуют напряженное состояние поперечного сечения в целом.

5.2.6.2.2. Для поперечных сечений прямолинейных и криволинейных труб эффективное напряжение определяется по формуле

(см. также п. 5.2.6.2.3).

Приведенное напряжение от внутреннего давления вычисляется по формуле

                                                    (3)

Значение допуска на утонение стенки с1 принимается по техническим условиям на поставку труб, идущих на изготовление трубопровода.

Величина коэффициента прочности при ослаблении сварными соединениями jw принимается в соответствии с данными раздела 4.2 Норм.

Продольное напряжение от изгибающего момента и осевой силы и напряжение кручения вычисляются по формулам:

                                                                    (4)

Момент сопротивления W и площадь поперечного сечения F определяются по формулам:

Коэффициент прочности поперечного сварного стыка при изгибе jbw принимается в соответствии с разделом 4.2 Норм.

Коэффициент перегрузки kп принимается по п. 5.2.6.2.4.

5.2.6.2.3. Для криволинейных труб, геометрический параметр которых удовлетворяет условию l<1,4, дополнительно к расчету по п. 5.2.6.2.2 вычисляется эффективное напряжение по формуле

Значения величин W и Y принимаются по графикам на рисунках 5.10 и 5.11. Значение sпр определяется по формуле (3), а значение [s] - по данным раздела 2 Норм. При l³0,05 значение W можно определять также по формуле

Коэффициент перегрузки kn принимается согласно п. 5.2.6.2.4.

Рисунок 5.10. Коэффициент W.

Рисунок 5.11. Коэффициент Y

5.2.6.2.4. При выполнении расчета трубопровода без существенных упрощений (учтены все ответвления и опоры и т.д.) и при его монтаже по действующим инструкциям коэффициент перегрузки kn принимается равным 1,4.

Если дополнительно к указанным условиям производится специальная корректировка затяжки пружин промежуточных опор для учета отклонений фактических значений весовой нагрузки, жесткости пружин опор и температурных перемещений от принятых в расчете значений, а также выполняется наладка трубопровода, может быть принято kn=1,2.

Для несложных малогабаритных трубопроводов, когда не применяются промежуточные опоры, а напряжения от весовой нагрузки малы (не более 10 МПа), также можно принимать kn=1,2.

5.2.6.2.5. Для равнопроходного или почти равнопроходного тройникового узла (отношение наружного диаметра к меньшему не более 1,3) вычисляется приведенное напряжение по формуле п. 5.2.6.2.3, причем геометрический коэффициент трубы l в данном случае определяется как отношение толщины стенки к среднему радиусу поперечного сечения (l=s/r).

Расчет по настоящему пункту выполняется для сечений всех трубопроводных участков, сходящихся в данном тройниковом узле (рисунок 5.12).

Рисунок 5.12. Расчетные сечения тройникового узла

5.2.6.3. Определение напряжений на этапе II полного расчета

5.2.6.3.1. На этапе II полного расчета определяются эквивалентные напряжения, соответствующие наиболее напряженным точкам поперечных сечений трубопровода.

5.2.6.3.2. Для прямолинейных труб и криволинейных труб с l>1,0 используется формула

Напряжения sпр и t вычисляются соответственно по формулам (3) и (4), а напряжение szMN по формуле

                                         (5)

Коэффициент перегрузки kп принимается по п. 5.2.6.2.4, а коэффициент прочности сварного соединения при изгибе sbw - по данным раздела 4.2 Норм.

5.2.6.3.3. Для криволинейных труб (при любом значении) вычисления производятся по следующим четырем формулам:

      (6)

Для оценки прочности берется большее из четырех значений.

Величина Мэ определяется по формуле

где а - начальная эллиптичность (овальность) поперечного сечения, %; значение ее принимается согласно п. 5.2.5.8.

Изгибающий момент Мx действует в плоскости оси криволинейной трубы, а момент My - в плоскости, перпендикулярной к плоскости оси трубы (рисунок 5.13). Момент Мх считается положительным, если направлен в сторону увеличения кривизны оси трубы.

Рисунок 5.13. Изгибающие моменты в сечении криволинейной трубы

Коэффициент cэ используется для учета уменьшения напряжений, обусловленных начальной эллиптичностью сечения, вследствие ползучести. Его можно определять по формуле

причем c принимается по рисунку 5.9.

Коэффициент kn принимается согласно п. 5.2.5.2.4, а коэффициент k*п при Мх>0 и  принимается ; в остальных случаях k*п=kп.

Коэффициенты gm и bm определяются по п. 5.2.6.6. Напряжение sпр подсчитывается по формуле (5).

5.2.6.3.4. Для равнопроходного или почти равнопроходного тройникового узла (отношение большего наружного диаметра к меньшему не более 1,3) вычисляется эквивалентное напряжение по формуле

                      (7)

причем коэффициент gm находится по п. 5.2.6.6 в зависимости от геометрического параметра l, определяемого в данном случае как отношение толщины стенки к среднему радиусу поперечного сечения (l=s/r), и параметра w, определяемого по формуле

Расчет по формуле (7) выполняется для сечений всех трех трубопроводных участков, сходящихся в данном тройниковом узле (эти сечения показаны на рисунке 5.12).

Входящее в формулу (7) значение напряжения sпр определяется по формуле (3).

Подсчет sпр, W, F производится по геометрическим размерам, соответствующим расчетным сечениям. Значения силовых факторов принимаются в соответствии с рисунком 5.14.

Рисунок 5.14. Силовые факторы в поперечном сечении тройникового узла

5.2.6.4. Определение напряжений на этапе III полного расчета

5.2.6.4.1. На этапе III полного расчета определяются эквивалентные максимальные условные напряжения цикла  (размахи эквивалентных напряжений, соответствующие переходу трубопровода из холодного состояния в рабочее и обратно).

5.2.6.4.2. Для прямолинейных труб и криволинейных труб с l>1,0 применяется формула

                                        (8)

Напряжения sпр, t и szMN вычисляются соответственно по формулам (3), (4), (5).

5.2.6.4.3. Для криволинейных труб (при любом значении l) вычисления производятся по следующим формулам:

      (8а)

Для оценки прочности принимается наибольшее из значений, получаемых по этим формулам.

При Мх>0 (см. п. 5.2.6.3.3) и -  ; в остальных случаях k*п=kп.

Величины Mэ, gm, bm, sпр, kn, W определяются так же, как при расчете по формулам (6).

5.2.6.4.4. Для равнопроходного или почти равнопроходного тройникового узла (отношение большего наружного диаметра к меньшему не более 1,3) также производится расчет для сечений всех трех участков, сходящихся в тройниковом узле (рисунок 5.12), по формуле

                 (9)

Определение входящих сюда величин выполняется так же, как при вычислении их по формуле (7).

5.2.6.5. Определение напряжений на этапе IV полного расчета

5.2.6.5.1. На этапе IV полного расчета определяются эквивалентные напряжения, соответствующие наиболее напряженным точкам сечений трубопровода.

5.2.6.5.2. Для прямолинейных труб и криволинейных труб с l>1,0 используется формула

                                                          (10)

Значения t и szMN определяются по формулам ( 4 ) и ( 5 ).

5.2.6.5.3. Для криволинейных труб (при любом значении l) вычисления производятся по формулам:

     (10а)

Для оценки прочности берется большее из получаемых по этим формулам значений. Коэффициент cэ1 определяется по формуле

где c коэффициент, принимаемый по рисунку 5.2.

В случае, когда , принимается ; в противном случае k*п=kп.

Величины, входящие в приведенные формулы, определяются так же, как при расчете по формулам (6). Величина Мэ определяется при рабочем давлении.

5.2.6.5.4. Для равнопроходкого или почти равнопроходного тройникового узла (отношение большего наружного диаметра к меньшему не более 1,3) определяются также эквивалентные напряжения для сечений всех трех участков, сходящихся в тройниковом узле (см. рисунок 5.12), по формуле

                                    (11)

Определение входящих сюда величин выполняется так же, как при вычислении их по формуле (9); см. также п. 5.2.6.7.

5.2.6.6. Коэффициенты интенсификации напряжений gm и bm определяются по формулам:

Коэффициенты Аi2 вычисляются по следующим формулам:

Величины kp , а1, а2, а3, a4, b определяются по формулам (1) и (2).

5.2.6.7. Для расчета трубопровода по этапу IV коэффициенты gm и bm должны определяться при р=0.

5.2.6.8. В том случае, когда отсутствуют данные о фактической величине начальной эллиптичности сечений криволинейных труб, расчет напряжений в них по пп. 5.2.6.3.3, 5.2.6.4.3, 5.2.6.5.3 производится как при а=0, так и при возможном наибольшем значении а, принимаемом по техническим условиям на изготовление или по согласованию с заводом-изготовителем.

Если величина начальной эллиптичности а<3%, то в расчете напряжений эллиптичность не учитывается (в расчетных формулах применяется а=0).

Для низкотемпературных трубопроводов значение начальной эллиптичности сечения а следует принимать с увеличением в 1,8 раза.

5.2.6.9. Напряжения в секторных коленах с числом секторов более двух можно определять по приведенным формулам для криволинейных труб. При определении значения геометрического параметра l для секторного колена величина радиуса R вычисляется по п. 5.2.4.10.

5.2.7. Критерии прочности

5.2.7.1. Эффективные напряжения, вычисляемые на этапе I полного расчета трубопровода (пп. 5.2.6.2.1, 5.2.6.2.2, 5.2.6.2.3), должны удовлетворять условию

Напряжение [s] определяется по данным раздела 2 Норм в зависимости от рабочей температуры tp соответствующего участка трубопровода.

5.2.7.2. Эквивалентные напряжения, вычисляемые на этапах II и IV полного расчета (подразделы 5.2.6.3, 5.2.6.5), должны удовлетворять условию

Величина [s] принимается по данным раздела 2 в зависимости от соответствующей температуры участка трубопровода (tp - для расчета по этапу II и tх - для расчета по этапу IV).

5.2.7.3. Эквивалентные максимальные условные напряжения, вычисляемые на этапе III полного расчета (см. подраздел 5.2.6.4), должны удовлетворять условию

Значение допускаемой амплитуды напряжения [sа] принимается по рисунку 5.15 в зависимости от числа циклов нагружения (пусков) трубопровода за весь период эксплуатации.

Рисунок 5.15. Амплитуды допускаемых напряжений

1 - прямолинейные и криволинейные трубы и секторные колена (при расчете  по формуле (8)) и тройниковые узлы (при расчете  по формуле (9)) из углеродистой или легированной (не аустенитной) стали при рабочей температуре до 370°С; - те же элементы из аустенитной стали при рабочей температуре до 450°С; 2 - криволинейные трубы и секторные колена (при расчете  по формулам (8а)) из углеродистой или легированной (не аустенитной) стали при рабочей температуре до 370°С; 2а - те же элементы из аустенитной стали при рабочей температуре до 450°С.

Для трубопроводов с рабочей температурой 150 - 250°С число циклов нагружения следует принимать с запасом (с превышением над ожидаемым действительным значением) не менее 50%, а при более высокой температуре - с запасом не менее 100%. Если расчетное число циклов нагружения трубопровода менее 3000, то принимается значение [sа] при 3000 циклах.

Под циклом нагружения трубопровода понимается периодически повторяющийся режим его работы, включающий нагрев, эксплуатацию при постоянной температуре и отключение с полным охлаждением. Следовательно, количество циклов нагружения трубопровода равно числу включений его в работу из холодного состояния или числу отключений его на длительное время.

5.2.8. Применение и учет монтажной растяжки

5.2.8.1. В высокотемпературных трубопроводах монтажная (холодная) растяжка применяется для повышения их прочности и уменьшения передаваемых усилий на оборудование в рабочем состоянии, а в низкотемпературных трубопроводах - для уменьшения нагрузки на оборудование в рабочем состоянии.

5.2.8.2. Применять монтажную растяжку необязательно. Вопрос о целесообразности ее применения, а также о ее величине и месте выполнения следует решать с учетом конкретных особенностей трубопровода.

5.2.8.3. Рекомендуется применять монтажную растяжку в высокотемпературных трубопроводах, обладающих локализаторами ползучести, т.е. элементами, в которых может происходить интенсивное накопление деформации ползучести.

5.2.8.4. Величину монтажной растяжки в низкотемпературных трубопроводах рекомендуется назначать не более 60% от воспринимаемого (компенсируемого) температурного расширения, а в высокотемпературных трубопроводах - не более 100%d, где d - коэффициент, представленный графически на рис. 5.6.

5.2.8.5. Учет монтажной растяжки в расчете трубопровода допускается лишь в том случае, когда гарантируется выполнение ее в строгом соответствии с данными проекта. Для низкотемпературного трубопровода монтажная растяжка учитывается на этапах II и IV полного расчета, а для высокотемпературного трубопровода - только на этапе II (исключение см. п. 5.2.8.8).

5.2.8.6. При применении монтажной растяжки с негарантируемым качеством выполнения рекомендуется производить расчет трубопровода без учета монтажной растяжки (ее положительный эффект относится к неучитываемым факторам, повышающим запас надежности). При этом требуется, однако, обосновать положительное значение применяемой монтажной растяжки.

5.2.8.7. Учет монтажной растяжки в расчете высокотемпературного трубопровода по этапу II допускается только при определении передаваемой нагрузки на оборудование. В этом случае расчет должен выполняться в двух вариантах:

с учетом монтажной растяжки и при введении действительной температуры нагрева tн (расчет для определения усилий воздействия на оборудование);

без учета монтажной растяжки и при введении фиктивной температуры tр.ф согласно п. 5.2.3.6 (расчет для оценки прочности трубопровода).

При этом требуется обосновать благоприятное воздействие монтажной растяжки на напряженное состояние трубопровода в рабочем состоянии.

5.2.8.8. Если для высокотемпературного трубопровода величина монтажной растяжки превышает величину, указанную в п. 5.2.8.4, то необходимо (независимо от качества выполнения монтажной растяжки) выполнить дополнительный расчет трубопровода по этапу IV с учетом монтажной растяжки, но без учета саморастяжки (т.е. при тех же расчетных условиях, которые принимаются при выполнении расчета низкотемпературного трубопровода по этапу IV).

5.2.8.9. Усилия воздействия низкотемпературного трубопровода на оборудование в холодном состоянии можно определять по формуле п. 5.2.4.3 и при учете монтажной растяжки.

5.2.8.10. Учет монтажной растяжки в расчете трубопровода производится путем введения соответствующих взаимных смещений стыкуемых сечений (т.е. смещений стыкуемых сечений при выполнении растяжки).

ПРИЛОЖЕНИЕ

Справочное

Значения коэффициента линейного расширения, коэффициента теплопроводности, модуля упругости и коэффициента температуропроводности

Марки сталей

Температура, °С

20

100

150

200

250

300

350

400

450

500

600

Коэффициент линейного расширения at×10-6, 1/К.

Ст3, 10, 20, 20К, 22К, 09Г2С, 15ГС, 16ГС, 12МХ, 15ХМ, 12Х1МФ,15Х1М1Ф

11,5

11,9

12,2

12,5

12,8

13,1

13,4

13,6

13,8

14,0

14,4

Х18Н10Т,Х18Н12Т, 12Х11В2МФ

16,4

16,6

16,8

17,0

17,2

17,4

17,6

17,8

18,0

18,2

18,5

 

Коэффициент теплопроводности lt, Вт/(м×К)

Ст3, 20, 20К, 22К

44,0

44,0

43,0

42,0

40,0

39,0

38,0

36,0

34,0

30,0

 

12МХ, 15ХМ, 12Х1МФ

38,0

38,0

37,0

36,5

36,0

35,5

35,0

34,0

33,0

30,0

 

 

Модуль упругости Еt×105, МПа

Ст3, 20, 20К, 22К

2,04

2,01

1,99

1,96

1,94

1,88

1,84

1,79

1,73

1,63

-

09Г2С, 16ГС, 12ХМ, 15ХМ, 12МХ, 12Х1МФ, 15Х1М1Ф

2,14

2,09

2,06

2,04

2,01

1,99

1,94

1,88

1,84

1,79

1,65

Х18Н10Т, Х18Н12Т, 12Х11В2МФ

2,09

2,04

1,99

1,94

1,88

1,84

1,79

1,73

1,99

1,68

1,63

Коэффициент температуропроводности аt, мм2

Ст3, 20, 20К, 22К

13,0

13,0

13,0

12,0

11,5

11,0

10,0

9,0

8,5

8,0

-

12МХ, 15ХМ, 12Х1МФ, 15Х1М1Ф

11,0

11,0

11,0

10,0

9,5

9,0

8,5

8,0

7,5

7,0

6,0

6. РАСЧЕТ НА ПРОЧНОСТЬ ЖАРОТРУБНЫХ И ДЫМОГАРНЫХ КОТЛОВ

6.1. Общие положения

6.1.1. Настоящая методика распространяется на горизонтальные и вертикальные конструкции котлов с двумя фиксированными трубными решетками, в которых имеются жаровые трубы, жаровые и газовые трубы одновременно или газовые трубы, по которым проходят продукты сгорания топлива или отходящие газы химического, металлургического и других производств.

Нормы устанавливают методы расчета трубных решеток, жаровых труб, огневых поворотных камер, дымогарных труб, днищ, деталей укрепления при проектировании новых котлов; они могут быть использованы для проведения поверочных расчетов элементов котлов, находящихся в эксплуатации, а также для оценки их долговечности при переменных режимах работы.

В нормах учитывается действие двух основных нагружающих факторов: внутреннего давления среды в межтрубном пространстве и различных температурных расширений деталей котла. Для трубных решеток толщиной до 30 мм температурные напряжения могут не учитываться.

6.1.2. Основой расчета является оценка прочности по следующим предельным состояниям:

разрушение (вязкое и хрупкое);

появление микротрещин при циклическом нагружении.

6.1.3. Все формулы для расчета основаны на гипотезе о линейно-упругом деформировании металла. Вследствие этого напряжения, превышающие по величине предел упругости и текучести материала, являются условно-упругими.

6.1.4. Расстояния между укрепляющими элементами трубной решетки (рисунок 6.1) устанавливаются с учетом двух основных нагружающих факторов:

действия внутреннего давления на неукрепленные участки плоской стенки трубной решетки;

усилия изгиба от разности температурных удлинений соседних труб или других элементов.

Рисунок 6.1

1 - угловая связь; 2 - анкерная тяга; 3 - жаровая труба; 4 - дымогарные трубы; 5 - обечайка корпуса

6.1.5. Расчетные формулы, связывающие максимальные напряжения в зоне просветов а, b, e, h, c, g (см. рисунок 6.1) с толщиной трубной решетки, с размерами указанных просветов и с температурными смещениями, получены на основании следующей упрощенной расчетной схемы: кольцевая пластина жестко защемлена по наружному и внутреннему контурам и испытывает относительное смещение кромок от температурных расширений соответствующих продольных связей на величину w.

6.2. Условные обозначения

6.2.1. Основные обозначения параметров, используемых при расчете на прочность (расчетное давление, допускаемое напряжение, номинальная толщина стенки, прибавки к расчетной толщине), указаны в подразделе 1.1 Норм.

6.2.2. Просветы - это наименьшие расстояния между укрепляющими элементами трубной решетки (см. рисунок 6.1); их обозначения представлены в таблице 6.1.

Таблица 6.1.

Символ

Название

Единица измерения

а

Просвет между жаровой трубой и обечайкой корпуса

мм

b

Просвет между жаровой трубой и наружной поверхностью наиболее близко расположенной к ней дымогарной трубы

мм

c

Просвет между обечайкой корпуса и наружной поверхностью наиболее близко расположенной к ней дымогарной трубы

мм

d

Просвет между жаровой трубой и краем угловой связи

мм

g

Просвет между дымогарными трубами и краем угловой связи

мм

h

Минимальное расстояние между наружной окружностью анкерной тяги в плане и ближайшей подкрепляющей деталью

мм

6.2.3. Обозначения параметров расчетной кольцевой пластины представлены в таблице 6.2.

Таблица 6.2

Символ

Название

Единица измерения

r0

Внутренний радиус расчетной кольцевой пластины

мм

r1

Наружный радиус расчетной кольцевой пластины

мм

s

Толщина расчетной кольцевой пластины, равная номинальной толщине стенки трубной решетки

мм

A

Безразмерный коэффициент заделки расчетной кольцевой пластины, применяемый при расчете на температурные расширения связей

мм

6.2.4. Обозначения расчетной нагрузки и деформации, а также физические константы металла рассматриваемых элементов представлены в таблице 6.3.

Таблица 6.3

Символ

Название

Единица измерения

p

Расчетное давление, равное давлению среды в межтрубном пространстве

МПа

w

Смещение внутренней кромки расчетной пластины относительно ее наружной кромки при температурных расширениях продольных связей, соответствующих этим кромкам

мм

Et

Модуль продольной упругости при расчетной температуре

МПа

m

Модуль поперечной упругости

 

[s]

Номинальное допускаемое напряжение при расчетной температуре

МПа

6.3. Расчетная температура

6.3.1. Область применения

6.3.1.1. Температура металла трубной решетки и связей определяется на основании уравнений теплопередачи и данных теплового расчета котла, который производится в соответствии с нормами теплового расчета.

6.3.1.2. Формулы и графики для определения средних и максимальных температур металла трубной решетки получены для труб Da´s=32´3 и 50´3 мм с разбивкой отверстий по треугольнику. Для других диаметров вводится поправочный коэффициент на диаметр труб.

6.3.1.3. Расчетная и максимальная температуры металла трубной решетки определяются для безнакипного режима работы котла.

При наличии накипи вычисленные согласно п. 6.3.4 значения температур должны быть увеличены на 40%.

6.3.1.4. Расчетная и максимальная температуры металла труб поверхностей нагрева определяются с учетом накипи согласно подразделу 6.3.3.

6.3.2. Условные обозначения

При определении температурного состояния плоских днищ используются следующие параметры, представленные в таблице 6.4.

Таблица 6.4

Символ

Название

Единица измерения

Da

Наружный диаметр трубы

мм

Bi

Критерий Био

-

Kd

Поправочный коэффициент на диаметр трубы

-

Кt

Поправочный коэффициент, учитывающий шаг между трубами

-

a2

Коэффициент теплоотдачи

Вт/(м2×К)

b

Отношение наружного диаметра трубы к внутреннему диаметру

-

lt

Коэффициент теплопроводности

Вт/(м×К)

lq

Коэффициент теплопроводности накипи

Вт/(м×К)

q

Безразмерная температура

-

s

Толщина стенки трубы

мм

sq

Толщина накипи

мм

q

Средний тепловой поток через рассматриваемую поверхность нагрева

Вт/м2

ts

Температура насыщения

°С

6.3.3. Температура металла труб поверхностей нагрева

6.3.3.1. За расчетную температуру принимается средняя температура стенки трубы.

6.3.3.2. Расчетная температура стенки трубы определяется по формуле

где q и a2 определяются из теплового расчета котла;

lq=1,163 Вт/(м×К);

sq=0,5 мм (при нормальных условиях эксплуатации);

sq=1,5 мм ( при нарушении нормальных условий эксплуатации).

6.3.3.3. Максимальная температура стенки трубы

6.3.3.4. Температура металла корпуса и сплошных анкерных тяг принимается равной температуре насыщения.

6.3.4. Температура металла трубной решетки

6.3.4.1. За расчетную температуру металла трубной решетки принимается среднеарифметическое значение температур наружной и внутренней поверхностей плоского днища.

6.3.4.2. Расчетная температура tрl трубной решетки определяется по формуле

где Кd=1 - для труб диаметром Da=32 мм;

Kd=0,875 - для труб диаметром Da=50 мм;

Кd=0,8 - для труб диаметром Da=60 мм.

Величины Кt и qm определяются по рисункам 6.2 и 6.3.

Критерий Био для трубной решетки определяется по формуле

Критерий Био для трубы определяется по формуле

Рисунок 6.2

Рисунок 6.3

6.3.4.3. Внутренняя поверхность трубы в сечении входа газов имеет максимальную температуру.

6.3.4.4. Максимальная температура трубной решетки равна

где значение  находим по рисунку 6.4.

6.3.4.5. При наличии изоляции расчет средней температуры и максимальной температуры tp/max производится согласно пп. 6.3.4.2 и 6.3.4.4, в которых  и  определяются по рисункам 6.3 и 6.4 при Bipl=0.

6.3.4.6. При наличии выступающих в газовый объем концов труб высотой h максимальная температура трубной решетки определяется по формуле

где  находим по рисунку 6.5; Кd, Кt определяются согласно п. 6.3.4.2.

Рисунок 6.4

Рисунок 6.5

6.3.4.7. Расчетная температура  трубной решетки при наличии выступающих в газовый объем концов труб определяется по формуле

где  находим по рисунку 6.6.

Рисунок 6.6

6.3.4.8. Максимальные температуры стенок, вычисленные согласно пп. 6.3.3.3, 6.3.4.4, 6.3.4.6, сравниваются с предельно допустимой температурой для выбранной марки стали, установленной "Правилами устройства и безопасной эксплуатации паровых и водогрейных котлов".

6.3.5. Температура металла жаровой трубы и огневой поворотной камеры

6.3.5.1. За расчетную температуру принимается средняя температура стенки, вычисляемая по следующим приближенным формулам:

для гладких жаровых труб t=ts+4s+30°С,

для волнистых жаровых труб t=ts+5s+30°С,

для огневой поворотной камеры t=ts+3s+20°С.

В топках, работающих на газообразном или жидком топливе, не допускается превышать тепловую нагрузку жаровой трубы:

теплонапряжение сечения топки qF=250 кВт/м2;

теплонапряжение топочного объема qv=1000 кВт/м3.

6.3.5.2. Вычисленные согласно подразделам 6.3.3, 6.3.4 и 6.3.5 расчетные температуры металла труб и трубной решетки используются для определения допускаемого напряжения [s] согласно разделу 2 Норм.

6.4. Выбор основных размеров трубной решетки, днищ, обечаек и труб

6.4.1. Условные обозначения

6.4.1.1. В формулах для расчета трубных решеток приняты обозначения, представленные в таблице 6.5.

Таблица 6.5

Символ

Название

Единица измерения

DF

Внутренний диаметр жаровой трубы (для конической трубы - средний внутренний диаметр, для волнистой трубы - наименьший внутренний диаметр)

мм

DFa

Наружный диаметр жаровой трубы

мм

D

Внутренний диаметр корпуса или отбортовки днища

мм

LF

Длина жаровой трубы или расстояние между соседними кольцами жесткости

мм

R

Внутренний радиус сферической части днища

мм

l1

Расстояние между центрами соседних связей в одном ряду

мм

l2

Расстояние между рядами связей

мм

t1, t2

Расстояние между центрами связей при неравномерном их расположении

мм

d0

Диаметр наибольшей окружности, которая может быть вписана касательно к расположенным на стенке креплениям

мм

d

Диаметр отверстия в трубной, решетке для анкерной связи или анкерной трубы

мм

c

Прибавка к расчетной толщине стенки

мм

t0max, t1max

Максимальная для данного режима работы котла средняя по длине и толщине стенки температура металла продольных связей, соответствующих внутренней и наружной кромкам расчетной кольцевой пластины

°С

a0, a1

Коэффициент линейного расширения металла этих же продольных связей в диапазоне температуры 20°С - tmax

1/°С

L

Расчетная длина продольных связей, равная половине расстояния между трубными решетками

мм

tpl

Средняя температура металла трубной решетки

°С

sВ

Изгибное напряжение в трубной решетке

МПа

6.4.2. Расчет плоских стенок и трубной решетки

6.4.2.1. Номинальная толщина плоской стенки, укрепленной распорными болтами, связями, анкерными трубами или косынками, должна быть не менее определенной по одной из следующих формул:

при равномерном размещении анкерных болтов, связей или труб (рисунок 6.7)

при неравномерном размещении анкерных болтов, связей или труб (рисунок 6.8)

при укреплении плоской стенки угловыми или иного вида креплениями

Рисунок 6.7

Рисунок 6.8

Коэффициент К принимается равным:

0,45 - при односторонней приварке болтов, связей или труб к стенке (рисунок 6.9);

0,42 - при двухсторонней приварке болтов, связей или труб к стенке;

0,39 - если распорные болты или связи имеют снаружи шайбу толщиной не менее 0,8 толщины укрепляемой стенки и наружным диаметром не менее 0,6 расстояния между центрами соседних связей (рисунок 6.10);

0,36 - если распорные болты или связи, ввернутые на резьбе, имеют снаружи гайку и шайбу толщиной не менее толщины укрепляемой стенки и наружным диаметром не менее 0,8 расстояния между центрами соседних укреплений.

Если плоская стенка имеет разные виды укреплений, то толщина ее должна приниматься наибольшей из вычисленных для разного вида укреплений.

6.4.2.2. Прибавка к расчетной толщине стенки должна приниматься в соответствии с подразделом 1.5.

6.4.2.3. При закреплении труб в трубной решетке с применением вальцовки толщина плоской стенки должна быть не менее определенной по формуле s=0,125d+5 мм, но не менее 13 мм.

6.4.2.4. После выбора толщины стенки проверяются максимально и минимально допустимые размеры просветов согласно подразделам 6.4.3 и 6.4.4.

Если значение просветов не соответствует установленным максимальным и минимальным значениям, то толщина стенки должна быть увеличена или уменьшена.

Рисунок 6.9

Рисунок 6.10

Рисунок 6.11

6.4.3. Наибольшие допустимые размеры неукрепленных участков трубной решетки

6.4.3.1. Диаметр наибольшей окружности, которая может быть вписана касательно к расположенным на трубной решетке связям, корпусу или трубам (рисунок 6.11), должен удовлетворять условию

6.4.3.2. Размеры просветов (см. рисунок 6.1) между волнистой жаровой трубой и корпусом а, дымогарными трубами b, угловой связью e или анкерной тягой h должны удовлетворять условию

6.4.3.2.1. Коэффициент К при 0,1£r0/r1<0,8 определяется по рисунку 6.12 в зависимости от вида просвета (см. рисунок 6.1).

При 0,8£r0/r1<1 коэффициент К для просветов а, b,e и h равен 0,58.

6.4.3.2.2. В случае укрепления трубной решетки анкерной тягой как при волнистой, так и при гладкой жаровой трубе для просвета h должно выполняться условие (см. рисунок 6.1)

где r1(h)=r0(h)+h.

6.4.3.3. Расчет по п. 6.4.3.2 производится в зависимости от назначения расчета.

6.4.3.3.1. Если размеры а (или b, е, h), r0 и r1 заданы, то производится проверка выполнения условия п. 6.4.3.2.

6.4.3.3.2. В том случае, когда при проектировании новых котлов требуется определить наибольшие допустимые размеры указанных просветов, расчет по п. 6.4.3.2 ведется методом последовательных приближений.

При определении размеров а или b задается (или задано) значение r0.

В первом приближении размер просвета а или b принимается равным

Определяется наружный радиус в первом приближении:

По отношению r0/r1 и графику на рисунке 6.12 находят значение К и определяют размер просвета и радиус r1(2) во втором приближении:

.(илиК,01/!;

По отношению r0/r1(2) определяют новые значения K1(2) , а(3), r1(3) и т.д.

Рисунок 6.12.

1 - для просветов а и b; 2- для просветов е и h.

Для просветов е и h в первом приближении принимают

и расчет производят последовательными приближениями аналогично предыдущему случаю; при этом задано значение r1.

Радиусы r0(e) и r0(h), изображенные на рисунке 6.1, определяются на основании величин просветов, найденных в каждом приближении:

r0(1)=r1-e(1) (или h(1));

r0(2)=r1-e(2) (или h(2));

Процесс приближения быстро сходится.

6.4.3.3.3. Вместо последовательных приближений можно задаваться меньшими размерами просветов по сравнению с их первоначальными значениями и производить проверку согласно п. 6.3.3.2.

6.4.4. Наименьшее допустимое расстояние между укрепляющими деталями трубной решетки

6.4.4.1. Для просветов a, b, е, h (гладкая жаровая труба), с, g (см. рисунок 6.1) должно выполняться условие

где K2 - коэффициент, зависящий от отношения r0/r1; при 0,1£r0/r1<0,8 K2 определяется по рисунку 6.13; при 0,8£r0/r1<1 К2 вычисляется по формуле

w - относительное смещение кромок расчетной кольцевой пластины, определяемое по формуле

Здесь |........| - знак абсолютной величины.

Рисунок 6.13

6.4.4.1.1. Температуры t0max, t1max, tpl определяются согласно подразделу 6.3. Величины Et, a0, a1 определяют согласно приложению к главе 5; Et берется для металла решетки при температуре tpl; a0 и a1 определяются для металла продольных связей в интервале температур (20-t0max) и (20-t1max) соответственно.

6.4.4.1.2. Допускаемое напряжение [s] определяется для металла трубной решетки согласно разделу 2 при температуре tpl.

6.4.4.1.3. При определении размеров просветов а, b, с, е, g, h следует выбрать положение условной кольцевой пластины для каждого случая. Указания по выбору радиуса внутренней кромки пластины r0 приведены на рисунке 6.1. Например, для просвета а внутренней кромке пластины соответствует гладкая жаровая труба, а наружной кромке пластины - обечайка корпуса, для просвета g - кромка косынки и дымогарные трубы соответственно и т.д.

6.4.4.1.4. Значения коэффициента в зависимости от вида просвета принимаются: 0,80 для просветов а, b; 0,75 для просвета с; 1,50 для просветов e, g; 1,00 для просвета h.

6.4.4.2. При проектировании новых котлов минимально допустимые размеры просветов проверяют по формуле

6.4.4.2.1. Коэффициент К3, зависящий от отношения r0/r1, при 0,1£r0/r1<0,9 определяется по рисунку 6.14. При 0,9£r0/r1<1 коэффициент К3=1,8.

Рисунок 6.14

6.4.4.2.2. После того как определены размеры просветов, определяют радиусы расчетной кольцевой пластины:

r0=r1-а (или b, c, e, g, h), если задан наружный радиус;

r1=r0+а (или b, c, e, g, h), если задан внутренний радиус.

6.4.4.2.3. Для полученных размеров расчетных пластин проверяется выполнение условия п.6.4.4.1. Если это условие не выполняется, то размер просвета несколько увеличивают, определяют радиус расчетной кольцевой пластины согласно п. 6.4.4.2.2 и повторяют проверку.

6.4.4.3. Если условие п. 6.4.4.1 не выполняется, то производится расчет на малоцикловую усталость согласно подразделу 6.6.

6.4.5. Толщина стенки выпуклых днищ

6.4.5.1. Номинальная толщина стенки выпуклого днища газотрубного котла должна быть не менее определенной по формуле

s=sR+c,

где sR=pR/[s].

Формула пригодна при соблюдении условия R=1,2D.

6.4.5.2. Величина прибавки с должна определяться согласно подразделу 1.5 Норм.

Утонение стенки при штамповке днища не должно учитываться в том случае, если оно не превышает 5% расчетной толщины.

В случае превышения расчетная толщина днища должна быть увеличена на разницу между фактической толщиной и пятипроцентным допускаемым утонением.

6.4.5.3. Толщина стенки, вычисленная по п. 6.4.5.1, должна округляться до ближайшего большего размера листа, имеющегося в стандарте на сортамент.

Во всех случаях номинальная толщина стенки днища должна приниматься не менее 6,0 мм.

6.4.6. Расчет жаровых труб

6.4.6.1. Номинальная толщина стенки гладкой жаровой трубы должна быть не менее определенной по формуле

s=sR+c,

где

Значение коэффициента КF следует принимать:

3,10 - для горизонтальных жаровых труб;

1,85 - для вертикальных жаровых труб.

При наличии жестких креплений в поперечном направлении за расчетную длину LF следует принимать наибольшее расстояние между соседними креплениями (рисунок 6.15).

Рисунок 6.15

Вычисленная согласно п. 6.4.6.1 номинальная толщина стенки должна округляться до ближайшего большего размера листа, имеющегося в стандарте на сортамент.

Номинальная толщина стенки волнистой жаровой трубы должна быть не менее определенной по формуле

s=sR+c,

где sR=pDF/[s] (для волн высотой 50 мм и более).

Прибавка с должна определяться согласно подразделу 1.5 Норм, но должна быть не мене 2 мм.

6.4.6.2. Номинальная толщина стенки жаровых труб должна приниматься не менее 7 мм и не более 20 мм.

6.4.6.3. Допустимое рабочее давление при контрольных расчетах жаровых труб определяется по следующим формулам:

для гладких труб

для волнистых труб (с высотой волны 50 мм и более)

6.4.7. Расчет дымогарных труб

6.4.7.1. Номинальная толщина стенки прямой трубы с наружным диаметром не более 200 мм, находящейся под наружным давлением, должна быть не менее определенной по формуле

где величина прибавки с должна приниматься согласно подразделу 1.5 Норм.

6.4.7.2. Номинальная толщина стенки труб, находящихся под внутренним давлением, определяется согласно разделу 3 Норм.

6.4.7.3. Номинальная толщина стенки труб с учетом наружного давления должна быть не менее значений, приведенных в таблице 6.6

Таблица 6.6

Da, мм

£38

£51

£70

£90

£108

>108

S, мм

2,5

3,0

3,7

4,5

5,5

6,0

6:4.8. Расчет обечаек корпуса

6.4.8.1. Номинальная толщина стенки обечаек корпуса определяется согласно разделу 3 Норм .

6.5. Выбор основных размеров анкерных и угловых связей

6.5.1. Условные обозначения

Дополнительные обозначения представлены в таблице 6.7.

Таблица 6.7

Символ

Название

Единица измерения

F

Площадь трубной, решетки, укрепляемой данной анкерной связью или трубой

мм2

Fv

Расчетная площадь вальцованной поверхности

мм2

Fp

Площадь нагрузки на одну связь или трубу

мм2

f

Площадь поперечного сечения анкерной связи или укрепляющей трубы

мм2

q1

Величина усилия, приходящаяся на 1 мм периметра развальцованной трубы

Н/мм

q1

Допустимое усилие на вальцованной поверхности

МПа

lm

Длина развальцованного участка

мм

6.5.2. Расчет анкерных связей и труб

6.5.2.1. Площадь сечения анкерной связи или анкерной трубы, подвергающейся растяжению, должна удовлетворять условию

Если труба подвергается сжатию, то вместо наружного диаметра трубы Da следует использовать внутренний D.

6.5.2.2. Площадь сечения угловой анкерной связи должна удовлетворять условию

где a - угол между угловой анкерной связью и трубной решеткой.

6.5.2.3. Площади F, укрепляемые анкерными связями или трубами, определяются по рисункам 6.15 и 6.16.

6.5.2.4. Если плоская стенка укрепляется только развальцованными трубами, то величина усилия q1 определяется по формуле

которая должна удовлетворять условию:

q1=30 Н/мм при развальцовке труб без отбортовки концов и без канавок;

q1=50 Н/мм при развальцовке труб без отбортовки концов, но при наличии двух канавок с общей высотой не менее толщины стенки трубы;

q1=70 Н/мм при развальцовке труб с отбортовкой обоих концов.

6.5.2.5. Необходимая длина развальцованного участка трубы lm должна определяться из условия

где Fm=(Da-D)lm;

q2 - допустимое усилие на вальцованной поверхности:

     150 МПа - при развальцовке труб без отбортовки и без канавок;

     300 МПа - при развальцовке труб без отбортовки, но при наличии канавок с общей высотой не менее толщины стенки трубы;

     400 МПа - при развальцовке труб с отбортовкой.

Рисунок 6.16

а - разбивка по треугольнику; б - разбивка по прямоугольнику

6.5.2.6. Расчетная площадь вальцованной поверхности должна удовлетворять условию

Длина развальцованного участка lm должна быть не менее 12 мм; в расчете должна приниматься не более 40 мм.

6.5.2.7. При использовании сварки для закрепления труб и анкерных связей в трубной решетке расчетное сечение сварного шва D (рисунок 6.17) должно быть не менее определенного по формуле

где величина [s] должна приниматься по материалу трубы или решетки с наименьшим значением расчетной характеристики прочности при расчетной температуре стенки.

Кроме того, для указанных типов сварных швов должно выполняться условие D³s.

6.5.2.8. Если закрепление трубы осуществляется на вальцовке с использованием сварного шва по типу 1 (см. рисунок 6.17) для обеспечения дополнительной плотности, то сечение шва D должно быть не более 5 мм.

6.5.3. Размеры угловых связей

6.5.3.1. Размеры угловых связей (косынок) должны удовлетворять соотношению (см. рисунок 6.1) Н³1,8В.

Допускается применение косынок без уменьшения ширины средней части.

6.6. Поверочный расчет на усталость

6.6.1. Условные обозначения

6.6.1.1. Условные обозначения при расчете на малоцикловую усталость принимаются согласно подразделу 5.1.5 Норм.

Дополнительные обозначения:

t0min, t1min - температура металла продольных связей соответственно внутренней и наружной кромок расчетной кольцевой пластины (минимальная для данного режима работы котла, средняя по длине и толщине стенки), °С.

Остальные обозначения - согласно подразделу 6.2.

Рисунок 6.17

6.6.2. Требования к расчету на усталость

6.6.2.1. Расчет на усталость производится с учетом всех режимов эксплуатации котла, характеризующихся минимальными (t0min, t1min) и максимальными (t0max, t1max) температурами металла продольных связей в начале и конце цикла колебаний, а также числом циклов каждого типа.

Примером циклического нагружения котла являются циклы типа пуск - останов, при которых нагрузка изменяется от нуля, а температура металла от 20°С до номинальной величины и обратно.

Циклами второго типа могут служить циклические изменения нагрузки от заданного промежуточного значения до номинальной величины и обратно.

6.6.2.2. Расчет производится для всех просветов, имеющихся на трубной решетке и поворотной огневой камере.

6.6.2.3. Местные температурные напряжения в данном методе расчета не учитываются; интенсивность напряжений определяется только по изгибной составляющей напряжения Dsе=sВ. Однако понятие интенсивности напряжений сохраняется для более удобного применения при оценке долговечности трубной решетки.

6.6.3. Определение размаха интенсивностей напряжений

6.6.3.1. Размах интенсивностей напряжений вычисляется по формуле

где jw=0,8 - коэффициент снижения циклической прочности для углового сварного соединения вварки плоского днища в обечайку корпуса котла, плоского днища в обечайку огневой поворотной камеры, а также соединения плоского днища с жаровой трубой.

6.6.3.1.1. Относительное смещение кромок в рассматриваемом режиме

где |.....| - знак абсолютной величины.

6.6.3.1.2. Температуры t0max, t0min, t1max, t1min определяются согласно подразделу 6.3.

6.6.3.1.3. Остальные величины в формуле п. 6.6.3.1 определяются согласно п. 6.4.4.1. На основании найденной величины размаха интенсивностей напряжений Dsе производится оценка долговечности в соответствии с подразделом 5.1.5 Норм.

6.7. Допустимое давление в котле при наличии отклонений от круглости жаровой трубы

6.7.1. Условные обозначения

6.7.1.1 .Дополнительные обозначения:

DFmax, DFmin - максимальный и минимальный наружные диаметры поперечного сечения жаровой трубы, мм;

а - коэффициент некруглости, %;

e - максимальный размер уплощения (рисунок 6.18) поперечного сечения жаровой трубы, мм.

sf - фактическая толщина стенки жаровой трубы, мм.

Остальные обозначения - согласно таблицам 6.1 и 6.2.

Рисунок 6.18

6.7.2. Определения

6.7.2.1. В Нормах рассматриваются следующие отклонения от круглого поперечного сечения трубы:

овальность поперечного сечения, определяемая коэффициентом некруглости:

уплощение поперечного сечения (см. рисунок 6.18), определяемое приведенным коэффициентом некруглости:

6.7.3. Допустимое отклонение от круглости (овальность)

6.7.3.1. При изготовлении новых котлов коэффициент некруглости поперечного сечения рассматриваемых деталей не должен быть более 1% , т.е. а£1%.

6.7.3.2. При техническом диагностировании котлов, находящихся в эксплуатации, допускается некруглость поперечного сечения жаровых труб более 1%.

Допустимое рабочее давление для жаровой трубы с учетом овальности не должно быть более

где К=3,10 - для горизонтальных жаровых труб; К=1,85 - для вертикальных жаровых труб.

При выполнении контрольных расчетов по данным измерений толщины стенки вместо s-с следует применять sf-с. Величина sf должна приниматься равной наименьшему значению из четырех измерений толщины по концам двух взаимно перпендикулярных диаметров в одном сечении при числе проверяемых сечений не менее одного на каждой метр длины жаровой трубы.

6.7.3.2.1. Если при измерении поперечного сечения получено а<1, в расчете принимается а=1,0.

6.7.3.2.2. Эксплуатация жаровых труб с некруглостью поперечного сечения более 3% не допускается.

6.8. Основные требования к конструкции

6.8.1. Расстояние между двумя соседними кольцами жесткости жаровой трубы не должно превышать 2Df.

6.8.2. Для волнистых жаровых труб высота волны должна быть не менее 50 мм.

6.8.3. Не рекомендуется устанавливать конусные переходы на жаровых трубах.

6.8.4. Наличие зазора между трубами и трубной решеткой при некачественной вальцовке труб вызывает перегрев металла трубы и способствует развитию щелевой коррозии. Поэтому для увеличения надежности и срока службы котла рекомендуется подвальцовка труб после приварки их к трубной решетке.

6.8.5. Наружный сварной шов (рисунок 6.19, а) повышает температуру металла трубной решетки, которая у решеток с трубами, заделанными заподлицо, ниже, чем у решеток с наружными сварными швами (рисунок 6.19, б).

Рисунок 6.19

6.8.6. Изоляция толщиной более 50 мм неэффективна, так как дальнейшее увеличение толщины изоляции практически не снижает температуру металла трубной решетки.

6.8.7. Распорные анкерные связи должны быть расположены так, чтобы уменьшить изгибные напряжения. Анкерные связи должны иметь засверления с обеих сторон на длину не менее 30 мм и должны входить в водяное пространство (рисунок 6.20).

Рисунок 6.20

Продольные анкерные связи, соединяющие трубные решетки, должны иметь подкладные шайбы диаметром не менее 4Da.

Если в результате расчета анкерной связи по подразделу 6.3.2 наружный диаметр связи получается таким, что не выполняется условие п. 6.2.3.2.2, то диаметр концов связей должен быть увеличен (см. рисунок 6.20).

7. РАСЧЕТ НА ПРОЧНОСТЬ КОЛЛЕКТОРОВ ОТ ДЕЙСТВИЯ НАГРУЗОК В ОПОРАХ И ПОДВЕСКАХ

7.1. Условные обозначения

7.1.1. В этом разделе приняты следующие условные обозначения, представленные в таблице 7.1.

Таблица 7.1.

Символ

Название

Единица измерения

p

Расчетное давление

МПа

t

Расчетная температура стенки

°С

Da

Номинальный наружный диаметр коллектора

мм

D

Номинальный внутренний диаметр коллектора

мм

s

Номинальная толщина стенки коллектора

мм

a

Ширина поверхности подвески или опоры

мм

b

Длина поверхности подвески или опоры

мм

G

Усилие, приложенное к одной подвеске или опоре

H

q

Половина угла охвата коллектора подвеской или опорой

градус

d

Номинальный наружный диаметр плавниковой трубы

мм

q

Распределенная нагрузка

МПа

2l

Длина участка, на котором действует распределенная нагрузка

мм

h

Ширина участка, на котором действует распределенная нагрузка

мм

ds

Номинальный внутренний диаметр штуцера

мм

k1

Коэффициент

 

k2

Коэффициент

 

sz

Осевое напряжение в коллекторе

МПа

sj

Окружное напряжение в коллекторе

МПа

Nz, Nj

Соответственно осевое и окружное усилия в коллекторе, отнесенные к единице длины

Н/мм

Mz, Mj

Соответственно осевой и окружной изгибающие моменты в коллекторе, отнесенные к единице длины

Н

szp

Осевое напряжение от внутреннего давления

МПа

sjp

Окружное напряжение от внутреннего давления

МПа

srp

Радиальное напряжение от внутреннего давления

МПа

s1, s2, s3

Главные нормальные напряжения

МПа

se

Эквивалентное напряжение

МПа

[s]

Номинальное допускаемое напряжение при расчетной температуре

МПа

7.2. Общие положения

7.2.1. Расчет на прочность коллекторов под действием весовых нагрузок является поверочным и выполняется после выбора основных размеров коллектора в соответствии с подразделом 3.2 Норм.

7.2.2. Используемые материалы и полуфабрикаты, а также технология изготовления и контроль коллекторов, штуцеров и деталей опор и подвесок должны соответствовать требованиям Правил Госгортехнадзора России.

7.2.3. Отношение наружного диаметра коллектора к толщине стенки должно удовлетворять условию Da/s=9¸35.

Для коллекторов с отношением Da/s<9 расчет на прочность от действия весовой нагрузки должен проводиться в соответствии с подразделом 5.1 Норм.

7.2.4. Настоящие Нормы рассматривают коллекторы с вертикальным подвесом экранов (см. рисунки 7.1, 7.2).

7.2.5. Схемы расположения подвесок или опор и нагружения коллектора указаны на рисунках 7.1, 7.2.

7.2.6. Для подвесных конструкций коллекторов направление действия усилия G, а также распределенной нагрузки q, приложенной к коллектору, совпадает с направлениями, указанными на рисунках 7.1, 7.2, 7.3. Для опорных конструкций направление усилия G и распределенной нагрузки q противоположно направлениям, указанным на рисунках 7.1, 7.2, 7.3.

7.3. Местные напряжения

7.3.1. Усилие G, действующее на подвеску или опору (см. рисунки 7.1, 7.2, 7.3). определяется как суммарный вес коллектора, его содержимого и присоединенного оборудования, приходящийся на одну подвеску или опору.

7.3.2. Для коллекторов цельносварных газоплотных экранов реактивная нагрузка q, действующая со стороны экрана на коллектор (см. рисунок 7.3), определяется по номограммам в зависимости от диаметра коллектора. Реактивная нагрузка, действующая на газоплотный экран со стороны коллектора, по величине равна q и противоположна по направлению.

7.3.3. Ширина участка h, на котором действует распределенная реактивная нагрузка q, при расчете напряжений в коллекторе принимается равной h=0,85d.

Длина участка 2l воздействия нагрузки для коллектора и газоплотного экрана определяется по кривым, приведенным на рисунке 7.3.

7.3.4. По размерам подвесок или опор a и b вычисляются коэффициенты

          

7.3.5. Для подвесных конструкций расчет максимальных усилий Nz, Nj и моментов Mz, Mj в коллекторе, вызванных действием весовых нагрузок, ведется по кривым, приведенным на рисунках 7.4 - 7.11.

Для опорных конструкций значения усилий Nz, Nj и моментов Mz, Mj в коллекторе, найденные по кривым рисунков 7.4 - 7.11., берутся со знаком минус.

7.3.6. Для подвесок или опор, удовлетворяющих условию a>b, значения Nz, Nj, Mz, Mj в коллекторе определяются по кривым, приведенным на рисунках 7.4 - 7.7. с использованием параметров k1 и q.

Рисунок 7.1. Общий вид коллектора газоплотного экрана

Рисунок 7.2. Расчетная схема коллектора

Рисунок 7.3. Распределенная нагрузка, действующая на коллектор со стороны экрана

7.3.7. Для подвесок или опор, удовлетворяющих условию b, значения усилий и моментов Nz, Nj, Mz, Mj, действующих в стенках коллектора, определяются по кривым, приведенным на рисунках 7.8 - 7.11., с использованием коэффициентов k1 и k2.

7.3.8. В случае подвеса коллектора за штуцер при определении максимальных усилий и моментов в коллекторе по подразделам 7.3.4 - 7.3.7 принимается а=b=0,85ds.

7.3.9. Наибольшие местные напряжения возникают в коллекторе (у краев подвесок или опор) в точках А или А¢ при а>b и в точках В или В¢ при b>а (см. рисунки 7.1, 7.2).

7.3.10. Значения максимальных местных окружных sj и осевых sz напряжений в стенках коллектора определяются по формуле:

Знак минус относится к внутренней поверхности (точки А¢ или В¢), знак плюс - к наружной (точки А или В).

7.3.11. Напряжения от внутреннего давления вычисляются по формулам:

7.4. Условия прочности

7.4.1. Для рассматриваемой точки коллектора (точки А или А¢, В или В¢) вычисляются три главных нормальных напряжения, которые представляют собой алгебраическую сумму действующих в одном направлении напряжений, вызванных весовыми нагрузками и внутренним давлением. Главные напряжения определяются по формулам:

7.4.2. Эквивалентное напряжение для рассматриваемой точки коллектора принимается равным

7.4.3. Величина эквивалентного напряжения в коллекторе от действия весовых нагрузок и внутреннего давления должна удовлетворять условию

Величина номинального допускаемого напряжения принимается в соответствии с разделом 2 Норм.

Рисунок 7.4. Номограммы для вычисления усилий Nz, Nj в коллекторе при Da/s=9¸13 и а>b

Рисунок 7.5. Номограммы для вычисления моментов Mz, Mj в коллекторе при Da/s=9¸13 и а>b

Рисунок 7.6. Номограммы для вычисления усилий Nz, Nj в коллекторе при Da/s=14¸35 и а>b

Рисунок 7.7. Номограммы для вычисления моментов Mz, Mj в коллекторе при Da/s=14¸35 и а>b

Рисунок 7.8. Номограммы для вычисления усилий Nz, Nj в коллекторе при Da/s=9¸13 и а<b

Рисунок 7.9. Номограммы для вычисления моментов Mz, Mj в коллекторе при Da/s=9¸13 и а<b

Рисунок 7.10. Номограммы для вычисления усилий Nz, Nj в коллекторе при Da/s=14¸35 и а<b

Рисунок 7.11. Номограммы для вычисления моментов Mz, Mj в коллекторе при Da/s=14¸35 и а<b

8. РАСЧЕТ НА ПРОЧНОСТЬ ФЛАНЦЕВ ТЕПЛООБМЕННЫХ АППАРАТОВ И ТРУБОПРОВОДОВ

8.1. Условные обозначения

8.1.1. В разделе приняты следующие условные обозначения, представленные в таблице 8.1.

Таблица 8.1

Символ

Название

Единица измерения

p

Расчетное давление

МПа

ph

Пробное давление

МПа

t

Расчетная температура стенки

°С

pу

Условное давление

МПа

Dy

Условный диаметр изделия

мм

D

Номинальный внутренний диаметр изделия (корпуса сосуда, трубы трубопровода и др.)

мм

s

Толщина стенки изделия

мм

s1

Толщина стенки цилиндрического участка фланца

мм

s2

Толщина стенки конического перехода у основания

мм

h1

Высота цилиндрического участка фланца

мм

h2

Высота конического перехода

мм

hf

Высота тарелки фланца и опорного бурта

мм

hf1

Высота нажимного кольца

мм

hf2

Высота тарелки фланца, определяемая методом предельных нагрузок

мм

h3

Высота выступа

мм

D3

Диаметр выступа фланца

мм

Df

Наружный диаметр фланца и бурта свободного фланца

мм

D1

Внутренний диаметр нажимного кольца

мм

D2

Наружный диаметр нажимного кольца

мм

Ds

Диаметр окружности шпилек (болтов)

мм

D0m

Наибольший наружный диаметр мембраны (исходное состояние)

мм

Dd

Наружный диаметр прокладки

мм

Dm

Расчетный диаметр прокладки

мм

d0s

Номинальный диаметр шпилек, равный наружному диаметру резьбы

мм

ds

Расчетный (минимальный) диаметр шпилек

мм

d0

Диаметр отверстия под шпильки

мм

d0R

Редуцированное значение диаметра отверстия под шпильки

мм

e

Максимальный размер гайки

мм

ls

Шаг шпилек

мм

z

Число шпилек

мм

b0

Ширина прокладки

мм

b

Эффективная ширина прокладки

мм

d

Толщина прокладки

мм

q0

Удельное давление на прокладку при затяге шпилек

МПа

s4

Толщина стенки мембраны

мм

b4

Ширина мембраны

мм

Fd

Усилие обжатия прокладки

Н

F2h

Усилие, обеспечивающее герметичность при гидравлическом испытании

Н

Fh

Равнодействующие силы в шпильках от давления гидравлического испытания

Н

Fp

Равнодействующие силы в шпильках от рабочего давления

Н

F0

Расчетное усилие затяга шпилек

Н

Ft

Расчетное усилие в шпильках при рабочих условиях

Н

F0h

Расчетное усилие при гидравлическом испытании

Н

F1

Усилие в цилиндрическом участке фланца от действия внутреннего давления

Н

F2

Усилие, обеспечивающее герметичность при рабочем давлении

Н

F3, F4

Усилия от действия давления среды

Н

Mi

Изгибающий момент

Н×мм

lj

Плечи действия сил

мм

wa , wb, WC

Моменты сопротивления расчетных сечений фланца

мм3

y

Ордината центра тяжести поперечного сечения фланца

мм

s

Напряжение в расчетных сечениях фланца

МПа

s0m

Напряжение в мембране

МПа

ss

Напряжение в шпильках

МПа

Ef

Модуль упругости металла фланца

МПа

Es

Модуль упругости металла шпилек

МПа

[sf]

Допускаемое напряжение металла фланца

МПа

[ss]

Допускаемое напряжение металла шпилек

МПа

[s0m]

Допускаемое напряжение металла мембраны

МПа

r

Радиус галтели

мм

a

Угол поворота фланца

градус

a1

Угол скоса фланца

градус

N

Количество циклов нагружения сосуда

 

Обозначения геометрических размеров фланцевых соединений приведены на рисунках 8.1 и 8.2.

Рисунок 8.1. Фланцы с коническим переходом

Рисунок 8.2. Плоские фланцы

8.2. Общие положения

8.2.1. В Нормах рассматриваются фланцы с коническим переходом (конической втулкой) и плоские фланцы, а также жесткие фланцы и свободные.

8.2.2. Деталями фланцевого соединения являются фланцы, кольцо свободного фланца, прокладка, мембрана, шпильки (болты), гайки, шайбы.

Под элементами фланца понимаются цилиндрическая часть фланца, конический переход, тарелка фланца, бурт свободного фланца, нажимное кольцо, отверстия под шпильки, выступы, впадины и др.

8.2.3. Применение болтов допускается до давления 3,0 МПа и температуры 300°С, для болтов по ГОСТ 20700 предельная температура допускается до 400°С.

8.2.4. Требования к конструкции, материалам и полуфабрикатам, а также к изготовлению и контролю качества рассматриваемых фланцев должны соответствовать требованиям соответствующих Правил Госгортехнадзора России (т.е. по котлам, сосудам или трубопроводам ТЭС в зависимости от назначения изделия, к которому привариваются рассматриваемые фланцы).

Дополнительно должны соблюдаться следующие условия:

расположение и конструкция опор на корпусе, днище или трубопроводе должны обеспечивать отсутствие передачи внешних нагрузок на фланцевое соединение, превышающих величину, приведенную в п. 8.7.6.5;

расстояние от конического перехода фланца или тарелки плоского фланца до кромки сварного шва приварки опоры должно быть более величины, рассчитанной по формуле , но не менее 100 мм;

величина предварительного затяга фланцев с приварным мембранным уплотнением не должна превышать 30% от расчетного усилия на шпильки при действии внутреннего давления;

величина подгрузки шпилек от разности температур между фланцами и шпильками не должна превышать 30% от расчетного усилия на шпильки при действии внутреннего давления.

8.2.5. Нормы содержат методику расчета на прочность фланцев с прокладочным и мембранным уплотнением для обоснования их основных размеров.

В основу расчета на прочность фланцевого соединения заложен метод предельных нагрузок с проверкой напряжений по наиболее напряженным сечениям фланца.

Поверочный расчет на усталость деталей фланцевого соединения должен выполняться для оборудования ТЭС в соответствии с требованиями раздела 5 Норм.

8.2.6. Допускается использование фланцевых соединений без расчета по обоснованию выбора основных размеров при изготовлении их в соответствии с ГОСТ 12815 - ГОСТ 12822.

8.2.7. Фланцевые соединения, рассчитанные по настоящей методике, гарантируют не менее 1000 циклов подъема и сброса давления при сроке службы 100 тыс. ч.

8.3. Расчетное давление

8.3.1. Под расчетным давлением фланцевого соединения следует понимать избыточное давление, на которое производится расчет на прочность фланцевого соединения.

8.3.2. Расчетное давление фланцевого соединения следует принимать не менее расчетного давления изделия.

8.3.3. Если давление гидравлического испытания изделия ph превышает 1,3 расчетного давления изделия, то следует выполнить расчет фланцевого соединения на условия гидравлического испытания. Если ph<1,3р, то такой расчёт можно не выполнять.

8.4. Расчетная температура

8.4.1. Под расчетной температурой металла рассчитываемой детали фланцевого соединения следует понимать температуру, по которой принимается значение допускаемого напряжения.

8.4.2. Расчетную температуру металла фланца следует принимать равной расчетной температуре металла изделия в рабочих условиях. Если выполняется расчет на условия гидравлического испытания согласно подразделу 8.3.3, то в качестве расчетной температуры принимается температура гидравлического испытания.

Расчетную температуру металла фланцевого соединения, не обогреваемого горячими газами или надежно изолированного от обогрева извне, следует принимать равной температуре содержащейся в нем рабочей среды без учета допусков по отклонению температуры от номинального значения, установленных ГОСТ 3619, ГОСТ 21563, ГОСТ 22530.

8.4.3. Если температура металла ниже 80°С, то за расчетную принимается температура 20°С.

8.4.4. Расчетную температуру шпилек, в том числе ввертных, следует принимать равной 0,95 от расчетной температуры фланца.

8.4.5. Расчетную температуру металла мембран следует принимать равной расчетной температуре фланца.

8.5. Допускаемые напряжения

8.5.1. Допускаемое напряжение металла фланца следует принимать согласно разделу 2 Норм. Допускаемые напряжения для шпилек, изготовленных из широко используемых для крепежных изделий сталей, следует принимать по таблице 8.2.

Таблица 8.2

Допускаемое напряжение для шпилек из углеродистых и низколегированных сталей, МПа

Температура, °С

ВСт3сп

ВСт4сп

20

25

30

35

40

45

ГОСТ 380

ГОСТ 1050

ГОСТ 1050, ГОСТ 10702

20

105,0

110,0

110,0

120,0

128,0

138,0

148,0

158,0

100

97,0

102,0

106,0

112,0

120,0

130,0

140,0

150,0

200

88,0

95,0

100,0

105,0

110,0

120,0

130,0

140,0

250

83,0

90,0

95,0

100,0

105,0

110,0

120,0

130,0

300

78,0

85,0

90,0

92,5

97,5

100,0

110,0

120,0

350

-

-

80,0

85,0

87,5

90,0

100,0

110,0

375

-

-

75,0

80,0

82,5

85,0

90,0

100,0

400

-

-

-

-

75,0

77,5

80,0

90,0

Продолжение таблицы 8.2.

Температура, °С

35Х

40Х

30ХМА.35ХМ

25Х1МФ

25Х2М1Ф

20Х1М1Ф1ТР

ГОСТ 4543, ГОСТ 10702

ГОСТ 20072

20

205,0

215,0

266,0

300,0

300,0

300,0

100

190,0

203,0

250,0

290,0

290,0

290,0

200

175,0

185,0

230,0

275,0

275,0

275,0

250

165,0

175,0

220,0

270,0

270,0

270,0

300

155,0

165,0

210,0

260,0

260,0

260,0

350

145,0

150,0

200,0

245,0

245,0

250,0

375

140,0

145,0

185,0

230,0

235,0

240,0

400

130,0

135,0

165,0

205,0

220,0

230,0

425

110,0

115,0

145,0

180,0

205,0

220,0

450

-

-

115,0

155,0

180,0

205,0

475

-

-

-

130,0

150,0

190,0

500

-

-

-

85,0

125,0

165,0

510

-

-

-

-

115,0

157,5

520

-

-

-

-

-

152,5

530

-

-

-

-

-

147,5

540

-

-

-

-

-

140,0

550

-

-

 

-

-

132,5

560

-

-

-

-

-

125,0

570

-

-

-

-

-

112,5

580

-

-

-

-

-

100,0

Для шпилек диаметром менее 24 мм допускаемые напряжения [ss], принимаемые по таблице 8.2, необходимо умножить на величину поправочного коэффициента K0, принимаемого по таблице 8.3 или по формуле .

Таблица 8.3

Выбор поправочного коэффициента

Диаметр шпильки d0s, мм

12

14

16

18

20

22

Поправочный коэффициент K0

0,4

0,5

0,6

0,7

0,8

0,9

Шпильки диаметром менее 24 мм рекомендуется применять с контролируемым затягом.

8.5.3. Допускаемые напряжения для шпилек, изготовленных из марок сталей, не указанных в таблице 8.2 или по которым имеются специальные технические требования и данные по гарантированным характеристикам кратковременной и длительной прочности, следует определять по формуле

где  - минимальное значение условного предела текучести при остаточной деформации 0,2% при расчетной температуре металла шпилек (в том числе при t=20°C), МПа;

,  - среднее значение предела длительной прочности на заданный ресурс (105 или 2×105 ч) при расчетной температуре металла шпилек, МПа.

8.5.4. Допускаемые напряжения металла фланца и шпилек, имеющие номинальный диаметр резьбы больше номинального диаметра гладкой части, в условиях гидравлического испытания и монтажа принимаются равными

           

при наличии гарантированных характеристик металла или =1,80 и =1,36, где и  принимаются в соответствии с пп. 8.5.1 - 8.5.2.

Допускаемые напряжения металла шпилек с одинаковыми номинальными диаметрами резьбы и гладкой части в условиях гидравлического испытания принимаются равными

     или   

8.6. Номинальные и фактические размеры деталей фланцевого соединения

8.6.1. Номинальные размеры деталей фланцевого соединения и фактические размеры должны быть не менее расчетных.

8.6.2. Если при контроле фактических размеров фланцев обнаруживается отклонение какого-либо расчетного параметра в сторону понижения запаса прочности более чем на 5%, то следует выполнить расчет фланцевого соединения по фактическим размерам.

Фактическое значение шага между отверстиями не должно отличаться от принятого в расчете более чем на 5% в обе стороны.

8.7. Предварительный выбор размеров деталей фланцевого соединения

8.7.1. Исходные данные

8.7.1.1. Геометрические размеры изделия: толщина стенки s и внутренний диаметр D. Внутренний диаметр фланца следует принимать равным внутреннему диаметру изделия.

8.7.1.2.Расчетное давление фланцевого соединения р.

8.7.1.3. Допускаемые напряжения при расчетной температуре, при 20°С и при условии гидравлического испытания для металла фланца и шпилек, принимаемые по заданной или выбранной марке стали, обозначаются , , , , , .

8.7.1.4. Толщина стенки цилиндрического участка фланца с коническим переходом s1, a также цилиндрическая часть плоского фланца

где Ds - плюсовое отклонение на толщину стенки. Во всех случаях Ds должно быть не менее 5 мм.

8.7.1.5. Высота цилиндрического участка фланца с коническим переходом h1 должна приниматься равной s1, но не менее 10 мм.

Допускается при s1³20 мм принимать h1³0,8s1 при условии, что уменьшение цилиндрического участка не будет препятствовать контролю сварного соединения фланца с изделием.

8.7.1.6. Диаметры шпилек и отверстий под шпильки принимаются по таблице 8.4. Таблица составлена на основе применения шпилек с крупным шагом по ГОСТ 24705. При использовании других резьб следует внести соответствующие изменения в таблице 8.4.

Таблица 8.4

Размеры шпилек, рекомендуемые для фланцевых соединений

Размер, мм

d0s, мм

12

14

16

18

20

22

24

27

30

36

42

45

48

52

56

60

64

68

ds

9,85

11,54

13,54

14,93

16,93

18,93

20,32

23,32

25,70

31,1

36,5

39,48

41,87

45,87

49,25

53,25

56,64

60,64

d0

14

16

18

20

23

25

27

30

33

40

46

48

52

58

62

66

70

75

е

25

27

28

32

35

39

42

47

53

64

75

75

87

93

98

104

110

116

а

9

9

9

9

10

10

11

12

12

14

15

15

16

17

18

19

20

21

2a1

6

6

6

6

6

8

10

10

10

14

15

15

15

15

15

15

15

15

8.7.1.7. Рекомендуемые значения диаметров шпилек в зависимости от условного давления py и условного диаметра Dy приведены в таблице 8.5.

При выполнении расчетов на ПЭВМ рекомендуется выбор диаметра шпилек начать с меньшего значения d0s.

Таблица 8.5

Рекомендуемые диаметры шпилек

py, МПа

Dy, мм

800

1000

1200

1600

2000

2400

2800

3200

До 1,0 вкл.

M20

M20

M24 - M30

1,6

M20

M20

M24 - M30

2,5

M20

M24 - M30

М42 - М64

4,0

M24

M30 - M42

М42 - М56

М56 - М64

6,4

M30

М30 - М42

М42 - М56

М56 - М68

8,0

М30 - М36

М36 - М48

М48 - М56

М56 - М68

10,0

М36 - М42

М42 - М52

М52 - М60

М60 - М68

12,0

М42 - М52

М42 - М56

М56 - М60

М60 - М68

16,0

М52 - М56

М56 - М64

-

20,0

М56 - М64

М64 - М68

-

8.7.1.8. Тип, конструкция, материал и основные размеры прокладок, а также их характеристики принимаются по таблицам 8.6, 8.7, 8.8 в соответствии с типом и конструкцией фланца.

Таблица 8.6

Значение пределов текучести s0,2 для металлов плоских, профильных и зубчатых прокладок

Металл

s0,2, МПа

Алюминий

35

Медь

70

Армко-железо

150

Сталь 10

180

Сталь 20

200

Аустенитная сталь

220

Таблица 8.7

Размеры прокладок

Прокладка

Внутренний диаметр фланца D, мм

Ширина прокладки b0, мм

Плоская неметаллическая

D£1000

³10 - 20

1000<D£2000

D>2000

Плоская металлическая

D£1000

³10 - 20

D>2000

Плоская комбинированная

D£1000

³10 - 20

Зубчатая металлическая

D>2000

³10 - 20

Профильная ру>6,4 МПа

600<D£800

³6

800<D£1000

³8

D>1000

³10


Таблица 8.8

Эффективная ширина прокладок, удельное давление на прокладку и коэффициент m

Тип прокладки

Конструкция прокладки

Материал

b, мм

Рабочая среда

Вода

Пар, пароводяная смесь

m

q0, МПа

m

q0, МПа

Мягкая

Плоская

Фторопласт

b0

1,25

25

1,25

25

Паронит

b0 при b0£10

1,5

2,5

 при b0>10

Резина мягкая

0,5b0

1

10

1

10

Резина твердая

b0

1

20

1

21

Комбинированная

Спиральная

Перлитная сталь

b0

1,5

27

2,5

50

Гофрированная лента

Алюминий, его сплавы

b0

1,75

20

3,0

30

Медь, ее сплавы

b0

1,9

20

3,25

35

Перлитная сталь

b0

2,0

22

3,5

40

С наружной металлической оболочкой

Алюминий, его сплавы

b0

1,9

27

3,25

50

Медь, ее сплавы

b0

2,0

32

3,5

60

Перлитная сталь, армко-железо

b0

2,25

38

3,75

70

Металлическая

Плоская

Алюминий

b0 при b0£10

2,0

3,5

Перлитная сталь, армко-железо

 при b0>10

3,0

5,0

Медь

2,5

4,5

Аустенитная сталь

3,5

100

6,0

Профильная (ромб, круг, овал, восьмигранная сталь)

Никель

0,6b0

2,5

4,5

Алюминий

2,0

3,5

Перлитная сталь

3,0

5,0

Аустенитная сталь

3,5

6,0

Зубчатая с числом зубцов zn

Армко-железо

0,5

2,25

310-0,2

3,75

Перлитная сталь

Аустенитная сталь

2,5

4,25

Примечание. Напряжение s0,2 принимается при температуре 20°С; K1=0,8.


8.7.2. Определение размеров прокладки

8.7.2.1. Расстояние от внутренней кромки фланца до внутреннего диаметра прокладки u принимается по таблице 8.9.

Таблица 8.9

Прокладка

u, мм, не менее

Плоская:

 

     резина

3d

     паронит

2d

     металл

d

Комбинированная и зубчатая

d

Профильная

3d

Примечание. d - толщина прокладки, высота зубца, диаметр прутка или наибольшая высота профильной прокладки, мм.

8.7.2.2. Наружный диаметр прокладки определяется по формуле

Для профильных прокладок b0 - ширина профиля (наибольший размер).

Для плоских приварных фланцевых соединений

8.7.3. Выбор размеров конического перехода

8.7.3.1. Относительная толщина конического перехода у основания фланцевого соединения К предварительно принимается согласно таблице 8.10.

Таблица 8.10

ру, МПа

0,1 - 0,25

0,6

1,0

1,6

2,5

4,0

6,4

10,0

16,0

20,0

К

1,3

1,4

1,5

1,6

1,8

2,0

2,2

2,4

2,6

2,8

Примечание. K=s2/s1.

8.7.3.2. Толщина конического перехода определяется по формуле s2=Rs1.

При выполнении расчетов на ПЭВМ рекомендуется первоначально принимать s2=2s1.

8.7.3.3. Высота конического перехода предварительно принимается равной h2=3s1.

8.7.4. Геометрия размещения шпилек и выбор наружного диаметра фланца

8.7.4.1. Диаметр окружности шпилек и наружный диаметр фланца определяются по формулам:

для фланцев с коническим переходом

для плоского фланца

для плоского приварного фланца

для нажимного кольца

для опорного бурта

где геометрические размеры а, а1, e, d0 (см. рисунок 8.1) принимаются в зависимости от выбранного наружного диаметра шпильки (см. таблицу 8.4). Геометрический размер а принимается не менее радиуса перехода r от шейки фланца или от цилиндрического участка фланца к тарелке фланца.

Радиус перехода r рекомендуется принимать в пределах (0,6 - 0,8)s1, но не менее 6 мм при D£600 мм; 10 мм при 600<D<1000 мм; 12 мм при D³1000 mm.

Примечание. Допускается уменьшение диаметра окружности шпилек и наружного диаметра фланца при условии обеспечения возможности сборки и затяга шпилек.

8.7.4.2. Значение шага шпилек должно находиться в пределах, указанных в таблице 8.11, и выбирается исходя из опыта эксплуатации аналогичных фланцевых соединений.

Таблица 8.11

Условный диаметр

Условное давление

Обычные гайки

Колпачковые гайки

Dy>100 мм

py<2,5 МПа

2,1d0£ls£5d0

1,5d0£ls£5d0

ру>2,5 МПа

2,1d0£ls£3d0

1,5d0£ls£3d0

Dy£100мм

Независимо от ру

2,1d0£ls£5d0

1,5d0£ls£5d0

Рекомендуемое значение шага шпилек из условия местного раскрытия фланцевого соединения принимается:

при pD£1200          

при pD>1200           - для обычных гаек,

                                  - для колпачковых гаек.

8.7.4.3. Число шпилек

Принимается значение числа шпилек z, округленное в большую сторону. Рекомендуется принимать число шпилек кратным четырем.

Допускается при z¢>8 принимать значения числа шпилек, округленные до ближайшего большего целого числа, при z¢<8 число шпилек должно быть кратно двум, но не менее четырех шпилек.

8.7.4.4. Уточненное значение шага шпилек

8.7.4.5. Расчетный диаметр прокладки определяется по формуле

Dm=Dd-b0.

8.7.4.6. Наружный диаметр мембраны определяется по формуле

D0m<Ds-d0s-10.

8.7.5. Определение усилий на шпильки

8.7.5.1. Минимальное усилие, необходимое для обжатия прокладки

где b, b0, q0 принимаются согласно п. 8.7.1.8.

При уплотнении мембранного типа Fd=0.

8.7.5.2. Минимальное усилие на прокладку, необходимое для сохранения плотности при рабочем давлении и давлении гидравлического испытания:

       

где q=mxp - удельное давление на прокладку в рабочих условиях, МПа;

qh - удельное давление на прокладку при гидравлическом испытании, МПа:

qh=0,8mxph, где произведение mx выбирается по таблице 8.12.

Таблица 8.12

Прокладка

mx

Фланцы сосудов

Фланцы трубопроводов

Плоская, комбинированная

1,2

1,5

Профильная, зубчатая

1,5

2,0

Для металлических прокладок коэффициент x принимается равным единице. Для остальных прокладок коэффициента выбирается по таблице 8.13.

Таблица 8.13

Температура, °С

20

200

300

400

х

1,0

1,5

2,0

2,5

При уплотнении мембранного типа F2=0, F2h=0.

8.7.5.3. Растягивающие усилия в шпильках от рабочего давления и давления гидравлического испытания определяются по формулам:

при уплотнении прокладочного типа

          

при уплотнении мембранного типа

         

8.7.5.4.Расчетные усилия, воспринимаемые шпильками, следующие:

при уплотнении прокладочного типа

 - усилие затяга;

Foh=F2h+Fh - усилие при гидравлическом испытании;

F1=F2+Fp - усилие в рабочих условиях при расчетной температуре ниже 400°С;

 - усилия в рабочих условиях при расчетной температуре, равной или более 400°С;

при уплотнении мембранного типа

F0=0,3Fp - усилие затяга во фланцевом соединении, работающем при расчетной температуре ниже 400°С,

F0=(0,3+0,5n)Fp - усилие затяга во фланцевом соединении, работающем при расчетной температуре, равной или более 400°С,

Foh=Fh - усилие при гидравлическом испытании,

Ft=1,3Fp - усилие в рабочих условиях.

Коэффициент n, учитывающий влияние ползучести, следует принимать по таблице 8.14.

Допускается принимать меньшее значение коэффициента n, если это обосновано расчетом релаксации напряжений в шпильках и резьбе.

Таблица 8.14

Сталь

n

Температура среды, °С

375

400

425

450

475

500

525

550

575

600

625

Углеродистая

0

0,5

1,0

1,5

2,5

4,0

-

-

-

-

-

Хромистая, хромомолибденовая

0

0

0,5

1,0

1,5

2,5

4,0

6,0

 

-

-

Хромомолибденованадиевая

0

0

0

0,5

1,0

1,5

2,5

4,0

6,0

-

-

Аустенитная

0

0

0

0

0

0

0,5

1,0

1,5

2,0

4,0

8.7.6. Проверка условий прочности в шпильках

8.7.6.1. Напряжение растяжения в шпильках при затяге определяется по формуле

8.7.6.2. Напряжение растяжения в шпильках при гидравлическом испытании определяется по формуле

8.7.6.3. Напряжение в шпильках в рабочих условиях определяется по формуле

8.7.6.4. При невыполнении одного из условий прочности расчет следует повторить с п. 8.7.4.3, последовательно увеличивая число шпилек z на величину z+4 и проверяя условия по пп. 8.7.6.1 - 8.7.6.3. Окончательное число шпилек z не должно превышать значения

z=zKэ,

где Кэ - коэффициент, определенный экономическим расчетом для конкретных условий производства. При отсутствии такого расчета Кэ=1,07¸1,12. Если при числе шпилек z=zKэ условия прочности не выполняются, то расчет повторить с подраздела 8.7.1.6, приняв большее значение диаметра шпилек.

8.7.6.5. Изгибающий момент от внешних нагрузок допускается без дополнительных расчетов, если его значение удовлетворяет условию

8.7.7. Предварительный выбор толщины тарелки фланца

8.7.7.1. Предварительно толщина тарелки фланца выбирается исходя из опыта эксплуатации аналогичных фланцевых соединений.

8.7.7.2. Для оценки толщины тарелки фланца могут быть использованы следующие формулы. Для фланцев с коническим переходом:

если произведение pD£1100, то

hf=s2;

если произведение pD>1100, то при применении прокладочного уплотнения

если произведение pD>1100, то при применении мембранного уплотнения

Примечание. Конструкции фланцевых соединений с hf<s2 не рекомендуются к применению и не рассматриваются.

Для плоских фланцев, опорного бурта и нажимного кольца следует принять

 

где l=0,25(р/10¸1).

8.8. Обоснование выбранных размеров фланца

8.8.1. Изгибающие моменты во фланцах

8.8.1.1. Расчетные схемы фланцев даны на рисунках 8.3 - 8.6.

Рисунок 8.3. Фланец с коническим переходом

Рисунок 8.4. Фланец с нажимным кольцом

Рисунок 8.5. Фланец с мембранным уплотнением

Рисунок 8.6. Плоский фланец

8.8.1.2. Изгибающий момент от усилия обжатия прокладки определяется по формулам:

во фланцах с коническим переходом и в плоских фланцах

Md=Fdl2,

где Fd - усилие, которое принимается согласно п. 8.7.5.1, Н;

l2=0,5(Ds-Dm) - плечо действия усилия при затяге, мм;

в нажимном кольце

Md=Fdl4,

где

в опорном бурте

Md=Fdl5,

где l5=0,5(Df-Dm).

8.8.1.3. Изгибающий момент от усилий, действующих в рабочем состоянии, определяется по формулам:

во фланцах с коническим переходом и в плоских фланцах с прокладочным уплотнением

Mp=F1l1+F2l2+F3l3.

где  - усилие от действия давления внутри корпуса, Н;

l1=0,5[(Ds-(D-s1)] - плечо действия усилия F1, мм;

F2 - усилие, которое принимается согласно п. 8.7.5.2, Н;

l2 - плечо действия усилия F2, которое принимается согласно п. 8.8.1.2, мм;

 - усилие от действия давления на внутренний участок тарелки фланца, Н;

 - плечо действия усилия F3, мм;

во фланцах с мембранным уплотнением

Mp=F1l1+F4l8,

где  - усилие от действия давления на внутренний участок тарелки фланца и мембраны, Н;

 - плечо действия усилия F4, мм;

в нажимном кольце

Mp=(F1+F2+F3)l4;

в опорном кольце

Mp=F1l6+F2l5+F3l7,

где l6=0,5(Df-D-s1); .

8.8.1.4. Изгибающие моменты Мh во фланцах, в нажимном кольце и в опорном бурте от давления гидравлического испытания ph определяются по формулам п. 8.8.1.3. При этом в формулах определения усилий F1, F2, F4 вместо расчетного давления р подставляется давление гидравлического испытания ph, усилие F2 от расчетного давления заменяется на усилие F2h от давления гидравлического испытания, определяемое согласно п. 8.7.5.2.

8.8.2. Определение напряжений по расчетным сечениям

8.8.2.1. Моменты сопротивления фланца с коническим переходом определяются по формулам:

для сечения А - А

для сечения В - В

 если y£hf;

 если y<hf,

где

для сечения С - С

Расчет производится, если hf=s2.

Примечание. Если в рассматриваемом сечении расположен сварной шов, то расчет производится с введением коэффициента прочности сварного шва на изгиб согласно разделу 4.

8.8.2.2. Момент сопротивления плоского * фланца определяется по формуле

* Приварка плоского приварного фланца к изделию (труба, сосуд) одним сварным швом не допускается.

8.8.2.3. Момент сопротивления фланца с нажимным кольцом определяется по формулам:

для опорного бурта

для нажимного кольца

8.8.2.4. Для фланцевых соединений значение редуцированного диаметра отверстия следует принимать:

d0R=0,5d0 при Dy³500 мм;

d0R=d0(1-0,001Dy) при Dy<500 мм.

8.8.2.5. Напряжение во фланцах во всех сечениях определяется по формуле

s=M/W,

где М - изгибающий момент для трех состояний фланцевого соединения, Н×мм; определяется согласно пп. 8.8.1.2 - 8.8.1.4;

W - момент сопротивления, мм3; определяется в соответствии с пп. 8.8.2.1 - 8.8.2.3.

Проверка напряжений производится во всех расчетных сечениях при всех видах нагружения.

8.8.2.6. Для всех сечений и всех видов нагружения должно выполняться условие прочности

s£[sf].

Допускается превышение расчетного напряжения в сечениях над допускаемым на 5%.

8.8.2.7. Для оптимизации размеров фланцев рекомендуется:

для фланцевого соединения с коническим переходом

изменить значение s2 в  раз, но s2 должно быть не менее чем 1,1s1 , если расчетные напряжения по сечению А - А отличаются от допускаемых более чем на 5%. Расчет фланцевого соединения при новом значении s2 следует повторить начиная с п. 8.7.4.1 до выполнения условия прочности;

изменить значение s2 в  раз и повторить расчет начиная с п. 8.7.4.1, если расчетные напряжения по сечению С - С отличаются от допускаемых более чем на 5%;

изменить значение h2 в  раз и расчет при новом значении следует повторить начиная с п. 8.8.2.1 до выполнения условия прочности, если расчетные напряжения по сечению В-В отличаются от допускаемых более чем на 5%.

По окончании проверки выполнения условия прочности необходимо проверить условие

Если h2/(s2-s1)>5, то расчет фланца следует повторить начиная с п. 8.7.4.1 при значении s2=s1+h2/5. Если h2/(s2-s1)<2, то расчет фланца следует повторить начиная с п. 8.8.2.1 при значении h2=2(s2-s1);

для плоского фланцевого соединения

увеличить значение hf в  раз; при этом 2hf должно быть не более, чем значение выражения Df-D-2s1, если расчетные напряжения по сечению А - А превышают допускаемые более чем на 5%. Расчет плоского фланца при новом, значении hf следует повторить начиная с п. 8.8.2.2 до выполнения условия прочности.

Если обеспечить выполнение условия 2hf £Df-D-2s1 не удается, то рекомендуется перейти на фланец с коническим переходом.

8.8.3. Проверка толщины тарелки фланцев по предельному состоянию

8.8.3.1. Вычисление вспомогательных величин:

для фланцев с прокладочным уплотнением

где

для фланцев с коническим переходом

при g³1,0                                                 

при g<1,0                                                 

где

для плоских фланцев

для опорного бурта

в формулах вычисления вспомогательных величин A,y, В заменить l1 на l6, l2 на l5:

для нажимного кольца

Если при затяге шпилек используется гидравлическое или другое устройство (без применения крутящего момента), обеспечивающее надежный контроль за усилием затяга, то вместо допускаемого напряжения [ss] в формулу вычисления коэффициента А подставляется максимальное расчетное напряжение в шпильках, по которому выбран диаметр шпилек;

для фланцев с коническим переходом и мембранным уплотнением

Коэффициенты В, Y, С определяются по формулам для фланцев с коническим переходом и прокладочным уплотнением.

8.8.3.2. Толщина тарелки фланца, определяемая методом предельных нагрузок, равна

Если А£В, то принимается hf2=hf.

Толщина нажимного кольца, определяемая методом предельных нагрузок, равна

8.8.3.3. Во всех случаях окончательная толщина тарелки фланца должна быть не менее толщины тарелки, определенной расчетом по предельному состоянию (см. п. 8.8.3.2).

Для оптимизации размеров фланца производится проверка ранее полученной толщины тарелки фланца сопоставлением значения hf2 окончательным значением hf, рассчитанным в соответствии с п.8.8.2.6:

L=hf2/hf.

При L£1,03 для дальнейшего расчета принимается ранее полученное значение толщины тарелки фланца, равное hf . Если L>1,03, то расчет следует повторить начиная с п. 8.7.4.1 при значении 1,05s2 для фланцев с коническим переходом и начиная с п. 8.8.2.2 при значении hf, равном hf2 для плоских фланцев, до тех пор, пока не будет получено L£1,03.

8.9.Проверка прочности шпилек на растяжение и изгиб

8.9.1. Угол поворота фланца с коническим переходом под действием внутреннего давления и усилия со стороны шпилек

где М - максимальный изгибающий момент (определенный в разделе 8.8) при температуре гидравлического испытания, при 20°С и рабочей температуре.

Угол поворота плоского фланца определяется по этой же формуле с заменой суммы s1+s2 на 2s1.

8.9.2. Напряжение в шпильках от изгиба фланца

Окончательные значения ds и hf - принимаются в соответствии с подразделами 8.7.6 и 8.8.3.

8.9.3. Для проверки условия прочности определяется суммарное приведенное напряжение от растяжения (определенное в подразделе 8.7) и изгиба

которое сопоставляется с допускаемым напряжением

8.10. Выбор размеров и расчет мембраны

8.10.1. Исходные данные

Длина (ширина) мембраны принимается равной

Толщина мембраны (s4)j принимается в соответствии с рекомендуемым рядом размеров 4, 5, 6, 7, 8, 10 мм*.

* Значения толщины мембраны s4 приняты по опытным данным ПО "Красный котельщик".

Нерасчетные размеры фланца, обеспечивающие возможность уплотнения мембран (приварка ее к фланцу и сварка мембран между собой), рекомендуется принимать следующими: угол скоса фланца a1=9°, высота выступа фланца h3=10 мм.

Мембраны должны изготавливаться из листа конструкционной стали марки 20К по ГОСТ 5520. Конструкция мембранного уплотнения представлена на рисунке 8.7.

Рисунок 8.7

8.10.2. Вычисление вспомогательных величин:

8.10.3. Напряжение от внутреннего давления

8.10.4. Напряжение от поворота и раскрытия фланца

8.10.5. Суммарное напряжение в мембране

Задаваясь значениями отношения s4/b4 от 0,2 до 0,1 с интервалом 0,01 для каждого из значений толщины мембраны (см. подраздел 8.10.1). следует найти минимальное значение напряжения s0m, которое и определит оптимальную толщину мембраны s4.

8.10.6. Для углеродистых сталей расчетное число циклов мембраны определяется по формуле

Циклом нагружения мембраны следует считать пуск-останов сосуда, гидравлическое испытание и любую разгрузку с последующим нагружением, если при этом величина давления снижается более чем на 30% по сравнению с величиной рабочего давления.

При необходимости выполнения уточненного расчета следует определять напряжения по каждому из указанных трех видов циклов нагружения. Допустимое число циклов каждого вида нагружения может быть установлено по принципу линейного суммирования повреждаемости согласно разделу 5 Норм. Напряжение, приведенное в п. 8.10.3, определяется только по расчетному давлению в рабочих условиях.

Расчетное число циклов соответствует минимальному количеству циклов до разуплотнения мембраны на отдельном участке сварного шва (определенному с запасом 10 по числу циклов) при сохранении плотности на всем остальном периметре шва.

Разуплотнение отдельного участка сварного шва мембраны устраняется сваркой в соответствии с инструкциями предприятия-изготовителя.

Если расчетное число циклов лежит в пределах 100 - 200, это значение должно быть специально занесено в паспорт сосуда.

Во всех случаях расчетное число циклов должно быть не менее 100. При невозможности обеспечить указанное число циклов должна быть применена другая конструкция мембранного уплотнения.

9. МЕТОДИКА РАСЧЕТА НА ПРОЧНОСТЬ ЦЕЛЬНОСВАРНЫХ ГАЗОПЛОТНЫХ КОНСТРУКЦИЙ

9.1. Основные понятия и определения

9.1.1. Цельносварная газоплотная конструкция (рисунок 9.1) образована мембранными экранами, представляющими собой сваренные друг с другом плавниковые трубы или гладкие трубы с проставками (рисунок 9.2). Конструкция может быть как опертой, так и подвесной и в соответствии с компоновкой котла иметь П-, Т-, Г-образную или башенную конфигурацию.

Под термином оребренная труба в дальнейшем понимается либо плавниковая труба, т.е. труба, изготовленная металлургическим способом вместе с плавниками как единое целое, либо гладкая труба с приваренными к ней ребрами.

Рисунок 9.1

1 - жесткий диск каркаса; 2 - тарельчатые пружины; 3 - хребтовая балка; 4 - подвески; 5 - потолок котла; 6 - фестон; 7 - пояса жесткости; 8 - площадка обслуживания; 9 - переходный газоход; 10 - конвективная шахта: 11 - трубы вертикальные; 12 - горелки; 13 - колонна каркаса; 14 - холодная воронка

Рисунок 9.2

а - мембранный экран из плавниковых труб; б - мембранный экран из гладких труб; в - схема приложения усилий и моментов к оребренной трубе

Условные обозначения представлены в таблице 9.1.

Таблица 9.1

Символ

Наименование

Единица измерения

da

Наружный диаметр трубы

мм

d

Внутренний диаметр трубы

мм

s

Номинальная толщина стенки оребренной трубы

мм

tat

Шаг оребренной трубы

мм

h

Высота ребра

мм

s1

Толщина ребра в корне

мм

s2

Толщина ребра в вершине

мм

Y=arcsin s1/da

Угол

рад.

b

Отношение наружного диаметра трубы к внутреннему

 

2A

Ширина фронтового (заднего) экрана

мм

2B

Ширина фронтового экрана

мм

2L

Расстояние между поясами жесткости

мм

x=(A; B)

Расчетная ширина экрана

мм

,

Воспринятый тепловой поток при одностороннем и двухстороннем обогревах экрана

Вт/м2

a1

Коэффициент линейного расширения при расчетной температуре

1/°С

l1

Коэффициент теплопроводности при расчетной температуре

Вт/(м×K)

a2

Коэффициент теплоотдачи

Вт/(м2×K)

a1

Коэффициент температуропроводности при расчетной температуре

мм2

Ti (i=1¸6)

Температура в расчетной точке

°С

tm

Температура среды

°С

m

Коэффициент Пуассона

 

Et

Модуль упругости при расчетной температуре

МПа

p

Внутреннее давление в трубах

МПа

pa

Величина аварийного разрежения в топке (газоходе)

МПа

pT

Расчетное давление в топке (газоходе) при хлопке

МПа

X, Y, Z

Прямоугольные координаты

 

r, j

Полярные координаты

 

Px, Py, Pz

Усилия на оребренную трубу, действующие по осям X, У, Z

Н

px, py

Погонные усилия на ребра оребренной трубы по осям X, Y

Н×мм

Mzy, Mxy

Погонные изгибающие моменты в мембранной стенке, отнесенные к единице длины

Н

Q

Поперечная сила, сила сдвига

Н

sm

Общие мембранные напряжения

МПа

smL

Локальные мембранные напряжения

МПа

sb

Общие изгибные напряжения

МПа

sbL

Локальные изгибные напряжения

МПа

[s]

Допускаемые напряжения

МПа

s1, s2, s3

Главные напряжения

МПа

sj

Окружные напряжения

МПа

sz

Осевые напряжения

МПа

sr

Радиальные напряжения

МПа

sX

Поперечные напряжения

МПа

tjz; txz

Касательные напряжения

МПа

se

Эквивалентные напряжения

МПа

ssm

Напряжения смятия

МПа

tsr

Напряжения среза

МПа

[N]

Допускаемое число циклов

 

[sa]

Допускаемая амплитуда напряжений

МПа

jw, j2w

Коэффициенты прочности сварных соединений

 

Критерий Био

 

9.2. Общие положения

9.2.1. В основу расчета положен принцип оценки прочности конструкции по несущей способности, которая определяется предельным состоянием перехода наиболее нагруженного сечения из упругого состояния в пластическое. При этом напряженное состояние определяется по гипотезе Треска-Сен-Венана наибольшими касательными напряжениями. Характеристики пластичности сталей, применяемых при изготовлении оребренных труб, позволяют проводить оценку прочности по упруго-пластическим напряжениям, т.е. выполнять расчет по упругой схеме.

Обычно под расчетом на прочность понимается поверочный расчет, служащий для проверки выполнения условий прочности при заданных основных размерах конструкции и расчетных нагрузках.

9.2.2. Допускается использование других методов расчета на прочность цельносварных мембранных конструкций при условии согласования метода расчета с разработчиком и при обеспечении нормативных запасов прочности.

9.2.3.Последовательность выполнения расчетов на прочность

Расчет на прочность мембранных конструкций выполняется после выбора основных размеров. Исходя из сложившейся практики проектирования и расчетов котлов, а также из-за необходимости последовательного учета основных видов нагрузок, определяющих надежность эксплуатации, в основу методики положен принцип разделения поверочного расчета прочности мембранных конструкций на два этапа: расчет на статическую прочность и расчет на циклическую прочность.

Для опертых мембранных конструкций выполняется расчет на устойчивость.

Выполняется расчет на статическую прочность от воздействия механических нагрузок, причем на этом этапе должны быть учтены не только статические нагрузки, но и максимальные значения нагрузок от хлопка, аварийного разрежения и сейсмики, одноразовое воздействие которых может привести к недопустимым пластическим деформациям или к разрушению всей мембранной конструкции.

В результате расчета определяются условно-упругие мембранные напряжения в стенках труб и в ребрах (проставках), а также изгибные напряжения, условно приведенные к мембранным, с учетом соотношения между упругим и пластическим моментом сопротивления и производится проверка условий прочности для расчетных сечений 1-2, 3-4, 5-6 оребренных труб (см. рисунок 9.2).

Расчет на циклическую прочность предназначен для оценки усталостной прочности при механических и температурных воздействиях. В результате расчета определяются амплитуды знакопеременных условно-упругих напряжений в расчетных точках 1, 2, 3, 4 и 5 (см. рисунок 9.2) оребренных труб и производится проверка условий прочности. На основании поверочного расчета определяется расчетный ресурс мембранных поверхностей нагрева котла в соответствии с заданным числом пусков из холодного и горячего состояний. При проведении поверочного расчета на прочность мембранных экранов необходимо учитывать допуски на изготовление, а также утонение стенок труб от коррозионно-эрозионного износа и влияние внутренних отложений в трубах.

9.2.4. Расчетные режимы

Основным расчетным режимом при оценке статической прочности (этап 1) является стационарный режим при номинальной производительности и параметрах пара котла.

Дополнительные режимы: работа при повышенной теплопроизводительности котла до 110%, с выключенными подогревателями высокого давления (ПВД), на скользящем давлении.

Расчетными режимами при оценке циклической прочности (этап 2) являются нестационарные режимы, вызванные циклическими изменениями расчетных параметров в период работы котла, в том числе пусками из холодного, горячего и промежуточных состояний и остановами, включая аварийные.

9.2.5. Расчетные зоны и узлы

Расчетными зонами являются наиболее напряженные зоны топки (газохода): зоны стыковых сварных соединений, разъемы экранов, сопряжения панелей с разной температурой среды, места расположения и размеры отверстий под горелки, лазы, смотровые лючки, обдувочные аппараты, зоны опорных и подкрепляющих элементов (включая антисейсмические), места расположения подвесок, а также другие конструктивные особенности.

Проверке подлежат сечения с наибольшими весовыми нагрузками: верхний ярус горелок, разъемы экранов, места крепления подвесок, сечения с максимальными тепловыми потоками, а также сечения на уровнях антисейсмического раскрепления котла. Расчетные сечения, как правило, принимаются на уровне пояса жесткости и посередине между поясами.

При использовании ЭВМ расчет выполняется для всей конструкции с автоматическим контролем напряжений в наиболее нагруженных элементах и с последующим уточнением результатов для отдельных зон.

9.2.6. Расчетные температуры

На первом этапе расчета на прочность для оребренной трубы вводятся три расчетных сечения (1-2, 3-4 и 5-6 на рисунке 9.2). Под расчетной температурой в каждом сечении следует понимать среднюю температуру, по которой определяется допускаемое напряжение, а также принимаются характеристики металла at, Еt, lt, a2 для оребренной трубы.

На втором этапе рассматриваются напряжения в расчетных точках 1, 2, 3, 4 и 5 оребренной трубы (указанных трех расчетных сечений). Под расчетной температурой в каждой точке следует понимать максимальную температуру в каждом расчетном цикле, при которой производится расчет на циклическую прочность.

Значения расчетных температур определяются на основании тепловых расчетов или по результатам испытаний с учетом повышения этих температур за счет внутренних отложений в межпромывочный период.

Под допустимой температурой металла следует понимать наибольшее значение температуры, для которой допустимо применение в оребренной трубе данной марки стали.

Для металла труб допустимая температура установлена в разделе 1 Норм.

Для металла ребра (проставки) допустимая температура указана в таблице 9.2.

Таблица 9.2

Марки сталей

ВСт3сп, ВСт3пс

10, 15, 20

12МХ, 12ХМ

15ХМ

12Х1МФ

Температура, °С

420

500

540

560

600

В случае выполнения оребрения вваркой проставки электродуговой сваркой или токами высокой частоты допускается использование для трубы и ребра стали разных марок одной группы.

9.2.7. Расчетные нагрузки

9.2.7.1. Под расчетными нагрузками, действующими на оребренную трубу, понимают внутренние усилия (силы и моменты) в мембранных экранах, возникающие в результате действия на мембранную конструкцию силовых и температурных нагружающих факторов.

К основным нагружающим факторам относятся:

внутреннее давление в трубах;

весовые нагрузки (с учетом присоединенного оборудования);

избыточное давление или разрежение в топке (газоходе);

температурные воздействия.

Кроме указанных могут иметь место дополнительные нагружающие факторы, возникающие при нарушении нормальных условий эксплуатации и учитываемые отдельно: хлопок, аварийное разрежение, вибрация, ветер, сейсмическое воздействие.

В зависимости от характера воздействия и конструктивных особенностей расчетные нагрузки подразделяются на общие, действующие по всему поперечному сечению и (или) по всей длине труб мембранной конструкции, и на локальные, действующие на ограниченном участке.

Неравномерное распределение температуры по площади мембранной конструкции приводит к возникновению общих нагрузок в плоскости экранов, а температурный градиент между лобовой и тыльной поверхностями экрана - к возникновению общих изгибных нагрузок. Неравномерное распределение температуры по сечению оребренной трубы приводит к возникновению локальных нагрузок в плоскости трубы и локальных изгибных нагрузок.

В зависимости от характера изменения нагружающих факторов расчетные нагрузки могут иметь статический или циклический характер.

К статическим, относятся нагрузки, изменения которых в процессе эксплуатации не превосходят 15% от средних значений; к циклическим относятся нагрузки, размах колебаний которых превышает 15%.

При поверочном расчете принимается такое сочетание одновременно действующих нагрузок, при котором возникают наибольшие суммарные напряжения.

9.2.7.2. В зависимости от работы котла - под избыточным давлением (наддувом) или под разрежением - следует проверить мембранную конструкцию на заданное избыточное давление или разрежение. Эти расчеты проводятся для основного расчетного режима при расчетных температурах, соответствующих номинальной теплопроизводительности котла.

Если величина в топке (газоходе) не более 5×10-4МПа, то расчет мембранной конструкции на разрежение допускается не производить.

При работе котла под разрежением расчетное давление в топке (газоходе) принимается как для хлопка.

При работе котла под избыточным давлением расчетное давление в топке (газоходе) для хлопка принимается увеличенным по сравнению с максимальным рабочим давлением на величину, указанную в таблице 9.3.

Таблица 9.3

Поперечное сечение топки или газохода ´2В, м2

Расчетное давление при хлопке рТ×10-3, МПа

Менее 2

10

От 2 до 10

От 10 до 7

От 10 до 50

От 7 до 5

От 50 до 100

От 5 до 3

Свыше 100

3

В обоих случаях проверка прочности мембранной конструкции при хлопке производится на базе расчетной температуры, равной температуре среды при номинальной теплопроизводительности котла.

Величина аварийного разрежения, возникающего в топке (газоходе) при аварийном останове котла 300, 500, 800 и 1200 МВт в момент отключения горелок, принимается равной:

для газомазутных котлов pa =6,5×10-3 МПа,

для пылеугольных котлов рa=5,0×10-3 МПа.

9.3. Напряжения в мембранной конструкции

9.3.1. Классификация напряжений

Для мембранной конструкции используется декартовая система координат X, Y, Z (см. рисунок 9.1). Компоненты напряжений обозначаются в соответствии с принятыми индексами координатных осей.

При проведении расчетов на прочность используются категории общих (мембранных и изгибных) и локальных (мембранных и изгибных) напряжений, т.е. соответственно напряжений, распределенных по всему сечению экрана, и напряжений, сосредоточенных в некоторой ограниченной зоне экрана и перераспределяющихся в случае перегрузки на внешнюю его область, окружающую данную локальную зону.

Под мембранными понимаются напряжения в расчетном сечении мембранной конструкции, равномерно распределенные (средние) по толщине стенки оребренной трубы.

Под общими мембранными напряжениями sm понимаются напряжения, действующие по всему сечению и (или) по всей высоте мембранного экрана и равные средним напряжениям по сечению мембранной конструкции. Например, напряжения, возникающие в углу топки от хлопка, относятся к категории общих, так как действуют по всей высоте конструкции; напряжения, возникающие в разъемах экранов, относятся к категории общих, так как действуют по всей ширине экрана.

Под локальными мембранными напряжениями sml понимаются напряжения, действующие в локальной области: в одной или нескольких оребренных трубах или на некотором ограниченном участке по длине труб мембранной конструкции. Локальными считаются напряжения, возникающие в оребренных трубах, расположенных в зонах приложения локальных нагрузок или в зонах возникновения местных реактивных усилий, а также в зонах неравномерного действия механических нагружающих факторов, если их максимальные (минимальные) значения отличаются от средних по всему сечению более чем на 15% (на основании практики проведения расчетов). Так, например, к категории локальных относятся напряжения, возникающие в экранах в зоне крепления подвесок, в районах приварки косынок, поясов жесткости, опорных элементов и др.

Под изгибными общими sb и локальными sbl напряжениями следует понимать соответственно напряжения, возникающие во всем сечении экрана в результате общего и (или) локального изгиба. Изгибные напряжения в рассматриваемом расчетном сечении оребренной трубы изменяются от максимального положительного значения до минимального отрицательного.

Расчет напряжений от усилий должен производиться с учетом коэффициентов прочности сварных соединений, которые принимаются согласно подразделу 9.3.3.

9.3.2 Допускаемые напряжения

9.3.2.1. Основным допускаемым напряжением, которое используется для оценки прочности трубы при статическом нагружении, является номинальное допускаемое напряжение [s]т, значения которого принимаются по характеристикам прочности с соответствующим запасом прочности согласно разделу 2 Норм.

9.3.2.2. При расчете мембранных стенок, выполненных из гладких труб со вставками из стали разных марок, допускаемые напряжения следует принимать отдельно для трубы и ребра (проставки).

Номинальные допускаемые напряжения для ребра (проставки) [s]р для расчетного срока службы 105 ч принимаются по таблице 9.4.

Таблица 9.4

Тст, °С

Номинальные допускаемые напряжения [s]р для сталей, МПа

ВСт3сп, ВСт3пс

20

09Г2С

12МХ, 12ХМ

15ХМ

12Х1МФ

 

 

300

96,0

Таблица 2.2 и таблица 2.3 раздела 2

320

90,0

 

340

85,0

 

350

82,0

 

360

79,0

 

380

74,0

 

400

68,0

 

420

62,0

 

450

 

 

62,0

 

460

 

 

55,0

 

470

 

 

48,0

 

480

 

 

41,0

 

490

 

 

35,0

 

500

 

 

28,0

 

530

 

 

 

54,0

56,0

81,0

540

 

 

 

44,0

45,0

73,0

550

 

 

 

34,0

35,0

66,0

560

 

 

 

26,0

27,0

59,0

570

 

 

 

20,0

21,0

53,0

580

 

 

 

 

18,0

47,0

590

 

 

 

 

 

41,0

600

 

 

 

 

 

37,0

610

 

 

 

 

 

33,0

620

 

 

 

 

 

28,0

Коэффициент запаса устойчивости ny при расчете мембранной конструкции на устойчивость по нижним критическим напряжениям в пределах упругости следует принимать равным 2,4 для рабочих условий.

9.3.3. Коэффициенты прочности сварных соединений

На первом этапе поверочного расчета при определении напряжений в расчетных сечениях 3-4 и 5-6 оребренной трубы и в поперечных сварных швах принимаются следующие значения коэффициентов прочности сварных соединений jw:

для сталей ВСт3сп, ВСт3пс, 10, 20, 12ХМ, 12МХ, 15ХМ, хролой

при определении напряжений от внутреннего давления, а также усилий Рz, Рх jw=1;

при определении напряжений от изгибающих моментов Mzy, Мxy jw= 0,9;

для стали 12Х1МФ

при определении напряжений от внутреннего давления, а также от усилия Рz для расчетных температур до 510°С jw=1, для расчетной температуры 530°С и выше jw=0,7;

при определении напряжений от усилия Px для расчетной температуры до 510°С jw=1,0, для расчетной температуры 530°С и выше jw=0,8;

при определении напряжений от изгибающих моментов Мzу, Мxу для расчетной температуры до 510°С jw=0,9 , для расчетной температуры 530°С и выше jw=0,6.

В интервале температур между 510 и 530°С коэффициенты прочности определяются линейной интерполяцией между указанными значениями.

На втором этапе поверочного расчета коэффициенты прочности j2w сварных соединений при определении напряжений sj (sx) в расчетных точках 3, 4 и 5 оребренной трубы и в поперечных сварных швах принимаются согласно таблице 9.5.

Таблица 9.5

Сталь

Без отпуска

После отпуска

Углеродистая

0,8

1,0

Теплоустойчивая

0,6

0,8

9.4. Выбор основных размеров

9.4.1. Оребренная труба

9.4.1.1.Номинальная толщина стенки оребренной трубы определяется согласно разделу 3 Норм из заданных значений расчетного внутреннего давления и номинального допускаемого напряжения. В качестве номинальной толщины стенки принимается максимальное из двух значений, соответствующих расчетным сечениям 1-1 и 3-4 оребренной трубы.

9.4.1.2. Допустимая высота [h] ребра (проставки) при одностороннем q(1)L и двухстороннем q(2)L обогревах экрана должна определяться по номограмме (рисунок 9.3). На чертеже приняты следующие обозначения:

9.4.2. Пояса жесткости

9.4.2.1. Пояса жесткости воспринимают изгибную нагрузку, возникающую в мембранном экране от действия избыточного давления или разрежения в топке (газоходе).

9.4.2.2.Расстояние между поясами жесткости 2L при их расположении перпендикулярно направлению экранных труб должно приниматься по наименьшему из двух значений:

в середине экрана для расчетного сечения 1-2 оребренной трубы

в углу топки (газохода) для расчетного сечения 5-6 оребренной трубы

где x1, x2 - коэффициенты, определяемые по рисункам 9.4 и 9.5;

 - среднее окружное напряжение от внутреннего давления в трубе, МПа.

Профиль и размеры балок поясов жесткости определяются из условия прочности и допустимого прогиба.

Рисунок 9.3

9.4.2.3.Максимальные изгибные напряжения sb в балке жесткости мембранного экрана определяются по формуле

где     - максимальный изгибающий момент в балке при шарнирных связях в углу топки, Н×мм;

 - максимальный изгибающий момент в бандаже (в жестко связанных между собой балках жесткости), Н×мм;

                       - коэффициент;

                           IA, IB - момент инерции балок жесткости по ширине экрана А и В, мм4.

Рисунок 9.4

По условиям прочности изгибные напряжения должны быть:

при нормальных условиях эксплуатации sb£1,7[s];

при хлопке и аварийном разрежении sb£2,2[s].

Рисунок 9.5

9.4.2.4.Касательные напряжения в балке жесткости определяются по формуле

где b - ширина сечения балки, мм.

Для двутавровых балок жесткости максимальные касательные напряжения в стенке определяются по формуле

где Q=2pTxL - поперечная сила, H;

b - ширина полки, мм;

h1 - высота балки, мм;

h2 - высота стенки, мм;

t2 - толщина стенки, мм.

Условие прочности по касательным напряжениям:

при нормальных условиях эксплуатации t£0,7[s];

при хлопке и аварийном разрежении t£[s].

Если балка жесткости находится под изоляцией, то температура стенки принимается равной температуре среды tm, а если вынесена за изоляцию, то температура стенки принимается равной 20°С.

9.4.2.5. Максимальный относительный прогиб wb/2x балки жесткости при шарнирных связях в углу топки не должен превышать:

где

В случае использования бандажей проверка величины относительного прогиба может не производиться. При применении бандажей необходимо выполнение конструктивных решений, позволяющих компенсировать разницу температурных расширений балки и мембранного экрана.

9.4.2.6. Устойчивость плоской формы изгиба двутавровых балок жесткости обеспечивается при выполнении условия

где Ркр=pТxL - критическое усилие, Н;

 - геометрический фактор жесткости при чистом кручении, мм4;

b - ширина полки, мм;

t1 - средняя толщина полки, мм;

h2 - высота стенки, мм;

t2 -толщина стенки, мм.

Для котлов сверхкритического давления допускается использование ферм в качестве поясов жесткости. В этом случае относительные прогибы поясов жесткости и максимальные напряжения в элементах определяются расчетными методами; кроме того, производится проверка устойчивости сжатых элементов.

Располагать поперечные сварные соединения труб под поясом жесткости не допускается. Расстояние между сварным стыком панелей и средним сечением пояса жесткости рекомендуется принимать не менее 1м. Расстояние от потолочного экрана или пода до ближайшего пояса жесткости должно быть не больше расстояния между поясами жесткости, вычисленного по приведенным формулам.

9.4.2.7. Растягивающая погонная нагрузка от избыточного давления (хлопка), а также сжимающая от разрежения передаются на экраны, при этом должно выполняться условие

где у - коэффициент, определяемый из уравнения

Приведенное трансцендентное уравнение решается методом последовательного приближения заданием величины [рx]i с погрешностью

где уi, - минимальное значение положительного корня квадратного уравнения при [рx]i.

Первым приближением [рx]i=1 может служить значение [р] соответствующее решению квадратного уравнения без учета внутреннего давления (р=0).

Если указанное условие не выполняется, то погонная нагрузка должна передаваться на стягивающую полосу, необходимое сечение которой определяется по формуле

где  -номинальное допускаемое напряжение для стали полосы, МПа, принимается согласно таблице 9.4 при расчетной температуре стенки, равной максимальной температуре среды в экране.

9.4.2.8. В прямоточных котлах имеют место разверки температур, вызванные многоходовым движением среды. Разность температур среды в соседних трубах в любом из расчетных сечений мембранной конструкции регламентируется расчетом суммарных напряжений, определяемых по этапу 2 поверочного расчета.

При выборе основных размеров принимается, что указанная разность не должна превышать 70°С при номинальной теплопроизводительности котла и 90°С при теплопроизводительности от 70% и ниже. Разности температур, превышающие приведенные значения, должны быть обоснованы расчетом на циклическую прочность, выполняемым на этапе технического проектирования.

9.5. Требования к этапу 1 поверочного расчета на прочность

9.5.1. Определяются условно-упругие напряжения от расчетных нагрузок в расчетных сечениях стенки трубы (сечения 1-2 и 3-4 на рисунке 9.2) и ребра (сечение 5-6). Расчет производится для основного расчетного режима на ресурс 105 ч.

9.5.2. Напряжения для выбранных зон конструкций определяются в зависимости от нагружающих факторов с учетом коэффициентов неравномерности и суммируются основным направлениям:

для трубы - по окружному j, осевому Z и радиальному r;

для ребра - по поперечному Х и осевому Z.

9.5.3. Значения коэффициентов неравномерности в каждом конкретном случае зависят от конструктивных особенностей рассматриваемых узлов и определяются расчетными или экспериментальными методами.

Коэффициент неравномерности осевых напряжений от действия нагрузок от массы на кромках отверстий горелок в экранах мощных котлов принимается равным Кн=3,0.

Коэффициент неравномерности осевых напряжений от действия нагрузок от массы в разъеме экрана принимается:

при двухступенчатой схеме Кн=2,01;

при трехступенчатой схеме Кн=1,5.

9.5.4. По суммарным напряжениям в расчетных сечениях оребренной трубы определяются главные напряжения s1, s2, s3.

9.5.5. Для расчетных сечений 1-2 и 3-4 с учетом радиального напряжения sr в трубе главные напряжения определяются по формулам:

при наличии усилий сдвига

s3=sr,

при отсутствии усилий сдвига

9.5.6. Для расчетного сечения 5-6 ребра главные напряжения определяются по формулам:

при наличии усилий сдвига

s3=0,

при отсутствии усилий сдвига

9.5.7. Эквивалентные напряжения se, сопоставляемые с допускаемыми по соответствующей категории напряжений, определяются по главным напряжениям. Для каждой категории напряжений следует найти наибольшее значение эквивалентного напряжения при возможных сочетаниях изгибных напряжений с учетом знаков:

se=s1-s3.

9.5.8. Условия прочности для рассматриваемого этапа расчета в зависимости от нагружающих факторов и расчетных сечений 1-2, 3-4 и 5-6 оребренной трубы представлены в таблице 9.6.

9.5.9. На каждой стадии оценки статической прочности в соответствии с таблицами 9.6 и 9.7 проводится проверка условия по общим напряжениям, а затем при наличии локальных напряжений - проверка условия по локальным напряжениям.

9.5.10. Котлы, сооружаемые в сейсмических районах, должны быть дополнительно рассчитаны с учетом воздействия сейсмических нагрузок. Расчет проводится на статическое нагружение при совместном действии внутреннего давления в трубах, нагрузок от массы, избыточного давления или разрежения в топке (газоходе) и сейсмических сил.

Расчет мембранных конструкций от ветровых и сейсмических сил производится раздельно (см. таблицы 9.6. и 9.7).

9.5.11. Для деталей опорно-подвесной системы котла и элементов крепления мембранной конструкции, а также каркаса, которые не нагружены непосредственно внутренним давлением и температура которых превышает 50°С, расчет на прочность допускается выполнять только по этапу 1.

Условия прочности для этих деталей должны выполняться в соответствии с таблицей 9.6 с увеличением коэффициента при номинальном допускаемом напряжении на 10% и с округлением в меньшую сторону.

При проверке деталей на смятие средние напряжения не должны превышать:

для подвижных шарниров, катков ssm£1,5[s];

для неподвижных шарниров, катков ssm£2,5[s].

При проверке деталей на срез от действия нагрузок в шарнирах, сварных швах, болтах и др. средние касательные напряжения не должны превышать tsr£0,7[s].

При расчете указанных деталей с учетом сейсмических нагрузок разрешается увеличение допускаемых напряжений: смятие на 50% и срез на 20%.

Таблица 9.6

Последовательность оценки статической прочности для расчетных сечений 1-2 и 3-4 оребренной трубы

Последовательность проверки

Нагружающие факторы

Нагрузки

Условия по общим напряжениям

Условия по локальным напряжениям

Оценка по мембранным напряжениям

Внутреннее давление + нагрузка от массы + наддув (разрежение) + реакция опоры

p, Pzq, Pxq, Mzyq, Mzyn, Mxyn

(s)1£1,1[s]

(s)1L£1,5[s]

То же + сейсмическая нагрузка или аварийное разрежение

p, SPz, SPx, SMzy, SMxy

(s)1s£1,5[s]

(s)1sL£2,0[s]

Оценка по мембранным и изгибным напряжениям

Внутреннее давление + нагрузка от массы + наддув (разрежение) + реакция опоры + ветровая нагрузка

p, SPz, SPx, SMzy, SMxy

(s)2£1,5[s]

(s)2l£2,0[s]

Внутреннее давление + весовая нагрузка + хлопок

p, SPz, SPx, SMzy, SMxy

(s)2£1,5[s]

-

Внутреннее давление + нагрузка от массы + наддув (разрежение) + реакция опоры + сейсмическая нагрузка или аварийное разрежение

p, SPz, SPx, SMzy, SMxy

(s)2s£2,0[s]

-

Таблица 9.7

Последовательность оценки статической прочности для расчетного сечения 5-6 оребренной трубы

Последовательность проверки

Нагружающие факторы

Нагрузки

Условия no общим напряжениям

Условия по локальным напряжениям

Оценка по мембранным напряжениям

Нагрузка от массы + наддув (разрежение) + реакция опоры

Pzq, Pxq

(s)1£1,2[s]

(s)1L£1,6[s]

То же + сейсмическая нагрузка или аварийное разрежение

SPz, SPx, SMzys, SMxys,

(s)1s£1,6[s]

(s)1sL£2,2[s]

Оценка по мембранным и изгибным напряжениям

Нагрузка от массы + наддув (разрежение) + реакция опоры + ветровая нагрузка

SPz, SPx, SMzy, SMxy

(s)2£1,6[s]

(s)2L£2,2[s]

Нагрузка от массы + реакция опоры + хлопок

SPz, SPx, SMzy, SMxy

(s)2£1,6[s]

-

Нагрузка от массы + наддув (разрежение) + реакция опоры + сейсмическая нагрузка или аварийное разрежение

SPz, SPx, SMzy, SMxy

(s)2s£2,2[s]

-

9.6. Требования к этапу 2 поверочного расчета на прочность

9.6.1. При поверочном расчете на циклическую прочность (малоцикловую усталость) определяются местные условно-упругие напряжения в расчетных точках 1, 2, 3, 5 оребренной трубы (см. рисунок 9.2).

Напряжения могут определяться либо численными методами, либо с использованием приближенных зависимостей согласно рекомендуемым приложениям.

Расчет должен проводиться с учетом всех расчетных нагрузок и температурных полей для всех расчетных режимов.

9.6.2. При расчете на малоцикловую усталость должны учитываться следующие нагружающие факторы:

изменение внутреннего давления в трубах при пуске-останове котла;

колебания внутреннего давления в трубах при изменении эксплуатационных режимов;

изменение избыточного давления, включая хлопки, или разрежения в топке и газоходе при пуске-останове котла;

колебания избыточного давления или разрежения в топке и газоходах при изменении эксплуатационных режимов;

изменение нагрузки от массы на трубы от влияния подвесок и при зашлаковке пылеугольных котлов;

температурные изменения при пуске-останове, включая колебания при изменении эксплуатационных режимов;

температурные колебания при пульсации факела, шлаковании экранов и водяной очистке экранов;

вибрация мембранной конструкции.

9.6.3. Расчетные напряжения вычисляются в зависимости от нагружающих факторов и суммируются по основным направлениям. Главные напряжения s1, s2, s3 следует определять в расчетных точках оребренной трубы. По вычисленным главным напряжениям определяются эквивалентные напряжения в заданные моменты времени для каждого расчетного режима согласно разделу 5 Норм.

9.6.4. Составляющие главных напряжений s1, s2, s3 в расчетных точках оребренной трубы определяются с учетом местных концентраторов. Значения коэффициентов концентрации в каждом конкретном случае зависят от конструктивных особенностей рассматриваемых оребренных труб и узлов и определяются расчетными или экспериментальными методами.

9.6.5. Расчет на малоцикловую усталость производится по амплитудам условных напряжений согласно разделу 5 Норм.

9.6.6. Если температура металла в расчетных точках оребренной трубы ниже температуры начала интенсивной ползучести металла (для углеродистых сталей до t£400°С и теплоустойчивых сталей до 480°С), допустимая амплитуда напряжений определяется по графикам (рисунки 5.2 и 5.3 раздела 5 Норм).

Если температура металла в расчетных точках оребренной трубы выше температуры начала интенсивной ползучести металла, оценку долговечности следует производить по формуле, учитывающей ползучесть согласно разделу 5 Норм.

9.6.7. Если в процессе эксплуатации при изменении каких-либо нагружающих факторов, перечисленных в п. 9.6.2 , возникают дополнительные колебания, частота которых больше частоты рассматриваемого цикла, то оценку долговечности следует производить согласно разделу 12 Норм.

9.6.8. Цельносварная топка котла должна быть рассчитана на общее количество [N] пусков и остановов за весь срок службы, которое не должно быть меньше значений, указанных в таблице 9.8, если в техническом задании на проектирование не установлено другое количество циклов.

Таблица 9.8

Условия пуска-останова котла

Количество пусков и остановов котла в зависимости от мощности и режима работы, не менее

500 МВт и более

300 МВт и менее

базисный

полупиковый

базисный

полупиковый

Из холодного и неостывшего состояний

700

1500

1100

1500

Из горячего состояния

300

6000

900

6000

Разгрузки до нижнего предела регулировочного диапазона нагрузок

2×104

104

2×104

104

Примечания:

1. Для содорегенерационных котлов (СРК) и котлов для сжигания твердых бытовых отходов (ТБО) за весь срок службы принимается:

при пуске из холодного и неостывшего состояний - 800 пусков-остановов;

разгрузки до нижнего предела регулировочного диапазона нагрузок - 1000 циклов.

2. Для котлов охладителей конверторных газов (ОКГ) за срок службы принимается:

для подъемного и опускного газоходов - 80×103 плавок;

для кессона - 40×103 плавок при 40 плавках в сутки.

3. Цельносварная топка и газоходы должны быть рассчитаны на 1500 хлопков за весь срок службы, если в техническом задании на проектирование не установлено другое количество хлопков.

4. Под числом пусков-остановов из неостывшего и горячего состояний понимается число пусков-остановов после остановки котла на нерабочие дни (24 - 55ч) и на ночь (5 - 8ч) соответственно при последующем пуске без расхолаживания оборудования.

9.6.9. Допускаемая амплитуда напряжений для расчетной точки 3 (см. рисунок 9.2) в случае вварки вставок между гладкими трубами и для точки 5 для плавниковых труб определяется по формуле

ПРИЛОЖЕНИЕ 1

Рекомендуемое

РАСЧЕТ УСЛОВНО-УПРУГИХ НАПРЯЖЕНИЙ В ОРЕБРЕННОЙ ТРУБЕ ОТ СИЛОВЫХ ВОЗДЕЙСТВИЙ

1. Обозначения

1.1. Условные обозначения, принятые в формулах приложения, приведены в таблице.

Символ

Наименование

Единица измерения

fat

Площадь поперечного сечения оребренной трубы

мм

Iat

Момент инерции оребренной трубы относительно оси Х

мм4

SPz

Суммарная нагрузка, действующая на мембранный экран в расчетном сечении топки (газохода)

Н

m

Количество оребренных труб в экране

шт.

m1

Количество труб, воспринимающих локальную нагрузку

шт.

2. Расчетные напряжения для этапа 1 поверочного расчета

2.1. Средние осевые, окружные и радиальные напряжения в трубе определяются согласно разделу 5 Норм.

2.2. Напряжения от действия усилия Рz в расчетных сечениях 1-2, 3-4 и 5-6 на рисунке 9.2 оребренной трубы определяются по формулам:

   

2.3. Напряжения от действия момента Mzy определяются по формулам:

в расчетном сечении 1-2 оребренной трубы

  

в расчетном сечении 3-4 оребренной трубы

    

где

2.4. Напряжения от действия момента Мху определяются по формулам:

в расчетном сечении 1-2 оребренной трубы

    

   

в расчетном сечении 3-4 оребренной трубы

   

    

в расчетном сечении 5-6 оребренной трубы

    

2.5. Напряжения от действия усилия Рх (Ру) определяются по формулам:

в расчетном сечении 1-2 оребренной трубы

 

    

в расчетном сечении 3-4 оребренной трубы

   

    

в расчетном сечении 5-6 оребренной трубы

  

2.6. Знаки в выражениях для мембранных составляющих напряжений соответствуют положительному направлению усилий и моментов, указанных на рисунке 9.2.

3. Расчетные напряжения для этапа 2 поверочного расчета

3.1.Напряжения, возникающие в расчетных точках прямой трубы при изменении внутреннего давления при пуске-останове котла, следует определять по формулам:

окружные в точках 1 и 3:                 

окружные в точках 2 и 4:                 

осевые в точках 1, 2, 3:                     

радиальные в точках 2 и 4                 sr=-p;

радиальные в точках 1 и 3:               sr=0.

При учете колебания внутреннего давления в трубах при изменении эксплуатационных режимов напряжения в расчетных точках оребренной трубы определяются по тем же формулам с заменой р на Dр. В случае, если колебания Dр не превосходят 10% от номинального, расчет допускается не проводить.

3.2. Осевые напряжения в расчетных точках 1, 2, 3 и 4 оребренной трубы от усилия DPz определяются по формуле

3.3. Осевые и окружные напряжения в расчетных точках оребренной трубы от действия момента DМzy определяются по формулам:

в точке 1                            

в точке 2                               

в точке 3                               

в точке 4                             

в точке 5                               

3.4. Окружные и осевые напряжения в расчетных точках оребренной трубы от действия момента DМxy, определяются по формулам:

в точке 1                        

в точке 2                          

в точке 3                        

в точке 4                          

в точке 5                          

3.5. Окружные и осевые напряжения в расчетных точках оребренной трубы от усилия DPx определяются по формулам:

в точке 1                        

в точке 2         

в точке 3         

в точке 4         

в точке 5       

Коэффициенты g1, g2, g3 вычисляются по формулам:

ПРИЛОЖЕНИЕ 2

Рекомендуемое

РАСЧЕТ УСЛОВНО-УПРУГИХ НАПРЯЖЕНИЙ В ОРЕБРЕННОЙ ТРУБЕ МЕМБРАННОГО ЭКРАНА ОТ ВЕСОВЫХ НАГРУЗОК

1.Обозначения

1.1. Условные обозначения, принятые в формулах приложения, приведены в таблице.

Символ

Название

Единица измерения

Da

Наружный диаметр коллектора

мм

s

Толщина стенки коллектора

мм

fat

Площадь поперечного сечения оребренной трубы

мм2

fp

Площадь поперечного сечения уплотнительного ребра

мм2

m

Количество оребренных труб в экране

шт.

m1

Количество труб, воспринимающих локальную нагрузку

шт.

mp

Количество пластин

шт.

Pz

Суммарная нагрузка

H

kn

Коэффициент неравномерности

 

2. Расчет напряжений от весовых нагрузок

2.1. Для рассматриваемого сечения топки (газохода) должен быть определен суммарный вес экранов с водой, изоляцией, поясами жесткости, горелками, шлаком и т.д., а также нагрузка от действия избыточного давления на под топки Рz. Усилие Рz следует принимать равномерно распределенным по поперечному сечению труб экрана топки (газохода). В оребренных трубах от этой нагрузки возникают осевые растягивающие напряжения sm, относящиеся к категории общих мембранных.

При расчете местных напряжений необходимо учитывать неравномерность распределения весовых нагрузок. От действия локальных нагрузок РzL в отдельных оребренных трубах возникают осевые напряжения szL, относящиеся к категории местных мембранных напряжений.

2.2. Осевые напряжения в расчетных сечениях 1-2, 3-4 и 5-6 оребренных труб экрана определяются по формулам:

   

2.3. Осевые напряжения в расчетных сечениях 1-2, 3-4 и 5-6 оребренных труб в разъеме экранов определяются по формуле

где Кн принимается: 2 при двухступенчатой схеме разъема; 1,5 при трехступенчатой схеме разъема.

Напряжения среза в вертикальных несущих сварных швах определяются по формуле

где fw=0,7klw - площадь сечения сварного шва, мм2.

k - катет сварного шва, мм;

lw - длина сварного шва, мм.

2.4. Осевые напряжения в зоне крепления подвесок должны определяться в зависимости от способа крепления подвесок к поверхностям нагрева.

В случае крепления за коллектор максимальные осевые напряжения возникают в месте стыковки гладкой трубы с коллектором. При этом напряжения в сечении 1-2 определяются по формуле

где  - максимальная нагрузка на одну трубу, Н;

k - коэффициент, принимаемый по таблице 2.

Таблица 2

Da/s

Коэффициент k

9

0,5

13

0,4

20

0,35

35

0,30

Расстояние между подвесками должно быть

В случае крепления подвесок за экран осевые напряжения в расчетных сечениях 1-2, 3-4 и 5-6 оребренной трубы определяются по формуле

где kn - коэффициент неравномерности, определяемый по таблице 3.

Таблица 3

mp

kn

2

1,2

4

1,3

6 и более

1,4

ПРИЛОЖЕНИЕ 3

Рекомендуемое

РАСЧЕТ УСЛОВНО-УПРУГИХ НАПРЯЖЕНИЙ ОТ ДЕЙСТВИЯ ИЗБЫТОЧНОГО ДАВЛЕНИЯ (ХЛОПКА) В МЕМБРАННЫХ ЭКРАНАХ ТОПКИ (ГАЗОХОДА)

1. Обозначения

1.1. Условные обозначения, принятые в формулах данного приложения, приведены в таблице.

Символ

Название

d =s2/s1

Отношение толщины стенки в вершине ребра к толщине в корне

ch (x)

Гиперболический косинус

th (x)

Гиперболический тангенс

2. Расчет напряжений от избыточного давления (хлопка) и разрежения в топке (газоходе).

2.1.В мембранных экранах топки (газохода) от избыточного давления и разрежения возникают:

изгибающий момент Mzy, который приводит к изгибу оребренной трубы и возникновению осевых напряжений sm, относящихся к категории общих мембранных;

изгибающий момент Мху, приводящий к образованию в расчетных сечениях оребренной трубы общих напряжений sm, sb наибольшие значения которых приходятся на ребра в углу топки;

поперечные растягивающие (или сжимающие) усилия Рх, Ру, которые приводят к возникновению в расчетных сечениях оребренной трубы напряжений, относящихся к категории общих.

2.2. Максимальные значения изгибающего момента Mzy в середине экрана определяются по формуле

Если , то .

Здесь

; если , то e=l;

  

Максимальный прогиб между поясами жесткости в середине экрана

При расчете от избыточного давления (хлопка) следует иметь в виду, что изгибающий момент Mzy будет отрицательным под поясом жесткости и положительным между поясами жесткости. При расчете от разрежения изгибающий момент будет иметь направление, обратное изгибающему моменту от избыточного давления.

2.3. Изгибающий момент Мxу в углу топки между поясами жесткости определяется по формуле

При  

Если связь пояса жесткости с экраном осуществляется на отдельных его участках, равномерно распределенных по ширине экрана, то следует учесть дополнительный изгибающий момент Mxy.

При действии в топке (газоходе) избыточного давления (хлопка) максимальные изгибающие моменты на опорах под поясом жесткости, а также в углу, будут иметь отрицательное значение. При действии разрежения знаки меняются на противоположные.

ПРИЛОЖЕНИЕ 4

Рекомендуемое

РАСЧЕТ УСЛОВНО-УПРУГИХ НАПРЯЖЕНИЙ В ОРЕБРЕННОЙ ТРУБЕ ОТ ТЕМПЕРАТУРНЫХ ВОЗДЕЙСТВИЙ

1. Обозначения

1.1. Условные обозначения, принятые в формулах данного приложения, приведены в таблице.

Символ

Название

Единица измерения

fat

Площадь поперечного сечения оребренной трубы

мм2

ft

Площадь поперечного сечения трубы

мм2

fr

Площадь поперечного сечения ребра

мм2

Tat

Средняя интегральная температура оребренной трубы

°С

TLср

Средняя температура по лобовой стороне трубы

°С

T1, T2, T5

Средняя температура ребра в сечении 5-6

°С

Г,, Т,, Т,

Температура в расчетных точках оребренной трубы

°С

n

Скорость изменения температуры среды

°С/с

d

Отношение толщины ребра в вершине к толщине ребра в корне

 

g0

Коэффициент

 

x1

Коэффициент

 

x2

Коэффициент

 

x3

Коэффициент

 

x4

Коэффициент

 

x5

Коэффициент

 

x6

Коэффициент

 

x7

Коэффициент

 

2. Расчет температурных напряжений в оребренной трубе экрана от действия теплового потока

2.1. Средние радиальные, окружные и осевые напряжения в расчетных сечениях оребренной трубы определяются по формулам:

сечение 1-2:

сечение 5-6:

2.2. Окружные и осевые напряжения в прямолинейной трубе от действия одностороннего теплового потока T (r, j) определяются по формулам:

точка 1   

точка 2:         

точка 5:    

2.3. Если по условиям закрепления экрана оребренные трубы имеют возможность деформироваться, то напряжения, определенные в п. 2.1, уменьшаются на величину, определяемую термоупругим моментом:

Напряжения от действия термоупругого момента Mzy в расчетных точках оребренной трубы определяются согласно приложению 1.

2.4. Термоупругий момент на вершинах ребер труб, сваренных в мембранный экран, определяется по формуле

где J - угол взаимного поворота вершин ребер от действия теплового потока; определяется по формуле

q - угол взаимного поворота вершин ребер от действия единичного момента; определяется по формуле

w1, w2 - определяются по рисунку.

Номограмма для определения коэффициентов w1 и w2

Напряжения от действия термоупругого момента Мху на вершинах ребер в расчетных точках оребренной трубы находятся согласно приложению 1.

2.5. Осевые напряжения в оребренной трубе, возникающие от разности среднеинтегральных температур трубы T*T и ребра T*p, определяются по формуле

где

Знак минус принимается для ребра и знак плюс для трубы.

3. Расчет температурных напряжений от разности температур среды между сопрягаемыми панелями или трубами

3.1. Максимальные осевые напряжения в расчетных точках 1, 2, 3 и 5 оребренной трубы определяются по формуле

где Т1m - температура среды в панели I , °С;

T2m - температура среды в панели II, °С (T2m> T1m).

Знак минус принимается для "горячей" панели с температурой среды Т2m и знак плюс для "холодной", где температура среды Т1m.

Если площадь поперечного сечения "горячих" и "холодных" панелей неодинакова, то вместо коэффициента 0,5 в формуле следует подставить отношение площадей поперечного сечения панелей оребренных труб:

f1/(f1+f2) - для "горячих" панелей, площадь поперечного сечения которых равна f2;

f2/(f1+f2) - для "холодных" панелей, площадь поперечного сечения которых равна f1.

При одинаковых типоразмерах оребренных труб площади поперечного сечения f1 и f2 могут быть соответственно заменены шириной панелей.

Максимальное усилие Px в зоне стыка панелей определяется по формуле

где

DT=T2m-T1m.

Знак плюс принимается для "горячей" панели и знак минус для "холодной" панели. Расчет напряжений от усилия Px в расчетных точках оребренной трубы должен производиться согласно приложению 1.

4. Расчет температурных напряжений от неравномерного распределения теплового потока по ширине экрана

4.1. Максимальные напряжения в расчетных точках 1, 2, 3 и 5 оребренной трубы определяются по формуле

где T*at1; T*at2 - средняя интегральная температура металла оребренной трубы в середине экрана и в углу топки, вычисленная по qmax и qmin соответственно.

Знак плюс принимается для напряжений в углу топки и знак минус - в середине экрана. Максимальное сжимающее усилие Px в середине экрана определяется по формуле

4.2. Напряжения в расчетных точках оребренной трубы от усилия Рx определяются по формулам приложения 1.

5. Расчет температурных напряжений при шлаковании экранов

5.1. В пылеугольных котлах с течением времени происходит шлакование экранов с последующим срывом шлака. В этом случае температура металла экранных труб колеблется во времени от температуры в расчетных точках Т1, Т3, Т5 до температуры среды Тm, при этом возникают тепловые удары.

Осевые и окружные (поперечные) напряжения в оребренной трубе определяются по формуле

где

6. Расчет температурных напряжений при повышении или снижении нагрузки котла

6.1. При включении и выключении горелок и поясов горелок, а также при повышении и снижении нагрузки котла в районе горелок возникают температурные напряжения. Осевые и окружные (поперечные) напряжения в расчетных точках оребренной трубы определяются по формуле

где

Здесь DT1, DT3, DT5 - разницы температур в расчетных точках; определяются по разности тепловых потоков DqL, т.е. до и после изменения нагрузки.

7. Расчет температурных напряжений при водяной очистке мембранных экранов

7.1. Осевые и окружные (поперечные) напряжения в расчетных точках 1, 3, 5 оребренной трубы определяются по формуле

где DTmax - максимальная разность температур по толщине стенки; при скорости горизонтальной развертки wg=0,42 рад/с принимается равной: 350°С - для диаметра сопла 10 - 20 мм; 100°С - для диаметра сопла 8 мм. При скорости горизонтальной развертки wg=0,84 рад/с максимальная разность температур уменьшается вдвое.

10. РАСЧЕТ НА ПРОЧНОСТЬ ЭЛЕМЕНТОВ ПОДВЕСНОЙ СИСТЕМЫ КОТЛОВ

10.1. Условные обозначения

В разделе приняты следующие обозначения, представленные в таблице 10.1.

Таблица 10.1

Символ

Название

Единица измерения

А

Ширина котла вдоль главных хребтовых балок

мм

2а, 2b

Расчетные размеры опорной плиты в плане (стороны с размерами всегда опираются на жесткие балки каркаса)

мм

2r

Диаметр отверстия в опорной плите или шайбе

мм

2R

Наружный диаметр шайбы

мм

Qq

Усилие, действующее на подвеску

Н

j

Коэффициент прочности сварных соединений

 

2t

Шаг между отверстиями двух соседних отверстий в опорной плите

мм

2lb

Длина тяги

мм

npl

Количество пластин

шт.

nтп

Количество тарельчатых пружин в комплекте

шт.

fсд

Прогиб балки от сдвига

мм

2Db

Смещение концов тяги

мм

da, d

Наружный и внутренний диаметры тяги

мм

das, ds

Наружный и внутренний диаметры резьбы тяги

мм

Dвт

Внутренний диаметр втулки пружинного блока

мм

la

Длина втулки пружинного блока

мм

Мbq

Изгибающий момент, действующий на тягу

Н×мм

Мsq

Изгибающий момент в резьбе

Н×мм

Fb

Площадь сечения тяги

мм2

Ib

Момент инерции сечения тяги

мм4

Is

Момент инерции сечения резьбовой части

мм4

Wb, Wk

Момент сопротивления изгиба и кручения тяги

мм3

L

Расстояние между колоннами каркаса вдоль главных хребтовых балок

мм

sh(kl), ch(kl)

Гиперболический синус и косинус

 

h

Номинальная высота шайбы

мм

spl

Толщина пластины

мм

sap

Толщина опорной плиты

мм

shp

Наименьшая толщина проушин, сминаемых в одном направлении

мм

lpl

Длина пластины

мм

epl

Ширина пластины

мм

Dh

Диаметр отверстия в щеках (проушинах)

мм

Da

Диаметр валика шарнирного соединения

мм

eh

Ширина щеки (проушины)

мм

Е0h

Длина отверстия

мм

[s]

Допускаемое напряжение при расчетной температуре

МПа

s1, s2, s3

Главные номинальные напряжения в расчетном сечении детали

МПа

seq

Эквивалентное напряжение

МПа

tk

Напряжение от кручения

МПа

sch

Напряжение от смятия

МПа

tsh

Напряжение от среза

МПа

D

Наружный диаметр тарельчатой пружины

мм-

D

Внутренний диаметр тарельчатой пружины

мм

s

Толщина стенки тарельчатой пружины

мм

f3

Максимальный прогиб тарельчатой пружины

мм

Р3

Максимальное усилие тарельчатой пружины

Н

E

Модуль упругости при расчетной температуре

МПа

Pм, Рэ, Рs

Монтажная, эксплуатационная, сейсмическая нагрузки

Н

10.2. Общие положения

10.2.1. Подвески стационарного котла (рисунок 10.1) - это несущие элементы, воспринимающие нагрузку от массы котла, временные и особые нагрузки и работающие при высоких температурах.

В зависимости от мощности и типа котла (газомазутный или пылеугольный) применяются два варианта крепления подвесок к поверхностям нагрева: за коллектор и за экран. Вариант крепления выбирается конструктором в каждом конкретном случае индивидуально исходя из сложившейся практики и с учетом конструкторских особенностей. Напряжения в зонах крепления подвесок, возникающие в трубах экранов и коллекторах, следует определять согласно разделу 7 Норм.

10.2.2. Подвеска стационарного котла состоит из следующих основных элементов: тяги и шарнирного соединения (одного или двух - в зависимости от общей длины подвески), состоящего из проушин. Подвески разделяются на "холодные" и "горячие". Тяги "холодных" подвесок представляют собой сплошные прутки, а тяги "горячих" подвесок изготавливаются из труб и относятся к обогреваемым элементам.

10.2.3. Для изготовления элементов подвесок следует применять материалы, перечисленные в "Правилах устройства и безопасной эксплуатации паровых и водогрейных котлов". Для изготовления элементов подвесок, не работающих под давлением и не примыкающих непосредственно к этим элементам котла, допускается использовать любые материалы.

10.2.4. Основной нагрузкой, действующей на подвеску, является вес. Кроме того, при тепловых перемещениях в процессе эксплуатации в тяге возникает изгибающий момент, достигающий своих максимальных значений на концах тяги.

10.2.5. Количество подвесок по периметру котла определяется максимально допустимыми уровнями напряжений в узлах сопряжения подвески с поверхностями нагрева. Расстояние между подвесками (500 - 800 мм) должно обеспечивать равномерное распределение весовой нагрузки по периметру котла (при этом следует учитывать работу потолочного перекрытия и возможность перераспределения усилий на подвески в процессе эксплуатации).

В отдельных случаях, когда определяемые поверочным расчетом напряжения в подвесках существенно ниже допускаемых, а уменьшение диаметров тяг нецелесообразно, расстояние между подвесками может быть принято больше 800 мм.

Рисунок 10.1. Подвески стационарного котла

10.2.6. В зависимости от весовой нагрузки, приходящейся на подвеску, следует использовать тарельчатые пружины по ГОСТ 3057 (максимальное восприятие до 71×104 Н) и винтовые пружины по ГОСТ 13773 (максимальное восприятие до 105 Н). Установка тарельчатых пружин может быть последовательной и параллельной.

10.2.7. Для группы подвесок, не связанных с основными поверхностями нагрева (мембранными стенами котла), допускается установка жестких подвесок (без пружинных блоков), если отсутствует перераспределение нагрузок на подвески от прогибов несущих балок.

В группу объединяются связанные с одной поверхностью нагрева (элементом котла) подвески, нагрузки на которые отличаются друг от друга не более чем на 20%.

10.2.8. Расчет на прочность подвесок производится в два этапа:

выбор основных размеров;

расчет на статическую прочность.

Выбор основных размеров элементов подвесок проводится отдельно для каждой группы подвесок на основании полученных расчетных нагрузок. Марка стали элементов должна соответствовать температуре, при которой работает подвеска.

После выбора основных размеров элементов подвесок должен быть произведен расчет на статическую прочность с целью уточнения принятых размеров с учетом всех действующих нагрузок и действительного прогиба балок потолочного перекрытия.

10.2.9. Наружный диаметр тяги выбирается наибольшим из двух расчетных: в сечении с максимальным уровнем напряжений и в сечении с максимальными расчетными температурами. Выбор размеров элементов шарнирного соединения производится с учетом максимальных температур (в "теплом ящике").

Под расчетной температурой металла детали подвески следует понимать температуру, по которой принимается значение допускаемого напряжения.

10.2.10. Проверка прочности газоплотных экранов при неодинаковой просадке мембранных стен котла производится по программе расчета на прочность цельносварных газоплотных конструкций на основании результатов расчета потолочного перекрытия.

10.3. Критерии прочности и допускаемое напряжение

10.3.1. Последовательность оценки статической прочности деталей подвесок представлена в таблице 10.2.

Таблица 10.2.

Обозначение этапа

Нагружающий фактор

Обозначение усилий

Условие прочности

Категория определяемых напряжений

1

Весовая нагрузка

Qq

seq£1,2[s]

Общие мембранные

Весовая нагрузка + внутреннее давление

Qq+p

seq£1,1[s]

2

Весовая нагрузка + изгиб + кручение

Qq+Mbq+Mk

seq£1,65[s]

Общие мембранные и изгибные, кручение

Весовая нагрузка + изгиб + кручение + внутреннее давление

Qq+Mbq+Mk+p

seq£1,5[s]

10.3.2. Средние напряжения растяжения по сечению резьбовой части в тягах подвесок от весовых нагрузок должны удовлетворять условию seq£1,1[s].

Приведенные напряжения, определяемые по суммам составляющих средних напряжений растяжения, изгиба и кручения в резьбовой части подвесок, должны удовлетворять условию seq£1,5[s]. Средние касательные напряжения, вызванные действием срезывающих весовых нагрузок в резьбе тяг и шарниров, а также в сварных швах, должны удовлетворять условию tsh£0,7[s].

10.3.3. Средние напряжения смятия не должны превышать следующих значений:

для подвижных шарниров sch£1,5[s].

для неподвижных шарниров sch£2,5[s].

10.3.4. Основным допускаемым напряжением, которое используется для оценки прочности при статическом нагружении, является номинальное допускаемое напряжение [s] значения которого приведены в разделе 2 Норм.

В таблице 10.3 указаны номинальные допускаемые напряжения при расчетном ресурсе 105 ч для различных марок стали.

Если в техническом задании на разработку не оговорены другие условия, номинальное допускаемое напряжение согласно разделу 2 Норм принимается исходя из расчетного ресурса 105 ч.

Таблица 10.3

t, °С

ВСт5сп

25

30

35

40

35Х

40Х

30ХМА, 35ХМ

25ХМФ (ЭИ10)

20

154

161

172

185

198

275

288

356

402

100

143

150

161

174

187

255

272

335

389

200

134

141

147

161

174

234

248

308

368

250

127

134

141

147

161

221

234

295

362

300

117

124

134

134

147

208

221

281

348

350

-

114

117

121

134

194

201

268

328

375

-

107

111

114

121

188

194

248

308

400

-

-

101

104

107

174

181

221

275

425

-

-

-

-

-

-

-

194

241

450

-

-

-

-

-

-

-

-

201

475

-

-

-

-

-

-

-

-

174

10.4. Коэффициент прочности сварных соединений

10.4.1. Значения коэффициента прочности сварных соединений в зависимости от типа сварного соединения, вида нагрузки, метода и объема контроля сварного соединения приведены в таблице 10.4.

Таблица 10.4

Тип соединения

Вид нагрузки

Схема нагрузки

Метод контроля

Объем контроля

jw

Стыковое

Растяжение, изгиб

Визуальный осмотр, УЗД

100%

1,0

³10%

0,8

<10%

0,7

Срез

100%

1,0

³10%

0,9

<10%

0,8

Угловое и тавровое (с полным проваром)

Растяжение, изгиб, срез

100%

0,9

10%

0,8

10%

0,7

Угловое и тавровое (без полного провара)

Визуальный осмотр

100%

0,8

³10%

0,7

<10%

0,6

Нахлестанное

100%

0,8

³10%

0,7

<10%

0,6

10.4.2. К стыковым сварным соединениям (рисунок 10.2) относятся швы, у которых в поперечном сечении отношение диаметра к толщине пластины (или отношение большего диаметра к меньшему) не превышает 3/1. При отношениях, превышающих 3/1, швы считаются угловыми.

Рисунок 10.2. Варианты сварных соединений

а, б - стыковые; в, г - угловые

10.4.3. Допускаемое напряжение сварного соединения следует принимать по металлу свариваемых деталей. Если деталь изготавливается из разных марок сталей, то расчет должен производиться по детали с наименьшей расчетной характеристикой прочности.

10.4.4. Для деталей из углеродистой, марганцевой (кремнемарганцевой) и хромомолибденовой стали значения коэффициента прочности, приведенные в таблице 10.4, применимы для всего диапазона расчетных температур стенки и для всех допустимых способов сварки.

10.4.5. Для деталей из хромомолибденовой и высокохромистой стали значения коэффициента прочности, приведенные в таблице 10.4, применимы до температур 510°С. При расчетной температуре выше 510°С коэффициент прочности определяется как произведение коэффициентов прочности согласно подразделу 10.4 и разделу 4 Норм.

10.5. Выбор основных размеров элементов и рекомендации по проектированию подвесок

10.5.1. Для каждой группы подвесок по величине средней расчетной эксплуатационной нагрузки Qq по рисунку 10.3 в зависимости от величины Qq/(103[s]) и максимального относительного смещения тяги подвески Db/lb определяется наружный диаметр тяги. Расчетная длина тяги 2 lb, включает в себя также длину изгибаемой части пластины соединения подвески с экраном.

По наружному диаметру тяги принимается диаметр резьбы. С целью уменьшения изгибающего момента в резьбе при проектировании пружинного блока следует стремиться к тому, чтобы разница между внутренним диаметром втулки и диаметром тяги не превышала 5% от диаметра тяги.

Если подвески в группе имеют разную длину, выбор диаметров тяг для таких подвесок производится с учетом их длин и реальных нагрузок, воспринимаемых этими подвесками.

10.5.2. Размеры элементов шарнирного соединения принимаются по номограмме (рисунок 10.4). В зависимости от величины Qq/(103[s]) определяются: диаметр Da - из условия прочности на срез; толщина средней пластины shp - из условия прочности на разрыв и смятие; размеры т1 и m2 - из условия прочности на разрыв и срез.

В целях унификации размеров пластин, входящих в шарнирные соединения разных групп подвесок, допускается увеличение или уменьшение размеров т1 и m2 по сравнению с определенными по номограмме (см. рисунок 10.4) с последующей проверкой расчетом.

10.5.3. Размеры пластин в узле соединения подвески с экраном принимаются в зависимости от конструктивного исполнения (рисунок 10.5, а, б) по величине Qq/(102npl[s]). Максимальное количество пластин не должно превышать n=6, а толщина пластины не должна превышать 6 - 8мм.

Увеличение длины изгибаемой части пластины lpl (см. рисунок 10.5) способствует уменьшению напряжений в экранах при температурных расширениях. Длина сварного шва должна находиться в пределах 250 - 300 мм.

10.5.4. По ГОСТ 3057 при деформации 0,8f3 в зависимости от максимальной эксплуатационной нагрузки Pэ, умноженной на коэффициент перегрузки 1,2 (при нормальных условиях эксплуатации), выбирается тарельчатая пружина II класса, типа 2, 3-й группы (II-2-3).

Если в i-й группе расчетные нагрузки на отдельные подвески различны (за счет крепления к ним элементов котла на разных высотных отметках), пружины для этой группы выбираются по средней расчетной эксплуатационной нагрузке; при этом разность между максимальной и минимальной нагрузками не должна превышать 20% от средней.

10.5.5. Количество тарельчатых пружин в комплекте определяется исходя из относительного прогиба балок потолочного перекрытия, равного 1/500, и допускаемой перегрузки подвески на 20% по сравнению со средней расчетной по формуле nтн=4Df*b/f3 , где Df*b - максимальная разность просадок пружин для групп подвесок, определяемая по рисунку 10.6:


Рисунок 10.3. Номограмма для определения наружного диаметра тяги

а - тяги малого диаметра: б - тяги большого диаметра


для газомазутных котлов (монтажные прогибы) Df*b=Dfмb;

для пылеугольных котлов (эксплуатационные прогибы) Df*b=Dfэb;

для пылеугольных котлов в случае выравнивания весовых нагрузок после монтажа Df*b=max (Dfмb, Dfэb-Dfмb).

На рисунке 10.6 размер А - ширина цельносварного блока при монтаже (при определении Dfмb) или ширина экрана (при определении Dfэb). Если L>A (L - расстояние между опорами балки потолочного перекрытия), то при расчете следует принимать L=А.

Минимально необходимое количество пружин уточняется на основании фактических прогибов балок потолочного перекрытия при проведении поверочного расчета.

10.5.6. Выбор витых пружин производится по ГОСТ 13769 и ГОСТ 13773, расчет затяжки - по НТД.

10.6. Расчет на статическую прочность

10.6.1. Общие положения

10.6.1.1. При расчете на статическую прочность определяются напряжения от всех нагрузок, действующих на подвеску, с учетом коэффициентов прочности сварных соединений. Проверка условий прочности производится последовательно в зависимости от нагружающих факторов в соответствии с п. 10.3.1.

10.6.2. Определение нагрузок на подвески

10.6.2.1. С учетом выбранных размеров балок потолочного перекрытия определяются их прогибы от монтажной, эксплуатационной и сейсмической нагрузки. Определение прогибов балок потолочного перекрытия необходимо для установления величины перераспределения нагрузок между подвесками котла.

10.6.2.2. По действительному прогибу хребтовой или межхребтовой балки при расчетной нагрузке (монтажной, эксплуатационной и сейсмической) определяется разность просадок-пружин крайних и средних подвесок Dfnn, при этом коэффициент неравномерности (перегрузки) К вычисляется по формуле

где  принимается согласно п.10.5.5. При нормальных условиях эксплуатации ; при сейсмическом воздействии .

Если при монтаже производится выравнивание нагрузок на подвески с помощью гидродомкрата, то Dfnn определяется по прогибу балки от разности Рэм.

При сейсмическом воздействии расчет производится для SР=Рэ+Рs или, в случае выравнивания нагрузок, для SР-Рм. Коэффициент неравномерности не должен превышать 1,4.

10.6.2.3. Для наиболее нагруженных подвесок производится проверка прочности с учетом найденного коэффициента неравномерности К.

Рисунок 10.4. Номограмма для определения размеров элементов шарнирного соединения

Рисунок 10.5. Номограмма для определения размеров пластин

a - односторонняя приварка; б - двухсторонняя приварка; ¾¾ -s=6 мм; ----- - s=8 мм

Рисунок 10.6. Номограмма для определения максимальной разности просадок пружин

¾¾ - при нормальных условиях эксплуатации (1.500);

------- - при сейсмическом воздействии (1.400)

10.6.3. Расчет на прочность тяг подвесок

10.6.3.1. Общие мембранные напряжения от растяжения силой Qq определяются по формуле

где  - для сплошного круглого сечения;

 - для полого круглого сечения (d1=da(ds));

j - принимается согласно п. 10.4.1 при наличии стыкового шва.

10.6.3.2. Средние напряжения от внутреннего давления в полом круглом сечении (в подвесной трубе) тяги определяются согласно разделу 3 Норм.

10.6.3.3. Максимальный изгибающий момент, действующий на тягу, определяется по формуле

где = - параметр;

 - для сплошного круглого сечения;

 - для полого круглого сечения тяги.

Если kl>3, то .

10.6.3.4. Общие изгибные напряжения, возникающие от момента Мbq, определяются по формуле

где  - для сплошного круглого сечения;

 - для полого круглого сечения.

10.6.3.5. Изгибающий момент Msq, воспринимаемый резьбой, зависит от длины втулки lвm и разницы между внутренним диаметром втулки и диаметром тяги 2Ds=Dвm-da:

где ;

 - для сплошного круглого сечения;

 - для полого круглого сечения тяги.

Если полученное значение Msq превосходит значение Mbq, следует принимать Msq=Mbq.

10.6.3.6. Изгибные напряжения, возникающие в резьбе от момента Msq, определяются по формуле

где  - для сплошного круглого сечения;

 - для полого круглого сечения.

10.6.3.7. Напряжение кручения в резьбе при затяге гайки определяется по формуле

где  - для сплошного круглого сечения;

 - для полого круглого сечения;

 - крутящий момент, действующий на подвеску;

Qq - усилие при затяге гайки;

x - коэффициент, зависящий от трения в резьбе; определяется по таблице 10.4.1.

Таблица 10.4.1

Коэффициент

Качество поверхности

0,1

Чисто обработанные поверхности при наличии смазки

0,13

Чисто обработанные поверхности без смазки и грубо обработанные поверхности при наличии смазки

0,18

Грубо обработанные поверхности без смазки

При использовании гидродомкрата в целях выравнивания нагрузок на подвески Мk=0. Не допускается затяг гаек тарельчатых пружин под нагрузкой.

10.6.3.9. В соответствии с разделом 5 Норм для расчетных сечений вычисляются три главных нормальных напряжения (s1, s2, s3, которые представляют собой алгебраическую сумму действующих в одном направлении напряжений от приложенных к расчетному сечению нагрузок.

10.6.3.10. Проверка условий прочности производится последовательно в соответствии с таблицей 10.2 в зависимости от нагружающих факторов и приложенных усилий.

10.6.3.11. Напряжение среза в резьбе определяется по формуле

,

где hs - высота рабочей части резьбы, мм.

Проверка условия прочности производится согласно п. 10.3.1.

Рисунок 10.7. Номограмма для определения коэффициента c1.

10.6.4. Расчет на прочность шарнирных соединений

10.6.4.1. Напряжение смятия в шарнирах определяется по формуле

Формула справедлива при условии 1,0£Dh/Da£1,1.

10.6.4.2. Средние касательные напряжения, вызванные действием срезывающих усилий в валике, определяются по формуле

10.6.4.3. Напряжение смятия в шарнирах с овальным отверстием (см. рисунок 10.1) определяется по формуле

10.6.4.4. Общие мембранные напряжения в проушине с круглым отверстием от растягивающего усилия определяются по формуле

10.6.4.5. Общие, мембранные напряжения в проушине с овальным отверстием от растягивающего усилия определяются по формуле

где E0h - длина отверстия, мм.

10.6.4.6. Общие мембранные напряжения в проушине с овальным отверстием от растягивающего усилия определяются по формуле

где E0h - длина отверстия, мм.

10.6.4.7. Проверка условия прочности производится согласно подразделу 10.3.

10.6.5. Расчет на прочность пластин

10.6.5.1. Максимальная локальная нагрузка в пластине (см. рисунок 10.1) узла соединения подвески с экраном определяется по формуле

QL=KQq/npl,

где npl - число пластин, шт.;

К - коэффициент неравномерности; определяется по таблице 10.5.

Таблица 10.5

Число пластин npl

Коэффициент неравномерности К

1

1,0

2

1,2

4

1,3

6

1,4

10.6.5.2.Общие мембранные напряжения в пластине от усилия QL определяются по формуле

где Fpl=epl spl - площадь поперечного сечения пластины, мм2;

j - коэффициент прочности, определяемый согласно п. 10.4.1 (при наличии стыкового шва).

10.6.5.3. Общие изгибные напряжения в пластине от смещения определяются по формуле

где Dlpl - смещение пластины, мм:

10.6.5.4. Проверка условия прочности проводится согласно подразделу 10.3.

10.6.6. Расчет на прочность опорных плит

10.6.6.1. Эквивалентное напряжение в прямоугольной опорной пластине (рисунок 10.8) с рядом отверстий от усилия Q определяется по формуле, справедливой для любых размеров в плане:

где с* - коэффициент, принимаемый в зависимости от способа опирания плиты и вариантов нагружения по таблице 10.6.

Для плиты, защемленной по опорным кромкам (тип I на рисунке 10.8), с*=с11, если нагрузка распределена по контуру отверстия, и с*=с12, если нагрузка распределена по ширине кольца.

Для плиты, свободно опертой по опорным кромкам (тип I), с*=с21, если нагрузка распределена по конуру отверстия, и с*=с22, если нагрузка распределена по ширине кольца.

Коэффициенты с12 и с22 соответствуют передаче нагрузки через гайку, внутренний диаметр которой равен диаметру отверстия в опорной плите (рисунок 10.9).

Рисунок 10.8. Типы опорных плит

Рисунок 10.9. Варианты нагружения

а- нагружение по контуру отверстия; б - нагружение по ширине кольца

Таблица 10.6.

Параметр b

c11

c12

c21

c22

Параметр a

2

4

6

2

4

6

2

4

6

2

4

6

2

1,0

1,7

2,2

0,6

1,3

1,9

2,4

4,7

6,0

1,8

3,9

4,9

4

1,0

1,2

1,4

0,6

0,9

1,2

1,5

2,8

3,8

1,2

2,2

3,1

6

1,0

1,1

1,2

0,6

0,8

1,0

1,2

2,2

3,0

1,0

1,9

2,7

Примечания:

1. Для промежуточных значений коэффициенты определяются линейной интерполяцией ближайших значений с округлением до 0,1 в большую сторону.

2. При a<2 коэффициенты определяются линейной экстраполяцией с округлением до 0,1 в большую сторону.

Параметр a определяется как отношение расстояния между опорными кромками к диаметру отверстия:

a=а/r,

где расстояние а принимается равным расстоянию между стенками опорных балок.

Параметр b определяется как отношение расстояния между центрами отверстий к диаметру отверстий:

b=t/r.

10.6.6.2. Эквивалентное напряжение в прямоугольной опорной плите с единичным отверстием (см. рисунок 10.8) от усилия Qq определяется по формуле, справедливой для любых размеров плиты в плане:

где с* - коэффициент, принимаемый в зависимости от способа опирания плиты и вариантов нагружения по таблице 10.7.

Таблица 10.7

Параметр g

c31

c32

c41

c42

c5151

c62

Параметр a

2

4

6

2

4

6

2

4

6

2

4

6

2

4

6

2

4

6

2

1,0

1,9

2,6

0,6

1,5

2,1

2,6

5,5

7,3

1,9

4,2

5,4

0,7

1,0

1,0

0,9

1,5

1,5

4

1,0

1,3

1,6

0,6

1,0

1,4

1,6

3,1

4,2

1,2

2,4

3,4

1,0

1,1

1,2

1,5

1,8

2,0

6

1,0

1,2

1,4

0,6

0,9

1,2

1,3

2,3

3,2

1,0

2,0

2,9

1,0

1,2

1,4

1,5

2,0

2,1

Примечания:

1. Для промежуточных значений коэффициенты определяются линейной интерполяцией ближайших значений с округлением до 0,1 в большую сторону.

2. При a<2 коэффициенты определяются линейной экстраполяцией с округлением до 0,1 в большую сторону.

Для плиты, у которой две противоположные кромки защемлены, а две другие свободны (тип II), с*=с31, если нагрузка распределена по контуру отверстия, и с*=с32, если нагрузка распределена по ширине кольца.

Для плиты, у которой две противоположные кромки свободно оперты, а две другие свободны (тип П), c*=c41, если нагрузка распределена по контуру отверстия, и с*=с42, если нагрузка распределена по ширине кольца.

Для плиты, защемленной по контуру, при нагрузке, распределенной по контуру отверстия (тип III), c*=c51.

Для плиты, свободно опертой по всему контуру, при нагрузке, распределенной по ширине кольца (тип III), с*62.

Параметр a определяется как отношение расстояния между опорными кромками к диаметру отверстия:

a=а/r.

Параметр g определяется как отношение длины опорных кромок к диаметру отверстия:

g=b/r.

10.6.6.3. Полученные значения эквивалентного напряжения не должны превышать 1,5 [s] согласно подразделу 10.3.

10.6.7. Расчет на прочность шайб

10.6.7.1. Если радиус приложения нагрузки (радиус линии контакта rк) не превосходит среднего радиуса шайбы, т.е. rк£r+R, то эквивалентное напряжение в конической шайбе от нагрузки при любом угле конусности определяется по формуле

10.6.7.2. Полученное значение эквивалентного напряжения не должно превышать 1,2 [s] согласно подразделу 10.3.

10.6.7.3. Напряжения от среза в опорном бурте конической шайбы

где rb - наружный радиус бурта.

10.6.7.4. За счет большой длины зоны контакта сферической и конической шайб напряжения смятия в этой зоне оказываются значительно меньше допускаемых, поэтому проверка на смятие не производится.

11. МЕТОДИКА РАСЧЕТА НА ПРОЧНОСТЬ ПРИ СЕЙСМИЧЕСКОМ ВОЗДЕЙСТВИИ

Настоящий раздел устанавливает требования к расчету сейсмических нагрузок на паровые стационарные котлы, их элементы и трубопроводы горячей воды и пара. С помощью расчетов проводится оценка сейсмостойкости оборудования, а также определяются мероприятия по обеспечению сейсмостойкости на стадии проектирования и в процессе эксплуатации.

11.1. Условные обозначения

11.1.1. В разделе приняты следующие условные обозначения, представленные в таблице 11.1.

Таблица 11.1

Символ

Название

Единица измерения

sms

Общие мембранные напряжения с учетом сейсмического воздействия

МПа

smms

Местные мембранные напряжения, возникающие от неравномерного распределения нагрузок, с учетом сейсмического воздействия

МПа

sbs

Общие изгибные напряжения с учетом сейсмического воздействия

МПа

scms

Напряжение смятия

МПа

t

Напряжение среза

МПа

k

Относительное демпфирование (в долях от критического коэффициента демпфирования)

 

N

Число степеней свободы расчетной модели

 

g

Нормальное ускорение свободного падения

м/с2

a(t)

Зависимость ускорения основания от времени

 

[М]

Матрица коэффициентов инерции

 

[С]

Матрица коэффициентов жесткости

 

p(f)

Частота собственных колебаний

рад/с (Гц)

НУЭ

Нормальные условия эксплуатации

 

ПЗ

Проектное землетрясение

 

СА

Синтезированная акселерограмма

 

ЛСМ

Линейно-спектральный метод

 

МДА

Метод динамического анализа

 

MSK-64

12-балльная шкала интенсивности землетрясений 1964 г., разработанная С. Медведевым, В. Шпонхоером и В. Карником

 

11.2. Общие положения

11.2.1. Расчет на сейсмостойкость является обязательным этапом поверочного расчета и служит для определения возможности использования оборудования в районах с повышенной сейсмической активностью.

11.2.2. Целью поверочного расчета на сейсмостойкость является:

- проверка прочности элементов оборудования;

- оценка взаимных смещений, соударений элементов конструкций;

- разработка мероприятий, направленных на снижение расчетных динамических нагрузок, в случаях, когда расчет не подтверждает обеспечение требований сейсмостойкости.

11.2.3 Основные критерии сейсмостойкости оборудования базируются на таких факторах, как:

- необходимость обеспечения безопасности оперативного персонала станции;

- важность компонент технологического оборудования и систем, необходимых для выработки электроэнергии и тепла;

- анализ начальной стоимости и объема потенциальных затрат на ремонт или замену оборудования, поврежденного в результате сейсмического воздействия;

- возможность использования альтернативных частей и систем оборудования;

- оценка поведения и взаимодействия отдельных систем при землетрясении;

- анализ возможных потерь от простоев блока вследствие повреждения оборудования при сейсмическом воздействии.

Основной критерий сейсмостойкости ТЭС и ТЭЦ можно сформулировать следующим образом: станция должна противостоять с минимальными структурными повреждениями и непродолжительным прекращением выработки электроэнергии и тепла землетрясению, которое вызывает ускорение грунта только с низкой (около 10%) вероятностью превышения в течение проектного срока службы станции.

11.2.4. Поверочный расчет необходимо проводить с учетом действия эксплуатационных и сейсмических нагрузок. Ветровые нагрузки при расчете на сейсмостойкость не учитываются.

Проектное сейсмическое воздействие задается в соответствии с общей концепцией сейсмостойкости объектов теплоэнергетики в виде аналоговых акселерограмм для площадки строительства станции, имеющей максимальные пиковые ускорения, соответствующие повторяемости один раз за срок службы станции. При этом пиковые ускорения должны иметь не более чем 10%-ную вероятность их превышения за принятый период повторяемости.

В процедуру определения интенсивности ПЗ в общем случае должны входить следующие этапы:

- определение региональной сейсмической активности и вероятности возникновения землетрясений различной интенсивности на основании анализа исторических и инструментальных данных;

- установление и классификация всех геологических разломов в зоне 80 - 100 км;

- определение максимально возможных землетрясений, которые могут инициироваться каждым из разломов, и установление повторяемости для каждого события землетрясения;

- расчет пиковых значений ускорений грунта на площадке, вызванных движениями отдельных разломов;

- определение параметров ПЗ (проектного спектра, акселерограмм и проектного максимального пикового ускорения грунта) для принятой проектной повторяемости землетрясения.

11.2.5. В соответствии с общей концепцией и критериями сейсмостойкости принцип сейсмозащиты станции заключается в ее безопасном останове при ПЗ и последующем пуске через короткий промежуток времени при ограниченном объеме восстановительных работ. Для обеспечения этой задачи все технологическое оборудование и системы станции должны быть разделены на две категории сейсмостойкости.

Категория Is. Системы и оборудование, для которых выполняется обоснование сейсмостойкости (прочности и/или работоспособности):

- системы и оборудование, обеспечивающие аварийный останов блока;

- системы и оборудование, которые могут являться потенциальным источником пожара в результате сейсмического воздействия;

- средства пожаротушения;

- основное и дорогостоящее оборудование, которое не может быть восстановлено и заменено в ограниченный период времени и повреждение которого приведет к значительному экологическому или финансовому ущербу (например, котел, турбина, деаэратор, питательный насос, дымосос, силовые трансформаторы, дутьевые вентиляторы, мельницы, баки мазута, воды и т.д.);

- основные трубопроводы пара и питательной воды.

Категория IIs. Все прочие системы и оборудование, важные с точки зрения обеспечения работоспособности станции и не вошедшие в категорию Is, должны иметь практическую возможность быть восстановленными в ограниченный период времени после землетрясения, определяемый государственными, регулирующими и надзорными органами. Для этих систем выполняется упрощенная оценка ожидаемых повреждений в результате ПЗ.

Кроме того, необходимо уделять особое внимание конструкциям, системам и элементам оборудования, которые в результате сейсмического воздействия могут повредить системы и оборудование, отнесенное к категории Is, и таким образом нарушить функции обеспечения безопасности станции либо привести к большим материальным потерям. Должны быть предприняты меры по предотвращению возникновения указанных ситуаций.

11.2.6. Расчет на сейсмостойкость проводится для оборудования и трубопроводов станций, устанавливаемых в районах сейсмичностью 7 баллов и выше.

11.2.7. Интенсивность ПЗ (максимальный уровень ускорения на грунте) при отсутствии специального сейсмологического обоснования устанавливается в соответствии с картами сейсмического районирования для 1 категории повторяемости, в соответствии со СНиП 1.2.-4-98.

11.2.8. Максимальный уровень ускорения аналоговых и синтезированных акселерограмм, принимаемых в качестве характеристик ПЗ, должен соответствовать п. 11.2.7 или может быть принят в соответствии с таблицей 11.2.

Таблица 11.2

Максимальный уровень ускорений ПЗ

Сейсмичность площадки, в баллах

7

8

9

10

Максимальный уровень ускорения, в долях g

0,1

0,2

0,4

0,8

11.2.9. При повышении или понижении установленной интенсивности ПЗ на 1 балл максимальный уровень ускорения заданных акселерограмм и (или) спектров ответа должен соответственно увеличиваться или уменьшаться в два раза.

11.2.10. За правильность проведения расчета на сейсмостойкость ответственность несет предприятие или организация, выполнявшие расчет.

11.2.11. Термины и определения, принятые в данном разделе, приведены в справочном приложении.

11.3. Требования к расчету

11.3.1. Исходными данными для расчета на сейсмостойкость являются:

- балльность ПЗ и максимальные уровни ускорений расчетных акселерограмм;

- воздействия ПЗ в виде акселерограмм и (или) огибающих спектров ответа для мест установки котлов по трем взаимно перпендикулярным направлениям (вертикального и двух горизонтальных);

- напряжения или внутренние усилия при нормальных условиях эксплуатации.

11.3.2. Оценка сейсмостойкости производится при действии двух горизонтальных и вертикального направлений сейсмического воздействия, при этом величины сейсмических нагрузок в указанных направлениях допускается определять раздельно.

11.3.3. Горизонтальные расчетные сейсмические нагрузки следует принимать действующими в направлениях продольной и поперечной осей конструкции.

11.3.4. При отсутствии конкретной информации о пиковом ускорении вертикальной составляющей колебаний грунта целесообразно применение определенного соотношения между пиковыми ускорениями в вертикальном и горизонтальном направлениях. Это соотношение, как правило, варьируется от 0,5 до 1,0 и может быть максимальным на участках, прилегающих к очагу землетрясения. Указанное соотношение зависит от характеристик очага, самой площадки, ее удаленности от эпицентра, а также от других факторов. При отсутствии специального обоснования рекомендуется брать 2/3 от пикового ускорения в горизонтальном направлении.

11.3.5. Внутренние усилия в элементах конструкции определяются из условия одновременного сейсмического воздействия по всем учитываемым направлениям.

Если расчет производится отдельно по каждому из направлений, расчетные внутренние усилия (силы и моменты относительно главных осей сечения и относительные перемещения) определяются по формуле

где Nk - расчетное усилие в k-м сечении;

NkX, NkY, NkZ - расчетное усилие определенного вида в k-м сечении при сейсмическом воздействии соответственно вдоль осей X, Y, Z (две горизонтальные и вертикальная составляющие).

11.3.6. Сейсмический анализ должен проводиться либо по одному из методов динамического анализа, либо, если доказана возможность использования, по методу эквивалентной статической нагрузки. Эти методы, как правило, основаны на линейно-упругом анализе систем при уровне допускаемых напряжений, близком к пределу текучести материала. Однако для специальных случаев может быть использован также нелинейный анализ систем и их опор с учетом пластических характеристик материала.

11.3.7. При выполнении поверочного расчета на сейсмостойкость должен быть использован один из методов динамического анализа, например метод расчета по спектрам ответа (ЛСМ) или метод расчета по акселерограммам сейсмического воздействия (МДА). При применении методов динамического анализа должны быть выполнены следующие условия:

1. Обеспечен правильный выбор метода динамического анализа (по спектрам ответа или по акселерограммам) исходя из особенностей анализируемой системы и задач анализа.

2. Должно быть обеспечено получение всей необходимой информации по напряженно-деформированному состоянию системы и ее опорно-подвесной системы с учетом всех возможных смещений, поворотов и опрокидывания конструкции, а также взаимодействия с соседним оборудованием и системами. Как правило, для достижения этой цели должны быть использованы программы расчета, основанные на методе конечного элемента.

3. Расчетная динамическая модель должна состоять из достаточного количества степеней свободы (масс). Количество степеней свободы считается достаточным, когда увеличение их числа не приводит к изменению реакции системы более чем на десять процентов. В качестве другого критерия достаточности учитываемого числа степеней свободы может быть использован следующий: количество степеней свободы системы должно по крайней мере в два раза превосходить количество учитываемых собственных форм колебаний при определении реакции системы.

4. В случае, если расчет на сейсмостойкость выполняется с учетом ограниченного числа форм колебаний, например только до частоты 33 Гц, при определении сейсмических нагрузок должны использоваться методы, учитывающие влияние высших форм колебаний. Если специальные методы учета высших форм колебаний не используются, число учитываемых форм должно быть увеличено. Число учитываемых форм считается достаточным, когда изменение их числа не приводит к изменению реакции на опоры более чем на 10%.

5. Должны быть учтены относительные смещения точек опирания системы трубопроводов и различное динамическое воздействие на опоры трубопровода при сейсмическом воздействии. Такой учет обеспечивается следующими расчетами:

- методом модального анализа по спектрам ответа на многоопорное воздействие;

- методом модального анализа по огибающей спектров ответа;

- методом интегрирования уравнений движения по времени с использованием синтезированной акселерограммы, построенной по огибающей спектров ответа.

Во всех случаях требуется дополнительный учет взаимного смещения опор трубопровода в наиболее неблагоприятном сочетании.

6. Должны быть адекватно учтены важные эффекты поведения системы при сейсмической нагрузке, такие как удары и взаимодействие с другим оборудованием и трубопроводами, влияние раскрепления специальными опорами (включая различные типы демпферов, механические и гидравлические амортизаторы), гидродинамические нагрузки, нелинейная реакция системы.

7. Вместо спектрального метода анализа может быть применен метод расчета по акселерограммам, который дает более реалистичную картину поведения анализируемой системы при сейсмическом воздействии, но вместе с тем требует значительных затрат времени на расчет. Ввиду этого данный метод используется обычно для расчета особо важных систем или систем с существенной нелинейностью.

11.3.8. Компоненты оборудования, имеющие многочисленные точки опирания

В ряде случаев оборудование и компоненты систем опираются на различные точки одного сооружения или конструкции или на две раздельные конструкции. При этом перемещения рассматриваемого оборудования или компонент систем в каждой точке опирания могут существенно различаться.

Для расчета многоопорных систем с различным воздействием в точках опирания может применяться консервативный подход, заключающийся в использовании верхнего огибающего спектра по всем индивидуальным опорным спектрам, который позволяет получить максимальную инерционную нагрузку многоопорной системы. В дополнение к этому учитываются относительные сейсмические смещения опорных точек системы в рамках обычного статического расчета системы.

Максимальные относительные смещения опорных точек могут быть получены из расчета здания (опорной конструкции) либо, как консервативное допущение, из поэтажных спектров ответа. Для последнего случая максимальное смещение каждой опоры рассчитывается по формуле

Sd=Sag/w2,

где Sa - спектральное ускорение (в g) на высокочастотном конце спектра (максимальное ускорение отметки);

w - собственная частота колебаний основной конструкции, рад/с.

Определенное таким образом перемещение задается каждой опоре в наиболее неблагоприятном сочетании. Реакции системы, обусловленные инерционными эффектами и относительными смещениями опор, должны быть скомбинированы по методу абсолютного суммирования.

Для уменьшения консерватизма расчета на многоопорное воздействие рекомендуется использовать альтернативный метод, основанный на использовании при расчете на сейсмостойкость спектров ответа для каждой группы опор, размещенных на одной отметке или имеющих одинаковые характеристики сейсмического воздействия. При выполнении расчета на многоопорное сейсмическое воздействие также необходимо учитывать относительные смещения опор в наиболее неблагоприятном сочетании, используя обычные методы статического расчета.

11.3.9. Статический метод используется для предварительной оценки уровня сейсмических нагрузок на начальных стадиях проектирования. Если первая частота колебаний больше 20 Гц, расчет также допускается выполнять статическим методом с умножением ускорений, полученных по спектру ответа, на коэффициент 1,3 для частоты в диапазоне 20 - 33 Гц и на коэффициент 1,0 для частоты больше 33 Гц.

11.3.10. Линейно-спектральный метод следует использовать только для расчета линейно-упругих систем. Метод динамического анализа не имеет ограничений по применению.

При расчете по МДА необходимо учитывать рассеяние энергии, а в необходимых случаях нелинейные характеристики системы.

11.3.11. Метод сейсмической квалификации оборудования. Метод «обхода на месте»

Метод «обхода на месте» используется при оценке сейсмостойкости оборудования действующих станций. Этот метод основан на использовании следующих данных:

- опыта проектирования оборудования для сейсмоопасных районов;

- опыта эксплуатации и поведения оборудования на станциях, подвергавшихся сейсмическим воздействиям;

- обработки результатов экспериментальных исследований сейсмостойкости оборудования и его элементов.

На базе перечисленных выше данных формулируются требования, выполнение которых гарантирует сейсмостойкость определенного типа оборудования. Основная задача метода «обхода на месте» заключается в том, что специалист, имеющий определенную квалификацию, при инспекции оборудования на станции определяет, выполнены или нет при проектировании и на монтаже те требования, которые устанавливаются для того или иного оборудования с целью обеспечения его сейсмостойкости. Так, например, при инспекции оборудования, для которого предусмотрены мероприятия по обеспечению сейсмостойкости, в первую очередь проводится проверка правильности выполнения этих мероприятий.

Вспомогательные трубопроводы и системы воздуховодов могут быть квалифицированы как сейсмостойкие по анализу характера расположения и типу опор. Насосы, электродвигатели и компактные теплообменники, как правило, оцениваются по качеству и типу закрепления на фундаменте.

Важным моментом при сейсмической квалификации оборудования является оценка возможного динамического взаимодействия (ударов) между отдельными элементами оборудования, а также между оборудованием и строительными конструкциями при сейсмическом воздействии. Например, не допускается соударение приводов арматур с элементами оборудования и строительными конструкциями.

При выполнении инспекций по сейсмической квалификации оборудования на каждый тип оборудования оформляются обходные листы, в которых перечислены все требования, предъявляемые к определенному типу оборудования. Специалист, выполняющий инспекцию, заполняет листы, отмечая выполнение тех или иных требований по сейсмостойкости.

11.4. Оценка сейсмостойкости

11.4.1. Оценку сейсмостойкости элементов оборудования и трубопроводов следует выполнять по допускаемым напряжениям, по допускаемым перемещениям, по критериям циклической прочности и устойчивости.

11.4.2. При оценке сейсмостойкости по допускаемым напряжениям должны учитываться только те эксплуатационные нагрузки или внутренние усилия, которые не релаксируются при возникновении в элементах местной или общей пластической деформации (весовые нагрузки, внутреннее или наружное давление, наддув, нагрузки от присоединительных коммуникаций).

11.4.3. Уровень допускаемых напряжений при оценке сейсмостойкости назначается в зависимости от категорий напряжений. Действие ПЗ приравнивается к случаю нарушения нормальных условий эксплуатации.

11.4.4. Допускаемые напряжения [s] определяются в соответствии с положениями раздела 2 Норм.

11.4.5. Оценка прочности элементов котлов, находящихся под давлением, производится по допускаемым напряжениям, приведенным в таблице 11.3.

Таблица 11.3

Сочетание нагрузок и допускаемые напряжения для элементов котлов

Сочетание нагрузок

Расчетная группа категорий напряжений

Допускаемые напряжения

НУЭ+ПЗ

sms

1,3 [s]

НУЭ+ПЗ

[sms или smms]+ sbs

1,8 [s]

11.4.6. Для деталей котлов, не находящихся под давлением, в зависимости от категорий напряжений (см. таблицу 11.3) коэффициент при допускаемых напряжениях должен умножаться на 1,1 с округлением в сторону меньшей величины.

11.4.7. Средние напряжения смятия не должны превышать:

для подвижных шарниров scms=2[s],

для неподвижных шарниров scms=3[s].

11.4.8. Средние касательные напряжения, вызванные срезывающими нагрузками, в шарнирах подвесок, в сварных швах и т.п. не должны превышать t=0,8[s].

11.4.9. Средние напряжения растяжения по сечению резьбовой части подвесок, вызванные действием весовых и сейсмических нагрузок, не должны превышать величины 0,95 [s].

Приведенные напряжения, определенные по суммам составляющих средних напряжений растяжения, изгиба и кручения в резьбовой части подвесок при сейсмических воздействиях, не должны превышать величины 1,65 [s].

Средние касательные напряжения, вызванные действием весовых и сейсмических нагрузок в резьбе подвесок, не должны превышать t=0,8[s].

11.4.10. Расчет на циклическую прочность проводится в соответствии с требованиями подраздела 5.4. При этом максимальная амплитуда напряжений определяется с учетом действия ПЗ и число циклов нагружения принимается равным 50.

Расчет на циклическую прочность не проводится, если повреждаемость от всех видов нагрузок на элементы котла не превышает 0,8.

11.4.11. Величины допускаемых перемещений (прогиб, смещение и т.п.) следует задавать в зависимости от условий эксплуатации и требований к жесткости элементов конструкции (предотвращение выбора зазора и соударения элементов, недопустимые перекосы и т.п.).

11.4.12. Оценка прочности элементов опор котлов и трубопроводов выполняется по соответствующим СНиП и по всем относящимся к ним нормативным документам с учетом сейсмических нагрузок, полученных расчетом на сейсмостойкость по настоящим нормам.

11.5. Общие принципы построения динамических моделей

11.5.1. Динамическая модель оборудования или трубопровода при анализе сейсмостойкости - это динамическая система с конечным числом степеней свободы, достаточно полно отражающая основные динамические свойства рассматриваемой конструкции, по реакции которой на заданное сейсмическое воздействие оценивается сейсмостойкость реальной конструкции.

11.5.2. Оборудование и трубопроводы могут быть представлены пространственными или плоскими динамическими моделями.

11.5.3. Плоская динамическая модель - это динамическая система, движение точек которой происходит в одной плоскости, а ее упругие связи работают при плоском деформированном состоянии.

11.5.4. Плоскую динамическую модель допускается использовать в тех случаях, когда конструкция имеет плоскость симметрии. В других случаях необходимо специальное обоснование возможности использования плоской модели.

11.5.5. Масса конструкции, создающая при колебаниях инерционные нагрузки, сосредотачивается в узловых точках (узлах) динамической модели.

11.5.6. Общие принципы построения расчетных моделей

11.5.6.1. Основная задача построения динамической модели при анализе сейсмостойкости состоит в определении рационального уровня идеализации конструкции, обеспечивающего необходимую точность оценки динамической реакции системы.

11.5.6.2. Динамические характеристики котла определяются инерционными, упругими и диссипативными параметрами конструктивных элементов.

11.5.6.3. Построение динамической модели проводится в следующей последовательности:

предварительная разбивка системы на составные элементы;

назначение узловых точек;

назначение обобщенных координат;

определение инерционных и упругих характеристик;

анализ собственных частот отдельных структурных подсистем;

оптимизация параметров динамической модели.

11.5.6.4. При построении упругой схемы динамической модели в первую очередь руководствуются требованиями, предъявляемыми к расчетным моделям при оценке статической прочности. Дополнительно учитываются особенности элементов конструкции, динамическая работа которых отличается от статической (подвески, соединения с зазорами, демпфирующие устройства и т.п.).

Разбивка системы на элементы приводит ее к дискретному виду, учитывающему динамические особенности взаимодействия отдельных элементов и их влияние на динамическую реакцию системы.

11.5.6.5. Разбивка системы на элементы производится с таким расчетом, чтобы узлы динамической модели располагались в местах наибольшей концентрации массы и наибольшей податливости конструкции, а также в точках, движение которых определяет взаимодействие элементов системы при колебаниях (места разветвления, присоединения к конструкции связей, демпферов и т.п.).

11.5.6.6. Для назначения обобщенных координат могут быть применены два подхода: формальный и аналитический.

При формальном подходе узловые точки назначаются в каждом граничном сечении составных элементов динамической модели. Каждый узел имеет от 3 до 6 степеней свободы, и анализ парциальных систем в этом случае не производится.

Аналитический подход предполагает анализ динамической модели, на основании которого исходя из заранее установленного уровня высшей собственной частоты расчетной динамической модели производится уточнение параметров динамической модели.

11.5.6.7. Так как сейсмическое воздействие представляет собой относительно низкочастотный процесс, характеризуемый частотным спектром от 0,1 до 30 Гц, при анализе сейсмостойкости линейно-упругих систем рекомендуется расчетные модели строить таким образом, чтобы значения парциальных частот не превышали 120 - 150 Гц.

Для нелинейных систем граничный частотный уровень принимается с учетом условий динамической работы элементов с нелинейными характеристиками.

11.5.6.8. При определении инерционных параметров рекомендуется использовать следующее:

- в протяженных системах с равномерно распределенной массой и погонной изгибной жесткостью (трубопроводы, балки и т.п.) инерционные параметры в узлах принимаются равными значению половины массы примыкающих к ним участков, заключенных между соседними узлами;

- для элементов конструкции, которые можно представить жестким телом, в узел, расположенный в центре масс, приводится вся масса тела;

- массовые моменты инерции для жесткого тела, соответствующие угловым обобщенным координатам, определяются относительно осей, проходящих через его центр масс.

11.5.6.9. Жесткостные характеристики упругих элементов динамической модели определяются на основании анализа работы элементов конструкции при всех возможных перемещениях узлов по направлению заданных обобщенных координат.

При этом в общем случае учитывается деформация изгиба, растяжения-сжатия, сдвига и кручения.

11.5.6.10. При расчете котлов подвесного типа в динамической модели необходимо учитывать жесткости присоединительных коммуникаций (газоходов, воздуховодов и трубопроводов).

Для оценки сейсмостойкости опорно-подвесной системы котлов подвесного типа динамическая модель котла должна быть построена таким образом, чтобы учесть все возможные перемещения элементов системы, влияющие на изменение нагрузки на подвески.

11.5.6.11. Учет влияния параметров диссипации в конструкции оборудования и трубопроводов при колебаниях производится введением в расчет относительного демпфирования, рекомендуемые значения которого для различных конструкций приведены в таблице 11.4.

Таблица 11.4

Значение относительного демпфирования k (в долях от критического)

Элементы конструкции

Значение относительного демпфирования

Трубопроводы большого диаметра (Dy>100 мм) и оборудование (теплообменники и т.п.)

0,02

Трубопроводы малого диаметра (Ду<100 мм) и внутренние элементы котла (ширмы, ПП, ЭК и т.п.)

0,01

Газоходы и воздуховоды котлов подвесного типа

0,1

Металлоконструкции котла:

 

     сварные

0,02

     на болтах

0,04

Бетонные конструкции:

 

     предварительно напряженные

0,02

     армированные

0,04

Примечание. При расчете котлов подвесного типа по ЛСМ значение относительного демпфирования для системы котел-здание (каркас) принимается k=0,05.

11.6. Методы расчета на сейсмостойкость

11.6.1. Статический метод

11.6.1.1. Величины сосредоточенной сейсмической нагрузки, действующей независимо в двух горизонтальных и вертикальном направлениях на k-ю точку опорной конструкции или корпуса котла (кроме корпусов подвесных котлов), определяются по следующей зависимости:

Qk=Mkkb(1+kh)g,

где Мk - сосредоточенная масса конструкции котла, кг;

kb - коэффициент балльности, значение которого определяется по таблице 11.6:

Таблица 11.6

Значения коэффициента kb

Балльность

7

8

9

kb

0.25

0.5

1.0

kb - коэффициент высоты размещения элемента конструкции:

n - число сосредоточенных масс;

hk - высота отметки расположения k-массы, м.

11.6.1.2. При определении сейсмической нагрузки, действующей на котел в вертикальном направлении, значение kb по п. 11.6.1.1 уменьшается в два раза, а kh принимается равным 0.

11.6.1.3. При расчете котлов подвесного типа горизонтальная сейсмическая нагрузка действующая на корпус котла, определяется по зависимости

Qk=0,8 Mk kb ki g,

где ki - коэффициент интенсивности колебаний корпуса, принимаемый равным значению собственной частоты колебаний корпуса (в Гц), но не более 2.

Вертикальная сейсмическая нагрузка на корпус подвесного котла определяется по зависимости

Qk=Mk kb ki g.

В этом случае при определении значения ki учитывается суммарная вертикальная жесткость подвесок и kb умножается на 2/3.

11.6.1.4. Сейсмические нагрузки на отдельные элементы котлов и оборудование, установленное на котле, определяются по зависимости

где Mo - масса отдельного оборудования, кг;

koi - коэффициент интенсивности колебаний оборудования, принимаемый равным значению низшей собственной частоты оборудования (в Гц), но не более 3.

Для оборудования, жестко закрепленного на котле, koi=1.

11.6.2. Линейно-спектральный метод

11.6.2.1. Для использования ЛСМ определяют собственные значения и векторы рассматриваемой динамической системы.

Значения собственных частот определяются численным решением задачи о собственных значениях:

где wn - круговая частота n-й формы собственных колебаний;

n} - собственный вектор для n-й формы;

[К] - матрица жесткости;

[М] - матрица масс.

11.6.2.2. Определяется вектор инерционных сейсмических нагрузок, действующих в направлении обобщенных координат системы при колебаниях по каждой форме:

[Fn]=[M] {Фn}Cnаn,

где [Fn] - вектор сил для n-й формы собственных колебаний;

Cn - фактор «участия» массы для n-й формы собственных колебаний:

Cn={Фn}T[M]{1}/{Фn}T[M] {Фn},

аn - спектральное ускорение, определенное по частоте для n-й формы.

Для оборудования и трубопроводов, расположенных на различных отметках строительных конструкций, рекомендуется проводить расчет на многоопорное воздействие, при котором учитываются особенности поэтажных спектров ответа на каждой отметке закрепления.

11.6.2.3. Определение расчетных внутренних усилий (напряжений) в каждом рассматриваемом сечении системы производится с использованием следующих правил и процедур:

суммирования по формам и направлениям - корень квадратный из суммы квадратов

суммирования по группам, поэтажных спектров - по абсолютной величине

[F]=[F1]+[F2]+[F3]+…;

учета высших форм колебаний.

11.6.3. Метод динамического анализа

11.6.3.1. Для анализа динамического поведения системы рассматривается следующее уравнение движения:

                             (1)

где М - диагональная матрица масс;

С - матрица демпфирования;

К - матрица жесткости;

r - вектор направляющих косинусов между сейсмическим воздействием и обобщенными координатами;

 - сейсмическое воздействие, определенное в терминах ускорения грунта (основания);

Fe - вектор реактивных сил, возникающих от дополнительных, в том числе от нелинейных, связей системы;

Х - вектор узловых перемещений;

X¢ - вектор узловых скоростей;

X" - вектор узловых ускорений.

Для решения уравнения (1) выполняется модальное преобразование

Х=Ф×Y,                                                                        (2)

где Ф - матрица, состоящая из n столбцов форм собственных колебаний системы;

Y - новые модальные обобщенные координаты.

После подстановки (2) в (1) и домножения всего уравнения слева на ФТ получим:

 (3)

Учитывая свойства ортогональности матриц масс, жесткости и демпфирования, можно записать:

                                                            (4)

                                                (5)

                                                        (6)

где I - единичная матрица;

 - диагональная матрица модального демпфирования;

 - диагональная матрица модальной жесткости;

 - n-я собственная частота колебаний системы;

 - коэффициент модального демпфирования, соответствующий n-й собственной частоте.

После указанных преобразований уравнение (3) принимает вид:

                              (7)

где                                                                                       (8)

Вектор Вn, представленный в правой части уравнения (7), может трактоваться как модальный вектор внешних и реактивных нагрузок. Следует отметить, что если размерность исходной системы уравнений (1) соответствует общему числу степеней свободы, представленных в расчете (поступательные и вращательные перемещения расчетных сечений системы), то размерность уравнения (7) соответствует числу форм собственных колебаний, учитываемых в расчете.

В рамках метода динамического анализа уравнение движения системы (7) решается прямым пошаговым интегрированием этих уравнений с применением центрально-разностной схемы. Начальные условия (перемещения, скорости и ускорения точек системы в нулевой момент времени) предполагаются нулевыми. Может быть применена следующая конечно-разностная аппроксимация для текущих значений скоростей и ускорений:

                                               (9)

                                    (10)

Подставляя соотношения (9) и (10) в (7), получим выражение для :

                                                          (11)

                   (12)

ПРИЛОЖЕНИЕ

Справочное

ТЕРМИНЫ И ОПРЕДЕЛЕНИЯ

Землетрясение (сейсмическое воздействие) - колебания земли, вызываемые прохождением сейсмических волн, излученных из какого-либо очага упругой энергии.

Интенсивность землетрясения - мера величины сотрясения грунта, определяемая параметрами движения грунта, степенью разрушения сооружений и зданий, характером изменений земной поверхности и данными об испытанных людьми ощущениях.

Сейсмичность площадки строительства - интенсивность возможных сейсмических воздействий на площадке строительства с соответствующими категориями повторяемости за нормативный срок. Сейсмичность устанавливается в соответствии с картами сейсмического районирования и (или) микрорайонирования площадки строительства. Она измеряется в баллах по шкале MSK-64.

Сейсмостойкость энергетического оборудования - способность конструкции сохранять в определенной степени прочность, устойчивость, герметичность и работоспособность при землетрясении.

Акселерограмма землетрясения - зависимость от времени абсолютного ускорения грунта (основания) для определенного направления в виде графика или в табличной форме (оцифровка).

Аналоговая акселерограмма - запись реального землетрясения, используемая для расчета на сейсмостойкость.

Синтезированная акселерограмма - акселерограмма, полученная аналитическим путем на основе обработки и статистического анализа ряда аналоговых акселерограмм.

Ответная акселерограмма - акселерограмма точки конструкции, определяемая из расчета вынужденных колебаний при сейсмическом воздействии.

Поэтажная акселерограмма - ответная акселерограмма отдельных высотных отметок сооружения, на которых, установлено оборудование.

Спектр ответа (реакций) - совокупность абсолютных значений максимальных ответных ускорений линейно-упругой системы с одной степенью свободы (осциллятора) при воздействии, заданном акселерограммой; эти значения определяются в зависимости от собственной частоты и значения относительного демпфирования осциллятора.

Расширенный спектр ответа - спектр, полученный путем расширения пиков спектра ответа с целью повышения надежности выполняемых расчетов на сейсмостойкость.

Огибающий спектр ответа - спектр, полученный по результатам обработки спектров ответа, для набора аналоговых и (или) синтезированных акселерограмм.

Спектр коэффициентов динамичности - безразмерный спектр, полученный делением значений спектра ответа на максимальное пиковое значение ускорения соответствующей акселерограммы.

Статический метод расчета на сейсмостойкость - упрощенный метод, согласно которому распределение сейсмических нагрузок, действующих на конструкцию, принимается подобным распределению массы, а величины этих нагрузок определяются при помощи набора коэффициентов.

Линейно-спектральный метод расчета на сейсмостойкость - метод, в котором величины сейсмических нагрузок определяются по спектрам ответа в зависимости от частот и форм собственных колебаний конструкции.

Метод динамического анализа сейсмостойкости - метод численного интегрирования уравнений движения, применяемых для анализа вынужденных колебаний конструкции при сейсмическом воздействии, заданном акселерограммами землетрясений.

Проектное землетрясение - землетрясение со средней повторяемостью один раз за срок службы станции.

Нормальные условия эксплуатации - стационарный режим работы оборудования при номинальной производительности.

12. КОНТРОЛЬ ВИБРОПРОЧНОСТИ ТРУБОПРОВОДОВ И ТРУБНЫХ ЭЛЕМЕНТОВ ОБОРУДОВАНИЯ И КОТЛОВ

12.1. Общие положения

В разделе рассмотрены основные требования к контролю вибропрочности для трубопроводов и оборудования, подвергающихся вибрационному нагружению при установившейся и неустановившейся вибрации. Приведены критерии для оценки допустимого уровня вибрации и рекомендации по снижению вибрации (при необходимости).

Расчет на вибропрочность и контроль вибропрочности проводятся применительно к элементам конструкций энергооборудования и трубопроводов, подвергающихся вибрационному нагружению.

Установившаяся вибрация. Повторяющаяся вибрация, которая имеет место за относительно длительный период времени в течение нормальной эксплуатации.

Неустановившаяся вибрация. Вибрация, которая имеет место в относительно короткий период времени.

Примеры источников неустановившейся вибрации: запуск и выключение насосов, быстрое открытие и закрытие клапанов, срабатывание предохранительных клапанов.

12.2. Классификация оборудования при контроле вибропрочности

При контроле на вибропрочность оборудование и трубопроводы разделяются на группы.

Группа 1. Трубопроводы I и II категории в соответствии с «Правилами устройства и безопасной эксплуатации трубопроводов горячей воды и пара» (далее Правила); основные элементы котла и трубопроводы в пределах котла, влияющие на выработку пара.

Группа 2. Трубопроводы с двухфазной средой.

Группа 3. Трубопроводы III и IV категории в соответствии с Правилами; второстепенные элементы котла.

12.3. Основные методы контроля вибропрочности

12.3.1. Расчетный контроль вибропрочности на стадии проектирования оборудования

Проводится для оборудования, относящегося к 1 группе, и заключается в определении собственных частот для проверки отстройки их от частот детерминированного возбуждения.

В качестве детерминированных частот возбуждения рекомендуется принимать основные частоты вращающихся механизмов, частоту электромагнитных сил и частоту гидродинамических сил, связанную с образованием вихрей. Условия отстройки собственных частот для первых трех форм колебаний в каждой плоскости записываются в виде

  или  

где fi - низшая собственная частота колебаний (i=1, 2, 3);

f - частота возбуждения.

12.3.2. Методы контроля вибропрочности в процессе пусконаладочных работ и эксплуатации

12.3.2.1. Визуальный метод

Применим для оборудования и трубопроводов, относящихся к группе 2 и 3.

Цель данного метода - определение максимальных амплитуд и мест возможных соударений. Место или места наибольших отклонений могут быть установлены визуально. Амплитуда виброперемещений может быть установлена с помощью простых измерительных устройств.

Если выявлен приемлемый уровень вибрации, никаких дальнейших измерений или оценок не требуется. Наблюдатель должен нести ответственность за собственную оценку того, является ли данный уровень вибрации приемлемым.

Основанием для подобного решения может быть только оценка всех следующих факторов с точки зрения их влияния на напряжения в трубопроводе:

амплитуда вибрации и ее месторасположение;

близость к "чувствительному оборудованию";

режим работы присоединенных ветвей трубопровода;

характеристики опор ближайших компонентов.

Любые особенности работы системы должны быть учтены при оценке.

Если невозможно дать приемлемую оценку отклонениям по результатам наблюдений, необходимо прибегнуть к измерениям (в соответствии с п. 12.3.2.2).

Для исключения возможных соударений произвольных элементов, расположенных с зазором D, должно быть выполнено условие

|А1|+|А2|<D,

где А1, А2 - амплитуды виброперемещений соответствующих элементов.

12.3.2.2. Инструментальные методы

Применимы для всех групп оборудования. Контроль проводится на основании замеров параметров вибрации в процессе работы оборудования.

С помощью соответствующей аппаратуры замеряются значения перемещений или виброскоростей в характерных точках.

12.3.2.2.1. Метод перемещений

Предельные вибрационные отклонения трубопроводной системы зависят от большого числа предположений относительно геометрических характеристик системы и свойств материала со многими комбинациями переменных. Необходимо разбивать трубопроводные системы на более мелкие подсистемы, которые могут быть физически определены и смоделированы. Консервативная оценка приемлемости измеренных вибрационных отклонений может быть проведена путем их сравнения с допускаемыми предельными отклонениями, вычисленными для подсистем.

Измерения производятся по длине трубопровода для определения точек с максимальными отклонениями и установления узловых точек с минимальным отклонением. Узловые точки определяют длины пролетов (границы подсистем). Узловые точки (точки с нулевыми отклонениями) обычно совпадают с точками закрепления, но на длинных участках трубопровода могут располагаться между опорами.

Предельные отклонения для характерных участков трубопроводов (подсистем) могут быть определены по формуле

где [sа] - допускаемая амплитуда напряжений, определенная по расчетным кривым малоцикловой усталости и равная минимальному значению при максимальном числе циклов;

i - коэффициент интенсификации или коэффициент местных напряжений;

Е - модуль упругости материала с учетом температуры;

L - длина характерного участка;

Dа - наружный диаметр трубы;

К - коэффициент конфигурации (таблица).

Разбиение трубопровода на соответствующие элементы (подсистемы), которые необходимы для определения допускаемых отклонений, рекомендуется проводить на основании результатов измерений перемещений.

Тип подсистемы

К

Одиночный пролет (шарнирное опирание на опорах)

9.86

Одиночный пролет (одна опора, шарнирное опирание, вторая заделка)

25.6

Одиночный пролет (заделка на обеих опорах)

16.6

Консольный пролет

3.55

Элементы трубопроводов более широко можно разделить на две категории по признаку их закрепления: 1) один конец закреплен, другой свободен; 2) оба конца закреплены. Эти категории затем подразделяются на более мелкие, основанные на различных комбинациях одиночных пролетов и двух пролетов, соединенных под 90°. Отклонения измеряются в плоскости колена и из плоскости колена. Предполагается, что вращательные связи в точках закрепления зафиксированы для более консервативного определения допускаемого предела отклонений. Перечень основных типов подсистем трубопровода приведен выше.

12.3.2.2.2. Метод скоростей

Метод требует консервативного измерения скоростей в различных точках трубопроводной системы для определения точки с максимальной виброскоростью. Когда местоположение этих точек установлено, в них производятся окончательные измерения максимальных скоростей nmax, и затем они сравниваются с пиковыми значениями виброскорости [n]. Критерий nmax£[n].

При значениях [v] до 15 мм/с не требуется проверки вибропрочности. При значениях [v]=15¸25 мм/с требуется расчетная проверка на основании подробных измерений (с определением спектров виброскоростей). При значениях [v] свыше 25 мм/с принимаются меры для снижения вибрации.

Величину [v] также можно определить аналитически, разделив значение [d] на частоту собственных колебаний подсистемы.

12.3.2.2.3. Расчет на циклическую прочность с учетом вибронапряжений

Расчет на циклическую прочность с учетом высокочастотного нагружения проводится в тех случаях, когда низкочастотные циклические напряжения, связанные с пуском, остановкой, изменением мощности, срабатыванием аварийной защиты или с другими режимами, сопровождаются наложением высокочастотных напряжений, вызванных, например, вибрацией или пульсацией температур при перемешивании потоков теплоносителя с различной температурой.

Исходные данные о высокочастотном нагружении получаются при анализе результатов измерений при эксплуатации элемента конструкции или их расчетом.

Условие прочности при наличии различных циклических нагрузок проверяется по формуле

где Ni - число циклов i-го типа за время эксплуатации;

k - общее число типов циклов;

[No]i - допускаемое число циклов i-го типа;

а - накопленное усталостное повреждение, предельное значение которого [аN]=1.

В общем случае

где a1 - повреждение от эксплуатационных циклов нагружения, на которые не наложены высокочастотные напряжения;

a2 - повреждения от высокочастотных напряжений при постоянных эксплуатационных напряжениях (стационарные режимы);

a3 - сумма повреждений от высокочастотных напряжений в течение циклов переменных напряжений на переходных эксплуатационных режимах  и при прохождении резонансных частот  в тех же циклах.

При расчете повреждения a2 в случае узкополостного спектра используются максимальная среднеквадратическая амплитуда высокочастотных местных напряжений и соответствующая ей частота.

При широкополосном спектре значение а2 определяется как сумма повреждений для тех амплитуд местных напряжений и соответствующих им частот, которые вызывают повреждения более 10% максимального повреждения на одном из сочетаний амплитуды - частоты из всего спектра. Асимметрия цикла определяется с учетом среднего напряжения, принимаемого равным постоянному местному напряжению от механических и тепловых нагрузок с включением остаточных напряжений растяжения.

Повреждение  определяется с учетом максимальных амплитуд высокочастотных напряжений без учета концентрации и соответствующих им частот для каждого типа цикла переменного напряжения на переходных режимах.

Повреждение  определяется с учетом максимальной амплитуды высокочастотного напряжения при прохождении резонанса. Число циклов определяется с учетом времени эксплуатации в условиях резонанса. Асимметрия цикла высокочастотного нагружения определяется местным напряжением от механических и тепловых нагрузок при эксплуатации с учетом остаточных напряжений растяжения для середины интервала времени, соответствующего резонансу.

12.3.2.3. Экспериментально-расчетные методы

Основной задачей этой проверки является получение точной оценки вибронапряжений в трубопроводной системе исходя из измеренного вибрационного поведения.

12.3.2.3.1. Метод ответа по формам

Этот метод требует, чтобы перемещения по формам и собственные частоты системы были определены из экспериментальных данных. Метод также требует, чтобы был выполнен расчет на собственные значения, результатами которого являются аналитически определенные собственные частоты и формы, а также вектор модальных напряжений (напряжения в каждой точке по каждой форме) или изгибающих моментов, соответствующих собственным векторам. Полученные аналитически и измеренные собственные частоты и формы трубопроводной системы сопоставляются, и затем с помощью вектора модальных напряжений определяются истинные напряжения в трубопроводе.

Для определения собственных частот и модальных перемещений система должна быть оснащена большим количеством датчиков, которые могут измерять скорость, перемещение или ускорение. Места установки датчиков должны выбираться как можно ближе к точкам, включенным в расчетную модель системы.

Запись измерений должна быть продолжительной.

Обработка данных при установившейся вибрации должна сводиться к получению амплитуды перемещений по каждой доминирующей форме системы.

Измеренные модальные перемещения и сопоставленные с ними аналитические должны использоваться для получения точной оценки вибронапряжений (или моментов) в трубопроводной системе. Полученные напряжения не должны превышать допускаемых значений [sa].

12.3.2.3.2. Метод измерения напряжений

Для прямого измерения напряжений при установившейся и неустановившейся вибрации можно использовать тензодатчики.

Трубопроводная система должна быть оснащена достаточно большим количеством тензодатчиков в районе точек, где появление максимальных напряжений наиболее вероятно. Тензодатчики должны располагаться как можно ближе к местам концентрации напряжений.

Экспериментально полученные напряжения не должны превышать допускаемых значений.

12.4. Мероприятия по устранению вибрации

Если вибрация трубопровода превышает уровень, при дальнейшей оценке рекомендуется выяснить, надо ли предпринять меры для снижения вибрации. Возможные корректирующие действия включают в себя идентификацию и снижение или устранение вызывающей вибрацию нагрузки, отстройку от резонансных частот посредством модификации, изменения в режиме эксплуатации для устранения причин вибрации или установку демпфирующих устройств.

После проведения мероприятий по снижению вибрации необходимы повторные измерения для определения эффективности проведенных мероприятий.

Если для снижения вибрации требуется введение дополнительных связей или модификация системы, то при необходимости расчет трубопроводной системы должен быть повторен с учетом этих изменений.

ПРИЛОЖЕНИЕ

Рекомендуемое

ДЕТЕРМИНИРОВАННЫЕ ЧАСТОТЫ ВОЗМУЩЕНИЯ

В качестве детерминированных частот возмущения принимают:

1) основную частоту вращения вала насоса:

w=2pn/60,

где n - частота вращения вала, мин-1;

2) частоту электромагнитных сил, вызванную наличием пазов в статоре и роторе приводных электродвигателей насосов:

w=2pzpn/60,

где zp - число пазов ротора;

3) частоту гидродинамических сил, определяемую количеством лопаток z рабочего колеса насоса:

w=2pzn/60.

Федеральный горный и промышленный надзор России (Госгортехнадзор России)

ПОСТАНОВЛЕНИЕ

25 августа 1998 г.                                       г. МОСКВА                                               № 50

Об утверждении "Норм расчета на прочность стационарных котлов и трубопроводов пара и горячей воды"

Федеральный горный и промышленный надзор России

ПОСТАНОВЛЯЕТ:

утвердить "Нормы расчета на прочность стационарных котлов и трубопроводов пара и горячей воды"

Начальник Госгортехнадзора России                                                              В. Д. Лозовой

СПРАВКА
о проекте "Норм расчета на прочность стационарных котлов и трубопроводов пара и горячей воды"

Проект "Норм расчета на прочность стационарных котлов и трубопроводов пара и горячей воды" разработан Управлением по котлонадзору и надзору за подъемными сооружениями совместно с АООТ "НПО ЦКТИ" в соответствии с Постановлением Госгортехнадзора России от 02.09.97 № 25. Проект устанавливает единые требования и порядок расчета элементов, работающих под давлением. В нормах дается определение основных терминов, используемых в расчетах на прочность, и приводятся уточненные значения допускаемых напряжений для материалов, используемых при изготовлении объектов котлонадзора. Проект содержит уточненные методы расчетов толщины стенки основных элементов оборудования, а также устанавливает величины коэффициентов прочности сварных соединений и методы их определения. В нормах приводятся методика поверочного расчета элементов конструкции на усталостную прочность, а также методика расчета дополнительных нагрузок, возникающих в элементах конструкций. Нормы содержат раздел, посвященный методам расчета на прочность деталей газотурбинных котлов, относящихся к наиболее потенциально опасному оборудованию.

Управление по котлонадзору и надзору за подъемными сооружениями просит утвердить предлагаемый проект норм расчета на прочность.

Начальник управления                                                                                 B.C. Котельников

О НОРМАХ РАСЧЕТА НА ПРОЧНОСТЬ КОТЛОВ И ТРУБОПРОВОДОВ

В связи с развернувшимся в России созданием и эксплуатацией паровых машин и котлов, в том числе судовых и паровозных, в 1843 г. правительством было принято решение о включении в "Устав о промышленности фабричной и заводской" статьи о требованиях безопасности для котлов. Через 50 лет в 1893 г. были введены первые Правила котлонадзора, переизданные в 1911 г.

Советское котлостроение началось с производства котлов на ЛМЗ в 1922 - 1923 гг., а первые советские "Правила устройства, содержания и освидетельствования паровых котлов" были приняты в 1920 г. и переизданы в 1923 г.

В период реализации плана электрификации страны ГОЭЛРО в 1927 г. был основан институт (впоследствии Центральный котлотурбинный институт им. И.И. Ползунова), задачей которого была разработка совместно с заводами котлов и турбин на базе научных исследований и опыта освоения оборудования в станционных промышленных условиях. В это время подготавливался переход на новую ступень давления - 35 атм.

В 1929 г. вышла новая редакция Правил котлонадзора с включением дополнительных требований к пароперегревателям, экономайзерам и котлам высокого давления. В 30-е годы началось интенсивное развитие промышленности и создание нового поколения отечественного оборудования, что потребовало разработки нормативных документов, определяющих технические требования к проектированию и оценке надежности оборудования, работающего под давлением. С 1934 г. энергетика оснащалась котлами только отечественного производства.

В 1937 г. был разработан проект первых Норм расчета на прочность ЦКТИ, которые в 1939 г. были утверждены Главкотлотурбопромом. Нормы расчета на прочность 1939 г. распространялись на оборудование с давлением до 60 кгс/см2.

В предвоенные годы проводились подготовительные работы по выпуску котлов на высокое давление. Совместно с ЛМЗ был выполнен проект первого мощного отечественного котла на давление 110 атм., разработаны Нормы теплового расчета.

В послевоенные годы в связи с восстановлением промышленности и созданием нового оборудования была разработана основополагающая нормативно-техническая документация: Нормы теплового расчета котлоагрегатов (1947 г.), Нормы гидравлического расчета (1950 г.), новая редакция "Норм расчета на прочность котельных агрегатов" (ЦКТИ, книга 17, 1950 г.).

В 1948 г. в эксплуатацию были введены первые котлы на давление в барабане 110 атм. В редакции Норм прочности 1950 г. отсутствовали ограничения по давлению пара и температуре перегрева. Единственное ограничение, принятое в этих Нормах, определялось величиной отношения наружного диаметра сосуда под внутренним давлением к его внутреннему диаметру. В Нормах прочности были введены требования по расчету на прочность, и выбору размеров основных элементов котельного агрегата, работающих под давлением (барабанов, сборных коллекторов, днищ, кипятильных труб, труб перегревателя, водяного экономайзера и трубопроводов, заклепочных швов, жаровых труб).

В основу расчета на прочность цилиндрических элементов, работающих под внутренним давлением, были положены следующие принципы:

- расчет производится исходя из усреднения напряжений в стенке;

- прочность при температурах стенки, практически не вызывающих явлений ползучести, определяется по критерию удельной энергии формоизменения (критерий Губера-Мизеса-Генки);

- прочность при высоких температурах в условиях ползучести определяется теорией течения, по которой скорость деформации ползучести зависит от интенсивности касательных напряжений.

Критерий конструктивной длительной прочности был установлен по результатам исследований длительной прочности труб под внутренним давлением, выполненных на стендах ЦКТИ.

Коэффициенты прочности сварных соединений были значительно повышены по сравнению со значениями, принятыми в Нормах 1939 г., так как были разработаны и внедрены более совершенные сварочные материалы и технологии сварки. На основании выполненных в 1940 г. в ЦКТИ экспериментальных исследований напряженного состояния днищ их запасы прочности были снижены по сравнению с Нормами 1939 г. За основу расчета прочности днищ была принята методика учета формы днища как фактора, связывающего толщину стенки с конструктивными особенностями днищ. В Нормах был введен метод расчета прямоугольных камер применительно к случаю шахматного расположения отверстий в стенках.

Методика определения диаметра неукрепленных отверстий, принятая в Нормах 1939 г., сохранена и в Нормах прочности 1950 г. Расчет укрепления отверстий основан на положении о компенсации вырезанного металла укреплением, надежно соединенным со стенкой сосуда.

Метод расчета жаровых труб, основанный на условии устойчивости при эксплуатации, был также сохранен, так как он был корректен для диаметров труб не более 1200 мм, поскольку в котлостроении жаровые трубы диаметром более 1200 мм не применялись.

В Нормы прочности был включен новый раздел по расчету плоских донышек цилиндрических сосудов.

Раздел расчета прочности заклепочных соединений не изменился. Следует отметить, что в то время заклепочные швы для вновь проектируемых котлов более не применялись.

В Нормы прочности ЦКТИ 1950 г. был введен новый раздел - "Металл котлостроения и его свойства", в котором были даны рекомендации по выбору полуфабрикатов (листовая сталь, бесшовные стальные трубы, поковки, стальное литье, стали для анкерных связей, шпилек, болтов и гаек), марок сталей с указанием ГОСТ или ТУ, указаны области применения с ограничением внутреннего давления и температуры для барабанов, сосудов, котлов и установок. Были даны основные характеристики применяемых сталей по величинам условных пределов текучести, ползучести и длительной прочности для углеродистых марок сталей (МСт 2, МСт 3, МСт 4, 10, 15, 15К, 20, 20К, 25, 25К, 30 и 35), а также для низколегированных теплоустойчивых сталей (15ХМ, 20ХМ и 12МХ).

Установленные Нормами значения дополнительных напряжений учитывали различные виды напряженного состояния, а также конструктивные особенности элементов и условия их работы.

В Нормах прочности 1950 года были приняты следующие запасы прочности:

по пределу прочности

для изолированных сварных и бесшовных барабанов и коллекторов без вальцовочных соединений, а также для необогреваемых труб 4,0;

для изолированных сварных и бесшовных барабанов и коллекторов с вальцовочными соединениями, а также для обогреваемых труб 4,25;

для неизолированных сварных и бесшовных барабанов и коллекторов 4,5;

по условному пределу текучести - соответственно 1,8; 1,9 и 2,0;

по условному пределу ползучести - во всех случаях 1,0.

При действии изгибных напряжений нормативные запасы прочности были понижены: по пределу прочности до 2,9, по пределу текучести труб от 1,4 до 1,2 и пределу ползучести до 0,9. Нижние пределы этих величин принимались в тех случаях, когда повышенные изгибные напряжения имели местный характер либо являлись релаксирующими, например в выпуклых днищах, в неукрепленных отверстиях, в самокомпенсирующихся трубах и т.п. В приложении к Нормам был дан нормативный расчет трубопроводов на самокомпенсацию при тепловом расширении. В некоторых разделах Норм прочности были даны требования к конструкции котлов.

В связи с интенсивным развитием отечественного энергомашиностроения и производства оборудования промышленной и тепловой энергетики с улучшенными технико-экономическими показателями в 50-х годах был выполнен широкий комплекс экспериментальных и теоретических работ, результаты которых были использованы при разработке нового поколения нормативно-технической документации по проектированию, изготовлению, монтажу и эксплуатации поднадзорного оборудования с учетом требований безопасности. В эти годы были созданы котлоагрегаты следующей ступени мощности и параметров пара. В 1953 г. в эксплуатацию вводится котел ТП-240, рассчитанный на давление в барабане 185 атм. В 1956 г. Госгортехнадзором утверждены разработанные ЦКТИ "Нормы расчета элементов паровых котлов на прочность", а в 1957 г. были введены новые "Правила устройства и безопасной эксплуатации паровых котлов".

В Нормы прочности ЦКТИ 1956 г. были включены новые разделы по учету внешних нагрузок (изгибающий и крутящий моменты) и расчету толщин стенок в гибах труб. Величины запасов по пределам прочности и текучести были приняты соответственно 3,0 и 1,65. Расчетная величина предела длительной прочности устанавливалась по средним значениям, полученным из результатов испытания длительностью не менее 7000 ч на образцах, взятых из нескольких партий полуфабрикатов разных плавок. Запас по пределу длительной прочности принимался равным 1,65, если расчетный предел длительной прочности определялся по испытаниям образцов, отобранных не менее чем из трех разных плавок; 1,85 - если характеристика длительной прочности определена на двух плавках; 2,0 - если характеристика длительной прочности определена по одной плавке.

В Нормах прочности 1956 г. была приведена таблица номинальных допускаемых напряжений для углеродистых (Ст2, 10, Ст3, 15, 15К, Ст4, 20, 20К, 25, 25К, 22К) и теплостойких легированных сталей (16МХ, 12МХ, 15ХМ, 12МХФ, 12ХМФ, 12Х2МФБ, 1Х18Н12Т). Обоснование выбора расчетных формул и величин коэффициентов запаса прочности было выполнено на базе результатов экспериментальных стендовых исследований длительной прочности трубчатых образцов при сложном напряженном состоянии (внутреннее давление, внутреннее давление + изгиб, внутреннее давление + одноосное растяжение).

Головные образцы котлов на давление пара 140 атм. к энергоблокам мощностью 150 и 200 МВт были введены в эксплуатацию в 1959 г. и в 1960 г. соответственно.

Разработка и создание энергетического оборудования большой единичной мощности на повышенные параметры пара привели к разработке ЦКТИ новых "Норм расчета элементов паровых котлов на прочность", утвержденных Госгортехнадзором в 1965 г., и к выходу новых Правил по устройству и безопасной эксплуатации паровых котлов в 1966 г. Научный подход к проблемам экстраполяции результатов испытаний на длительную прочность и ползучесть теплоустойчивых сталей позволили внести корректирующие поправки к величинам допускаемых напряжений. В середине 60-х годов были снижены параметры энергооборудования с критическими и сверхкритическими параметрами пара.

Результаты теоретических и экспериментальных исследований ЦКТИ по проблемам прочности элементов, находящихся под давлением, позволили усовершенствовать расчет ряда котельных элементов с целью повышения надежности их эксплуатации.

В основу принятых в Нормах методов расчета котельных деталей положена оценка прочности по несущей способности (предельной нагрузке), а не по наибольшим местным напряжениям, что определяется достаточным ресурсом пластичности материалов котлов и трубопроводов. Кроме предельной нагрузки принималась во внимание и разрушающая нагрузка. При выводе теоретических формул для вычисления предельной нагрузки применены как условие пластичности Мизеса-Губера-Генки, по которому эквивалентное напряжение при многоосном напряженном состоянии принимается равным интенсивности касательных напряжений, так и условие Сен-Венана-Треска, по которому эквивалентное напряжение принимается равным наибольшему касательному напряжению.

Для обоснования расчета деталей, работающих при высокой температуре, вызывающей ползучесть металла, использовались результаты теоретических и экспериментальных исследований. Было показано, что расчет ползучести и длительной прочности деталей при многоосном напряженном состоянии по формулам для определения несущей способности с заменой в них предела текучести металла при одноосном растяжении соответствующими характеристиками ползучести или длительной прочности обеспечивает приемлемые для практического применения результаты.

В качестве основной нагрузки, по которой должна определяться толщина стенки котельных элементов, в Нормах принято давление рабочей среды (внутреннее или наружное), величина которого задается при проектировании котла. Дополнительные внешние нагрузки (осевые усилия, изгибающие и крутящие моменты), действующие постоянно на рассчитываемый элемент, регламентируются соответствующими предельными значениями. Эти предельные значения установлены исходя из некоторого снижения общего запаса прочности детали по сравнению с запасом, принятым при расчете ее по основной нагрузке - давлению среды. Нагрузки от температурных напряжений учтены в расчете трубопроводов, в котором регламентированы предельные значения дополнительных напряжений от самокомпенсации температурных расширений.

Характеристики прочности котельных сталей, на основе которых выбраны допускаемые напряжения, уточнены по результатам испытаний, проведенных после издания норм 1956 г. Включены данные по сталям новых марок, допущенных Госгортехнадзором к применению.

Были приняты следующие запасы прочности:

по пределу текучести и длительной прочности 1,5;

по временному сопротивлению 2,6.

В Нормах не регламентируется запас к условному пределу ползучести (деформация 1% за время 100000 ч), так как при соблюдении необходимого запаса по длительному разрушению котельных деталей не было оснований рассматривать деформацию ползучести в 1% как предельно допустимую по конструктивным соображениям, что имело место для высокотемпературных роторов, дисков и лопаток турбин. Сопротивляемость ползучести стали принимается во внимание при выборе допускаемых напряжений. Вместе с тем следует отметить, что значение деформационных характеристик в условиях ползучести может возрастать при сверхбольших сроках эксплуатации.

На основании результатов теоретических и экспериментальных исследований, выполненных в 1959 - 1964 гг., ЦКТИ создан "Расчет трубных досок теплообменных аппаратов на прочность" ("Руководящие указания", вып. 12. Л., 1965). в основу которого положен принцип предельных нагрузок.

В 70-е - начале 80-х годов ЦКТИ разработал ряд нормативных документов по методам расчета на прочность (в том числе ГОСТы, ОСТы и РТМ по расчету на прочность жаротрубных котлов, по оценке долговечности колен трубопроводов и др.).

ЦКТИ был разработан ОСТ 108.031.02-75 «Котлы стационарные паровые и водогрейные и трубопроводы пара и горячей воды. Нормы расчета на прочность», согласованный с Госгортехнадзором в 1975 г. В Нормах введен новый раздел - «Поверочный расчет на дополнительные нагрузки», в котором приведена методика поверочного расчета элементов от действия внутреннего давления, осевой силы и изгибающего и крутящего моментов. Приведены критерии прочности для конструктивных элементов от действия внутреннего давления и весовых нагрузок, а также от действия внутреннего давления, весовых нагрузок и самокомпенсации тепловых расширений.

В Нормах введено рекомендуемое приложение «Поверочный расчет на усталость», в котором представлена методика поверочного расчета на усталость барабанов, сепараторов, коллекторов, трубопроводов и других деталей под действием переменных нагрузок. Приведена кривая допускаемой амплитуды переменных напряжений для углеродистой и легированной сталей при температуре 20°С, а также дана таблица (число циклов - амплитуда напряжений) для углеродистой стали при расчетной температуре стенки не более 400°С и для легированной стали при температуре не более 450°С.

Широкое применение цельносварных газоплотных экранов в котлах на сверхкритические параметры пара поставило перед отраслью задачу создания методики их расчета на прочность. На основании проведенных ЦКТИ натурных исследований напряженного состояния мембранных экранов прямоточного котла ТГМП-324 и барабанного котла БКЗ 420-140 НГМ был разработан РТМ 108.031.108-78 «Расчет на прочность цельносварных газоплотных экранов» (исполнители НПО ЦКТИ, ЗиО, ПО "Красный котельщик").

Опыт, накопленный ЦКТИ при разработке и применении методов теплового моделирования, аэродинамических и гидравлических расчетов котлов, норм расчета на прочность, был широко использован при реализации проектов создания атомного оружия и впоследствии при создании первой атомной электростанции. Решением руководства страны ЦКТИ был включен в число головных организаций по созданию проектов атомного оружия, а Нормы прочности ЦКТИ легли в основу Норм прочности оборудования АЭС. Это относится в первую очередь к расчетам на прочность и устойчивость различных конструктивных элементов, к расчетным характеристикам материалов и методам экстраполяции характеристик жаропрочности, к расчетам трубопроводов. Например, на основе НТД и Правил по трубопроводам ЦКТИ совместно с БЗЭМ был разработан сортамент трубопроводов и сборочных единиц для тепловой и атомной энергетики. При разработке Норм прочности оборудования АЭС был учтен опыт сотрудничества ЦКТИ с ИМАШ им. акад. А.А. Благонравова РАН и с другими организациями страны. Можно упомянуть следующие нормативные документы, разработанные ЦКТИ применительно к трубопроводам, которые являются базовыми документами Правил по трубопроводам Госгортехнадзора России:

РТМ 24.038.11-72 «Расчет прочности трубопроводов энергоустановок для условий нестационарных температурных режимов»;

РТМ 24.038.08-72 «Расчет трубопроводов энергоустановок на прочность»;

РТМ 108.038.101-77 «Трубопроводы стационарных паровых и водогрейных котлов. Расчет на самокомпенсацию»;

ОСТы «Детали и сборочные единицы из углеродистых и кремнемарганцовистых сталей для трубопроводов пара и горячей воды с давлением р>4МПа тепловых электростанций» и ОСТы «Детали и сборочные единицы из хромомолибденованадиевых сталей для паропроводов тепловых электростанций» (исполнители НПО ЦКТИ и БЗЭМ, 1982 г.).

В 1985 г. НПО ЦКТИ по согласованию с Госгортехнадзором были разработаны ОСТ 108.031.08-85 - ОСТ 108.031.10-85 "Котлы стационарные паровые и водогрейные и трубопроводы пара и горячей воды. Нормы расчета на прочность". В этих Нормах введена новая методика расчета толщины стенки колен и змеевиков на внешней, внутренней и нейтральной сторонах. Было также переработано рекомендуемое приложение Норм прочности 1975 г. «Поверочный расчет на усталость» и приведены расчетные кривые малоцикловой усталости углеродистых сталей, низколегированных сталей и аустенитных хромоникеливых сталей. В Нормы прочности введены допускаемые напряжения (рекомендуемые) на 300 тыс. ч. и допускаемые напряжения для стали 10Х9МФБ.

Практическое значение Норм прочности связано в первую очередь с тем, что в них аккумулирован многолетний отечественный опыт разработки и эксплуатации объектов котлонадзора, интегрированы и взаимно согласованы методы расчетов на прочность и требования к материалам и полуфабрикатам, к технологиям изготовления, монтажа и ремонта, учтен опыт разработки и применения зарубежных нормативных документов (ASME Pressure Vessels and Boiler Codes, TRD и др.). Нормы прочности лежат в основе требований к техническому освидетельствованию и диагностированию, к сертификации безопасности отечественного и импортного оборудования тепловой промышленной и коммунальной энергетики, к продлению ресурса энергооборудования. Они должны дополняться и расширяться при разработке оборудования на новые параметры, например на суперсверхкритические параметры пара.

Наличие отечественной нормативно-технической базы оборудования теплоэнергоснабжения является одним из важнейших аспектов защиты отечественных интересов и обеспечения научно-технической, технологической и промышленной безопасности страны, поэтому разработанная НПО ЦКТИ новая редакция "Норм прочности котлов и трубопроводов пара" (РД 10-249-98 Госгортехнадзора России) имеет исключительно важное значение для обеспечения безопасной эксплуатации оборудования с большими сроками наработки и экспертизы промышленной безопасности производимого в России и импортируемого оборудования. Решение вышеуказанных задач в современных условиях потребовало повышения статуса документа с уровня отраслевых стандартов до руководящего документа Госгортехнадзора России - Уполномоченного федерального органа по промышленной безопасности. Разработка Норм прочности 1998 г. согласуется с задачами по обеспечению выполнения требований федерального Закона о промышленной безопасности и с другими нормативными актами, связанными с введением этого закона в действие.

Канд. техн. наук B.C. Котельников                      Профессор Ю.К. Петреня

Госгортехнадзор России                                      АООТ "НПО ЦКТИ им. И.И. Ползунова"

Член-корреспондент РАН

профессор Н.А. Махутов

ИМАШ им. акад. А.А. Благонравова РАН

СОДЕРЖАНИЕ

1. Общие положения. 1

1.1. Основные условные обозначения. 2

1.2. Область применения. 2

1.3. Расчетное давление. 3

1.4. Расчетная температура. 3

1.5. Толщина стенки и прибавки. 4

2. Допускаемое напряжение. 6

3. Методы определения толщины стенки элементов, работающих под внутренним давлением.. 14

3.1. Условные обозначения. 14

3.2. Цилиндрические барабаны и коллекторы.. 15

3.3. Трубы поверхностей нагрева и трубопроводов. 19

3.4. Конические переходы.. 24

3.5. Выпуклые днища. 25

4. Определение коэффициентов прочности. 31

4.1. Общие положения. 31

4.2. Коэффициенты прочности сварных соединений. 34

4.3. Коэффициенты прочности, учитывающие наличие отверстий. 36

4.4. Учет влияния нерадиальных отверстий. 47

5. Методика поверочного расчета на прочность. 50

5.1. Расчет барабанов, коллекторов и труб поверхностей нагрева на дополнительные нагрузки и малоцикловую усталость. 50

5.2. Расчет трубопроводов пара и горячей воды на дополнительные нагрузки и малоцикловую усталость. 57

6. Расчет на прочность жаротрубных и дымогарных котлов. 71

6.1. Общие положения. 71

6.2. Условные обозначения. 72

6.3. Расчетная температура. 73

6.4. Выбор основных размеров трубной решетки, днищ, обечаек и труб. 76

6.5. Выбор основных размеров анкерных и угловых связей. 83

6.6. Поверочный расчет на усталость. 84

6.7. Допустимое давление в котле при наличии отклонений от круглости жаровой трубы.. 86

6.8. Основные требования к конструкции. 87

7. Расчет на прочность коллекторов от действия нагрузок в опорах и подвесках. 88

7.1. Условные обозначения. 88

7.2. Общие положения. 88

7.3. Местные напряжения. 89

7.4. Условия прочности. 90

8. Расчет на прочность фланцев теплообменных аппаратов и трубопроводов. 95

8.1. Условные обозначения. 95

8.2. Общие положения. 97

8.3. Расчетное давление. 98

8.4. Расчетная температура. 98

8.5. Допускаемые напряжения. 98

8.6. Номинальные и фактические размеры деталей фланцевого соединения. 99

8.7. Предварительный выбор размеров деталей фланцевого соединения. 100

8.8. Обоснование выбранных размеров фланца. 106

8.9.Проверка прочности шпилек на растяжение и изгиб. 111

8.10. Выбор размеров и расчет мембраны.. 112

9. Методика расчета на прочность цельносварных газоплотных конструкций. 113

9.1. Основные понятия и определения. 113

9.2. Общие положения. 116

9.3. Напряжения в мембранной конструкции. 119

9.4. Выбор основных размеров. 120

9.5. Требования к этапу 1 поверочного расчета на прочность. 124

9.6. Требования к этапу 2 поверочного расчета на прочность. 126

Приложение 1 Расчет условно-упругих напряжений в оребренной трубе от силовых воздействий. 128

Приложение 2 Расчет условно-упругих напряжений в оребренной трубе мембранного экрана от весовых нагрузок. 131

Приложение 3 Расчет условно-упругих напряжений от действия избыточного давления (хлопка) в мембранных экранах топки (газохода) 132

Приложение 4 Расчет условно-упругих напряжений в оребренной трубе от температурных воздействий. 134

10. Расчет на прочность элементов подвесной системы котлов. 137

10.1. Условные обозначения. 137

10.2. Общие положения. 138

10.3. Критерии прочности и допускаемое напряжение. 140

10.4. Коэффициент прочности сварных соединений. 141

10.5. Выбор основных размеров элементов и рекомендации по проектированию подвесок. 142

10.6. Расчет на статическую прочность. 144

11. Методика расчета на прочность при сейсмическом воздействии. 151

11.1. Условные обозначения. 151

11.2. Общие положения. 151

11.3. Требования к расчету. 153

11.4. Оценка сейсмостойкости. 156

11.5. Общие принципы построения динамических моделей. 156

11.6. Методы расчета на сейсмостойкость. 158

Приложение Термины и определения. 161

12. Контроль вибропрочности трубопроводов и трубных элементов оборудования и котлов. 162

12.1. Общие положения. 162

12.2. Классификация оборудования при контроле вибропрочности. 162

12.3. Основные методы контроля вибропрочности. 162

12.4. Мероприятия по устранению вибрации. 165

Приложение Детерминированные частоты возмущения. 165

Справка о проекте "Норм расчета на прочность стационарных котлов и трубопроводов пара и горячей воды". 166

О нормах расчета на прочность котлов и трубопроводов. 166

 

 




ГОСТЫ, СТРОИТЕЛЬНЫЕ и ТЕХНИЧЕСКИЕ НОРМАТИВЫ.
Некоммерческая онлайн система, содержащая все Российские Госты, национальные Стандарты и нормативы.
В Системе содержится более 150000 файлов нормативно-технической документации, действующей на территории РФ.
Система предназначена для широкого круга инженерно-технических специалистов.

Рейтинг@Mail.ru Яндекс цитирования

Copyright © www.gostrf.com, 2008 - 2026