Крупнейшая бесплатная информационно-справочная система онлайн доступа к полному собранию технических нормативно-правовых актов РФ. Огромная база технических нормативов (более 150 тысяч документов) и полное собрание национальных стандартов, аутентичное официальной базе Госстандарта. GOSTRF.com - это более 1 Терабайта бесплатной технической информации для всех пользователей интернета. Все электронные копии представленных здесь документов могут распространяться без каких-либо ограничений. Поощряется распространение информации с этого сайта на любых других ресурсах. Каждый человек имеет право на неограниченный доступ к этим документам! Каждый человек имеет право на знание требований, изложенных в данных нормативно-правовых актах!

  


 

ОТРАСЛЕВОЙ СТАНДАРТ

УПЛОТНЕНИЯ НЕПОДВИЖНЫЕ МЕТАЛЛИЧЕСКИЕ ДЛЯ СОСУДОВ И АППАРАТОВ НА ДАВЛЕНИЕ СВЫШЕ 10 ДО 100 МПа (СВЫШЕ 100 ДО 1000 кгс/см2).

Типы. Конструкции и размеры.
Технические требования. Правила приемки.
Методы контроля.

ОСТ 26-01-86-88

СОГЛАСОВАНО

Заместитель начальника

Управления оборудования

Министерства по производству

минеральных удобрений СССР

В.М. Прокофьев

«____» ___________ 1988 г.

УТВЕРЖДАЮ

Заместитель Министра

химического и нефтяного

машиностроения

«____» ___________ 1988 г.

Директор ИркутскННИхиммаша                                                            Е.Р. Хисматулин

Заместитель директора по научной работе                                           В.И. Лившиц

Заведующий отделом стандартизации                                                   В.И. Королев

Руководитель темы, заведующий отделом прочности                         А.К. Древин

Заведующий лабораторией                                                                      В.К. Погодин

Научный сотрудник                                                                                  В.П. Вирюкин

Старший научный сотрудник                                                                  Г.Г. Золотенин

Ведущий инженер                                                                                    Е.Д. Кудрикова

ОТРАСЛЕВОЙ СТАНДАРТ

УПЛОТНЕНИЯ НЕПОДВИЖНЫЕ МЕТАЛЛИЧЕСКИЕ ДЛЯ СОСУДОВ И АППАРАТОВ НА ДАВЛЕНИЕ СВЫШЕ 10 ДО 100 МПа (СВЫШЕ 100 ДО 1000 кг/см2)

Типы. Конструкция и размеры.

Технические требования.

Правила приемки. Методы контроля

ОСТ 26-01-86-88

Срок действия с 01.01.89

(Измененная редакция, Изм. № 1).

Настоящий стандарт распространяется на уплотнения неподвижные металлические с кольцами двухконусного, треугольного, восьмиугольного сечений и с плоской прокладкой для сосудов и аппаратов с диаметрами уплотнения 200-3200 мм, работающих при статическом и малоцикловом нагружениях внутренним давлением свыше 10 до 100 МПа (свыше 100 до 1000 кгс/см2) и расчетной температуре стенки сосуда от минус 40 до 420°С. Уплотнения с двухконусным кольцом и кольцами треугольного сечения сосудов и аппаратов, изготавливаемых в соответствии с ОСТ 26-01-221-86, допускается применять по данному стандарту при нагружении внутренним давлением до 130 МПа.

Стандарт устанавливает типы, конструкции и размеры, технические требования на изготовление, правила приемки и методы контроля уплотнений сосудов и аппаратов высокого давления, рассчитанных в соответствии с ОСТ 26-1046-87, отвечающих требованиям ОСТ 26-01-9-80, ОСТ 26-01-221-86 и работающих в химической, нефтехимической промышленностях, производстве минеральных удобрений и других смежных отраслях промышленности. Стандарт должен применяться совместно с РД 26-01-168-88. На уплотнения сосудов и аппаратов, спроектированные до 01.01.89 г. в соответствии с ОСТ 26-01-86-78 и изготовленные до 01.01.90 г. требования настоящего стандарта не распространяются.

1. ОБЩИЕ ПОЛОЖЕНИЯ

1.1. В настоящем стандарте в качестве уплотнения рассматривается разъемное соединение, состоящее из уплотнительного кольца (прокладки) и элементов уплотнений в крышке и корпусе, обеспечивающих необходимое взаимное расположение данных деталей после сборки и в процессе эксплуатации сосуда или аппарата высокого давления.

1.2. Основными исходными данными для выбора конструкции уплотнения сосуда или аппарата высокого давления являются внутренний диаметр сосуда (горловины), расчетное давление и расчетная температура.

2. ТИПЫ

1. Уплотнения должны изготавливаться следующих типов:

Тип 1 - с двухконусным уплотнительным кольцом;

Тип 2 - с уплотнительным кольцом треугольного сечения;

Тип 3 - с уплотнительным кольцом восьмиугольного сечения;

Тип 4 - с плоской прокладкой.

Общий вид уплотнений различных типов приведен на черт. 2, 6, 10, 13. Пределы применения типов уплотнений по внутреннему диаметру сосуда или горловины и расчетному давлению приведены на черт.1. Максимальная расчетная температура для уплотнений с двухконусным кольцом и плоской прокладкой, в которых используются уплотнительные прокладки из алюминия не должна превышать 300°С.

2.2. Для сосудов на давление равное или меньше 16 МПа (160 кгс/см2) разрешается применять уплотнения с кольцами восьмиугольного сечения по ОСТ 26-425-79 - ОСТ 26-432-79.

2.3. Для сосудов или горловин с внутренним диаметром 200 мм разрешается применять линзовые уплотнения по ГОСТ 10493-81.

2.4. Геометрические размеры элементов уплотнений применяются по настоящему стандарту для всех конструкций крышек (плоских, выпуклых и других).

2.5. Расчеты уплотнений на прочность и плотность следует производить по РД 26-01-168-88.

Пределы применения типов уплотнений по внутреннему диаметру сосуда или аппарата и по расчетному давлению

Внутренний диаметр сосуда, мм

Расчетное давление, МПа (кгс/см2)

10,0 (100)

12,5 (125)

16,0 (160)

20,0 (200)

25,0 (250)

32,0 (320)

40,0 (400)

50 (500)

64 (640)

71,0 (710)

80 (800)

90 (900)

100 (1000)

200

300

400

500

600

800

1000

1200

1400

1600

1800

2000

2200

2400

2600

2800

3000

3200

Черт. 1

Примечание. Уплотнения с двухконусными кольцами и кольцами треугольного сечения допускается применять при давлении до 130 МПа и внутреннем диаметре сосуда (горловины) D < 1000мм.

3. КОНСТРУКЦИИ И РАЗМЕРЫ

3.1. Уплотнение с двухконусным кольцом

3.1.1. Конструкция и размеры деталей и элементов уплотнения должны быть в соответствии с черт. 2-5 и табл. 1.

3.1.2. При внутреннем диаметре сосуда (горловины) Д, отличающемся от табличного значения, геометрические размеры сечения уплотнительного кольца, гнезда под уплотнительное кольцо в крышке, уплотнительных поверхностей во фланце корпуса сосуда или аппарата следует принимать соответствующими ближайшему меньшему табличному значению).

3.1.3. Геометрические размеры элементов уплотнения, приведенные в табл.1, соответствуют материалу уплотнительного кольца с пределом текучести σт20 > 350 МПа (3500 кгс/см2).

3.1.4. Крепление уплотнительного кольца к крышке должно производиться с помощью прижимного кольца 5 черт.2. В технически обоснованных случаях допускаются другие способы крепления. Геометрические размеры деталей, применяемых для крепления уплотнительного кольца, принимают конструктивно.

3.1.5. Толщину промежуточных прокладок 4 (алюминиевых или медных) следует принимать:

0,5 - 1,0 мм - для внутреннего диаметра сосуда или горловины D < 1200 мм;

1,0 - 1,5 мм - для 1200 < D < 2000 мм;

1,5 - 2,0 мм - для D > 2000мм.

3.1.6. На одной из торцевых поверхностей уплотнительного кольца должны быть предусмотрены два отверстия под рым-болты. Выбор геометрических размеров отверстий под рым-болты следует производить в соответствии с ГОСТ 4751-73, с учетом обеспечения нагрузки только по вертикальной оси рым-болта.

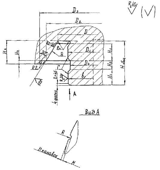
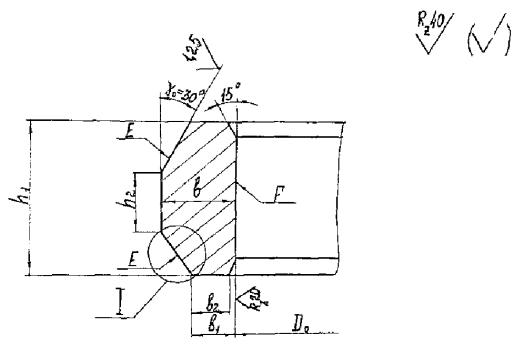
Уплотнение с двухконусным кольцом

1 - уплотнительное кольцо; 2 - элемент уплотнения в крышке; 3 - элемент уплотнения в корпусе; 4 - промежуточная прокладка; 5 - прижимное кольцо; 6 - болт по ГОСТ 7798-70.

Примечание. Уплотнение изображено в незатянутом состоянии.

Черт. 2

Элемент уплотнения в крышке

Черт. 3

Элемент уплотнения в корпусе

Черт. 4

Уплотнительное кольцо

Черт. 5


Таблица 1

Размеры, мм

D

Уплотнительное кольцо

Крышка (корпус)

h1

h2*

b

b1

b2

D0

t1

t2

t3

R1

R2

R3

Масса кг

D1

D2

D3

D4

Hобщ

H1

H2

H3

H4

R4

R

M

n, шт

номин.

Пред. откл.

номин.

Пред. откл.

200

30

15

17

12,7

11,9

177

+0,100

2,5

3,0

0,5

2

4

1,0

2,3

176,5

-0,063

213

224

171

32

11

7

15

2

2

4

2

4

300

35

18

20

15,1

14,3

272

+0,130

3,0

3,5

0,5

2

4

1,0

4,7

271,5

-0,081

318

330

267

39

13

8

19

2

2

4

2

4

400

45

22

23

16,4

15,6

370

+0,140

4,0

5,0

0,5

2

4

1,0

9,3

369,5

-0,089

420

440

365

51

16

12

22

2

2

5

3

4

500

50

25

26

18,9

17,7

466

+0,155

4,0

5,0

0,5

2

4

1,0

15,0

465,5

-0,097

522

548

460

56

17

16

25

3

2

5

3

4

600

60

30

30

21,4

20,3

561

+0,175

5,0

8,0

0,5

2

5

1,0

24,0

560,0

-0,110

627

650

555

66

20

17

29

3

2

5

3

4

800

70

35

34

24,0

22,8

756

+0,200

5,0

9,0

0,5

2

5

1,0

43,0

755,0

-0,125

830

856

749

76

25

18

32

4

2

6

3

6

1000

85

42

40

27,7

26,3

948

+0,230

6,0

11,0

0,5

3

6

1,0

76,0

946,5

-0,140

1034

1068

940

92

26

34

39

4

4

6

3

6

1200

100

52

47

33,3

31,5

1137

+0,260

7,0

13,0

0,5

3

6

1,0

127,0

1135,5

-0,165

1236

1277

1128

108

30

36

43

6

4

6

3

6

1400

115

58

53

36,7

34,9

1330

+0,310

8,0

15,0

1,0

3

6

1,5

190,0

1328,5

-0,195

1444

1480

1321

124

35

43

49

6

4

6

3

6

1600

135

68

61

41,8

39,5

1522

+0,310

10,0

18,0

1,0

3

6

1,5

295,0

1520,0

-0,195

1650

1700

1513

148

42

52

58

7

4

7

3

8

1800

150

75

67

45,5

43,2

1714

+0,370

12,0

20,0

1,0

4

7

1,5

404,0

1712,0

-0,230

1854

1904

1703

162

48

54

62

8

4

7

3

8

2000

165

82

74

50,2

47,4

1904

+0,370

13,0

21,0

1,0

4

7

1,5

545,0

1901,5

-0,230

2060

2114

1893

177

52

58

71

9

4

7

3

8

2200

180

92

82

56,7

53,9

2093

+0,440

14,0

25,0

1,0

4

7

2,5

729,0

2090,5

-0,280

2272

2320

2082

193

54

70

78

10

5

7

3

8

2400

200

100

89

60,3

57,5

2289

+0,440

15,0

27,0

1,5

4

7

2,5

956,0

2286,0

-0,280

2478

2535

2278

218

60

85

87

11

5

8

4

10

2600

220

110

96

64,4

61,0

2477

+0,440

16,0

30,0

1,5

5

8

2,5

1225,0

2474,0

-0,280

2678

2740

2463

240

64

94

90

11

5

8

4

10

2800

235

118

103

69,4

66,0

2669

+0,540

17,0

33,0

1,5

5

8

2,5

1514,0

2666,0

-0,330

2886

2950

2655

252

68

96

100

13

5

8

4

10

3000

250

125

109

73,1

69,7

2863

+0,540

18,0

36,0

1,5

5

8

2,5

1825,0

2859,5

-0,330

3098

3166

2849

263

72

110

106

14

5

8

5

10

3200

270

135

117

78,2

74,8

3049

+0,540

19,0

39,0

1,5

5

8

2,5

2255,0

3045,5

-0,330

3294

3366

3034

88

78

118

108

15

5

8

5

10

Пример условного обозначения уплотнительного кольца для сосуда или аппарата с внутренним диаметром 800 мм, на давление 32 МПа (320 кгс/см2) типа 1 - Уплотнительное кольцо 1-800-32

Примечание. Размер h2* при изготовлении не контролируется. Размер h2* используется при расчетах в соответствии с РД 26-01-168-88


3.1.7. При необходимости выполнения в крышке выточки, в соответствии с черт. 2-3, или в сочетании уплотнительного кольца с выпуклой крышкой минимально необходимая толщина упора на крышке b1 должна быть не менее толщины уплотнительного кольца b.

3.1.8. Наружный диаметр промежуточной прокладки должен быть не менее величины, определяемой соотношением

Dпн > D2                                                                                                              (1)

3.1.9. Внутренний диаметр промежуточной прокладки должен быть не более величины, определяемой соотношением

Dпв < D - 0,5b                                                             (2)

3.1.10. При выполнении уплотнительного кольца из материала с пределом текучести (σт20 < 350 МПа (3500 кгс/см2) размеры диаметров определяют согласно РД 26-01-168-88.

Осевые размеры элементов уплотнения не рассчитывают, а принимают в соответствии с табл. 1.

3.2. Уплотнение с кольцом треугольного сечения.

3.2.1. Конструкция и размеры элементов уплотнения должны быть в соответствии с черт. 6-9 и табл. 2.

3.2.2. Геометрические размеры элементов уплотнения, приведенные в табл. 2, соответствуют материалу уплотнительного кольца с пределом текучести (σт20 > 190 МПа (1900 кгс/см2).

3.2.3. При внутреннем диаметре сосуда (горловины) D, отличающемся от табличного значения, геометрические размеры сечения уплотнительного кольца и ответных канавок под него следует принимать соответствующими ближайшему табличному меньшему значению D.

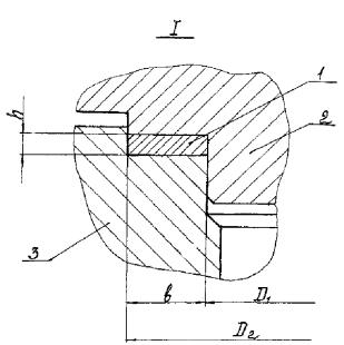
Уплотнение с кольцом треугольного сечения

1 - уплотнительное кольцо; 2 - элемент уплотнения в крышке; 3 - элемент уплотнения в корпусе

Черт. 6

Элемент уплотнения в крышке

Черт. 7

Уплотнительное кольцо

Черт. 8

Элемент уплотнения в корпусе

Черт. 9

Таблица 2

Размеры, мм

D

Уплотнительное кольцо

Корпус и крышка

D0

Dk*

b

b1

h0

Масса кг

D1

D2

a

a1

b2

b3

hn

200

219

226

3,5

3,0

13

0,55

205

256

6,2

7,5

15,9

2,0

8,5

300

320

328

4,0

3,5

15

1,00

305

362

6,3

8,0

18,5

2,5

10,5

400

423

432

4,5

4,0

16

1,45

405

465

7,7

9,5

20,6

2,5

11,0

500

528

537

4,5

4,0

18

2,50

505

572

10,0

12,0

23,6

2,5

11,5

600

628

637

4,5

4,0

20

3,00

605

674

9,7

12,0

24,7

2,5

12,5

800

828

837

4,5

4,0

24

5,55

805

878

9,2

12,0

26,8

2,5

14,5

1000

1037

1048

5,5

4,5

26

8,50

1005

1090

13,4

16,5

33,4

3,5

16,0

1200

1237

1248

5,5

4,5

30

2,00

1205

1294

13,0

16,5

35,0

3,5

17,5

Пример условного обозначения уплотнительного кольца для сосуда или аппарата с внутренним диаметром 800 мм, на давление 100 МПа (1000 кгс/см2), типа 2 - уплотнительное кольцо 2-800-100

Примечание. Размер Dk* при изготовлении не контролируется. Размер Dk* используется при расчетах в соответствии с РД 26-01-168-88.

3.2.4. Высоты направляющего выступа крышки hк и соответствующей выточки корпуса h принимают конструктивно, но не менее высоты уплотнительного кольца.

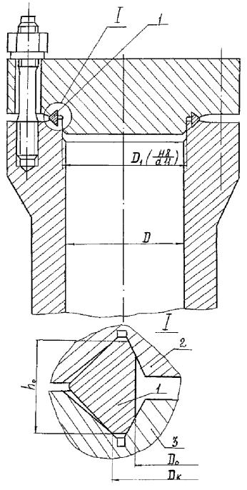
3.3. Уплотнение с кольцом восьмиугольного сечения

3.3.1. Конструкция и размеры деталей и элементов уплотнения должны быть в соответствии с черт. 10-12 и табл. 3, 4.

3.3.2. Геометрические размеры деталей и элементов уплотнения, приведенные в табл. 3, соответствуют материалу уплотнительного кольца с пределом текучести 230 МПа (2300 кгс/см2) <  σт20 < 300 МПа (3000 кгс/см2), а в табл. 4 - σт20 > 300 МПа (3000 кгс/см2).

3.3.3. При внутреннем диаметре сосуда (горловины) D, отличающемся от табличного значения, геометрические размеры сечения уплотнительного кольца и ответных канавок под него следует принимать соответствующими ближайшему табличному меньшему значению D.

При этом размер Т в соответствии с черт. 12 должен быть не менее расчетной величины, полученной по РД 26-01-168-88.

3.3.4. При выполнении уплотнительного кольца из материала, имеющего предел текучести σт20 < 230 МПа (2300 кгс/см2), определение геометрических размеров деталей и элементов уплотнения производится по РД 26-01-168-88.

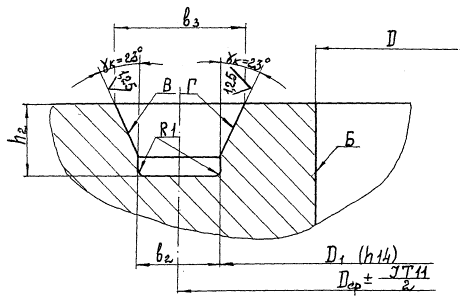
3.4. Уплотнение с плоской прокладкой

3.4.1. Конструкция элементов уплотнения должна быть в соответствии с черт. 13-14.

3.4.2. Наименьший диаметр уплотнительной поверхности D1 принимают конструктивно.

Уплотнение с кольцом восьмиугольного сечения

1 - уплотнительное кольцо; 2 - элемент уплотнения в крышке; 3 - элемент уплотнения в корпусе

Черт. 10

Уплотнительное кольцо

Черт. 11

Элемент уплотнения в корпусе (крышке)

Черт. 12

Таблица 3

Размеры, мм

D

МПа с (кгс/см2)

Корпус (крышка)

Уплотнительное кольцо

Dср

D1

b2

b3

h2*

h3

D2

b

b1

h0

h1*

Масса кг

400

до 32 (320)

470

465

5

15,2

12

15

455

15

3,8

24

6

4,0

500

до 32 (320)

590

583

7

19,7

15

18

571

19

4,6

28

7,0

600

до 20 (200)

660

655

5

15,2

12

15

646

14

3,4

22

5,0

до 32 (320)

710

701

9

23,4

17

20

687

23

5,5

32

12,0

800

до 20 (200)

880

874

6

17,8

14

18

862

18

4,2

28

8

10,5

до 32 (320)

930

918

12

30,6

22

26

900

30

7,2

42

28,0

1000

до 20 (200)

1100

1093

7

22,2

18

23

1078

22

5,9

36

10

21,0

до 32 (320)

1180

1164

16

39,7

28

33

1142

38

9,1

53

58,0

1200

до 20 (200)

1320

1311

9

27,6

22

28

1293

27

6,4

42

12

36,0

до 32 (320)

1410

1392

18

43,0

33

38

1365

45

10,0

64

100,0

Примечание. Размеры h1* и  h2* при изготовлении не контролируются, используются при расчетах в соответствии с РД 26-01-168-88

Таблица 4

Размеры, мм

D

МПа (кгс/см2)

Dср

Корпус (крышка)

Уплотнительное кольцо

D1

b2

b3

h2*

h3

D3

b

b1

h0

h1*

Масса кг

400

до 32 (320)

460

453,5

6,5

15,0

10

13

446

14

2,9

20

6

3,0

500

до 32 (320)

570

561,5

8,5

18,7

12

15

552

18

3,8

24

6,0

600

до 20 (200)

660

664,5

5,5

14,8

11

14

646

14

2,9

20

4,5

до 32 (320)

685

675,0

10,0

21,0

13

16

665

20

3,8

24

8,0

800

до 20 (200)

870

864,0

6,0

17,0

13

17

854

16

3,8

24

8,0

до 32 (320)

910

899,0

11,0

27,1

19

23

884

26

5,9

36

8

20,0

1000

до 20 (200)

1090

1083,5

6,5

21,8

18

23

1070

20

5,0

32

17,0

до 32 (320)

1140

1125,5

14,5

34,0

23

28

1108

32

6,8

42

10

37,0

1200

до 20 (200)

1300

1291,0

9,0

27,0

20

26

1276

24

5,5

36

27,0

до 32 (320)

1370

1353,0

17,0

39,9

27

32

1332

38

8,0

50

12

64,0

Пример условного обозначения уплотнительного кольца для сосуда или аппарата с внутренним диаметром 800 мм, на давление 32 МПа (320 кгс/см2), типа 3 - уплотнительное кольцо - 3-800-32

Примечание. Размеры h1* и  h2* при изготовлении не контролируются, используются при расчетах в соответствии с РД 26-01-168-88

Уплотнение с плоской прокладкой

1 - плоская прокладка; 2 - элемент уплотнения в крышке; 3 - элемент уплотнения в корпусе.

Черт.13

Элемент уплотнения в крышке

Черт. 14

Прокладка

Черт. 15

Элемент уплотнения в корпусе

Черт. 16

3.4.3. Наибольший диаметр уплотнительной поверхности определяют расчетом в соответствии с РД 26-01-168-88.

3.4.4. В технически обоснованных случаях предельные отклонения диаметров D1 и D2 в корпусе и крышке могут быть изменены с целью уменьшения величины диаметральных зазоров.

3.4.5. Толщину прокладки принимают конструктивно h = 2 - 8 мм.

3.4.6. Высоту выступов на крышке hкр и hкр/ и глубину выточек фланца корпуса hк и hк/ выбирают по соотношению

(2hкр =  2hк = hк/ = hк/) > 4h                                                     (9)

4. ТЕХНИЧЕСКИЕ ТРЕБОВАНИЯ

4.1. Требования к материалам

4.1.1. Для изготовления уплотнительных колец и прокладок должны применяться материалы, приведенные в табл. 5 настоящего стандарта и соответствующие требованиям, предъявляемым к сосудам и аппаратам с учетом расчетного давления, температуры стенки, химического состава и характера среды согласно ОСТ 26-01-221-86 и ОСТ 26-01-9-80.

4.1.2. Допускается применять материалы, не предусмотренные настоящим стандартом, на основании положительного заключения ИркутскНИИхиммаш.

4.1.3. Уплотнительные кольца должны изготавливаться из поковок. Допускается изготовление уплотнительных колец из сортового и листового проката. Материалы должны иметь соответствующую маркировку и сертификаты завода - поставщика металла.

4.1.4. Заготовки уплотнительных колец подвергать термической обработке. Рекомендуемые режимы термической обработки приведены в приложении 1.

4.1.5. Заготовки уплотнительных колец по своему качеству должны соответствовать требованиям ОСТ 26-01-135-81. Качество материала уплотнительных колец контролировать замером твердости в соответствии с ГОСТ 9012-59 и ультразвуковой дефектоскопией. Замер твердости производить не менее чем в 3 точках, расположенных на равном расстоянии друг от друга по окружности кольца. Твердость должна соответствовать значениям, приведенным в приложении 1.

4.1.6. Материалы уплотнительных колец треугольного и восьмиугольного сечений должны иметь твердость ниже твердости материалов ответных деталей.

Предпочтительное различие твердости материалов более 20 единиц по Бринелю.

Таблица 5

Тип уплотнения

Наименование детали

Максимальная расчетная температура,

°С

Марка стали, цветного металла

Стандарт на химический состав

С двухконусным уплотнительным кольцом

Уплотнительное кольцо

420

30ХМА

ГОСТ 4543-71

420

20Х2МА

ОСТ 26-01-135-81

420

18Х3МФА

ГОСТ 20072-74

420

20Х3МВФ

ГОСТ 20072-74

420

22Х3М

ОСТ 26-01-135-81

420

08Х13, 12Х13

ГОСТ 5632-72

420

20Х13

ГОСТ 5632-72

420

30Х13

ГОСТ 5632-72

420

12Х18Н10Т

ГОСТ 5632-72

420

10Х17Н13М2Т

ГОСТ 5632-72

Прокладка промежуточная

300

АД0, АД1, А5, А6, А7

ГОСТ 21631-76

420

М1, М2, М1Р, М2Р

ГОСТ 495-77

С уплотнительным кольцом треугольного сечения

Уплотнительное кольцо

420

10

ГОСТ 1050-74

420

20

ГОСТ 1050-74

420

25

ГОСТ 1050-74

420

15ХМ

ГОСТ 4543-71

420

08Х13

ГОСТ 5632-72

420

12Х13

ГОСТ 5632-72

С уплотнительным кольцом восьмиугольного сечения

Уплотнительное кольцо

420

09Г2С

ГОСТ 19282-73

420

15ХМ

ГОСТ 4543-71

420

08Х13

ГОСТ 5632-72

420

12Х13

ГОСТ 5632-72

420

20Х13

ГОСТ 5632-72

420

12Х18Н10Т

ГОСТ 5632-72

420

10Х17Н13М2Т

ГОСТ 5632-72

С плоской прокладкой

прокладка

300

АД0, АД1, А5, А6, А7

ГОСТ 21631-76

420

М1, М2, М1Р, М2Р

ГОСТ 495-77

420

10

ГОСТ 1050-74

420

08Х18Н10Т

ГОСТ 5632-72

420

12Х18Н10Т

ГОСТ 5632-72

Примечание. В технически обоснованных случаях допускается применение для двухконусного уплотнительного кольца стали 20 и 09Г2С.

4.1.7. Механические испытания, а также замер твердости материала промежуточных прокладок не проводить.

4.2. Требования к изготовлению

4.2.1. Допускается наличие на двухконусном уплотнительном кольце и уплотнительном кольце восьмиугольного сечения одного сварного шва в поперечном сечении.

Разность в твердости основного металла и металла сварного шва не должна быть более 50 единиц НВ. При этом в сварном шве и на уплотнительных поверхностях не допускаются трещины, поры, подрезы, шлаковые включения. Контроль качества металла шва осуществляется в соответствии с ОСТ 26-01-9-80.

Для уплотнительных колец в сварном исполнении используются свариваемые стали.

4.2.2. Алюминиевые и медные прокладки должны изготавливаться из листового проката. На поверхности прокладок величина отдельных дефектов не должна превышать допуска по стандарту на изготовление листового проката.

Допускается изготавливать прокладки сварными. Сварные медные прокладки должны быть выполнены из меди марки М1Р или М2Р. Отклонение по толщине в зоне сварного шва после его зачистки поры, подрезы, трещины любых размеров и форм не допускаются.

Медные прокладки после сварки подвергаются отжигу.

Сварку и термообработку производить в соответствии с ОСТ 26-3-85 или по технологии завода-изготовителя.

4.2.3. Окончательную механическую обработку уплотнительных колец производить после их термической обработки.

4.2.4. Технология механической обработки должна обеспечивать выполнение требований, указанных в табл. 6. Величины предельных отклонений соосности и круглости поверхностей элементов уплотнений приведены в табл. 7.

Таблица 6

Требования к элементам уплотнений

Наименование параметра

Контролируемая поверхность

Тип уплотнения

С двухконусным уплотнительным кольцом (черт.2)

С уплотнительным кольцом треугольного сечения (черт.6)

С уплотнительным кольцом восьмиугольного сечения (черт.10)

С плоской прокладкой (черт.13)

Примечание

Шероховатость для уплотнительных поверхностей Ra, мкм

не более:

 

 

 

 

 

по ГОСТ 2789-73

1) для жидких сред

В, Е, Г

1,25

1,25

1,25

Rz 20

2) для газообразных сред

В, Г

1,25

1,25

1,25

Rz 20

Е

1,25

0,63

0,63

Rz 20

Шероховатость остальных поверхностей, не указанная на чертежах Rz, мкм не более

40

по ГОСТ 2789-73

Направление микронеровностей

В, Г, Е

кругообразное

по ГОСТ 2789-73

Допуск соосности поверхностей:

Контролируемая поверхность

1)корпуса

-

В, Б

В, Г, Б

В, Г, Б

Г, Б

см. табл.7

2)уплотнительных колец прокладки

 

Е, F

Е, F

Е, F

F, F1

 

3) крышки

 

В, Г

В, Г, Б

В, Г, Б

Г, Б

 

Допуск круглости поверхностей:

 

 

 

 

 

 

1)корпуса, крышки

-

В

В

В, Г

-

см. табл.7

2) уплотнительного кольца

Е

не более 1/2 величины допуска на внутренний диаметр

-

см. табл.8

Допуск прямолинейности образующей конических и плоских уплотнительных поверхностей не более 0,03 мм

-

В, Е

В, Е

В, Г, Е

Е

-

4.2.5. Требования к точности выполнения угловых и линейных размеров элементов уплотнений приведены в табл. 8.

4.2.6. Уплотнительные поверхности колец после механической обработки контролировать магнитопорошковым или цветным методом. При этом не допускаются трещины, поры, поперечные риски, неметаллические включения.

4.2.7. Каждое уплотнительное кольцо должно быть замаркировано. Маркировка должна содержать: условное обозначение, номер чертежа, марку стали, номер плавки, номер поковки (для колец из поковок), клеймо ОТК.

4.2.8. Маркировка должна наноситься:

1) двухконусное кольцо и кольцо восьмиугольного сечения - на наружной цилиндрической поверхности клеймом ударным способом;

2) кольцо треугольного сечения - на внутренней цилиндрической поверхности клеймом ударным способом или на бирке, прикрепляемой к кольцу;

3) плоская прокладка - на бирке, а при толщине прокладки свыше 3 мм на наружной цилиндрической поверхности прокладки.

4.2.9. Требования к сборке и эксплуатации уплотнений приведены в приложении 2.

4.2.10. Установленная безотказная наработка для всех принятых типов уплотнений должна быть не менее периода между плановыми сборками (разборками), обусловленными условиями эксплуатации сосуда или аппарата (остановка для смены катализатора, остановка для технического освидетельствования, загрузки - выгрузки сырья, плановых ремонтов и т.д.).

Таблица 7

Предельные отклонения соосности и круглости поверхностей Б, В, Г, F элементов уплотнений

мм

Интервалы номинальных диаметров

Допуск

круглости

соосности

От 200 до 250 включ.

0,030

0,080

Св. 250 "  400 "

0,040

0,100

" 400   "   630 "

0,050

0,120

" 630   "   1000 "

0,060

0,160

" 1000 "   1600 "

0,080

0,200

" 1600 "   2500 "

0,100

0,250

" 2500 "   3200 "

0,100

0,300

Таблица 8

Требования к точности выполнения угловых и линейных размеров элементов уплотнений

Наименование отклонения

Конструкция уплотнения

с двухконусным уплотнительным кольцом

с уплотнительным кольцом треугольного сечения

с уплотнительным кольцом восьмиугольного сечения

с плоской прокладкой

Допуски угла конуса уплотнительных поверхностей, не более:

 

 

 

 

1)корпуса и крышки;

+20

+30

+30

-

2)уплотнительного кольца

-20

+30

-30

 

Предельное отклонение от номинальных размеров

D0, D1 (см. табл.1);

b2 по h11; 

h, b, b1, b3 - по h14

D0, D1, D2 (см. черт.7-9);

b, b1по h11; 

hк, h0 - по H14;

b3 - по H12;

a, b2 - по ;

a1 - по ;

D1, D2, Dср (см. черт.11-12);

h0 - по h14;

b по h11; 

b1 - по ;

b2 - по H14;

h2, b3 - по ;

D1, D2 (см. черт.14-16);

h - по h14;

hк, hк/, hкр, hкр/ по ;

b - по h12;

Примечания: 1. Предельное отклонение неуказанных размеров: отверстий по Н14, валов по h14, остальных - .

2. Выбор величины предельных отклонений следует проводить по ОСТ 26-2052-78

5. ПРАВИЛА ПРИЕМКИ

5.1. На заводе-изготовителе сосудов и аппаратов высокого давления детали уплотнения (крышка, уплотнительное кольцо, фланец корпуса сосуда) должны подвергаться приемо-сдаточному контролю.

5.2. При приемке элементов уплотнения должны проверяться:

1) состояние уплотнительных поверхностей деталей уплотнения: фланца корпуса (горловины), крышки, уплотнительного кольца и прокладок внешним осмотром;

2) геометрические размеры, предельные отклонения формы и расположения элементов уплотнения на соответствие их рабочим чертежам и требованиям настоящего стандарта по карте измерений и контроля в соответствии с приложением 3, заполненной при измерениях в процессе механической обработки;

3) марки материала уплотнительных колец и прокладок по документации (сертификатам, картам термообработки, журналам, актам и т.п.);

4) измерения твердости материалов уплотнительных колец и сопрягаемых деталей уплотнения (крышка, фланец корпуса) по документации;

5) результаты магнитопорошковой или цветной дефектоскопии уплотнительных поверхностей;

6) наличие соответствующих клейм и маркировки на элементах уплотнения.

5.3. Прочность деталей и плотность уплотнения должны проверяться при гидравлическом (пневматическом) испытании сосуда или аппарата в соответствии с ОСТ 26-01-221-86, ОСТ 26-01-9-80 и ГОСТ 11879-81.

6. МЕТОДЫ КОНТРОЛЯ

6.1. Контроль элементов уплотнения должен производиться на соответствие рабочим чертежам и требованиям п.п. 4.2.4 и 4.2.5 настоящего стандарта.

6.2. Геометрические размеры и предельные отклонения формы и расположения поверхностей элементов уплотнений (круглость, прямолинейность, соосность, угол наклона и др.) на фланце корпуса сосуда (горловине), крышке, уплотнительном кольце должны контролироваться в процессе механической обработки универсальными стандартизованными средствами измерения: штангенциркулями в том числе со специальными удлиненными губками, штангенглубиномерами, нутромерами, микрометрами, угломерами, лекальными линейками, щупами, индикаторами на приставках-стойках и др. При невозможности проведения измерений универсальными стандартизованными средствами должны проектироваться и изготавливаться специальные нестандартные измерительные средства (шаблоны, индикаторные скобы, приспособления и другая измерительная оснастка) заводом-изготовителем сосудов или инструментальным заводом.

6.3. Выбор конкретных измерительных средств должен производиться технологической и метрологической службами завода-изготовителя уплотнений в соответствии с нормативно-технической документацией, утвержденной в установленном порядке.

6.4. Шероховатость уплотнительных поверхностей контролировать методом сравнения с образцами шероховатости или другими средствами измерения (профилографы, профилометры и др.), принятыми на оснащение заводом-изготовителем.

6.5. Результаты контроля должны заноситься в карту измерений и контроля в соответствии с приложением 3, которая должна прилагаться к паспорту сосуда или аппарата.

6.6. При контроле элементов уплотнений в карту измерений и контроля должны быть занесены номинальные размеры, допускаемые и фактические отклонения на:

1) внутренние и наружные диаметры;

2) высоту (глубину);

3) угол наклона уплотнительных поверхностей;

4) круглость и соосность уплотнительных поверхностей;

5) шероховатость уплотнительных поверхностей.


ПРИЛОЖЕНИЕ 1
Обязательное

Таблица 9

Механические свойства материалов уплотнительных колец

Марка стали

Толщина поковки листа, мм, не более

Рекомендуемые режимы термообработки,

°С

Максимальная температура стенки

°С

Температура испытания,

°С

Предел прочности

σв МПа (кгс/см2)

Предел текучести

σт МПа

(кгс/ см2)

Относительное удлинение δв %

Относительное сужение

ψ %

Ударная вяз кость ап

кДж/м2 (кгс/ см2)

Твердость по Бринелю,

НВ

Обозначение нормативно-технических документов

10

100

Нормализация 900-920

420

20

340 (3400)

210 (2100)

31

55

800 (8,0)

100-143

ГОСТ 1050-74

20

100

Нормализация 880-920

отпуск 650-680

420

20

400 (4000)

200 (2000)

20

50

500 (5,0)

123-167

ОСТ 26-01-135-81

25

100

Нормализация 900-920

420

20

460 (4600)

280 (2800)

23

50

900 (9,0)

127-167

ГОСТ 1050-74

09Г2С

60

Закалка 910-930 отпуск 640-660

420

20

460 (4600)

300 (3000)

24

45

600 (6,0)

120-179

ОСТ 26-01-135-81

22Х3М

200

Нормализация 890-910 отпуск 660-680

420

 20

600 (6000)

450 (4500)

16

50

600 (6,0)

197-235

- " -

18ХЗМФА

200

Закалка 950-970 отпуск 660-690

420

20

600 (6000)

450 (4500)

16

45

600 (6,0)

197-241

- " -

20Х3МВФ

 300

Закалка 1000-1020 отпуск 660-690

420

20

800 (8000)

680 (6600)

14

40

600 (6,0)

241-285

- " -

30ХМА

200

Закалка 850-880 отпуск 660-680

420

20

600 (6000)

400 (4000)

16

45

600 (6,0)

197-241

- " -

20Х2МА

220

Нормализация 900-920 отпуск 650-670

420

20

550 (5500)

400 (4000)

16

45

600 (6,0)

197-235

- " -

08Х13

50

Закалка 1000-1050 отпуск 700-800

420

20

570 (5700)

380 (3800)

10

28

380 (3,8)

187-229

- " -

12Х13

50

Закалка 1000-1050 отпуск 700-790

420

20

600 (6000)

380 (3800)

10

28

380 (3,8)

187-229

- " -

20Х13

200

Закалка 1000-1050 отпуск 700-780

420

20

640 (6400)

480 (4800)

10

32

410 (4,1)

197-248

- " -

30Х13

200

Закалка 1000-1050 отпуск 700-800

420

20

710 (7100)

570 (5700)

10

32

380 (3,8)

235-277

- " -

15ХМ

-

Нормализация 930-960 отпуск 680-730

420

20

450 (4500)

280 (2800)

22

48

490 (4,9)

143-179

ГОСТ 8479-70

12Х18Н10Т

350

Закалка 1050-1100 в воде или масле

420

20

500 (5000)

200 (2000)

35

40

500 (5,0)

< 179

ОСТ 26-01-135-81

10Х17Н13М2Т

350

Закалка 1050-1100 в воде или масле

420

20

500 (5000)

200 (2000)

35

40

500 (5,0)

< 200

- " -


ПРИЛОЖЕНИЕ 2
Обязательное

ТРЕБОВАНИЯ К СБОРКЕ И ЭКСПЛУАТАЦИИ УПЛОТНЕНИЙ

1. Сборку уплотнений производить в соответствии с требованиями настоящего стандарта, а также ОСТ 26-01-221-86 и ОСТ 26-01-9-80.

2. Уплотнительные поверхности уплотнительного кольца крышки, фланца корпуса, резьбу гаек, шпилек, гнезд под шпильки и опорные поверхности гаек перед сборкой протирают и смазывают противозадирной смазкой согласно табл.10. Допускается применение противозадирных смазок других марок, не уступающих по своим свойствам, приведенным в табл. 10.

Таблица 10

Марка смазки, обозначение стандарта

Максимально допускаемая рабочая температура, °С

ВНИИНП-232, ГОСТ 14068-79

100

ВНИИНП-212, ТУ 38-1-01-594-75

150

ВНИИНП-225, ГОСТ 19782-74

300

ВНИИНП-213, ТУ 38-1-01-87-75

350

ВНИИНП-269, ТУ 38-1-01-58-73

350

Примечание. Допускается при температуре более 350°С применение смазок типа ВНИИНП-213 и ВНИИНП-269.

3. Затяжку гаек уплотнения производить в соответствии с инструкцией завода-изготовителя или ИркутскНИИхиммаш.

Усилие в шпильках после завершения процесса затяжки определяется согласно РД 26-01-168-88.

Режим затяжки определяется согласно РД РТМ 26-01-122-79.

4. Допуск параллельности торцев крышки и фланца корпуса сосуда или аппарата после затяжки шпилек приведен в табл. 11.

Таблица 11

Допуски параллельности торцев крышки и фланца корпуса по их наружному диаметру

мм

Наружный диаметр фланца (крышки)

Допуск параллельности

с двухконусным кольцом

с кольцом треугольного и восьмиугольного сечений

с плоской прокладкой

До 400 включ.

0,6

0,3

0,3

Св. 400 до 800"

1,0

0,4

0,4

"    800 "   1000"

1,5

0,5

0,6

"    1000"  1200"

2,0

0,6

0,8

"    1200"  1400"

2,5

0,7

1,0

"    1400" 1600"

3,0

0,8

1,2

"    1600"  1800"

3,5

0,9

-

"    1800"  2200"

4,5

1,0

-

"    2200"  2600"

5,5

-

-

"    2600 " 3600"

6,0

-

-

"    3600"  4400"

6,5

-

-

Примечание. Отклонение от параллельности определяется разностью максимального и минимального зазоров между плоскостями торцев крышки и фланца корпуса и измеряется с точностью 0,1 мм.

5. Уплотнительные кольца могут использоваться многократно. При разборке уплотнения уплотнительные кольца подлежат осмотру. Повторное использование уплотнительных колец возможно, если качество уплотнительных поверхностей соответствует требованиям настоящего стандарта. В противном случае уплотнительные кольца подлежат ремонту или замене.

6. Перед разборкой уплотнений с целью предотвращения задиров резьбы шпилек и гаек производить продавливание керосина по специальным каналам в шпильках, если они предусмотрены их конструкцией.

7. При разборке уплотнения подлежат осмотру уплотнительные поверхности крышки и фланца корпуса. Повторное использование уплотнительных поверхностей возможно, если они соответствуют требованиям настоящего стандарта.

В противном случае уплотнительные поверхности подлежат ремонту.

8. Прокладки (алюминиевые, медные) толщиной менее 4 мм используются однократно. Допускается повторное использование прокладок толщиной 4 мм и более после термообработки (отжига) и зачистки уплотнительных поверхностей от окалины.


ПРИЛОЖЕНИЕ 3
Обязательное

Таблица 12

Карта измерений и контроля уплотнительных элементов ()

Наименование элемента

Номер эскиза

Диаметр, мм

Тип средства измерения

Высота, мм

Тип средства измерения

Угол наклона уплотнит. поверхн., град.

Тип средства измерения

Шероховатость уплотн. поверх.

Заключение о состоянии уплотнительных поверхностей

номинальный размер

Отклонение (+)

Номинальный размер

отклонение (+)

номинальный размер

отклонение (+)

по чертежу

соответствие чертежу

допускаемое

фактическое

допускаемое

фактическое

допускаемое

фактическое

Элемент уплотнения в крышке

 

 

 

 

 

 

 

 

 

 

 

 

 

 

 

 

Элемент уплотнения в корпусе

 

 

 

 

 

 

 

 

 

 

 

 

 

 

 

 

Уплотнительное кольцо (прокладка)

 

 

 

 

 

 

 

 

 

 

 

 

 

 

 

 

Примечания:

1. К карте прилагаются эскизы уплотнительных элементов, для которых производятся измерения и результаты магнитопорошковой или цветной дефектоскопии.

2. Элементы уплотнения должны быть замерены по следующим параметрам.

Для уплотнения с двухконусным уплотнительным кольцом:

1) элемент крышки - D1, D2, γк;

2) элемент корпуса - D2, γк;

3) уплотнительное кольцо - D0, h1, b, b1, γ0;

Для уплотнения с кольцом треугольного сечения:

1) элемент крышки - D1(h8), a, a1, b2, b3, γк;

2) элемент корпуса - D1(H8), a, a1, b2, b3, γк;

3) уплотнительное кольцо - D0, Dк, b, b1, h0, γ0;

Для уплотнения с кольцом восьмиугольного сечения:

1) элемент крышки -  D1, b2, b3, γк;

2) элемент корпуса - D1, b2, b3, γк;

3) уплотнительное кольцо - D2, b, b1, h0, γк;

Для уплотнения с плоской прокладкой:

1) элемент крышки - D1, D2, hкр;

2) элемент корпуса - D1, D2, hк;

3) прокладка - D1, b, h;


ИНФОРМАЦИОННЫЕ ДАННЫЕ

1. УТВЕРЖДЕН Министерством химического и нефтяного машиностроения

ИСПОЛНИТЕЛИ А.К. Древин, канд.техн.наук (руководитель темы); В.К. Погодин, канд. техн. наук; В.П. Вирюкин; Г.Г. Золотенин; Е.Д. Кудрикова.

ЗАРЕГИСТРИРОВАН

за №                                        от                                        1988 г.

2. СРОК ПЕРВОЙ ПРОВЕРКИ 1991 г.

Периодичность проверки 5 лет

3. АВТОРСКОЕ СВИДЕТЕЛЬСТВО № 479980

4. ВЗАМЕН ОСТ 26-01-86-78

5. ССЫЛОЧНЫЕ НОРМАТИВНО-ТЕХНИЧЕСКИЕ ДОКУМЕНТЫ

Обозначение НТД, на который дана ссылка

Номер пункта, подпункта, перечисления, приложения

ГОСТ 10-75

6.5

ГОСТ 162-80

6.6

ГОСТ 164-80

6.6

ГОСТ 166-80

6.5

ГОСТ 495-77

табл. 5

ГОСТ 577-68

6.8

ГОСТ 882-75

6.10

ГОСТ 9012-59

4.1.3, 4.1.4

ГОСТ 1050-74

табл.5, табл.9

ГОСТ 2789-73

табл. 6

ГОСТ 4543-71

табл. 5

ГОСТ 4751-73

3.1.6

ГОСТ 5378-66

6.6

ГОСТ 5632-72

табл. 5

ГОСТ 6607-78

6.6

ГОСТ 7798-70

черт.1

ГОСТ 8026-75

6.10

ГОСТ 8479-70

табл. 9

ГОСТ 10493-81

2.3

ГОСТ 11879-81

вводная часть, 5.3

ГОСТ 14068-79

табл.10

ГОСТ 19282-73

табл. 5

ГОСТ 19782-74

табл.10

ГОСТ 20072-74

табл. 5

ГОСТ 21631-76

табл. 5

ГОСТ 24643-81

табл.6

ОСТ 26-3-85

4.2.2

ОСТ 26-01-9-80

вводная часть, 4.4.1, 4.2.1, 5.3, приложение 2

ОСТ 26-01-135-81

4.1.4, табл.5 и 9

ОСТ 26-01-221-86

вводная часть, 4.4.1, 5.3,

 

приложение 2

ОСТ 26-425-79 - ОСТ 26-433-79

2.2

ОСТ 26-1046-87

вводная часть

ОСТ 26-2052-78

табл. 8

ТУ 38-1-01-58-73

табл. 10

ТУ 38-1-01-87-73

табл. 10

ТУ 38-1-01-594-75

табл. 10

РД РТМ 26-01-122-79

Приложение 2

РД 26-01-168-88

вводная часть, 2.5, 3.1.10, табл.2, 3.3.3, 3.3.4, табл.3, 3.4.3, приложение 2

СОДЕРЖАНИЕ

1. Общие положения. 2

2. Типы.. 2

3. Конструкции и размеры.. 3

3.1. Уплотнение с двухконусным кольцом.. 3

3.2. Уплотнение с кольцом треугольного сечения.. 7

3.3. Уплотнение с кольцом восьмиугольного сечения.. 9

3.4. Уплотнение с плоской прокладкой. 9

4. Технические требования. 13

4.1. Требования к материалам.. 13

4.2. Требования к изготовлению... 14

5. Правила приемки. 16

6. Методы контроля. 17

Приложение 1 Механические свойства материалов уплотнительных колец. 19

Приложение 2 Требования к сборке и эксплуатации уплотнений. 20

Приложение 3 Карта измерений и контроля уплотнительных элементов. 23

 

 




ГОСТЫ, СТРОИТЕЛЬНЫЕ и ТЕХНИЧЕСКИЕ НОРМАТИВЫ.
Некоммерческая онлайн система, содержащая все Российские Госты, национальные Стандарты и нормативы.
В Системе содержится более 150000 файлов нормативно-технической документации, действующей на территории РФ.
Система предназначена для широкого круга инженерно-технических специалистов.

Рейтинг@Mail.ru Яндекс цитирования

Copyright © www.gostrf.com, 2008 - 2026