Крупнейшая бесплатная информационно-справочная система онлайн доступа к полному собранию технических нормативно-правовых актов РФ. Огромная база технических нормативов (более 150 тысяч документов) и полное собрание национальных стандартов, аутентичное официальной базе Госстандарта. GOSTRF.com - это более 1 Терабайта бесплатной технической информации для всех пользователей интернета. Все электронные копии представленных здесь документов могут распространяться без каких-либо ограничений. Поощряется распространение информации с этого сайта на любых других ресурсах. Каждый человек имеет право на неограниченный доступ к этим документам! Каждый человек имеет право на знание требований, изложенных в данных нормативно-правовых актах!

  


 

ОТРАСЛЕВОЙ СТАНДАРТ

ЗАЖИМЫ

Конструкция и размеры

ОСТ 26-01-64-83

УТВЕРЖДЕНО

Министерство химического и

нефтяного машиностроения СССР

Заместитель Министра

П. Д. Григорьев

«_____» ________________1983г.

ОТРАСЛЕВОЙ СТАНДАРТ

ЗАЖИМЫ

Конструкция и размеры

ОСТ 26-01-64-83

Взамен
ОСТ 26-01-64-77

Приказом Всесоюзного промышленного объединения от 12 ноября 1983 г № 161 срок действия установлен

с 01.01. 1985г.

до 01.01. 1996г.

(Измененная редакция, Изм. № 3).

УТВЕРЖДЕН И ВВЕДЕН В ДЕЙСТВИЕ ПРИКАЗОМ Всесоюзного промышленного объединения «Союзхиммаш» от «___» ___________1983г. №__

ИСПОЛНИТЕЛИ:

В. Ф. Ильченко, Л. М. Кулик, Л. А. Чернявская, Т. А. Новикова, Л. М. Хорунжая, О. П. Смищенко, А. К. Куркина

СОГЛАСОВАН Министерством химической промышленности СССР

Управление главного механика и главного энергетика

Н. А. Жолудев

1. Настоящий стандарт распространяется на зажимы для соединение фланцев стальных и чугунных эмалированных аппаратов эксплуатируемых при температуре от минус 30 до плюс 300°С, а также аппаратов из углеродистых, легированных сталей и других металлов и сплавов при температуре от минус 70 до плюс 300°С.

(Измененная редакция, Изм. № 1).

1а. Зажимы должны изготавливаться следующих типов:

1 - с цельноштампованными траверсами;

2 - со сварными траверсами.

(Введен дополнительно, Изм. № 1).

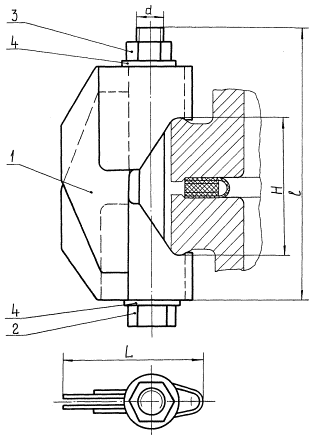
2. Конструкция и размеры зажимов типа 1, их нагрузочная способность и податливость должны соответствовать указанным на черт. 1 и в табл. 1.

1 - траверса; 2 - болт по ОСТ 26-2037-77 или шпилька по ОСТ 26-2039-77 или ОСТ 26-2040-77; 3 - гайка по ОСТ 26-2038-77; 4 - шайба по ГОСТ 10450-78 или ОСТ 26-2042-77.

Примечание. Допускается применять болт по ГОСТ 7805-70 и ГОСТ 15590-70.

Черт. 1


Таблица 1

Размеры в мм

Диаметр резьбы болта зажима d

Высота захвата H

L

l

Нагрузочная способность зажима Q в Н (кгс) при температуре, °С

Податливость зажима l×105 в м/Н (см/кгс) при температуре, °С

Масса, кг, не более

Применяемость

от минус 70 до плюс 100

200

300

от минус 70 до плюс 100

200

300

12

44-57

62

120

9500

(950)

8550

(855)

7400

(740)

7,71×10-3

(7,71)

8,14×10-3

(8,14)

8,61×10-3

(8,61)

0,43

 

54-62

130

0,44

 

16

48-62

73

140

18000

(1800)

16200

(1620)

14000

(1400)

7,05×10-3

(7,05)

7,44×10-3

(7,44)

7,88×10-3

(7,88)

0,76

 

58-80

160

0,79

 

68-90

170

0,80

 

20

68-80

85

180

28000

(2800)

25200

(2520)

21800

(2180)

6,08×10-3

(6,08)

6,41×10-3

(6,41)

6,79×10-3

(6,79)

1,22

 

78-100

200

1,25

 

24

68-94

100

40000

(4000)

36000

(3600)

31200

(3120)

2,28×10-3

(2,28)

2,41×10-3

(2,41)

2,55×10-3

(2,55)

2,15

 

86-116

220

2,21

 

100-125

220

2,26

 

27

82-108

106

53000

(5300)

47600

(4760)

41200

(4120)

1,47×10-3

(1,47)

1,55×10-3

(1,55)

1,64×10-3

(1,64)

2,96

 

100-125

240

3,03

 

120-135

260

3,10

 

Примечания:

1. Высота захвата Н указана при установке зажима до затяжки болта.

2. Нагрузочная способность зажима Q - максимально допустимое усилие на рабочие поверхности зажима, состоящее из рабочего усилия и усилия предварительной затяжки болта.

(Измененная редакция, Изм. № 1).


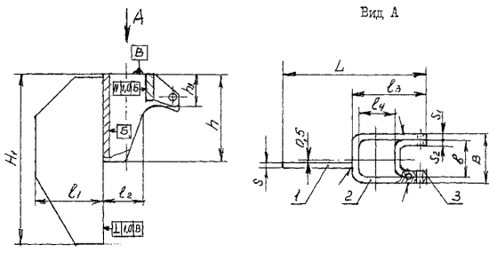
3. Конструкция и размеры траверс должны соответствовать указанным на черт. 2 и в табл. 2.

Допускается отверстие для подвески располагать в другом месте траверсы.

Черт. 2

(Измененная редакция, Изм. № 1).


Таблица 2

Размеры, мм

Диаметр резьбы болта зажима

D

S

B

L

l

l1

l2

H1

h

h1

h2

(Пред. откл. -2)

Масса, кг

Номин.

Пред. откл.

Пред. откл. ±2

Пред. откл. ±3

Пред. откл. ±3

Пред. откл. ±1,5

12

13

3

20,0

-1

62

26

13

1,0

90

25

45

23,0

4

0,15

16

17

4

26,0

-1

73

15

1,5

104

32

52

29,5

6

0,25

20

21

31,0

-2

85

29

18

2,0

140

40

70

37,5

0,35

24

26

6

40,5

-3

101

37

7

0,65

27

29

43,5

-3

105

40

20

2,5

142

42

71

39,0

0,80

(Измененная редакция, Изм. № 1).


Пример условного обозначения зажима с болтом диаметром d=12 мм, длиной l=130 мм, типа 1, покрытие окисное с промасливанием (05):

Зажим М12´130-1-0,5 ОСТ 26-01-64-83

То же, покрытие кадмиевое с хроматированием (02):

Зажим М12´130-1-0,2 ОСТ 26-01-64-83

То же, покрытие цинковое с хроматированием (01):

Зажим М12´130-1-01 ОСТ 26-01-64-83.

(Измененная редакция, Изм. № 1).

3а. Конструкция и размеры зажимов типа 2, их нагрузочная способность и податливость должны соответствовать указанным на черт. 3 и в табл. 2а.

1 - траверса; 2 - болт по ОСТ 26-2037-77, 3 - гайка по ОСТ 26-2038-77; 4 - шайба по ГОСТ 10450-78

Примечание. Допускается применять болт по ГОСТ 7805-70 и ГОСТ 15590-70

Черт. 3

Таблица 2а

Размеры, мм

Диаметр резьбы болта зажима d

Высота захвата Н

В

L

l

Нагрузочная способность зажима Q в Н (кгс) при температуре. °С

от минус 70
до плюс 100

200

300

24

68-94

38

100

200

40000

(4000)

36000

(3600)

31200

(3120)

86-116

108

220

27

82-108

44

115

53000

(5300)

47600

(4760)

41200

(4120)

100-125

240

30

138-156

52

130

280

65000

(6500)

58500

(5850)

50800

(5080)

156-162

300

36

150-180

62

175

102000

(10200)

92000

(9200)

79500

(7950)

Продолжение табл. 2а

Размеры, мм

Диаметр резьбы болта зажима

Высота захвата Н

Податливость зажима l×10 в м/Н (см/кгс) при температуре, °С

Масса, кг, не более

Применяемость

от минус 70
до плюс 100

200

300

24

68-94

2,5×10-3

(2,5)

2,6×10-3

(2,6)

2,6×10-3

(2,6)

2,80

 

86-116

3.50

 

27

82-108

2,2×10-3

(2,2)

2,2×10-3

(2,2)

2,2×10-3

(2,2)

3,82

 

100-125

3,90

 

30

138-156

2,1×10-3

(2,1)

2,1×10-3

(2,1)

2,1×10-3

(2.1)

6,10

 

156-162

6,20

 

36

150-180

1,9×10-3

(1,9)

1,9×10-3

(1,9)

1,9×10-3

(1,9)

9,60

 

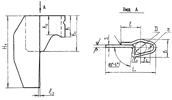
3б. Конструкция и размеры траверс зажимов типа 2 должны соответствовать указанным на черт. 4 и в табл. 2б.

1 - хвостовик; 2 - корпус; 3* - распорка

* Допускается другая конструкция распорки

Черт. 4

Таблица 2б

Размеры, мм

Диаметр резьбы болта зажима d

H

h

h1

B

b

L

l1

l2

l3

l4

S

S1

S2

Масса, кг, не боле

24

133

66

36

38

26

100

45

30

55

25

10

6

4

0,90

142

108

52

0,98

27

75

44

28

115

35

62

29

12

8

1,22

30

175

80

37

52

31

130

67

42

67

32

14

10

2,06

36

190

105

42

62

37

175

95

52

78

38

12

6

3,28

Пример условного обозначения зажима с болтом диаметром d=24 мм длиной l=220 мм, типа 2, покрытие окисное с промасливанием (0,5):

Зажим М24´220-2-05 ОСТ 26-01-64-83

3а, 3б (Введены дополнительно, Изм. № 1).

4. Зажимы должны изготавливаться в соответствии с требованиями настоящего стандарта по технической документации, утвержденной в установленном порядке.

5. Материалы деталей зажимов должны соответствовать указанным в табл. 3.

Таблица 3

Наименование детали зажима

Температура эксплуатации зажима*, °C

Марка стали и ее обозначение

Траверса

От минус 20 до плюс 200

Сталь ВСт3сп2 по ГОСТ 380-71
при толщине 3 и 4 мм

Сталь ВСт3сп4 по ГОСТ 380-71
при толщине более 4 мм

От минус 30 до плюс 200

Сталь С8ГТ по ТУ 14-1-3899-85

От минус 40 до плюс 200

Сталь 09Г2С. категории 17 по ГОСТ 5520-79

От минус 70 до минус 41

Сталь 09Г2С. категории 9 по ГОСТ 5520-79

Болт (шпилька)

От минус 40 до плюс 200

Сталь 35 по ГОСТ 1050-74

Гайка

От минус 70 до плюс 200

Сталь 10Г2 или 20ХНЗА по ГОСТ 4543-71

От минус 40 до плюс 200

Сталь 20 или 25 по ГОСТ 1050-74

Шайба

От минус 70 до плюс 200

Сталь 35Х по ГОСТ 4543-71

От минус 40 до плюс 200

Сталь 20 по ГОСТ 1050-74

От минус 20 до плюс 200

Сталь ВСт3сп4 по ГОСТ 380-71

* Температура нагрева зажима согласно ОСТ 26-01-949-80 составляет 0,55 от температуры в аппарате, т. е. при температуре среды в аппарате 300°С температура нагрева зажима равна 165°С.

(Измененная редакция, Изм. № 1).

Допускается применение других марок сталей, имеющих механические свойства не ниже свойств сталей, указанных в табл. 3.

Требования к материалам должны соответствовать ОСТ 26-291-79.

6. Допускается под головку болта или гайку устанавливать шайбы по ГОСТ 13438-68 и ГОСТ 13439-68.

7. Неуказанные предельные отклонения размеров: отверстий Н16, валов h16, остальных  - по ГОСТ 25347-82 (СТ СЭВ 144-75).

8. Траверсу после гибки следует подвергать отжигу в соответствии с технической документацией.

9. На поверхности траверсы не допускаются трещины.

10. Вид сварки, типы и размеры сварных швов должны указываться в технической документации.

11. Зажимы (траверсы и крепежные детали) должны иметь защитное покрытие:

для аппаратов в обычном исполнении – окисное с промасливанием;

для аппаратов в экспортном исполнении - цинковое с хроматированием или кадмиевое с хроматированием по ОСТ 26-2043-77.

(Измененная редакция, Изм. № 1).

12. Маркировать диаметр резьбы болта, например: М12.

13. В комплект поставки входит зажим в сборе.

14. На зажимы, поставляемые другим предприятиям, перед упаковкой должна быть нанесена консервационная смазка в соответствии с требованиями ОСТ 26-01-890-80.

Организация-разработчик                                                             - НИИэмальхиммаш

Директор института                                                                      - А. С. Островчук

Зав. научно-исследовательским отделом стандартизации        - В. Ф. Ильченко

Руководитель темы, зав. группой                                                    Л. М. Кулик

Ответственный исполнитель, ведущий конструктор                    Л. А. Чернявская

Исполнители:

Инженер                                                                                            Т. А. Новикова

Инженер                                                                                            Л. М. Хорунжая

Ст. научный сотрудник                                                                    О. П. Смищенко

Ст. техник                                                                                          А. К. Куркина

СОГЛАСОВАНО:

/Начальник Технического управления                                           А. М. Васильев

/Начальник Союзхиммаша                                                              В. А. Чернов

Министерство химической промышленности СССР

Зам. начальника Управления главного механика и

главного энергетика                 Н. А. Жолудев

Письмо № 15-6-2/1170 от 31.08.83г.

Полтавский завод химического

машиностроения

Главный инженер                    Ю. И. Кулявец

Письмо № 7/6500 от 25.10.83г.

Базовая организация по стандартизации                               - УкрНИИхиммаш

Директор института                                                                         П. П. Прядкин

Зав. базовым научно-исследовательским

отдела стандартизации                                                                    В.И. Штанденко

Перечень документов, на которые дана ссылка в настоящем стандарте

1. ГОСТ 25347 (СТ СЭВ 144-75) «Поля допусков и рекомендуемые посадки».

2. ГОСТ 380 «Сталь углеродистая обыкновенного качества. Марки и общие технические требования».

3. ГОСТ 1050 «Сталь углеродистая качественная конструкционная».

4. ГОСТ 4543 «Сталь легированная конструкционная. Марки и технические требования».

5. ГОСТ 10450 «Шайбы уменьшенные. Технические условия».

6. ГОСТ 13438 «Шайбы сферические для станочных приспособлений. Конструкция и размеры».

7. ГОСТ 13439 «Шайбы конические для стальных приспособлений. Конструкция и размеры».

8. ОСТ 26-291 «Сосуды и аппараты стальные сварные. Технические требования».

9. ОСТ 26-01-890 «Консервация изделий химического машиностроения. Общие технические требования».

10. ОСТ 26-2037 «Болты с шестигранной головкой для фланцевых соединений. Конструкция и размеры».

11. ОСТ 26-2038 «Гайки шестигранные для фланцевых соединений. Конструкция и размеры».

12. ОСТ 26-2039 «Шпильки с ввинчиваемым концом для фланцевых соединений (нормальной точности). Конструкция и размеры».

13. ОСТ 26-2040 «Шпильки для фланцевых соединений. Конструкция и размеры».

14. ОСТ 26-2042 «Шайбы для фланцевых соединений. Конструкция и размеры».

15. ОСТ 26-2043 «Болты, шпильки, гайки и шайбы для фланцевых соединений. Технические требования».

16. ТУ 14-1-3172 «Сталь толстолистовая марок 08 и 08Т для изготовления эмалированной химической аппаратуры».

(Измененная редакция, Изм. № 3).

ПЕРЕЧЕНЬ
ОТРАСЛЕВЫХ СТАНДАРТОВ, С КОТОРЫХ СНИМАЕТСЯ ОГРАНИЧЕНИЕ СРОКА ДЕЙСТВИЯ

Обозначение.
Наименование документа

Наименование организации-разработчика

Наименование организации, за которой закрепляется документ в России (до его пересмотра)

Примечания (срок действия)

ОСТ 26-01-54-77

Фланцы сосудов и аппаратов стальные плоские приварные на давление до 0,1 МПА (1,0 кгс/см2). Конструкция и размеры

УкрНИИхиммаш (Украина)

АО «ЦКБН»

до 01.01.96

ОСТ 26-01-64-83

Зажимы. Конструкция и размеры

НИИэмальхиммаш (Украина)

-

до 01.01.96

ОСТ 26-01-66-86

Тарелки колпачковые стальных колонных аппаратов. Параметры, конструкция и размеры

УкрНИИхиммащ (Украина)

АО «ЦКБН»

до 01.01.97

ОСТ 26-01-88-87

Уплотнения валов торцовые для аппаратов с перемешивающими устройствами. Общие технические условия

ДзержинскНИИхиммаш

-

до 01.04.36

ОСТ 26-01-105-78

Покрытия стекло эмалевые и стеклокристаллические. Методы испытания на термо- и морозостойкость

НИИэмальхиммаш (Украина)

-

до 01.01.96

ОСТ 26-01-106-80

Покрытия отекло эмалевые и стеклокристаллические. Методы определения толщины и сплошности

НИИэмальхиммаш (Украина)

-

до 01.01.36

ОСТ 26-01-108-85

Тарелки ситчато-клапанные колонных аппаратов. Параметры, конструкция и размеры

УкрНИИхиммаш (Украина)

АО «ЦКБН»

до 01.01.97

ОСТ 26-01-112-87

Аппараты выпарные трубчатые стальные. Общие технические условия

УкрНИИхиммаш (Украина)

-

до 01.01.96

Директор по научно-техническому

направлению АО «НИИхиммаш»                                                       А. Заваров

Начальник отдела стандартизации                                                    И.И. Орехова

 




ГОСТЫ, СТРОИТЕЛЬНЫЕ и ТЕХНИЧЕСКИЕ НОРМАТИВЫ.
Некоммерческая онлайн система, содержащая все Российские Госты, национальные Стандарты и нормативы.
В Системе содержится более 150000 файлов нормативно-технической документации, действующей на территории РФ.
Система предназначена для широкого круга инженерно-технических специалистов.

Рейтинг@Mail.ru Яндекс цитирования

Copyright © www.gostrf.com, 2008 - 2026