Крупнейшая бесплатная информационно-справочная система онлайн доступа к полному собранию технических нормативно-правовых актов РФ. Огромная база технических нормативов (более 150 тысяч документов) и полное собрание национальных стандартов, аутентичное официальной базе Госстандарта. GOSTRF.com - это более 1 Терабайта бесплатной технической информации для всех пользователей интернета. Все электронные копии представленных здесь документов могут распространяться без каких-либо ограничений. Поощряется распространение информации с этого сайта на любых других ресурсах. Каждый человек имеет право на неограниченный доступ к этим документам! Каждый человек имеет право на знание требований, изложенных в данных нормативно-правовых актах!

  


 

ГОСУДАРСТВЕННЫЙ СТАНДАРТ СОЮЗА ССР

ПЛАНКИ ПРЯМОУГОЛЬНЫЕ ВЫСОТОЙ 45 мм С УСТАНОВОЧНЫМ ОТВЕРСТИЕМ ДИАМЕТРОМ 45 и 50 мм УНИВЕРСАЛЬНО-СБОРНЫХ ПРЯМОУГОЛЬНЫХ НАКЛАДНЫХ КОНДУКТОРОВ С ПАЗАМИ 12 мм

Конструкция и размеры.

ГОСТ 20210-74

ГОСУДАРСТВЕННЫЙ СТАНДАРТ СОЮЗА ССР

ПЛАНКИ ПРЯМОУГОЛЬНЫЕ ВЫСОТОЙ 45 мм С УСТАНОВОЧНЫМ ОТВЕРСТИЕМ ДИАМЕТРОМ 45 и 50 мм УНИВЕРСАЛЬНО-СБОРНЫХ ПРЯМОУГОЛЬНЫХ НАКЛАДНЫХ КОНДУКТОРОВ С ПАЗАМИ 12 мм

Конструкция и размеры.

45 mm high rectangular straps with 45 and 50 mm dia. adjusting hole of universal rectangular assembly drilling jigs with 12 mm slots.
Design and dimensions

ГОСТ
20210-74

Постановлением Государственного комитета стандартов Совета Министров СССР от 12 сентября 1974г. № 2138 срок действия установлен

с 01.01.76

до 01.01.81

Несоблюдение стандарта преследуется по закону

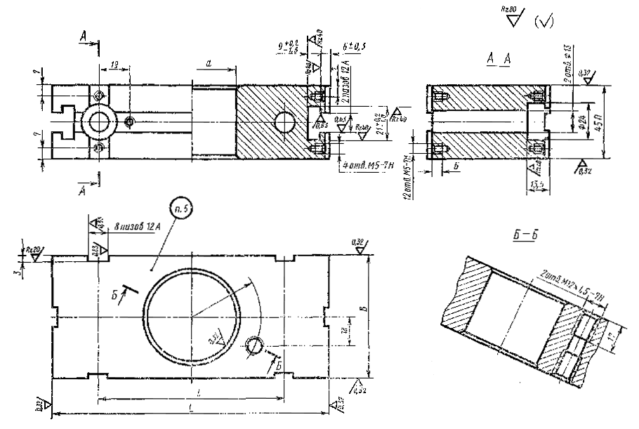
1. Конструкция и размеры планок должны соответствовать указанным на чертеже и в таблице.



Размеры в мм

Обозначение планок

Применяемость

В

L

l

(пред. откл. +0,03)

r

d

(пред. откл. по A1)

Масса, кг

Прел. откл. по П

7033-1251

 

60

120

60

35

45

1,62

7033-1252

 

90

180

120

43

50

4,15

Пример условного обозначения прямоугольной плавки размером L=120 мм:

Планка 7033-1251 ГОСТ 20210-74

2. Материал - сталь марки 12ХН3А по ГОСТ 4543-71.

3. Цементировать на глубину 0,8... 1,2 мм, кроме резьбовых отверстий; твердость - HRC 58...62.

4. Остальные технические требования - по ГОСТ 14607-70.

5. Маркировать: обозначение планки, обозначение стандарта, товарный знак предприятия-изготовителя и год изготовления.

 




ГОСТЫ, СТРОИТЕЛЬНЫЕ и ТЕХНИЧЕСКИЕ НОРМАТИВЫ.
Некоммерческая онлайн система, содержащая все Российские Госты, национальные Стандарты и нормативы.
В Системе содержится более 150000 файлов нормативно-технической документации, действующей на территории РФ.
Система предназначена для широкого круга инженерно-технических специалистов.

Рейтинг@Mail.ru Яндекс цитирования

Copyright © www.gostrf.com, 2008 - 2026