Крупнейшая бесплатная информационно-справочная система онлайн доступа к полному собранию технических нормативно-правовых актов РФ. Огромная база технических нормативов (более 150 тысяч документов) и полное собрание национальных стандартов, аутентичное официальной базе Госстандарта. GOSTRF.com - это более 1 Терабайта бесплатной технической информации для всех пользователей интернета. Все электронные копии представленных здесь документов могут распространяться без каких-либо ограничений. Поощряется распространение информации с этого сайта на любых других ресурсах. Каждый человек имеет право на неограниченный доступ к этим документам! Каждый человек имеет право на знание требований, изложенных в данных нормативно-правовых актах!

  


 

ГОСТ 14114-85

МЕЖГОСУДАРСТВЕННЫЙ СТАНДАРТ

УСТРОЙСТВА СТРОПОВЫЕ ДЛЯ СОСУДОВ И АППАРАТОВ

ШТУЦЕРА МОНТАЖНЫЕ

КОНСТРУКЦИЯ И РАЗМЕРЫ

 

ИПК ИЗДАТЕЛЬСТВО СТАНДАРТОВ

Москва

 

МЕЖГОСУДАРСТВЕННЫЙ СТАНДАРТ

Устройства строповые для сосудов и аппаратов

ШТУЦЕРА МОНТАЖНЫЕ

Конструкция и размеры

Vessels attaching rigs.
Erection lugs.
Design and dimensions

ГОСТ
14114-85

Дата введения 01.01.86

1. Настоящий стандарт распространяется на монтажные штуцера (далее - штуцера), применяемые при строповке канатами для подъема стальных цилиндрических сосудов и аппаратов нефтеперерабатывающей, нефтехимической, химической и других отраслей промышленности, с усилием на один штуцер от 320 до 2500 кН (от 32 до 250 тс).

2. Штуцера должны изготовляться трех исполнений согласно табл. 1.

Таблица 1

Исполнение

Усилие на один штуцер

Область применения штуцеров для сосудов и аппаратов диаметром D, мм

кН

тс

1

От 320 до 630

От 32 до 63

От 800 до 3600

2

Св. 630 » 1000

Св. 63 » 100

» 1600 » 6400

3

» 1000 » 2500

» 100 » 250

» 2200 » 8000

3. Конструкция и размеры штуцеров должны соответствовать указанным на черт. 1 и в табл. 2.

Исполнение 1

___________

* Размер для справок.

Исполнение 2

Исполнение 3

Черт. 1


Таблица 2

Размеры в мм

Обозначение штуцера

Усилие на один штуцер

Исполнение

Диаметр сосуда или аппарата D

Сварной шов К1

L

Dн

Dф

l*

l1

l2

l3

Масса, кг

Поз. 1 Оболочка

Поз. 2 Фланец

Поз. 3 Косынка

Поз. 4 Ребро

кН

тс

Количество

1

1

8

10

1

2

3

Обозначение

01

320

32

1

800-1000

10

115

273

425

225

160

-

-

33,9

01/1

01/2

01/3

-

01/4

-

-

02

1200-2200

02/1

03

2400-3600

03/1

04

400

40

1400-2600

04/1

05

2800-3600

05/1

06

500

50

1400-2000

160

325

475

270

180

-

-

55,1

06/1

06/2

06/3

06/4

07

2200-3600

07/1

08

630

63

1600-2200

170

377

530

283

195

-

-

67,4

08/1

08/2

06/3

08/4

09

2400-3600

09/1

10

800

80

2

1600-1800

250

480

630

378

190

275

-

115,5

10/1

10/2

10/3

-

10/4

11

2000-2400

11/1

12

2600-3600

12/1

13

3800-6400

13/1

14

1000

100

2

2000-2400

12

250

530

680

376

190

275

-

129,0

14/1

14/2

10/3

-

-

14/4

-

15

2600-3200

15/1

16

3400-4000

16/1

17

4200-6400

17/1

18

1250

125

3

2200-2600

290

630

780

422

180

250

330

185,6

18/1

18/2

-

18/4

19

2800-3400

19/1

20

3600-4600

20/1

21

4800-6400

21/1

22

1400

140

2400-2600

340

720

870

480

195

280

365

231,3

22/1

22/2

22/4

23

2800-3200

23/1

24

3400-4000

24/1

25

4200-5200

25/1

26

5400-6400

26/1

27

1600

160

2600-2800

340

820

970

480

195

280

365

273,7

27/1

27/2

27/4

28

3000-3400

28/1

29

3600-4000

29/1

30

4200-5000

266,7

30/1

31

5200-6400

31/1

32

7000-8000

32/1

33

1800

180

2600-2800

355

920

1070

485

195

285

370

346,2

33/1

33/2

-

10/3

33/4

34

3000-3200

34/1

35

3400-3800

35/1

36

4000-4600

335,5

36/1

37

4800-5600

37/1

38

5800-6400

38/1

39

7000-8000

39/1

40

2000

200

2600-2800

355

920

1070

485

195

285

370

381,1

40/1

33/2

40/3

40/4

41

3000-3200

41/1

42

3400-3800

42/1

43

4000-4600

370,4

43/1

44

4800-5600

44/1

45

5800-6400

45/1

46

7000-8000

46/1

47

2250

225

3

2600

12

375

1020

1170

516

205

300

395

443

47/1

47/2

-

40/3

-

-

47/4

48

2800

48/1

49

3000-3200

49/1

50

3400-3600

50/1

51

3800-4200

429,2

51/1

52

4400-5000

52/1

53

5200-5800

53/1

54

6300-8000

54/1

55

2500

250

2600

405

1220

1370

555

225

325

425

558,7

55/1

55/2

55/4

56

2800

56/1

57

3000

57/1

58

3200

545,6

58/1

59

3400-3600

59/1

60

3800-4000

60/1

61

4200

61/1

62

4500-5000

415

566

533,1

62/1

63

5400-5800

63/1

64

6300-7000

64/1

65

8000

65/1

Примечания:

1. Размер l*, приведенный в таблице, является максимальным для данной группы сосудов или аппаратов.

2. Размеры катетов и типы сварных швов приварки ребер (поз. 4) даны в п. 8.


Пример условного обозначения штуцера монтажного для аппарата диаметром 4500 мм с усилием на один штуцер 250 тс:

Штуцер монтажный 62 ГОСТ 14114-85

(Измененная редакция, Изм. № 1).

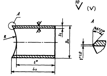
4. Конструкция и размеры оболочки (поз. 1) должны соответствовать указанным на черт. 2 и в табл. 3.

___________

* Размер для справок.

Черт. 2

Таблица 3

Размеры в мм

Обозначение оболочки

L1

l*

R

Dн

s1

Масса, кг

01/1

230

209

450

273

11

16,3

02/1

219

850

03/1

224

1500

04/1

220

1000

05/1

224

1600

06/1

280

264

850

325

14

30,0

07/1

270

1400

08/1

295

276

950

377

36,9

09/1

283

1500

10/1

390

355

850

480

63,0

11/1

363

1100

12/1

371

1500

13/1

378

2500

14/1

358

1100

530

69,5

15/1

366

1450

16/1

370

1800

17/1

376

2500

18/1

440

398

1200

630

93,6

19/1

407

1540

20/1

415

2000

21/1

422

2700

22/1

500

447

1250

720

122,0

23/1

456

1500

24/1

464

1800

25/1

472

2330

26/1

478

2900

27/1

510

445

1350

820

141,0

28/1

457

1600

29/1

465

1900

30/1

485

448

2300

134,0

31/1

456

2900

32/1

463

3750

33/1

540

465

1350

920

16

192,6

34/1

475

1550

35/1

484

1800

36/1

510

464

2150

181,9

37/1

472

2620

38/1

477

3050

39/1

484

3750

40/1

540

465

1350

192,6

41/1

475

1550

42/1

484

1800

43/1

510

464

2150

181,9

44/1

472

2620

45/1

477

3050

46/1

484

3750

47/1

585

488

1300

1020

16

231,7

48/1

495

1400

49/1

504

1550

50/1

514

1750

51/1

550

488

2000

217,9

52/1

498

2380

53/1

505

2750

54/1

516

3600

55/1

670

526

1300

1220

291,6

56/1

538

1400

57/1

547

1500

58/1

640

526

1600

278,5

59/1

536

1750

60/1

547

1950

61/1

555

2100

62/1

610

535

2400

266,0

63/1

546

2800

64/1

557

3350

65/1

566

4000

Пример условного обозначения оболочки для штуцера монтажного 62:

Оболочка 62/1 ГОСТ 14114-85

4.1. Оболочка изготавливается из трубы Dн ´ s1 по ГОСТ 8732 и ГОСТ 10704.

Допускается изготовление оболочки из листа сварной с одним продольным швом или штампосварной с двумя продольными швами.

5. Конструкция и размеры фланца (поз. 2) должны соответствовать указанным на черт. 3 и в табл. 4.

Черт. 3

Таблица 4

Размеры в мм

Обозначение фланца

Dф

d1

s2

Масса, кг

01/2

425

276 H14

20

12,8

06/2

475

328 H14

24

18,3

08/2

530

380 H14

30

22,2

10/2

630

483 H14

30,2

14/2

680

534 H14

32,8

18/2

780

634 H14

37,9

22/2

870

724 H14

32

45,6

27/2

970

825 H13

51,3

33/2

1070

925 H13

34

59,7

47/2

1170

1025 Н13

66,0

55/2

1370

1225 Н13

78,0

Примечание. Размер d1 необходимо корректировать в зависимости от фактического наружного диаметра оболочки для обеспечения допустимого зазора в сварном соединении в соответствии с ГОСТ 5264.

Пример условного обозначения фланца для штуцера монтажного 62:

Фланец 55/2 ГОСТ 14114-85

5.1. Допускается изготовление фланцев диаметром св. 500 мм сварными из 2-4 деталей в виде части кольца каждая с разделкой кромок под сварку С 21 по ГОСТ 5264.

6. Конструкция и размеры косынки (поз. 3) должны соответствовать указанным на черт. 4 и в табл. 5.

Черт. 4

Таблица 5

Обозначение косынки

s3, мм

Масса, кг

01/3

8

0,26

06/3

10

0,325

10/3

12

0,39

40/3

16

0,52

Пример условного обозначения косынки для штуцера монтажного 62:

Косынка 40/3 ГОСТ 14114-85

7. Конструкция и размеры ребер (поз. 4) должны соответствовать указанным на черт. 5 и в табл. 6.

Черт. 5

Таблица 6

Размеры в мм

Обозначение ребра

Dp

d2

s4

Масса, кг

01/4

249 Н14

90

8

2,7

06/4

294 Н14

135

10

4,2

08/4

346 Н14

165

5,7

10/4

449 Н14

270

12

9,6

14/4

499 Н14

300

11,8

18/4

599 Н14

360

17,0

22/4

689 Н14

450

20,2

27/4

789 Н14

520

26,1

33/4

885 Н13

615

30,0

40/4

885 Н13

605

16

41,2

47/4

985 Н13

705

46,7

55/4

1185 Н13

885

61,3

Примечание. Размер Dp необходимо корректировать в зависимости от фактического внутреннего диаметра оболочки для обеспечения допустимого зазора в сварном соединении в соответствии с ГОСТ 5264.

Пример условного обозначения ребра для штуцера монтажного 62:

Ребро 55/4 ГОСТ 14114-85

7.1. Допускается изготовление ребер диаметром св. 500 мм сварными из 2-4 деталей в виде части кольца каждая с разделкой кромок под сварку С 21 по ГОСТ 5264.

8. Приварка ребер штуцеров должна соответствовать указаниям, приведенным на черт 6 и в табл. 2.

9. На каждый штуцер должна быть нанесена маркировка, содержащая его условное обозначение.

10. Остальные технические требования - по ГОСТ 14116.

11. Фактическая масса штуцеров не должна превышать более чем на 6 % значений, приведенных в табл. 2-6.

Черт. 6

ИНФОРМАЦИОННЫЕ ДАННЫЕ

1. РАЗРАБОТАН И ВНЕСЕН Министерством монтажных и специальных строительных работ СССР

РАЗРАБОТЧИКИ

В.А. Воронов, Э.Я. Гордон, В.С. Европин

2. УТВЕРЖДЕН И ВВЕДЕН В ДЕЙСТВИЕ Постановлением Государственного комитета СССР по стандартам от 22.01.85 № 140

3. ВЗАМЕН ГОСТ 14114-78

4. ССЫЛОЧНЫЕ НОРМАТИВНО-ТЕХНИЧЕСКИЕ ДОКУМЕНТЫ

Обозначение НТД, на который дана ссылка

Номер пункта

ГОСТ 5264-80

3, 5, 5.1, 7, 7.1, 11

ГОСТ 8732-78

4.1

ГОСТ 10704-91

4.1

ГОСТ 14116-85

10

5. Ограничение срока действия снято Постановлением Госстандарта от 18.06.90 № 1617

6. ПЕРЕИЗДАНИЕ (январь 1999 г.) с Изменением № 1, утвержденным в июне 1990 г. (ИУС 9-90)

 




ГОСТЫ, СТРОИТЕЛЬНЫЕ и ТЕХНИЧЕСКИЕ НОРМАТИВЫ.
Некоммерческая онлайн система, содержащая все Российские Госты, национальные Стандарты и нормативы.
В Системе содержится более 150000 файлов нормативно-технической документации, действующей на территории РФ.
Система предназначена для широкого круга инженерно-технических специалистов.

Рейтинг@Mail.ru Яндекс цитирования

Copyright © www.gostrf.com, 2008 - 2026