Крупнейшая бесплатная информационно-справочная система онлайн доступа к полному собранию технических нормативно-правовых актов РФ. Огромная база технических нормативов (более 150 тысяч документов) и полное собрание национальных стандартов, аутентичное официальной базе Госстандарта. GOSTRF.com - это более 1 Терабайта бесплатной технической информации для всех пользователей интернета. Все электронные копии представленных здесь документов могут распространяться без каких-либо ограничений. Поощряется распространение информации с этого сайта на любых других ресурсах. Каждый человек имеет право на неограниченный доступ к этим документам! Каждый человек имеет право на знание требований, изложенных в данных нормативно-правовых актах!

  


 

ОТРАСЛЕВОЙ СТАНДАРТ

БОБЫШКИ, ПРОБКИ И ПРОКЛАДКИ

Конструкция, размеры
и общие технические требования

ОСТ 26.260.460-99

УТВЕРЖДАЮ

Председатель ТК 260

«Оборудование химическое

и нефтеперерабатывающее»

____________ В. А. Заваров

31.08.1999 г.

ЛИСТ УТВЕРЖДЕНИЯ

ОСТ 26.260.460-99

БОБЫШКИ, ПРОБКИ И ПРОКЛАДКИ

Конструкция, размеры и
общие технические требования

ДАО «ЦКБН»

Генеральный директор                                                                     Ю. А. Кащицкий

Главный инженер                                                                              А. А. Пигарев

Зав. отделом стандартизации

и сертификации                                                                                 А. Ю. Пролесковский

Конструктор II категории отд. № 8                                                 Т. Д. Демченкова

Инженер 1 категории отд. № 8                                                        Е. Д. Егорова

СОГЛАСОВАНО

ОАО «НИИХИММАШ»

Заместитель Генерального директора

по научно-производственной деятельности

__________________ В. В. Раков.

ПРЕДИСЛОВИЕ

1. РАЗРАБОТАН Дочерним открытым акционерным обществом «Центральное конструкторское бюро нефтеаппаратуры» (ДАО«ЦКБН»)

2. ПРИНЯТ И ВВЕДЕН В ДЕЙСТВИЕ Техническим комитетом 260 «Оборудование химическое и нефтеперерабатывающее»

3. ВВЕДЕН ВПЕРВЫЕ

ОСТ 26.260.460-99

БОБЫШКИ, ПРОБКИ И ПРОКЛАДКИ

Конструкция, размеры и
общие технические требования

Дата введения 1999-09-01.

1. ОБЛАСТЬ ПРИМЕНЕНИЯ

Настоящий стандарт устанавливает конструкцию, размеры и общие технические требования на бобышки, пробки и прокладки, применяемые в сосудах, аппаратах и трубопроводах блоков для нефтеперерабатывающей, нефтехимической, нефтяной и газовой промышленности на условное давление Pу 16,0 МПа.

2. НОРМАТИВНЫЕ ССЫЛКИ

В настоящем стандарте использованы ссылки на следующие стандарты:

ГОСТ 380-88 Сталь углеродистая обыкновенного качества. Марки.

ГОСТ 481-80 Паронит и прокладки из него. Технические условия.

ГОСТ 535-88 Прокат сортовой и фасонный из стали углеродистой обыкновенного качества. Общие технические условия.

ГОСТ 1050-88 Прокат сортовой, калиброванный со специальной отделкой поверхности из углеродистой качественной конструкционной стали. Общие технические условия.

ГОСТ 1173-93 Ленты медные. Технические условия.

ГОСТ 2208-91 Ленты латунные общего назначения. Технические условия.

ГОСТ 4543-71 Сталь легированная конструкционная. Марки и технические требования.

ГОСТ 4986-79 Лента холоднокатаная из коррозионно-стойкой и жаростойкой стали. Технические условия.

ГОСТ 5520-79 Сталь листовая углеродистая низколегированная и легированная для котлов и сосудов, работающих под давлением. Технические условия.

ГОСТ 5632-72 Стали высоколегированные и сплавы коррозионно-стойкие, жаростойкие и жаропрочные. Марки и технические требования.

ГОСТ 5949-75 Сталь сортовая калиброванная коррозионно-стойкая, жаростойкая и жаропрочная. Технические условия.

ГОСТ 6211-81 Основные нормы взаимозаменяемости. Резьба трубная коническая.

ГОСТ 6357-81 Основные нормы взаимозаменяемости. Резьба трубная цилиндрическая.

ГОСТ 7338-90 Пластины резиновые и резинотканевые. Технические условия.

ГОСТ 7350-77 Сталь толстолистовая коррозионно-стойкая, жаростойкая и жаропрочная. Технические условия.

ГОСТ 8479-70 Поковки из конструкционной углеродистой и легированной стали. Общие технические условия.

ГОСТ 9347-74 Картон прокладочный и уплотнительные прокладки из него.

ГОСТ 10007-80 Фторопласт-4. Технические условия.

ГОСТ 10549-80 Выход резьбы, сбеги, недорезы, проточки и фаски.

ГОСТ 14637-89 Прокат толстолистовой из углеродистой стали обыкновенного качества. Технические условия.

ГОСТ 16093-81 Основные нормы взаимозаменяемости. Резьба метрическая. Допуски. Посадки с зазором.

ГОСТ 19257-73 Отверстия под нарезание метрической резьбы.

ГОСТ 19281-89 Прокат из стали повышенной прочности. Общие технические условия.

ГОСТ 21348-75 Отверстия под нарезание трубной цилиндрической резьбы. Диаметры.

ГОСТ 21350-75 Отверстия под нарезание трубной конической резьбы. Диаметры.

ГОСТ 21631-76 Листы из алюминия и алюминиевых сплавов. Технические условия.

ГОСТ 24705-81 Основные нормы взаимозаменяемости. Резьба метрическая. Основные размеры.

ГОСТ 25054-81 Поковки из коррозионно-стойких сталей и сплавов. Общие технические условия.

ОСТ 26 291-94 Сосуды и аппараты стальные сварные. Общие технические условия.

ТУ 14-1-4853-90 Прокат толстолистовой стойкий к коррозионному растрескиванию. Технические условия.

3. КОНСТРУКЦИЯ И РАЗМЕРЫ

3.1. Бобышки по конструкции и размерам предусматриваются трех типов:

Тип 1 - для сосудов и аппаратов с толщиной стенки корпуса до 60 мм, который имеет четыре исполнения:

исполнение 1 - с метрической резьбой (рисунок 1; 3, таблица 1);

исполнение 2 - с трубной цилиндрической резьбой (рисунок 1; 4, таблица 2);

исполнение 3 - с трубной конической резьбой (рисунок 1; 5, таблица 3);

исполнение 4 - с метрической резьбой, со скосом под приварку (рисунок 1; 6, таблица 4).

Тип 2 - для сосудов и аппаратов с толщиной стенки корпуса свыше 60 мм, который имеет три исполнения:

исполнение 1 - с метрической резьбой (рисунок 2; 3, таблица 5);

исполнение 2 - с трубной цилиндрической резьбой (рисунок 2; 4, таблица 6);

исполнение 3 - с трубной конической резьбой (рисунок 2; 5, таблица 7).

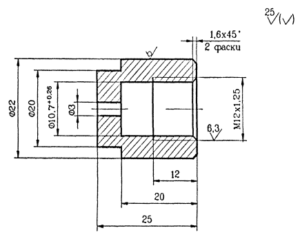
Тип 3 - бобышка специальная под пробку, для заглушки резьбовых отверстий в устройствах для установки приборов на сосудах и аппаратах (рисунок 7).

Тип 1

Рисунок 1

Тип 2

Остальное - см. рисунок 1

Рисунок 2

Исполнение 1

Рисунок 3

Исполнение 2

Рисунок 4

Исполнение 3

Рисунок 5

Исполнение 4

Рисунок 6

Таблица 1

Размеры в миллиметрах

Dy

d

D

D1

d1

l

L

50

100

160

Масса, кг

10

М12×1,5

30

26

10,43

50

0,24

0,48

-

15

M18×1,5

40

32

16,43

0,40

0,81

1,29

M18×2,0

15,90

M20×1,5

18,43

0,38

0,76

1,22

20

M27×1,5

50

37

25,43

0,56

1,12

1,80

M27×2,0

24,90

25

M30×1,5

44

28,43

0,51

1,02

1,64

M33×2,0

30,90

0,47

0,97

1,52

32

M39×3,0

60

53

35,85

0,71

1,42

2,27

Таблица 2

Размеры в миллиметрах

Dy

d

D

D1

d1

l

L

50

100

160

Масса, кг

10

G 3/8

30

26

15,00

50

0,21

0,42

-

15

G 1/2

40

32

18,68

0,38

0,76

1,22

20

G 3/4

50

37

24,17

0,59

1,20

1,90

25

G 1

44

30,34

0,49

0,99

1,58

32

G 1 1/4

60

53

39,00

0,64

1,28

2,05

40

G 1 1/2

70

63

44,90

0,90

1,88

2,84

50

G 2

80

73

56,70

0,97

1,95

3,11

Таблица 3

Размеры в миллиметрах

Dy

d

D

D1

d1

l

L

50

100

160

Масса, кг

8

Rc 1/4

30

23

10,80

20

0,24

0,49

-

10

Rc 3/8

26

14,30

24

0,22

0,43

-

15

Rc 1/2

40

32

17,90

29

0,39

0,78

1,26

20

Rc 3/4

50

37

23,25

31

0,61

1,22

1,45

25

Rc 1

44

29,35

37

0,49

0,99

1,58

40

Rc 1 1/2

70

63

43,70

42

0,91

1,83

2,92

50

Rc 2

80

73

55,25

44

1,04

2,08

3,32

Таблица 4

Размеры в миллиметрах

Dy

d

D

D1

d1

l

L

Масса, кг

a

45

60

45

60

10

М12×1,5

30

26

10,43

28

120

145

0,53

0,61

15

M18×1,5

40

32

16,43

0,85

0,96

M18×2,0

15,90

0,88

0,99

M20×1,5

18,43

0,86

0,98

20

M27×1,5

50

37

25,43

35

130

155

1,27

1,42

M27×2,0

24,90

1,30

1,45

25

M30×1,5

44

28,43

1,15

1,29

M33×2,0

30,90

1,07

1,18

32

M39×3,0

60

53

35,85

1,56

1,49

Таблица 5

Размеры в миллиметрах

Dy

d

D

D1

d1

d3

l

L

50

100

Масса, кг

10

М12×1,5

30

26

10,43

16,5

50

0,24

0,48

15

M18×1,5

40

32

16,43

22,5

0,31

0,72

M18×2,0

15,90

M20×1,5

18,43

24,5

0,29

0,68

20

M27×1,5

50

37

25,43

31,5

0,42

0,98

M27×2,0

24,90

31,0

25

M30×1,5

44

28,43

37,0

0,43

0,94

M30×2,0

30,90

0,36

0,85

32

M39×3,0

60

53

35,85

42,0

0,53

1,24

Таблица 6

Размеры в миллиметрах

Dy

d

D

D1

d1

d3

l

L

50

100

Масса, кг

10

G 3/8

30

26

15,00

21

50

0,17

0,38

15

G 1/2

40

32

18,68

25

0,30

0,68

20

G 3/4

50

37

24,17

30

0,42

1,03

25

G 1

44

30,34

37

0,35

0,85

32

G 1 1/4

60

53

39,00

45

0,46

1,10

40

G 1 1/2

70

63

44,90

51

0,64

1,55

50

G 2

80

73

56,70

67

0,68

1,66

Таблица 7

Размеры в миллиметрах

Dy

d

D

D1

d1

d3

l

L

50

100

Масса, кг

8

Rc 1/4

30

23

10,80

17,0

20

0,22

0,47

10

Rc 3/8

26

14,30

20,5

24

0,20

0,41

15

Rc 1/2

40

37

17,90

24,0

29

0,37

0,76

20

Rc 3/4

50

36

23,25

29,5

31

0,58

1,19

25

Rc 1

44

29,35

35,5

37

0,46

0,95

40

Rc 1 1/2

70

63

43,70

50,0

42

0,86

1,78

50

Rc 2

80

73

55,25

61,5

44

0,98

2,02

Пример условного обозначения бобышки типа 1, исполнения 2, с резьбой G 3/8 длиной 100 мм, из стали 10Г2:

Бобышка 1-2-G 3/8-100-10Г2 ОСТ 26.260.460-99.

То же, бобышки типа 2, исполнения 3 с резьбой Rc 1/4, длиной 100 мм из стали 09Г2С:

Бобышка 2-3-Rc 1/4-100-09Г2С ОСТ 26.260.460-99.

Тип 3

Рисунок 7

Примечание - Масса бобышки 0,05 кг

Пример условного обозначения бобышки типа 3 с резьбой M12×1,25 из стали 10Г2:

Бобышка 3-М12×1,25-10Г2 ОСТ 26.260.460-99.

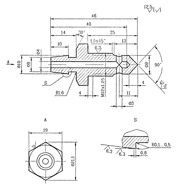
3.2 Пробки по конструкции и размерам предусматриваются пяти исполнений:

исполнение 1 - с метрической резьбой (рисунок 8, таблица 8);

исполнение 2 - с трубной цилиндрической резьбой (рисунок 8, таблица 9);

исполнение 3 - с трубной конической резьбой (рисунок 9, таблица 10);

исполнение 4 - с метрической резьбой (рисунок 10, таблица 11);

исполнение 5 - с метрической резьбой М12×1,25 (рисунок 11).

Исполнения 1 и 2

Рисунок 8

Исполнение 3

Остальное - см. рисунок 8.

Рисунок 9

Таблица 8

Размеры в миллиметрах

Dy

d

D

D2

L

l

h

Размер «под ключ»

Масса, кг

S

пред. откл.

10

М12×1,5

29,9

25

30

16

8

27

- 0,52

0,06

15

M18×1,5

35,0

31

10

32

- 1,00

0,13

M18×2,0

M20×1,5

20

M27×1,5

39,6

35

36

20

12

36

0,22

M27×2,0

25

M30×1,5

50,9

43

44

25

15

46

0,40

M33×2,0

0,42

32

M39×3,0

60,8

52

52

30

17

55

- 1,20

0,69

Таблица 9

Размеры в миллиметрах

Dy

d

D

D2

L

l

h

Размер «под ключ»

Масса, кг

S

пред. откл.

10

G 3/8

29,9

25

30

16

8

27

- 0,52

0,07

15

G 1/2

35,0

31

10

32

- 1,00

0,13

20

G 3/4

39,6

35

36

20

12

36

0,22

25

G 1

50,9

43

44

25

15

46

0,43

32

G 1 1/4

60,8

52

52

30

17

55

- 1,20

0,74

40

G 1 1/2

72,1

62

54

33

65

1,04

50

G 2

83,4

72

58

35

19

75

1,60

Таблица 10

Размеры в миллиметрах

Dy

d

D

L

l1

h

Размер «под ключ»

Масса, кг

S

пред. откл.

8

R 1/4

18,7

22

6,0

7

17

- 0,43

0,03

10

R 3/8

20,9

 

6,4

 

19

- 0,52

0,04

15

R 1/2

26,5

27

8,2

8

24

0,08

20

R 3/4

33,3

30

9,5

10

30

0,13

25

R 1

39,6

34

10,4

36

- 1,00

0,23

40

R 1 1/2

50,9

40

12,7

14

46

0,54

50

R 2

60,8

47

15,9

17

55

- 1,20

0,97

Пример условного обозначения пробки исполнения 1, с резьбой М12×1,5 из стали марки 10Г2:

Пробка 1-М12×1,5-10Г2 ОСТ 26.260.460-99.

Исполнение 4

Рисунок 10

Таблица 11

Размеры в миллиметрах

Диаметр резьбы пробки, d

d1

D

D1

S

H

l

l1

l2

L

Масса, кг

Номин

Пред. откл.

Номин

Пред. откл.

M18×1,5

5

32

26,5

24

- 0,52

10

± 0,29

20

27

7,0

35

0,10

M18×2,0

8,5

M20×1,5

6

7,0

0,11

M27×1,5

12

42

29,9

27

12

± 0,35

22

30

40

0,25

M27×2,0

8,5

M30×1,5

15

48

35,0

32

- 1,00

14

30

36

7,0

50

0,32

M33×2,0

8,5

0,35

Пример условного обозначения пробки исполнения 4 с диаметром резьбы М27х1,5 из стали 20:

Пробка 4-М27×1,5-20 ОСТ 26.260.460-99.

Исполнение 5

Рисунок 11

Примечание - Масса пробки - 0,034 кг.

Пример условного обозначения пробки исполнения 5 из стали Ст3сп3:

Пробка 5-Ст3сп3 ОСТ 26.260.460-99.

3.3. Прокладки по конструкции и размерам должны соответствовать рисунку 12 и таблицам 12, 13.

Рисунок 12

Таблица 12

Размеры в миллиметрах

Dy

D

d

Масса, кг

10

25

13

0,0007

15

31

21

0,0008

20

36

28

25

43

34

0,0010

32

52

40

0,0017

40

62

49

0,0022

50

72

61

Пример условного обозначения прокладки с условным проходом Dу 10 мм из паронита марки ПОН:

Прокладка 10-ПОН ОСТ 26.260.460-99.

Таблица 13

Размеры в миллиметрах

Диаметр резьбы крепежных деталей

d

D

Масса, кг

8

9

18

0,0003

12

13

30

0,0011

18

19

0,0008

20

21

27

28

42

0,0015

30

31

48

0,0021

33

34

0,0018

Пример условного обозначения прокладки с внутренним диаметром d 13 мм, наружным диаметром D 30 мм из паронита марки ПОН:

Прокладка 13×30-ПОН ОСТ 26,260.460-99.

4. ОБЩИЕ ТЕХНИЧЕСКИЕ ТРЕБОВАНИЯ

4.1. Бобышки, пробки и прокладки должны изготавливаться в соответствии с требованиями настоящего стандарта по чертежам, утвержденным в установленном порядке.

4.2. Материал пробок и бобышек должен соответствовать указанным в таблице 14.

Материал пробок и бобышек выбирается в каждом отдельном случае в зависимости от условий эксплуатации и должен соответствовать материалу аппаратов, для которых они предназначены.

Допускается изготовление бобышек и пробок из других марок сталей по нормативно-технической документации.

Пределы применения по температуре и давлению должны соответствовать ОСТ 26291.

4.3 Материал прокладок:

- алюминий марки АД1М ГОСТ 21631;

- паронит марок ПОН, ПМБ, ПМБ-1 ГОСТ 481;

- латунь марки Л63 (мягкая) ГОСТ 2208;

- медь марки M1 ГОСТ 1173;

- сталь марки 08Х18Н10 (мягкая) ГОСТ 4986;

- сталь марки 08Х18Н10Т ГОСТ 5632;

- картон прокладочный ГОСТ 9347;

- резина ГОСТ 7338;

- фторопласт-4 ГОСТ 10007.

4.4. Резьба метрическая по ГОСТ 24705, поле допусков для бобышек - 6Н, для пробок - 6q по ГОСТ 16093.

Резьба трубная цилиндрическая - по ГОСТ 6357, трубная коническая - по ГОСТ 6211.

Размеры сбегов, недорезов, проточек и фасок - по ГОСТ 10549.

4.5. При нарезании резьбы проточку допускается не делать.

4.6. Резьба должна иметь полный, чистый и гладкий профиль. На резьбе не должно быть надорванных или смятых витков, препятствующих навинчиванию проходного калибра.

4.7. Размер d1 принят по ГОСТ 19257, ГОСТ 21348 и ГОСТ 21350.

4.8. Шероховатость наружной поверхности (рисунок 1) допускается выполнять Rа = 25 мкм.

4.9. Неуказанные предельные отклонения размеров - по рабочей документации предприятия-изготовителя.

4.10. Масса бобышек и пробок рассчитана из условия плотности материала 7,85 г/см3, прокладок - 2,0 г/см3.

4.11. Пробное гидравлическое испытание бобышек производится, как правило, совместно с аппаратом и блоком в соответствии с ОСТ 26291.

4.12. Маркировать: условное обозначение без наименования и товарный знак предприятия-изготовителя.

Допускается не маркировать товарный знак предприятия-изготовителя если изделия не являются товарной продукцией.

Маркировку производить способами, принятыми на предприятии-изготовителе.

Таблица 14

Марка стали, обозначение стандарта

Технические требования

Ст3сп3, Ст3пс3, Ст3Гпс3, Ст3сп4, Ст3пс4, Ст3Гпс4 ГОСТ 380

ГОСТ 14637

20К, 16ГС, 09Г2С ГОСТ 5520

ГОСТ 5520

08Х22Н6Т, 08Х21Н6М2Т, 06Х28МДТ, 10Х17Н13М2Т, 10Х17Н13М3Т, 12Х18Н9Т, 12Х18Н10Т ГОСТ 5632

Группа М26, ГОСТ 7350

20ЮЧ ТУ 14-1-4853

ТУ 14-1-4853

Ст3сп3, Ст3пс3, Ст3сп4, Ст3пс4 ГОСТ 380

ГОСТ 535

20 ГОСТ 1050

ГОСТ 1050

10Г2 ГОСТ 4543

ГОСТ 4543

08Х22Н6Т, 08Х21Н6М2Т, 06ХН28МДТ, 10Х17Н13М2Т, 10Х17Н13М3Т, 12Х18Н10Т ГОСТ 5632

ГОСТ 5949

09Г2, 09Г2С ГОСТ 19281

ГОСТ 19281

08Х22Н6Т, 08Х21М2Т, 06ХН28МДТ, 10Х17Н13М2Т. 10Х17Н13М3Т, 12Х18Н9Т, 12Х18Н10Т ГОСТ 5632

Группа IV и Группа VIK, ГОСТ 25054

10Г2 ГОСТ 5453

Группа IV-КП215, ГОСТ 8479

20 ГОСТ 1050

Группа IV-КП215, КП195, ГОСТ 8479

09Г2С ГОСТ 19281

Группа IV-KП245, ГОСТ 8479

Примечание - Категории сталей Ст3, 16ГС, 09Г2С и 20К выбираются в зависимости от условий эксплуатации.

СОДЕРЖАНИЕ

 

 




ГОСТЫ, СТРОИТЕЛЬНЫЕ и ТЕХНИЧЕСКИЕ НОРМАТИВЫ.
Некоммерческая онлайн система, содержащая все Российские Госты, национальные Стандарты и нормативы.
В Системе содержится более 150000 файлов нормативно-технической документации, действующей на территории РФ.
Система предназначена для широкого круга инженерно-технических специалистов.

Рейтинг@Mail.ru Яндекс цитирования

Copyright © www.gostrf.com, 2008 - 2026