Крупнейшая бесплатная информационно-справочная система онлайн доступа к полному собранию технических нормативно-правовых актов РФ. Огромная база технических нормативов (более 150 тысяч документов) и полное собрание национальных стандартов, аутентичное официальной базе Госстандарта. GOSTRF.com - это более 1 Терабайта бесплатной технической информации для всех пользователей интернета. Все электронные копии представленных здесь документов могут распространяться без каких-либо ограничений. Поощряется распространение информации с этого сайта на любых других ресурсах. Каждый человек имеет право на неограниченный доступ к этим документам! Каждый человек имеет право на знание требований, изложенных в данных нормативно-правовых актах!

  


 

КОМПЛЕКС АРХИТЕКТУРЫ, СТРОИТЕЛЬСТВА, РАЗВИТИЯ И РЕКОНСТРУКЦИИ ГОРОДА

ТЕХНИЧЕСКИЙ РЕГЛАМЕНТ

операционного контроля качества строительно-монтажных и специальных работ при возведении зданий и сооружений

МОНТАЖ СБОРНЫХ БЕТОННЫХ И ЖЕЛЕЗОБЕТОННЫХ КОНСТРУКЦИИ ПРИ ВОЗВЕДЕНИИ ПОДЗЕМНОЙ ЧАСТИ ЗДАНИЙ

ТР 94.03.1-99

Москва-2000

Технический регламент операционного контроля качества разработан по 12 видам строительно-монтажных работ, каждый из которых издан отдельным томом:

1. Производство земляных работ (ТР 94.01-99)

2. Устройство оснований и возведение фундаментов (ТР 94.02-99)

3.1. Монтаж сборных бетонных и железобетонных конструкций при возведении подземной части зданий (ТР 94.03.1-99)

3.2. Монтаж сборных железобетонных конструкций при возведении надземной части зданий (ТР 94.03.2-99)

4. Строительство кирпичных зданий (ТР 04.04.-99)

5. Монтаж санитарно-технических систем (ТР 94.05-99)

6. Производство отделочных работ (ТР 94.06-99)

7. Устройство кровель (ТР 94.07-99)

8. Устройство гидроизоляции подземной части зданий (ТР 94.08-99)

9. Теплоизоляция стыковых соединений элементов наружных стеновых панелей (ТР 94.09-99)

10. Герметизация стыков наружных ограждающих конструкций (ТР 94.10-99)

11. Производство малярных и обойных работ (ТР 94.11-99)

12. Благоустройство территорий у строящихся зданий (ТР 94.12-99)

Технический регламент разработан ГУП "НИИМосстрой" (тома ТР 94.02-99, ТР 94.05-99 ... ТР 94.12-99)

- Белоусов Е. Д., д.т.н., профессор, директор; тел. (095) 147-40-02

- Белавин Ф. С., к.т.н., зам. директора по научной работе; тел (095)147-40-03

- совместно с ОАО ПКТИпромстроя: (тома ТР 94.01 -99), ТР 94.03.1-99, ТР 94.03.2-99 и ТР 94.04-99) Едличка С. Ю., к.т.н, генеральный директор; тел. (095) 214-33-28

Шахпаронов В. В., к.т.н., зам. генерального директора по научной части; тел. (095) 214-48-00 Ярымов Ю. А. гл. инженер проекта; тел. (095) 214-36-49

- с участием ГУ "Мосстройлицензия" Емельянов Ю. П., руководитель ГУ.

Технический регламент согласован с АО ХК "Главмосстрой", ОАО "Мосинжстрой", ГУ "Мосстройлицензия", ГУП "Мосстройсертификация" и утвержден Управлением экономической, научно-технической и промышленной политики в строительной отрасли.

СОДЕРЖАНИЕ

1. Общая часть. 2

2. фундаменты стаканного типа. 2

3. Плиты ленточных фундаментов. 6

4. Блоки для стен подвалов. 10

5. Наружные стеновые панели цокольного этажа или технического подполья. 13

6. Внутренние стеновые панели подвального и цокольного этажей. 19

7. колонны.. 24

8. Ригели. 28

9. Плиты перекрытий. 32

10. Конструкции подземной части лифтовых шахт. 37

11. Геодезическое обеспечение разбивки осей здания. 41

12. Обязательные организационно-технологические правила. 45

 

Правительство Москвы

Комплекс архитектуры, строительства, развития и реконструкции города

Технический регламент операционного контроля качества строительно-монтажных и специальных работ при возведении зданий и сооружений

03.1 Монтаж сборных бетонных и железобетонных конструкций при возведении подземной части зданий

ТР 94.03.1-99

1. Общая часть

1.1. Технический регламент устанавливает порядок проведения операционного контроля качества монтажа сборных бетонных и железобетонных конструкций при возведении подземной части жилых и общественных зданий с целью обеспечения нормативных требований к надежности и качеству строительной продукции.

1.2. Регламентом предусматривается проведение операционного контроля качества монтажа сборных фундаментов и плит ленточных фундаментов, бетонных блоков, наружных и внутренних стеновых панелей цокольного этажа, колонн, устанавливаемых в подземной части, плит перекрытий, конструкций подземной части лифтовых шахт, а также геодезического обеспечения возведения подземной части зданий.

1.3. Регламент предназначен для производственного персонала строек, осуществляющего операционный самоконтроль качества строительных работ, специалистов строительных организаций или специальных служб, привлекаемых со стороны, органов Госархстройнадзора, технического надзора заказчика и других городских структур, осуществляющих функции контроля (надзора) за качеством строительного производства.

1.4. Регламент разработан в соответствии с требованиями СНиП 3.03.01-87 "Несущие и ограждающие конструкции", СНиП 3.01.01-85* "Организация строительного производства", СНиП 3.01.03-84 "Геодезические работы в строительстве", предъявляемыми к качеству монтажа сборных бетонных и железобетонных конструкций, а также к организации производственного контроля качества строительных работ, а также действующих ГОСТов.

Разработан:

ГУП "НИИМосстроем" и
ОАО ПКТИпромстрой

Утвержден:

Начальник Управления экономической, научно-технической и промышленной политики в строительной отрасли

А. И. Воронин

Дата введения в действие:

"30" июня 2000 г.

1.5. По каждому конструктивному элементу, включенному в регламент, приводятся:

- контролируемые параметры и средства контроля, величины предельных отклонений при установке элемента в проектное положение, методы и объем контроля, средства измерения;

- регламент операционного контроля, осуществляемого в процессе производственного контроля с перечнем контролируемых операций при входном, операционном и приемочном контроле качества монтажа сборных бетонных и железобетонных конструкций подземной части зданий;

- обязательные организационно-технологические правила, которые необходимо соблюдать при подготовке и проведении строительных работ.

1.6. Настоящий регламент должны использовать строительные и проектные организации, технический надзор заказчика, а также органы лицензирования, сертификации и надзора в части обеспечения качества и надежности строительной продукции.

2. ФУНДАМЕНТЫ СТАКАННОГО ТИПА

2.1 Контролируемые параметры и средства контроля

Рис. 1 Параметры, контролируемые при входном контроле

Рис. 2 Параметры, контролируемые при операционном контроле

Входной контроль

1. Качество сборных железобетонных фундаментов стаканного типа, поставляемых на строительную площадку, должно соответствовать требованиям ГОСТ 13015.0-83 "Конструкции и изделия бетонные и железобетонные сборные" и ГОСТ 24476-80 "Фундаменты железобетонные сборные стаканного типа под колонны общественных зданий".

2. Отклонения фактических размеров фундамента от указанных в рабочих чертежах, не должны превышать размеров, приведенных в таблице 1.

Таблица 1

мм

Наименование отклонения геометрического параметра

Наименование геометрического параметра

Предельные отклонения

Отклонение от линейного размера

длина (ширина)

± 16

высота

± 10

размеры стакана и выступающих частей фундамента

± 5

Отклонение от плоскостности

отклонение от плоскостности подошвы фундамента

± 5

3. На поверхности фундамента не допускаются (рис. 1): раковины диаметром более 15 мм и глубиной более 5 мм; околы бетона ребер глубиной более 10 мм и общей длиной более 100 мм на 1 м ребра; местные наплывы бетона и впадины высотой и глубиной более 5 мм; трещины, за исключением усадочных трещин не более 0,1 мм; обнажение арматуры.

Каждая поставляемая предприятием-изготовителем партия фундаментов, часть партии, группа фундаментов из разных партий или отдельные фундаменты, принимаемые и поставляемые поштучно, должны сопровождаться документом о качестве (сертификат и пр.).

4. В соответствии с ГОСТ 13015.2-81, на боковой грани фундамента должны быть нанесены маркировочные надписи и знаки:

марка фундамента;

товарный знак или краткое наименование предприятия-изготовителя;

штамп технического контроля;

дата изготовления фундамента;

величина массы фундамента;

монтажные знаки.

Потребитель имеет право производить контроль качества конструкции на строительной площадке или в другом согласованном месте по показателям, которые могут быть проверены на готовых конструкциях.

Показатели качества, которые не могут быть проверены на готовых конструкциях, потребитель имеет право проверить по данным журнала ОТК, заводской лаборатории или другой документации завода-изготовителя.

По требованию потребителя завод-изготовитель обязан сообщить ему эти данные в течение 15 суток после получения соответствующего запроса от потребителя.

Операционный контроль

5. Параметры, подлежащие контролю, и необходимые для операционного контроля средства измерений приведены в таблице 2.

Таблица 2

№ п/п

Параметры

Величина предельных отклонений, мм

Метод и объем контроля

Средства измерения

1.

Отклонения от совмещения установочных ориентиров стаканов фундаментов с рисками разбивочных осей

12

измерительный, каждый элемент, геодезическая исполнительная схема

Теодолиты 2Т5К; 2ТЗО;

ГОСТ 10529-96;

линейка 150 ГОСТ 427-75;

линейка 300 ГОСТ 427-75;

метр складной типа МСД-1, МСМ-82

2.

Отклонение отметок опорной поверхности дна стаканов фундаментов от проектной:

 

 

 

- до устройства выравнивающего слоя по дну стакана;

-20

то же

то же

- после устройства выравнивающего слоя по дну стакана.

±5

 

 

3.

Отклонение выравнивающего слоя песка при установке фундаментов

не должно превышать

-15

измерительный

Нивелир ИЗ, НЗК 2Н-10КЛ

ГОСТ 10528-90

Приемочный контроль

6. Приемочный контроль должен включать проверку соответствия предельных отклонений установленных фундаментов стаканного типа требованиям таблицы 2 настоящего "Регламента", а также полноту исполнительной документации и ведения журнала работ.


2.2 Регламент контроля качества монтажа фундаментов стаканного типа.

Вид контроля

Входной

Операционный

Приемочный

 

Наличие и полнота исполнительной документации на выполнение геодезических работ по разбивке осей здания

Наличие и полнота проектной документации

Соответствие положения пунктов геодезической сети плановому

Соответствие параметров и качества фундаментов требованиям ГОСТ

Соответствие вынесенных на дно котлована основных осей здания проекту

Соответствие подготовленного основания требованиям проекта и СНиП

Соответствие отклонений от совмещения установочных ориентиров фундамента с рисками разбивочных осей требованиям СНиП

Соответствие отклонений отметок опорной поверхности дна стакана требованиям СНиП

Соответствие предельных отклонений смонтированных фундаментов требованиям СНиП

Составление исполнительной схемы по результатам геодезической съемки

Фиксация результатов инструментальной проверки в общем журнале работ и полнота исполнительной документации

Объем контроля

Сплошной

Метод контроля

Регистрационный

Инструментальный

Измерительный, визуальный

Инструментальный

Регистрационный

Привлекаемые службы

Геодезическая

Лаборатория

Геодезическая


3. ПЛИТЫ ЛЕНТОЧНЫХ ФУНДАМЕНТОВ.

3.1 Контролируемые параметры и средства контроля

Входной контроль

1. Качество плит железобетонных ленточных фундаментов, поставляемых на строительную площадку, должно соответствовать требованиям ГОСТ 13015.0-83 "Конструкции и изделия бетонные и железобетонные сборные" и ГОСТ 13580-85 "Плиты железобетонные ленточных фундаментов".

2. Значения действительных отклонений геометрических параметров плиты не должны превышать предельных, указанных в таблице 1.

Рис. 1 Параметры, контролируемые при входном контроле

Рис. 2 Параметры, контролируемые при операционном контроле

Рис. 3 Установка маячных фундаментных плит

Таблица 1

мм

Наименование отклонения геометрического параметра

Наименование геометрического параметра

Предельное отклонение

Отклонение от линейных размеров

Длина и ширина плиты: до 1000

±10

св. 1000 до 1600

±12

св. 1600 до 3200

±15

Высота плиты

±10

Размер, определяющий положение монтажной петли над плоскостью плиты

+10; -5

Размер, определяющий положение элементов стальных закладных изделий

 

в плоскости плиты

10

из плоскости плиты

3

Отклонение от прямолинейности

Прямолинейность профиля верхней горизонтальной поверхности плиты в любом сечении на всей длине или

 

ширине до 1000

2,5

св. 1000 до 1600

3,0

св. 1600 до 3200

4,0

На поверхности фундаментных плит не допускается обнажение рабочей и конструктивной арматуры.

В бетоне конструкций, поставляемых потребителю, трещины не допускаются, за исключением поперечных трещин от обжатия бетона, а также усадочных и других поверхностных технологических трещин, ширина которых не должна превышать значений, мм:

0,1 - в конструкциях из тяжелого бетона, подвергаемых попеременному замораживанию и оттаиванию в водонасыщенном состоянии или в условиях эпизодического водонасыщения;

0,2 - в остальных видах конструкций из тяжелого бетона.

На лицевых поверхностях конструкций не допускаются жировые и ржавые пятна.

Открытые поверхности стальных закладных изделий, выпуски арматуры, монтажные петли и строповочные отверстия должны быть очищены от наплывов бетона или раствора.

3. В соответствии с ГОСТ 13580-85 категория бетонной поверхности плиты А7.

Размеры раковин, местных наплывов и впадин на бетонной поверхности и околов бетона ребер плит железобетонных ленточных фундаментов не должны превышать значений, указанных в таблице 2.

Таблица 2

мм

Категория бетонной поверхности

Диаметр или наибольший размер раковин

Высота местного наплыва (выступа) или глубина впадины

Глубина окола бетона на ребре, измеряемая по поверхности конструкции

Суммарная длина окола бетона на 1 м ребра

А7

20

не регламентируется

20

не регламентируется

Примечание: категория бетонной поверхности:

А7 - поверхность, не видимая в условиях эксплуатации.

Каждая поставляемая предприятием-изготовителем партия конструкций, часть партии, группа конструкций из разных партий или отдельные конструкции, принимаемые и поставляемые поштучно, должна сопровождаться документом о качестве (сертификат и т.п.).

Потребитель имеет право производить контроль качества конструкции на строительной площадке или в другом согласованном месте по показателям, которые могут быть проверены на готовых конструкциях.

Показатели качества, которые не могут быть проверены на готовых конструкциях, потребитель имеет право проверить по данным журнала ОТК, заводской лаборатории или другой документации завода-изготовителя.

По требованию потребителя завод-изготовитель обязан сообщить ему эти данные в течение 15 суток после получения соответствующего запроса от потребителя.

Операционный контроль.

4. Параметры, подлежащие контролю, и необходимые для операционного контроля средства измерений приведены в таблице 3.

Таблица 3

Параметры

Величины предельных отклонений, мм

Метод и объем контроля

Средства измерения

Отклонения от совмещения установочных ориентиров фундаментных плит с рисками разбивочных осей

12

измерительный, каждый элемент, геодезическая исполнительная схема

Теодолиты 2Т5К, 2ТЗО ГОСТ 10529-96

линейка 150, 300 ГОСТ 427-75

метр складной типа МСД-1; МСМ-82

Отклонения выравнивающего слоя песка при установке плит фундаментов от проектной отметки

не должны превышать минус 15

измерительный

линейка 150 ГОСТ 427-75

метр складной типа МСД-1: МСМ-82

нивелир 2Н-ЗЛ

Отметка опорных поверхностей фундаментной плиты

минус 25

измерительный, журнал работ

метр складной типа МСД-1; МСМ-82

рулетки измерительные ОПКЗ-30; ОПКЗ-50

нивелир 2Н-ЗЛ; НЗ; НЗК; 2Н-10Л ГОСТ 10528-90

Приемочный контроль

5. Приемочный контроль должен включать проверку соответствия установленной плиты ленточного фундамента требованиям таблицы 3 настоящего "Регламента", контроль качества замоноличивания стыков и швов между плитами, а также полноту исполнительной документации и ведения журнала работ.


3.2 РЕГЛАМЕНТ ОПЕРАЦИОННОГО КОНТРОЛЯ КАЧЕСТВА МОНТАЖА ПЛИТ ЛЕНТОЧНЫХ ФУНДАМЕНТОВ

Вид контроля

Входной

Операционный

Приемочный

Контролируемые операции

Наличие и полнота проектной документации

Наличие и полнота исполнительной документации на выполненные геодезические работы по разбивке осей зданий

Соответствие положения пунктов геодезической сети плановому

Соответствие параметров и качества плит требованиям ГОСТ

Соответствие качества подготовленного основания проекту

Наличие и правильность вынесенных на дно котлована осей здания

Соответствие допускаемых отклонений песчаного основания требованиям проекта и СНиП

Соответствие отклонений от совмещения установочных ориентиров плит с рисками разбивочных осей требованиям СНиП

Соответствие отклонений опорной поверхности плит требованиям СНиП

Соответствие качества замоноличивания стыков требованиям проекта

Соответствие предельных отклонений смонтированных плит требованиям СНиП

Соответствие качества замоноличенных стыков и швов проекту

Наличие и полнота исполнительной схемы по результатам геодезической съемки и полнота исполнительной документации

Объем контроля

Сплошной

Метод контроля

Регистрационный

Инструментальный

Регистрационный

Привлекаемые службы

-

Геодезическая

-

Геодезическая

-

Геодезическая

-

Геодезическая


4. БЛОКИ ДЛЯ СТЕН ПОДВАЛОВ

4.1 Контролируемые параметры и средства контроля.

Рис. 1 параметры, контролируемые при входном контроле

Рис. 2 Параметры, контролируемые при операционном контроле

Входной контроль

1. Качество блоков бетонных для стен подвалов должно соответствовать требованиям ГОСТ 13579-78 "Блоки бетонные для стен подвалов" и ГОСТ 13015.0-83 "Конструкции и изделия бетонные и железобетонные сборные".

2. Отклонение проектных размеров блоков не должны превышать, мм:

по длине ±13

по ширине и высоте ±8

по размерам вырезов ±5

Отклонение от прямолинейности профиля поверхностей блока не должно превышать 3 мм на всю длину и ширину блока.

3. Размеры раковин, местных наплывов и впадин на бетонной поверхности и околов бетона ребер блоков не должны превышать значений, указанных в таблице 1.

Таблица 1

мм

Категория бетонной поверхности

Диаметр или наибольший размер раковин

Высота местного наплыва (выступа) или глубина впадины

Глубина окола бетона на ребре, измеряемая по поверхности блока

Суммарная длина околов бетона на 1 м ребра

А3

4

2

5

50

А5

Не регламентируется

3

10

100

А6

15

5

10

100

А7

20

Не регламентируется

20

Не регламентируется

Примечание: ГОСТ 13579-78 устанавливает следующие категории бетонной поверхности блоков:

АЗ - лицевой, предназначенной под окраску;

А5 - лицевой, предназначенной под отделку керамическими плитками, укладываемыми по слою раствора;

А6 - лицевой неотделываемой;

А7 - нелицевой, невидимой в условиях эксплуатации.

На поверхности блоков не допускается обнажение конструктивной арматуры.

В бетоне блоков не допускаются трещины за исключением местных, поверхностных, усадочных, ширина которых не должна превышать 0,1 мм в блоках из тяжелого и плотного силикатного бетона и 0,2 мм в блоках из керамзитобетона. Монтажные петли должны быть очищены от наплывов бетона.

4. Каждая поставляемая предприятием-изготовителем партия блоков, часть партии, группа блоков из разных партий или отдельные блоки, принимаемые и поставляемые поштучно, должны сопровождаться документом о качестве (сертификат и др.).

5. На боковой поверхности блока наносятся маркировочные надписи (основные и информационные) и знаки (ГОСТ 13015.2-81).

6. Потребитель имеет право производить контроль качества блоков на строительной площадке или в другом согласованном месте, по показателям, которые могут быть проверены на готовых конструкциях, применяя при этом правила приемки, установленные стандартом или техническими условиями на блоки данного вида.

Показатели качества, которые не могут быть проверены на готовых блоках, потребитель имеет право проверить по данным журналов ОТК, заводской лаборатории или другой документации завода-изготовителя.

По требованию потребителя завод-изготовитель обязан сообщить ему эти данные в течение 15 суток после получения соответствующего запроса от потребителя.

Операционный контроль

7. Параметры, подлежащие контролю, и необходимые для операционного контроля средства измерения приведены в таблице 2.

Таблица 2

Параметры

Величина предельных отклонений, мм

Метод и объем контроля

Средства измерения

Отклонения от совмещения установочных ориентиров стаканов фундаментов с рисками разбивочных осей

12

Измерительный, журнал работ.

Теодолиты ЗТ5КП

ГОСТ 10529-96

Линейка 150, 300 ГОСТ 427-75

Метр складной типа МСД-1; МСМ-82

Отметка опорных поверхностей фундамента

минус 25

Измерительный, каждый элемент, геодезическая исполнительная схема.

Нивелир 2Н-ЗЛ ГОСТ 10528-90

Метр складной типа МСД-1; МСМ-82

Рулетка ОПКЗ-30

Подвижность раствора

5-7 см по глубине погружения стандартного конуса

Измерительный

Конус стандартный для определения пластичности бетонной смеси КА;

Конус СтройЦНИЛ ПГР ГОСТ 25552-82

Приемочный контроль

8. Приемочный контроль должен включать проверку соответствия предельных отклонений установленного блока требованиям таблицы 2 настоящего "Регламента", контроль качества заполнения швов между блоками, а также полноту исполнительной документации и ведения журнала работ.


4.2 РЕГЛАМЕНТ ОПЕРАЦИОННОГО КОНТРОЛЯ КАЧЕСТВА МОНТАЖА БЛОКОВ ДЛЯ СТЕН ПОДВАЛОВ

Виды контроля

Входной

Операционный

Приемочный

Контролируемые операции

Наличие и полнота проектной документации.

Наличие и полнота исполнительной документации на выполненные геодезические работы по разбивке осей здания

Соответствие положения пунктов геодезической сети проекту.

Соответствие параметров и качества блоков требованиям ГОСТ

Наличие маркировочных надписей и знаков.

Соответствие планового и высотного положения фундаментных плит проекту.

Соответствие проекту марки раствора и его качества.

Соответствие качества постели из раствора требованиям проекта.

Соответствие отклонений от совмещения установочных ориентиров с рисками разбивочных осей требованиям СНиП.

Соответствие отклонений отметок поверхностей соседних блоков требованиям СНиП.

Наличие перевязки блоков при их укладке и качество замоноличивания швов

Соответствие предельных отклонений смонтированных блоков требованиям СНиП.

Наличие исполнительной схемы по результатам геодезической съемки.

Соответствие качества замоноличенных стыков требованиям проекта.

Фиксация в общем журнале работ результатов инструментальной проверки и полнота исполнительной документации

Объем контроля

Сплошной

Метод контроля

Регистрационный

Инструментальный

Регистрационный

Регистрационный

Инструментальный

Измерительный

Измерительный

Измерительный

Регистрационный

Привлекаемые службы

-

Геодезическая

-

Геодезическая

-

Геодезическая


5. НАРУЖНЫЕ СТЕНОВЫЕ ПАНЕЛИ ЦОКОЛЬНОГО ЭТАЖА ИЛИ ТЕХНИЧЕСКОГО ПОДПОЛЬЯ

5.1 Контролируемые параметры и средства контроля

Входной контроль

1. Качество бетонных и железобетонных наружных стеновых панелей для цокольного этажа и технического подполья должно соответствовать требованиям ГОСТ 11024-84* и ГОСТ 13015.0-83.

2. Значения действительных отклонений геометрических параметров панелей не должны превышать предельных, указанных в таблицах 1, 2

Рис. 1 Параметры, контролируемые при входном контроле

Рис. 2 Параметры, контролируемые при операционном контроле

Таблица 1

мм

Наименование отклонения геометрического параметра

Наименование геометрического параметра

Предельное отклонение

1

2

3

Отклонение от линейного размера

Длина и высота панели:

 

до 500

±2,0

св. 500 до 1000

±2,5

св. 1000 до 1600

±3,0

св. 1600 до 2500

±4,0

св. 2500 до 4000

±5,0

св. 4000 до 8000

±6,0

св. 8000

±8,0

Толщина панели:

 

до 250

±4,0

св. 250 до 500

±5,0

Размеры гнезд для распаячных коробок, выключателей и штепсельных розеток, поперечного сечения каналов и борозд для электропроводки

0; +2,0

Размер, определяющий положение элементов стальных закладных изделий, расположенных в соответствии с проектной документацией на одном уровне с поверхностью бетона и не служащих фиксаторами при монтаже:

 

в плоскости панели:

5,0

для элементов закладных изделий размером в этой плоскости до 100 мм

10,0

для элементов закладных изделий размером в этой плоскости свыше 100 мм

 

из плоскости панели

3,0

Размер, определяющий положение стальных закладных изделий, служащих фиксаторами при монтаже

3,0

Отклонение от прямолинейности

Прямолинейность профиля лицевых поверхностей панели, ее опорных граней и участков торцовых граней, образующих часть стыков, в любом сечении:

 

на участках длиной 1 м

2,0

на всей длине панели длиной: до 2500

4,0

св. 2500 до 4000

5,0

св. 4000 до 8000

6,0

св. 8000

8,0

Отклонение от плоскостности

Плоскостность лицевой поверхности панели при измерениях от условной плоскости, проходящей через три угловых точки поверхности панели при наибольшем размере (длине или высоте):

 

до 2500

6,0

св. 2500 до 4000

8.0

св. 4000 до 8000

10,0

св. 8000

12,0

Отклонение от равенства диагоналей

Разность длин диагоналей лицевых поверхностей панели (для панелей и проемов, имеющих форму прямоугольника) при наибольшем размере (длине или высоте):

 

до 4000

8,0

св. 4000 до 8000

10,0

св. 8000

12,0

Отклонение от перпендикулярности

Перпендикулярность смежных торцовых граней (для панелей и проемов прямоугольной формы) на участках длиной:

 

400

2,0

1000

2,5

Таблица 2

мм

 

Величина размера

до 20

св. 20 до 60

св. 60 до 120

св. 120 до 250

св. 250 до 500

св. 500 до 1000

св. 1000 до 1600

св. 1600 до 2500

св. 2500 до 4000

Отклонения от линейного размера: Размеры проемов, вырезов, выступов и углублений, в т.ч. вырезов и углублений для образования шпоночного соединения после замоноличивания стыков, выступов для упора уплотнительных прокладок и герметиков, пазов для установки водоотбойного элемента

±1,2

±1,5

±2,0

±2,5

±3,0

±4,0

±5,0

±6,0

±8,0

Размер, определяющий положение проемов, вырезов, выступов и углублений, в т.ч. вырезов и углублений для образования шпоночного соединения после замоноличивания стыков, выступов для упора уплотнительных прокладок и герметиков, пазов для установки водоотбойного элемента, а также гнезд для распаячных коробок, выключателей и штепсельных розеток, каналов и борозд для электропроводки

1,2

1,5

2,0

2,5

3,0

4,0

5,0

6,0

8,0

3. Значения действительных отклонений размеров и положений выпусков арматуры панелей не должны превышать предельных, указанных в проектной документации.

Открытые поверхности стальных закладных изделий, выпуски арматуры, монтажные петли и строповочные отверстия должны быть очищены от наплывов бетона и раствора.

Наличие на панелях отслоившихся облицовочных плиток не допускается. Качество швов между облицовочными плитками должно соответствовать установленному эталону отделки панели (или ее фрагмента).

4. Категории бетонных (растворных) поверхностей панелей должны соответствовать установленным техническим условиям на панели конкретных видов. В случае если в технических условиях не установлены категории поверхностей, то их следует принимать (кроме поверхностей, отделываемых в процессе изготовления) по категориям А2; А3; А4; А5; А6; А7.

При этом размеры раковин, местных наплывов и впадин на бетонной поверхности и околов бетона ребер панели не должны превышать значений, указанных в таблице 3.

Таблица 3

мм

Категория бетонной поверхности панели

Диаметр или наибольший размер раковин

Высота местного наплыва (выступа) или глубина впадины

Глубина окола бетона на ребре, измеряемая по поверхности панели

Суммарная длина околов бетона на 1м ребра

А2

1

1

5

50

А3

4

2

5

50

А4

10

1

5

50

А5

Не регламентируется

3

10

100

А6

15

5

10

100

А7

20

Не регламентируется

20

200

Примечание: основное назначение поверхности панелей в зависимости от категории бетонной поверхности:

А2 - лицевые наружные и внутренние поверхности полной заводской готовности, а также лицевые внутренние поверхности, подготовленные под окраску без шпатлевания их на строительной площадке;

А3 - лицевые наружные поверхности, подготовленные под окраску без шпатлевания их на строительной площадке, а также лицевые внутренние поверхности, подготовленные под окраску со шпатлеванием на строительной площадке;

А4 - лицевые поверхности, подготовленные под оклейку обоями и другими рулонными и листовыми материалами толщиной до 1 мм, а также под облицовку плитками на мастике (без растворного слоя);

А5 - лицевые поверхности, подготовленные под облицовку керамическими, стеклянными и другими плитками по слою раствора;

А6 - лицевые неотделываемые поверхности;

А7 - нелицевые поверхности, невидимые в условиях эксплуатации.

На участках поверхностей панелей, предназначенных для образования герметизирующих зон в стыках и устройства оклеечной воздухоизоляции, не допускаются:

раковины диаметром более 3 мм и глубиной более 2 мм;

местные наплывы и впадины высотой (глубиной) более 2 мм;

околы бетона ребер глубиной боле 2 мм и длиной более 30 мм на 1 м ребра.

В бетоне и растворе панелей, поставляемых потребителю, не должно быть трещин, за исключением местных поверхностных, усадочных и других технологических трещин шириной не более, мм:

0,15 - на участках, где согласно проектной документации требуется контролировать ширину раскрытия трещин при испытании панели нагруженном;

0,2 - в остальных случаях.

5. Каждая поставляемая предприятием-изготовителем партия панелей, часть партии, группа панелей из разных партий или отдельные панели, принимаемые и поставляемые поштучно, должны сопровождаться документом о качестве (ГОСТ 13015.3-81) (сертификат и т.д.).

6. Маркировочные надписи наносятся на нелицевой торцовой вертикальной грани панели. Допускается наносить маркировочные надписи на лицевой поверхности панели вблизи ее торцовой вертикальной грани краской.

7. Потребитель имеет право производить контроль качества панели на строительной площадке или в другом согласованном месте по показателям, которые могут быть проверены на готовых панелях, применяя при этом правила приемки, установленные ГОСТ 13015.1-81 и ГОСТ 11024-84,

Показатели качества, которые не могут быть проверены на готовых панелях, потребитель имеет право проверить по данным журналов ОТК, заводской лаборатории или другой документации завода-изготовителя.

По требованию потребителя завод-изготовитель обязан сообщить ему эти данные в течение 15 суток после получения соответствующего запроса от потребителя.

В случаях, когда панели не приняты потребителем вследствие обнаружения дефектов, которые могут быть устранены (например, жировые или ржавые пятна на лицевых поверхностях панелей), изготовитель имеет право представить эти панели к повторной приемке после устранения им вышеуказанных дефектов.

Операционный контроль

8. Параметры, подлежащие контролю, и необходимые для операционного контроля средства измерения приведены в таблице 4.

Таблица 4

Параметры

Величина предельных отклонений, мм

Метод и объем контроля

Средства измерения

1

2

3

4

Подвижность раствора, применяемого при монтаже панелей для устройства постели

5-7 см по глубине погружения стандартного конуса

Измерительный

Конус стандартный для определения пластичности бетонной смеси "КА" Конус СтройЦНИЛ ПГР

ГОСТ 25557-82

Отклонения от совмещения ориентиров (рисок геометрических осей, граней) в нижнем сечении установленных элементов с установочными ориентирами (рисками геометрических осей или гранями нижележащих элементов, рисками разбивочных осей):

 

Измерительный, каждый элемент, геодезическая исполнительная схема.

Теодолит 2Т5К; 2ТЗО ГОСТ 10529-96

панелей несущих стен

8

Линейка 150; 300 ГОСТ 427-75

панелей навесных стен

10

Измерительный, каждый элемент, журнал работ

Метр складной типа МСМ-82

Разность отметок верха стеновых панелей каркасных зданий в пределах выверяемого участка при контактной установке

12+2n

где n - число установленных по высоте панелей

Измерительный, каждый элемент, геодезическая исполнительная схема.

Нивелир НЗ; НЗК; 2Н-10Л

ГОСТ 10528-90

установке по маякам

10

 

 

Отклонения от вертикали верха плоскостей;

 

Измерительный, каждый элемент, геодезическая исполнительная схема.

Измерительный, каждый элемент, журнал работ

Теодолит 2Т5К; 2ТЗО ГОСТ 10529-96

Отвесы ОТ100; ОТ200; ОТ400; ОТ600 ГОСТ 7948-80

Рейка отвес

панелей несущих стен

10

навесных стеновых панелей

12

Отклонения отметок маяков относительно монтажного горизонта

±5

Измерительный

Нивелир НЗ; НЗК; 2Н-10Л ГОСТ 10528-90

Качество растворной постели

Полнота и непрерывность слоя раствора по всей площади опирания панели

Визуальный

 

Качество заполнения стыков

Стыки должны быть заполнены на всю высоту панели с тщательным уплотнением

Визуальный

 

Приемочный контроль

9. Приемочный контроль должен включать проверку соответствия предельных отклонений установленной панели требованиям таблицы 4 настоящего "Регламента", контроль качества сварных соединений, антикоррозионного покрытия и замоноличивания стыков в соответствии с СНиП 3.03.01-87 "Несущие и ограждающие конструкции", а также полноту исполнительной документации и ведения журнала работ.


5.2 РЕГЛАМЕНТ ОПЕРАЦИОННОГО КОНТРОЛЯ КАЧЕСТВА МОНТАЖА НАРУЖНЫХ СТЕНОВЫХ ПАНЕЛЕЙ ЦОКОЛЬНОГО ЭТАЖА ИЛИ ТЕХНИЧЕСКОГО ПОДПОЛЬЯ

Вид контроля

Входной

Операционный

Приемочный

Контролируемые операции

Наличие и полнота проектной документации

Наличие маркировки

Наличие и полнота исполнительной документации на выполнение геодезической работы по разбивке осей здания

Соответствие марки и качества раствора проекту

Соответствие плановых и высотных отметок фундаментов проекту

Наличие установочных ориентиров на монтажном горизонте

Соответствие положения пунктов геодезической сети проектному

Соответствие параметров и качества панелей требованиям ГОСТ.

Соответствие отклонений от совмещения ориентиров в нижнем сечении установленной панели с установочными ориентирами

Соответствие отклонений от вертикали верха плоскостей панели

Соответствие отклонений отметок маяков относительно монтажного горизонта

Соответствие качества замоноличивания швов раствором

Соответствие качества соединений в узлах сопряжения требованиям проекта

Соответствие предельных отклонений установленной панели требованиям СНиП

Составление исполнительной схемы по результатам геодезической съемки

Контроль качества стыков требованиям СНиП

Фиксация результатов инструментальной проверки в журнале работ и полнота исполнительной документации

Объем контроля

Сплошной

Метод контроля

Регистрационный

Инструментальный

Регистрационный

Инструментальный Регистрационный

Инструментальный

Регистрационный

Привлекаемые службы

-

Геодезическая

-

Геодезическая

-

Лаборатория

-

-


6. ВНУТРЕННИЕ СТЕНОВЫЕ ПАНЕЛИ ПОДВАЛЬНОГО И ЦОКОЛЬНОГО ЭТАЖЕЙ

6.1 Контролируемые параметры и средства контроля

Входной контроль

1. Качество бетонных и железобетонных стеновых внутренних панелей для подвального и цокольного этажей или технического подполья, поставляемых на строительную площадку, должно соответствовать требованиям ГОСТ 12504-80 "Панели стеновые внутренние бетонные и железобетонные для жилых и общественных зданий" и ГОСТ 13015.0-83 "Конструкции и изделия бетонные и железобетонные сборные".

2. Отклонения фактических размеров панелей от номинальных, приведенных в рабочих чертежах, не должно превышать величин, указанных в таблице 1.

Рис. 1 Параметры, контролируемые при входном контроле

Рис. 2 Параметры, контролируемые при операционном контроле

Таблица 1

мм

Наименование отклонения геометрического параметра

Наименование геометрического параметра

Предельное отклонение

1

2

3

Отклонение от линейного размера

Длина панели до 2500

±6

св. 2500 до 4000

±8

Св. 4000 до 8000

±10

Высота, при номинальной длине панели

 

до 2500

±5

св. 2500 до 4000

±5

св. 4000 до 8000

±6

Толщина панели, при номинальной толщине до 100

±3

св.100

±5

 

Размеры проемов, вырезов и выпусков

±5

Размеры гнезд и отверстий для ответвительных коробок, выключателей и штепсельных розеток

+2

Номинальное положение проемов, вырезов и выступов

10

Номинальное положение гнезд и отверстий для ответвительных коробок, выключателей и штепсельных розеток

20

Разность длин диагоналей лицевых плоскостей панелей прямоугольной формы

 

при номинальной длине панели до 2500

10

св. 2500 до 4000

13

св. 4000 до 8000

16

Разность длин диагоналей проемов прямоугольной формы

10

Номинальное положение элементов стальных закладных изделий, расположенных в соответствии с проектом на одном уровне с поверхностью бетона и не служащих фиксаторами при монтаже:

 

в плоскости панели:

 

для элементов закладных изделий размером в этой плоскости до 100 мм;

5

для элементов закладных изделий размером в этой плоскости свыше 100 мм

10

из плоскости панели

5

Отклонение от номинального положения стальных закладных изделий, служащих фиксаторами при монтаже

3

 

Отклонения от номинальных размеров положения выпусков арматуры

не должны превышать величин, указанных в рабочих чертежах

Отклонение от прямолинейности профиля лицевых поверхностей и опорных граней панелей в любом сечении

На участках длиной 1600

3

На всей длине панели длиной: до 2500

3

св. 2500 до 4000

5

св. 4000 до 8000

8

1

Отклонение от плоскостности

Для панелей до 4000

8

св.4000

13

3. Качество поверхностей и внешний вид панелей должны удовлетворять требованиям, установленным для категорий (кроме поверхностей, отделываемых в процессе изготовления): А4 и А7. По согласованию между изготовителем и потребителем могут быть установлены вместо указанных следующие категории поверхностей: А2; А3; А5; А6.

При этом размеры раковин, местных наплывов и впадин на бетонной поверхности и околов бетона ребер не должны превышать значений, приведенных в таблице 2.

Таблица 2

мм

Категория бетонной поверхности панели

Диаметр или наибольший размер раковин

Высота местного наплыва (выступа) или глубина впадины

Глубина окола бетона на ребре, измеряемая по поверхности панели

Суммарная длина околов бетона на 1м ребра

А4

10

1

5

50

А7

20

Не регламентируется

20

Не регламентируется

А2

1

1

5

50

А3

4

2

5

50

А5

Не регламентируется

3

10

100

А6

15

5

10

100

Примечание: ГОСТ 12504-80 устанавливает требования для панелей:

А4 - лицевые;

А7 - боковые, невидимые в условиях эксплуатации;

А2 и А3 - лицевые, подготовленные под окраску;

А5 - лицевые, подготовленные под облицовку керамическими и другими плитками по слою раствора;

А6 - лицевые, к которым не предъявляется требование по качеству отделки. На лицевой поверхности панелей не допускаются жировые и ржавые пятна.

В бетоне панелей, поставляемых потребителю, не должно быть трещин, за исключением местных, поверхностных усадочных и других технологических трещин шириной не более 0,2 мм, а в панелях высшей категории качества - не более 0,1 мм

Открытые поверхности стальных закладных изделий, выпуски арматуры и монтажные петли не должны иметь наплывов бетона.

4. Каждая поставляемая предприятием-изготовителем партия панелей, часть партии, группа панелей из разных партий или отдельные панели, принимаемые и поставляемые поштучно, должны сопровождаться документом о качестве (сертификат и др.).

5. На торцевой вертикальной грани каждой панели, поставляемой потребителю, должны быть нанесены несмываемой краской при помощи трафарета или штампа следующие маркировочные знаки:

товарный знак предприятия-изготовителя или его краткое наименование;

марка панели;

дата изготовления панели;

штамп технического контроля;

номинальная масса панели из тяжелого бетона и бетона на пористых заполнителях или номинальная отпускная масса панели из силикатного и ячеистого бетонов;

монтажные знаки.

Допускается наносить маркировочные знаки на лицевую поверхность панели вблизи ее торцевой вертикальной грани краской, не снижающей качество последующей отделки панелей.

Потребитель имеет право проводить входной контроль качества панелей на строительной площадке, применяя при этом правила приемки и методы отбора образцов для контроля, установленные ГОСТ 12504-80.

Допускается по соглашению потребителя с изготовителем проводить приемку панелей на предприятии-изготовителе или в другом согласованном месте.

Показатели качества, которые не могут быть проверены на готовых панелях, потребитель имеет право проверить по данным журналов ОТК, заводской лаборатории или другой документации завода-изготовителя.

По требованию потребителя завод-изготовитель обязан сообщить ему эти данные в течение 15 суток после получения соответствующего запроса от потребителя.

Операционный контроль

7. Параметры, подлежащие контролю, и необходимые для операционного контроля средства измерений приведены в таблице 3.

Таблица 3

Параметры

Величина предельных отклонений, мм

Метод и объем контроля

Средства измерения

1

2

3

4

Подвижность раствора, применяемого при монтаже панелей для устройства постели

5-7 см по глубине погружения стандартного конуса

Измерительный

Конус стандартный для определения пластичности бетонной смеси "КА" Конус СтройЦНИЛ ПГР ГОСТ 25557-82

Отклонение от совмещения ориентиров (рисок геометрических осей, граней) в нижнем сечении установленных панелей с установочными ориентирами (рисками геометрических осей или гранями нижележащих элементов, рисками разбивочных осей)

8

Измерительный, каждый элемент, геодезическая исполнительная схема

Теодолит 2Т5К; 2ТЗО ГОСТ 10529-96

Линейка 150; 300 ГОСТ 427-75

Метр складной типа МСД-1; МСМ-82

Отклонения от вертикали верха плоскостей: несущих стен

10

Измерительный, каждый элемент, геодезическая исполнительная схема

Теодолит 2Т5К; 2ТЗО ГОСТ 10529-96

Отвесы ОТ100; ОТ200; ОТ400; ОТ600 ГОСТ 7948-80

перегородок

12

Измерительный, каждый элемент, журнал работ

 

Отклонения отметок маяков относительно монтажного горизонта

±5

Измерительный

Нивелир ИЗ; НЗК; 2Н-10КЛ ГОСТ 10528-90

Качество растворной постели

Полнота и непрерывность слоя раствора по всей площади опирания

Визуальный

 

Качество заполнения швов в стыках

Полнота заполнения на всю высоту напели с тщательным уплотнением

Визуальный

 

Приемочный контроль

7. Приемочный контроль должен включать проверку соответствия предельных отклонений установленной панели требованиям таблицы 3 настоящего "Регламента", контроль качества сварных соединений, антикоррозионного покрытия и замоноличивания стыков требованиям СНиП 3.03.01-87 "Несущие и ограждающие конструкции", а также полноту исполнительной документации и ведения журнала работ.


6.2 РЕГЛАМЕНТ ОПЕРАЦИОННОГО КОНТРОЛЯ КАЧЕСТВА МОНТАЖА ВНУТРЕННИХ СТЕНОВЫХ ПАНЕЛЕЙ ПОДВАЛЬНОГО И ЦОКОЛЬНОГО ЭТАЖЕЙ

Вид контроля

Входной

Операционный

Приемочный

Контролируемые операции

Наличие и полнота проектной документации

Наличие маркировки

Наличие и полнота исполнительной документации на выполнение геодезической работы по разбивке осей здания

Соответствие плановых и высотных отметок фундаментов проекту

Наличие установочных ориентиров на монтажном горизонте

Соответствие положения пунктов геодезической сети проектному

Соответствие марки и качества раствора проекту

Соответствие параметров и качества панелей требованиям ГОСТ

Соответствие отклонений от совмещения ориентиров в нижнем сечении установленной панели с установочными ориентирами требованиям СНиП

Соответствие отклонений вертикали верха плоскостей панели требованиям СНиП

Соответствие отклонений отметок маяков относительно монтажного горизонта требованиям СНиП

Соответствие качества замоноличивания швов раствором проекту

Соответствие качества соединений в узлах сопряжения требованиям проекта

Соответствие предельных отклонений установленной панели требованиям СНиП

Наличие исполнительной схемы по результатам геодезической съемки

Соответствие качества швов требованиям СНиП

Фиксация результатов инструментальной проверки в журнале работ и полнота исполнительной документации

Объем контроля

Сплошной

Метод контроля

Регистрационный

Инструментальный

Регистрационный

Инструментальный регистрационный

Инструментальный

Регистрационный

Привлекаемые службы

-

Геодезическая

-

Геодезическая

-

Лаборатория

-

-


7 КОЛОННЫ

7.1 Контролируемые параметры и средства контроля.

Входной контроль

1. Качество колонн железобетонных сборных в подземной части зданий должно соответствовать требованиям ГОСТ 18979-90 "Колонны железобетонные для многоэтажных зданий" и ГОСТ 13015.0-83 "Конструкции и изделия бетонные или железобетонные сборные".

2. Значения действительных отклонений геометрических размеров колонн не должны превышать предельных, указанных в таблице 1.

Рис. 1 Установочные ориентиры проектного понижения колонн

1 -     наблюдательные шкалы на гранях колонны

2 -     теодолит

3, 4 - осевой знак

5, 6 - разбивочная (установочная) ось

7, 8 - риски на гранях колонных, фиксирующие геометрическую ось колонны в нижнем и верхнем ее сечении

9 -     проектирующий визирный луч теодолит

Рис. 2 Геологический контроль вертикальности колонн с помощью теодолитов

Таблица 1

мм

Наименование отклонения геометрического параметра

Наименование геометрического параметра

Предельное отклонение

1

2

3

Отклонение от линейного размера

Длина колонны, размер от нижнего торца колонны до опорной плоскости колонны, размер между опорными плоскостями консолей при номинальном размере:

 

до 4000

±8

св. 4000 до 8000

±10

св. 8000 до 16000

±12

Размер поперечного сечения колонны, размер консоли: до 250

±4

св. 250 до 500

±5

св.500

±6

Размер, определяющий положение: строповочного отверстия или монтажной петли;

15

закладного изделия на плоскости колонны;

10

несовпадение плоскостей колонны и элемента закладного изделия.

5

Отклонение от прямолинейности боковых граней колонны по всей их длине:

до 4000

8

св. 4000 до 8000

10

св.8000 до 16000

12

Отклонение от перпендикулярности торцевой и боковой граней колонны при размере ее поперечного сечения:

400; 500

5

600

6

Значение действительных отклонений размеров и положения выпусков арматуры и центрирующих прокладок не должно превышать ±3 мм.

На поверхности колонн не допускается обнажение рабочей и конструктивной арматуры, за исключением арматурных выпусков и концов напрягаемой арматуры, выступающих за торцевые поверхности не более чем на 10 мм (кроме случаев, оговоренных в стандартах или технических условиях на колонну конкретного вида.)

3. Качество бетонных поверхностей колонн должно удовлетворять требованиям для категорий: А3 - боковых лицевых, А7 - нелицевых, невидимых в условиях эксплуатации.

Размеры раковин, местных наплывов и впадин на бетонной поверхности и околов ребер колонн не должны превышать значений, указанных в таблице 2

Таблица 2

мм

Категория бетонной поверхности колонн

Диаметр или наибольший размер раковины

Высота местного наплыва (выступа) или глубина впадины

Глубина окола бетона на ребре, измеряемая по поверхности колонны

Суммарная длина окола бетона на 1 м ребра

А3

4

2

5

50

А7

20

не регламентируется

20

не регламентируется

4. Поставляемые предприятием-изготовителем партия колонн, группа колонн из разных партий или отдельные колонны, должны сопровождаться документом о качестве (сертификаты и др.).

5. На боковых гранях колонн должны быть нанесены установочные риски в бетоне или в закладных изделиях в виде канавок или несмываемой краской, определяющие разбивочные оси здания.

6. Потребитель имеет право производить контроль качества колонн на строительной площадке или в другом согласованном месте по показателям, которые могут быть проверены на готовых колоннах, применяя при этом правила приемки, установленные ГОСТ 13015.1-81 и ГОСТ 18979-90.

Показатели качества, которые не могут быть проверены на готовых конструкциях, потребитель имеет право проверить по данным журналов ОТК, заводской лаборатории или другой документации завода-изготовителя.

По требованию потребителя завод-изготовитель обязан сообщить ему эти данные в течение 15 суток после получения соответствующего запроса от потребителя.

Операционный контроль

7. Параметры, подлежащие контролю, и необходимые для операционного контроля средства измерения приведены в таблице 3.

Таблица 3

Параметры

Величина предельных отклонений, мм

Метод и объем контроля

Средства измерения

1

2

3

4

Отклонение от совмещения ориентиров (рисок геометрических осей, граней) в нижнем сечении установленных колонн с установочными ориентирами (рисками геометрических осей)

8

Измерительный,

каждый элемент, геодезическая исполнительная схема

Теодолит 2Т5К; 2ТЗО ГОСТ 10529-96

Линейка 150; 300 ГОСТ 427-75

Метр складной типа МСД-1; МСМ-82

Качество заполнения швов в стыках Отклонение от совмещения ориентиров (рисок геометрических осей) в верхнем сечении колонн с рисками разбивочных осей при длине колонн, м:

 

измерительный, каждый элемент, геодезическая исполнительная схема

Теодолит 2Т5К, 2ТЗО ГОСТ 10529-96

Линейка 150, 300 ГОСТ 427-75

Метр складной типа МСД-1; МСМ-82

до 4

12

 

 

св. 4 до 8

15

 

 

св. 8 до 16

20

 

 

св. 16 до 25

25

 

 

Разность отметок верха колонн первого яруса многоэтажного здания при

 

измерительный, каждый элемент, геодезическая исполнительная схема

Теодолит 2Т5К, 2ТЗО ГОСТ 10529-96

Линейка 150, 300

контактной установке

12+2n

ГОСТ 427-75

Метр складной типа МСД-1; МСМ-82

установке по маякам.

10

где n - порядковый номер яруса колонн

 

 

Приемочный контроль

8. Приемочный контроль должен включать проверку соответствия предельных отклонений установленной колонны требованиям таблицы 3 настоящего "Регламента", контроль качества стыка колонн со стаканом фундамента, а также полноту исполнительной документации.


7.2 РЕГЛАМЕНТ ОПЕРАЦИОННОГО КОНТРОЛЯ КАЧЕСТВА МОНТАЖА КОЛОНН.

Вид контроля

Входной

Операционный

Приемочный

Контролируемые операции

Наличие и полнота проектной документации

Наличие и полнота исполнительной документации на выполненные работы по устройству фундаментов

Соответствие параметров и качества колонн требованиям ГОСТ

Соответствие марки и качества раствора для замоноличивания стыков колонн со стаканом фундамента проекту

Соответствие параметров и качества стаканов фундамента требованиям ГОСТ и проекта

Соответствие плановых и высотных положений фундаментов проекту

Соответствие отклонений от совмещения ориентиров в нижнем сечении установленных колонн с установочными ориентирами требованиям СНиП

Соответствие разности отметок верха колонн требованиям СНиП

Соответствие предельных отклонений смонтированных колонн требованиям СНиП

Наличие качественного стыка колонн со стаканом фундамента

Наличие исполнительной схемы по результатам геодезической съемки и полнота исполнительной документации

Объем контроля

Сплошной

Метод контроля

Регистрационный

Измерительный регистрационный

Инструментальный

Регистрационный

Привлекаемые службы

-

Лаборатория

Геодезическая

-

Геодезическая


8. РИГЕЛИ

8.1 Контролируемые параметры и средства контроля.

Рис. 1

Параметры, контролируемые при входном контроле

Рис. 2

Параметры, контролируемые при операционном контроле

Входной контроль

1. Качество железобетонных ригелей для каркасов многоэтажных общественных зданий, поставляемых на строительную площадку, должно соответствовать требованиям ГОСТ 18980-90 "Ригели железобетонные для многоэтажных зданий" и ГОСТ 13015.0-83 "Конструкции и изделия бетонные и железобетонные сборные".

2. Значения действительных отклонений геометрических параметров ригелей не должны превышать предельных, указанных в таблице 1.

Таблица 1

мм

Наименование отклонения геометрического параметра

Наименование геометрического параметра

Предельное отклонение

1

2

3

Отклонение от линейного размера

Длина ригеля:

 

до 4000

±5

св. 4000 до 8000

±6

св. 8000

±8

Размер поперечного сечения ригеля:

 

до 250

±4

св. 250 до 500

±5

си. 500

±6

Размер, определяющий положение:

строповочного отверстия или монтажной петли;

15

закладного изделия на плоскости ригеля:

 

Опорного

5

Дополнительного

10

 

несовпадение плоскостей ригеля и элемента закладного изделия.

5

Отклонение от прямолинейности боковых граней ригеля по всей их дайне

Длина боковых граней ригеля до 4000

5

св. 4000 до 8000

6

св. 8000

8

Отклонение от плоскостности опорной части ригеля:

-

3

3. Качество бетонных поверхностей ригелей должно удовлетворять требованиям, установленным для категорий А2, А3, А6, А7. При этом размеры раковин, местных наплывов и впадин на бетонной поверхности и окопов бетона ребер ригелей не должны превышать значений, указанных в таблице 2.

Таблица 2

мм

Категория бетонной поверхности ригеля

Диаметр или наибольший размер раковин

Высота местного наплыва (выступа) или глубина впадины

Глубина окола бетона на ребре, измеряемая по поверхности ригеля

Суммарная длина околов бетона на 1м ребра

А2

1

1

5

50

А3

4

2

5

50

А6

15

5

10

100

А7

20

не регламентируется

20

не регламентируется

Примечание:

Категории бетонной поверхности ригелей определяются ГОСТ 18980-90

А3 - нижние (потолочные) и боковые лицевые;

А7 - нелицевые, невидимые в условиях эксплуатации

По согласованию изготовителя с потребителем нижние и боковые поверхности ригеля могут быть категорий А2 или А6. Значения действительных отклонений от проектного положения выпусков рабочей арматуры, предназначенных для соединения с арматурными выпусками колонн, не должны превышать 3 мм.

В бетоне ригелей, поставляемых потребителю, трещины не допускаются, за исключением:

усадочных и других поверхностных технологических трещин, ширина которых не должна превышать 0,1 мм;

поперечных трещин в верхней зоне ригелей, вызванных обжатием бетона, ширина которых не должна превышать 0,15 мм.

Концы напрягаемой арматуры не должны выступать за торцевые поверхности ригеля более чем на 10 мм. Они должны быть защищены слоем цементно-песчаного раствора или битумным лаком.

На лицевых поверхностях ригелей не допускаются жировые и ржавые пятна.

4. Каждая поставляемая предприятием-изготовителем партия ригелей, часть партии, группа ригелей из разных партий или отдельные ригели, поставляемые и принимаемые поштучно, должны сопровождаться документом о качестве (сертификат и пр.).

5. На боковой поверхности ригеля наносятся маркировочные надписи и знаки:

марка ригеля;

товарный знак или краткое наименование предприятия-изготовителя;

штамп технического контроля;

дата изготовления;

величина массы;

монтажные знаки.

Маркировочные надписи располагаются на расстоянии не более 1 м от торцов.

6. Потребитель имеет право производить входной контроль качества ригелей на строительной площадке или в другом согласованном месте по показателям, которые могут быть проверены на готовых конструкциях, применяя при этом правила приемки, установленные ГОСТ 13015.1-81 и ГОСТ 18980-90.

Показатели качества, которые не могут быть проверены на готовых конструкциях, потребитель имеет право проверить по данным журналов ОТК, заводской лаборатории или другой документации завода-изготовителя.

По требованию потребителя завод-изготовитель обязан сообщить ему эти данные в течение 15 суток после получения соответствующего запроса от потребителя.

Операционный контроль

7. Параметры, подлежащие контролю, и необходимые для операционного контроля средства измерений приведены в таблице 3.

Таблица 3

Параметры

Величина предельных отклонений, мм

Метод и объем контроля

Средства измерения

1

2

3

4

Отклонение от совмещения ориентиров (рисок геометрических осей, граней) в нижнем сечении установленных ригелей с установочными ориентирами (рисками геометрических осей или гранями нижележащих элементов, рисками разбивочных осей)

8

Измерительный, каждый элемент, геодезическая исполнительная схема

Теодолит 2Т5К; 2ТЗО ГОСТ 10529-96

Линейка 150; 300 ГОСТ 427-75

Метр складной типа МСД-1; МСМ-82

Отклонения от совмещения ориентиров (рисок геометрических осей, граней) в верхнем сечении установленных ригелей на опоре с установочными ориентирами (рисками геометрических осей или граней нижележащих элементов, рисками разбивочных осей) при высоте ригеля на опоре, м:

 

Измерительный, каждый элемент, журнал работ

Теодолит 2Т5К; 2ТЗО ГОСТ 10529-96

Линейка 150; 300 ГОСТ 427-75

Метр складной типа МСД-1; МСМ-82

до 1

6

 

 

св. 1 до 1,6

8

 

 

св. 1,6 до 2,5

10

 

 

св. 2,5 до 4

12

 

 

Отклонение от симметричности (половина разности глубины опирания концов элемента) при установке ригелей в направлении перекрываемого пролета при длине элемента, м:

 

Измерительный, каждый элемент, журнал работ

Линейка 150; 300 ГОСТ 427-75

Метр складной типа МСД-1; МСМ-82

до 4

5

 

 

св. 4 до 8

6

 

 

св. 8 до 16

8

 

 

св. 16 до 25

10

 

 


8.2 ТЕХНИЧЕСКИЙ РЕГЛАМЕНТ ОПЕРАЦИОННОГО КОНТРОЛЯ КАЧЕСТВА МОНТАЖА РИГЕЛЕЙ

Вид контроля

Входной

Операционный

Приемочный

Контролируемые операции

Наличие и полнота исполнительной документации по геодезическому обеспечению планового и высотного положения опорных поверхностей установленных колонн

Наличие разметок, определяющих проектное положение ригелей на опорах

Соответствие параметров и качества ригелей требованиям ГОСТ

Наличие маркировочных знаков

Наличие и полнота проектной документации

Соответствие отклонений от совмещения ориентиров установленных ригелей в нижнем и верхнем сечении с установочными ориентирами требованиям СНиП

Соответствие отклонений от симметричности требованиям СНиП

Соответствие качества соединений в узлах сопряжения и качества замоноличивания стыков требованиям СНиП и проекта

Соответствие класса бетона и марки раствора для омоноличивания стыков требованиям проекта

Соответствие величины предельных отклонений требованиям СНиП

Соответствие выполненных соединений в узлах сопряжения и заделки их требованиям проекта

Наличие исполнительной геодезической съемки, схемы. Фиксация результатов геодезических работ в журнале

Объем контроля

Сплошной

Метод контроля

Регистрационный

Инструментальный

Визуальный

Регистрационный

Привлекаемые службы

-

Геодезист

-


9. ПЛИТЫ ПЕРЕКРЫТИЙ

9.1 Контролируемые параметры и средства контроля.

Входной контроль

1. Качество железобетонных многопустотных плит перекрытия цокольного этажа и технического подполья для зданий различного назначения, поставляемых на строительную площадку, должно соответствовать требованиям ГОСТ 9561-91 "Плиты перекрытий железобетонные многопустотные для зданий и сооружений" и ГОСТ 13015.0-83 "Конструкции и изделия бетонные и железобетонные сборные".

2. Значения действительных отклонений геометрических параметров плит не должны превышать предельных, указанных в таблице 1.

Рис. 1 Параметры, контролируемые при входном контроле

Рис. 2 Параметры, подлежащие операционному контролю

Таблица 1

мм

Наименование отклонения геометрического параметра

Наименование геометрического параметра

Предельное отклонение

1

2

3

Отклонение от линейного размера

Длина и ширина плиты до 2500 вкл.

±6

св. 2500 до 4000 вкл.

±8

св. 4000 до 8000 вкл.

±10

св. 8000

±12

Толщина плиты

±5

Размер, определяющий положение: отверстий и вырезов закладных изделий:

10

в плоскости плиты

10

из плоскости плиты

5*)

Отклонение от прямолинейности профиля верхней поверхности плиты, предназначенной под непосредственную наклейку линолеума, а также профиля боковых граней плиты на длине 2000

-

5

Отклонение от плоскости лицевой нижней (потолочной) поверхности плиты при измерениях от условной плоскости, проходящей через три угловые точки плиты длиной:

-

 

до 8000

-

8

свыше 8000

-

10

*) отклонение от размера, определяющего положение закладного изделия из верхней плоскости плит, предназначенных под непосредственную наклейку линолеума, должно быть только во внутрь плиты.

3. Размеры раковин, местных наплывов и впадин на бетонных поверхностях и околов бетона ребер плит не должны превышать значений, указанных в таблице 2.

Таблица 2

мм

Категория бетонной поверхности панели

Диаметр или наибольший размер раковин

Высота местного наплыва (выступа) или глубина впадины

Глубина окола бетона на ребре, измеряемая по поверхности ригеля

Суммарная длина околов бетона на 1м ребра

А2

1

1

5

50

А3

4

2

5

50

А4

10

1

5

50

А6

15

5

10

100

А7

20

Не регламентируется

20

Не регламентируется

Примечание:

По качеству поверхностей и внешнему виду для плит устанавливаются категории качества:

А3 - нижней (потолочной);

А7 - верхней и боковых.

По согласованию изготовителя с потребителем плит могут быть установлены вместо указанных следующие категории поверхностей:

А2 - нижняя (потолочная), подготовленная под окраску;

А4 - то же, подготовленная под оклейку обоями или декоративную отделку пастообразными составами и верхняя, подготовленная под покрытия линолеума;

А6 - нижняя (потолочная), к которой не предъявляют требований по качеству отделки.

На лицевых поверхностях плит не допускаются жировые и ржавые пятна.

4. В бетоне плит, поставляемых потребителю, трещины не допускаются, за исключением усадочных и других поверхностных технологических трещин шириной не более 0,3 мм на верхней поверхности плит и не более 0,2 мм - на боковых и нижней поверхностях плит.

Обнажение арматуры не допускается, за исключением выпусков арматуры или концов напрягаемой арматуры, которые не должны выступать за торцовые поверхности плит более чем на 10 мм и должны быть защищены слоем цементно-песчаного раствора или битумным лаком.

5. Каждая поставляемая предприятием-изготовителем партия плит, часть партии, группа плит из разных партий или отдельные плиты, принимаемые и поставляемые поштучно, должны сопровождаться документом о качестве (сертификат и пр.).

6. На боковых гранях или на верхней поверхности каждой плиты, поставляемой потребителю, должны быть нанесены несмываемой краской при помощи трафарета или штампа следующие маркировочные знаки:

марка плиты;

товарный знак или краткое наименование предприятия-изготовителя;

штамп технического контроля;

дата изготовления плиты;

величина массы плиты;

монтажные знаки.

7. Потребитель имеет право производить контроль качества плит на строительной площадке или в другом согласованном месте по показателям, которые могут быть проверены на готовых плитах с учетом правил приемки, установленных соответствующим стандартом на эти плиты.

Показатели качества, которые не могут быть проверены на готовых плитах, потребитель имеет право проверить по данным журналов ОТК, заводской лаборатории или другой документации завода-изготовителя.

По требованию потребителя завод-изготовитель обязан сообщить ему эти данные в течение 15 суток после получения соответствующего запроса от потребителя.

Операционный контроль

8. Параметры, подлежащие контролю, и необходимые для операционного контроля средства измерения приведены в таблице 3.

Таблица 3

Параметры

Величина предельных отклонений, мм

Метод и объем контроля

Средства измерения

1

2

3

4

Отклонения от симметричности (половина разности глубины опирания концов плиты) при установке плит перекрытий в направлении перекрываемого пролета при длине плиты, м:

 

Измерительный, каждый элемент, журнал работ

Линейка 150, 300 ГОСТ 427-75

Метр складной МСД-1; МСМ-82

до 4

5

 

 

св. 4 до 8

6

 

 

св. 8 до 16

8

 

 

Разность отметок лицевых поверхностей двух смежных непреднапряженных плит перекрытий в шве при длине плит, м

 

Измерительный

Нивелир НЗ; НЗК; 2Н-10КЛ ГОСТ 10528-90

Рейка контрольная КРТ-1; КРД-1; КРД-1,6 СКБ Мосстрой

Линейка 150 ГОСТ 427-75

Метр складной типа МСД-1 МСМ-82

Штангенглубинометры типа МГ ГОСТ 162-90

Штангенциркуль типа ШЦ-1 ГОСТ 166-89

Глубинометры типа ГИ100 ГОСТ7470-92

до 4

8

св. 4 до 8

10

св. 8 до 16

12

Подвижность раствора, применяемого при монтаже плит для устройства постели

5-7 см по глубине погружения стандартного конуса

Измерительный

Конус стандартный для определения пластичности бетонной смеси "КА": конус СтройЦНИЛ ПГР ГОСТ 25557-82

Приемочный контроль

9. Приемочный контроль должен включать проверку соответствия предельных отклонений установленной плиты перекрытия требованиям таблицы 3 настоящего "Регламента", контроль качества сварных соединений, антикоррозионного покрытия и замоноличивания стыков требованиям СНиП 3.03.01-87 "Несущие и ограждающие конструкции", а также полноту исполнительной документации и ведения журнала работ.


9.2 РЕГЛАМЕНТ ОПЕРАЦИОННОГО КОНТРОЛЯ КАЧЕСТВА МОНТАЖА ПЛИТ ПЕРЕКРЫТИЙ

Виды контроля

Входной

Операционный

Приемочный

Контролируемая операция

Наличие и полнота исполнительной документации по геодезическому обеспечению планового и высотного положения опорных поверхностей установленных конструкций

Наличие разметок, определяющих проектное положение плит на опорах

Соответствие параметров и качества плит перекрытий требованиям ГОСТ

Наличие маркировочных знаков

Соответствие марки и качества раствора проекту

Наличие и полнота проектной документации

Соответствие отклонений от симметричности при установке плит перекрытия требованиям СНиП

Соответствие разности отметок лицевых поверхностей двух смежных плит

Наличие маяков для устройства растворной постели и соответствие их размеров проекту

Соответствие толщины и качества растворной постели проектной

Соответствие качества соединений в узлах сопряжения и качества замоноличивания стыков требованиям СНиП

Соответствие величины предельных отклонений требованиям СНиП

Соответствие выполненных соединений в узлах сопряжения и заделки их требованиям проекта

Фиксация результатов проверки в журнале работ и полнота исполнительной документации

Объем контроля

Сплошной

Метод контроля

Регистрационный

Инструментальный

Инструментальный регистрационный

Привлекаемые службы

-

Геодезическая

-

Лаборатория

Геодезическая

Лаборатория

-


10. КОНСТРУКЦИИ ПОДЗЕМНОЙ ЧАСТИ ЛИФТОВЫХ ШАХТ

10.1 Контролируемые параметры и средства контроля

Входной контроль

1. Качество поставляемых на строительную площадку железобетонных конструкций для подземной части шахт лифтов должно соответствовать требованиям ГОСТ 17538-82* "Конструкции и изделия железобетонные для шахт лифтов жилых зданий" и ГОСТ 13015.0-83 "Конструкции и изделия бетонные и железобетонные сборные".

2. Отклонения действительных размеров конструкций от номинальных, указанных в рабочих чертежах, не должны превышать приведенных в таблице 1.

Рис. 1 Параметры, контролируемые при входном контроле

Рис. 2 Контролируемые параметры операционного контроля

Таблица 1

мм

Наименование отклонения геометрического параметра

Наименование геометрического параметра

Предельное отклонение

1

2

3

Отклонение от линейного размера

Длина (глубина) и ширина изнутри блока

0;-6

Высота блока

0;-!0

Толщина стенки блока

±5

Длина, ширина и высота (толщина) плиты перекрытия ( или приямка) и тумбы

±8

 

Размеры проемов, отверстий и ниш

±3

 

Размеры фиксирующих монтажных устройств, а также отверстий под болтовые соединения

±2

 

Положение проемов, отверстий и ниш

8

 

Положение фиксирующих монтажных устройств в плоскости верхней и нижней (опорной) граней блоков

2

 

Положение стальных закладных изделий: в плоскости грани конструкции; из плоскости грани конструкции

15

3

 

Разности длин диагоналей боковых наружных плоскостей верхней (снаружи и изнутри) и нижней (опорной) плоскостей блоков (изнутри)

16

Отклонение от плоскостности

Плоскостность опорной (нижней) грани блока в угловой точке (относительно плоскости, проведенной через три другие угловые точки)

6

Отклонение от прямолинейности

Прямолинейность профиля наружной поверхности блока в любом сечении на всю его длину, ширину и высоту, а также профиля верхней поверхности блока на всю длину каждой его стороны

5

3. Размеры раковин, наплывов и впадин на бетонной поверхности и околов бетона ребер конструкций не должны превышать значений, указанных в таблице 2:

Таблица 2

мм

Категория бетонной поверхности

Диаметр или наибольший размер раковин

Высота местного наплыва (выступа) или глубина впадины

Глубина окола бетона на ребре, измеряемая по поверхности

Суммарная длина околов бетона на 1 м ребра

А2

1

1

5

50

А6

15

5

10

100

А7

20

Не регламентируется

20

Не регламентируется

Примечание:

Качество поверхности и внешний вид конструкций шахт должны удовлетворять требованиям, установленным для категорий:

А2 - наружных поверхностей блоков, подготовленных под окраску;

А6 - внутренних и торцовых поверхностей блоков, верхних и нижних поверхностей плит перекрытий, верхних и боковых поверхностей тумб, к которым не предъявляют требований по качеству отделки;

А7 - нелицевых поверхностей конструкций, невидимых в условиях эксплуатации.

4. Открытые поверхности стальных закладных изделий, монтажные петли, а также кромки отверстий, ниш и проемов очищаются от наплывов бетона и раствора.

На каждом блоке, поставляемом потребителю, наносятся основные и информационные надписи и монтажные знаки:

марка конструкции;

товарный знак или краткое наименование предприятия-изготовителя;

штамп технического контроля;

дата изготовления конструкции;

величина массы конструкции;

место строповки;

верх конструкции;

место опирания конструкции;

установочные риски на конструкции.

Маркировочные надписи и знаки наносятся на внутренней поверхности блока, расположенной сзади кабины лифта, а также на верхних поверхностях плит и боковых поверхностях тумб.

5. Потребитель имеет право производить контроль качества конструкции на строительной площадке или в другом согласованном месте по показателям, которые могут быть проверены на готовых конструкциях, применяя при этом правила приемки, установленные ГОСТ 13015.1-81 и ГОСТ 17538-82.

Показатели качества, которые не могут быть проверены на готовых конструкциях, потребитель имеет право проверить по данным журналов ОТК, заводской лаборатории или другой документации завода-изготовителя.

По требованию потребителя завод-изготовитель обязан сообщить ему эти данные в течение 15 суток после получения соответствующего запроса от потребителя.

Операционный контроль

6. Параметры, подлежащие контролю, и необходимые для операционного контроля средства измерения приведены в таблице 3.

Таблица 3

Параметры

Величина предельных отклонений

Метод и объем контроля

Средства измерения

1

2

3

4

Отклонение от совмещения ориентиров в нижнем сечении установленных элементов с установочными ориентирами

8

Измерительный, каждый элемент, геодезическая исполнительная схема

Теодолит 2ТЗО, 2Т5К ГОСТ 10529-96

Линейка 150, 300 ГОСТ 427-75

Метр складной тина МСД-1; МСМ-82

Отклонения от вертикали верха плоскости лифтовых блоков

10

Тоже

Теодолит 2ТЗО. 2Т5К ГОСТ 10529-96

Отвесы ОТ 100, ОТ200, ОТ400, ОТ600 ГОСТ 7948-80

Рейка отвес РОД-1

Отклонение от перпендикулярности внутренней поверхности ствола шахты лифта относительно горизонтальной плоскости (пола приямки)

30

Тоже

Теодолиты 2ТПК, 2ТЗО ГОСТ 10529-96

Прибор вертикального проектирования

Лазерный прибор-приставка П

Оптический центрир РZL

Отвесы ОТ-400, ОТ-600 ГОСТ 7948-80

Линейка 150 ГОСТ 427-75

Метр складной типа МСД-1; МСМ-82

Подвижность раствора для устройства постели

5-7 см по глубине погружения стандартного конуса

Измерительный

Конус стандартный для определения пластичности бетонной смеси "КА"

Конус СтройЦНИЛ ПГР ГОСТ 25557-82

Отклонение отметок маяков относительно монтажного горизонта

±5

Измерительный

Нивелир 2И-ЗЛ ГОСТ 10528-90

Приемочный контроль

7. Приемочный контроль должен включать проверку соответствия предельных отклонений установленных конструкций подземной части лифтовых шахт требованиям таблицы 3 настоящего "Регламента", а также полноту исполнительной документации и ведения журнала работ.


10.2 РЕГЛАМЕНТ ОПЕРАЦИОННОГО КОНТРОЛЯ КАЧЕСТВА МОНТАЖА КОНСТРУКЦИЙ ПОДЗЕМНОЙ ЧАСТИ ЛИФТОВЫХ ШАХТ

Вид контроля

Входной

Операционный

Приемочный

Контролируемые операции

Наличие и полнота проектной документации

Наличие исполнительной геодезической съемки планового и высотного положения основания лифтовой шахты

Наличие маркировочных и монтажных знаков на конструкциях лифтовой шахты

Соответствие марки и качества раствора для устройства постели требованиям проекта

Наличие установочных ориентиров на монтажном горизонте

Соответствие геометрических параметров и качества конструкций лифта требованиям ГОСТ

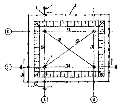
Соответствие отклонений от совмещения в нижнем сечении блоков с установочными ориентирами требованиям СНиП

Соответствие отклонений от вертикали верха плоскости лифтовых блоков требованиям СНиП

Соответствие отклонений от перпендикулярности внутренней поверхности ствола шахты лифта относительно пола приямка требованиям СНиП

Наличие маяков для устройства растворной постели и соответствие их размеров требованиям проекта

Соответствие качества растворной постели требованиям проекта

Соответствие предельных отклонений установленных элементов требованиям СНиП и полнота исполнительной документации

Наличие исполнительной схемы по результатам исполнительной съемки

Объем контроля

Сплошной

Метод контроля

Регистрационный

Инструментальный

Визуальный

Инструментальный

Регистрационный

Привлекаемые службы

-

Геодезическая

Лаборатория

-

Геодезическая


11. ГЕОДЕЗИЧЕСКОЕ ОБЕСПЕЧЕНИЕ РАЗБИВКИ ОСЕЙ ЗДАНИЯ

11.1 Обеспечение точности разбивочных работ

1. Точность разбивочных работ в процессе возведения здания следует принимать в соответствии с данными, приведенными в таблице 1.

2. Средства для достижения заданной точности детального построения осей здания, а также точности высотных измерений, приведены в таблицах 2, 3, 4.

1 - осевой знак

2 - обноска

3 - риска на обноске

4 - штырь, закрепляющий ось здания

Рис. 1 Закрепление разбивочных осей на обноске

1 - теодолит

2 - осевой знак

3 - обноска

4 - риска на обноске

5 - металлический штырь, закрепляющий ось здания

Рис. 2 Вынесение осей здания на дно котлована с помощью теодолита

1 - обноска котлована

2 - проволока по оси торцевой стены

3 - проволока по оси продольной стены

4 - ось фундамента

5 - риска на обноске

6 - металлический штырь, закрепляющий ось здания

Рис. 3 Вынесение осей здания на дно котлована с помощью нитяных отвесов

Точность разбивочных работ

Таблица 1

Характеристика зданий, сооружений, строительных конструкций

Величины средних квадратичных погрешностей построения внешней и внутренней разбивочных сетей здания и других разбивочных работ.

Линейные измерения

Угловые измерения

С

Определение превышения на станции

мм

Здание св. 15 этажей

10

2

Здания св. 5 до 15 этажей

20

2,5

Здания до 5 этажей

30

3

Условия обеспечения точности угловых измерений.

Таблица 2

Условия измерений

Допустимая средняя квадратическая погрешность измерений, С.

10

20

30

Центрирование теодолита и визирных целей

Оптическим центриром

Оптическим центриром, нитяным отвесом

Фиксации центров знаков

керном

Карандашом; шпилькой

Типы теодолитов по ГОСТ 10529-96

Т2 и модификации

Т5 и модификации

Т30 и модификации

Количество приемов, не менее

2

2

1

Условия обеспечения точности линейных измерений

Таблица 3

Процессы, условия измерений, тип приборов

Относительные среднеквадратические погрешности линейных измерений

1

2

3

4

А. Стальными рулетками

Средняя квадратичная погрешность компарирования, мм

0,2

0,5

1,5

Уложение в створ

С помощью теодолита

Глазомерно

Натяжение измерительного прибора Н, (кгс)

Динамометром, 100(10)

Вручную

Учет разности температур компарирования и измерения с погрешностью, °С

термометром

1,5

3

5

Количество отсчетов

3 пары отсчетов и 2 сдвига

2 пары отсчетов и 1 сдвиг

1 пара отсчетов

Фиксация центров знаков

чертилкой

керном

Карандашом

Определение превышения концов измеряемой линии

Нивелированием

Глазомерно

Типы рулеток ГОСТ 7502-89

ОПК2-20АНТ/1

ОПК2-30 АНТ/1

ОПК2-50 АНТ/1

ОПКЗ-20 АНТ/10 ОПКЗ-30 АНТ/10 ОККЗ-50 АНТ/10

Б. Светодальномерами или оптическими дальномерами

Центрирование приборов

Оптическим центриром

Оптическим центриром или нитяным отвесом

Фиксация центров знаков

чертилкой

керном

Карандашом

Учет температуры

Термометром

-

Учет атмосферного давления

Барометром

-

Типы приборов по ГОСТ 19223-90

СПЗ СТ3Н

Д-2; ДНР-5

Диапазон измерений

2-3000

2-3000

40-400 20-120

Условия обеспечения точности высотных измерений

Таблица 4

Условия измерений, тип приборов

Средние квадратические погрешности превышении на станции, мм

2-3

Неравенство плеч на станции, м, не более

7

Высота визирного луча над препятствием, м, не менее

0,2

Типы нивелиров по ГОСТ10528-90

Н-3 и модификации

Типы реек для нивелиров по ГОСТ 10528-90 или равноточные

РН-3


11.2 РЕГЛАМЕНТ ОПЕРАЦИОННОГО КОНТРОЛЯ КАЧЕСТВА РАЗБИВКИ ОСЕЙ ЗДАНИЙ

Вид контроля

Входной

Операционный

Приемочный

Контролируемые операции

Наличие и полнота проекта производства геодезических работ

Наличие плана построения основных и промежуточных осей здания

Наличие и полнота проектной документации

Соответствие положения знаков разбивочных осей проектному

Соответствие расстояний между отдельными осями и общим размером здания

Выполнение поверок геодезического инструмента

Соответствие подготовленного основания под фундаменты проектному

Наличие инвентарной обноски

Наличие осей здания на обноске и их закрепление

Наличие основных осей здания и их закрепление на дне котлована

Соответствие закрепления осей здания, положения углов здания, соответствия расстояния между осями проектным данным

Наличие акта разбивки осей и исполнительной разбивочной схемы и полнота исполнительной документации

Объем контроля

Постоянный

Метод контроля

Регистрационный

Инструментальный

Регистрационный

Привлекаемые службы

Геодезическая


12. ОБЯЗАТЕЛЬНЫЕ ОРГАНИЗАЦИОННО-ТЕХНОЛОГИЧЕСКИЕ ПРАВИЛА

1. Установка блоков фундаментов стаканного типа производится относительно разбивочных осей по двум взаимно перпендикулярным направлениям, с совмещением осевых рисок фундаментов с ориентирами, закрепленными в основании, и контролем правильности установки геодезическими приборами.

Фундаментные блоки устанавливаются на выровненный до проектной отметки слой песка. Предельное отклонение отметки выравнивающего слоя песка до проектной не должно превышать минус 15 мм.

Плановое и высотное положение фундаментов определяется от знаков внутренней разбивочной оси здания или ориентиров, которые использовались при выполнении работ.

Установка блоков фундаментов на покрытые водой или снегом основания не допускается.

Стаканы фундаментов и опорные поверхности очищаются от загрязнения.

Фундаменты хранятся в штабелях, рассортированные по маркам и партиям, высота штабеля фундамента не должна превышать двух рядов. При хранении каждый фундамент укладывается на деревянные прокладки и подкладки. Толщина прокладок должна быть не менее 100 мм, подкладок не менее 30 мм. Прокладки и подкладки располагаются в штабеле по одной вертикали. Подкладки под нижний ряд фундаментов укладываются по плотному, тщательно выровненному основанию.

При транспортировании фундаменты размещаются в один ряд на деревянных подкладках с надежным закреплением, предохраняющим их от смещения во время движения.

2. Установка плит ленточных фундаментов производится с установки маячных плит в углах здания и на пересечение осей. Маячные плиты устанавливаются с совмещением их осевых рисок с рисками разбивочных осей по двум взаимно перпендикулярным направлениям. К установке рядовых плит следует приступать после выверки положения маячных плит в плане и по высоте, ориентируя их по причалке, закрепленной по внешней грани смонтированных маячных плит.

Плиты фундаментов устанавливаются на выровненный до проектной отметки слой песка. Установка плит на покрытые водой или снегом основания не допускается.

Швы между плитами заполняются раствором и расшиваются. Марка раствора для замоноличивания швов указывается в проекте. Стыкуемые поверхности должны быть очищены от мусора и грязи. Замоноличивание швов выполняется после проверки правильности установки плит.

Плановое и высотное положение фундаментных плит определяется от знаков внутренней разбивочной оси здания или ориентиров, которые использовались при выполнении работ.

Плиты транспортируются и хранятся в горизонтальном положении в штабелях. Высота штабеля не должна превышать 2 м. Подкладки под плитами и прокладки между ними в штабеле располагаются в поперечном направлении плит (в направлении ширины) на расстояниях от торцов плит, мм;

750 - при длине плиты 2980

600 - при длине плиты 2380

300 - при длине плиты 1180

200 - при длине плиты 780

Высота штабеля при транспортировании устанавливается в зависимости от грузоподъемности транспортных средств и допускаемых габаритов погрузки, но не более высоты штабеля при хранении.

Площадка складирования должна иметь плотную выровненную поверхность с небольшим уклоном для водоотвода.

3. Установка блоков фундаментов для стен подвалов производится с установки маячных блоков в углах здания и на пересечении осей. Маячные блоки устанавливают, совмещая их осевые риски с рисками разбивочных осей, по двум взаимно перпендикулярным направлениям. К установке рядовых блоков следует приступать после выверки уложенных маячных блоков в плане и по высоте, ориентируя их по причалке, закрепленной по внешней стороне ранее смонтированных блоков.

Наружные и внутренние грани блоков следует фиксировать натянутыми шнурами или тонкой проволокой, по которой размечают проектное положение каждого блока.

Горизонтальное положение блоков проверяется уровнем, а вертикальное - отвесом. Правильность установки блоков фундаментов в проектное положение следует контролировать створной засечкой, боковым нивелированием, а по высоте - геометрическим нивелированием.

Высотное положение блоков фундаментов следует изменять путем введения прокладок пли подливки бетонного раствора.

Установка блоков стен подвала выполняется с соблюдением перевязки. Рядовые блоки следует устанавливать, ориентируя низ по обрезу нижнего ряда, верх по разбивочной оси. Блоки наружных стен, устанавливаемых ниже уровня грунта, необходимо выравнивать по внутренней стороне стены, а выше - по наружной. Вертикальные и горизонтальные швы между блоками должны быть заполнены раствором и расшиты с двух сторон.

Блоки хранятся в штабелях, рассортированные по маркам и партиям, и уложенными вплотную друг к другу.

Высота штабеля не должна быть более 2,5 м.

При хранении и транспортировании каждый блок укладывается на деревянные прокладки, расположенные по вертикали одна над другой между рядами блоков. Толщина прокладок должна быть не менее 30мм.

Подкладки под нижний ряд блоков укладываются по плотному, тщательно выровненному основанию.

Высота штабеля при транспортировании устанавливается в зависимости от грузоподъемности транспортных средств и допускаемых габаритов погрузки, но не более высоты штабеля при хранении.

4. Установка панелей стен производится с опиранием их на выверенные относительно монтажного горизонта маяки. Прочность материала, из которого изготовляются маяки, не должна быть выше установленной проектом прочности на сжатие раствора, применяемого для устройства постели.

Перед монтажом цокольной или подвальной части здания следует проверить горизонтальность верхней поверхности фундамента и проконтролировать правильность вынесения осей.

Отклонения отметок маяков относительно монтажного горизонта не должно превышать ± 5 мм. При отсутствии в проекте специальных указаний толщина маяков должна составлять 10-30 мм.

Между торцом панели после ее выверки и растворной постелью не должно быть щелей. Толщина растворной постели должна быть выше маяков на 3-5 мм.

Панели хранятся в кассетах в вертикальном или наклонном положении. Каждая панель устанавливается на деревянные подкладки высотой не менее 30 мм или опоры другого типа, обеспечивающие ее сохранность.

При хранении и транспортировании слоистых панелей опоры следует располагать только под их несущим слоем. Конструкция опор должна исключать возможность опирания панели теплоизоляционным или наружным защитно-декоративным слоем.

При наличии в панели выступающих вниз частей и деталей высота опор должна превышать их высоту не менее чем на 20 мм.

Кассеты устанавливаются на площадках с твердым искусственным покрытием или с плотным и ровным естественным основанием.

Перевозить панели следует в вертикальном или наклонном положении па панелевозах, снабженных специальными крепежными и опорными устройствами, обеспечивающими неподвижность панелей и их сохранность, включая сохранность заполнения проемов и деталей, выступающих из плоскости панелей.

5. Монтаж колонн производится после очистки стаканов фундаментов от грязи, а зимой - от снега и наледи, проверки размеров стаканов фундаментов на соответствие их проектным размерам и наличия рисок на фундаментах.

Способ опирания колонны на дно стакана должен обеспечивать закрепление низа колонны от горизонтального перемещения на период до замоноличивания узла.

Проектное положение колонн следует выверять по двум взаимно перпендикулярным направлениям.

Низ колонн следует выверять, совмещая риски, обозначающие их геометрические оси в нижнем сечении, с рисками разбивочных осей.

Монтаж колонн разрешается производить только после инструментальной проверки соответствия планового и высотного положения фундаментов и опорных поверхностей конструкций.

Верх колонн следует выверять, совмещая геометрические оси колонн в верхнем сечении с рисками разбивочных осей. Применение непредусмотренных проектом прокладок в стаканах фундаментов для выравнивания высотных отметок и приведения их в вертикальное положение без согласования с проектной организацией не допускается.

Ориентиры для выверки верха и низа колонн должны быть указаны в проекте производства работ. Перед окончательным закреплением следует проверить установку каждой колонны с помощью теодолитов. Замоноличивание стыков колонн в стакане фундамента выполняется после проверки правильности установки колонн. Класс бетона и марка раствора должны быть указаны в проекте.

Транспортирование колонн осуществляется на специальных автотранспортных средствах, оборудованных крепежными и опорными устройствами, обеспечивающими сохранность конструкций и безопасность движения.

Высота штабеля колонн при их транспортировании устанавливается в зависимости от грузоподъемности транспортных средств в допускаемых габаритах погрузки, но не более высоты штабеля колонн при их хранении.

Крепление колонн на транспортном средстве должно исключить продольное и поперечное их смещение, а также их взаимное столкновение и трение в процессе перевозки.

Колонны транспортируются и хранятся в горизонтальном положении в штабелях.

Высота штабеля колонн не должна превышать ширину штабеля более чем в два раза и не должна быть более 2000 мм.

Подкладки под колонны и прокладки между ними располагаются в местах строповочных отверстий или монтажных петель.

6. Монтаж ригелей производится после оформления акта инструментальной проверки соответствия проекту планового и высотного положения опорных поверхностей несущих конструкций (ригели на опорные поверхности укладываются насухо).

Применение не предусмотренных проектом подкладок для выравнивания положения укладываемых элементов по отметкам без согласования с проектной организацией не допускается.

Укладка ригелей в направлении перекрываемого пролета выполняется с соблюдением установленных проектом размеров глубины опирания их на опорные конструкции или зазоров между сопрягаемыми элементами.

Установка ригелей в поперечном направлении перекрываемого пролета выполняется с совмещением рисок продольных осей устанавливаемых элементов с рисками колонн на опорах.

Ригели хранятся и транспортируются в горизонтальном положении в штабелях. Высота штабеля ригелей не должна превышать ширину штабеля более чем в два раза и не должна быть более 2500 мм.

Подкладки под нижний ряд ригелей и прокладки между ними в штабеле располагаются в местах строповочных отверстий или монтажных петель.

Толщина подкладок и прокладок должна быть не менее 30 мм. При наличии в конструкциях выступающих деталей или монтажных петель толщина подкладок и прокладок должна превышать размер выступающих деталей или петель не менее чем на 20 мм.

Площадка складирования устраивается на плотной выровненной поверхности с небольшим уклоном для водоотвода.

Ригели хранятся таким образом, чтобы были видны маркировочные надписи и знаки.

7. Укладка плит перекрытий в направлении перекрываемого пролета производится с соблюдением установленных проектом размеров глубины опирания их на опорные конструкции или зазоров между сопрягаемыми элементами.

Установка плит в поперечном направлении перекрываемого пролета выполняется по разметке, определяющей их проектное положение на опорах и выполняемой после установки в проектное положение конструкций, на которые они опираются.

Перед подъемом каждой плиты необходимо проверить: соответствие ее проектной марке, состояние закладных изделий и установочных рисок, отсутствие грязи, снега, наледи, повреждений грунтовки. Запрещается подъем плит, не имеющих монтажных петель или меток, обеспечивающих их правильную строповку и монтаж.

Открытая поверхность стальных закладных изделий, выпуски арматуры, монтажные петли и строповочные отверстия должны быть очищены от наплывов бетона и раствора.

Плиты перекрытий укладываются на слой раствора толщиной не более 20 мм с совмещением поверхности смежных плит вдоль шва со стороны потолка. Для регламентации толщины растворной постели укладываются маяки из раствора.

Марки растворов, применяемых при монтаже плит для устройства постели, указываются в проекте. Подвижность раствора должна составлять 5-7 см по глубине погружения стандартного конуса, за исключением случаев, специально оговоренных в проекте.

Применение растворов, процесс схватывания которых уже начался, а также восстановление их пластичности путем добавления воды не допускается.

Применение не предусмотренных проектом подкладок для выравнивания положения укладываемых плит по отметкам, без согласования с проектной организацией не допускается.

Транспортирование плит осуществляется на специальных автотранспортных средствах, оборудованных крепежными и опорными устройствами, обеспечивающими сохранность конструкций и безопасность движения.

Плиты транспортируются в штабелях, уложенных в горизонтальном положении. На специализированных транспортных средствах допускается перевозка плит в наклонном или вертикальном положении.

Высота штабеля при транспортировании устанавливается в зависимости от грузоподъемности транспортных средств и допускаемых габаритов погрузки, но не более высоты штабеля панелей при их хранении.

Плиты хранятся на площадках с плотной, выровненной поверхностью с небольшим уклоном для водоотвода.

Плиты укладываются в штабеля в горизонтальном положении такими образом, чтобы были видны маркировочные надписи и знаки.

Высота штабеля не должна быть более 2,5 м.

Плиты при транспортировании и хранении должны опираться на инвентарные подкладки, а между рядами плит в штабелях - на инвентарные прокладки прямоугольного (трапецеидального) поперечного сечения из дерева или других материалов, обеспечивающих сохранность плит.

Толщина подкладок и прокладок должна быть не менее 30 мм.

Подкладки под нижний ряд плит и прокладки между ними в штабеле располагаются вблизи монтажных петель.

8. Объемные блоки подземной части шахт лифтов монтируются, как правило, с установленными в них кронштейнами для закрепления направляющих кабин и противовесов. Низ объемных блоков устанавливается по ориентирным рискам, вынесенным на перекрытие от разбивочных осей и соответствующим проектному положению двух взаимно перпендикулярных стен блока (передней и одной из боковых). Относительно вертикальной плоскости блоки устанавливаются с выверкой граней двух взаимно перпендикулярных стен блока.

Под объемными элементами лифтовых шахт укладываются растворные маяки, регламентирующие высоту растворной постели.

Растворная постель укладывается по всей площади опирания блока. Марки растворов, применяемых для устройства постели, должны соответствовать проектным. Применение растворов, процесс схватывания которых уже начался, а также восстановление их пластичности путем добавления воды не допускается.

Блоки и плиты хранятся в рабочем положении, тумбы в горизонтальном положении, установленными на подкладки, толщиной не менее 30 мм.

Нижние блоки допускается устанавливать при хранении не более чем в два ряда по высоте. Плиты и тумбы хранятся в штабелях высотой не более 2,5 м.

При хранении в штабелях между конструкциями укладываются прокладки толщиной не менее 30 мм, а при наличии выступающих монтажных петель - не менее чем на 20 мм больше высоты выступающих частей петель. Прокладки всех вышележащих конструкций должны быть расположены одна над другой по вертикали в местах, указанных в рабочих чертежах.

9. Сварка элементов конструкции производится в надежно зафиксированном проектном положении. Запрещается сварка выпусков арматурных стержней конструкций, удерживаемых краном.

Размеры конструктивных элементов сварных соединений стержневой арматуры (стержней между собой и с элементами закладных изделий) и предельные отклонения выполненных швов должны соответствовать указанным в ГОСТ 14048-85.

Контроль качества сварных соединений осуществляется методами, указанными СНиП 3.03.01-87.

Приемочный контроль выполненных сварных стыковых соединений арматуры должен предусматривать внешний осмотр и комплекс испытаний, проводимых в соответствии с ГОСТ 10922-90 и ГОСТ 23858-79.

Антикоррозионное покрытие сварных соединений, а также участков закладных изделий и связей надлежит выполнять во всех местах, где при монтаже и сварке нарушено заводское покрытие. Способ антикоррозионной защиты и толщина наносимого слоя указываются в проекте.

Непосредственно перед нанесением антикоррозионных покрытий защищаемые поверхности закладных изделий, связей и сварных соединений очищаются от остатков сварного шлака, брызг металла, жиров и других загрязнений.

Качество антикоррозионных покрытий проверяется в соответствии с требованием СНиП 3.04.03-85 "Защита строительных конструкций и сооружений от коррозии".

После проверки правильности установки панелей, приемки соединений элементов в узлах сопряжении и выполнения антикоррозионного покрытия сварных соединений и поврежденных участков покрытия закладных изделий выполняется замоноличивание стыков. Класс бетона и марка раствора должны быть указаны в проекте.

Стыки заполняются с тщательным уплотнением. Появление раковин, пор, а также наплывов бетона и раствора на плоскости стыкуемых поверхностей не допускается.

10. Геодезическая разбивка осей здания должна производиться после проверки неизменности положения знаков разбивочной сети здания (сооружения) путем повторных измерений элементов сети.

При устройстве фундаментов зданий разбивочные оси переносятся на обноску или другое устройство для временного закрепления осей, устанавливаемые по периметру здания.

Обноска должна обеспечивать незыблемость закрепленных на ней точек.

Обноска разбивается от закрепленных осей здания с такой же точностью, с какой производятся по ней детальные разбивочные работы.

Разбивка сторон обноски начинается с откладывания расчетных расстояний от точки пересечения основных осей здания по створу продольных и поперечных осей и на их продолжении. Контроль разбивки обноски осуществляется измерением прямых углов на двух диаметрально расположенных углах обноски.

К разбивке осей необходимо приступать после проверки расстояний между отдельными осями с общим размером здания.

Для проведения детальных разбивочных работ при возведении фундаментов следует пользоваться планом построения основных и промежуточных осей здания, планом фундаментов, вертикальными разрезами котлована и фундаментов.

На дно котлована выносятся теодолитом основные оси здания, которые закрепляются металлическими штырями.

При небольшой глубине котлована детальная разбивка мест положения фундаментов производится с помощью нитяных отвесов, подвешенных на стальной проволоке и фиксирующих положение разбивочных осей в пространстве.

Перед производством разбивочных работ для возведения фундаментов производится геометрическое нивелирование подготовленного основания под фундаменты от реперов рабочей высотной основы.

11. При операционном контроле качества монтажа конструкций подземной части зданий результаты геодезической (инструментальной) проверки фиксируются в журнале работ. По результатам исполнительной геодезической съемки составляется исполнительная схема.

 




ГОСТЫ, СТРОИТЕЛЬНЫЕ и ТЕХНИЧЕСКИЕ НОРМАТИВЫ.
Некоммерческая онлайн система, содержащая все Российские Госты, национальные Стандарты и нормативы.
В Системе содержится более 150000 файлов нормативно-технической документации, действующей на территории РФ.
Система предназначена для широкого круга инженерно-технических специалистов.

Рейтинг@Mail.ru Яндекс цитирования

Copyright © www.gostrf.com, 2008 - 2026