Крупнейшая бесплатная информационно-справочная система онлайн доступа к полному собранию технических нормативно-правовых актов РФ. Огромная база технических нормативов (более 150 тысяч документов) и полное собрание национальных стандартов, аутентичное официальной базе Госстандарта. GOSTRF.com - это более 1 Терабайта бесплатной технической информации для всех пользователей интернета. Все электронные копии представленных здесь документов могут распространяться без каких-либо ограничений. Поощряется распространение информации с этого сайта на любых других ресурсах. Каждый человек имеет право на неограниченный доступ к этим документам! Каждый человек имеет право на знание требований, изложенных в данных нормативно-правовых актах!

  


 

МКС 77.140.70

Группа В22

Поправка

к ГОСТ 8240-97 Швеллеры стальные горячекатаные. Сортамент

В каком месте

Напечатано

Должно быть

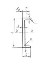
Пункт 2.2. Рисунок 1

рисунок 2

Пункт 2.3. Таблица 1. Графа SX. Для номера швеллера 8У

23,30

13,30

таблица 2. Графа WУ. Для номера швеллера 8П

3,31

5,31

таблица 5. Графа IУ. Для номера швеллера 26С

1115,60

115,60

Пункт 2.4

на рисунке 3

на рисунках 1-3

рисунок 3. Обозначение прогиба

t

¦

Пункт 2.7

при длине от 2 до 8 м включ. – до +40 мм;
»  » св. 8 м – до +
[40+5 (l-8)] мм, но не более 100 мм

+ 40 мм – при длине от 2 до 8 м включ.;
+
[40+5(l-8)] мм, но не более 100 мм – при длине св.8 м,

 

(ИУС № 12 2004 г.)

 




ГОСТЫ, СТРОИТЕЛЬНЫЕ и ТЕХНИЧЕСКИЕ НОРМАТИВЫ.
Некоммерческая онлайн система, содержащая все Российские Госты, национальные Стандарты и нормативы.
В Системе содержится более 150000 файлов нормативно-технической документации, действующей на территории РФ.
Система предназначена для широкого круга инженерно-технических специалистов.

Рейтинг@Mail.ru Яндекс цитирования

Copyright © www.gostrf.com, 2008 - 2026